Product quantity has been updated.
|
Your Session will expire in minutes due to inactivity. You will be redirected to the sign-in page. Any unsaved changes to your shopping cart may be lost. |
|
Your session has expired due to inactivity.You will be redirected to the sign-in page.
Any unsaved changes to your shopping cart may be lost. |
Added to Your Shopping Cart
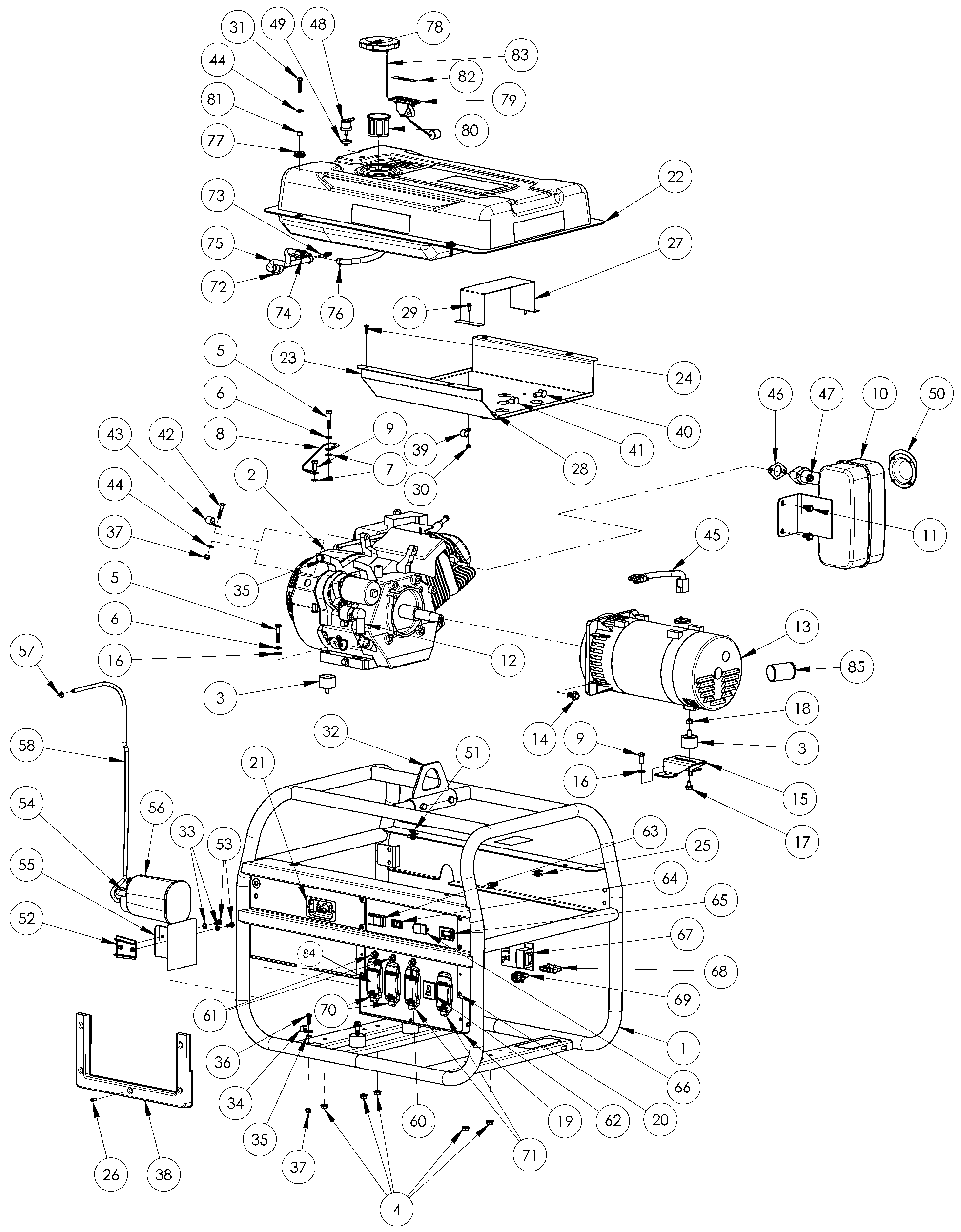
DXGN7200
- View parts by Products
- View parts by Drawing 
Model #DXGN7200 Qualify for free shipping on orders over$150!
{"code":"DXGN7200_PD612MHB004","name":null,"url":"/c//p/DXGN7200_PD612MHB004","description":"PD612MHB004","purchasable":false,"stock":{"stockLevelStatus":{"code":"outOfStock","type":"StockLevelStatus"},"stockLevel":0,"stockThreshold":null},"futureStocks":null,"availableForPickup":false,"averageRating":null,"numberOfReviews":0,"summary":"","manufacturer":null,"variantType":null,"price":null,"baseProduct":"DXGN7200","images":[{"imageType":null,"format":"110Wx110H","url":"https://www.toolservicenet.com/i/DEWALT/GLOBALBOM/QU/DXGN7200/PD612MHB004/Product_Thumbnail/EN/DXGN7200_1_110X110.jpg","altText":null,"galleryIndex":null,"width":null,"imageTypeCode":"Image","imageUrl":null,"fileName":null,"imageTypeId":null,"imageDescription":null,"isDeleted":false}],"categories":[],"reviews":[],"classifications":null,"potentialPromotions":null,"variantOptions":null,"baseOptions":[{"variantType":"SBDVariantProduct","options":[{"code":"DXGN7200_PD612MHB004","stock":{"stockLevelStatus":{"code":"outOfStock","type":"StockLevelStatus"},"stockLevel":0,"stockThreshold":null},"url":"/c//p/DXGN7200_PD612MHB004","priceData":null,"variantOptionQualifiers":[],"description":"PD612MHB004"}],"selected":{"code":"DXGN7200_PD612MHB004","stock":{"stockLevelStatus":{"code":"outOfStock","type":"StockLevelStatus"},"stockLevel":0,"stockThreshold":null},"url":"/c//p/DXGN7200_PD612MHB004","priceData":null,"variantOptionQualifiers":[],"description":"PD612MHB004"},"imageList":[{"imageType":null,"format":"110Wx110H","url":"https://www.toolservicenet.com/i/DEWALT/GLOBALBOM/QU/DXGN7200/PD612MHB004/Product_Thumbnail/EN/DXGN7200_1_110X110.jpg","altText":null,"galleryIndex":null,"width":null,"imageTypeCode":"Image","imageUrl":null,"fileName":null,"imageTypeId":null,"imageDescription":null,"isDeleted":false}],"note":null,"baseProductPrice":null}],"volumePricesFlag":null,"volumePrices":[],"productReferences":null,"variantMatrix":null,"priceRange":{"minPrice":null,"maxPrice":null},"firstCategoryNameList":null,"multidimensional":false,"configurable":false,"configuratorType":null,"addToCartDisabled":null,"addToCartDisabledMessage":null,"tags":null,"sapUnit":null,"keywords":null,"genders":null,"itemtype":"SBDVariantProduct","partSubstitute":null,"note":null,"recallNote":null,"note1":null,"note2":null,"note3":null,"note4":null,"note5":null,"pdfAllUser":[{"documentID":"163885","documentFileName":"https://www.toolservicenet.com/i/DEWALT/GLOBALBOM/QU/DXGN7200/PD612MHB004/Exploded_Diagram/EN/EA024573.gif","glossaryText":null,"fileName":"EA024573.tif","documentTypeId":"DocumentTypeModel (8796158852958@2)","documentTypeDescription":"Exploded Art","hotspotFlag":true,"userLevel":"ALL","additionalDocumentDescription":null,"id":null,"url":null,"hotspots":null,"width":null,"height":null,"isDeleted":false},{"documentID":"163886","documentFileName":"https://www.toolservicenet.com/i/DEWALT/GLOBALBOM/QU/DXGN7200/PD612MHB004/Instruction_Manual/EN/0068660_DXGN.pdf","glossaryText":null,"fileName":"0068660,DXGN.pdf","documentTypeId":"DocumentTypeModel (8796158721886@2)","documentTypeDescription":"Instruction Manual","hotspotFlag":false,"userLevel":"ALL","additionalDocumentDescription":null,"id":null,"url":null,"hotspots":null,"width":null,"height":null,"isDeleted":false}],"pdfAuthUser":[{"documentID":"163885","documentFileName":"https://www.toolservicenet.com/i/DEWALT/GLOBALBOM/QU/DXGN7200/PD612MHB004/Exploded_Diagram/EN/EA024573.gif","glossaryText":null,"fileName":"EA024573.tif","documentTypeId":"DocumentTypeModel (8796158852958@2)","documentTypeDescription":"Exploded Art","hotspotFlag":true,"userLevel":"ALL","additionalDocumentDescription":null,"id":null,"url":null,"hotspots":null,"width":null,"height":null,"isDeleted":false},{"documentID":"163886","documentFileName":"https://www.toolservicenet.com/i/DEWALT/GLOBALBOM/QU/DXGN7200/PD612MHB004/Instruction_Manual/EN/0068660_DXGN.pdf","glossaryText":null,"fileName":"0068660,DXGN.pdf","documentTypeId":"DocumentTypeModel (8796158721886@2)","documentTypeDescription":"Instruction Manual","hotspotFlag":false,"userLevel":"ALL","additionalDocumentDescription":null,"id":null,"url":null,"hotspots":null,"width":null,"height":null,"isDeleted":false},{"documentID":"163887","documentFileName":"https://www.toolservicenet.com/i/DEWALT/GLOBALBOM/QU/DXGN7200/PD612MHB004/Repair_Notice_or_Repair_Instruction/EN/RD0L6146_Rev_B_DeWalt_DXGN_and_DXGNR_DM_2_.pdf","glossaryText":null,"fileName":"RD0L6146 Rev B DeWalt DXGN and DXGNR DM (2).pdf","documentTypeId":"DocumentTypeModel (8796158689118@3)","documentTypeDescription":"Repair Notes","hotspotFlag":false,"userLevel":"AUTH","additionalDocumentDescription":null,"id":null,"url":null,"hotspots":null,"width":null,"height":null,"isDeleted":false},{"documentID":"163888","documentFileName":"https://www.toolservicenet.com/i/DEWALT/GLOBALBOM/QU/DXGN7200/PD612MHB004/Service_Bulletin/EN/SB06144_PRAMAC.rtf","glossaryText":null,"fileName":"SB06144 PRAMAC.rtf","documentTypeId":"DocumentTypeModel (8796158623582@3)","documentTypeDescription":"Service Bulletin","hotspotFlag":false,"userLevel":"AUTH","additionalDocumentDescription":null,"id":null,"url":null,"hotspots":null,"width":null,"height":null,"isDeleted":false},{"documentID":"163889","documentFileName":"https://www.toolservicenet.com/i/DEWALT/GLOBALBOM/QU/DXGN7200/PD612MHB004/Wiring_Diagram/EN/DXGN7200.pdf","glossaryText":null,"fileName":"DXGN7200.pdf","documentTypeId":"DocumentTypeModel (8796158787422@5)","documentTypeDescription":"Wiring Diagram","hotspotFlag":false,"userLevel":"AUTH","additionalDocumentDescription":null,"id":null,"url":null,"hotspots":null,"width":null,"height":null,"isDeleted":false}],"pdfCOSUser":[{"documentID":"163885","documentFileName":"https://www.toolservicenet.com/i/DEWALT/GLOBALBOM/QU/DXGN7200/PD612MHB004/Exploded_Diagram/EN/EA024573.gif","glossaryText":null,"fileName":"EA024573.tif","documentTypeId":"DocumentTypeModel (8796158852958@2)","documentTypeDescription":"Exploded Art","hotspotFlag":true,"userLevel":"ALL","additionalDocumentDescription":null,"id":null,"url":null,"hotspots":null,"width":null,"height":null,"isDeleted":false},{"documentID":"163886","documentFileName":"https://www.toolservicenet.com/i/DEWALT/GLOBALBOM/QU/DXGN7200/PD612MHB004/Instruction_Manual/EN/0068660_DXGN.pdf","glossaryText":null,"fileName":"0068660,DXGN.pdf","documentTypeId":"DocumentTypeModel (8796158721886@2)","documentTypeDescription":"Instruction Manual","hotspotFlag":false,"userLevel":"ALL","additionalDocumentDescription":null,"id":null,"url":null,"hotspots":null,"width":null,"height":null,"isDeleted":false},{"documentID":"163887","documentFileName":"https://www.toolservicenet.com/i/DEWALT/GLOBALBOM/QU/DXGN7200/PD612MHB004/Repair_Notice_or_Repair_Instruction/EN/RD0L6146_Rev_B_DeWalt_DXGN_and_DXGNR_DM_2_.pdf","glossaryText":null,"fileName":"RD0L6146 Rev B DeWalt DXGN and DXGNR DM (2).pdf","documentTypeId":"DocumentTypeModel (8796158689118@3)","documentTypeDescription":"Repair Notes","hotspotFlag":false,"userLevel":"AUTH","additionalDocumentDescription":null,"id":null,"url":null,"hotspots":null,"width":null,"height":null,"isDeleted":false},{"documentID":"163888","documentFileName":"https://www.toolservicenet.com/i/DEWALT/GLOBALBOM/QU/DXGN7200/PD612MHB004/Service_Bulletin/EN/SB06144_PRAMAC.rtf","glossaryText":null,"fileName":"SB06144 PRAMAC.rtf","documentTypeId":"DocumentTypeModel (8796158623582@3)","documentTypeDescription":"Service Bulletin","hotspotFlag":false,"userLevel":"AUTH","additionalDocumentDescription":null,"id":null,"url":null,"hotspots":null,"width":null,"height":null,"isDeleted":false},{"documentID":"163889","documentFileName":"https://www.toolservicenet.com/i/DEWALT/GLOBALBOM/QU/DXGN7200/PD612MHB004/Wiring_Diagram/EN/DXGN7200.pdf","glossaryText":null,"fileName":"DXGN7200.pdf","documentTypeId":"DocumentTypeModel (8796158787422@5)","documentTypeDescription":"Wiring Diagram","hotspotFlag":false,"userLevel":"AUTH","additionalDocumentDescription":null,"id":null,"url":null,"hotspots":null,"width":null,"height":null,"isDeleted":false}],"vaiantRelatedPartList":[{"code":"P5140116-83","name":null,"url":"/c//p/P5140116-83","description":"CARRIER ASSY.","purchasable":true,"stock":{"stockLevelStatus":{"code":"inStock","type":"StockLevelStatus"},"stockLevel":1,"stockThreshold":null},"futureStocks":null,"availableForPickup":null,"averageRating":null,"numberOfReviews":null,"summary":null,"manufacturer":null,"variantType":null,"price":{"currencyIso":"USD","value":369.01,"priceType":"BUY","formattedValue":"$369.01","minQuantity":null,"maxQuantity":null,"sapUnit":{"code":"pieces","name":"Piece"}},"baseProduct":null,"images":[],"categories":null,"reviews":null,"classifications":null,"potentialPromotions":null,"variantOptions":null,"baseOptions":[],"volumePricesFlag":null,"volumePrices":null,"productReferences":null,"variantMatrix":null,"priceRange":null,"firstCategoryNameList":null,"multidimensional":null,"configurable":false,"configuratorType":null,"addToCartDisabled":null,"addToCartDisabledMessage":null,"tags":null,"sapUnit":null,"keywords":null,"genders":null,"itemtype":"Part","partSubstitute":null,"note":"N/A","recallNote":null,"note1":null,"note2":null,"note3":null,"note4":null,"note5":null,"pdfAllUser":null,"pdfAuthUser":null,"pdfCOSUser":null,"vaiantRelatedPartList":null,"partHotspotList":null,"itemNumber":1,"partRelatedVariantList":null,"bomCode":6,"totalValue":null,"searchImage":null,"length":null,"width":null,"height":null,"unitOfDimension":null,"weight":null,"unitOfWeight":null,"specialRouting":false,"onlineRepair":null,"previousPartID":null,"sbdDiscountPriceValue":{"currencyIso":"USD","value":369.01,"priceType":"BUY","formattedValue":"$369.01","minQuantity":null,"maxQuantity":null,"sapUnit":{"code":"pieces","name":"Piece"}},"alrCode":null,"productRecallFlag":null,"selectedDocumentId":null,"productDescription":null,"pdpImage":null,"ticketId":null,"qtyRequiredPerVariant":"1","isElgibleForRepair":null,"isPowerEligible":null,"productRecallNotes":null,"productOtherInfo":null,"backorderETA":"00/00/0000","modifiedDate":"No ETA","userLevel":"ALL","displayPrice":null,"baseProductName":null,"firstVariantCode":null,"firstVariantImage":null,"productMarketType":null,"productNumber":null,"typeStatusCode":null,"productCategory":null,"typeNumber":null,"marketCode":null,"regionCode":null,"otherInformation":null,"productTypeStatus":null,"repairInstruction":null,"repairInstructionStatusDescription":null,"typeStatusDate":null,"serviceLifeDate":null,"manufacturerId":null,"parts":null,"language":null,"glossaries":null,"brand":null,"product":null,"brandCode":null,"recallNotes":null,"volume":null},{"code":"P5140116-84","name":null,"url":"/c//p/P5140116-84","description":"ENGINE HONDA","purchasable":true,"stock":{"stockLevelStatus":{"code":"inStock","type":"StockLevelStatus"},"stockLevel":1,"stockThreshold":null},"futureStocks":null,"availableForPickup":null,"averageRating":null,"numberOfReviews":null,"summary":null,"manufacturer":null,"variantType":null,"price":{"currencyIso":"USD","value":1704.73,"priceType":"BUY","formattedValue":"$1,704.73","minQuantity":null,"maxQuantity":null,"sapUnit":{"code":"pieces","name":"Piece"}},"baseProduct":null,"images":[],"categories":null,"reviews":null,"classifications":null,"potentialPromotions":null,"variantOptions":null,"baseOptions":[],"volumePricesFlag":null,"volumePrices":null,"productReferences":null,"variantMatrix":null,"priceRange":null,"firstCategoryNameList":null,"multidimensional":null,"configurable":false,"configuratorType":null,"addToCartDisabled":null,"addToCartDisabledMessage":null,"tags":null,"sapUnit":null,"keywords":null,"genders":null,"itemtype":"Part","partSubstitute":null,"note":"N/A","recallNote":null,"note1":null,"note2":null,"note3":null,"note4":null,"note5":null,"pdfAllUser":null,"pdfAuthUser":null,"pdfCOSUser":null,"vaiantRelatedPartList":null,"partHotspotList":null,"itemNumber":2,"partRelatedVariantList":null,"bomCode":2,"totalValue":null,"searchImage":null,"length":null,"width":null,"height":null,"unitOfDimension":null,"weight":null,"unitOfWeight":null,"specialRouting":false,"onlineRepair":null,"previousPartID":null,"sbdDiscountPriceValue":{"currencyIso":"USD","value":1704.73,"priceType":"BUY","formattedValue":"$1,704.73","minQuantity":null,"maxQuantity":null,"sapUnit":{"code":"pieces","name":"Piece"}},"alrCode":null,"productRecallFlag":null,"selectedDocumentId":null,"productDescription":null,"pdpImage":null,"ticketId":null,"qtyRequiredPerVariant":"1","isElgibleForRepair":null,"isPowerEligible":null,"productRecallNotes":null,"productOtherInfo":null,"backorderETA":"00/00/0000","modifiedDate":"No ETA","userLevel":"ALL","displayPrice":null,"baseProductName":null,"firstVariantCode":null,"firstVariantImage":null,"productMarketType":null,"productNumber":null,"typeStatusCode":null,"productCategory":null,"typeNumber":null,"marketCode":null,"regionCode":null,"otherInformation":null,"productTypeStatus":null,"repairInstruction":null,"repairInstructionStatusDescription":null,"typeStatusDate":null,"serviceLifeDate":null,"manufacturerId":null,"parts":null,"language":null,"glossaries":null,"brand":null,"product":null,"brandCode":null,"recallNotes":null,"volume":null},{"code":"P5140115-46","name":null,"url":"/c//p/P5140115-46","description":"ISOLATOR","purchasable":true,"stock":{"stockLevelStatus":{"code":"inStock","type":"StockLevelStatus"},"stockLevel":31,"stockThreshold":null},"futureStocks":null,"availableForPickup":null,"averageRating":null,"numberOfReviews":null,"summary":null,"manufacturer":null,"variantType":null,"price":{"currencyIso":"USD","value":8.33,"priceType":"BUY","formattedValue":"$8.33","minQuantity":null,"maxQuantity":null,"sapUnit":{"code":"pieces","name":"Piece"}},"baseProduct":null,"images":[],"categories":null,"reviews":null,"classifications":null,"potentialPromotions":null,"variantOptions":null,"baseOptions":[],"volumePricesFlag":null,"volumePrices":null,"productReferences":null,"variantMatrix":null,"priceRange":null,"firstCategoryNameList":null,"multidimensional":null,"configurable":false,"configuratorType":null,"addToCartDisabled":null,"addToCartDisabledMessage":null,"tags":null,"sapUnit":null,"keywords":null,"genders":null,"itemtype":"Part","partSubstitute":null,"note":"N/A","recallNote":null,"note1":null,"note2":null,"note3":null,"note4":null,"note5":null,"pdfAllUser":null,"pdfAuthUser":null,"pdfCOSUser":null,"vaiantRelatedPartList":null,"partHotspotList":null,"itemNumber":3,"partRelatedVariantList":null,"bomCode":2,"totalValue":null,"searchImage":null,"length":null,"width":null,"height":null,"unitOfDimension":null,"weight":null,"unitOfWeight":null,"specialRouting":false,"onlineRepair":null,"previousPartID":null,"sbdDiscountPriceValue":{"currencyIso":"USD","value":8.33,"priceType":"BUY","formattedValue":"$8.33","minQuantity":null,"maxQuantity":null,"sapUnit":{"code":"pieces","name":"Piece"}},"alrCode":null,"productRecallFlag":null,"selectedDocumentId":null,"productDescription":null,"pdpImage":null,"ticketId":null,"qtyRequiredPerVariant":"5","isElgibleForRepair":null,"isPowerEligible":null,"productRecallNotes":null,"productOtherInfo":null,"backorderETA":"00/00/0000","modifiedDate":"No ETA","userLevel":"ALL","displayPrice":null,"baseProductName":null,"firstVariantCode":null,"firstVariantImage":null,"productMarketType":null,"productNumber":null,"typeStatusCode":null,"productCategory":null,"typeNumber":null,"marketCode":null,"regionCode":null,"otherInformation":null,"productTypeStatus":null,"repairInstruction":null,"repairInstructionStatusDescription":null,"typeStatusDate":null,"serviceLifeDate":null,"manufacturerId":null,"parts":null,"language":null,"glossaries":null,"brand":null,"product":null,"brandCode":null,"recallNotes":null,"volume":null},{"code":"P5140115-19","name":null,"url":"/c//p/P5140115-19","description":"HEX NUT","purchasable":true,"stock":{"stockLevelStatus":{"code":"inStock","type":"StockLevelStatus"},"stockLevel":0,"stockThreshold":null},"futureStocks":null,"availableForPickup":null,"averageRating":null,"numberOfReviews":null,"summary":null,"manufacturer":null,"variantType":null,"price":{"currencyIso":"USD","value":1.16,"priceType":"BUY","formattedValue":"$1.16","minQuantity":null,"maxQuantity":null,"sapUnit":{"code":"pieces","name":"Piece"}},"baseProduct":null,"images":[],"categories":null,"reviews":null,"classifications":null,"potentialPromotions":null,"variantOptions":null,"baseOptions":[],"volumePricesFlag":null,"volumePrices":null,"productReferences":null,"variantMatrix":null,"priceRange":null,"firstCategoryNameList":null,"multidimensional":null,"configurable":false,"configuratorType":null,"addToCartDisabled":null,"addToCartDisabledMessage":null,"tags":null,"sapUnit":null,"keywords":null,"genders":null,"itemtype":"Part","partSubstitute":null,"note":"N/A","recallNote":null,"note1":null,"note2":null,"note3":null,"note4":null,"note5":null,"pdfAllUser":null,"pdfAuthUser":null,"pdfCOSUser":null,"vaiantRelatedPartList":null,"partHotspotList":null,"itemNumber":4,"partRelatedVariantList":null,"bomCode":2,"totalValue":null,"searchImage":null,"length":null,"width":null,"height":null,"unitOfDimension":null,"weight":null,"unitOfWeight":null,"specialRouting":false,"onlineRepair":null,"previousPartID":null,"sbdDiscountPriceValue":{"currencyIso":"USD","value":1.16,"priceType":"BUY","formattedValue":"$1.16","minQuantity":null,"maxQuantity":null,"sapUnit":{"code":"pieces","name":"Piece"}},"alrCode":null,"productRecallFlag":null,"selectedDocumentId":null,"productDescription":null,"pdpImage":null,"ticketId":null,"qtyRequiredPerVariant":"7","isElgibleForRepair":null,"isPowerEligible":null,"productRecallNotes":null,"productOtherInfo":null,"backorderETA":"00/00/0000","modifiedDate":"No ETA","userLevel":"ALL","displayPrice":null,"baseProductName":null,"firstVariantCode":null,"firstVariantImage":null,"productMarketType":null,"productNumber":null,"typeStatusCode":null,"productCategory":null,"typeNumber":null,"marketCode":null,"regionCode":null,"otherInformation":null,"productTypeStatus":null,"repairInstruction":null,"repairInstructionStatusDescription":null,"typeStatusDate":null,"serviceLifeDate":null,"manufacturerId":null,"parts":null,"language":null,"glossaries":null,"brand":null,"product":null,"brandCode":null,"recallNotes":null,"volume":null},{"code":"P5140116-85","name":null,"url":"/c//p/P5140116-85","description":"BOLT","purchasable":false,"stock":{"stockLevelStatus":{"code":"inStock","type":"StockLevelStatus"},"stockLevel":0,"stockThreshold":null},"futureStocks":null,"availableForPickup":null,"averageRating":null,"numberOfReviews":null,"summary":null,"manufacturer":null,"variantType":null,"price":null,"baseProduct":null,"images":[],"categories":null,"reviews":null,"classifications":null,"potentialPromotions":null,"variantOptions":null,"baseOptions":[],"volumePricesFlag":null,"volumePrices":null,"productReferences":null,"variantMatrix":null,"priceRange":null,"firstCategoryNameList":null,"multidimensional":null,"configurable":false,"configuratorType":null,"addToCartDisabled":null,"addToCartDisabledMessage":null,"tags":null,"sapUnit":null,"keywords":null,"genders":null,"itemtype":"Part","partSubstitute":null,"note":"N/A","recallNote":null,"note1":null,"note2":null,"note3":null,"note4":null,"note5":null,"pdfAllUser":null,"pdfAuthUser":null,"pdfCOSUser":null,"vaiantRelatedPartList":null,"partHotspotList":null,"itemNumber":5,"partRelatedVariantList":null,"bomCode":6,"totalValue":null,"searchImage":null,"length":null,"width":null,"height":null,"unitOfDimension":null,"weight":null,"unitOfWeight":null,"specialRouting":false,"onlineRepair":null,"previousPartID":null,"sbdDiscountPriceValue":null,"alrCode":null,"productRecallFlag":null,"selectedDocumentId":null,"productDescription":null,"pdpImage":null,"ticketId":null,"qtyRequiredPerVariant":"4","isElgibleForRepair":null,"isPowerEligible":null,"productRecallNotes":null,"productOtherInfo":null,"backorderETA":"00/00/0000","modifiedDate":"No ETA","userLevel":"ALL","displayPrice":null,"baseProductName":null,"firstVariantCode":null,"firstVariantImage":null,"productMarketType":null,"productNumber":null,"typeStatusCode":null,"productCategory":null,"typeNumber":null,"marketCode":null,"regionCode":null,"otherInformation":null,"productTypeStatus":null,"repairInstruction":null,"repairInstructionStatusDescription":null,"typeStatusDate":null,"serviceLifeDate":null,"manufacturerId":null,"parts":null,"language":null,"glossaries":null,"brand":null,"product":null,"brandCode":null,"recallNotes":null,"volume":null},{"code":"P5140115-45","name":null,"url":"/c//p/P5140115-45","description":"LOCK WASHER","purchasable":true,"stock":{"stockLevelStatus":{"code":"inStock","type":"StockLevelStatus"},"stockLevel":0,"stockThreshold":null},"futureStocks":null,"availableForPickup":null,"averageRating":null,"numberOfReviews":null,"summary":null,"manufacturer":null,"variantType":null,"price":{"currencyIso":"USD","value":4.63,"priceType":"BUY","formattedValue":"$4.63","minQuantity":null,"maxQuantity":null,"sapUnit":{"code":"pieces","name":"Piece"}},"baseProduct":null,"images":[],"categories":null,"reviews":null,"classifications":null,"potentialPromotions":null,"variantOptions":null,"baseOptions":[],"volumePricesFlag":null,"volumePrices":null,"productReferences":null,"variantMatrix":null,"priceRange":null,"firstCategoryNameList":null,"multidimensional":null,"configurable":false,"configuratorType":null,"addToCartDisabled":null,"addToCartDisabledMessage":null,"tags":null,"sapUnit":null,"keywords":null,"genders":null,"itemtype":"Part","partSubstitute":null,"note":"N/A","recallNote":null,"note1":null,"note2":null,"note3":null,"note4":null,"note5":null,"pdfAllUser":null,"pdfAuthUser":null,"pdfCOSUser":null,"vaiantRelatedPartList":null,"partHotspotList":null,"itemNumber":6,"partRelatedVariantList":null,"bomCode":2,"totalValue":null,"searchImage":null,"length":null,"width":null,"height":null,"unitOfDimension":null,"weight":null,"unitOfWeight":null,"specialRouting":false,"onlineRepair":null,"previousPartID":null,"sbdDiscountPriceValue":{"currencyIso":"USD","value":4.63,"priceType":"BUY","formattedValue":"$4.63","minQuantity":null,"maxQuantity":null,"sapUnit":{"code":"pieces","name":"Piece"}},"alrCode":null,"productRecallFlag":null,"selectedDocumentId":null,"productDescription":null,"pdpImage":null,"ticketId":null,"qtyRequiredPerVariant":"4","isElgibleForRepair":null,"isPowerEligible":null,"productRecallNotes":null,"productOtherInfo":null,"backorderETA":"00/00/0000","modifiedDate":"No ETA","userLevel":"ALL","displayPrice":null,"baseProductName":null,"firstVariantCode":null,"firstVariantImage":null,"productMarketType":null,"productNumber":null,"typeStatusCode":null,"productCategory":null,"typeNumber":null,"marketCode":null,"regionCode":null,"otherInformation":null,"productTypeStatus":null,"repairInstruction":null,"repairInstructionStatusDescription":null,"typeStatusDate":null,"serviceLifeDate":null,"manufacturerId":null,"parts":null,"language":null,"glossaries":null,"brand":null,"product":null,"brandCode":null,"recallNotes":null,"volume":null},{"code":"P5140115-47","name":null,"url":"/c//p/P5140115-47","description":"WASHER","purchasable":true,"stock":{"stockLevelStatus":{"code":"inStock","type":"StockLevelStatus"},"stockLevel":0,"stockThreshold":null},"futureStocks":null,"availableForPickup":null,"averageRating":null,"numberOfReviews":null,"summary":null,"manufacturer":null,"variantType":null,"price":{"currencyIso":"USD","value":1.16,"priceType":"BUY","formattedValue":"$1.16","minQuantity":null,"maxQuantity":null,"sapUnit":{"code":"pieces","name":"Piece"}},"baseProduct":null,"images":[],"categories":null,"reviews":null,"classifications":null,"potentialPromotions":null,"variantOptions":null,"baseOptions":[],"volumePricesFlag":null,"volumePrices":null,"productReferences":null,"variantMatrix":null,"priceRange":null,"firstCategoryNameList":null,"multidimensional":null,"configurable":false,"configuratorType":null,"addToCartDisabled":null,"addToCartDisabledMessage":null,"tags":null,"sapUnit":null,"keywords":null,"genders":null,"itemtype":"Part","partSubstitute":null,"note":"N/A","recallNote":null,"note1":null,"note2":null,"note3":null,"note4":null,"note5":null,"pdfAllUser":null,"pdfAuthUser":null,"pdfCOSUser":null,"vaiantRelatedPartList":null,"partHotspotList":null,"itemNumber":7,"partRelatedVariantList":null,"bomCode":2,"totalValue":null,"searchImage":null,"length":null,"width":null,"height":null,"unitOfDimension":null,"weight":null,"unitOfWeight":null,"specialRouting":false,"onlineRepair":null,"previousPartID":null,"sbdDiscountPriceValue":{"currencyIso":"USD","value":1.16,"priceType":"BUY","formattedValue":"$1.16","minQuantity":null,"maxQuantity":null,"sapUnit":{"code":"pieces","name":"Piece"}},"alrCode":null,"productRecallFlag":null,"selectedDocumentId":null,"productDescription":null,"pdpImage":null,"ticketId":null,"qtyRequiredPerVariant":"2","isElgibleForRepair":null,"isPowerEligible":null,"productRecallNotes":null,"productOtherInfo":null,"backorderETA":"00/00/0000","modifiedDate":"No ETA","userLevel":"ALL","displayPrice":null,"baseProductName":null,"firstVariantCode":null,"firstVariantImage":null,"productMarketType":null,"productNumber":null,"typeStatusCode":null,"productCategory":null,"typeNumber":null,"marketCode":null,"regionCode":null,"otherInformation":null,"productTypeStatus":null,"repairInstruction":null,"repairInstructionStatusDescription":null,"typeStatusDate":null,"serviceLifeDate":null,"manufacturerId":null,"parts":null,"language":null,"glossaries":null,"brand":null,"product":null,"brandCode":null,"recallNotes":null,"volume":null},{"code":"P5140115-37","name":null,"url":"/c//p/P5140115-37","description":"GROUND WIRE","purchasable":true,"stock":{"stockLevelStatus":{"code":"inStock","type":"StockLevelStatus"},"stockLevel":0,"stockThreshold":null},"futureStocks":null,"availableForPickup":null,"averageRating":null,"numberOfReviews":null,"summary":null,"manufacturer":null,"variantType":null,"price":{"currencyIso":"USD","value":8.93,"priceType":"BUY","formattedValue":"$8.93","minQuantity":null,"maxQuantity":null,"sapUnit":{"code":"pieces","name":"Piece"}},"baseProduct":null,"images":[],"categories":null,"reviews":null,"classifications":null,"potentialPromotions":null,"variantOptions":null,"baseOptions":[],"volumePricesFlag":null,"volumePrices":null,"productReferences":null,"variantMatrix":null,"priceRange":null,"firstCategoryNameList":null,"multidimensional":null,"configurable":false,"configuratorType":null,"addToCartDisabled":null,"addToCartDisabledMessage":null,"tags":null,"sapUnit":null,"keywords":null,"genders":null,"itemtype":"Part","partSubstitute":null,"note":"N/A","recallNote":null,"note1":null,"note2":null,"note3":null,"note4":null,"note5":null,"pdfAllUser":null,"pdfAuthUser":null,"pdfCOSUser":null,"vaiantRelatedPartList":null,"partHotspotList":null,"itemNumber":8,"partRelatedVariantList":null,"bomCode":2,"totalValue":null,"searchImage":null,"length":null,"width":null,"height":null,"unitOfDimension":null,"weight":null,"unitOfWeight":null,"specialRouting":false,"onlineRepair":null,"previousPartID":null,"sbdDiscountPriceValue":{"currencyIso":"USD","value":8.93,"priceType":"BUY","formattedValue":"$8.93","minQuantity":null,"maxQuantity":null,"sapUnit":{"code":"pieces","name":"Piece"}},"alrCode":null,"productRecallFlag":null,"selectedDocumentId":null,"productDescription":null,"pdpImage":null,"ticketId":null,"qtyRequiredPerVariant":"1","isElgibleForRepair":null,"isPowerEligible":null,"productRecallNotes":null,"productOtherInfo":null,"backorderETA":"00/00/0000","modifiedDate":"No ETA","userLevel":"ALL","displayPrice":null,"baseProductName":null,"firstVariantCode":null,"firstVariantImage":null,"productMarketType":null,"productNumber":null,"typeStatusCode":null,"productCategory":null,"typeNumber":null,"marketCode":null,"regionCode":null,"otherInformation":null,"productTypeStatus":null,"repairInstruction":null,"repairInstructionStatusDescription":null,"typeStatusDate":null,"serviceLifeDate":null,"manufacturerId":null,"parts":null,"language":null,"glossaries":null,"brand":null,"product":null,"brandCode":null,"recallNotes":null,"volume":null},{"code":"P5140116-40","name":null,"url":"/c//p/P5140116-40","description":"HEX BOLT","purchasable":false,"stock":{"stockLevelStatus":{"code":"inStock","type":"StockLevelStatus"},"stockLevel":0,"stockThreshold":null},"futureStocks":null,"availableForPickup":null,"averageRating":null,"numberOfReviews":null,"summary":null,"manufacturer":null,"variantType":null,"price":null,"baseProduct":null,"images":[],"categories":null,"reviews":null,"classifications":null,"potentialPromotions":null,"variantOptions":null,"baseOptions":[],"volumePricesFlag":null,"volumePrices":null,"productReferences":null,"variantMatrix":null,"priceRange":null,"firstCategoryNameList":null,"multidimensional":null,"configurable":false,"configuratorType":null,"addToCartDisabled":null,"addToCartDisabledMessage":null,"tags":null,"sapUnit":null,"keywords":null,"genders":null,"itemtype":"Part","partSubstitute":null,"note":"N/A","recallNote":null,"note1":null,"note2":null,"note3":null,"note4":null,"note5":null,"pdfAllUser":null,"pdfAuthUser":null,"pdfCOSUser":null,"vaiantRelatedPartList":null,"partHotspotList":null,"itemNumber":9,"partRelatedVariantList":null,"bomCode":4,"totalValue":null,"searchImage":null,"length":null,"width":null,"height":null,"unitOfDimension":null,"weight":null,"unitOfWeight":null,"specialRouting":false,"onlineRepair":null,"previousPartID":null,"sbdDiscountPriceValue":null,"alrCode":null,"productRecallFlag":null,"selectedDocumentId":null,"productDescription":null,"pdpImage":null,"ticketId":null,"qtyRequiredPerVariant":"3","isElgibleForRepair":null,"isPowerEligible":null,"productRecallNotes":null,"productOtherInfo":null,"backorderETA":"00/00/0000","modifiedDate":"No ETA","userLevel":"ALL","displayPrice":null,"baseProductName":null,"firstVariantCode":null,"firstVariantImage":null,"productMarketType":null,"productNumber":null,"typeStatusCode":null,"productCategory":null,"typeNumber":null,"marketCode":null,"regionCode":null,"otherInformation":null,"productTypeStatus":null,"repairInstruction":null,"repairInstructionStatusDescription":null,"typeStatusDate":null,"serviceLifeDate":null,"manufacturerId":null,"parts":null,"language":null,"glossaries":null,"brand":null,"product":null,"brandCode":null,"recallNotes":null,"volume":null},{"code":"P5140208-74","name":null,"url":"/c//p/P5140208-74","description":"HEX BOLT","purchasable":true,"stock":{"stockLevelStatus":{"code":"inStock","type":"StockLevelStatus"},"stockLevel":0,"stockThreshold":null},"futureStocks":null,"availableForPickup":null,"averageRating":null,"numberOfReviews":null,"summary":null,"manufacturer":null,"variantType":null,"price":{"currencyIso":"USD","value":1.16,"priceType":"BUY","formattedValue":"$1.16","minQuantity":null,"maxQuantity":null,"sapUnit":{"code":"pieces","name":"Piece"}},"baseProduct":null,"images":[],"categories":null,"reviews":null,"classifications":null,"potentialPromotions":null,"variantOptions":null,"baseOptions":[],"volumePricesFlag":null,"volumePrices":null,"productReferences":null,"variantMatrix":null,"priceRange":null,"firstCategoryNameList":null,"multidimensional":null,"configurable":false,"configuratorType":null,"addToCartDisabled":null,"addToCartDisabledMessage":null,"tags":null,"sapUnit":null,"keywords":null,"genders":null,"itemtype":"Part","partSubstitute":null,"note":"N/A","recallNote":null,"note1":null,"note2":null,"note3":null,"note4":null,"note5":null,"pdfAllUser":null,"pdfAuthUser":null,"pdfCOSUser":null,"vaiantRelatedPartList":null,"partHotspotList":null,"itemNumber":9,"partRelatedVariantList":null,"bomCode":2,"totalValue":null,"searchImage":null,"length":null,"width":null,"height":null,"unitOfDimension":null,"weight":null,"unitOfWeight":null,"specialRouting":false,"onlineRepair":null,"previousPartID":null,"sbdDiscountPriceValue":{"currencyIso":"USD","value":1.16,"priceType":"BUY","formattedValue":"$1.16","minQuantity":null,"maxQuantity":null,"sapUnit":{"code":"pieces","name":"Piece"}},"alrCode":null,"productRecallFlag":null,"selectedDocumentId":null,"productDescription":null,"pdpImage":null,"ticketId":null,"qtyRequiredPerVariant":"3","isElgibleForRepair":null,"isPowerEligible":null,"productRecallNotes":null,"productOtherInfo":null,"backorderETA":"00/00/0000","modifiedDate":"No ETA","userLevel":"ALL","displayPrice":null,"baseProductName":null,"firstVariantCode":null,"firstVariantImage":null,"productMarketType":null,"productNumber":null,"typeStatusCode":null,"productCategory":null,"typeNumber":null,"marketCode":null,"regionCode":null,"otherInformation":null,"productTypeStatus":null,"repairInstruction":null,"repairInstructionStatusDescription":null,"typeStatusDate":null,"serviceLifeDate":null,"manufacturerId":null,"parts":null,"language":null,"glossaries":null,"brand":null,"product":null,"brandCode":null,"recallNotes":null,"volume":null},{"code":"P5140189-69","name":null,"url":"/c//p/P5140189-69","description":"MUFFLER","purchasable":false,"stock":{"stockLevelStatus":{"code":"inStock","type":"StockLevelStatus"},"stockLevel":0,"stockThreshold":null},"futureStocks":null,"availableForPickup":null,"averageRating":null,"numberOfReviews":null,"summary":null,"manufacturer":null,"variantType":null,"price":null,"baseProduct":null,"images":[{"imageType":null,"format":"110Wx110H","url":"https://www.toolservicenet.com/i/PARTS/GLOBALBOM/5140189-69/Part_Thumbnail/EN/23086131.276022_thumb.276024.jpg","altText":null,"galleryIndex":null,"width":null,"imageTypeCode":"Image","imageUrl":null,"fileName":null,"imageTypeId":null,"imageDescription":null,"isDeleted":false},{"imageType":null,"format":"3000Wx3000H","url":"https://www.toolservicenet.com/i/PARTS/GLOBALBOM/5140189-69/Part_Image/EN/23086131.276022.jpg","altText":null,"galleryIndex":null,"width":null,"imageTypeCode":"Image","imageUrl":null,"fileName":null,"imageTypeId":null,"imageDescription":null,"isDeleted":false}],"categories":null,"reviews":null,"classifications":null,"potentialPromotions":null,"variantOptions":null,"baseOptions":[],"volumePricesFlag":null,"volumePrices":null,"productReferences":null,"variantMatrix":null,"priceRange":null,"firstCategoryNameList":null,"multidimensional":null,"configurable":false,"configuratorType":null,"addToCartDisabled":null,"addToCartDisabledMessage":null,"tags":null,"sapUnit":null,"keywords":null,"genders":null,"itemtype":"Part","partSubstitute":null,"note":"N/A","recallNote":null,"note1":null,"note2":null,"note3":null,"note4":null,"note5":null,"pdfAllUser":null,"pdfAuthUser":null,"pdfCOSUser":null,"vaiantRelatedPartList":null,"partHotspotList":null,"itemNumber":10,"partRelatedVariantList":null,"bomCode":6,"totalValue":null,"searchImage":null,"length":null,"width":null,"height":null,"unitOfDimension":null,"weight":null,"unitOfWeight":null,"specialRouting":false,"onlineRepair":null,"previousPartID":null,"sbdDiscountPriceValue":null,"alrCode":null,"productRecallFlag":null,"selectedDocumentId":null,"productDescription":null,"pdpImage":null,"ticketId":null,"qtyRequiredPerVariant":"1","isElgibleForRepair":null,"isPowerEligible":null,"productRecallNotes":null,"productOtherInfo":null,"backorderETA":"00/00/0000","modifiedDate":"No ETA","userLevel":"ALL","displayPrice":null,"baseProductName":null,"firstVariantCode":null,"firstVariantImage":null,"productMarketType":null,"productNumber":null,"typeStatusCode":null,"productCategory":null,"typeNumber":null,"marketCode":null,"regionCode":null,"otherInformation":null,"productTypeStatus":null,"repairInstruction":null,"repairInstructionStatusDescription":null,"typeStatusDate":null,"serviceLifeDate":null,"manufacturerId":null,"parts":null,"language":null,"glossaries":null,"brand":null,"product":null,"brandCode":null,"recallNotes":null,"volume":null},{"code":"P5140116-42","name":null,"url":"/c//p/P5140116-42","description":"BOLT","purchasable":true,"stock":{"stockLevelStatus":{"code":"inStock","type":"StockLevelStatus"},"stockLevel":6,"stockThreshold":null},"futureStocks":null,"availableForPickup":null,"averageRating":null,"numberOfReviews":null,"summary":null,"manufacturer":null,"variantType":null,"price":{"currencyIso":"USD","value":1.16,"priceType":"BUY","formattedValue":"$1.16","minQuantity":null,"maxQuantity":null,"sapUnit":{"code":"pieces","name":"Piece"}},"baseProduct":null,"images":[],"categories":null,"reviews":null,"classifications":null,"potentialPromotions":null,"variantOptions":null,"baseOptions":[],"volumePricesFlag":null,"volumePrices":null,"productReferences":null,"variantMatrix":null,"priceRange":null,"firstCategoryNameList":null,"multidimensional":null,"configurable":false,"configuratorType":null,"addToCartDisabled":null,"addToCartDisabledMessage":null,"tags":null,"sapUnit":null,"keywords":null,"genders":null,"itemtype":"Part","partSubstitute":null,"note":"N/A","recallNote":null,"note1":null,"note2":null,"note3":null,"note4":null,"note5":null,"pdfAllUser":null,"pdfAuthUser":null,"pdfCOSUser":null,"vaiantRelatedPartList":null,"partHotspotList":null,"itemNumber":11,"partRelatedVariantList":null,"bomCode":2,"totalValue":null,"searchImage":null,"length":null,"width":null,"height":null,"unitOfDimension":null,"weight":null,"unitOfWeight":null,"specialRouting":false,"onlineRepair":null,"previousPartID":null,"sbdDiscountPriceValue":{"currencyIso":"USD","value":1.16,"priceType":"BUY","formattedValue":"$1.16","minQuantity":null,"maxQuantity":null,"sapUnit":{"code":"pieces","name":"Piece"}},"alrCode":null,"productRecallFlag":null,"selectedDocumentId":null,"productDescription":null,"pdpImage":null,"ticketId":null,"qtyRequiredPerVariant":"2","isElgibleForRepair":null,"isPowerEligible":null,"productRecallNotes":null,"productOtherInfo":null,"backorderETA":"00/00/0000","modifiedDate":"No ETA","userLevel":"ALL","displayPrice":null,"baseProductName":null,"firstVariantCode":null,"firstVariantImage":null,"productMarketType":null,"productNumber":null,"typeStatusCode":null,"productCategory":null,"typeNumber":null,"marketCode":null,"regionCode":null,"otherInformation":null,"productTypeStatus":null,"repairInstruction":null,"repairInstructionStatusDescription":null,"typeStatusDate":null,"serviceLifeDate":null,"manufacturerId":null,"parts":null,"language":null,"glossaries":null,"brand":null,"product":null,"brandCode":null,"recallNotes":null,"volume":null},{"code":"P5140208-72","name":null,"url":"/c//p/P5140208-72","description":"BATTERY POST COVER","purchasable":true,"stock":{"stockLevelStatus":{"code":"inStock","type":"StockLevelStatus"},"stockLevel":0,"stockThreshold":null},"futureStocks":null,"availableForPickup":null,"averageRating":null,"numberOfReviews":null,"summary":null,"manufacturer":null,"variantType":null,"price":{"currencyIso":"USD","value":1.16,"priceType":"BUY","formattedValue":"$1.16","minQuantity":null,"maxQuantity":null,"sapUnit":{"code":"pieces","name":"Piece"}},"baseProduct":null,"images":[],"categories":null,"reviews":null,"classifications":null,"potentialPromotions":null,"variantOptions":null,"baseOptions":[],"volumePricesFlag":null,"volumePrices":null,"productReferences":null,"variantMatrix":null,"priceRange":null,"firstCategoryNameList":null,"multidimensional":null,"configurable":false,"configuratorType":null,"addToCartDisabled":null,"addToCartDisabledMessage":null,"tags":null,"sapUnit":null,"keywords":null,"genders":null,"itemtype":"Part","partSubstitute":null,"note":"N/A","recallNote":null,"note1":null,"note2":null,"note3":null,"note4":null,"note5":null,"pdfAllUser":null,"pdfAuthUser":null,"pdfCOSUser":null,"vaiantRelatedPartList":null,"partHotspotList":null,"itemNumber":12,"partRelatedVariantList":null,"bomCode":2,"totalValue":null,"searchImage":null,"length":null,"width":null,"height":null,"unitOfDimension":null,"weight":null,"unitOfWeight":null,"specialRouting":false,"onlineRepair":null,"previousPartID":null,"sbdDiscountPriceValue":{"currencyIso":"USD","value":1.16,"priceType":"BUY","formattedValue":"$1.16","minQuantity":null,"maxQuantity":null,"sapUnit":{"code":"pieces","name":"Piece"}},"alrCode":null,"productRecallFlag":null,"selectedDocumentId":null,"productDescription":null,"pdpImage":null,"ticketId":null,"qtyRequiredPerVariant":"1","isElgibleForRepair":null,"isPowerEligible":null,"productRecallNotes":null,"productOtherInfo":null,"backorderETA":"00/00/0000","modifiedDate":"No ETA","userLevel":"ALL","displayPrice":null,"baseProductName":null,"firstVariantCode":null,"firstVariantImage":null,"productMarketType":null,"productNumber":null,"typeStatusCode":null,"productCategory":null,"typeNumber":null,"marketCode":null,"regionCode":null,"otherInformation":null,"productTypeStatus":null,"repairInstruction":null,"repairInstructionStatusDescription":null,"typeStatusDate":null,"serviceLifeDate":null,"manufacturerId":null,"parts":null,"language":null,"glossaries":null,"brand":null,"product":null,"brandCode":null,"recallNotes":null,"volume":null},{"code":"P5140188-19","name":null,"url":"/c//p/P5140188-19","description":"ALTERNATOR","purchasable":true,"stock":{"stockLevelStatus":{"code":"inStock","type":"StockLevelStatus"},"stockLevel":2,"stockThreshold":null},"futureStocks":null,"availableForPickup":null,"averageRating":null,"numberOfReviews":null,"summary":null,"manufacturer":null,"variantType":null,"price":{"currencyIso":"USD","value":411.21,"priceType":"BUY","formattedValue":"$411.21","minQuantity":null,"maxQuantity":null,"sapUnit":{"code":"pieces","name":"Piece"}},"baseProduct":null,"images":[],"categories":null,"reviews":null,"classifications":null,"potentialPromotions":null,"variantOptions":null,"baseOptions":[],"volumePricesFlag":null,"volumePrices":null,"productReferences":null,"variantMatrix":null,"priceRange":null,"firstCategoryNameList":null,"multidimensional":null,"configurable":false,"configuratorType":null,"addToCartDisabled":null,"addToCartDisabledMessage":null,"tags":null,"sapUnit":null,"keywords":null,"genders":null,"itemtype":"Part","partSubstitute":null,"note":"N/A","recallNote":null,"note1":null,"note2":null,"note3":null,"note4":null,"note5":null,"pdfAllUser":null,"pdfAuthUser":null,"pdfCOSUser":null,"vaiantRelatedPartList":null,"partHotspotList":null,"itemNumber":13,"partRelatedVariantList":null,"bomCode":2,"totalValue":null,"searchImage":null,"length":null,"width":null,"height":null,"unitOfDimension":null,"weight":null,"unitOfWeight":null,"specialRouting":false,"onlineRepair":null,"previousPartID":null,"sbdDiscountPriceValue":{"currencyIso":"USD","value":411.21,"priceType":"BUY","formattedValue":"$411.21","minQuantity":null,"maxQuantity":null,"sapUnit":{"code":"pieces","name":"Piece"}},"alrCode":null,"productRecallFlag":null,"selectedDocumentId":null,"productDescription":null,"pdpImage":null,"ticketId":null,"qtyRequiredPerVariant":"1","isElgibleForRepair":null,"isPowerEligible":null,"productRecallNotes":null,"productOtherInfo":null,"backorderETA":"00/00/0000","modifiedDate":"No ETA","userLevel":"ALL","displayPrice":null,"baseProductName":null,"firstVariantCode":null,"firstVariantImage":null,"productMarketType":null,"productNumber":null,"typeStatusCode":null,"productCategory":null,"typeNumber":null,"marketCode":null,"regionCode":null,"otherInformation":null,"productTypeStatus":null,"repairInstruction":null,"repairInstructionStatusDescription":null,"typeStatusDate":null,"serviceLifeDate":null,"manufacturerId":null,"parts":null,"language":null,"glossaries":null,"brand":null,"product":null,"brandCode":null,"recallNotes":null,"volume":null},{"code":"P5140116-44","name":null,"url":"/c//p/P5140116-44","description":"BOLT","purchasable":true,"stock":{"stockLevelStatus":{"code":"inStock","type":"StockLevelStatus"},"stockLevel":6,"stockThreshold":null},"futureStocks":null,"availableForPickup":null,"averageRating":null,"numberOfReviews":null,"summary":null,"manufacturer":null,"variantType":null,"price":{"currencyIso":"USD","value":1.16,"priceType":"BUY","formattedValue":"$1.16","minQuantity":null,"maxQuantity":null,"sapUnit":{"code":"pieces","name":"Piece"}},"baseProduct":null,"images":[],"categories":null,"reviews":null,"classifications":null,"potentialPromotions":null,"variantOptions":null,"baseOptions":[],"volumePricesFlag":null,"volumePrices":null,"productReferences":null,"variantMatrix":null,"priceRange":null,"firstCategoryNameList":null,"multidimensional":null,"configurable":false,"configuratorType":null,"addToCartDisabled":null,"addToCartDisabledMessage":null,"tags":null,"sapUnit":null,"keywords":null,"genders":null,"itemtype":"Part","partSubstitute":null,"note":"Torque to 2030 FT LB407678Nm","recallNote":null,"note1":null,"note2":null,"note3":null,"note4":null,"note5":null,"pdfAllUser":null,"pdfAuthUser":null,"pdfCOSUser":null,"vaiantRelatedPartList":null,"partHotspotList":null,"itemNumber":14,"partRelatedVariantList":null,"bomCode":2,"totalValue":null,"searchImage":null,"length":null,"width":null,"height":null,"unitOfDimension":null,"weight":null,"unitOfWeight":null,"specialRouting":false,"onlineRepair":null,"previousPartID":null,"sbdDiscountPriceValue":{"currencyIso":"USD","value":1.16,"priceType":"BUY","formattedValue":"$1.16","minQuantity":null,"maxQuantity":null,"sapUnit":{"code":"pieces","name":"Piece"}},"alrCode":null,"productRecallFlag":null,"selectedDocumentId":null,"productDescription":null,"pdpImage":null,"ticketId":null,"qtyRequiredPerVariant":"4","isElgibleForRepair":null,"isPowerEligible":null,"productRecallNotes":null,"productOtherInfo":null,"backorderETA":"00/00/0000","modifiedDate":"No ETA","userLevel":"ALL","displayPrice":null,"baseProductName":null,"firstVariantCode":null,"firstVariantImage":null,"productMarketType":null,"productNumber":null,"typeStatusCode":null,"productCategory":null,"typeNumber":null,"marketCode":null,"regionCode":null,"otherInformation":null,"productTypeStatus":null,"repairInstruction":null,"repairInstructionStatusDescription":null,"typeStatusDate":null,"serviceLifeDate":null,"manufacturerId":null,"parts":null,"language":null,"glossaries":null,"brand":null,"product":null,"brandCode":null,"recallNotes":null,"volume":null},{"code":"P5140116-45","name":null,"url":"/c//p/P5140116-45","description":"BRACKET","purchasable":true,"stock":{"stockLevelStatus":{"code":"inStock","type":"StockLevelStatus"},"stockLevel":0,"stockThreshold":null},"futureStocks":null,"availableForPickup":null,"averageRating":null,"numberOfReviews":null,"summary":null,"manufacturer":null,"variantType":null,"price":{"currencyIso":"USD","value":37.35,"priceType":"BUY","formattedValue":"$37.35","minQuantity":null,"maxQuantity":null,"sapUnit":{"code":"pieces","name":"Piece"}},"baseProduct":null,"images":[],"categories":null,"reviews":null,"classifications":null,"potentialPromotions":null,"variantOptions":null,"baseOptions":[],"volumePricesFlag":null,"volumePrices":null,"productReferences":null,"variantMatrix":null,"priceRange":null,"firstCategoryNameList":null,"multidimensional":null,"configurable":false,"configuratorType":null,"addToCartDisabled":null,"addToCartDisabledMessage":null,"tags":null,"sapUnit":null,"keywords":null,"genders":null,"itemtype":"Part","partSubstitute":null,"note":"N/A","recallNote":null,"note1":null,"note2":null,"note3":null,"note4":null,"note5":null,"pdfAllUser":null,"pdfAuthUser":null,"pdfCOSUser":null,"vaiantRelatedPartList":null,"partHotspotList":null,"itemNumber":15,"partRelatedVariantList":null,"bomCode":2,"totalValue":null,"searchImage":null,"length":null,"width":null,"height":null,"unitOfDimension":null,"weight":null,"unitOfWeight":null,"specialRouting":false,"onlineRepair":null,"previousPartID":null,"sbdDiscountPriceValue":{"currencyIso":"USD","value":37.35,"priceType":"BUY","formattedValue":"$37.35","minQuantity":null,"maxQuantity":null,"sapUnit":{"code":"pieces","name":"Piece"}},"alrCode":null,"productRecallFlag":null,"selectedDocumentId":null,"productDescription":null,"pdpImage":null,"ticketId":null,"qtyRequiredPerVariant":"1","isElgibleForRepair":null,"isPowerEligible":null,"productRecallNotes":null,"productOtherInfo":null,"backorderETA":"00/00/0000","modifiedDate":"No ETA","userLevel":"ALL","displayPrice":null,"baseProductName":null,"firstVariantCode":null,"firstVariantImage":null,"productMarketType":null,"productNumber":null,"typeStatusCode":null,"productCategory":null,"typeNumber":null,"marketCode":null,"regionCode":null,"otherInformation":null,"productTypeStatus":null,"repairInstruction":null,"repairInstructionStatusDescription":null,"typeStatusDate":null,"serviceLifeDate":null,"manufacturerId":null,"parts":null,"language":null,"glossaries":null,"brand":null,"product":null,"brandCode":null,"recallNotes":null,"volume":null},{"code":"P5140116-46","name":null,"url":"/c//p/P5140116-46","description":"FLAT WASHER","purchasable":true,"stock":{"stockLevelStatus":{"code":"inStock","type":"StockLevelStatus"},"stockLevel":0,"stockThreshold":null},"futureStocks":null,"availableForPickup":null,"averageRating":null,"numberOfReviews":null,"summary":null,"manufacturer":null,"variantType":null,"price":{"currencyIso":"USD","value":1.16,"priceType":"BUY","formattedValue":"$1.16","minQuantity":null,"maxQuantity":null,"sapUnit":{"code":"pieces","name":"Piece"}},"baseProduct":null,"images":[],"categories":null,"reviews":null,"classifications":null,"potentialPromotions":null,"variantOptions":null,"baseOptions":[],"volumePricesFlag":null,"volumePrices":null,"productReferences":null,"variantMatrix":null,"priceRange":null,"firstCategoryNameList":null,"multidimensional":null,"configurable":false,"configuratorType":null,"addToCartDisabled":null,"addToCartDisabledMessage":null,"tags":null,"sapUnit":null,"keywords":null,"genders":null,"itemtype":"Part","partSubstitute":null,"note":"N/A","recallNote":null,"note1":null,"note2":null,"note3":null,"note4":null,"note5":null,"pdfAllUser":null,"pdfAuthUser":null,"pdfCOSUser":null,"vaiantRelatedPartList":null,"partHotspotList":null,"itemNumber":16,"partRelatedVariantList":null,"bomCode":2,"totalValue":null,"searchImage":null,"length":null,"width":null,"height":null,"unitOfDimension":null,"weight":null,"unitOfWeight":null,"specialRouting":false,"onlineRepair":null,"previousPartID":null,"sbdDiscountPriceValue":{"currencyIso":"USD","value":1.16,"priceType":"BUY","formattedValue":"$1.16","minQuantity":null,"maxQuantity":null,"sapUnit":{"code":"pieces","name":"Piece"}},"alrCode":null,"productRecallFlag":null,"selectedDocumentId":null,"productDescription":null,"pdpImage":null,"ticketId":null,"qtyRequiredPerVariant":"5","isElgibleForRepair":null,"isPowerEligible":null,"productRecallNotes":null,"productOtherInfo":null,"backorderETA":"00/00/0000","modifiedDate":"No ETA","userLevel":"ALL","displayPrice":null,"baseProductName":null,"firstVariantCode":null,"firstVariantImage":null,"productMarketType":null,"productNumber":null,"typeStatusCode":null,"productCategory":null,"typeNumber":null,"marketCode":null,"regionCode":null,"otherInformation":null,"productTypeStatus":null,"repairInstruction":null,"repairInstructionStatusDescription":null,"typeStatusDate":null,"serviceLifeDate":null,"manufacturerId":null,"parts":null,"language":null,"glossaries":null,"brand":null,"product":null,"brandCode":null,"recallNotes":null,"volume":null},{"code":"P5140115-77","name":null,"url":"/c//p/P5140115-77","description":"BOLT","purchasable":true,"stock":{"stockLevelStatus":{"code":"inStock","type":"StockLevelStatus"},"stockLevel":17,"stockThreshold":null},"futureStocks":null,"availableForPickup":null,"averageRating":null,"numberOfReviews":null,"summary":null,"manufacturer":null,"variantType":null,"price":{"currencyIso":"USD","value":1.28,"priceType":"BUY","formattedValue":"$1.28","minQuantity":null,"maxQuantity":null,"sapUnit":{"code":"pieces","name":"Piece"}},"baseProduct":null,"images":[],"categories":null,"reviews":null,"classifications":null,"potentialPromotions":null,"variantOptions":null,"baseOptions":[],"volumePricesFlag":null,"volumePrices":null,"productReferences":null,"variantMatrix":null,"priceRange":null,"firstCategoryNameList":null,"multidimensional":null,"configurable":false,"configuratorType":null,"addToCartDisabled":null,"addToCartDisabledMessage":null,"tags":null,"sapUnit":null,"keywords":null,"genders":null,"itemtype":"Part","partSubstitute":null,"note":"N/A","recallNote":null,"note1":null,"note2":null,"note3":null,"note4":null,"note5":null,"pdfAllUser":null,"pdfAuthUser":null,"pdfCOSUser":null,"vaiantRelatedPartList":null,"partHotspotList":null,"itemNumber":17,"partRelatedVariantList":null,"bomCode":2,"totalValue":null,"searchImage":null,"length":null,"width":null,"height":null,"unitOfDimension":null,"weight":null,"unitOfWeight":null,"specialRouting":false,"onlineRepair":null,"previousPartID":null,"sbdDiscountPriceValue":{"currencyIso":"USD","value":1.28,"priceType":"BUY","formattedValue":"$1.28","minQuantity":null,"maxQuantity":null,"sapUnit":{"code":"pieces","name":"Piece"}},"alrCode":null,"productRecallFlag":null,"selectedDocumentId":null,"productDescription":null,"pdpImage":null,"ticketId":null,"qtyRequiredPerVariant":"1","isElgibleForRepair":null,"isPowerEligible":null,"productRecallNotes":null,"productOtherInfo":null,"backorderETA":"00/00/0000","modifiedDate":"No ETA","userLevel":"ALL","displayPrice":null,"baseProductName":null,"firstVariantCode":null,"firstVariantImage":null,"productMarketType":null,"productNumber":null,"typeStatusCode":null,"productCategory":null,"typeNumber":null,"marketCode":null,"regionCode":null,"otherInformation":null,"productTypeStatus":null,"repairInstruction":null,"repairInstructionStatusDescription":null,"typeStatusDate":null,"serviceLifeDate":null,"manufacturerId":null,"parts":null,"language":null,"glossaries":null,"brand":null,"product":null,"brandCode":null,"recallNotes":null,"volume":null},{"code":"P5140115-41","name":null,"url":"/c//p/P5140115-41","description":"NUT","purchasable":true,"stock":{"stockLevelStatus":{"code":"inStock","type":"StockLevelStatus"},"stockLevel":42,"stockThreshold":null},"futureStocks":null,"availableForPickup":null,"averageRating":null,"numberOfReviews":null,"summary":null,"manufacturer":null,"variantType":null,"price":{"currencyIso":"USD","value":9.2,"priceType":"BUY","formattedValue":"$9.20","minQuantity":null,"maxQuantity":null,"sapUnit":{"code":"pieces","name":"Piece"}},"baseProduct":null,"images":[],"categories":null,"reviews":null,"classifications":null,"potentialPromotions":null,"variantOptions":null,"baseOptions":[],"volumePricesFlag":null,"volumePrices":null,"productReferences":null,"variantMatrix":null,"priceRange":null,"firstCategoryNameList":null,"multidimensional":null,"configurable":false,"configuratorType":null,"addToCartDisabled":null,"addToCartDisabledMessage":null,"tags":null,"sapUnit":null,"keywords":null,"genders":null,"itemtype":"Part","partSubstitute":null,"note":"N/A","recallNote":null,"note1":null,"note2":null,"note3":null,"note4":null,"note5":null,"pdfAllUser":null,"pdfAuthUser":null,"pdfCOSUser":null,"vaiantRelatedPartList":null,"partHotspotList":null,"itemNumber":18,"partRelatedVariantList":null,"bomCode":2,"totalValue":null,"searchImage":null,"length":null,"width":null,"height":null,"unitOfDimension":null,"weight":null,"unitOfWeight":null,"specialRouting":false,"onlineRepair":null,"previousPartID":null,"sbdDiscountPriceValue":{"currencyIso":"USD","value":9.2,"priceType":"BUY","formattedValue":"$9.20","minQuantity":null,"maxQuantity":null,"sapUnit":{"code":"pieces","name":"Piece"}},"alrCode":null,"productRecallFlag":null,"selectedDocumentId":null,"productDescription":null,"pdpImage":null,"ticketId":null,"qtyRequiredPerVariant":"1","isElgibleForRepair":null,"isPowerEligible":null,"productRecallNotes":null,"productOtherInfo":null,"backorderETA":"00/00/0000","modifiedDate":"No ETA","userLevel":"ALL","displayPrice":null,"baseProductName":null,"firstVariantCode":null,"firstVariantImage":null,"productMarketType":null,"productNumber":null,"typeStatusCode":null,"productCategory":null,"typeNumber":null,"marketCode":null,"regionCode":null,"otherInformation":null,"productTypeStatus":null,"repairInstruction":null,"repairInstructionStatusDescription":null,"typeStatusDate":null,"serviceLifeDate":null,"manufacturerId":null,"parts":null,"language":null,"glossaries":null,"brand":null,"product":null,"brandCode":null,"recallNotes":null,"volume":null},{"code":"P5140116-88","name":null,"url":"/c//p/P5140116-88","description":"PANEL ASSEMBLY","purchasable":true,"stock":{"stockLevelStatus":{"code":"inStock","type":"StockLevelStatus"},"stockLevel":2,"stockThreshold":null},"futureStocks":null,"availableForPickup":null,"averageRating":null,"numberOfReviews":null,"summary":null,"manufacturer":null,"variantType":null,"price":{"currencyIso":"USD","value":931.92,"priceType":"BUY","formattedValue":"$931.92","minQuantity":null,"maxQuantity":null,"sapUnit":{"code":"pieces","name":"Piece"}},"baseProduct":null,"images":[],"categories":null,"reviews":null,"classifications":null,"potentialPromotions":null,"variantOptions":null,"baseOptions":[],"volumePricesFlag":null,"volumePrices":null,"productReferences":null,"variantMatrix":null,"priceRange":null,"firstCategoryNameList":null,"multidimensional":null,"configurable":false,"configuratorType":null,"addToCartDisabled":null,"addToCartDisabledMessage":null,"tags":null,"sapUnit":null,"keywords":null,"genders":null,"itemtype":"Part","partSubstitute":null,"note":"N/A","recallNote":null,"note1":null,"note2":null,"note3":null,"note4":null,"note5":null,"pdfAllUser":null,"pdfAuthUser":null,"pdfCOSUser":null,"vaiantRelatedPartList":null,"partHotspotList":null,"itemNumber":19,"partRelatedVariantList":null,"bomCode":2,"totalValue":null,"searchImage":null,"length":null,"width":null,"height":null,"unitOfDimension":null,"weight":null,"unitOfWeight":null,"specialRouting":false,"onlineRepair":null,"previousPartID":null,"sbdDiscountPriceValue":{"currencyIso":"USD","value":931.92,"priceType":"BUY","formattedValue":"$931.92","minQuantity":null,"maxQuantity":null,"sapUnit":{"code":"pieces","name":"Piece"}},"alrCode":null,"productRecallFlag":null,"selectedDocumentId":null,"productDescription":null,"pdpImage":null,"ticketId":null,"qtyRequiredPerVariant":"1","isElgibleForRepair":null,"isPowerEligible":null,"productRecallNotes":null,"productOtherInfo":null,"backorderETA":"00/00/0000","modifiedDate":"No ETA","userLevel":"ALL","displayPrice":null,"baseProductName":null,"firstVariantCode":null,"firstVariantImage":null,"productMarketType":null,"productNumber":null,"typeStatusCode":null,"productCategory":null,"typeNumber":null,"marketCode":null,"regionCode":null,"otherInformation":null,"productTypeStatus":null,"repairInstruction":null,"repairInstructionStatusDescription":null,"typeStatusDate":null,"serviceLifeDate":null,"manufacturerId":null,"parts":null,"language":null,"glossaries":null,"brand":null,"product":null,"brandCode":null,"recallNotes":null,"volume":null},{"code":"P5140116-56","name":null,"url":"/c//p/P5140116-56","description":"SCREW","purchasable":true,"stock":{"stockLevelStatus":{"code":"inStock","type":"StockLevelStatus"},"stockLevel":0,"stockThreshold":null},"futureStocks":null,"availableForPickup":null,"averageRating":null,"numberOfReviews":null,"summary":null,"manufacturer":null,"variantType":null,"price":{"currencyIso":"USD","value":30.72,"priceType":"BUY","formattedValue":"$30.72","minQuantity":null,"maxQuantity":null,"sapUnit":{"code":"pieces","name":"Piece"}},"baseProduct":null,"images":[],"categories":null,"reviews":null,"classifications":null,"potentialPromotions":null,"variantOptions":null,"baseOptions":[],"volumePricesFlag":null,"volumePrices":null,"productReferences":null,"variantMatrix":null,"priceRange":null,"firstCategoryNameList":null,"multidimensional":null,"configurable":false,"configuratorType":null,"addToCartDisabled":null,"addToCartDisabledMessage":null,"tags":null,"sapUnit":null,"keywords":null,"genders":null,"itemtype":"Part","partSubstitute":null,"note":"N/A","recallNote":null,"note1":null,"note2":null,"note3":null,"note4":null,"note5":null,"pdfAllUser":null,"pdfAuthUser":null,"pdfCOSUser":null,"vaiantRelatedPartList":null,"partHotspotList":null,"itemNumber":20,"partRelatedVariantList":null,"bomCode":2,"totalValue":null,"searchImage":null,"length":null,"width":null,"height":null,"unitOfDimension":null,"weight":null,"unitOfWeight":null,"specialRouting":false,"onlineRepair":null,"previousPartID":null,"sbdDiscountPriceValue":{"currencyIso":"USD","value":30.72,"priceType":"BUY","formattedValue":"$30.72","minQuantity":null,"maxQuantity":null,"sapUnit":{"code":"pieces","name":"Piece"}},"alrCode":null,"productRecallFlag":null,"selectedDocumentId":null,"productDescription":null,"pdpImage":null,"ticketId":null,"qtyRequiredPerVariant":"6","isElgibleForRepair":null,"isPowerEligible":null,"productRecallNotes":null,"productOtherInfo":null,"backorderETA":"00/00/0000","modifiedDate":"No ETA","userLevel":"ALL","displayPrice":null,"baseProductName":null,"firstVariantCode":null,"firstVariantImage":null,"productMarketType":null,"productNumber":null,"typeStatusCode":null,"productCategory":null,"typeNumber":null,"marketCode":null,"regionCode":null,"otherInformation":null,"productTypeStatus":null,"repairInstruction":null,"repairInstructionStatusDescription":null,"typeStatusDate":null,"serviceLifeDate":null,"manufacturerId":null,"parts":null,"language":null,"glossaries":null,"brand":null,"product":null,"brandCode":null,"recallNotes":null,"volume":null},{"code":"P5140115-87","name":null,"url":"/c//p/P5140115-87","description":"VALVE HOLDER","purchasable":true,"stock":{"stockLevelStatus":{"code":"inStock","type":"StockLevelStatus"},"stockLevel":0,"stockThreshold":null},"futureStocks":null,"availableForPickup":null,"averageRating":null,"numberOfReviews":null,"summary":null,"manufacturer":null,"variantType":null,"price":{"currencyIso":"USD","value":3.59,"priceType":"BUY","formattedValue":"$3.59","minQuantity":null,"maxQuantity":null,"sapUnit":{"code":"pieces","name":"Piece"}},"baseProduct":null,"images":[],"categories":null,"reviews":null,"classifications":null,"potentialPromotions":null,"variantOptions":null,"baseOptions":[],"volumePricesFlag":null,"volumePrices":null,"productReferences":null,"variantMatrix":null,"priceRange":null,"firstCategoryNameList":null,"multidimensional":null,"configurable":false,"configuratorType":null,"addToCartDisabled":null,"addToCartDisabledMessage":null,"tags":null,"sapUnit":null,"keywords":null,"genders":null,"itemtype":"Part","partSubstitute":null,"note":"N/A","recallNote":null,"note1":null,"note2":null,"note3":null,"note4":null,"note5":null,"pdfAllUser":null,"pdfAuthUser":null,"pdfCOSUser":null,"vaiantRelatedPartList":null,"partHotspotList":null,"itemNumber":21,"partRelatedVariantList":null,"bomCode":2,"totalValue":null,"searchImage":null,"length":null,"width":null,"height":null,"unitOfDimension":null,"weight":null,"unitOfWeight":null,"specialRouting":false,"onlineRepair":null,"previousPartID":null,"sbdDiscountPriceValue":{"currencyIso":"USD","value":3.59,"priceType":"BUY","formattedValue":"$3.59","minQuantity":null,"maxQuantity":null,"sapUnit":{"code":"pieces","name":"Piece"}},"alrCode":null,"productRecallFlag":null,"selectedDocumentId":null,"productDescription":null,"pdpImage":null,"ticketId":null,"qtyRequiredPerVariant":"1","isElgibleForRepair":null,"isPowerEligible":null,"productRecallNotes":null,"productOtherInfo":null,"backorderETA":"00/00/0000","modifiedDate":"To Be Determined","userLevel":"ALL","displayPrice":null,"baseProductName":null,"firstVariantCode":null,"firstVariantImage":null,"productMarketType":null,"productNumber":null,"typeStatusCode":null,"productCategory":null,"typeNumber":null,"marketCode":null,"regionCode":null,"otherInformation":null,"productTypeStatus":null,"repairInstruction":null,"repairInstructionStatusDescription":null,"typeStatusDate":null,"serviceLifeDate":null,"manufacturerId":null,"parts":null,"language":null,"glossaries":null,"brand":null,"product":null,"brandCode":null,"recallNotes":null,"volume":null},{"code":"P5140116-91","name":null,"url":"/c//p/P5140116-91","description":"FUEL TANK ASSY.","purchasable":false,"stock":{"stockLevelStatus":{"code":"inStock","type":"StockLevelStatus"},"stockLevel":0,"stockThreshold":null},"futureStocks":null,"availableForPickup":null,"averageRating":null,"numberOfReviews":null,"summary":null,"manufacturer":null,"variantType":null,"price":null,"baseProduct":null,"images":[],"categories":null,"reviews":null,"classifications":null,"potentialPromotions":null,"variantOptions":null,"baseOptions":[],"volumePricesFlag":null,"volumePrices":null,"productReferences":null,"variantMatrix":null,"priceRange":null,"firstCategoryNameList":null,"multidimensional":null,"configurable":false,"configuratorType":null,"addToCartDisabled":null,"addToCartDisabledMessage":null,"tags":null,"sapUnit":null,"keywords":null,"genders":null,"itemtype":"Part","partSubstitute":null,"note":"Inc7283","recallNote":null,"note1":null,"note2":null,"note3":null,"note4":null,"note5":null,"pdfAllUser":null,"pdfAuthUser":null,"pdfCOSUser":null,"vaiantRelatedPartList":null,"partHotspotList":null,"itemNumber":22,"partRelatedVariantList":null,"bomCode":6,"totalValue":null,"searchImage":null,"length":null,"width":null,"height":null,"unitOfDimension":null,"weight":null,"unitOfWeight":null,"specialRouting":false,"onlineRepair":null,"previousPartID":null,"sbdDiscountPriceValue":null,"alrCode":null,"productRecallFlag":null,"selectedDocumentId":null,"productDescription":null,"pdpImage":null,"ticketId":null,"qtyRequiredPerVariant":"1","isElgibleForRepair":null,"isPowerEligible":null,"productRecallNotes":null,"productOtherInfo":null,"backorderETA":"00/00/0000","modifiedDate":"No ETA","userLevel":"ALL","displayPrice":null,"baseProductName":null,"firstVariantCode":null,"firstVariantImage":null,"productMarketType":null,"productNumber":null,"typeStatusCode":null,"productCategory":null,"typeNumber":null,"marketCode":null,"regionCode":null,"otherInformation":null,"productTypeStatus":null,"repairInstruction":null,"repairInstructionStatusDescription":null,"typeStatusDate":null,"serviceLifeDate":null,"manufacturerId":null,"parts":null,"language":null,"glossaries":null,"brand":null,"product":null,"brandCode":null,"recallNotes":null,"volume":null},{"code":"P5140208-78","name":null,"url":"/c//p/P5140208-78","description":"ASSY TANK","purchasable":false,"stock":{"stockLevelStatus":{"code":"inStock","type":"StockLevelStatus"},"stockLevel":0,"stockThreshold":null},"futureStocks":null,"availableForPickup":null,"averageRating":null,"numberOfReviews":null,"summary":null,"manufacturer":null,"variantType":null,"price":null,"baseProduct":null,"images":[],"categories":null,"reviews":null,"classifications":null,"potentialPromotions":null,"variantOptions":null,"baseOptions":[],"volumePricesFlag":null,"volumePrices":null,"productReferences":null,"variantMatrix":null,"priceRange":null,"firstCategoryNameList":null,"multidimensional":null,"configurable":false,"configuratorType":null,"addToCartDisabled":null,"addToCartDisabledMessage":null,"tags":null,"sapUnit":null,"keywords":null,"genders":null,"itemtype":"Part","partSubstitute":null,"note":"N/A","recallNote":null,"note1":null,"note2":null,"note3":null,"note4":null,"note5":null,"pdfAllUser":null,"pdfAuthUser":null,"pdfCOSUser":null,"vaiantRelatedPartList":null,"partHotspotList":null,"itemNumber":22,"partRelatedVariantList":null,"bomCode":6,"totalValue":null,"searchImage":null,"length":null,"width":null,"height":null,"unitOfDimension":null,"weight":null,"unitOfWeight":null,"specialRouting":false,"onlineRepair":null,"previousPartID":null,"sbdDiscountPriceValue":null,"alrCode":null,"productRecallFlag":null,"selectedDocumentId":null,"productDescription":null,"pdpImage":null,"ticketId":null,"qtyRequiredPerVariant":"1","isElgibleForRepair":null,"isPowerEligible":null,"productRecallNotes":null,"productOtherInfo":null,"backorderETA":"00/00/0000","modifiedDate":"No ETA","userLevel":"ALL","displayPrice":null,"baseProductName":null,"firstVariantCode":null,"firstVariantImage":null,"productMarketType":null,"productNumber":null,"typeStatusCode":null,"productCategory":null,"typeNumber":null,"marketCode":null,"regionCode":null,"otherInformation":null,"productTypeStatus":null,"repairInstruction":null,"repairInstructionStatusDescription":null,"typeStatusDate":null,"serviceLifeDate":null,"manufacturerId":null,"parts":null,"language":null,"glossaries":null,"brand":null,"product":null,"brandCode":null,"recallNotes":null,"volume":null},{"code":"P5140116-61","name":null,"url":"/c//p/P5140116-61","description":"HEAT SHIELD","purchasable":true,"stock":{"stockLevelStatus":{"code":"inStock","type":"StockLevelStatus"},"stockLevel":0,"stockThreshold":null},"futureStocks":null,"availableForPickup":null,"averageRating":null,"numberOfReviews":null,"summary":null,"manufacturer":null,"variantType":null,"price":{"currencyIso":"USD","value":43.23,"priceType":"BUY","formattedValue":"$43.23","minQuantity":null,"maxQuantity":null,"sapUnit":{"code":"pieces","name":"Piece"}},"baseProduct":null,"images":[],"categories":null,"reviews":null,"classifications":null,"potentialPromotions":null,"variantOptions":null,"baseOptions":[],"volumePricesFlag":null,"volumePrices":null,"productReferences":null,"variantMatrix":null,"priceRange":null,"firstCategoryNameList":null,"multidimensional":null,"configurable":false,"configuratorType":null,"addToCartDisabled":null,"addToCartDisabledMessage":null,"tags":null,"sapUnit":null,"keywords":null,"genders":null,"itemtype":"Part","partSubstitute":null,"note":"N/A","recallNote":null,"note1":null,"note2":null,"note3":null,"note4":null,"note5":null,"pdfAllUser":null,"pdfAuthUser":null,"pdfCOSUser":null,"vaiantRelatedPartList":null,"partHotspotList":null,"itemNumber":23,"partRelatedVariantList":null,"bomCode":2,"totalValue":null,"searchImage":null,"length":null,"width":null,"height":null,"unitOfDimension":null,"weight":null,"unitOfWeight":null,"specialRouting":false,"onlineRepair":null,"previousPartID":null,"sbdDiscountPriceValue":{"currencyIso":"USD","value":43.23,"priceType":"BUY","formattedValue":"$43.23","minQuantity":null,"maxQuantity":null,"sapUnit":{"code":"pieces","name":"Piece"}},"alrCode":null,"productRecallFlag":null,"selectedDocumentId":null,"productDescription":null,"pdpImage":null,"ticketId":null,"qtyRequiredPerVariant":"1","isElgibleForRepair":null,"isPowerEligible":null,"productRecallNotes":null,"productOtherInfo":null,"backorderETA":"00/00/0000","modifiedDate":"To Be Determined","userLevel":"ALL","displayPrice":null,"baseProductName":null,"firstVariantCode":null,"firstVariantImage":null,"productMarketType":null,"productNumber":null,"typeStatusCode":null,"productCategory":null,"typeNumber":null,"marketCode":null,"regionCode":null,"otherInformation":null,"productTypeStatus":null,"repairInstruction":null,"repairInstructionStatusDescription":null,"typeStatusDate":null,"serviceLifeDate":null,"manufacturerId":null,"parts":null,"language":null,"glossaries":null,"brand":null,"product":null,"brandCode":null,"recallNotes":null,"volume":null},{"code":"P5140116-28","name":null,"url":"/c//p/P5140116-28","description":"SCREW","purchasable":true,"stock":{"stockLevelStatus":{"code":"inStock","type":"StockLevelStatus"},"stockLevel":0,"stockThreshold":null},"futureStocks":null,"availableForPickup":null,"averageRating":null,"numberOfReviews":null,"summary":null,"manufacturer":null,"variantType":null,"price":{"currencyIso":"USD","value":1.16,"priceType":"BUY","formattedValue":"$1.16","minQuantity":null,"maxQuantity":null,"sapUnit":{"code":"pieces","name":"Piece"}},"baseProduct":null,"images":[],"categories":null,"reviews":null,"classifications":null,"potentialPromotions":null,"variantOptions":null,"baseOptions":[],"volumePricesFlag":null,"volumePrices":null,"productReferences":null,"variantMatrix":null,"priceRange":null,"firstCategoryNameList":null,"multidimensional":null,"configurable":false,"configuratorType":null,"addToCartDisabled":null,"addToCartDisabledMessage":null,"tags":null,"sapUnit":null,"keywords":null,"genders":null,"itemtype":"Part","partSubstitute":null,"note":"N/A","recallNote":null,"note1":null,"note2":null,"note3":null,"note4":null,"note5":null,"pdfAllUser":null,"pdfAuthUser":null,"pdfCOSUser":null,"vaiantRelatedPartList":null,"partHotspotList":null,"itemNumber":24,"partRelatedVariantList":null,"bomCode":2,"totalValue":null,"searchImage":null,"length":null,"width":null,"height":null,"unitOfDimension":null,"weight":null,"unitOfWeight":null,"specialRouting":false,"onlineRepair":null,"previousPartID":null,"sbdDiscountPriceValue":{"currencyIso":"USD","value":1.16,"priceType":"BUY","formattedValue":"$1.16","minQuantity":null,"maxQuantity":null,"sapUnit":{"code":"pieces","name":"Piece"}},"alrCode":null,"productRecallFlag":null,"selectedDocumentId":null,"productDescription":null,"pdpImage":null,"ticketId":null,"qtyRequiredPerVariant":"4","isElgibleForRepair":null,"isPowerEligible":null,"productRecallNotes":null,"productOtherInfo":null,"backorderETA":"00/00/0000","modifiedDate":"To Be Determined","userLevel":"ALL","displayPrice":null,"baseProductName":null,"firstVariantCode":null,"firstVariantImage":null,"productMarketType":null,"productNumber":null,"typeStatusCode":null,"productCategory":null,"typeNumber":null,"marketCode":null,"regionCode":null,"otherInformation":null,"productTypeStatus":null,"repairInstruction":null,"repairInstructionStatusDescription":null,"typeStatusDate":null,"serviceLifeDate":null,"manufacturerId":null,"parts":null,"language":null,"glossaries":null,"brand":null,"product":null,"brandCode":null,"recallNotes":null,"volume":null},{"code":"P5140116-01","name":null,"url":"/c//p/P5140116-01","description":"CLIP","purchasable":true,"stock":{"stockLevelStatus":{"code":"inStock","type":"StockLevelStatus"},"stockLevel":0,"stockThreshold":null},"futureStocks":null,"availableForPickup":null,"averageRating":null,"numberOfReviews":null,"summary":null,"manufacturer":null,"variantType":null,"price":{"currencyIso":"USD","value":1.76,"priceType":"BUY","formattedValue":"$1.76","minQuantity":null,"maxQuantity":null,"sapUnit":{"code":"pieces","name":"Piece"}},"baseProduct":null,"images":[],"categories":null,"reviews":null,"classifications":null,"potentialPromotions":null,"variantOptions":null,"baseOptions":[],"volumePricesFlag":null,"volumePrices":null,"productReferences":null,"variantMatrix":null,"priceRange":null,"firstCategoryNameList":null,"multidimensional":null,"configurable":false,"configuratorType":null,"addToCartDisabled":null,"addToCartDisabledMessage":null,"tags":null,"sapUnit":null,"keywords":null,"genders":null,"itemtype":"Part","partSubstitute":null,"note":"N/A","recallNote":null,"note1":null,"note2":null,"note3":null,"note4":null,"note5":null,"pdfAllUser":null,"pdfAuthUser":null,"pdfCOSUser":null,"vaiantRelatedPartList":null,"partHotspotList":null,"itemNumber":25,"partRelatedVariantList":null,"bomCode":2,"totalValue":null,"searchImage":null,"length":null,"width":null,"height":null,"unitOfDimension":null,"weight":null,"unitOfWeight":null,"specialRouting":false,"onlineRepair":null,"previousPartID":null,"sbdDiscountPriceValue":{"currencyIso":"USD","value":1.76,"priceType":"BUY","formattedValue":"$1.76","minQuantity":null,"maxQuantity":null,"sapUnit":{"code":"pieces","name":"Piece"}},"alrCode":null,"productRecallFlag":null,"selectedDocumentId":null,"productDescription":null,"pdpImage":null,"ticketId":null,"qtyRequiredPerVariant":"4","isElgibleForRepair":null,"isPowerEligible":null,"productRecallNotes":null,"productOtherInfo":null,"backorderETA":"00/00/0000","modifiedDate":"No ETA","userLevel":"ALL","displayPrice":null,"baseProductName":null,"firstVariantCode":null,"firstVariantImage":null,"productMarketType":null,"productNumber":null,"typeStatusCode":null,"productCategory":null,"typeNumber":null,"marketCode":null,"regionCode":null,"otherInformation":null,"productTypeStatus":null,"repairInstruction":null,"repairInstructionStatusDescription":null,"typeStatusDate":null,"serviceLifeDate":null,"manufacturerId":null,"parts":null,"language":null,"glossaries":null,"brand":null,"product":null,"brandCode":null,"recallNotes":null,"volume":null},{"code":"P5140116-04","name":null,"url":"/c//p/P5140116-04","description":"SCREW","purchasable":false,"stock":{"stockLevelStatus":{"code":"inStock","type":"StockLevelStatus"},"stockLevel":0,"stockThreshold":null},"futureStocks":null,"availableForPickup":null,"averageRating":null,"numberOfReviews":null,"summary":null,"manufacturer":null,"variantType":null,"price":null,"baseProduct":null,"images":[],"categories":null,"reviews":null,"classifications":null,"potentialPromotions":null,"variantOptions":null,"baseOptions":[],"volumePricesFlag":null,"volumePrices":null,"productReferences":null,"variantMatrix":null,"priceRange":null,"firstCategoryNameList":null,"multidimensional":null,"configurable":false,"configuratorType":null,"addToCartDisabled":null,"addToCartDisabledMessage":null,"tags":null,"sapUnit":null,"keywords":null,"genders":null,"itemtype":"Part","partSubstitute":null,"note":"N/A","recallNote":null,"note1":null,"note2":null,"note3":null,"note4":null,"note5":null,"pdfAllUser":null,"pdfAuthUser":null,"pdfCOSUser":null,"vaiantRelatedPartList":null,"partHotspotList":null,"itemNumber":26,"partRelatedVariantList":null,"bomCode":6,"totalValue":null,"searchImage":null,"length":null,"width":null,"height":null,"unitOfDimension":null,"weight":null,"unitOfWeight":null,"specialRouting":false,"onlineRepair":null,"previousPartID":null,"sbdDiscountPriceValue":null,"alrCode":null,"productRecallFlag":null,"selectedDocumentId":null,"productDescription":null,"pdpImage":null,"ticketId":null,"qtyRequiredPerVariant":"5","isElgibleForRepair":null,"isPowerEligible":null,"productRecallNotes":null,"productOtherInfo":null,"backorderETA":"00/00/0000","modifiedDate":"No ETA","userLevel":"ALL","displayPrice":null,"baseProductName":null,"firstVariantCode":null,"firstVariantImage":null,"productMarketType":null,"productNumber":null,"typeStatusCode":null,"productCategory":null,"typeNumber":null,"marketCode":null,"regionCode":null,"otherInformation":null,"productTypeStatus":null,"repairInstruction":null,"repairInstructionStatusDescription":null,"typeStatusDate":null,"serviceLifeDate":null,"manufacturerId":null,"parts":null,"language":null,"glossaries":null,"brand":null,"product":null,"brandCode":null,"recallNotes":null,"volume":null},{"code":"P5140116-94","name":null,"url":"/c//p/P5140116-94","description":"BRACKET","purchasable":false,"stock":{"stockLevelStatus":{"code":"inStock","type":"StockLevelStatus"},"stockLevel":0,"stockThreshold":null},"futureStocks":null,"availableForPickup":null,"averageRating":null,"numberOfReviews":null,"summary":null,"manufacturer":null,"variantType":null,"price":null,"baseProduct":null,"images":[],"categories":null,"reviews":null,"classifications":null,"potentialPromotions":null,"variantOptions":null,"baseOptions":[],"volumePricesFlag":null,"volumePrices":null,"productReferences":null,"variantMatrix":null,"priceRange":null,"firstCategoryNameList":null,"multidimensional":null,"configurable":false,"configuratorType":null,"addToCartDisabled":null,"addToCartDisabledMessage":null,"tags":null,"sapUnit":null,"keywords":null,"genders":null,"itemtype":"Part","partSubstitute":null,"note":"N/A","recallNote":null,"note1":null,"note2":null,"note3":null,"note4":null,"note5":null,"pdfAllUser":null,"pdfAuthUser":null,"pdfCOSUser":null,"vaiantRelatedPartList":null,"partHotspotList":null,"itemNumber":27,"partRelatedVariantList":null,"bomCode":6,"totalValue":null,"searchImage":null,"length":null,"width":null,"height":null,"unitOfDimension":null,"weight":null,"unitOfWeight":null,"specialRouting":false,"onlineRepair":null,"previousPartID":null,"sbdDiscountPriceValue":null,"alrCode":null,"productRecallFlag":null,"selectedDocumentId":null,"productDescription":null,"pdpImage":null,"ticketId":null,"qtyRequiredPerVariant":"1","isElgibleForRepair":null,"isPowerEligible":null,"productRecallNotes":null,"productOtherInfo":null,"backorderETA":"00/00/0000","modifiedDate":"No ETA","userLevel":"ALL","displayPrice":null,"baseProductName":null,"firstVariantCode":null,"firstVariantImage":null,"productMarketType":null,"productNumber":null,"typeStatusCode":null,"productCategory":null,"typeNumber":null,"marketCode":null,"regionCode":null,"otherInformation":null,"productTypeStatus":null,"repairInstruction":null,"repairInstructionStatusDescription":null,"typeStatusDate":null,"serviceLifeDate":null,"manufacturerId":null,"parts":null,"language":null,"glossaries":null,"brand":null,"product":null,"brandCode":null,"recallNotes":null,"volume":null},{"code":"P5140115-72","name":null,"url":"/c//p/P5140115-72","description":"GROMMET","purchasable":true,"stock":{"stockLevelStatus":{"code":"inStock","type":"StockLevelStatus"},"stockLevel":0,"stockThreshold":null},"futureStocks":null,"availableForPickup":null,"averageRating":null,"numberOfReviews":null,"summary":null,"manufacturer":null,"variantType":null,"price":{"currencyIso":"USD","value":4.18,"priceType":"BUY","formattedValue":"$4.18","minQuantity":null,"maxQuantity":null,"sapUnit":{"code":"pieces","name":"Piece"}},"baseProduct":null,"images":[],"categories":null,"reviews":null,"classifications":null,"potentialPromotions":null,"variantOptions":null,"baseOptions":[],"volumePricesFlag":null,"volumePrices":null,"productReferences":null,"variantMatrix":null,"priceRange":null,"firstCategoryNameList":null,"multidimensional":null,"configurable":false,"configuratorType":null,"addToCartDisabled":null,"addToCartDisabledMessage":null,"tags":null,"sapUnit":null,"keywords":null,"genders":null,"itemtype":"Part","partSubstitute":null,"note":"N/A","recallNote":null,"note1":null,"note2":null,"note3":null,"note4":null,"note5":null,"pdfAllUser":null,"pdfAuthUser":null,"pdfCOSUser":null,"vaiantRelatedPartList":null,"partHotspotList":null,"itemNumber":28,"partRelatedVariantList":null,"bomCode":2,"totalValue":null,"searchImage":null,"length":null,"width":null,"height":null,"unitOfDimension":null,"weight":null,"unitOfWeight":null,"specialRouting":false,"onlineRepair":null,"previousPartID":null,"sbdDiscountPriceValue":{"currencyIso":"USD","value":4.18,"priceType":"BUY","formattedValue":"$4.18","minQuantity":null,"maxQuantity":null,"sapUnit":{"code":"pieces","name":"Piece"}},"alrCode":null,"productRecallFlag":null,"selectedDocumentId":null,"productDescription":null,"pdpImage":null,"ticketId":null,"qtyRequiredPerVariant":"1","isElgibleForRepair":null,"isPowerEligible":null,"productRecallNotes":null,"productOtherInfo":null,"backorderETA":"00/00/0000","modifiedDate":"No ETA","userLevel":"ALL","displayPrice":null,"baseProductName":null,"firstVariantCode":null,"firstVariantImage":null,"productMarketType":null,"productNumber":null,"typeStatusCode":null,"productCategory":null,"typeNumber":null,"marketCode":null,"regionCode":null,"otherInformation":null,"productTypeStatus":null,"repairInstruction":null,"repairInstructionStatusDescription":null,"typeStatusDate":null,"serviceLifeDate":null,"manufacturerId":null,"parts":null,"language":null,"glossaries":null,"brand":null,"product":null,"brandCode":null,"recallNotes":null,"volume":null},{"code":"P5140115-39","name":null,"url":"/c//p/P5140115-39","description":"SCREW","purchasable":true,"stock":{"stockLevelStatus":{"code":"inStock","type":"StockLevelStatus"},"stockLevel":0,"stockThreshold":null},"futureStocks":null,"availableForPickup":null,"averageRating":null,"numberOfReviews":null,"summary":null,"manufacturer":null,"variantType":null,"price":{"currencyIso":"USD","value":1.16,"priceType":"BUY","formattedValue":"$1.16","minQuantity":null,"maxQuantity":null,"sapUnit":{"code":"pieces","name":"Piece"}},"baseProduct":null,"images":[],"categories":null,"reviews":null,"classifications":null,"potentialPromotions":null,"variantOptions":null,"baseOptions":[],"volumePricesFlag":null,"volumePrices":null,"productReferences":null,"variantMatrix":null,"priceRange":null,"firstCategoryNameList":null,"multidimensional":null,"configurable":false,"configuratorType":null,"addToCartDisabled":null,"addToCartDisabledMessage":null,"tags":null,"sapUnit":null,"keywords":null,"genders":null,"itemtype":"Part","partSubstitute":null,"note":"N/A","recallNote":null,"note1":null,"note2":null,"note3":null,"note4":null,"note5":null,"pdfAllUser":null,"pdfAuthUser":null,"pdfCOSUser":null,"vaiantRelatedPartList":null,"partHotspotList":null,"itemNumber":29,"partRelatedVariantList":null,"bomCode":2,"totalValue":null,"searchImage":null,"length":null,"width":null,"height":null,"unitOfDimension":null,"weight":null,"unitOfWeight":null,"specialRouting":false,"onlineRepair":null,"previousPartID":null,"sbdDiscountPriceValue":{"currencyIso":"USD","value":1.16,"priceType":"BUY","formattedValue":"$1.16","minQuantity":null,"maxQuantity":null,"sapUnit":{"code":"pieces","name":"Piece"}},"alrCode":null,"productRecallFlag":null,"selectedDocumentId":null,"productDescription":null,"pdpImage":null,"ticketId":null,"qtyRequiredPerVariant":"2","isElgibleForRepair":null,"isPowerEligible":null,"productRecallNotes":null,"productOtherInfo":null,"backorderETA":"00/00/0000","modifiedDate":"No ETA","userLevel":"ALL","displayPrice":null,"baseProductName":null,"firstVariantCode":null,"firstVariantImage":null,"productMarketType":null,"productNumber":null,"typeStatusCode":null,"productCategory":null,"typeNumber":null,"marketCode":null,"regionCode":null,"otherInformation":null,"productTypeStatus":null,"repairInstruction":null,"repairInstructionStatusDescription":null,"typeStatusDate":null,"serviceLifeDate":null,"manufacturerId":null,"parts":null,"language":null,"glossaries":null,"brand":null,"product":null,"brandCode":null,"recallNotes":null,"volume":null},{"code":"P5140116-95","name":null,"url":"/c//p/P5140116-95","description":"NUT","purchasable":false,"stock":{"stockLevelStatus":{"code":"inStock","type":"StockLevelStatus"},"stockLevel":0,"stockThreshold":null},"futureStocks":null,"availableForPickup":null,"averageRating":null,"numberOfReviews":null,"summary":null,"manufacturer":null,"variantType":null,"price":null,"baseProduct":null,"images":[],"categories":null,"reviews":null,"classifications":null,"potentialPromotions":null,"variantOptions":null,"baseOptions":[],"volumePricesFlag":null,"volumePrices":null,"productReferences":null,"variantMatrix":null,"priceRange":null,"firstCategoryNameList":null,"multidimensional":null,"configurable":false,"configuratorType":null,"addToCartDisabled":null,"addToCartDisabledMessage":null,"tags":null,"sapUnit":null,"keywords":null,"genders":null,"itemtype":"Part","partSubstitute":null,"note":"N/A","recallNote":null,"note1":null,"note2":null,"note3":null,"note4":null,"note5":null,"pdfAllUser":null,"pdfAuthUser":null,"pdfCOSUser":null,"vaiantRelatedPartList":null,"partHotspotList":null,"itemNumber":30,"partRelatedVariantList":null,"bomCode":6,"totalValue":null,"searchImage":null,"length":null,"width":null,"height":null,"unitOfDimension":null,"weight":null,"unitOfWeight":null,"specialRouting":false,"onlineRepair":null,"previousPartID":null,"sbdDiscountPriceValue":null,"alrCode":null,"productRecallFlag":null,"selectedDocumentId":null,"productDescription":null,"pdpImage":null,"ticketId":null,"qtyRequiredPerVariant":"2","isElgibleForRepair":null,"isPowerEligible":null,"productRecallNotes":null,"productOtherInfo":null,"backorderETA":"00/00/0000","modifiedDate":"No ETA","userLevel":"ALL","displayPrice":null,"baseProductName":null,"firstVariantCode":null,"firstVariantImage":null,"productMarketType":null,"productNumber":null,"typeStatusCode":null,"productCategory":null,"typeNumber":null,"marketCode":null,"regionCode":null,"otherInformation":null,"productTypeStatus":null,"repairInstruction":null,"repairInstructionStatusDescription":null,"typeStatusDate":null,"serviceLifeDate":null,"manufacturerId":null,"parts":null,"language":null,"glossaries":null,"brand":null,"product":null,"brandCode":null,"recallNotes":null,"volume":null},{"code":"P5140115-36","name":null,"url":"/c//p/P5140115-36","description":"BOLT","purchasable":true,"stock":{"stockLevelStatus":{"code":"inStock","type":"StockLevelStatus"},"stockLevel":0,"stockThreshold":null},"futureStocks":null,"availableForPickup":null,"averageRating":null,"numberOfReviews":null,"summary":null,"manufacturer":null,"variantType":null,"price":{"currencyIso":"USD","value":1.16,"priceType":"BUY","formattedValue":"$1.16","minQuantity":null,"maxQuantity":null,"sapUnit":{"code":"pieces","name":"Piece"}},"baseProduct":null,"images":[],"categories":null,"reviews":null,"classifications":null,"potentialPromotions":null,"variantOptions":null,"baseOptions":[],"volumePricesFlag":null,"volumePrices":null,"productReferences":null,"variantMatrix":null,"priceRange":null,"firstCategoryNameList":null,"multidimensional":null,"configurable":false,"configuratorType":null,"addToCartDisabled":null,"addToCartDisabledMessage":null,"tags":null,"sapUnit":null,"keywords":null,"genders":null,"itemtype":"Part","partSubstitute":null,"note":"N/A","recallNote":null,"note1":null,"note2":null,"note3":null,"note4":null,"note5":null,"pdfAllUser":null,"pdfAuthUser":null,"pdfCOSUser":null,"vaiantRelatedPartList":null,"partHotspotList":null,"itemNumber":31,"partRelatedVariantList":null,"bomCode":2,"totalValue":null,"searchImage":null,"length":null,"width":null,"height":null,"unitOfDimension":null,"weight":null,"unitOfWeight":null,"specialRouting":false,"onlineRepair":null,"previousPartID":null,"sbdDiscountPriceValue":{"currencyIso":"USD","value":1.16,"priceType":"BUY","formattedValue":"$1.16","minQuantity":null,"maxQuantity":null,"sapUnit":{"code":"pieces","name":"Piece"}},"alrCode":null,"productRecallFlag":null,"selectedDocumentId":null,"productDescription":null,"pdpImage":null,"ticketId":null,"qtyRequiredPerVariant":"4","isElgibleForRepair":null,"isPowerEligible":null,"productRecallNotes":null,"productOtherInfo":null,"backorderETA":"00/00/0000","modifiedDate":"To Be Determined","userLevel":"ALL","displayPrice":null,"baseProductName":null,"firstVariantCode":null,"firstVariantImage":null,"productMarketType":null,"productNumber":null,"typeStatusCode":null,"productCategory":null,"typeNumber":null,"marketCode":null,"regionCode":null,"otherInformation":null,"productTypeStatus":null,"repairInstruction":null,"repairInstructionStatusDescription":null,"typeStatusDate":null,"serviceLifeDate":null,"manufacturerId":null,"parts":null,"language":null,"glossaries":null,"brand":null,"product":null,"brandCode":null,"recallNotes":null,"volume":null},{"code":"P5140116-63","name":null,"url":"/c//p/P5140116-63","description":"LIFT ASSEMBLY","purchasable":true,"stock":{"stockLevelStatus":{"code":"inStock","type":"StockLevelStatus"},"stockLevel":3,"stockThreshold":null},"futureStocks":null,"availableForPickup":null,"averageRating":null,"numberOfReviews":null,"summary":null,"manufacturer":null,"variantType":null,"price":{"currencyIso":"USD","value":53.8,"priceType":"BUY","formattedValue":"$53.80","minQuantity":null,"maxQuantity":null,"sapUnit":{"code":"pieces","name":"Piece"}},"baseProduct":null,"images":[],"categories":null,"reviews":null,"classifications":null,"potentialPromotions":null,"variantOptions":null,"baseOptions":[],"volumePricesFlag":null,"volumePrices":null,"productReferences":null,"variantMatrix":null,"priceRange":null,"firstCategoryNameList":null,"multidimensional":null,"configurable":false,"configuratorType":null,"addToCartDisabled":null,"addToCartDisabledMessage":null,"tags":null,"sapUnit":null,"keywords":null,"genders":null,"itemtype":"Part","partSubstitute":null,"note":"N/A","recallNote":null,"note1":null,"note2":null,"note3":null,"note4":null,"note5":null,"pdfAllUser":null,"pdfAuthUser":null,"pdfCOSUser":null,"vaiantRelatedPartList":null,"partHotspotList":null,"itemNumber":32,"partRelatedVariantList":null,"bomCode":2,"totalValue":null,"searchImage":null,"length":null,"width":null,"height":null,"unitOfDimension":null,"weight":null,"unitOfWeight":null,"specialRouting":false,"onlineRepair":null,"previousPartID":null,"sbdDiscountPriceValue":{"currencyIso":"USD","value":53.8,"priceType":"BUY","formattedValue":"$53.80","minQuantity":null,"maxQuantity":null,"sapUnit":{"code":"pieces","name":"Piece"}},"alrCode":null,"productRecallFlag":null,"selectedDocumentId":null,"productDescription":null,"pdpImage":null,"ticketId":null,"qtyRequiredPerVariant":"1","isElgibleForRepair":null,"isPowerEligible":null,"productRecallNotes":null,"productOtherInfo":null,"backorderETA":"00/00/0000","modifiedDate":"No ETA","userLevel":"ALL","displayPrice":null,"baseProductName":null,"firstVariantCode":null,"firstVariantImage":null,"productMarketType":null,"productNumber":null,"typeStatusCode":null,"productCategory":null,"typeNumber":null,"marketCode":null,"regionCode":null,"otherInformation":null,"productTypeStatus":null,"repairInstruction":null,"repairInstructionStatusDescription":null,"typeStatusDate":null,"serviceLifeDate":null,"manufacturerId":null,"parts":null,"language":null,"glossaries":null,"brand":null,"product":null,"brandCode":null,"recallNotes":null,"volume":null},{"code":"P5140116-64","name":null,"url":"/c//p/P5140116-64","description":"LOCK WASHER","purchasable":true,"stock":{"stockLevelStatus":{"code":"inStock","type":"StockLevelStatus"},"stockLevel":18,"stockThreshold":null},"futureStocks":null,"availableForPickup":null,"averageRating":null,"numberOfReviews":null,"summary":null,"manufacturer":null,"variantType":null,"price":{"currencyIso":"USD","value":1.16,"priceType":"BUY","formattedValue":"$1.16","minQuantity":null,"maxQuantity":null,"sapUnit":{"code":"pieces","name":"Piece"}},"baseProduct":null,"images":[],"categories":null,"reviews":null,"classifications":null,"potentialPromotions":null,"variantOptions":null,"baseOptions":[],"volumePricesFlag":null,"volumePrices":null,"productReferences":null,"variantMatrix":null,"priceRange":null,"firstCategoryNameList":null,"multidimensional":null,"configurable":false,"configuratorType":null,"addToCartDisabled":null,"addToCartDisabledMessage":null,"tags":null,"sapUnit":null,"keywords":null,"genders":null,"itemtype":"Part","partSubstitute":null,"note":"N/A","recallNote":null,"note1":null,"note2":null,"note3":null,"note4":null,"note5":null,"pdfAllUser":null,"pdfAuthUser":null,"pdfCOSUser":null,"vaiantRelatedPartList":null,"partHotspotList":null,"itemNumber":33,"partRelatedVariantList":null,"bomCode":2,"totalValue":null,"searchImage":null,"length":null,"width":null,"height":null,"unitOfDimension":null,"weight":null,"unitOfWeight":null,"specialRouting":false,"onlineRepair":null,"previousPartID":null,"sbdDiscountPriceValue":{"currencyIso":"USD","value":1.16,"priceType":"BUY","formattedValue":"$1.16","minQuantity":null,"maxQuantity":null,"sapUnit":{"code":"pieces","name":"Piece"}},"alrCode":null,"productRecallFlag":null,"selectedDocumentId":null,"productDescription":null,"pdpImage":null,"ticketId":null,"qtyRequiredPerVariant":"2","isElgibleForRepair":null,"isPowerEligible":null,"productRecallNotes":null,"productOtherInfo":null,"backorderETA":"00/00/0000","modifiedDate":"No ETA","userLevel":"ALL","displayPrice":null,"baseProductName":null,"firstVariantCode":null,"firstVariantImage":null,"productMarketType":null,"productNumber":null,"typeStatusCode":null,"productCategory":null,"typeNumber":null,"marketCode":null,"regionCode":null,"otherInformation":null,"productTypeStatus":null,"repairInstruction":null,"repairInstructionStatusDescription":null,"typeStatusDate":null,"serviceLifeDate":null,"manufacturerId":null,"parts":null,"language":null,"glossaries":null,"brand":null,"product":null,"brandCode":null,"recallNotes":null,"volume":null},{"code":"P5140208-79","name":null,"url":"/c//p/P5140208-79","description":"LUG","purchasable":true,"stock":{"stockLevelStatus":{"code":"inStock","type":"StockLevelStatus"},"stockLevel":0,"stockThreshold":null},"futureStocks":null,"availableForPickup":null,"averageRating":null,"numberOfReviews":null,"summary":null,"manufacturer":null,"variantType":null,"price":{"currencyIso":"USD","value":2.97,"priceType":"BUY","formattedValue":"$2.97","minQuantity":null,"maxQuantity":null,"sapUnit":{"code":"pieces","name":"Piece"}},"baseProduct":null,"images":[],"categories":null,"reviews":null,"classifications":null,"potentialPromotions":null,"variantOptions":null,"baseOptions":[],"volumePricesFlag":null,"volumePrices":null,"productReferences":null,"variantMatrix":null,"priceRange":null,"firstCategoryNameList":null,"multidimensional":null,"configurable":false,"configuratorType":null,"addToCartDisabled":null,"addToCartDisabledMessage":null,"tags":null,"sapUnit":null,"keywords":null,"genders":null,"itemtype":"Part","partSubstitute":null,"note":"N/A","recallNote":null,"note1":null,"note2":null,"note3":null,"note4":null,"note5":null,"pdfAllUser":null,"pdfAuthUser":null,"pdfCOSUser":null,"vaiantRelatedPartList":null,"partHotspotList":null,"itemNumber":34,"partRelatedVariantList":null,"bomCode":2,"totalValue":null,"searchImage":null,"length":null,"width":null,"height":null,"unitOfDimension":null,"weight":null,"unitOfWeight":null,"specialRouting":false,"onlineRepair":null,"previousPartID":null,"sbdDiscountPriceValue":{"currencyIso":"USD","value":2.97,"priceType":"BUY","formattedValue":"$2.97","minQuantity":null,"maxQuantity":null,"sapUnit":{"code":"pieces","name":"Piece"}},"alrCode":null,"productRecallFlag":null,"selectedDocumentId":null,"productDescription":null,"pdpImage":null,"ticketId":null,"qtyRequiredPerVariant":"1","isElgibleForRepair":null,"isPowerEligible":null,"productRecallNotes":null,"productOtherInfo":null,"backorderETA":"00/00/0000","modifiedDate":"No ETA","userLevel":"ALL","displayPrice":null,"baseProductName":null,"firstVariantCode":null,"firstVariantImage":null,"productMarketType":null,"productNumber":null,"typeStatusCode":null,"productCategory":null,"typeNumber":null,"marketCode":null,"regionCode":null,"otherInformation":null,"productTypeStatus":null,"repairInstruction":null,"repairInstructionStatusDescription":null,"typeStatusDate":null,"serviceLifeDate":null,"manufacturerId":null,"parts":null,"language":null,"glossaries":null,"brand":null,"product":null,"brandCode":null,"recallNotes":null,"volume":null},{"code":"P5140116-66","name":null,"url":"/c//p/P5140116-66","description":"STAR WASHER","purchasable":false,"stock":{"stockLevelStatus":{"code":"inStock","type":"StockLevelStatus"},"stockLevel":0,"stockThreshold":null},"futureStocks":null,"availableForPickup":null,"averageRating":null,"numberOfReviews":null,"summary":null,"manufacturer":null,"variantType":null,"price":null,"baseProduct":null,"images":[],"categories":null,"reviews":null,"classifications":null,"potentialPromotions":null,"variantOptions":null,"baseOptions":[],"volumePricesFlag":null,"volumePrices":null,"productReferences":null,"variantMatrix":null,"priceRange":null,"firstCategoryNameList":null,"multidimensional":null,"configurable":false,"configuratorType":null,"addToCartDisabled":null,"addToCartDisabledMessage":null,"tags":null,"sapUnit":null,"keywords":null,"genders":null,"itemtype":"Part","partSubstitute":null,"note":"N/A","recallNote":null,"note1":null,"note2":null,"note3":null,"note4":null,"note5":null,"pdfAllUser":null,"pdfAuthUser":null,"pdfCOSUser":null,"vaiantRelatedPartList":null,"partHotspotList":null,"itemNumber":35,"partRelatedVariantList":null,"bomCode":4,"totalValue":null,"searchImage":null,"length":null,"width":null,"height":null,"unitOfDimension":null,"weight":null,"unitOfWeight":null,"specialRouting":false,"onlineRepair":null,"previousPartID":null,"sbdDiscountPriceValue":null,"alrCode":null,"productRecallFlag":null,"selectedDocumentId":null,"productDescription":null,"pdpImage":null,"ticketId":null,"qtyRequiredPerVariant":"1","isElgibleForRepair":null,"isPowerEligible":null,"productRecallNotes":null,"productOtherInfo":null,"backorderETA":"00/00/0000","modifiedDate":"No ETA","userLevel":"ALL","displayPrice":null,"baseProductName":null,"firstVariantCode":null,"firstVariantImage":null,"productMarketType":null,"productNumber":null,"typeStatusCode":null,"productCategory":null,"typeNumber":null,"marketCode":null,"regionCode":null,"otherInformation":null,"productTypeStatus":null,"repairInstruction":null,"repairInstructionStatusDescription":null,"typeStatusDate":null,"serviceLifeDate":null,"manufacturerId":null,"parts":null,"language":null,"glossaries":null,"brand":null,"product":null,"brandCode":null,"recallNotes":null,"volume":null},{"code":"P5140208-76","name":null,"url":"/c//p/P5140208-76","description":"STAR WASHER","purchasable":true,"stock":{"stockLevelStatus":{"code":"inStock","type":"StockLevelStatus"},"stockLevel":0,"stockThreshold":null},"futureStocks":null,"availableForPickup":null,"averageRating":null,"numberOfReviews":null,"summary":null,"manufacturer":null,"variantType":null,"price":{"currencyIso":"USD","value":1.16,"priceType":"BUY","formattedValue":"$1.16","minQuantity":null,"maxQuantity":null,"sapUnit":{"code":"pieces","name":"Piece"}},"baseProduct":null,"images":[],"categories":null,"reviews":null,"classifications":null,"potentialPromotions":null,"variantOptions":null,"baseOptions":[],"volumePricesFlag":null,"volumePrices":null,"productReferences":null,"variantMatrix":null,"priceRange":null,"firstCategoryNameList":null,"multidimensional":null,"configurable":false,"configuratorType":null,"addToCartDisabled":null,"addToCartDisabledMessage":null,"tags":null,"sapUnit":null,"keywords":null,"genders":null,"itemtype":"Part","partSubstitute":null,"note":"N/A","recallNote":null,"note1":null,"note2":null,"note3":null,"note4":null,"note5":null,"pdfAllUser":null,"pdfAuthUser":null,"pdfCOSUser":null,"vaiantRelatedPartList":null,"partHotspotList":null,"itemNumber":35,"partRelatedVariantList":null,"bomCode":2,"totalValue":null,"searchImage":null,"length":null,"width":null,"height":null,"unitOfDimension":null,"weight":null,"unitOfWeight":null,"specialRouting":false,"onlineRepair":null,"previousPartID":null,"sbdDiscountPriceValue":{"currencyIso":"USD","value":1.16,"priceType":"BUY","formattedValue":"$1.16","minQuantity":null,"maxQuantity":null,"sapUnit":{"code":"pieces","name":"Piece"}},"alrCode":null,"productRecallFlag":null,"selectedDocumentId":null,"productDescription":null,"pdpImage":null,"ticketId":null,"qtyRequiredPerVariant":"1","isElgibleForRepair":null,"isPowerEligible":null,"productRecallNotes":null,"productOtherInfo":null,"backorderETA":"00/00/0000","modifiedDate":"No ETA","userLevel":"ALL","displayPrice":null,"baseProductName":null,"firstVariantCode":null,"firstVariantImage":null,"productMarketType":null,"productNumber":null,"typeStatusCode":null,"productCategory":null,"typeNumber":null,"marketCode":null,"regionCode":null,"otherInformation":null,"productTypeStatus":null,"repairInstruction":null,"repairInstructionStatusDescription":null,"typeStatusDate":null,"serviceLifeDate":null,"manufacturerId":null,"parts":null,"language":null,"glossaries":null,"brand":null,"product":null,"brandCode":null,"recallNotes":null,"volume":null},{"code":"P5140116-67","name":null,"url":"/c//p/P5140116-67","description":"BOLT","purchasable":true,"stock":{"stockLevelStatus":{"code":"inStock","type":"StockLevelStatus"},"stockLevel":0,"stockThreshold":null},"futureStocks":null,"availableForPickup":null,"averageRating":null,"numberOfReviews":null,"summary":null,"manufacturer":null,"variantType":null,"price":{"currencyIso":"USD","value":13.12,"priceType":"BUY","formattedValue":"$13.12","minQuantity":null,"maxQuantity":null,"sapUnit":{"code":"pieces","name":"Piece"}},"baseProduct":null,"images":[],"categories":null,"reviews":null,"classifications":null,"potentialPromotions":null,"variantOptions":null,"baseOptions":[],"volumePricesFlag":null,"volumePrices":null,"productReferences":null,"variantMatrix":null,"priceRange":null,"firstCategoryNameList":null,"multidimensional":null,"configurable":false,"configuratorType":null,"addToCartDisabled":null,"addToCartDisabledMessage":null,"tags":null,"sapUnit":null,"keywords":null,"genders":null,"itemtype":"Part","partSubstitute":null,"note":"N/A","recallNote":null,"note1":null,"note2":null,"note3":null,"note4":null,"note5":null,"pdfAllUser":null,"pdfAuthUser":null,"pdfCOSUser":null,"vaiantRelatedPartList":null,"partHotspotList":null,"itemNumber":36,"partRelatedVariantList":null,"bomCode":2,"totalValue":null,"searchImage":null,"length":null,"width":null,"height":null,"unitOfDimension":null,"weight":null,"unitOfWeight":null,"specialRouting":false,"onlineRepair":null,"previousPartID":null,"sbdDiscountPriceValue":{"currencyIso":"USD","value":13.12,"priceType":"BUY","formattedValue":"$13.12","minQuantity":null,"maxQuantity":null,"sapUnit":{"code":"pieces","name":"Piece"}},"alrCode":null,"productRecallFlag":null,"selectedDocumentId":null,"productDescription":null,"pdpImage":null,"ticketId":null,"qtyRequiredPerVariant":"1","isElgibleForRepair":null,"isPowerEligible":null,"productRecallNotes":null,"productOtherInfo":null,"backorderETA":"00/00/0000","modifiedDate":"No ETA","userLevel":"ALL","displayPrice":null,"baseProductName":null,"firstVariantCode":null,"firstVariantImage":null,"productMarketType":null,"productNumber":null,"typeStatusCode":null,"productCategory":null,"typeNumber":null,"marketCode":null,"regionCode":null,"otherInformation":null,"productTypeStatus":null,"repairInstruction":null,"repairInstructionStatusDescription":null,"typeStatusDate":null,"serviceLifeDate":null,"manufacturerId":null,"parts":null,"language":null,"glossaries":null,"brand":null,"product":null,"brandCode":null,"recallNotes":null,"volume":null},{"code":"P5140116-68","name":null,"url":"/c//p/P5140116-68","description":"NUT- NYLOCK","purchasable":true,"stock":{"stockLevelStatus":{"code":"inStock","type":"StockLevelStatus"},"stockLevel":0,"stockThreshold":null},"futureStocks":null,"availableForPickup":null,"averageRating":null,"numberOfReviews":null,"summary":null,"manufacturer":null,"variantType":null,"price":{"currencyIso":"USD","value":8.69,"priceType":"BUY","formattedValue":"$8.69","minQuantity":null,"maxQuantity":null,"sapUnit":{"code":"pieces","name":"Piece"}},"baseProduct":null,"images":[],"categories":null,"reviews":null,"classifications":null,"potentialPromotions":null,"variantOptions":null,"baseOptions":[],"volumePricesFlag":null,"volumePrices":null,"productReferences":null,"variantMatrix":null,"priceRange":null,"firstCategoryNameList":null,"multidimensional":null,"configurable":false,"configuratorType":null,"addToCartDisabled":null,"addToCartDisabledMessage":null,"tags":null,"sapUnit":null,"keywords":null,"genders":null,"itemtype":"Part","partSubstitute":null,"note":"N/A","recallNote":null,"note1":null,"note2":null,"note3":null,"note4":null,"note5":null,"pdfAllUser":null,"pdfAuthUser":null,"pdfCOSUser":null,"vaiantRelatedPartList":null,"partHotspotList":null,"itemNumber":37,"partRelatedVariantList":null,"bomCode":2,"totalValue":null,"searchImage":null,"length":null,"width":null,"height":null,"unitOfDimension":null,"weight":null,"unitOfWeight":null,"specialRouting":false,"onlineRepair":null,"previousPartID":null,"sbdDiscountPriceValue":{"currencyIso":"USD","value":8.69,"priceType":"BUY","formattedValue":"$8.69","minQuantity":null,"maxQuantity":null,"sapUnit":{"code":"pieces","name":"Piece"}},"alrCode":null,"productRecallFlag":null,"selectedDocumentId":null,"productDescription":null,"pdpImage":null,"ticketId":null,"qtyRequiredPerVariant":"2","isElgibleForRepair":null,"isPowerEligible":null,"productRecallNotes":null,"productOtherInfo":null,"backorderETA":"00/00/0000","modifiedDate":"No ETA","userLevel":"ALL","displayPrice":null,"baseProductName":null,"firstVariantCode":null,"firstVariantImage":null,"productMarketType":null,"productNumber":null,"typeStatusCode":null,"productCategory":null,"typeNumber":null,"marketCode":null,"regionCode":null,"otherInformation":null,"productTypeStatus":null,"repairInstruction":null,"repairInstructionStatusDescription":null,"typeStatusDate":null,"serviceLifeDate":null,"manufacturerId":null,"parts":null,"language":null,"glossaries":null,"brand":null,"product":null,"brandCode":null,"recallNotes":null,"volume":null},{"code":"P5140116-03","name":null,"url":"/c//p/P5140116-03","description":"BEZEL","purchasable":true,"stock":{"stockLevelStatus":{"code":"inStock","type":"StockLevelStatus"},"stockLevel":18,"stockThreshold":null},"futureStocks":null,"availableForPickup":null,"averageRating":null,"numberOfReviews":null,"summary":null,"manufacturer":null,"variantType":null,"price":{"currencyIso":"USD","value":14.13,"priceType":"BUY","formattedValue":"$14.13","minQuantity":null,"maxQuantity":null,"sapUnit":{"code":"pieces","name":"Piece"}},"baseProduct":null,"images":[],"categories":null,"reviews":null,"classifications":null,"potentialPromotions":null,"variantOptions":null,"baseOptions":[],"volumePricesFlag":null,"volumePrices":null,"productReferences":null,"variantMatrix":null,"priceRange":null,"firstCategoryNameList":null,"multidimensional":null,"configurable":false,"configuratorType":null,"addToCartDisabled":null,"addToCartDisabledMessage":null,"tags":null,"sapUnit":null,"keywords":null,"genders":null,"itemtype":"Part","partSubstitute":null,"note":"N/A","recallNote":null,"note1":null,"note2":null,"note3":null,"note4":null,"note5":null,"pdfAllUser":null,"pdfAuthUser":null,"pdfCOSUser":null,"vaiantRelatedPartList":null,"partHotspotList":null,"itemNumber":38,"partRelatedVariantList":null,"bomCode":2,"totalValue":null,"searchImage":null,"length":null,"width":null,"height":null,"unitOfDimension":null,"weight":null,"unitOfWeight":null,"specialRouting":false,"onlineRepair":null,"previousPartID":null,"sbdDiscountPriceValue":{"currencyIso":"USD","value":14.13,"priceType":"BUY","formattedValue":"$14.13","minQuantity":null,"maxQuantity":null,"sapUnit":{"code":"pieces","name":"Piece"}},"alrCode":null,"productRecallFlag":null,"selectedDocumentId":null,"productDescription":null,"pdpImage":null,"ticketId":null,"qtyRequiredPerVariant":"1","isElgibleForRepair":null,"isPowerEligible":null,"productRecallNotes":null,"productOtherInfo":null,"backorderETA":"00/00/0000","modifiedDate":"No ETA","userLevel":"ALL","displayPrice":null,"baseProductName":null,"firstVariantCode":null,"firstVariantImage":null,"productMarketType":null,"productNumber":null,"typeStatusCode":null,"productCategory":null,"typeNumber":null,"marketCode":null,"regionCode":null,"otherInformation":null,"productTypeStatus":null,"repairInstruction":null,"repairInstructionStatusDescription":null,"typeStatusDate":null,"serviceLifeDate":null,"manufacturerId":null,"parts":null,"language":null,"glossaries":null,"brand":null,"product":null,"brandCode":null,"recallNotes":null,"volume":null},{"code":"P5140116-96","name":null,"url":"/c//p/P5140116-96","description":"CLAMP","purchasable":false,"stock":{"stockLevelStatus":{"code":"inStock","type":"StockLevelStatus"},"stockLevel":0,"stockThreshold":null},"futureStocks":null,"availableForPickup":null,"averageRating":null,"numberOfReviews":null,"summary":null,"manufacturer":null,"variantType":null,"price":null,"baseProduct":null,"images":[],"categories":null,"reviews":null,"classifications":null,"potentialPromotions":null,"variantOptions":null,"baseOptions":[],"volumePricesFlag":null,"volumePrices":null,"productReferences":null,"variantMatrix":null,"priceRange":null,"firstCategoryNameList":null,"multidimensional":null,"configurable":false,"configuratorType":null,"addToCartDisabled":null,"addToCartDisabledMessage":null,"tags":null,"sapUnit":null,"keywords":null,"genders":null,"itemtype":"Part","partSubstitute":null,"note":"N/A","recallNote":null,"note1":null,"note2":null,"note3":null,"note4":null,"note5":null,"pdfAllUser":null,"pdfAuthUser":null,"pdfCOSUser":null,"vaiantRelatedPartList":null,"partHotspotList":null,"itemNumber":39,"partRelatedVariantList":null,"bomCode":6,"totalValue":null,"searchImage":null,"length":null,"width":null,"height":null,"unitOfDimension":null,"weight":null,"unitOfWeight":null,"specialRouting":false,"onlineRepair":null,"previousPartID":null,"sbdDiscountPriceValue":null,"alrCode":null,"productRecallFlag":null,"selectedDocumentId":null,"productDescription":null,"pdpImage":null,"ticketId":null,"qtyRequiredPerVariant":"1","isElgibleForRepair":null,"isPowerEligible":null,"productRecallNotes":null,"productOtherInfo":null,"backorderETA":"00/00/0000","modifiedDate":"No ETA","userLevel":"ALL","displayPrice":null,"baseProductName":null,"firstVariantCode":null,"firstVariantImage":null,"productMarketType":null,"productNumber":null,"typeStatusCode":null,"productCategory":null,"typeNumber":null,"marketCode":null,"regionCode":null,"otherInformation":null,"productTypeStatus":null,"repairInstruction":null,"repairInstructionStatusDescription":null,"typeStatusDate":null,"serviceLifeDate":null,"manufacturerId":null,"parts":null,"language":null,"glossaries":null,"brand":null,"product":null,"brandCode":null,"recallNotes":null,"volume":null},{"code":"P5140116-97","name":null,"url":"/c//p/P5140116-97","description":"BOOT","purchasable":false,"stock":{"stockLevelStatus":{"code":"inStock","type":"StockLevelStatus"},"stockLevel":0,"stockThreshold":null},"futureStocks":null,"availableForPickup":null,"averageRating":null,"numberOfReviews":null,"summary":null,"manufacturer":null,"variantType":null,"price":null,"baseProduct":null,"images":[],"categories":null,"reviews":null,"classifications":null,"potentialPromotions":null,"variantOptions":null,"baseOptions":[],"volumePricesFlag":null,"volumePrices":null,"productReferences":null,"variantMatrix":null,"priceRange":null,"firstCategoryNameList":null,"multidimensional":null,"configurable":false,"configuratorType":null,"addToCartDisabled":null,"addToCartDisabledMessage":null,"tags":null,"sapUnit":null,"keywords":null,"genders":null,"itemtype":"Part","partSubstitute":null,"note":"N/A","recallNote":null,"note1":null,"note2":null,"note3":null,"note4":null,"note5":null,"pdfAllUser":null,"pdfAuthUser":null,"pdfCOSUser":null,"vaiantRelatedPartList":null,"partHotspotList":null,"itemNumber":40,"partRelatedVariantList":null,"bomCode":6,"totalValue":null,"searchImage":null,"length":null,"width":null,"height":null,"unitOfDimension":null,"weight":null,"unitOfWeight":null,"specialRouting":false,"onlineRepair":null,"previousPartID":null,"sbdDiscountPriceValue":null,"alrCode":null,"productRecallFlag":null,"selectedDocumentId":null,"productDescription":null,"pdpImage":null,"ticketId":null,"qtyRequiredPerVariant":"1","isElgibleForRepair":null,"isPowerEligible":null,"productRecallNotes":null,"productOtherInfo":null,"backorderETA":"00/00/0000","modifiedDate":"No ETA","userLevel":"ALL","displayPrice":null,"baseProductName":null,"firstVariantCode":null,"firstVariantImage":null,"productMarketType":null,"productNumber":null,"typeStatusCode":null,"productCategory":null,"typeNumber":null,"marketCode":null,"regionCode":null,"otherInformation":null,"productTypeStatus":null,"repairInstruction":null,"repairInstructionStatusDescription":null,"typeStatusDate":null,"serviceLifeDate":null,"manufacturerId":null,"parts":null,"language":null,"glossaries":null,"brand":null,"product":null,"brandCode":null,"recallNotes":null,"volume":null},{"code":"P5140116-98","name":null,"url":"/c//p/P5140116-98","description":"BOOT","purchasable":false,"stock":{"stockLevelStatus":{"code":"inStock","type":"StockLevelStatus"},"stockLevel":0,"stockThreshold":null},"futureStocks":null,"availableForPickup":null,"averageRating":null,"numberOfReviews":null,"summary":null,"manufacturer":null,"variantType":null,"price":null,"baseProduct":null,"images":[],"categories":null,"reviews":null,"classifications":null,"potentialPromotions":null,"variantOptions":null,"baseOptions":[],"volumePricesFlag":null,"volumePrices":null,"productReferences":null,"variantMatrix":null,"priceRange":null,"firstCategoryNameList":null,"multidimensional":null,"configurable":false,"configuratorType":null,"addToCartDisabled":null,"addToCartDisabledMessage":null,"tags":null,"sapUnit":null,"keywords":null,"genders":null,"itemtype":"Part","partSubstitute":null,"note":"N/A","recallNote":null,"note1":null,"note2":null,"note3":null,"note4":null,"note5":null,"pdfAllUser":null,"pdfAuthUser":null,"pdfCOSUser":null,"vaiantRelatedPartList":null,"partHotspotList":null,"itemNumber":41,"partRelatedVariantList":null,"bomCode":6,"totalValue":null,"searchImage":null,"length":null,"width":null,"height":null,"unitOfDimension":null,"weight":null,"unitOfWeight":null,"specialRouting":false,"onlineRepair":null,"previousPartID":null,"sbdDiscountPriceValue":null,"alrCode":null,"productRecallFlag":null,"selectedDocumentId":null,"productDescription":null,"pdpImage":null,"ticketId":null,"qtyRequiredPerVariant":"1","isElgibleForRepair":null,"isPowerEligible":null,"productRecallNotes":null,"productOtherInfo":null,"backorderETA":"00/00/0000","modifiedDate":"No ETA","userLevel":"ALL","displayPrice":null,"baseProductName":null,"firstVariantCode":null,"firstVariantImage":null,"productMarketType":null,"productNumber":null,"typeStatusCode":null,"productCategory":null,"typeNumber":null,"marketCode":null,"regionCode":null,"otherInformation":null,"productTypeStatus":null,"repairInstruction":null,"repairInstructionStatusDescription":null,"typeStatusDate":null,"serviceLifeDate":null,"manufacturerId":null,"parts":null,"language":null,"glossaries":null,"brand":null,"product":null,"brandCode":null,"recallNotes":null,"volume":null},{"code":"P5140116-99","name":null,"url":"/c//p/P5140116-99","description":"BOLT","purchasable":false,"stock":{"stockLevelStatus":{"code":"inStock","type":"StockLevelStatus"},"stockLevel":0,"stockThreshold":null},"futureStocks":null,"availableForPickup":null,"averageRating":null,"numberOfReviews":null,"summary":null,"manufacturer":null,"variantType":null,"price":null,"baseProduct":null,"images":[],"categories":null,"reviews":null,"classifications":null,"potentialPromotions":null,"variantOptions":null,"baseOptions":[],"volumePricesFlag":null,"volumePrices":null,"productReferences":null,"variantMatrix":null,"priceRange":null,"firstCategoryNameList":null,"multidimensional":null,"configurable":false,"configuratorType":null,"addToCartDisabled":null,"addToCartDisabledMessage":null,"tags":null,"sapUnit":null,"keywords":null,"genders":null,"itemtype":"Part","partSubstitute":null,"note":"N/A","recallNote":null,"note1":null,"note2":null,"note3":null,"note4":null,"note5":null,"pdfAllUser":null,"pdfAuthUser":null,"pdfCOSUser":null,"vaiantRelatedPartList":null,"partHotspotList":null,"itemNumber":42,"partRelatedVariantList":null,"bomCode":6,"totalValue":null,"searchImage":null,"length":null,"width":null,"height":null,"unitOfDimension":null,"weight":null,"unitOfWeight":null,"specialRouting":false,"onlineRepair":null,"previousPartID":null,"sbdDiscountPriceValue":null,"alrCode":null,"productRecallFlag":null,"selectedDocumentId":null,"productDescription":null,"pdpImage":null,"ticketId":null,"qtyRequiredPerVariant":"1","isElgibleForRepair":null,"isPowerEligible":null,"productRecallNotes":null,"productOtherInfo":null,"backorderETA":"00/00/0000","modifiedDate":"No ETA","userLevel":"ALL","displayPrice":null,"baseProductName":null,"firstVariantCode":null,"firstVariantImage":null,"productMarketType":null,"productNumber":null,"typeStatusCode":null,"productCategory":null,"typeNumber":null,"marketCode":null,"regionCode":null,"otherInformation":null,"productTypeStatus":null,"repairInstruction":null,"repairInstructionStatusDescription":null,"typeStatusDate":null,"serviceLifeDate":null,"manufacturerId":null,"parts":null,"language":null,"glossaries":null,"brand":null,"product":null,"brandCode":null,"recallNotes":null,"volume":null},{"code":"P5140115-68","name":null,"url":"/c//p/P5140115-68","description":"CLAMP","purchasable":true,"stock":{"stockLevelStatus":{"code":"inStock","type":"StockLevelStatus"},"stockLevel":0,"stockThreshold":null},"futureStocks":null,"availableForPickup":null,"averageRating":null,"numberOfReviews":null,"summary":null,"manufacturer":null,"variantType":null,"price":{"currencyIso":"USD","value":1.16,"priceType":"BUY","formattedValue":"$1.16","minQuantity":null,"maxQuantity":null,"sapUnit":{"code":"pieces","name":"Piece"}},"baseProduct":null,"images":[],"categories":null,"reviews":null,"classifications":null,"potentialPromotions":null,"variantOptions":null,"baseOptions":[],"volumePricesFlag":null,"volumePrices":null,"productReferences":null,"variantMatrix":null,"priceRange":null,"firstCategoryNameList":null,"multidimensional":null,"configurable":false,"configuratorType":null,"addToCartDisabled":null,"addToCartDisabledMessage":null,"tags":null,"sapUnit":null,"keywords":null,"genders":null,"itemtype":"Part","partSubstitute":null,"note":"N/A","recallNote":null,"note1":null,"note2":null,"note3":null,"note4":null,"note5":null,"pdfAllUser":null,"pdfAuthUser":null,"pdfCOSUser":null,"vaiantRelatedPartList":null,"partHotspotList":null,"itemNumber":43,"partRelatedVariantList":null,"bomCode":2,"totalValue":null,"searchImage":null,"length":null,"width":null,"height":null,"unitOfDimension":null,"weight":null,"unitOfWeight":null,"specialRouting":false,"onlineRepair":null,"previousPartID":null,"sbdDiscountPriceValue":{"currencyIso":"USD","value":1.16,"priceType":"BUY","formattedValue":"$1.16","minQuantity":null,"maxQuantity":null,"sapUnit":{"code":"pieces","name":"Piece"}},"alrCode":null,"productRecallFlag":null,"selectedDocumentId":null,"productDescription":null,"pdpImage":null,"ticketId":null,"qtyRequiredPerVariant":"1","isElgibleForRepair":null,"isPowerEligible":null,"productRecallNotes":null,"productOtherInfo":null,"backorderETA":"00/00/0000","modifiedDate":"No ETA","userLevel":"ALL","displayPrice":null,"baseProductName":null,"firstVariantCode":null,"firstVariantImage":null,"productMarketType":null,"productNumber":null,"typeStatusCode":null,"productCategory":null,"typeNumber":null,"marketCode":null,"regionCode":null,"otherInformation":null,"productTypeStatus":null,"repairInstruction":null,"repairInstructionStatusDescription":null,"typeStatusDate":null,"serviceLifeDate":null,"manufacturerId":null,"parts":null,"language":null,"glossaries":null,"brand":null,"product":null,"brandCode":null,"recallNotes":null,"volume":null},{"code":"P5140116-00","name":null,"url":"/c//p/P5140116-00","description":"FLAT WASHER","purchasable":true,"stock":{"stockLevelStatus":{"code":"inStock","type":"StockLevelStatus"},"stockLevel":0,"stockThreshold":null},"futureStocks":null,"availableForPickup":null,"averageRating":null,"numberOfReviews":null,"summary":null,"manufacturer":null,"variantType":null,"price":{"currencyIso":"USD","value":1.16,"priceType":"BUY","formattedValue":"$1.16","minQuantity":null,"maxQuantity":null,"sapUnit":{"code":"pieces","name":"Piece"}},"baseProduct":null,"images":[],"categories":null,"reviews":null,"classifications":null,"potentialPromotions":null,"variantOptions":null,"baseOptions":[],"volumePricesFlag":null,"volumePrices":null,"productReferences":null,"variantMatrix":null,"priceRange":null,"firstCategoryNameList":null,"multidimensional":null,"configurable":false,"configuratorType":null,"addToCartDisabled":null,"addToCartDisabledMessage":null,"tags":null,"sapUnit":null,"keywords":null,"genders":null,"itemtype":"Part","partSubstitute":null,"note":"N/A","recallNote":null,"note1":null,"note2":null,"note3":null,"note4":null,"note5":null,"pdfAllUser":null,"pdfAuthUser":null,"pdfCOSUser":null,"vaiantRelatedPartList":null,"partHotspotList":null,"itemNumber":44,"partRelatedVariantList":null,"bomCode":2,"totalValue":null,"searchImage":null,"length":null,"width":null,"height":null,"unitOfDimension":null,"weight":null,"unitOfWeight":null,"specialRouting":false,"onlineRepair":null,"previousPartID":null,"sbdDiscountPriceValue":{"currencyIso":"USD","value":1.16,"priceType":"BUY","formattedValue":"$1.16","minQuantity":null,"maxQuantity":null,"sapUnit":{"code":"pieces","name":"Piece"}},"alrCode":null,"productRecallFlag":null,"selectedDocumentId":null,"productDescription":null,"pdpImage":null,"ticketId":null,"qtyRequiredPerVariant":"6","isElgibleForRepair":null,"isPowerEligible":null,"productRecallNotes":null,"productOtherInfo":null,"backorderETA":"00/00/0000","modifiedDate":"To Be Determined","userLevel":"ALL","displayPrice":null,"baseProductName":null,"firstVariantCode":null,"firstVariantImage":null,"productMarketType":null,"productNumber":null,"typeStatusCode":null,"productCategory":null,"typeNumber":null,"marketCode":null,"regionCode":null,"otherInformation":null,"productTypeStatus":null,"repairInstruction":null,"repairInstructionStatusDescription":null,"typeStatusDate":null,"serviceLifeDate":null,"manufacturerId":null,"parts":null,"language":null,"glossaries":null,"brand":null,"product":null,"brandCode":null,"recallNotes":null,"volume":null},{"code":"P5140116-73","name":null,"url":"/c//p/P5140116-73","description":"HARNESS","purchasable":true,"stock":{"stockLevelStatus":{"code":"inStock","type":"StockLevelStatus"},"stockLevel":3,"stockThreshold":null},"futureStocks":null,"availableForPickup":null,"averageRating":null,"numberOfReviews":null,"summary":null,"manufacturer":null,"variantType":null,"price":{"currencyIso":"USD","value":51.21,"priceType":"BUY","formattedValue":"$51.21","minQuantity":null,"maxQuantity":null,"sapUnit":{"code":"pieces","name":"Piece"}},"baseProduct":null,"images":[],"categories":null,"reviews":null,"classifications":null,"potentialPromotions":null,"variantOptions":null,"baseOptions":[],"volumePricesFlag":null,"volumePrices":null,"productReferences":null,"variantMatrix":null,"priceRange":null,"firstCategoryNameList":null,"multidimensional":null,"configurable":false,"configuratorType":null,"addToCartDisabled":null,"addToCartDisabledMessage":null,"tags":null,"sapUnit":null,"keywords":null,"genders":null,"itemtype":"Part","partSubstitute":null,"note":"N/A","recallNote":null,"note1":null,"note2":null,"note3":null,"note4":null,"note5":null,"pdfAllUser":null,"pdfAuthUser":null,"pdfCOSUser":null,"vaiantRelatedPartList":null,"partHotspotList":null,"itemNumber":45,"partRelatedVariantList":null,"bomCode":2,"totalValue":null,"searchImage":null,"length":null,"width":null,"height":null,"unitOfDimension":null,"weight":null,"unitOfWeight":null,"specialRouting":false,"onlineRepair":null,"previousPartID":null,"sbdDiscountPriceValue":{"currencyIso":"USD","value":51.21,"priceType":"BUY","formattedValue":"$51.21","minQuantity":null,"maxQuantity":null,"sapUnit":{"code":"pieces","name":"Piece"}},"alrCode":null,"productRecallFlag":null,"selectedDocumentId":null,"productDescription":null,"pdpImage":null,"ticketId":null,"qtyRequiredPerVariant":"1","isElgibleForRepair":null,"isPowerEligible":null,"productRecallNotes":null,"productOtherInfo":null,"backorderETA":"00/00/0000","modifiedDate":"No ETA","userLevel":"ALL","displayPrice":null,"baseProductName":null,"firstVariantCode":null,"firstVariantImage":null,"productMarketType":null,"productNumber":null,"typeStatusCode":null,"productCategory":null,"typeNumber":null,"marketCode":null,"regionCode":null,"otherInformation":null,"productTypeStatus":null,"repairInstruction":null,"repairInstructionStatusDescription":null,"typeStatusDate":null,"serviceLifeDate":null,"manufacturerId":null,"parts":null,"language":null,"glossaries":null,"brand":null,"product":null,"brandCode":null,"recallNotes":null,"volume":null},{"code":"P5140116-74","name":null,"url":"/c//p/P5140116-74","description":"GASKET","purchasable":true,"stock":{"stockLevelStatus":{"code":"inStock","type":"StockLevelStatus"},"stockLevel":4,"stockThreshold":null},"futureStocks":null,"availableForPickup":null,"averageRating":null,"numberOfReviews":null,"summary":null,"manufacturer":null,"variantType":null,"price":{"currencyIso":"USD","value":15.64,"priceType":"BUY","formattedValue":"$15.64","minQuantity":null,"maxQuantity":null,"sapUnit":{"code":"pieces","name":"Piece"}},"baseProduct":null,"images":[],"categories":null,"reviews":null,"classifications":null,"potentialPromotions":null,"variantOptions":null,"baseOptions":[],"volumePricesFlag":null,"volumePrices":null,"productReferences":null,"variantMatrix":null,"priceRange":null,"firstCategoryNameList":null,"multidimensional":null,"configurable":false,"configuratorType":null,"addToCartDisabled":null,"addToCartDisabledMessage":null,"tags":null,"sapUnit":null,"keywords":null,"genders":null,"itemtype":"Part","partSubstitute":null,"note":"N/A","recallNote":null,"note1":null,"note2":null,"note3":null,"note4":null,"note5":null,"pdfAllUser":null,"pdfAuthUser":null,"pdfCOSUser":null,"vaiantRelatedPartList":null,"partHotspotList":null,"itemNumber":46,"partRelatedVariantList":null,"bomCode":2,"totalValue":null,"searchImage":null,"length":null,"width":null,"height":null,"unitOfDimension":null,"weight":null,"unitOfWeight":null,"specialRouting":false,"onlineRepair":null,"previousPartID":null,"sbdDiscountPriceValue":{"currencyIso":"USD","value":15.64,"priceType":"BUY","formattedValue":"$15.64","minQuantity":null,"maxQuantity":null,"sapUnit":{"code":"pieces","name":"Piece"}},"alrCode":null,"productRecallFlag":null,"selectedDocumentId":null,"productDescription":null,"pdpImage":null,"ticketId":null,"qtyRequiredPerVariant":"1","isElgibleForRepair":null,"isPowerEligible":null,"productRecallNotes":null,"productOtherInfo":null,"backorderETA":"00/00/0000","modifiedDate":"No ETA","userLevel":"ALL","displayPrice":null,"baseProductName":null,"firstVariantCode":null,"firstVariantImage":null,"productMarketType":null,"productNumber":null,"typeStatusCode":null,"productCategory":null,"typeNumber":null,"marketCode":null,"regionCode":null,"otherInformation":null,"productTypeStatus":null,"repairInstruction":null,"repairInstructionStatusDescription":null,"typeStatusDate":null,"serviceLifeDate":null,"manufacturerId":null,"parts":null,"language":null,"glossaries":null,"brand":null,"product":null,"brandCode":null,"recallNotes":null,"volume":null},{"code":"P5140115-65","name":null,"url":"/c//p/P5140115-65","description":"NUT","purchasable":true,"stock":{"stockLevelStatus":{"code":"inStock","type":"StockLevelStatus"},"stockLevel":77,"stockThreshold":null},"futureStocks":null,"availableForPickup":null,"averageRating":null,"numberOfReviews":null,"summary":null,"manufacturer":null,"variantType":null,"price":{"currencyIso":"USD","value":1.16,"priceType":"BUY","formattedValue":"$1.16","minQuantity":null,"maxQuantity":null,"sapUnit":{"code":"pieces","name":"Piece"}},"baseProduct":null,"images":[],"categories":null,"reviews":null,"classifications":null,"potentialPromotions":null,"variantOptions":null,"baseOptions":[],"volumePricesFlag":null,"volumePrices":null,"productReferences":null,"variantMatrix":null,"priceRange":null,"firstCategoryNameList":null,"multidimensional":null,"configurable":false,"configuratorType":null,"addToCartDisabled":null,"addToCartDisabledMessage":null,"tags":null,"sapUnit":null,"keywords":null,"genders":null,"itemtype":"Part","partSubstitute":null,"note":"N/A","recallNote":null,"note1":null,"note2":null,"note3":null,"note4":null,"note5":null,"pdfAllUser":null,"pdfAuthUser":null,"pdfCOSUser":null,"vaiantRelatedPartList":null,"partHotspotList":null,"itemNumber":47,"partRelatedVariantList":null,"bomCode":2,"totalValue":null,"searchImage":null,"length":null,"width":null,"height":null,"unitOfDimension":null,"weight":null,"unitOfWeight":null,"specialRouting":false,"onlineRepair":null,"previousPartID":null,"sbdDiscountPriceValue":{"currencyIso":"USD","value":1.16,"priceType":"BUY","formattedValue":"$1.16","minQuantity":null,"maxQuantity":null,"sapUnit":{"code":"pieces","name":"Piece"}},"alrCode":null,"productRecallFlag":null,"selectedDocumentId":null,"productDescription":null,"pdpImage":null,"ticketId":null,"qtyRequiredPerVariant":"2","isElgibleForRepair":null,"isPowerEligible":null,"productRecallNotes":null,"productOtherInfo":null,"backorderETA":"00/00/0000","modifiedDate":"No ETA","userLevel":"ALL","displayPrice":null,"baseProductName":null,"firstVariantCode":null,"firstVariantImage":null,"productMarketType":null,"productNumber":null,"typeStatusCode":null,"productCategory":null,"typeNumber":null,"marketCode":null,"regionCode":null,"otherInformation":null,"productTypeStatus":null,"repairInstruction":null,"repairInstructionStatusDescription":null,"typeStatusDate":null,"serviceLifeDate":null,"manufacturerId":null,"parts":null,"language":null,"glossaries":null,"brand":null,"product":null,"brandCode":null,"recallNotes":null,"volume":null},{"code":"P5140115-98","name":null,"url":"/c//p/P5140115-98","description":"VALVE","purchasable":false,"stock":{"stockLevelStatus":{"code":"inStock","type":"StockLevelStatus"},"stockLevel":0,"stockThreshold":null},"futureStocks":null,"availableForPickup":null,"averageRating":null,"numberOfReviews":null,"summary":null,"manufacturer":null,"variantType":null,"price":null,"baseProduct":null,"images":[],"categories":null,"reviews":null,"classifications":null,"potentialPromotions":null,"variantOptions":null,"baseOptions":[],"volumePricesFlag":null,"volumePrices":null,"productReferences":null,"variantMatrix":null,"priceRange":null,"firstCategoryNameList":null,"multidimensional":null,"configurable":false,"configuratorType":null,"addToCartDisabled":null,"addToCartDisabledMessage":null,"tags":null,"sapUnit":null,"keywords":null,"genders":null,"itemtype":"Part","partSubstitute":null,"note":"N/A","recallNote":null,"note1":null,"note2":null,"note3":null,"note4":null,"note5":null,"pdfAllUser":null,"pdfAuthUser":null,"pdfCOSUser":null,"vaiantRelatedPartList":null,"partHotspotList":null,"itemNumber":48,"partRelatedVariantList":null,"bomCode":6,"totalValue":null,"searchImage":null,"length":null,"width":null,"height":null,"unitOfDimension":null,"weight":null,"unitOfWeight":null,"specialRouting":false,"onlineRepair":null,"previousPartID":null,"sbdDiscountPriceValue":null,"alrCode":null,"productRecallFlag":null,"selectedDocumentId":null,"productDescription":null,"pdpImage":null,"ticketId":null,"qtyRequiredPerVariant":"1","isElgibleForRepair":null,"isPowerEligible":null,"productRecallNotes":null,"productOtherInfo":null,"backorderETA":"00/00/0000","modifiedDate":"To Be Determined","userLevel":"ALL","displayPrice":null,"baseProductName":null,"firstVariantCode":null,"firstVariantImage":null,"productMarketType":null,"productNumber":null,"typeStatusCode":null,"productCategory":null,"typeNumber":null,"marketCode":null,"regionCode":null,"otherInformation":null,"productTypeStatus":null,"repairInstruction":null,"repairInstructionStatusDescription":null,"typeStatusDate":null,"serviceLifeDate":null,"manufacturerId":null,"parts":null,"language":null,"glossaries":null,"brand":null,"product":null,"brandCode":null,"recallNotes":null,"volume":null},{"code":"P5140115-99","name":null,"url":"/c//p/P5140115-99","description":"BUSHING","purchasable":true,"stock":{"stockLevelStatus":{"code":"inStock","type":"StockLevelStatus"},"stockLevel":12,"stockThreshold":null},"futureStocks":null,"availableForPickup":null,"averageRating":null,"numberOfReviews":null,"summary":null,"manufacturer":null,"variantType":null,"price":{"currencyIso":"USD","value":1.64,"priceType":"BUY","formattedValue":"$1.64","minQuantity":null,"maxQuantity":null,"sapUnit":{"code":"pieces","name":"Piece"}},"baseProduct":null,"images":[],"categories":null,"reviews":null,"classifications":null,"potentialPromotions":null,"variantOptions":null,"baseOptions":[],"volumePricesFlag":null,"volumePrices":null,"productReferences":null,"variantMatrix":null,"priceRange":null,"firstCategoryNameList":null,"multidimensional":null,"configurable":false,"configuratorType":null,"addToCartDisabled":null,"addToCartDisabledMessage":null,"tags":null,"sapUnit":null,"keywords":null,"genders":null,"itemtype":"Part","partSubstitute":null,"note":"N/A","recallNote":null,"note1":null,"note2":null,"note3":null,"note4":null,"note5":null,"pdfAllUser":null,"pdfAuthUser":null,"pdfCOSUser":null,"vaiantRelatedPartList":null,"partHotspotList":null,"itemNumber":49,"partRelatedVariantList":null,"bomCode":2,"totalValue":null,"searchImage":null,"length":null,"width":null,"height":null,"unitOfDimension":null,"weight":null,"unitOfWeight":null,"specialRouting":false,"onlineRepair":null,"previousPartID":null,"sbdDiscountPriceValue":{"currencyIso":"USD","value":1.64,"priceType":"BUY","formattedValue":"$1.64","minQuantity":null,"maxQuantity":null,"sapUnit":{"code":"pieces","name":"Piece"}},"alrCode":null,"productRecallFlag":null,"selectedDocumentId":null,"productDescription":null,"pdpImage":null,"ticketId":null,"qtyRequiredPerVariant":"1","isElgibleForRepair":null,"isPowerEligible":null,"productRecallNotes":null,"productOtherInfo":null,"backorderETA":"00/00/0000","modifiedDate":"No ETA","userLevel":"ALL","displayPrice":null,"baseProductName":null,"firstVariantCode":null,"firstVariantImage":null,"productMarketType":null,"productNumber":null,"typeStatusCode":null,"productCategory":null,"typeNumber":null,"marketCode":null,"regionCode":null,"otherInformation":null,"productTypeStatus":null,"repairInstruction":null,"repairInstructionStatusDescription":null,"typeStatusDate":null,"serviceLifeDate":null,"manufacturerId":null,"parts":null,"language":null,"glossaries":null,"brand":null,"product":null,"brandCode":null,"recallNotes":null,"volume":null},{"code":"P5140116-72","name":null,"url":"/c//p/P5140116-72","description":"SPARK ARRESTER","purchasable":false,"stock":{"stockLevelStatus":{"code":"inStock","type":"StockLevelStatus"},"stockLevel":0,"stockThreshold":null},"futureStocks":null,"availableForPickup":null,"averageRating":null,"numberOfReviews":null,"summary":null,"manufacturer":null,"variantType":null,"price":null,"baseProduct":null,"images":[],"categories":null,"reviews":null,"classifications":null,"potentialPromotions":null,"variantOptions":null,"baseOptions":[],"volumePricesFlag":null,"volumePrices":null,"productReferences":null,"variantMatrix":null,"priceRange":null,"firstCategoryNameList":null,"multidimensional":null,"configurable":false,"configuratorType":null,"addToCartDisabled":null,"addToCartDisabledMessage":null,"tags":null,"sapUnit":null,"keywords":null,"genders":null,"itemtype":"Part","partSubstitute":null,"note":"N/A","recallNote":null,"note1":null,"note2":null,"note3":null,"note4":null,"note5":null,"pdfAllUser":null,"pdfAuthUser":null,"pdfCOSUser":null,"vaiantRelatedPartList":null,"partHotspotList":null,"itemNumber":50,"partRelatedVariantList":null,"bomCode":6,"totalValue":null,"searchImage":null,"length":null,"width":null,"height":null,"unitOfDimension":null,"weight":null,"unitOfWeight":null,"specialRouting":false,"onlineRepair":null,"previousPartID":null,"sbdDiscountPriceValue":null,"alrCode":null,"productRecallFlag":null,"selectedDocumentId":null,"productDescription":null,"pdpImage":null,"ticketId":null,"qtyRequiredPerVariant":"1","isElgibleForRepair":null,"isPowerEligible":null,"productRecallNotes":null,"productOtherInfo":null,"backorderETA":"00/00/0000","modifiedDate":"No ETA","userLevel":"ALL","displayPrice":null,"baseProductName":null,"firstVariantCode":null,"firstVariantImage":null,"productMarketType":null,"productNumber":null,"typeStatusCode":null,"productCategory":null,"typeNumber":null,"marketCode":null,"regionCode":null,"otherInformation":null,"productTypeStatus":null,"repairInstruction":null,"repairInstructionStatusDescription":null,"typeStatusDate":null,"serviceLifeDate":null,"manufacturerId":null,"parts":null,"language":null,"glossaries":null,"brand":null,"product":null,"brandCode":null,"recallNotes":null,"volume":null},{"code":"P5140116-07","name":null,"url":"/c//p/P5140116-07","description":"GROMMET","purchasable":true,"stock":{"stockLevelStatus":{"code":"inStock","type":"StockLevelStatus"},"stockLevel":0,"stockThreshold":null},"futureStocks":null,"availableForPickup":null,"averageRating":null,"numberOfReviews":null,"summary":null,"manufacturer":null,"variantType":null,"price":{"currencyIso":"USD","value":1.88,"priceType":"BUY","formattedValue":"$1.88","minQuantity":null,"maxQuantity":null,"sapUnit":{"code":"pieces","name":"Piece"}},"baseProduct":null,"images":[],"categories":null,"reviews":null,"classifications":null,"potentialPromotions":null,"variantOptions":null,"baseOptions":[],"volumePricesFlag":null,"volumePrices":null,"productReferences":null,"variantMatrix":null,"priceRange":null,"firstCategoryNameList":null,"multidimensional":null,"configurable":false,"configuratorType":null,"addToCartDisabled":null,"addToCartDisabledMessage":null,"tags":null,"sapUnit":null,"keywords":null,"genders":null,"itemtype":"Part","partSubstitute":null,"note":"N/A","recallNote":null,"note1":null,"note2":null,"note3":null,"note4":null,"note5":null,"pdfAllUser":null,"pdfAuthUser":null,"pdfCOSUser":null,"vaiantRelatedPartList":null,"partHotspotList":null,"itemNumber":51,"partRelatedVariantList":null,"bomCode":2,"totalValue":null,"searchImage":null,"length":null,"width":null,"height":null,"unitOfDimension":null,"weight":null,"unitOfWeight":null,"specialRouting":false,"onlineRepair":null,"previousPartID":null,"sbdDiscountPriceValue":{"currencyIso":"USD","value":1.88,"priceType":"BUY","formattedValue":"$1.88","minQuantity":null,"maxQuantity":null,"sapUnit":{"code":"pieces","name":"Piece"}},"alrCode":null,"productRecallFlag":null,"selectedDocumentId":null,"productDescription":null,"pdpImage":null,"ticketId":null,"qtyRequiredPerVariant":"1","isElgibleForRepair":null,"isPowerEligible":null,"productRecallNotes":null,"productOtherInfo":null,"backorderETA":"00/00/0000","modifiedDate":"No ETA","userLevel":"ALL","displayPrice":null,"baseProductName":null,"firstVariantCode":null,"firstVariantImage":null,"productMarketType":null,"productNumber":null,"typeStatusCode":null,"productCategory":null,"typeNumber":null,"marketCode":null,"regionCode":null,"otherInformation":null,"productTypeStatus":null,"repairInstruction":null,"repairInstructionStatusDescription":null,"typeStatusDate":null,"serviceLifeDate":null,"manufacturerId":null,"parts":null,"language":null,"glossaries":null,"brand":null,"product":null,"brandCode":null,"recallNotes":null,"volume":null},{"code":"P5140116-70","name":null,"url":"/c//p/P5140116-70","description":"BRACKET","purchasable":true,"stock":{"stockLevelStatus":{"code":"inStock","type":"StockLevelStatus"},"stockLevel":18,"stockThreshold":null},"futureStocks":null,"availableForPickup":null,"averageRating":null,"numberOfReviews":null,"summary":null,"manufacturer":null,"variantType":null,"price":{"currencyIso":"USD","value":8.22,"priceType":"BUY","formattedValue":"$8.22","minQuantity":null,"maxQuantity":null,"sapUnit":{"code":"pieces","name":"Piece"}},"baseProduct":null,"images":[],"categories":null,"reviews":null,"classifications":null,"potentialPromotions":null,"variantOptions":null,"baseOptions":[],"volumePricesFlag":null,"volumePrices":null,"productReferences":null,"variantMatrix":null,"priceRange":null,"firstCategoryNameList":null,"multidimensional":null,"configurable":false,"configuratorType":null,"addToCartDisabled":null,"addToCartDisabledMessage":null,"tags":null,"sapUnit":null,"keywords":null,"genders":null,"itemtype":"Part","partSubstitute":null,"note":"N/A","recallNote":null,"note1":null,"note2":null,"note3":null,"note4":null,"note5":null,"pdfAllUser":null,"pdfAuthUser":null,"pdfCOSUser":null,"vaiantRelatedPartList":null,"partHotspotList":null,"itemNumber":52,"partRelatedVariantList":null,"bomCode":2,"totalValue":null,"searchImage":null,"length":null,"width":null,"height":null,"unitOfDimension":null,"weight":null,"unitOfWeight":null,"specialRouting":false,"onlineRepair":null,"previousPartID":null,"sbdDiscountPriceValue":{"currencyIso":"USD","value":8.22,"priceType":"BUY","formattedValue":"$8.22","minQuantity":null,"maxQuantity":null,"sapUnit":{"code":"pieces","name":"Piece"}},"alrCode":null,"productRecallFlag":null,"selectedDocumentId":null,"productDescription":null,"pdpImage":null,"ticketId":null,"qtyRequiredPerVariant":"1","isElgibleForRepair":null,"isPowerEligible":null,"productRecallNotes":null,"productOtherInfo":null,"backorderETA":"00/00/0000","modifiedDate":"No ETA","userLevel":"ALL","displayPrice":null,"baseProductName":null,"firstVariantCode":null,"firstVariantImage":null,"productMarketType":null,"productNumber":null,"typeStatusCode":null,"productCategory":null,"typeNumber":null,"marketCode":null,"regionCode":null,"otherInformation":null,"productTypeStatus":null,"repairInstruction":null,"repairInstructionStatusDescription":null,"typeStatusDate":null,"serviceLifeDate":null,"manufacturerId":null,"parts":null,"language":null,"glossaries":null,"brand":null,"product":null,"brandCode":null,"recallNotes":null,"volume":null},{"code":"P5140116-69","name":null,"url":"/c//p/P5140116-69","description":"BOLT","purchasable":true,"stock":{"stockLevelStatus":{"code":"inStock","type":"StockLevelStatus"},"stockLevel":18,"stockThreshold":null},"futureStocks":null,"availableForPickup":null,"averageRating":null,"numberOfReviews":null,"summary":null,"manufacturer":null,"variantType":null,"price":{"currencyIso":"USD","value":1.16,"priceType":"BUY","formattedValue":"$1.16","minQuantity":null,"maxQuantity":null,"sapUnit":{"code":"pieces","name":"Piece"}},"baseProduct":null,"images":[],"categories":null,"reviews":null,"classifications":null,"potentialPromotions":null,"variantOptions":null,"baseOptions":[],"volumePricesFlag":null,"volumePrices":null,"productReferences":null,"variantMatrix":null,"priceRange":null,"firstCategoryNameList":null,"multidimensional":null,"configurable":false,"configuratorType":null,"addToCartDisabled":null,"addToCartDisabledMessage":null,"tags":null,"sapUnit":null,"keywords":null,"genders":null,"itemtype":"Part","partSubstitute":null,"note":"N/A","recallNote":null,"note1":null,"note2":null,"note3":null,"note4":null,"note5":null,"pdfAllUser":null,"pdfAuthUser":null,"pdfCOSUser":null,"vaiantRelatedPartList":null,"partHotspotList":null,"itemNumber":53,"partRelatedVariantList":null,"bomCode":2,"totalValue":null,"searchImage":null,"length":null,"width":null,"height":null,"unitOfDimension":null,"weight":null,"unitOfWeight":null,"specialRouting":false,"onlineRepair":null,"previousPartID":null,"sbdDiscountPriceValue":{"currencyIso":"USD","value":1.16,"priceType":"BUY","formattedValue":"$1.16","minQuantity":null,"maxQuantity":null,"sapUnit":{"code":"pieces","name":"Piece"}},"alrCode":null,"productRecallFlag":null,"selectedDocumentId":null,"productDescription":null,"pdpImage":null,"ticketId":null,"qtyRequiredPerVariant":"2","isElgibleForRepair":null,"isPowerEligible":null,"productRecallNotes":null,"productOtherInfo":null,"backorderETA":"00/00/0000","modifiedDate":"No ETA","userLevel":"ALL","displayPrice":null,"baseProductName":null,"firstVariantCode":null,"firstVariantImage":null,"productMarketType":null,"productNumber":null,"typeStatusCode":null,"productCategory":null,"typeNumber":null,"marketCode":null,"regionCode":null,"otherInformation":null,"productTypeStatus":null,"repairInstruction":null,"repairInstructionStatusDescription":null,"typeStatusDate":null,"serviceLifeDate":null,"manufacturerId":null,"parts":null,"language":null,"glossaries":null,"brand":null,"product":null,"brandCode":null,"recallNotes":null,"volume":null},{"code":"P5140118-61","name":null,"url":"/c//p/P5140118-61","description":"FUEL HOSE","purchasable":true,"stock":{"stockLevelStatus":{"code":"inStock","type":"StockLevelStatus"},"stockLevel":2,"stockThreshold":null},"futureStocks":null,"availableForPickup":null,"averageRating":null,"numberOfReviews":null,"summary":null,"manufacturer":null,"variantType":null,"price":{"currencyIso":"USD","value":3.54,"priceType":"BUY","formattedValue":"$3.54","minQuantity":null,"maxQuantity":null,"sapUnit":{"code":"pieces","name":"Piece"}},"baseProduct":null,"images":[{"imageType":null,"format":"110Wx110H","url":"https://www.toolservicenet.com/i/PARTS/GLOBALBOM/5140118-61/Part_Thumbnail/EN/28214257.277205_thumb.277207.jpg","altText":null,"galleryIndex":null,"width":null,"imageTypeCode":"Image","imageUrl":null,"fileName":null,"imageTypeId":null,"imageDescription":null,"isDeleted":false},{"imageType":null,"format":"3000Wx3000H","url":"https://www.toolservicenet.com/i/PARTS/GLOBALBOM/5140118-61/Part_Image/EN/28214257.277205.jpg","altText":null,"galleryIndex":null,"width":null,"imageTypeCode":"Image","imageUrl":null,"fileName":null,"imageTypeId":null,"imageDescription":null,"isDeleted":false}],"categories":null,"reviews":null,"classifications":null,"potentialPromotions":null,"variantOptions":null,"baseOptions":[],"volumePricesFlag":null,"volumePrices":null,"productReferences":null,"variantMatrix":null,"priceRange":null,"firstCategoryNameList":null,"multidimensional":null,"configurable":false,"configuratorType":null,"addToCartDisabled":null,"addToCartDisabledMessage":null,"tags":null,"sapUnit":null,"keywords":null,"genders":null,"itemtype":"Part","partSubstitute":null,"note":"8MM ID X 21 INCHES","recallNote":null,"note1":null,"note2":null,"note3":null,"note4":null,"note5":null,"pdfAllUser":null,"pdfAuthUser":null,"pdfCOSUser":null,"vaiantRelatedPartList":null,"partHotspotList":null,"itemNumber":54,"partRelatedVariantList":null,"bomCode":2,"totalValue":null,"searchImage":null,"length":null,"width":null,"height":null,"unitOfDimension":null,"weight":null,"unitOfWeight":null,"specialRouting":false,"onlineRepair":null,"previousPartID":null,"sbdDiscountPriceValue":{"currencyIso":"USD","value":3.54,"priceType":"BUY","formattedValue":"$3.54","minQuantity":null,"maxQuantity":null,"sapUnit":{"code":"pieces","name":"Piece"}},"alrCode":null,"productRecallFlag":null,"selectedDocumentId":null,"productDescription":null,"pdpImage":null,"ticketId":null,"qtyRequiredPerVariant":"1","isElgibleForRepair":null,"isPowerEligible":null,"productRecallNotes":null,"productOtherInfo":null,"backorderETA":"00/00/0000","modifiedDate":"No ETA","userLevel":"ALL","displayPrice":null,"baseProductName":null,"firstVariantCode":null,"firstVariantImage":null,"productMarketType":null,"productNumber":null,"typeStatusCode":null,"productCategory":null,"typeNumber":null,"marketCode":null,"regionCode":null,"otherInformation":null,"productTypeStatus":null,"repairInstruction":null,"repairInstructionStatusDescription":null,"typeStatusDate":null,"serviceLifeDate":null,"manufacturerId":null,"parts":null,"language":null,"glossaries":null,"brand":null,"product":null,"brandCode":null,"recallNotes":null,"volume":null},{"code":"P5140116-62","name":null,"url":"/c//p/P5140116-62","description":"CARB CANISTER SHIELD","purchasable":true,"stock":{"stockLevelStatus":{"code":"inStock","type":"StockLevelStatus"},"stockLevel":0,"stockThreshold":null},"futureStocks":null,"availableForPickup":null,"averageRating":null,"numberOfReviews":null,"summary":null,"manufacturer":null,"variantType":null,"price":{"currencyIso":"USD","value":38.35,"priceType":"BUY","formattedValue":"$38.35","minQuantity":null,"maxQuantity":null,"sapUnit":{"code":"pieces","name":"Piece"}},"baseProduct":null,"images":[],"categories":null,"reviews":null,"classifications":null,"potentialPromotions":null,"variantOptions":null,"baseOptions":[],"volumePricesFlag":null,"volumePrices":null,"productReferences":null,"variantMatrix":null,"priceRange":null,"firstCategoryNameList":null,"multidimensional":null,"configurable":false,"configuratorType":null,"addToCartDisabled":null,"addToCartDisabledMessage":null,"tags":null,"sapUnit":null,"keywords":null,"genders":null,"itemtype":"Part","partSubstitute":null,"note":"N/A","recallNote":null,"note1":null,"note2":null,"note3":null,"note4":null,"note5":null,"pdfAllUser":null,"pdfAuthUser":null,"pdfCOSUser":null,"vaiantRelatedPartList":null,"partHotspotList":null,"itemNumber":55,"partRelatedVariantList":null,"bomCode":2,"totalValue":null,"searchImage":null,"length":null,"width":null,"height":null,"unitOfDimension":null,"weight":null,"unitOfWeight":null,"specialRouting":false,"onlineRepair":null,"previousPartID":null,"sbdDiscountPriceValue":{"currencyIso":"USD","value":38.35,"priceType":"BUY","formattedValue":"$38.35","minQuantity":null,"maxQuantity":null,"sapUnit":{"code":"pieces","name":"Piece"}},"alrCode":null,"productRecallFlag":null,"selectedDocumentId":null,"productDescription":null,"pdpImage":null,"ticketId":null,"qtyRequiredPerVariant":"1","isElgibleForRepair":null,"isPowerEligible":null,"productRecallNotes":null,"productOtherInfo":null,"backorderETA":"00/00/0000","modifiedDate":"No ETA","userLevel":"ALL","displayPrice":null,"baseProductName":null,"firstVariantCode":null,"firstVariantImage":null,"productMarketType":null,"productNumber":null,"typeStatusCode":null,"productCategory":null,"typeNumber":null,"marketCode":null,"regionCode":null,"otherInformation":null,"productTypeStatus":null,"repairInstruction":null,"repairInstructionStatusDescription":null,"typeStatusDate":null,"serviceLifeDate":null,"manufacturerId":null,"parts":null,"language":null,"glossaries":null,"brand":null,"product":null,"brandCode":null,"recallNotes":null,"volume":null},{"code":"P5140116-02","name":null,"url":"/c//p/P5140116-02","description":"CARBON CANISTER","purchasable":false,"stock":{"stockLevelStatus":{"code":"inStock","type":"StockLevelStatus"},"stockLevel":0,"stockThreshold":null},"futureStocks":null,"availableForPickup":null,"averageRating":null,"numberOfReviews":null,"summary":null,"manufacturer":null,"variantType":null,"price":null,"baseProduct":null,"images":[{"imageType":null,"format":"3000Wx3000H","url":"https://www.toolservicenet.com/i/PARTS/GLOBALBOM/5140116-02/Part_Image/EN/144480989.269378.jpg","altText":null,"galleryIndex":null,"width":null,"imageTypeCode":"Image","imageUrl":null,"fileName":null,"imageTypeId":null,"imageDescription":null,"isDeleted":false},{"imageType":null,"format":"110Wx110H","url":"https://www.toolservicenet.com/i/PARTS/GLOBALBOM/5140116-02/Part_Thumbnail/EN/144480989.269378_thumb.269379.jpg","altText":null,"galleryIndex":null,"width":null,"imageTypeCode":"Image","imageUrl":null,"fileName":null,"imageTypeId":null,"imageDescription":null,"isDeleted":false}],"categories":null,"reviews":null,"classifications":null,"potentialPromotions":null,"variantOptions":null,"baseOptions":[],"volumePricesFlag":null,"volumePrices":null,"productReferences":null,"variantMatrix":null,"priceRange":null,"firstCategoryNameList":null,"multidimensional":null,"configurable":false,"configuratorType":null,"addToCartDisabled":null,"addToCartDisabledMessage":null,"tags":null,"sapUnit":null,"keywords":null,"genders":null,"itemtype":"Part","partSubstitute":null,"note":"N/A","recallNote":null,"note1":null,"note2":null,"note3":null,"note4":null,"note5":null,"pdfAllUser":null,"pdfAuthUser":null,"pdfCOSUser":null,"vaiantRelatedPartList":null,"partHotspotList":null,"itemNumber":56,"partRelatedVariantList":null,"bomCode":6,"totalValue":null,"searchImage":null,"length":null,"width":null,"height":null,"unitOfDimension":null,"weight":null,"unitOfWeight":null,"specialRouting":false,"onlineRepair":null,"previousPartID":null,"sbdDiscountPriceValue":null,"alrCode":null,"productRecallFlag":null,"selectedDocumentId":null,"productDescription":null,"pdpImage":null,"ticketId":null,"qtyRequiredPerVariant":"1","isElgibleForRepair":null,"isPowerEligible":null,"productRecallNotes":null,"productOtherInfo":null,"backorderETA":"00/00/0000","modifiedDate":"No ETA","userLevel":"ALL","displayPrice":null,"baseProductName":null,"firstVariantCode":null,"firstVariantImage":null,"productMarketType":null,"productNumber":null,"typeStatusCode":null,"productCategory":null,"typeNumber":null,"marketCode":null,"regionCode":null,"otherInformation":null,"productTypeStatus":null,"repairInstruction":null,"repairInstructionStatusDescription":null,"typeStatusDate":null,"serviceLifeDate":null,"manufacturerId":null,"parts":null,"language":null,"glossaries":null,"brand":null,"product":null,"brandCode":null,"recallNotes":null,"volume":null},{"code":"P5140116-08","name":null,"url":"/c//p/P5140116-08","description":"HOSE CLAMP","purchasable":true,"stock":{"stockLevelStatus":{"code":"inStock","type":"StockLevelStatus"},"stockLevel":10,"stockThreshold":null},"futureStocks":null,"availableForPickup":null,"averageRating":null,"numberOfReviews":null,"summary":null,"manufacturer":null,"variantType":null,"price":{"currencyIso":"USD","value":1.16,"priceType":"BUY","formattedValue":"$1.16","minQuantity":null,"maxQuantity":null,"sapUnit":{"code":"pieces","name":"Piece"}},"baseProduct":null,"images":[],"categories":null,"reviews":null,"classifications":null,"potentialPromotions":null,"variantOptions":null,"baseOptions":[],"volumePricesFlag":null,"volumePrices":null,"productReferences":null,"variantMatrix":null,"priceRange":null,"firstCategoryNameList":null,"multidimensional":null,"configurable":false,"configuratorType":null,"addToCartDisabled":null,"addToCartDisabledMessage":null,"tags":null,"sapUnit":null,"keywords":null,"genders":null,"itemtype":"Part","partSubstitute":null,"note":"N/A","recallNote":null,"note1":null,"note2":null,"note3":null,"note4":null,"note5":null,"pdfAllUser":null,"pdfAuthUser":null,"pdfCOSUser":null,"vaiantRelatedPartList":null,"partHotspotList":null,"itemNumber":57,"partRelatedVariantList":null,"bomCode":2,"totalValue":null,"searchImage":null,"length":null,"width":null,"height":null,"unitOfDimension":null,"weight":null,"unitOfWeight":null,"specialRouting":false,"onlineRepair":null,"previousPartID":null,"sbdDiscountPriceValue":{"currencyIso":"USD","value":1.16,"priceType":"BUY","formattedValue":"$1.16","minQuantity":null,"maxQuantity":null,"sapUnit":{"code":"pieces","name":"Piece"}},"alrCode":null,"productRecallFlag":null,"selectedDocumentId":null,"productDescription":null,"pdpImage":null,"ticketId":null,"qtyRequiredPerVariant":"1","isElgibleForRepair":null,"isPowerEligible":null,"productRecallNotes":null,"productOtherInfo":null,"backorderETA":"00/00/0000","modifiedDate":"No ETA","userLevel":"ALL","displayPrice":null,"baseProductName":null,"firstVariantCode":null,"firstVariantImage":null,"productMarketType":null,"productNumber":null,"typeStatusCode":null,"productCategory":null,"typeNumber":null,"marketCode":null,"regionCode":null,"otherInformation":null,"productTypeStatus":null,"repairInstruction":null,"repairInstructionStatusDescription":null,"typeStatusDate":null,"serviceLifeDate":null,"manufacturerId":null,"parts":null,"language":null,"glossaries":null,"brand":null,"product":null,"brandCode":null,"recallNotes":null,"volume":null},{"code":"P5140118-59","name":null,"url":"/c//p/P5140118-59","description":"FUEL HOSE","purchasable":true,"stock":{"stockLevelStatus":{"code":"inStock","type":"StockLevelStatus"},"stockLevel":3,"stockThreshold":null},"futureStocks":null,"availableForPickup":null,"averageRating":null,"numberOfReviews":null,"summary":null,"manufacturer":null,"variantType":null,"price":{"currencyIso":"USD","value":1.62,"priceType":"BUY","formattedValue":"$1.62","minQuantity":null,"maxQuantity":null,"sapUnit":{"code":"pieces","name":"Piece"}},"baseProduct":null,"images":[{"imageType":null,"format":"3000Wx3000H","url":"https://www.toolservicenet.com/i/PARTS/GLOBALBOM/5140118-59/Part_Image/EN/28214253.277198.jpg","altText":null,"galleryIndex":null,"width":null,"imageTypeCode":"Image","imageUrl":null,"fileName":null,"imageTypeId":null,"imageDescription":null,"isDeleted":false},{"imageType":null,"format":"110Wx110H","url":"https://www.toolservicenet.com/i/PARTS/GLOBALBOM/5140118-59/Part_Thumbnail/EN/28214253.277198_thumb.277200.jpg","altText":null,"galleryIndex":null,"width":null,"imageTypeCode":"Image","imageUrl":null,"fileName":null,"imageTypeId":null,"imageDescription":null,"isDeleted":false}],"categories":null,"reviews":null,"classifications":null,"potentialPromotions":null,"variantOptions":null,"baseOptions":[],"volumePricesFlag":null,"volumePrices":null,"productReferences":null,"variantMatrix":null,"priceRange":null,"firstCategoryNameList":null,"multidimensional":null,"configurable":false,"configuratorType":null,"addToCartDisabled":null,"addToCartDisabledMessage":null,"tags":null,"sapUnit":null,"keywords":null,"genders":null,"itemtype":"Part","partSubstitute":null,"note":"45MM ID X 30 INCHES","recallNote":null,"note1":null,"note2":null,"note3":null,"note4":null,"note5":null,"pdfAllUser":null,"pdfAuthUser":null,"pdfCOSUser":null,"vaiantRelatedPartList":null,"partHotspotList":null,"itemNumber":58,"partRelatedVariantList":null,"bomCode":2,"totalValue":null,"searchImage":null,"length":null,"width":null,"height":null,"unitOfDimension":null,"weight":null,"unitOfWeight":null,"specialRouting":false,"onlineRepair":null,"previousPartID":null,"sbdDiscountPriceValue":{"currencyIso":"USD","value":1.62,"priceType":"BUY","formattedValue":"$1.62","minQuantity":null,"maxQuantity":null,"sapUnit":{"code":"pieces","name":"Piece"}},"alrCode":null,"productRecallFlag":null,"selectedDocumentId":null,"productDescription":null,"pdpImage":null,"ticketId":null,"qtyRequiredPerVariant":"1","isElgibleForRepair":null,"isPowerEligible":null,"productRecallNotes":null,"productOtherInfo":null,"backorderETA":"00/00/0000","modifiedDate":"No ETA","userLevel":"ALL","displayPrice":null,"baseProductName":null,"firstVariantCode":null,"firstVariantImage":null,"productMarketType":null,"productNumber":null,"typeStatusCode":null,"productCategory":null,"typeNumber":null,"marketCode":null,"regionCode":null,"otherInformation":null,"productTypeStatus":null,"repairInstruction":null,"repairInstructionStatusDescription":null,"typeStatusDate":null,"serviceLifeDate":null,"manufacturerId":null,"parts":null,"language":null,"glossaries":null,"brand":null,"product":null,"brandCode":null,"recallNotes":null,"volume":null},{"code":"P5140116-48","name":null,"url":"/c//p/P5140116-48","description":"CIRCUIT BREAKER","purchasable":true,"stock":{"stockLevelStatus":{"code":"inStock","type":"StockLevelStatus"},"stockLevel":3,"stockThreshold":null},"futureStocks":null,"availableForPickup":null,"averageRating":null,"numberOfReviews":null,"summary":null,"manufacturer":null,"variantType":null,"price":{"currencyIso":"USD","value":20.02,"priceType":"BUY","formattedValue":"$20.02","minQuantity":null,"maxQuantity":null,"sapUnit":{"code":"pieces","name":"Piece"}},"baseProduct":null,"images":[],"categories":null,"reviews":null,"classifications":null,"potentialPromotions":null,"variantOptions":null,"baseOptions":[],"volumePricesFlag":null,"volumePrices":null,"productReferences":null,"variantMatrix":null,"priceRange":null,"firstCategoryNameList":null,"multidimensional":null,"configurable":false,"configuratorType":null,"addToCartDisabled":null,"addToCartDisabledMessage":null,"tags":null,"sapUnit":null,"keywords":null,"genders":null,"itemtype":"Part","partSubstitute":null,"note":"N/A","recallNote":null,"note1":null,"note2":null,"note3":null,"note4":null,"note5":null,"pdfAllUser":null,"pdfAuthUser":null,"pdfCOSUser":null,"vaiantRelatedPartList":null,"partHotspotList":null,"itemNumber":60,"partRelatedVariantList":null,"bomCode":2,"totalValue":null,"searchImage":null,"length":null,"width":null,"height":null,"unitOfDimension":null,"weight":null,"unitOfWeight":null,"specialRouting":false,"onlineRepair":null,"previousPartID":null,"sbdDiscountPriceValue":{"currencyIso":"USD","value":20.02,"priceType":"BUY","formattedValue":"$20.02","minQuantity":null,"maxQuantity":null,"sapUnit":{"code":"pieces","name":"Piece"}},"alrCode":null,"productRecallFlag":null,"selectedDocumentId":null,"productDescription":null,"pdpImage":null,"ticketId":null,"qtyRequiredPerVariant":"1","isElgibleForRepair":null,"isPowerEligible":null,"productRecallNotes":null,"productOtherInfo":null,"backorderETA":"00/00/0000","modifiedDate":"No ETA","userLevel":"ALL","displayPrice":null,"baseProductName":null,"firstVariantCode":null,"firstVariantImage":null,"productMarketType":null,"productNumber":null,"typeStatusCode":null,"productCategory":null,"typeNumber":null,"marketCode":null,"regionCode":null,"otherInformation":null,"productTypeStatus":null,"repairInstruction":null,"repairInstructionStatusDescription":null,"typeStatusDate":null,"serviceLifeDate":null,"manufacturerId":null,"parts":null,"language":null,"glossaries":null,"brand":null,"product":null,"brandCode":null,"recallNotes":null,"volume":null},{"code":"P5140115-57","name":null,"url":"/c//p/P5140115-57","description":"CIRCUIT BREAKER","purchasable":true,"stock":{"stockLevelStatus":{"code":"inStock","type":"StockLevelStatus"},"stockLevel":30,"stockThreshold":null},"futureStocks":null,"availableForPickup":null,"averageRating":null,"numberOfReviews":null,"summary":null,"manufacturer":null,"variantType":null,"price":{"currencyIso":"USD","value":11.38,"priceType":"BUY","formattedValue":"$11.38","minQuantity":null,"maxQuantity":null,"sapUnit":{"code":"pieces","name":"Piece"}},"baseProduct":null,"images":[{"imageType":null,"format":"110Wx110H","url":"https://www.toolservicenet.com/i/PARTS/GLOBALBOM/5140115-57/Part_Thumbnail/EN/45169778.284549_thumb.284550.jpg","altText":null,"galleryIndex":null,"width":null,"imageTypeCode":"Image","imageUrl":null,"fileName":null,"imageTypeId":null,"imageDescription":null,"isDeleted":false},{"imageType":null,"format":"3000Wx3000H","url":"https://www.toolservicenet.com/i/PARTS/GLOBALBOM/5140115-57/Part_Image/EN/45169778.284549.jpg","altText":null,"galleryIndex":null,"width":null,"imageTypeCode":"Image","imageUrl":null,"fileName":null,"imageTypeId":null,"imageDescription":null,"isDeleted":false}],"categories":null,"reviews":null,"classifications":null,"potentialPromotions":null,"variantOptions":null,"baseOptions":[],"volumePricesFlag":null,"volumePrices":null,"productReferences":null,"variantMatrix":null,"priceRange":null,"firstCategoryNameList":null,"multidimensional":null,"configurable":false,"configuratorType":null,"addToCartDisabled":null,"addToCartDisabledMessage":null,"tags":null,"sapUnit":null,"keywords":null,"genders":null,"itemtype":"Part","partSubstitute":null,"note":"N/A","recallNote":null,"note1":null,"note2":null,"note3":null,"note4":null,"note5":null,"pdfAllUser":null,"pdfAuthUser":null,"pdfCOSUser":null,"vaiantRelatedPartList":null,"partHotspotList":null,"itemNumber":61,"partRelatedVariantList":null,"bomCode":2,"totalValue":null,"searchImage":null,"length":null,"width":null,"height":null,"unitOfDimension":null,"weight":null,"unitOfWeight":null,"specialRouting":false,"onlineRepair":null,"previousPartID":null,"sbdDiscountPriceValue":{"currencyIso":"USD","value":11.38,"priceType":"BUY","formattedValue":"$11.38","minQuantity":null,"maxQuantity":null,"sapUnit":{"code":"pieces","name":"Piece"}},"alrCode":null,"productRecallFlag":null,"selectedDocumentId":null,"productDescription":null,"pdpImage":null,"ticketId":null,"qtyRequiredPerVariant":"2","isElgibleForRepair":null,"isPowerEligible":null,"productRecallNotes":null,"productOtherInfo":null,"backorderETA":"00/00/0000","modifiedDate":"No ETA","userLevel":"ALL","displayPrice":null,"baseProductName":null,"firstVariantCode":null,"firstVariantImage":null,"productMarketType":null,"productNumber":null,"typeStatusCode":null,"productCategory":null,"typeNumber":null,"marketCode":null,"regionCode":null,"otherInformation":null,"productTypeStatus":null,"repairInstruction":null,"repairInstructionStatusDescription":null,"typeStatusDate":null,"serviceLifeDate":null,"manufacturerId":null,"parts":null,"language":null,"glossaries":null,"brand":null,"product":null,"brandCode":null,"recallNotes":null,"volume":null},{"code":"P5140116-89","name":null,"url":"/c//p/P5140116-89","description":"CIRCUIT BREAKER","purchasable":false,"stock":{"stockLevelStatus":{"code":"inStock","type":"StockLevelStatus"},"stockLevel":0,"stockThreshold":null},"futureStocks":null,"availableForPickup":null,"averageRating":null,"numberOfReviews":null,"summary":null,"manufacturer":null,"variantType":null,"price":null,"baseProduct":null,"images":[],"categories":null,"reviews":null,"classifications":null,"potentialPromotions":null,"variantOptions":null,"baseOptions":[],"volumePricesFlag":null,"volumePrices":null,"productReferences":null,"variantMatrix":null,"priceRange":null,"firstCategoryNameList":null,"multidimensional":null,"configurable":false,"configuratorType":null,"addToCartDisabled":null,"addToCartDisabledMessage":null,"tags":null,"sapUnit":null,"keywords":null,"genders":null,"itemtype":"Part","partSubstitute":null,"note":"N/A","recallNote":null,"note1":null,"note2":null,"note3":null,"note4":null,"note5":null,"pdfAllUser":null,"pdfAuthUser":null,"pdfCOSUser":null,"vaiantRelatedPartList":null,"partHotspotList":null,"itemNumber":62,"partRelatedVariantList":null,"bomCode":6,"totalValue":null,"searchImage":null,"length":null,"width":null,"height":null,"unitOfDimension":null,"weight":null,"unitOfWeight":null,"specialRouting":false,"onlineRepair":null,"previousPartID":null,"sbdDiscountPriceValue":null,"alrCode":null,"productRecallFlag":null,"selectedDocumentId":null,"productDescription":null,"pdpImage":null,"ticketId":null,"qtyRequiredPerVariant":"1","isElgibleForRepair":null,"isPowerEligible":null,"productRecallNotes":null,"productOtherInfo":null,"backorderETA":"00/00/0000","modifiedDate":"No ETA","userLevel":"ALL","displayPrice":null,"baseProductName":null,"firstVariantCode":null,"firstVariantImage":null,"productMarketType":null,"productNumber":null,"typeStatusCode":null,"productCategory":null,"typeNumber":null,"marketCode":null,"regionCode":null,"otherInformation":null,"productTypeStatus":null,"repairInstruction":null,"repairInstructionStatusDescription":null,"typeStatusDate":null,"serviceLifeDate":null,"manufacturerId":null,"parts":null,"language":null,"glossaries":null,"brand":null,"product":null,"brandCode":null,"recallNotes":null,"volume":null},{"code":"P5140116-90","name":null,"url":"/c//p/P5140116-90","description":"MOMENTARY SWITCH","purchasable":true,"stock":{"stockLevelStatus":{"code":"inStock","type":"StockLevelStatus"},"stockLevel":4,"stockThreshold":null},"futureStocks":null,"availableForPickup":null,"averageRating":null,"numberOfReviews":null,"summary":null,"manufacturer":null,"variantType":null,"price":{"currencyIso":"USD","value":54.15,"priceType":"BUY","formattedValue":"$54.15","minQuantity":null,"maxQuantity":null,"sapUnit":{"code":"pieces","name":"Piece"}},"baseProduct":null,"images":[],"categories":null,"reviews":null,"classifications":null,"potentialPromotions":null,"variantOptions":null,"baseOptions":[],"volumePricesFlag":null,"volumePrices":null,"productReferences":null,"variantMatrix":null,"priceRange":null,"firstCategoryNameList":null,"multidimensional":null,"configurable":false,"configuratorType":null,"addToCartDisabled":null,"addToCartDisabledMessage":null,"tags":null,"sapUnit":null,"keywords":null,"genders":null,"itemtype":"Part","partSubstitute":null,"note":"N/A","recallNote":null,"note1":null,"note2":null,"note3":null,"note4":null,"note5":null,"pdfAllUser":null,"pdfAuthUser":null,"pdfCOSUser":null,"vaiantRelatedPartList":null,"partHotspotList":null,"itemNumber":63,"partRelatedVariantList":null,"bomCode":2,"totalValue":null,"searchImage":null,"length":null,"width":null,"height":null,"unitOfDimension":null,"weight":null,"unitOfWeight":null,"specialRouting":false,"onlineRepair":null,"previousPartID":null,"sbdDiscountPriceValue":{"currencyIso":"USD","value":54.15,"priceType":"BUY","formattedValue":"$54.15","minQuantity":null,"maxQuantity":null,"sapUnit":{"code":"pieces","name":"Piece"}},"alrCode":null,"productRecallFlag":null,"selectedDocumentId":null,"productDescription":null,"pdpImage":null,"ticketId":null,"qtyRequiredPerVariant":"1","isElgibleForRepair":null,"isPowerEligible":null,"productRecallNotes":null,"productOtherInfo":null,"backorderETA":"00/00/0000","modifiedDate":"No ETA","userLevel":"ALL","displayPrice":null,"baseProductName":null,"firstVariantCode":null,"firstVariantImage":null,"productMarketType":null,"productNumber":null,"typeStatusCode":null,"productCategory":null,"typeNumber":null,"marketCode":null,"regionCode":null,"otherInformation":null,"productTypeStatus":null,"repairInstruction":null,"repairInstructionStatusDescription":null,"typeStatusDate":null,"serviceLifeDate":null,"manufacturerId":null,"parts":null,"language":null,"glossaries":null,"brand":null,"product":null,"brandCode":null,"recallNotes":null,"volume":null},{"code":"P5140115-62","name":null,"url":"/c//p/P5140115-62","description":"ROCKER SWITCH","purchasable":true,"stock":{"stockLevelStatus":{"code":"inStock","type":"StockLevelStatus"},"stockLevel":18,"stockThreshold":null},"futureStocks":null,"availableForPickup":null,"averageRating":null,"numberOfReviews":null,"summary":null,"manufacturer":null,"variantType":null,"price":{"currencyIso":"USD","value":8.34,"priceType":"BUY","formattedValue":"$8.34","minQuantity":null,"maxQuantity":null,"sapUnit":{"code":"pieces","name":"Piece"}},"baseProduct":null,"images":[],"categories":null,"reviews":null,"classifications":null,"potentialPromotions":null,"variantOptions":null,"baseOptions":[],"volumePricesFlag":null,"volumePrices":null,"productReferences":null,"variantMatrix":null,"priceRange":null,"firstCategoryNameList":null,"multidimensional":null,"configurable":false,"configuratorType":null,"addToCartDisabled":null,"addToCartDisabledMessage":null,"tags":null,"sapUnit":null,"keywords":null,"genders":null,"itemtype":"Part","partSubstitute":null,"note":"N/A","recallNote":null,"note1":null,"note2":null,"note3":null,"note4":null,"note5":null,"pdfAllUser":null,"pdfAuthUser":null,"pdfCOSUser":null,"vaiantRelatedPartList":null,"partHotspotList":null,"itemNumber":64,"partRelatedVariantList":null,"bomCode":2,"totalValue":null,"searchImage":null,"length":null,"width":null,"height":null,"unitOfDimension":null,"weight":null,"unitOfWeight":null,"specialRouting":false,"onlineRepair":null,"previousPartID":null,"sbdDiscountPriceValue":{"currencyIso":"USD","value":8.34,"priceType":"BUY","formattedValue":"$8.34","minQuantity":null,"maxQuantity":null,"sapUnit":{"code":"pieces","name":"Piece"}},"alrCode":null,"productRecallFlag":null,"selectedDocumentId":null,"productDescription":null,"pdpImage":null,"ticketId":null,"qtyRequiredPerVariant":"1","isElgibleForRepair":null,"isPowerEligible":null,"productRecallNotes":null,"productOtherInfo":null,"backorderETA":"00/00/0000","modifiedDate":"No ETA","userLevel":"ALL","displayPrice":null,"baseProductName":null,"firstVariantCode":null,"firstVariantImage":null,"productMarketType":null,"productNumber":null,"typeStatusCode":null,"productCategory":null,"typeNumber":null,"marketCode":null,"regionCode":null,"otherInformation":null,"productTypeStatus":null,"repairInstruction":null,"repairInstructionStatusDescription":null,"typeStatusDate":null,"serviceLifeDate":null,"manufacturerId":null,"parts":null,"language":null,"glossaries":null,"brand":null,"product":null,"brandCode":null,"recallNotes":null,"volume":null},{"code":"P5140116-51","name":null,"url":"/c//p/P5140116-51","description":"HOUR METER","purchasable":false,"stock":{"stockLevelStatus":{"code":"inStock","type":"StockLevelStatus"},"stockLevel":0,"stockThreshold":null},"futureStocks":null,"availableForPickup":null,"averageRating":null,"numberOfReviews":null,"summary":null,"manufacturer":null,"variantType":null,"price":null,"baseProduct":null,"images":[],"categories":null,"reviews":null,"classifications":null,"potentialPromotions":null,"variantOptions":null,"baseOptions":[],"volumePricesFlag":null,"volumePrices":null,"productReferences":null,"variantMatrix":null,"priceRange":null,"firstCategoryNameList":null,"multidimensional":null,"configurable":false,"configuratorType":null,"addToCartDisabled":null,"addToCartDisabledMessage":null,"tags":null,"sapUnit":null,"keywords":null,"genders":null,"itemtype":"Part","partSubstitute":null,"note":"N/A","recallNote":null,"note1":null,"note2":null,"note3":null,"note4":null,"note5":null,"pdfAllUser":null,"pdfAuthUser":null,"pdfCOSUser":null,"vaiantRelatedPartList":null,"partHotspotList":null,"itemNumber":65,"partRelatedVariantList":null,"bomCode":6,"totalValue":null,"searchImage":null,"length":null,"width":null,"height":null,"unitOfDimension":null,"weight":null,"unitOfWeight":null,"specialRouting":false,"onlineRepair":null,"previousPartID":null,"sbdDiscountPriceValue":null,"alrCode":null,"productRecallFlag":null,"selectedDocumentId":null,"productDescription":null,"pdpImage":null,"ticketId":null,"qtyRequiredPerVariant":"1","isElgibleForRepair":null,"isPowerEligible":null,"productRecallNotes":null,"productOtherInfo":null,"backorderETA":"00/00/0000","modifiedDate":"No ETA","userLevel":"ALL","displayPrice":null,"baseProductName":null,"firstVariantCode":null,"firstVariantImage":null,"productMarketType":null,"productNumber":null,"typeStatusCode":null,"productCategory":null,"typeNumber":null,"marketCode":null,"regionCode":null,"otherInformation":null,"productTypeStatus":null,"repairInstruction":null,"repairInstructionStatusDescription":null,"typeStatusDate":null,"serviceLifeDate":null,"manufacturerId":null,"parts":null,"language":null,"glossaries":null,"brand":null,"product":null,"brandCode":null,"recallNotes":null,"volume":null},{"code":"P5140116-52","name":null,"url":"/c//p/P5140116-52","description":"ROCKER SWITCH","purchasable":true,"stock":{"stockLevelStatus":{"code":"inStock","type":"StockLevelStatus"},"stockLevel":3,"stockThreshold":null},"futureStocks":null,"availableForPickup":null,"averageRating":null,"numberOfReviews":null,"summary":null,"manufacturer":null,"variantType":null,"price":{"currencyIso":"USD","value":121.29,"priceType":"BUY","formattedValue":"$121.29","minQuantity":null,"maxQuantity":null,"sapUnit":{"code":"pieces","name":"Piece"}},"baseProduct":null,"images":[],"categories":null,"reviews":null,"classifications":null,"potentialPromotions":null,"variantOptions":null,"baseOptions":[],"volumePricesFlag":null,"volumePrices":null,"productReferences":null,"variantMatrix":null,"priceRange":null,"firstCategoryNameList":null,"multidimensional":null,"configurable":false,"configuratorType":null,"addToCartDisabled":null,"addToCartDisabledMessage":null,"tags":null,"sapUnit":null,"keywords":null,"genders":null,"itemtype":"Part","partSubstitute":null,"note":"N/A","recallNote":null,"note1":null,"note2":null,"note3":null,"note4":null,"note5":null,"pdfAllUser":null,"pdfAuthUser":null,"pdfCOSUser":null,"vaiantRelatedPartList":null,"partHotspotList":null,"itemNumber":66,"partRelatedVariantList":null,"bomCode":2,"totalValue":null,"searchImage":null,"length":null,"width":null,"height":null,"unitOfDimension":null,"weight":null,"unitOfWeight":null,"specialRouting":false,"onlineRepair":null,"previousPartID":null,"sbdDiscountPriceValue":{"currencyIso":"USD","value":121.29,"priceType":"BUY","formattedValue":"$121.29","minQuantity":null,"maxQuantity":null,"sapUnit":{"code":"pieces","name":"Piece"}},"alrCode":null,"productRecallFlag":null,"selectedDocumentId":null,"productDescription":null,"pdpImage":null,"ticketId":null,"qtyRequiredPerVariant":"1","isElgibleForRepair":null,"isPowerEligible":null,"productRecallNotes":null,"productOtherInfo":null,"backorderETA":"00/00/0000","modifiedDate":"No ETA","userLevel":"ALL","displayPrice":null,"baseProductName":null,"firstVariantCode":null,"firstVariantImage":null,"productMarketType":null,"productNumber":null,"typeStatusCode":null,"productCategory":null,"typeNumber":null,"marketCode":null,"regionCode":null,"otherInformation":null,"productTypeStatus":null,"repairInstruction":null,"repairInstructionStatusDescription":null,"typeStatusDate":null,"serviceLifeDate":null,"manufacturerId":null,"parts":null,"language":null,"glossaries":null,"brand":null,"product":null,"brandCode":null,"recallNotes":null,"volume":null},{"code":"P5140116-53","name":null,"url":"/c//p/P5140116-53","description":"IDLE CONTROL MODULE","purchasable":true,"stock":{"stockLevelStatus":{"code":"inStock","type":"StockLevelStatus"},"stockLevel":26,"stockThreshold":null},"futureStocks":null,"availableForPickup":null,"averageRating":null,"numberOfReviews":null,"summary":null,"manufacturer":null,"variantType":null,"price":{"currencyIso":"USD","value":52.87,"priceType":"BUY","formattedValue":"$52.87","minQuantity":null,"maxQuantity":null,"sapUnit":{"code":"pieces","name":"Piece"}},"baseProduct":null,"images":[{"imageType":null,"format":"110Wx110H","url":"https://www.toolservicenet.com/i/PARTS/GLOBALBOM/5140116-53/Part_Thumbnail/EN/56862628.284565_thumb.284566.jpg","altText":null,"galleryIndex":null,"width":null,"imageTypeCode":"Image","imageUrl":null,"fileName":null,"imageTypeId":null,"imageDescription":null,"isDeleted":false},{"imageType":null,"format":"3000Wx3000H","url":"https://www.toolservicenet.com/i/PARTS/GLOBALBOM/5140116-53/Part_Image/EN/56862628.284565.jpg","altText":null,"galleryIndex":null,"width":null,"imageTypeCode":"Image","imageUrl":null,"fileName":null,"imageTypeId":null,"imageDescription":null,"isDeleted":false}],"categories":null,"reviews":null,"classifications":null,"potentialPromotions":null,"variantOptions":null,"baseOptions":[],"volumePricesFlag":null,"volumePrices":null,"productReferences":null,"variantMatrix":null,"priceRange":null,"firstCategoryNameList":null,"multidimensional":null,"configurable":false,"configuratorType":null,"addToCartDisabled":null,"addToCartDisabledMessage":null,"tags":null,"sapUnit":null,"keywords":null,"genders":null,"itemtype":"Part","partSubstitute":null,"note":"N/A","recallNote":null,"note1":null,"note2":null,"note3":null,"note4":null,"note5":null,"pdfAllUser":null,"pdfAuthUser":null,"pdfCOSUser":null,"vaiantRelatedPartList":null,"partHotspotList":null,"itemNumber":67,"partRelatedVariantList":null,"bomCode":2,"totalValue":null,"searchImage":null,"length":null,"width":null,"height":null,"unitOfDimension":null,"weight":null,"unitOfWeight":null,"specialRouting":false,"onlineRepair":null,"previousPartID":null,"sbdDiscountPriceValue":{"currencyIso":"USD","value":52.87,"priceType":"BUY","formattedValue":"$52.87","minQuantity":null,"maxQuantity":null,"sapUnit":{"code":"pieces","name":"Piece"}},"alrCode":null,"productRecallFlag":null,"selectedDocumentId":null,"productDescription":null,"pdpImage":null,"ticketId":null,"qtyRequiredPerVariant":"1","isElgibleForRepair":null,"isPowerEligible":null,"productRecallNotes":null,"productOtherInfo":null,"backorderETA":"00/00/0000","modifiedDate":"No ETA","userLevel":"ALL","displayPrice":null,"baseProductName":null,"firstVariantCode":null,"firstVariantImage":null,"productMarketType":null,"productNumber":null,"typeStatusCode":null,"productCategory":null,"typeNumber":null,"marketCode":null,"regionCode":null,"otherInformation":null,"productTypeStatus":null,"repairInstruction":null,"repairInstructionStatusDescription":null,"typeStatusDate":null,"serviceLifeDate":null,"manufacturerId":null,"parts":null,"language":null,"glossaries":null,"brand":null,"product":null,"brandCode":null,"recallNotes":null,"volume":null},{"code":"P5140116-54","name":null,"url":"/c//p/P5140116-54","description":"PANEL CONNECTOR","purchasable":false,"stock":{"stockLevelStatus":{"code":"inStock","type":"StockLevelStatus"},"stockLevel":0,"stockThreshold":null},"futureStocks":null,"availableForPickup":null,"averageRating":null,"numberOfReviews":null,"summary":null,"manufacturer":null,"variantType":null,"price":null,"baseProduct":null,"images":[],"categories":null,"reviews":null,"classifications":null,"potentialPromotions":null,"variantOptions":null,"baseOptions":[],"volumePricesFlag":null,"volumePrices":null,"productReferences":null,"variantMatrix":null,"priceRange":null,"firstCategoryNameList":null,"multidimensional":null,"configurable":false,"configuratorType":null,"addToCartDisabled":null,"addToCartDisabledMessage":null,"tags":null,"sapUnit":null,"keywords":null,"genders":null,"itemtype":"Part","partSubstitute":null,"note":"N/A","recallNote":null,"note1":null,"note2":null,"note3":null,"note4":null,"note5":null,"pdfAllUser":null,"pdfAuthUser":null,"pdfCOSUser":null,"vaiantRelatedPartList":null,"partHotspotList":null,"itemNumber":68,"partRelatedVariantList":null,"bomCode":6,"totalValue":null,"searchImage":null,"length":null,"width":null,"height":null,"unitOfDimension":null,"weight":null,"unitOfWeight":null,"specialRouting":false,"onlineRepair":null,"previousPartID":null,"sbdDiscountPriceValue":null,"alrCode":null,"productRecallFlag":null,"selectedDocumentId":null,"productDescription":null,"pdpImage":null,"ticketId":null,"qtyRequiredPerVariant":"1","isElgibleForRepair":null,"isPowerEligible":null,"productRecallNotes":null,"productOtherInfo":null,"backorderETA":"00/00/0000","modifiedDate":"No ETA","userLevel":"ALL","displayPrice":null,"baseProductName":null,"firstVariantCode":null,"firstVariantImage":null,"productMarketType":null,"productNumber":null,"typeStatusCode":null,"productCategory":null,"typeNumber":null,"marketCode":null,"regionCode":null,"otherInformation":null,"productTypeStatus":null,"repairInstruction":null,"repairInstructionStatusDescription":null,"typeStatusDate":null,"serviceLifeDate":null,"manufacturerId":null,"parts":null,"language":null,"glossaries":null,"brand":null,"product":null,"brandCode":null,"recallNotes":null,"volume":null},{"code":"P5140116-55","name":null,"url":"/c//p/P5140116-55","description":"STRAIN RELIEF","purchasable":true,"stock":{"stockLevelStatus":{"code":"inStock","type":"StockLevelStatus"},"stockLevel":0,"stockThreshold":null},"futureStocks":null,"availableForPickup":null,"averageRating":null,"numberOfReviews":null,"summary":null,"manufacturer":null,"variantType":null,"price":{"currencyIso":"USD","value":2.66,"priceType":"BUY","formattedValue":"$2.66","minQuantity":null,"maxQuantity":null,"sapUnit":{"code":"pieces","name":"Piece"}},"baseProduct":null,"images":[],"categories":null,"reviews":null,"classifications":null,"potentialPromotions":null,"variantOptions":null,"baseOptions":[],"volumePricesFlag":null,"volumePrices":null,"productReferences":null,"variantMatrix":null,"priceRange":null,"firstCategoryNameList":null,"multidimensional":null,"configurable":false,"configuratorType":null,"addToCartDisabled":null,"addToCartDisabledMessage":null,"tags":null,"sapUnit":null,"keywords":null,"genders":null,"itemtype":"Part","partSubstitute":null,"note":"N/A","recallNote":null,"note1":null,"note2":null,"note3":null,"note4":null,"note5":null,"pdfAllUser":null,"pdfAuthUser":null,"pdfCOSUser":null,"vaiantRelatedPartList":null,"partHotspotList":null,"itemNumber":69,"partRelatedVariantList":null,"bomCode":2,"totalValue":null,"searchImage":null,"length":null,"width":null,"height":null,"unitOfDimension":null,"weight":null,"unitOfWeight":null,"specialRouting":false,"onlineRepair":null,"previousPartID":null,"sbdDiscountPriceValue":{"currencyIso":"USD","value":2.66,"priceType":"BUY","formattedValue":"$2.66","minQuantity":null,"maxQuantity":null,"sapUnit":{"code":"pieces","name":"Piece"}},"alrCode":null,"productRecallFlag":null,"selectedDocumentId":null,"productDescription":null,"pdpImage":null,"ticketId":null,"qtyRequiredPerVariant":"1","isElgibleForRepair":null,"isPowerEligible":null,"productRecallNotes":null,"productOtherInfo":null,"backorderETA":"00/00/0000","modifiedDate":"No ETA","userLevel":"ALL","displayPrice":null,"baseProductName":null,"firstVariantCode":null,"firstVariantImage":null,"productMarketType":null,"productNumber":null,"typeStatusCode":null,"productCategory":null,"typeNumber":null,"marketCode":null,"regionCode":null,"otherInformation":null,"productTypeStatus":null,"repairInstruction":null,"repairInstructionStatusDescription":null,"typeStatusDate":null,"serviceLifeDate":null,"manufacturerId":null,"parts":null,"language":null,"glossaries":null,"brand":null,"product":null,"brandCode":null,"recallNotes":null,"volume":null},{"code":"P5140208-84","name":null,"url":"/c//p/P5140208-84","description":"COVER","purchasable":false,"stock":{"stockLevelStatus":{"code":"inStock","type":"StockLevelStatus"},"stockLevel":0,"stockThreshold":null},"futureStocks":null,"availableForPickup":null,"averageRating":null,"numberOfReviews":null,"summary":null,"manufacturer":null,"variantType":null,"price":null,"baseProduct":null,"images":[],"categories":null,"reviews":null,"classifications":null,"potentialPromotions":null,"variantOptions":null,"baseOptions":[],"volumePricesFlag":null,"volumePrices":null,"productReferences":null,"variantMatrix":null,"priceRange":null,"firstCategoryNameList":null,"multidimensional":null,"configurable":false,"configuratorType":null,"addToCartDisabled":null,"addToCartDisabledMessage":null,"tags":null,"sapUnit":null,"keywords":null,"genders":null,"itemtype":"Part","partSubstitute":null,"note":"N/A","recallNote":null,"note1":null,"note2":null,"note3":null,"note4":null,"note5":null,"pdfAllUser":null,"pdfAuthUser":null,"pdfCOSUser":null,"vaiantRelatedPartList":null,"partHotspotList":null,"itemNumber":70,"partRelatedVariantList":null,"bomCode":6,"totalValue":null,"searchImage":null,"length":null,"width":null,"height":null,"unitOfDimension":null,"weight":null,"unitOfWeight":null,"specialRouting":false,"onlineRepair":null,"previousPartID":null,"sbdDiscountPriceValue":null,"alrCode":null,"productRecallFlag":null,"selectedDocumentId":null,"productDescription":null,"pdpImage":null,"ticketId":null,"qtyRequiredPerVariant":"2","isElgibleForRepair":null,"isPowerEligible":null,"productRecallNotes":null,"productOtherInfo":null,"backorderETA":"00/00/0000","modifiedDate":"No ETA","userLevel":"ALL","displayPrice":null,"baseProductName":null,"firstVariantCode":null,"firstVariantImage":null,"productMarketType":null,"productNumber":null,"typeStatusCode":null,"productCategory":null,"typeNumber":null,"marketCode":null,"regionCode":null,"otherInformation":null,"productTypeStatus":null,"repairInstruction":null,"repairInstructionStatusDescription":null,"typeStatusDate":null,"serviceLifeDate":null,"manufacturerId":null,"parts":null,"language":null,"glossaries":null,"brand":null,"product":null,"brandCode":null,"recallNotes":null,"volume":null},{"code":"P5140115-53","name":null,"url":"/c//p/P5140115-53","description":"RECEPTACLE COVER","purchasable":false,"stock":{"stockLevelStatus":{"code":"inStock","type":"StockLevelStatus"},"stockLevel":0,"stockThreshold":null},"futureStocks":null,"availableForPickup":null,"averageRating":null,"numberOfReviews":null,"summary":null,"manufacturer":null,"variantType":null,"price":null,"baseProduct":null,"images":[],"categories":null,"reviews":null,"classifications":null,"potentialPromotions":null,"variantOptions":null,"baseOptions":[],"volumePricesFlag":null,"volumePrices":null,"productReferences":null,"variantMatrix":null,"priceRange":null,"firstCategoryNameList":null,"multidimensional":null,"configurable":false,"configuratorType":null,"addToCartDisabled":null,"addToCartDisabledMessage":null,"tags":null,"sapUnit":null,"keywords":null,"genders":null,"itemtype":"Part","partSubstitute":null,"note":"N/A","recallNote":null,"note1":null,"note2":null,"note3":null,"note4":null,"note5":null,"pdfAllUser":null,"pdfAuthUser":null,"pdfCOSUser":null,"vaiantRelatedPartList":null,"partHotspotList":null,"itemNumber":71,"partRelatedVariantList":null,"bomCode":6,"totalValue":null,"searchImage":null,"length":null,"width":null,"height":null,"unitOfDimension":null,"weight":null,"unitOfWeight":null,"specialRouting":false,"onlineRepair":null,"previousPartID":null,"sbdDiscountPriceValue":null,"alrCode":null,"productRecallFlag":null,"selectedDocumentId":null,"productDescription":null,"pdpImage":null,"ticketId":null,"qtyRequiredPerVariant":"2","isElgibleForRepair":null,"isPowerEligible":null,"productRecallNotes":null,"productOtherInfo":null,"backorderETA":"00/00/0000","modifiedDate":"No ETA","userLevel":"ALL","displayPrice":null,"baseProductName":null,"firstVariantCode":null,"firstVariantImage":null,"productMarketType":null,"productNumber":null,"typeStatusCode":null,"productCategory":null,"typeNumber":null,"marketCode":null,"regionCode":null,"otherInformation":null,"productTypeStatus":null,"repairInstruction":null,"repairInstructionStatusDescription":null,"typeStatusDate":null,"serviceLifeDate":null,"manufacturerId":null,"parts":null,"language":null,"glossaries":null,"brand":null,"product":null,"brandCode":null,"recallNotes":null,"volume":null},{"code":"P5140116-92","name":null,"url":"/c//p/P5140116-92","description":"FUEL FILTER","purchasable":true,"stock":{"stockLevelStatus":{"code":"inStock","type":"StockLevelStatus"},"stockLevel":37,"stockThreshold":null},"futureStocks":null,"availableForPickup":null,"averageRating":null,"numberOfReviews":null,"summary":null,"manufacturer":null,"variantType":null,"price":{"currencyIso":"USD","value":12.61,"priceType":"BUY","formattedValue":"$12.61","minQuantity":null,"maxQuantity":null,"sapUnit":{"code":"pieces","name":"Piece"}},"baseProduct":null,"images":[],"categories":null,"reviews":null,"classifications":null,"potentialPromotions":null,"variantOptions":null,"baseOptions":[],"volumePricesFlag":null,"volumePrices":null,"productReferences":null,"variantMatrix":null,"priceRange":null,"firstCategoryNameList":null,"multidimensional":null,"configurable":false,"configuratorType":null,"addToCartDisabled":null,"addToCartDisabledMessage":null,"tags":null,"sapUnit":null,"keywords":null,"genders":null,"itemtype":"Part","partSubstitute":null,"note":"N/A","recallNote":null,"note1":null,"note2":null,"note3":null,"note4":null,"note5":null,"pdfAllUser":null,"pdfAuthUser":null,"pdfCOSUser":null,"vaiantRelatedPartList":null,"partHotspotList":null,"itemNumber":72,"partRelatedVariantList":null,"bomCode":2,"totalValue":null,"searchImage":null,"length":null,"width":null,"height":null,"unitOfDimension":null,"weight":null,"unitOfWeight":null,"specialRouting":false,"onlineRepair":null,"previousPartID":null,"sbdDiscountPriceValue":{"currencyIso":"USD","value":12.61,"priceType":"BUY","formattedValue":"$12.61","minQuantity":null,"maxQuantity":null,"sapUnit":{"code":"pieces","name":"Piece"}},"alrCode":null,"productRecallFlag":null,"selectedDocumentId":null,"productDescription":null,"pdpImage":null,"ticketId":null,"qtyRequiredPerVariant":"1","isElgibleForRepair":null,"isPowerEligible":null,"productRecallNotes":null,"productOtherInfo":null,"backorderETA":"00/00/0000","modifiedDate":"No ETA","userLevel":"ALL","displayPrice":null,"baseProductName":null,"firstVariantCode":null,"firstVariantImage":null,"productMarketType":null,"productNumber":null,"typeStatusCode":null,"productCategory":null,"typeNumber":null,"marketCode":null,"regionCode":null,"otherInformation":null,"productTypeStatus":null,"repairInstruction":null,"repairInstructionStatusDescription":null,"typeStatusDate":null,"serviceLifeDate":null,"manufacturerId":null,"parts":null,"language":null,"glossaries":null,"brand":null,"product":null,"brandCode":null,"recallNotes":null,"volume":null},{"code":"P5140208-81","name":null,"url":"/c//p/P5140208-81","description":"CONNECTOR","purchasable":false,"stock":{"stockLevelStatus":{"code":"inStock","type":"StockLevelStatus"},"stockLevel":0,"stockThreshold":null},"futureStocks":null,"availableForPickup":null,"averageRating":null,"numberOfReviews":null,"summary":null,"manufacturer":null,"variantType":null,"price":null,"baseProduct":null,"images":[],"categories":null,"reviews":null,"classifications":null,"potentialPromotions":null,"variantOptions":null,"baseOptions":[],"volumePricesFlag":null,"volumePrices":null,"productReferences":null,"variantMatrix":null,"priceRange":null,"firstCategoryNameList":null,"multidimensional":null,"configurable":false,"configuratorType":null,"addToCartDisabled":null,"addToCartDisabledMessage":null,"tags":null,"sapUnit":null,"keywords":null,"genders":null,"itemtype":"Part","partSubstitute":null,"note":"N/A","recallNote":null,"note1":null,"note2":null,"note3":null,"note4":null,"note5":null,"pdfAllUser":null,"pdfAuthUser":null,"pdfCOSUser":null,"vaiantRelatedPartList":null,"partHotspotList":null,"itemNumber":73,"partRelatedVariantList":null,"bomCode":6,"totalValue":null,"searchImage":null,"length":null,"width":null,"height":null,"unitOfDimension":null,"weight":null,"unitOfWeight":null,"specialRouting":false,"onlineRepair":null,"previousPartID":null,"sbdDiscountPriceValue":null,"alrCode":null,"productRecallFlag":null,"selectedDocumentId":null,"productDescription":null,"pdpImage":null,"ticketId":null,"qtyRequiredPerVariant":"1","isElgibleForRepair":null,"isPowerEligible":null,"productRecallNotes":null,"productOtherInfo":null,"backorderETA":"00/00/0000","modifiedDate":"No ETA","userLevel":"ALL","displayPrice":null,"baseProductName":null,"firstVariantCode":null,"firstVariantImage":null,"productMarketType":null,"productNumber":null,"typeStatusCode":null,"productCategory":null,"typeNumber":null,"marketCode":null,"regionCode":null,"otherInformation":null,"productTypeStatus":null,"repairInstruction":null,"repairInstructionStatusDescription":null,"typeStatusDate":null,"serviceLifeDate":null,"manufacturerId":null,"parts":null,"language":null,"glossaries":null,"brand":null,"product":null,"brandCode":null,"recallNotes":null,"volume":null},{"code":"P5140115-88","name":null,"url":"/c//p/P5140115-88","description":"FUEL VALVE","purchasable":true,"stock":{"stockLevelStatus":{"code":"inStock","type":"StockLevelStatus"},"stockLevel":7,"stockThreshold":null},"futureStocks":null,"availableForPickup":null,"averageRating":null,"numberOfReviews":null,"summary":null,"manufacturer":null,"variantType":null,"price":{"currencyIso":"USD","value":8.65,"priceType":"BUY","formattedValue":"$8.65","minQuantity":null,"maxQuantity":null,"sapUnit":{"code":"pieces","name":"Piece"}},"baseProduct":null,"images":[{"imageType":null,"format":"3000Wx3000H","url":"https://www.toolservicenet.com/i/PARTS/GLOBALBOM/5140115-88/Part_Image/EN/28214258.277208.jpg","altText":null,"galleryIndex":null,"width":null,"imageTypeCode":"Image","imageUrl":null,"fileName":null,"imageTypeId":null,"imageDescription":null,"isDeleted":false},{"imageType":null,"format":"110Wx110H","url":"https://www.toolservicenet.com/i/PARTS/GLOBALBOM/5140115-88/Part_Thumbnail/EN/28214258.277208_thumb.277210.jpg","altText":null,"galleryIndex":null,"width":null,"imageTypeCode":"Image","imageUrl":null,"fileName":null,"imageTypeId":null,"imageDescription":null,"isDeleted":false}],"categories":null,"reviews":null,"classifications":null,"potentialPromotions":null,"variantOptions":null,"baseOptions":[],"volumePricesFlag":null,"volumePrices":null,"productReferences":null,"variantMatrix":null,"priceRange":null,"firstCategoryNameList":null,"multidimensional":null,"configurable":false,"configuratorType":null,"addToCartDisabled":null,"addToCartDisabledMessage":null,"tags":null,"sapUnit":null,"keywords":null,"genders":null,"itemtype":"Part","partSubstitute":null,"note":"N/A","recallNote":null,"note1":null,"note2":null,"note3":null,"note4":null,"note5":null,"pdfAllUser":null,"pdfAuthUser":null,"pdfCOSUser":null,"vaiantRelatedPartList":null,"partHotspotList":null,"itemNumber":74,"partRelatedVariantList":null,"bomCode":2,"totalValue":null,"searchImage":null,"length":null,"width":null,"height":null,"unitOfDimension":null,"weight":null,"unitOfWeight":null,"specialRouting":false,"onlineRepair":null,"previousPartID":null,"sbdDiscountPriceValue":{"currencyIso":"USD","value":8.65,"priceType":"BUY","formattedValue":"$8.65","minQuantity":null,"maxQuantity":null,"sapUnit":{"code":"pieces","name":"Piece"}},"alrCode":null,"productRecallFlag":null,"selectedDocumentId":null,"productDescription":null,"pdpImage":null,"ticketId":null,"qtyRequiredPerVariant":"1","isElgibleForRepair":null,"isPowerEligible":null,"productRecallNotes":null,"productOtherInfo":null,"backorderETA":"00/00/0000","modifiedDate":"No ETA","userLevel":"ALL","displayPrice":null,"baseProductName":null,"firstVariantCode":null,"firstVariantImage":null,"productMarketType":null,"productNumber":null,"typeStatusCode":null,"productCategory":null,"typeNumber":null,"marketCode":null,"regionCode":null,"otherInformation":null,"productTypeStatus":null,"repairInstruction":null,"repairInstructionStatusDescription":null,"typeStatusDate":null,"serviceLifeDate":null,"manufacturerId":null,"parts":null,"language":null,"glossaries":null,"brand":null,"product":null,"brandCode":null,"recallNotes":null,"volume":null},{"code":"P5140118-60","name":null,"url":"/c//p/P5140118-60","description":"FUEL HOSE","purchasable":true,"stock":{"stockLevelStatus":{"code":"inStock","type":"StockLevelStatus"},"stockLevel":2,"stockThreshold":null},"futureStocks":null,"availableForPickup":null,"averageRating":null,"numberOfReviews":null,"summary":null,"manufacturer":null,"variantType":null,"price":{"currencyIso":"USD","value":5.42,"priceType":"BUY","formattedValue":"$5.42","minQuantity":null,"maxQuantity":null,"sapUnit":{"code":"pieces","name":"Piece"}},"baseProduct":null,"images":[{"imageType":null,"format":"3000Wx3000H","url":"https://www.toolservicenet.com/i/PARTS/GLOBALBOM/5140118-60/Part_Image/EN/28214256.277202.jpg","altText":null,"galleryIndex":null,"width":null,"imageTypeCode":"Image","imageUrl":null,"fileName":null,"imageTypeId":null,"imageDescription":null,"isDeleted":false},{"imageType":null,"format":"110Wx110H","url":"https://www.toolservicenet.com/i/PARTS/GLOBALBOM/5140118-60/Part_Thumbnail/EN/28214256.277202_thumb.277203.jpg","altText":null,"galleryIndex":null,"width":null,"imageTypeCode":"Image","imageUrl":null,"fileName":null,"imageTypeId":null,"imageDescription":null,"isDeleted":false}],"categories":null,"reviews":null,"classifications":null,"potentialPromotions":null,"variantOptions":null,"baseOptions":[],"volumePricesFlag":null,"volumePrices":null,"productReferences":null,"variantMatrix":null,"priceRange":null,"firstCategoryNameList":null,"multidimensional":null,"configurable":false,"configuratorType":null,"addToCartDisabled":null,"addToCartDisabledMessage":null,"tags":null,"sapUnit":null,"keywords":null,"genders":null,"itemtype":"Part","partSubstitute":null,"note":"14 ID X 24IN","recallNote":null,"note1":null,"note2":null,"note3":null,"note4":null,"note5":null,"pdfAllUser":null,"pdfAuthUser":null,"pdfCOSUser":null,"vaiantRelatedPartList":null,"partHotspotList":null,"itemNumber":75,"partRelatedVariantList":null,"bomCode":2,"totalValue":null,"searchImage":null,"length":null,"width":null,"height":null,"unitOfDimension":null,"weight":null,"unitOfWeight":null,"specialRouting":false,"onlineRepair":null,"previousPartID":null,"sbdDiscountPriceValue":{"currencyIso":"USD","value":5.42,"priceType":"BUY","formattedValue":"$5.42","minQuantity":null,"maxQuantity":null,"sapUnit":{"code":"pieces","name":"Piece"}},"alrCode":null,"productRecallFlag":null,"selectedDocumentId":null,"productDescription":null,"pdpImage":null,"ticketId":null,"qtyRequiredPerVariant":"1","isElgibleForRepair":null,"isPowerEligible":null,"productRecallNotes":null,"productOtherInfo":null,"backorderETA":"00/00/0000","modifiedDate":"No ETA","userLevel":"ALL","displayPrice":null,"baseProductName":null,"firstVariantCode":null,"firstVariantImage":null,"productMarketType":null,"productNumber":null,"typeStatusCode":null,"productCategory":null,"typeNumber":null,"marketCode":null,"regionCode":null,"otherInformation":null,"productTypeStatus":null,"repairInstruction":null,"repairInstructionStatusDescription":null,"typeStatusDate":null,"serviceLifeDate":null,"manufacturerId":null,"parts":null,"language":null,"glossaries":null,"brand":null,"product":null,"brandCode":null,"recallNotes":null,"volume":null},{"code":"P5140115-91","name":null,"url":"/c//p/P5140115-91","description":"HOSE CONNECTOR","purchasable":true,"stock":{"stockLevelStatus":{"code":"inStock","type":"StockLevelStatus"},"stockLevel":26,"stockThreshold":null},"futureStocks":null,"availableForPickup":null,"averageRating":null,"numberOfReviews":null,"summary":null,"manufacturer":null,"variantType":null,"price":{"currencyIso":"USD","value":1.16,"priceType":"BUY","formattedValue":"$1.16","minQuantity":null,"maxQuantity":null,"sapUnit":{"code":"pieces","name":"Piece"}},"baseProduct":null,"images":[{"imageType":null,"format":"110Wx110H","url":"https://www.toolservicenet.com/i/PARTS/GLOBALBOM/5140115-91/Part_Thumbnail/EN/28214259.277211_thumb.277213.jpg","altText":null,"galleryIndex":null,"width":null,"imageTypeCode":"Image","imageUrl":null,"fileName":null,"imageTypeId":null,"imageDescription":null,"isDeleted":false},{"imageType":null,"format":"3000Wx3000H","url":"https://www.toolservicenet.com/i/PARTS/GLOBALBOM/5140115-91/Part_Image/EN/28214259.277211.jpg","altText":null,"galleryIndex":null,"width":null,"imageTypeCode":"Image","imageUrl":null,"fileName":null,"imageTypeId":null,"imageDescription":null,"isDeleted":false}],"categories":null,"reviews":null,"classifications":null,"potentialPromotions":null,"variantOptions":null,"baseOptions":[],"volumePricesFlag":null,"volumePrices":null,"productReferences":null,"variantMatrix":null,"priceRange":null,"firstCategoryNameList":null,"multidimensional":null,"configurable":false,"configuratorType":null,"addToCartDisabled":null,"addToCartDisabledMessage":null,"tags":null,"sapUnit":null,"keywords":null,"genders":null,"itemtype":"Part","partSubstitute":null,"note":"N/A","recallNote":null,"note1":null,"note2":null,"note3":null,"note4":null,"note5":null,"pdfAllUser":null,"pdfAuthUser":null,"pdfCOSUser":null,"vaiantRelatedPartList":null,"partHotspotList":null,"itemNumber":76,"partRelatedVariantList":null,"bomCode":2,"totalValue":null,"searchImage":null,"length":null,"width":null,"height":null,"unitOfDimension":null,"weight":null,"unitOfWeight":null,"specialRouting":false,"onlineRepair":null,"previousPartID":null,"sbdDiscountPriceValue":{"currencyIso":"USD","value":1.16,"priceType":"BUY","formattedValue":"$1.16","minQuantity":null,"maxQuantity":null,"sapUnit":{"code":"pieces","name":"Piece"}},"alrCode":null,"productRecallFlag":null,"selectedDocumentId":null,"productDescription":null,"pdpImage":null,"ticketId":null,"qtyRequiredPerVariant":"6","isElgibleForRepair":null,"isPowerEligible":null,"productRecallNotes":null,"productOtherInfo":null,"backorderETA":"00/00/0000","modifiedDate":"No ETA","userLevel":"ALL","displayPrice":null,"baseProductName":null,"firstVariantCode":null,"firstVariantImage":null,"productMarketType":null,"productNumber":null,"typeStatusCode":null,"productCategory":null,"typeNumber":null,"marketCode":null,"regionCode":null,"otherInformation":null,"productTypeStatus":null,"repairInstruction":null,"repairInstructionStatusDescription":null,"typeStatusDate":null,"serviceLifeDate":null,"manufacturerId":null,"parts":null,"language":null,"glossaries":null,"brand":null,"product":null,"brandCode":null,"recallNotes":null,"volume":null},{"code":"P5140115-55","name":null,"url":"/c//p/P5140115-55","description":"GROMMET","purchasable":true,"stock":{"stockLevelStatus":{"code":"inStock","type":"StockLevelStatus"},"stockLevel":20,"stockThreshold":null},"futureStocks":null,"availableForPickup":null,"averageRating":null,"numberOfReviews":null,"summary":null,"manufacturer":null,"variantType":null,"price":{"currencyIso":"USD","value":19.31,"priceType":"BUY","formattedValue":"$19.31","minQuantity":null,"maxQuantity":null,"sapUnit":{"code":"pieces","name":"Piece"}},"baseProduct":null,"images":[],"categories":null,"reviews":null,"classifications":null,"potentialPromotions":null,"variantOptions":null,"baseOptions":[],"volumePricesFlag":null,"volumePrices":null,"productReferences":null,"variantMatrix":null,"priceRange":null,"firstCategoryNameList":null,"multidimensional":null,"configurable":false,"configuratorType":null,"addToCartDisabled":null,"addToCartDisabledMessage":null,"tags":null,"sapUnit":null,"keywords":null,"genders":null,"itemtype":"Part","partSubstitute":null,"note":"N/A","recallNote":null,"note1":null,"note2":null,"note3":null,"note4":null,"note5":null,"pdfAllUser":null,"pdfAuthUser":null,"pdfCOSUser":null,"vaiantRelatedPartList":null,"partHotspotList":null,"itemNumber":77,"partRelatedVariantList":null,"bomCode":2,"totalValue":null,"searchImage":null,"length":null,"width":null,"height":null,"unitOfDimension":null,"weight":null,"unitOfWeight":null,"specialRouting":false,"onlineRepair":null,"previousPartID":null,"sbdDiscountPriceValue":{"currencyIso":"USD","value":19.31,"priceType":"BUY","formattedValue":"$19.31","minQuantity":null,"maxQuantity":null,"sapUnit":{"code":"pieces","name":"Piece"}},"alrCode":null,"productRecallFlag":null,"selectedDocumentId":null,"productDescription":null,"pdpImage":null,"ticketId":null,"qtyRequiredPerVariant":"4","isElgibleForRepair":null,"isPowerEligible":null,"productRecallNotes":null,"productOtherInfo":null,"backorderETA":"00/00/0000","modifiedDate":"No ETA","userLevel":"ALL","displayPrice":null,"baseProductName":null,"firstVariantCode":null,"firstVariantImage":null,"productMarketType":null,"productNumber":null,"typeStatusCode":null,"productCategory":null,"typeNumber":null,"marketCode":null,"regionCode":null,"otherInformation":null,"productTypeStatus":null,"repairInstruction":null,"repairInstructionStatusDescription":null,"typeStatusDate":null,"serviceLifeDate":null,"manufacturerId":null,"parts":null,"language":null,"glossaries":null,"brand":null,"product":null,"brandCode":null,"recallNotes":null,"volume":null},{"code":"P5140115-96","name":null,"url":"/c//p/P5140115-96","description":"FUEL GAUGE","purchasable":true,"stock":{"stockLevelStatus":{"code":"inStock","type":"StockLevelStatus"},"stockLevel":3,"stockThreshold":null},"futureStocks":null,"availableForPickup":null,"averageRating":null,"numberOfReviews":null,"summary":null,"manufacturer":null,"variantType":null,"price":{"currencyIso":"USD","value":39.66,"priceType":"BUY","formattedValue":"$39.66","minQuantity":null,"maxQuantity":null,"sapUnit":{"code":"pieces","name":"Piece"}},"baseProduct":null,"images":[],"categories":null,"reviews":null,"classifications":null,"potentialPromotions":null,"variantOptions":null,"baseOptions":[],"volumePricesFlag":null,"volumePrices":null,"productReferences":null,"variantMatrix":null,"priceRange":null,"firstCategoryNameList":null,"multidimensional":null,"configurable":false,"configuratorType":null,"addToCartDisabled":null,"addToCartDisabledMessage":null,"tags":null,"sapUnit":null,"keywords":null,"genders":null,"itemtype":"Part","partSubstitute":null,"note":"N/A","recallNote":null,"note1":null,"note2":null,"note3":null,"note4":null,"note5":null,"pdfAllUser":null,"pdfAuthUser":null,"pdfCOSUser":null,"vaiantRelatedPartList":null,"partHotspotList":null,"itemNumber":79,"partRelatedVariantList":null,"bomCode":2,"totalValue":null,"searchImage":null,"length":null,"width":null,"height":null,"unitOfDimension":null,"weight":null,"unitOfWeight":null,"specialRouting":false,"onlineRepair":null,"previousPartID":null,"sbdDiscountPriceValue":{"currencyIso":"USD","value":39.66,"priceType":"BUY","formattedValue":"$39.66","minQuantity":null,"maxQuantity":null,"sapUnit":{"code":"pieces","name":"Piece"}},"alrCode":null,"productRecallFlag":null,"selectedDocumentId":null,"productDescription":null,"pdpImage":null,"ticketId":null,"qtyRequiredPerVariant":"1","isElgibleForRepair":null,"isPowerEligible":null,"productRecallNotes":null,"productOtherInfo":null,"backorderETA":"00/00/0000","modifiedDate":"No ETA","userLevel":"ALL","displayPrice":null,"baseProductName":null,"firstVariantCode":null,"firstVariantImage":null,"productMarketType":null,"productNumber":null,"typeStatusCode":null,"productCategory":null,"typeNumber":null,"marketCode":null,"regionCode":null,"otherInformation":null,"productTypeStatus":null,"repairInstruction":null,"repairInstructionStatusDescription":null,"typeStatusDate":null,"serviceLifeDate":null,"manufacturerId":null,"parts":null,"language":null,"glossaries":null,"brand":null,"product":null,"brandCode":null,"recallNotes":null,"volume":null},{"code":"P5140115-48","name":null,"url":"/c//p/P5140115-48","description":"FUEL FILTER","purchasable":false,"stock":{"stockLevelStatus":{"code":"inStock","type":"StockLevelStatus"},"stockLevel":0,"stockThreshold":null},"futureStocks":null,"availableForPickup":null,"averageRating":null,"numberOfReviews":null,"summary":null,"manufacturer":null,"variantType":null,"price":null,"baseProduct":null,"images":[{"imageType":null,"format":"3000Wx3000H","url":"https://www.toolservicenet.com/i/PARTS/GLOBALBOM/5140115-48/Part_Image/EN/46334100.284539.jpg","altText":null,"galleryIndex":null,"width":null,"imageTypeCode":"Image","imageUrl":null,"fileName":null,"imageTypeId":null,"imageDescription":null,"isDeleted":false},{"imageType":null,"format":"110Wx110H","url":"https://www.toolservicenet.com/i/PARTS/GLOBALBOM/5140115-48/Part_Thumbnail/EN/46334100.284539_thumb.284540.jpg","altText":null,"galleryIndex":null,"width":null,"imageTypeCode":"Image","imageUrl":null,"fileName":null,"imageTypeId":null,"imageDescription":null,"isDeleted":false}],"categories":null,"reviews":null,"classifications":null,"potentialPromotions":null,"variantOptions":null,"baseOptions":[],"volumePricesFlag":null,"volumePrices":null,"productReferences":null,"variantMatrix":null,"priceRange":null,"firstCategoryNameList":null,"multidimensional":null,"configurable":false,"configuratorType":null,"addToCartDisabled":null,"addToCartDisabledMessage":null,"tags":null,"sapUnit":null,"keywords":null,"genders":null,"itemtype":"Part","partSubstitute":null,"note":"N/A","recallNote":null,"note1":null,"note2":null,"note3":null,"note4":null,"note5":null,"pdfAllUser":null,"pdfAuthUser":null,"pdfCOSUser":null,"vaiantRelatedPartList":null,"partHotspotList":null,"itemNumber":80,"partRelatedVariantList":null,"bomCode":6,"totalValue":null,"searchImage":null,"length":null,"width":null,"height":null,"unitOfDimension":null,"weight":null,"unitOfWeight":null,"specialRouting":false,"onlineRepair":null,"previousPartID":null,"sbdDiscountPriceValue":null,"alrCode":null,"productRecallFlag":null,"selectedDocumentId":null,"productDescription":null,"pdpImage":null,"ticketId":null,"qtyRequiredPerVariant":"1","isElgibleForRepair":null,"isPowerEligible":null,"productRecallNotes":null,"productOtherInfo":null,"backorderETA":"00/00/0000","modifiedDate":"No ETA","userLevel":"ALL","displayPrice":null,"baseProductName":null,"firstVariantCode":null,"firstVariantImage":null,"productMarketType":null,"productNumber":null,"typeStatusCode":null,"productCategory":null,"typeNumber":null,"marketCode":null,"regionCode":null,"otherInformation":null,"productTypeStatus":null,"repairInstruction":null,"repairInstructionStatusDescription":null,"typeStatusDate":null,"serviceLifeDate":null,"manufacturerId":null,"parts":null,"language":null,"glossaries":null,"brand":null,"product":null,"brandCode":null,"recallNotes":null,"volume":null},{"code":"P5140115-49","name":null,"url":"/c//p/P5140115-49","description":"INSERT","purchasable":true,"stock":{"stockLevelStatus":{"code":"inStock","type":"StockLevelStatus"},"stockLevel":0,"stockThreshold":null},"futureStocks":null,"availableForPickup":null,"averageRating":null,"numberOfReviews":null,"summary":null,"manufacturer":null,"variantType":null,"price":{"currencyIso":"USD","value":1.16,"priceType":"BUY","formattedValue":"$1.16","minQuantity":null,"maxQuantity":null,"sapUnit":{"code":"pieces","name":"Piece"}},"baseProduct":null,"images":[],"categories":null,"reviews":null,"classifications":null,"potentialPromotions":null,"variantOptions":null,"baseOptions":[],"volumePricesFlag":null,"volumePrices":null,"productReferences":null,"variantMatrix":null,"priceRange":null,"firstCategoryNameList":null,"multidimensional":null,"configurable":false,"configuratorType":null,"addToCartDisabled":null,"addToCartDisabledMessage":null,"tags":null,"sapUnit":null,"keywords":null,"genders":null,"itemtype":"Part","partSubstitute":null,"note":"N/A","recallNote":null,"note1":null,"note2":null,"note3":null,"note4":null,"note5":null,"pdfAllUser":null,"pdfAuthUser":null,"pdfCOSUser":null,"vaiantRelatedPartList":null,"partHotspotList":null,"itemNumber":81,"partRelatedVariantList":null,"bomCode":2,"totalValue":null,"searchImage":null,"length":null,"width":null,"height":null,"unitOfDimension":null,"weight":null,"unitOfWeight":null,"specialRouting":false,"onlineRepair":null,"previousPartID":null,"sbdDiscountPriceValue":{"currencyIso":"USD","value":1.16,"priceType":"BUY","formattedValue":"$1.16","minQuantity":null,"maxQuantity":null,"sapUnit":{"code":"pieces","name":"Piece"}},"alrCode":null,"productRecallFlag":null,"selectedDocumentId":null,"productDescription":null,"pdpImage":null,"ticketId":null,"qtyRequiredPerVariant":"4","isElgibleForRepair":null,"isPowerEligible":null,"productRecallNotes":null,"productOtherInfo":null,"backorderETA":"00/00/0000","modifiedDate":"No ETA","userLevel":"ALL","displayPrice":null,"baseProductName":null,"firstVariantCode":null,"firstVariantImage":null,"productMarketType":null,"productNumber":null,"typeStatusCode":null,"productCategory":null,"typeNumber":null,"marketCode":null,"regionCode":null,"otherInformation":null,"productTypeStatus":null,"repairInstruction":null,"repairInstructionStatusDescription":null,"typeStatusDate":null,"serviceLifeDate":null,"manufacturerId":null,"parts":null,"language":null,"glossaries":null,"brand":null,"product":null,"brandCode":null,"recallNotes":null,"volume":null},{"code":"P5140115-50","name":null,"url":"/c//p/P5140115-50","description":"FUEL GAUGE DEAL","purchasable":true,"stock":{"stockLevelStatus":{"code":"inStock","type":"StockLevelStatus"},"stockLevel":0,"stockThreshold":null},"futureStocks":null,"availableForPickup":null,"averageRating":null,"numberOfReviews":null,"summary":null,"manufacturer":null,"variantType":null,"price":{"currencyIso":"USD","value":2.51,"priceType":"BUY","formattedValue":"$2.51","minQuantity":null,"maxQuantity":null,"sapUnit":{"code":"pieces","name":"Piece"}},"baseProduct":null,"images":[],"categories":null,"reviews":null,"classifications":null,"potentialPromotions":null,"variantOptions":null,"baseOptions":[],"volumePricesFlag":null,"volumePrices":null,"productReferences":null,"variantMatrix":null,"priceRange":null,"firstCategoryNameList":null,"multidimensional":null,"configurable":false,"configuratorType":null,"addToCartDisabled":null,"addToCartDisabledMessage":null,"tags":null,"sapUnit":null,"keywords":null,"genders":null,"itemtype":"Part","partSubstitute":null,"note":"N/A","recallNote":null,"note1":null,"note2":null,"note3":null,"note4":null,"note5":null,"pdfAllUser":null,"pdfAuthUser":null,"pdfCOSUser":null,"vaiantRelatedPartList":null,"partHotspotList":null,"itemNumber":82,"partRelatedVariantList":null,"bomCode":2,"totalValue":null,"searchImage":null,"length":null,"width":null,"height":null,"unitOfDimension":null,"weight":null,"unitOfWeight":null,"specialRouting":false,"onlineRepair":null,"previousPartID":null,"sbdDiscountPriceValue":{"currencyIso":"USD","value":2.51,"priceType":"BUY","formattedValue":"$2.51","minQuantity":null,"maxQuantity":null,"sapUnit":{"code":"pieces","name":"Piece"}},"alrCode":null,"productRecallFlag":null,"selectedDocumentId":null,"productDescription":null,"pdpImage":null,"ticketId":null,"qtyRequiredPerVariant":"1","isElgibleForRepair":null,"isPowerEligible":null,"productRecallNotes":null,"productOtherInfo":null,"backorderETA":"00/00/0000","modifiedDate":"No ETA","userLevel":"ALL","displayPrice":null,"baseProductName":null,"firstVariantCode":null,"firstVariantImage":null,"productMarketType":null,"productNumber":null,"typeStatusCode":null,"productCategory":null,"typeNumber":null,"marketCode":null,"regionCode":null,"otherInformation":null,"productTypeStatus":null,"repairInstruction":null,"repairInstructionStatusDescription":null,"typeStatusDate":null,"serviceLifeDate":null,"manufacturerId":null,"parts":null,"language":null,"glossaries":null,"brand":null,"product":null,"brandCode":null,"recallNotes":null,"volume":null},{"code":"P5140116-60","name":null,"url":"/c//p/P5140116-60","description":"FUEL CAP","purchasable":true,"stock":{"stockLevelStatus":{"code":"inStock","type":"StockLevelStatus"},"stockLevel":2,"stockThreshold":null},"futureStocks":null,"availableForPickup":null,"averageRating":null,"numberOfReviews":null,"summary":null,"manufacturer":null,"variantType":null,"price":{"currencyIso":"USD","value":15.06,"priceType":"BUY","formattedValue":"$15.06","minQuantity":null,"maxQuantity":null,"sapUnit":{"code":"pieces","name":"Piece"}},"baseProduct":null,"images":[],"categories":null,"reviews":null,"classifications":null,"potentialPromotions":null,"variantOptions":null,"baseOptions":[],"volumePricesFlag":null,"volumePrices":null,"productReferences":null,"variantMatrix":null,"priceRange":null,"firstCategoryNameList":null,"multidimensional":null,"configurable":false,"configuratorType":null,"addToCartDisabled":null,"addToCartDisabledMessage":null,"tags":null,"sapUnit":null,"keywords":null,"genders":null,"itemtype":"Part","partSubstitute":null,"note":"N/A","recallNote":null,"note1":null,"note2":null,"note3":null,"note4":null,"note5":null,"pdfAllUser":null,"pdfAuthUser":null,"pdfCOSUser":null,"vaiantRelatedPartList":null,"partHotspotList":null,"itemNumber":83,"partRelatedVariantList":null,"bomCode":2,"totalValue":null,"searchImage":null,"length":null,"width":null,"height":null,"unitOfDimension":null,"weight":null,"unitOfWeight":null,"specialRouting":false,"onlineRepair":null,"previousPartID":null,"sbdDiscountPriceValue":{"currencyIso":"USD","value":15.06,"priceType":"BUY","formattedValue":"$15.06","minQuantity":null,"maxQuantity":null,"sapUnit":{"code":"pieces","name":"Piece"}},"alrCode":null,"productRecallFlag":null,"selectedDocumentId":null,"productDescription":null,"pdpImage":null,"ticketId":null,"qtyRequiredPerVariant":"1","isElgibleForRepair":null,"isPowerEligible":null,"productRecallNotes":null,"productOtherInfo":null,"backorderETA":"00/00/0000","modifiedDate":"No ETA","userLevel":"ALL","displayPrice":null,"baseProductName":null,"firstVariantCode":null,"firstVariantImage":null,"productMarketType":null,"productNumber":null,"typeStatusCode":null,"productCategory":null,"typeNumber":null,"marketCode":null,"regionCode":null,"otherInformation":null,"productTypeStatus":null,"repairInstruction":null,"repairInstructionStatusDescription":null,"typeStatusDate":null,"serviceLifeDate":null,"manufacturerId":null,"parts":null,"language":null,"glossaries":null,"brand":null,"product":null,"brandCode":null,"recallNotes":null,"volume":null},{"code":"P5140116-60","name":null,"url":"/c//p/P5140116-60","description":"FUEL CAP","purchasable":true,"stock":{"stockLevelStatus":{"code":"inStock","type":"StockLevelStatus"},"stockLevel":2,"stockThreshold":null},"futureStocks":null,"availableForPickup":null,"averageRating":null,"numberOfReviews":null,"summary":null,"manufacturer":null,"variantType":null,"price":{"currencyIso":"USD","value":15.06,"priceType":"BUY","formattedValue":"$15.06","minQuantity":null,"maxQuantity":null,"sapUnit":{"code":"pieces","name":"Piece"}},"baseProduct":null,"images":[],"categories":null,"reviews":null,"classifications":null,"potentialPromotions":null,"variantOptions":null,"baseOptions":[],"volumePricesFlag":null,"volumePrices":null,"productReferences":null,"variantMatrix":null,"priceRange":null,"firstCategoryNameList":null,"multidimensional":null,"configurable":false,"configuratorType":null,"addToCartDisabled":null,"addToCartDisabledMessage":null,"tags":null,"sapUnit":null,"keywords":null,"genders":null,"itemtype":"Part","partSubstitute":null,"note":"N/A","recallNote":null,"note1":null,"note2":null,"note3":null,"note4":null,"note5":null,"pdfAllUser":null,"pdfAuthUser":null,"pdfCOSUser":null,"vaiantRelatedPartList":null,"partHotspotList":null,"itemNumber":83,"partRelatedVariantList":null,"bomCode":2,"totalValue":null,"searchImage":null,"length":null,"width":null,"height":null,"unitOfDimension":null,"weight":null,"unitOfWeight":null,"specialRouting":false,"onlineRepair":null,"previousPartID":null,"sbdDiscountPriceValue":{"currencyIso":"USD","value":15.06,"priceType":"BUY","formattedValue":"$15.06","minQuantity":null,"maxQuantity":null,"sapUnit":{"code":"pieces","name":"Piece"}},"alrCode":null,"productRecallFlag":null,"selectedDocumentId":null,"productDescription":null,"pdpImage":null,"ticketId":null,"qtyRequiredPerVariant":"1","isElgibleForRepair":null,"isPowerEligible":null,"productRecallNotes":null,"productOtherInfo":null,"backorderETA":"00/00/0000","modifiedDate":"No ETA","userLevel":"ALL","displayPrice":null,"baseProductName":null,"firstVariantCode":null,"firstVariantImage":null,"productMarketType":null,"productNumber":null,"typeStatusCode":null,"productCategory":null,"typeNumber":null,"marketCode":null,"regionCode":null,"otherInformation":null,"productTypeStatus":null,"repairInstruction":null,"repairInstructionStatusDescription":null,"typeStatusDate":null,"serviceLifeDate":null,"manufacturerId":null,"parts":null,"language":null,"glossaries":null,"brand":null,"product":null,"brandCode":null,"recallNotes":null,"volume":null},{"code":"P5140133-29","name":null,"url":"/c//p/P5140133-29","description":"RECEPTACLE","purchasable":true,"stock":{"stockLevelStatus":{"code":"inStock","type":"StockLevelStatus"},"stockLevel":5,"stockThreshold":null},"futureStocks":null,"availableForPickup":null,"averageRating":null,"numberOfReviews":null,"summary":null,"manufacturer":null,"variantType":null,"price":{"currencyIso":"USD","value":42.35,"priceType":"BUY","formattedValue":"$42.35","minQuantity":null,"maxQuantity":null,"sapUnit":{"code":"pieces","name":"Piece"}},"baseProduct":null,"images":[],"categories":null,"reviews":null,"classifications":null,"potentialPromotions":null,"variantOptions":null,"baseOptions":[],"volumePricesFlag":null,"volumePrices":null,"productReferences":null,"variantMatrix":null,"priceRange":null,"firstCategoryNameList":null,"multidimensional":null,"configurable":false,"configuratorType":null,"addToCartDisabled":null,"addToCartDisabledMessage":null,"tags":null,"sapUnit":null,"keywords":null,"genders":null,"itemtype":"Part","partSubstitute":null,"note":"N/A","recallNote":null,"note1":null,"note2":null,"note3":null,"note4":null,"note5":null,"pdfAllUser":null,"pdfAuthUser":null,"pdfCOSUser":null,"vaiantRelatedPartList":null,"partHotspotList":null,"itemNumber":null,"partRelatedVariantList":null,"bomCode":2,"totalValue":null,"searchImage":null,"length":null,"width":null,"height":null,"unitOfDimension":null,"weight":null,"unitOfWeight":null,"specialRouting":false,"onlineRepair":null,"previousPartID":null,"sbdDiscountPriceValue":{"currencyIso":"USD","value":42.35,"priceType":"BUY","formattedValue":"$42.35","minQuantity":null,"maxQuantity":null,"sapUnit":{"code":"pieces","name":"Piece"}},"alrCode":null,"productRecallFlag":null,"selectedDocumentId":null,"productDescription":null,"pdpImage":null,"ticketId":null,"qtyRequiredPerVariant":"2","isElgibleForRepair":null,"isPowerEligible":null,"productRecallNotes":null,"productOtherInfo":null,"backorderETA":"00/00/0000","modifiedDate":"No ETA","userLevel":"ALL","displayPrice":null,"baseProductName":null,"firstVariantCode":null,"firstVariantImage":null,"productMarketType":null,"productNumber":null,"typeStatusCode":null,"productCategory":null,"typeNumber":null,"marketCode":null,"regionCode":null,"otherInformation":null,"productTypeStatus":null,"repairInstruction":null,"repairInstructionStatusDescription":null,"typeStatusDate":null,"serviceLifeDate":null,"manufacturerId":null,"parts":null,"language":null,"glossaries":null,"brand":null,"product":null,"brandCode":null,"recallNotes":null,"volume":null},{"code":"P5140133-68","name":null,"url":"/c//p/P5140133-68","description":"CAPACITOR","purchasable":true,"stock":{"stockLevelStatus":{"code":"inStock","type":"StockLevelStatus"},"stockLevel":3,"stockThreshold":null},"futureStocks":null,"availableForPickup":null,"averageRating":null,"numberOfReviews":null,"summary":null,"manufacturer":null,"variantType":null,"price":{"currencyIso":"USD","value":48.18,"priceType":"BUY","formattedValue":"$48.18","minQuantity":null,"maxQuantity":null,"sapUnit":{"code":"pieces","name":"Piece"}},"baseProduct":null,"images":[{"imageType":null,"format":"110Wx110H","url":"https://www.toolservicenet.com/i/PARTS/GLOBALBOM/5140133-68/Part_Thumbnail/EN/26970984.276916_thumb.276917.jpg","altText":null,"galleryIndex":null,"width":null,"imageTypeCode":"Image","imageUrl":null,"fileName":null,"imageTypeId":null,"imageDescription":null,"isDeleted":false},{"imageType":null,"format":"3000Wx3000H","url":"https://www.toolservicenet.com/i/PARTS/GLOBALBOM/5140133-68/Part_Image/EN/26970984.276916.jpg","altText":null,"galleryIndex":null,"width":null,"imageTypeCode":"Image","imageUrl":null,"fileName":null,"imageTypeId":null,"imageDescription":null,"isDeleted":false}],"categories":null,"reviews":null,"classifications":null,"potentialPromotions":null,"variantOptions":null,"baseOptions":[],"volumePricesFlag":null,"volumePrices":null,"productReferences":null,"variantMatrix":null,"priceRange":null,"firstCategoryNameList":null,"multidimensional":null,"configurable":false,"configuratorType":null,"addToCartDisabled":null,"addToCartDisabledMessage":null,"tags":null,"sapUnit":null,"keywords":null,"genders":null,"itemtype":"Part","partSubstitute":null,"note":"N/A","recallNote":null,"note1":null,"note2":null,"note3":null,"note4":null,"note5":null,"pdfAllUser":null,"pdfAuthUser":null,"pdfCOSUser":null,"vaiantRelatedPartList":null,"partHotspotList":null,"itemNumber":null,"partRelatedVariantList":null,"bomCode":2,"totalValue":null,"searchImage":null,"length":null,"width":null,"height":null,"unitOfDimension":null,"weight":null,"unitOfWeight":null,"specialRouting":false,"onlineRepair":null,"previousPartID":null,"sbdDiscountPriceValue":{"currencyIso":"USD","value":48.18,"priceType":"BUY","formattedValue":"$48.18","minQuantity":null,"maxQuantity":null,"sapUnit":{"code":"pieces","name":"Piece"}},"alrCode":null,"productRecallFlag":null,"selectedDocumentId":null,"productDescription":null,"pdpImage":null,"ticketId":null,"qtyRequiredPerVariant":"1","isElgibleForRepair":null,"isPowerEligible":null,"productRecallNotes":null,"productOtherInfo":null,"backorderETA":"00/00/0000","modifiedDate":"No ETA","userLevel":"ALL","displayPrice":null,"baseProductName":null,"firstVariantCode":null,"firstVariantImage":null,"productMarketType":null,"productNumber":null,"typeStatusCode":null,"productCategory":null,"typeNumber":null,"marketCode":null,"regionCode":null,"otherInformation":null,"productTypeStatus":null,"repairInstruction":null,"repairInstructionStatusDescription":null,"typeStatusDate":null,"serviceLifeDate":null,"manufacturerId":null,"parts":null,"language":null,"glossaries":null,"brand":null,"product":null,"brandCode":null,"recallNotes":null,"volume":null}],"partHotspotList":[{"id":null,"itemNumber":"1","partcode":"P5140116-83","hotspotLeft":70.1529,"hotspotTop":84.66730000000001,"hotspotBottom":0.0,"hotspotRight":0.0},{"id":null,"itemNumber":"2","partcode":"P5140116-84","hotspotLeft":25.1554,"hotspotTop":38.0139,"hotspotBottom":0.0,"hotspotRight":0.0},{"id":null,"itemNumber":"3","partcode":"P5140115-46","hotspotLeft":82.4434,"hotspotTop":60.2713,"hotspotBottom":0.0,"hotspotRight":0.0},{"id":null,"itemNumber":"3","partcode":"P5140115-46","hotspotLeft":22.1082,"hotspotTop":56.2317,"hotspotBottom":0.0,"hotspotRight":0.0},{"id":null,"itemNumber":"4","partcode":"P5140115-19","hotspotLeft":40.29,"hotspotTop":97.57820000000001,"hotspotBottom":0.0,"hotspotRight":0.0},{"id":null,"itemNumber":"5","partcode":"P5140116-85","hotspotLeft":22.1082,"hotspotTop":28.1129,"hotspotBottom":0.0,"hotspotRight":0.0},{"id":null,"itemNumber":"5","partcode":"P5140116-85","hotspotLeft":10.935,"hotspotTop":46.4099,"hotspotBottom":0.0,"hotspotRight":0.0},{"id":null,"itemNumber":"6","partcode":"P5140115-45","hotspotLeft":22.2098,"hotspotTop":31.4396,"hotspotBottom":0.0,"hotspotRight":0.0},{"id":null,"itemNumber":"6","partcode":"P5140115-45","hotspotLeft":10.7318,"hotspotTop":49.815799999999996,"hotspotBottom":0.0,"hotspotRight":0.0},{"id":null,"itemNumber":"7","partcode":"P5140115-47","hotspotLeft":39.2743,"hotspotTop":37.617799999999995,"hotspotBottom":0.0,"hotspotRight":0.0},{"id":null,"itemNumber":"8","partcode":"P5140115-37","hotspotLeft":22.1082,"hotspotTop":34.8455,"hotspotBottom":0.0,"hotspotRight":0.0},{"id":null,"itemNumber":"9","partcode":"P5140208-74","hotspotLeft":39.8837,"hotspotTop":34.2911,"hotspotBottom":0.0,"hotspotRight":0.0},{"id":null,"itemNumber":"9","partcode":"P5140116-40","hotspotLeft":39.8837,"hotspotTop":34.2911,"hotspotBottom":0.0,"hotspotRight":0.0},{"id":null,"itemNumber":"9","partcode":"P5140208-74","hotspotLeft":59.6907,"hotspotTop":59.3208,"hotspotBottom":0.0,"hotspotRight":0.0},{"id":null,"itemNumber":"9","partcode":"P5140116-40","hotspotLeft":59.6907,"hotspotTop":59.3208,"hotspotBottom":0.0,"hotspotRight":0.0},{"id":null,"itemNumber":"10","partcode":"P5140189-69","hotspotLeft":90.5693,"hotspotTop":31.5188,"hotspotBottom":0.0,"hotspotRight":0.0},{"id":null,"itemNumber":"11","partcode":"P5140116-42","hotspotLeft":95.9528,"hotspotTop":43.004,"hotspotBottom":0.0,"hotspotRight":0.0},{"id":null,"itemNumber":"12","partcode":"P5140208-72","hotspotLeft":51.9711,"hotspotTop":53.1426,"hotspotBottom":0.0,"hotspotRight":0.0},{"id":null,"itemNumber":"13","partcode":"P5140188-19","hotspotLeft":82.4434,"hotspotTop":50.3703,"hotspotBottom":0.0,"hotspotRight":0.0},{"id":null,"itemNumber":"14","partcode":"P5140116-44","hotspotLeft":55.1199,"hotspotTop":59.3208,"hotspotBottom":0.0,"hotspotRight":0.0},{"id":null,"itemNumber":"15","partcode":"P5140116-45","hotspotLeft":82.3418,"hotspotTop":64.3901,"hotspotBottom":0.0,"hotspotRight":0.0},{"id":null,"itemNumber":"16","partcode":"P5140116-46","hotspotLeft":11.0366,"hotspotTop":52.9842,"hotspotBottom":0.0,"hotspotRight":0.0},{"id":null,"itemNumber":"16","partcode":"P5140116-46","hotspotLeft":59.5891,"hotspotTop":62.9644,"hotspotBottom":0.0,"hotspotRight":0.0},{"id":null,"itemNumber":"17","partcode":"P5140115-77","hotspotLeft":82.4434,"hotspotTop":67.796,"hotspotBottom":0.0,"hotspotRight":0.0},{"id":null,"itemNumber":"18","partcode":"P5140115-41","hotspotLeft":82.5449,"hotspotTop":57.0238,"hotspotBottom":0.0,"hotspotRight":0.0},{"id":null,"itemNumber":"19","partcode":"P5140116-88","hotspotLeft":57.8624,"hotspotTop":90.3703,"hotspotBottom":0.0,"hotspotRight":0.0},{"id":null,"itemNumber":"20","partcode":"P5140116-56","hotspotLeft":67.7151,"hotspotTop":90.5287,"hotspotBottom":0.0,"hotspotRight":0.0},{"id":null,"itemNumber":"21","partcode":"P5140115-87","hotspotLeft":25.6633,"hotspotTop":61.301,"hotspotBottom":0.0,"hotspotRight":0.0},{"id":null,"itemNumber":"22","partcode":"P5140208-78","hotspotLeft":69.3403,"hotspotTop":13.8554,"hotspotBottom":0.0,"hotspotRight":0.0},{"id":null,"itemNumber":"22","partcode":"P5140116-91","hotspotLeft":69.3403,"hotspotTop":13.8554,"hotspotBottom":0.0,"hotspotRight":0.0},{"id":null,"itemNumber":"23","partcode":"P5140116-61","hotspotLeft":28.8121,"hotspotTop":28.508899999999997,"hotspotBottom":0.0,"hotspotRight":0.0},{"id":null,"itemNumber":"24","partcode":"P5140116-28","hotspotLeft":70.0513,"hotspotTop":30.1723,"hotspotBottom":0.0,"hotspotRight":0.0},{"id":null,"itemNumber":"25","partcode":"P5140116-01","hotspotLeft":72.1844,"hotspotTop":68.19210000000001,"hotspotBottom":0.0,"hotspotRight":0.0},{"id":null,"itemNumber":"26","partcode":"P5140116-04","hotspotLeft":10.4271,"hotspotTop":94.72670000000001,"hotspotBottom":0.0,"hotspotRight":0.0},{"id":null,"itemNumber":"27","partcode":"P5140116-94","hotspotLeft":69.3403,"hotspotTop":19.2416,"hotspotBottom":0.0,"hotspotRight":0.0},{"id":null,"itemNumber":"28","partcode":"P5140115-72","hotspotLeft":59.1828,"hotspotTop":37.617799999999995,"hotspotBottom":0.0,"hotspotRight":0.0},{"id":null,"itemNumber":"29","partcode":"P5140115-39","hotspotLeft":41.712,"hotspotTop":25.023799999999998,"hotspotBottom":0.0,"hotspotRight":0.0},{"id":null,"itemNumber":"30","partcode":"P5140116-95","hotspotLeft":42.8294,"hotspotTop":39.4396,"hotspotBottom":0.0,"hotspotRight":0.0},{"id":null,"itemNumber":"31","partcode":"P5140115-36","hotspotLeft":23.4286,"hotspotTop":1.499,"hotspotBottom":0.0,"hotspotRight":0.0},{"id":null,"itemNumber":"32","partcode":"P5140116-63","hotspotLeft":33.2814,"hotspotTop":58.9248,"hotspotBottom":0.0,"hotspotRight":0.0},{"id":null,"itemNumber":"33","partcode":"P5140116-64","hotspotLeft":18.6546,"hotspotTop":67.004,"hotspotBottom":0.0,"hotspotRight":0.0},{"id":null,"itemNumber":"34","partcode":"P5140208-79","hotspotLeft":23.4286,"hotspotTop":89.18220000000001,"hotspotBottom":0.0,"hotspotRight":0.0},{"id":null,"itemNumber":"35","partcode":"P5140116-66","hotspotLeft":24.0381,"hotspotTop":47.598,"hotspotBottom":0.0,"hotspotRight":0.0},{"id":null,"itemNumber":"35","partcode":"P5140208-76","hotspotLeft":24.0381,"hotspotTop":47.598,"hotspotBottom":0.0,"hotspotRight":0.0},{"id":null,"itemNumber":"35","partcode":"P5140116-66","hotspotLeft":25.8664,"hotspotTop":92.27130000000001,"hotspotBottom":0.0,"hotspotRight":0.0},{"id":null,"itemNumber":"35","partcode":"P5140208-76","hotspotLeft":25.8664,"hotspotTop":92.27130000000001,"hotspotBottom":0.0,"hotspotRight":0.0},{"id":null,"itemNumber":"36","partcode":"P5140116-67","hotspotLeft":21.905,"hotspotTop":85.6178,"hotspotBottom":0.0,"hotspotRight":0.0},{"id":null,"itemNumber":"37","partcode":"P5140116-68","hotspotLeft":10.7318,"hotspotTop":42.7663,"hotspotBottom":0.0,"hotspotRight":0.0},{"id":null,"itemNumber":"37","partcode":"P5140116-68","hotspotLeft":29.8278,"hotspotTop":94.33070000000001,"hotspotBottom":0.0,"hotspotRight":0.0},{"id":null,"itemNumber":"38","partcode":"P5140116-03","hotspotLeft":15.912099999999999,"hotspotTop":94.88510000000001,"hotspotBottom":0.0,"hotspotRight":0.0},{"id":null,"itemNumber":"39","partcode":"P5140116-96","hotspotLeft":42.9309,"hotspotTop":36.033699999999996,"hotspotBottom":0.0,"hotspotRight":0.0},{"id":null,"itemNumber":"40","partcode":"P5140116-97","hotspotLeft":70.2544,"hotspotTop":34.7663,"hotspotBottom":0.0,"hotspotRight":0.0},{"id":null,"itemNumber":"41","partcode":"P5140116-98","hotspotLeft":65.3789,"hotspotTop":35.954499999999996,"hotspotBottom":0.0,"hotspotRight":0.0},{"id":null,"itemNumber":"42","partcode":"P5140116-99","hotspotLeft":16.6232,"hotspotTop":34.8455,"hotspotBottom":0.0,"hotspotRight":0.0},{"id":null,"itemNumber":"43","partcode":"P5140115-68","hotspotLeft":10.8334,"hotspotTop":34.8455,"hotspotBottom":0.0,"hotspotRight":0.0},{"id":null,"itemNumber":"44","partcode":"P5140116-00","hotspotLeft":21.7019,"hotspotTop":4.588100000000001,"hotspotBottom":0.0,"hotspotRight":0.0},{"id":null,"itemNumber":"44","partcode":"P5140116-00","hotspotLeft":10.935,"hotspotTop":38.7267,"hotspotBottom":0.0,"hotspotRight":0.0},{"id":null,"itemNumber":"45","partcode":"P5140116-73","hotspotLeft":73.3017,"hotspotTop":43.004,"hotspotBottom":0.0,"hotspotRight":0.0},{"id":null,"itemNumber":"46","partcode":"P5140116-74","hotspotLeft":79.7009,"hotspotTop":31.5188,"hotspotBottom":0.0,"hotspotRight":0.0},{"id":null,"itemNumber":"47","partcode":"P5140115-65","hotspotLeft":85.0843,"hotspotTop":31.4396,"hotspotBottom":0.0,"hotspotRight":0.0},{"id":null,"itemNumber":"48","partcode":"P5140115-98","hotspotLeft":32.2656,"hotspotTop":1.4198,"hotspotBottom":0.0,"hotspotRight":0.0},{"id":null,"itemNumber":"49","partcode":"P5140115-99","hotspotLeft":28.1011,"hotspotTop":1.5781999999999998,"hotspotBottom":0.0,"hotspotRight":0.0},{"id":null,"itemNumber":"50","partcode":"P5140116-72","hotspotLeft":96.6638,"hotspotTop":31.5188,"hotspotBottom":0.0,"hotspotRight":0.0},{"id":null,"itemNumber":"51","partcode":"P5140116-07","hotspotLeft":48.3144,"hotspotTop":60.7465,"hotspotBottom":0.0,"hotspotRight":0.0},{"id":null,"itemNumber":"52","partcode":"P5140116-70","hotspotLeft":1.5901,"hotspotTop":74.1327,"hotspotBottom":0.0,"hotspotRight":0.0},{"id":null,"itemNumber":"53","partcode":"P5140116-69","hotspotLeft":22.4129,"hotspotTop":68.11290000000001,"hotspotBottom":0.0,"hotspotRight":0.0},{"id":null,"itemNumber":"54","partcode":"P5140118-61","hotspotLeft":1.6917,"hotspotTop":64.7861,"hotspotBottom":0.0,"hotspotRight":0.0},{"id":null,"itemNumber":"55","partcode":"P5140116-62","hotspotLeft":1.7933,"hotspotTop":69.697,"hotspotBottom":0.0,"hotspotRight":0.0},{"id":null,"itemNumber":"56","partcode":"P5140116-02","hotspotLeft":15.302700000000002,"hotspotTop":65.18220000000001,"hotspotBottom":0.0,"hotspotRight":0.0},{"id":null,"itemNumber":"57","partcode":"P5140116-08","hotspotLeft":1.6917,"hotspotTop":52.4297,"hotspotBottom":0.0,"hotspotRight":0.0},{"id":null,"itemNumber":"58","partcode":"P5140118-59","hotspotLeft":1.6917,"hotspotTop":59.954499999999996,"hotspotBottom":0.0,"hotspotRight":0.0},{"id":null,"itemNumber":"60","partcode":"P5140116-48","hotspotLeft":42.7278,"hotspotTop":90.6871,"hotspotBottom":0.0,"hotspotRight":0.0},{"id":null,"itemNumber":"61","partcode":"P5140115-57","hotspotLeft":20.7877,"hotspotTop":81.9743,"hotspotBottom":0.0,"hotspotRight":0.0},{"id":null,"itemNumber":"62","partcode":"P5140116-89","hotspotLeft":62.9411,"hotspotTop":90.5287,"hotspotBottom":0.0,"hotspotRight":0.0},{"id":null,"itemNumber":"63","partcode":"P5140116-90","hotspotLeft":66.5978,"hotspotTop":67.004,"hotspotBottom":0.0,"hotspotRight":0.0},{"id":null,"itemNumber":"64","partcode":"P5140115-62","hotspotLeft":69.2387,"hotspotTop":70.80590000000001,"hotspotBottom":0.0,"hotspotRight":0.0},{"id":null,"itemNumber":"65","partcode":"P5140116-51","hotspotLeft":74.1143,"hotspotTop":72.5485,"hotspotBottom":0.0,"hotspotRight":0.0},{"id":null,"itemNumber":"66","partcode":"P5140116-52","hotspotLeft":70.356,"hotspotTop":87.6772,"hotspotBottom":0.0,"hotspotRight":0.0},{"id":null,"itemNumber":"67","partcode":"P5140116-53","hotspotLeft":70.356,"hotspotTop":75.4792,"hotspotBottom":0.0,"hotspotRight":0.0},{"id":null,"itemNumber":"68","partcode":"P5140116-54","hotspotLeft":74.1143,"hotspotTop":78.33070000000001,"hotspotBottom":0.0,"hotspotRight":0.0},{"id":null,"itemNumber":"69","partcode":"P5140116-55","hotspotLeft":70.0513,"hotspotTop":80.7861,"hotspotBottom":0.0,"hotspotRight":0.0},{"id":null,"itemNumber":"70","partcode":"P5140115-52","hotspotLeft":33.3829,"hotspotTop":81.49900000000001,"hotspotBottom":0.0,"hotspotRight":0.0},{"id":null,"itemNumber":"71","partcode":"P5140115-53","hotspotLeft":54.1041,"hotspotTop":93.3802,"hotspotBottom":0.0,"hotspotRight":0.0},{"id":null,"itemNumber":"72","partcode":"P5140116-92","hotspotLeft":21.8035,"hotspotTop":22.805899999999998,"hotspotBottom":0.0,"hotspotRight":0.0},{"id":null,"itemNumber":"73","partcode":"P5140116-59","hotspotLeft":21.4987,"hotspotTop":15.3604,"hotspotBottom":0.0,"hotspotRight":0.0},{"id":null,"itemNumber":"74","partcode":"P5140115-88","hotspotLeft":28.4058,"hotspotTop":24.865299999999998,"hotspotBottom":0.0,"hotspotRight":0.0},{"id":null,"itemNumber":"75","partcode":"P5140118-60","hotspotLeft":21.3972,"hotspotTop":19.3208,"hotspotBottom":0.0,"hotspotRight":0.0},{"id":null,"itemNumber":"76","partcode":"P5140115-91","hotspotLeft":33.9924,"hotspotTop":24.786099999999998,"hotspotBottom":0.0,"hotspotRight":0.0},{"id":null,"itemNumber":"77","partcode":"P5140115-55","hotspotLeft":21.194,"hotspotTop":10.924800000000001,"hotspotBottom":0.0,"hotspotRight":0.0},{"id":null,"itemNumber":"78","partcode":"P5140116-60","hotspotLeft":44.4545,"hotspotTop":1.7365999999999997,"hotspotBottom":0.0,"hotspotRight":0.0},{"id":null,"itemNumber":"79","partcode":"P5140115-96","hotspotLeft":52.0726,"hotspotTop":7.598000000000001,"hotspotBottom":0.0,"hotspotRight":0.0},{"id":null,"itemNumber":"80","partcode":"P5140115-48","hotspotLeft":47.7049,"hotspotTop":10.0535,"hotspotBottom":0.0,"hotspotRight":0.0},{"id":null,"itemNumber":"81","partcode":"P5140115-49","hotspotLeft":21.4987,"hotspotTop":7.4396,"hotspotBottom":0.0,"hotspotRight":0.0},{"id":null,"itemNumber":"82","partcode":"P5140115-50","hotspotLeft":47.7049,"hotspotTop":5.7762,"hotspotBottom":0.0,"hotspotRight":0.0},{"id":null,"itemNumber":"83","partcode":"P5140116-60","hotspotLeft":53.0884,"hotspotTop":3.5584000000000002,"hotspotBottom":0.0,"hotspotRight":0.0},{"id":null,"itemNumber":"70","partcode":"P5140208-84","hotspotLeft":33.3829,"hotspotTop":81.49900000000001,"hotspotBottom":0.0,"hotspotRight":0.0},{"id":null,"itemNumber":"73","partcode":"P5140208-81","hotspotLeft":21.4987,"hotspotTop":15.3604,"hotspotBottom":0.0,"hotspotRight":0.0}],"itemNumber":null,"partRelatedVariantList":null,"bomCode":null,"totalValue":null,"searchImage":null,"length":null,"width":null,"height":null,"unitOfDimension":null,"weight":null,"unitOfWeight":null,"specialRouting":false,"onlineRepair":null,"previousPartID":null,"sbdDiscountPriceValue":null,"alrCode":null,"productRecallFlag":null,"selectedDocumentId":null,"productDescription":"GENERATOR","pdpImage":{"imageType":null,"format":"110Wx110H","url":"https://www.toolservicenet.com/i/DEWALT/GLOBALBOM/QU/DXGN7200/PD612MHB004/Product_Thumbnail/EN/DXGN7200_1_110X110.jpg","altText":null,"galleryIndex":null,"width":null,"imageTypeCode":"Image","imageUrl":null,"fileName":null,"imageTypeId":null,"imageDescription":null,"isDeleted":false},"ticketId":null,"qtyRequiredPerVariant":null,"isElgibleForRepair":null,"isPowerEligible":null,"productRecallNotes":null,"productOtherInfo":null,"backorderETA":null,"modifiedDate":null,"userLevel":null,"displayPrice":null,"baseProductName":null,"firstVariantCode":null,"firstVariantImage":null,"productMarketType":null,"productNumber":null,"typeStatusCode":null,"productCategory":null,"typeNumber":null,"marketCode":null,"regionCode":null,"otherInformation":null,"productTypeStatus":null,"repairInstruction":null,"repairInstructionStatusDescription":null,"typeStatusDate":null,"serviceLifeDate":null,"manufacturerId":null,"parts":null,"language":null,"glossaries":null,"brand":null,"product":null,"brandCode":null,"recallNotes":null,"volume":null}
Type
PD612MHB004
Documents
Why you should buy parts/service with us?
High Quality
Buy high reliable products for your critical projects.
Expert Technicians
We have certified experts, who can resolve any issues of the product.
Quick Support
Our Support lines are open to support all your queries.
Convenient Delivery
Delivered to you at your convenient place.
100% Secured Checkout
We follow highest security standards to make your transaction safe.










