Product quantity has been updated.
|
Your Session will expire in minutes due to inactivity. You will be redirected to the sign-in page. Any unsaved changes to your shopping cart may be lost. |
|
Your session has expired due to inactivity.You will be redirected to the sign-in page.
Any unsaved changes to your shopping cart may be lost. |
Added to Your Shopping Cart
247.288843
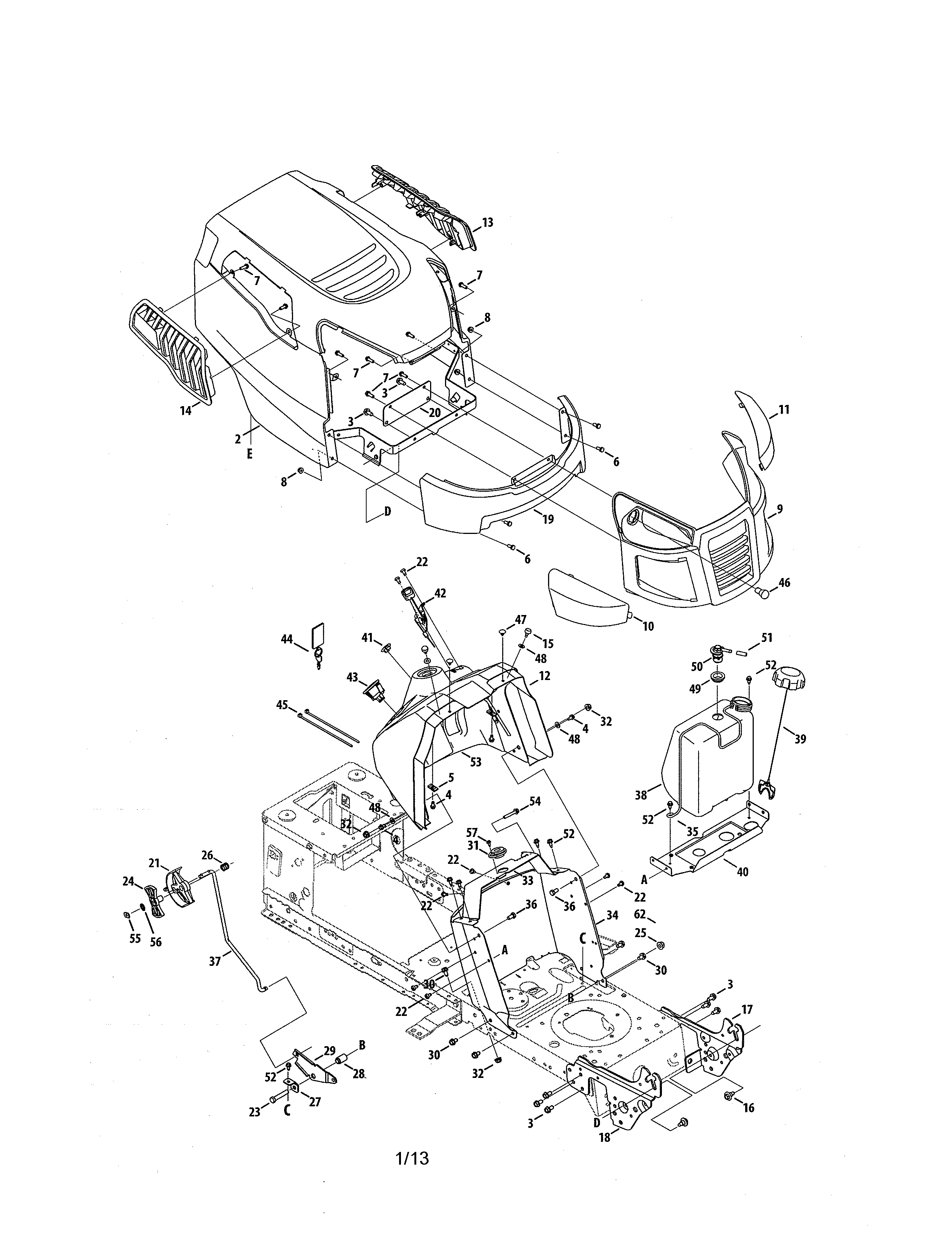
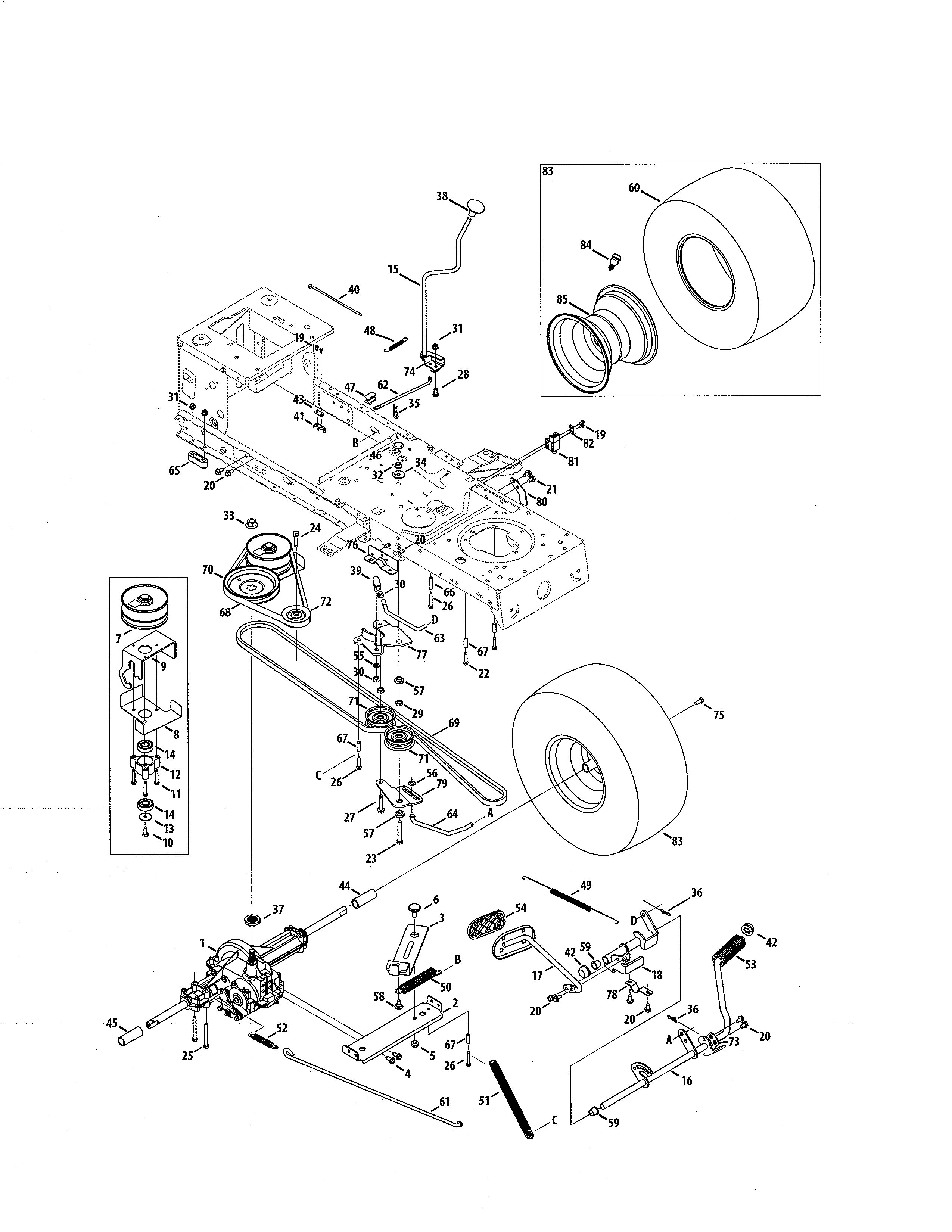
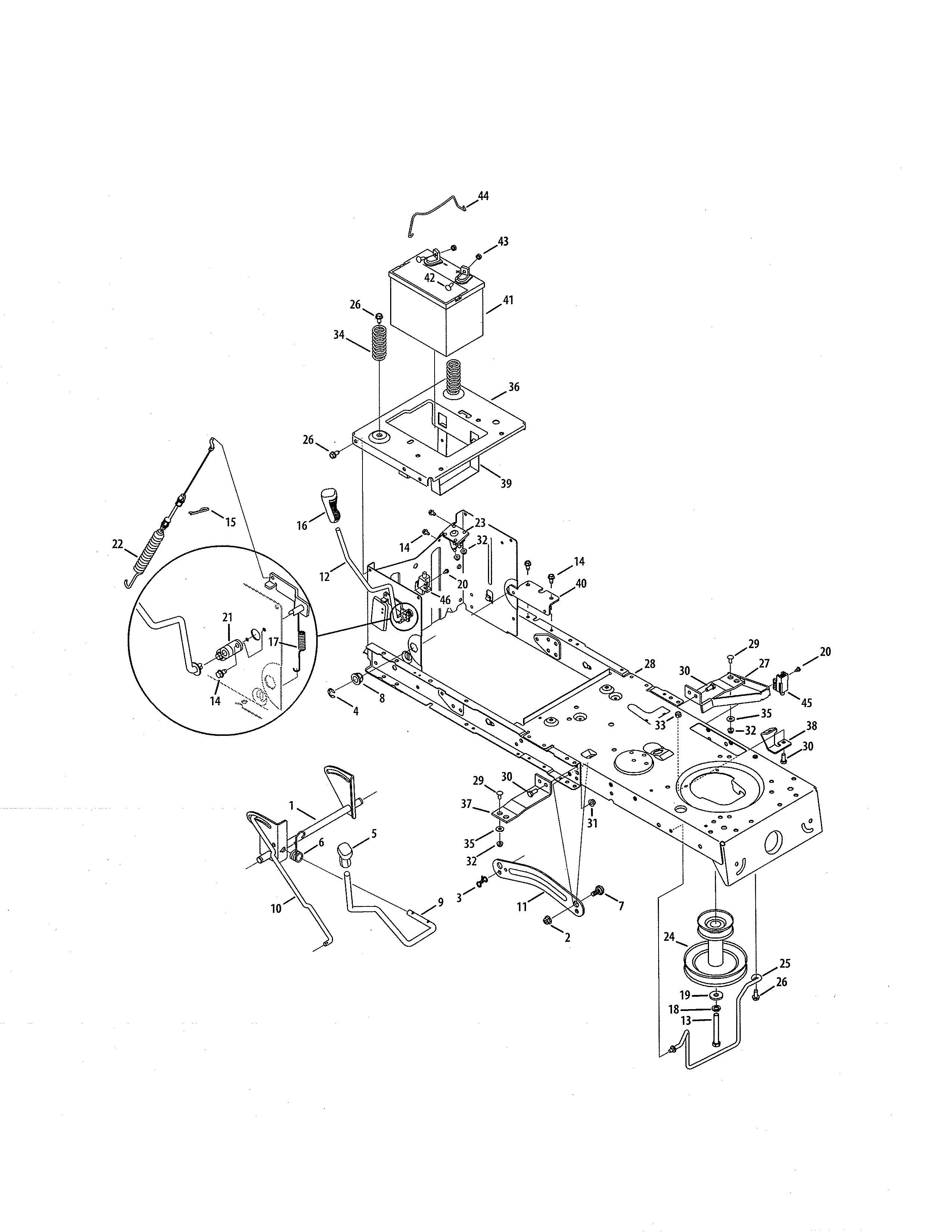
- View parts by Products
- View parts by Drawing 
Diagram Not Available
Model #247.288843 Qualify for free shipping on orders over$150!
{"code":"247.288843_0","name":null,"url":"/c//p/247.288843_0","description":"0","purchasable":false,"stock":{"stockLevelStatus":{"code":"outOfStock","type":"StockLevelStatus"},"stockLevel":0,"stockThreshold":null},"futureStocks":null,"availableForPickup":false,"averageRating":null,"numberOfReviews":0,"summary":"","manufacturer":null,"variantType":null,"price":null,"baseProduct":"247.288843","images":[],"categories":[],"reviews":[],"classifications":null,"potentialPromotions":null,"variantOptions":null,"baseOptions":[{"variantType":"SBDVariantProduct","options":[{"code":"247.288843_0","stock":{"stockLevelStatus":{"code":"outOfStock","type":"StockLevelStatus"},"stockLevel":0,"stockThreshold":null},"url":"/c//p/247.288843_0","priceData":null,"variantOptionQualifiers":[],"description":"0"}],"selected":{"code":"247.288843_0","stock":{"stockLevelStatus":{"code":"outOfStock","type":"StockLevelStatus"},"stockLevel":0,"stockThreshold":null},"url":"/c//p/247.288843_0","priceData":null,"variantOptionQualifiers":[],"description":"0"},"imageList":[],"note":null,"baseProductPrice":null}],"volumePricesFlag":null,"volumePrices":[],"productReferences":null,"variantMatrix":null,"priceRange":{"minPrice":null,"maxPrice":null},"firstCategoryNameList":null,"multidimensional":false,"configurable":false,"configuratorType":null,"addToCartDisabled":null,"addToCartDisabledMessage":null,"tags":null,"sapUnit":null,"keywords":null,"genders":null,"itemtype":"SBDVariantProduct","partSubstitute":null,"note":null,"recallNote":null,"note1":null,"note2":null,"note3":null,"note4":null,"note5":null,"pdfAllUser":[{"documentID":"30283","documentFileName":"https://www.toolservicenet.com/i/CRAFTSMAN/GLOBALBOM/QU/247.288843/0/Exploded_Diagram/EN/1301035P-00001.gif","glossaryText":null,"fileName":"1301035P-00001.tif","documentTypeId":"DocumentTypeModel (8796158852958@2)","documentTypeDescription":"Exploded Art","hotspotFlag":true,"userLevel":"ALL","additionalDocumentDescription":null,"id":null,"url":null,"hotspots":null,"width":null,"height":null,"isDeleted":false},{"documentID":"30284","documentFileName":"https://www.toolservicenet.com/i/CRAFTSMAN/GLOBALBOM/QU/247.288843/0/Exploded_Diagram/EN/1301035P-00002.gif","glossaryText":null,"fileName":"1301035P-00002.tif","documentTypeId":"DocumentTypeModel (8796158852958@2)","documentTypeDescription":"Exploded Art","hotspotFlag":true,"userLevel":"ALL","additionalDocumentDescription":null,"id":null,"url":null,"hotspots":null,"width":null,"height":null,"isDeleted":false},{"documentID":"30285","documentFileName":"https://www.toolservicenet.com/i/CRAFTSMAN/GLOBALBOM/QU/247.288843/0/Exploded_Diagram/EN/1301035P-00003.gif","glossaryText":null,"fileName":"1301035P-00003.tif","documentTypeId":"DocumentTypeModel (8796158852958@2)","documentTypeDescription":"Exploded Art","hotspotFlag":true,"userLevel":"ALL","additionalDocumentDescription":null,"id":null,"url":null,"hotspots":null,"width":null,"height":null,"isDeleted":false},{"documentID":"30286","documentFileName":"https://www.toolservicenet.com/i/CRAFTSMAN/GLOBALBOM/QU/247.288843/0/Exploded_Diagram/EN/1301035P-00004.gif","glossaryText":null,"fileName":"1301035P-00004.tif","documentTypeId":"DocumentTypeModel (8796158852958@2)","documentTypeDescription":"Exploded Art","hotspotFlag":true,"userLevel":"ALL","additionalDocumentDescription":null,"id":null,"url":null,"hotspots":null,"width":null,"height":null,"isDeleted":false},{"documentID":"30287","documentFileName":"https://www.toolservicenet.com/i/CRAFTSMAN/GLOBALBOM/QU/247.288843/0/Exploded_Diagram/EN/1301035P-00005.gif","glossaryText":null,"fileName":"1301035P-00005.tif","documentTypeId":"DocumentTypeModel (8796158852958@2)","documentTypeDescription":"Exploded Art","hotspotFlag":true,"userLevel":"ALL","additionalDocumentDescription":null,"id":null,"url":null,"hotspots":null,"width":null,"height":null,"isDeleted":false},{"documentID":"30288","documentFileName":"https://www.toolservicenet.com/i/CRAFTSMAN/GLOBALBOM/QU/247.288843/0/Exploded_Diagram/EN/1301035P-00006.gif","glossaryText":null,"fileName":"1301035P-00006.tif","documentTypeId":"DocumentTypeModel (8796158852958@2)","documentTypeDescription":"Exploded Art","hotspotFlag":true,"userLevel":"ALL","additionalDocumentDescription":null,"id":null,"url":null,"hotspots":null,"width":null,"height":null,"isDeleted":false},{"documentID":"30289","documentFileName":"https://www.toolservicenet.com/i/CRAFTSMAN/GLOBALBOM/QU/247.288843/0/Exploded_Diagram/EN/1301035P-00007.gif","glossaryText":null,"fileName":"1301035P-00007.tif","documentTypeId":"DocumentTypeModel (8796158852958@2)","documentTypeDescription":"Exploded Art","hotspotFlag":true,"userLevel":"ALL","additionalDocumentDescription":null,"id":null,"url":null,"hotspots":null,"width":null,"height":null,"isDeleted":false},{"documentID":"30290","documentFileName":"https://www.toolservicenet.com/i/CRAFTSMAN/GLOBALBOM/QU/247.288843/0/Exploded_Diagram/EN/1301035P-00008.gif","glossaryText":null,"fileName":"1301035P-00008.tif","documentTypeId":"DocumentTypeModel (8796158852958@2)","documentTypeDescription":"Exploded Art","hotspotFlag":true,"userLevel":"ALL","additionalDocumentDescription":null,"id":null,"url":null,"hotspots":null,"width":null,"height":null,"isDeleted":false},{"documentID":"30291","documentFileName":"https://www.toolservicenet.com/i/CRAFTSMAN/GLOBALBOM/QU/247.288843/0/Instruction_Manual/EN/1301025L.pdf","glossaryText":null,"fileName":"1301025L.pdf","documentTypeId":"DocumentTypeModel (8796158721886@2)","documentTypeDescription":"Instruction Manual","hotspotFlag":false,"userLevel":"ALL","additionalDocumentDescription":null,"id":null,"url":null,"hotspots":null,"width":null,"height":null,"isDeleted":false}],"pdfAuthUser":[{"documentID":"30283","documentFileName":"https://www.toolservicenet.com/i/CRAFTSMAN/GLOBALBOM/QU/247.288843/0/Exploded_Diagram/EN/1301035P-00001.gif","glossaryText":null,"fileName":"1301035P-00001.tif","documentTypeId":"DocumentTypeModel (8796158852958@2)","documentTypeDescription":"Exploded Art","hotspotFlag":true,"userLevel":"ALL","additionalDocumentDescription":null,"id":null,"url":null,"hotspots":null,"width":null,"height":null,"isDeleted":false},{"documentID":"30284","documentFileName":"https://www.toolservicenet.com/i/CRAFTSMAN/GLOBALBOM/QU/247.288843/0/Exploded_Diagram/EN/1301035P-00002.gif","glossaryText":null,"fileName":"1301035P-00002.tif","documentTypeId":"DocumentTypeModel (8796158852958@2)","documentTypeDescription":"Exploded Art","hotspotFlag":true,"userLevel":"ALL","additionalDocumentDescription":null,"id":null,"url":null,"hotspots":null,"width":null,"height":null,"isDeleted":false},{"documentID":"30285","documentFileName":"https://www.toolservicenet.com/i/CRAFTSMAN/GLOBALBOM/QU/247.288843/0/Exploded_Diagram/EN/1301035P-00003.gif","glossaryText":null,"fileName":"1301035P-00003.tif","documentTypeId":"DocumentTypeModel (8796158852958@2)","documentTypeDescription":"Exploded Art","hotspotFlag":true,"userLevel":"ALL","additionalDocumentDescription":null,"id":null,"url":null,"hotspots":null,"width":null,"height":null,"isDeleted":false},{"documentID":"30286","documentFileName":"https://www.toolservicenet.com/i/CRAFTSMAN/GLOBALBOM/QU/247.288843/0/Exploded_Diagram/EN/1301035P-00004.gif","glossaryText":null,"fileName":"1301035P-00004.tif","documentTypeId":"DocumentTypeModel (8796158852958@2)","documentTypeDescription":"Exploded Art","hotspotFlag":true,"userLevel":"ALL","additionalDocumentDescription":null,"id":null,"url":null,"hotspots":null,"width":null,"height":null,"isDeleted":false},{"documentID":"30287","documentFileName":"https://www.toolservicenet.com/i/CRAFTSMAN/GLOBALBOM/QU/247.288843/0/Exploded_Diagram/EN/1301035P-00005.gif","glossaryText":null,"fileName":"1301035P-00005.tif","documentTypeId":"DocumentTypeModel (8796158852958@2)","documentTypeDescription":"Exploded Art","hotspotFlag":true,"userLevel":"ALL","additionalDocumentDescription":null,"id":null,"url":null,"hotspots":null,"width":null,"height":null,"isDeleted":false},{"documentID":"30288","documentFileName":"https://www.toolservicenet.com/i/CRAFTSMAN/GLOBALBOM/QU/247.288843/0/Exploded_Diagram/EN/1301035P-00006.gif","glossaryText":null,"fileName":"1301035P-00006.tif","documentTypeId":"DocumentTypeModel (8796158852958@2)","documentTypeDescription":"Exploded Art","hotspotFlag":true,"userLevel":"ALL","additionalDocumentDescription":null,"id":null,"url":null,"hotspots":null,"width":null,"height":null,"isDeleted":false},{"documentID":"30289","documentFileName":"https://www.toolservicenet.com/i/CRAFTSMAN/GLOBALBOM/QU/247.288843/0/Exploded_Diagram/EN/1301035P-00007.gif","glossaryText":null,"fileName":"1301035P-00007.tif","documentTypeId":"DocumentTypeModel (8796158852958@2)","documentTypeDescription":"Exploded Art","hotspotFlag":true,"userLevel":"ALL","additionalDocumentDescription":null,"id":null,"url":null,"hotspots":null,"width":null,"height":null,"isDeleted":false},{"documentID":"30290","documentFileName":"https://www.toolservicenet.com/i/CRAFTSMAN/GLOBALBOM/QU/247.288843/0/Exploded_Diagram/EN/1301035P-00008.gif","glossaryText":null,"fileName":"1301035P-00008.tif","documentTypeId":"DocumentTypeModel (8796158852958@2)","documentTypeDescription":"Exploded Art","hotspotFlag":true,"userLevel":"ALL","additionalDocumentDescription":null,"id":null,"url":null,"hotspots":null,"width":null,"height":null,"isDeleted":false},{"documentID":"30291","documentFileName":"https://www.toolservicenet.com/i/CRAFTSMAN/GLOBALBOM/QU/247.288843/0/Instruction_Manual/EN/1301025L.pdf","glossaryText":null,"fileName":"1301025L.pdf","documentTypeId":"DocumentTypeModel (8796158721886@2)","documentTypeDescription":"Instruction Manual","hotspotFlag":false,"userLevel":"ALL","additionalDocumentDescription":null,"id":null,"url":null,"hotspots":null,"width":null,"height":null,"isDeleted":false},{"documentID":"30292","documentFileName":"https://www.toolservicenet.com/i/CRAFTSMAN/GLOBALBOM/QU/247.288843/0/Repair_Notice_or_Repair_Instruction/EN/1304401L.pdf","glossaryText":null,"fileName":"1304401L.pdf","documentTypeId":"DocumentTypeModel (8796158689118@3)","documentTypeDescription":"Repair Notes","hotspotFlag":false,"userLevel":"AUTH","additionalDocumentDescription":null,"id":null,"url":null,"hotspots":null,"width":null,"height":null,"isDeleted":false}],"pdfCOSUser":[{"documentID":"30283","documentFileName":"https://www.toolservicenet.com/i/CRAFTSMAN/GLOBALBOM/QU/247.288843/0/Exploded_Diagram/EN/1301035P-00001.gif","glossaryText":null,"fileName":"1301035P-00001.tif","documentTypeId":"DocumentTypeModel (8796158852958@2)","documentTypeDescription":"Exploded Art","hotspotFlag":true,"userLevel":"ALL","additionalDocumentDescription":null,"id":null,"url":null,"hotspots":null,"width":null,"height":null,"isDeleted":false},{"documentID":"30284","documentFileName":"https://www.toolservicenet.com/i/CRAFTSMAN/GLOBALBOM/QU/247.288843/0/Exploded_Diagram/EN/1301035P-00002.gif","glossaryText":null,"fileName":"1301035P-00002.tif","documentTypeId":"DocumentTypeModel (8796158852958@2)","documentTypeDescription":"Exploded Art","hotspotFlag":true,"userLevel":"ALL","additionalDocumentDescription":null,"id":null,"url":null,"hotspots":null,"width":null,"height":null,"isDeleted":false},{"documentID":"30285","documentFileName":"https://www.toolservicenet.com/i/CRAFTSMAN/GLOBALBOM/QU/247.288843/0/Exploded_Diagram/EN/1301035P-00003.gif","glossaryText":null,"fileName":"1301035P-00003.tif","documentTypeId":"DocumentTypeModel (8796158852958@2)","documentTypeDescription":"Exploded Art","hotspotFlag":true,"userLevel":"ALL","additionalDocumentDescription":null,"id":null,"url":null,"hotspots":null,"width":null,"height":null,"isDeleted":false},{"documentID":"30286","documentFileName":"https://www.toolservicenet.com/i/CRAFTSMAN/GLOBALBOM/QU/247.288843/0/Exploded_Diagram/EN/1301035P-00004.gif","glossaryText":null,"fileName":"1301035P-00004.tif","documentTypeId":"DocumentTypeModel (8796158852958@2)","documentTypeDescription":"Exploded Art","hotspotFlag":true,"userLevel":"ALL","additionalDocumentDescription":null,"id":null,"url":null,"hotspots":null,"width":null,"height":null,"isDeleted":false},{"documentID":"30287","documentFileName":"https://www.toolservicenet.com/i/CRAFTSMAN/GLOBALBOM/QU/247.288843/0/Exploded_Diagram/EN/1301035P-00005.gif","glossaryText":null,"fileName":"1301035P-00005.tif","documentTypeId":"DocumentTypeModel (8796158852958@2)","documentTypeDescription":"Exploded Art","hotspotFlag":true,"userLevel":"ALL","additionalDocumentDescription":null,"id":null,"url":null,"hotspots":null,"width":null,"height":null,"isDeleted":false},{"documentID":"30288","documentFileName":"https://www.toolservicenet.com/i/CRAFTSMAN/GLOBALBOM/QU/247.288843/0/Exploded_Diagram/EN/1301035P-00006.gif","glossaryText":null,"fileName":"1301035P-00006.tif","documentTypeId":"DocumentTypeModel (8796158852958@2)","documentTypeDescription":"Exploded Art","hotspotFlag":true,"userLevel":"ALL","additionalDocumentDescription":null,"id":null,"url":null,"hotspots":null,"width":null,"height":null,"isDeleted":false},{"documentID":"30289","documentFileName":"https://www.toolservicenet.com/i/CRAFTSMAN/GLOBALBOM/QU/247.288843/0/Exploded_Diagram/EN/1301035P-00007.gif","glossaryText":null,"fileName":"1301035P-00007.tif","documentTypeId":"DocumentTypeModel (8796158852958@2)","documentTypeDescription":"Exploded Art","hotspotFlag":true,"userLevel":"ALL","additionalDocumentDescription":null,"id":null,"url":null,"hotspots":null,"width":null,"height":null,"isDeleted":false},{"documentID":"30290","documentFileName":"https://www.toolservicenet.com/i/CRAFTSMAN/GLOBALBOM/QU/247.288843/0/Exploded_Diagram/EN/1301035P-00008.gif","glossaryText":null,"fileName":"1301035P-00008.tif","documentTypeId":"DocumentTypeModel (8796158852958@2)","documentTypeDescription":"Exploded Art","hotspotFlag":true,"userLevel":"ALL","additionalDocumentDescription":null,"id":null,"url":null,"hotspots":null,"width":null,"height":null,"isDeleted":false},{"documentID":"30291","documentFileName":"https://www.toolservicenet.com/i/CRAFTSMAN/GLOBALBOM/QU/247.288843/0/Instruction_Manual/EN/1301025L.pdf","glossaryText":null,"fileName":"1301025L.pdf","documentTypeId":"DocumentTypeModel (8796158721886@2)","documentTypeDescription":"Instruction Manual","hotspotFlag":false,"userLevel":"ALL","additionalDocumentDescription":null,"id":null,"url":null,"hotspots":null,"width":null,"height":null,"isDeleted":false},{"documentID":"30292","documentFileName":"https://www.toolservicenet.com/i/CRAFTSMAN/GLOBALBOM/QU/247.288843/0/Repair_Notice_or_Repair_Instruction/EN/1304401L.pdf","glossaryText":null,"fileName":"1304401L.pdf","documentTypeId":"DocumentTypeModel (8796158689118@3)","documentTypeDescription":"Repair Notes","hotspotFlag":false,"userLevel":"AUTH","additionalDocumentDescription":null,"id":null,"url":null,"hotspots":null,"width":null,"height":null,"isDeleted":false}],"vaiantRelatedPartList":[{"code":"P5140216-21","name":null,"url":"/c//p/P5140216-21","description":"BRKT ASM","purchasable":true,"stock":{"stockLevelStatus":{"code":"inStock","type":"StockLevelStatus"},"stockLevel":0,"stockThreshold":null},"futureStocks":null,"availableForPickup":null,"averageRating":null,"numberOfReviews":null,"summary":null,"manufacturer":null,"variantType":null,"price":{"currencyIso":"USD","value":30.21,"priceType":"BUY","formattedValue":"$30.21","minQuantity":null,"maxQuantity":null,"sapUnit":{"code":"pieces","name":"Piece"}},"baseProduct":null,"images":[],"categories":null,"reviews":null,"classifications":null,"potentialPromotions":null,"variantOptions":null,"baseOptions":[],"volumePricesFlag":null,"volumePrices":null,"productReferences":null,"variantMatrix":null,"priceRange":null,"firstCategoryNameList":null,"multidimensional":null,"configurable":false,"configuratorType":null,"addToCartDisabled":null,"addToCartDisabledMessage":null,"tags":null,"sapUnit":null,"keywords":null,"genders":null,"itemtype":"Part","partSubstitute":null,"note":null,"recallNote":null,"note1":null,"note2":null,"note3":null,"note4":null,"note5":null,"pdfAllUser":null,"pdfAuthUser":null,"pdfCOSUser":null,"vaiantRelatedPartList":null,"partHotspotList":null,"itemNumber":2,"partRelatedVariantList":null,"bomCode":2,"totalValue":null,"searchImage":null,"length":null,"width":null,"height":null,"unitOfDimension":null,"weight":null,"unitOfWeight":null,"specialRouting":false,"onlineRepair":null,"previousPartID":null,"sbdDiscountPriceValue":{"currencyIso":"USD","value":30.21,"priceType":"BUY","formattedValue":"$30.21","minQuantity":null,"maxQuantity":null,"sapUnit":{"code":"pieces","name":"Piece"}},"alrCode":null,"productRecallFlag":null,"selectedDocumentId":null,"productDescription":null,"pdpImage":null,"ticketId":null,"qtyRequiredPerVariant":"1","isElgibleForRepair":null,"isPowerEligible":null,"productRecallNotes":null,"productOtherInfo":null,"backorderETA":"00/00/0000","modifiedDate":null,"userLevel":"ALL","displayPrice":null,"baseProductName":null,"firstVariantCode":null,"firstVariantImage":null,"productMarketType":null,"productNumber":null,"typeStatusCode":null,"productCategory":null,"typeNumber":null,"marketCode":null,"regionCode":null,"otherInformation":null,"productTypeStatus":null,"repairInstruction":null,"repairInstructionStatusDescription":null,"typeStatusDate":null,"serviceLifeDate":null,"manufacturerId":null,"parts":null,"language":null,"glossaries":null,"brand":null,"product":null,"brandCode":null,"recallNotes":null,"volume":null},{"code":"P5140216-48","name":null,"url":"/c//p/P5140216-48","description":"HOOD","purchasable":true,"stock":{"stockLevelStatus":{"code":"inStock","type":"StockLevelStatus"},"stockLevel":0,"stockThreshold":null},"futureStocks":null,"availableForPickup":null,"averageRating":null,"numberOfReviews":null,"summary":null,"manufacturer":null,"variantType":null,"price":{"currencyIso":"USD","value":176.27,"priceType":"BUY","formattedValue":"$176.27","minQuantity":null,"maxQuantity":null,"sapUnit":{"code":"pieces","name":"Piece"}},"baseProduct":null,"images":[],"categories":null,"reviews":null,"classifications":null,"potentialPromotions":null,"variantOptions":null,"baseOptions":[],"volumePricesFlag":null,"volumePrices":null,"productReferences":null,"variantMatrix":null,"priceRange":null,"firstCategoryNameList":null,"multidimensional":null,"configurable":false,"configuratorType":null,"addToCartDisabled":null,"addToCartDisabledMessage":null,"tags":null,"sapUnit":null,"keywords":null,"genders":null,"itemtype":"Part","partSubstitute":null,"note":null,"recallNote":null,"note1":null,"note2":null,"note3":null,"note4":null,"note5":null,"pdfAllUser":null,"pdfAuthUser":null,"pdfCOSUser":null,"vaiantRelatedPartList":null,"partHotspotList":null,"itemNumber":2,"partRelatedVariantList":null,"bomCode":2,"totalValue":null,"searchImage":null,"length":null,"width":null,"height":null,"unitOfDimension":null,"weight":null,"unitOfWeight":null,"specialRouting":false,"onlineRepair":null,"previousPartID":null,"sbdDiscountPriceValue":{"currencyIso":"USD","value":176.27,"priceType":"BUY","formattedValue":"$176.27","minQuantity":null,"maxQuantity":null,"sapUnit":{"code":"pieces","name":"Piece"}},"alrCode":null,"productRecallFlag":null,"selectedDocumentId":null,"productDescription":null,"pdpImage":null,"ticketId":null,"qtyRequiredPerVariant":"1","isElgibleForRepair":null,"isPowerEligible":null,"productRecallNotes":null,"productOtherInfo":null,"backorderETA":"00/00/0000","modifiedDate":null,"userLevel":"ALL","displayPrice":null,"baseProductName":null,"firstVariantCode":null,"firstVariantImage":null,"productMarketType":null,"productNumber":null,"typeStatusCode":null,"productCategory":null,"typeNumber":null,"marketCode":null,"regionCode":null,"otherInformation":null,"productTypeStatus":null,"repairInstruction":null,"repairInstructionStatusDescription":null,"typeStatusDate":null,"serviceLifeDate":null,"manufacturerId":null,"parts":null,"language":null,"glossaries":null,"brand":null,"product":null,"brandCode":null,"recallNotes":null,"volume":null},{"code":"P683-04606-CM","name":null,"url":"/c//p/P683-04606-CM","description":"BRKT ASM","purchasable":true,"stock":{"stockLevelStatus":{"code":"inStock","type":"StockLevelStatus"},"stockLevel":0,"stockThreshold":null},"futureStocks":null,"availableForPickup":null,"averageRating":null,"numberOfReviews":null,"summary":null,"manufacturer":null,"variantType":null,"price":{"currencyIso":"USD","value":12.36,"priceType":"BUY","formattedValue":"$12.36","minQuantity":null,"maxQuantity":null,"sapUnit":{"code":"pieces","name":"Piece"}},"baseProduct":null,"images":[],"categories":null,"reviews":null,"classifications":null,"potentialPromotions":null,"variantOptions":null,"baseOptions":[],"volumePricesFlag":null,"volumePrices":null,"productReferences":null,"variantMatrix":null,"priceRange":null,"firstCategoryNameList":null,"multidimensional":null,"configurable":false,"configuratorType":null,"addToCartDisabled":null,"addToCartDisabledMessage":null,"tags":null,"sapUnit":null,"keywords":null,"genders":null,"itemtype":"Part","partSubstitute":null,"note":null,"recallNote":null,"note1":null,"note2":null,"note3":null,"note4":null,"note5":null,"pdfAllUser":null,"pdfAuthUser":null,"pdfCOSUser":null,"vaiantRelatedPartList":null,"partHotspotList":null,"itemNumber":2,"partRelatedVariantList":null,"bomCode":2,"totalValue":null,"searchImage":null,"length":null,"width":null,"height":null,"unitOfDimension":null,"weight":null,"unitOfWeight":null,"specialRouting":false,"onlineRepair":null,"previousPartID":null,"sbdDiscountPriceValue":{"currencyIso":"USD","value":12.36,"priceType":"BUY","formattedValue":"$12.36","minQuantity":null,"maxQuantity":null,"sapUnit":{"code":"pieces","name":"Piece"}},"alrCode":null,"productRecallFlag":null,"selectedDocumentId":null,"productDescription":null,"pdpImage":null,"ticketId":null,"qtyRequiredPerVariant":"1","isElgibleForRepair":null,"isPowerEligible":null,"productRecallNotes":null,"productOtherInfo":null,"backorderETA":"00/00/0000","modifiedDate":null,"userLevel":"ALL","displayPrice":null,"baseProductName":null,"firstVariantCode":null,"firstVariantImage":null,"productMarketType":null,"productNumber":null,"typeStatusCode":null,"productCategory":null,"typeNumber":null,"marketCode":null,"regionCode":null,"otherInformation":null,"productTypeStatus":null,"repairInstruction":null,"repairInstructionStatusDescription":null,"typeStatusDate":null,"serviceLifeDate":null,"manufacturerId":null,"parts":null,"language":null,"glossaries":null,"brand":null,"product":null,"brandCode":null,"recallNotes":null,"volume":null},{"code":"P710-0643-CM","name":null,"url":"/c//p/P710-0643-CM","description":"SCREW","purchasable":true,"stock":{"stockLevelStatus":{"code":"inStock","type":"StockLevelStatus"},"stockLevel":0,"stockThreshold":null},"futureStocks":null,"availableForPickup":null,"averageRating":null,"numberOfReviews":null,"summary":null,"manufacturer":null,"variantType":null,"price":{"currencyIso":"USD","value":4.13,"priceType":"BUY","formattedValue":"$4.13","minQuantity":null,"maxQuantity":null,"sapUnit":{"code":"pieces","name":"Piece"}},"baseProduct":null,"images":[],"categories":null,"reviews":null,"classifications":null,"potentialPromotions":null,"variantOptions":null,"baseOptions":[],"volumePricesFlag":null,"volumePrices":null,"productReferences":null,"variantMatrix":null,"priceRange":null,"firstCategoryNameList":null,"multidimensional":null,"configurable":false,"configuratorType":null,"addToCartDisabled":null,"addToCartDisabledMessage":null,"tags":null,"sapUnit":null,"keywords":null,"genders":null,"itemtype":"Part","partSubstitute":null,"note":null,"recallNote":null,"note1":null,"note2":null,"note3":null,"note4":null,"note5":null,"pdfAllUser":null,"pdfAuthUser":null,"pdfCOSUser":null,"vaiantRelatedPartList":null,"partHotspotList":null,"itemNumber":2,"partRelatedVariantList":null,"bomCode":2,"totalValue":null,"searchImage":null,"length":null,"width":null,"height":null,"unitOfDimension":null,"weight":null,"unitOfWeight":null,"specialRouting":false,"onlineRepair":null,"previousPartID":null,"sbdDiscountPriceValue":{"currencyIso":"USD","value":4.13,"priceType":"BUY","formattedValue":"$4.13","minQuantity":null,"maxQuantity":null,"sapUnit":{"code":"pieces","name":"Piece"}},"alrCode":null,"productRecallFlag":null,"selectedDocumentId":null,"productDescription":null,"pdpImage":null,"ticketId":null,"qtyRequiredPerVariant":"1","isElgibleForRepair":null,"isPowerEligible":null,"productRecallNotes":null,"productOtherInfo":null,"backorderETA":"00/00/0000","modifiedDate":null,"userLevel":"ALL","displayPrice":null,"baseProductName":null,"firstVariantCode":null,"firstVariantImage":null,"productMarketType":null,"productNumber":null,"typeStatusCode":null,"productCategory":null,"typeNumber":null,"marketCode":null,"regionCode":null,"otherInformation":null,"productTypeStatus":null,"repairInstruction":null,"repairInstructionStatusDescription":null,"typeStatusDate":null,"serviceLifeDate":null,"manufacturerId":null,"parts":null,"language":null,"glossaries":null,"brand":null,"product":null,"brandCode":null,"recallNotes":null,"volume":null},{"code":"P777D19309-CM","name":null,"url":"/c//p/P777D19309-CM","description":"LABEL-RIDER","purchasable":true,"stock":{"stockLevelStatus":{"code":"inStock","type":"StockLevelStatus"},"stockLevel":0,"stockThreshold":null},"futureStocks":null,"availableForPickup":null,"averageRating":null,"numberOfReviews":null,"summary":null,"manufacturer":null,"variantType":null,"price":{"currencyIso":"USD","value":3.84,"priceType":"BUY","formattedValue":"$3.84","minQuantity":null,"maxQuantity":null,"sapUnit":{"code":"pieces","name":"Piece"}},"baseProduct":null,"images":[],"categories":null,"reviews":null,"classifications":null,"potentialPromotions":null,"variantOptions":null,"baseOptions":[],"volumePricesFlag":null,"volumePrices":null,"productReferences":null,"variantMatrix":null,"priceRange":null,"firstCategoryNameList":null,"multidimensional":null,"configurable":false,"configuratorType":null,"addToCartDisabled":null,"addToCartDisabledMessage":null,"tags":null,"sapUnit":null,"keywords":null,"genders":null,"itemtype":"Part","partSubstitute":null,"note":null,"recallNote":null,"note1":null,"note2":null,"note3":null,"note4":null,"note5":null,"pdfAllUser":null,"pdfAuthUser":null,"pdfCOSUser":null,"vaiantRelatedPartList":null,"partHotspotList":null,"itemNumber":2,"partRelatedVariantList":null,"bomCode":2,"totalValue":null,"searchImage":null,"length":null,"width":null,"height":null,"unitOfDimension":null,"weight":null,"unitOfWeight":null,"specialRouting":false,"onlineRepair":null,"previousPartID":null,"sbdDiscountPriceValue":{"currencyIso":"USD","value":3.84,"priceType":"BUY","formattedValue":"$3.84","minQuantity":null,"maxQuantity":null,"sapUnit":{"code":"pieces","name":"Piece"}},"alrCode":null,"productRecallFlag":null,"selectedDocumentId":null,"productDescription":null,"pdpImage":null,"ticketId":null,"qtyRequiredPerVariant":"1","isElgibleForRepair":null,"isPowerEligible":null,"productRecallNotes":null,"productOtherInfo":null,"backorderETA":"00/00/0000","modifiedDate":null,"userLevel":"ALL","displayPrice":null,"baseProductName":null,"firstVariantCode":null,"firstVariantImage":null,"productMarketType":null,"productNumber":null,"typeStatusCode":null,"productCategory":null,"typeNumber":null,"marketCode":null,"regionCode":null,"otherInformation":null,"productTypeStatus":null,"repairInstruction":null,"repairInstructionStatusDescription":null,"typeStatusDate":null,"serviceLifeDate":null,"manufacturerId":null,"parts":null,"language":null,"glossaries":null,"brand":null,"product":null,"brandCode":null,"recallNotes":null,"volume":null},{"code":"P710-04683B-CM","name":null,"url":"/c//p/P710-04683B-CM","description":"SCREW","purchasable":true,"stock":{"stockLevelStatus":{"code":"inStock","type":"StockLevelStatus"},"stockLevel":0,"stockThreshold":null},"futureStocks":null,"availableForPickup":null,"averageRating":null,"numberOfReviews":null,"summary":null,"manufacturer":null,"variantType":null,"price":{"currencyIso":"USD","value":3.62,"priceType":"BUY","formattedValue":"$3.62","minQuantity":null,"maxQuantity":null,"sapUnit":{"code":"pieces","name":"Piece"}},"baseProduct":null,"images":[],"categories":null,"reviews":null,"classifications":null,"potentialPromotions":null,"variantOptions":null,"baseOptions":[],"volumePricesFlag":null,"volumePrices":null,"productReferences":null,"variantMatrix":null,"priceRange":null,"firstCategoryNameList":null,"multidimensional":null,"configurable":false,"configuratorType":null,"addToCartDisabled":null,"addToCartDisabledMessage":null,"tags":null,"sapUnit":null,"keywords":null,"genders":null,"itemtype":"Part","partSubstitute":null,"note":null,"recallNote":null,"note1":null,"note2":null,"note3":null,"note4":null,"note5":null,"pdfAllUser":null,"pdfAuthUser":null,"pdfCOSUser":null,"vaiantRelatedPartList":null,"partHotspotList":null,"itemNumber":3,"partRelatedVariantList":null,"bomCode":4,"totalValue":null,"searchImage":null,"length":null,"width":null,"height":null,"unitOfDimension":null,"weight":null,"unitOfWeight":null,"specialRouting":false,"onlineRepair":null,"previousPartID":null,"sbdDiscountPriceValue":{"currencyIso":"USD","value":3.62,"priceType":"BUY","formattedValue":"$3.62","minQuantity":null,"maxQuantity":null,"sapUnit":{"code":"pieces","name":"Piece"}},"alrCode":null,"productRecallFlag":null,"selectedDocumentId":null,"productDescription":null,"pdpImage":null,"ticketId":null,"qtyRequiredPerVariant":"1","isElgibleForRepair":null,"isPowerEligible":null,"productRecallNotes":null,"productOtherInfo":null,"backorderETA":"00/00/0000","modifiedDate":null,"userLevel":"ALL","displayPrice":null,"baseProductName":null,"firstVariantCode":null,"firstVariantImage":null,"productMarketType":null,"productNumber":null,"typeStatusCode":null,"productCategory":null,"typeNumber":null,"marketCode":null,"regionCode":null,"otherInformation":null,"productTypeStatus":null,"repairInstruction":null,"repairInstructionStatusDescription":null,"typeStatusDate":null,"serviceLifeDate":null,"manufacturerId":null,"parts":null,"language":null,"glossaries":null,"brand":null,"product":null,"brandCode":null,"recallNotes":null,"volume":null},{"code":"P710-04683C-CM","name":null,"url":"/c//p/P710-04683C-CM","description":"SCREW","purchasable":true,"stock":{"stockLevelStatus":{"code":"inStock","type":"StockLevelStatus"},"stockLevel":6,"stockThreshold":null},"futureStocks":null,"availableForPickup":null,"averageRating":null,"numberOfReviews":null,"summary":null,"manufacturer":null,"variantType":null,"price":{"currencyIso":"USD","value":3.92,"priceType":"BUY","formattedValue":"$3.92","minQuantity":null,"maxQuantity":null,"sapUnit":{"code":"pieces","name":"Piece"}},"baseProduct":null,"images":[],"categories":null,"reviews":null,"classifications":null,"potentialPromotions":null,"variantOptions":null,"baseOptions":[],"volumePricesFlag":null,"volumePrices":null,"productReferences":null,"variantMatrix":null,"priceRange":null,"firstCategoryNameList":null,"multidimensional":null,"configurable":false,"configuratorType":null,"addToCartDisabled":null,"addToCartDisabledMessage":null,"tags":null,"sapUnit":null,"keywords":null,"genders":null,"itemtype":"Part","partSubstitute":null,"note":null,"recallNote":null,"note1":null,"note2":null,"note3":null,"note4":null,"note5":null,"pdfAllUser":null,"pdfAuthUser":null,"pdfCOSUser":null,"vaiantRelatedPartList":null,"partHotspotList":null,"itemNumber":3,"partRelatedVariantList":null,"bomCode":2,"totalValue":null,"searchImage":null,"length":null,"width":null,"height":null,"unitOfDimension":null,"weight":null,"unitOfWeight":null,"specialRouting":false,"onlineRepair":null,"previousPartID":null,"sbdDiscountPriceValue":{"currencyIso":"USD","value":3.92,"priceType":"BUY","formattedValue":"$3.92","minQuantity":null,"maxQuantity":null,"sapUnit":{"code":"pieces","name":"Piece"}},"alrCode":null,"productRecallFlag":null,"selectedDocumentId":null,"productDescription":null,"pdpImage":null,"ticketId":null,"qtyRequiredPerVariant":"1","isElgibleForRepair":null,"isPowerEligible":null,"productRecallNotes":null,"productOtherInfo":null,"backorderETA":"00/00/0000","modifiedDate":"No ETA","userLevel":"ALL","displayPrice":null,"baseProductName":null,"firstVariantCode":null,"firstVariantImage":null,"productMarketType":null,"productNumber":null,"typeStatusCode":null,"productCategory":null,"typeNumber":null,"marketCode":null,"regionCode":null,"otherInformation":null,"productTypeStatus":null,"repairInstruction":null,"repairInstructionStatusDescription":null,"typeStatusDate":null,"serviceLifeDate":null,"manufacturerId":null,"parts":null,"language":null,"glossaries":null,"brand":null,"product":null,"brandCode":null,"recallNotes":null,"volume":null},{"code":"P710-1309-CM","name":null,"url":"/c//p/P710-1309-CM","description":"SCREW-PAN HE","purchasable":true,"stock":{"stockLevelStatus":{"code":"inStock","type":"StockLevelStatus"},"stockLevel":0,"stockThreshold":null},"futureStocks":null,"availableForPickup":null,"averageRating":null,"numberOfReviews":null,"summary":null,"manufacturer":null,"variantType":null,"price":{"currencyIso":"USD","value":2.66,"priceType":"BUY","formattedValue":"$2.66","minQuantity":null,"maxQuantity":null,"sapUnit":{"code":"pieces","name":"Piece"}},"baseProduct":null,"images":[],"categories":null,"reviews":null,"classifications":null,"potentialPromotions":null,"variantOptions":null,"baseOptions":[],"volumePricesFlag":null,"volumePrices":null,"productReferences":null,"variantMatrix":null,"priceRange":null,"firstCategoryNameList":null,"multidimensional":null,"configurable":false,"configuratorType":null,"addToCartDisabled":null,"addToCartDisabledMessage":null,"tags":null,"sapUnit":null,"keywords":null,"genders":null,"itemtype":"Part","partSubstitute":null,"note":null,"recallNote":null,"note1":null,"note2":null,"note3":null,"note4":null,"note5":null,"pdfAllUser":null,"pdfAuthUser":null,"pdfCOSUser":null,"vaiantRelatedPartList":null,"partHotspotList":null,"itemNumber":3,"partRelatedVariantList":null,"bomCode":2,"totalValue":null,"searchImage":null,"length":null,"width":null,"height":null,"unitOfDimension":null,"weight":null,"unitOfWeight":null,"specialRouting":false,"onlineRepair":null,"previousPartID":null,"sbdDiscountPriceValue":{"currencyIso":"USD","value":2.66,"priceType":"BUY","formattedValue":"$2.66","minQuantity":null,"maxQuantity":null,"sapUnit":{"code":"pieces","name":"Piece"}},"alrCode":null,"productRecallFlag":null,"selectedDocumentId":null,"productDescription":null,"pdpImage":null,"ticketId":null,"qtyRequiredPerVariant":"1","isElgibleForRepair":null,"isPowerEligible":null,"productRecallNotes":null,"productOtherInfo":null,"backorderETA":"00/00/0000","modifiedDate":null,"userLevel":"ALL","displayPrice":null,"baseProductName":null,"firstVariantCode":null,"firstVariantImage":null,"productMarketType":null,"productNumber":null,"typeStatusCode":null,"productCategory":null,"typeNumber":null,"marketCode":null,"regionCode":null,"otherInformation":null,"productTypeStatus":null,"repairInstruction":null,"repairInstructionStatusDescription":null,"typeStatusDate":null,"serviceLifeDate":null,"manufacturerId":null,"parts":null,"language":null,"glossaries":null,"brand":null,"product":null,"brandCode":null,"recallNotes":null,"volume":null},{"code":"P712-3004A-CM","name":null,"url":"/c//p/P712-3004A-CM","description":"FLANGE NUT","purchasable":true,"stock":{"stockLevelStatus":{"code":"inStock","type":"StockLevelStatus"},"stockLevel":0,"stockThreshold":null},"futureStocks":null,"availableForPickup":null,"averageRating":null,"numberOfReviews":null,"summary":null,"manufacturer":null,"variantType":null,"price":{"currencyIso":"USD","value":2.4,"priceType":"BUY","formattedValue":"$2.40","minQuantity":null,"maxQuantity":null,"sapUnit":{"code":"pieces","name":"Piece"}},"baseProduct":null,"images":[],"categories":null,"reviews":null,"classifications":null,"potentialPromotions":null,"variantOptions":null,"baseOptions":[],"volumePricesFlag":null,"volumePrices":null,"productReferences":null,"variantMatrix":null,"priceRange":null,"firstCategoryNameList":null,"multidimensional":null,"configurable":false,"configuratorType":null,"addToCartDisabled":null,"addToCartDisabledMessage":null,"tags":null,"sapUnit":null,"keywords":null,"genders":null,"itemtype":"Part","partSubstitute":null,"note":null,"recallNote":null,"note1":null,"note2":null,"note3":null,"note4":null,"note5":null,"pdfAllUser":null,"pdfAuthUser":null,"pdfCOSUser":null,"vaiantRelatedPartList":null,"partHotspotList":null,"itemNumber":3,"partRelatedVariantList":null,"bomCode":2,"totalValue":null,"searchImage":null,"length":null,"width":null,"height":null,"unitOfDimension":null,"weight":null,"unitOfWeight":null,"specialRouting":false,"onlineRepair":null,"previousPartID":null,"sbdDiscountPriceValue":{"currencyIso":"USD","value":2.4,"priceType":"BUY","formattedValue":"$2.40","minQuantity":null,"maxQuantity":null,"sapUnit":{"code":"pieces","name":"Piece"}},"alrCode":null,"productRecallFlag":null,"selectedDocumentId":null,"productDescription":null,"pdpImage":null,"ticketId":null,"qtyRequiredPerVariant":"1","isElgibleForRepair":null,"isPowerEligible":null,"productRecallNotes":null,"productOtherInfo":null,"backorderETA":"00/00/0000","modifiedDate":null,"userLevel":"ALL","displayPrice":null,"baseProductName":null,"firstVariantCode":null,"firstVariantImage":null,"productMarketType":null,"productNumber":null,"typeStatusCode":null,"productCategory":null,"typeNumber":null,"marketCode":null,"regionCode":null,"otherInformation":null,"productTypeStatus":null,"repairInstruction":null,"repairInstructionStatusDescription":null,"typeStatusDate":null,"serviceLifeDate":null,"manufacturerId":null,"parts":null,"language":null,"glossaries":null,"brand":null,"product":null,"brandCode":null,"recallNotes":null,"volume":null},{"code":"P777D18562-CM","name":null,"url":"/c//p/P777D18562-CM","description":"DECAL","purchasable":true,"stock":{"stockLevelStatus":{"code":"inStock","type":"StockLevelStatus"},"stockLevel":0,"stockThreshold":null},"futureStocks":null,"availableForPickup":null,"averageRating":null,"numberOfReviews":null,"summary":null,"manufacturer":null,"variantType":null,"price":{"currencyIso":"USD","value":2.55,"priceType":"BUY","formattedValue":"$2.55","minQuantity":null,"maxQuantity":null,"sapUnit":{"code":"pieces","name":"Piece"}},"baseProduct":null,"images":[],"categories":null,"reviews":null,"classifications":null,"potentialPromotions":null,"variantOptions":null,"baseOptions":[],"volumePricesFlag":null,"volumePrices":null,"productReferences":null,"variantMatrix":null,"priceRange":null,"firstCategoryNameList":null,"multidimensional":null,"configurable":false,"configuratorType":null,"addToCartDisabled":null,"addToCartDisabledMessage":null,"tags":null,"sapUnit":null,"keywords":null,"genders":null,"itemtype":"Part","partSubstitute":null,"note":null,"recallNote":null,"note1":null,"note2":null,"note3":null,"note4":null,"note5":null,"pdfAllUser":null,"pdfAuthUser":null,"pdfCOSUser":null,"vaiantRelatedPartList":null,"partHotspotList":null,"itemNumber":3,"partRelatedVariantList":null,"bomCode":2,"totalValue":null,"searchImage":null,"length":null,"width":null,"height":null,"unitOfDimension":null,"weight":null,"unitOfWeight":null,"specialRouting":false,"onlineRepair":null,"previousPartID":null,"sbdDiscountPriceValue":{"currencyIso":"USD","value":2.55,"priceType":"BUY","formattedValue":"$2.55","minQuantity":null,"maxQuantity":null,"sapUnit":{"code":"pieces","name":"Piece"}},"alrCode":null,"productRecallFlag":null,"selectedDocumentId":null,"productDescription":null,"pdpImage":null,"ticketId":null,"qtyRequiredPerVariant":"1","isElgibleForRepair":null,"isPowerEligible":null,"productRecallNotes":null,"productOtherInfo":null,"backorderETA":"00/00/0000","modifiedDate":null,"userLevel":"ALL","displayPrice":null,"baseProductName":null,"firstVariantCode":null,"firstVariantImage":null,"productMarketType":null,"productNumber":null,"typeStatusCode":null,"productCategory":null,"typeNumber":null,"marketCode":null,"regionCode":null,"otherInformation":null,"productTypeStatus":null,"repairInstruction":null,"repairInstructionStatusDescription":null,"typeStatusDate":null,"serviceLifeDate":null,"manufacturerId":null,"parts":null,"language":null,"glossaries":null,"brand":null,"product":null,"brandCode":null,"recallNotes":null,"volume":null},{"code":"P983-04511-CM","name":null,"url":"/c//p/P983-04511-CM","description":"BRAKE ASM-DE","purchasable":true,"stock":{"stockLevelStatus":{"code":"inStock","type":"StockLevelStatus"},"stockLevel":0,"stockThreshold":null},"futureStocks":null,"availableForPickup":null,"averageRating":null,"numberOfReviews":null,"summary":null,"manufacturer":null,"variantType":null,"price":{"currencyIso":"USD","value":18.43,"priceType":"BUY","formattedValue":"$18.43","minQuantity":null,"maxQuantity":null,"sapUnit":{"code":"pieces","name":"Piece"}},"baseProduct":null,"images":[],"categories":null,"reviews":null,"classifications":null,"potentialPromotions":null,"variantOptions":null,"baseOptions":[],"volumePricesFlag":null,"volumePrices":null,"productReferences":null,"variantMatrix":null,"priceRange":null,"firstCategoryNameList":null,"multidimensional":null,"configurable":false,"configuratorType":null,"addToCartDisabled":null,"addToCartDisabledMessage":null,"tags":null,"sapUnit":null,"keywords":null,"genders":null,"itemtype":"Part","partSubstitute":null,"note":null,"recallNote":null,"note1":null,"note2":null,"note3":null,"note4":null,"note5":null,"pdfAllUser":null,"pdfAuthUser":null,"pdfCOSUser":null,"vaiantRelatedPartList":null,"partHotspotList":null,"itemNumber":3,"partRelatedVariantList":null,"bomCode":2,"totalValue":null,"searchImage":null,"length":null,"width":null,"height":null,"unitOfDimension":null,"weight":null,"unitOfWeight":null,"specialRouting":false,"onlineRepair":null,"previousPartID":null,"sbdDiscountPriceValue":{"currencyIso":"USD","value":18.43,"priceType":"BUY","formattedValue":"$18.43","minQuantity":null,"maxQuantity":null,"sapUnit":{"code":"pieces","name":"Piece"}},"alrCode":null,"productRecallFlag":null,"selectedDocumentId":null,"productDescription":null,"pdpImage":null,"ticketId":null,"qtyRequiredPerVariant":"1","isElgibleForRepair":null,"isPowerEligible":null,"productRecallNotes":null,"productOtherInfo":null,"backorderETA":"00/00/0000","modifiedDate":null,"userLevel":"ALL","displayPrice":null,"baseProductName":null,"firstVariantCode":null,"firstVariantImage":null,"productMarketType":null,"productNumber":null,"typeStatusCode":null,"productCategory":null,"typeNumber":null,"marketCode":null,"regionCode":null,"otherInformation":null,"productTypeStatus":null,"repairInstruction":null,"repairInstructionStatusDescription":null,"typeStatusDate":null,"serviceLifeDate":null,"manufacturerId":null,"parts":null,"language":null,"glossaries":null,"brand":null,"product":null,"brandCode":null,"recallNotes":null,"volume":null},{"code":"P710-0514-CM","name":null,"url":"/c//p/P710-0514-CM","description":"HEX BOLT","purchasable":true,"stock":{"stockLevelStatus":{"code":"inStock","type":"StockLevelStatus"},"stockLevel":0,"stockThreshold":null},"futureStocks":null,"availableForPickup":null,"averageRating":null,"numberOfReviews":null,"summary":null,"manufacturer":null,"variantType":null,"price":{"currencyIso":"USD","value":2.61,"priceType":"BUY","formattedValue":"$2.61","minQuantity":null,"maxQuantity":null,"sapUnit":{"code":"pieces","name":"Piece"}},"baseProduct":null,"images":[],"categories":null,"reviews":null,"classifications":null,"potentialPromotions":null,"variantOptions":null,"baseOptions":[],"volumePricesFlag":null,"volumePrices":null,"productReferences":null,"variantMatrix":null,"priceRange":null,"firstCategoryNameList":null,"multidimensional":null,"configurable":false,"configuratorType":null,"addToCartDisabled":null,"addToCartDisabledMessage":null,"tags":null,"sapUnit":null,"keywords":null,"genders":null,"itemtype":"Part","partSubstitute":null,"note":null,"recallNote":null,"note1":null,"note2":null,"note3":null,"note4":null,"note5":null,"pdfAllUser":null,"pdfAuthUser":null,"pdfCOSUser":null,"vaiantRelatedPartList":null,"partHotspotList":null,"itemNumber":4,"partRelatedVariantList":null,"bomCode":2,"totalValue":null,"searchImage":null,"length":null,"width":null,"height":null,"unitOfDimension":null,"weight":null,"unitOfWeight":null,"specialRouting":false,"onlineRepair":null,"previousPartID":null,"sbdDiscountPriceValue":{"currencyIso":"USD","value":2.61,"priceType":"BUY","formattedValue":"$2.61","minQuantity":null,"maxQuantity":null,"sapUnit":{"code":"pieces","name":"Piece"}},"alrCode":null,"productRecallFlag":null,"selectedDocumentId":null,"productDescription":null,"pdpImage":null,"ticketId":null,"qtyRequiredPerVariant":"1","isElgibleForRepair":null,"isPowerEligible":null,"productRecallNotes":null,"productOtherInfo":null,"backorderETA":"00/00/0000","modifiedDate":null,"userLevel":"ALL","displayPrice":null,"baseProductName":null,"firstVariantCode":null,"firstVariantImage":null,"productMarketType":null,"productNumber":null,"typeStatusCode":null,"productCategory":null,"typeNumber":null,"marketCode":null,"regionCode":null,"otherInformation":null,"productTypeStatus":null,"repairInstruction":null,"repairInstructionStatusDescription":null,"typeStatusDate":null,"serviceLifeDate":null,"manufacturerId":null,"parts":null,"language":null,"glossaries":null,"brand":null,"product":null,"brandCode":null,"recallNotes":null,"volume":null},{"code":"P710-1260A-CM","name":null,"url":"/c//p/P710-1260A-CM","description":"SCREW-HEX WA","purchasable":true,"stock":{"stockLevelStatus":{"code":"inStock","type":"StockLevelStatus"},"stockLevel":0,"stockThreshold":null},"futureStocks":null,"availableForPickup":null,"averageRating":null,"numberOfReviews":null,"summary":null,"manufacturer":null,"variantType":null,"price":{"currencyIso":"USD","value":2.37,"priceType":"BUY","formattedValue":"$2.37","minQuantity":null,"maxQuantity":null,"sapUnit":{"code":"pieces","name":"Piece"}},"baseProduct":null,"images":[],"categories":null,"reviews":null,"classifications":null,"potentialPromotions":null,"variantOptions":null,"baseOptions":[],"volumePricesFlag":null,"volumePrices":null,"productReferences":null,"variantMatrix":null,"priceRange":null,"firstCategoryNameList":null,"multidimensional":null,"configurable":false,"configuratorType":null,"addToCartDisabled":null,"addToCartDisabledMessage":null,"tags":null,"sapUnit":null,"keywords":null,"genders":null,"itemtype":"Part","partSubstitute":null,"note":null,"recallNote":null,"note1":null,"note2":null,"note3":null,"note4":null,"note5":null,"pdfAllUser":null,"pdfAuthUser":null,"pdfCOSUser":null,"vaiantRelatedPartList":null,"partHotspotList":null,"itemNumber":4,"partRelatedVariantList":null,"bomCode":2,"totalValue":null,"searchImage":null,"length":null,"width":null,"height":null,"unitOfDimension":null,"weight":null,"unitOfWeight":null,"specialRouting":false,"onlineRepair":null,"previousPartID":null,"sbdDiscountPriceValue":{"currencyIso":"USD","value":2.37,"priceType":"BUY","formattedValue":"$2.37","minQuantity":null,"maxQuantity":null,"sapUnit":{"code":"pieces","name":"Piece"}},"alrCode":null,"productRecallFlag":null,"selectedDocumentId":null,"productDescription":null,"pdpImage":null,"ticketId":null,"qtyRequiredPerVariant":"1","isElgibleForRepair":null,"isPowerEligible":null,"productRecallNotes":null,"productOtherInfo":null,"backorderETA":"00/00/0000","modifiedDate":null,"userLevel":"ALL","displayPrice":null,"baseProductName":null,"firstVariantCode":null,"firstVariantImage":null,"productMarketType":null,"productNumber":null,"typeStatusCode":null,"productCategory":null,"typeNumber":null,"marketCode":null,"regionCode":null,"otherInformation":null,"productTypeStatus":null,"repairInstruction":null,"repairInstructionStatusDescription":null,"typeStatusDate":null,"serviceLifeDate":null,"manufacturerId":null,"parts":null,"language":null,"glossaries":null,"brand":null,"product":null,"brandCode":null,"recallNotes":null,"volume":null},{"code":"P716-0106A-CM","name":null,"url":"/c//p/P716-0106A-CM","description":"RING-E","purchasable":true,"stock":{"stockLevelStatus":{"code":"inStock","type":"StockLevelStatus"},"stockLevel":0,"stockThreshold":null},"futureStocks":null,"availableForPickup":null,"averageRating":null,"numberOfReviews":null,"summary":null,"manufacturer":null,"variantType":null,"price":{"currencyIso":"USD","value":3.05,"priceType":"BUY","formattedValue":"$3.05","minQuantity":null,"maxQuantity":null,"sapUnit":{"code":"pieces","name":"Piece"}},"baseProduct":null,"images":[],"categories":null,"reviews":null,"classifications":null,"potentialPromotions":null,"variantOptions":null,"baseOptions":[],"volumePricesFlag":null,"volumePrices":null,"productReferences":null,"variantMatrix":null,"priceRange":null,"firstCategoryNameList":null,"multidimensional":null,"configurable":false,"configuratorType":null,"addToCartDisabled":null,"addToCartDisabledMessage":null,"tags":null,"sapUnit":null,"keywords":null,"genders":null,"itemtype":"Part","partSubstitute":null,"note":null,"recallNote":null,"note1":null,"note2":null,"note3":null,"note4":null,"note5":null,"pdfAllUser":null,"pdfAuthUser":null,"pdfCOSUser":null,"vaiantRelatedPartList":null,"partHotspotList":null,"itemNumber":4,"partRelatedVariantList":null,"bomCode":2,"totalValue":null,"searchImage":null,"length":null,"width":null,"height":null,"unitOfDimension":null,"weight":null,"unitOfWeight":null,"specialRouting":false,"onlineRepair":null,"previousPartID":null,"sbdDiscountPriceValue":{"currencyIso":"USD","value":3.05,"priceType":"BUY","formattedValue":"$3.05","minQuantity":null,"maxQuantity":null,"sapUnit":{"code":"pieces","name":"Piece"}},"alrCode":null,"productRecallFlag":null,"selectedDocumentId":null,"productDescription":null,"pdpImage":null,"ticketId":null,"qtyRequiredPerVariant":"1","isElgibleForRepair":null,"isPowerEligible":null,"productRecallNotes":null,"productOtherInfo":null,"backorderETA":"00/00/0000","modifiedDate":null,"userLevel":"ALL","displayPrice":null,"baseProductName":null,"firstVariantCode":null,"firstVariantImage":null,"productMarketType":null,"productNumber":null,"typeStatusCode":null,"productCategory":null,"typeNumber":null,"marketCode":null,"regionCode":null,"otherInformation":null,"productTypeStatus":null,"repairInstruction":null,"repairInstructionStatusDescription":null,"typeStatusDate":null,"serviceLifeDate":null,"manufacturerId":null,"parts":null,"language":null,"glossaries":null,"brand":null,"product":null,"brandCode":null,"recallNotes":null,"volume":null},{"code":"P925-05013-CM","name":null,"url":"/c//p/P925-05013-CM","description":"SWITCH-SEAT","purchasable":true,"stock":{"stockLevelStatus":{"code":"inStock","type":"StockLevelStatus"},"stockLevel":0,"stockThreshold":null},"futureStocks":null,"availableForPickup":null,"averageRating":null,"numberOfReviews":null,"summary":null,"manufacturer":null,"variantType":null,"price":{"currencyIso":"USD","value":19.93,"priceType":"BUY","formattedValue":"$19.93","minQuantity":null,"maxQuantity":null,"sapUnit":{"code":"pieces","name":"Piece"}},"baseProduct":null,"images":[],"categories":null,"reviews":null,"classifications":null,"potentialPromotions":null,"variantOptions":null,"baseOptions":[],"volumePricesFlag":null,"volumePrices":null,"productReferences":null,"variantMatrix":null,"priceRange":null,"firstCategoryNameList":null,"multidimensional":null,"configurable":false,"configuratorType":null,"addToCartDisabled":null,"addToCartDisabledMessage":null,"tags":null,"sapUnit":null,"keywords":null,"genders":null,"itemtype":"Part","partSubstitute":null,"note":null,"recallNote":null,"note1":null,"note2":null,"note3":null,"note4":null,"note5":null,"pdfAllUser":null,"pdfAuthUser":null,"pdfCOSUser":null,"vaiantRelatedPartList":null,"partHotspotList":null,"itemNumber":4,"partRelatedVariantList":null,"bomCode":2,"totalValue":null,"searchImage":null,"length":null,"width":null,"height":null,"unitOfDimension":null,"weight":null,"unitOfWeight":null,"specialRouting":false,"onlineRepair":null,"previousPartID":null,"sbdDiscountPriceValue":{"currencyIso":"USD","value":19.93,"priceType":"BUY","formattedValue":"$19.93","minQuantity":null,"maxQuantity":null,"sapUnit":{"code":"pieces","name":"Piece"}},"alrCode":null,"productRecallFlag":null,"selectedDocumentId":null,"productDescription":null,"pdpImage":null,"ticketId":null,"qtyRequiredPerVariant":"1","isElgibleForRepair":null,"isPowerEligible":null,"productRecallNotes":null,"productOtherInfo":null,"backorderETA":"00/00/0000","modifiedDate":null,"userLevel":"ALL","displayPrice":null,"baseProductName":null,"firstVariantCode":null,"firstVariantImage":null,"productMarketType":null,"productNumber":null,"typeStatusCode":null,"productCategory":null,"typeNumber":null,"marketCode":null,"regionCode":null,"otherInformation":null,"productTypeStatus":null,"repairInstruction":null,"repairInstructionStatusDescription":null,"typeStatusDate":null,"serviceLifeDate":null,"manufacturerId":null,"parts":null,"language":null,"glossaries":null,"brand":null,"product":null,"brandCode":null,"recallNotes":null,"volume":null},{"code":"P983-04525-CM","name":null,"url":"/c//p/P983-04525-CM","description":"BRAKE ASM-DE","purchasable":true,"stock":{"stockLevelStatus":{"code":"inStock","type":"StockLevelStatus"},"stockLevel":0,"stockThreshold":null},"futureStocks":null,"availableForPickup":null,"averageRating":null,"numberOfReviews":null,"summary":null,"manufacturer":null,"variantType":null,"price":{"currencyIso":"USD","value":19.68,"priceType":"BUY","formattedValue":"$19.68","minQuantity":null,"maxQuantity":null,"sapUnit":{"code":"pieces","name":"Piece"}},"baseProduct":null,"images":[],"categories":null,"reviews":null,"classifications":null,"potentialPromotions":null,"variantOptions":null,"baseOptions":[],"volumePricesFlag":null,"volumePrices":null,"productReferences":null,"variantMatrix":null,"priceRange":null,"firstCategoryNameList":null,"multidimensional":null,"configurable":false,"configuratorType":null,"addToCartDisabled":null,"addToCartDisabledMessage":null,"tags":null,"sapUnit":null,"keywords":null,"genders":null,"itemtype":"Part","partSubstitute":null,"note":null,"recallNote":null,"note1":null,"note2":null,"note3":null,"note4":null,"note5":null,"pdfAllUser":null,"pdfAuthUser":null,"pdfCOSUser":null,"vaiantRelatedPartList":null,"partHotspotList":null,"itemNumber":4,"partRelatedVariantList":null,"bomCode":2,"totalValue":null,"searchImage":null,"length":null,"width":null,"height":null,"unitOfDimension":null,"weight":null,"unitOfWeight":null,"specialRouting":false,"onlineRepair":null,"previousPartID":null,"sbdDiscountPriceValue":{"currencyIso":"USD","value":19.68,"priceType":"BUY","formattedValue":"$19.68","minQuantity":null,"maxQuantity":null,"sapUnit":{"code":"pieces","name":"Piece"}},"alrCode":null,"productRecallFlag":null,"selectedDocumentId":null,"productDescription":null,"pdpImage":null,"ticketId":null,"qtyRequiredPerVariant":"1","isElgibleForRepair":null,"isPowerEligible":null,"productRecallNotes":null,"productOtherInfo":null,"backorderETA":"00/00/0000","modifiedDate":null,"userLevel":"ALL","displayPrice":null,"baseProductName":null,"firstVariantCode":null,"firstVariantImage":null,"productMarketType":null,"productNumber":null,"typeStatusCode":null,"productCategory":null,"typeNumber":null,"marketCode":null,"regionCode":null,"otherInformation":null,"productTypeStatus":null,"repairInstruction":null,"repairInstructionStatusDescription":null,"typeStatusDate":null,"serviceLifeDate":null,"manufacturerId":null,"parts":null,"language":null,"glossaries":null,"brand":null,"product":null,"brandCode":null,"recallNotes":null,"volume":null},{"code":"P5140225-76","name":null,"url":"/c//p/P5140225-76","description":"DECK","purchasable":true,"stock":{"stockLevelStatus":{"code":"inStock","type":"StockLevelStatus"},"stockLevel":0,"stockThreshold":null},"futureStocks":null,"availableForPickup":null,"averageRating":null,"numberOfReviews":null,"summary":null,"manufacturer":null,"variantType":null,"price":{"currencyIso":"USD","value":391.06,"priceType":"BUY","formattedValue":"$391.06","minQuantity":null,"maxQuantity":null,"sapUnit":{"code":"pieces","name":"Piece"}},"baseProduct":null,"images":[],"categories":null,"reviews":null,"classifications":null,"potentialPromotions":null,"variantOptions":null,"baseOptions":[],"volumePricesFlag":null,"volumePrices":null,"productReferences":null,"variantMatrix":null,"priceRange":null,"firstCategoryNameList":null,"multidimensional":null,"configurable":false,"configuratorType":null,"addToCartDisabled":null,"addToCartDisabledMessage":null,"tags":null,"sapUnit":null,"keywords":null,"genders":null,"itemtype":"Part","partSubstitute":null,"note":null,"recallNote":null,"note1":null,"note2":null,"note3":null,"note4":null,"note5":null,"pdfAllUser":null,"pdfAuthUser":null,"pdfCOSUser":null,"vaiantRelatedPartList":null,"partHotspotList":null,"itemNumber":5,"partRelatedVariantList":null,"bomCode":2,"totalValue":null,"searchImage":null,"length":null,"width":null,"height":null,"unitOfDimension":null,"weight":null,"unitOfWeight":null,"specialRouting":false,"onlineRepair":null,"previousPartID":null,"sbdDiscountPriceValue":{"currencyIso":"USD","value":391.06,"priceType":"BUY","formattedValue":"$391.06","minQuantity":null,"maxQuantity":null,"sapUnit":{"code":"pieces","name":"Piece"}},"alrCode":null,"productRecallFlag":null,"selectedDocumentId":null,"productDescription":null,"pdpImage":null,"ticketId":null,"qtyRequiredPerVariant":"1","isElgibleForRepair":null,"isPowerEligible":null,"productRecallNotes":null,"productOtherInfo":null,"backorderETA":"00/00/0000","modifiedDate":null,"userLevel":"ALL","displayPrice":null,"baseProductName":null,"firstVariantCode":null,"firstVariantImage":null,"productMarketType":null,"productNumber":null,"typeStatusCode":null,"productCategory":null,"typeNumber":null,"marketCode":null,"regionCode":null,"otherInformation":null,"productTypeStatus":null,"repairInstruction":null,"repairInstructionStatusDescription":null,"typeStatusDate":null,"serviceLifeDate":null,"manufacturerId":null,"parts":null,"language":null,"glossaries":null,"brand":null,"product":null,"brandCode":null,"recallNotes":null,"volume":null},{"code":"P710-1314A-CM","name":null,"url":"/c//p/P710-1314A-CM","description":"SCREW-CAP SO","purchasable":true,"stock":{"stockLevelStatus":{"code":"inStock","type":"StockLevelStatus"},"stockLevel":0,"stockThreshold":null},"futureStocks":null,"availableForPickup":null,"averageRating":null,"numberOfReviews":null,"summary":null,"manufacturer":null,"variantType":null,"price":{"currencyIso":"USD","value":2.78,"priceType":"BUY","formattedValue":"$2.78","minQuantity":null,"maxQuantity":null,"sapUnit":{"code":"pieces","name":"Piece"}},"baseProduct":null,"images":[],"categories":null,"reviews":null,"classifications":null,"potentialPromotions":null,"variantOptions":null,"baseOptions":[],"volumePricesFlag":null,"volumePrices":null,"productReferences":null,"variantMatrix":null,"priceRange":null,"firstCategoryNameList":null,"multidimensional":null,"configurable":false,"configuratorType":null,"addToCartDisabled":null,"addToCartDisabledMessage":null,"tags":null,"sapUnit":null,"keywords":null,"genders":null,"itemtype":"Part","partSubstitute":null,"note":null,"recallNote":null,"note1":null,"note2":null,"note3":null,"note4":null,"note5":null,"pdfAllUser":null,"pdfAuthUser":null,"pdfCOSUser":null,"vaiantRelatedPartList":null,"partHotspotList":null,"itemNumber":5,"partRelatedVariantList":null,"bomCode":2,"totalValue":null,"searchImage":null,"length":null,"width":null,"height":null,"unitOfDimension":null,"weight":null,"unitOfWeight":null,"specialRouting":false,"onlineRepair":null,"previousPartID":null,"sbdDiscountPriceValue":{"currencyIso":"USD","value":2.78,"priceType":"BUY","formattedValue":"$2.78","minQuantity":null,"maxQuantity":null,"sapUnit":{"code":"pieces","name":"Piece"}},"alrCode":null,"productRecallFlag":null,"selectedDocumentId":null,"productDescription":null,"pdpImage":null,"ticketId":null,"qtyRequiredPerVariant":"1","isElgibleForRepair":null,"isPowerEligible":null,"productRecallNotes":null,"productOtherInfo":null,"backorderETA":"00/00/0000","modifiedDate":null,"userLevel":"ALL","displayPrice":null,"baseProductName":null,"firstVariantCode":null,"firstVariantImage":null,"productMarketType":null,"productNumber":null,"typeStatusCode":null,"productCategory":null,"typeNumber":null,"marketCode":null,"regionCode":null,"otherInformation":null,"productTypeStatus":null,"repairInstruction":null,"repairInstructionStatusDescription":null,"typeStatusDate":null,"serviceLifeDate":null,"manufacturerId":null,"parts":null,"language":null,"glossaries":null,"brand":null,"product":null,"brandCode":null,"recallNotes":null,"volume":null},{"code":"P710-3180-CM","name":null,"url":"/c//p/P710-3180-CM","description":"BOLT HEX","purchasable":true,"stock":{"stockLevelStatus":{"code":"inStock","type":"StockLevelStatus"},"stockLevel":0,"stockThreshold":null},"futureStocks":null,"availableForPickup":null,"averageRating":null,"numberOfReviews":null,"summary":null,"manufacturer":null,"variantType":null,"price":{"currencyIso":"USD","value":3.4,"priceType":"BUY","formattedValue":"$3.40","minQuantity":null,"maxQuantity":null,"sapUnit":{"code":"pieces","name":"Piece"}},"baseProduct":null,"images":[],"categories":null,"reviews":null,"classifications":null,"potentialPromotions":null,"variantOptions":null,"baseOptions":[],"volumePricesFlag":null,"volumePrices":null,"productReferences":null,"variantMatrix":null,"priceRange":null,"firstCategoryNameList":null,"multidimensional":null,"configurable":false,"configuratorType":null,"addToCartDisabled":null,"addToCartDisabledMessage":null,"tags":null,"sapUnit":null,"keywords":null,"genders":null,"itemtype":"Part","partSubstitute":null,"note":null,"recallNote":null,"note1":null,"note2":null,"note3":null,"note4":null,"note5":null,"pdfAllUser":null,"pdfAuthUser":null,"pdfCOSUser":null,"vaiantRelatedPartList":null,"partHotspotList":null,"itemNumber":5,"partRelatedVariantList":null,"bomCode":2,"totalValue":null,"searchImage":null,"length":null,"width":null,"height":null,"unitOfDimension":null,"weight":null,"unitOfWeight":null,"specialRouting":false,"onlineRepair":null,"previousPartID":null,"sbdDiscountPriceValue":{"currencyIso":"USD","value":3.4,"priceType":"BUY","formattedValue":"$3.40","minQuantity":null,"maxQuantity":null,"sapUnit":{"code":"pieces","name":"Piece"}},"alrCode":null,"productRecallFlag":null,"selectedDocumentId":null,"productDescription":null,"pdpImage":null,"ticketId":null,"qtyRequiredPerVariant":"1","isElgibleForRepair":null,"isPowerEligible":null,"productRecallNotes":null,"productOtherInfo":null,"backorderETA":"00/00/0000","modifiedDate":null,"userLevel":"ALL","displayPrice":null,"baseProductName":null,"firstVariantCode":null,"firstVariantImage":null,"productMarketType":null,"productNumber":null,"typeStatusCode":null,"productCategory":null,"typeNumber":null,"marketCode":null,"regionCode":null,"otherInformation":null,"productTypeStatus":null,"repairInstruction":null,"repairInstructionStatusDescription":null,"typeStatusDate":null,"serviceLifeDate":null,"manufacturerId":null,"parts":null,"language":null,"glossaries":null,"brand":null,"product":null,"brandCode":null,"recallNotes":null,"volume":null},{"code":"P712-0292-CM","name":null,"url":"/c//p/P712-0292-CM","description":"NUT-SPEED","purchasable":true,"stock":{"stockLevelStatus":{"code":"inStock","type":"StockLevelStatus"},"stockLevel":0,"stockThreshold":null},"futureStocks":null,"availableForPickup":null,"averageRating":null,"numberOfReviews":null,"summary":null,"manufacturer":null,"variantType":null,"price":{"currencyIso":"USD","value":6.17,"priceType":"BUY","formattedValue":"$6.17","minQuantity":null,"maxQuantity":null,"sapUnit":{"code":"pieces","name":"Piece"}},"baseProduct":null,"images":[],"categories":null,"reviews":null,"classifications":null,"potentialPromotions":null,"variantOptions":null,"baseOptions":[],"volumePricesFlag":null,"volumePrices":null,"productReferences":null,"variantMatrix":null,"priceRange":null,"firstCategoryNameList":null,"multidimensional":null,"configurable":false,"configuratorType":null,"addToCartDisabled":null,"addToCartDisabledMessage":null,"tags":null,"sapUnit":null,"keywords":null,"genders":null,"itemtype":"Part","partSubstitute":null,"note":null,"recallNote":null,"note1":null,"note2":null,"note3":null,"note4":null,"note5":null,"pdfAllUser":null,"pdfAuthUser":null,"pdfCOSUser":null,"vaiantRelatedPartList":null,"partHotspotList":null,"itemNumber":5,"partRelatedVariantList":null,"bomCode":2,"totalValue":null,"searchImage":null,"length":null,"width":null,"height":null,"unitOfDimension":null,"weight":null,"unitOfWeight":null,"specialRouting":false,"onlineRepair":null,"previousPartID":null,"sbdDiscountPriceValue":{"currencyIso":"USD","value":6.17,"priceType":"BUY","formattedValue":"$6.17","minQuantity":null,"maxQuantity":null,"sapUnit":{"code":"pieces","name":"Piece"}},"alrCode":null,"productRecallFlag":null,"selectedDocumentId":null,"productDescription":null,"pdpImage":null,"ticketId":null,"qtyRequiredPerVariant":"1","isElgibleForRepair":null,"isPowerEligible":null,"productRecallNotes":null,"productOtherInfo":null,"backorderETA":"00/00/0000","modifiedDate":null,"userLevel":"ALL","displayPrice":null,"baseProductName":null,"firstVariantCode":null,"firstVariantImage":null,"productMarketType":null,"productNumber":null,"typeStatusCode":null,"productCategory":null,"typeNumber":null,"marketCode":null,"regionCode":null,"otherInformation":null,"productTypeStatus":null,"repairInstruction":null,"repairInstructionStatusDescription":null,"typeStatusDate":null,"serviceLifeDate":null,"manufacturerId":null,"parts":null,"language":null,"glossaries":null,"brand":null,"product":null,"brandCode":null,"recallNotes":null,"volume":null},{"code":"P720-0311-CM","name":null,"url":"/c//p/P720-0311-CM","description":"GRIP-HANDLE","purchasable":true,"stock":{"stockLevelStatus":{"code":"inStock","type":"StockLevelStatus"},"stockLevel":0,"stockThreshold":null},"futureStocks":null,"availableForPickup":null,"averageRating":null,"numberOfReviews":null,"summary":null,"manufacturer":null,"variantType":null,"price":{"currencyIso":"USD","value":9.15,"priceType":"BUY","formattedValue":"$9.15","minQuantity":null,"maxQuantity":null,"sapUnit":{"code":"pieces","name":"Piece"}},"baseProduct":null,"images":[],"categories":null,"reviews":null,"classifications":null,"potentialPromotions":null,"variantOptions":null,"baseOptions":[],"volumePricesFlag":null,"volumePrices":null,"productReferences":null,"variantMatrix":null,"priceRange":null,"firstCategoryNameList":null,"multidimensional":null,"configurable":false,"configuratorType":null,"addToCartDisabled":null,"addToCartDisabledMessage":null,"tags":null,"sapUnit":null,"keywords":null,"genders":null,"itemtype":"Part","partSubstitute":null,"note":null,"recallNote":null,"note1":null,"note2":null,"note3":null,"note4":null,"note5":null,"pdfAllUser":null,"pdfAuthUser":null,"pdfCOSUser":null,"vaiantRelatedPartList":null,"partHotspotList":null,"itemNumber":5,"partRelatedVariantList":null,"bomCode":2,"totalValue":null,"searchImage":null,"length":null,"width":null,"height":null,"unitOfDimension":null,"weight":null,"unitOfWeight":null,"specialRouting":false,"onlineRepair":null,"previousPartID":null,"sbdDiscountPriceValue":{"currencyIso":"USD","value":9.15,"priceType":"BUY","formattedValue":"$9.15","minQuantity":null,"maxQuantity":null,"sapUnit":{"code":"pieces","name":"Piece"}},"alrCode":null,"productRecallFlag":null,"selectedDocumentId":null,"productDescription":null,"pdpImage":null,"ticketId":null,"qtyRequiredPerVariant":"1","isElgibleForRepair":null,"isPowerEligible":null,"productRecallNotes":null,"productOtherInfo":null,"backorderETA":"00/00/0000","modifiedDate":null,"userLevel":"ALL","displayPrice":null,"baseProductName":null,"firstVariantCode":null,"firstVariantImage":null,"productMarketType":null,"productNumber":null,"typeStatusCode":null,"productCategory":null,"typeNumber":null,"marketCode":null,"regionCode":null,"otherInformation":null,"productTypeStatus":null,"repairInstruction":null,"repairInstructionStatusDescription":null,"typeStatusDate":null,"serviceLifeDate":null,"manufacturerId":null,"parts":null,"language":null,"glossaries":null,"brand":null,"product":null,"brandCode":null,"recallNotes":null,"volume":null},{"code":"P757-04144-CM","name":null,"url":"/c//p/P757-04144-CM","description":"SEAT","purchasable":true,"stock":{"stockLevelStatus":{"code":"inStock","type":"StockLevelStatus"},"stockLevel":0,"stockThreshold":null},"futureStocks":null,"availableForPickup":null,"averageRating":null,"numberOfReviews":null,"summary":null,"manufacturer":null,"variantType":null,"price":{"currencyIso":"USD","value":154.25,"priceType":"BUY","formattedValue":"$154.25","minQuantity":null,"maxQuantity":null,"sapUnit":{"code":"pieces","name":"Piece"}},"baseProduct":null,"images":[],"categories":null,"reviews":null,"classifications":null,"potentialPromotions":null,"variantOptions":null,"baseOptions":[],"volumePricesFlag":null,"volumePrices":null,"productReferences":null,"variantMatrix":null,"priceRange":null,"firstCategoryNameList":null,"multidimensional":null,"configurable":false,"configuratorType":null,"addToCartDisabled":null,"addToCartDisabledMessage":null,"tags":null,"sapUnit":null,"keywords":null,"genders":null,"itemtype":"Part","partSubstitute":null,"note":null,"recallNote":null,"note1":null,"note2":null,"note3":null,"note4":null,"note5":null,"pdfAllUser":null,"pdfAuthUser":null,"pdfCOSUser":null,"vaiantRelatedPartList":null,"partHotspotList":null,"itemNumber":5,"partRelatedVariantList":null,"bomCode":2,"totalValue":null,"searchImage":null,"length":null,"width":null,"height":null,"unitOfDimension":null,"weight":null,"unitOfWeight":null,"specialRouting":false,"onlineRepair":null,"previousPartID":null,"sbdDiscountPriceValue":{"currencyIso":"USD","value":154.25,"priceType":"BUY","formattedValue":"$154.25","minQuantity":null,"maxQuantity":null,"sapUnit":{"code":"pieces","name":"Piece"}},"alrCode":null,"productRecallFlag":null,"selectedDocumentId":null,"productDescription":null,"pdpImage":null,"ticketId":null,"qtyRequiredPerVariant":"1","isElgibleForRepair":null,"isPowerEligible":null,"productRecallNotes":null,"productOtherInfo":null,"backorderETA":"00/00/0000","modifiedDate":null,"userLevel":"ALL","displayPrice":null,"baseProductName":null,"firstVariantCode":null,"firstVariantImage":null,"productMarketType":null,"productNumber":null,"typeStatusCode":null,"productCategory":null,"typeNumber":null,"marketCode":null,"regionCode":null,"otherInformation":null,"productTypeStatus":null,"repairInstruction":null,"repairInstructionStatusDescription":null,"typeStatusDate":null,"serviceLifeDate":null,"manufacturerId":null,"parts":null,"language":null,"glossaries":null,"brand":null,"product":null,"brandCode":null,"recallNotes":null,"volume":null},{"code":"P777D18561-CM","name":null,"url":"/c//p/P777D18561-CM","description":"DECAL","purchasable":true,"stock":{"stockLevelStatus":{"code":"inStock","type":"StockLevelStatus"},"stockLevel":0,"stockThreshold":null},"futureStocks":null,"availableForPickup":null,"averageRating":null,"numberOfReviews":null,"summary":null,"manufacturer":null,"variantType":null,"price":{"currencyIso":"USD","value":2.55,"priceType":"BUY","formattedValue":"$2.55","minQuantity":null,"maxQuantity":null,"sapUnit":{"code":"pieces","name":"Piece"}},"baseProduct":null,"images":[],"categories":null,"reviews":null,"classifications":null,"potentialPromotions":null,"variantOptions":null,"baseOptions":[],"volumePricesFlag":null,"volumePrices":null,"productReferences":null,"variantMatrix":null,"priceRange":null,"firstCategoryNameList":null,"multidimensional":null,"configurable":false,"configuratorType":null,"addToCartDisabled":null,"addToCartDisabledMessage":null,"tags":null,"sapUnit":null,"keywords":null,"genders":null,"itemtype":"Part","partSubstitute":null,"note":null,"recallNote":null,"note1":null,"note2":null,"note3":null,"note4":null,"note5":null,"pdfAllUser":null,"pdfAuthUser":null,"pdfCOSUser":null,"vaiantRelatedPartList":null,"partHotspotList":null,"itemNumber":5,"partRelatedVariantList":null,"bomCode":2,"totalValue":null,"searchImage":null,"length":null,"width":null,"height":null,"unitOfDimension":null,"weight":null,"unitOfWeight":null,"specialRouting":false,"onlineRepair":null,"previousPartID":null,"sbdDiscountPriceValue":{"currencyIso":"USD","value":2.55,"priceType":"BUY","formattedValue":"$2.55","minQuantity":null,"maxQuantity":null,"sapUnit":{"code":"pieces","name":"Piece"}},"alrCode":null,"productRecallFlag":null,"selectedDocumentId":null,"productDescription":null,"pdpImage":null,"ticketId":null,"qtyRequiredPerVariant":"1","isElgibleForRepair":null,"isPowerEligible":null,"productRecallNotes":null,"productOtherInfo":null,"backorderETA":"00/00/0000","modifiedDate":null,"userLevel":"ALL","displayPrice":null,"baseProductName":null,"firstVariantCode":null,"firstVariantImage":null,"productMarketType":null,"productNumber":null,"typeStatusCode":null,"productCategory":null,"typeNumber":null,"marketCode":null,"regionCode":null,"otherInformation":null,"productTypeStatus":null,"repairInstruction":null,"repairInstructionStatusDescription":null,"typeStatusDate":null,"serviceLifeDate":null,"manufacturerId":null,"parts":null,"language":null,"glossaries":null,"brand":null,"product":null,"brandCode":null,"recallNotes":null,"volume":null},{"code":"P710-0751-CM","name":null,"url":"/c//p/P710-0751-CM","description":"HEX BOLT","purchasable":true,"stock":{"stockLevelStatus":{"code":"inStock","type":"StockLevelStatus"},"stockLevel":0,"stockThreshold":null},"futureStocks":null,"availableForPickup":null,"averageRating":null,"numberOfReviews":null,"summary":null,"manufacturer":null,"variantType":null,"price":{"currencyIso":"USD","value":2.5,"priceType":"BUY","formattedValue":"$2.50","minQuantity":null,"maxQuantity":null,"sapUnit":{"code":"pieces","name":"Piece"}},"baseProduct":null,"images":[],"categories":null,"reviews":null,"classifications":null,"potentialPromotions":null,"variantOptions":null,"baseOptions":[],"volumePricesFlag":null,"volumePrices":null,"productReferences":null,"variantMatrix":null,"priceRange":null,"firstCategoryNameList":null,"multidimensional":null,"configurable":false,"configuratorType":null,"addToCartDisabled":null,"addToCartDisabledMessage":null,"tags":null,"sapUnit":null,"keywords":null,"genders":null,"itemtype":"Part","partSubstitute":null,"note":null,"recallNote":null,"note1":null,"note2":null,"note3":null,"note4":null,"note5":null,"pdfAllUser":null,"pdfAuthUser":null,"pdfCOSUser":null,"vaiantRelatedPartList":null,"partHotspotList":null,"itemNumber":6,"partRelatedVariantList":null,"bomCode":2,"totalValue":null,"searchImage":null,"length":null,"width":null,"height":null,"unitOfDimension":null,"weight":null,"unitOfWeight":null,"specialRouting":false,"onlineRepair":null,"previousPartID":null,"sbdDiscountPriceValue":{"currencyIso":"USD","value":2.5,"priceType":"BUY","formattedValue":"$2.50","minQuantity":null,"maxQuantity":null,"sapUnit":{"code":"pieces","name":"Piece"}},"alrCode":null,"productRecallFlag":null,"selectedDocumentId":null,"productDescription":null,"pdpImage":null,"ticketId":null,"qtyRequiredPerVariant":"1","isElgibleForRepair":null,"isPowerEligible":null,"productRecallNotes":null,"productOtherInfo":null,"backorderETA":"00/00/0000","modifiedDate":null,"userLevel":"ALL","displayPrice":null,"baseProductName":null,"firstVariantCode":null,"firstVariantImage":null,"productMarketType":null,"productNumber":null,"typeStatusCode":null,"productCategory":null,"typeNumber":null,"marketCode":null,"regionCode":null,"otherInformation":null,"productTypeStatus":null,"repairInstruction":null,"repairInstructionStatusDescription":null,"typeStatusDate":null,"serviceLifeDate":null,"manufacturerId":null,"parts":null,"language":null,"glossaries":null,"brand":null,"product":null,"brandCode":null,"recallNotes":null,"volume":null},{"code":"P732-04225-CM","name":null,"url":"/c//p/P732-04225-CM","description":"TOR. SPRING","purchasable":true,"stock":{"stockLevelStatus":{"code":"inStock","type":"StockLevelStatus"},"stockLevel":0,"stockThreshold":null},"futureStocks":null,"availableForPickup":null,"averageRating":null,"numberOfReviews":null,"summary":null,"manufacturer":null,"variantType":null,"price":{"currencyIso":"USD","value":7.41,"priceType":"BUY","formattedValue":"$7.41","minQuantity":null,"maxQuantity":null,"sapUnit":{"code":"pieces","name":"Piece"}},"baseProduct":null,"images":[],"categories":null,"reviews":null,"classifications":null,"potentialPromotions":null,"variantOptions":null,"baseOptions":[],"volumePricesFlag":null,"volumePrices":null,"productReferences":null,"variantMatrix":null,"priceRange":null,"firstCategoryNameList":null,"multidimensional":null,"configurable":false,"configuratorType":null,"addToCartDisabled":null,"addToCartDisabledMessage":null,"tags":null,"sapUnit":null,"keywords":null,"genders":null,"itemtype":"Part","partSubstitute":null,"note":null,"recallNote":null,"note1":null,"note2":null,"note3":null,"note4":null,"note5":null,"pdfAllUser":null,"pdfAuthUser":null,"pdfCOSUser":null,"vaiantRelatedPartList":null,"partHotspotList":null,"itemNumber":6,"partRelatedVariantList":null,"bomCode":2,"totalValue":null,"searchImage":null,"length":null,"width":null,"height":null,"unitOfDimension":null,"weight":null,"unitOfWeight":null,"specialRouting":false,"onlineRepair":null,"previousPartID":null,"sbdDiscountPriceValue":{"currencyIso":"USD","value":7.41,"priceType":"BUY","formattedValue":"$7.41","minQuantity":null,"maxQuantity":null,"sapUnit":{"code":"pieces","name":"Piece"}},"alrCode":null,"productRecallFlag":null,"selectedDocumentId":null,"productDescription":null,"pdpImage":null,"ticketId":null,"qtyRequiredPerVariant":"1","isElgibleForRepair":null,"isPowerEligible":null,"productRecallNotes":null,"productOtherInfo":null,"backorderETA":"00/00/0000","modifiedDate":null,"userLevel":"ALL","displayPrice":null,"baseProductName":null,"firstVariantCode":null,"firstVariantImage":null,"productMarketType":null,"productNumber":null,"typeStatusCode":null,"productCategory":null,"typeNumber":null,"marketCode":null,"regionCode":null,"otherInformation":null,"productTypeStatus":null,"repairInstruction":null,"repairInstructionStatusDescription":null,"typeStatusDate":null,"serviceLifeDate":null,"manufacturerId":null,"parts":null,"language":null,"glossaries":null,"brand":null,"product":null,"brandCode":null,"recallNotes":null,"volume":null},{"code":"P738-0322A-CM","name":null,"url":"/c//p/P738-0322A-CM","description":"SCREW:SHIELD","purchasable":true,"stock":{"stockLevelStatus":{"code":"inStock","type":"StockLevelStatus"},"stockLevel":0,"stockThreshold":null},"futureStocks":null,"availableForPickup":null,"averageRating":null,"numberOfReviews":null,"summary":null,"manufacturer":null,"variantType":null,"price":{"currencyIso":"USD","value":4.1,"priceType":"BUY","formattedValue":"$4.10","minQuantity":null,"maxQuantity":null,"sapUnit":{"code":"pieces","name":"Piece"}},"baseProduct":null,"images":[],"categories":null,"reviews":null,"classifications":null,"potentialPromotions":null,"variantOptions":null,"baseOptions":[],"volumePricesFlag":null,"volumePrices":null,"productReferences":null,"variantMatrix":null,"priceRange":null,"firstCategoryNameList":null,"multidimensional":null,"configurable":false,"configuratorType":null,"addToCartDisabled":null,"addToCartDisabledMessage":null,"tags":null,"sapUnit":null,"keywords":null,"genders":null,"itemtype":"Part","partSubstitute":null,"note":null,"recallNote":null,"note1":null,"note2":null,"note3":null,"note4":null,"note5":null,"pdfAllUser":null,"pdfAuthUser":null,"pdfCOSUser":null,"vaiantRelatedPartList":null,"partHotspotList":null,"itemNumber":6,"partRelatedVariantList":null,"bomCode":2,"totalValue":null,"searchImage":null,"length":null,"width":null,"height":null,"unitOfDimension":null,"weight":null,"unitOfWeight":null,"specialRouting":false,"onlineRepair":null,"previousPartID":null,"sbdDiscountPriceValue":{"currencyIso":"USD","value":4.1,"priceType":"BUY","formattedValue":"$4.10","minQuantity":null,"maxQuantity":null,"sapUnit":{"code":"pieces","name":"Piece"}},"alrCode":null,"productRecallFlag":null,"selectedDocumentId":null,"productDescription":null,"pdpImage":null,"ticketId":null,"qtyRequiredPerVariant":"1","isElgibleForRepair":null,"isPowerEligible":null,"productRecallNotes":null,"productOtherInfo":null,"backorderETA":"00/00/0000","modifiedDate":null,"userLevel":"ALL","displayPrice":null,"baseProductName":null,"firstVariantCode":null,"firstVariantImage":null,"productMarketType":null,"productNumber":null,"typeStatusCode":null,"productCategory":null,"typeNumber":null,"marketCode":null,"regionCode":null,"otherInformation":null,"productTypeStatus":null,"repairInstruction":null,"repairInstructionStatusDescription":null,"typeStatusDate":null,"serviceLifeDate":null,"manufacturerId":null,"parts":null,"language":null,"glossaries":null,"brand":null,"product":null,"brandCode":null,"recallNotes":null,"volume":null},{"code":"P777I23592-CM","name":null,"url":"/c//p/P777I23592-CM","description":"LABEL-RIDER","purchasable":true,"stock":{"stockLevelStatus":{"code":"inStock","type":"StockLevelStatus"},"stockLevel":0,"stockThreshold":null},"futureStocks":null,"availableForPickup":null,"averageRating":null,"numberOfReviews":null,"summary":null,"manufacturer":null,"variantType":null,"price":{"currencyIso":"USD","value":2.55,"priceType":"BUY","formattedValue":"$2.55","minQuantity":null,"maxQuantity":null,"sapUnit":{"code":"pieces","name":"Piece"}},"baseProduct":null,"images":[],"categories":null,"reviews":null,"classifications":null,"potentialPromotions":null,"variantOptions":null,"baseOptions":[],"volumePricesFlag":null,"volumePrices":null,"productReferences":null,"variantMatrix":null,"priceRange":null,"firstCategoryNameList":null,"multidimensional":null,"configurable":false,"configuratorType":null,"addToCartDisabled":null,"addToCartDisabledMessage":null,"tags":null,"sapUnit":null,"keywords":null,"genders":null,"itemtype":"Part","partSubstitute":null,"note":null,"recallNote":null,"note1":null,"note2":null,"note3":null,"note4":null,"note5":null,"pdfAllUser":null,"pdfAuthUser":null,"pdfCOSUser":null,"vaiantRelatedPartList":null,"partHotspotList":null,"itemNumber":6,"partRelatedVariantList":null,"bomCode":2,"totalValue":null,"searchImage":null,"length":null,"width":null,"height":null,"unitOfDimension":null,"weight":null,"unitOfWeight":null,"specialRouting":false,"onlineRepair":null,"previousPartID":null,"sbdDiscountPriceValue":{"currencyIso":"USD","value":2.55,"priceType":"BUY","formattedValue":"$2.55","minQuantity":null,"maxQuantity":null,"sapUnit":{"code":"pieces","name":"Piece"}},"alrCode":null,"productRecallFlag":null,"selectedDocumentId":null,"productDescription":null,"pdpImage":null,"ticketId":null,"qtyRequiredPerVariant":"1","isElgibleForRepair":null,"isPowerEligible":null,"productRecallNotes":null,"productOtherInfo":null,"backorderETA":"00/00/0000","modifiedDate":null,"userLevel":"ALL","displayPrice":null,"baseProductName":null,"firstVariantCode":null,"firstVariantImage":null,"productMarketType":null,"productNumber":null,"typeStatusCode":null,"productCategory":null,"typeNumber":null,"marketCode":null,"regionCode":null,"otherInformation":null,"productTypeStatus":null,"repairInstruction":null,"repairInstructionStatusDescription":null,"typeStatusDate":null,"serviceLifeDate":null,"manufacturerId":null,"parts":null,"language":null,"glossaries":null,"brand":null,"product":null,"brandCode":null,"recallNotes":null,"volume":null},{"code":"P912-0214-CM","name":null,"url":"/c//p/P912-0214-CM","description":"NUT-HEX INS","purchasable":true,"stock":{"stockLevelStatus":{"code":"inStock","type":"StockLevelStatus"},"stockLevel":0,"stockThreshold":null},"futureStocks":null,"availableForPickup":null,"averageRating":null,"numberOfReviews":null,"summary":null,"manufacturer":null,"variantType":null,"price":{"currencyIso":"USD","value":4.1,"priceType":"BUY","formattedValue":"$4.10","minQuantity":null,"maxQuantity":null,"sapUnit":{"code":"pieces","name":"Piece"}},"baseProduct":null,"images":[],"categories":null,"reviews":null,"classifications":null,"potentialPromotions":null,"variantOptions":null,"baseOptions":[],"volumePricesFlag":null,"volumePrices":null,"productReferences":null,"variantMatrix":null,"priceRange":null,"firstCategoryNameList":null,"multidimensional":null,"configurable":false,"configuratorType":null,"addToCartDisabled":null,"addToCartDisabledMessage":null,"tags":null,"sapUnit":null,"keywords":null,"genders":null,"itemtype":"Part","partSubstitute":null,"note":null,"recallNote":null,"note1":null,"note2":null,"note3":null,"note4":null,"note5":null,"pdfAllUser":null,"pdfAuthUser":null,"pdfCOSUser":null,"vaiantRelatedPartList":null,"partHotspotList":null,"itemNumber":6,"partRelatedVariantList":null,"bomCode":2,"totalValue":null,"searchImage":null,"length":null,"width":null,"height":null,"unitOfDimension":null,"weight":null,"unitOfWeight":null,"specialRouting":false,"onlineRepair":null,"previousPartID":null,"sbdDiscountPriceValue":{"currencyIso":"USD","value":4.1,"priceType":"BUY","formattedValue":"$4.10","minQuantity":null,"maxQuantity":null,"sapUnit":{"code":"pieces","name":"Piece"}},"alrCode":null,"productRecallFlag":null,"selectedDocumentId":null,"productDescription":null,"pdpImage":null,"ticketId":null,"qtyRequiredPerVariant":"1","isElgibleForRepair":null,"isPowerEligible":null,"productRecallNotes":null,"productOtherInfo":null,"backorderETA":"00/00/0000","modifiedDate":null,"userLevel":"ALL","displayPrice":null,"baseProductName":null,"firstVariantCode":null,"firstVariantImage":null,"productMarketType":null,"productNumber":null,"typeStatusCode":null,"productCategory":null,"typeNumber":null,"marketCode":null,"regionCode":null,"otherInformation":null,"productTypeStatus":null,"repairInstruction":null,"repairInstructionStatusDescription":null,"typeStatusDate":null,"serviceLifeDate":null,"manufacturerId":null,"parts":null,"language":null,"glossaries":null,"brand":null,"product":null,"brandCode":null,"recallNotes":null,"volume":null},{"code":"P926-0154-CM","name":null,"url":"/c//p/P926-0154-CM","description":"TIE-PUSH MOU","purchasable":true,"stock":{"stockLevelStatus":{"code":"inStock","type":"StockLevelStatus"},"stockLevel":0,"stockThreshold":null},"futureStocks":null,"availableForPickup":null,"averageRating":null,"numberOfReviews":null,"summary":null,"manufacturer":null,"variantType":null,"price":{"currencyIso":"USD","value":3.79,"priceType":"BUY","formattedValue":"$3.79","minQuantity":null,"maxQuantity":null,"sapUnit":{"code":"pieces","name":"Piece"}},"baseProduct":null,"images":[],"categories":null,"reviews":null,"classifications":null,"potentialPromotions":null,"variantOptions":null,"baseOptions":[],"volumePricesFlag":null,"volumePrices":null,"productReferences":null,"variantMatrix":null,"priceRange":null,"firstCategoryNameList":null,"multidimensional":null,"configurable":false,"configuratorType":null,"addToCartDisabled":null,"addToCartDisabledMessage":null,"tags":null,"sapUnit":null,"keywords":null,"genders":null,"itemtype":"Part","partSubstitute":null,"note":null,"recallNote":null,"note1":null,"note2":null,"note3":null,"note4":null,"note5":null,"pdfAllUser":null,"pdfAuthUser":null,"pdfCOSUser":null,"vaiantRelatedPartList":null,"partHotspotList":null,"itemNumber":6,"partRelatedVariantList":null,"bomCode":2,"totalValue":null,"searchImage":null,"length":null,"width":null,"height":null,"unitOfDimension":null,"weight":null,"unitOfWeight":null,"specialRouting":false,"onlineRepair":null,"previousPartID":null,"sbdDiscountPriceValue":{"currencyIso":"USD","value":3.79,"priceType":"BUY","formattedValue":"$3.79","minQuantity":null,"maxQuantity":null,"sapUnit":{"code":"pieces","name":"Piece"}},"alrCode":null,"productRecallFlag":null,"selectedDocumentId":null,"productDescription":null,"pdpImage":null,"ticketId":null,"qtyRequiredPerVariant":"1","isElgibleForRepair":null,"isPowerEligible":null,"productRecallNotes":null,"productOtherInfo":null,"backorderETA":"00/00/0000","modifiedDate":null,"userLevel":"ALL","displayPrice":null,"baseProductName":null,"firstVariantCode":null,"firstVariantImage":null,"productMarketType":null,"productNumber":null,"typeStatusCode":null,"productCategory":null,"typeNumber":null,"marketCode":null,"regionCode":null,"otherInformation":null,"productTypeStatus":null,"repairInstruction":null,"repairInstructionStatusDescription":null,"typeStatusDate":null,"serviceLifeDate":null,"manufacturerId":null,"parts":null,"language":null,"glossaries":null,"brand":null,"product":null,"brandCode":null,"recallNotes":null,"volume":null},{"code":"P710-05108-CM","name":null,"url":"/c//p/P710-05108-CM","description":"SCREW","purchasable":true,"stock":{"stockLevelStatus":{"code":"inStock","type":"StockLevelStatus"},"stockLevel":2,"stockThreshold":null},"futureStocks":null,"availableForPickup":null,"averageRating":null,"numberOfReviews":null,"summary":null,"manufacturer":null,"variantType":null,"price":{"currencyIso":"USD","value":2.19,"priceType":"BUY","formattedValue":"$2.19","minQuantity":null,"maxQuantity":null,"sapUnit":{"code":"pieces","name":"Piece"}},"baseProduct":null,"images":[],"categories":null,"reviews":null,"classifications":null,"potentialPromotions":null,"variantOptions":null,"baseOptions":[],"volumePricesFlag":null,"volumePrices":null,"productReferences":null,"variantMatrix":null,"priceRange":null,"firstCategoryNameList":null,"multidimensional":null,"configurable":false,"configuratorType":null,"addToCartDisabled":null,"addToCartDisabledMessage":null,"tags":null,"sapUnit":null,"keywords":null,"genders":null,"itemtype":"Part","partSubstitute":null,"note":null,"recallNote":null,"note1":null,"note2":null,"note3":null,"note4":null,"note5":null,"pdfAllUser":null,"pdfAuthUser":null,"pdfCOSUser":null,"vaiantRelatedPartList":null,"partHotspotList":null,"itemNumber":7,"partRelatedVariantList":null,"bomCode":2,"totalValue":null,"searchImage":null,"length":null,"width":null,"height":null,"unitOfDimension":null,"weight":null,"unitOfWeight":null,"specialRouting":false,"onlineRepair":null,"previousPartID":null,"sbdDiscountPriceValue":{"currencyIso":"USD","value":2.19,"priceType":"BUY","formattedValue":"$2.19","minQuantity":null,"maxQuantity":null,"sapUnit":{"code":"pieces","name":"Piece"}},"alrCode":null,"productRecallFlag":null,"selectedDocumentId":null,"productDescription":null,"pdpImage":null,"ticketId":null,"qtyRequiredPerVariant":"1","isElgibleForRepair":null,"isPowerEligible":null,"productRecallNotes":null,"productOtherInfo":null,"backorderETA":"00/00/0000","modifiedDate":"No ETA","userLevel":"ALL","displayPrice":null,"baseProductName":null,"firstVariantCode":null,"firstVariantImage":null,"productMarketType":null,"productNumber":null,"typeStatusCode":null,"productCategory":null,"typeNumber":null,"marketCode":null,"regionCode":null,"otherInformation":null,"productTypeStatus":null,"repairInstruction":null,"repairInstructionStatusDescription":null,"typeStatusDate":null,"serviceLifeDate":null,"manufacturerId":null,"parts":null,"language":null,"glossaries":null,"brand":null,"product":null,"brandCode":null,"recallNotes":null,"volume":null},{"code":"P710-3005-CM","name":null,"url":"/c//p/P710-3005-CM","description":"SCREW-HEX 3/","purchasable":true,"stock":{"stockLevelStatus":{"code":"inStock","type":"StockLevelStatus"},"stockLevel":0,"stockThreshold":null},"futureStocks":null,"availableForPickup":null,"averageRating":null,"numberOfReviews":null,"summary":null,"manufacturer":null,"variantType":null,"price":{"currencyIso":"USD","value":2.49,"priceType":"BUY","formattedValue":"$2.49","minQuantity":null,"maxQuantity":null,"sapUnit":{"code":"pieces","name":"Piece"}},"baseProduct":null,"images":[],"categories":null,"reviews":null,"classifications":null,"potentialPromotions":null,"variantOptions":null,"baseOptions":[],"volumePricesFlag":null,"volumePrices":null,"productReferences":null,"variantMatrix":null,"priceRange":null,"firstCategoryNameList":null,"multidimensional":null,"configurable":false,"configuratorType":null,"addToCartDisabled":null,"addToCartDisabledMessage":null,"tags":null,"sapUnit":null,"keywords":null,"genders":null,"itemtype":"Part","partSubstitute":null,"note":null,"recallNote":null,"note1":null,"note2":null,"note3":null,"note4":null,"note5":null,"pdfAllUser":null,"pdfAuthUser":null,"pdfCOSUser":null,"vaiantRelatedPartList":null,"partHotspotList":null,"itemNumber":7,"partRelatedVariantList":null,"bomCode":2,"totalValue":null,"searchImage":null,"length":null,"width":null,"height":null,"unitOfDimension":null,"weight":null,"unitOfWeight":null,"specialRouting":false,"onlineRepair":null,"previousPartID":null,"sbdDiscountPriceValue":{"currencyIso":"USD","value":2.49,"priceType":"BUY","formattedValue":"$2.49","minQuantity":null,"maxQuantity":null,"sapUnit":{"code":"pieces","name":"Piece"}},"alrCode":null,"productRecallFlag":null,"selectedDocumentId":null,"productDescription":null,"pdpImage":null,"ticketId":null,"qtyRequiredPerVariant":"1","isElgibleForRepair":null,"isPowerEligible":null,"productRecallNotes":null,"productOtherInfo":null,"backorderETA":"00/00/0000","modifiedDate":null,"userLevel":"ALL","displayPrice":null,"baseProductName":null,"firstVariantCode":null,"firstVariantImage":null,"productMarketType":null,"productNumber":null,"typeStatusCode":null,"productCategory":null,"typeNumber":null,"marketCode":null,"regionCode":null,"otherInformation":null,"productTypeStatus":null,"repairInstruction":null,"repairInstructionStatusDescription":null,"typeStatusDate":null,"serviceLifeDate":null,"manufacturerId":null,"parts":null,"language":null,"glossaries":null,"brand":null,"product":null,"brandCode":null,"recallNotes":null,"volume":null},{"code":"P738-04130A-CM","name":null,"url":"/c//p/P738-04130A-CM","description":"SCREW","purchasable":true,"stock":{"stockLevelStatus":{"code":"inStock","type":"StockLevelStatus"},"stockLevel":0,"stockThreshold":null},"futureStocks":null,"availableForPickup":null,"averageRating":null,"numberOfReviews":null,"summary":null,"manufacturer":null,"variantType":null,"price":{"currencyIso":"USD","value":5.66,"priceType":"BUY","formattedValue":"$5.66","minQuantity":null,"maxQuantity":null,"sapUnit":{"code":"pieces","name":"Piece"}},"baseProduct":null,"images":[],"categories":null,"reviews":null,"classifications":null,"potentialPromotions":null,"variantOptions":null,"baseOptions":[],"volumePricesFlag":null,"volumePrices":null,"productReferences":null,"variantMatrix":null,"priceRange":null,"firstCategoryNameList":null,"multidimensional":null,"configurable":false,"configuratorType":null,"addToCartDisabled":null,"addToCartDisabledMessage":null,"tags":null,"sapUnit":null,"keywords":null,"genders":null,"itemtype":"Part","partSubstitute":null,"note":null,"recallNote":null,"note1":null,"note2":null,"note3":null,"note4":null,"note5":null,"pdfAllUser":null,"pdfAuthUser":null,"pdfCOSUser":null,"vaiantRelatedPartList":null,"partHotspotList":null,"itemNumber":7,"partRelatedVariantList":null,"bomCode":2,"totalValue":null,"searchImage":null,"length":null,"width":null,"height":null,"unitOfDimension":null,"weight":null,"unitOfWeight":null,"specialRouting":false,"onlineRepair":null,"previousPartID":null,"sbdDiscountPriceValue":{"currencyIso":"USD","value":5.66,"priceType":"BUY","formattedValue":"$5.66","minQuantity":null,"maxQuantity":null,"sapUnit":{"code":"pieces","name":"Piece"}},"alrCode":null,"productRecallFlag":null,"selectedDocumentId":null,"productDescription":null,"pdpImage":null,"ticketId":null,"qtyRequiredPerVariant":"1","isElgibleForRepair":null,"isPowerEligible":null,"productRecallNotes":null,"productOtherInfo":null,"backorderETA":"00/00/0000","modifiedDate":null,"userLevel":"ALL","displayPrice":null,"baseProductName":null,"firstVariantCode":null,"firstVariantImage":null,"productMarketType":null,"productNumber":null,"typeStatusCode":null,"productCategory":null,"typeNumber":null,"marketCode":null,"regionCode":null,"otherInformation":null,"productTypeStatus":null,"repairInstruction":null,"repairInstructionStatusDescription":null,"typeStatusDate":null,"serviceLifeDate":null,"manufacturerId":null,"parts":null,"language":null,"glossaries":null,"brand":null,"product":null,"brandCode":null,"recallNotes":null,"volume":null},{"code":"P777D17038-CM","name":null,"url":"/c//p/P777D17038-CM","description":"LABEL-42 DE","purchasable":true,"stock":{"stockLevelStatus":{"code":"inStock","type":"StockLevelStatus"},"stockLevel":0,"stockThreshold":null},"futureStocks":null,"availableForPickup":null,"averageRating":null,"numberOfReviews":null,"summary":null,"manufacturer":null,"variantType":null,"price":{"currencyIso":"USD","value":2.55,"priceType":"BUY","formattedValue":"$2.55","minQuantity":null,"maxQuantity":null,"sapUnit":{"code":"pieces","name":"Piece"}},"baseProduct":null,"images":[],"categories":null,"reviews":null,"classifications":null,"potentialPromotions":null,"variantOptions":null,"baseOptions":[],"volumePricesFlag":null,"volumePrices":null,"productReferences":null,"variantMatrix":null,"priceRange":null,"firstCategoryNameList":null,"multidimensional":null,"configurable":false,"configuratorType":null,"addToCartDisabled":null,"addToCartDisabledMessage":null,"tags":null,"sapUnit":null,"keywords":null,"genders":null,"itemtype":"Part","partSubstitute":null,"note":null,"recallNote":null,"note1":null,"note2":null,"note3":null,"note4":null,"note5":null,"pdfAllUser":null,"pdfAuthUser":null,"pdfCOSUser":null,"vaiantRelatedPartList":null,"partHotspotList":null,"itemNumber":7,"partRelatedVariantList":null,"bomCode":2,"totalValue":null,"searchImage":null,"length":null,"width":null,"height":null,"unitOfDimension":null,"weight":null,"unitOfWeight":null,"specialRouting":false,"onlineRepair":null,"previousPartID":null,"sbdDiscountPriceValue":{"currencyIso":"USD","value":2.55,"priceType":"BUY","formattedValue":"$2.55","minQuantity":null,"maxQuantity":null,"sapUnit":{"code":"pieces","name":"Piece"}},"alrCode":null,"productRecallFlag":null,"selectedDocumentId":null,"productDescription":null,"pdpImage":null,"ticketId":null,"qtyRequiredPerVariant":"1","isElgibleForRepair":null,"isPowerEligible":null,"productRecallNotes":null,"productOtherInfo":null,"backorderETA":"00/00/0000","modifiedDate":null,"userLevel":"ALL","displayPrice":null,"baseProductName":null,"firstVariantCode":null,"firstVariantImage":null,"productMarketType":null,"productNumber":null,"typeStatusCode":null,"productCategory":null,"typeNumber":null,"marketCode":null,"regionCode":null,"otherInformation":null,"productTypeStatus":null,"repairInstruction":null,"repairInstructionStatusDescription":null,"typeStatusDate":null,"serviceLifeDate":null,"manufacturerId":null,"parts":null,"language":null,"glossaries":null,"brand":null,"product":null,"brandCode":null,"recallNotes":null,"volume":null},{"code":"P956-04015B-CM","name":null,"url":"/c//p/P956-04015B-CM","description":"PULLEY","purchasable":true,"stock":{"stockLevelStatus":{"code":"inStock","type":"StockLevelStatus"},"stockLevel":0,"stockThreshold":null},"futureStocks":null,"availableForPickup":null,"averageRating":null,"numberOfReviews":null,"summary":null,"manufacturer":null,"variantType":null,"price":{"currencyIso":"USD","value":62.6,"priceType":"BUY","formattedValue":"$62.60","minQuantity":null,"maxQuantity":null,"sapUnit":{"code":"pieces","name":"Piece"}},"baseProduct":null,"images":[],"categories":null,"reviews":null,"classifications":null,"potentialPromotions":null,"variantOptions":null,"baseOptions":[],"volumePricesFlag":null,"volumePrices":null,"productReferences":null,"variantMatrix":null,"priceRange":null,"firstCategoryNameList":null,"multidimensional":null,"configurable":false,"configuratorType":null,"addToCartDisabled":null,"addToCartDisabledMessage":null,"tags":null,"sapUnit":null,"keywords":null,"genders":null,"itemtype":"Part","partSubstitute":null,"note":null,"recallNote":null,"note1":null,"note2":null,"note3":null,"note4":null,"note5":null,"pdfAllUser":null,"pdfAuthUser":null,"pdfCOSUser":null,"vaiantRelatedPartList":null,"partHotspotList":null,"itemNumber":7,"partRelatedVariantList":null,"bomCode":2,"totalValue":null,"searchImage":null,"length":null,"width":null,"height":null,"unitOfDimension":null,"weight":null,"unitOfWeight":null,"specialRouting":false,"onlineRepair":null,"previousPartID":null,"sbdDiscountPriceValue":{"currencyIso":"USD","value":62.6,"priceType":"BUY","formattedValue":"$62.60","minQuantity":null,"maxQuantity":null,"sapUnit":{"code":"pieces","name":"Piece"}},"alrCode":null,"productRecallFlag":null,"selectedDocumentId":null,"productDescription":null,"pdpImage":null,"ticketId":null,"qtyRequiredPerVariant":"1","isElgibleForRepair":null,"isPowerEligible":null,"productRecallNotes":null,"productOtherInfo":null,"backorderETA":"00/00/0000","modifiedDate":null,"userLevel":"ALL","displayPrice":null,"baseProductName":null,"firstVariantCode":null,"firstVariantImage":null,"productMarketType":null,"productNumber":null,"typeStatusCode":null,"productCategory":null,"typeNumber":null,"marketCode":null,"regionCode":null,"otherInformation":null,"productTypeStatus":null,"repairInstruction":null,"repairInstructionStatusDescription":null,"typeStatusDate":null,"serviceLifeDate":null,"manufacturerId":null,"parts":null,"language":null,"glossaries":null,"brand":null,"product":null,"brandCode":null,"recallNotes":null,"volume":null},{"code":"PBS-692236-CM","name":null,"url":"/c//p/PBS-692236-CM","description":"GASKET","purchasable":true,"stock":{"stockLevelStatus":{"code":"inStock","type":"StockLevelStatus"},"stockLevel":0,"stockThreshold":null},"futureStocks":null,"availableForPickup":null,"averageRating":null,"numberOfReviews":null,"summary":null,"manufacturer":null,"variantType":null,"price":{"currencyIso":"USD","value":3.71,"priceType":"BUY","formattedValue":"$3.71","minQuantity":null,"maxQuantity":null,"sapUnit":{"code":"pieces","name":"Piece"}},"baseProduct":null,"images":[],"categories":null,"reviews":null,"classifications":null,"potentialPromotions":null,"variantOptions":null,"baseOptions":[],"volumePricesFlag":null,"volumePrices":null,"productReferences":null,"variantMatrix":null,"priceRange":null,"firstCategoryNameList":null,"multidimensional":null,"configurable":false,"configuratorType":null,"addToCartDisabled":null,"addToCartDisabledMessage":null,"tags":null,"sapUnit":null,"keywords":null,"genders":null,"itemtype":"Part","partSubstitute":null,"note":null,"recallNote":null,"note1":null,"note2":null,"note3":null,"note4":null,"note5":null,"pdfAllUser":null,"pdfAuthUser":null,"pdfCOSUser":null,"vaiantRelatedPartList":null,"partHotspotList":null,"itemNumber":7,"partRelatedVariantList":null,"bomCode":2,"totalValue":null,"searchImage":null,"length":null,"width":null,"height":null,"unitOfDimension":null,"weight":null,"unitOfWeight":null,"specialRouting":false,"onlineRepair":null,"previousPartID":null,"sbdDiscountPriceValue":{"currencyIso":"USD","value":3.71,"priceType":"BUY","formattedValue":"$3.71","minQuantity":null,"maxQuantity":null,"sapUnit":{"code":"pieces","name":"Piece"}},"alrCode":null,"productRecallFlag":null,"selectedDocumentId":null,"productDescription":null,"pdpImage":null,"ticketId":null,"qtyRequiredPerVariant":"1","isElgibleForRepair":null,"isPowerEligible":null,"productRecallNotes":null,"productOtherInfo":null,"backorderETA":"00/00/0000","modifiedDate":"No ETA","userLevel":"ALL","displayPrice":null,"baseProductName":null,"firstVariantCode":null,"firstVariantImage":null,"productMarketType":null,"productNumber":null,"typeStatusCode":null,"productCategory":null,"typeNumber":null,"marketCode":null,"regionCode":null,"otherInformation":null,"productTypeStatus":null,"repairInstruction":null,"repairInstructionStatusDescription":null,"typeStatusDate":null,"serviceLifeDate":null,"manufacturerId":null,"parts":null,"language":null,"glossaries":null,"brand":null,"product":null,"brandCode":null,"recallNotes":null,"volume":null},{"code":"P683-04522-CM","name":null,"url":"/c//p/P683-04522-CM","description":"GUIDE-VARI S","purchasable":true,"stock":{"stockLevelStatus":{"code":"inStock","type":"StockLevelStatus"},"stockLevel":0,"stockThreshold":null},"futureStocks":null,"availableForPickup":null,"averageRating":null,"numberOfReviews":null,"summary":null,"manufacturer":null,"variantType":null,"price":{"currencyIso":"USD","value":9.7,"priceType":"BUY","formattedValue":"$9.70","minQuantity":null,"maxQuantity":null,"sapUnit":{"code":"pieces","name":"Piece"}},"baseProduct":null,"images":[],"categories":null,"reviews":null,"classifications":null,"potentialPromotions":null,"variantOptions":null,"baseOptions":[],"volumePricesFlag":null,"volumePrices":null,"productReferences":null,"variantMatrix":null,"priceRange":null,"firstCategoryNameList":null,"multidimensional":null,"configurable":false,"configuratorType":null,"addToCartDisabled":null,"addToCartDisabledMessage":null,"tags":null,"sapUnit":null,"keywords":null,"genders":null,"itemtype":"Part","partSubstitute":null,"note":null,"recallNote":null,"note1":null,"note2":null,"note3":null,"note4":null,"note5":null,"pdfAllUser":null,"pdfAuthUser":null,"pdfCOSUser":null,"vaiantRelatedPartList":null,"partHotspotList":null,"itemNumber":8,"partRelatedVariantList":null,"bomCode":2,"totalValue":null,"searchImage":null,"length":null,"width":null,"height":null,"unitOfDimension":null,"weight":null,"unitOfWeight":null,"specialRouting":false,"onlineRepair":null,"previousPartID":null,"sbdDiscountPriceValue":{"currencyIso":"USD","value":9.7,"priceType":"BUY","formattedValue":"$9.70","minQuantity":null,"maxQuantity":null,"sapUnit":{"code":"pieces","name":"Piece"}},"alrCode":null,"productRecallFlag":null,"selectedDocumentId":null,"productDescription":null,"pdpImage":null,"ticketId":null,"qtyRequiredPerVariant":"1","isElgibleForRepair":null,"isPowerEligible":null,"productRecallNotes":null,"productOtherInfo":null,"backorderETA":"00/00/0000","modifiedDate":null,"userLevel":"ALL","displayPrice":null,"baseProductName":null,"firstVariantCode":null,"firstVariantImage":null,"productMarketType":null,"productNumber":null,"typeStatusCode":null,"productCategory":null,"typeNumber":null,"marketCode":null,"regionCode":null,"otherInformation":null,"productTypeStatus":null,"repairInstruction":null,"repairInstructionStatusDescription":null,"typeStatusDate":null,"serviceLifeDate":null,"manufacturerId":null,"parts":null,"language":null,"glossaries":null,"brand":null,"product":null,"brandCode":null,"recallNotes":null,"volume":null},{"code":"P710-0528-CM","name":null,"url":"/c//p/P710-0528-CM","description":"HEX SCREW","purchasable":true,"stock":{"stockLevelStatus":{"code":"inStock","type":"StockLevelStatus"},"stockLevel":8,"stockThreshold":null},"futureStocks":null,"availableForPickup":null,"averageRating":null,"numberOfReviews":null,"summary":null,"manufacturer":null,"variantType":null,"price":{"currencyIso":"USD","value":2.68,"priceType":"BUY","formattedValue":"$2.68","minQuantity":null,"maxQuantity":null,"sapUnit":{"code":"pieces","name":"Piece"}},"baseProduct":null,"images":[],"categories":null,"reviews":null,"classifications":null,"potentialPromotions":null,"variantOptions":null,"baseOptions":[],"volumePricesFlag":null,"volumePrices":null,"productReferences":null,"variantMatrix":null,"priceRange":null,"firstCategoryNameList":null,"multidimensional":null,"configurable":false,"configuratorType":null,"addToCartDisabled":null,"addToCartDisabledMessage":null,"tags":null,"sapUnit":null,"keywords":null,"genders":null,"itemtype":"Part","partSubstitute":null,"note":null,"recallNote":null,"note1":null,"note2":null,"note3":null,"note4":null,"note5":null,"pdfAllUser":null,"pdfAuthUser":null,"pdfCOSUser":null,"vaiantRelatedPartList":null,"partHotspotList":null,"itemNumber":8,"partRelatedVariantList":null,"bomCode":2,"totalValue":null,"searchImage":null,"length":null,"width":null,"height":null,"unitOfDimension":null,"weight":null,"unitOfWeight":null,"specialRouting":false,"onlineRepair":null,"previousPartID":null,"sbdDiscountPriceValue":{"currencyIso":"USD","value":2.68,"priceType":"BUY","formattedValue":"$2.68","minQuantity":null,"maxQuantity":null,"sapUnit":{"code":"pieces","name":"Piece"}},"alrCode":null,"productRecallFlag":null,"selectedDocumentId":null,"productDescription":null,"pdpImage":null,"ticketId":null,"qtyRequiredPerVariant":"1","isElgibleForRepair":null,"isPowerEligible":null,"productRecallNotes":null,"productOtherInfo":null,"backorderETA":"00/00/0000","modifiedDate":"No ETA","userLevel":"ALL","displayPrice":null,"baseProductName":null,"firstVariantCode":null,"firstVariantImage":null,"productMarketType":null,"productNumber":null,"typeStatusCode":null,"productCategory":null,"typeNumber":null,"marketCode":null,"regionCode":null,"otherInformation":null,"productTypeStatus":null,"repairInstruction":null,"repairInstructionStatusDescription":null,"typeStatusDate":null,"serviceLifeDate":null,"manufacturerId":null,"parts":null,"language":null,"glossaries":null,"brand":null,"product":null,"brandCode":null,"recallNotes":null,"volume":null},{"code":"P732-04563-CM","name":null,"url":"/c//p/P732-04563-CM","description":"SPRING-COMPR","purchasable":true,"stock":{"stockLevelStatus":{"code":"inStock","type":"StockLevelStatus"},"stockLevel":0,"stockThreshold":null},"futureStocks":null,"availableForPickup":null,"averageRating":null,"numberOfReviews":null,"summary":null,"manufacturer":null,"variantType":null,"price":{"currencyIso":"USD","value":3.27,"priceType":"BUY","formattedValue":"$3.27","minQuantity":null,"maxQuantity":null,"sapUnit":{"code":"pieces","name":"Piece"}},"baseProduct":null,"images":[],"categories":null,"reviews":null,"classifications":null,"potentialPromotions":null,"variantOptions":null,"baseOptions":[],"volumePricesFlag":null,"volumePrices":null,"productReferences":null,"variantMatrix":null,"priceRange":null,"firstCategoryNameList":null,"multidimensional":null,"configurable":false,"configuratorType":null,"addToCartDisabled":null,"addToCartDisabledMessage":null,"tags":null,"sapUnit":null,"keywords":null,"genders":null,"itemtype":"Part","partSubstitute":null,"note":null,"recallNote":null,"note1":null,"note2":null,"note3":null,"note4":null,"note5":null,"pdfAllUser":null,"pdfAuthUser":null,"pdfCOSUser":null,"vaiantRelatedPartList":null,"partHotspotList":null,"itemNumber":8,"partRelatedVariantList":null,"bomCode":2,"totalValue":null,"searchImage":null,"length":null,"width":null,"height":null,"unitOfDimension":null,"weight":null,"unitOfWeight":null,"specialRouting":false,"onlineRepair":null,"previousPartID":null,"sbdDiscountPriceValue":{"currencyIso":"USD","value":3.27,"priceType":"BUY","formattedValue":"$3.27","minQuantity":null,"maxQuantity":null,"sapUnit":{"code":"pieces","name":"Piece"}},"alrCode":null,"productRecallFlag":null,"selectedDocumentId":null,"productDescription":null,"pdpImage":null,"ticketId":null,"qtyRequiredPerVariant":"1","isElgibleForRepair":null,"isPowerEligible":null,"productRecallNotes":null,"productOtherInfo":null,"backorderETA":"00/00/0000","modifiedDate":null,"userLevel":"ALL","displayPrice":null,"baseProductName":null,"firstVariantCode":null,"firstVariantImage":null,"productMarketType":null,"productNumber":null,"typeStatusCode":null,"productCategory":null,"typeNumber":null,"marketCode":null,"regionCode":null,"otherInformation":null,"productTypeStatus":null,"repairInstruction":null,"repairInstructionStatusDescription":null,"typeStatusDate":null,"serviceLifeDate":null,"manufacturerId":null,"parts":null,"language":null,"glossaries":null,"brand":null,"product":null,"brandCode":null,"recallNotes":null,"volume":null},{"code":"P777S33818-CM","name":null,"url":"/c//p/P777S33818-CM","description":"DECAL","purchasable":true,"stock":{"stockLevelStatus":{"code":"inStock","type":"StockLevelStatus"},"stockLevel":0,"stockThreshold":null},"futureStocks":null,"availableForPickup":null,"averageRating":null,"numberOfReviews":null,"summary":null,"manufacturer":null,"variantType":null,"price":{"currencyIso":"USD","value":9.32,"priceType":"BUY","formattedValue":"$9.32","minQuantity":null,"maxQuantity":null,"sapUnit":{"code":"pieces","name":"Piece"}},"baseProduct":null,"images":[],"categories":null,"reviews":null,"classifications":null,"potentialPromotions":null,"variantOptions":null,"baseOptions":[],"volumePricesFlag":null,"volumePrices":null,"productReferences":null,"variantMatrix":null,"priceRange":null,"firstCategoryNameList":null,"multidimensional":null,"configurable":false,"configuratorType":null,"addToCartDisabled":null,"addToCartDisabledMessage":null,"tags":null,"sapUnit":null,"keywords":null,"genders":null,"itemtype":"Part","partSubstitute":null,"note":null,"recallNote":null,"note1":null,"note2":null,"note3":null,"note4":null,"note5":null,"pdfAllUser":null,"pdfAuthUser":null,"pdfCOSUser":null,"vaiantRelatedPartList":null,"partHotspotList":null,"itemNumber":8,"partRelatedVariantList":null,"bomCode":2,"totalValue":null,"searchImage":null,"length":null,"width":null,"height":null,"unitOfDimension":null,"weight":null,"unitOfWeight":null,"specialRouting":false,"onlineRepair":null,"previousPartID":null,"sbdDiscountPriceValue":{"currencyIso":"USD","value":9.32,"priceType":"BUY","formattedValue":"$9.32","minQuantity":null,"maxQuantity":null,"sapUnit":{"code":"pieces","name":"Piece"}},"alrCode":null,"productRecallFlag":null,"selectedDocumentId":null,"productDescription":null,"pdpImage":null,"ticketId":null,"qtyRequiredPerVariant":"1","isElgibleForRepair":null,"isPowerEligible":null,"productRecallNotes":null,"productOtherInfo":null,"backorderETA":"00/00/0000","modifiedDate":null,"userLevel":"ALL","displayPrice":null,"baseProductName":null,"firstVariantCode":null,"firstVariantImage":null,"productMarketType":null,"productNumber":null,"typeStatusCode":null,"productCategory":null,"typeNumber":null,"marketCode":null,"regionCode":null,"otherInformation":null,"productTypeStatus":null,"repairInstruction":null,"repairInstructionStatusDescription":null,"typeStatusDate":null,"serviceLifeDate":null,"manufacturerId":null,"parts":null,"language":null,"glossaries":null,"brand":null,"product":null,"brandCode":null,"recallNotes":null,"volume":null},{"code":"P941-0225-CM","name":null,"url":"/c//p/P941-0225-CM","description":"BEARING-FLAN","purchasable":true,"stock":{"stockLevelStatus":{"code":"inStock","type":"StockLevelStatus"},"stockLevel":0,"stockThreshold":null},"futureStocks":null,"availableForPickup":null,"averageRating":null,"numberOfReviews":null,"summary":null,"manufacturer":null,"variantType":null,"price":{"currencyIso":"USD","value":4.52,"priceType":"BUY","formattedValue":"$4.52","minQuantity":null,"maxQuantity":null,"sapUnit":{"code":"pieces","name":"Piece"}},"baseProduct":null,"images":[],"categories":null,"reviews":null,"classifications":null,"potentialPromotions":null,"variantOptions":null,"baseOptions":[],"volumePricesFlag":null,"volumePrices":null,"productReferences":null,"variantMatrix":null,"priceRange":null,"firstCategoryNameList":null,"multidimensional":null,"configurable":false,"configuratorType":null,"addToCartDisabled":null,"addToCartDisabledMessage":null,"tags":null,"sapUnit":null,"keywords":null,"genders":null,"itemtype":"Part","partSubstitute":null,"note":null,"recallNote":null,"note1":null,"note2":null,"note3":null,"note4":null,"note5":null,"pdfAllUser":null,"pdfAuthUser":null,"pdfCOSUser":null,"vaiantRelatedPartList":null,"partHotspotList":null,"itemNumber":8,"partRelatedVariantList":null,"bomCode":2,"totalValue":null,"searchImage":null,"length":null,"width":null,"height":null,"unitOfDimension":null,"weight":null,"unitOfWeight":null,"specialRouting":false,"onlineRepair":null,"previousPartID":null,"sbdDiscountPriceValue":{"currencyIso":"USD","value":4.52,"priceType":"BUY","formattedValue":"$4.52","minQuantity":null,"maxQuantity":null,"sapUnit":{"code":"pieces","name":"Piece"}},"alrCode":null,"productRecallFlag":null,"selectedDocumentId":null,"productDescription":null,"pdpImage":null,"ticketId":null,"qtyRequiredPerVariant":"1","isElgibleForRepair":null,"isPowerEligible":null,"productRecallNotes":null,"productOtherInfo":null,"backorderETA":"00/00/0000","modifiedDate":null,"userLevel":"ALL","displayPrice":null,"baseProductName":null,"firstVariantCode":null,"firstVariantImage":null,"productMarketType":null,"productNumber":null,"typeStatusCode":null,"productCategory":null,"typeNumber":null,"marketCode":null,"regionCode":null,"otherInformation":null,"productTypeStatus":null,"repairInstruction":null,"repairInstructionStatusDescription":null,"typeStatusDate":null,"serviceLifeDate":null,"manufacturerId":null,"parts":null,"language":null,"glossaries":null,"brand":null,"product":null,"brandCode":null,"recallNotes":null,"volume":null},{"code":"P5140216-43","name":null,"url":"/c//p/P5140216-43","description":"BRACKET ASM","purchasable":true,"stock":{"stockLevelStatus":{"code":"inStock","type":"StockLevelStatus"},"stockLevel":0,"stockThreshold":null},"futureStocks":null,"availableForPickup":null,"averageRating":null,"numberOfReviews":null,"summary":null,"manufacturer":null,"variantType":null,"price":{"currencyIso":"USD","value":28.76,"priceType":"BUY","formattedValue":"$28.76","minQuantity":null,"maxQuantity":null,"sapUnit":{"code":"pieces","name":"Piece"}},"baseProduct":null,"images":[],"categories":null,"reviews":null,"classifications":null,"potentialPromotions":null,"variantOptions":null,"baseOptions":[],"volumePricesFlag":null,"volumePrices":null,"productReferences":null,"variantMatrix":null,"priceRange":null,"firstCategoryNameList":null,"multidimensional":null,"configurable":false,"configuratorType":null,"addToCartDisabled":null,"addToCartDisabledMessage":null,"tags":null,"sapUnit":null,"keywords":null,"genders":null,"itemtype":"Part","partSubstitute":null,"note":null,"recallNote":null,"note1":null,"note2":null,"note3":null,"note4":null,"note5":null,"pdfAllUser":null,"pdfAuthUser":null,"pdfCOSUser":null,"vaiantRelatedPartList":null,"partHotspotList":null,"itemNumber":9,"partRelatedVariantList":null,"bomCode":2,"totalValue":null,"searchImage":null,"length":null,"width":null,"height":null,"unitOfDimension":null,"weight":null,"unitOfWeight":null,"specialRouting":false,"onlineRepair":null,"previousPartID":null,"sbdDiscountPriceValue":{"currencyIso":"USD","value":28.76,"priceType":"BUY","formattedValue":"$28.76","minQuantity":null,"maxQuantity":null,"sapUnit":{"code":"pieces","name":"Piece"}},"alrCode":null,"productRecallFlag":null,"selectedDocumentId":null,"productDescription":null,"pdpImage":null,"ticketId":null,"qtyRequiredPerVariant":"1","isElgibleForRepair":null,"isPowerEligible":null,"productRecallNotes":null,"productOtherInfo":null,"backorderETA":"00/00/0000","modifiedDate":null,"userLevel":"ALL","displayPrice":null,"baseProductName":null,"firstVariantCode":null,"firstVariantImage":null,"productMarketType":null,"productNumber":null,"typeStatusCode":null,"productCategory":null,"typeNumber":null,"marketCode":null,"regionCode":null,"otherInformation":null,"productTypeStatus":null,"repairInstruction":null,"repairInstructionStatusDescription":null,"typeStatusDate":null,"serviceLifeDate":null,"manufacturerId":null,"parts":null,"language":null,"glossaries":null,"brand":null,"product":null,"brandCode":null,"recallNotes":null,"volume":null},{"code":"P726-0205-CM","name":null,"url":"/c//p/P726-0205-CM","description":"CLAMP","purchasable":true,"stock":{"stockLevelStatus":{"code":"inStock","type":"StockLevelStatus"},"stockLevel":0,"stockThreshold":null},"futureStocks":null,"availableForPickup":null,"averageRating":null,"numberOfReviews":null,"summary":null,"manufacturer":null,"variantType":null,"price":{"currencyIso":"USD","value":2.56,"priceType":"BUY","formattedValue":"$2.56","minQuantity":null,"maxQuantity":null,"sapUnit":{"code":"pieces","name":"Piece"}},"baseProduct":null,"images":[],"categories":null,"reviews":null,"classifications":null,"potentialPromotions":null,"variantOptions":null,"baseOptions":[],"volumePricesFlag":null,"volumePrices":null,"productReferences":null,"variantMatrix":null,"priceRange":null,"firstCategoryNameList":null,"multidimensional":null,"configurable":false,"configuratorType":null,"addToCartDisabled":null,"addToCartDisabledMessage":null,"tags":null,"sapUnit":null,"keywords":null,"genders":null,"itemtype":"Part","partSubstitute":null,"note":null,"recallNote":null,"note1":null,"note2":null,"note3":null,"note4":null,"note5":null,"pdfAllUser":null,"pdfAuthUser":null,"pdfCOSUser":null,"vaiantRelatedPartList":null,"partHotspotList":null,"itemNumber":9,"partRelatedVariantList":null,"bomCode":2,"totalValue":null,"searchImage":null,"length":null,"width":null,"height":null,"unitOfDimension":null,"weight":null,"unitOfWeight":null,"specialRouting":false,"onlineRepair":null,"previousPartID":null,"sbdDiscountPriceValue":{"currencyIso":"USD","value":2.56,"priceType":"BUY","formattedValue":"$2.56","minQuantity":null,"maxQuantity":null,"sapUnit":{"code":"pieces","name":"Piece"}},"alrCode":null,"productRecallFlag":null,"selectedDocumentId":null,"productDescription":null,"pdpImage":null,"ticketId":null,"qtyRequiredPerVariant":"1","isElgibleForRepair":null,"isPowerEligible":null,"productRecallNotes":null,"productOtherInfo":null,"backorderETA":"00/00/0000","modifiedDate":null,"userLevel":"ALL","displayPrice":null,"baseProductName":null,"firstVariantCode":null,"firstVariantImage":null,"productMarketType":null,"productNumber":null,"typeStatusCode":null,"productCategory":null,"typeNumber":null,"marketCode":null,"regionCode":null,"otherInformation":null,"productTypeStatus":null,"repairInstruction":null,"repairInstructionStatusDescription":null,"typeStatusDate":null,"serviceLifeDate":null,"manufacturerId":null,"parts":null,"language":null,"glossaries":null,"brand":null,"product":null,"brandCode":null,"recallNotes":null,"volume":null},{"code":"P738-0296-CM","name":null,"url":"/c//p/P738-0296-CM","description":"SCREW-SHLD .","purchasable":true,"stock":{"stockLevelStatus":{"code":"inStock","type":"StockLevelStatus"},"stockLevel":0,"stockThreshold":null},"futureStocks":null,"availableForPickup":null,"averageRating":null,"numberOfReviews":null,"summary":null,"manufacturer":null,"variantType":null,"price":{"currencyIso":"USD","value":2.71,"priceType":"BUY","formattedValue":"$2.71","minQuantity":null,"maxQuantity":null,"sapUnit":{"code":"pieces","name":"Piece"}},"baseProduct":null,"images":[],"categories":null,"reviews":null,"classifications":null,"potentialPromotions":null,"variantOptions":null,"baseOptions":[],"volumePricesFlag":null,"volumePrices":null,"productReferences":null,"variantMatrix":null,"priceRange":null,"firstCategoryNameList":null,"multidimensional":null,"configurable":false,"configuratorType":null,"addToCartDisabled":null,"addToCartDisabledMessage":null,"tags":null,"sapUnit":null,"keywords":null,"genders":null,"itemtype":"Part","partSubstitute":null,"note":null,"recallNote":null,"note1":null,"note2":null,"note3":null,"note4":null,"note5":null,"pdfAllUser":null,"pdfAuthUser":null,"pdfCOSUser":null,"vaiantRelatedPartList":null,"partHotspotList":null,"itemNumber":9,"partRelatedVariantList":null,"bomCode":2,"totalValue":null,"searchImage":null,"length":null,"width":null,"height":null,"unitOfDimension":null,"weight":null,"unitOfWeight":null,"specialRouting":false,"onlineRepair":null,"previousPartID":null,"sbdDiscountPriceValue":{"currencyIso":"USD","value":2.71,"priceType":"BUY","formattedValue":"$2.71","minQuantity":null,"maxQuantity":null,"sapUnit":{"code":"pieces","name":"Piece"}},"alrCode":null,"productRecallFlag":null,"selectedDocumentId":null,"productDescription":null,"pdpImage":null,"ticketId":null,"qtyRequiredPerVariant":"1","isElgibleForRepair":null,"isPowerEligible":null,"productRecallNotes":null,"productOtherInfo":null,"backorderETA":"00/00/0000","modifiedDate":null,"userLevel":"ALL","displayPrice":null,"baseProductName":null,"firstVariantCode":null,"firstVariantImage":null,"productMarketType":null,"productNumber":null,"typeStatusCode":null,"productCategory":null,"typeNumber":null,"marketCode":null,"regionCode":null,"otherInformation":null,"productTypeStatus":null,"repairInstruction":null,"repairInstructionStatusDescription":null,"typeStatusDate":null,"serviceLifeDate":null,"manufacturerId":null,"parts":null,"language":null,"glossaries":null,"brand":null,"product":null,"brandCode":null,"recallNotes":null,"volume":null},{"code":"P747-05296-CM","name":null,"url":"/c//p/P747-05296-CM","description":"HANDLE","purchasable":true,"stock":{"stockLevelStatus":{"code":"inStock","type":"StockLevelStatus"},"stockLevel":0,"stockThreshold":null},"futureStocks":null,"availableForPickup":null,"averageRating":null,"numberOfReviews":null,"summary":null,"manufacturer":null,"variantType":null,"price":{"currencyIso":"USD","value":17.25,"priceType":"BUY","formattedValue":"$17.25","minQuantity":null,"maxQuantity":null,"sapUnit":{"code":"pieces","name":"Piece"}},"baseProduct":null,"images":[],"categories":null,"reviews":null,"classifications":null,"potentialPromotions":null,"variantOptions":null,"baseOptions":[],"volumePricesFlag":null,"volumePrices":null,"productReferences":null,"variantMatrix":null,"priceRange":null,"firstCategoryNameList":null,"multidimensional":null,"configurable":false,"configuratorType":null,"addToCartDisabled":null,"addToCartDisabledMessage":null,"tags":null,"sapUnit":null,"keywords":null,"genders":null,"itemtype":"Part","partSubstitute":null,"note":null,"recallNote":null,"note1":null,"note2":null,"note3":null,"note4":null,"note5":null,"pdfAllUser":null,"pdfAuthUser":null,"pdfCOSUser":null,"vaiantRelatedPartList":null,"partHotspotList":null,"itemNumber":9,"partRelatedVariantList":null,"bomCode":2,"totalValue":null,"searchImage":null,"length":null,"width":null,"height":null,"unitOfDimension":null,"weight":null,"unitOfWeight":null,"specialRouting":false,"onlineRepair":null,"previousPartID":null,"sbdDiscountPriceValue":{"currencyIso":"USD","value":17.25,"priceType":"BUY","formattedValue":"$17.25","minQuantity":null,"maxQuantity":null,"sapUnit":{"code":"pieces","name":"Piece"}},"alrCode":null,"productRecallFlag":null,"selectedDocumentId":null,"productDescription":null,"pdpImage":null,"ticketId":null,"qtyRequiredPerVariant":"1","isElgibleForRepair":null,"isPowerEligible":null,"productRecallNotes":null,"productOtherInfo":null,"backorderETA":"00/00/0000","modifiedDate":null,"userLevel":"ALL","displayPrice":null,"baseProductName":null,"firstVariantCode":null,"firstVariantImage":null,"productMarketType":null,"productNumber":null,"typeStatusCode":null,"productCategory":null,"typeNumber":null,"marketCode":null,"regionCode":null,"otherInformation":null,"productTypeStatus":null,"repairInstruction":null,"repairInstructionStatusDescription":null,"typeStatusDate":null,"serviceLifeDate":null,"manufacturerId":null,"parts":null,"language":null,"glossaries":null,"brand":null,"product":null,"brandCode":null,"recallNotes":null,"volume":null},{"code":"P777X43688-CM","name":null,"url":"/c//p/P777X43688-CM","description":"LABEL-ETHANO","purchasable":true,"stock":{"stockLevelStatus":{"code":"inStock","type":"StockLevelStatus"},"stockLevel":0,"stockThreshold":null},"futureStocks":null,"availableForPickup":null,"averageRating":null,"numberOfReviews":null,"summary":null,"manufacturer":null,"variantType":null,"price":{"currencyIso":"USD","value":6.32,"priceType":"BUY","formattedValue":"$6.32","minQuantity":null,"maxQuantity":null,"sapUnit":{"code":"pieces","name":"Piece"}},"baseProduct":null,"images":[],"categories":null,"reviews":null,"classifications":null,"potentialPromotions":null,"variantOptions":null,"baseOptions":[],"volumePricesFlag":null,"volumePrices":null,"productReferences":null,"variantMatrix":null,"priceRange":null,"firstCategoryNameList":null,"multidimensional":null,"configurable":false,"configuratorType":null,"addToCartDisabled":null,"addToCartDisabledMessage":null,"tags":null,"sapUnit":null,"keywords":null,"genders":null,"itemtype":"Part","partSubstitute":null,"note":null,"recallNote":null,"note1":null,"note2":null,"note3":null,"note4":null,"note5":null,"pdfAllUser":null,"pdfAuthUser":null,"pdfCOSUser":null,"vaiantRelatedPartList":null,"partHotspotList":null,"itemNumber":9,"partRelatedVariantList":null,"bomCode":2,"totalValue":null,"searchImage":null,"length":null,"width":null,"height":null,"unitOfDimension":null,"weight":null,"unitOfWeight":null,"specialRouting":false,"onlineRepair":null,"previousPartID":null,"sbdDiscountPriceValue":{"currencyIso":"USD","value":6.32,"priceType":"BUY","formattedValue":"$6.32","minQuantity":null,"maxQuantity":null,"sapUnit":{"code":"pieces","name":"Piece"}},"alrCode":null,"productRecallFlag":null,"selectedDocumentId":null,"productDescription":null,"pdpImage":null,"ticketId":null,"qtyRequiredPerVariant":"1","isElgibleForRepair":null,"isPowerEligible":null,"productRecallNotes":null,"productOtherInfo":null,"backorderETA":"00/00/0000","modifiedDate":null,"userLevel":"ALL","displayPrice":null,"baseProductName":null,"firstVariantCode":null,"firstVariantImage":null,"productMarketType":null,"productNumber":null,"typeStatusCode":null,"productCategory":null,"typeNumber":null,"marketCode":null,"regionCode":null,"otherInformation":null,"productTypeStatus":null,"repairInstruction":null,"repairInstructionStatusDescription":null,"typeStatusDate":null,"serviceLifeDate":null,"manufacturerId":null,"parts":null,"language":null,"glossaries":null,"brand":null,"product":null,"brandCode":null,"recallNotes":null,"volume":null},{"code":"P931-07668-CM","name":null,"url":"/c//p/P931-07668-CM","description":"GRILLE","purchasable":true,"stock":{"stockLevelStatus":{"code":"inStock","type":"StockLevelStatus"},"stockLevel":0,"stockThreshold":null},"futureStocks":null,"availableForPickup":null,"averageRating":null,"numberOfReviews":null,"summary":null,"manufacturer":null,"variantType":null,"price":{"currencyIso":"USD","value":29.04,"priceType":"BUY","formattedValue":"$29.04","minQuantity":null,"maxQuantity":null,"sapUnit":{"code":"pieces","name":"Piece"}},"baseProduct":null,"images":[],"categories":null,"reviews":null,"classifications":null,"potentialPromotions":null,"variantOptions":null,"baseOptions":[],"volumePricesFlag":null,"volumePrices":null,"productReferences":null,"variantMatrix":null,"priceRange":null,"firstCategoryNameList":null,"multidimensional":null,"configurable":false,"configuratorType":null,"addToCartDisabled":null,"addToCartDisabledMessage":null,"tags":null,"sapUnit":null,"keywords":null,"genders":null,"itemtype":"Part","partSubstitute":null,"note":null,"recallNote":null,"note1":null,"note2":null,"note3":null,"note4":null,"note5":null,"pdfAllUser":null,"pdfAuthUser":null,"pdfCOSUser":null,"vaiantRelatedPartList":null,"partHotspotList":null,"itemNumber":9,"partRelatedVariantList":null,"bomCode":2,"totalValue":null,"searchImage":null,"length":null,"width":null,"height":null,"unitOfDimension":null,"weight":null,"unitOfWeight":null,"specialRouting":false,"onlineRepair":null,"previousPartID":null,"sbdDiscountPriceValue":{"currencyIso":"USD","value":29.04,"priceType":"BUY","formattedValue":"$29.04","minQuantity":null,"maxQuantity":null,"sapUnit":{"code":"pieces","name":"Piece"}},"alrCode":null,"productRecallFlag":null,"selectedDocumentId":null,"productDescription":null,"pdpImage":null,"ticketId":null,"qtyRequiredPerVariant":"1","isElgibleForRepair":null,"isPowerEligible":null,"productRecallNotes":null,"productOtherInfo":null,"backorderETA":"00/00/0000","modifiedDate":null,"userLevel":"ALL","displayPrice":null,"baseProductName":null,"firstVariantCode":null,"firstVariantImage":null,"productMarketType":null,"productNumber":null,"typeStatusCode":null,"productCategory":null,"typeNumber":null,"marketCode":null,"regionCode":null,"otherInformation":null,"productTypeStatus":null,"repairInstruction":null,"repairInstructionStatusDescription":null,"typeStatusDate":null,"serviceLifeDate":null,"manufacturerId":null,"parts":null,"language":null,"glossaries":null,"brand":null,"product":null,"brandCode":null,"recallNotes":null,"volume":null},{"code":"P710-0627-CM","name":null,"url":"/c//p/P710-0627-CM","description":"SCREW","purchasable":true,"stock":{"stockLevelStatus":{"code":"inStock","type":"StockLevelStatus"},"stockLevel":0,"stockThreshold":null},"futureStocks":null,"availableForPickup":null,"averageRating":null,"numberOfReviews":null,"summary":null,"manufacturer":null,"variantType":null,"price":{"currencyIso":"USD","value":2.54,"priceType":"BUY","formattedValue":"$2.54","minQuantity":null,"maxQuantity":null,"sapUnit":{"code":"pieces","name":"Piece"}},"baseProduct":null,"images":[],"categories":null,"reviews":null,"classifications":null,"potentialPromotions":null,"variantOptions":null,"baseOptions":[],"volumePricesFlag":null,"volumePrices":null,"productReferences":null,"variantMatrix":null,"priceRange":null,"firstCategoryNameList":null,"multidimensional":null,"configurable":false,"configuratorType":null,"addToCartDisabled":null,"addToCartDisabledMessage":null,"tags":null,"sapUnit":null,"keywords":null,"genders":null,"itemtype":"Part","partSubstitute":null,"note":null,"recallNote":null,"note1":null,"note2":null,"note3":null,"note4":null,"note5":null,"pdfAllUser":null,"pdfAuthUser":null,"pdfCOSUser":null,"vaiantRelatedPartList":null,"partHotspotList":null,"itemNumber":10,"partRelatedVariantList":null,"bomCode":2,"totalValue":null,"searchImage":null,"length":null,"width":null,"height":null,"unitOfDimension":null,"weight":null,"unitOfWeight":null,"specialRouting":false,"onlineRepair":null,"previousPartID":null,"sbdDiscountPriceValue":{"currencyIso":"USD","value":2.54,"priceType":"BUY","formattedValue":"$2.54","minQuantity":null,"maxQuantity":null,"sapUnit":{"code":"pieces","name":"Piece"}},"alrCode":null,"productRecallFlag":null,"selectedDocumentId":null,"productDescription":null,"pdpImage":null,"ticketId":null,"qtyRequiredPerVariant":"1","isElgibleForRepair":null,"isPowerEligible":null,"productRecallNotes":null,"productOtherInfo":null,"backorderETA":"00/00/0000","modifiedDate":null,"userLevel":"ALL","displayPrice":null,"baseProductName":null,"firstVariantCode":null,"firstVariantImage":null,"productMarketType":null,"productNumber":null,"typeStatusCode":null,"productCategory":null,"typeNumber":null,"marketCode":null,"regionCode":null,"otherInformation":null,"productTypeStatus":null,"repairInstruction":null,"repairInstructionStatusDescription":null,"typeStatusDate":null,"serviceLifeDate":null,"manufacturerId":null,"parts":null,"language":null,"glossaries":null,"brand":null,"product":null,"brandCode":null,"recallNotes":null,"volume":null},{"code":"P731-05628-CM","name":null,"url":"/c//p/P731-05628-CM","description":"SLEEVE-OIL D","purchasable":true,"stock":{"stockLevelStatus":{"code":"inStock","type":"StockLevelStatus"},"stockLevel":0,"stockThreshold":null},"futureStocks":null,"availableForPickup":null,"averageRating":null,"numberOfReviews":null,"summary":null,"manufacturer":null,"variantType":null,"price":{"currencyIso":"USD","value":5.03,"priceType":"BUY","formattedValue":"$5.03","minQuantity":null,"maxQuantity":null,"sapUnit":{"code":"pieces","name":"Piece"}},"baseProduct":null,"images":[],"categories":null,"reviews":null,"classifications":null,"potentialPromotions":null,"variantOptions":null,"baseOptions":[],"volumePricesFlag":null,"volumePrices":null,"productReferences":null,"variantMatrix":null,"priceRange":null,"firstCategoryNameList":null,"multidimensional":null,"configurable":false,"configuratorType":null,"addToCartDisabled":null,"addToCartDisabledMessage":null,"tags":null,"sapUnit":null,"keywords":null,"genders":null,"itemtype":"Part","partSubstitute":null,"note":null,"recallNote":null,"note1":null,"note2":null,"note3":null,"note4":null,"note5":null,"pdfAllUser":null,"pdfAuthUser":null,"pdfCOSUser":null,"vaiantRelatedPartList":null,"partHotspotList":null,"itemNumber":10,"partRelatedVariantList":null,"bomCode":2,"totalValue":null,"searchImage":null,"length":null,"width":null,"height":null,"unitOfDimension":null,"weight":null,"unitOfWeight":null,"specialRouting":false,"onlineRepair":null,"previousPartID":null,"sbdDiscountPriceValue":{"currencyIso":"USD","value":5.03,"priceType":"BUY","formattedValue":"$5.03","minQuantity":null,"maxQuantity":null,"sapUnit":{"code":"pieces","name":"Piece"}},"alrCode":null,"productRecallFlag":null,"selectedDocumentId":null,"productDescription":null,"pdpImage":null,"ticketId":null,"qtyRequiredPerVariant":"1","isElgibleForRepair":null,"isPowerEligible":null,"productRecallNotes":null,"productOtherInfo":null,"backorderETA":"00/00/0000","modifiedDate":null,"userLevel":"ALL","displayPrice":null,"baseProductName":null,"firstVariantCode":null,"firstVariantImage":null,"productMarketType":null,"productNumber":null,"typeStatusCode":null,"productCategory":null,"typeNumber":null,"marketCode":null,"regionCode":null,"otherInformation":null,"productTypeStatus":null,"repairInstruction":null,"repairInstructionStatusDescription":null,"typeStatusDate":null,"serviceLifeDate":null,"manufacturerId":null,"parts":null,"language":null,"glossaries":null,"brand":null,"product":null,"brandCode":null,"recallNotes":null,"volume":null},{"code":"P731-07458-CM","name":null,"url":"/c//p/P731-07458-CM","description":"LENS-RH","purchasable":true,"stock":{"stockLevelStatus":{"code":"inStock","type":"StockLevelStatus"},"stockLevel":0,"stockThreshold":null},"futureStocks":null,"availableForPickup":null,"averageRating":null,"numberOfReviews":null,"summary":null,"manufacturer":null,"variantType":null,"price":{"currencyIso":"USD","value":5.86,"priceType":"BUY","formattedValue":"$5.86","minQuantity":null,"maxQuantity":null,"sapUnit":{"code":"pieces","name":"Piece"}},"baseProduct":null,"images":[],"categories":null,"reviews":null,"classifications":null,"potentialPromotions":null,"variantOptions":null,"baseOptions":[],"volumePricesFlag":null,"volumePrices":null,"productReferences":null,"variantMatrix":null,"priceRange":null,"firstCategoryNameList":null,"multidimensional":null,"configurable":false,"configuratorType":null,"addToCartDisabled":null,"addToCartDisabledMessage":null,"tags":null,"sapUnit":null,"keywords":null,"genders":null,"itemtype":"Part","partSubstitute":null,"note":null,"recallNote":null,"note1":null,"note2":null,"note3":null,"note4":null,"note5":null,"pdfAllUser":null,"pdfAuthUser":null,"pdfCOSUser":null,"vaiantRelatedPartList":null,"partHotspotList":null,"itemNumber":10,"partRelatedVariantList":null,"bomCode":2,"totalValue":null,"searchImage":null,"length":null,"width":null,"height":null,"unitOfDimension":null,"weight":null,"unitOfWeight":null,"specialRouting":false,"onlineRepair":null,"previousPartID":null,"sbdDiscountPriceValue":{"currencyIso":"USD","value":5.86,"priceType":"BUY","formattedValue":"$5.86","minQuantity":null,"maxQuantity":null,"sapUnit":{"code":"pieces","name":"Piece"}},"alrCode":null,"productRecallFlag":null,"selectedDocumentId":null,"productDescription":null,"pdpImage":null,"ticketId":null,"qtyRequiredPerVariant":"1","isElgibleForRepair":null,"isPowerEligible":null,"productRecallNotes":null,"productOtherInfo":null,"backorderETA":"00/00/0000","modifiedDate":null,"userLevel":"ALL","displayPrice":null,"baseProductName":null,"firstVariantCode":null,"firstVariantImage":null,"productMarketType":null,"productNumber":null,"typeStatusCode":null,"productCategory":null,"typeNumber":null,"marketCode":null,"regionCode":null,"otherInformation":null,"productTypeStatus":null,"repairInstruction":null,"repairInstructionStatusDescription":null,"typeStatusDate":null,"serviceLifeDate":null,"manufacturerId":null,"parts":null,"language":null,"glossaries":null,"brand":null,"product":null,"brandCode":null,"recallNotes":null,"volume":null},{"code":"P747-04393-CM","name":null,"url":"/c//p/P747-04393-CM","description":"ROD:LIFT LT-","purchasable":true,"stock":{"stockLevelStatus":{"code":"inStock","type":"StockLevelStatus"},"stockLevel":0,"stockThreshold":null},"futureStocks":null,"availableForPickup":null,"averageRating":null,"numberOfReviews":null,"summary":null,"manufacturer":null,"variantType":null,"price":{"currencyIso":"USD","value":14.4,"priceType":"BUY","formattedValue":"$14.40","minQuantity":null,"maxQuantity":null,"sapUnit":{"code":"pieces","name":"Piece"}},"baseProduct":null,"images":[],"categories":null,"reviews":null,"classifications":null,"potentialPromotions":null,"variantOptions":null,"baseOptions":[],"volumePricesFlag":null,"volumePrices":null,"productReferences":null,"variantMatrix":null,"priceRange":null,"firstCategoryNameList":null,"multidimensional":null,"configurable":false,"configuratorType":null,"addToCartDisabled":null,"addToCartDisabledMessage":null,"tags":null,"sapUnit":null,"keywords":null,"genders":null,"itemtype":"Part","partSubstitute":null,"note":null,"recallNote":null,"note1":null,"note2":null,"note3":null,"note4":null,"note5":null,"pdfAllUser":null,"pdfAuthUser":null,"pdfCOSUser":null,"vaiantRelatedPartList":null,"partHotspotList":null,"itemNumber":10,"partRelatedVariantList":null,"bomCode":2,"totalValue":null,"searchImage":null,"length":null,"width":null,"height":null,"unitOfDimension":null,"weight":null,"unitOfWeight":null,"specialRouting":false,"onlineRepair":null,"previousPartID":null,"sbdDiscountPriceValue":{"currencyIso":"USD","value":14.4,"priceType":"BUY","formattedValue":"$14.40","minQuantity":null,"maxQuantity":null,"sapUnit":{"code":"pieces","name":"Piece"}},"alrCode":null,"productRecallFlag":null,"selectedDocumentId":null,"productDescription":null,"pdpImage":null,"ticketId":null,"qtyRequiredPerVariant":"1","isElgibleForRepair":null,"isPowerEligible":null,"productRecallNotes":null,"productOtherInfo":null,"backorderETA":"00/00/0000","modifiedDate":null,"userLevel":"ALL","displayPrice":null,"baseProductName":null,"firstVariantCode":null,"firstVariantImage":null,"productMarketType":null,"productNumber":null,"typeStatusCode":null,"productCategory":null,"typeNumber":null,"marketCode":null,"regionCode":null,"otherInformation":null,"productTypeStatus":null,"repairInstruction":null,"repairInstructionStatusDescription":null,"typeStatusDate":null,"serviceLifeDate":null,"manufacturerId":null,"parts":null,"language":null,"glossaries":null,"brand":null,"product":null,"brandCode":null,"recallNotes":null,"volume":null},{"code":"P777S35012-CM","name":null,"url":"/c//p/P777S35012-CM","description":"LABEL-DECK S","purchasable":true,"stock":{"stockLevelStatus":{"code":"inStock","type":"StockLevelStatus"},"stockLevel":0,"stockThreshold":null},"futureStocks":null,"availableForPickup":null,"averageRating":null,"numberOfReviews":null,"summary":null,"manufacturer":null,"variantType":null,"price":{"currencyIso":"USD","value":8.34,"priceType":"BUY","formattedValue":"$8.34","minQuantity":null,"maxQuantity":null,"sapUnit":{"code":"pieces","name":"Piece"}},"baseProduct":null,"images":[],"categories":null,"reviews":null,"classifications":null,"potentialPromotions":null,"variantOptions":null,"baseOptions":[],"volumePricesFlag":null,"volumePrices":null,"productReferences":null,"variantMatrix":null,"priceRange":null,"firstCategoryNameList":null,"multidimensional":null,"configurable":false,"configuratorType":null,"addToCartDisabled":null,"addToCartDisabledMessage":null,"tags":null,"sapUnit":null,"keywords":null,"genders":null,"itemtype":"Part","partSubstitute":null,"note":null,"recallNote":null,"note1":null,"note2":null,"note3":null,"note4":null,"note5":null,"pdfAllUser":null,"pdfAuthUser":null,"pdfCOSUser":null,"vaiantRelatedPartList":null,"partHotspotList":null,"itemNumber":10,"partRelatedVariantList":null,"bomCode":2,"totalValue":null,"searchImage":null,"length":null,"width":null,"height":null,"unitOfDimension":null,"weight":null,"unitOfWeight":null,"specialRouting":false,"onlineRepair":null,"previousPartID":null,"sbdDiscountPriceValue":{"currencyIso":"USD","value":8.34,"priceType":"BUY","formattedValue":"$8.34","minQuantity":null,"maxQuantity":null,"sapUnit":{"code":"pieces","name":"Piece"}},"alrCode":null,"productRecallFlag":null,"selectedDocumentId":null,"productDescription":null,"pdpImage":null,"ticketId":null,"qtyRequiredPerVariant":"1","isElgibleForRepair":null,"isPowerEligible":null,"productRecallNotes":null,"productOtherInfo":null,"backorderETA":"00/00/0000","modifiedDate":null,"userLevel":"ALL","displayPrice":null,"baseProductName":null,"firstVariantCode":null,"firstVariantImage":null,"productMarketType":null,"productNumber":null,"typeStatusCode":null,"productCategory":null,"typeNumber":null,"marketCode":null,"regionCode":null,"otherInformation":null,"productTypeStatus":null,"repairInstruction":null,"repairInstructionStatusDescription":null,"typeStatusDate":null,"serviceLifeDate":null,"manufacturerId":null,"parts":null,"language":null,"glossaries":null,"brand":null,"product":null,"brandCode":null,"recallNotes":null,"volume":null},{"code":"P783-06050-CM","name":null,"url":"/c//p/P783-06050-CM","description":"LEVER-SEAT","purchasable":true,"stock":{"stockLevelStatus":{"code":"inStock","type":"StockLevelStatus"},"stockLevel":0,"stockThreshold":null},"futureStocks":null,"availableForPickup":null,"averageRating":null,"numberOfReviews":null,"summary":null,"manufacturer":null,"variantType":null,"price":{"currencyIso":"USD","value":6.11,"priceType":"BUY","formattedValue":"$6.11","minQuantity":null,"maxQuantity":null,"sapUnit":{"code":"pieces","name":"Piece"}},"baseProduct":null,"images":[],"categories":null,"reviews":null,"classifications":null,"potentialPromotions":null,"variantOptions":null,"baseOptions":[],"volumePricesFlag":null,"volumePrices":null,"productReferences":null,"variantMatrix":null,"priceRange":null,"firstCategoryNameList":null,"multidimensional":null,"configurable":false,"configuratorType":null,"addToCartDisabled":null,"addToCartDisabledMessage":null,"tags":null,"sapUnit":null,"keywords":null,"genders":null,"itemtype":"Part","partSubstitute":null,"note":null,"recallNote":null,"note1":null,"note2":null,"note3":null,"note4":null,"note5":null,"pdfAllUser":null,"pdfAuthUser":null,"pdfCOSUser":null,"vaiantRelatedPartList":null,"partHotspotList":null,"itemNumber":10,"partRelatedVariantList":null,"bomCode":2,"totalValue":null,"searchImage":null,"length":null,"width":null,"height":null,"unitOfDimension":null,"weight":null,"unitOfWeight":null,"specialRouting":false,"onlineRepair":null,"previousPartID":null,"sbdDiscountPriceValue":{"currencyIso":"USD","value":6.11,"priceType":"BUY","formattedValue":"$6.11","minQuantity":null,"maxQuantity":null,"sapUnit":{"code":"pieces","name":"Piece"}},"alrCode":null,"productRecallFlag":null,"selectedDocumentId":null,"productDescription":null,"pdpImage":null,"ticketId":null,"qtyRequiredPerVariant":"1","isElgibleForRepair":null,"isPowerEligible":null,"productRecallNotes":null,"productOtherInfo":null,"backorderETA":"00/00/0000","modifiedDate":null,"userLevel":"ALL","displayPrice":null,"baseProductName":null,"firstVariantCode":null,"firstVariantImage":null,"productMarketType":null,"productNumber":null,"typeStatusCode":null,"productCategory":null,"typeNumber":null,"marketCode":null,"regionCode":null,"otherInformation":null,"productTypeStatus":null,"repairInstruction":null,"repairInstructionStatusDescription":null,"typeStatusDate":null,"serviceLifeDate":null,"manufacturerId":null,"parts":null,"language":null,"glossaries":null,"brand":null,"product":null,"brandCode":null,"recallNotes":null,"volume":null},{"code":"P923-0448A-CM","name":null,"url":"/c//p/P923-0448A-CM","description":"JOINT ASSY-L","purchasable":true,"stock":{"stockLevelStatus":{"code":"inStock","type":"StockLevelStatus"},"stockLevel":0,"stockThreshold":null},"futureStocks":null,"availableForPickup":null,"averageRating":null,"numberOfReviews":null,"summary":null,"manufacturer":null,"variantType":null,"price":{"currencyIso":"USD","value":16.02,"priceType":"BUY","formattedValue":"$16.02","minQuantity":null,"maxQuantity":null,"sapUnit":{"code":"pieces","name":"Piece"}},"baseProduct":null,"images":[],"categories":null,"reviews":null,"classifications":null,"potentialPromotions":null,"variantOptions":null,"baseOptions":[],"volumePricesFlag":null,"volumePrices":null,"productReferences":null,"variantMatrix":null,"priceRange":null,"firstCategoryNameList":null,"multidimensional":null,"configurable":false,"configuratorType":null,"addToCartDisabled":null,"addToCartDisabledMessage":null,"tags":null,"sapUnit":null,"keywords":null,"genders":null,"itemtype":"Part","partSubstitute":null,"note":null,"recallNote":null,"note1":null,"note2":null,"note3":null,"note4":null,"note5":null,"pdfAllUser":null,"pdfAuthUser":null,"pdfCOSUser":null,"vaiantRelatedPartList":null,"partHotspotList":null,"itemNumber":10,"partRelatedVariantList":null,"bomCode":2,"totalValue":null,"searchImage":null,"length":null,"width":null,"height":null,"unitOfDimension":null,"weight":null,"unitOfWeight":null,"specialRouting":false,"onlineRepair":null,"previousPartID":null,"sbdDiscountPriceValue":{"currencyIso":"USD","value":16.02,"priceType":"BUY","formattedValue":"$16.02","minQuantity":null,"maxQuantity":null,"sapUnit":{"code":"pieces","name":"Piece"}},"alrCode":null,"productRecallFlag":null,"selectedDocumentId":null,"productDescription":null,"pdpImage":null,"ticketId":null,"qtyRequiredPerVariant":"1","isElgibleForRepair":null,"isPowerEligible":null,"productRecallNotes":null,"productOtherInfo":null,"backorderETA":"00/00/0000","modifiedDate":null,"userLevel":"ALL","displayPrice":null,"baseProductName":null,"firstVariantCode":null,"firstVariantImage":null,"productMarketType":null,"productNumber":null,"typeStatusCode":null,"productCategory":null,"typeNumber":null,"marketCode":null,"regionCode":null,"otherInformation":null,"productTypeStatus":null,"repairInstruction":null,"repairInstructionStatusDescription":null,"typeStatusDate":null,"serviceLifeDate":null,"manufacturerId":null,"parts":null,"language":null,"glossaries":null,"brand":null,"product":null,"brandCode":null,"recallNotes":null,"volume":null},{"code":"P936-3039-CM","name":null,"url":"/c//p/P936-3039-CM","description":"WASHER-FL-.4","purchasable":true,"stock":{"stockLevelStatus":{"code":"inStock","type":"StockLevelStatus"},"stockLevel":0,"stockThreshold":null},"futureStocks":null,"availableForPickup":null,"averageRating":null,"numberOfReviews":null,"summary":null,"manufacturer":null,"variantType":null,"price":{"currencyIso":"USD","value":3.05,"priceType":"BUY","formattedValue":"$3.05","minQuantity":null,"maxQuantity":null,"sapUnit":{"code":"pieces","name":"Piece"}},"baseProduct":null,"images":[],"categories":null,"reviews":null,"classifications":null,"potentialPromotions":null,"variantOptions":null,"baseOptions":[],"volumePricesFlag":null,"volumePrices":null,"productReferences":null,"variantMatrix":null,"priceRange":null,"firstCategoryNameList":null,"multidimensional":null,"configurable":false,"configuratorType":null,"addToCartDisabled":null,"addToCartDisabledMessage":null,"tags":null,"sapUnit":null,"keywords":null,"genders":null,"itemtype":"Part","partSubstitute":null,"note":null,"recallNote":null,"note1":null,"note2":null,"note3":null,"note4":null,"note5":null,"pdfAllUser":null,"pdfAuthUser":null,"pdfCOSUser":null,"vaiantRelatedPartList":null,"partHotspotList":null,"itemNumber":10,"partRelatedVariantList":null,"bomCode":2,"totalValue":null,"searchImage":null,"length":null,"width":null,"height":null,"unitOfDimension":null,"weight":null,"unitOfWeight":null,"specialRouting":false,"onlineRepair":null,"previousPartID":null,"sbdDiscountPriceValue":{"currencyIso":"USD","value":3.05,"priceType":"BUY","formattedValue":"$3.05","minQuantity":null,"maxQuantity":null,"sapUnit":{"code":"pieces","name":"Piece"}},"alrCode":null,"productRecallFlag":null,"selectedDocumentId":null,"productDescription":null,"pdpImage":null,"ticketId":null,"qtyRequiredPerVariant":"1","isElgibleForRepair":null,"isPowerEligible":null,"productRecallNotes":null,"productOtherInfo":null,"backorderETA":"00/00/0000","modifiedDate":null,"userLevel":"ALL","displayPrice":null,"baseProductName":null,"firstVariantCode":null,"firstVariantImage":null,"productMarketType":null,"productNumber":null,"typeStatusCode":null,"productCategory":null,"typeNumber":null,"marketCode":null,"regionCode":null,"otherInformation":null,"productTypeStatus":null,"repairInstruction":null,"repairInstructionStatusDescription":null,"typeStatusDate":null,"serviceLifeDate":null,"manufacturerId":null,"parts":null,"language":null,"glossaries":null,"brand":null,"product":null,"brandCode":null,"recallNotes":null,"volume":null},{"code":"P5140220-82","name":null,"url":"/c//p/P5140220-82","description":"POWDER BLACK","purchasable":true,"stock":{"stockLevelStatus":{"code":"inStock","type":"StockLevelStatus"},"stockLevel":0,"stockThreshold":null},"futureStocks":null,"availableForPickup":null,"averageRating":null,"numberOfReviews":null,"summary":null,"manufacturer":null,"variantType":null,"price":{"currencyIso":"USD","value":13.14,"priceType":"BUY","formattedValue":"$13.14","minQuantity":null,"maxQuantity":null,"sapUnit":{"code":"pieces","name":"Piece"}},"baseProduct":null,"images":[],"categories":null,"reviews":null,"classifications":null,"potentialPromotions":null,"variantOptions":null,"baseOptions":[],"volumePricesFlag":null,"volumePrices":null,"productReferences":null,"variantMatrix":null,"priceRange":null,"firstCategoryNameList":null,"multidimensional":null,"configurable":false,"configuratorType":null,"addToCartDisabled":null,"addToCartDisabledMessage":null,"tags":null,"sapUnit":null,"keywords":null,"genders":null,"itemtype":"Part","partSubstitute":null,"note":null,"recallNote":null,"note1":null,"note2":null,"note3":null,"note4":null,"note5":null,"pdfAllUser":null,"pdfAuthUser":null,"pdfCOSUser":null,"vaiantRelatedPartList":null,"partHotspotList":null,"itemNumber":11,"partRelatedVariantList":null,"bomCode":2,"totalValue":null,"searchImage":null,"length":null,"width":null,"height":null,"unitOfDimension":null,"weight":null,"unitOfWeight":null,"specialRouting":false,"onlineRepair":null,"previousPartID":null,"sbdDiscountPriceValue":{"currencyIso":"USD","value":13.14,"priceType":"BUY","formattedValue":"$13.14","minQuantity":null,"maxQuantity":null,"sapUnit":{"code":"pieces","name":"Piece"}},"alrCode":null,"productRecallFlag":null,"selectedDocumentId":null,"productDescription":null,"pdpImage":null,"ticketId":null,"qtyRequiredPerVariant":"1","isElgibleForRepair":null,"isPowerEligible":null,"productRecallNotes":null,"productOtherInfo":null,"backorderETA":"00/00/0000","modifiedDate":null,"userLevel":"ALL","displayPrice":null,"baseProductName":null,"firstVariantCode":null,"firstVariantImage":null,"productMarketType":null,"productNumber":null,"typeStatusCode":null,"productCategory":null,"typeNumber":null,"marketCode":null,"regionCode":null,"otherInformation":null,"productTypeStatus":null,"repairInstruction":null,"repairInstructionStatusDescription":null,"typeStatusDate":null,"serviceLifeDate":null,"manufacturerId":null,"parts":null,"language":null,"glossaries":null,"brand":null,"product":null,"brandCode":null,"recallNotes":null,"volume":null},{"code":"P5140220-96","name":null,"url":"/c//p/P5140220-96","description":"POWDER BLACK","purchasable":true,"stock":{"stockLevelStatus":{"code":"inStock","type":"StockLevelStatus"},"stockLevel":0,"stockThreshold":null},"futureStocks":null,"availableForPickup":null,"averageRating":null,"numberOfReviews":null,"summary":null,"manufacturer":null,"variantType":null,"price":{"currencyIso":"USD","value":14.83,"priceType":"BUY","formattedValue":"$14.83","minQuantity":null,"maxQuantity":null,"sapUnit":{"code":"pieces","name":"Piece"}},"baseProduct":null,"images":[],"categories":null,"reviews":null,"classifications":null,"potentialPromotions":null,"variantOptions":null,"baseOptions":[],"volumePricesFlag":null,"volumePrices":null,"productReferences":null,"variantMatrix":null,"priceRange":null,"firstCategoryNameList":null,"multidimensional":null,"configurable":false,"configuratorType":null,"addToCartDisabled":null,"addToCartDisabledMessage":null,"tags":null,"sapUnit":null,"keywords":null,"genders":null,"itemtype":"Part","partSubstitute":null,"note":null,"recallNote":null,"note1":null,"note2":null,"note3":null,"note4":null,"note5":null,"pdfAllUser":null,"pdfAuthUser":null,"pdfCOSUser":null,"vaiantRelatedPartList":null,"partHotspotList":null,"itemNumber":11,"partRelatedVariantList":null,"bomCode":2,"totalValue":null,"searchImage":null,"length":null,"width":null,"height":null,"unitOfDimension":null,"weight":null,"unitOfWeight":null,"specialRouting":false,"onlineRepair":null,"previousPartID":null,"sbdDiscountPriceValue":{"currencyIso":"USD","value":14.83,"priceType":"BUY","formattedValue":"$14.83","minQuantity":null,"maxQuantity":null,"sapUnit":{"code":"pieces","name":"Piece"}},"alrCode":null,"productRecallFlag":null,"selectedDocumentId":null,"productDescription":null,"pdpImage":null,"ticketId":null,"qtyRequiredPerVariant":"1","isElgibleForRepair":null,"isPowerEligible":null,"productRecallNotes":null,"productOtherInfo":null,"backorderETA":"00/00/0000","modifiedDate":null,"userLevel":"ALL","displayPrice":null,"baseProductName":null,"firstVariantCode":null,"firstVariantImage":null,"productMarketType":null,"productNumber":null,"typeStatusCode":null,"productCategory":null,"typeNumber":null,"marketCode":null,"regionCode":null,"otherInformation":null,"productTypeStatus":null,"repairInstruction":null,"repairInstructionStatusDescription":null,"typeStatusDate":null,"serviceLifeDate":null,"manufacturerId":null,"parts":null,"language":null,"glossaries":null,"brand":null,"product":null,"brandCode":null,"recallNotes":null,"volume":null},{"code":"P5140221-47","name":null,"url":"/c//p/P5140221-47","description":"BRACKET","purchasable":true,"stock":{"stockLevelStatus":{"code":"inStock","type":"StockLevelStatus"},"stockLevel":0,"stockThreshold":null},"futureStocks":null,"availableForPickup":null,"averageRating":null,"numberOfReviews":null,"summary":null,"manufacturer":null,"variantType":null,"price":{"currencyIso":"USD","value":13.07,"priceType":"BUY","formattedValue":"$13.07","minQuantity":null,"maxQuantity":null,"sapUnit":{"code":"pieces","name":"Piece"}},"baseProduct":null,"images":[],"categories":null,"reviews":null,"classifications":null,"potentialPromotions":null,"variantOptions":null,"baseOptions":[],"volumePricesFlag":null,"volumePrices":null,"productReferences":null,"variantMatrix":null,"priceRange":null,"firstCategoryNameList":null,"multidimensional":null,"configurable":false,"configuratorType":null,"addToCartDisabled":null,"addToCartDisabledMessage":null,"tags":null,"sapUnit":null,"keywords":null,"genders":null,"itemtype":"Part","partSubstitute":null,"note":null,"recallNote":null,"note1":null,"note2":null,"note3":null,"note4":null,"note5":null,"pdfAllUser":null,"pdfAuthUser":null,"pdfCOSUser":null,"vaiantRelatedPartList":null,"partHotspotList":null,"itemNumber":11,"partRelatedVariantList":null,"bomCode":2,"totalValue":null,"searchImage":null,"length":null,"width":null,"height":null,"unitOfDimension":null,"weight":null,"unitOfWeight":null,"specialRouting":false,"onlineRepair":null,"previousPartID":null,"sbdDiscountPriceValue":{"currencyIso":"USD","value":13.07,"priceType":"BUY","formattedValue":"$13.07","minQuantity":null,"maxQuantity":null,"sapUnit":{"code":"pieces","name":"Piece"}},"alrCode":null,"productRecallFlag":null,"selectedDocumentId":null,"productDescription":null,"pdpImage":null,"ticketId":null,"qtyRequiredPerVariant":"1","isElgibleForRepair":null,"isPowerEligible":null,"productRecallNotes":null,"productOtherInfo":null,"backorderETA":"00/00/0000","modifiedDate":null,"userLevel":"ALL","displayPrice":null,"baseProductName":null,"firstVariantCode":null,"firstVariantImage":null,"productMarketType":null,"productNumber":null,"typeStatusCode":null,"productCategory":null,"typeNumber":null,"marketCode":null,"regionCode":null,"otherInformation":null,"productTypeStatus":null,"repairInstruction":null,"repairInstructionStatusDescription":null,"typeStatusDate":null,"serviceLifeDate":null,"manufacturerId":null,"parts":null,"language":null,"glossaries":null,"brand":null,"product":null,"brandCode":null,"recallNotes":null,"volume":null},{"code":"P710-0642-CM","name":null,"url":"/c//p/P710-0642-CM","description":"SCREW","purchasable":true,"stock":{"stockLevelStatus":{"code":"inStock","type":"StockLevelStatus"},"stockLevel":0,"stockThreshold":null},"futureStocks":null,"availableForPickup":null,"averageRating":null,"numberOfReviews":null,"summary":null,"manufacturer":null,"variantType":null,"price":{"currencyIso":"USD","value":2.78,"priceType":"BUY","formattedValue":"$2.78","minQuantity":null,"maxQuantity":null,"sapUnit":{"code":"pieces","name":"Piece"}},"baseProduct":null,"images":[],"categories":null,"reviews":null,"classifications":null,"potentialPromotions":null,"variantOptions":null,"baseOptions":[],"volumePricesFlag":null,"volumePrices":null,"productReferences":null,"variantMatrix":null,"priceRange":null,"firstCategoryNameList":null,"multidimensional":null,"configurable":false,"configuratorType":null,"addToCartDisabled":null,"addToCartDisabledMessage":null,"tags":null,"sapUnit":null,"keywords":null,"genders":null,"itemtype":"Part","partSubstitute":null,"note":null,"recallNote":null,"note1":null,"note2":null,"note3":null,"note4":null,"note5":null,"pdfAllUser":null,"pdfAuthUser":null,"pdfCOSUser":null,"vaiantRelatedPartList":null,"partHotspotList":null,"itemNumber":11,"partRelatedVariantList":null,"bomCode":2,"totalValue":null,"searchImage":null,"length":null,"width":null,"height":null,"unitOfDimension":null,"weight":null,"unitOfWeight":null,"specialRouting":false,"onlineRepair":null,"previousPartID":null,"sbdDiscountPriceValue":{"currencyIso":"USD","value":2.78,"priceType":"BUY","formattedValue":"$2.78","minQuantity":null,"maxQuantity":null,"sapUnit":{"code":"pieces","name":"Piece"}},"alrCode":null,"productRecallFlag":null,"selectedDocumentId":null,"productDescription":null,"pdpImage":null,"ticketId":null,"qtyRequiredPerVariant":"1","isElgibleForRepair":null,"isPowerEligible":null,"productRecallNotes":null,"productOtherInfo":null,"backorderETA":"00/00/0000","modifiedDate":null,"userLevel":"ALL","displayPrice":null,"baseProductName":null,"firstVariantCode":null,"firstVariantImage":null,"productMarketType":null,"productNumber":null,"typeStatusCode":null,"productCategory":null,"typeNumber":null,"marketCode":null,"regionCode":null,"otherInformation":null,"productTypeStatus":null,"repairInstruction":null,"repairInstructionStatusDescription":null,"typeStatusDate":null,"serviceLifeDate":null,"manufacturerId":null,"parts":null,"language":null,"glossaries":null,"brand":null,"product":null,"brandCode":null,"recallNotes":null,"volume":null},{"code":"P710-0642-CM","name":null,"url":"/c//p/P710-0642-CM","description":"SCREW","purchasable":true,"stock":{"stockLevelStatus":{"code":"inStock","type":"StockLevelStatus"},"stockLevel":0,"stockThreshold":null},"futureStocks":null,"availableForPickup":null,"averageRating":null,"numberOfReviews":null,"summary":null,"manufacturer":null,"variantType":null,"price":{"currencyIso":"USD","value":2.78,"priceType":"BUY","formattedValue":"$2.78","minQuantity":null,"maxQuantity":null,"sapUnit":{"code":"pieces","name":"Piece"}},"baseProduct":null,"images":[],"categories":null,"reviews":null,"classifications":null,"potentialPromotions":null,"variantOptions":null,"baseOptions":[],"volumePricesFlag":null,"volumePrices":null,"productReferences":null,"variantMatrix":null,"priceRange":null,"firstCategoryNameList":null,"multidimensional":null,"configurable":false,"configuratorType":null,"addToCartDisabled":null,"addToCartDisabledMessage":null,"tags":null,"sapUnit":null,"keywords":null,"genders":null,"itemtype":"Part","partSubstitute":null,"note":null,"recallNote":null,"note1":null,"note2":null,"note3":null,"note4":null,"note5":null,"pdfAllUser":null,"pdfAuthUser":null,"pdfCOSUser":null,"vaiantRelatedPartList":null,"partHotspotList":null,"itemNumber":11,"partRelatedVariantList":null,"bomCode":2,"totalValue":null,"searchImage":null,"length":null,"width":null,"height":null,"unitOfDimension":null,"weight":null,"unitOfWeight":null,"specialRouting":false,"onlineRepair":null,"previousPartID":null,"sbdDiscountPriceValue":{"currencyIso":"USD","value":2.78,"priceType":"BUY","formattedValue":"$2.78","minQuantity":null,"maxQuantity":null,"sapUnit":{"code":"pieces","name":"Piece"}},"alrCode":null,"productRecallFlag":null,"selectedDocumentId":null,"productDescription":null,"pdpImage":null,"ticketId":null,"qtyRequiredPerVariant":"1","isElgibleForRepair":null,"isPowerEligible":null,"productRecallNotes":null,"productOtherInfo":null,"backorderETA":"00/00/0000","modifiedDate":null,"userLevel":"ALL","displayPrice":null,"baseProductName":null,"firstVariantCode":null,"firstVariantImage":null,"productMarketType":null,"productNumber":null,"typeStatusCode":null,"productCategory":null,"typeNumber":null,"marketCode":null,"regionCode":null,"otherInformation":null,"productTypeStatus":null,"repairInstruction":null,"repairInstructionStatusDescription":null,"typeStatusDate":null,"serviceLifeDate":null,"manufacturerId":null,"parts":null,"language":null,"glossaries":null,"brand":null,"product":null,"brandCode":null,"recallNotes":null,"volume":null},{"code":"P710-0778-CM","name":null,"url":"/c//p/P710-0778-CM","description":"SCREW","purchasable":true,"stock":{"stockLevelStatus":{"code":"inStock","type":"StockLevelStatus"},"stockLevel":0,"stockThreshold":null},"futureStocks":null,"availableForPickup":null,"averageRating":null,"numberOfReviews":null,"summary":null,"manufacturer":null,"variantType":null,"price":{"currencyIso":"USD","value":2.68,"priceType":"BUY","formattedValue":"$2.68","minQuantity":null,"maxQuantity":null,"sapUnit":{"code":"pieces","name":"Piece"}},"baseProduct":null,"images":[],"categories":null,"reviews":null,"classifications":null,"potentialPromotions":null,"variantOptions":null,"baseOptions":[],"volumePricesFlag":null,"volumePrices":null,"productReferences":null,"variantMatrix":null,"priceRange":null,"firstCategoryNameList":null,"multidimensional":null,"configurable":false,"configuratorType":null,"addToCartDisabled":null,"addToCartDisabledMessage":null,"tags":null,"sapUnit":null,"keywords":null,"genders":null,"itemtype":"Part","partSubstitute":null,"note":null,"recallNote":null,"note1":null,"note2":null,"note3":null,"note4":null,"note5":null,"pdfAllUser":null,"pdfAuthUser":null,"pdfCOSUser":null,"vaiantRelatedPartList":null,"partHotspotList":null,"itemNumber":11,"partRelatedVariantList":null,"bomCode":2,"totalValue":null,"searchImage":null,"length":null,"width":null,"height":null,"unitOfDimension":null,"weight":null,"unitOfWeight":null,"specialRouting":false,"onlineRepair":null,"previousPartID":null,"sbdDiscountPriceValue":{"currencyIso":"USD","value":2.68,"priceType":"BUY","formattedValue":"$2.68","minQuantity":null,"maxQuantity":null,"sapUnit":{"code":"pieces","name":"Piece"}},"alrCode":null,"productRecallFlag":null,"selectedDocumentId":null,"productDescription":null,"pdpImage":null,"ticketId":null,"qtyRequiredPerVariant":"1","isElgibleForRepair":null,"isPowerEligible":null,"productRecallNotes":null,"productOtherInfo":null,"backorderETA":"00/00/0000","modifiedDate":null,"userLevel":"ALL","displayPrice":null,"baseProductName":null,"firstVariantCode":null,"firstVariantImage":null,"productMarketType":null,"productNumber":null,"typeStatusCode":null,"productCategory":null,"typeNumber":null,"marketCode":null,"regionCode":null,"otherInformation":null,"productTypeStatus":null,"repairInstruction":null,"repairInstructionStatusDescription":null,"typeStatusDate":null,"serviceLifeDate":null,"manufacturerId":null,"parts":null,"language":null,"glossaries":null,"brand":null,"product":null,"brandCode":null,"recallNotes":null,"volume":null},{"code":"P731-07459-CM","name":null,"url":"/c//p/P731-07459-CM","description":"LENS-LH","purchasable":true,"stock":{"stockLevelStatus":{"code":"inStock","type":"StockLevelStatus"},"stockLevel":0,"stockThreshold":null},"futureStocks":null,"availableForPickup":null,"averageRating":null,"numberOfReviews":null,"summary":null,"manufacturer":null,"variantType":null,"price":{"currencyIso":"USD","value":5.86,"priceType":"BUY","formattedValue":"$5.86","minQuantity":null,"maxQuantity":null,"sapUnit":{"code":"pieces","name":"Piece"}},"baseProduct":null,"images":[],"categories":null,"reviews":null,"classifications":null,"potentialPromotions":null,"variantOptions":null,"baseOptions":[],"volumePricesFlag":null,"volumePrices":null,"productReferences":null,"variantMatrix":null,"priceRange":null,"firstCategoryNameList":null,"multidimensional":null,"configurable":false,"configuratorType":null,"addToCartDisabled":null,"addToCartDisabledMessage":null,"tags":null,"sapUnit":null,"keywords":null,"genders":null,"itemtype":"Part","partSubstitute":null,"note":null,"recallNote":null,"note1":null,"note2":null,"note3":null,"note4":null,"note5":null,"pdfAllUser":null,"pdfAuthUser":null,"pdfCOSUser":null,"vaiantRelatedPartList":null,"partHotspotList":null,"itemNumber":11,"partRelatedVariantList":null,"bomCode":2,"totalValue":null,"searchImage":null,"length":null,"width":null,"height":null,"unitOfDimension":null,"weight":null,"unitOfWeight":null,"specialRouting":false,"onlineRepair":null,"previousPartID":null,"sbdDiscountPriceValue":{"currencyIso":"USD","value":5.86,"priceType":"BUY","formattedValue":"$5.86","minQuantity":null,"maxQuantity":null,"sapUnit":{"code":"pieces","name":"Piece"}},"alrCode":null,"productRecallFlag":null,"selectedDocumentId":null,"productDescription":null,"pdpImage":null,"ticketId":null,"qtyRequiredPerVariant":"1","isElgibleForRepair":null,"isPowerEligible":null,"productRecallNotes":null,"productOtherInfo":null,"backorderETA":"00/00/0000","modifiedDate":null,"userLevel":"ALL","displayPrice":null,"baseProductName":null,"firstVariantCode":null,"firstVariantImage":null,"productMarketType":null,"productNumber":null,"typeStatusCode":null,"productCategory":null,"typeNumber":null,"marketCode":null,"regionCode":null,"otherInformation":null,"productTypeStatus":null,"repairInstruction":null,"repairInstructionStatusDescription":null,"typeStatusDate":null,"serviceLifeDate":null,"manufacturerId":null,"parts":null,"language":null,"glossaries":null,"brand":null,"product":null,"brandCode":null,"recallNotes":null,"volume":null},{"code":"P736-0242-CM","name":null,"url":"/c//p/P736-0242-CM","description":"WASHER","purchasable":true,"stock":{"stockLevelStatus":{"code":"inStock","type":"StockLevelStatus"},"stockLevel":0,"stockThreshold":null},"futureStocks":null,"availableForPickup":null,"averageRating":null,"numberOfReviews":null,"summary":null,"manufacturer":null,"variantType":null,"price":{"currencyIso":"USD","value":2.58,"priceType":"BUY","formattedValue":"$2.58","minQuantity":null,"maxQuantity":null,"sapUnit":{"code":"pieces","name":"Piece"}},"baseProduct":null,"images":[],"categories":null,"reviews":null,"classifications":null,"potentialPromotions":null,"variantOptions":null,"baseOptions":[],"volumePricesFlag":null,"volumePrices":null,"productReferences":null,"variantMatrix":null,"priceRange":null,"firstCategoryNameList":null,"multidimensional":null,"configurable":false,"configuratorType":null,"addToCartDisabled":null,"addToCartDisabledMessage":null,"tags":null,"sapUnit":null,"keywords":null,"genders":null,"itemtype":"Part","partSubstitute":null,"note":null,"recallNote":null,"note1":null,"note2":null,"note3":null,"note4":null,"note5":null,"pdfAllUser":null,"pdfAuthUser":null,"pdfCOSUser":null,"vaiantRelatedPartList":null,"partHotspotList":null,"itemNumber":11,"partRelatedVariantList":null,"bomCode":2,"totalValue":null,"searchImage":null,"length":null,"width":null,"height":null,"unitOfDimension":null,"weight":null,"unitOfWeight":null,"specialRouting":false,"onlineRepair":null,"previousPartID":null,"sbdDiscountPriceValue":{"currencyIso":"USD","value":2.58,"priceType":"BUY","formattedValue":"$2.58","minQuantity":null,"maxQuantity":null,"sapUnit":{"code":"pieces","name":"Piece"}},"alrCode":null,"productRecallFlag":null,"selectedDocumentId":null,"productDescription":null,"pdpImage":null,"ticketId":null,"qtyRequiredPerVariant":"1","isElgibleForRepair":null,"isPowerEligible":null,"productRecallNotes":null,"productOtherInfo":null,"backorderETA":"00/00/0000","modifiedDate":null,"userLevel":"ALL","displayPrice":null,"baseProductName":null,"firstVariantCode":null,"firstVariantImage":null,"productMarketType":null,"productNumber":null,"typeStatusCode":null,"productCategory":null,"typeNumber":null,"marketCode":null,"regionCode":null,"otherInformation":null,"productTypeStatus":null,"repairInstruction":null,"repairInstructionStatusDescription":null,"typeStatusDate":null,"serviceLifeDate":null,"manufacturerId":null,"parts":null,"language":null,"glossaries":null,"brand":null,"product":null,"brandCode":null,"recallNotes":null,"volume":null},{"code":"P777D17042-CM","name":null,"url":"/c//p/P777D17042-CM","description":"DECAL KEY #8","purchasable":true,"stock":{"stockLevelStatus":{"code":"inStock","type":"StockLevelStatus"},"stockLevel":0,"stockThreshold":null},"futureStocks":null,"availableForPickup":null,"averageRating":null,"numberOfReviews":null,"summary":null,"manufacturer":null,"variantType":null,"price":{"currencyIso":"USD","value":2.55,"priceType":"BUY","formattedValue":"$2.55","minQuantity":null,"maxQuantity":null,"sapUnit":{"code":"pieces","name":"Piece"}},"baseProduct":null,"images":[],"categories":null,"reviews":null,"classifications":null,"potentialPromotions":null,"variantOptions":null,"baseOptions":[],"volumePricesFlag":null,"volumePrices":null,"productReferences":null,"variantMatrix":null,"priceRange":null,"firstCategoryNameList":null,"multidimensional":null,"configurable":false,"configuratorType":null,"addToCartDisabled":null,"addToCartDisabledMessage":null,"tags":null,"sapUnit":null,"keywords":null,"genders":null,"itemtype":"Part","partSubstitute":null,"note":null,"recallNote":null,"note1":null,"note2":null,"note3":null,"note4":null,"note5":null,"pdfAllUser":null,"pdfAuthUser":null,"pdfCOSUser":null,"vaiantRelatedPartList":null,"partHotspotList":null,"itemNumber":11,"partRelatedVariantList":null,"bomCode":2,"totalValue":null,"searchImage":null,"length":null,"width":null,"height":null,"unitOfDimension":null,"weight":null,"unitOfWeight":null,"specialRouting":false,"onlineRepair":null,"previousPartID":null,"sbdDiscountPriceValue":{"currencyIso":"USD","value":2.55,"priceType":"BUY","formattedValue":"$2.55","minQuantity":null,"maxQuantity":null,"sapUnit":{"code":"pieces","name":"Piece"}},"alrCode":null,"productRecallFlag":null,"selectedDocumentId":null,"productDescription":null,"pdpImage":null,"ticketId":null,"qtyRequiredPerVariant":"1","isElgibleForRepair":null,"isPowerEligible":null,"productRecallNotes":null,"productOtherInfo":null,"backorderETA":"00/00/0000","modifiedDate":null,"userLevel":"ALL","displayPrice":null,"baseProductName":null,"firstVariantCode":null,"firstVariantImage":null,"productMarketType":null,"productNumber":null,"typeStatusCode":null,"productCategory":null,"typeNumber":null,"marketCode":null,"regionCode":null,"otherInformation":null,"productTypeStatus":null,"repairInstruction":null,"repairInstructionStatusDescription":null,"typeStatusDate":null,"serviceLifeDate":null,"manufacturerId":null,"parts":null,"language":null,"glossaries":null,"brand":null,"product":null,"brandCode":null,"recallNotes":null,"volume":null},{"code":"P5140215-66","name":null,"url":"/c//p/P5140215-66","description":"HNDL ASM","purchasable":true,"stock":{"stockLevelStatus":{"code":"inStock","type":"StockLevelStatus"},"stockLevel":0,"stockThreshold":null},"futureStocks":null,"availableForPickup":null,"averageRating":null,"numberOfReviews":null,"summary":null,"manufacturer":null,"variantType":null,"price":{"currencyIso":"USD","value":26.71,"priceType":"BUY","formattedValue":"$26.71","minQuantity":null,"maxQuantity":null,"sapUnit":{"code":"pieces","name":"Piece"}},"baseProduct":null,"images":[],"categories":null,"reviews":null,"classifications":null,"potentialPromotions":null,"variantOptions":null,"baseOptions":[],"volumePricesFlag":null,"volumePrices":null,"productReferences":null,"variantMatrix":null,"priceRange":null,"firstCategoryNameList":null,"multidimensional":null,"configurable":false,"configuratorType":null,"addToCartDisabled":null,"addToCartDisabledMessage":null,"tags":null,"sapUnit":null,"keywords":null,"genders":null,"itemtype":"Part","partSubstitute":null,"note":null,"recallNote":null,"note1":null,"note2":null,"note3":null,"note4":null,"note5":null,"pdfAllUser":null,"pdfAuthUser":null,"pdfCOSUser":null,"vaiantRelatedPartList":null,"partHotspotList":null,"itemNumber":12,"partRelatedVariantList":null,"bomCode":2,"totalValue":null,"searchImage":null,"length":null,"width":null,"height":null,"unitOfDimension":null,"weight":null,"unitOfWeight":null,"specialRouting":false,"onlineRepair":null,"previousPartID":null,"sbdDiscountPriceValue":{"currencyIso":"USD","value":26.71,"priceType":"BUY","formattedValue":"$26.71","minQuantity":null,"maxQuantity":null,"sapUnit":{"code":"pieces","name":"Piece"}},"alrCode":null,"productRecallFlag":null,"selectedDocumentId":null,"productDescription":null,"pdpImage":null,"ticketId":null,"qtyRequiredPerVariant":"1","isElgibleForRepair":null,"isPowerEligible":null,"productRecallNotes":null,"productOtherInfo":null,"backorderETA":"00/00/0000","modifiedDate":null,"userLevel":"ALL","displayPrice":null,"baseProductName":null,"firstVariantCode":null,"firstVariantImage":null,"productMarketType":null,"productNumber":null,"typeStatusCode":null,"productCategory":null,"typeNumber":null,"marketCode":null,"regionCode":null,"otherInformation":null,"productTypeStatus":null,"repairInstruction":null,"repairInstructionStatusDescription":null,"typeStatusDate":null,"serviceLifeDate":null,"manufacturerId":null,"parts":null,"language":null,"glossaries":null,"brand":null,"product":null,"brandCode":null,"recallNotes":null,"volume":null},{"code":"P718-04261-CM","name":null,"url":"/c//p/P718-04261-CM","description":"CUP-BEARING","purchasable":true,"stock":{"stockLevelStatus":{"code":"inStock","type":"StockLevelStatus"},"stockLevel":0,"stockThreshold":null},"futureStocks":null,"availableForPickup":null,"averageRating":null,"numberOfReviews":null,"summary":null,"manufacturer":null,"variantType":null,"price":{"currencyIso":"USD","value":12.97,"priceType":"BUY","formattedValue":"$12.97","minQuantity":null,"maxQuantity":null,"sapUnit":{"code":"pieces","name":"Piece"}},"baseProduct":null,"images":[],"categories":null,"reviews":null,"classifications":null,"potentialPromotions":null,"variantOptions":null,"baseOptions":[],"volumePricesFlag":null,"volumePrices":null,"productReferences":null,"variantMatrix":null,"priceRange":null,"firstCategoryNameList":null,"multidimensional":null,"configurable":false,"configuratorType":null,"addToCartDisabled":null,"addToCartDisabledMessage":null,"tags":null,"sapUnit":null,"keywords":null,"genders":null,"itemtype":"Part","partSubstitute":null,"note":null,"recallNote":null,"note1":null,"note2":null,"note3":null,"note4":null,"note5":null,"pdfAllUser":null,"pdfAuthUser":null,"pdfCOSUser":null,"vaiantRelatedPartList":null,"partHotspotList":null,"itemNumber":12,"partRelatedVariantList":null,"bomCode":2,"totalValue":null,"searchImage":null,"length":null,"width":null,"height":null,"unitOfDimension":null,"weight":null,"unitOfWeight":null,"specialRouting":false,"onlineRepair":null,"previousPartID":null,"sbdDiscountPriceValue":{"currencyIso":"USD","value":12.97,"priceType":"BUY","formattedValue":"$12.97","minQuantity":null,"maxQuantity":null,"sapUnit":{"code":"pieces","name":"Piece"}},"alrCode":null,"productRecallFlag":null,"selectedDocumentId":null,"productDescription":null,"pdpImage":null,"ticketId":null,"qtyRequiredPerVariant":"1","isElgibleForRepair":null,"isPowerEligible":null,"productRecallNotes":null,"productOtherInfo":null,"backorderETA":"00/00/0000","modifiedDate":null,"userLevel":"ALL","displayPrice":null,"baseProductName":null,"firstVariantCode":null,"firstVariantImage":null,"productMarketType":null,"productNumber":null,"typeStatusCode":null,"productCategory":null,"typeNumber":null,"marketCode":null,"regionCode":null,"otherInformation":null,"productTypeStatus":null,"repairInstruction":null,"repairInstructionStatusDescription":null,"typeStatusDate":null,"serviceLifeDate":null,"manufacturerId":null,"parts":null,"language":null,"glossaries":null,"brand":null,"product":null,"brandCode":null,"recallNotes":null,"volume":null},{"code":"P731-07460A-CM","name":null,"url":"/c//p/P731-07460A-CM","description":"COLLAR","purchasable":true,"stock":{"stockLevelStatus":{"code":"inStock","type":"StockLevelStatus"},"stockLevel":0,"stockThreshold":null},"futureStocks":null,"availableForPickup":null,"averageRating":null,"numberOfReviews":null,"summary":null,"manufacturer":null,"variantType":null,"price":{"currencyIso":"USD","value":52.1,"priceType":"BUY","formattedValue":"$52.10","minQuantity":null,"maxQuantity":null,"sapUnit":{"code":"pieces","name":"Piece"}},"baseProduct":null,"images":[],"categories":null,"reviews":null,"classifications":null,"potentialPromotions":null,"variantOptions":null,"baseOptions":[],"volumePricesFlag":null,"volumePrices":null,"productReferences":null,"variantMatrix":null,"priceRange":null,"firstCategoryNameList":null,"multidimensional":null,"configurable":false,"configuratorType":null,"addToCartDisabled":null,"addToCartDisabledMessage":null,"tags":null,"sapUnit":null,"keywords":null,"genders":null,"itemtype":"Part","partSubstitute":null,"note":null,"recallNote":null,"note1":null,"note2":null,"note3":null,"note4":null,"note5":null,"pdfAllUser":null,"pdfAuthUser":null,"pdfCOSUser":null,"vaiantRelatedPartList":null,"partHotspotList":null,"itemNumber":12,"partRelatedVariantList":null,"bomCode":2,"totalValue":null,"searchImage":null,"length":null,"width":null,"height":null,"unitOfDimension":null,"weight":null,"unitOfWeight":null,"specialRouting":false,"onlineRepair":null,"previousPartID":null,"sbdDiscountPriceValue":{"currencyIso":"USD","value":52.1,"priceType":"BUY","formattedValue":"$52.10","minQuantity":null,"maxQuantity":null,"sapUnit":{"code":"pieces","name":"Piece"}},"alrCode":null,"productRecallFlag":null,"selectedDocumentId":null,"productDescription":null,"pdpImage":null,"ticketId":null,"qtyRequiredPerVariant":"1","isElgibleForRepair":null,"isPowerEligible":null,"productRecallNotes":null,"productOtherInfo":null,"backorderETA":"00/00/0000","modifiedDate":null,"userLevel":"ALL","displayPrice":null,"baseProductName":null,"firstVariantCode":null,"firstVariantImage":null,"productMarketType":null,"productNumber":null,"typeStatusCode":null,"productCategory":null,"typeNumber":null,"marketCode":null,"regionCode":null,"otherInformation":null,"productTypeStatus":null,"repairInstruction":null,"repairInstructionStatusDescription":null,"typeStatusDate":null,"serviceLifeDate":null,"manufacturerId":null,"parts":null,"language":null,"glossaries":null,"brand":null,"product":null,"brandCode":null,"recallNotes":null,"volume":null},{"code":"P777D17043-CM","name":null,"url":"/c//p/P777D17043-CM","description":"DECAL KEY#12","purchasable":true,"stock":{"stockLevelStatus":{"code":"inStock","type":"StockLevelStatus"},"stockLevel":0,"stockThreshold":null},"futureStocks":null,"availableForPickup":null,"averageRating":null,"numberOfReviews":null,"summary":null,"manufacturer":null,"variantType":null,"price":{"currencyIso":"USD","value":2.55,"priceType":"BUY","formattedValue":"$2.55","minQuantity":null,"maxQuantity":null,"sapUnit":{"code":"pieces","name":"Piece"}},"baseProduct":null,"images":[],"categories":null,"reviews":null,"classifications":null,"potentialPromotions":null,"variantOptions":null,"baseOptions":[],"volumePricesFlag":null,"volumePrices":null,"productReferences":null,"variantMatrix":null,"priceRange":null,"firstCategoryNameList":null,"multidimensional":null,"configurable":false,"configuratorType":null,"addToCartDisabled":null,"addToCartDisabledMessage":null,"tags":null,"sapUnit":null,"keywords":null,"genders":null,"itemtype":"Part","partSubstitute":null,"note":null,"recallNote":null,"note1":null,"note2":null,"note3":null,"note4":null,"note5":null,"pdfAllUser":null,"pdfAuthUser":null,"pdfCOSUser":null,"vaiantRelatedPartList":null,"partHotspotList":null,"itemNumber":12,"partRelatedVariantList":null,"bomCode":2,"totalValue":null,"searchImage":null,"length":null,"width":null,"height":null,"unitOfDimension":null,"weight":null,"unitOfWeight":null,"specialRouting":false,"onlineRepair":null,"previousPartID":null,"sbdDiscountPriceValue":{"currencyIso":"USD","value":2.55,"priceType":"BUY","formattedValue":"$2.55","minQuantity":null,"maxQuantity":null,"sapUnit":{"code":"pieces","name":"Piece"}},"alrCode":null,"productRecallFlag":null,"selectedDocumentId":null,"productDescription":null,"pdpImage":null,"ticketId":null,"qtyRequiredPerVariant":"1","isElgibleForRepair":null,"isPowerEligible":null,"productRecallNotes":null,"productOtherInfo":null,"backorderETA":"00/00/0000","modifiedDate":null,"userLevel":"ALL","displayPrice":null,"baseProductName":null,"firstVariantCode":null,"firstVariantImage":null,"productMarketType":null,"productNumber":null,"typeStatusCode":null,"productCategory":null,"typeNumber":null,"marketCode":null,"regionCode":null,"otherInformation":null,"productTypeStatus":null,"repairInstruction":null,"repairInstructionStatusDescription":null,"typeStatusDate":null,"serviceLifeDate":null,"manufacturerId":null,"parts":null,"language":null,"glossaries":null,"brand":null,"product":null,"brandCode":null,"recallNotes":null,"volume":null},{"code":"P783-06448-CM","name":null,"url":"/c//p/P783-06448-CM","description":"CLIP-RET","purchasable":true,"stock":{"stockLevelStatus":{"code":"inStock","type":"StockLevelStatus"},"stockLevel":0,"stockThreshold":null},"futureStocks":null,"availableForPickup":null,"averageRating":null,"numberOfReviews":null,"summary":null,"manufacturer":null,"variantType":null,"price":{"currencyIso":"USD","value":3.63,"priceType":"BUY","formattedValue":"$3.63","minQuantity":null,"maxQuantity":null,"sapUnit":{"code":"pieces","name":"Piece"}},"baseProduct":null,"images":[],"categories":null,"reviews":null,"classifications":null,"potentialPromotions":null,"variantOptions":null,"baseOptions":[],"volumePricesFlag":null,"volumePrices":null,"productReferences":null,"variantMatrix":null,"priceRange":null,"firstCategoryNameList":null,"multidimensional":null,"configurable":false,"configuratorType":null,"addToCartDisabled":null,"addToCartDisabledMessage":null,"tags":null,"sapUnit":null,"keywords":null,"genders":null,"itemtype":"Part","partSubstitute":null,"note":null,"recallNote":null,"note1":null,"note2":null,"note3":null,"note4":null,"note5":null,"pdfAllUser":null,"pdfAuthUser":null,"pdfCOSUser":null,"vaiantRelatedPartList":null,"partHotspotList":null,"itemNumber":12,"partRelatedVariantList":null,"bomCode":2,"totalValue":null,"searchImage":null,"length":null,"width":null,"height":null,"unitOfDimension":null,"weight":null,"unitOfWeight":null,"specialRouting":false,"onlineRepair":null,"previousPartID":null,"sbdDiscountPriceValue":{"currencyIso":"USD","value":3.63,"priceType":"BUY","formattedValue":"$3.63","minQuantity":null,"maxQuantity":null,"sapUnit":{"code":"pieces","name":"Piece"}},"alrCode":null,"productRecallFlag":null,"selectedDocumentId":null,"productDescription":null,"pdpImage":null,"ticketId":null,"qtyRequiredPerVariant":"1","isElgibleForRepair":null,"isPowerEligible":null,"productRecallNotes":null,"productOtherInfo":null,"backorderETA":"00/00/0000","modifiedDate":null,"userLevel":"ALL","displayPrice":null,"baseProductName":null,"firstVariantCode":null,"firstVariantImage":null,"productMarketType":null,"productNumber":null,"typeStatusCode":null,"productCategory":null,"typeNumber":null,"marketCode":null,"regionCode":null,"otherInformation":null,"productTypeStatus":null,"repairInstruction":null,"repairInstructionStatusDescription":null,"typeStatusDate":null,"serviceLifeDate":null,"manufacturerId":null,"parts":null,"language":null,"glossaries":null,"brand":null,"product":null,"brandCode":null,"recallNotes":null,"volume":null},{"code":"P931-0484A-CM","name":null,"url":"/c//p/P931-0484A-CM","description":"HUB CAP","purchasable":true,"stock":{"stockLevelStatus":{"code":"inStock","type":"StockLevelStatus"},"stockLevel":0,"stockThreshold":null},"futureStocks":null,"availableForPickup":null,"averageRating":null,"numberOfReviews":null,"summary":null,"manufacturer":null,"variantType":null,"price":{"currencyIso":"USD","value":4.14,"priceType":"BUY","formattedValue":"$4.14","minQuantity":null,"maxQuantity":null,"sapUnit":{"code":"pieces","name":"Piece"}},"baseProduct":null,"images":[],"categories":null,"reviews":null,"classifications":null,"potentialPromotions":null,"variantOptions":null,"baseOptions":[],"volumePricesFlag":null,"volumePrices":null,"productReferences":null,"variantMatrix":null,"priceRange":null,"firstCategoryNameList":null,"multidimensional":null,"configurable":false,"configuratorType":null,"addToCartDisabled":null,"addToCartDisabledMessage":null,"tags":null,"sapUnit":null,"keywords":null,"genders":null,"itemtype":"Part","partSubstitute":null,"note":null,"recallNote":null,"note1":null,"note2":null,"note3":null,"note4":null,"note5":null,"pdfAllUser":null,"pdfAuthUser":null,"pdfCOSUser":null,"vaiantRelatedPartList":null,"partHotspotList":null,"itemNumber":12,"partRelatedVariantList":null,"bomCode":2,"totalValue":null,"searchImage":null,"length":null,"width":null,"height":null,"unitOfDimension":null,"weight":null,"unitOfWeight":null,"specialRouting":false,"onlineRepair":null,"previousPartID":null,"sbdDiscountPriceValue":{"currencyIso":"USD","value":4.14,"priceType":"BUY","formattedValue":"$4.14","minQuantity":null,"maxQuantity":null,"sapUnit":{"code":"pieces","name":"Piece"}},"alrCode":null,"productRecallFlag":null,"selectedDocumentId":null,"productDescription":null,"pdpImage":null,"ticketId":null,"qtyRequiredPerVariant":"1","isElgibleForRepair":null,"isPowerEligible":null,"productRecallNotes":null,"productOtherInfo":null,"backorderETA":"00/00/0000","modifiedDate":null,"userLevel":"ALL","displayPrice":null,"baseProductName":null,"firstVariantCode":null,"firstVariantImage":null,"productMarketType":null,"productNumber":null,"typeStatusCode":null,"productCategory":null,"typeNumber":null,"marketCode":null,"regionCode":null,"otherInformation":null,"productTypeStatus":null,"repairInstruction":null,"repairInstructionStatusDescription":null,"typeStatusDate":null,"serviceLifeDate":null,"manufacturerId":null,"parts":null,"language":null,"glossaries":null,"brand":null,"product":null,"brandCode":null,"recallNotes":null,"volume":null},{"code":"P951-05956-CM","name":null,"url":"/c//p/P951-05956-CM","description":"MUFFLER","purchasable":true,"stock":{"stockLevelStatus":{"code":"inStock","type":"StockLevelStatus"},"stockLevel":0,"stockThreshold":null},"futureStocks":null,"availableForPickup":null,"averageRating":null,"numberOfReviews":null,"summary":null,"manufacturer":null,"variantType":null,"price":{"currencyIso":"USD","value":73.45,"priceType":"BUY","formattedValue":"$73.45","minQuantity":null,"maxQuantity":null,"sapUnit":{"code":"pieces","name":"Piece"}},"baseProduct":null,"images":[],"categories":null,"reviews":null,"classifications":null,"potentialPromotions":null,"variantOptions":null,"baseOptions":[],"volumePricesFlag":null,"volumePrices":null,"productReferences":null,"variantMatrix":null,"priceRange":null,"firstCategoryNameList":null,"multidimensional":null,"configurable":false,"configuratorType":null,"addToCartDisabled":null,"addToCartDisabledMessage":null,"tags":null,"sapUnit":null,"keywords":null,"genders":null,"itemtype":"Part","partSubstitute":null,"note":null,"recallNote":null,"note1":null,"note2":null,"note3":null,"note4":null,"note5":null,"pdfAllUser":null,"pdfAuthUser":null,"pdfCOSUser":null,"vaiantRelatedPartList":null,"partHotspotList":null,"itemNumber":12,"partRelatedVariantList":null,"bomCode":2,"totalValue":null,"searchImage":null,"length":null,"width":null,"height":null,"unitOfDimension":null,"weight":null,"unitOfWeight":null,"specialRouting":false,"onlineRepair":null,"previousPartID":null,"sbdDiscountPriceValue":{"currencyIso":"USD","value":73.45,"priceType":"BUY","formattedValue":"$73.45","minQuantity":null,"maxQuantity":null,"sapUnit":{"code":"pieces","name":"Piece"}},"alrCode":null,"productRecallFlag":null,"selectedDocumentId":null,"productDescription":null,"pdpImage":null,"ticketId":null,"qtyRequiredPerVariant":"1","isElgibleForRepair":null,"isPowerEligible":null,"productRecallNotes":null,"productOtherInfo":null,"backorderETA":"00/00/0000","modifiedDate":null,"userLevel":"ALL","displayPrice":null,"baseProductName":null,"firstVariantCode":null,"firstVariantImage":null,"productMarketType":null,"productNumber":null,"typeStatusCode":null,"productCategory":null,"typeNumber":null,"marketCode":null,"regionCode":null,"otherInformation":null,"productTypeStatus":null,"repairInstruction":null,"repairInstructionStatusDescription":null,"typeStatusDate":null,"serviceLifeDate":null,"manufacturerId":null,"parts":null,"language":null,"glossaries":null,"brand":null,"product":null,"brandCode":null,"recallNotes":null,"volume":null},{"code":"P5140221-87","name":null,"url":"/c//p/P5140221-87","description":"MOUNT BRCKT","purchasable":true,"stock":{"stockLevelStatus":{"code":"inStock","type":"StockLevelStatus"},"stockLevel":0,"stockThreshold":null},"futureStocks":null,"availableForPickup":null,"averageRating":null,"numberOfReviews":null,"summary":null,"manufacturer":null,"variantType":null,"price":{"currencyIso":"USD","value":22.92,"priceType":"BUY","formattedValue":"$22.92","minQuantity":null,"maxQuantity":null,"sapUnit":{"code":"pieces","name":"Piece"}},"baseProduct":null,"images":[],"categories":null,"reviews":null,"classifications":null,"potentialPromotions":null,"variantOptions":null,"baseOptions":[],"volumePricesFlag":null,"volumePrices":null,"productReferences":null,"variantMatrix":null,"priceRange":null,"firstCategoryNameList":null,"multidimensional":null,"configurable":false,"configuratorType":null,"addToCartDisabled":null,"addToCartDisabledMessage":null,"tags":null,"sapUnit":null,"keywords":null,"genders":null,"itemtype":"Part","partSubstitute":null,"note":null,"recallNote":null,"note1":null,"note2":null,"note3":null,"note4":null,"note5":null,"pdfAllUser":null,"pdfAuthUser":null,"pdfCOSUser":null,"vaiantRelatedPartList":null,"partHotspotList":null,"itemNumber":13,"partRelatedVariantList":null,"bomCode":2,"totalValue":null,"searchImage":null,"length":null,"width":null,"height":null,"unitOfDimension":null,"weight":null,"unitOfWeight":null,"specialRouting":false,"onlineRepair":null,"previousPartID":null,"sbdDiscountPriceValue":{"currencyIso":"USD","value":22.92,"priceType":"BUY","formattedValue":"$22.92","minQuantity":null,"maxQuantity":null,"sapUnit":{"code":"pieces","name":"Piece"}},"alrCode":null,"productRecallFlag":null,"selectedDocumentId":null,"productDescription":null,"pdpImage":null,"ticketId":null,"qtyRequiredPerVariant":"1","isElgibleForRepair":null,"isPowerEligible":null,"productRecallNotes":null,"productOtherInfo":null,"backorderETA":"00/00/0000","modifiedDate":null,"userLevel":"ALL","displayPrice":null,"baseProductName":null,"firstVariantCode":null,"firstVariantImage":null,"productMarketType":null,"productNumber":null,"typeStatusCode":null,"productCategory":null,"typeNumber":null,"marketCode":null,"regionCode":null,"otherInformation":null,"productTypeStatus":null,"repairInstruction":null,"repairInstructionStatusDescription":null,"typeStatusDate":null,"serviceLifeDate":null,"manufacturerId":null,"parts":null,"language":null,"glossaries":null,"brand":null,"product":null,"brandCode":null,"recallNotes":null,"volume":null},{"code":"P710-3157A-CM","name":null,"url":"/c//p/P710-3157A-CM","description":"SCREW","purchasable":true,"stock":{"stockLevelStatus":{"code":"inStock","type":"StockLevelStatus"},"stockLevel":0,"stockThreshold":null},"futureStocks":null,"availableForPickup":null,"averageRating":null,"numberOfReviews":null,"summary":null,"manufacturer":null,"variantType":null,"price":{"currencyIso":"USD","value":6.66,"priceType":"BUY","formattedValue":"$6.66","minQuantity":null,"maxQuantity":null,"sapUnit":{"code":"pieces","name":"Piece"}},"baseProduct":null,"images":[],"categories":null,"reviews":null,"classifications":null,"potentialPromotions":null,"variantOptions":null,"baseOptions":[],"volumePricesFlag":null,"volumePrices":null,"productReferences":null,"variantMatrix":null,"priceRange":null,"firstCategoryNameList":null,"multidimensional":null,"configurable":false,"configuratorType":null,"addToCartDisabled":null,"addToCartDisabledMessage":null,"tags":null,"sapUnit":null,"keywords":null,"genders":null,"itemtype":"Part","partSubstitute":null,"note":null,"recallNote":null,"note1":null,"note2":null,"note3":null,"note4":null,"note5":null,"pdfAllUser":null,"pdfAuthUser":null,"pdfCOSUser":null,"vaiantRelatedPartList":null,"partHotspotList":null,"itemNumber":13,"partRelatedVariantList":null,"bomCode":2,"totalValue":null,"searchImage":null,"length":null,"width":null,"height":null,"unitOfDimension":null,"weight":null,"unitOfWeight":null,"specialRouting":false,"onlineRepair":null,"previousPartID":null,"sbdDiscountPriceValue":{"currencyIso":"USD","value":6.66,"priceType":"BUY","formattedValue":"$6.66","minQuantity":null,"maxQuantity":null,"sapUnit":{"code":"pieces","name":"Piece"}},"alrCode":null,"productRecallFlag":null,"selectedDocumentId":null,"productDescription":null,"pdpImage":null,"ticketId":null,"qtyRequiredPerVariant":"1","isElgibleForRepair":null,"isPowerEligible":null,"productRecallNotes":null,"productOtherInfo":null,"backorderETA":"00/00/0000","modifiedDate":null,"userLevel":"ALL","displayPrice":null,"baseProductName":null,"firstVariantCode":null,"firstVariantImage":null,"productMarketType":null,"productNumber":null,"typeStatusCode":null,"productCategory":null,"typeNumber":null,"marketCode":null,"regionCode":null,"otherInformation":null,"productTypeStatus":null,"repairInstruction":null,"repairInstructionStatusDescription":null,"typeStatusDate":null,"serviceLifeDate":null,"manufacturerId":null,"parts":null,"language":null,"glossaries":null,"brand":null,"product":null,"brandCode":null,"recallNotes":null,"volume":null},{"code":"P710-3178-CM","name":null,"url":"/c//p/P710-3178-CM","description":"BOLT-CARR. S","purchasable":true,"stock":{"stockLevelStatus":{"code":"inStock","type":"StockLevelStatus"},"stockLevel":0,"stockThreshold":null},"futureStocks":null,"availableForPickup":null,"averageRating":null,"numberOfReviews":null,"summary":null,"manufacturer":null,"variantType":null,"price":{"currencyIso":"USD","value":2.71,"priceType":"BUY","formattedValue":"$2.71","minQuantity":null,"maxQuantity":null,"sapUnit":{"code":"pieces","name":"Piece"}},"baseProduct":null,"images":[],"categories":null,"reviews":null,"classifications":null,"potentialPromotions":null,"variantOptions":null,"baseOptions":[],"volumePricesFlag":null,"volumePrices":null,"productReferences":null,"variantMatrix":null,"priceRange":null,"firstCategoryNameList":null,"multidimensional":null,"configurable":false,"configuratorType":null,"addToCartDisabled":null,"addToCartDisabledMessage":null,"tags":null,"sapUnit":null,"keywords":null,"genders":null,"itemtype":"Part","partSubstitute":null,"note":null,"recallNote":null,"note1":null,"note2":null,"note3":null,"note4":null,"note5":null,"pdfAllUser":null,"pdfAuthUser":null,"pdfCOSUser":null,"vaiantRelatedPartList":null,"partHotspotList":null,"itemNumber":13,"partRelatedVariantList":null,"bomCode":2,"totalValue":null,"searchImage":null,"length":null,"width":null,"height":null,"unitOfDimension":null,"weight":null,"unitOfWeight":null,"specialRouting":false,"onlineRepair":null,"previousPartID":null,"sbdDiscountPriceValue":{"currencyIso":"USD","value":2.71,"priceType":"BUY","formattedValue":"$2.71","minQuantity":null,"maxQuantity":null,"sapUnit":{"code":"pieces","name":"Piece"}},"alrCode":null,"productRecallFlag":null,"selectedDocumentId":null,"productDescription":null,"pdpImage":null,"ticketId":null,"qtyRequiredPerVariant":"1","isElgibleForRepair":null,"isPowerEligible":null,"productRecallNotes":null,"productOtherInfo":null,"backorderETA":"00/00/0000","modifiedDate":null,"userLevel":"ALL","displayPrice":null,"baseProductName":null,"firstVariantCode":null,"firstVariantImage":null,"productMarketType":null,"productNumber":null,"typeStatusCode":null,"productCategory":null,"typeNumber":null,"marketCode":null,"regionCode":null,"otherInformation":null,"productTypeStatus":null,"repairInstruction":null,"repairInstructionStatusDescription":null,"typeStatusDate":null,"serviceLifeDate":null,"manufacturerId":null,"parts":null,"language":null,"glossaries":null,"brand":null,"product":null,"brandCode":null,"recallNotes":null,"volume":null},{"code":"P731-07711A-CM","name":null,"url":"/c//p/P731-07711A-CM","description":"SCP-HOOD LH","purchasable":true,"stock":{"stockLevelStatus":{"code":"inStock","type":"StockLevelStatus"},"stockLevel":0,"stockThreshold":null},"futureStocks":null,"availableForPickup":null,"averageRating":null,"numberOfReviews":null,"summary":null,"manufacturer":null,"variantType":null,"price":{"currencyIso":"USD","value":9.41,"priceType":"BUY","formattedValue":"$9.41","minQuantity":null,"maxQuantity":null,"sapUnit":{"code":"pieces","name":"Piece"}},"baseProduct":null,"images":[],"categories":null,"reviews":null,"classifications":null,"potentialPromotions":null,"variantOptions":null,"baseOptions":[],"volumePricesFlag":null,"volumePrices":null,"productReferences":null,"variantMatrix":null,"priceRange":null,"firstCategoryNameList":null,"multidimensional":null,"configurable":false,"configuratorType":null,"addToCartDisabled":null,"addToCartDisabledMessage":null,"tags":null,"sapUnit":null,"keywords":null,"genders":null,"itemtype":"Part","partSubstitute":null,"note":null,"recallNote":null,"note1":null,"note2":null,"note3":null,"note4":null,"note5":null,"pdfAllUser":null,"pdfAuthUser":null,"pdfCOSUser":null,"vaiantRelatedPartList":null,"partHotspotList":null,"itemNumber":13,"partRelatedVariantList":null,"bomCode":2,"totalValue":null,"searchImage":null,"length":null,"width":null,"height":null,"unitOfDimension":null,"weight":null,"unitOfWeight":null,"specialRouting":false,"onlineRepair":null,"previousPartID":null,"sbdDiscountPriceValue":{"currencyIso":"USD","value":9.41,"priceType":"BUY","formattedValue":"$9.41","minQuantity":null,"maxQuantity":null,"sapUnit":{"code":"pieces","name":"Piece"}},"alrCode":null,"productRecallFlag":null,"selectedDocumentId":null,"productDescription":null,"pdpImage":null,"ticketId":null,"qtyRequiredPerVariant":"1","isElgibleForRepair":null,"isPowerEligible":null,"productRecallNotes":null,"productOtherInfo":null,"backorderETA":"00/00/0000","modifiedDate":null,"userLevel":"ALL","displayPrice":null,"baseProductName":null,"firstVariantCode":null,"firstVariantImage":null,"productMarketType":null,"productNumber":null,"typeStatusCode":null,"productCategory":null,"typeNumber":null,"marketCode":null,"regionCode":null,"otherInformation":null,"productTypeStatus":null,"repairInstruction":null,"repairInstructionStatusDescription":null,"typeStatusDate":null,"serviceLifeDate":null,"manufacturerId":null,"parts":null,"language":null,"glossaries":null,"brand":null,"product":null,"brandCode":null,"recallNotes":null,"volume":null},{"code":"P736-0362-CM","name":null,"url":"/c//p/P736-0362-CM","description":"FL. WASHER","purchasable":true,"stock":{"stockLevelStatus":{"code":"inStock","type":"StockLevelStatus"},"stockLevel":0,"stockThreshold":null},"futureStocks":null,"availableForPickup":null,"averageRating":null,"numberOfReviews":null,"summary":null,"manufacturer":null,"variantType":null,"price":{"currencyIso":"USD","value":2.71,"priceType":"BUY","formattedValue":"$2.71","minQuantity":null,"maxQuantity":null,"sapUnit":{"code":"pieces","name":"Piece"}},"baseProduct":null,"images":[],"categories":null,"reviews":null,"classifications":null,"potentialPromotions":null,"variantOptions":null,"baseOptions":[],"volumePricesFlag":null,"volumePrices":null,"productReferences":null,"variantMatrix":null,"priceRange":null,"firstCategoryNameList":null,"multidimensional":null,"configurable":false,"configuratorType":null,"addToCartDisabled":null,"addToCartDisabledMessage":null,"tags":null,"sapUnit":null,"keywords":null,"genders":null,"itemtype":"Part","partSubstitute":null,"note":null,"recallNote":null,"note1":null,"note2":null,"note3":null,"note4":null,"note5":null,"pdfAllUser":null,"pdfAuthUser":null,"pdfCOSUser":null,"vaiantRelatedPartList":null,"partHotspotList":null,"itemNumber":13,"partRelatedVariantList":null,"bomCode":2,"totalValue":null,"searchImage":null,"length":null,"width":null,"height":null,"unitOfDimension":null,"weight":null,"unitOfWeight":null,"specialRouting":false,"onlineRepair":null,"previousPartID":null,"sbdDiscountPriceValue":{"currencyIso":"USD","value":2.71,"priceType":"BUY","formattedValue":"$2.71","minQuantity":null,"maxQuantity":null,"sapUnit":{"code":"pieces","name":"Piece"}},"alrCode":null,"productRecallFlag":null,"selectedDocumentId":null,"productDescription":null,"pdpImage":null,"ticketId":null,"qtyRequiredPerVariant":"1","isElgibleForRepair":null,"isPowerEligible":null,"productRecallNotes":null,"productOtherInfo":null,"backorderETA":"00/00/0000","modifiedDate":null,"userLevel":"ALL","displayPrice":null,"baseProductName":null,"firstVariantCode":null,"firstVariantImage":null,"productMarketType":null,"productNumber":null,"typeStatusCode":null,"productCategory":null,"typeNumber":null,"marketCode":null,"regionCode":null,"otherInformation":null,"productTypeStatus":null,"repairInstruction":null,"repairInstructionStatusDescription":null,"typeStatusDate":null,"serviceLifeDate":null,"manufacturerId":null,"parts":null,"language":null,"glossaries":null,"brand":null,"product":null,"brandCode":null,"recallNotes":null,"volume":null},{"code":"P738-04141-CM","name":null,"url":"/c//p/P738-04141-CM","description":"SCREW","purchasable":true,"stock":{"stockLevelStatus":{"code":"inStock","type":"StockLevelStatus"},"stockLevel":0,"stockThreshold":null},"futureStocks":null,"availableForPickup":null,"averageRating":null,"numberOfReviews":null,"summary":null,"manufacturer":null,"variantType":null,"price":{"currencyIso":"USD","value":3.36,"priceType":"BUY","formattedValue":"$3.36","minQuantity":null,"maxQuantity":null,"sapUnit":{"code":"pieces","name":"Piece"}},"baseProduct":null,"images":[],"categories":null,"reviews":null,"classifications":null,"potentialPromotions":null,"variantOptions":null,"baseOptions":[],"volumePricesFlag":null,"volumePrices":null,"productReferences":null,"variantMatrix":null,"priceRange":null,"firstCategoryNameList":null,"multidimensional":null,"configurable":false,"configuratorType":null,"addToCartDisabled":null,"addToCartDisabledMessage":null,"tags":null,"sapUnit":null,"keywords":null,"genders":null,"itemtype":"Part","partSubstitute":null,"note":null,"recallNote":null,"note1":null,"note2":null,"note3":null,"note4":null,"note5":null,"pdfAllUser":null,"pdfAuthUser":null,"pdfCOSUser":null,"vaiantRelatedPartList":null,"partHotspotList":null,"itemNumber":13,"partRelatedVariantList":null,"bomCode":2,"totalValue":null,"searchImage":null,"length":null,"width":null,"height":null,"unitOfDimension":null,"weight":null,"unitOfWeight":null,"specialRouting":false,"onlineRepair":null,"previousPartID":null,"sbdDiscountPriceValue":{"currencyIso":"USD","value":3.36,"priceType":"BUY","formattedValue":"$3.36","minQuantity":null,"maxQuantity":null,"sapUnit":{"code":"pieces","name":"Piece"}},"alrCode":null,"productRecallFlag":null,"selectedDocumentId":null,"productDescription":null,"pdpImage":null,"ticketId":null,"qtyRequiredPerVariant":"1","isElgibleForRepair":null,"isPowerEligible":null,"productRecallNotes":null,"productOtherInfo":null,"backorderETA":"00/00/0000","modifiedDate":null,"userLevel":"ALL","displayPrice":null,"baseProductName":null,"firstVariantCode":null,"firstVariantImage":null,"productMarketType":null,"productNumber":null,"typeStatusCode":null,"productCategory":null,"typeNumber":null,"marketCode":null,"regionCode":null,"otherInformation":null,"productTypeStatus":null,"repairInstruction":null,"repairInstructionStatusDescription":null,"typeStatusDate":null,"serviceLifeDate":null,"manufacturerId":null,"parts":null,"language":null,"glossaries":null,"brand":null,"product":null,"brandCode":null,"recallNotes":null,"volume":null},{"code":"P751-11053B-CM","name":null,"url":"/c//p/P751-11053B-CM","description":"DELECTOR","purchasable":true,"stock":{"stockLevelStatus":{"code":"inStock","type":"StockLevelStatus"},"stockLevel":0,"stockThreshold":null},"futureStocks":null,"availableForPickup":null,"averageRating":null,"numberOfReviews":null,"summary":null,"manufacturer":null,"variantType":null,"price":{"currencyIso":"USD","value":3.2,"priceType":"BUY","formattedValue":"$3.20","minQuantity":null,"maxQuantity":null,"sapUnit":{"code":"pieces","name":"Piece"}},"baseProduct":null,"images":[],"categories":null,"reviews":null,"classifications":null,"potentialPromotions":null,"variantOptions":null,"baseOptions":[],"volumePricesFlag":null,"volumePrices":null,"productReferences":null,"variantMatrix":null,"priceRange":null,"firstCategoryNameList":null,"multidimensional":null,"configurable":false,"configuratorType":null,"addToCartDisabled":null,"addToCartDisabledMessage":null,"tags":null,"sapUnit":null,"keywords":null,"genders":null,"itemtype":"Part","partSubstitute":null,"note":null,"recallNote":null,"note1":null,"note2":null,"note3":null,"note4":null,"note5":null,"pdfAllUser":null,"pdfAuthUser":null,"pdfCOSUser":null,"vaiantRelatedPartList":null,"partHotspotList":null,"itemNumber":13,"partRelatedVariantList":null,"bomCode":2,"totalValue":null,"searchImage":null,"length":null,"width":null,"height":null,"unitOfDimension":null,"weight":null,"unitOfWeight":null,"specialRouting":false,"onlineRepair":null,"previousPartID":null,"sbdDiscountPriceValue":{"currencyIso":"USD","value":3.2,"priceType":"BUY","formattedValue":"$3.20","minQuantity":null,"maxQuantity":null,"sapUnit":{"code":"pieces","name":"Piece"}},"alrCode":null,"productRecallFlag":null,"selectedDocumentId":null,"productDescription":null,"pdpImage":null,"ticketId":null,"qtyRequiredPerVariant":"1","isElgibleForRepair":null,"isPowerEligible":null,"productRecallNotes":null,"productOtherInfo":null,"backorderETA":"00/00/0000","modifiedDate":null,"userLevel":"ALL","displayPrice":null,"baseProductName":null,"firstVariantCode":null,"firstVariantImage":null,"productMarketType":null,"productNumber":null,"typeStatusCode":null,"productCategory":null,"typeNumber":null,"marketCode":null,"regionCode":null,"otherInformation":null,"productTypeStatus":null,"repairInstruction":null,"repairInstructionStatusDescription":null,"typeStatusDate":null,"serviceLifeDate":null,"manufacturerId":null,"parts":null,"language":null,"glossaries":null,"brand":null,"product":null,"brandCode":null,"recallNotes":null,"volume":null},{"code":"P777I22454-CM","name":null,"url":"/c//p/P777I22454-CM","description":"FENDER LABEL","purchasable":true,"stock":{"stockLevelStatus":{"code":"inStock","type":"StockLevelStatus"},"stockLevel":0,"stockThreshold":null},"futureStocks":null,"availableForPickup":null,"averageRating":null,"numberOfReviews":null,"summary":null,"manufacturer":null,"variantType":null,"price":{"currencyIso":"USD","value":6.22,"priceType":"BUY","formattedValue":"$6.22","minQuantity":null,"maxQuantity":null,"sapUnit":{"code":"pieces","name":"Piece"}},"baseProduct":null,"images":[],"categories":null,"reviews":null,"classifications":null,"potentialPromotions":null,"variantOptions":null,"baseOptions":[],"volumePricesFlag":null,"volumePrices":null,"productReferences":null,"variantMatrix":null,"priceRange":null,"firstCategoryNameList":null,"multidimensional":null,"configurable":false,"configuratorType":null,"addToCartDisabled":null,"addToCartDisabledMessage":null,"tags":null,"sapUnit":null,"keywords":null,"genders":null,"itemtype":"Part","partSubstitute":null,"note":null,"recallNote":null,"note1":null,"note2":null,"note3":null,"note4":null,"note5":null,"pdfAllUser":null,"pdfAuthUser":null,"pdfCOSUser":null,"vaiantRelatedPartList":null,"partHotspotList":null,"itemNumber":13,"partRelatedVariantList":null,"bomCode":2,"totalValue":null,"searchImage":null,"length":null,"width":null,"height":null,"unitOfDimension":null,"weight":null,"unitOfWeight":null,"specialRouting":false,"onlineRepair":null,"previousPartID":null,"sbdDiscountPriceValue":{"currencyIso":"USD","value":6.22,"priceType":"BUY","formattedValue":"$6.22","minQuantity":null,"maxQuantity":null,"sapUnit":{"code":"pieces","name":"Piece"}},"alrCode":null,"productRecallFlag":null,"selectedDocumentId":null,"productDescription":null,"pdpImage":null,"ticketId":null,"qtyRequiredPerVariant":"1","isElgibleForRepair":null,"isPowerEligible":null,"productRecallNotes":null,"productOtherInfo":null,"backorderETA":"00/00/0000","modifiedDate":null,"userLevel":"ALL","displayPrice":null,"baseProductName":null,"firstVariantCode":null,"firstVariantImage":null,"productMarketType":null,"productNumber":null,"typeStatusCode":null,"productCategory":null,"typeNumber":null,"marketCode":null,"regionCode":null,"otherInformation":null,"productTypeStatus":null,"repairInstruction":null,"repairInstructionStatusDescription":null,"typeStatusDate":null,"serviceLifeDate":null,"manufacturerId":null,"parts":null,"language":null,"glossaries":null,"brand":null,"product":null,"brandCode":null,"recallNotes":null,"volume":null},{"code":"P712-0229-CM","name":null,"url":"/c//p/P712-0229-CM","description":"NUT-PUSH","purchasable":true,"stock":{"stockLevelStatus":{"code":"inStock","type":"StockLevelStatus"},"stockLevel":0,"stockThreshold":null},"futureStocks":null,"availableForPickup":null,"averageRating":null,"numberOfReviews":null,"summary":null,"manufacturer":null,"variantType":null,"price":{"currencyIso":"USD","value":2.16,"priceType":"BUY","formattedValue":"$2.16","minQuantity":null,"maxQuantity":null,"sapUnit":{"code":"pieces","name":"Piece"}},"baseProduct":null,"images":[],"categories":null,"reviews":null,"classifications":null,"potentialPromotions":null,"variantOptions":null,"baseOptions":[],"volumePricesFlag":null,"volumePrices":null,"productReferences":null,"variantMatrix":null,"priceRange":null,"firstCategoryNameList":null,"multidimensional":null,"configurable":false,"configuratorType":null,"addToCartDisabled":null,"addToCartDisabledMessage":null,"tags":null,"sapUnit":null,"keywords":null,"genders":null,"itemtype":"Part","partSubstitute":null,"note":null,"recallNote":null,"note1":null,"note2":null,"note3":null,"note4":null,"note5":null,"pdfAllUser":null,"pdfAuthUser":null,"pdfCOSUser":null,"vaiantRelatedPartList":null,"partHotspotList":null,"itemNumber":14,"partRelatedVariantList":null,"bomCode":2,"totalValue":null,"searchImage":null,"length":null,"width":null,"height":null,"unitOfDimension":null,"weight":null,"unitOfWeight":null,"specialRouting":false,"onlineRepair":null,"previousPartID":null,"sbdDiscountPriceValue":{"currencyIso":"USD","value":2.16,"priceType":"BUY","formattedValue":"$2.16","minQuantity":null,"maxQuantity":null,"sapUnit":{"code":"pieces","name":"Piece"}},"alrCode":null,"productRecallFlag":null,"selectedDocumentId":null,"productDescription":null,"pdpImage":null,"ticketId":null,"qtyRequiredPerVariant":"1","isElgibleForRepair":null,"isPowerEligible":null,"productRecallNotes":null,"productOtherInfo":null,"backorderETA":"00/00/0000","modifiedDate":null,"userLevel":"ALL","displayPrice":null,"baseProductName":null,"firstVariantCode":null,"firstVariantImage":null,"productMarketType":null,"productNumber":null,"typeStatusCode":null,"productCategory":null,"typeNumber":null,"marketCode":null,"regionCode":null,"otherInformation":null,"productTypeStatus":null,"repairInstruction":null,"repairInstructionStatusDescription":null,"typeStatusDate":null,"serviceLifeDate":null,"manufacturerId":null,"parts":null,"language":null,"glossaries":null,"brand":null,"product":null,"brandCode":null,"recallNotes":null,"volume":null},{"code":"P731-07712A-CM","name":null,"url":"/c//p/P731-07712A-CM","description":"SCP:HOOD:RH","purchasable":true,"stock":{"stockLevelStatus":{"code":"inStock","type":"StockLevelStatus"},"stockLevel":0,"stockThreshold":null},"futureStocks":null,"availableForPickup":null,"averageRating":null,"numberOfReviews":null,"summary":null,"manufacturer":null,"variantType":null,"price":{"currencyIso":"USD","value":9.41,"priceType":"BUY","formattedValue":"$9.41","minQuantity":null,"maxQuantity":null,"sapUnit":{"code":"pieces","name":"Piece"}},"baseProduct":null,"images":[],"categories":null,"reviews":null,"classifications":null,"potentialPromotions":null,"variantOptions":null,"baseOptions":[],"volumePricesFlag":null,"volumePrices":null,"productReferences":null,"variantMatrix":null,"priceRange":null,"firstCategoryNameList":null,"multidimensional":null,"configurable":false,"configuratorType":null,"addToCartDisabled":null,"addToCartDisabledMessage":null,"tags":null,"sapUnit":null,"keywords":null,"genders":null,"itemtype":"Part","partSubstitute":null,"note":null,"recallNote":null,"note1":null,"note2":null,"note3":null,"note4":null,"note5":null,"pdfAllUser":null,"pdfAuthUser":null,"pdfCOSUser":null,"vaiantRelatedPartList":null,"partHotspotList":null,"itemNumber":14,"partRelatedVariantList":null,"bomCode":2,"totalValue":null,"searchImage":null,"length":null,"width":null,"height":null,"unitOfDimension":null,"weight":null,"unitOfWeight":null,"specialRouting":false,"onlineRepair":null,"previousPartID":null,"sbdDiscountPriceValue":{"currencyIso":"USD","value":9.41,"priceType":"BUY","formattedValue":"$9.41","minQuantity":null,"maxQuantity":null,"sapUnit":{"code":"pieces","name":"Piece"}},"alrCode":null,"productRecallFlag":null,"selectedDocumentId":null,"productDescription":null,"pdpImage":null,"ticketId":null,"qtyRequiredPerVariant":"1","isElgibleForRepair":null,"isPowerEligible":null,"productRecallNotes":null,"productOtherInfo":null,"backorderETA":"00/00/0000","modifiedDate":null,"userLevel":"ALL","displayPrice":null,"baseProductName":null,"firstVariantCode":null,"firstVariantImage":null,"productMarketType":null,"productNumber":null,"typeStatusCode":null,"productCategory":null,"typeNumber":null,"marketCode":null,"regionCode":null,"otherInformation":null,"productTypeStatus":null,"repairInstruction":null,"repairInstructionStatusDescription":null,"typeStatusDate":null,"serviceLifeDate":null,"manufacturerId":null,"parts":null,"language":null,"glossaries":null,"brand":null,"product":null,"brandCode":null,"recallNotes":null,"volume":null},{"code":"P735-04047-CM","name":null,"url":"/c//p/P735-04047-CM","description":"PAD-LH RUN'B","purchasable":true,"stock":{"stockLevelStatus":{"code":"inStock","type":"StockLevelStatus"},"stockLevel":0,"stockThreshold":null},"futureStocks":null,"availableForPickup":null,"averageRating":null,"numberOfReviews":null,"summary":null,"manufacturer":null,"variantType":null,"price":{"currencyIso":"USD","value":11.48,"priceType":"BUY","formattedValue":"$11.48","minQuantity":null,"maxQuantity":null,"sapUnit":{"code":"pieces","name":"Piece"}},"baseProduct":null,"images":[],"categories":null,"reviews":null,"classifications":null,"potentialPromotions":null,"variantOptions":null,"baseOptions":[],"volumePricesFlag":null,"volumePrices":null,"productReferences":null,"variantMatrix":null,"priceRange":null,"firstCategoryNameList":null,"multidimensional":null,"configurable":false,"configuratorType":null,"addToCartDisabled":null,"addToCartDisabledMessage":null,"tags":null,"sapUnit":null,"keywords":null,"genders":null,"itemtype":"Part","partSubstitute":null,"note":null,"recallNote":null,"note1":null,"note2":null,"note3":null,"note4":null,"note5":null,"pdfAllUser":null,"pdfAuthUser":null,"pdfCOSUser":null,"vaiantRelatedPartList":null,"partHotspotList":null,"itemNumber":14,"partRelatedVariantList":null,"bomCode":2,"totalValue":null,"searchImage":null,"length":null,"width":null,"height":null,"unitOfDimension":null,"weight":null,"unitOfWeight":null,"specialRouting":false,"onlineRepair":null,"previousPartID":null,"sbdDiscountPriceValue":{"currencyIso":"USD","value":11.48,"priceType":"BUY","formattedValue":"$11.48","minQuantity":null,"maxQuantity":null,"sapUnit":{"code":"pieces","name":"Piece"}},"alrCode":null,"productRecallFlag":null,"selectedDocumentId":null,"productDescription":null,"pdpImage":null,"ticketId":null,"qtyRequiredPerVariant":"1","isElgibleForRepair":null,"isPowerEligible":null,"productRecallNotes":null,"productOtherInfo":null,"backorderETA":"00/00/0000","modifiedDate":null,"userLevel":"ALL","displayPrice":null,"baseProductName":null,"firstVariantCode":null,"firstVariantImage":null,"productMarketType":null,"productNumber":null,"typeStatusCode":null,"productCategory":null,"typeNumber":null,"marketCode":null,"regionCode":null,"otherInformation":null,"productTypeStatus":null,"repairInstruction":null,"repairInstructionStatusDescription":null,"typeStatusDate":null,"serviceLifeDate":null,"manufacturerId":null,"parts":null,"language":null,"glossaries":null,"brand":null,"product":null,"brandCode":null,"recallNotes":null,"volume":null},{"code":"P735-04048-CM","name":null,"url":"/c//p/P735-04048-CM","description":"PAD-RH RUN'B","purchasable":true,"stock":{"stockLevelStatus":{"code":"inStock","type":"StockLevelStatus"},"stockLevel":0,"stockThreshold":null},"futureStocks":null,"availableForPickup":null,"averageRating":null,"numberOfReviews":null,"summary":null,"manufacturer":null,"variantType":null,"price":{"currencyIso":"USD","value":11.52,"priceType":"BUY","formattedValue":"$11.52","minQuantity":null,"maxQuantity":null,"sapUnit":{"code":"pieces","name":"Piece"}},"baseProduct":null,"images":[],"categories":null,"reviews":null,"classifications":null,"potentialPromotions":null,"variantOptions":null,"baseOptions":[],"volumePricesFlag":null,"volumePrices":null,"productReferences":null,"variantMatrix":null,"priceRange":null,"firstCategoryNameList":null,"multidimensional":null,"configurable":false,"configuratorType":null,"addToCartDisabled":null,"addToCartDisabledMessage":null,"tags":null,"sapUnit":null,"keywords":null,"genders":null,"itemtype":"Part","partSubstitute":null,"note":null,"recallNote":null,"note1":null,"note2":null,"note3":null,"note4":null,"note5":null,"pdfAllUser":null,"pdfAuthUser":null,"pdfCOSUser":null,"vaiantRelatedPartList":null,"partHotspotList":null,"itemNumber":14,"partRelatedVariantList":null,"bomCode":2,"totalValue":null,"searchImage":null,"length":null,"width":null,"height":null,"unitOfDimension":null,"weight":null,"unitOfWeight":null,"specialRouting":false,"onlineRepair":null,"previousPartID":null,"sbdDiscountPriceValue":{"currencyIso":"USD","value":11.52,"priceType":"BUY","formattedValue":"$11.52","minQuantity":null,"maxQuantity":null,"sapUnit":{"code":"pieces","name":"Piece"}},"alrCode":null,"productRecallFlag":null,"selectedDocumentId":null,"productDescription":null,"pdpImage":null,"ticketId":null,"qtyRequiredPerVariant":"1","isElgibleForRepair":null,"isPowerEligible":null,"productRecallNotes":null,"productOtherInfo":null,"backorderETA":"00/00/0000","modifiedDate":null,"userLevel":"ALL","displayPrice":null,"baseProductName":null,"firstVariantCode":null,"firstVariantImage":null,"productMarketType":null,"productNumber":null,"typeStatusCode":null,"productCategory":null,"typeNumber":null,"marketCode":null,"regionCode":null,"otherInformation":null,"productTypeStatus":null,"repairInstruction":null,"repairInstructionStatusDescription":null,"typeStatusDate":null,"serviceLifeDate":null,"manufacturerId":null,"parts":null,"language":null,"glossaries":null,"brand":null,"product":null,"brandCode":null,"recallNotes":null,"volume":null},{"code":"P777D15649-CM","name":null,"url":"/c//p/P777D15649-CM","description":"DECAL","purchasable":true,"stock":{"stockLevelStatus":{"code":"inStock","type":"StockLevelStatus"},"stockLevel":0,"stockThreshold":null},"futureStocks":null,"availableForPickup":null,"averageRating":null,"numberOfReviews":null,"summary":null,"manufacturer":null,"variantType":null,"price":{"currencyIso":"USD","value":8.07,"priceType":"BUY","formattedValue":"$8.07","minQuantity":null,"maxQuantity":null,"sapUnit":{"code":"pieces","name":"Piece"}},"baseProduct":null,"images":[],"categories":null,"reviews":null,"classifications":null,"potentialPromotions":null,"variantOptions":null,"baseOptions":[],"volumePricesFlag":null,"volumePrices":null,"productReferences":null,"variantMatrix":null,"priceRange":null,"firstCategoryNameList":null,"multidimensional":null,"configurable":false,"configuratorType":null,"addToCartDisabled":null,"addToCartDisabledMessage":null,"tags":null,"sapUnit":null,"keywords":null,"genders":null,"itemtype":"Part","partSubstitute":null,"note":null,"recallNote":null,"note1":null,"note2":null,"note3":null,"note4":null,"note5":null,"pdfAllUser":null,"pdfAuthUser":null,"pdfCOSUser":null,"vaiantRelatedPartList":null,"partHotspotList":null,"itemNumber":14,"partRelatedVariantList":null,"bomCode":2,"totalValue":null,"searchImage":null,"length":null,"width":null,"height":null,"unitOfDimension":null,"weight":null,"unitOfWeight":null,"specialRouting":false,"onlineRepair":null,"previousPartID":null,"sbdDiscountPriceValue":{"currencyIso":"USD","value":8.07,"priceType":"BUY","formattedValue":"$8.07","minQuantity":null,"maxQuantity":null,"sapUnit":{"code":"pieces","name":"Piece"}},"alrCode":null,"productRecallFlag":null,"selectedDocumentId":null,"productDescription":null,"pdpImage":null,"ticketId":null,"qtyRequiredPerVariant":"1","isElgibleForRepair":null,"isPowerEligible":null,"productRecallNotes":null,"productOtherInfo":null,"backorderETA":"00/00/0000","modifiedDate":null,"userLevel":"ALL","displayPrice":null,"baseProductName":null,"firstVariantCode":null,"firstVariantImage":null,"productMarketType":null,"productNumber":null,"typeStatusCode":null,"productCategory":null,"typeNumber":null,"marketCode":null,"regionCode":null,"otherInformation":null,"productTypeStatus":null,"repairInstruction":null,"repairInstructionStatusDescription":null,"typeStatusDate":null,"serviceLifeDate":null,"manufacturerId":null,"parts":null,"language":null,"glossaries":null,"brand":null,"product":null,"brandCode":null,"recallNotes":null,"volume":null},{"code":"P941-0600-CM","name":null,"url":"/c//p/P941-0600-CM","description":"BEARING-BALL","purchasable":true,"stock":{"stockLevelStatus":{"code":"inStock","type":"StockLevelStatus"},"stockLevel":0,"stockThreshold":null},"futureStocks":null,"availableForPickup":null,"averageRating":null,"numberOfReviews":null,"summary":null,"manufacturer":null,"variantType":null,"price":{"currencyIso":"USD","value":16.09,"priceType":"BUY","formattedValue":"$16.09","minQuantity":null,"maxQuantity":null,"sapUnit":{"code":"pieces","name":"Piece"}},"baseProduct":null,"images":[],"categories":null,"reviews":null,"classifications":null,"potentialPromotions":null,"variantOptions":null,"baseOptions":[],"volumePricesFlag":null,"volumePrices":null,"productReferences":null,"variantMatrix":null,"priceRange":null,"firstCategoryNameList":null,"multidimensional":null,"configurable":false,"configuratorType":null,"addToCartDisabled":null,"addToCartDisabledMessage":null,"tags":null,"sapUnit":null,"keywords":null,"genders":null,"itemtype":"Part","partSubstitute":null,"note":null,"recallNote":null,"note1":null,"note2":null,"note3":null,"note4":null,"note5":null,"pdfAllUser":null,"pdfAuthUser":null,"pdfCOSUser":null,"vaiantRelatedPartList":null,"partHotspotList":null,"itemNumber":14,"partRelatedVariantList":null,"bomCode":2,"totalValue":null,"searchImage":null,"length":null,"width":null,"height":null,"unitOfDimension":null,"weight":null,"unitOfWeight":null,"specialRouting":false,"onlineRepair":null,"previousPartID":null,"sbdDiscountPriceValue":{"currencyIso":"USD","value":16.09,"priceType":"BUY","formattedValue":"$16.09","minQuantity":null,"maxQuantity":null,"sapUnit":{"code":"pieces","name":"Piece"}},"alrCode":null,"productRecallFlag":null,"selectedDocumentId":null,"productDescription":null,"pdpImage":null,"ticketId":null,"qtyRequiredPerVariant":"1","isElgibleForRepair":null,"isPowerEligible":null,"productRecallNotes":null,"productOtherInfo":null,"backorderETA":"00/00/0000","modifiedDate":null,"userLevel":"ALL","displayPrice":null,"baseProductName":null,"firstVariantCode":null,"firstVariantImage":null,"productMarketType":null,"productNumber":null,"typeStatusCode":null,"productCategory":null,"typeNumber":null,"marketCode":null,"regionCode":null,"otherInformation":null,"productTypeStatus":null,"repairInstruction":null,"repairInstructionStatusDescription":null,"typeStatusDate":null,"serviceLifeDate":null,"manufacturerId":null,"parts":null,"language":null,"glossaries":null,"brand":null,"product":null,"brandCode":null,"recallNotes":null,"volume":null},{"code":"P647-04266A-CM","name":null,"url":"/c//p/P647-04266A-CM","description":"LEVER","purchasable":true,"stock":{"stockLevelStatus":{"code":"inStock","type":"StockLevelStatus"},"stockLevel":0,"stockThreshold":null},"futureStocks":null,"availableForPickup":null,"averageRating":null,"numberOfReviews":null,"summary":null,"manufacturer":null,"variantType":null,"price":{"currencyIso":"USD","value":15.86,"priceType":"BUY","formattedValue":"$15.86","minQuantity":null,"maxQuantity":null,"sapUnit":{"code":"pieces","name":"Piece"}},"baseProduct":null,"images":[],"categories":null,"reviews":null,"classifications":null,"potentialPromotions":null,"variantOptions":null,"baseOptions":[],"volumePricesFlag":null,"volumePrices":null,"productReferences":null,"variantMatrix":null,"priceRange":null,"firstCategoryNameList":null,"multidimensional":null,"configurable":false,"configuratorType":null,"addToCartDisabled":null,"addToCartDisabledMessage":null,"tags":null,"sapUnit":null,"keywords":null,"genders":null,"itemtype":"Part","partSubstitute":null,"note":null,"recallNote":null,"note1":null,"note2":null,"note3":null,"note4":null,"note5":null,"pdfAllUser":null,"pdfAuthUser":null,"pdfCOSUser":null,"vaiantRelatedPartList":null,"partHotspotList":null,"itemNumber":15,"partRelatedVariantList":null,"bomCode":2,"totalValue":null,"searchImage":null,"length":null,"width":null,"height":null,"unitOfDimension":null,"weight":null,"unitOfWeight":null,"specialRouting":false,"onlineRepair":null,"previousPartID":null,"sbdDiscountPriceValue":{"currencyIso":"USD","value":15.86,"priceType":"BUY","formattedValue":"$15.86","minQuantity":null,"maxQuantity":null,"sapUnit":{"code":"pieces","name":"Piece"}},"alrCode":null,"productRecallFlag":null,"selectedDocumentId":null,"productDescription":null,"pdpImage":null,"ticketId":null,"qtyRequiredPerVariant":"1","isElgibleForRepair":null,"isPowerEligible":null,"productRecallNotes":null,"productOtherInfo":null,"backorderETA":"00/00/0000","modifiedDate":null,"userLevel":"ALL","displayPrice":null,"baseProductName":null,"firstVariantCode":null,"firstVariantImage":null,"productMarketType":null,"productNumber":null,"typeStatusCode":null,"productCategory":null,"typeNumber":null,"marketCode":null,"regionCode":null,"otherInformation":null,"productTypeStatus":null,"repairInstruction":null,"repairInstructionStatusDescription":null,"typeStatusDate":null,"serviceLifeDate":null,"manufacturerId":null,"parts":null,"language":null,"glossaries":null,"brand":null,"product":null,"brandCode":null,"recallNotes":null,"volume":null},{"code":"P726-3046-CM","name":null,"url":"/c//p/P726-3046-CM","description":"CLIP","purchasable":true,"stock":{"stockLevelStatus":{"code":"inStock","type":"StockLevelStatus"},"stockLevel":0,"stockThreshold":null},"futureStocks":null,"availableForPickup":null,"averageRating":null,"numberOfReviews":null,"summary":null,"manufacturer":null,"variantType":null,"price":{"currencyIso":"USD","value":2.56,"priceType":"BUY","formattedValue":"$2.56","minQuantity":null,"maxQuantity":null,"sapUnit":{"code":"pieces","name":"Piece"}},"baseProduct":null,"images":[],"categories":null,"reviews":null,"classifications":null,"potentialPromotions":null,"variantOptions":null,"baseOptions":[],"volumePricesFlag":null,"volumePrices":null,"productReferences":null,"variantMatrix":null,"priceRange":null,"firstCategoryNameList":null,"multidimensional":null,"configurable":false,"configuratorType":null,"addToCartDisabled":null,"addToCartDisabledMessage":null,"tags":null,"sapUnit":null,"keywords":null,"genders":null,"itemtype":"Part","partSubstitute":null,"note":null,"recallNote":null,"note1":null,"note2":null,"note3":null,"note4":null,"note5":null,"pdfAllUser":null,"pdfAuthUser":null,"pdfCOSUser":null,"vaiantRelatedPartList":null,"partHotspotList":null,"itemNumber":15,"partRelatedVariantList":null,"bomCode":2,"totalValue":null,"searchImage":null,"length":null,"width":null,"height":null,"unitOfDimension":null,"weight":null,"unitOfWeight":null,"specialRouting":false,"onlineRepair":null,"previousPartID":null,"sbdDiscountPriceValue":{"currencyIso":"USD","value":2.56,"priceType":"BUY","formattedValue":"$2.56","minQuantity":null,"maxQuantity":null,"sapUnit":{"code":"pieces","name":"Piece"}},"alrCode":null,"productRecallFlag":null,"selectedDocumentId":null,"productDescription":null,"pdpImage":null,"ticketId":null,"qtyRequiredPerVariant":"1","isElgibleForRepair":null,"isPowerEligible":null,"productRecallNotes":null,"productOtherInfo":null,"backorderETA":"00/00/0000","modifiedDate":null,"userLevel":"ALL","displayPrice":null,"baseProductName":null,"firstVariantCode":null,"firstVariantImage":null,"productMarketType":null,"productNumber":null,"typeStatusCode":null,"productCategory":null,"typeNumber":null,"marketCode":null,"regionCode":null,"otherInformation":null,"productTypeStatus":null,"repairInstruction":null,"repairInstructionStatusDescription":null,"typeStatusDate":null,"serviceLifeDate":null,"manufacturerId":null,"parts":null,"language":null,"glossaries":null,"brand":null,"product":null,"brandCode":null,"recallNotes":null,"volume":null},{"code":"P735-0271A-CM","name":null,"url":"/c//p/P735-0271A-CM","description":"BUMPER","purchasable":true,"stock":{"stockLevelStatus":{"code":"inStock","type":"StockLevelStatus"},"stockLevel":0,"stockThreshold":null},"futureStocks":null,"availableForPickup":null,"averageRating":null,"numberOfReviews":null,"summary":null,"manufacturer":null,"variantType":null,"price":{"currencyIso":"USD","value":6.22,"priceType":"BUY","formattedValue":"$6.22","minQuantity":null,"maxQuantity":null,"sapUnit":{"code":"pieces","name":"Piece"}},"baseProduct":null,"images":[],"categories":null,"reviews":null,"classifications":null,"potentialPromotions":null,"variantOptions":null,"baseOptions":[],"volumePricesFlag":null,"volumePrices":null,"productReferences":null,"variantMatrix":null,"priceRange":null,"firstCategoryNameList":null,"multidimensional":null,"configurable":false,"configuratorType":null,"addToCartDisabled":null,"addToCartDisabledMessage":null,"tags":null,"sapUnit":null,"keywords":null,"genders":null,"itemtype":"Part","partSubstitute":null,"note":null,"recallNote":null,"note1":null,"note2":null,"note3":null,"note4":null,"note5":null,"pdfAllUser":null,"pdfAuthUser":null,"pdfCOSUser":null,"vaiantRelatedPartList":null,"partHotspotList":null,"itemNumber":15,"partRelatedVariantList":null,"bomCode":2,"totalValue":null,"searchImage":null,"length":null,"width":null,"height":null,"unitOfDimension":null,"weight":null,"unitOfWeight":null,"specialRouting":false,"onlineRepair":null,"previousPartID":null,"sbdDiscountPriceValue":{"currencyIso":"USD","value":6.22,"priceType":"BUY","formattedValue":"$6.22","minQuantity":null,"maxQuantity":null,"sapUnit":{"code":"pieces","name":"Piece"}},"alrCode":null,"productRecallFlag":null,"selectedDocumentId":null,"productDescription":null,"pdpImage":null,"ticketId":null,"qtyRequiredPerVariant":"1","isElgibleForRepair":null,"isPowerEligible":null,"productRecallNotes":null,"productOtherInfo":null,"backorderETA":"00/00/0000","modifiedDate":null,"userLevel":"ALL","displayPrice":null,"baseProductName":null,"firstVariantCode":null,"firstVariantImage":null,"productMarketType":null,"productNumber":null,"typeStatusCode":null,"productCategory":null,"typeNumber":null,"marketCode":null,"regionCode":null,"otherInformation":null,"productTypeStatus":null,"repairInstruction":null,"repairInstructionStatusDescription":null,"typeStatusDate":null,"serviceLifeDate":null,"manufacturerId":null,"parts":null,"language":null,"glossaries":null,"brand":null,"product":null,"brandCode":null,"recallNotes":null,"volume":null},{"code":"P738-0919B-CM","name":null,"url":"/c//p/P738-0919B-CM","description":"SHAFT","purchasable":true,"stock":{"stockLevelStatus":{"code":"inStock","type":"StockLevelStatus"},"stockLevel":0,"stockThreshold":null},"futureStocks":null,"availableForPickup":null,"averageRating":null,"numberOfReviews":null,"summary":null,"manufacturer":null,"variantType":null,"price":{"currencyIso":"USD","value":35.77,"priceType":"BUY","formattedValue":"$35.77","minQuantity":null,"maxQuantity":null,"sapUnit":{"code":"pieces","name":"Piece"}},"baseProduct":null,"images":[],"categories":null,"reviews":null,"classifications":null,"potentialPromotions":null,"variantOptions":null,"baseOptions":[],"volumePricesFlag":null,"volumePrices":null,"productReferences":null,"variantMatrix":null,"priceRange":null,"firstCategoryNameList":null,"multidimensional":null,"configurable":false,"configuratorType":null,"addToCartDisabled":null,"addToCartDisabledMessage":null,"tags":null,"sapUnit":null,"keywords":null,"genders":null,"itemtype":"Part","partSubstitute":null,"note":null,"recallNote":null,"note1":null,"note2":null,"note3":null,"note4":null,"note5":null,"pdfAllUser":null,"pdfAuthUser":null,"pdfCOSUser":null,"vaiantRelatedPartList":null,"partHotspotList":null,"itemNumber":15,"partRelatedVariantList":null,"bomCode":2,"totalValue":null,"searchImage":null,"length":null,"width":null,"height":null,"unitOfDimension":null,"weight":null,"unitOfWeight":null,"specialRouting":false,"onlineRepair":null,"previousPartID":null,"sbdDiscountPriceValue":{"currencyIso":"USD","value":35.77,"priceType":"BUY","formattedValue":"$35.77","minQuantity":null,"maxQuantity":null,"sapUnit":{"code":"pieces","name":"Piece"}},"alrCode":null,"productRecallFlag":null,"selectedDocumentId":null,"productDescription":null,"pdpImage":null,"ticketId":null,"qtyRequiredPerVariant":"1","isElgibleForRepair":null,"isPowerEligible":null,"productRecallNotes":null,"productOtherInfo":null,"backorderETA":"00/00/0000","modifiedDate":null,"userLevel":"ALL","displayPrice":null,"baseProductName":null,"firstVariantCode":null,"firstVariantImage":null,"productMarketType":null,"productNumber":null,"typeStatusCode":null,"productCategory":null,"typeNumber":null,"marketCode":null,"regionCode":null,"otherInformation":null,"productTypeStatus":null,"repairInstruction":null,"repairInstructionStatusDescription":null,"typeStatusDate":null,"serviceLifeDate":null,"manufacturerId":null,"parts":null,"language":null,"glossaries":null,"brand":null,"product":null,"brandCode":null,"recallNotes":null,"volume":null},{"code":"P777D15648-CM","name":null,"url":"/c//p/P777D15648-CM","description":"DECAL","purchasable":true,"stock":{"stockLevelStatus":{"code":"inStock","type":"StockLevelStatus"},"stockLevel":0,"stockThreshold":null},"futureStocks":null,"availableForPickup":null,"averageRating":null,"numberOfReviews":null,"summary":null,"manufacturer":null,"variantType":null,"price":{"currencyIso":"USD","value":8.07,"priceType":"BUY","formattedValue":"$8.07","minQuantity":null,"maxQuantity":null,"sapUnit":{"code":"pieces","name":"Piece"}},"baseProduct":null,"images":[],"categories":null,"reviews":null,"classifications":null,"potentialPromotions":null,"variantOptions":null,"baseOptions":[],"volumePricesFlag":null,"volumePrices":null,"productReferences":null,"variantMatrix":null,"priceRange":null,"firstCategoryNameList":null,"multidimensional":null,"configurable":false,"configuratorType":null,"addToCartDisabled":null,"addToCartDisabledMessage":null,"tags":null,"sapUnit":null,"keywords":null,"genders":null,"itemtype":"Part","partSubstitute":null,"note":null,"recallNote":null,"note1":null,"note2":null,"note3":null,"note4":null,"note5":null,"pdfAllUser":null,"pdfAuthUser":null,"pdfCOSUser":null,"vaiantRelatedPartList":null,"partHotspotList":null,"itemNumber":15,"partRelatedVariantList":null,"bomCode":2,"totalValue":null,"searchImage":null,"length":null,"width":null,"height":null,"unitOfDimension":null,"weight":null,"unitOfWeight":null,"specialRouting":false,"onlineRepair":null,"previousPartID":null,"sbdDiscountPriceValue":{"currencyIso":"USD","value":8.07,"priceType":"BUY","formattedValue":"$8.07","minQuantity":null,"maxQuantity":null,"sapUnit":{"code":"pieces","name":"Piece"}},"alrCode":null,"productRecallFlag":null,"selectedDocumentId":null,"productDescription":null,"pdpImage":null,"ticketId":null,"qtyRequiredPerVariant":"1","isElgibleForRepair":null,"isPowerEligible":null,"productRecallNotes":null,"productOtherInfo":null,"backorderETA":"00/00/0000","modifiedDate":null,"userLevel":"ALL","displayPrice":null,"baseProductName":null,"firstVariantCode":null,"firstVariantImage":null,"productMarketType":null,"productNumber":null,"typeStatusCode":null,"productCategory":null,"typeNumber":null,"marketCode":null,"regionCode":null,"otherInformation":null,"productTypeStatus":null,"repairInstruction":null,"repairInstructionStatusDescription":null,"typeStatusDate":null,"serviceLifeDate":null,"manufacturerId":null,"parts":null,"language":null,"glossaries":null,"brand":null,"product":null,"brandCode":null,"recallNotes":null,"volume":null},{"code":"P5140215-67","name":null,"url":"/c//p/P5140215-67","description":"PEDAL","purchasable":true,"stock":{"stockLevelStatus":{"code":"inStock","type":"StockLevelStatus"},"stockLevel":0,"stockThreshold":null},"futureStocks":null,"availableForPickup":null,"averageRating":null,"numberOfReviews":null,"summary":null,"manufacturer":null,"variantType":null,"price":{"currencyIso":"USD","value":28.75,"priceType":"BUY","formattedValue":"$28.75","minQuantity":null,"maxQuantity":null,"sapUnit":{"code":"pieces","name":"Piece"}},"baseProduct":null,"images":[],"categories":null,"reviews":null,"classifications":null,"potentialPromotions":null,"variantOptions":null,"baseOptions":[],"volumePricesFlag":null,"volumePrices":null,"productReferences":null,"variantMatrix":null,"priceRange":null,"firstCategoryNameList":null,"multidimensional":null,"configurable":false,"configuratorType":null,"addToCartDisabled":null,"addToCartDisabledMessage":null,"tags":null,"sapUnit":null,"keywords":null,"genders":null,"itemtype":"Part","partSubstitute":null,"note":null,"recallNote":null,"note1":null,"note2":null,"note3":null,"note4":null,"note5":null,"pdfAllUser":null,"pdfAuthUser":null,"pdfCOSUser":null,"vaiantRelatedPartList":null,"partHotspotList":null,"itemNumber":16,"partRelatedVariantList":null,"bomCode":2,"totalValue":null,"searchImage":null,"length":null,"width":null,"height":null,"unitOfDimension":null,"weight":null,"unitOfWeight":null,"specialRouting":false,"onlineRepair":null,"previousPartID":null,"sbdDiscountPriceValue":{"currencyIso":"USD","value":28.75,"priceType":"BUY","formattedValue":"$28.75","minQuantity":null,"maxQuantity":null,"sapUnit":{"code":"pieces","name":"Piece"}},"alrCode":null,"productRecallFlag":null,"selectedDocumentId":null,"productDescription":null,"pdpImage":null,"ticketId":null,"qtyRequiredPerVariant":"1","isElgibleForRepair":null,"isPowerEligible":null,"productRecallNotes":null,"productOtherInfo":null,"backorderETA":"00/00/0000","modifiedDate":null,"userLevel":"ALL","displayPrice":null,"baseProductName":null,"firstVariantCode":null,"firstVariantImage":null,"productMarketType":null,"productNumber":null,"typeStatusCode":null,"productCategory":null,"typeNumber":null,"marketCode":null,"regionCode":null,"otherInformation":null,"productTypeStatus":null,"repairInstruction":null,"repairInstructionStatusDescription":null,"typeStatusDate":null,"serviceLifeDate":null,"manufacturerId":null,"parts":null,"language":null,"glossaries":null,"brand":null,"product":null,"brandCode":null,"recallNotes":null,"volume":null},{"code":"P712-04065-CM","name":null,"url":"/c//p/P712-04065-CM","description":"FLANGE NUT","purchasable":true,"stock":{"stockLevelStatus":{"code":"inStock","type":"StockLevelStatus"},"stockLevel":0,"stockThreshold":null},"futureStocks":null,"availableForPickup":null,"averageRating":null,"numberOfReviews":null,"summary":null,"manufacturer":null,"variantType":null,"price":{"currencyIso":"USD","value":2.54,"priceType":"BUY","formattedValue":"$2.54","minQuantity":null,"maxQuantity":null,"sapUnit":{"code":"pieces","name":"Piece"}},"baseProduct":null,"images":[],"categories":null,"reviews":null,"classifications":null,"potentialPromotions":null,"variantOptions":null,"baseOptions":[],"volumePricesFlag":null,"volumePrices":null,"productReferences":null,"variantMatrix":null,"priceRange":null,"firstCategoryNameList":null,"multidimensional":null,"configurable":false,"configuratorType":null,"addToCartDisabled":null,"addToCartDisabledMessage":null,"tags":null,"sapUnit":null,"keywords":null,"genders":null,"itemtype":"Part","partSubstitute":null,"note":null,"recallNote":null,"note1":null,"note2":null,"note3":null,"note4":null,"note5":null,"pdfAllUser":null,"pdfAuthUser":null,"pdfCOSUser":null,"vaiantRelatedPartList":null,"partHotspotList":null,"itemNumber":16,"partRelatedVariantList":null,"bomCode":2,"totalValue":null,"searchImage":null,"length":null,"width":null,"height":null,"unitOfDimension":null,"weight":null,"unitOfWeight":null,"specialRouting":false,"onlineRepair":null,"previousPartID":null,"sbdDiscountPriceValue":{"currencyIso":"USD","value":2.54,"priceType":"BUY","formattedValue":"$2.54","minQuantity":null,"maxQuantity":null,"sapUnit":{"code":"pieces","name":"Piece"}},"alrCode":null,"productRecallFlag":null,"selectedDocumentId":null,"productDescription":null,"pdpImage":null,"ticketId":null,"qtyRequiredPerVariant":"1","isElgibleForRepair":null,"isPowerEligible":null,"productRecallNotes":null,"productOtherInfo":null,"backorderETA":"00/00/0000","modifiedDate":null,"userLevel":"ALL","displayPrice":null,"baseProductName":null,"firstVariantCode":null,"firstVariantImage":null,"productMarketType":null,"productNumber":null,"typeStatusCode":null,"productCategory":null,"typeNumber":null,"marketCode":null,"regionCode":null,"otherInformation":null,"productTypeStatus":null,"repairInstruction":null,"repairInstructionStatusDescription":null,"typeStatusDate":null,"serviceLifeDate":null,"manufacturerId":null,"parts":null,"language":null,"glossaries":null,"brand":null,"product":null,"brandCode":null,"recallNotes":null,"volume":null},{"code":"P712-04065-CM","name":null,"url":"/c//p/P712-04065-CM","description":"FLANGE NUT","purchasable":true,"stock":{"stockLevelStatus":{"code":"inStock","type":"StockLevelStatus"},"stockLevel":0,"stockThreshold":null},"futureStocks":null,"availableForPickup":null,"averageRating":null,"numberOfReviews":null,"summary":null,"manufacturer":null,"variantType":null,"price":{"currencyIso":"USD","value":2.54,"priceType":"BUY","formattedValue":"$2.54","minQuantity":null,"maxQuantity":null,"sapUnit":{"code":"pieces","name":"Piece"}},"baseProduct":null,"images":[],"categories":null,"reviews":null,"classifications":null,"potentialPromotions":null,"variantOptions":null,"baseOptions":[],"volumePricesFlag":null,"volumePrices":null,"productReferences":null,"variantMatrix":null,"priceRange":null,"firstCategoryNameList":null,"multidimensional":null,"configurable":false,"configuratorType":null,"addToCartDisabled":null,"addToCartDisabledMessage":null,"tags":null,"sapUnit":null,"keywords":null,"genders":null,"itemtype":"Part","partSubstitute":null,"note":null,"recallNote":null,"note1":null,"note2":null,"note3":null,"note4":null,"note5":null,"pdfAllUser":null,"pdfAuthUser":null,"pdfCOSUser":null,"vaiantRelatedPartList":null,"partHotspotList":null,"itemNumber":16,"partRelatedVariantList":null,"bomCode":2,"totalValue":null,"searchImage":null,"length":null,"width":null,"height":null,"unitOfDimension":null,"weight":null,"unitOfWeight":null,"specialRouting":false,"onlineRepair":null,"previousPartID":null,"sbdDiscountPriceValue":{"currencyIso":"USD","value":2.54,"priceType":"BUY","formattedValue":"$2.54","minQuantity":null,"maxQuantity":null,"sapUnit":{"code":"pieces","name":"Piece"}},"alrCode":null,"productRecallFlag":null,"selectedDocumentId":null,"productDescription":null,"pdpImage":null,"ticketId":null,"qtyRequiredPerVariant":"1","isElgibleForRepair":null,"isPowerEligible":null,"productRecallNotes":null,"productOtherInfo":null,"backorderETA":"00/00/0000","modifiedDate":null,"userLevel":"ALL","displayPrice":null,"baseProductName":null,"firstVariantCode":null,"firstVariantImage":null,"productMarketType":null,"productNumber":null,"typeStatusCode":null,"productCategory":null,"typeNumber":null,"marketCode":null,"regionCode":null,"otherInformation":null,"productTypeStatus":null,"repairInstruction":null,"repairInstructionStatusDescription":null,"typeStatusDate":null,"serviceLifeDate":null,"manufacturerId":null,"parts":null,"language":null,"glossaries":null,"brand":null,"product":null,"brandCode":null,"recallNotes":null,"volume":null},{"code":"P712-04065-CM","name":null,"url":"/c//p/P712-04065-CM","description":"FLANGE NUT","purchasable":true,"stock":{"stockLevelStatus":{"code":"inStock","type":"StockLevelStatus"},"stockLevel":0,"stockThreshold":null},"futureStocks":null,"availableForPickup":null,"averageRating":null,"numberOfReviews":null,"summary":null,"manufacturer":null,"variantType":null,"price":{"currencyIso":"USD","value":2.54,"priceType":"BUY","formattedValue":"$2.54","minQuantity":null,"maxQuantity":null,"sapUnit":{"code":"pieces","name":"Piece"}},"baseProduct":null,"images":[],"categories":null,"reviews":null,"classifications":null,"potentialPromotions":null,"variantOptions":null,"baseOptions":[],"volumePricesFlag":null,"volumePrices":null,"productReferences":null,"variantMatrix":null,"priceRange":null,"firstCategoryNameList":null,"multidimensional":null,"configurable":false,"configuratorType":null,"addToCartDisabled":null,"addToCartDisabledMessage":null,"tags":null,"sapUnit":null,"keywords":null,"genders":null,"itemtype":"Part","partSubstitute":null,"note":null,"recallNote":null,"note1":null,"note2":null,"note3":null,"note4":null,"note5":null,"pdfAllUser":null,"pdfAuthUser":null,"pdfCOSUser":null,"vaiantRelatedPartList":null,"partHotspotList":null,"itemNumber":16,"partRelatedVariantList":null,"bomCode":2,"totalValue":null,"searchImage":null,"length":null,"width":null,"height":null,"unitOfDimension":null,"weight":null,"unitOfWeight":null,"specialRouting":false,"onlineRepair":null,"previousPartID":null,"sbdDiscountPriceValue":{"currencyIso":"USD","value":2.54,"priceType":"BUY","formattedValue":"$2.54","minQuantity":null,"maxQuantity":null,"sapUnit":{"code":"pieces","name":"Piece"}},"alrCode":null,"productRecallFlag":null,"selectedDocumentId":null,"productDescription":null,"pdpImage":null,"ticketId":null,"qtyRequiredPerVariant":"1","isElgibleForRepair":null,"isPowerEligible":null,"productRecallNotes":null,"productOtherInfo":null,"backorderETA":"00/00/0000","modifiedDate":null,"userLevel":"ALL","displayPrice":null,"baseProductName":null,"firstVariantCode":null,"firstVariantImage":null,"productMarketType":null,"productNumber":null,"typeStatusCode":null,"productCategory":null,"typeNumber":null,"marketCode":null,"regionCode":null,"otherInformation":null,"productTypeStatus":null,"repairInstruction":null,"repairInstructionStatusDescription":null,"typeStatusDate":null,"serviceLifeDate":null,"manufacturerId":null,"parts":null,"language":null,"glossaries":null,"brand":null,"product":null,"brandCode":null,"recallNotes":null,"volume":null},{"code":"P712-04065-CM","name":null,"url":"/c//p/P712-04065-CM","description":"FLANGE NUT","purchasable":true,"stock":{"stockLevelStatus":{"code":"inStock","type":"StockLevelStatus"},"stockLevel":0,"stockThreshold":null},"futureStocks":null,"availableForPickup":null,"averageRating":null,"numberOfReviews":null,"summary":null,"manufacturer":null,"variantType":null,"price":{"currencyIso":"USD","value":2.54,"priceType":"BUY","formattedValue":"$2.54","minQuantity":null,"maxQuantity":null,"sapUnit":{"code":"pieces","name":"Piece"}},"baseProduct":null,"images":[],"categories":null,"reviews":null,"classifications":null,"potentialPromotions":null,"variantOptions":null,"baseOptions":[],"volumePricesFlag":null,"volumePrices":null,"productReferences":null,"variantMatrix":null,"priceRange":null,"firstCategoryNameList":null,"multidimensional":null,"configurable":false,"configuratorType":null,"addToCartDisabled":null,"addToCartDisabledMessage":null,"tags":null,"sapUnit":null,"keywords":null,"genders":null,"itemtype":"Part","partSubstitute":null,"note":null,"recallNote":null,"note1":null,"note2":null,"note3":null,"note4":null,"note5":null,"pdfAllUser":null,"pdfAuthUser":null,"pdfCOSUser":null,"vaiantRelatedPartList":null,"partHotspotList":null,"itemNumber":16,"partRelatedVariantList":null,"bomCode":2,"totalValue":null,"searchImage":null,"length":null,"width":null,"height":null,"unitOfDimension":null,"weight":null,"unitOfWeight":null,"specialRouting":false,"onlineRepair":null,"previousPartID":null,"sbdDiscountPriceValue":{"currencyIso":"USD","value":2.54,"priceType":"BUY","formattedValue":"$2.54","minQuantity":null,"maxQuantity":null,"sapUnit":{"code":"pieces","name":"Piece"}},"alrCode":null,"productRecallFlag":null,"selectedDocumentId":null,"productDescription":null,"pdpImage":null,"ticketId":null,"qtyRequiredPerVariant":"1","isElgibleForRepair":null,"isPowerEligible":null,"productRecallNotes":null,"productOtherInfo":null,"backorderETA":"00/00/0000","modifiedDate":null,"userLevel":"ALL","displayPrice":null,"baseProductName":null,"firstVariantCode":null,"firstVariantImage":null,"productMarketType":null,"productNumber":null,"typeStatusCode":null,"productCategory":null,"typeNumber":null,"marketCode":null,"regionCode":null,"otherInformation":null,"productTypeStatus":null,"repairInstruction":null,"repairInstructionStatusDescription":null,"typeStatusDate":null,"serviceLifeDate":null,"manufacturerId":null,"parts":null,"language":null,"glossaries":null,"brand":null,"product":null,"brandCode":null,"recallNotes":null,"volume":null},{"code":"P712-04065-CM","name":null,"url":"/c//p/P712-04065-CM","description":"FLANGE NUT","purchasable":true,"stock":{"stockLevelStatus":{"code":"inStock","type":"StockLevelStatus"},"stockLevel":0,"stockThreshold":null},"futureStocks":null,"availableForPickup":null,"averageRating":null,"numberOfReviews":null,"summary":null,"manufacturer":null,"variantType":null,"price":{"currencyIso":"USD","value":2.54,"priceType":"BUY","formattedValue":"$2.54","minQuantity":null,"maxQuantity":null,"sapUnit":{"code":"pieces","name":"Piece"}},"baseProduct":null,"images":[],"categories":null,"reviews":null,"classifications":null,"potentialPromotions":null,"variantOptions":null,"baseOptions":[],"volumePricesFlag":null,"volumePrices":null,"productReferences":null,"variantMatrix":null,"priceRange":null,"firstCategoryNameList":null,"multidimensional":null,"configurable":false,"configuratorType":null,"addToCartDisabled":null,"addToCartDisabledMessage":null,"tags":null,"sapUnit":null,"keywords":null,"genders":null,"itemtype":"Part","partSubstitute":null,"note":null,"recallNote":null,"note1":null,"note2":null,"note3":null,"note4":null,"note5":null,"pdfAllUser":null,"pdfAuthUser":null,"pdfCOSUser":null,"vaiantRelatedPartList":null,"partHotspotList":null,"itemNumber":16,"partRelatedVariantList":null,"bomCode":2,"totalValue":null,"searchImage":null,"length":null,"width":null,"height":null,"unitOfDimension":null,"weight":null,"unitOfWeight":null,"specialRouting":false,"onlineRepair":null,"previousPartID":null,"sbdDiscountPriceValue":{"currencyIso":"USD","value":2.54,"priceType":"BUY","formattedValue":"$2.54","minQuantity":null,"maxQuantity":null,"sapUnit":{"code":"pieces","name":"Piece"}},"alrCode":null,"productRecallFlag":null,"selectedDocumentId":null,"productDescription":null,"pdpImage":null,"ticketId":null,"qtyRequiredPerVariant":"1","isElgibleForRepair":null,"isPowerEligible":null,"productRecallNotes":null,"productOtherInfo":null,"backorderETA":"00/00/0000","modifiedDate":null,"userLevel":"ALL","displayPrice":null,"baseProductName":null,"firstVariantCode":null,"firstVariantImage":null,"productMarketType":null,"productNumber":null,"typeStatusCode":null,"productCategory":null,"typeNumber":null,"marketCode":null,"regionCode":null,"otherInformation":null,"productTypeStatus":null,"repairInstruction":null,"repairInstructionStatusDescription":null,"typeStatusDate":null,"serviceLifeDate":null,"manufacturerId":null,"parts":null,"language":null,"glossaries":null,"brand":null,"product":null,"brandCode":null,"recallNotes":null,"volume":null},{"code":"P720-04049A-CM","name":null,"url":"/c//p/P720-04049A-CM","description":"GRIP-HANDLE","purchasable":true,"stock":{"stockLevelStatus":{"code":"inStock","type":"StockLevelStatus"},"stockLevel":0,"stockThreshold":null},"futureStocks":null,"availableForPickup":null,"averageRating":null,"numberOfReviews":null,"summary":null,"manufacturer":null,"variantType":null,"price":{"currencyIso":"USD","value":9.7,"priceType":"BUY","formattedValue":"$9.70","minQuantity":null,"maxQuantity":null,"sapUnit":{"code":"pieces","name":"Piece"}},"baseProduct":null,"images":[],"categories":null,"reviews":null,"classifications":null,"potentialPromotions":null,"variantOptions":null,"baseOptions":[],"volumePricesFlag":null,"volumePrices":null,"productReferences":null,"variantMatrix":null,"priceRange":null,"firstCategoryNameList":null,"multidimensional":null,"configurable":false,"configuratorType":null,"addToCartDisabled":null,"addToCartDisabledMessage":null,"tags":null,"sapUnit":null,"keywords":null,"genders":null,"itemtype":"Part","partSubstitute":null,"note":null,"recallNote":null,"note1":null,"note2":null,"note3":null,"note4":null,"note5":null,"pdfAllUser":null,"pdfAuthUser":null,"pdfCOSUser":null,"vaiantRelatedPartList":null,"partHotspotList":null,"itemNumber":16,"partRelatedVariantList":null,"bomCode":2,"totalValue":null,"searchImage":null,"length":null,"width":null,"height":null,"unitOfDimension":null,"weight":null,"unitOfWeight":null,"specialRouting":false,"onlineRepair":null,"previousPartID":null,"sbdDiscountPriceValue":{"currencyIso":"USD","value":9.7,"priceType":"BUY","formattedValue":"$9.70","minQuantity":null,"maxQuantity":null,"sapUnit":{"code":"pieces","name":"Piece"}},"alrCode":null,"productRecallFlag":null,"selectedDocumentId":null,"productDescription":null,"pdpImage":null,"ticketId":null,"qtyRequiredPerVariant":"1","isElgibleForRepair":null,"isPowerEligible":null,"productRecallNotes":null,"productOtherInfo":null,"backorderETA":"00/00/0000","modifiedDate":null,"userLevel":"ALL","displayPrice":null,"baseProductName":null,"firstVariantCode":null,"firstVariantImage":null,"productMarketType":null,"productNumber":null,"typeStatusCode":null,"productCategory":null,"typeNumber":null,"marketCode":null,"regionCode":null,"otherInformation":null,"productTypeStatus":null,"repairInstruction":null,"repairInstructionStatusDescription":null,"typeStatusDate":null,"serviceLifeDate":null,"manufacturerId":null,"parts":null,"language":null,"glossaries":null,"brand":null,"product":null,"brandCode":null,"recallNotes":null,"volume":null},{"code":"P738-04091A-CM","name":null,"url":"/c//p/P738-04091A-CM","description":"SCREW-SHOULD","purchasable":true,"stock":{"stockLevelStatus":{"code":"inStock","type":"StockLevelStatus"},"stockLevel":0,"stockThreshold":null},"futureStocks":null,"availableForPickup":null,"averageRating":null,"numberOfReviews":null,"summary":null,"manufacturer":null,"variantType":null,"price":{"currencyIso":"USD","value":2.42,"priceType":"BUY","formattedValue":"$2.42","minQuantity":null,"maxQuantity":null,"sapUnit":{"code":"pieces","name":"Piece"}},"baseProduct":null,"images":[],"categories":null,"reviews":null,"classifications":null,"potentialPromotions":null,"variantOptions":null,"baseOptions":[],"volumePricesFlag":null,"volumePrices":null,"productReferences":null,"variantMatrix":null,"priceRange":null,"firstCategoryNameList":null,"multidimensional":null,"configurable":false,"configuratorType":null,"addToCartDisabled":null,"addToCartDisabledMessage":null,"tags":null,"sapUnit":null,"keywords":null,"genders":null,"itemtype":"Part","partSubstitute":null,"note":null,"recallNote":null,"note1":null,"note2":null,"note3":null,"note4":null,"note5":null,"pdfAllUser":null,"pdfAuthUser":null,"pdfCOSUser":null,"vaiantRelatedPartList":null,"partHotspotList":null,"itemNumber":16,"partRelatedVariantList":null,"bomCode":2,"totalValue":null,"searchImage":null,"length":null,"width":null,"height":null,"unitOfDimension":null,"weight":null,"unitOfWeight":null,"specialRouting":false,"onlineRepair":null,"previousPartID":null,"sbdDiscountPriceValue":{"currencyIso":"USD","value":2.42,"priceType":"BUY","formattedValue":"$2.42","minQuantity":null,"maxQuantity":null,"sapUnit":{"code":"pieces","name":"Piece"}},"alrCode":null,"productRecallFlag":null,"selectedDocumentId":null,"productDescription":null,"pdpImage":null,"ticketId":null,"qtyRequiredPerVariant":"1","isElgibleForRepair":null,"isPowerEligible":null,"productRecallNotes":null,"productOtherInfo":null,"backorderETA":"00/00/0000","modifiedDate":null,"userLevel":"ALL","displayPrice":null,"baseProductName":null,"firstVariantCode":null,"firstVariantImage":null,"productMarketType":null,"productNumber":null,"typeStatusCode":null,"productCategory":null,"typeNumber":null,"marketCode":null,"regionCode":null,"otherInformation":null,"productTypeStatus":null,"repairInstruction":null,"repairInstructionStatusDescription":null,"typeStatusDate":null,"serviceLifeDate":null,"manufacturerId":null,"parts":null,"language":null,"glossaries":null,"brand":null,"product":null,"brandCode":null,"recallNotes":null,"volume":null},{"code":"P738-04091A-CM","name":null,"url":"/c//p/P738-04091A-CM","description":"SCREW-SHOULD","purchasable":true,"stock":{"stockLevelStatus":{"code":"inStock","type":"StockLevelStatus"},"stockLevel":0,"stockThreshold":null},"futureStocks":null,"availableForPickup":null,"averageRating":null,"numberOfReviews":null,"summary":null,"manufacturer":null,"variantType":null,"price":{"currencyIso":"USD","value":2.42,"priceType":"BUY","formattedValue":"$2.42","minQuantity":null,"maxQuantity":null,"sapUnit":{"code":"pieces","name":"Piece"}},"baseProduct":null,"images":[],"categories":null,"reviews":null,"classifications":null,"potentialPromotions":null,"variantOptions":null,"baseOptions":[],"volumePricesFlag":null,"volumePrices":null,"productReferences":null,"variantMatrix":null,"priceRange":null,"firstCategoryNameList":null,"multidimensional":null,"configurable":false,"configuratorType":null,"addToCartDisabled":null,"addToCartDisabledMessage":null,"tags":null,"sapUnit":null,"keywords":null,"genders":null,"itemtype":"Part","partSubstitute":null,"note":null,"recallNote":null,"note1":null,"note2":null,"note3":null,"note4":null,"note5":null,"pdfAllUser":null,"pdfAuthUser":null,"pdfCOSUser":null,"vaiantRelatedPartList":null,"partHotspotList":null,"itemNumber":16,"partRelatedVariantList":null,"bomCode":2,"totalValue":null,"searchImage":null,"length":null,"width":null,"height":null,"unitOfDimension":null,"weight":null,"unitOfWeight":null,"specialRouting":false,"onlineRepair":null,"previousPartID":null,"sbdDiscountPriceValue":{"currencyIso":"USD","value":2.42,"priceType":"BUY","formattedValue":"$2.42","minQuantity":null,"maxQuantity":null,"sapUnit":{"code":"pieces","name":"Piece"}},"alrCode":null,"productRecallFlag":null,"selectedDocumentId":null,"productDescription":null,"pdpImage":null,"ticketId":null,"qtyRequiredPerVariant":"1","isElgibleForRepair":null,"isPowerEligible":null,"productRecallNotes":null,"productOtherInfo":null,"backorderETA":"00/00/0000","modifiedDate":null,"userLevel":"ALL","displayPrice":null,"baseProductName":null,"firstVariantCode":null,"firstVariantImage":null,"productMarketType":null,"productNumber":null,"typeStatusCode":null,"productCategory":null,"typeNumber":null,"marketCode":null,"regionCode":null,"otherInformation":null,"productTypeStatus":null,"repairInstruction":null,"repairInstructionStatusDescription":null,"typeStatusDate":null,"serviceLifeDate":null,"manufacturerId":null,"parts":null,"language":null,"glossaries":null,"brand":null,"product":null,"brandCode":null,"recallNotes":null,"volume":null},{"code":"P741-04124-CM","name":null,"url":"/c//p/P741-04124-CM","description":"BEARING","purchasable":true,"stock":{"stockLevelStatus":{"code":"inStock","type":"StockLevelStatus"},"stockLevel":0,"stockThreshold":null},"futureStocks":null,"availableForPickup":null,"averageRating":null,"numberOfReviews":null,"summary":null,"manufacturer":null,"variantType":null,"price":{"currencyIso":"USD","value":3.36,"priceType":"BUY","formattedValue":"$3.36","minQuantity":null,"maxQuantity":null,"sapUnit":{"code":"pieces","name":"Piece"}},"baseProduct":null,"images":[],"categories":null,"reviews":null,"classifications":null,"potentialPromotions":null,"variantOptions":null,"baseOptions":[],"volumePricesFlag":null,"volumePrices":null,"productReferences":null,"variantMatrix":null,"priceRange":null,"firstCategoryNameList":null,"multidimensional":null,"configurable":false,"configuratorType":null,"addToCartDisabled":null,"addToCartDisabledMessage":null,"tags":null,"sapUnit":null,"keywords":null,"genders":null,"itemtype":"Part","partSubstitute":null,"note":null,"recallNote":null,"note1":null,"note2":null,"note3":null,"note4":null,"note5":null,"pdfAllUser":null,"pdfAuthUser":null,"pdfCOSUser":null,"vaiantRelatedPartList":null,"partHotspotList":null,"itemNumber":16,"partRelatedVariantList":null,"bomCode":2,"totalValue":null,"searchImage":null,"length":null,"width":null,"height":null,"unitOfDimension":null,"weight":null,"unitOfWeight":null,"specialRouting":false,"onlineRepair":null,"previousPartID":null,"sbdDiscountPriceValue":{"currencyIso":"USD","value":3.36,"priceType":"BUY","formattedValue":"$3.36","minQuantity":null,"maxQuantity":null,"sapUnit":{"code":"pieces","name":"Piece"}},"alrCode":null,"productRecallFlag":null,"selectedDocumentId":null,"productDescription":null,"pdpImage":null,"ticketId":null,"qtyRequiredPerVariant":"1","isElgibleForRepair":null,"isPowerEligible":null,"productRecallNotes":null,"productOtherInfo":null,"backorderETA":"00/00/0000","modifiedDate":null,"userLevel":"ALL","displayPrice":null,"baseProductName":null,"firstVariantCode":null,"firstVariantImage":null,"productMarketType":null,"productNumber":null,"typeStatusCode":null,"productCategory":null,"typeNumber":null,"marketCode":null,"regionCode":null,"otherInformation":null,"productTypeStatus":null,"repairInstruction":null,"repairInstructionStatusDescription":null,"typeStatusDate":null,"serviceLifeDate":null,"manufacturerId":null,"parts":null,"language":null,"glossaries":null,"brand":null,"product":null,"brandCode":null,"recallNotes":null,"volume":null},{"code":"P777I23364-CM","name":null,"url":"/c//p/P777I23364-CM","description":"LABEL","purchasable":true,"stock":{"stockLevelStatus":{"code":"inStock","type":"StockLevelStatus"},"stockLevel":0,"stockThreshold":null},"futureStocks":null,"availableForPickup":null,"averageRating":null,"numberOfReviews":null,"summary":null,"manufacturer":null,"variantType":null,"price":{"currencyIso":"USD","value":4.94,"priceType":"BUY","formattedValue":"$4.94","minQuantity":null,"maxQuantity":null,"sapUnit":{"code":"pieces","name":"Piece"}},"baseProduct":null,"images":[],"categories":null,"reviews":null,"classifications":null,"potentialPromotions":null,"variantOptions":null,"baseOptions":[],"volumePricesFlag":null,"volumePrices":null,"productReferences":null,"variantMatrix":null,"priceRange":null,"firstCategoryNameList":null,"multidimensional":null,"configurable":false,"configuratorType":null,"addToCartDisabled":null,"addToCartDisabledMessage":null,"tags":null,"sapUnit":null,"keywords":null,"genders":null,"itemtype":"Part","partSubstitute":null,"note":null,"recallNote":null,"note1":null,"note2":null,"note3":null,"note4":null,"note5":null,"pdfAllUser":null,"pdfAuthUser":null,"pdfCOSUser":null,"vaiantRelatedPartList":null,"partHotspotList":null,"itemNumber":16,"partRelatedVariantList":null,"bomCode":2,"totalValue":null,"searchImage":null,"length":null,"width":null,"height":null,"unitOfDimension":null,"weight":null,"unitOfWeight":null,"specialRouting":false,"onlineRepair":null,"previousPartID":null,"sbdDiscountPriceValue":{"currencyIso":"USD","value":4.94,"priceType":"BUY","formattedValue":"$4.94","minQuantity":null,"maxQuantity":null,"sapUnit":{"code":"pieces","name":"Piece"}},"alrCode":null,"productRecallFlag":null,"selectedDocumentId":null,"productDescription":null,"pdpImage":null,"ticketId":null,"qtyRequiredPerVariant":"1","isElgibleForRepair":null,"isPowerEligible":null,"productRecallNotes":null,"productOtherInfo":null,"backorderETA":"00/00/0000","modifiedDate":null,"userLevel":"ALL","displayPrice":null,"baseProductName":null,"firstVariantCode":null,"firstVariantImage":null,"productMarketType":null,"productNumber":null,"typeStatusCode":null,"productCategory":null,"typeNumber":null,"marketCode":null,"regionCode":null,"otherInformation":null,"productTypeStatus":null,"repairInstruction":null,"repairInstructionStatusDescription":null,"typeStatusDate":null,"serviceLifeDate":null,"manufacturerId":null,"parts":null,"language":null,"glossaries":null,"brand":null,"product":null,"brandCode":null,"recallNotes":null,"volume":null},{"code":"P5140215-70","name":null,"url":"/c//p/P5140215-70","description":"AUTODR PED","purchasable":true,"stock":{"stockLevelStatus":{"code":"inStock","type":"StockLevelStatus"},"stockLevel":0,"stockThreshold":null},"futureStocks":null,"availableForPickup":null,"averageRating":null,"numberOfReviews":null,"summary":null,"manufacturer":null,"variantType":null,"price":{"currencyIso":"USD","value":12.71,"priceType":"BUY","formattedValue":"$12.71","minQuantity":null,"maxQuantity":null,"sapUnit":{"code":"pieces","name":"Piece"}},"baseProduct":null,"images":[],"categories":null,"reviews":null,"classifications":null,"potentialPromotions":null,"variantOptions":null,"baseOptions":[],"volumePricesFlag":null,"volumePrices":null,"productReferences":null,"variantMatrix":null,"priceRange":null,"firstCategoryNameList":null,"multidimensional":null,"configurable":false,"configuratorType":null,"addToCartDisabled":null,"addToCartDisabledMessage":null,"tags":null,"sapUnit":null,"keywords":null,"genders":null,"itemtype":"Part","partSubstitute":null,"note":null,"recallNote":null,"note1":null,"note2":null,"note3":null,"note4":null,"note5":null,"pdfAllUser":null,"pdfAuthUser":null,"pdfCOSUser":null,"vaiantRelatedPartList":null,"partHotspotList":null,"itemNumber":17,"partRelatedVariantList":null,"bomCode":2,"totalValue":null,"searchImage":null,"length":null,"width":null,"height":null,"unitOfDimension":null,"weight":null,"unitOfWeight":null,"specialRouting":false,"onlineRepair":null,"previousPartID":null,"sbdDiscountPriceValue":{"currencyIso":"USD","value":12.71,"priceType":"BUY","formattedValue":"$12.71","minQuantity":null,"maxQuantity":null,"sapUnit":{"code":"pieces","name":"Piece"}},"alrCode":null,"productRecallFlag":null,"selectedDocumentId":null,"productDescription":null,"pdpImage":null,"ticketId":null,"qtyRequiredPerVariant":"1","isElgibleForRepair":null,"isPowerEligible":null,"productRecallNotes":null,"productOtherInfo":null,"backorderETA":"00/00/0000","modifiedDate":null,"userLevel":"ALL","displayPrice":null,"baseProductName":null,"firstVariantCode":null,"firstVariantImage":null,"productMarketType":null,"productNumber":null,"typeStatusCode":null,"productCategory":null,"typeNumber":null,"marketCode":null,"regionCode":null,"otherInformation":null,"productTypeStatus":null,"repairInstruction":null,"repairInstructionStatusDescription":null,"typeStatusDate":null,"serviceLifeDate":null,"manufacturerId":null,"parts":null,"language":null,"glossaries":null,"brand":null,"product":null,"brandCode":null,"recallNotes":null,"volume":null},{"code":"P5140221-25","name":null,"url":"/c//p/P5140221-25","description":"BRACKET-SUPP","purchasable":true,"stock":{"stockLevelStatus":{"code":"inStock","type":"StockLevelStatus"},"stockLevel":0,"stockThreshold":null},"futureStocks":null,"availableForPickup":null,"averageRating":null,"numberOfReviews":null,"summary":null,"manufacturer":null,"variantType":null,"price":{"currencyIso":"USD","value":24.52,"priceType":"BUY","formattedValue":"$24.52","minQuantity":null,"maxQuantity":null,"sapUnit":{"code":"pieces","name":"Piece"}},"baseProduct":null,"images":[],"categories":null,"reviews":null,"classifications":null,"potentialPromotions":null,"variantOptions":null,"baseOptions":[],"volumePricesFlag":null,"volumePrices":null,"productReferences":null,"variantMatrix":null,"priceRange":null,"firstCategoryNameList":null,"multidimensional":null,"configurable":false,"configuratorType":null,"addToCartDisabled":null,"addToCartDisabledMessage":null,"tags":null,"sapUnit":null,"keywords":null,"genders":null,"itemtype":"Part","partSubstitute":null,"note":null,"recallNote":null,"note1":null,"note2":null,"note3":null,"note4":null,"note5":null,"pdfAllUser":null,"pdfAuthUser":null,"pdfCOSUser":null,"vaiantRelatedPartList":null,"partHotspotList":null,"itemNumber":17,"partRelatedVariantList":null,"bomCode":2,"totalValue":null,"searchImage":null,"length":null,"width":null,"height":null,"unitOfDimension":null,"weight":null,"unitOfWeight":null,"specialRouting":false,"onlineRepair":null,"previousPartID":null,"sbdDiscountPriceValue":{"currencyIso":"USD","value":24.52,"priceType":"BUY","formattedValue":"$24.52","minQuantity":null,"maxQuantity":null,"sapUnit":{"code":"pieces","name":"Piece"}},"alrCode":null,"productRecallFlag":null,"selectedDocumentId":null,"productDescription":null,"pdpImage":null,"ticketId":null,"qtyRequiredPerVariant":"1","isElgibleForRepair":null,"isPowerEligible":null,"productRecallNotes":null,"productOtherInfo":null,"backorderETA":"00/00/0000","modifiedDate":null,"userLevel":"ALL","displayPrice":null,"baseProductName":null,"firstVariantCode":null,"firstVariantImage":null,"productMarketType":null,"productNumber":null,"typeStatusCode":null,"productCategory":null,"typeNumber":null,"marketCode":null,"regionCode":null,"otherInformation":null,"productTypeStatus":null,"repairInstruction":null,"repairInstructionStatusDescription":null,"typeStatusDate":null,"serviceLifeDate":null,"manufacturerId":null,"parts":null,"language":null,"glossaries":null,"brand":null,"product":null,"brandCode":null,"recallNotes":null,"volume":null},{"code":"P710-0599-CM","name":null,"url":"/c//p/P710-0599-CM","description":"SCREW","purchasable":true,"stock":{"stockLevelStatus":{"code":"inStock","type":"StockLevelStatus"},"stockLevel":9,"stockThreshold":null},"futureStocks":null,"availableForPickup":null,"averageRating":null,"numberOfReviews":null,"summary":null,"manufacturer":null,"variantType":null,"price":{"currencyIso":"USD","value":2.66,"priceType":"BUY","formattedValue":"$2.66","minQuantity":null,"maxQuantity":null,"sapUnit":{"code":"pieces","name":"Piece"}},"baseProduct":null,"images":[],"categories":null,"reviews":null,"classifications":null,"potentialPromotions":null,"variantOptions":null,"baseOptions":[],"volumePricesFlag":null,"volumePrices":null,"productReferences":null,"variantMatrix":null,"priceRange":null,"firstCategoryNameList":null,"multidimensional":null,"configurable":false,"configuratorType":null,"addToCartDisabled":null,"addToCartDisabledMessage":null,"tags":null,"sapUnit":null,"keywords":null,"genders":null,"itemtype":"Part","partSubstitute":null,"note":null,"recallNote":null,"note1":null,"note2":null,"note3":null,"note4":null,"note5":null,"pdfAllUser":null,"pdfAuthUser":null,"pdfCOSUser":null,"vaiantRelatedPartList":null,"partHotspotList":null,"itemNumber":17,"partRelatedVariantList":null,"bomCode":2,"totalValue":null,"searchImage":null,"length":null,"width":null,"height":null,"unitOfDimension":null,"weight":null,"unitOfWeight":null,"specialRouting":false,"onlineRepair":null,"previousPartID":null,"sbdDiscountPriceValue":{"currencyIso":"USD","value":2.66,"priceType":"BUY","formattedValue":"$2.66","minQuantity":null,"maxQuantity":null,"sapUnit":{"code":"pieces","name":"Piece"}},"alrCode":null,"productRecallFlag":null,"selectedDocumentId":null,"productDescription":null,"pdpImage":null,"ticketId":null,"qtyRequiredPerVariant":"1","isElgibleForRepair":null,"isPowerEligible":null,"productRecallNotes":null,"productOtherInfo":null,"backorderETA":"00/00/0000","modifiedDate":"No ETA","userLevel":"ALL","displayPrice":null,"baseProductName":null,"firstVariantCode":null,"firstVariantImage":null,"productMarketType":null,"productNumber":null,"typeStatusCode":null,"productCategory":null,"typeNumber":null,"marketCode":null,"regionCode":null,"otherInformation":null,"productTypeStatus":null,"repairInstruction":null,"repairInstructionStatusDescription":null,"typeStatusDate":null,"serviceLifeDate":null,"manufacturerId":null,"parts":null,"language":null,"glossaries":null,"brand":null,"product":null,"brandCode":null,"recallNotes":null,"volume":null},{"code":"P710-0599-CM","name":null,"url":"/c//p/P710-0599-CM","description":"SCREW","purchasable":true,"stock":{"stockLevelStatus":{"code":"inStock","type":"StockLevelStatus"},"stockLevel":9,"stockThreshold":null},"futureStocks":null,"availableForPickup":null,"averageRating":null,"numberOfReviews":null,"summary":null,"manufacturer":null,"variantType":null,"price":{"currencyIso":"USD","value":2.66,"priceType":"BUY","formattedValue":"$2.66","minQuantity":null,"maxQuantity":null,"sapUnit":{"code":"pieces","name":"Piece"}},"baseProduct":null,"images":[],"categories":null,"reviews":null,"classifications":null,"potentialPromotions":null,"variantOptions":null,"baseOptions":[],"volumePricesFlag":null,"volumePrices":null,"productReferences":null,"variantMatrix":null,"priceRange":null,"firstCategoryNameList":null,"multidimensional":null,"configurable":false,"configuratorType":null,"addToCartDisabled":null,"addToCartDisabledMessage":null,"tags":null,"sapUnit":null,"keywords":null,"genders":null,"itemtype":"Part","partSubstitute":null,"note":null,"recallNote":null,"note1":null,"note2":null,"note3":null,"note4":null,"note5":null,"pdfAllUser":null,"pdfAuthUser":null,"pdfCOSUser":null,"vaiantRelatedPartList":null,"partHotspotList":null,"itemNumber":17,"partRelatedVariantList":null,"bomCode":2,"totalValue":null,"searchImage":null,"length":null,"width":null,"height":null,"unitOfDimension":null,"weight":null,"unitOfWeight":null,"specialRouting":false,"onlineRepair":null,"previousPartID":null,"sbdDiscountPriceValue":{"currencyIso":"USD","value":2.66,"priceType":"BUY","formattedValue":"$2.66","minQuantity":null,"maxQuantity":null,"sapUnit":{"code":"pieces","name":"Piece"}},"alrCode":null,"productRecallFlag":null,"selectedDocumentId":null,"productDescription":null,"pdpImage":null,"ticketId":null,"qtyRequiredPerVariant":"1","isElgibleForRepair":null,"isPowerEligible":null,"productRecallNotes":null,"productOtherInfo":null,"backorderETA":"00/00/0000","modifiedDate":"No ETA","userLevel":"ALL","displayPrice":null,"baseProductName":null,"firstVariantCode":null,"firstVariantImage":null,"productMarketType":null,"productNumber":null,"typeStatusCode":null,"productCategory":null,"typeNumber":null,"marketCode":null,"regionCode":null,"otherInformation":null,"productTypeStatus":null,"repairInstruction":null,"repairInstructionStatusDescription":null,"typeStatusDate":null,"serviceLifeDate":null,"manufacturerId":null,"parts":null,"language":null,"glossaries":null,"brand":null,"product":null,"brandCode":null,"recallNotes":null,"volume":null},{"code":"P710-0599-CM","name":null,"url":"/c//p/P710-0599-CM","description":"SCREW","purchasable":true,"stock":{"stockLevelStatus":{"code":"inStock","type":"StockLevelStatus"},"stockLevel":9,"stockThreshold":null},"futureStocks":null,"availableForPickup":null,"averageRating":null,"numberOfReviews":null,"summary":null,"manufacturer":null,"variantType":null,"price":{"currencyIso":"USD","value":2.66,"priceType":"BUY","formattedValue":"$2.66","minQuantity":null,"maxQuantity":null,"sapUnit":{"code":"pieces","name":"Piece"}},"baseProduct":null,"images":[],"categories":null,"reviews":null,"classifications":null,"potentialPromotions":null,"variantOptions":null,"baseOptions":[],"volumePricesFlag":null,"volumePrices":null,"productReferences":null,"variantMatrix":null,"priceRange":null,"firstCategoryNameList":null,"multidimensional":null,"configurable":false,"configuratorType":null,"addToCartDisabled":null,"addToCartDisabledMessage":null,"tags":null,"sapUnit":null,"keywords":null,"genders":null,"itemtype":"Part","partSubstitute":null,"note":null,"recallNote":null,"note1":null,"note2":null,"note3":null,"note4":null,"note5":null,"pdfAllUser":null,"pdfAuthUser":null,"pdfCOSUser":null,"vaiantRelatedPartList":null,"partHotspotList":null,"itemNumber":17,"partRelatedVariantList":null,"bomCode":2,"totalValue":null,"searchImage":null,"length":null,"width":null,"height":null,"unitOfDimension":null,"weight":null,"unitOfWeight":null,"specialRouting":false,"onlineRepair":null,"previousPartID":null,"sbdDiscountPriceValue":{"currencyIso":"USD","value":2.66,"priceType":"BUY","formattedValue":"$2.66","minQuantity":null,"maxQuantity":null,"sapUnit":{"code":"pieces","name":"Piece"}},"alrCode":null,"productRecallFlag":null,"selectedDocumentId":null,"productDescription":null,"pdpImage":null,"ticketId":null,"qtyRequiredPerVariant":"1","isElgibleForRepair":null,"isPowerEligible":null,"productRecallNotes":null,"productOtherInfo":null,"backorderETA":"00/00/0000","modifiedDate":"No ETA","userLevel":"ALL","displayPrice":null,"baseProductName":null,"firstVariantCode":null,"firstVariantImage":null,"productMarketType":null,"productNumber":null,"typeStatusCode":null,"productCategory":null,"typeNumber":null,"marketCode":null,"regionCode":null,"otherInformation":null,"productTypeStatus":null,"repairInstruction":null,"repairInstructionStatusDescription":null,"typeStatusDate":null,"serviceLifeDate":null,"manufacturerId":null,"parts":null,"language":null,"glossaries":null,"brand":null,"product":null,"brandCode":null,"recallNotes":null,"volume":null},{"code":"P710-0599-CM","name":null,"url":"/c//p/P710-0599-CM","description":"SCREW","purchasable":true,"stock":{"stockLevelStatus":{"code":"inStock","type":"StockLevelStatus"},"stockLevel":9,"stockThreshold":null},"futureStocks":null,"availableForPickup":null,"averageRating":null,"numberOfReviews":null,"summary":null,"manufacturer":null,"variantType":null,"price":{"currencyIso":"USD","value":2.66,"priceType":"BUY","formattedValue":"$2.66","minQuantity":null,"maxQuantity":null,"sapUnit":{"code":"pieces","name":"Piece"}},"baseProduct":null,"images":[],"categories":null,"reviews":null,"classifications":null,"potentialPromotions":null,"variantOptions":null,"baseOptions":[],"volumePricesFlag":null,"volumePrices":null,"productReferences":null,"variantMatrix":null,"priceRange":null,"firstCategoryNameList":null,"multidimensional":null,"configurable":false,"configuratorType":null,"addToCartDisabled":null,"addToCartDisabledMessage":null,"tags":null,"sapUnit":null,"keywords":null,"genders":null,"itemtype":"Part","partSubstitute":null,"note":null,"recallNote":null,"note1":null,"note2":null,"note3":null,"note4":null,"note5":null,"pdfAllUser":null,"pdfAuthUser":null,"pdfCOSUser":null,"vaiantRelatedPartList":null,"partHotspotList":null,"itemNumber":17,"partRelatedVariantList":null,"bomCode":2,"totalValue":null,"searchImage":null,"length":null,"width":null,"height":null,"unitOfDimension":null,"weight":null,"unitOfWeight":null,"specialRouting":false,"onlineRepair":null,"previousPartID":null,"sbdDiscountPriceValue":{"currencyIso":"USD","value":2.66,"priceType":"BUY","formattedValue":"$2.66","minQuantity":null,"maxQuantity":null,"sapUnit":{"code":"pieces","name":"Piece"}},"alrCode":null,"productRecallFlag":null,"selectedDocumentId":null,"productDescription":null,"pdpImage":null,"ticketId":null,"qtyRequiredPerVariant":"1","isElgibleForRepair":null,"isPowerEligible":null,"productRecallNotes":null,"productOtherInfo":null,"backorderETA":"00/00/0000","modifiedDate":"No ETA","userLevel":"ALL","displayPrice":null,"baseProductName":null,"firstVariantCode":null,"firstVariantImage":null,"productMarketType":null,"productNumber":null,"typeStatusCode":null,"productCategory":null,"typeNumber":null,"marketCode":null,"regionCode":null,"otherInformation":null,"productTypeStatus":null,"repairInstruction":null,"repairInstructionStatusDescription":null,"typeStatusDate":null,"serviceLifeDate":null,"manufacturerId":null,"parts":null,"language":null,"glossaries":null,"brand":null,"product":null,"brandCode":null,"recallNotes":null,"volume":null},{"code":"P712-0417A-CM","name":null,"url":"/c//p/P712-0417A-CM","description":"NUT-HEX FLAN","purchasable":true,"stock":{"stockLevelStatus":{"code":"inStock","type":"StockLevelStatus"},"stockLevel":0,"stockThreshold":null},"futureStocks":null,"availableForPickup":null,"averageRating":null,"numberOfReviews":null,"summary":null,"manufacturer":null,"variantType":null,"price":{"currencyIso":"USD","value":4.47,"priceType":"BUY","formattedValue":"$4.47","minQuantity":null,"maxQuantity":null,"sapUnit":{"code":"pieces","name":"Piece"}},"baseProduct":null,"images":[],"categories":null,"reviews":null,"classifications":null,"potentialPromotions":null,"variantOptions":null,"baseOptions":[],"volumePricesFlag":null,"volumePrices":null,"productReferences":null,"variantMatrix":null,"priceRange":null,"firstCategoryNameList":null,"multidimensional":null,"configurable":false,"configuratorType":null,"addToCartDisabled":null,"addToCartDisabledMessage":null,"tags":null,"sapUnit":null,"keywords":null,"genders":null,"itemtype":"Part","partSubstitute":null,"note":null,"recallNote":null,"note1":null,"note2":null,"note3":null,"note4":null,"note5":null,"pdfAllUser":null,"pdfAuthUser":null,"pdfCOSUser":null,"vaiantRelatedPartList":null,"partHotspotList":null,"itemNumber":17,"partRelatedVariantList":null,"bomCode":2,"totalValue":null,"searchImage":null,"length":null,"width":null,"height":null,"unitOfDimension":null,"weight":null,"unitOfWeight":null,"specialRouting":false,"onlineRepair":null,"previousPartID":null,"sbdDiscountPriceValue":{"currencyIso":"USD","value":4.47,"priceType":"BUY","formattedValue":"$4.47","minQuantity":null,"maxQuantity":null,"sapUnit":{"code":"pieces","name":"Piece"}},"alrCode":null,"productRecallFlag":null,"selectedDocumentId":null,"productDescription":null,"pdpImage":null,"ticketId":null,"qtyRequiredPerVariant":"1","isElgibleForRepair":null,"isPowerEligible":null,"productRecallNotes":null,"productOtherInfo":null,"backorderETA":"00/00/0000","modifiedDate":null,"userLevel":"ALL","displayPrice":null,"baseProductName":null,"firstVariantCode":null,"firstVariantImage":null,"productMarketType":null,"productNumber":null,"typeStatusCode":null,"productCategory":null,"typeNumber":null,"marketCode":null,"regionCode":null,"otherInformation":null,"productTypeStatus":null,"repairInstruction":null,"repairInstructionStatusDescription":null,"typeStatusDate":null,"serviceLifeDate":null,"manufacturerId":null,"parts":null,"language":null,"glossaries":null,"brand":null,"product":null,"brandCode":null,"recallNotes":null,"volume":null},{"code":"P732-04276A-CM","name":null,"url":"/c//p/P732-04276A-CM","description":"SPRING","purchasable":true,"stock":{"stockLevelStatus":{"code":"inStock","type":"StockLevelStatus"},"stockLevel":0,"stockThreshold":null},"futureStocks":null,"availableForPickup":null,"averageRating":null,"numberOfReviews":null,"summary":null,"manufacturer":null,"variantType":null,"price":{"currencyIso":"USD","value":5.9,"priceType":"BUY","formattedValue":"$5.90","minQuantity":null,"maxQuantity":null,"sapUnit":{"code":"pieces","name":"Piece"}},"baseProduct":null,"images":[],"categories":null,"reviews":null,"classifications":null,"potentialPromotions":null,"variantOptions":null,"baseOptions":[],"volumePricesFlag":null,"volumePrices":null,"productReferences":null,"variantMatrix":null,"priceRange":null,"firstCategoryNameList":null,"multidimensional":null,"configurable":false,"configuratorType":null,"addToCartDisabled":null,"addToCartDisabledMessage":null,"tags":null,"sapUnit":null,"keywords":null,"genders":null,"itemtype":"Part","partSubstitute":null,"note":null,"recallNote":null,"note1":null,"note2":null,"note3":null,"note4":null,"note5":null,"pdfAllUser":null,"pdfAuthUser":null,"pdfCOSUser":null,"vaiantRelatedPartList":null,"partHotspotList":null,"itemNumber":17,"partRelatedVariantList":null,"bomCode":2,"totalValue":null,"searchImage":null,"length":null,"width":null,"height":null,"unitOfDimension":null,"weight":null,"unitOfWeight":null,"specialRouting":false,"onlineRepair":null,"previousPartID":null,"sbdDiscountPriceValue":{"currencyIso":"USD","value":5.9,"priceType":"BUY","formattedValue":"$5.90","minQuantity":null,"maxQuantity":null,"sapUnit":{"code":"pieces","name":"Piece"}},"alrCode":null,"productRecallFlag":null,"selectedDocumentId":null,"productDescription":null,"pdpImage":null,"ticketId":null,"qtyRequiredPerVariant":"1","isElgibleForRepair":null,"isPowerEligible":null,"productRecallNotes":null,"productOtherInfo":null,"backorderETA":"00/00/0000","modifiedDate":null,"userLevel":"ALL","displayPrice":null,"baseProductName":null,"firstVariantCode":null,"firstVariantImage":null,"productMarketType":null,"productNumber":null,"typeStatusCode":null,"productCategory":null,"typeNumber":null,"marketCode":null,"regionCode":null,"otherInformation":null,"productTypeStatus":null,"repairInstruction":null,"repairInstructionStatusDescription":null,"typeStatusDate":null,"serviceLifeDate":null,"manufacturerId":null,"parts":null,"language":null,"glossaries":null,"brand":null,"product":null,"brandCode":null,"recallNotes":null,"volume":null},{"code":"P747-05385A-CM","name":null,"url":"/c//p/P747-05385A-CM","description":"LINK","purchasable":true,"stock":{"stockLevelStatus":{"code":"inStock","type":"StockLevelStatus"},"stockLevel":0,"stockThreshold":null},"futureStocks":null,"availableForPickup":null,"averageRating":null,"numberOfReviews":null,"summary":null,"manufacturer":null,"variantType":null,"price":{"currencyIso":"USD","value":12.69,"priceType":"BUY","formattedValue":"$12.69","minQuantity":null,"maxQuantity":null,"sapUnit":{"code":"pieces","name":"Piece"}},"baseProduct":null,"images":[],"categories":null,"reviews":null,"classifications":null,"potentialPromotions":null,"variantOptions":null,"baseOptions":[],"volumePricesFlag":null,"volumePrices":null,"productReferences":null,"variantMatrix":null,"priceRange":null,"firstCategoryNameList":null,"multidimensional":null,"configurable":false,"configuratorType":null,"addToCartDisabled":null,"addToCartDisabledMessage":null,"tags":null,"sapUnit":null,"keywords":null,"genders":null,"itemtype":"Part","partSubstitute":null,"note":null,"recallNote":null,"note1":null,"note2":null,"note3":null,"note4":null,"note5":null,"pdfAllUser":null,"pdfAuthUser":null,"pdfCOSUser":null,"vaiantRelatedPartList":null,"partHotspotList":null,"itemNumber":17,"partRelatedVariantList":null,"bomCode":2,"totalValue":null,"searchImage":null,"length":null,"width":null,"height":null,"unitOfDimension":null,"weight":null,"unitOfWeight":null,"specialRouting":false,"onlineRepair":null,"previousPartID":null,"sbdDiscountPriceValue":{"currencyIso":"USD","value":12.69,"priceType":"BUY","formattedValue":"$12.69","minQuantity":null,"maxQuantity":null,"sapUnit":{"code":"pieces","name":"Piece"}},"alrCode":null,"productRecallFlag":null,"selectedDocumentId":null,"productDescription":null,"pdpImage":null,"ticketId":null,"qtyRequiredPerVariant":"1","isElgibleForRepair":null,"isPowerEligible":null,"productRecallNotes":null,"productOtherInfo":null,"backorderETA":"00/00/0000","modifiedDate":null,"userLevel":"ALL","displayPrice":null,"baseProductName":null,"firstVariantCode":null,"firstVariantImage":null,"productMarketType":null,"productNumber":null,"typeStatusCode":null,"productCategory":null,"typeNumber":null,"marketCode":null,"regionCode":null,"otherInformation":null,"productTypeStatus":null,"repairInstruction":null,"repairInstructionStatusDescription":null,"typeStatusDate":null,"serviceLifeDate":null,"manufacturerId":null,"parts":null,"language":null,"glossaries":null,"brand":null,"product":null,"brandCode":null,"recallNotes":null,"volume":null},{"code":"P777I23754-CM","name":null,"url":"/c//p/P777I23754-CM","description":"DECAL","purchasable":true,"stock":{"stockLevelStatus":{"code":"inStock","type":"StockLevelStatus"},"stockLevel":0,"stockThreshold":null},"futureStocks":null,"availableForPickup":null,"averageRating":null,"numberOfReviews":null,"summary":null,"manufacturer":null,"variantType":null,"price":{"currencyIso":"USD","value":2.55,"priceType":"BUY","formattedValue":"$2.55","minQuantity":null,"maxQuantity":null,"sapUnit":{"code":"pieces","name":"Piece"}},"baseProduct":null,"images":[],"categories":null,"reviews":null,"classifications":null,"potentialPromotions":null,"variantOptions":null,"baseOptions":[],"volumePricesFlag":null,"volumePrices":null,"productReferences":null,"variantMatrix":null,"priceRange":null,"firstCategoryNameList":null,"multidimensional":null,"configurable":false,"configuratorType":null,"addToCartDisabled":null,"addToCartDisabledMessage":null,"tags":null,"sapUnit":null,"keywords":null,"genders":null,"itemtype":"Part","partSubstitute":null,"note":null,"recallNote":null,"note1":null,"note2":null,"note3":null,"note4":null,"note5":null,"pdfAllUser":null,"pdfAuthUser":null,"pdfCOSUser":null,"vaiantRelatedPartList":null,"partHotspotList":null,"itemNumber":17,"partRelatedVariantList":null,"bomCode":2,"totalValue":null,"searchImage":null,"length":null,"width":null,"height":null,"unitOfDimension":null,"weight":null,"unitOfWeight":null,"specialRouting":false,"onlineRepair":null,"previousPartID":null,"sbdDiscountPriceValue":{"currencyIso":"USD","value":2.55,"priceType":"BUY","formattedValue":"$2.55","minQuantity":null,"maxQuantity":null,"sapUnit":{"code":"pieces","name":"Piece"}},"alrCode":null,"productRecallFlag":null,"selectedDocumentId":null,"productDescription":null,"pdpImage":null,"ticketId":null,"qtyRequiredPerVariant":"1","isElgibleForRepair":null,"isPowerEligible":null,"productRecallNotes":null,"productOtherInfo":null,"backorderETA":"00/00/0000","modifiedDate":null,"userLevel":"ALL","displayPrice":null,"baseProductName":null,"firstVariantCode":null,"firstVariantImage":null,"productMarketType":null,"productNumber":null,"typeStatusCode":null,"productCategory":null,"typeNumber":null,"marketCode":null,"regionCode":null,"otherInformation":null,"productTypeStatus":null,"repairInstruction":null,"repairInstructionStatusDescription":null,"typeStatusDate":null,"serviceLifeDate":null,"manufacturerId":null,"parts":null,"language":null,"glossaries":null,"brand":null,"product":null,"brandCode":null,"recallNotes":null,"volume":null},{"code":"P5140221-27","name":null,"url":"/c//p/P5140221-27","description":"BRACKET","purchasable":true,"stock":{"stockLevelStatus":{"code":"inStock","type":"StockLevelStatus"},"stockLevel":0,"stockThreshold":null},"futureStocks":null,"availableForPickup":null,"averageRating":null,"numberOfReviews":null,"summary":null,"manufacturer":null,"variantType":null,"price":{"currencyIso":"USD","value":25.75,"priceType":"BUY","formattedValue":"$25.75","minQuantity":null,"maxQuantity":null,"sapUnit":{"code":"pieces","name":"Piece"}},"baseProduct":null,"images":[],"categories":null,"reviews":null,"classifications":null,"potentialPromotions":null,"variantOptions":null,"baseOptions":[],"volumePricesFlag":null,"volumePrices":null,"productReferences":null,"variantMatrix":null,"priceRange":null,"firstCategoryNameList":null,"multidimensional":null,"configurable":false,"configuratorType":null,"addToCartDisabled":null,"addToCartDisabledMessage":null,"tags":null,"sapUnit":null,"keywords":null,"genders":null,"itemtype":"Part","partSubstitute":null,"note":null,"recallNote":null,"note1":null,"note2":null,"note3":null,"note4":null,"note5":null,"pdfAllUser":null,"pdfAuthUser":null,"pdfCOSUser":null,"vaiantRelatedPartList":null,"partHotspotList":null,"itemNumber":18,"partRelatedVariantList":null,"bomCode":2,"totalValue":null,"searchImage":null,"length":null,"width":null,"height":null,"unitOfDimension":null,"weight":null,"unitOfWeight":null,"specialRouting":false,"onlineRepair":null,"previousPartID":null,"sbdDiscountPriceValue":{"currencyIso":"USD","value":25.75,"priceType":"BUY","formattedValue":"$25.75","minQuantity":null,"maxQuantity":null,"sapUnit":{"code":"pieces","name":"Piece"}},"alrCode":null,"productRecallFlag":null,"selectedDocumentId":null,"productDescription":null,"pdpImage":null,"ticketId":null,"qtyRequiredPerVariant":"1","isElgibleForRepair":null,"isPowerEligible":null,"productRecallNotes":null,"productOtherInfo":null,"backorderETA":"00/00/0000","modifiedDate":null,"userLevel":"ALL","displayPrice":null,"baseProductName":null,"firstVariantCode":null,"firstVariantImage":null,"productMarketType":null,"productNumber":null,"typeStatusCode":null,"productCategory":null,"typeNumber":null,"marketCode":null,"regionCode":null,"otherInformation":null,"productTypeStatus":null,"repairInstruction":null,"repairInstructionStatusDescription":null,"typeStatusDate":null,"serviceLifeDate":null,"manufacturerId":null,"parts":null,"language":null,"glossaries":null,"brand":null,"product":null,"brandCode":null,"recallNotes":null,"volume":null},{"code":"P712-04243-CM","name":null,"url":"/c//p/P712-04243-CM","description":"NUT","purchasable":true,"stock":{"stockLevelStatus":{"code":"inStock","type":"StockLevelStatus"},"stockLevel":0,"stockThreshold":null},"futureStocks":null,"availableForPickup":null,"averageRating":null,"numberOfReviews":null,"summary":null,"manufacturer":null,"variantType":null,"price":{"currencyIso":"USD","value":2.43,"priceType":"BUY","formattedValue":"$2.43","minQuantity":null,"maxQuantity":null,"sapUnit":{"code":"pieces","name":"Piece"}},"baseProduct":null,"images":[],"categories":null,"reviews":null,"classifications":null,"potentialPromotions":null,"variantOptions":null,"baseOptions":[],"volumePricesFlag":null,"volumePrices":null,"productReferences":null,"variantMatrix":null,"priceRange":null,"firstCategoryNameList":null,"multidimensional":null,"configurable":false,"configuratorType":null,"addToCartDisabled":null,"addToCartDisabledMessage":null,"tags":null,"sapUnit":null,"keywords":null,"genders":null,"itemtype":"Part","partSubstitute":null,"note":null,"recallNote":null,"note1":null,"note2":null,"note3":null,"note4":null,"note5":null,"pdfAllUser":null,"pdfAuthUser":null,"pdfCOSUser":null,"vaiantRelatedPartList":null,"partHotspotList":null,"itemNumber":18,"partRelatedVariantList":null,"bomCode":2,"totalValue":null,"searchImage":null,"length":null,"width":null,"height":null,"unitOfDimension":null,"weight":null,"unitOfWeight":null,"specialRouting":false,"onlineRepair":null,"previousPartID":null,"sbdDiscountPriceValue":{"currencyIso":"USD","value":2.43,"priceType":"BUY","formattedValue":"$2.43","minQuantity":null,"maxQuantity":null,"sapUnit":{"code":"pieces","name":"Piece"}},"alrCode":null,"productRecallFlag":null,"selectedDocumentId":null,"productDescription":null,"pdpImage":null,"ticketId":null,"qtyRequiredPerVariant":"1","isElgibleForRepair":null,"isPowerEligible":null,"productRecallNotes":null,"productOtherInfo":null,"backorderETA":"00/00/0000","modifiedDate":null,"userLevel":"ALL","displayPrice":null,"baseProductName":null,"firstVariantCode":null,"firstVariantImage":null,"productMarketType":null,"productNumber":null,"typeStatusCode":null,"productCategory":null,"typeNumber":null,"marketCode":null,"regionCode":null,"otherInformation":null,"productTypeStatus":null,"repairInstruction":null,"repairInstructionStatusDescription":null,"typeStatusDate":null,"serviceLifeDate":null,"manufacturerId":null,"parts":null,"language":null,"glossaries":null,"brand":null,"product":null,"brandCode":null,"recallNotes":null,"volume":null},{"code":"P731-04591A-CM","name":null,"url":"/c//p/P731-04591A-CM","description":"CUP HOLDER","purchasable":true,"stock":{"stockLevelStatus":{"code":"inStock","type":"StockLevelStatus"},"stockLevel":0,"stockThreshold":null},"futureStocks":null,"availableForPickup":null,"averageRating":null,"numberOfReviews":null,"summary":null,"manufacturer":null,"variantType":null,"price":{"currencyIso":"USD","value":9.54,"priceType":"BUY","formattedValue":"$9.54","minQuantity":null,"maxQuantity":null,"sapUnit":{"code":"pieces","name":"Piece"}},"baseProduct":null,"images":[],"categories":null,"reviews":null,"classifications":null,"potentialPromotions":null,"variantOptions":null,"baseOptions":[],"volumePricesFlag":null,"volumePrices":null,"productReferences":null,"variantMatrix":null,"priceRange":null,"firstCategoryNameList":null,"multidimensional":null,"configurable":false,"configuratorType":null,"addToCartDisabled":null,"addToCartDisabledMessage":null,"tags":null,"sapUnit":null,"keywords":null,"genders":null,"itemtype":"Part","partSubstitute":null,"note":null,"recallNote":null,"note1":null,"note2":null,"note3":null,"note4":null,"note5":null,"pdfAllUser":null,"pdfAuthUser":null,"pdfCOSUser":null,"vaiantRelatedPartList":null,"partHotspotList":null,"itemNumber":18,"partRelatedVariantList":null,"bomCode":2,"totalValue":null,"searchImage":null,"length":null,"width":null,"height":null,"unitOfDimension":null,"weight":null,"unitOfWeight":null,"specialRouting":false,"onlineRepair":null,"previousPartID":null,"sbdDiscountPriceValue":{"currencyIso":"USD","value":9.54,"priceType":"BUY","formattedValue":"$9.54","minQuantity":null,"maxQuantity":null,"sapUnit":{"code":"pieces","name":"Piece"}},"alrCode":null,"productRecallFlag":null,"selectedDocumentId":null,"productDescription":null,"pdpImage":null,"ticketId":null,"qtyRequiredPerVariant":"1","isElgibleForRepair":null,"isPowerEligible":null,"productRecallNotes":null,"productOtherInfo":null,"backorderETA":"00/00/0000","modifiedDate":null,"userLevel":"ALL","displayPrice":null,"baseProductName":null,"firstVariantCode":null,"firstVariantImage":null,"productMarketType":null,"productNumber":null,"typeStatusCode":null,"productCategory":null,"typeNumber":null,"marketCode":null,"regionCode":null,"otherInformation":null,"productTypeStatus":null,"repairInstruction":null,"repairInstructionStatusDescription":null,"typeStatusDate":null,"serviceLifeDate":null,"manufacturerId":null,"parts":null,"language":null,"glossaries":null,"brand":null,"product":null,"brandCode":null,"recallNotes":null,"volume":null},{"code":"P753-08029-CM","name":null,"url":"/c//p/P753-08029-CM","description":"KIT:PEDLBRKT","purchasable":true,"stock":{"stockLevelStatus":{"code":"inStock","type":"StockLevelStatus"},"stockLevel":0,"stockThreshold":null},"futureStocks":null,"availableForPickup":null,"averageRating":null,"numberOfReviews":null,"summary":null,"manufacturer":null,"variantType":null,"price":{"currencyIso":"USD","value":31.78,"priceType":"BUY","formattedValue":"$31.78","minQuantity":null,"maxQuantity":null,"sapUnit":{"code":"pieces","name":"Piece"}},"baseProduct":null,"images":[],"categories":null,"reviews":null,"classifications":null,"potentialPromotions":null,"variantOptions":null,"baseOptions":[],"volumePricesFlag":null,"volumePrices":null,"productReferences":null,"variantMatrix":null,"priceRange":null,"firstCategoryNameList":null,"multidimensional":null,"configurable":false,"configuratorType":null,"addToCartDisabled":null,"addToCartDisabledMessage":null,"tags":null,"sapUnit":null,"keywords":null,"genders":null,"itemtype":"Part","partSubstitute":null,"note":null,"recallNote":null,"note1":null,"note2":null,"note3":null,"note4":null,"note5":null,"pdfAllUser":null,"pdfAuthUser":null,"pdfCOSUser":null,"vaiantRelatedPartList":null,"partHotspotList":null,"itemNumber":18,"partRelatedVariantList":null,"bomCode":2,"totalValue":null,"searchImage":null,"length":null,"width":null,"height":null,"unitOfDimension":null,"weight":null,"unitOfWeight":null,"specialRouting":false,"onlineRepair":null,"previousPartID":null,"sbdDiscountPriceValue":{"currencyIso":"USD","value":31.78,"priceType":"BUY","formattedValue":"$31.78","minQuantity":null,"maxQuantity":null,"sapUnit":{"code":"pieces","name":"Piece"}},"alrCode":null,"productRecallFlag":null,"selectedDocumentId":null,"productDescription":null,"pdpImage":null,"ticketId":null,"qtyRequiredPerVariant":"1","isElgibleForRepair":null,"isPowerEligible":null,"productRecallNotes":null,"productOtherInfo":null,"backorderETA":"00/00/0000","modifiedDate":null,"userLevel":"ALL","displayPrice":null,"baseProductName":null,"firstVariantCode":null,"firstVariantImage":null,"productMarketType":null,"productNumber":null,"typeStatusCode":null,"productCategory":null,"typeNumber":null,"marketCode":null,"regionCode":null,"otherInformation":null,"productTypeStatus":null,"repairInstruction":null,"repairInstructionStatusDescription":null,"typeStatusDate":null,"serviceLifeDate":null,"manufacturerId":null,"parts":null,"language":null,"glossaries":null,"brand":null,"product":null,"brandCode":null,"recallNotes":null,"volume":null},{"code":"P777I25080-CM","name":null,"url":"/c//p/P777I25080-CM","description":"DECAL","purchasable":true,"stock":{"stockLevelStatus":{"code":"inStock","type":"StockLevelStatus"},"stockLevel":0,"stockThreshold":null},"futureStocks":null,"availableForPickup":null,"averageRating":null,"numberOfReviews":null,"summary":null,"manufacturer":null,"variantType":null,"price":{"currencyIso":"USD","value":2.55,"priceType":"BUY","formattedValue":"$2.55","minQuantity":null,"maxQuantity":null,"sapUnit":{"code":"pieces","name":"Piece"}},"baseProduct":null,"images":[],"categories":null,"reviews":null,"classifications":null,"potentialPromotions":null,"variantOptions":null,"baseOptions":[],"volumePricesFlag":null,"volumePrices":null,"productReferences":null,"variantMatrix":null,"priceRange":null,"firstCategoryNameList":null,"multidimensional":null,"configurable":false,"configuratorType":null,"addToCartDisabled":null,"addToCartDisabledMessage":null,"tags":null,"sapUnit":null,"keywords":null,"genders":null,"itemtype":"Part","partSubstitute":null,"note":null,"recallNote":null,"note1":null,"note2":null,"note3":null,"note4":null,"note5":null,"pdfAllUser":null,"pdfAuthUser":null,"pdfCOSUser":null,"vaiantRelatedPartList":null,"partHotspotList":null,"itemNumber":18,"partRelatedVariantList":null,"bomCode":2,"totalValue":null,"searchImage":null,"length":null,"width":null,"height":null,"unitOfDimension":null,"weight":null,"unitOfWeight":null,"specialRouting":false,"onlineRepair":null,"previousPartID":null,"sbdDiscountPriceValue":{"currencyIso":"USD","value":2.55,"priceType":"BUY","formattedValue":"$2.55","minQuantity":null,"maxQuantity":null,"sapUnit":{"code":"pieces","name":"Piece"}},"alrCode":null,"productRecallFlag":null,"selectedDocumentId":null,"productDescription":null,"pdpImage":null,"ticketId":null,"qtyRequiredPerVariant":"1","isElgibleForRepair":null,"isPowerEligible":null,"productRecallNotes":null,"productOtherInfo":null,"backorderETA":"00/00/0000","modifiedDate":null,"userLevel":"ALL","displayPrice":null,"baseProductName":null,"firstVariantCode":null,"firstVariantImage":null,"productMarketType":null,"productNumber":null,"typeStatusCode":null,"productCategory":null,"typeNumber":null,"marketCode":null,"regionCode":null,"otherInformation":null,"productTypeStatus":null,"repairInstruction":null,"repairInstructionStatusDescription":null,"typeStatusDate":null,"serviceLifeDate":null,"manufacturerId":null,"parts":null,"language":null,"glossaries":null,"brand":null,"product":null,"brandCode":null,"recallNotes":null,"volume":null},{"code":"P936-0171-CM","name":null,"url":"/c//p/P936-0171-CM","description":"WASHER-LOCK-","purchasable":true,"stock":{"stockLevelStatus":{"code":"inStock","type":"StockLevelStatus"},"stockLevel":0,"stockThreshold":null},"futureStocks":null,"availableForPickup":null,"averageRating":null,"numberOfReviews":null,"summary":null,"manufacturer":null,"variantType":null,"price":{"currencyIso":"USD","value":2.66,"priceType":"BUY","formattedValue":"$2.66","minQuantity":null,"maxQuantity":null,"sapUnit":{"code":"pieces","name":"Piece"}},"baseProduct":null,"images":[],"categories":null,"reviews":null,"classifications":null,"potentialPromotions":null,"variantOptions":null,"baseOptions":[],"volumePricesFlag":null,"volumePrices":null,"productReferences":null,"variantMatrix":null,"priceRange":null,"firstCategoryNameList":null,"multidimensional":null,"configurable":false,"configuratorType":null,"addToCartDisabled":null,"addToCartDisabledMessage":null,"tags":null,"sapUnit":null,"keywords":null,"genders":null,"itemtype":"Part","partSubstitute":null,"note":null,"recallNote":null,"note1":null,"note2":null,"note3":null,"note4":null,"note5":null,"pdfAllUser":null,"pdfAuthUser":null,"pdfCOSUser":null,"vaiantRelatedPartList":null,"partHotspotList":null,"itemNumber":18,"partRelatedVariantList":null,"bomCode":2,"totalValue":null,"searchImage":null,"length":null,"width":null,"height":null,"unitOfDimension":null,"weight":null,"unitOfWeight":null,"specialRouting":false,"onlineRepair":null,"previousPartID":null,"sbdDiscountPriceValue":{"currencyIso":"USD","value":2.66,"priceType":"BUY","formattedValue":"$2.66","minQuantity":null,"maxQuantity":null,"sapUnit":{"code":"pieces","name":"Piece"}},"alrCode":null,"productRecallFlag":null,"selectedDocumentId":null,"productDescription":null,"pdpImage":null,"ticketId":null,"qtyRequiredPerVariant":"1","isElgibleForRepair":null,"isPowerEligible":null,"productRecallNotes":null,"productOtherInfo":null,"backorderETA":"00/00/0000","modifiedDate":null,"userLevel":"ALL","displayPrice":null,"baseProductName":null,"firstVariantCode":null,"firstVariantImage":null,"productMarketType":null,"productNumber":null,"typeStatusCode":null,"productCategory":null,"typeNumber":null,"marketCode":null,"regionCode":null,"otherInformation":null,"productTypeStatus":null,"repairInstruction":null,"repairInstructionStatusDescription":null,"typeStatusDate":null,"serviceLifeDate":null,"manufacturerId":null,"parts":null,"language":null,"glossaries":null,"brand":null,"product":null,"brandCode":null,"recallNotes":null,"volume":null},{"code":"P948-0389-CM","name":null,"url":"/c//p/P948-0389-CM","description":"CAP","purchasable":true,"stock":{"stockLevelStatus":{"code":"inStock","type":"StockLevelStatus"},"stockLevel":0,"stockThreshold":null},"futureStocks":null,"availableForPickup":null,"averageRating":null,"numberOfReviews":null,"summary":null,"manufacturer":null,"variantType":null,"price":{"currencyIso":"USD","value":3.03,"priceType":"BUY","formattedValue":"$3.03","minQuantity":null,"maxQuantity":null,"sapUnit":{"code":"pieces","name":"Piece"}},"baseProduct":null,"images":[],"categories":null,"reviews":null,"classifications":null,"potentialPromotions":null,"variantOptions":null,"baseOptions":[],"volumePricesFlag":null,"volumePrices":null,"productReferences":null,"variantMatrix":null,"priceRange":null,"firstCategoryNameList":null,"multidimensional":null,"configurable":false,"configuratorType":null,"addToCartDisabled":null,"addToCartDisabledMessage":null,"tags":null,"sapUnit":null,"keywords":null,"genders":null,"itemtype":"Part","partSubstitute":null,"note":null,"recallNote":null,"note1":null,"note2":null,"note3":null,"note4":null,"note5":null,"pdfAllUser":null,"pdfAuthUser":null,"pdfCOSUser":null,"vaiantRelatedPartList":null,"partHotspotList":null,"itemNumber":18,"partRelatedVariantList":null,"bomCode":2,"totalValue":null,"searchImage":null,"length":null,"width":null,"height":null,"unitOfDimension":null,"weight":null,"unitOfWeight":null,"specialRouting":false,"onlineRepair":null,"previousPartID":null,"sbdDiscountPriceValue":{"currencyIso":"USD","value":3.03,"priceType":"BUY","formattedValue":"$3.03","minQuantity":null,"maxQuantity":null,"sapUnit":{"code":"pieces","name":"Piece"}},"alrCode":null,"productRecallFlag":null,"selectedDocumentId":null,"productDescription":null,"pdpImage":null,"ticketId":null,"qtyRequiredPerVariant":"1","isElgibleForRepair":null,"isPowerEligible":null,"productRecallNotes":null,"productOtherInfo":null,"backorderETA":"00/00/0000","modifiedDate":null,"userLevel":"ALL","displayPrice":null,"baseProductName":null,"firstVariantCode":null,"firstVariantImage":null,"productMarketType":null,"productNumber":null,"typeStatusCode":null,"productCategory":null,"typeNumber":null,"marketCode":null,"regionCode":null,"otherInformation":null,"productTypeStatus":null,"repairInstruction":null,"repairInstructionStatusDescription":null,"typeStatusDate":null,"serviceLifeDate":null,"manufacturerId":null,"parts":null,"language":null,"glossaries":null,"brand":null,"product":null,"brandCode":null,"recallNotes":null,"volume":null},{"code":"P5140219-59","name":null,"url":"/c//p/P5140219-59","description":"STRG:BLK","purchasable":true,"stock":{"stockLevelStatus":{"code":"inStock","type":"StockLevelStatus"},"stockLevel":0,"stockThreshold":null},"futureStocks":null,"availableForPickup":null,"averageRating":null,"numberOfReviews":null,"summary":null,"manufacturer":null,"variantType":null,"price":{"currencyIso":"USD","value":14.64,"priceType":"BUY","formattedValue":"$14.64","minQuantity":null,"maxQuantity":null,"sapUnit":{"code":"pieces","name":"Piece"}},"baseProduct":null,"images":[],"categories":null,"reviews":null,"classifications":null,"potentialPromotions":null,"variantOptions":null,"baseOptions":[],"volumePricesFlag":null,"volumePrices":null,"productReferences":null,"variantMatrix":null,"priceRange":null,"firstCategoryNameList":null,"multidimensional":null,"configurable":false,"configuratorType":null,"addToCartDisabled":null,"addToCartDisabledMessage":null,"tags":null,"sapUnit":null,"keywords":null,"genders":null,"itemtype":"Part","partSubstitute":null,"note":null,"recallNote":null,"note1":null,"note2":null,"note3":null,"note4":null,"note5":null,"pdfAllUser":null,"pdfAuthUser":null,"pdfCOSUser":null,"vaiantRelatedPartList":null,"partHotspotList":null,"itemNumber":19,"partRelatedVariantList":null,"bomCode":2,"totalValue":null,"searchImage":null,"length":null,"width":null,"height":null,"unitOfDimension":null,"weight":null,"unitOfWeight":null,"specialRouting":false,"onlineRepair":null,"previousPartID":null,"sbdDiscountPriceValue":{"currencyIso":"USD","value":14.64,"priceType":"BUY","formattedValue":"$14.64","minQuantity":null,"maxQuantity":null,"sapUnit":{"code":"pieces","name":"Piece"}},"alrCode":null,"productRecallFlag":null,"selectedDocumentId":null,"productDescription":null,"pdpImage":null,"ticketId":null,"qtyRequiredPerVariant":"1","isElgibleForRepair":null,"isPowerEligible":null,"productRecallNotes":null,"productOtherInfo":null,"backorderETA":"00/00/0000","modifiedDate":null,"userLevel":"ALL","displayPrice":null,"baseProductName":null,"firstVariantCode":null,"firstVariantImage":null,"productMarketType":null,"productNumber":null,"typeStatusCode":null,"productCategory":null,"typeNumber":null,"marketCode":null,"regionCode":null,"otherInformation":null,"productTypeStatus":null,"repairInstruction":null,"repairInstructionStatusDescription":null,"typeStatusDate":null,"serviceLifeDate":null,"manufacturerId":null,"parts":null,"language":null,"glossaries":null,"brand":null,"product":null,"brandCode":null,"recallNotes":null,"volume":null},{"code":"P5140221-69","name":null,"url":"/c//p/P5140221-69","description":"GRILL","purchasable":true,"stock":{"stockLevelStatus":{"code":"inStock","type":"StockLevelStatus"},"stockLevel":0,"stockThreshold":null},"futureStocks":null,"availableForPickup":null,"averageRating":null,"numberOfReviews":null,"summary":null,"manufacturer":null,"variantType":null,"price":{"currencyIso":"USD","value":35.33,"priceType":"BUY","formattedValue":"$35.33","minQuantity":null,"maxQuantity":null,"sapUnit":{"code":"pieces","name":"Piece"}},"baseProduct":null,"images":[],"categories":null,"reviews":null,"classifications":null,"potentialPromotions":null,"variantOptions":null,"baseOptions":[],"volumePricesFlag":null,"volumePrices":null,"productReferences":null,"variantMatrix":null,"priceRange":null,"firstCategoryNameList":null,"multidimensional":null,"configurable":false,"configuratorType":null,"addToCartDisabled":null,"addToCartDisabledMessage":null,"tags":null,"sapUnit":null,"keywords":null,"genders":null,"itemtype":"Part","partSubstitute":null,"note":null,"recallNote":null,"note1":null,"note2":null,"note3":null,"note4":null,"note5":null,"pdfAllUser":null,"pdfAuthUser":null,"pdfCOSUser":null,"vaiantRelatedPartList":null,"partHotspotList":null,"itemNumber":19,"partRelatedVariantList":null,"bomCode":2,"totalValue":null,"searchImage":null,"length":null,"width":null,"height":null,"unitOfDimension":null,"weight":null,"unitOfWeight":null,"specialRouting":false,"onlineRepair":null,"previousPartID":null,"sbdDiscountPriceValue":{"currencyIso":"USD","value":35.33,"priceType":"BUY","formattedValue":"$35.33","minQuantity":null,"maxQuantity":null,"sapUnit":{"code":"pieces","name":"Piece"}},"alrCode":null,"productRecallFlag":null,"selectedDocumentId":null,"productDescription":null,"pdpImage":null,"ticketId":null,"qtyRequiredPerVariant":"1","isElgibleForRepair":null,"isPowerEligible":null,"productRecallNotes":null,"productOtherInfo":null,"backorderETA":"00/00/0000","modifiedDate":null,"userLevel":"ALL","displayPrice":null,"baseProductName":null,"firstVariantCode":null,"firstVariantImage":null,"productMarketType":null,"productNumber":null,"typeStatusCode":null,"productCategory":null,"typeNumber":null,"marketCode":null,"regionCode":null,"otherInformation":null,"productTypeStatus":null,"repairInstruction":null,"repairInstructionStatusDescription":null,"typeStatusDate":null,"serviceLifeDate":null,"manufacturerId":null,"parts":null,"language":null,"glossaries":null,"brand":null,"product":null,"brandCode":null,"recallNotes":null,"volume":null},{"code":"P5140241-78","name":null,"url":"/c//p/P5140241-78","description":"FENDER","purchasable":true,"stock":{"stockLevelStatus":{"code":"inStock","type":"StockLevelStatus"},"stockLevel":0,"stockThreshold":null},"futureStocks":null,"availableForPickup":null,"averageRating":null,"numberOfReviews":null,"summary":null,"manufacturer":null,"variantType":null,"price":{"currencyIso":"USD","value":255.29,"priceType":"BUY","formattedValue":"$255.29","minQuantity":null,"maxQuantity":null,"sapUnit":{"code":"pieces","name":"Piece"}},"baseProduct":null,"images":[],"categories":null,"reviews":null,"classifications":null,"potentialPromotions":null,"variantOptions":null,"baseOptions":[],"volumePricesFlag":null,"volumePrices":null,"productReferences":null,"variantMatrix":null,"priceRange":null,"firstCategoryNameList":null,"multidimensional":null,"configurable":false,"configuratorType":null,"addToCartDisabled":null,"addToCartDisabledMessage":null,"tags":null,"sapUnit":null,"keywords":null,"genders":null,"itemtype":"Part","partSubstitute":null,"note":null,"recallNote":null,"note1":null,"note2":null,"note3":null,"note4":null,"note5":null,"pdfAllUser":null,"pdfAuthUser":null,"pdfCOSUser":null,"vaiantRelatedPartList":null,"partHotspotList":null,"itemNumber":19,"partRelatedVariantList":null,"bomCode":2,"totalValue":null,"searchImage":null,"length":null,"width":null,"height":null,"unitOfDimension":null,"weight":null,"unitOfWeight":null,"specialRouting":false,"onlineRepair":null,"previousPartID":null,"sbdDiscountPriceValue":{"currencyIso":"USD","value":255.29,"priceType":"BUY","formattedValue":"$255.29","minQuantity":null,"maxQuantity":null,"sapUnit":{"code":"pieces","name":"Piece"}},"alrCode":null,"productRecallFlag":null,"selectedDocumentId":null,"productDescription":null,"pdpImage":null,"ticketId":null,"qtyRequiredPerVariant":"1","isElgibleForRepair":null,"isPowerEligible":null,"productRecallNotes":null,"productOtherInfo":null,"backorderETA":"00/00/0000","modifiedDate":null,"userLevel":"ALL","displayPrice":null,"baseProductName":null,"firstVariantCode":null,"firstVariantImage":null,"productMarketType":null,"productNumber":null,"typeStatusCode":null,"productCategory":null,"typeNumber":null,"marketCode":null,"regionCode":null,"otherInformation":null,"productTypeStatus":null,"repairInstruction":null,"repairInstructionStatusDescription":null,"typeStatusDate":null,"serviceLifeDate":null,"manufacturerId":null,"parts":null,"language":null,"glossaries":null,"brand":null,"product":null,"brandCode":null,"recallNotes":null,"volume":null},{"code":"P710-0227-CM","name":null,"url":"/c//p/P710-0227-CM","description":"TAP SCREW","purchasable":true,"stock":{"stockLevelStatus":{"code":"inStock","type":"StockLevelStatus"},"stockLevel":0,"stockThreshold":null},"futureStocks":null,"availableForPickup":null,"averageRating":null,"numberOfReviews":null,"summary":null,"manufacturer":null,"variantType":null,"price":{"currencyIso":"USD","value":2.68,"priceType":"BUY","formattedValue":"$2.68","minQuantity":null,"maxQuantity":null,"sapUnit":{"code":"pieces","name":"Piece"}},"baseProduct":null,"images":[],"categories":null,"reviews":null,"classifications":null,"potentialPromotions":null,"variantOptions":null,"baseOptions":[],"volumePricesFlag":null,"volumePrices":null,"productReferences":null,"variantMatrix":null,"priceRange":null,"firstCategoryNameList":null,"multidimensional":null,"configurable":false,"configuratorType":null,"addToCartDisabled":null,"addToCartDisabledMessage":null,"tags":null,"sapUnit":null,"keywords":null,"genders":null,"itemtype":"Part","partSubstitute":null,"note":null,"recallNote":null,"note1":null,"note2":null,"note3":null,"note4":null,"note5":null,"pdfAllUser":null,"pdfAuthUser":null,"pdfCOSUser":null,"vaiantRelatedPartList":null,"partHotspotList":null,"itemNumber":19,"partRelatedVariantList":null,"bomCode":2,"totalValue":null,"searchImage":null,"length":null,"width":null,"height":null,"unitOfDimension":null,"weight":null,"unitOfWeight":null,"specialRouting":false,"onlineRepair":null,"previousPartID":null,"sbdDiscountPriceValue":{"currencyIso":"USD","value":2.68,"priceType":"BUY","formattedValue":"$2.68","minQuantity":null,"maxQuantity":null,"sapUnit":{"code":"pieces","name":"Piece"}},"alrCode":null,"productRecallFlag":null,"selectedDocumentId":null,"productDescription":null,"pdpImage":null,"ticketId":null,"qtyRequiredPerVariant":"1","isElgibleForRepair":null,"isPowerEligible":null,"productRecallNotes":null,"productOtherInfo":null,"backorderETA":"00/00/0000","modifiedDate":null,"userLevel":"ALL","displayPrice":null,"baseProductName":null,"firstVariantCode":null,"firstVariantImage":null,"productMarketType":null,"productNumber":null,"typeStatusCode":null,"productCategory":null,"typeNumber":null,"marketCode":null,"regionCode":null,"otherInformation":null,"productTypeStatus":null,"repairInstruction":null,"repairInstructionStatusDescription":null,"typeStatusDate":null,"serviceLifeDate":null,"manufacturerId":null,"parts":null,"language":null,"glossaries":null,"brand":null,"product":null,"brandCode":null,"recallNotes":null,"volume":null},{"code":"P710-0227-CM","name":null,"url":"/c//p/P710-0227-CM","description":"TAP SCREW","purchasable":true,"stock":{"stockLevelStatus":{"code":"inStock","type":"StockLevelStatus"},"stockLevel":0,"stockThreshold":null},"futureStocks":null,"availableForPickup":null,"averageRating":null,"numberOfReviews":null,"summary":null,"manufacturer":null,"variantType":null,"price":{"currencyIso":"USD","value":2.68,"priceType":"BUY","formattedValue":"$2.68","minQuantity":null,"maxQuantity":null,"sapUnit":{"code":"pieces","name":"Piece"}},"baseProduct":null,"images":[],"categories":null,"reviews":null,"classifications":null,"potentialPromotions":null,"variantOptions":null,"baseOptions":[],"volumePricesFlag":null,"volumePrices":null,"productReferences":null,"variantMatrix":null,"priceRange":null,"firstCategoryNameList":null,"multidimensional":null,"configurable":false,"configuratorType":null,"addToCartDisabled":null,"addToCartDisabledMessage":null,"tags":null,"sapUnit":null,"keywords":null,"genders":null,"itemtype":"Part","partSubstitute":null,"note":null,"recallNote":null,"note1":null,"note2":null,"note3":null,"note4":null,"note5":null,"pdfAllUser":null,"pdfAuthUser":null,"pdfCOSUser":null,"vaiantRelatedPartList":null,"partHotspotList":null,"itemNumber":19,"partRelatedVariantList":null,"bomCode":2,"totalValue":null,"searchImage":null,"length":null,"width":null,"height":null,"unitOfDimension":null,"weight":null,"unitOfWeight":null,"specialRouting":false,"onlineRepair":null,"previousPartID":null,"sbdDiscountPriceValue":{"currencyIso":"USD","value":2.68,"priceType":"BUY","formattedValue":"$2.68","minQuantity":null,"maxQuantity":null,"sapUnit":{"code":"pieces","name":"Piece"}},"alrCode":null,"productRecallFlag":null,"selectedDocumentId":null,"productDescription":null,"pdpImage":null,"ticketId":null,"qtyRequiredPerVariant":"1","isElgibleForRepair":null,"isPowerEligible":null,"productRecallNotes":null,"productOtherInfo":null,"backorderETA":"00/00/0000","modifiedDate":null,"userLevel":"ALL","displayPrice":null,"baseProductName":null,"firstVariantCode":null,"firstVariantImage":null,"productMarketType":null,"productNumber":null,"typeStatusCode":null,"productCategory":null,"typeNumber":null,"marketCode":null,"regionCode":null,"otherInformation":null,"productTypeStatus":null,"repairInstruction":null,"repairInstructionStatusDescription":null,"typeStatusDate":null,"serviceLifeDate":null,"manufacturerId":null,"parts":null,"language":null,"glossaries":null,"brand":null,"product":null,"brandCode":null,"recallNotes":null,"volume":null},{"code":"P736-0322-CM","name":null,"url":"/c//p/P736-0322-CM","description":"FLAT WASHER","purchasable":true,"stock":{"stockLevelStatus":{"code":"inStock","type":"StockLevelStatus"},"stockLevel":0,"stockThreshold":null},"futureStocks":null,"availableForPickup":null,"averageRating":null,"numberOfReviews":null,"summary":null,"manufacturer":null,"variantType":null,"price":{"currencyIso":"USD","value":5.8,"priceType":"BUY","formattedValue":"$5.80","minQuantity":null,"maxQuantity":null,"sapUnit":{"code":"pieces","name":"Piece"}},"baseProduct":null,"images":[],"categories":null,"reviews":null,"classifications":null,"potentialPromotions":null,"variantOptions":null,"baseOptions":[],"volumePricesFlag":null,"volumePrices":null,"productReferences":null,"variantMatrix":null,"priceRange":null,"firstCategoryNameList":null,"multidimensional":null,"configurable":false,"configuratorType":null,"addToCartDisabled":null,"addToCartDisabledMessage":null,"tags":null,"sapUnit":null,"keywords":null,"genders":null,"itemtype":"Part","partSubstitute":null,"note":null,"recallNote":null,"note1":null,"note2":null,"note3":null,"note4":null,"note5":null,"pdfAllUser":null,"pdfAuthUser":null,"pdfCOSUser":null,"vaiantRelatedPartList":null,"partHotspotList":null,"itemNumber":19,"partRelatedVariantList":null,"bomCode":2,"totalValue":null,"searchImage":null,"length":null,"width":null,"height":null,"unitOfDimension":null,"weight":null,"unitOfWeight":null,"specialRouting":false,"onlineRepair":null,"previousPartID":null,"sbdDiscountPriceValue":{"currencyIso":"USD","value":5.8,"priceType":"BUY","formattedValue":"$5.80","minQuantity":null,"maxQuantity":null,"sapUnit":{"code":"pieces","name":"Piece"}},"alrCode":null,"productRecallFlag":null,"selectedDocumentId":null,"productDescription":null,"pdpImage":null,"ticketId":null,"qtyRequiredPerVariant":"1","isElgibleForRepair":null,"isPowerEligible":null,"productRecallNotes":null,"productOtherInfo":null,"backorderETA":"00/00/0000","modifiedDate":null,"userLevel":"ALL","displayPrice":null,"baseProductName":null,"firstVariantCode":null,"firstVariantImage":null,"productMarketType":null,"productNumber":null,"typeStatusCode":null,"productCategory":null,"typeNumber":null,"marketCode":null,"regionCode":null,"otherInformation":null,"productTypeStatus":null,"repairInstruction":null,"repairInstructionStatusDescription":null,"typeStatusDate":null,"serviceLifeDate":null,"manufacturerId":null,"parts":null,"language":null,"glossaries":null,"brand":null,"product":null,"brandCode":null,"recallNotes":null,"volume":null},{"code":"P777X45529-CM","name":null,"url":"/c//p/P777X45529-CM","description":"LABEL-RDR EM","purchasable":true,"stock":{"stockLevelStatus":{"code":"inStock","type":"StockLevelStatus"},"stockLevel":0,"stockThreshold":null},"futureStocks":null,"availableForPickup":null,"averageRating":null,"numberOfReviews":null,"summary":null,"manufacturer":null,"variantType":null,"price":{"currencyIso":"USD","value":3.33,"priceType":"BUY","formattedValue":"$3.33","minQuantity":null,"maxQuantity":null,"sapUnit":{"code":"pieces","name":"Piece"}},"baseProduct":null,"images":[],"categories":null,"reviews":null,"classifications":null,"potentialPromotions":null,"variantOptions":null,"baseOptions":[],"volumePricesFlag":null,"volumePrices":null,"productReferences":null,"variantMatrix":null,"priceRange":null,"firstCategoryNameList":null,"multidimensional":null,"configurable":false,"configuratorType":null,"addToCartDisabled":null,"addToCartDisabledMessage":null,"tags":null,"sapUnit":null,"keywords":null,"genders":null,"itemtype":"Part","partSubstitute":null,"note":null,"recallNote":null,"note1":null,"note2":null,"note3":null,"note4":null,"note5":null,"pdfAllUser":null,"pdfAuthUser":null,"pdfCOSUser":null,"vaiantRelatedPartList":null,"partHotspotList":null,"itemNumber":19,"partRelatedVariantList":null,"bomCode":2,"totalValue":null,"searchImage":null,"length":null,"width":null,"height":null,"unitOfDimension":null,"weight":null,"unitOfWeight":null,"specialRouting":false,"onlineRepair":null,"previousPartID":null,"sbdDiscountPriceValue":{"currencyIso":"USD","value":3.33,"priceType":"BUY","formattedValue":"$3.33","minQuantity":null,"maxQuantity":null,"sapUnit":{"code":"pieces","name":"Piece"}},"alrCode":null,"productRecallFlag":null,"selectedDocumentId":null,"productDescription":null,"pdpImage":null,"ticketId":null,"qtyRequiredPerVariant":"1","isElgibleForRepair":null,"isPowerEligible":null,"productRecallNotes":null,"productOtherInfo":null,"backorderETA":"00/00/0000","modifiedDate":null,"userLevel":"ALL","displayPrice":null,"baseProductName":null,"firstVariantCode":null,"firstVariantImage":null,"productMarketType":null,"productNumber":null,"typeStatusCode":null,"productCategory":null,"typeNumber":null,"marketCode":null,"regionCode":null,"otherInformation":null,"productTypeStatus":null,"repairInstruction":null,"repairInstructionStatusDescription":null,"typeStatusDate":null,"serviceLifeDate":null,"manufacturerId":null,"parts":null,"language":null,"glossaries":null,"brand":null,"product":null,"brandCode":null,"recallNotes":null,"volume":null},{"code":"P783-06464-CM","name":null,"url":"/c//p/P783-06464-CM","description":"PLUG","purchasable":true,"stock":{"stockLevelStatus":{"code":"inStock","type":"StockLevelStatus"},"stockLevel":0,"stockThreshold":null},"futureStocks":null,"availableForPickup":null,"averageRating":null,"numberOfReviews":null,"summary":null,"manufacturer":null,"variantType":null,"price":{"currencyIso":"USD","value":2.55,"priceType":"BUY","formattedValue":"$2.55","minQuantity":null,"maxQuantity":null,"sapUnit":{"code":"pieces","name":"Piece"}},"baseProduct":null,"images":[],"categories":null,"reviews":null,"classifications":null,"potentialPromotions":null,"variantOptions":null,"baseOptions":[],"volumePricesFlag":null,"volumePrices":null,"productReferences":null,"variantMatrix":null,"priceRange":null,"firstCategoryNameList":null,"multidimensional":null,"configurable":false,"configuratorType":null,"addToCartDisabled":null,"addToCartDisabledMessage":null,"tags":null,"sapUnit":null,"keywords":null,"genders":null,"itemtype":"Part","partSubstitute":null,"note":null,"recallNote":null,"note1":null,"note2":null,"note3":null,"note4":null,"note5":null,"pdfAllUser":null,"pdfAuthUser":null,"pdfCOSUser":null,"vaiantRelatedPartList":null,"partHotspotList":null,"itemNumber":19,"partRelatedVariantList":null,"bomCode":2,"totalValue":null,"searchImage":null,"length":null,"width":null,"height":null,"unitOfDimension":null,"weight":null,"unitOfWeight":null,"specialRouting":false,"onlineRepair":null,"previousPartID":null,"sbdDiscountPriceValue":{"currencyIso":"USD","value":2.55,"priceType":"BUY","formattedValue":"$2.55","minQuantity":null,"maxQuantity":null,"sapUnit":{"code":"pieces","name":"Piece"}},"alrCode":null,"productRecallFlag":null,"selectedDocumentId":null,"productDescription":null,"pdpImage":null,"ticketId":null,"qtyRequiredPerVariant":"1","isElgibleForRepair":null,"isPowerEligible":null,"productRecallNotes":null,"productOtherInfo":null,"backorderETA":"00/00/0000","modifiedDate":null,"userLevel":"ALL","displayPrice":null,"baseProductName":null,"firstVariantCode":null,"firstVariantImage":null,"productMarketType":null,"productNumber":null,"typeStatusCode":null,"productCategory":null,"typeNumber":null,"marketCode":null,"regionCode":null,"otherInformation":null,"productTypeStatus":null,"repairInstruction":null,"repairInstructionStatusDescription":null,"typeStatusDate":null,"serviceLifeDate":null,"manufacturerId":null,"parts":null,"language":null,"glossaries":null,"brand":null,"product":null,"brandCode":null,"recallNotes":null,"volume":null},{"code":"P5140221-05","name":null,"url":"/c//p/P5140221-05","description":"BRACKET:LIFT","purchasable":true,"stock":{"stockLevelStatus":{"code":"inStock","type":"StockLevelStatus"},"stockLevel":0,"stockThreshold":null},"futureStocks":null,"availableForPickup":null,"averageRating":null,"numberOfReviews":null,"summary":null,"manufacturer":null,"variantType":null,"price":{"currencyIso":"USD","value":22.41,"priceType":"BUY","formattedValue":"$22.41","minQuantity":null,"maxQuantity":null,"sapUnit":{"code":"pieces","name":"Piece"}},"baseProduct":null,"images":[],"categories":null,"reviews":null,"classifications":null,"potentialPromotions":null,"variantOptions":null,"baseOptions":[],"volumePricesFlag":null,"volumePrices":null,"productReferences":null,"variantMatrix":null,"priceRange":null,"firstCategoryNameList":null,"multidimensional":null,"configurable":false,"configuratorType":null,"addToCartDisabled":null,"addToCartDisabledMessage":null,"tags":null,"sapUnit":null,"keywords":null,"genders":null,"itemtype":"Part","partSubstitute":null,"note":null,"recallNote":null,"note1":null,"note2":null,"note3":null,"note4":null,"note5":null,"pdfAllUser":null,"pdfAuthUser":null,"pdfCOSUser":null,"vaiantRelatedPartList":null,"partHotspotList":null,"itemNumber":20,"partRelatedVariantList":null,"bomCode":2,"totalValue":null,"searchImage":null,"length":null,"width":null,"height":null,"unitOfDimension":null,"weight":null,"unitOfWeight":null,"specialRouting":false,"onlineRepair":null,"previousPartID":null,"sbdDiscountPriceValue":{"currencyIso":"USD","value":22.41,"priceType":"BUY","formattedValue":"$22.41","minQuantity":null,"maxQuantity":null,"sapUnit":{"code":"pieces","name":"Piece"}},"alrCode":null,"productRecallFlag":null,"selectedDocumentId":null,"productDescription":null,"pdpImage":null,"ticketId":null,"qtyRequiredPerVariant":"1","isElgibleForRepair":null,"isPowerEligible":null,"productRecallNotes":null,"productOtherInfo":null,"backorderETA":"00/00/0000","modifiedDate":null,"userLevel":"ALL","displayPrice":null,"baseProductName":null,"firstVariantCode":null,"firstVariantImage":null,"productMarketType":null,"productNumber":null,"typeStatusCode":null,"productCategory":null,"typeNumber":null,"marketCode":null,"regionCode":null,"otherInformation":null,"productTypeStatus":null,"repairInstruction":null,"repairInstructionStatusDescription":null,"typeStatusDate":null,"serviceLifeDate":null,"manufacturerId":null,"parts":null,"language":null,"glossaries":null,"brand":null,"product":null,"brandCode":null,"recallNotes":null,"volume":null},{"code":"P5140221-70","name":null,"url":"/c//p/P5140221-70","description":"BRACKET - LW","purchasable":true,"stock":{"stockLevelStatus":{"code":"inStock","type":"StockLevelStatus"},"stockLevel":0,"stockThreshold":null},"futureStocks":null,"availableForPickup":null,"averageRating":null,"numberOfReviews":null,"summary":null,"manufacturer":null,"variantType":null,"price":{"currencyIso":"USD","value":18.06,"priceType":"BUY","formattedValue":"$18.06","minQuantity":null,"maxQuantity":null,"sapUnit":{"code":"pieces","name":"Piece"}},"baseProduct":null,"images":[],"categories":null,"reviews":null,"classifications":null,"potentialPromotions":null,"variantOptions":null,"baseOptions":[],"volumePricesFlag":null,"volumePrices":null,"productReferences":null,"variantMatrix":null,"priceRange":null,"firstCategoryNameList":null,"multidimensional":null,"configurable":false,"configuratorType":null,"addToCartDisabled":null,"addToCartDisabledMessage":null,"tags":null,"sapUnit":null,"keywords":null,"genders":null,"itemtype":"Part","partSubstitute":null,"note":null,"recallNote":null,"note1":null,"note2":null,"note3":null,"note4":null,"note5":null,"pdfAllUser":null,"pdfAuthUser":null,"pdfCOSUser":null,"vaiantRelatedPartList":null,"partHotspotList":null,"itemNumber":20,"partRelatedVariantList":null,"bomCode":2,"totalValue":null,"searchImage":null,"length":null,"width":null,"height":null,"unitOfDimension":null,"weight":null,"unitOfWeight":null,"specialRouting":false,"onlineRepair":null,"previousPartID":null,"sbdDiscountPriceValue":{"currencyIso":"USD","value":18.06,"priceType":"BUY","formattedValue":"$18.06","minQuantity":null,"maxQuantity":null,"sapUnit":{"code":"pieces","name":"Piece"}},"alrCode":null,"productRecallFlag":null,"selectedDocumentId":null,"productDescription":null,"pdpImage":null,"ticketId":null,"qtyRequiredPerVariant":"1","isElgibleForRepair":null,"isPowerEligible":null,"productRecallNotes":null,"productOtherInfo":null,"backorderETA":"00/00/0000","modifiedDate":null,"userLevel":"ALL","displayPrice":null,"baseProductName":null,"firstVariantCode":null,"firstVariantImage":null,"productMarketType":null,"productNumber":null,"typeStatusCode":null,"productCategory":null,"typeNumber":null,"marketCode":null,"regionCode":null,"otherInformation":null,"productTypeStatus":null,"repairInstruction":null,"repairInstructionStatusDescription":null,"typeStatusDate":null,"serviceLifeDate":null,"manufacturerId":null,"parts":null,"language":null,"glossaries":null,"brand":null,"product":null,"brandCode":null,"recallNotes":null,"volume":null},{"code":"P714-04043-CM","name":null,"url":"/c//p/P714-04043-CM","description":"PIN:COTTER","purchasable":true,"stock":{"stockLevelStatus":{"code":"inStock","type":"StockLevelStatus"},"stockLevel":0,"stockThreshold":null},"futureStocks":null,"availableForPickup":null,"averageRating":null,"numberOfReviews":null,"summary":null,"manufacturer":null,"variantType":null,"price":{"currencyIso":"USD","value":2.93,"priceType":"BUY","formattedValue":"$2.93","minQuantity":null,"maxQuantity":null,"sapUnit":{"code":"pieces","name":"Piece"}},"baseProduct":null,"images":[],"categories":null,"reviews":null,"classifications":null,"potentialPromotions":null,"variantOptions":null,"baseOptions":[],"volumePricesFlag":null,"volumePrices":null,"productReferences":null,"variantMatrix":null,"priceRange":null,"firstCategoryNameList":null,"multidimensional":null,"configurable":false,"configuratorType":null,"addToCartDisabled":null,"addToCartDisabledMessage":null,"tags":null,"sapUnit":null,"keywords":null,"genders":null,"itemtype":"Part","partSubstitute":null,"note":null,"recallNote":null,"note1":null,"note2":null,"note3":null,"note4":null,"note5":null,"pdfAllUser":null,"pdfAuthUser":null,"pdfCOSUser":null,"vaiantRelatedPartList":null,"partHotspotList":null,"itemNumber":20,"partRelatedVariantList":null,"bomCode":2,"totalValue":null,"searchImage":null,"length":null,"width":null,"height":null,"unitOfDimension":null,"weight":null,"unitOfWeight":null,"specialRouting":false,"onlineRepair":null,"previousPartID":null,"sbdDiscountPriceValue":{"currencyIso":"USD","value":2.93,"priceType":"BUY","formattedValue":"$2.93","minQuantity":null,"maxQuantity":null,"sapUnit":{"code":"pieces","name":"Piece"}},"alrCode":null,"productRecallFlag":null,"selectedDocumentId":null,"productDescription":null,"pdpImage":null,"ticketId":null,"qtyRequiredPerVariant":"1","isElgibleForRepair":null,"isPowerEligible":null,"productRecallNotes":null,"productOtherInfo":null,"backorderETA":"00/00/0000","modifiedDate":null,"userLevel":"ALL","displayPrice":null,"baseProductName":null,"firstVariantCode":null,"firstVariantImage":null,"productMarketType":null,"productNumber":null,"typeStatusCode":null,"productCategory":null,"typeNumber":null,"marketCode":null,"regionCode":null,"otherInformation":null,"productTypeStatus":null,"repairInstruction":null,"repairInstructionStatusDescription":null,"typeStatusDate":null,"serviceLifeDate":null,"manufacturerId":null,"parts":null,"language":null,"glossaries":null,"brand":null,"product":null,"brandCode":null,"recallNotes":null,"volume":null},{"code":"P738-04237A-CM","name":null,"url":"/c//p/P738-04237A-CM","description":"SCREW-SHOULD","purchasable":true,"stock":{"stockLevelStatus":{"code":"inStock","type":"StockLevelStatus"},"stockLevel":0,"stockThreshold":null},"futureStocks":null,"availableForPickup":null,"averageRating":null,"numberOfReviews":null,"summary":null,"manufacturer":null,"variantType":null,"price":{"currencyIso":"USD","value":3.65,"priceType":"BUY","formattedValue":"$3.65","minQuantity":null,"maxQuantity":null,"sapUnit":{"code":"pieces","name":"Piece"}},"baseProduct":null,"images":[],"categories":null,"reviews":null,"classifications":null,"potentialPromotions":null,"variantOptions":null,"baseOptions":[],"volumePricesFlag":null,"volumePrices":null,"productReferences":null,"variantMatrix":null,"priceRange":null,"firstCategoryNameList":null,"multidimensional":null,"configurable":false,"configuratorType":null,"addToCartDisabled":null,"addToCartDisabledMessage":null,"tags":null,"sapUnit":null,"keywords":null,"genders":null,"itemtype":"Part","partSubstitute":null,"note":null,"recallNote":null,"note1":null,"note2":null,"note3":null,"note4":null,"note5":null,"pdfAllUser":null,"pdfAuthUser":null,"pdfCOSUser":null,"vaiantRelatedPartList":null,"partHotspotList":null,"itemNumber":20,"partRelatedVariantList":null,"bomCode":2,"totalValue":null,"searchImage":null,"length":null,"width":null,"height":null,"unitOfDimension":null,"weight":null,"unitOfWeight":null,"specialRouting":false,"onlineRepair":null,"previousPartID":null,"sbdDiscountPriceValue":{"currencyIso":"USD","value":3.65,"priceType":"BUY","formattedValue":"$3.65","minQuantity":null,"maxQuantity":null,"sapUnit":{"code":"pieces","name":"Piece"}},"alrCode":null,"productRecallFlag":null,"selectedDocumentId":null,"productDescription":null,"pdpImage":null,"ticketId":null,"qtyRequiredPerVariant":"1","isElgibleForRepair":null,"isPowerEligible":null,"productRecallNotes":null,"productOtherInfo":null,"backorderETA":"00/00/0000","modifiedDate":null,"userLevel":"ALL","displayPrice":null,"baseProductName":null,"firstVariantCode":null,"firstVariantImage":null,"productMarketType":null,"productNumber":null,"typeStatusCode":null,"productCategory":null,"typeNumber":null,"marketCode":null,"regionCode":null,"otherInformation":null,"productTypeStatus":null,"repairInstruction":null,"repairInstructionStatusDescription":null,"typeStatusDate":null,"serviceLifeDate":null,"manufacturerId":null,"parts":null,"language":null,"glossaries":null,"brand":null,"product":null,"brandCode":null,"recallNotes":null,"volume":null},{"code":"P748-04068-CM","name":null,"url":"/c//p/P748-04068-CM","description":"SPACER","purchasable":true,"stock":{"stockLevelStatus":{"code":"inStock","type":"StockLevelStatus"},"stockLevel":0,"stockThreshold":null},"futureStocks":null,"availableForPickup":null,"averageRating":null,"numberOfReviews":null,"summary":null,"manufacturer":null,"variantType":null,"price":{"currencyIso":"USD","value":2.46,"priceType":"BUY","formattedValue":"$2.46","minQuantity":null,"maxQuantity":null,"sapUnit":{"code":"pieces","name":"Piece"}},"baseProduct":null,"images":[],"categories":null,"reviews":null,"classifications":null,"potentialPromotions":null,"variantOptions":null,"baseOptions":[],"volumePricesFlag":null,"volumePrices":null,"productReferences":null,"variantMatrix":null,"priceRange":null,"firstCategoryNameList":null,"multidimensional":null,"configurable":false,"configuratorType":null,"addToCartDisabled":null,"addToCartDisabledMessage":null,"tags":null,"sapUnit":null,"keywords":null,"genders":null,"itemtype":"Part","partSubstitute":null,"note":null,"recallNote":null,"note1":null,"note2":null,"note3":null,"note4":null,"note5":null,"pdfAllUser":null,"pdfAuthUser":null,"pdfCOSUser":null,"vaiantRelatedPartList":null,"partHotspotList":null,"itemNumber":20,"partRelatedVariantList":null,"bomCode":2,"totalValue":null,"searchImage":null,"length":null,"width":null,"height":null,"unitOfDimension":null,"weight":null,"unitOfWeight":null,"specialRouting":false,"onlineRepair":null,"previousPartID":null,"sbdDiscountPriceValue":{"currencyIso":"USD","value":2.46,"priceType":"BUY","formattedValue":"$2.46","minQuantity":null,"maxQuantity":null,"sapUnit":{"code":"pieces","name":"Piece"}},"alrCode":null,"productRecallFlag":null,"selectedDocumentId":null,"productDescription":null,"pdpImage":null,"ticketId":null,"qtyRequiredPerVariant":"1","isElgibleForRepair":null,"isPowerEligible":null,"productRecallNotes":null,"productOtherInfo":null,"backorderETA":"00/00/0000","modifiedDate":null,"userLevel":"ALL","displayPrice":null,"baseProductName":null,"firstVariantCode":null,"firstVariantImage":null,"productMarketType":null,"productNumber":null,"typeStatusCode":null,"productCategory":null,"typeNumber":null,"marketCode":null,"regionCode":null,"otherInformation":null,"productTypeStatus":null,"repairInstruction":null,"repairInstructionStatusDescription":null,"typeStatusDate":null,"serviceLifeDate":null,"manufacturerId":null,"parts":null,"language":null,"glossaries":null,"brand":null,"product":null,"brandCode":null,"recallNotes":null,"volume":null},{"code":"P777X46245-CM","name":null,"url":"/c//p/P777X46245-CM","description":"LABEL-RDR EM","purchasable":true,"stock":{"stockLevelStatus":{"code":"inStock","type":"StockLevelStatus"},"stockLevel":0,"stockThreshold":null},"futureStocks":null,"availableForPickup":null,"averageRating":null,"numberOfReviews":null,"summary":null,"manufacturer":null,"variantType":null,"price":{"currencyIso":"USD","value":3.2,"priceType":"BUY","formattedValue":"$3.20","minQuantity":null,"maxQuantity":null,"sapUnit":{"code":"pieces","name":"Piece"}},"baseProduct":null,"images":[],"categories":null,"reviews":null,"classifications":null,"potentialPromotions":null,"variantOptions":null,"baseOptions":[],"volumePricesFlag":null,"volumePrices":null,"productReferences":null,"variantMatrix":null,"priceRange":null,"firstCategoryNameList":null,"multidimensional":null,"configurable":false,"configuratorType":null,"addToCartDisabled":null,"addToCartDisabledMessage":null,"tags":null,"sapUnit":null,"keywords":null,"genders":null,"itemtype":"Part","partSubstitute":null,"note":null,"recallNote":null,"note1":null,"note2":null,"note3":null,"note4":null,"note5":null,"pdfAllUser":null,"pdfAuthUser":null,"pdfCOSUser":null,"vaiantRelatedPartList":null,"partHotspotList":null,"itemNumber":20,"partRelatedVariantList":null,"bomCode":2,"totalValue":null,"searchImage":null,"length":null,"width":null,"height":null,"unitOfDimension":null,"weight":null,"unitOfWeight":null,"specialRouting":false,"onlineRepair":null,"previousPartID":null,"sbdDiscountPriceValue":{"currencyIso":"USD","value":3.2,"priceType":"BUY","formattedValue":"$3.20","minQuantity":null,"maxQuantity":null,"sapUnit":{"code":"pieces","name":"Piece"}},"alrCode":null,"productRecallFlag":null,"selectedDocumentId":null,"productDescription":null,"pdpImage":null,"ticketId":null,"qtyRequiredPerVariant":"1","isElgibleForRepair":null,"isPowerEligible":null,"productRecallNotes":null,"productOtherInfo":null,"backorderETA":"00/00/0000","modifiedDate":null,"userLevel":"ALL","displayPrice":null,"baseProductName":null,"firstVariantCode":null,"firstVariantImage":null,"productMarketType":null,"productNumber":null,"typeStatusCode":null,"productCategory":null,"typeNumber":null,"marketCode":null,"regionCode":null,"otherInformation":null,"productTypeStatus":null,"repairInstruction":null,"repairInstructionStatusDescription":null,"typeStatusDate":null,"serviceLifeDate":null,"manufacturerId":null,"parts":null,"language":null,"glossaries":null,"brand":null,"product":null,"brandCode":null,"recallNotes":null,"volume":null},{"code":"P5140216-18","name":null,"url":"/c//p/P5140216-18","description":"POWDER BLACK","purchasable":true,"stock":{"stockLevelStatus":{"code":"inStock","type":"StockLevelStatus"},"stockLevel":0,"stockThreshold":null},"futureStocks":null,"availableForPickup":null,"averageRating":null,"numberOfReviews":null,"summary":null,"manufacturer":null,"variantType":null,"price":{"currencyIso":"USD","value":58.76,"priceType":"BUY","formattedValue":"$58.76","minQuantity":null,"maxQuantity":null,"sapUnit":{"code":"pieces","name":"Piece"}},"baseProduct":null,"images":[],"categories":null,"reviews":null,"classifications":null,"potentialPromotions":null,"variantOptions":null,"baseOptions":[],"volumePricesFlag":null,"volumePrices":null,"productReferences":null,"variantMatrix":null,"priceRange":null,"firstCategoryNameList":null,"multidimensional":null,"configurable":false,"configuratorType":null,"addToCartDisabled":null,"addToCartDisabledMessage":null,"tags":null,"sapUnit":null,"keywords":null,"genders":null,"itemtype":"Part","partSubstitute":null,"note":null,"recallNote":null,"note1":null,"note2":null,"note3":null,"note4":null,"note5":null,"pdfAllUser":null,"pdfAuthUser":null,"pdfCOSUser":null,"vaiantRelatedPartList":null,"partHotspotList":null,"itemNumber":21,"partRelatedVariantList":null,"bomCode":2,"totalValue":null,"searchImage":null,"length":null,"width":null,"height":null,"unitOfDimension":null,"weight":null,"unitOfWeight":null,"specialRouting":false,"onlineRepair":null,"previousPartID":null,"sbdDiscountPriceValue":{"currencyIso":"USD","value":58.76,"priceType":"BUY","formattedValue":"$58.76","minQuantity":null,"maxQuantity":null,"sapUnit":{"code":"pieces","name":"Piece"}},"alrCode":null,"productRecallFlag":null,"selectedDocumentId":null,"productDescription":null,"pdpImage":null,"ticketId":null,"qtyRequiredPerVariant":"1","isElgibleForRepair":null,"isPowerEligible":null,"productRecallNotes":null,"productOtherInfo":null,"backorderETA":"00/00/0000","modifiedDate":null,"userLevel":"ALL","displayPrice":null,"baseProductName":null,"firstVariantCode":null,"firstVariantImage":null,"productMarketType":null,"productNumber":null,"typeStatusCode":null,"productCategory":null,"typeNumber":null,"marketCode":null,"regionCode":null,"otherInformation":null,"productTypeStatus":null,"repairInstruction":null,"repairInstructionStatusDescription":null,"typeStatusDate":null,"serviceLifeDate":null,"manufacturerId":null,"parts":null,"language":null,"glossaries":null,"brand":null,"product":null,"brandCode":null,"recallNotes":null,"volume":null},{"code":"P731-09253-CM","name":null,"url":"/c//p/P731-09253-CM","description":"LVR:SHIFT","purchasable":true,"stock":{"stockLevelStatus":{"code":"inStock","type":"StockLevelStatus"},"stockLevel":0,"stockThreshold":null},"futureStocks":null,"availableForPickup":null,"averageRating":null,"numberOfReviews":null,"summary":null,"manufacturer":null,"variantType":null,"price":{"currencyIso":"USD","value":9.53,"priceType":"BUY","formattedValue":"$9.53","minQuantity":null,"maxQuantity":null,"sapUnit":{"code":"pieces","name":"Piece"}},"baseProduct":null,"images":[],"categories":null,"reviews":null,"classifications":null,"potentialPromotions":null,"variantOptions":null,"baseOptions":[],"volumePricesFlag":null,"volumePrices":null,"productReferences":null,"variantMatrix":null,"priceRange":null,"firstCategoryNameList":null,"multidimensional":null,"configurable":false,"configuratorType":null,"addToCartDisabled":null,"addToCartDisabledMessage":null,"tags":null,"sapUnit":null,"keywords":null,"genders":null,"itemtype":"Part","partSubstitute":null,"note":null,"recallNote":null,"note1":null,"note2":null,"note3":null,"note4":null,"note5":null,"pdfAllUser":null,"pdfAuthUser":null,"pdfCOSUser":null,"vaiantRelatedPartList":null,"partHotspotList":null,"itemNumber":21,"partRelatedVariantList":null,"bomCode":2,"totalValue":null,"searchImage":null,"length":null,"width":null,"height":null,"unitOfDimension":null,"weight":null,"unitOfWeight":null,"specialRouting":false,"onlineRepair":null,"previousPartID":null,"sbdDiscountPriceValue":{"currencyIso":"USD","value":9.53,"priceType":"BUY","formattedValue":"$9.53","minQuantity":null,"maxQuantity":null,"sapUnit":{"code":"pieces","name":"Piece"}},"alrCode":null,"productRecallFlag":null,"selectedDocumentId":null,"productDescription":null,"pdpImage":null,"ticketId":null,"qtyRequiredPerVariant":"1","isElgibleForRepair":null,"isPowerEligible":null,"productRecallNotes":null,"productOtherInfo":null,"backorderETA":"00/00/0000","modifiedDate":null,"userLevel":"ALL","displayPrice":null,"baseProductName":null,"firstVariantCode":null,"firstVariantImage":null,"productMarketType":null,"productNumber":null,"typeStatusCode":null,"productCategory":null,"typeNumber":null,"marketCode":null,"regionCode":null,"otherInformation":null,"productTypeStatus":null,"repairInstruction":null,"repairInstructionStatusDescription":null,"typeStatusDate":null,"serviceLifeDate":null,"manufacturerId":null,"parts":null,"language":null,"glossaries":null,"brand":null,"product":null,"brandCode":null,"recallNotes":null,"volume":null},{"code":"P741-04119A-CM","name":null,"url":"/c//p/P741-04119A-CM","description":"BEARING-PTO","purchasable":true,"stock":{"stockLevelStatus":{"code":"inStock","type":"StockLevelStatus"},"stockLevel":0,"stockThreshold":null},"futureStocks":null,"availableForPickup":null,"averageRating":null,"numberOfReviews":null,"summary":null,"manufacturer":null,"variantType":null,"price":{"currencyIso":"USD","value":3.15,"priceType":"BUY","formattedValue":"$3.15","minQuantity":null,"maxQuantity":null,"sapUnit":{"code":"pieces","name":"Piece"}},"baseProduct":null,"images":[],"categories":null,"reviews":null,"classifications":null,"potentialPromotions":null,"variantOptions":null,"baseOptions":[],"volumePricesFlag":null,"volumePrices":null,"productReferences":null,"variantMatrix":null,"priceRange":null,"firstCategoryNameList":null,"multidimensional":null,"configurable":false,"configuratorType":null,"addToCartDisabled":null,"addToCartDisabledMessage":null,"tags":null,"sapUnit":null,"keywords":null,"genders":null,"itemtype":"Part","partSubstitute":null,"note":null,"recallNote":null,"note1":null,"note2":null,"note3":null,"note4":null,"note5":null,"pdfAllUser":null,"pdfAuthUser":null,"pdfCOSUser":null,"vaiantRelatedPartList":null,"partHotspotList":null,"itemNumber":21,"partRelatedVariantList":null,"bomCode":2,"totalValue":null,"searchImage":null,"length":null,"width":null,"height":null,"unitOfDimension":null,"weight":null,"unitOfWeight":null,"specialRouting":false,"onlineRepair":null,"previousPartID":null,"sbdDiscountPriceValue":{"currencyIso":"USD","value":3.15,"priceType":"BUY","formattedValue":"$3.15","minQuantity":null,"maxQuantity":null,"sapUnit":{"code":"pieces","name":"Piece"}},"alrCode":null,"productRecallFlag":null,"selectedDocumentId":null,"productDescription":null,"pdpImage":null,"ticketId":null,"qtyRequiredPerVariant":"1","isElgibleForRepair":null,"isPowerEligible":null,"productRecallNotes":null,"productOtherInfo":null,"backorderETA":"00/00/0000","modifiedDate":null,"userLevel":"ALL","displayPrice":null,"baseProductName":null,"firstVariantCode":null,"firstVariantImage":null,"productMarketType":null,"productNumber":null,"typeStatusCode":null,"productCategory":null,"typeNumber":null,"marketCode":null,"regionCode":null,"otherInformation":null,"productTypeStatus":null,"repairInstruction":null,"repairInstructionStatusDescription":null,"typeStatusDate":null,"serviceLifeDate":null,"manufacturerId":null,"parts":null,"language":null,"glossaries":null,"brand":null,"product":null,"brandCode":null,"recallNotes":null,"volume":null},{"code":"P777S33896-CM","name":null,"url":"/c//p/P777S33896-CM","description":"LBL:RDR:SFTY","purchasable":true,"stock":{"stockLevelStatus":{"code":"inStock","type":"StockLevelStatus"},"stockLevel":0,"stockThreshold":null},"futureStocks":null,"availableForPickup":null,"averageRating":null,"numberOfReviews":null,"summary":null,"manufacturer":null,"variantType":null,"price":{"currencyIso":"USD","value":5.12,"priceType":"BUY","formattedValue":"$5.12","minQuantity":null,"maxQuantity":null,"sapUnit":{"code":"pieces","name":"Piece"}},"baseProduct":null,"images":[],"categories":null,"reviews":null,"classifications":null,"potentialPromotions":null,"variantOptions":null,"baseOptions":[],"volumePricesFlag":null,"volumePrices":null,"productReferences":null,"variantMatrix":null,"priceRange":null,"firstCategoryNameList":null,"multidimensional":null,"configurable":false,"configuratorType":null,"addToCartDisabled":null,"addToCartDisabledMessage":null,"tags":null,"sapUnit":null,"keywords":null,"genders":null,"itemtype":"Part","partSubstitute":null,"note":null,"recallNote":null,"note1":null,"note2":null,"note3":null,"note4":null,"note5":null,"pdfAllUser":null,"pdfAuthUser":null,"pdfCOSUser":null,"vaiantRelatedPartList":null,"partHotspotList":null,"itemNumber":21,"partRelatedVariantList":null,"bomCode":2,"totalValue":null,"searchImage":null,"length":null,"width":null,"height":null,"unitOfDimension":null,"weight":null,"unitOfWeight":null,"specialRouting":false,"onlineRepair":null,"previousPartID":null,"sbdDiscountPriceValue":{"currencyIso":"USD","value":5.12,"priceType":"BUY","formattedValue":"$5.12","minQuantity":null,"maxQuantity":null,"sapUnit":{"code":"pieces","name":"Piece"}},"alrCode":null,"productRecallFlag":null,"selectedDocumentId":null,"productDescription":null,"pdpImage":null,"ticketId":null,"qtyRequiredPerVariant":"1","isElgibleForRepair":null,"isPowerEligible":null,"productRecallNotes":null,"productOtherInfo":null,"backorderETA":"00/00/0000","modifiedDate":null,"userLevel":"ALL","displayPrice":null,"baseProductName":null,"firstVariantCode":null,"firstVariantImage":null,"productMarketType":null,"productNumber":null,"typeStatusCode":null,"productCategory":null,"typeNumber":null,"marketCode":null,"regionCode":null,"otherInformation":null,"productTypeStatus":null,"repairInstruction":null,"repairInstructionStatusDescription":null,"typeStatusDate":null,"serviceLifeDate":null,"manufacturerId":null,"parts":null,"language":null,"glossaries":null,"brand":null,"product":null,"brandCode":null,"recallNotes":null,"volume":null},{"code":"P783-06074A-CM","name":null,"url":"/c//p/P783-06074A-CM","description":"BRACKET","purchasable":true,"stock":{"stockLevelStatus":{"code":"inStock","type":"StockLevelStatus"},"stockLevel":0,"stockThreshold":null},"futureStocks":null,"availableForPickup":null,"averageRating":null,"numberOfReviews":null,"summary":null,"manufacturer":null,"variantType":null,"price":{"currencyIso":"USD","value":19.62,"priceType":"BUY","formattedValue":"$19.62","minQuantity":null,"maxQuantity":null,"sapUnit":{"code":"pieces","name":"Piece"}},"baseProduct":null,"images":[],"categories":null,"reviews":null,"classifications":null,"potentialPromotions":null,"variantOptions":null,"baseOptions":[],"volumePricesFlag":null,"volumePrices":null,"productReferences":null,"variantMatrix":null,"priceRange":null,"firstCategoryNameList":null,"multidimensional":null,"configurable":false,"configuratorType":null,"addToCartDisabled":null,"addToCartDisabledMessage":null,"tags":null,"sapUnit":null,"keywords":null,"genders":null,"itemtype":"Part","partSubstitute":null,"note":null,"recallNote":null,"note1":null,"note2":null,"note3":null,"note4":null,"note5":null,"pdfAllUser":null,"pdfAuthUser":null,"pdfCOSUser":null,"vaiantRelatedPartList":null,"partHotspotList":null,"itemNumber":21,"partRelatedVariantList":null,"bomCode":2,"totalValue":null,"searchImage":null,"length":null,"width":null,"height":null,"unitOfDimension":null,"weight":null,"unitOfWeight":null,"specialRouting":false,"onlineRepair":null,"previousPartID":null,"sbdDiscountPriceValue":{"currencyIso":"USD","value":19.62,"priceType":"BUY","formattedValue":"$19.62","minQuantity":null,"maxQuantity":null,"sapUnit":{"code":"pieces","name":"Piece"}},"alrCode":null,"productRecallFlag":null,"selectedDocumentId":null,"productDescription":null,"pdpImage":null,"ticketId":null,"qtyRequiredPerVariant":"1","isElgibleForRepair":null,"isPowerEligible":null,"productRecallNotes":null,"productOtherInfo":null,"backorderETA":"00/00/0000","modifiedDate":null,"userLevel":"ALL","displayPrice":null,"baseProductName":null,"firstVariantCode":null,"firstVariantImage":null,"productMarketType":null,"productNumber":null,"typeStatusCode":null,"productCategory":null,"typeNumber":null,"marketCode":null,"regionCode":null,"otherInformation":null,"productTypeStatus":null,"repairInstruction":null,"repairInstructionStatusDescription":null,"typeStatusDate":null,"serviceLifeDate":null,"manufacturerId":null,"parts":null,"language":null,"glossaries":null,"brand":null,"product":null,"brandCode":null,"recallNotes":null,"volume":null},{"code":"P710-05070A-CM","name":null,"url":"/c//p/P710-05070A-CM","description":"SCREW","purchasable":true,"stock":{"stockLevelStatus":{"code":"inStock","type":"StockLevelStatus"},"stockLevel":0,"stockThreshold":null},"futureStocks":null,"availableForPickup":null,"averageRating":null,"numberOfReviews":null,"summary":null,"manufacturer":null,"variantType":null,"price":{"currencyIso":"USD","value":4.14,"priceType":"BUY","formattedValue":"$4.14","minQuantity":null,"maxQuantity":null,"sapUnit":{"code":"pieces","name":"Piece"}},"baseProduct":null,"images":[],"categories":null,"reviews":null,"classifications":null,"potentialPromotions":null,"variantOptions":null,"baseOptions":[],"volumePricesFlag":null,"volumePrices":null,"productReferences":null,"variantMatrix":null,"priceRange":null,"firstCategoryNameList":null,"multidimensional":null,"configurable":false,"configuratorType":null,"addToCartDisabled":null,"addToCartDisabledMessage":null,"tags":null,"sapUnit":null,"keywords":null,"genders":null,"itemtype":"Part","partSubstitute":null,"note":null,"recallNote":null,"note1":null,"note2":null,"note3":null,"note4":null,"note5":null,"pdfAllUser":null,"pdfAuthUser":null,"pdfCOSUser":null,"vaiantRelatedPartList":null,"partHotspotList":null,"itemNumber":22,"partRelatedVariantList":null,"bomCode":2,"totalValue":null,"searchImage":null,"length":null,"width":null,"height":null,"unitOfDimension":null,"weight":null,"unitOfWeight":null,"specialRouting":false,"onlineRepair":null,"previousPartID":null,"sbdDiscountPriceValue":{"currencyIso":"USD","value":4.14,"priceType":"BUY","formattedValue":"$4.14","minQuantity":null,"maxQuantity":null,"sapUnit":{"code":"pieces","name":"Piece"}},"alrCode":null,"productRecallFlag":null,"selectedDocumentId":null,"productDescription":null,"pdpImage":null,"ticketId":null,"qtyRequiredPerVariant":"1","isElgibleForRepair":null,"isPowerEligible":null,"productRecallNotes":null,"productOtherInfo":null,"backorderETA":"00/00/0000","modifiedDate":null,"userLevel":"ALL","displayPrice":null,"baseProductName":null,"firstVariantCode":null,"firstVariantImage":null,"productMarketType":null,"productNumber":null,"typeStatusCode":null,"productCategory":null,"typeNumber":null,"marketCode":null,"regionCode":null,"otherInformation":null,"productTypeStatus":null,"repairInstruction":null,"repairInstructionStatusDescription":null,"typeStatusDate":null,"serviceLifeDate":null,"manufacturerId":null,"parts":null,"language":null,"glossaries":null,"brand":null,"product":null,"brandCode":null,"recallNotes":null,"volume":null},{"code":"P710-05070A-CM","name":null,"url":"/c//p/P710-05070A-CM","description":"SCREW","purchasable":true,"stock":{"stockLevelStatus":{"code":"inStock","type":"StockLevelStatus"},"stockLevel":0,"stockThreshold":null},"futureStocks":null,"availableForPickup":null,"averageRating":null,"numberOfReviews":null,"summary":null,"manufacturer":null,"variantType":null,"price":{"currencyIso":"USD","value":4.14,"priceType":"BUY","formattedValue":"$4.14","minQuantity":null,"maxQuantity":null,"sapUnit":{"code":"pieces","name":"Piece"}},"baseProduct":null,"images":[],"categories":null,"reviews":null,"classifications":null,"potentialPromotions":null,"variantOptions":null,"baseOptions":[],"volumePricesFlag":null,"volumePrices":null,"productReferences":null,"variantMatrix":null,"priceRange":null,"firstCategoryNameList":null,"multidimensional":null,"configurable":false,"configuratorType":null,"addToCartDisabled":null,"addToCartDisabledMessage":null,"tags":null,"sapUnit":null,"keywords":null,"genders":null,"itemtype":"Part","partSubstitute":null,"note":null,"recallNote":null,"note1":null,"note2":null,"note3":null,"note4":null,"note5":null,"pdfAllUser":null,"pdfAuthUser":null,"pdfCOSUser":null,"vaiantRelatedPartList":null,"partHotspotList":null,"itemNumber":22,"partRelatedVariantList":null,"bomCode":2,"totalValue":null,"searchImage":null,"length":null,"width":null,"height":null,"unitOfDimension":null,"weight":null,"unitOfWeight":null,"specialRouting":false,"onlineRepair":null,"previousPartID":null,"sbdDiscountPriceValue":{"currencyIso":"USD","value":4.14,"priceType":"BUY","formattedValue":"$4.14","minQuantity":null,"maxQuantity":null,"sapUnit":{"code":"pieces","name":"Piece"}},"alrCode":null,"productRecallFlag":null,"selectedDocumentId":null,"productDescription":null,"pdpImage":null,"ticketId":null,"qtyRequiredPerVariant":"1","isElgibleForRepair":null,"isPowerEligible":null,"productRecallNotes":null,"productOtherInfo":null,"backorderETA":"00/00/0000","modifiedDate":null,"userLevel":"ALL","displayPrice":null,"baseProductName":null,"firstVariantCode":null,"firstVariantImage":null,"productMarketType":null,"productNumber":null,"typeStatusCode":null,"productCategory":null,"typeNumber":null,"marketCode":null,"regionCode":null,"otherInformation":null,"productTypeStatus":null,"repairInstruction":null,"repairInstructionStatusDescription":null,"typeStatusDate":null,"serviceLifeDate":null,"manufacturerId":null,"parts":null,"language":null,"glossaries":null,"brand":null,"product":null,"brandCode":null,"recallNotes":null,"volume":null},{"code":"P710-0809-CM","name":null,"url":"/c//p/P710-0809-CM","description":"HEX BOLT","purchasable":true,"stock":{"stockLevelStatus":{"code":"inStock","type":"StockLevelStatus"},"stockLevel":0,"stockThreshold":null},"futureStocks":null,"availableForPickup":null,"averageRating":null,"numberOfReviews":null,"summary":null,"manufacturer":null,"variantType":null,"price":{"currencyIso":"USD","value":4.39,"priceType":"BUY","formattedValue":"$4.39","minQuantity":null,"maxQuantity":null,"sapUnit":{"code":"pieces","name":"Piece"}},"baseProduct":null,"images":[],"categories":null,"reviews":null,"classifications":null,"potentialPromotions":null,"variantOptions":null,"baseOptions":[],"volumePricesFlag":null,"volumePrices":null,"productReferences":null,"variantMatrix":null,"priceRange":null,"firstCategoryNameList":null,"multidimensional":null,"configurable":false,"configuratorType":null,"addToCartDisabled":null,"addToCartDisabledMessage":null,"tags":null,"sapUnit":null,"keywords":null,"genders":null,"itemtype":"Part","partSubstitute":null,"note":null,"recallNote":null,"note1":null,"note2":null,"note3":null,"note4":null,"note5":null,"pdfAllUser":null,"pdfAuthUser":null,"pdfCOSUser":null,"vaiantRelatedPartList":null,"partHotspotList":null,"itemNumber":22,"partRelatedVariantList":null,"bomCode":2,"totalValue":null,"searchImage":null,"length":null,"width":null,"height":null,"unitOfDimension":null,"weight":null,"unitOfWeight":null,"specialRouting":false,"onlineRepair":null,"previousPartID":null,"sbdDiscountPriceValue":{"currencyIso":"USD","value":4.39,"priceType":"BUY","formattedValue":"$4.39","minQuantity":null,"maxQuantity":null,"sapUnit":{"code":"pieces","name":"Piece"}},"alrCode":null,"productRecallFlag":null,"selectedDocumentId":null,"productDescription":null,"pdpImage":null,"ticketId":null,"qtyRequiredPerVariant":"1","isElgibleForRepair":null,"isPowerEligible":null,"productRecallNotes":null,"productOtherInfo":null,"backorderETA":"00/00/0000","modifiedDate":null,"userLevel":"ALL","displayPrice":null,"baseProductName":null,"firstVariantCode":null,"firstVariantImage":null,"productMarketType":null,"productNumber":null,"typeStatusCode":null,"productCategory":null,"typeNumber":null,"marketCode":null,"regionCode":null,"otherInformation":null,"productTypeStatus":null,"repairInstruction":null,"repairInstructionStatusDescription":null,"typeStatusDate":null,"serviceLifeDate":null,"manufacturerId":null,"parts":null,"language":null,"glossaries":null,"brand":null,"product":null,"brandCode":null,"recallNotes":null,"volume":null},{"code":"P917-04074-CM","name":null,"url":"/c//p/P917-04074-CM","description":"GEAR-DECK AD","purchasable":true,"stock":{"stockLevelStatus":{"code":"inStock","type":"StockLevelStatus"},"stockLevel":0,"stockThreshold":null},"futureStocks":null,"availableForPickup":null,"averageRating":null,"numberOfReviews":null,"summary":null,"manufacturer":null,"variantType":null,"price":{"currencyIso":"USD","value":8.14,"priceType":"BUY","formattedValue":"$8.14","minQuantity":null,"maxQuantity":null,"sapUnit":{"code":"pieces","name":"Piece"}},"baseProduct":null,"images":[],"categories":null,"reviews":null,"classifications":null,"potentialPromotions":null,"variantOptions":null,"baseOptions":[],"volumePricesFlag":null,"volumePrices":null,"productReferences":null,"variantMatrix":null,"priceRange":null,"firstCategoryNameList":null,"multidimensional":null,"configurable":false,"configuratorType":null,"addToCartDisabled":null,"addToCartDisabledMessage":null,"tags":null,"sapUnit":null,"keywords":null,"genders":null,"itemtype":"Part","partSubstitute":null,"note":null,"recallNote":null,"note1":null,"note2":null,"note3":null,"note4":null,"note5":null,"pdfAllUser":null,"pdfAuthUser":null,"pdfCOSUser":null,"vaiantRelatedPartList":null,"partHotspotList":null,"itemNumber":22,"partRelatedVariantList":null,"bomCode":2,"totalValue":null,"searchImage":null,"length":null,"width":null,"height":null,"unitOfDimension":null,"weight":null,"unitOfWeight":null,"specialRouting":false,"onlineRepair":null,"previousPartID":null,"sbdDiscountPriceValue":{"currencyIso":"USD","value":8.14,"priceType":"BUY","formattedValue":"$8.14","minQuantity":null,"maxQuantity":null,"sapUnit":{"code":"pieces","name":"Piece"}},"alrCode":null,"productRecallFlag":null,"selectedDocumentId":null,"productDescription":null,"pdpImage":null,"ticketId":null,"qtyRequiredPerVariant":"1","isElgibleForRepair":null,"isPowerEligible":null,"productRecallNotes":null,"productOtherInfo":null,"backorderETA":"00/00/0000","modifiedDate":null,"userLevel":"ALL","displayPrice":null,"baseProductName":null,"firstVariantCode":null,"firstVariantImage":null,"productMarketType":null,"productNumber":null,"typeStatusCode":null,"productCategory":null,"typeNumber":null,"marketCode":null,"regionCode":null,"otherInformation":null,"productTypeStatus":null,"repairInstruction":null,"repairInstructionStatusDescription":null,"typeStatusDate":null,"serviceLifeDate":null,"manufacturerId":null,"parts":null,"language":null,"glossaries":null,"brand":null,"product":null,"brandCode":null,"recallNotes":null,"volume":null},{"code":"P946-04173E-CM","name":null,"url":"/c//p/P946-04173E-CM","description":"CABLE","purchasable":true,"stock":{"stockLevelStatus":{"code":"inStock","type":"StockLevelStatus"},"stockLevel":0,"stockThreshold":null},"futureStocks":null,"availableForPickup":null,"averageRating":null,"numberOfReviews":null,"summary":null,"manufacturer":null,"variantType":null,"price":{"currencyIso":"USD","value":47.24,"priceType":"BUY","formattedValue":"$47.24","minQuantity":null,"maxQuantity":null,"sapUnit":{"code":"pieces","name":"Piece"}},"baseProduct":null,"images":[],"categories":null,"reviews":null,"classifications":null,"potentialPromotions":null,"variantOptions":null,"baseOptions":[],"volumePricesFlag":null,"volumePrices":null,"productReferences":null,"variantMatrix":null,"priceRange":null,"firstCategoryNameList":null,"multidimensional":null,"configurable":false,"configuratorType":null,"addToCartDisabled":null,"addToCartDisabledMessage":null,"tags":null,"sapUnit":null,"keywords":null,"genders":null,"itemtype":"Part","partSubstitute":null,"note":null,"recallNote":null,"note1":null,"note2":null,"note3":null,"note4":null,"note5":null,"pdfAllUser":null,"pdfAuthUser":null,"pdfCOSUser":null,"vaiantRelatedPartList":null,"partHotspotList":null,"itemNumber":22,"partRelatedVariantList":null,"bomCode":2,"totalValue":null,"searchImage":null,"length":null,"width":null,"height":null,"unitOfDimension":null,"weight":null,"unitOfWeight":null,"specialRouting":false,"onlineRepair":null,"previousPartID":null,"sbdDiscountPriceValue":{"currencyIso":"USD","value":47.24,"priceType":"BUY","formattedValue":"$47.24","minQuantity":null,"maxQuantity":null,"sapUnit":{"code":"pieces","name":"Piece"}},"alrCode":null,"productRecallFlag":null,"selectedDocumentId":null,"productDescription":null,"pdpImage":null,"ticketId":null,"qtyRequiredPerVariant":"1","isElgibleForRepair":null,"isPowerEligible":null,"productRecallNotes":null,"productOtherInfo":null,"backorderETA":"00/00/0000","modifiedDate":null,"userLevel":"ALL","displayPrice":null,"baseProductName":null,"firstVariantCode":null,"firstVariantImage":null,"productMarketType":null,"productNumber":null,"typeStatusCode":null,"productCategory":null,"typeNumber":null,"marketCode":null,"regionCode":null,"otherInformation":null,"productTypeStatus":null,"repairInstruction":null,"repairInstructionStatusDescription":null,"typeStatusDate":null,"serviceLifeDate":null,"manufacturerId":null,"parts":null,"language":null,"glossaries":null,"brand":null,"product":null,"brandCode":null,"recallNotes":null,"volume":null},{"code":"P710-0859-CM","name":null,"url":"/c//p/P710-0859-CM","description":"SCREW-HEX","purchasable":true,"stock":{"stockLevelStatus":{"code":"inStock","type":"StockLevelStatus"},"stockLevel":0,"stockThreshold":null},"futureStocks":null,"availableForPickup":null,"averageRating":null,"numberOfReviews":null,"summary":null,"manufacturer":null,"variantType":null,"price":{"currencyIso":"USD","value":4.13,"priceType":"BUY","formattedValue":"$4.13","minQuantity":null,"maxQuantity":null,"sapUnit":{"code":"pieces","name":"Piece"}},"baseProduct":null,"images":[],"categories":null,"reviews":null,"classifications":null,"potentialPromotions":null,"variantOptions":null,"baseOptions":[],"volumePricesFlag":null,"volumePrices":null,"productReferences":null,"variantMatrix":null,"priceRange":null,"firstCategoryNameList":null,"multidimensional":null,"configurable":false,"configuratorType":null,"addToCartDisabled":null,"addToCartDisabledMessage":null,"tags":null,"sapUnit":null,"keywords":null,"genders":null,"itemtype":"Part","partSubstitute":null,"note":null,"recallNote":null,"note1":null,"note2":null,"note3":null,"note4":null,"note5":null,"pdfAllUser":null,"pdfAuthUser":null,"pdfCOSUser":null,"vaiantRelatedPartList":null,"partHotspotList":null,"itemNumber":23,"partRelatedVariantList":null,"bomCode":2,"totalValue":null,"searchImage":null,"length":null,"width":null,"height":null,"unitOfDimension":null,"weight":null,"unitOfWeight":null,"specialRouting":false,"onlineRepair":null,"previousPartID":null,"sbdDiscountPriceValue":{"currencyIso":"USD","value":4.13,"priceType":"BUY","formattedValue":"$4.13","minQuantity":null,"maxQuantity":null,"sapUnit":{"code":"pieces","name":"Piece"}},"alrCode":null,"productRecallFlag":null,"selectedDocumentId":null,"productDescription":null,"pdpImage":null,"ticketId":null,"qtyRequiredPerVariant":"1","isElgibleForRepair":null,"isPowerEligible":null,"productRecallNotes":null,"productOtherInfo":null,"backorderETA":"00/00/0000","modifiedDate":null,"userLevel":"ALL","displayPrice":null,"baseProductName":null,"firstVariantCode":null,"firstVariantImage":null,"productMarketType":null,"productNumber":null,"typeStatusCode":null,"productCategory":null,"typeNumber":null,"marketCode":null,"regionCode":null,"otherInformation":null,"productTypeStatus":null,"repairInstruction":null,"repairInstructionStatusDescription":null,"typeStatusDate":null,"serviceLifeDate":null,"manufacturerId":null,"parts":null,"language":null,"glossaries":null,"brand":null,"product":null,"brandCode":null,"recallNotes":null,"volume":null},{"code":"P710-3144-CM","name":null,"url":"/c//p/P710-3144-CM","description":"HEX BOLT","purchasable":true,"stock":{"stockLevelStatus":{"code":"inStock","type":"StockLevelStatus"},"stockLevel":0,"stockThreshold":null},"futureStocks":null,"availableForPickup":null,"averageRating":null,"numberOfReviews":null,"summary":null,"manufacturer":null,"variantType":null,"price":{"currencyIso":"USD","value":2.76,"priceType":"BUY","formattedValue":"$2.76","minQuantity":null,"maxQuantity":null,"sapUnit":{"code":"pieces","name":"Piece"}},"baseProduct":null,"images":[],"categories":null,"reviews":null,"classifications":null,"potentialPromotions":null,"variantOptions":null,"baseOptions":[],"volumePricesFlag":null,"volumePrices":null,"productReferences":null,"variantMatrix":null,"priceRange":null,"firstCategoryNameList":null,"multidimensional":null,"configurable":false,"configuratorType":null,"addToCartDisabled":null,"addToCartDisabledMessage":null,"tags":null,"sapUnit":null,"keywords":null,"genders":null,"itemtype":"Part","partSubstitute":null,"note":null,"recallNote":null,"note1":null,"note2":null,"note3":null,"note4":null,"note5":null,"pdfAllUser":null,"pdfAuthUser":null,"pdfCOSUser":null,"vaiantRelatedPartList":null,"partHotspotList":null,"itemNumber":23,"partRelatedVariantList":null,"bomCode":2,"totalValue":null,"searchImage":null,"length":null,"width":null,"height":null,"unitOfDimension":null,"weight":null,"unitOfWeight":null,"specialRouting":false,"onlineRepair":null,"previousPartID":null,"sbdDiscountPriceValue":{"currencyIso":"USD","value":2.76,"priceType":"BUY","formattedValue":"$2.76","minQuantity":null,"maxQuantity":null,"sapUnit":{"code":"pieces","name":"Piece"}},"alrCode":null,"productRecallFlag":null,"selectedDocumentId":null,"productDescription":null,"pdpImage":null,"ticketId":null,"qtyRequiredPerVariant":"1","isElgibleForRepair":null,"isPowerEligible":null,"productRecallNotes":null,"productOtherInfo":null,"backorderETA":"00/00/0000","modifiedDate":null,"userLevel":"ALL","displayPrice":null,"baseProductName":null,"firstVariantCode":null,"firstVariantImage":null,"productMarketType":null,"productNumber":null,"typeStatusCode":null,"productCategory":null,"typeNumber":null,"marketCode":null,"regionCode":null,"otherInformation":null,"productTypeStatus":null,"repairInstruction":null,"repairInstructionStatusDescription":null,"typeStatusDate":null,"serviceLifeDate":null,"manufacturerId":null,"parts":null,"language":null,"glossaries":null,"brand":null,"product":null,"brandCode":null,"recallNotes":null,"volume":null},{"code":"P710-3144-CM","name":null,"url":"/c//p/P710-3144-CM","description":"HEX BOLT","purchasable":true,"stock":{"stockLevelStatus":{"code":"inStock","type":"StockLevelStatus"},"stockLevel":0,"stockThreshold":null},"futureStocks":null,"availableForPickup":null,"averageRating":null,"numberOfReviews":null,"summary":null,"manufacturer":null,"variantType":null,"price":{"currencyIso":"USD","value":2.76,"priceType":"BUY","formattedValue":"$2.76","minQuantity":null,"maxQuantity":null,"sapUnit":{"code":"pieces","name":"Piece"}},"baseProduct":null,"images":[],"categories":null,"reviews":null,"classifications":null,"potentialPromotions":null,"variantOptions":null,"baseOptions":[],"volumePricesFlag":null,"volumePrices":null,"productReferences":null,"variantMatrix":null,"priceRange":null,"firstCategoryNameList":null,"multidimensional":null,"configurable":false,"configuratorType":null,"addToCartDisabled":null,"addToCartDisabledMessage":null,"tags":null,"sapUnit":null,"keywords":null,"genders":null,"itemtype":"Part","partSubstitute":null,"note":null,"recallNote":null,"note1":null,"note2":null,"note3":null,"note4":null,"note5":null,"pdfAllUser":null,"pdfAuthUser":null,"pdfCOSUser":null,"vaiantRelatedPartList":null,"partHotspotList":null,"itemNumber":23,"partRelatedVariantList":null,"bomCode":2,"totalValue":null,"searchImage":null,"length":null,"width":null,"height":null,"unitOfDimension":null,"weight":null,"unitOfWeight":null,"specialRouting":false,"onlineRepair":null,"previousPartID":null,"sbdDiscountPriceValue":{"currencyIso":"USD","value":2.76,"priceType":"BUY","formattedValue":"$2.76","minQuantity":null,"maxQuantity":null,"sapUnit":{"code":"pieces","name":"Piece"}},"alrCode":null,"productRecallFlag":null,"selectedDocumentId":null,"productDescription":null,"pdpImage":null,"ticketId":null,"qtyRequiredPerVariant":"1","isElgibleForRepair":null,"isPowerEligible":null,"productRecallNotes":null,"productOtherInfo":null,"backorderETA":"00/00/0000","modifiedDate":null,"userLevel":"ALL","displayPrice":null,"baseProductName":null,"firstVariantCode":null,"firstVariantImage":null,"productMarketType":null,"productNumber":null,"typeStatusCode":null,"productCategory":null,"typeNumber":null,"marketCode":null,"regionCode":null,"otherInformation":null,"productTypeStatus":null,"repairInstruction":null,"repairInstructionStatusDescription":null,"typeStatusDate":null,"serviceLifeDate":null,"manufacturerId":null,"parts":null,"language":null,"glossaries":null,"brand":null,"product":null,"brandCode":null,"recallNotes":null,"volume":null},{"code":"P725-04439B-CM","name":null,"url":"/c//p/P725-04439B-CM","description":"SOLENOID","purchasable":true,"stock":{"stockLevelStatus":{"code":"inStock","type":"StockLevelStatus"},"stockLevel":0,"stockThreshold":null},"futureStocks":null,"availableForPickup":null,"averageRating":null,"numberOfReviews":null,"summary":null,"manufacturer":null,"variantType":null,"price":{"currencyIso":"USD","value":24.2,"priceType":"BUY","formattedValue":"$24.20","minQuantity":null,"maxQuantity":null,"sapUnit":{"code":"pieces","name":"Piece"}},"baseProduct":null,"images":[],"categories":null,"reviews":null,"classifications":null,"potentialPromotions":null,"variantOptions":null,"baseOptions":[],"volumePricesFlag":null,"volumePrices":null,"productReferences":null,"variantMatrix":null,"priceRange":null,"firstCategoryNameList":null,"multidimensional":null,"configurable":false,"configuratorType":null,"addToCartDisabled":null,"addToCartDisabledMessage":null,"tags":null,"sapUnit":null,"keywords":null,"genders":null,"itemtype":"Part","partSubstitute":null,"note":null,"recallNote":null,"note1":null,"note2":null,"note3":null,"note4":null,"note5":null,"pdfAllUser":null,"pdfAuthUser":null,"pdfCOSUser":null,"vaiantRelatedPartList":null,"partHotspotList":null,"itemNumber":23,"partRelatedVariantList":null,"bomCode":2,"totalValue":null,"searchImage":null,"length":null,"width":null,"height":null,"unitOfDimension":null,"weight":null,"unitOfWeight":null,"specialRouting":false,"onlineRepair":null,"previousPartID":null,"sbdDiscountPriceValue":{"currencyIso":"USD","value":24.2,"priceType":"BUY","formattedValue":"$24.20","minQuantity":null,"maxQuantity":null,"sapUnit":{"code":"pieces","name":"Piece"}},"alrCode":null,"productRecallFlag":null,"selectedDocumentId":null,"productDescription":null,"pdpImage":null,"ticketId":null,"qtyRequiredPerVariant":"1","isElgibleForRepair":null,"isPowerEligible":null,"productRecallNotes":null,"productOtherInfo":null,"backorderETA":"00/00/0000","modifiedDate":null,"userLevel":"ALL","displayPrice":null,"baseProductName":null,"firstVariantCode":null,"firstVariantImage":null,"productMarketType":null,"productNumber":null,"typeStatusCode":null,"productCategory":null,"typeNumber":null,"marketCode":null,"regionCode":null,"otherInformation":null,"productTypeStatus":null,"repairInstruction":null,"repairInstructionStatusDescription":null,"typeStatusDate":null,"serviceLifeDate":null,"manufacturerId":null,"parts":null,"language":null,"glossaries":null,"brand":null,"product":null,"brandCode":null,"recallNotes":null,"volume":null},{"code":"P932-0384-CM","name":null,"url":"/c//p/P932-0384-CM","description":"SPRING-EXTEN","purchasable":true,"stock":{"stockLevelStatus":{"code":"inStock","type":"StockLevelStatus"},"stockLevel":0,"stockThreshold":null},"futureStocks":null,"availableForPickup":null,"averageRating":null,"numberOfReviews":null,"summary":null,"manufacturer":null,"variantType":null,"price":{"currencyIso":"USD","value":9.14,"priceType":"BUY","formattedValue":"$9.14","minQuantity":null,"maxQuantity":null,"sapUnit":{"code":"pieces","name":"Piece"}},"baseProduct":null,"images":[],"categories":null,"reviews":null,"classifications":null,"potentialPromotions":null,"variantOptions":null,"baseOptions":[],"volumePricesFlag":null,"volumePrices":null,"productReferences":null,"variantMatrix":null,"priceRange":null,"firstCategoryNameList":null,"multidimensional":null,"configurable":false,"configuratorType":null,"addToCartDisabled":null,"addToCartDisabledMessage":null,"tags":null,"sapUnit":null,"keywords":null,"genders":null,"itemtype":"Part","partSubstitute":null,"note":null,"recallNote":null,"note1":null,"note2":null,"note3":null,"note4":null,"note5":null,"pdfAllUser":null,"pdfAuthUser":null,"pdfCOSUser":null,"vaiantRelatedPartList":null,"partHotspotList":null,"itemNumber":23,"partRelatedVariantList":null,"bomCode":2,"totalValue":null,"searchImage":null,"length":null,"width":null,"height":null,"unitOfDimension":null,"weight":null,"unitOfWeight":null,"specialRouting":false,"onlineRepair":null,"previousPartID":null,"sbdDiscountPriceValue":{"currencyIso":"USD","value":9.14,"priceType":"BUY","formattedValue":"$9.14","minQuantity":null,"maxQuantity":null,"sapUnit":{"code":"pieces","name":"Piece"}},"alrCode":null,"productRecallFlag":null,"selectedDocumentId":null,"productDescription":null,"pdpImage":null,"ticketId":null,"qtyRequiredPerVariant":"1","isElgibleForRepair":null,"isPowerEligible":null,"productRecallNotes":null,"productOtherInfo":null,"backorderETA":"00/00/0000","modifiedDate":null,"userLevel":"ALL","displayPrice":null,"baseProductName":null,"firstVariantCode":null,"firstVariantImage":null,"productMarketType":null,"productNumber":null,"typeStatusCode":null,"productCategory":null,"typeNumber":null,"marketCode":null,"regionCode":null,"otherInformation":null,"productTypeStatus":null,"repairInstruction":null,"repairInstructionStatusDescription":null,"typeStatusDate":null,"serviceLifeDate":null,"manufacturerId":null,"parts":null,"language":null,"glossaries":null,"brand":null,"product":null,"brandCode":null,"recallNotes":null,"volume":null},{"code":"P710-1007-CM","name":null,"url":"/c//p/P710-1007-CM","description":"SCREW","purchasable":true,"stock":{"stockLevelStatus":{"code":"inStock","type":"StockLevelStatus"},"stockLevel":0,"stockThreshold":null},"futureStocks":null,"availableForPickup":null,"averageRating":null,"numberOfReviews":null,"summary":null,"manufacturer":null,"variantType":null,"price":{"currencyIso":"USD","value":3.94,"priceType":"BUY","formattedValue":"$3.94","minQuantity":null,"maxQuantity":null,"sapUnit":{"code":"pieces","name":"Piece"}},"baseProduct":null,"images":[],"categories":null,"reviews":null,"classifications":null,"potentialPromotions":null,"variantOptions":null,"baseOptions":[],"volumePricesFlag":null,"volumePrices":null,"productReferences":null,"variantMatrix":null,"priceRange":null,"firstCategoryNameList":null,"multidimensional":null,"configurable":false,"configuratorType":null,"addToCartDisabled":null,"addToCartDisabledMessage":null,"tags":null,"sapUnit":null,"keywords":null,"genders":null,"itemtype":"Part","partSubstitute":null,"note":null,"recallNote":null,"note1":null,"note2":null,"note3":null,"note4":null,"note5":null,"pdfAllUser":null,"pdfAuthUser":null,"pdfCOSUser":null,"vaiantRelatedPartList":null,"partHotspotList":null,"itemNumber":24,"partRelatedVariantList":null,"bomCode":2,"totalValue":null,"searchImage":null,"length":null,"width":null,"height":null,"unitOfDimension":null,"weight":null,"unitOfWeight":null,"specialRouting":false,"onlineRepair":null,"previousPartID":null,"sbdDiscountPriceValue":{"currencyIso":"USD","value":3.94,"priceType":"BUY","formattedValue":"$3.94","minQuantity":null,"maxQuantity":null,"sapUnit":{"code":"pieces","name":"Piece"}},"alrCode":null,"productRecallFlag":null,"selectedDocumentId":null,"productDescription":null,"pdpImage":null,"ticketId":null,"qtyRequiredPerVariant":"1","isElgibleForRepair":null,"isPowerEligible":null,"productRecallNotes":null,"productOtherInfo":null,"backorderETA":"00/00/0000","modifiedDate":null,"userLevel":"ALL","displayPrice":null,"baseProductName":null,"firstVariantCode":null,"firstVariantImage":null,"productMarketType":null,"productNumber":null,"typeStatusCode":null,"productCategory":null,"typeNumber":null,"marketCode":null,"regionCode":null,"otherInformation":null,"productTypeStatus":null,"repairInstruction":null,"repairInstructionStatusDescription":null,"typeStatusDate":null,"serviceLifeDate":null,"manufacturerId":null,"parts":null,"language":null,"glossaries":null,"brand":null,"product":null,"brandCode":null,"recallNotes":null,"volume":null},{"code":"P714-0162-CM","name":null,"url":"/c//p/P714-0162-CM","description":"COTTER PIN","purchasable":true,"stock":{"stockLevelStatus":{"code":"inStock","type":"StockLevelStatus"},"stockLevel":0,"stockThreshold":null},"futureStocks":null,"availableForPickup":null,"averageRating":null,"numberOfReviews":null,"summary":null,"manufacturer":null,"variantType":null,"price":{"currencyIso":"USD","value":2.96,"priceType":"BUY","formattedValue":"$2.96","minQuantity":null,"maxQuantity":null,"sapUnit":{"code":"pieces","name":"Piece"}},"baseProduct":null,"images":[],"categories":null,"reviews":null,"classifications":null,"potentialPromotions":null,"variantOptions":null,"baseOptions":[],"volumePricesFlag":null,"volumePrices":null,"productReferences":null,"variantMatrix":null,"priceRange":null,"firstCategoryNameList":null,"multidimensional":null,"configurable":false,"configuratorType":null,"addToCartDisabled":null,"addToCartDisabledMessage":null,"tags":null,"sapUnit":null,"keywords":null,"genders":null,"itemtype":"Part","partSubstitute":null,"note":null,"recallNote":null,"note1":null,"note2":null,"note3":null,"note4":null,"note5":null,"pdfAllUser":null,"pdfAuthUser":null,"pdfCOSUser":null,"vaiantRelatedPartList":null,"partHotspotList":null,"itemNumber":24,"partRelatedVariantList":null,"bomCode":2,"totalValue":null,"searchImage":null,"length":null,"width":null,"height":null,"unitOfDimension":null,"weight":null,"unitOfWeight":null,"specialRouting":false,"onlineRepair":null,"previousPartID":null,"sbdDiscountPriceValue":{"currencyIso":"USD","value":2.96,"priceType":"BUY","formattedValue":"$2.96","minQuantity":null,"maxQuantity":null,"sapUnit":{"code":"pieces","name":"Piece"}},"alrCode":null,"productRecallFlag":null,"selectedDocumentId":null,"productDescription":null,"pdpImage":null,"ticketId":null,"qtyRequiredPerVariant":"1","isElgibleForRepair":null,"isPowerEligible":null,"productRecallNotes":null,"productOtherInfo":null,"backorderETA":"00/00/0000","modifiedDate":null,"userLevel":"ALL","displayPrice":null,"baseProductName":null,"firstVariantCode":null,"firstVariantImage":null,"productMarketType":null,"productNumber":null,"typeStatusCode":null,"productCategory":null,"typeNumber":null,"marketCode":null,"regionCode":null,"otherInformation":null,"productTypeStatus":null,"repairInstruction":null,"repairInstructionStatusDescription":null,"typeStatusDate":null,"serviceLifeDate":null,"manufacturerId":null,"parts":null,"language":null,"glossaries":null,"brand":null,"product":null,"brandCode":null,"recallNotes":null,"volume":null},{"code":"P731-07966A-CM","name":null,"url":"/c//p/P731-07966A-CM","description":"CNTRL","purchasable":true,"stock":{"stockLevelStatus":{"code":"inStock","type":"StockLevelStatus"},"stockLevel":0,"stockThreshold":null},"futureStocks":null,"availableForPickup":null,"averageRating":null,"numberOfReviews":null,"summary":null,"manufacturer":null,"variantType":null,"price":{"currencyIso":"USD","value":3.84,"priceType":"BUY","formattedValue":"$3.84","minQuantity":null,"maxQuantity":null,"sapUnit":{"code":"pieces","name":"Piece"}},"baseProduct":null,"images":[],"categories":null,"reviews":null,"classifications":null,"potentialPromotions":null,"variantOptions":null,"baseOptions":[],"volumePricesFlag":null,"volumePrices":null,"productReferences":null,"variantMatrix":null,"priceRange":null,"firstCategoryNameList":null,"multidimensional":null,"configurable":false,"configuratorType":null,"addToCartDisabled":null,"addToCartDisabledMessage":null,"tags":null,"sapUnit":null,"keywords":null,"genders":null,"itemtype":"Part","partSubstitute":null,"note":null,"recallNote":null,"note1":null,"note2":null,"note3":null,"note4":null,"note5":null,"pdfAllUser":null,"pdfAuthUser":null,"pdfCOSUser":null,"vaiantRelatedPartList":null,"partHotspotList":null,"itemNumber":24,"partRelatedVariantList":null,"bomCode":2,"totalValue":null,"searchImage":null,"length":null,"width":null,"height":null,"unitOfDimension":null,"weight":null,"unitOfWeight":null,"specialRouting":false,"onlineRepair":null,"previousPartID":null,"sbdDiscountPriceValue":{"currencyIso":"USD","value":3.84,"priceType":"BUY","formattedValue":"$3.84","minQuantity":null,"maxQuantity":null,"sapUnit":{"code":"pieces","name":"Piece"}},"alrCode":null,"productRecallFlag":null,"selectedDocumentId":null,"productDescription":null,"pdpImage":null,"ticketId":null,"qtyRequiredPerVariant":"1","isElgibleForRepair":null,"isPowerEligible":null,"productRecallNotes":null,"productOtherInfo":null,"backorderETA":"00/00/0000","modifiedDate":null,"userLevel":"ALL","displayPrice":null,"baseProductName":null,"firstVariantCode":null,"firstVariantImage":null,"productMarketType":null,"productNumber":null,"typeStatusCode":null,"productCategory":null,"typeNumber":null,"marketCode":null,"regionCode":null,"otherInformation":null,"productTypeStatus":null,"repairInstruction":null,"repairInstructionStatusDescription":null,"typeStatusDate":null,"serviceLifeDate":null,"manufacturerId":null,"parts":null,"language":null,"glossaries":null,"brand":null,"product":null,"brandCode":null,"recallNotes":null,"volume":null},{"code":"P756-04196A-CM","name":null,"url":"/c//p/P756-04196A-CM","description":"PUL:ENG:","purchasable":true,"stock":{"stockLevelStatus":{"code":"inStock","type":"StockLevelStatus"},"stockLevel":0,"stockThreshold":null},"futureStocks":null,"availableForPickup":null,"averageRating":null,"numberOfReviews":null,"summary":null,"manufacturer":null,"variantType":null,"price":{"currencyIso":"USD","value":55.08,"priceType":"BUY","formattedValue":"$55.08","minQuantity":null,"maxQuantity":null,"sapUnit":{"code":"pieces","name":"Piece"}},"baseProduct":null,"images":[],"categories":null,"reviews":null,"classifications":null,"potentialPromotions":null,"variantOptions":null,"baseOptions":[],"volumePricesFlag":null,"volumePrices":null,"productReferences":null,"variantMatrix":null,"priceRange":null,"firstCategoryNameList":null,"multidimensional":null,"configurable":false,"configuratorType":null,"addToCartDisabled":null,"addToCartDisabledMessage":null,"tags":null,"sapUnit":null,"keywords":null,"genders":null,"itemtype":"Part","partSubstitute":null,"note":null,"recallNote":null,"note1":null,"note2":null,"note3":null,"note4":null,"note5":null,"pdfAllUser":null,"pdfAuthUser":null,"pdfCOSUser":null,"vaiantRelatedPartList":null,"partHotspotList":null,"itemNumber":24,"partRelatedVariantList":null,"bomCode":2,"totalValue":null,"searchImage":null,"length":null,"width":null,"height":null,"unitOfDimension":null,"weight":null,"unitOfWeight":null,"specialRouting":false,"onlineRepair":null,"previousPartID":null,"sbdDiscountPriceValue":{"currencyIso":"USD","value":55.08,"priceType":"BUY","formattedValue":"$55.08","minQuantity":null,"maxQuantity":null,"sapUnit":{"code":"pieces","name":"Piece"}},"alrCode":null,"productRecallFlag":null,"selectedDocumentId":null,"productDescription":null,"pdpImage":null,"ticketId":null,"qtyRequiredPerVariant":"1","isElgibleForRepair":null,"isPowerEligible":null,"productRecallNotes":null,"productOtherInfo":null,"backorderETA":"00/00/0000","modifiedDate":null,"userLevel":"ALL","displayPrice":null,"baseProductName":null,"firstVariantCode":null,"firstVariantImage":null,"productMarketType":null,"productNumber":null,"typeStatusCode":null,"productCategory":null,"typeNumber":null,"marketCode":null,"regionCode":null,"otherInformation":null,"productTypeStatus":null,"repairInstruction":null,"repairInstructionStatusDescription":null,"typeStatusDate":null,"serviceLifeDate":null,"manufacturerId":null,"parts":null,"language":null,"glossaries":null,"brand":null,"product":null,"brandCode":null,"recallNotes":null,"volume":null},{"code":"P783-07236-CM","name":null,"url":"/c//p/P783-07236-CM","description":"CAP:PULLEY","purchasable":true,"stock":{"stockLevelStatus":{"code":"inStock","type":"StockLevelStatus"},"stockLevel":0,"stockThreshold":null},"futureStocks":null,"availableForPickup":null,"averageRating":null,"numberOfReviews":null,"summary":null,"manufacturer":null,"variantType":null,"price":{"currencyIso":"USD","value":3.2,"priceType":"BUY","formattedValue":"$3.20","minQuantity":null,"maxQuantity":null,"sapUnit":{"code":"pieces","name":"Piece"}},"baseProduct":null,"images":[],"categories":null,"reviews":null,"classifications":null,"potentialPromotions":null,"variantOptions":null,"baseOptions":[],"volumePricesFlag":null,"volumePrices":null,"productReferences":null,"variantMatrix":null,"priceRange":null,"firstCategoryNameList":null,"multidimensional":null,"configurable":false,"configuratorType":null,"addToCartDisabled":null,"addToCartDisabledMessage":null,"tags":null,"sapUnit":null,"keywords":null,"genders":null,"itemtype":"Part","partSubstitute":null,"note":null,"recallNote":null,"note1":null,"note2":null,"note3":null,"note4":null,"note5":null,"pdfAllUser":null,"pdfAuthUser":null,"pdfCOSUser":null,"vaiantRelatedPartList":null,"partHotspotList":null,"itemNumber":24,"partRelatedVariantList":null,"bomCode":2,"totalValue":null,"searchImage":null,"length":null,"width":null,"height":null,"unitOfDimension":null,"weight":null,"unitOfWeight":null,"specialRouting":false,"onlineRepair":null,"previousPartID":null,"sbdDiscountPriceValue":{"currencyIso":"USD","value":3.2,"priceType":"BUY","formattedValue":"$3.20","minQuantity":null,"maxQuantity":null,"sapUnit":{"code":"pieces","name":"Piece"}},"alrCode":null,"productRecallFlag":null,"selectedDocumentId":null,"productDescription":null,"pdpImage":null,"ticketId":null,"qtyRequiredPerVariant":"1","isElgibleForRepair":null,"isPowerEligible":null,"productRecallNotes":null,"productOtherInfo":null,"backorderETA":"00/00/0000","modifiedDate":null,"userLevel":"ALL","displayPrice":null,"baseProductName":null,"firstVariantCode":null,"firstVariantImage":null,"productMarketType":null,"productNumber":null,"typeStatusCode":null,"productCategory":null,"typeNumber":null,"marketCode":null,"regionCode":null,"otherInformation":null,"productTypeStatus":null,"repairInstruction":null,"repairInstructionStatusDescription":null,"typeStatusDate":null,"serviceLifeDate":null,"manufacturerId":null,"parts":null,"language":null,"glossaries":null,"brand":null,"product":null,"brandCode":null,"recallNotes":null,"volume":null},{"code":"P000000-00","name":null,"url":"/c//p/P000000-00","description":"NO LONGER AVAILABLE","purchasable":true,"stock":{"stockLevelStatus":{"code":"inStock","type":"StockLevelStatus"},"stockLevel":0,"stockThreshold":null},"futureStocks":null,"availableForPickup":null,"averageRating":null,"numberOfReviews":null,"summary":null,"manufacturer":null,"variantType":null,"price":{"currencyIso":"USD","value":0.0,"priceType":"BUY","formattedValue":"$0.00","minQuantity":null,"maxQuantity":null,"sapUnit":{"code":"pieces","name":"Piece"}},"baseProduct":null,"images":[],"categories":null,"reviews":null,"classifications":null,"potentialPromotions":null,"variantOptions":null,"baseOptions":[],"volumePricesFlag":null,"volumePrices":null,"productReferences":null,"variantMatrix":null,"priceRange":null,"firstCategoryNameList":null,"multidimensional":null,"configurable":false,"configuratorType":null,"addToCartDisabled":null,"addToCartDisabledMessage":null,"tags":null,"sapUnit":null,"keywords":null,"genders":null,"itemtype":"Part","partSubstitute":null,"note":null,"recallNote":null,"note1":null,"note2":null,"note3":null,"note4":null,"note5":null,"pdfAllUser":null,"pdfAuthUser":null,"pdfCOSUser":null,"vaiantRelatedPartList":null,"partHotspotList":null,"itemNumber":26,"partRelatedVariantList":null,"bomCode":2,"totalValue":null,"searchImage":null,"length":null,"width":null,"height":null,"unitOfDimension":null,"weight":null,"unitOfWeight":null,"specialRouting":false,"onlineRepair":null,"previousPartID":null,"sbdDiscountPriceValue":{"currencyIso":"USD","value":0.0,"priceType":"BUY","formattedValue":"$0.00","minQuantity":null,"maxQuantity":null,"sapUnit":{"code":"pieces","name":"Piece"}},"alrCode":null,"productRecallFlag":null,"selectedDocumentId":null,"productDescription":null,"pdpImage":null,"ticketId":null,"qtyRequiredPerVariant":"1","isElgibleForRepair":null,"isPowerEligible":null,"productRecallNotes":null,"productOtherInfo":null,"backorderETA":null,"modifiedDate":null,"userLevel":"ALL","displayPrice":null,"baseProductName":null,"firstVariantCode":null,"firstVariantImage":null,"productMarketType":null,"productNumber":null,"typeStatusCode":null,"productCategory":null,"typeNumber":null,"marketCode":null,"regionCode":null,"otherInformation":null,"productTypeStatus":null,"repairInstruction":null,"repairInstructionStatusDescription":null,"typeStatusDate":null,"serviceLifeDate":null,"manufacturerId":null,"parts":null,"language":null,"glossaries":null,"brand":null,"product":null,"brandCode":null,"recallNotes":null,"volume":null},{"code":"P000000-00","name":null,"url":"/c//p/P000000-00","description":"NO LONGER AVAILABLE","purchasable":true,"stock":{"stockLevelStatus":{"code":"inStock","type":"StockLevelStatus"},"stockLevel":0,"stockThreshold":null},"futureStocks":null,"availableForPickup":null,"averageRating":null,"numberOfReviews":null,"summary":null,"manufacturer":null,"variantType":null,"price":{"currencyIso":"USD","value":0.0,"priceType":"BUY","formattedValue":"$0.00","minQuantity":null,"maxQuantity":null,"sapUnit":{"code":"pieces","name":"Piece"}},"baseProduct":null,"images":[],"categories":null,"reviews":null,"classifications":null,"potentialPromotions":null,"variantOptions":null,"baseOptions":[],"volumePricesFlag":null,"volumePrices":null,"productReferences":null,"variantMatrix":null,"priceRange":null,"firstCategoryNameList":null,"multidimensional":null,"configurable":false,"configuratorType":null,"addToCartDisabled":null,"addToCartDisabledMessage":null,"tags":null,"sapUnit":null,"keywords":null,"genders":null,"itemtype":"Part","partSubstitute":null,"note":null,"recallNote":null,"note1":null,"note2":null,"note3":null,"note4":null,"note5":null,"pdfAllUser":null,"pdfAuthUser":null,"pdfCOSUser":null,"vaiantRelatedPartList":null,"partHotspotList":null,"itemNumber":26,"partRelatedVariantList":null,"bomCode":2,"totalValue":null,"searchImage":null,"length":null,"width":null,"height":null,"unitOfDimension":null,"weight":null,"unitOfWeight":null,"specialRouting":false,"onlineRepair":null,"previousPartID":null,"sbdDiscountPriceValue":{"currencyIso":"USD","value":0.0,"priceType":"BUY","formattedValue":"$0.00","minQuantity":null,"maxQuantity":null,"sapUnit":{"code":"pieces","name":"Piece"}},"alrCode":null,"productRecallFlag":null,"selectedDocumentId":null,"productDescription":null,"pdpImage":null,"ticketId":null,"qtyRequiredPerVariant":"1","isElgibleForRepair":null,"isPowerEligible":null,"productRecallNotes":null,"productOtherInfo":null,"backorderETA":null,"modifiedDate":null,"userLevel":"ALL","displayPrice":null,"baseProductName":null,"firstVariantCode":null,"firstVariantImage":null,"productMarketType":null,"productNumber":null,"typeStatusCode":null,"productCategory":null,"typeNumber":null,"marketCode":null,"regionCode":null,"otherInformation":null,"productTypeStatus":null,"repairInstruction":null,"repairInstructionStatusDescription":null,"typeStatusDate":null,"serviceLifeDate":null,"manufacturerId":null,"parts":null,"language":null,"glossaries":null,"brand":null,"product":null,"brandCode":null,"recallNotes":null,"volume":null},{"code":"P000000-00","name":null,"url":"/c//p/P000000-00","description":"NO LONGER AVAILABLE","purchasable":true,"stock":{"stockLevelStatus":{"code":"inStock","type":"StockLevelStatus"},"stockLevel":0,"stockThreshold":null},"futureStocks":null,"availableForPickup":null,"averageRating":null,"numberOfReviews":null,"summary":null,"manufacturer":null,"variantType":null,"price":{"currencyIso":"USD","value":0.0,"priceType":"BUY","formattedValue":"$0.00","minQuantity":null,"maxQuantity":null,"sapUnit":{"code":"pieces","name":"Piece"}},"baseProduct":null,"images":[],"categories":null,"reviews":null,"classifications":null,"potentialPromotions":null,"variantOptions":null,"baseOptions":[],"volumePricesFlag":null,"volumePrices":null,"productReferences":null,"variantMatrix":null,"priceRange":null,"firstCategoryNameList":null,"multidimensional":null,"configurable":false,"configuratorType":null,"addToCartDisabled":null,"addToCartDisabledMessage":null,"tags":null,"sapUnit":null,"keywords":null,"genders":null,"itemtype":"Part","partSubstitute":null,"note":null,"recallNote":null,"note1":null,"note2":null,"note3":null,"note4":null,"note5":null,"pdfAllUser":null,"pdfAuthUser":null,"pdfCOSUser":null,"vaiantRelatedPartList":null,"partHotspotList":null,"itemNumber":26,"partRelatedVariantList":null,"bomCode":2,"totalValue":null,"searchImage":null,"length":null,"width":null,"height":null,"unitOfDimension":null,"weight":null,"unitOfWeight":null,"specialRouting":false,"onlineRepair":null,"previousPartID":null,"sbdDiscountPriceValue":{"currencyIso":"USD","value":0.0,"priceType":"BUY","formattedValue":"$0.00","minQuantity":null,"maxQuantity":null,"sapUnit":{"code":"pieces","name":"Piece"}},"alrCode":null,"productRecallFlag":null,"selectedDocumentId":null,"productDescription":null,"pdpImage":null,"ticketId":null,"qtyRequiredPerVariant":"1","isElgibleForRepair":null,"isPowerEligible":null,"productRecallNotes":null,"productOtherInfo":null,"backorderETA":null,"modifiedDate":null,"userLevel":"ALL","displayPrice":null,"baseProductName":null,"firstVariantCode":null,"firstVariantImage":null,"productMarketType":null,"productNumber":null,"typeStatusCode":null,"productCategory":null,"typeNumber":null,"marketCode":null,"regionCode":null,"otherInformation":null,"productTypeStatus":null,"repairInstruction":null,"repairInstructionStatusDescription":null,"typeStatusDate":null,"serviceLifeDate":null,"manufacturerId":null,"parts":null,"language":null,"glossaries":null,"brand":null,"product":null,"brandCode":null,"recallNotes":null,"volume":null},{"code":"P710-04484-CM","name":null,"url":"/c//p/P710-04484-CM","description":"SCREW","purchasable":true,"stock":{"stockLevelStatus":{"code":"inStock","type":"StockLevelStatus"},"stockLevel":0,"stockThreshold":null},"futureStocks":null,"availableForPickup":null,"averageRating":null,"numberOfReviews":null,"summary":null,"manufacturer":null,"variantType":null,"price":{"currencyIso":"USD","value":2.3,"priceType":"BUY","formattedValue":"$2.30","minQuantity":null,"maxQuantity":null,"sapUnit":{"code":"pieces","name":"Piece"}},"baseProduct":null,"images":[],"categories":null,"reviews":null,"classifications":null,"potentialPromotions":null,"variantOptions":null,"baseOptions":[],"volumePricesFlag":null,"volumePrices":null,"productReferences":null,"variantMatrix":null,"priceRange":null,"firstCategoryNameList":null,"multidimensional":null,"configurable":false,"configuratorType":null,"addToCartDisabled":null,"addToCartDisabledMessage":null,"tags":null,"sapUnit":null,"keywords":null,"genders":null,"itemtype":"Part","partSubstitute":null,"note":null,"recallNote":null,"note1":null,"note2":null,"note3":null,"note4":null,"note5":null,"pdfAllUser":null,"pdfAuthUser":null,"pdfCOSUser":null,"vaiantRelatedPartList":null,"partHotspotList":null,"itemNumber":26,"partRelatedVariantList":null,"bomCode":2,"totalValue":null,"searchImage":null,"length":null,"width":null,"height":null,"unitOfDimension":null,"weight":null,"unitOfWeight":null,"specialRouting":false,"onlineRepair":null,"previousPartID":null,"sbdDiscountPriceValue":{"currencyIso":"USD","value":2.3,"priceType":"BUY","formattedValue":"$2.30","minQuantity":null,"maxQuantity":null,"sapUnit":{"code":"pieces","name":"Piece"}},"alrCode":null,"productRecallFlag":null,"selectedDocumentId":null,"productDescription":null,"pdpImage":null,"ticketId":null,"qtyRequiredPerVariant":"1","isElgibleForRepair":null,"isPowerEligible":null,"productRecallNotes":null,"productOtherInfo":null,"backorderETA":"00/00/0000","modifiedDate":null,"userLevel":"ALL","displayPrice":null,"baseProductName":null,"firstVariantCode":null,"firstVariantImage":null,"productMarketType":null,"productNumber":null,"typeStatusCode":null,"productCategory":null,"typeNumber":null,"marketCode":null,"regionCode":null,"otherInformation":null,"productTypeStatus":null,"repairInstruction":null,"repairInstructionStatusDescription":null,"typeStatusDate":null,"serviceLifeDate":null,"manufacturerId":null,"parts":null,"language":null,"glossaries":null,"brand":null,"product":null,"brandCode":null,"recallNotes":null,"volume":null},{"code":"P710-04484-CM","name":null,"url":"/c//p/P710-04484-CM","description":"SCREW","purchasable":true,"stock":{"stockLevelStatus":{"code":"inStock","type":"StockLevelStatus"},"stockLevel":0,"stockThreshold":null},"futureStocks":null,"availableForPickup":null,"averageRating":null,"numberOfReviews":null,"summary":null,"manufacturer":null,"variantType":null,"price":{"currencyIso":"USD","value":2.3,"priceType":"BUY","formattedValue":"$2.30","minQuantity":null,"maxQuantity":null,"sapUnit":{"code":"pieces","name":"Piece"}},"baseProduct":null,"images":[],"categories":null,"reviews":null,"classifications":null,"potentialPromotions":null,"variantOptions":null,"baseOptions":[],"volumePricesFlag":null,"volumePrices":null,"productReferences":null,"variantMatrix":null,"priceRange":null,"firstCategoryNameList":null,"multidimensional":null,"configurable":false,"configuratorType":null,"addToCartDisabled":null,"addToCartDisabledMessage":null,"tags":null,"sapUnit":null,"keywords":null,"genders":null,"itemtype":"Part","partSubstitute":null,"note":null,"recallNote":null,"note1":null,"note2":null,"note3":null,"note4":null,"note5":null,"pdfAllUser":null,"pdfAuthUser":null,"pdfCOSUser":null,"vaiantRelatedPartList":null,"partHotspotList":null,"itemNumber":26,"partRelatedVariantList":null,"bomCode":2,"totalValue":null,"searchImage":null,"length":null,"width":null,"height":null,"unitOfDimension":null,"weight":null,"unitOfWeight":null,"specialRouting":false,"onlineRepair":null,"previousPartID":null,"sbdDiscountPriceValue":{"currencyIso":"USD","value":2.3,"priceType":"BUY","formattedValue":"$2.30","minQuantity":null,"maxQuantity":null,"sapUnit":{"code":"pieces","name":"Piece"}},"alrCode":null,"productRecallFlag":null,"selectedDocumentId":null,"productDescription":null,"pdpImage":null,"ticketId":null,"qtyRequiredPerVariant":"1","isElgibleForRepair":null,"isPowerEligible":null,"productRecallNotes":null,"productOtherInfo":null,"backorderETA":"00/00/0000","modifiedDate":null,"userLevel":"ALL","displayPrice":null,"baseProductName":null,"firstVariantCode":null,"firstVariantImage":null,"productMarketType":null,"productNumber":null,"typeStatusCode":null,"productCategory":null,"typeNumber":null,"marketCode":null,"regionCode":null,"otherInformation":null,"productTypeStatus":null,"repairInstruction":null,"repairInstructionStatusDescription":null,"typeStatusDate":null,"serviceLifeDate":null,"manufacturerId":null,"parts":null,"language":null,"glossaries":null,"brand":null,"product":null,"brandCode":null,"recallNotes":null,"volume":null},{"code":"P710-04484-CM","name":null,"url":"/c//p/P710-04484-CM","description":"SCREW","purchasable":true,"stock":{"stockLevelStatus":{"code":"inStock","type":"StockLevelStatus"},"stockLevel":0,"stockThreshold":null},"futureStocks":null,"availableForPickup":null,"averageRating":null,"numberOfReviews":null,"summary":null,"manufacturer":null,"variantType":null,"price":{"currencyIso":"USD","value":2.3,"priceType":"BUY","formattedValue":"$2.30","minQuantity":null,"maxQuantity":null,"sapUnit":{"code":"pieces","name":"Piece"}},"baseProduct":null,"images":[],"categories":null,"reviews":null,"classifications":null,"potentialPromotions":null,"variantOptions":null,"baseOptions":[],"volumePricesFlag":null,"volumePrices":null,"productReferences":null,"variantMatrix":null,"priceRange":null,"firstCategoryNameList":null,"multidimensional":null,"configurable":false,"configuratorType":null,"addToCartDisabled":null,"addToCartDisabledMessage":null,"tags":null,"sapUnit":null,"keywords":null,"genders":null,"itemtype":"Part","partSubstitute":null,"note":null,"recallNote":null,"note1":null,"note2":null,"note3":null,"note4":null,"note5":null,"pdfAllUser":null,"pdfAuthUser":null,"pdfCOSUser":null,"vaiantRelatedPartList":null,"partHotspotList":null,"itemNumber":26,"partRelatedVariantList":null,"bomCode":2,"totalValue":null,"searchImage":null,"length":null,"width":null,"height":null,"unitOfDimension":null,"weight":null,"unitOfWeight":null,"specialRouting":false,"onlineRepair":null,"previousPartID":null,"sbdDiscountPriceValue":{"currencyIso":"USD","value":2.3,"priceType":"BUY","formattedValue":"$2.30","minQuantity":null,"maxQuantity":null,"sapUnit":{"code":"pieces","name":"Piece"}},"alrCode":null,"productRecallFlag":null,"selectedDocumentId":null,"productDescription":null,"pdpImage":null,"ticketId":null,"qtyRequiredPerVariant":"1","isElgibleForRepair":null,"isPowerEligible":null,"productRecallNotes":null,"productOtherInfo":null,"backorderETA":"00/00/0000","modifiedDate":null,"userLevel":"ALL","displayPrice":null,"baseProductName":null,"firstVariantCode":null,"firstVariantImage":null,"productMarketType":null,"productNumber":null,"typeStatusCode":null,"productCategory":null,"typeNumber":null,"marketCode":null,"regionCode":null,"otherInformation":null,"productTypeStatus":null,"repairInstruction":null,"repairInstructionStatusDescription":null,"typeStatusDate":null,"serviceLifeDate":null,"manufacturerId":null,"parts":null,"language":null,"glossaries":null,"brand":null,"product":null,"brandCode":null,"recallNotes":null,"volume":null},{"code":"P710-04484-CM","name":null,"url":"/c//p/P710-04484-CM","description":"SCREW","purchasable":true,"stock":{"stockLevelStatus":{"code":"inStock","type":"StockLevelStatus"},"stockLevel":0,"stockThreshold":null},"futureStocks":null,"availableForPickup":null,"averageRating":null,"numberOfReviews":null,"summary":null,"manufacturer":null,"variantType":null,"price":{"currencyIso":"USD","value":2.3,"priceType":"BUY","formattedValue":"$2.30","minQuantity":null,"maxQuantity":null,"sapUnit":{"code":"pieces","name":"Piece"}},"baseProduct":null,"images":[],"categories":null,"reviews":null,"classifications":null,"potentialPromotions":null,"variantOptions":null,"baseOptions":[],"volumePricesFlag":null,"volumePrices":null,"productReferences":null,"variantMatrix":null,"priceRange":null,"firstCategoryNameList":null,"multidimensional":null,"configurable":false,"configuratorType":null,"addToCartDisabled":null,"addToCartDisabledMessage":null,"tags":null,"sapUnit":null,"keywords":null,"genders":null,"itemtype":"Part","partSubstitute":null,"note":null,"recallNote":null,"note1":null,"note2":null,"note3":null,"note4":null,"note5":null,"pdfAllUser":null,"pdfAuthUser":null,"pdfCOSUser":null,"vaiantRelatedPartList":null,"partHotspotList":null,"itemNumber":26,"partRelatedVariantList":null,"bomCode":2,"totalValue":null,"searchImage":null,"length":null,"width":null,"height":null,"unitOfDimension":null,"weight":null,"unitOfWeight":null,"specialRouting":false,"onlineRepair":null,"previousPartID":null,"sbdDiscountPriceValue":{"currencyIso":"USD","value":2.3,"priceType":"BUY","formattedValue":"$2.30","minQuantity":null,"maxQuantity":null,"sapUnit":{"code":"pieces","name":"Piece"}},"alrCode":null,"productRecallFlag":null,"selectedDocumentId":null,"productDescription":null,"pdpImage":null,"ticketId":null,"qtyRequiredPerVariant":"1","isElgibleForRepair":null,"isPowerEligible":null,"productRecallNotes":null,"productOtherInfo":null,"backorderETA":"00/00/0000","modifiedDate":null,"userLevel":"ALL","displayPrice":null,"baseProductName":null,"firstVariantCode":null,"firstVariantImage":null,"productMarketType":null,"productNumber":null,"typeStatusCode":null,"productCategory":null,"typeNumber":null,"marketCode":null,"regionCode":null,"otherInformation":null,"productTypeStatus":null,"repairInstruction":null,"repairInstructionStatusDescription":null,"typeStatusDate":null,"serviceLifeDate":null,"manufacturerId":null,"parts":null,"language":null,"glossaries":null,"brand":null,"product":null,"brandCode":null,"recallNotes":null,"volume":null},{"code":"P710-04484-CM","name":null,"url":"/c//p/P710-04484-CM","description":"SCREW","purchasable":true,"stock":{"stockLevelStatus":{"code":"inStock","type":"StockLevelStatus"},"stockLevel":0,"stockThreshold":null},"futureStocks":null,"availableForPickup":null,"averageRating":null,"numberOfReviews":null,"summary":null,"manufacturer":null,"variantType":null,"price":{"currencyIso":"USD","value":2.3,"priceType":"BUY","formattedValue":"$2.30","minQuantity":null,"maxQuantity":null,"sapUnit":{"code":"pieces","name":"Piece"}},"baseProduct":null,"images":[],"categories":null,"reviews":null,"classifications":null,"potentialPromotions":null,"variantOptions":null,"baseOptions":[],"volumePricesFlag":null,"volumePrices":null,"productReferences":null,"variantMatrix":null,"priceRange":null,"firstCategoryNameList":null,"multidimensional":null,"configurable":false,"configuratorType":null,"addToCartDisabled":null,"addToCartDisabledMessage":null,"tags":null,"sapUnit":null,"keywords":null,"genders":null,"itemtype":"Part","partSubstitute":null,"note":null,"recallNote":null,"note1":null,"note2":null,"note3":null,"note4":null,"note5":null,"pdfAllUser":null,"pdfAuthUser":null,"pdfCOSUser":null,"vaiantRelatedPartList":null,"partHotspotList":null,"itemNumber":26,"partRelatedVariantList":null,"bomCode":2,"totalValue":null,"searchImage":null,"length":null,"width":null,"height":null,"unitOfDimension":null,"weight":null,"unitOfWeight":null,"specialRouting":false,"onlineRepair":null,"previousPartID":null,"sbdDiscountPriceValue":{"currencyIso":"USD","value":2.3,"priceType":"BUY","formattedValue":"$2.30","minQuantity":null,"maxQuantity":null,"sapUnit":{"code":"pieces","name":"Piece"}},"alrCode":null,"productRecallFlag":null,"selectedDocumentId":null,"productDescription":null,"pdpImage":null,"ticketId":null,"qtyRequiredPerVariant":"1","isElgibleForRepair":null,"isPowerEligible":null,"productRecallNotes":null,"productOtherInfo":null,"backorderETA":"00/00/0000","modifiedDate":null,"userLevel":"ALL","displayPrice":null,"baseProductName":null,"firstVariantCode":null,"firstVariantImage":null,"productMarketType":null,"productNumber":null,"typeStatusCode":null,"productCategory":null,"typeNumber":null,"marketCode":null,"regionCode":null,"otherInformation":null,"productTypeStatus":null,"repairInstruction":null,"repairInstructionStatusDescription":null,"typeStatusDate":null,"serviceLifeDate":null,"manufacturerId":null,"parts":null,"language":null,"glossaries":null,"brand":null,"product":null,"brandCode":null,"recallNotes":null,"volume":null},{"code":"P710-04484-CM","name":null,"url":"/c//p/P710-04484-CM","description":"SCREW","purchasable":true,"stock":{"stockLevelStatus":{"code":"inStock","type":"StockLevelStatus"},"stockLevel":0,"stockThreshold":null},"futureStocks":null,"availableForPickup":null,"averageRating":null,"numberOfReviews":null,"summary":null,"manufacturer":null,"variantType":null,"price":{"currencyIso":"USD","value":2.3,"priceType":"BUY","formattedValue":"$2.30","minQuantity":null,"maxQuantity":null,"sapUnit":{"code":"pieces","name":"Piece"}},"baseProduct":null,"images":[],"categories":null,"reviews":null,"classifications":null,"potentialPromotions":null,"variantOptions":null,"baseOptions":[],"volumePricesFlag":null,"volumePrices":null,"productReferences":null,"variantMatrix":null,"priceRange":null,"firstCategoryNameList":null,"multidimensional":null,"configurable":false,"configuratorType":null,"addToCartDisabled":null,"addToCartDisabledMessage":null,"tags":null,"sapUnit":null,"keywords":null,"genders":null,"itemtype":"Part","partSubstitute":null,"note":null,"recallNote":null,"note1":null,"note2":null,"note3":null,"note4":null,"note5":null,"pdfAllUser":null,"pdfAuthUser":null,"pdfCOSUser":null,"vaiantRelatedPartList":null,"partHotspotList":null,"itemNumber":26,"partRelatedVariantList":null,"bomCode":2,"totalValue":null,"searchImage":null,"length":null,"width":null,"height":null,"unitOfDimension":null,"weight":null,"unitOfWeight":null,"specialRouting":false,"onlineRepair":null,"previousPartID":null,"sbdDiscountPriceValue":{"currencyIso":"USD","value":2.3,"priceType":"BUY","formattedValue":"$2.30","minQuantity":null,"maxQuantity":null,"sapUnit":{"code":"pieces","name":"Piece"}},"alrCode":null,"productRecallFlag":null,"selectedDocumentId":null,"productDescription":null,"pdpImage":null,"ticketId":null,"qtyRequiredPerVariant":"1","isElgibleForRepair":null,"isPowerEligible":null,"productRecallNotes":null,"productOtherInfo":null,"backorderETA":"00/00/0000","modifiedDate":null,"userLevel":"ALL","displayPrice":null,"baseProductName":null,"firstVariantCode":null,"firstVariantImage":null,"productMarketType":null,"productNumber":null,"typeStatusCode":null,"productCategory":null,"typeNumber":null,"marketCode":null,"regionCode":null,"otherInformation":null,"productTypeStatus":null,"repairInstruction":null,"repairInstructionStatusDescription":null,"typeStatusDate":null,"serviceLifeDate":null,"manufacturerId":null,"parts":null,"language":null,"glossaries":null,"brand":null,"product":null,"brandCode":null,"recallNotes":null,"volume":null},{"code":"P710-1026-CM","name":null,"url":"/c//p/P710-1026-CM","description":"TAP SCR","purchasable":true,"stock":{"stockLevelStatus":{"code":"inStock","type":"StockLevelStatus"},"stockLevel":0,"stockThreshold":null},"futureStocks":null,"availableForPickup":null,"averageRating":null,"numberOfReviews":null,"summary":null,"manufacturer":null,"variantType":null,"price":{"currencyIso":"USD","value":4.1,"priceType":"BUY","formattedValue":"$4.10","minQuantity":null,"maxQuantity":null,"sapUnit":{"code":"pieces","name":"Piece"}},"baseProduct":null,"images":[],"categories":null,"reviews":null,"classifications":null,"potentialPromotions":null,"variantOptions":null,"baseOptions":[],"volumePricesFlag":null,"volumePrices":null,"productReferences":null,"variantMatrix":null,"priceRange":null,"firstCategoryNameList":null,"multidimensional":null,"configurable":false,"configuratorType":null,"addToCartDisabled":null,"addToCartDisabledMessage":null,"tags":null,"sapUnit":null,"keywords":null,"genders":null,"itemtype":"Part","partSubstitute":null,"note":null,"recallNote":null,"note1":null,"note2":null,"note3":null,"note4":null,"note5":null,"pdfAllUser":null,"pdfAuthUser":null,"pdfCOSUser":null,"vaiantRelatedPartList":null,"partHotspotList":null,"itemNumber":26,"partRelatedVariantList":null,"bomCode":2,"totalValue":null,"searchImage":null,"length":null,"width":null,"height":null,"unitOfDimension":null,"weight":null,"unitOfWeight":null,"specialRouting":false,"onlineRepair":null,"previousPartID":null,"sbdDiscountPriceValue":{"currencyIso":"USD","value":4.1,"priceType":"BUY","formattedValue":"$4.10","minQuantity":null,"maxQuantity":null,"sapUnit":{"code":"pieces","name":"Piece"}},"alrCode":null,"productRecallFlag":null,"selectedDocumentId":null,"productDescription":null,"pdpImage":null,"ticketId":null,"qtyRequiredPerVariant":"1","isElgibleForRepair":null,"isPowerEligible":null,"productRecallNotes":null,"productOtherInfo":null,"backorderETA":"00/00/0000","modifiedDate":null,"userLevel":"ALL","displayPrice":null,"baseProductName":null,"firstVariantCode":null,"firstVariantImage":null,"productMarketType":null,"productNumber":null,"typeStatusCode":null,"productCategory":null,"typeNumber":null,"marketCode":null,"regionCode":null,"otherInformation":null,"productTypeStatus":null,"repairInstruction":null,"repairInstructionStatusDescription":null,"typeStatusDate":null,"serviceLifeDate":null,"manufacturerId":null,"parts":null,"language":null,"glossaries":null,"brand":null,"product":null,"brandCode":null,"recallNotes":null,"volume":null},{"code":"P732-04877-CM","name":null,"url":"/c//p/P732-04877-CM","description":"SPRING","purchasable":true,"stock":{"stockLevelStatus":{"code":"inStock","type":"StockLevelStatus"},"stockLevel":0,"stockThreshold":null},"futureStocks":null,"availableForPickup":null,"averageRating":null,"numberOfReviews":null,"summary":null,"manufacturer":null,"variantType":null,"price":{"currencyIso":"USD","value":2.57,"priceType":"BUY","formattedValue":"$2.57","minQuantity":null,"maxQuantity":null,"sapUnit":{"code":"pieces","name":"Piece"}},"baseProduct":null,"images":[],"categories":null,"reviews":null,"classifications":null,"potentialPromotions":null,"variantOptions":null,"baseOptions":[],"volumePricesFlag":null,"volumePrices":null,"productReferences":null,"variantMatrix":null,"priceRange":null,"firstCategoryNameList":null,"multidimensional":null,"configurable":false,"configuratorType":null,"addToCartDisabled":null,"addToCartDisabledMessage":null,"tags":null,"sapUnit":null,"keywords":null,"genders":null,"itemtype":"Part","partSubstitute":null,"note":null,"recallNote":null,"note1":null,"note2":null,"note3":null,"note4":null,"note5":null,"pdfAllUser":null,"pdfAuthUser":null,"pdfCOSUser":null,"vaiantRelatedPartList":null,"partHotspotList":null,"itemNumber":26,"partRelatedVariantList":null,"bomCode":2,"totalValue":null,"searchImage":null,"length":null,"width":null,"height":null,"unitOfDimension":null,"weight":null,"unitOfWeight":null,"specialRouting":false,"onlineRepair":null,"previousPartID":null,"sbdDiscountPriceValue":{"currencyIso":"USD","value":2.57,"priceType":"BUY","formattedValue":"$2.57","minQuantity":null,"maxQuantity":null,"sapUnit":{"code":"pieces","name":"Piece"}},"alrCode":null,"productRecallFlag":null,"selectedDocumentId":null,"productDescription":null,"pdpImage":null,"ticketId":null,"qtyRequiredPerVariant":"1","isElgibleForRepair":null,"isPowerEligible":null,"productRecallNotes":null,"productOtherInfo":null,"backorderETA":"00/00/0000","modifiedDate":null,"userLevel":"ALL","displayPrice":null,"baseProductName":null,"firstVariantCode":null,"firstVariantImage":null,"productMarketType":null,"productNumber":null,"typeStatusCode":null,"productCategory":null,"typeNumber":null,"marketCode":null,"regionCode":null,"otherInformation":null,"productTypeStatus":null,"repairInstruction":null,"repairInstructionStatusDescription":null,"typeStatusDate":null,"serviceLifeDate":null,"manufacturerId":null,"parts":null,"language":null,"glossaries":null,"brand":null,"product":null,"brandCode":null,"recallNotes":null,"volume":null},{"code":"P734-04155-CM","name":null,"url":"/c//p/P734-04155-CM","description":"WHL:DECK:5.0","purchasable":true,"stock":{"stockLevelStatus":{"code":"inStock","type":"StockLevelStatus"},"stockLevel":0,"stockThreshold":null},"futureStocks":null,"availableForPickup":null,"averageRating":null,"numberOfReviews":null,"summary":null,"manufacturer":null,"variantType":null,"price":{"currencyIso":"USD","value":13.57,"priceType":"BUY","formattedValue":"$13.57","minQuantity":null,"maxQuantity":null,"sapUnit":{"code":"pieces","name":"Piece"}},"baseProduct":null,"images":[],"categories":null,"reviews":null,"classifications":null,"potentialPromotions":null,"variantOptions":null,"baseOptions":[],"volumePricesFlag":null,"volumePrices":null,"productReferences":null,"variantMatrix":null,"priceRange":null,"firstCategoryNameList":null,"multidimensional":null,"configurable":false,"configuratorType":null,"addToCartDisabled":null,"addToCartDisabledMessage":null,"tags":null,"sapUnit":null,"keywords":null,"genders":null,"itemtype":"Part","partSubstitute":null,"note":null,"recallNote":null,"note1":null,"note2":null,"note3":null,"note4":null,"note5":null,"pdfAllUser":null,"pdfAuthUser":null,"pdfCOSUser":null,"vaiantRelatedPartList":null,"partHotspotList":null,"itemNumber":26,"partRelatedVariantList":null,"bomCode":2,"totalValue":null,"searchImage":null,"length":null,"width":null,"height":null,"unitOfDimension":null,"weight":null,"unitOfWeight":null,"specialRouting":false,"onlineRepair":null,"previousPartID":null,"sbdDiscountPriceValue":{"currencyIso":"USD","value":13.57,"priceType":"BUY","formattedValue":"$13.57","minQuantity":null,"maxQuantity":null,"sapUnit":{"code":"pieces","name":"Piece"}},"alrCode":null,"productRecallFlag":null,"selectedDocumentId":null,"productDescription":null,"pdpImage":null,"ticketId":null,"qtyRequiredPerVariant":"1","isElgibleForRepair":null,"isPowerEligible":null,"productRecallNotes":null,"productOtherInfo":null,"backorderETA":"00/00/0000","modifiedDate":null,"userLevel":"ALL","displayPrice":null,"baseProductName":null,"firstVariantCode":null,"firstVariantImage":null,"productMarketType":null,"productNumber":null,"typeStatusCode":null,"productCategory":null,"typeNumber":null,"marketCode":null,"regionCode":null,"otherInformation":null,"productTypeStatus":null,"repairInstruction":null,"repairInstructionStatusDescription":null,"typeStatusDate":null,"serviceLifeDate":null,"manufacturerId":null,"parts":null,"language":null,"glossaries":null,"brand":null,"product":null,"brandCode":null,"recallNotes":null,"volume":null},{"code":"P5140216-28","name":null,"url":"/c//p/P5140216-28","description":"POWDER BLACK","purchasable":true,"stock":{"stockLevelStatus":{"code":"inStock","type":"StockLevelStatus"},"stockLevel":0,"stockThreshold":null},"futureStocks":null,"availableForPickup":null,"averageRating":null,"numberOfReviews":null,"summary":null,"manufacturer":null,"variantType":null,"price":{"currencyIso":"USD","value":25.87,"priceType":"BUY","formattedValue":"$25.87","minQuantity":null,"maxQuantity":null,"sapUnit":{"code":"pieces","name":"Piece"}},"baseProduct":null,"images":[],"categories":null,"reviews":null,"classifications":null,"potentialPromotions":null,"variantOptions":null,"baseOptions":[],"volumePricesFlag":null,"volumePrices":null,"productReferences":null,"variantMatrix":null,"priceRange":null,"firstCategoryNameList":null,"multidimensional":null,"configurable":false,"configuratorType":null,"addToCartDisabled":null,"addToCartDisabledMessage":null,"tags":null,"sapUnit":null,"keywords":null,"genders":null,"itemtype":"Part","partSubstitute":null,"note":null,"recallNote":null,"note1":null,"note2":null,"note3":null,"note4":null,"note5":null,"pdfAllUser":null,"pdfAuthUser":null,"pdfCOSUser":null,"vaiantRelatedPartList":null,"partHotspotList":null,"itemNumber":27,"partRelatedVariantList":null,"bomCode":2,"totalValue":null,"searchImage":null,"length":null,"width":null,"height":null,"unitOfDimension":null,"weight":null,"unitOfWeight":null,"specialRouting":false,"onlineRepair":null,"previousPartID":null,"sbdDiscountPriceValue":{"currencyIso":"USD","value":25.87,"priceType":"BUY","formattedValue":"$25.87","minQuantity":null,"maxQuantity":null,"sapUnit":{"code":"pieces","name":"Piece"}},"alrCode":null,"productRecallFlag":null,"selectedDocumentId":null,"productDescription":null,"pdpImage":null,"ticketId":null,"qtyRequiredPerVariant":"1","isElgibleForRepair":null,"isPowerEligible":null,"productRecallNotes":null,"productOtherInfo":null,"backorderETA":"00/00/0000","modifiedDate":null,"userLevel":"ALL","displayPrice":null,"baseProductName":null,"firstVariantCode":null,"firstVariantImage":null,"productMarketType":null,"productNumber":null,"typeStatusCode":null,"productCategory":null,"typeNumber":null,"marketCode":null,"regionCode":null,"otherInformation":null,"productTypeStatus":null,"repairInstruction":null,"repairInstructionStatusDescription":null,"typeStatusDate":null,"serviceLifeDate":null,"manufacturerId":null,"parts":null,"language":null,"glossaries":null,"brand":null,"product":null,"brandCode":null,"recallNotes":null,"volume":null},{"code":"P710-1858A-CM","name":null,"url":"/c//p/P710-1858A-CM","description":"SCREW","purchasable":true,"stock":{"stockLevelStatus":{"code":"inStock","type":"StockLevelStatus"},"stockLevel":0,"stockThreshold":null},"futureStocks":null,"availableForPickup":null,"averageRating":null,"numberOfReviews":null,"summary":null,"manufacturer":null,"variantType":null,"price":{"currencyIso":"USD","value":2.4,"priceType":"BUY","formattedValue":"$2.40","minQuantity":null,"maxQuantity":null,"sapUnit":{"code":"pieces","name":"Piece"}},"baseProduct":null,"images":[],"categories":null,"reviews":null,"classifications":null,"potentialPromotions":null,"variantOptions":null,"baseOptions":[],"volumePricesFlag":null,"volumePrices":null,"productReferences":null,"variantMatrix":null,"priceRange":null,"firstCategoryNameList":null,"multidimensional":null,"configurable":false,"configuratorType":null,"addToCartDisabled":null,"addToCartDisabledMessage":null,"tags":null,"sapUnit":null,"keywords":null,"genders":null,"itemtype":"Part","partSubstitute":null,"note":null,"recallNote":null,"note1":null,"note2":null,"note3":null,"note4":null,"note5":null,"pdfAllUser":null,"pdfAuthUser":null,"pdfCOSUser":null,"vaiantRelatedPartList":null,"partHotspotList":null,"itemNumber":27,"partRelatedVariantList":null,"bomCode":2,"totalValue":null,"searchImage":null,"length":null,"width":null,"height":null,"unitOfDimension":null,"weight":null,"unitOfWeight":null,"specialRouting":false,"onlineRepair":null,"previousPartID":null,"sbdDiscountPriceValue":{"currencyIso":"USD","value":2.4,"priceType":"BUY","formattedValue":"$2.40","minQuantity":null,"maxQuantity":null,"sapUnit":{"code":"pieces","name":"Piece"}},"alrCode":null,"productRecallFlag":null,"selectedDocumentId":null,"productDescription":null,"pdpImage":null,"ticketId":null,"qtyRequiredPerVariant":"1","isElgibleForRepair":null,"isPowerEligible":null,"productRecallNotes":null,"productOtherInfo":null,"backorderETA":"00/00/0000","modifiedDate":null,"userLevel":"ALL","displayPrice":null,"baseProductName":null,"firstVariantCode":null,"firstVariantImage":null,"productMarketType":null,"productNumber":null,"typeStatusCode":null,"productCategory":null,"typeNumber":null,"marketCode":null,"regionCode":null,"otherInformation":null,"productTypeStatus":null,"repairInstruction":null,"repairInstructionStatusDescription":null,"typeStatusDate":null,"serviceLifeDate":null,"manufacturerId":null,"parts":null,"language":null,"glossaries":null,"brand":null,"product":null,"brandCode":null,"recallNotes":null,"volume":null},{"code":"P731-04057A-CM","name":null,"url":"/c//p/P731-04057A-CM","description":"CAP-AXLE STA","purchasable":true,"stock":{"stockLevelStatus":{"code":"inStock","type":"StockLevelStatus"},"stockLevel":0,"stockThreshold":null},"futureStocks":null,"availableForPickup":null,"averageRating":null,"numberOfReviews":null,"summary":null,"manufacturer":null,"variantType":null,"price":{"currencyIso":"USD","value":3.16,"priceType":"BUY","formattedValue":"$3.16","minQuantity":null,"maxQuantity":null,"sapUnit":{"code":"pieces","name":"Piece"}},"baseProduct":null,"images":[],"categories":null,"reviews":null,"classifications":null,"potentialPromotions":null,"variantOptions":null,"baseOptions":[],"volumePricesFlag":null,"volumePrices":null,"productReferences":null,"variantMatrix":null,"priceRange":null,"firstCategoryNameList":null,"multidimensional":null,"configurable":false,"configuratorType":null,"addToCartDisabled":null,"addToCartDisabledMessage":null,"tags":null,"sapUnit":null,"keywords":null,"genders":null,"itemtype":"Part","partSubstitute":null,"note":null,"recallNote":null,"note1":null,"note2":null,"note3":null,"note4":null,"note5":null,"pdfAllUser":null,"pdfAuthUser":null,"pdfCOSUser":null,"vaiantRelatedPartList":null,"partHotspotList":null,"itemNumber":27,"partRelatedVariantList":null,"bomCode":2,"totalValue":null,"searchImage":null,"length":null,"width":null,"height":null,"unitOfDimension":null,"weight":null,"unitOfWeight":null,"specialRouting":false,"onlineRepair":null,"previousPartID":null,"sbdDiscountPriceValue":{"currencyIso":"USD","value":3.16,"priceType":"BUY","formattedValue":"$3.16","minQuantity":null,"maxQuantity":null,"sapUnit":{"code":"pieces","name":"Piece"}},"alrCode":null,"productRecallFlag":null,"selectedDocumentId":null,"productDescription":null,"pdpImage":null,"ticketId":null,"qtyRequiredPerVariant":"1","isElgibleForRepair":null,"isPowerEligible":null,"productRecallNotes":null,"productOtherInfo":null,"backorderETA":"00/00/0000","modifiedDate":null,"userLevel":"ALL","displayPrice":null,"baseProductName":null,"firstVariantCode":null,"firstVariantImage":null,"productMarketType":null,"productNumber":null,"typeStatusCode":null,"productCategory":null,"typeNumber":null,"marketCode":null,"regionCode":null,"otherInformation":null,"productTypeStatus":null,"repairInstruction":null,"repairInstructionStatusDescription":null,"typeStatusDate":null,"serviceLifeDate":null,"manufacturerId":null,"parts":null,"language":null,"glossaries":null,"brand":null,"product":null,"brandCode":null,"recallNotes":null,"volume":null},{"code":"P783-06823-CM","name":null,"url":"/c//p/P783-06823-CM","description":"TAB","purchasable":true,"stock":{"stockLevelStatus":{"code":"inStock","type":"StockLevelStatus"},"stockLevel":0,"stockThreshold":null},"futureStocks":null,"availableForPickup":null,"averageRating":null,"numberOfReviews":null,"summary":null,"manufacturer":null,"variantType":null,"price":{"currencyIso":"USD","value":10.56,"priceType":"BUY","formattedValue":"$10.56","minQuantity":null,"maxQuantity":null,"sapUnit":{"code":"pieces","name":"Piece"}},"baseProduct":null,"images":[],"categories":null,"reviews":null,"classifications":null,"potentialPromotions":null,"variantOptions":null,"baseOptions":[],"volumePricesFlag":null,"volumePrices":null,"productReferences":null,"variantMatrix":null,"priceRange":null,"firstCategoryNameList":null,"multidimensional":null,"configurable":false,"configuratorType":null,"addToCartDisabled":null,"addToCartDisabledMessage":null,"tags":null,"sapUnit":null,"keywords":null,"genders":null,"itemtype":"Part","partSubstitute":null,"note":null,"recallNote":null,"note1":null,"note2":null,"note3":null,"note4":null,"note5":null,"pdfAllUser":null,"pdfAuthUser":null,"pdfCOSUser":null,"vaiantRelatedPartList":null,"partHotspotList":null,"itemNumber":27,"partRelatedVariantList":null,"bomCode":2,"totalValue":null,"searchImage":null,"length":null,"width":null,"height":null,"unitOfDimension":null,"weight":null,"unitOfWeight":null,"specialRouting":false,"onlineRepair":null,"previousPartID":null,"sbdDiscountPriceValue":{"currencyIso":"USD","value":10.56,"priceType":"BUY","formattedValue":"$10.56","minQuantity":null,"maxQuantity":null,"sapUnit":{"code":"pieces","name":"Piece"}},"alrCode":null,"productRecallFlag":null,"selectedDocumentId":null,"productDescription":null,"pdpImage":null,"ticketId":null,"qtyRequiredPerVariant":"1","isElgibleForRepair":null,"isPowerEligible":null,"productRecallNotes":null,"productOtherInfo":null,"backorderETA":"00/00/0000","modifiedDate":null,"userLevel":"ALL","displayPrice":null,"baseProductName":null,"firstVariantCode":null,"firstVariantImage":null,"productMarketType":null,"productNumber":null,"typeStatusCode":null,"productCategory":null,"typeNumber":null,"marketCode":null,"regionCode":null,"otherInformation":null,"productTypeStatus":null,"repairInstruction":null,"repairInstructionStatusDescription":null,"typeStatusDate":null,"serviceLifeDate":null,"manufacturerId":null,"parts":null,"language":null,"glossaries":null,"brand":null,"product":null,"brandCode":null,"recallNotes":null,"volume":null},{"code":"P936-0119-CM","name":null,"url":"/c//p/P936-0119-CM","description":"WASHER-LOCK-","purchasable":true,"stock":{"stockLevelStatus":{"code":"inStock","type":"StockLevelStatus"},"stockLevel":0,"stockThreshold":null},"futureStocks":null,"availableForPickup":null,"averageRating":null,"numberOfReviews":null,"summary":null,"manufacturer":null,"variantType":null,"price":{"currencyIso":"USD","value":2.96,"priceType":"BUY","formattedValue":"$2.96","minQuantity":null,"maxQuantity":null,"sapUnit":{"code":"pieces","name":"Piece"}},"baseProduct":null,"images":[],"categories":null,"reviews":null,"classifications":null,"potentialPromotions":null,"variantOptions":null,"baseOptions":[],"volumePricesFlag":null,"volumePrices":null,"productReferences":null,"variantMatrix":null,"priceRange":null,"firstCategoryNameList":null,"multidimensional":null,"configurable":false,"configuratorType":null,"addToCartDisabled":null,"addToCartDisabledMessage":null,"tags":null,"sapUnit":null,"keywords":null,"genders":null,"itemtype":"Part","partSubstitute":null,"note":null,"recallNote":null,"note1":null,"note2":null,"note3":null,"note4":null,"note5":null,"pdfAllUser":null,"pdfAuthUser":null,"pdfCOSUser":null,"vaiantRelatedPartList":null,"partHotspotList":null,"itemNumber":27,"partRelatedVariantList":null,"bomCode":2,"totalValue":null,"searchImage":null,"length":null,"width":null,"height":null,"unitOfDimension":null,"weight":null,"unitOfWeight":null,"specialRouting":false,"onlineRepair":null,"previousPartID":null,"sbdDiscountPriceValue":{"currencyIso":"USD","value":2.96,"priceType":"BUY","formattedValue":"$2.96","minQuantity":null,"maxQuantity":null,"sapUnit":{"code":"pieces","name":"Piece"}},"alrCode":null,"productRecallFlag":null,"selectedDocumentId":null,"productDescription":null,"pdpImage":null,"ticketId":null,"qtyRequiredPerVariant":"1","isElgibleForRepair":null,"isPowerEligible":null,"productRecallNotes":null,"productOtherInfo":null,"backorderETA":"00/00/0000","modifiedDate":null,"userLevel":"ALL","displayPrice":null,"baseProductName":null,"firstVariantCode":null,"firstVariantImage":null,"productMarketType":null,"productNumber":null,"typeStatusCode":null,"productCategory":null,"typeNumber":null,"marketCode":null,"regionCode":null,"otherInformation":null,"productTypeStatus":null,"repairInstruction":null,"repairInstructionStatusDescription":null,"typeStatusDate":null,"serviceLifeDate":null,"manufacturerId":null,"parts":null,"language":null,"glossaries":null,"brand":null,"product":null,"brandCode":null,"recallNotes":null,"volume":null},{"code":"P5140216-50","name":null,"url":"/c//p/P5140216-50","description":"FRAME","purchasable":true,"stock":{"stockLevelStatus":{"code":"inStock","type":"StockLevelStatus"},"stockLevel":0,"stockThreshold":null},"futureStocks":null,"availableForPickup":null,"averageRating":null,"numberOfReviews":null,"summary":null,"manufacturer":null,"variantType":null,"price":{"currencyIso":"USD","value":119.58,"priceType":"BUY","formattedValue":"$119.58","minQuantity":null,"maxQuantity":null,"sapUnit":{"code":"pieces","name":"Piece"}},"baseProduct":null,"images":[],"categories":null,"reviews":null,"classifications":null,"potentialPromotions":null,"variantOptions":null,"baseOptions":[],"volumePricesFlag":null,"volumePrices":null,"productReferences":null,"variantMatrix":null,"priceRange":null,"firstCategoryNameList":null,"multidimensional":null,"configurable":false,"configuratorType":null,"addToCartDisabled":null,"addToCartDisabledMessage":null,"tags":null,"sapUnit":null,"keywords":null,"genders":null,"itemtype":"Part","partSubstitute":null,"note":null,"recallNote":null,"note1":null,"note2":null,"note3":null,"note4":null,"note5":null,"pdfAllUser":null,"pdfAuthUser":null,"pdfCOSUser":null,"vaiantRelatedPartList":null,"partHotspotList":null,"itemNumber":28,"partRelatedVariantList":null,"bomCode":2,"totalValue":null,"searchImage":null,"length":null,"width":null,"height":null,"unitOfDimension":null,"weight":null,"unitOfWeight":null,"specialRouting":false,"onlineRepair":null,"previousPartID":null,"sbdDiscountPriceValue":{"currencyIso":"USD","value":119.58,"priceType":"BUY","formattedValue":"$119.58","minQuantity":null,"maxQuantity":null,"sapUnit":{"code":"pieces","name":"Piece"}},"alrCode":null,"productRecallFlag":null,"selectedDocumentId":null,"productDescription":null,"pdpImage":null,"ticketId":null,"qtyRequiredPerVariant":"1","isElgibleForRepair":null,"isPowerEligible":null,"productRecallNotes":null,"productOtherInfo":null,"backorderETA":"00/00/0000","modifiedDate":null,"userLevel":"ALL","displayPrice":null,"baseProductName":null,"firstVariantCode":null,"firstVariantImage":null,"productMarketType":null,"productNumber":null,"typeStatusCode":null,"productCategory":null,"typeNumber":null,"marketCode":null,"regionCode":null,"otherInformation":null,"productTypeStatus":null,"repairInstruction":null,"repairInstructionStatusDescription":null,"typeStatusDate":null,"serviceLifeDate":null,"manufacturerId":null,"parts":null,"language":null,"glossaries":null,"brand":null,"product":null,"brandCode":null,"recallNotes":null,"volume":null},{"code":"P736-04228B-CM","name":null,"url":"/c//p/P736-04228B-CM","description":"WASHER","purchasable":true,"stock":{"stockLevelStatus":{"code":"inStock","type":"StockLevelStatus"},"stockLevel":0,"stockThreshold":null},"futureStocks":null,"availableForPickup":null,"averageRating":null,"numberOfReviews":null,"summary":null,"manufacturer":null,"variantType":null,"price":{"currencyIso":"USD","value":3.16,"priceType":"BUY","formattedValue":"$3.16","minQuantity":null,"maxQuantity":null,"sapUnit":{"code":"pieces","name":"Piece"}},"baseProduct":null,"images":[],"categories":null,"reviews":null,"classifications":null,"potentialPromotions":null,"variantOptions":null,"baseOptions":[],"volumePricesFlag":null,"volumePrices":null,"productReferences":null,"variantMatrix":null,"priceRange":null,"firstCategoryNameList":null,"multidimensional":null,"configurable":false,"configuratorType":null,"addToCartDisabled":null,"addToCartDisabledMessage":null,"tags":null,"sapUnit":null,"keywords":null,"genders":null,"itemtype":"Part","partSubstitute":null,"note":null,"recallNote":null,"note1":null,"note2":null,"note3":null,"note4":null,"note5":null,"pdfAllUser":null,"pdfAuthUser":null,"pdfCOSUser":null,"vaiantRelatedPartList":null,"partHotspotList":null,"itemNumber":28,"partRelatedVariantList":null,"bomCode":2,"totalValue":null,"searchImage":null,"length":null,"width":null,"height":null,"unitOfDimension":null,"weight":null,"unitOfWeight":null,"specialRouting":false,"onlineRepair":null,"previousPartID":null,"sbdDiscountPriceValue":{"currencyIso":"USD","value":3.16,"priceType":"BUY","formattedValue":"$3.16","minQuantity":null,"maxQuantity":null,"sapUnit":{"code":"pieces","name":"Piece"}},"alrCode":null,"productRecallFlag":null,"selectedDocumentId":null,"productDescription":null,"pdpImage":null,"ticketId":null,"qtyRequiredPerVariant":"1","isElgibleForRepair":null,"isPowerEligible":null,"productRecallNotes":null,"productOtherInfo":null,"backorderETA":"00/00/0000","modifiedDate":null,"userLevel":"ALL","displayPrice":null,"baseProductName":null,"firstVariantCode":null,"firstVariantImage":null,"productMarketType":null,"productNumber":null,"typeStatusCode":null,"productCategory":null,"typeNumber":null,"marketCode":null,"regionCode":null,"otherInformation":null,"productTypeStatus":null,"repairInstruction":null,"repairInstructionStatusDescription":null,"typeStatusDate":null,"serviceLifeDate":null,"manufacturerId":null,"parts":null,"language":null,"glossaries":null,"brand":null,"product":null,"brandCode":null,"recallNotes":null,"volume":null},{"code":"P750-04465C-CM","name":null,"url":"/c//p/P750-04465C-CM","description":"SPACER","purchasable":true,"stock":{"stockLevelStatus":{"code":"inStock","type":"StockLevelStatus"},"stockLevel":0,"stockThreshold":null},"futureStocks":null,"availableForPickup":null,"averageRating":null,"numberOfReviews":null,"summary":null,"manufacturer":null,"variantType":null,"price":{"currencyIso":"USD","value":2.51,"priceType":"BUY","formattedValue":"$2.51","minQuantity":null,"maxQuantity":null,"sapUnit":{"code":"pieces","name":"Piece"}},"baseProduct":null,"images":[],"categories":null,"reviews":null,"classifications":null,"potentialPromotions":null,"variantOptions":null,"baseOptions":[],"volumePricesFlag":null,"volumePrices":null,"productReferences":null,"variantMatrix":null,"priceRange":null,"firstCategoryNameList":null,"multidimensional":null,"configurable":false,"configuratorType":null,"addToCartDisabled":null,"addToCartDisabledMessage":null,"tags":null,"sapUnit":null,"keywords":null,"genders":null,"itemtype":"Part","partSubstitute":null,"note":null,"recallNote":null,"note1":null,"note2":null,"note3":null,"note4":null,"note5":null,"pdfAllUser":null,"pdfAuthUser":null,"pdfCOSUser":null,"vaiantRelatedPartList":null,"partHotspotList":null,"itemNumber":28,"partRelatedVariantList":null,"bomCode":2,"totalValue":null,"searchImage":null,"length":null,"width":null,"height":null,"unitOfDimension":null,"weight":null,"unitOfWeight":null,"specialRouting":false,"onlineRepair":null,"previousPartID":null,"sbdDiscountPriceValue":{"currencyIso":"USD","value":2.51,"priceType":"BUY","formattedValue":"$2.51","minQuantity":null,"maxQuantity":null,"sapUnit":{"code":"pieces","name":"Piece"}},"alrCode":null,"productRecallFlag":null,"selectedDocumentId":null,"productDescription":null,"pdpImage":null,"ticketId":null,"qtyRequiredPerVariant":"1","isElgibleForRepair":null,"isPowerEligible":null,"productRecallNotes":null,"productOtherInfo":null,"backorderETA":"00/00/0000","modifiedDate":null,"userLevel":"ALL","displayPrice":null,"baseProductName":null,"firstVariantCode":null,"firstVariantImage":null,"productMarketType":null,"productNumber":null,"typeStatusCode":null,"productCategory":null,"typeNumber":null,"marketCode":null,"regionCode":null,"otherInformation":null,"productTypeStatus":null,"repairInstruction":null,"repairInstructionStatusDescription":null,"typeStatusDate":null,"serviceLifeDate":null,"manufacturerId":null,"parts":null,"language":null,"glossaries":null,"brand":null,"product":null,"brandCode":null,"recallNotes":null,"volume":null},{"code":"P941-0919B-CM","name":null,"url":"/c//p/P941-0919B-CM","description":"BEARING","purchasable":true,"stock":{"stockLevelStatus":{"code":"inStock","type":"StockLevelStatus"},"stockLevel":0,"stockThreshold":null},"futureStocks":null,"availableForPickup":null,"averageRating":null,"numberOfReviews":null,"summary":null,"manufacturer":null,"variantType":null,"price":{"currencyIso":"USD","value":15.74,"priceType":"BUY","formattedValue":"$15.74","minQuantity":null,"maxQuantity":null,"sapUnit":{"code":"pieces","name":"Piece"}},"baseProduct":null,"images":[],"categories":null,"reviews":null,"classifications":null,"potentialPromotions":null,"variantOptions":null,"baseOptions":[],"volumePricesFlag":null,"volumePrices":null,"productReferences":null,"variantMatrix":null,"priceRange":null,"firstCategoryNameList":null,"multidimensional":null,"configurable":false,"configuratorType":null,"addToCartDisabled":null,"addToCartDisabledMessage":null,"tags":null,"sapUnit":null,"keywords":null,"genders":null,"itemtype":"Part","partSubstitute":null,"note":null,"recallNote":null,"note1":null,"note2":null,"note3":null,"note4":null,"note5":null,"pdfAllUser":null,"pdfAuthUser":null,"pdfCOSUser":null,"vaiantRelatedPartList":null,"partHotspotList":null,"itemNumber":28,"partRelatedVariantList":null,"bomCode":2,"totalValue":null,"searchImage":null,"length":null,"width":null,"height":null,"unitOfDimension":null,"weight":null,"unitOfWeight":null,"specialRouting":false,"onlineRepair":null,"previousPartID":null,"sbdDiscountPriceValue":{"currencyIso":"USD","value":15.74,"priceType":"BUY","formattedValue":"$15.74","minQuantity":null,"maxQuantity":null,"sapUnit":{"code":"pieces","name":"Piece"}},"alrCode":null,"productRecallFlag":null,"selectedDocumentId":null,"productDescription":null,"pdpImage":null,"ticketId":null,"qtyRequiredPerVariant":"1","isElgibleForRepair":null,"isPowerEligible":null,"productRecallNotes":null,"productOtherInfo":null,"backorderETA":"00/00/0000","modifiedDate":null,"userLevel":"ALL","displayPrice":null,"baseProductName":null,"firstVariantCode":null,"firstVariantImage":null,"productMarketType":null,"productNumber":null,"typeStatusCode":null,"productCategory":null,"typeNumber":null,"marketCode":null,"regionCode":null,"otherInformation":null,"productTypeStatus":null,"repairInstruction":null,"repairInstructionStatusDescription":null,"typeStatusDate":null,"serviceLifeDate":null,"manufacturerId":null,"parts":null,"language":null,"glossaries":null,"brand":null,"product":null,"brandCode":null,"recallNotes":null,"volume":null},{"code":"P5140221-88","name":null,"url":"/c//p/P5140221-88","description":"BRKT","purchasable":true,"stock":{"stockLevelStatus":{"code":"inStock","type":"StockLevelStatus"},"stockLevel":0,"stockThreshold":null},"futureStocks":null,"availableForPickup":null,"averageRating":null,"numberOfReviews":null,"summary":null,"manufacturer":null,"variantType":null,"price":{"currencyIso":"USD","value":5.71,"priceType":"BUY","formattedValue":"$5.71","minQuantity":null,"maxQuantity":null,"sapUnit":{"code":"pieces","name":"Piece"}},"baseProduct":null,"images":[],"categories":null,"reviews":null,"classifications":null,"potentialPromotions":null,"variantOptions":null,"baseOptions":[],"volumePricesFlag":null,"volumePrices":null,"productReferences":null,"variantMatrix":null,"priceRange":null,"firstCategoryNameList":null,"multidimensional":null,"configurable":false,"configuratorType":null,"addToCartDisabled":null,"addToCartDisabledMessage":null,"tags":null,"sapUnit":null,"keywords":null,"genders":null,"itemtype":"Part","partSubstitute":null,"note":null,"recallNote":null,"note1":null,"note2":null,"note3":null,"note4":null,"note5":null,"pdfAllUser":null,"pdfAuthUser":null,"pdfCOSUser":null,"vaiantRelatedPartList":null,"partHotspotList":null,"itemNumber":29,"partRelatedVariantList":null,"bomCode":2,"totalValue":null,"searchImage":null,"length":null,"width":null,"height":null,"unitOfDimension":null,"weight":null,"unitOfWeight":null,"specialRouting":false,"onlineRepair":null,"previousPartID":null,"sbdDiscountPriceValue":{"currencyIso":"USD","value":5.71,"priceType":"BUY","formattedValue":"$5.71","minQuantity":null,"maxQuantity":null,"sapUnit":{"code":"pieces","name":"Piece"}},"alrCode":null,"productRecallFlag":null,"selectedDocumentId":null,"productDescription":null,"pdpImage":null,"ticketId":null,"qtyRequiredPerVariant":"1","isElgibleForRepair":null,"isPowerEligible":null,"productRecallNotes":null,"productOtherInfo":null,"backorderETA":"00/00/0000","modifiedDate":null,"userLevel":"ALL","displayPrice":null,"baseProductName":null,"firstVariantCode":null,"firstVariantImage":null,"productMarketType":null,"productNumber":null,"typeStatusCode":null,"productCategory":null,"typeNumber":null,"marketCode":null,"regionCode":null,"otherInformation":null,"productTypeStatus":null,"repairInstruction":null,"repairInstructionStatusDescription":null,"typeStatusDate":null,"serviceLifeDate":null,"manufacturerId":null,"parts":null,"language":null,"glossaries":null,"brand":null,"product":null,"brandCode":null,"recallNotes":null,"volume":null},{"code":"P710-0134-CM","name":null,"url":"/c//p/P710-0134-CM","description":"BOLT","purchasable":true,"stock":{"stockLevelStatus":{"code":"inStock","type":"StockLevelStatus"},"stockLevel":0,"stockThreshold":null},"futureStocks":null,"availableForPickup":null,"averageRating":null,"numberOfReviews":null,"summary":null,"manufacturer":null,"variantType":null,"price":{"currencyIso":"USD","value":2.56,"priceType":"BUY","formattedValue":"$2.56","minQuantity":null,"maxQuantity":null,"sapUnit":{"code":"pieces","name":"Piece"}},"baseProduct":null,"images":[],"categories":null,"reviews":null,"classifications":null,"potentialPromotions":null,"variantOptions":null,"baseOptions":[],"volumePricesFlag":null,"volumePrices":null,"productReferences":null,"variantMatrix":null,"priceRange":null,"firstCategoryNameList":null,"multidimensional":null,"configurable":false,"configuratorType":null,"addToCartDisabled":null,"addToCartDisabledMessage":null,"tags":null,"sapUnit":null,"keywords":null,"genders":null,"itemtype":"Part","partSubstitute":null,"note":null,"recallNote":null,"note1":null,"note2":null,"note3":null,"note4":null,"note5":null,"pdfAllUser":null,"pdfAuthUser":null,"pdfCOSUser":null,"vaiantRelatedPartList":null,"partHotspotList":null,"itemNumber":29,"partRelatedVariantList":null,"bomCode":2,"totalValue":null,"searchImage":null,"length":null,"width":null,"height":null,"unitOfDimension":null,"weight":null,"unitOfWeight":null,"specialRouting":false,"onlineRepair":null,"previousPartID":null,"sbdDiscountPriceValue":{"currencyIso":"USD","value":2.56,"priceType":"BUY","formattedValue":"$2.56","minQuantity":null,"maxQuantity":null,"sapUnit":{"code":"pieces","name":"Piece"}},"alrCode":null,"productRecallFlag":null,"selectedDocumentId":null,"productDescription":null,"pdpImage":null,"ticketId":null,"qtyRequiredPerVariant":"1","isElgibleForRepair":null,"isPowerEligible":null,"productRecallNotes":null,"productOtherInfo":null,"backorderETA":"00/00/0000","modifiedDate":null,"userLevel":"ALL","displayPrice":null,"baseProductName":null,"firstVariantCode":null,"firstVariantImage":null,"productMarketType":null,"productNumber":null,"typeStatusCode":null,"productCategory":null,"typeNumber":null,"marketCode":null,"regionCode":null,"otherInformation":null,"productTypeStatus":null,"repairInstruction":null,"repairInstructionStatusDescription":null,"typeStatusDate":null,"serviceLifeDate":null,"manufacturerId":null,"parts":null,"language":null,"glossaries":null,"brand":null,"product":null,"brandCode":null,"recallNotes":null,"volume":null},{"code":"P710-0134-CM","name":null,"url":"/c//p/P710-0134-CM","description":"BOLT","purchasable":true,"stock":{"stockLevelStatus":{"code":"inStock","type":"StockLevelStatus"},"stockLevel":0,"stockThreshold":null},"futureStocks":null,"availableForPickup":null,"averageRating":null,"numberOfReviews":null,"summary":null,"manufacturer":null,"variantType":null,"price":{"currencyIso":"USD","value":2.56,"priceType":"BUY","formattedValue":"$2.56","minQuantity":null,"maxQuantity":null,"sapUnit":{"code":"pieces","name":"Piece"}},"baseProduct":null,"images":[],"categories":null,"reviews":null,"classifications":null,"potentialPromotions":null,"variantOptions":null,"baseOptions":[],"volumePricesFlag":null,"volumePrices":null,"productReferences":null,"variantMatrix":null,"priceRange":null,"firstCategoryNameList":null,"multidimensional":null,"configurable":false,"configuratorType":null,"addToCartDisabled":null,"addToCartDisabledMessage":null,"tags":null,"sapUnit":null,"keywords":null,"genders":null,"itemtype":"Part","partSubstitute":null,"note":null,"recallNote":null,"note1":null,"note2":null,"note3":null,"note4":null,"note5":null,"pdfAllUser":null,"pdfAuthUser":null,"pdfCOSUser":null,"vaiantRelatedPartList":null,"partHotspotList":null,"itemNumber":29,"partRelatedVariantList":null,"bomCode":2,"totalValue":null,"searchImage":null,"length":null,"width":null,"height":null,"unitOfDimension":null,"weight":null,"unitOfWeight":null,"specialRouting":false,"onlineRepair":null,"previousPartID":null,"sbdDiscountPriceValue":{"currencyIso":"USD","value":2.56,"priceType":"BUY","formattedValue":"$2.56","minQuantity":null,"maxQuantity":null,"sapUnit":{"code":"pieces","name":"Piece"}},"alrCode":null,"productRecallFlag":null,"selectedDocumentId":null,"productDescription":null,"pdpImage":null,"ticketId":null,"qtyRequiredPerVariant":"1","isElgibleForRepair":null,"isPowerEligible":null,"productRecallNotes":null,"productOtherInfo":null,"backorderETA":"00/00/0000","modifiedDate":null,"userLevel":"ALL","displayPrice":null,"baseProductName":null,"firstVariantCode":null,"firstVariantImage":null,"productMarketType":null,"productNumber":null,"typeStatusCode":null,"productCategory":null,"typeNumber":null,"marketCode":null,"regionCode":null,"otherInformation":null,"productTypeStatus":null,"repairInstruction":null,"repairInstructionStatusDescription":null,"typeStatusDate":null,"serviceLifeDate":null,"manufacturerId":null,"parts":null,"language":null,"glossaries":null,"brand":null,"product":null,"brandCode":null,"recallNotes":null,"volume":null},{"code":"P738-04128-CM","name":null,"url":"/c//p/P738-04128-CM","description":"SCREW-SHLDR","purchasable":true,"stock":{"stockLevelStatus":{"code":"inStock","type":"StockLevelStatus"},"stockLevel":0,"stockThreshold":null},"futureStocks":null,"availableForPickup":null,"averageRating":null,"numberOfReviews":null,"summary":null,"manufacturer":null,"variantType":null,"price":{"currencyIso":"USD","value":4.6,"priceType":"BUY","formattedValue":"$4.60","minQuantity":null,"maxQuantity":null,"sapUnit":{"code":"pieces","name":"Piece"}},"baseProduct":null,"images":[],"categories":null,"reviews":null,"classifications":null,"potentialPromotions":null,"variantOptions":null,"baseOptions":[],"volumePricesFlag":null,"volumePrices":null,"productReferences":null,"variantMatrix":null,"priceRange":null,"firstCategoryNameList":null,"multidimensional":null,"configurable":false,"configuratorType":null,"addToCartDisabled":null,"addToCartDisabledMessage":null,"tags":null,"sapUnit":null,"keywords":null,"genders":null,"itemtype":"Part","partSubstitute":null,"note":null,"recallNote":null,"note1":null,"note2":null,"note3":null,"note4":null,"note5":null,"pdfAllUser":null,"pdfAuthUser":null,"pdfCOSUser":null,"vaiantRelatedPartList":null,"partHotspotList":null,"itemNumber":29,"partRelatedVariantList":null,"bomCode":2,"totalValue":null,"searchImage":null,"length":null,"width":null,"height":null,"unitOfDimension":null,"weight":null,"unitOfWeight":null,"specialRouting":false,"onlineRepair":null,"previousPartID":null,"sbdDiscountPriceValue":{"currencyIso":"USD","value":4.6,"priceType":"BUY","formattedValue":"$4.60","minQuantity":null,"maxQuantity":null,"sapUnit":{"code":"pieces","name":"Piece"}},"alrCode":null,"productRecallFlag":null,"selectedDocumentId":null,"productDescription":null,"pdpImage":null,"ticketId":null,"qtyRequiredPerVariant":"1","isElgibleForRepair":null,"isPowerEligible":null,"productRecallNotes":null,"productOtherInfo":null,"backorderETA":"00/00/0000","modifiedDate":null,"userLevel":"ALL","displayPrice":null,"baseProductName":null,"firstVariantCode":null,"firstVariantImage":null,"productMarketType":null,"productNumber":null,"typeStatusCode":null,"productCategory":null,"typeNumber":null,"marketCode":null,"regionCode":null,"otherInformation":null,"productTypeStatus":null,"repairInstruction":null,"repairInstructionStatusDescription":null,"typeStatusDate":null,"serviceLifeDate":null,"manufacturerId":null,"parts":null,"language":null,"glossaries":null,"brand":null,"product":null,"brandCode":null,"recallNotes":null,"volume":null},{"code":"P912-0240-CM","name":null,"url":"/c//p/P912-0240-CM","description":"NUT-JAM 7/16","purchasable":true,"stock":{"stockLevelStatus":{"code":"inStock","type":"StockLevelStatus"},"stockLevel":0,"stockThreshold":null},"futureStocks":null,"availableForPickup":null,"averageRating":null,"numberOfReviews":null,"summary":null,"manufacturer":null,"variantType":null,"price":{"currencyIso":"USD","value":2.68,"priceType":"BUY","formattedValue":"$2.68","minQuantity":null,"maxQuantity":null,"sapUnit":{"code":"pieces","name":"Piece"}},"baseProduct":null,"images":[],"categories":null,"reviews":null,"classifications":null,"potentialPromotions":null,"variantOptions":null,"baseOptions":[],"volumePricesFlag":null,"volumePrices":null,"productReferences":null,"variantMatrix":null,"priceRange":null,"firstCategoryNameList":null,"multidimensional":null,"configurable":false,"configuratorType":null,"addToCartDisabled":null,"addToCartDisabledMessage":null,"tags":null,"sapUnit":null,"keywords":null,"genders":null,"itemtype":"Part","partSubstitute":null,"note":null,"recallNote":null,"note1":null,"note2":null,"note3":null,"note4":null,"note5":null,"pdfAllUser":null,"pdfAuthUser":null,"pdfCOSUser":null,"vaiantRelatedPartList":null,"partHotspotList":null,"itemNumber":29,"partRelatedVariantList":null,"bomCode":2,"totalValue":null,"searchImage":null,"length":null,"width":null,"height":null,"unitOfDimension":null,"weight":null,"unitOfWeight":null,"specialRouting":false,"onlineRepair":null,"previousPartID":null,"sbdDiscountPriceValue":{"currencyIso":"USD","value":2.68,"priceType":"BUY","formattedValue":"$2.68","minQuantity":null,"maxQuantity":null,"sapUnit":{"code":"pieces","name":"Piece"}},"alrCode":null,"productRecallFlag":null,"selectedDocumentId":null,"productDescription":null,"pdpImage":null,"ticketId":null,"qtyRequiredPerVariant":"1","isElgibleForRepair":null,"isPowerEligible":null,"productRecallNotes":null,"productOtherInfo":null,"backorderETA":"00/00/0000","modifiedDate":null,"userLevel":"ALL","displayPrice":null,"baseProductName":null,"firstVariantCode":null,"firstVariantImage":null,"productMarketType":null,"productNumber":null,"typeStatusCode":null,"productCategory":null,"typeNumber":null,"marketCode":null,"regionCode":null,"otherInformation":null,"productTypeStatus":null,"repairInstruction":null,"repairInstructionStatusDescription":null,"typeStatusDate":null,"serviceLifeDate":null,"manufacturerId":null,"parts":null,"language":null,"glossaries":null,"brand":null,"product":null,"brandCode":null,"recallNotes":null,"volume":null},{"code":"P912-0240-CM","name":null,"url":"/c//p/P912-0240-CM","description":"NUT-JAM 7/16","purchasable":true,"stock":{"stockLevelStatus":{"code":"inStock","type":"StockLevelStatus"},"stockLevel":0,"stockThreshold":null},"futureStocks":null,"availableForPickup":null,"averageRating":null,"numberOfReviews":null,"summary":null,"manufacturer":null,"variantType":null,"price":{"currencyIso":"USD","value":2.68,"priceType":"BUY","formattedValue":"$2.68","minQuantity":null,"maxQuantity":null,"sapUnit":{"code":"pieces","name":"Piece"}},"baseProduct":null,"images":[],"categories":null,"reviews":null,"classifications":null,"potentialPromotions":null,"variantOptions":null,"baseOptions":[],"volumePricesFlag":null,"volumePrices":null,"productReferences":null,"variantMatrix":null,"priceRange":null,"firstCategoryNameList":null,"multidimensional":null,"configurable":false,"configuratorType":null,"addToCartDisabled":null,"addToCartDisabledMessage":null,"tags":null,"sapUnit":null,"keywords":null,"genders":null,"itemtype":"Part","partSubstitute":null,"note":null,"recallNote":null,"note1":null,"note2":null,"note3":null,"note4":null,"note5":null,"pdfAllUser":null,"pdfAuthUser":null,"pdfCOSUser":null,"vaiantRelatedPartList":null,"partHotspotList":null,"itemNumber":29,"partRelatedVariantList":null,"bomCode":2,"totalValue":null,"searchImage":null,"length":null,"width":null,"height":null,"unitOfDimension":null,"weight":null,"unitOfWeight":null,"specialRouting":false,"onlineRepair":null,"previousPartID":null,"sbdDiscountPriceValue":{"currencyIso":"USD","value":2.68,"priceType":"BUY","formattedValue":"$2.68","minQuantity":null,"maxQuantity":null,"sapUnit":{"code":"pieces","name":"Piece"}},"alrCode":null,"productRecallFlag":null,"selectedDocumentId":null,"productDescription":null,"pdpImage":null,"ticketId":null,"qtyRequiredPerVariant":"1","isElgibleForRepair":null,"isPowerEligible":null,"productRecallNotes":null,"productOtherInfo":null,"backorderETA":"00/00/0000","modifiedDate":null,"userLevel":"ALL","displayPrice":null,"baseProductName":null,"firstVariantCode":null,"firstVariantImage":null,"productMarketType":null,"productNumber":null,"typeStatusCode":null,"productCategory":null,"typeNumber":null,"marketCode":null,"regionCode":null,"otherInformation":null,"productTypeStatus":null,"repairInstruction":null,"repairInstructionStatusDescription":null,"typeStatusDate":null,"serviceLifeDate":null,"manufacturerId":null,"parts":null,"language":null,"glossaries":null,"brand":null,"product":null,"brandCode":null,"recallNotes":null,"volume":null},{"code":"P936-0344-CM","name":null,"url":"/c//p/P936-0344-CM","description":"WASHER-FL .9","purchasable":true,"stock":{"stockLevelStatus":{"code":"inStock","type":"StockLevelStatus"},"stockLevel":0,"stockThreshold":null},"futureStocks":null,"availableForPickup":null,"averageRating":null,"numberOfReviews":null,"summary":null,"manufacturer":null,"variantType":null,"price":{"currencyIso":"USD","value":2.86,"priceType":"BUY","formattedValue":"$2.86","minQuantity":null,"maxQuantity":null,"sapUnit":{"code":"pieces","name":"Piece"}},"baseProduct":null,"images":[],"categories":null,"reviews":null,"classifications":null,"potentialPromotions":null,"variantOptions":null,"baseOptions":[],"volumePricesFlag":null,"volumePrices":null,"productReferences":null,"variantMatrix":null,"priceRange":null,"firstCategoryNameList":null,"multidimensional":null,"configurable":false,"configuratorType":null,"addToCartDisabled":null,"addToCartDisabledMessage":null,"tags":null,"sapUnit":null,"keywords":null,"genders":null,"itemtype":"Part","partSubstitute":null,"note":null,"recallNote":null,"note1":null,"note2":null,"note3":null,"note4":null,"note5":null,"pdfAllUser":null,"pdfAuthUser":null,"pdfCOSUser":null,"vaiantRelatedPartList":null,"partHotspotList":null,"itemNumber":29,"partRelatedVariantList":null,"bomCode":2,"totalValue":null,"searchImage":null,"length":null,"width":null,"height":null,"unitOfDimension":null,"weight":null,"unitOfWeight":null,"specialRouting":false,"onlineRepair":null,"previousPartID":null,"sbdDiscountPriceValue":{"currencyIso":"USD","value":2.86,"priceType":"BUY","formattedValue":"$2.86","minQuantity":null,"maxQuantity":null,"sapUnit":{"code":"pieces","name":"Piece"}},"alrCode":null,"productRecallFlag":null,"selectedDocumentId":null,"productDescription":null,"pdpImage":null,"ticketId":null,"qtyRequiredPerVariant":"1","isElgibleForRepair":null,"isPowerEligible":null,"productRecallNotes":null,"productOtherInfo":null,"backorderETA":"00/00/0000","modifiedDate":null,"userLevel":"ALL","displayPrice":null,"baseProductName":null,"firstVariantCode":null,"firstVariantImage":null,"productMarketType":null,"productNumber":null,"typeStatusCode":null,"productCategory":null,"typeNumber":null,"marketCode":null,"regionCode":null,"otherInformation":null,"productTypeStatus":null,"repairInstruction":null,"repairInstructionStatusDescription":null,"typeStatusDate":null,"serviceLifeDate":null,"manufacturerId":null,"parts":null,"language":null,"glossaries":null,"brand":null,"product":null,"brandCode":null,"recallNotes":null,"volume":null},{"code":"P710-0376-CM","name":null,"url":"/c//p/P710-0376-CM","description":"SCREW","purchasable":true,"stock":{"stockLevelStatus":{"code":"inStock","type":"StockLevelStatus"},"stockLevel":0,"stockThreshold":null},"futureStocks":null,"availableForPickup":null,"averageRating":null,"numberOfReviews":null,"summary":null,"manufacturer":null,"variantType":null,"price":{"currencyIso":"USD","value":2.53,"priceType":"BUY","formattedValue":"$2.53","minQuantity":null,"maxQuantity":null,"sapUnit":{"code":"pieces","name":"Piece"}},"baseProduct":null,"images":[],"categories":null,"reviews":null,"classifications":null,"potentialPromotions":null,"variantOptions":null,"baseOptions":[],"volumePricesFlag":null,"volumePrices":null,"productReferences":null,"variantMatrix":null,"priceRange":null,"firstCategoryNameList":null,"multidimensional":null,"configurable":false,"configuratorType":null,"addToCartDisabled":null,"addToCartDisabledMessage":null,"tags":null,"sapUnit":null,"keywords":null,"genders":null,"itemtype":"Part","partSubstitute":null,"note":null,"recallNote":null,"note1":null,"note2":null,"note3":null,"note4":null,"note5":null,"pdfAllUser":null,"pdfAuthUser":null,"pdfCOSUser":null,"vaiantRelatedPartList":null,"partHotspotList":null,"itemNumber":30,"partRelatedVariantList":null,"bomCode":2,"totalValue":null,"searchImage":null,"length":null,"width":null,"height":null,"unitOfDimension":null,"weight":null,"unitOfWeight":null,"specialRouting":false,"onlineRepair":null,"previousPartID":null,"sbdDiscountPriceValue":{"currencyIso":"USD","value":2.53,"priceType":"BUY","formattedValue":"$2.53","minQuantity":null,"maxQuantity":null,"sapUnit":{"code":"pieces","name":"Piece"}},"alrCode":null,"productRecallFlag":null,"selectedDocumentId":null,"productDescription":null,"pdpImage":null,"ticketId":null,"qtyRequiredPerVariant":"1","isElgibleForRepair":null,"isPowerEligible":null,"productRecallNotes":null,"productOtherInfo":null,"backorderETA":"00/00/0000","modifiedDate":null,"userLevel":"ALL","displayPrice":null,"baseProductName":null,"firstVariantCode":null,"firstVariantImage":null,"productMarketType":null,"productNumber":null,"typeStatusCode":null,"productCategory":null,"typeNumber":null,"marketCode":null,"regionCode":null,"otherInformation":null,"productTypeStatus":null,"repairInstruction":null,"repairInstructionStatusDescription":null,"typeStatusDate":null,"serviceLifeDate":null,"manufacturerId":null,"parts":null,"language":null,"glossaries":null,"brand":null,"product":null,"brandCode":null,"recallNotes":null,"volume":null},{"code":"P710-0604A-CM","name":null,"url":"/c//p/P710-0604A-CM","description":"SCREW-HEX WA","purchasable":true,"stock":{"stockLevelStatus":{"code":"inStock","type":"StockLevelStatus"},"stockLevel":0,"stockThreshold":null},"futureStocks":null,"availableForPickup":null,"averageRating":null,"numberOfReviews":null,"summary":null,"manufacturer":null,"variantType":null,"price":{"currencyIso":"USD","value":2.74,"priceType":"BUY","formattedValue":"$2.74","minQuantity":null,"maxQuantity":null,"sapUnit":{"code":"pieces","name":"Piece"}},"baseProduct":null,"images":[],"categories":null,"reviews":null,"classifications":null,"potentialPromotions":null,"variantOptions":null,"baseOptions":[],"volumePricesFlag":null,"volumePrices":null,"productReferences":null,"variantMatrix":null,"priceRange":null,"firstCategoryNameList":null,"multidimensional":null,"configurable":false,"configuratorType":null,"addToCartDisabled":null,"addToCartDisabledMessage":null,"tags":null,"sapUnit":null,"keywords":null,"genders":null,"itemtype":"Part","partSubstitute":null,"note":null,"recallNote":null,"note1":null,"note2":null,"note3":null,"note4":null,"note5":null,"pdfAllUser":null,"pdfAuthUser":null,"pdfCOSUser":null,"vaiantRelatedPartList":null,"partHotspotList":null,"itemNumber":30,"partRelatedVariantList":null,"bomCode":2,"totalValue":null,"searchImage":null,"length":null,"width":null,"height":null,"unitOfDimension":null,"weight":null,"unitOfWeight":null,"specialRouting":false,"onlineRepair":null,"previousPartID":null,"sbdDiscountPriceValue":{"currencyIso":"USD","value":2.74,"priceType":"BUY","formattedValue":"$2.74","minQuantity":null,"maxQuantity":null,"sapUnit":{"code":"pieces","name":"Piece"}},"alrCode":null,"productRecallFlag":null,"selectedDocumentId":null,"productDescription":null,"pdpImage":null,"ticketId":null,"qtyRequiredPerVariant":"1","isElgibleForRepair":null,"isPowerEligible":null,"productRecallNotes":null,"productOtherInfo":null,"backorderETA":"00/00/0000","modifiedDate":null,"userLevel":"ALL","displayPrice":null,"baseProductName":null,"firstVariantCode":null,"firstVariantImage":null,"productMarketType":null,"productNumber":null,"typeStatusCode":null,"productCategory":null,"typeNumber":null,"marketCode":null,"regionCode":null,"otherInformation":null,"productTypeStatus":null,"repairInstruction":null,"repairInstructionStatusDescription":null,"typeStatusDate":null,"serviceLifeDate":null,"manufacturerId":null,"parts":null,"language":null,"glossaries":null,"brand":null,"product":null,"brandCode":null,"recallNotes":null,"volume":null},{"code":"P710-0604A-CM","name":null,"url":"/c//p/P710-0604A-CM","description":"SCREW-HEX WA","purchasable":true,"stock":{"stockLevelStatus":{"code":"inStock","type":"StockLevelStatus"},"stockLevel":0,"stockThreshold":null},"futureStocks":null,"availableForPickup":null,"averageRating":null,"numberOfReviews":null,"summary":null,"manufacturer":null,"variantType":null,"price":{"currencyIso":"USD","value":2.74,"priceType":"BUY","formattedValue":"$2.74","minQuantity":null,"maxQuantity":null,"sapUnit":{"code":"pieces","name":"Piece"}},"baseProduct":null,"images":[],"categories":null,"reviews":null,"classifications":null,"potentialPromotions":null,"variantOptions":null,"baseOptions":[],"volumePricesFlag":null,"volumePrices":null,"productReferences":null,"variantMatrix":null,"priceRange":null,"firstCategoryNameList":null,"multidimensional":null,"configurable":false,"configuratorType":null,"addToCartDisabled":null,"addToCartDisabledMessage":null,"tags":null,"sapUnit":null,"keywords":null,"genders":null,"itemtype":"Part","partSubstitute":null,"note":null,"recallNote":null,"note1":null,"note2":null,"note3":null,"note4":null,"note5":null,"pdfAllUser":null,"pdfAuthUser":null,"pdfCOSUser":null,"vaiantRelatedPartList":null,"partHotspotList":null,"itemNumber":30,"partRelatedVariantList":null,"bomCode":2,"totalValue":null,"searchImage":null,"length":null,"width":null,"height":null,"unitOfDimension":null,"weight":null,"unitOfWeight":null,"specialRouting":false,"onlineRepair":null,"previousPartID":null,"sbdDiscountPriceValue":{"currencyIso":"USD","value":2.74,"priceType":"BUY","formattedValue":"$2.74","minQuantity":null,"maxQuantity":null,"sapUnit":{"code":"pieces","name":"Piece"}},"alrCode":null,"productRecallFlag":null,"selectedDocumentId":null,"productDescription":null,"pdpImage":null,"ticketId":null,"qtyRequiredPerVariant":"1","isElgibleForRepair":null,"isPowerEligible":null,"productRecallNotes":null,"productOtherInfo":null,"backorderETA":"00/00/0000","modifiedDate":null,"userLevel":"ALL","displayPrice":null,"baseProductName":null,"firstVariantCode":null,"firstVariantImage":null,"productMarketType":null,"productNumber":null,"typeStatusCode":null,"productCategory":null,"typeNumber":null,"marketCode":null,"regionCode":null,"otherInformation":null,"productTypeStatus":null,"repairInstruction":null,"repairInstructionStatusDescription":null,"typeStatusDate":null,"serviceLifeDate":null,"manufacturerId":null,"parts":null,"language":null,"glossaries":null,"brand":null,"product":null,"brandCode":null,"recallNotes":null,"volume":null},{"code":"P710-3008-CM","name":null,"url":"/c//p/P710-3008-CM","description":"HEX BOLT","purchasable":true,"stock":{"stockLevelStatus":{"code":"inStock","type":"StockLevelStatus"},"stockLevel":0,"stockThreshold":null},"futureStocks":null,"availableForPickup":null,"averageRating":null,"numberOfReviews":null,"summary":null,"manufacturer":null,"variantType":null,"price":{"currencyIso":"USD","value":2.59,"priceType":"BUY","formattedValue":"$2.59","minQuantity":null,"maxQuantity":null,"sapUnit":{"code":"pieces","name":"Piece"}},"baseProduct":null,"images":[],"categories":null,"reviews":null,"classifications":null,"potentialPromotions":null,"variantOptions":null,"baseOptions":[],"volumePricesFlag":null,"volumePrices":null,"productReferences":null,"variantMatrix":null,"priceRange":null,"firstCategoryNameList":null,"multidimensional":null,"configurable":false,"configuratorType":null,"addToCartDisabled":null,"addToCartDisabledMessage":null,"tags":null,"sapUnit":null,"keywords":null,"genders":null,"itemtype":"Part","partSubstitute":null,"note":null,"recallNote":null,"note1":null,"note2":null,"note3":null,"note4":null,"note5":null,"pdfAllUser":null,"pdfAuthUser":null,"pdfCOSUser":null,"vaiantRelatedPartList":null,"partHotspotList":null,"itemNumber":30,"partRelatedVariantList":null,"bomCode":2,"totalValue":null,"searchImage":null,"length":null,"width":null,"height":null,"unitOfDimension":null,"weight":null,"unitOfWeight":null,"specialRouting":false,"onlineRepair":null,"previousPartID":null,"sbdDiscountPriceValue":{"currencyIso":"USD","value":2.59,"priceType":"BUY","formattedValue":"$2.59","minQuantity":null,"maxQuantity":null,"sapUnit":{"code":"pieces","name":"Piece"}},"alrCode":null,"productRecallFlag":null,"selectedDocumentId":null,"productDescription":null,"pdpImage":null,"ticketId":null,"qtyRequiredPerVariant":"1","isElgibleForRepair":null,"isPowerEligible":null,"productRecallNotes":null,"productOtherInfo":null,"backorderETA":"00/00/0000","modifiedDate":null,"userLevel":"ALL","displayPrice":null,"baseProductName":null,"firstVariantCode":null,"firstVariantImage":null,"productMarketType":null,"productNumber":null,"typeStatusCode":null,"productCategory":null,"typeNumber":null,"marketCode":null,"regionCode":null,"otherInformation":null,"productTypeStatus":null,"repairInstruction":null,"repairInstructionStatusDescription":null,"typeStatusDate":null,"serviceLifeDate":null,"manufacturerId":null,"parts":null,"language":null,"glossaries":null,"brand":null,"product":null,"brandCode":null,"recallNotes":null,"volume":null},{"code":"P710-3008-CM","name":null,"url":"/c//p/P710-3008-CM","description":"HEX BOLT","purchasable":true,"stock":{"stockLevelStatus":{"code":"inStock","type":"StockLevelStatus"},"stockLevel":0,"stockThreshold":null},"futureStocks":null,"availableForPickup":null,"averageRating":null,"numberOfReviews":null,"summary":null,"manufacturer":null,"variantType":null,"price":{"currencyIso":"USD","value":2.59,"priceType":"BUY","formattedValue":"$2.59","minQuantity":null,"maxQuantity":null,"sapUnit":{"code":"pieces","name":"Piece"}},"baseProduct":null,"images":[],"categories":null,"reviews":null,"classifications":null,"potentialPromotions":null,"variantOptions":null,"baseOptions":[],"volumePricesFlag":null,"volumePrices":null,"productReferences":null,"variantMatrix":null,"priceRange":null,"firstCategoryNameList":null,"multidimensional":null,"configurable":false,"configuratorType":null,"addToCartDisabled":null,"addToCartDisabledMessage":null,"tags":null,"sapUnit":null,"keywords":null,"genders":null,"itemtype":"Part","partSubstitute":null,"note":null,"recallNote":null,"note1":null,"note2":null,"note3":null,"note4":null,"note5":null,"pdfAllUser":null,"pdfAuthUser":null,"pdfCOSUser":null,"vaiantRelatedPartList":null,"partHotspotList":null,"itemNumber":30,"partRelatedVariantList":null,"bomCode":2,"totalValue":null,"searchImage":null,"length":null,"width":null,"height":null,"unitOfDimension":null,"weight":null,"unitOfWeight":null,"specialRouting":false,"onlineRepair":null,"previousPartID":null,"sbdDiscountPriceValue":{"currencyIso":"USD","value":2.59,"priceType":"BUY","formattedValue":"$2.59","minQuantity":null,"maxQuantity":null,"sapUnit":{"code":"pieces","name":"Piece"}},"alrCode":null,"productRecallFlag":null,"selectedDocumentId":null,"productDescription":null,"pdpImage":null,"ticketId":null,"qtyRequiredPerVariant":"1","isElgibleForRepair":null,"isPowerEligible":null,"productRecallNotes":null,"productOtherInfo":null,"backorderETA":"00/00/0000","modifiedDate":null,"userLevel":"ALL","displayPrice":null,"baseProductName":null,"firstVariantCode":null,"firstVariantImage":null,"productMarketType":null,"productNumber":null,"typeStatusCode":null,"productCategory":null,"typeNumber":null,"marketCode":null,"regionCode":null,"otherInformation":null,"productTypeStatus":null,"repairInstruction":null,"repairInstructionStatusDescription":null,"typeStatusDate":null,"serviceLifeDate":null,"manufacturerId":null,"parts":null,"language":null,"glossaries":null,"brand":null,"product":null,"brandCode":null,"recallNotes":null,"volume":null},{"code":"P712-0241-CM","name":null,"url":"/c//p/P712-0241-CM","description":"HEX NUT","purchasable":true,"stock":{"stockLevelStatus":{"code":"inStock","type":"StockLevelStatus"},"stockLevel":0,"stockThreshold":null},"futureStocks":null,"availableForPickup":null,"averageRating":null,"numberOfReviews":null,"summary":null,"manufacturer":null,"variantType":null,"price":{"currencyIso":"USD","value":2.66,"priceType":"BUY","formattedValue":"$2.66","minQuantity":null,"maxQuantity":null,"sapUnit":{"code":"pieces","name":"Piece"}},"baseProduct":null,"images":[],"categories":null,"reviews":null,"classifications":null,"potentialPromotions":null,"variantOptions":null,"baseOptions":[],"volumePricesFlag":null,"volumePrices":null,"productReferences":null,"variantMatrix":null,"priceRange":null,"firstCategoryNameList":null,"multidimensional":null,"configurable":false,"configuratorType":null,"addToCartDisabled":null,"addToCartDisabledMessage":null,"tags":null,"sapUnit":null,"keywords":null,"genders":null,"itemtype":"Part","partSubstitute":null,"note":null,"recallNote":null,"note1":null,"note2":null,"note3":null,"note4":null,"note5":null,"pdfAllUser":null,"pdfAuthUser":null,"pdfCOSUser":null,"vaiantRelatedPartList":null,"partHotspotList":null,"itemNumber":30,"partRelatedVariantList":null,"bomCode":2,"totalValue":null,"searchImage":null,"length":null,"width":null,"height":null,"unitOfDimension":null,"weight":null,"unitOfWeight":null,"specialRouting":false,"onlineRepair":null,"previousPartID":null,"sbdDiscountPriceValue":{"currencyIso":"USD","value":2.66,"priceType":"BUY","formattedValue":"$2.66","minQuantity":null,"maxQuantity":null,"sapUnit":{"code":"pieces","name":"Piece"}},"alrCode":null,"productRecallFlag":null,"selectedDocumentId":null,"productDescription":null,"pdpImage":null,"ticketId":null,"qtyRequiredPerVariant":"1","isElgibleForRepair":null,"isPowerEligible":null,"productRecallNotes":null,"productOtherInfo":null,"backorderETA":"00/00/0000","modifiedDate":null,"userLevel":"ALL","displayPrice":null,"baseProductName":null,"firstVariantCode":null,"firstVariantImage":null,"productMarketType":null,"productNumber":null,"typeStatusCode":null,"productCategory":null,"typeNumber":null,"marketCode":null,"regionCode":null,"otherInformation":null,"productTypeStatus":null,"repairInstruction":null,"repairInstructionStatusDescription":null,"typeStatusDate":null,"serviceLifeDate":null,"manufacturerId":null,"parts":null,"language":null,"glossaries":null,"brand":null,"product":null,"brandCode":null,"recallNotes":null,"volume":null},{"code":"P741-0660A-CM","name":null,"url":"/c//p/P741-0660A-CM","description":"BEARING-FLAN","purchasable":true,"stock":{"stockLevelStatus":{"code":"inStock","type":"StockLevelStatus"},"stockLevel":0,"stockThreshold":null},"futureStocks":null,"availableForPickup":null,"averageRating":null,"numberOfReviews":null,"summary":null,"manufacturer":null,"variantType":null,"price":{"currencyIso":"USD","value":2.01,"priceType":"BUY","formattedValue":"$2.01","minQuantity":null,"maxQuantity":null,"sapUnit":{"code":"pieces","name":"Piece"}},"baseProduct":null,"images":[],"categories":null,"reviews":null,"classifications":null,"potentialPromotions":null,"variantOptions":null,"baseOptions":[],"volumePricesFlag":null,"volumePrices":null,"productReferences":null,"variantMatrix":null,"priceRange":null,"firstCategoryNameList":null,"multidimensional":null,"configurable":false,"configuratorType":null,"addToCartDisabled":null,"addToCartDisabledMessage":null,"tags":null,"sapUnit":null,"keywords":null,"genders":null,"itemtype":"Part","partSubstitute":null,"note":null,"recallNote":null,"note1":null,"note2":null,"note3":null,"note4":null,"note5":null,"pdfAllUser":null,"pdfAuthUser":null,"pdfCOSUser":null,"vaiantRelatedPartList":null,"partHotspotList":null,"itemNumber":30,"partRelatedVariantList":null,"bomCode":2,"totalValue":null,"searchImage":null,"length":null,"width":null,"height":null,"unitOfDimension":null,"weight":null,"unitOfWeight":null,"specialRouting":false,"onlineRepair":null,"previousPartID":null,"sbdDiscountPriceValue":{"currencyIso":"USD","value":2.01,"priceType":"BUY","formattedValue":"$2.01","minQuantity":null,"maxQuantity":null,"sapUnit":{"code":"pieces","name":"Piece"}},"alrCode":null,"productRecallFlag":null,"selectedDocumentId":null,"productDescription":null,"pdpImage":null,"ticketId":null,"qtyRequiredPerVariant":"1","isElgibleForRepair":null,"isPowerEligible":null,"productRecallNotes":null,"productOtherInfo":null,"backorderETA":"00/00/0000","modifiedDate":null,"userLevel":"ALL","displayPrice":null,"baseProductName":null,"firstVariantCode":null,"firstVariantImage":null,"productMarketType":null,"productNumber":null,"typeStatusCode":null,"productCategory":null,"typeNumber":null,"marketCode":null,"regionCode":null,"otherInformation":null,"productTypeStatus":null,"repairInstruction":null,"repairInstructionStatusDescription":null,"typeStatusDate":null,"serviceLifeDate":null,"manufacturerId":null,"parts":null,"language":null,"glossaries":null,"brand":null,"product":null,"brandCode":null,"recallNotes":null,"volume":null},{"code":"P720-05010-CM","name":null,"url":"/c//p/P720-05010-CM","description":"CAP:VINYL","purchasable":true,"stock":{"stockLevelStatus":{"code":"inStock","type":"StockLevelStatus"},"stockLevel":0,"stockThreshold":null},"futureStocks":null,"availableForPickup":null,"averageRating":null,"numberOfReviews":null,"summary":null,"manufacturer":null,"variantType":null,"price":{"currencyIso":"USD","value":2.55,"priceType":"BUY","formattedValue":"$2.55","minQuantity":null,"maxQuantity":null,"sapUnit":{"code":"pieces","name":"Piece"}},"baseProduct":null,"images":[],"categories":null,"reviews":null,"classifications":null,"potentialPromotions":null,"variantOptions":null,"baseOptions":[],"volumePricesFlag":null,"volumePrices":null,"productReferences":null,"variantMatrix":null,"priceRange":null,"firstCategoryNameList":null,"multidimensional":null,"configurable":false,"configuratorType":null,"addToCartDisabled":null,"addToCartDisabledMessage":null,"tags":null,"sapUnit":null,"keywords":null,"genders":null,"itemtype":"Part","partSubstitute":null,"note":null,"recallNote":null,"note1":null,"note2":null,"note3":null,"note4":null,"note5":null,"pdfAllUser":null,"pdfAuthUser":null,"pdfCOSUser":null,"vaiantRelatedPartList":null,"partHotspotList":null,"itemNumber":31,"partRelatedVariantList":null,"bomCode":2,"totalValue":null,"searchImage":null,"length":null,"width":null,"height":null,"unitOfDimension":null,"weight":null,"unitOfWeight":null,"specialRouting":false,"onlineRepair":null,"previousPartID":null,"sbdDiscountPriceValue":{"currencyIso":"USD","value":2.55,"priceType":"BUY","formattedValue":"$2.55","minQuantity":null,"maxQuantity":null,"sapUnit":{"code":"pieces","name":"Piece"}},"alrCode":null,"productRecallFlag":null,"selectedDocumentId":null,"productDescription":null,"pdpImage":null,"ticketId":null,"qtyRequiredPerVariant":"1","isElgibleForRepair":null,"isPowerEligible":null,"productRecallNotes":null,"productOtherInfo":null,"backorderETA":"00/00/0000","modifiedDate":null,"userLevel":"ALL","displayPrice":null,"baseProductName":null,"firstVariantCode":null,"firstVariantImage":null,"productMarketType":null,"productNumber":null,"typeStatusCode":null,"productCategory":null,"typeNumber":null,"marketCode":null,"regionCode":null,"otherInformation":null,"productTypeStatus":null,"repairInstruction":null,"repairInstructionStatusDescription":null,"typeStatusDate":null,"serviceLifeDate":null,"manufacturerId":null,"parts":null,"language":null,"glossaries":null,"brand":null,"product":null,"brandCode":null,"recallNotes":null,"volume":null},{"code":"P741-0587-CM","name":null,"url":"/c//p/P741-0587-CM","description":"Flange Beari","purchasable":true,"stock":{"stockLevelStatus":{"code":"inStock","type":"StockLevelStatus"},"stockLevel":0,"stockThreshold":null},"futureStocks":null,"availableForPickup":null,"averageRating":null,"numberOfReviews":null,"summary":null,"manufacturer":null,"variantType":null,"price":{"currencyIso":"USD","value":2.68,"priceType":"BUY","formattedValue":"$2.68","minQuantity":null,"maxQuantity":null,"sapUnit":{"code":"pieces","name":"Piece"}},"baseProduct":null,"images":[],"categories":null,"reviews":null,"classifications":null,"potentialPromotions":null,"variantOptions":null,"baseOptions":[],"volumePricesFlag":null,"volumePrices":null,"productReferences":null,"variantMatrix":null,"priceRange":null,"firstCategoryNameList":null,"multidimensional":null,"configurable":false,"configuratorType":null,"addToCartDisabled":null,"addToCartDisabledMessage":null,"tags":null,"sapUnit":null,"keywords":null,"genders":null,"itemtype":"Part","partSubstitute":null,"note":null,"recallNote":null,"note1":null,"note2":null,"note3":null,"note4":null,"note5":null,"pdfAllUser":null,"pdfAuthUser":null,"pdfCOSUser":null,"vaiantRelatedPartList":null,"partHotspotList":null,"itemNumber":31,"partRelatedVariantList":null,"bomCode":2,"totalValue":null,"searchImage":null,"length":null,"width":null,"height":null,"unitOfDimension":null,"weight":null,"unitOfWeight":null,"specialRouting":false,"onlineRepair":null,"previousPartID":null,"sbdDiscountPriceValue":{"currencyIso":"USD","value":2.68,"priceType":"BUY","formattedValue":"$2.68","minQuantity":null,"maxQuantity":null,"sapUnit":{"code":"pieces","name":"Piece"}},"alrCode":null,"productRecallFlag":null,"selectedDocumentId":null,"productDescription":null,"pdpImage":null,"ticketId":null,"qtyRequiredPerVariant":"1","isElgibleForRepair":null,"isPowerEligible":null,"productRecallNotes":null,"productOtherInfo":null,"backorderETA":"00/00/0000","modifiedDate":null,"userLevel":"ALL","displayPrice":null,"baseProductName":null,"firstVariantCode":null,"firstVariantImage":null,"productMarketType":null,"productNumber":null,"typeStatusCode":null,"productCategory":null,"typeNumber":null,"marketCode":null,"regionCode":null,"otherInformation":null,"productTypeStatus":null,"repairInstruction":null,"repairInstructionStatusDescription":null,"typeStatusDate":null,"serviceLifeDate":null,"manufacturerId":null,"parts":null,"language":null,"glossaries":null,"brand":null,"product":null,"brandCode":null,"recallNotes":null,"volume":null},{"code":"P747-04299A-CM","name":null,"url":"/c//p/P747-04299A-CM","description":"TIE ROD","purchasable":true,"stock":{"stockLevelStatus":{"code":"inStock","type":"StockLevelStatus"},"stockLevel":0,"stockThreshold":null},"futureStocks":null,"availableForPickup":null,"averageRating":null,"numberOfReviews":null,"summary":null,"manufacturer":null,"variantType":null,"price":{"currencyIso":"USD","value":18.49,"priceType":"BUY","formattedValue":"$18.49","minQuantity":null,"maxQuantity":null,"sapUnit":{"code":"pieces","name":"Piece"}},"baseProduct":null,"images":[],"categories":null,"reviews":null,"classifications":null,"potentialPromotions":null,"variantOptions":null,"baseOptions":[],"volumePricesFlag":null,"volumePrices":null,"productReferences":null,"variantMatrix":null,"priceRange":null,"firstCategoryNameList":null,"multidimensional":null,"configurable":false,"configuratorType":null,"addToCartDisabled":null,"addToCartDisabledMessage":null,"tags":null,"sapUnit":null,"keywords":null,"genders":null,"itemtype":"Part","partSubstitute":null,"note":null,"recallNote":null,"note1":null,"note2":null,"note3":null,"note4":null,"note5":null,"pdfAllUser":null,"pdfAuthUser":null,"pdfCOSUser":null,"vaiantRelatedPartList":null,"partHotspotList":null,"itemNumber":31,"partRelatedVariantList":null,"bomCode":2,"totalValue":null,"searchImage":null,"length":null,"width":null,"height":null,"unitOfDimension":null,"weight":null,"unitOfWeight":null,"specialRouting":false,"onlineRepair":null,"previousPartID":null,"sbdDiscountPriceValue":{"currencyIso":"USD","value":18.49,"priceType":"BUY","formattedValue":"$18.49","minQuantity":null,"maxQuantity":null,"sapUnit":{"code":"pieces","name":"Piece"}},"alrCode":null,"productRecallFlag":null,"selectedDocumentId":null,"productDescription":null,"pdpImage":null,"ticketId":null,"qtyRequiredPerVariant":"1","isElgibleForRepair":null,"isPowerEligible":null,"productRecallNotes":null,"productOtherInfo":null,"backorderETA":"00/00/0000","modifiedDate":null,"userLevel":"ALL","displayPrice":null,"baseProductName":null,"firstVariantCode":null,"firstVariantImage":null,"productMarketType":null,"productNumber":null,"typeStatusCode":null,"productCategory":null,"typeNumber":null,"marketCode":null,"regionCode":null,"otherInformation":null,"productTypeStatus":null,"repairInstruction":null,"repairInstructionStatusDescription":null,"typeStatusDate":null,"serviceLifeDate":null,"manufacturerId":null,"parts":null,"language":null,"glossaries":null,"brand":null,"product":null,"brandCode":null,"recallNotes":null,"volume":null},{"code":"P5140221-24","name":null,"url":"/c//p/P5140221-24","description":"BRKT-PVT","purchasable":true,"stock":{"stockLevelStatus":{"code":"inStock","type":"StockLevelStatus"},"stockLevel":0,"stockThreshold":null},"futureStocks":null,"availableForPickup":null,"averageRating":null,"numberOfReviews":null,"summary":null,"manufacturer":null,"variantType":null,"price":{"currencyIso":"USD","value":24.94,"priceType":"BUY","formattedValue":"$24.94","minQuantity":null,"maxQuantity":null,"sapUnit":{"code":"pieces","name":"Piece"}},"baseProduct":null,"images":[],"categories":null,"reviews":null,"classifications":null,"potentialPromotions":null,"variantOptions":null,"baseOptions":[],"volumePricesFlag":null,"volumePrices":null,"productReferences":null,"variantMatrix":null,"priceRange":null,"firstCategoryNameList":null,"multidimensional":null,"configurable":false,"configuratorType":null,"addToCartDisabled":null,"addToCartDisabledMessage":null,"tags":null,"sapUnit":null,"keywords":null,"genders":null,"itemtype":"Part","partSubstitute":null,"note":null,"recallNote":null,"note1":null,"note2":null,"note3":null,"note4":null,"note5":null,"pdfAllUser":null,"pdfAuthUser":null,"pdfCOSUser":null,"vaiantRelatedPartList":null,"partHotspotList":null,"itemNumber":32,"partRelatedVariantList":null,"bomCode":2,"totalValue":null,"searchImage":null,"length":null,"width":null,"height":null,"unitOfDimension":null,"weight":null,"unitOfWeight":null,"specialRouting":false,"onlineRepair":null,"previousPartID":null,"sbdDiscountPriceValue":{"currencyIso":"USD","value":24.94,"priceType":"BUY","formattedValue":"$24.94","minQuantity":null,"maxQuantity":null,"sapUnit":{"code":"pieces","name":"Piece"}},"alrCode":null,"productRecallFlag":null,"selectedDocumentId":null,"productDescription":null,"pdpImage":null,"ticketId":null,"qtyRequiredPerVariant":"1","isElgibleForRepair":null,"isPowerEligible":null,"productRecallNotes":null,"productOtherInfo":null,"backorderETA":"00/00/0000","modifiedDate":null,"userLevel":"ALL","displayPrice":null,"baseProductName":null,"firstVariantCode":null,"firstVariantImage":null,"productMarketType":null,"productNumber":null,"typeStatusCode":null,"productCategory":null,"typeNumber":null,"marketCode":null,"regionCode":null,"otherInformation":null,"productTypeStatus":null,"repairInstruction":null,"repairInstructionStatusDescription":null,"typeStatusDate":null,"serviceLifeDate":null,"manufacturerId":null,"parts":null,"language":null,"glossaries":null,"brand":null,"product":null,"brandCode":null,"recallNotes":null,"volume":null},{"code":"P712-04063-CM","name":null,"url":"/c//p/P712-04063-CM","description":"NUT","purchasable":true,"stock":{"stockLevelStatus":{"code":"inStock","type":"StockLevelStatus"},"stockLevel":4,"stockThreshold":null},"futureStocks":null,"availableForPickup":null,"averageRating":null,"numberOfReviews":null,"summary":null,"manufacturer":null,"variantType":null,"price":{"currencyIso":"USD","value":2.58,"priceType":"BUY","formattedValue":"$2.58","minQuantity":null,"maxQuantity":null,"sapUnit":{"code":"pieces","name":"Piece"}},"baseProduct":null,"images":[],"categories":null,"reviews":null,"classifications":null,"potentialPromotions":null,"variantOptions":null,"baseOptions":[],"volumePricesFlag":null,"volumePrices":null,"productReferences":null,"variantMatrix":null,"priceRange":null,"firstCategoryNameList":null,"multidimensional":null,"configurable":false,"configuratorType":null,"addToCartDisabled":null,"addToCartDisabledMessage":null,"tags":null,"sapUnit":null,"keywords":null,"genders":null,"itemtype":"Part","partSubstitute":null,"note":null,"recallNote":null,"note1":null,"note2":null,"note3":null,"note4":null,"note5":null,"pdfAllUser":null,"pdfAuthUser":null,"pdfCOSUser":null,"vaiantRelatedPartList":null,"partHotspotList":null,"itemNumber":32,"partRelatedVariantList":null,"bomCode":2,"totalValue":null,"searchImage":null,"length":null,"width":null,"height":null,"unitOfDimension":null,"weight":null,"unitOfWeight":null,"specialRouting":false,"onlineRepair":null,"previousPartID":null,"sbdDiscountPriceValue":{"currencyIso":"USD","value":2.58,"priceType":"BUY","formattedValue":"$2.58","minQuantity":null,"maxQuantity":null,"sapUnit":{"code":"pieces","name":"Piece"}},"alrCode":null,"productRecallFlag":null,"selectedDocumentId":null,"productDescription":null,"pdpImage":null,"ticketId":null,"qtyRequiredPerVariant":"1","isElgibleForRepair":null,"isPowerEligible":null,"productRecallNotes":null,"productOtherInfo":null,"backorderETA":"00/00/0000","modifiedDate":"No ETA","userLevel":"ALL","displayPrice":null,"baseProductName":null,"firstVariantCode":null,"firstVariantImage":null,"productMarketType":null,"productNumber":null,"typeStatusCode":null,"productCategory":null,"typeNumber":null,"marketCode":null,"regionCode":null,"otherInformation":null,"productTypeStatus":null,"repairInstruction":null,"repairInstructionStatusDescription":null,"typeStatusDate":null,"serviceLifeDate":null,"manufacturerId":null,"parts":null,"language":null,"glossaries":null,"brand":null,"product":null,"brandCode":null,"recallNotes":null,"volume":null},{"code":"P712-04063-CM","name":null,"url":"/c//p/P712-04063-CM","description":"NUT","purchasable":true,"stock":{"stockLevelStatus":{"code":"inStock","type":"StockLevelStatus"},"stockLevel":4,"stockThreshold":null},"futureStocks":null,"availableForPickup":null,"averageRating":null,"numberOfReviews":null,"summary":null,"manufacturer":null,"variantType":null,"price":{"currencyIso":"USD","value":2.58,"priceType":"BUY","formattedValue":"$2.58","minQuantity":null,"maxQuantity":null,"sapUnit":{"code":"pieces","name":"Piece"}},"baseProduct":null,"images":[],"categories":null,"reviews":null,"classifications":null,"potentialPromotions":null,"variantOptions":null,"baseOptions":[],"volumePricesFlag":null,"volumePrices":null,"productReferences":null,"variantMatrix":null,"priceRange":null,"firstCategoryNameList":null,"multidimensional":null,"configurable":false,"configuratorType":null,"addToCartDisabled":null,"addToCartDisabledMessage":null,"tags":null,"sapUnit":null,"keywords":null,"genders":null,"itemtype":"Part","partSubstitute":null,"note":null,"recallNote":null,"note1":null,"note2":null,"note3":null,"note4":null,"note5":null,"pdfAllUser":null,"pdfAuthUser":null,"pdfCOSUser":null,"vaiantRelatedPartList":null,"partHotspotList":null,"itemNumber":32,"partRelatedVariantList":null,"bomCode":2,"totalValue":null,"searchImage":null,"length":null,"width":null,"height":null,"unitOfDimension":null,"weight":null,"unitOfWeight":null,"specialRouting":false,"onlineRepair":null,"previousPartID":null,"sbdDiscountPriceValue":{"currencyIso":"USD","value":2.58,"priceType":"BUY","formattedValue":"$2.58","minQuantity":null,"maxQuantity":null,"sapUnit":{"code":"pieces","name":"Piece"}},"alrCode":null,"productRecallFlag":null,"selectedDocumentId":null,"productDescription":null,"pdpImage":null,"ticketId":null,"qtyRequiredPerVariant":"1","isElgibleForRepair":null,"isPowerEligible":null,"productRecallNotes":null,"productOtherInfo":null,"backorderETA":"00/00/0000","modifiedDate":"No ETA","userLevel":"ALL","displayPrice":null,"baseProductName":null,"firstVariantCode":null,"firstVariantImage":null,"productMarketType":null,"productNumber":null,"typeStatusCode":null,"productCategory":null,"typeNumber":null,"marketCode":null,"regionCode":null,"otherInformation":null,"productTypeStatus":null,"repairInstruction":null,"repairInstructionStatusDescription":null,"typeStatusDate":null,"serviceLifeDate":null,"manufacturerId":null,"parts":null,"language":null,"glossaries":null,"brand":null,"product":null,"brandCode":null,"recallNotes":null,"volume":null},{"code":"P712-04063-CM","name":null,"url":"/c//p/P712-04063-CM","description":"NUT","purchasable":true,"stock":{"stockLevelStatus":{"code":"inStock","type":"StockLevelStatus"},"stockLevel":4,"stockThreshold":null},"futureStocks":null,"availableForPickup":null,"averageRating":null,"numberOfReviews":null,"summary":null,"manufacturer":null,"variantType":null,"price":{"currencyIso":"USD","value":2.58,"priceType":"BUY","formattedValue":"$2.58","minQuantity":null,"maxQuantity":null,"sapUnit":{"code":"pieces","name":"Piece"}},"baseProduct":null,"images":[],"categories":null,"reviews":null,"classifications":null,"potentialPromotions":null,"variantOptions":null,"baseOptions":[],"volumePricesFlag":null,"volumePrices":null,"productReferences":null,"variantMatrix":null,"priceRange":null,"firstCategoryNameList":null,"multidimensional":null,"configurable":false,"configuratorType":null,"addToCartDisabled":null,"addToCartDisabledMessage":null,"tags":null,"sapUnit":null,"keywords":null,"genders":null,"itemtype":"Part","partSubstitute":null,"note":null,"recallNote":null,"note1":null,"note2":null,"note3":null,"note4":null,"note5":null,"pdfAllUser":null,"pdfAuthUser":null,"pdfCOSUser":null,"vaiantRelatedPartList":null,"partHotspotList":null,"itemNumber":32,"partRelatedVariantList":null,"bomCode":2,"totalValue":null,"searchImage":null,"length":null,"width":null,"height":null,"unitOfDimension":null,"weight":null,"unitOfWeight":null,"specialRouting":false,"onlineRepair":null,"previousPartID":null,"sbdDiscountPriceValue":{"currencyIso":"USD","value":2.58,"priceType":"BUY","formattedValue":"$2.58","minQuantity":null,"maxQuantity":null,"sapUnit":{"code":"pieces","name":"Piece"}},"alrCode":null,"productRecallFlag":null,"selectedDocumentId":null,"productDescription":null,"pdpImage":null,"ticketId":null,"qtyRequiredPerVariant":"1","isElgibleForRepair":null,"isPowerEligible":null,"productRecallNotes":null,"productOtherInfo":null,"backorderETA":"00/00/0000","modifiedDate":"No ETA","userLevel":"ALL","displayPrice":null,"baseProductName":null,"firstVariantCode":null,"firstVariantImage":null,"productMarketType":null,"productNumber":null,"typeStatusCode":null,"productCategory":null,"typeNumber":null,"marketCode":null,"regionCode":null,"otherInformation":null,"productTypeStatus":null,"repairInstruction":null,"repairInstructionStatusDescription":null,"typeStatusDate":null,"serviceLifeDate":null,"manufacturerId":null,"parts":null,"language":null,"glossaries":null,"brand":null,"product":null,"brandCode":null,"recallNotes":null,"volume":null},{"code":"P712-04063-CM","name":null,"url":"/c//p/P712-04063-CM","description":"NUT","purchasable":true,"stock":{"stockLevelStatus":{"code":"inStock","type":"StockLevelStatus"},"stockLevel":4,"stockThreshold":null},"futureStocks":null,"availableForPickup":null,"averageRating":null,"numberOfReviews":null,"summary":null,"manufacturer":null,"variantType":null,"price":{"currencyIso":"USD","value":2.58,"priceType":"BUY","formattedValue":"$2.58","minQuantity":null,"maxQuantity":null,"sapUnit":{"code":"pieces","name":"Piece"}},"baseProduct":null,"images":[],"categories":null,"reviews":null,"classifications":null,"potentialPromotions":null,"variantOptions":null,"baseOptions":[],"volumePricesFlag":null,"volumePrices":null,"productReferences":null,"variantMatrix":null,"priceRange":null,"firstCategoryNameList":null,"multidimensional":null,"configurable":false,"configuratorType":null,"addToCartDisabled":null,"addToCartDisabledMessage":null,"tags":null,"sapUnit":null,"keywords":null,"genders":null,"itemtype":"Part","partSubstitute":null,"note":null,"recallNote":null,"note1":null,"note2":null,"note3":null,"note4":null,"note5":null,"pdfAllUser":null,"pdfAuthUser":null,"pdfCOSUser":null,"vaiantRelatedPartList":null,"partHotspotList":null,"itemNumber":32,"partRelatedVariantList":null,"bomCode":2,"totalValue":null,"searchImage":null,"length":null,"width":null,"height":null,"unitOfDimension":null,"weight":null,"unitOfWeight":null,"specialRouting":false,"onlineRepair":null,"previousPartID":null,"sbdDiscountPriceValue":{"currencyIso":"USD","value":2.58,"priceType":"BUY","formattedValue":"$2.58","minQuantity":null,"maxQuantity":null,"sapUnit":{"code":"pieces","name":"Piece"}},"alrCode":null,"productRecallFlag":null,"selectedDocumentId":null,"productDescription":null,"pdpImage":null,"ticketId":null,"qtyRequiredPerVariant":"1","isElgibleForRepair":null,"isPowerEligible":null,"productRecallNotes":null,"productOtherInfo":null,"backorderETA":"00/00/0000","modifiedDate":"No ETA","userLevel":"ALL","displayPrice":null,"baseProductName":null,"firstVariantCode":null,"firstVariantImage":null,"productMarketType":null,"productNumber":null,"typeStatusCode":null,"productCategory":null,"typeNumber":null,"marketCode":null,"regionCode":null,"otherInformation":null,"productTypeStatus":null,"repairInstruction":null,"repairInstructionStatusDescription":null,"typeStatusDate":null,"serviceLifeDate":null,"manufacturerId":null,"parts":null,"language":null,"glossaries":null,"brand":null,"product":null,"brandCode":null,"recallNotes":null,"volume":null},{"code":"P712-04064-CM","name":null,"url":"/c//p/P712-04064-CM","description":"NUT","purchasable":true,"stock":{"stockLevelStatus":{"code":"inStock","type":"StockLevelStatus"},"stockLevel":0,"stockThreshold":null},"futureStocks":null,"availableForPickup":null,"averageRating":null,"numberOfReviews":null,"summary":null,"manufacturer":null,"variantType":null,"price":{"currencyIso":"USD","value":2.51,"priceType":"BUY","formattedValue":"$2.51","minQuantity":null,"maxQuantity":null,"sapUnit":{"code":"pieces","name":"Piece"}},"baseProduct":null,"images":[],"categories":null,"reviews":null,"classifications":null,"potentialPromotions":null,"variantOptions":null,"baseOptions":[],"volumePricesFlag":null,"volumePrices":null,"productReferences":null,"variantMatrix":null,"priceRange":null,"firstCategoryNameList":null,"multidimensional":null,"configurable":false,"configuratorType":null,"addToCartDisabled":null,"addToCartDisabledMessage":null,"tags":null,"sapUnit":null,"keywords":null,"genders":null,"itemtype":"Part","partSubstitute":null,"note":null,"recallNote":null,"note1":null,"note2":null,"note3":null,"note4":null,"note5":null,"pdfAllUser":null,"pdfAuthUser":null,"pdfCOSUser":null,"vaiantRelatedPartList":null,"partHotspotList":null,"itemNumber":32,"partRelatedVariantList":null,"bomCode":2,"totalValue":null,"searchImage":null,"length":null,"width":null,"height":null,"unitOfDimension":null,"weight":null,"unitOfWeight":null,"specialRouting":false,"onlineRepair":null,"previousPartID":null,"sbdDiscountPriceValue":{"currencyIso":"USD","value":2.51,"priceType":"BUY","formattedValue":"$2.51","minQuantity":null,"maxQuantity":null,"sapUnit":{"code":"pieces","name":"Piece"}},"alrCode":null,"productRecallFlag":null,"selectedDocumentId":null,"productDescription":null,"pdpImage":null,"ticketId":null,"qtyRequiredPerVariant":"1","isElgibleForRepair":null,"isPowerEligible":null,"productRecallNotes":null,"productOtherInfo":null,"backorderETA":"00/00/0000","modifiedDate":null,"userLevel":"ALL","displayPrice":null,"baseProductName":null,"firstVariantCode":null,"firstVariantImage":null,"productMarketType":null,"productNumber":null,"typeStatusCode":null,"productCategory":null,"typeNumber":null,"marketCode":null,"regionCode":null,"otherInformation":null,"productTypeStatus":null,"repairInstruction":null,"repairInstructionStatusDescription":null,"typeStatusDate":null,"serviceLifeDate":null,"manufacturerId":null,"parts":null,"language":null,"glossaries":null,"brand":null,"product":null,"brandCode":null,"recallNotes":null,"volume":null},{"code":"P712-04064-CM","name":null,"url":"/c//p/P712-04064-CM","description":"NUT","purchasable":true,"stock":{"stockLevelStatus":{"code":"inStock","type":"StockLevelStatus"},"stockLevel":0,"stockThreshold":null},"futureStocks":null,"availableForPickup":null,"averageRating":null,"numberOfReviews":null,"summary":null,"manufacturer":null,"variantType":null,"price":{"currencyIso":"USD","value":2.51,"priceType":"BUY","formattedValue":"$2.51","minQuantity":null,"maxQuantity":null,"sapUnit":{"code":"pieces","name":"Piece"}},"baseProduct":null,"images":[],"categories":null,"reviews":null,"classifications":null,"potentialPromotions":null,"variantOptions":null,"baseOptions":[],"volumePricesFlag":null,"volumePrices":null,"productReferences":null,"variantMatrix":null,"priceRange":null,"firstCategoryNameList":null,"multidimensional":null,"configurable":false,"configuratorType":null,"addToCartDisabled":null,"addToCartDisabledMessage":null,"tags":null,"sapUnit":null,"keywords":null,"genders":null,"itemtype":"Part","partSubstitute":null,"note":null,"recallNote":null,"note1":null,"note2":null,"note3":null,"note4":null,"note5":null,"pdfAllUser":null,"pdfAuthUser":null,"pdfCOSUser":null,"vaiantRelatedPartList":null,"partHotspotList":null,"itemNumber":32,"partRelatedVariantList":null,"bomCode":2,"totalValue":null,"searchImage":null,"length":null,"width":null,"height":null,"unitOfDimension":null,"weight":null,"unitOfWeight":null,"specialRouting":false,"onlineRepair":null,"previousPartID":null,"sbdDiscountPriceValue":{"currencyIso":"USD","value":2.51,"priceType":"BUY","formattedValue":"$2.51","minQuantity":null,"maxQuantity":null,"sapUnit":{"code":"pieces","name":"Piece"}},"alrCode":null,"productRecallFlag":null,"selectedDocumentId":null,"productDescription":null,"pdpImage":null,"ticketId":null,"qtyRequiredPerVariant":"1","isElgibleForRepair":null,"isPowerEligible":null,"productRecallNotes":null,"productOtherInfo":null,"backorderETA":"00/00/0000","modifiedDate":null,"userLevel":"ALL","displayPrice":null,"baseProductName":null,"firstVariantCode":null,"firstVariantImage":null,"productMarketType":null,"productNumber":null,"typeStatusCode":null,"productCategory":null,"typeNumber":null,"marketCode":null,"regionCode":null,"otherInformation":null,"productTypeStatus":null,"repairInstruction":null,"repairInstructionStatusDescription":null,"typeStatusDate":null,"serviceLifeDate":null,"manufacturerId":null,"parts":null,"language":null,"glossaries":null,"brand":null,"product":null,"brandCode":null,"recallNotes":null,"volume":null},{"code":"P736-0262-CM","name":null,"url":"/c//p/P736-0262-CM","description":"FL WASH","purchasable":true,"stock":{"stockLevelStatus":{"code":"inStock","type":"StockLevelStatus"},"stockLevel":0,"stockThreshold":null},"futureStocks":null,"availableForPickup":null,"averageRating":null,"numberOfReviews":null,"summary":null,"manufacturer":null,"variantType":null,"price":{"currencyIso":"USD","value":2.53,"priceType":"BUY","formattedValue":"$2.53","minQuantity":null,"maxQuantity":null,"sapUnit":{"code":"pieces","name":"Piece"}},"baseProduct":null,"images":[],"categories":null,"reviews":null,"classifications":null,"potentialPromotions":null,"variantOptions":null,"baseOptions":[],"volumePricesFlag":null,"volumePrices":null,"productReferences":null,"variantMatrix":null,"priceRange":null,"firstCategoryNameList":null,"multidimensional":null,"configurable":false,"configuratorType":null,"addToCartDisabled":null,"addToCartDisabledMessage":null,"tags":null,"sapUnit":null,"keywords":null,"genders":null,"itemtype":"Part","partSubstitute":null,"note":null,"recallNote":null,"note1":null,"note2":null,"note3":null,"note4":null,"note5":null,"pdfAllUser":null,"pdfAuthUser":null,"pdfCOSUser":null,"vaiantRelatedPartList":null,"partHotspotList":null,"itemNumber":32,"partRelatedVariantList":null,"bomCode":2,"totalValue":null,"searchImage":null,"length":null,"width":null,"height":null,"unitOfDimension":null,"weight":null,"unitOfWeight":null,"specialRouting":false,"onlineRepair":null,"previousPartID":null,"sbdDiscountPriceValue":{"currencyIso":"USD","value":2.53,"priceType":"BUY","formattedValue":"$2.53","minQuantity":null,"maxQuantity":null,"sapUnit":{"code":"pieces","name":"Piece"}},"alrCode":null,"productRecallFlag":null,"selectedDocumentId":null,"productDescription":null,"pdpImage":null,"ticketId":null,"qtyRequiredPerVariant":"1","isElgibleForRepair":null,"isPowerEligible":null,"productRecallNotes":null,"productOtherInfo":null,"backorderETA":"00/00/0000","modifiedDate":null,"userLevel":"ALL","displayPrice":null,"baseProductName":null,"firstVariantCode":null,"firstVariantImage":null,"productMarketType":null,"productNumber":null,"typeStatusCode":null,"productCategory":null,"typeNumber":null,"marketCode":null,"regionCode":null,"otherInformation":null,"productTypeStatus":null,"repairInstruction":null,"repairInstructionStatusDescription":null,"typeStatusDate":null,"serviceLifeDate":null,"manufacturerId":null,"parts":null,"language":null,"glossaries":null,"brand":null,"product":null,"brandCode":null,"recallNotes":null,"volume":null},{"code":"P912-3000-CM","name":null,"url":"/c//p/P912-3000-CM","description":"NUT-LOCK 3/8","purchasable":true,"stock":{"stockLevelStatus":{"code":"inStock","type":"StockLevelStatus"},"stockLevel":0,"stockThreshold":null},"futureStocks":null,"availableForPickup":null,"averageRating":null,"numberOfReviews":null,"summary":null,"manufacturer":null,"variantType":null,"price":{"currencyIso":"USD","value":2.68,"priceType":"BUY","formattedValue":"$2.68","minQuantity":null,"maxQuantity":null,"sapUnit":{"code":"pieces","name":"Piece"}},"baseProduct":null,"images":[],"categories":null,"reviews":null,"classifications":null,"potentialPromotions":null,"variantOptions":null,"baseOptions":[],"volumePricesFlag":null,"volumePrices":null,"productReferences":null,"variantMatrix":null,"priceRange":null,"firstCategoryNameList":null,"multidimensional":null,"configurable":false,"configuratorType":null,"addToCartDisabled":null,"addToCartDisabledMessage":null,"tags":null,"sapUnit":null,"keywords":null,"genders":null,"itemtype":"Part","partSubstitute":null,"note":null,"recallNote":null,"note1":null,"note2":null,"note3":null,"note4":null,"note5":null,"pdfAllUser":null,"pdfAuthUser":null,"pdfCOSUser":null,"vaiantRelatedPartList":null,"partHotspotList":null,"itemNumber":32,"partRelatedVariantList":null,"bomCode":2,"totalValue":null,"searchImage":null,"length":null,"width":null,"height":null,"unitOfDimension":null,"weight":null,"unitOfWeight":null,"specialRouting":false,"onlineRepair":null,"previousPartID":null,"sbdDiscountPriceValue":{"currencyIso":"USD","value":2.68,"priceType":"BUY","formattedValue":"$2.68","minQuantity":null,"maxQuantity":null,"sapUnit":{"code":"pieces","name":"Piece"}},"alrCode":null,"productRecallFlag":null,"selectedDocumentId":null,"productDescription":null,"pdpImage":null,"ticketId":null,"qtyRequiredPerVariant":"1","isElgibleForRepair":null,"isPowerEligible":null,"productRecallNotes":null,"productOtherInfo":null,"backorderETA":"00/00/0000","modifiedDate":null,"userLevel":"ALL","displayPrice":null,"baseProductName":null,"firstVariantCode":null,"firstVariantImage":null,"productMarketType":null,"productNumber":null,"typeStatusCode":null,"productCategory":null,"typeNumber":null,"marketCode":null,"regionCode":null,"otherInformation":null,"productTypeStatus":null,"repairInstruction":null,"repairInstructionStatusDescription":null,"typeStatusDate":null,"serviceLifeDate":null,"manufacturerId":null,"parts":null,"language":null,"glossaries":null,"brand":null,"product":null,"brandCode":null,"recallNotes":null,"volume":null},{"code":"P5140221-78","name":null,"url":"/c//p/P5140221-78","description":"BRACKET","purchasable":true,"stock":{"stockLevelStatus":{"code":"inStock","type":"StockLevelStatus"},"stockLevel":0,"stockThreshold":null},"futureStocks":null,"availableForPickup":null,"averageRating":null,"numberOfReviews":null,"summary":null,"manufacturer":null,"variantType":null,"price":{"currencyIso":"USD","value":5.76,"priceType":"BUY","formattedValue":"$5.76","minQuantity":null,"maxQuantity":null,"sapUnit":{"code":"pieces","name":"Piece"}},"baseProduct":null,"images":[],"categories":null,"reviews":null,"classifications":null,"potentialPromotions":null,"variantOptions":null,"baseOptions":[],"volumePricesFlag":null,"volumePrices":null,"productReferences":null,"variantMatrix":null,"priceRange":null,"firstCategoryNameList":null,"multidimensional":null,"configurable":false,"configuratorType":null,"addToCartDisabled":null,"addToCartDisabledMessage":null,"tags":null,"sapUnit":null,"keywords":null,"genders":null,"itemtype":"Part","partSubstitute":null,"note":null,"recallNote":null,"note1":null,"note2":null,"note3":null,"note4":null,"note5":null,"pdfAllUser":null,"pdfAuthUser":null,"pdfCOSUser":null,"vaiantRelatedPartList":null,"partHotspotList":null,"itemNumber":33,"partRelatedVariantList":null,"bomCode":2,"totalValue":null,"searchImage":null,"length":null,"width":null,"height":null,"unitOfDimension":null,"weight":null,"unitOfWeight":null,"specialRouting":false,"onlineRepair":null,"previousPartID":null,"sbdDiscountPriceValue":{"currencyIso":"USD","value":5.76,"priceType":"BUY","formattedValue":"$5.76","minQuantity":null,"maxQuantity":null,"sapUnit":{"code":"pieces","name":"Piece"}},"alrCode":null,"productRecallFlag":null,"selectedDocumentId":null,"productDescription":null,"pdpImage":null,"ticketId":null,"qtyRequiredPerVariant":"1","isElgibleForRepair":null,"isPowerEligible":null,"productRecallNotes":null,"productOtherInfo":null,"backorderETA":"00/00/0000","modifiedDate":null,"userLevel":"ALL","displayPrice":null,"baseProductName":null,"firstVariantCode":null,"firstVariantImage":null,"productMarketType":null,"productNumber":null,"typeStatusCode":null,"productCategory":null,"typeNumber":null,"marketCode":null,"regionCode":null,"otherInformation":null,"productTypeStatus":null,"repairInstruction":null,"repairInstructionStatusDescription":null,"typeStatusDate":null,"serviceLifeDate":null,"manufacturerId":null,"parts":null,"language":null,"glossaries":null,"brand":null,"product":null,"brandCode":null,"recallNotes":null,"volume":null},{"code":"P5140225-57","name":null,"url":"/c//p/P5140225-57","description":"AXLE ASM-FRO","purchasable":true,"stock":{"stockLevelStatus":{"code":"inStock","type":"StockLevelStatus"},"stockLevel":0,"stockThreshold":null},"futureStocks":null,"availableForPickup":null,"averageRating":null,"numberOfReviews":null,"summary":null,"manufacturer":null,"variantType":null,"price":{"currencyIso":"USD","value":27.92,"priceType":"BUY","formattedValue":"$27.92","minQuantity":null,"maxQuantity":null,"sapUnit":{"code":"pieces","name":"Piece"}},"baseProduct":null,"images":[],"categories":null,"reviews":null,"classifications":null,"potentialPromotions":null,"variantOptions":null,"baseOptions":[],"volumePricesFlag":null,"volumePrices":null,"productReferences":null,"variantMatrix":null,"priceRange":null,"firstCategoryNameList":null,"multidimensional":null,"configurable":false,"configuratorType":null,"addToCartDisabled":null,"addToCartDisabledMessage":null,"tags":null,"sapUnit":null,"keywords":null,"genders":null,"itemtype":"Part","partSubstitute":null,"note":null,"recallNote":null,"note1":null,"note2":null,"note3":null,"note4":null,"note5":null,"pdfAllUser":null,"pdfAuthUser":null,"pdfCOSUser":null,"vaiantRelatedPartList":null,"partHotspotList":null,"itemNumber":33,"partRelatedVariantList":null,"bomCode":2,"totalValue":null,"searchImage":null,"length":null,"width":null,"height":null,"unitOfDimension":null,"weight":null,"unitOfWeight":null,"specialRouting":false,"onlineRepair":null,"previousPartID":null,"sbdDiscountPriceValue":{"currencyIso":"USD","value":27.92,"priceType":"BUY","formattedValue":"$27.92","minQuantity":null,"maxQuantity":null,"sapUnit":{"code":"pieces","name":"Piece"}},"alrCode":null,"productRecallFlag":null,"selectedDocumentId":null,"productDescription":null,"pdpImage":null,"ticketId":null,"qtyRequiredPerVariant":"1","isElgibleForRepair":null,"isPowerEligible":null,"productRecallNotes":null,"productOtherInfo":null,"backorderETA":"00/00/0000","modifiedDate":null,"userLevel":"ALL","displayPrice":null,"baseProductName":null,"firstVariantCode":null,"firstVariantImage":null,"productMarketType":null,"productNumber":null,"typeStatusCode":null,"productCategory":null,"typeNumber":null,"marketCode":null,"regionCode":null,"otherInformation":null,"productTypeStatus":null,"repairInstruction":null,"repairInstructionStatusDescription":null,"typeStatusDate":null,"serviceLifeDate":null,"manufacturerId":null,"parts":null,"language":null,"glossaries":null,"brand":null,"product":null,"brandCode":null,"recallNotes":null,"volume":null},{"code":"P712-0700-CM","name":null,"url":"/c//p/P712-0700-CM","description":"NUT-FLANGE","purchasable":true,"stock":{"stockLevelStatus":{"code":"inStock","type":"StockLevelStatus"},"stockLevel":0,"stockThreshold":null},"futureStocks":null,"availableForPickup":null,"averageRating":null,"numberOfReviews":null,"summary":null,"manufacturer":null,"variantType":null,"price":{"currencyIso":"USD","value":6.97,"priceType":"BUY","formattedValue":"$6.97","minQuantity":null,"maxQuantity":null,"sapUnit":{"code":"pieces","name":"Piece"}},"baseProduct":null,"images":[],"categories":null,"reviews":null,"classifications":null,"potentialPromotions":null,"variantOptions":null,"baseOptions":[],"volumePricesFlag":null,"volumePrices":null,"productReferences":null,"variantMatrix":null,"priceRange":null,"firstCategoryNameList":null,"multidimensional":null,"configurable":false,"configuratorType":null,"addToCartDisabled":null,"addToCartDisabledMessage":null,"tags":null,"sapUnit":null,"keywords":null,"genders":null,"itemtype":"Part","partSubstitute":null,"note":null,"recallNote":null,"note1":null,"note2":null,"note3":null,"note4":null,"note5":null,"pdfAllUser":null,"pdfAuthUser":null,"pdfCOSUser":null,"vaiantRelatedPartList":null,"partHotspotList":null,"itemNumber":33,"partRelatedVariantList":null,"bomCode":2,"totalValue":null,"searchImage":null,"length":null,"width":null,"height":null,"unitOfDimension":null,"weight":null,"unitOfWeight":null,"specialRouting":false,"onlineRepair":null,"previousPartID":null,"sbdDiscountPriceValue":{"currencyIso":"USD","value":6.97,"priceType":"BUY","formattedValue":"$6.97","minQuantity":null,"maxQuantity":null,"sapUnit":{"code":"pieces","name":"Piece"}},"alrCode":null,"productRecallFlag":null,"selectedDocumentId":null,"productDescription":null,"pdpImage":null,"ticketId":null,"qtyRequiredPerVariant":"1","isElgibleForRepair":null,"isPowerEligible":null,"productRecallNotes":null,"productOtherInfo":null,"backorderETA":"00/00/0000","modifiedDate":null,"userLevel":"ALL","displayPrice":null,"baseProductName":null,"firstVariantCode":null,"firstVariantImage":null,"productMarketType":null,"productNumber":null,"typeStatusCode":null,"productCategory":null,"typeNumber":null,"marketCode":null,"regionCode":null,"otherInformation":null,"productTypeStatus":null,"repairInstruction":null,"repairInstructionStatusDescription":null,"typeStatusDate":null,"serviceLifeDate":null,"manufacturerId":null,"parts":null,"language":null,"glossaries":null,"brand":null,"product":null,"brandCode":null,"recallNotes":null,"volume":null},{"code":"P750-04936-CM","name":null,"url":"/c//p/P750-04936-CM","description":"SPACER- .792","purchasable":true,"stock":{"stockLevelStatus":{"code":"inStock","type":"StockLevelStatus"},"stockLevel":0,"stockThreshold":null},"futureStocks":null,"availableForPickup":null,"averageRating":null,"numberOfReviews":null,"summary":null,"manufacturer":null,"variantType":null,"price":{"currencyIso":"USD","value":4.1,"priceType":"BUY","formattedValue":"$4.10","minQuantity":null,"maxQuantity":null,"sapUnit":{"code":"pieces","name":"Piece"}},"baseProduct":null,"images":[],"categories":null,"reviews":null,"classifications":null,"potentialPromotions":null,"variantOptions":null,"baseOptions":[],"volumePricesFlag":null,"volumePrices":null,"productReferences":null,"variantMatrix":null,"priceRange":null,"firstCategoryNameList":null,"multidimensional":null,"configurable":false,"configuratorType":null,"addToCartDisabled":null,"addToCartDisabledMessage":null,"tags":null,"sapUnit":null,"keywords":null,"genders":null,"itemtype":"Part","partSubstitute":null,"note":null,"recallNote":null,"note1":null,"note2":null,"note3":null,"note4":null,"note5":null,"pdfAllUser":null,"pdfAuthUser":null,"pdfCOSUser":null,"vaiantRelatedPartList":null,"partHotspotList":null,"itemNumber":33,"partRelatedVariantList":null,"bomCode":2,"totalValue":null,"searchImage":null,"length":null,"width":null,"height":null,"unitOfDimension":null,"weight":null,"unitOfWeight":null,"specialRouting":false,"onlineRepair":null,"previousPartID":null,"sbdDiscountPriceValue":{"currencyIso":"USD","value":4.1,"priceType":"BUY","formattedValue":"$4.10","minQuantity":null,"maxQuantity":null,"sapUnit":{"code":"pieces","name":"Piece"}},"alrCode":null,"productRecallFlag":null,"selectedDocumentId":null,"productDescription":null,"pdpImage":null,"ticketId":null,"qtyRequiredPerVariant":"1","isElgibleForRepair":null,"isPowerEligible":null,"productRecallNotes":null,"productOtherInfo":null,"backorderETA":"00/00/0000","modifiedDate":null,"userLevel":"ALL","displayPrice":null,"baseProductName":null,"firstVariantCode":null,"firstVariantImage":null,"productMarketType":null,"productNumber":null,"typeStatusCode":null,"productCategory":null,"typeNumber":null,"marketCode":null,"regionCode":null,"otherInformation":null,"productTypeStatus":null,"repairInstruction":null,"repairInstructionStatusDescription":null,"typeStatusDate":null,"serviceLifeDate":null,"manufacturerId":null,"parts":null,"language":null,"glossaries":null,"brand":null,"product":null,"brandCode":null,"recallNotes":null,"volume":null},{"code":"P912-0429-CM","name":null,"url":"/c//p/P912-0429-CM","description":"NUT-HEX INS","purchasable":true,"stock":{"stockLevelStatus":{"code":"inStock","type":"StockLevelStatus"},"stockLevel":0,"stockThreshold":null},"futureStocks":null,"availableForPickup":null,"averageRating":null,"numberOfReviews":null,"summary":null,"manufacturer":null,"variantType":null,"price":{"currencyIso":"USD","value":2.46,"priceType":"BUY","formattedValue":"$2.46","minQuantity":null,"maxQuantity":null,"sapUnit":{"code":"pieces","name":"Piece"}},"baseProduct":null,"images":[],"categories":null,"reviews":null,"classifications":null,"potentialPromotions":null,"variantOptions":null,"baseOptions":[],"volumePricesFlag":null,"volumePrices":null,"productReferences":null,"variantMatrix":null,"priceRange":null,"firstCategoryNameList":null,"multidimensional":null,"configurable":false,"configuratorType":null,"addToCartDisabled":null,"addToCartDisabledMessage":null,"tags":null,"sapUnit":null,"keywords":null,"genders":null,"itemtype":"Part","partSubstitute":null,"note":"(Not Shown)","recallNote":null,"note1":null,"note2":null,"note3":null,"note4":null,"note5":null,"pdfAllUser":null,"pdfAuthUser":null,"pdfCOSUser":null,"vaiantRelatedPartList":null,"partHotspotList":null,"itemNumber":33,"partRelatedVariantList":null,"bomCode":2,"totalValue":null,"searchImage":null,"length":null,"width":null,"height":null,"unitOfDimension":null,"weight":null,"unitOfWeight":null,"specialRouting":false,"onlineRepair":null,"previousPartID":null,"sbdDiscountPriceValue":{"currencyIso":"USD","value":2.46,"priceType":"BUY","formattedValue":"$2.46","minQuantity":null,"maxQuantity":null,"sapUnit":{"code":"pieces","name":"Piece"}},"alrCode":null,"productRecallFlag":null,"selectedDocumentId":null,"productDescription":null,"pdpImage":null,"ticketId":null,"qtyRequiredPerVariant":"1","isElgibleForRepair":null,"isPowerEligible":null,"productRecallNotes":null,"productOtherInfo":null,"backorderETA":"00/00/0000","modifiedDate":null,"userLevel":"ALL","displayPrice":null,"baseProductName":null,"firstVariantCode":null,"firstVariantImage":null,"productMarketType":null,"productNumber":null,"typeStatusCode":null,"productCategory":null,"typeNumber":null,"marketCode":null,"regionCode":null,"otherInformation":null,"productTypeStatus":null,"repairInstruction":null,"repairInstructionStatusDescription":null,"typeStatusDate":null,"serviceLifeDate":null,"manufacturerId":null,"parts":null,"language":null,"glossaries":null,"brand":null,"product":null,"brandCode":null,"recallNotes":null,"volume":null},{"code":"P5140241-81","name":null,"url":"/c//p/P5140241-81","description":"DASH","purchasable":true,"stock":{"stockLevelStatus":{"code":"inStock","type":"StockLevelStatus"},"stockLevel":0,"stockThreshold":null},"futureStocks":null,"availableForPickup":null,"averageRating":null,"numberOfReviews":null,"summary":null,"manufacturer":null,"variantType":null,"price":{"currencyIso":"USD","value":37.03,"priceType":"BUY","formattedValue":"$37.03","minQuantity":null,"maxQuantity":null,"sapUnit":{"code":"pieces","name":"Piece"}},"baseProduct":null,"images":[],"categories":null,"reviews":null,"classifications":null,"potentialPromotions":null,"variantOptions":null,"baseOptions":[],"volumePricesFlag":null,"volumePrices":null,"productReferences":null,"variantMatrix":null,"priceRange":null,"firstCategoryNameList":null,"multidimensional":null,"configurable":false,"configuratorType":null,"addToCartDisabled":null,"addToCartDisabledMessage":null,"tags":null,"sapUnit":null,"keywords":null,"genders":null,"itemtype":"Part","partSubstitute":null,"note":null,"recallNote":null,"note1":null,"note2":null,"note3":null,"note4":null,"note5":null,"pdfAllUser":null,"pdfAuthUser":null,"pdfCOSUser":null,"vaiantRelatedPartList":null,"partHotspotList":null,"itemNumber":34,"partRelatedVariantList":null,"bomCode":2,"totalValue":null,"searchImage":null,"length":null,"width":null,"height":null,"unitOfDimension":null,"weight":null,"unitOfWeight":null,"specialRouting":false,"onlineRepair":null,"previousPartID":null,"sbdDiscountPriceValue":{"currencyIso":"USD","value":37.03,"priceType":"BUY","formattedValue":"$37.03","minQuantity":null,"maxQuantity":null,"sapUnit":{"code":"pieces","name":"Piece"}},"alrCode":null,"productRecallFlag":null,"selectedDocumentId":null,"productDescription":null,"pdpImage":null,"ticketId":null,"qtyRequiredPerVariant":"1","isElgibleForRepair":null,"isPowerEligible":null,"productRecallNotes":null,"productOtherInfo":null,"backorderETA":"00/00/0000","modifiedDate":null,"userLevel":"ALL","displayPrice":null,"baseProductName":null,"firstVariantCode":null,"firstVariantImage":null,"productMarketType":null,"productNumber":null,"typeStatusCode":null,"productCategory":null,"typeNumber":null,"marketCode":null,"regionCode":null,"otherInformation":null,"productTypeStatus":null,"repairInstruction":null,"repairInstructionStatusDescription":null,"typeStatusDate":null,"serviceLifeDate":null,"manufacturerId":null,"parts":null,"language":null,"glossaries":null,"brand":null,"product":null,"brandCode":null,"recallNotes":null,"volume":null},{"code":"P638-04008P-CM","name":null,"url":"/c//p/P638-04008P-CM","description":"AXLE ASM- RH","purchasable":true,"stock":{"stockLevelStatus":{"code":"inStock","type":"StockLevelStatus"},"stockLevel":0,"stockThreshold":null},"futureStocks":null,"availableForPickup":null,"averageRating":null,"numberOfReviews":null,"summary":null,"manufacturer":null,"variantType":null,"price":{"currencyIso":"USD","value":31.29,"priceType":"BUY","formattedValue":"$31.29","minQuantity":null,"maxQuantity":null,"sapUnit":{"code":"pieces","name":"Piece"}},"baseProduct":null,"images":[],"categories":null,"reviews":null,"classifications":null,"potentialPromotions":null,"variantOptions":null,"baseOptions":[],"volumePricesFlag":null,"volumePrices":null,"productReferences":null,"variantMatrix":null,"priceRange":null,"firstCategoryNameList":null,"multidimensional":null,"configurable":false,"configuratorType":null,"addToCartDisabled":null,"addToCartDisabledMessage":null,"tags":null,"sapUnit":null,"keywords":null,"genders":null,"itemtype":"Part","partSubstitute":null,"note":null,"recallNote":null,"note1":null,"note2":null,"note3":null,"note4":null,"note5":null,"pdfAllUser":null,"pdfAuthUser":null,"pdfCOSUser":null,"vaiantRelatedPartList":null,"partHotspotList":null,"itemNumber":34,"partRelatedVariantList":null,"bomCode":2,"totalValue":null,"searchImage":null,"length":null,"width":null,"height":null,"unitOfDimension":null,"weight":null,"unitOfWeight":null,"specialRouting":false,"onlineRepair":null,"previousPartID":null,"sbdDiscountPriceValue":{"currencyIso":"USD","value":31.29,"priceType":"BUY","formattedValue":"$31.29","minQuantity":null,"maxQuantity":null,"sapUnit":{"code":"pieces","name":"Piece"}},"alrCode":null,"productRecallFlag":null,"selectedDocumentId":null,"productDescription":null,"pdpImage":null,"ticketId":null,"qtyRequiredPerVariant":"1","isElgibleForRepair":null,"isPowerEligible":null,"productRecallNotes":null,"productOtherInfo":null,"backorderETA":"00/00/0000","modifiedDate":null,"userLevel":"ALL","displayPrice":null,"baseProductName":null,"firstVariantCode":null,"firstVariantImage":null,"productMarketType":null,"productNumber":null,"typeStatusCode":null,"productCategory":null,"typeNumber":null,"marketCode":null,"regionCode":null,"otherInformation":null,"productTypeStatus":null,"repairInstruction":null,"repairInstructionStatusDescription":null,"typeStatusDate":null,"serviceLifeDate":null,"manufacturerId":null,"parts":null,"language":null,"glossaries":null,"brand":null,"product":null,"brandCode":null,"recallNotes":null,"volume":null},{"code":"P732-04035-CM","name":null,"url":"/c//p/P732-04035-CM","description":"SPRING-COMPR","purchasable":true,"stock":{"stockLevelStatus":{"code":"inStock","type":"StockLevelStatus"},"stockLevel":0,"stockThreshold":null},"futureStocks":null,"availableForPickup":null,"averageRating":null,"numberOfReviews":null,"summary":null,"manufacturer":null,"variantType":null,"price":{"currencyIso":"USD","value":6.63,"priceType":"BUY","formattedValue":"$6.63","minQuantity":null,"maxQuantity":null,"sapUnit":{"code":"pieces","name":"Piece"}},"baseProduct":null,"images":[],"categories":null,"reviews":null,"classifications":null,"potentialPromotions":null,"variantOptions":null,"baseOptions":[],"volumePricesFlag":null,"volumePrices":null,"productReferences":null,"variantMatrix":null,"priceRange":null,"firstCategoryNameList":null,"multidimensional":null,"configurable":false,"configuratorType":null,"addToCartDisabled":null,"addToCartDisabledMessage":null,"tags":null,"sapUnit":null,"keywords":null,"genders":null,"itemtype":"Part","partSubstitute":null,"note":null,"recallNote":null,"note1":null,"note2":null,"note3":null,"note4":null,"note5":null,"pdfAllUser":null,"pdfAuthUser":null,"pdfCOSUser":null,"vaiantRelatedPartList":null,"partHotspotList":null,"itemNumber":34,"partRelatedVariantList":null,"bomCode":2,"totalValue":null,"searchImage":null,"length":null,"width":null,"height":null,"unitOfDimension":null,"weight":null,"unitOfWeight":null,"specialRouting":false,"onlineRepair":null,"previousPartID":null,"sbdDiscountPriceValue":{"currencyIso":"USD","value":6.63,"priceType":"BUY","formattedValue":"$6.63","minQuantity":null,"maxQuantity":null,"sapUnit":{"code":"pieces","name":"Piece"}},"alrCode":null,"productRecallFlag":null,"selectedDocumentId":null,"productDescription":null,"pdpImage":null,"ticketId":null,"qtyRequiredPerVariant":"1","isElgibleForRepair":null,"isPowerEligible":null,"productRecallNotes":null,"productOtherInfo":null,"backorderETA":"00/00/0000","modifiedDate":null,"userLevel":"ALL","displayPrice":null,"baseProductName":null,"firstVariantCode":null,"firstVariantImage":null,"productMarketType":null,"productNumber":null,"typeStatusCode":null,"productCategory":null,"typeNumber":null,"marketCode":null,"regionCode":null,"otherInformation":null,"productTypeStatus":null,"repairInstruction":null,"repairInstructionStatusDescription":null,"typeStatusDate":null,"serviceLifeDate":null,"manufacturerId":null,"parts":null,"language":null,"glossaries":null,"brand":null,"product":null,"brandCode":null,"recallNotes":null,"volume":null},{"code":"P732-04035-CM","name":null,"url":"/c//p/P732-04035-CM","description":"SPRING-COMPR","purchasable":true,"stock":{"stockLevelStatus":{"code":"inStock","type":"StockLevelStatus"},"stockLevel":0,"stockThreshold":null},"futureStocks":null,"availableForPickup":null,"averageRating":null,"numberOfReviews":null,"summary":null,"manufacturer":null,"variantType":null,"price":{"currencyIso":"USD","value":6.63,"priceType":"BUY","formattedValue":"$6.63","minQuantity":null,"maxQuantity":null,"sapUnit":{"code":"pieces","name":"Piece"}},"baseProduct":null,"images":[],"categories":null,"reviews":null,"classifications":null,"potentialPromotions":null,"variantOptions":null,"baseOptions":[],"volumePricesFlag":null,"volumePrices":null,"productReferences":null,"variantMatrix":null,"priceRange":null,"firstCategoryNameList":null,"multidimensional":null,"configurable":false,"configuratorType":null,"addToCartDisabled":null,"addToCartDisabledMessage":null,"tags":null,"sapUnit":null,"keywords":null,"genders":null,"itemtype":"Part","partSubstitute":null,"note":null,"recallNote":null,"note1":null,"note2":null,"note3":null,"note4":null,"note5":null,"pdfAllUser":null,"pdfAuthUser":null,"pdfCOSUser":null,"vaiantRelatedPartList":null,"partHotspotList":null,"itemNumber":34,"partRelatedVariantList":null,"bomCode":2,"totalValue":null,"searchImage":null,"length":null,"width":null,"height":null,"unitOfDimension":null,"weight":null,"unitOfWeight":null,"specialRouting":false,"onlineRepair":null,"previousPartID":null,"sbdDiscountPriceValue":{"currencyIso":"USD","value":6.63,"priceType":"BUY","formattedValue":"$6.63","minQuantity":null,"maxQuantity":null,"sapUnit":{"code":"pieces","name":"Piece"}},"alrCode":null,"productRecallFlag":null,"selectedDocumentId":null,"productDescription":null,"pdpImage":null,"ticketId":null,"qtyRequiredPerVariant":"1","isElgibleForRepair":null,"isPowerEligible":null,"productRecallNotes":null,"productOtherInfo":null,"backorderETA":"00/00/0000","modifiedDate":null,"userLevel":"ALL","displayPrice":null,"baseProductName":null,"firstVariantCode":null,"firstVariantImage":null,"productMarketType":null,"productNumber":null,"typeStatusCode":null,"productCategory":null,"typeNumber":null,"marketCode":null,"regionCode":null,"otherInformation":null,"productTypeStatus":null,"repairInstruction":null,"repairInstructionStatusDescription":null,"typeStatusDate":null,"serviceLifeDate":null,"manufacturerId":null,"parts":null,"language":null,"glossaries":null,"brand":null,"product":null,"brandCode":null,"recallNotes":null,"volume":null},{"code":"P736-3040-CM","name":null,"url":"/c//p/P736-3040-CM","description":"WASHER-HUB C","purchasable":true,"stock":{"stockLevelStatus":{"code":"inStock","type":"StockLevelStatus"},"stockLevel":0,"stockThreshold":null},"futureStocks":null,"availableForPickup":null,"averageRating":null,"numberOfReviews":null,"summary":null,"manufacturer":null,"variantType":null,"price":{"currencyIso":"USD","value":3.81,"priceType":"BUY","formattedValue":"$3.81","minQuantity":null,"maxQuantity":null,"sapUnit":{"code":"pieces","name":"Piece"}},"baseProduct":null,"images":[],"categories":null,"reviews":null,"classifications":null,"potentialPromotions":null,"variantOptions":null,"baseOptions":[],"volumePricesFlag":null,"volumePrices":null,"productReferences":null,"variantMatrix":null,"priceRange":null,"firstCategoryNameList":null,"multidimensional":null,"configurable":false,"configuratorType":null,"addToCartDisabled":null,"addToCartDisabledMessage":null,"tags":null,"sapUnit":null,"keywords":null,"genders":null,"itemtype":"Part","partSubstitute":null,"note":null,"recallNote":null,"note1":null,"note2":null,"note3":null,"note4":null,"note5":null,"pdfAllUser":null,"pdfAuthUser":null,"pdfCOSUser":null,"vaiantRelatedPartList":null,"partHotspotList":null,"itemNumber":34,"partRelatedVariantList":null,"bomCode":2,"totalValue":null,"searchImage":null,"length":null,"width":null,"height":null,"unitOfDimension":null,"weight":null,"unitOfWeight":null,"specialRouting":false,"onlineRepair":null,"previousPartID":null,"sbdDiscountPriceValue":{"currencyIso":"USD","value":3.81,"priceType":"BUY","formattedValue":"$3.81","minQuantity":null,"maxQuantity":null,"sapUnit":{"code":"pieces","name":"Piece"}},"alrCode":null,"productRecallFlag":null,"selectedDocumentId":null,"productDescription":null,"pdpImage":null,"ticketId":null,"qtyRequiredPerVariant":"1","isElgibleForRepair":null,"isPowerEligible":null,"productRecallNotes":null,"productOtherInfo":null,"backorderETA":"00/00/0000","modifiedDate":null,"userLevel":"ALL","displayPrice":null,"baseProductName":null,"firstVariantCode":null,"firstVariantImage":null,"productMarketType":null,"productNumber":null,"typeStatusCode":null,"productCategory":null,"typeNumber":null,"marketCode":null,"regionCode":null,"otherInformation":null,"productTypeStatus":null,"repairInstruction":null,"repairInstructionStatusDescription":null,"typeStatusDate":null,"serviceLifeDate":null,"manufacturerId":null,"parts":null,"language":null,"glossaries":null,"brand":null,"product":null,"brandCode":null,"recallNotes":null,"volume":null},{"code":"P783-06643-CM","name":null,"url":"/c//p/P783-06643-CM","description":"BRACKET","purchasable":true,"stock":{"stockLevelStatus":{"code":"inStock","type":"StockLevelStatus"},"stockLevel":0,"stockThreshold":null},"futureStocks":null,"availableForPickup":null,"averageRating":null,"numberOfReviews":null,"summary":null,"manufacturer":null,"variantType":null,"price":{"currencyIso":"USD","value":5.74,"priceType":"BUY","formattedValue":"$5.74","minQuantity":null,"maxQuantity":null,"sapUnit":{"code":"pieces","name":"Piece"}},"baseProduct":null,"images":[],"categories":null,"reviews":null,"classifications":null,"potentialPromotions":null,"variantOptions":null,"baseOptions":[],"volumePricesFlag":null,"volumePrices":null,"productReferences":null,"variantMatrix":null,"priceRange":null,"firstCategoryNameList":null,"multidimensional":null,"configurable":false,"configuratorType":null,"addToCartDisabled":null,"addToCartDisabledMessage":null,"tags":null,"sapUnit":null,"keywords":null,"genders":null,"itemtype":"Part","partSubstitute":null,"note":null,"recallNote":null,"note1":null,"note2":null,"note3":null,"note4":null,"note5":null,"pdfAllUser":null,"pdfAuthUser":null,"pdfCOSUser":null,"vaiantRelatedPartList":null,"partHotspotList":null,"itemNumber":34,"partRelatedVariantList":null,"bomCode":2,"totalValue":null,"searchImage":null,"length":null,"width":null,"height":null,"unitOfDimension":null,"weight":null,"unitOfWeight":null,"specialRouting":false,"onlineRepair":null,"previousPartID":null,"sbdDiscountPriceValue":{"currencyIso":"USD","value":5.74,"priceType":"BUY","formattedValue":"$5.74","minQuantity":null,"maxQuantity":null,"sapUnit":{"code":"pieces","name":"Piece"}},"alrCode":null,"productRecallFlag":null,"selectedDocumentId":null,"productDescription":null,"pdpImage":null,"ticketId":null,"qtyRequiredPerVariant":"1","isElgibleForRepair":null,"isPowerEligible":null,"productRecallNotes":null,"productOtherInfo":null,"backorderETA":"00/00/0000","modifiedDate":null,"userLevel":"ALL","displayPrice":null,"baseProductName":null,"firstVariantCode":null,"firstVariantImage":null,"productMarketType":null,"productNumber":null,"typeStatusCode":null,"productCategory":null,"typeNumber":null,"marketCode":null,"regionCode":null,"otherInformation":null,"productTypeStatus":null,"repairInstruction":null,"repairInstructionStatusDescription":null,"typeStatusDate":null,"serviceLifeDate":null,"manufacturerId":null,"parts":null,"language":null,"glossaries":null,"brand":null,"product":null,"brandCode":null,"recallNotes":null,"volume":null},{"code":"P631-04028-CM","name":null,"url":"/c//p/P631-04028-CM","description":"WHEEL-STEERI","purchasable":true,"stock":{"stockLevelStatus":{"code":"inStock","type":"StockLevelStatus"},"stockLevel":0,"stockThreshold":null},"futureStocks":null,"availableForPickup":null,"averageRating":null,"numberOfReviews":null,"summary":null,"manufacturer":null,"variantType":null,"price":{"currencyIso":"USD","value":44.13,"priceType":"BUY","formattedValue":"$44.13","minQuantity":null,"maxQuantity":null,"sapUnit":{"code":"pieces","name":"Piece"}},"baseProduct":null,"images":[],"categories":null,"reviews":null,"classifications":null,"potentialPromotions":null,"variantOptions":null,"baseOptions":[],"volumePricesFlag":null,"volumePrices":null,"productReferences":null,"variantMatrix":null,"priceRange":null,"firstCategoryNameList":null,"multidimensional":null,"configurable":false,"configuratorType":null,"addToCartDisabled":null,"addToCartDisabledMessage":null,"tags":null,"sapUnit":null,"keywords":null,"genders":null,"itemtype":"Part","partSubstitute":null,"note":null,"recallNote":null,"note1":null,"note2":null,"note3":null,"note4":null,"note5":null,"pdfAllUser":null,"pdfAuthUser":null,"pdfCOSUser":null,"vaiantRelatedPartList":null,"partHotspotList":null,"itemNumber":35,"partRelatedVariantList":null,"bomCode":2,"totalValue":null,"searchImage":null,"length":null,"width":null,"height":null,"unitOfDimension":null,"weight":null,"unitOfWeight":null,"specialRouting":false,"onlineRepair":null,"previousPartID":null,"sbdDiscountPriceValue":{"currencyIso":"USD","value":44.13,"priceType":"BUY","formattedValue":"$44.13","minQuantity":null,"maxQuantity":null,"sapUnit":{"code":"pieces","name":"Piece"}},"alrCode":null,"productRecallFlag":null,"selectedDocumentId":null,"productDescription":null,"pdpImage":null,"ticketId":null,"qtyRequiredPerVariant":"1","isElgibleForRepair":null,"isPowerEligible":null,"productRecallNotes":null,"productOtherInfo":null,"backorderETA":"00/00/0000","modifiedDate":null,"userLevel":"ALL","displayPrice":null,"baseProductName":null,"firstVariantCode":null,"firstVariantImage":null,"productMarketType":null,"productNumber":null,"typeStatusCode":null,"productCategory":null,"typeNumber":null,"marketCode":null,"regionCode":null,"otherInformation":null,"productTypeStatus":null,"repairInstruction":null,"repairInstructionStatusDescription":null,"typeStatusDate":null,"serviceLifeDate":null,"manufacturerId":null,"parts":null,"language":null,"glossaries":null,"brand":null,"product":null,"brandCode":null,"recallNotes":null,"volume":null},{"code":"P747-05371-CM","name":null,"url":"/c//p/P747-05371-CM","description":"ROD - FUEL T","purchasable":true,"stock":{"stockLevelStatus":{"code":"inStock","type":"StockLevelStatus"},"stockLevel":0,"stockThreshold":null},"futureStocks":null,"availableForPickup":null,"averageRating":null,"numberOfReviews":null,"summary":null,"manufacturer":null,"variantType":null,"price":{"currencyIso":"USD","value":8.4,"priceType":"BUY","formattedValue":"$8.40","minQuantity":null,"maxQuantity":null,"sapUnit":{"code":"pieces","name":"Piece"}},"baseProduct":null,"images":[],"categories":null,"reviews":null,"classifications":null,"potentialPromotions":null,"variantOptions":null,"baseOptions":[],"volumePricesFlag":null,"volumePrices":null,"productReferences":null,"variantMatrix":null,"priceRange":null,"firstCategoryNameList":null,"multidimensional":null,"configurable":false,"configuratorType":null,"addToCartDisabled":null,"addToCartDisabledMessage":null,"tags":null,"sapUnit":null,"keywords":null,"genders":null,"itemtype":"Part","partSubstitute":null,"note":null,"recallNote":null,"note1":null,"note2":null,"note3":null,"note4":null,"note5":null,"pdfAllUser":null,"pdfAuthUser":null,"pdfCOSUser":null,"vaiantRelatedPartList":null,"partHotspotList":null,"itemNumber":35,"partRelatedVariantList":null,"bomCode":2,"totalValue":null,"searchImage":null,"length":null,"width":null,"height":null,"unitOfDimension":null,"weight":null,"unitOfWeight":null,"specialRouting":false,"onlineRepair":null,"previousPartID":null,"sbdDiscountPriceValue":{"currencyIso":"USD","value":8.4,"priceType":"BUY","formattedValue":"$8.40","minQuantity":null,"maxQuantity":null,"sapUnit":{"code":"pieces","name":"Piece"}},"alrCode":null,"productRecallFlag":null,"selectedDocumentId":null,"productDescription":null,"pdpImage":null,"ticketId":null,"qtyRequiredPerVariant":"1","isElgibleForRepair":null,"isPowerEligible":null,"productRecallNotes":null,"productOtherInfo":null,"backorderETA":"00/00/0000","modifiedDate":null,"userLevel":"ALL","displayPrice":null,"baseProductName":null,"firstVariantCode":null,"firstVariantImage":null,"productMarketType":null,"productNumber":null,"typeStatusCode":null,"productCategory":null,"typeNumber":null,"marketCode":null,"regionCode":null,"otherInformation":null,"productTypeStatus":null,"repairInstruction":null,"repairInstructionStatusDescription":null,"typeStatusDate":null,"serviceLifeDate":null,"manufacturerId":null,"parts":null,"language":null,"glossaries":null,"brand":null,"product":null,"brandCode":null,"recallNotes":null,"volume":null},{"code":"P748-04069A-CM","name":null,"url":"/c//p/P748-04069A-CM","description":"CUP-DECK LIF","purchasable":true,"stock":{"stockLevelStatus":{"code":"inStock","type":"StockLevelStatus"},"stockLevel":0,"stockThreshold":null},"futureStocks":null,"availableForPickup":null,"averageRating":null,"numberOfReviews":null,"summary":null,"manufacturer":null,"variantType":null,"price":{"currencyIso":"USD","value":3.4,"priceType":"BUY","formattedValue":"$3.40","minQuantity":null,"maxQuantity":null,"sapUnit":{"code":"pieces","name":"Piece"}},"baseProduct":null,"images":[],"categories":null,"reviews":null,"classifications":null,"potentialPromotions":null,"variantOptions":null,"baseOptions":[],"volumePricesFlag":null,"volumePrices":null,"productReferences":null,"variantMatrix":null,"priceRange":null,"firstCategoryNameList":null,"multidimensional":null,"configurable":false,"configuratorType":null,"addToCartDisabled":null,"addToCartDisabledMessage":null,"tags":null,"sapUnit":null,"keywords":null,"genders":null,"itemtype":"Part","partSubstitute":null,"note":null,"recallNote":null,"note1":null,"note2":null,"note3":null,"note4":null,"note5":null,"pdfAllUser":null,"pdfAuthUser":null,"pdfCOSUser":null,"vaiantRelatedPartList":null,"partHotspotList":null,"itemNumber":35,"partRelatedVariantList":null,"bomCode":2,"totalValue":null,"searchImage":null,"length":null,"width":null,"height":null,"unitOfDimension":null,"weight":null,"unitOfWeight":null,"specialRouting":false,"onlineRepair":null,"previousPartID":null,"sbdDiscountPriceValue":{"currencyIso":"USD","value":3.4,"priceType":"BUY","formattedValue":"$3.40","minQuantity":null,"maxQuantity":null,"sapUnit":{"code":"pieces","name":"Piece"}},"alrCode":null,"productRecallFlag":null,"selectedDocumentId":null,"productDescription":null,"pdpImage":null,"ticketId":null,"qtyRequiredPerVariant":"1","isElgibleForRepair":null,"isPowerEligible":null,"productRecallNotes":null,"productOtherInfo":null,"backorderETA":"00/00/0000","modifiedDate":null,"userLevel":"ALL","displayPrice":null,"baseProductName":null,"firstVariantCode":null,"firstVariantImage":null,"productMarketType":null,"productNumber":null,"typeStatusCode":null,"productCategory":null,"typeNumber":null,"marketCode":null,"regionCode":null,"otherInformation":null,"productTypeStatus":null,"repairInstruction":null,"repairInstructionStatusDescription":null,"typeStatusDate":null,"serviceLifeDate":null,"manufacturerId":null,"parts":null,"language":null,"glossaries":null,"brand":null,"product":null,"brandCode":null,"recallNotes":null,"volume":null},{"code":"P914-0209-CM","name":null,"url":"/c//p/P914-0209-CM","description":"PIN-COTTER","purchasable":true,"stock":{"stockLevelStatus":{"code":"inStock","type":"StockLevelStatus"},"stockLevel":0,"stockThreshold":null},"futureStocks":null,"availableForPickup":null,"averageRating":null,"numberOfReviews":null,"summary":null,"manufacturer":null,"variantType":null,"price":{"currencyIso":"USD","value":2.23,"priceType":"BUY","formattedValue":"$2.23","minQuantity":null,"maxQuantity":null,"sapUnit":{"code":"pieces","name":"Piece"}},"baseProduct":null,"images":[],"categories":null,"reviews":null,"classifications":null,"potentialPromotions":null,"variantOptions":null,"baseOptions":[],"volumePricesFlag":null,"volumePrices":null,"productReferences":null,"variantMatrix":null,"priceRange":null,"firstCategoryNameList":null,"multidimensional":null,"configurable":false,"configuratorType":null,"addToCartDisabled":null,"addToCartDisabledMessage":null,"tags":null,"sapUnit":null,"keywords":null,"genders":null,"itemtype":"Part","partSubstitute":null,"note":null,"recallNote":null,"note1":null,"note2":null,"note3":null,"note4":null,"note5":null,"pdfAllUser":null,"pdfAuthUser":null,"pdfCOSUser":null,"vaiantRelatedPartList":null,"partHotspotList":null,"itemNumber":35,"partRelatedVariantList":null,"bomCode":2,"totalValue":null,"searchImage":null,"length":null,"width":null,"height":null,"unitOfDimension":null,"weight":null,"unitOfWeight":null,"specialRouting":false,"onlineRepair":null,"previousPartID":null,"sbdDiscountPriceValue":{"currencyIso":"USD","value":2.23,"priceType":"BUY","formattedValue":"$2.23","minQuantity":null,"maxQuantity":null,"sapUnit":{"code":"pieces","name":"Piece"}},"alrCode":null,"productRecallFlag":null,"selectedDocumentId":null,"productDescription":null,"pdpImage":null,"ticketId":null,"qtyRequiredPerVariant":"1","isElgibleForRepair":null,"isPowerEligible":null,"productRecallNotes":null,"productOtherInfo":null,"backorderETA":"00/00/0000","modifiedDate":null,"userLevel":"ALL","displayPrice":null,"baseProductName":null,"firstVariantCode":null,"firstVariantImage":null,"productMarketType":null,"productNumber":null,"typeStatusCode":null,"productCategory":null,"typeNumber":null,"marketCode":null,"regionCode":null,"otherInformation":null,"productTypeStatus":null,"repairInstruction":null,"repairInstructionStatusDescription":null,"typeStatusDate":null,"serviceLifeDate":null,"manufacturerId":null,"parts":null,"language":null,"glossaries":null,"brand":null,"product":null,"brandCode":null,"recallNotes":null,"volume":null},{"code":"PSTDPART","name":null,"url":"/c//p/PSTDPART","description":"COMMONLY AVAIL. PART","purchasable":false,"stock":{"stockLevelStatus":{"code":"outOfStock","type":"StockLevelStatus"},"stockLevel":0,"stockThreshold":null},"futureStocks":null,"availableForPickup":null,"averageRating":null,"numberOfReviews":null,"summary":null,"manufacturer":null,"variantType":null,"price":null,"baseProduct":null,"images":[],"categories":null,"reviews":null,"classifications":null,"potentialPromotions":null,"variantOptions":null,"baseOptions":[],"volumePricesFlag":null,"volumePrices":null,"productReferences":null,"variantMatrix":null,"priceRange":null,"firstCategoryNameList":null,"multidimensional":null,"configurable":false,"configuratorType":null,"addToCartDisabled":null,"addToCartDisabledMessage":null,"tags":null,"sapUnit":null,"keywords":null,"genders":null,"itemtype":"Part","partSubstitute":null,"note":null,"recallNote":null,"note1":null,"note2":null,"note3":null,"note4":null,"note5":null,"pdfAllUser":null,"pdfAuthUser":null,"pdfCOSUser":null,"vaiantRelatedPartList":null,"partHotspotList":null,"itemNumber":35,"partRelatedVariantList":null,"bomCode":2,"totalValue":null,"searchImage":null,"length":null,"width":null,"height":null,"unitOfDimension":null,"weight":null,"unitOfWeight":null,"specialRouting":false,"onlineRepair":null,"previousPartID":null,"sbdDiscountPriceValue":null,"alrCode":null,"productRecallFlag":null,"selectedDocumentId":null,"productDescription":null,"pdpImage":null,"ticketId":null,"qtyRequiredPerVariant":"1","isElgibleForRepair":null,"isPowerEligible":null,"productRecallNotes":null,"productOtherInfo":null,"backorderETA":null,"modifiedDate":null,"userLevel":"COS","displayPrice":null,"baseProductName":null,"firstVariantCode":null,"firstVariantImage":null,"productMarketType":null,"productNumber":null,"typeStatusCode":null,"productCategory":null,"typeNumber":null,"marketCode":null,"regionCode":null,"otherInformation":null,"productTypeStatus":null,"repairInstruction":null,"repairInstructionStatusDescription":null,"typeStatusDate":null,"serviceLifeDate":null,"manufacturerId":null,"parts":null,"language":null,"glossaries":null,"brand":null,"product":null,"brandCode":null,"recallNotes":null,"volume":null},{"code":"P5140220-85","name":null,"url":"/c//p/P5140220-85","description":"BRACKET","purchasable":true,"stock":{"stockLevelStatus":{"code":"inStock","type":"StockLevelStatus"},"stockLevel":0,"stockThreshold":null},"futureStocks":null,"availableForPickup":null,"averageRating":null,"numberOfReviews":null,"summary":null,"manufacturer":null,"variantType":null,"price":{"currencyIso":"USD","value":35.48,"priceType":"BUY","formattedValue":"$35.48","minQuantity":null,"maxQuantity":null,"sapUnit":{"code":"pieces","name":"Piece"}},"baseProduct":null,"images":[],"categories":null,"reviews":null,"classifications":null,"potentialPromotions":null,"variantOptions":null,"baseOptions":[],"volumePricesFlag":null,"volumePrices":null,"productReferences":null,"variantMatrix":null,"priceRange":null,"firstCategoryNameList":null,"multidimensional":null,"configurable":false,"configuratorType":null,"addToCartDisabled":null,"addToCartDisabledMessage":null,"tags":null,"sapUnit":null,"keywords":null,"genders":null,"itemtype":"Part","partSubstitute":null,"note":null,"recallNote":null,"note1":null,"note2":null,"note3":null,"note4":null,"note5":null,"pdfAllUser":null,"pdfAuthUser":null,"pdfCOSUser":null,"vaiantRelatedPartList":null,"partHotspotList":null,"itemNumber":36,"partRelatedVariantList":null,"bomCode":2,"totalValue":null,"searchImage":null,"length":null,"width":null,"height":null,"unitOfDimension":null,"weight":null,"unitOfWeight":null,"specialRouting":false,"onlineRepair":null,"previousPartID":null,"sbdDiscountPriceValue":{"currencyIso":"USD","value":35.48,"priceType":"BUY","formattedValue":"$35.48","minQuantity":null,"maxQuantity":null,"sapUnit":{"code":"pieces","name":"Piece"}},"alrCode":null,"productRecallFlag":null,"selectedDocumentId":null,"productDescription":null,"pdpImage":null,"ticketId":null,"qtyRequiredPerVariant":"1","isElgibleForRepair":null,"isPowerEligible":null,"productRecallNotes":null,"productOtherInfo":null,"backorderETA":"00/00/0000","modifiedDate":null,"userLevel":"ALL","displayPrice":null,"baseProductName":null,"firstVariantCode":null,"firstVariantImage":null,"productMarketType":null,"productNumber":null,"typeStatusCode":null,"productCategory":null,"typeNumber":null,"marketCode":null,"regionCode":null,"otherInformation":null,"productTypeStatus":null,"repairInstruction":null,"repairInstructionStatusDescription":null,"typeStatusDate":null,"serviceLifeDate":null,"manufacturerId":null,"parts":null,"language":null,"glossaries":null,"brand":null,"product":null,"brandCode":null,"recallNotes":null,"volume":null},{"code":"P710-3025-CM","name":null,"url":"/c//p/P710-3025-CM","description":"BOLT","purchasable":true,"stock":{"stockLevelStatus":{"code":"inStock","type":"StockLevelStatus"},"stockLevel":0,"stockThreshold":null},"futureStocks":null,"availableForPickup":null,"averageRating":null,"numberOfReviews":null,"summary":null,"manufacturer":null,"variantType":null,"price":{"currencyIso":"USD","value":2.51,"priceType":"BUY","formattedValue":"$2.51","minQuantity":null,"maxQuantity":null,"sapUnit":{"code":"pieces","name":"Piece"}},"baseProduct":null,"images":[],"categories":null,"reviews":null,"classifications":null,"potentialPromotions":null,"variantOptions":null,"baseOptions":[],"volumePricesFlag":null,"volumePrices":null,"productReferences":null,"variantMatrix":null,"priceRange":null,"firstCategoryNameList":null,"multidimensional":null,"configurable":false,"configuratorType":null,"addToCartDisabled":null,"addToCartDisabledMessage":null,"tags":null,"sapUnit":null,"keywords":null,"genders":null,"itemtype":"Part","partSubstitute":null,"note":null,"recallNote":null,"note1":null,"note2":null,"note3":null,"note4":null,"note5":null,"pdfAllUser":null,"pdfAuthUser":null,"pdfCOSUser":null,"vaiantRelatedPartList":null,"partHotspotList":null,"itemNumber":36,"partRelatedVariantList":null,"bomCode":2,"totalValue":null,"searchImage":null,"length":null,"width":null,"height":null,"unitOfDimension":null,"weight":null,"unitOfWeight":null,"specialRouting":false,"onlineRepair":null,"previousPartID":null,"sbdDiscountPriceValue":{"currencyIso":"USD","value":2.51,"priceType":"BUY","formattedValue":"$2.51","minQuantity":null,"maxQuantity":null,"sapUnit":{"code":"pieces","name":"Piece"}},"alrCode":null,"productRecallFlag":null,"selectedDocumentId":null,"productDescription":null,"pdpImage":null,"ticketId":null,"qtyRequiredPerVariant":"1","isElgibleForRepair":null,"isPowerEligible":null,"productRecallNotes":null,"productOtherInfo":null,"backorderETA":"00/00/0000","modifiedDate":null,"userLevel":"ALL","displayPrice":null,"baseProductName":null,"firstVariantCode":null,"firstVariantImage":null,"productMarketType":null,"productNumber":null,"typeStatusCode":null,"productCategory":null,"typeNumber":null,"marketCode":null,"regionCode":null,"otherInformation":null,"productTypeStatus":null,"repairInstruction":null,"repairInstructionStatusDescription":null,"typeStatusDate":null,"serviceLifeDate":null,"manufacturerId":null,"parts":null,"language":null,"glossaries":null,"brand":null,"product":null,"brandCode":null,"recallNotes":null,"volume":null},{"code":"P714-04040-CM","name":null,"url":"/c//p/P714-04040-CM","description":"COTTER PIN","purchasable":true,"stock":{"stockLevelStatus":{"code":"inStock","type":"StockLevelStatus"},"stockLevel":0,"stockThreshold":null},"futureStocks":null,"availableForPickup":null,"averageRating":null,"numberOfReviews":null,"summary":null,"manufacturer":null,"variantType":null,"price":{"currencyIso":"USD","value":0.96,"priceType":"BUY","formattedValue":"$0.96","minQuantity":null,"maxQuantity":null,"sapUnit":{"code":"pieces","name":"Piece"}},"baseProduct":null,"images":[],"categories":null,"reviews":null,"classifications":null,"potentialPromotions":null,"variantOptions":null,"baseOptions":[],"volumePricesFlag":null,"volumePrices":null,"productReferences":null,"variantMatrix":null,"priceRange":null,"firstCategoryNameList":null,"multidimensional":null,"configurable":false,"configuratorType":null,"addToCartDisabled":null,"addToCartDisabledMessage":null,"tags":null,"sapUnit":null,"keywords":null,"genders":null,"itemtype":"Part","partSubstitute":null,"note":null,"recallNote":null,"note1":null,"note2":null,"note3":null,"note4":null,"note5":null,"pdfAllUser":null,"pdfAuthUser":null,"pdfCOSUser":null,"vaiantRelatedPartList":null,"partHotspotList":null,"itemNumber":36,"partRelatedVariantList":null,"bomCode":2,"totalValue":null,"searchImage":null,"length":null,"width":null,"height":null,"unitOfDimension":null,"weight":null,"unitOfWeight":null,"specialRouting":false,"onlineRepair":null,"previousPartID":null,"sbdDiscountPriceValue":{"currencyIso":"USD","value":0.96,"priceType":"BUY","formattedValue":"$0.96","minQuantity":null,"maxQuantity":null,"sapUnit":{"code":"pieces","name":"Piece"}},"alrCode":null,"productRecallFlag":null,"selectedDocumentId":null,"productDescription":null,"pdpImage":null,"ticketId":null,"qtyRequiredPerVariant":"1","isElgibleForRepair":null,"isPowerEligible":null,"productRecallNotes":null,"productOtherInfo":null,"backorderETA":"00/00/0000","modifiedDate":null,"userLevel":"ALL","displayPrice":null,"baseProductName":null,"firstVariantCode":null,"firstVariantImage":null,"productMarketType":null,"productNumber":null,"typeStatusCode":null,"productCategory":null,"typeNumber":null,"marketCode":null,"regionCode":null,"otherInformation":null,"productTypeStatus":null,"repairInstruction":null,"repairInstructionStatusDescription":null,"typeStatusDate":null,"serviceLifeDate":null,"manufacturerId":null,"parts":null,"language":null,"glossaries":null,"brand":null,"product":null,"brandCode":null,"recallNotes":null,"volume":null},{"code":"P714-04040-CM","name":null,"url":"/c//p/P714-04040-CM","description":"COTTER PIN","purchasable":true,"stock":{"stockLevelStatus":{"code":"inStock","type":"StockLevelStatus"},"stockLevel":0,"stockThreshold":null},"futureStocks":null,"availableForPickup":null,"averageRating":null,"numberOfReviews":null,"summary":null,"manufacturer":null,"variantType":null,"price":{"currencyIso":"USD","value":0.96,"priceType":"BUY","formattedValue":"$0.96","minQuantity":null,"maxQuantity":null,"sapUnit":{"code":"pieces","name":"Piece"}},"baseProduct":null,"images":[],"categories":null,"reviews":null,"classifications":null,"potentialPromotions":null,"variantOptions":null,"baseOptions":[],"volumePricesFlag":null,"volumePrices":null,"productReferences":null,"variantMatrix":null,"priceRange":null,"firstCategoryNameList":null,"multidimensional":null,"configurable":false,"configuratorType":null,"addToCartDisabled":null,"addToCartDisabledMessage":null,"tags":null,"sapUnit":null,"keywords":null,"genders":null,"itemtype":"Part","partSubstitute":null,"note":null,"recallNote":null,"note1":null,"note2":null,"note3":null,"note4":null,"note5":null,"pdfAllUser":null,"pdfAuthUser":null,"pdfCOSUser":null,"vaiantRelatedPartList":null,"partHotspotList":null,"itemNumber":36,"partRelatedVariantList":null,"bomCode":2,"totalValue":null,"searchImage":null,"length":null,"width":null,"height":null,"unitOfDimension":null,"weight":null,"unitOfWeight":null,"specialRouting":false,"onlineRepair":null,"previousPartID":null,"sbdDiscountPriceValue":{"currencyIso":"USD","value":0.96,"priceType":"BUY","formattedValue":"$0.96","minQuantity":null,"maxQuantity":null,"sapUnit":{"code":"pieces","name":"Piece"}},"alrCode":null,"productRecallFlag":null,"selectedDocumentId":null,"productDescription":null,"pdpImage":null,"ticketId":null,"qtyRequiredPerVariant":"1","isElgibleForRepair":null,"isPowerEligible":null,"productRecallNotes":null,"productOtherInfo":null,"backorderETA":"00/00/0000","modifiedDate":null,"userLevel":"ALL","displayPrice":null,"baseProductName":null,"firstVariantCode":null,"firstVariantImage":null,"productMarketType":null,"productNumber":null,"typeStatusCode":null,"productCategory":null,"typeNumber":null,"marketCode":null,"regionCode":null,"otherInformation":null,"productTypeStatus":null,"repairInstruction":null,"repairInstructionStatusDescription":null,"typeStatusDate":null,"serviceLifeDate":null,"manufacturerId":null,"parts":null,"language":null,"glossaries":null,"brand":null,"product":null,"brandCode":null,"recallNotes":null,"volume":null},{"code":"P731-06825A-CM","name":null,"url":"/c//p/P731-06825A-CM","description":"CAP","purchasable":true,"stock":{"stockLevelStatus":{"code":"inStock","type":"StockLevelStatus"},"stockLevel":0,"stockThreshold":null},"futureStocks":null,"availableForPickup":null,"averageRating":null,"numberOfReviews":null,"summary":null,"manufacturer":null,"variantType":null,"price":{"currencyIso":"USD","value":3.15,"priceType":"BUY","formattedValue":"$3.15","minQuantity":null,"maxQuantity":null,"sapUnit":{"code":"pieces","name":"Piece"}},"baseProduct":null,"images":[],"categories":null,"reviews":null,"classifications":null,"potentialPromotions":null,"variantOptions":null,"baseOptions":[],"volumePricesFlag":null,"volumePrices":null,"productReferences":null,"variantMatrix":null,"priceRange":null,"firstCategoryNameList":null,"multidimensional":null,"configurable":false,"configuratorType":null,"addToCartDisabled":null,"addToCartDisabledMessage":null,"tags":null,"sapUnit":null,"keywords":null,"genders":null,"itemtype":"Part","partSubstitute":null,"note":null,"recallNote":null,"note1":null,"note2":null,"note3":null,"note4":null,"note5":null,"pdfAllUser":null,"pdfAuthUser":null,"pdfCOSUser":null,"vaiantRelatedPartList":null,"partHotspotList":null,"itemNumber":36,"partRelatedVariantList":null,"bomCode":2,"totalValue":null,"searchImage":null,"length":null,"width":null,"height":null,"unitOfDimension":null,"weight":null,"unitOfWeight":null,"specialRouting":false,"onlineRepair":null,"previousPartID":null,"sbdDiscountPriceValue":{"currencyIso":"USD","value":3.15,"priceType":"BUY","formattedValue":"$3.15","minQuantity":null,"maxQuantity":null,"sapUnit":{"code":"pieces","name":"Piece"}},"alrCode":null,"productRecallFlag":null,"selectedDocumentId":null,"productDescription":null,"pdpImage":null,"ticketId":null,"qtyRequiredPerVariant":"1","isElgibleForRepair":null,"isPowerEligible":null,"productRecallNotes":null,"productOtherInfo":null,"backorderETA":"00/00/0000","modifiedDate":null,"userLevel":"ALL","displayPrice":null,"baseProductName":null,"firstVariantCode":null,"firstVariantImage":null,"productMarketType":null,"productNumber":null,"typeStatusCode":null,"productCategory":null,"typeNumber":null,"marketCode":null,"regionCode":null,"otherInformation":null,"productTypeStatus":null,"repairInstruction":null,"repairInstructionStatusDescription":null,"typeStatusDate":null,"serviceLifeDate":null,"manufacturerId":null,"parts":null,"language":null,"glossaries":null,"brand":null,"product":null,"brandCode":null,"recallNotes":null,"volume":null},{"code":"P738-04162C-CM","name":null,"url":"/c//p/P738-04162C-CM","description":"SPCR:SHLDR","purchasable":true,"stock":{"stockLevelStatus":{"code":"inStock","type":"StockLevelStatus"},"stockLevel":0,"stockThreshold":null},"futureStocks":null,"availableForPickup":null,"averageRating":null,"numberOfReviews":null,"summary":null,"manufacturer":null,"variantType":null,"price":{"currencyIso":"USD","value":9.06,"priceType":"BUY","formattedValue":"$9.06","minQuantity":null,"maxQuantity":null,"sapUnit":{"code":"pieces","name":"Piece"}},"baseProduct":null,"images":[],"categories":null,"reviews":null,"classifications":null,"potentialPromotions":null,"variantOptions":null,"baseOptions":[],"volumePricesFlag":null,"volumePrices":null,"productReferences":null,"variantMatrix":null,"priceRange":null,"firstCategoryNameList":null,"multidimensional":null,"configurable":false,"configuratorType":null,"addToCartDisabled":null,"addToCartDisabledMessage":null,"tags":null,"sapUnit":null,"keywords":null,"genders":null,"itemtype":"Part","partSubstitute":null,"note":null,"recallNote":null,"note1":null,"note2":null,"note3":null,"note4":null,"note5":null,"pdfAllUser":null,"pdfAuthUser":null,"pdfCOSUser":null,"vaiantRelatedPartList":null,"partHotspotList":null,"itemNumber":36,"partRelatedVariantList":null,"bomCode":2,"totalValue":null,"searchImage":null,"length":null,"width":null,"height":null,"unitOfDimension":null,"weight":null,"unitOfWeight":null,"specialRouting":false,"onlineRepair":null,"previousPartID":null,"sbdDiscountPriceValue":{"currencyIso":"USD","value":9.06,"priceType":"BUY","formattedValue":"$9.06","minQuantity":null,"maxQuantity":null,"sapUnit":{"code":"pieces","name":"Piece"}},"alrCode":null,"productRecallFlag":null,"selectedDocumentId":null,"productDescription":null,"pdpImage":null,"ticketId":null,"qtyRequiredPerVariant":"1","isElgibleForRepair":null,"isPowerEligible":null,"productRecallNotes":null,"productOtherInfo":null,"backorderETA":"00/00/0000","modifiedDate":null,"userLevel":"ALL","displayPrice":null,"baseProductName":null,"firstVariantCode":null,"firstVariantImage":null,"productMarketType":null,"productNumber":null,"typeStatusCode":null,"productCategory":null,"typeNumber":null,"marketCode":null,"regionCode":null,"otherInformation":null,"productTypeStatus":null,"repairInstruction":null,"repairInstructionStatusDescription":null,"typeStatusDate":null,"serviceLifeDate":null,"manufacturerId":null,"parts":null,"language":null,"glossaries":null,"brand":null,"product":null,"brandCode":null,"recallNotes":null,"volume":null},{"code":"P738-04162C-CM","name":null,"url":"/c//p/P738-04162C-CM","description":"SPCR:SHLDR","purchasable":true,"stock":{"stockLevelStatus":{"code":"inStock","type":"StockLevelStatus"},"stockLevel":0,"stockThreshold":null},"futureStocks":null,"availableForPickup":null,"averageRating":null,"numberOfReviews":null,"summary":null,"manufacturer":null,"variantType":null,"price":{"currencyIso":"USD","value":9.06,"priceType":"BUY","formattedValue":"$9.06","minQuantity":null,"maxQuantity":null,"sapUnit":{"code":"pieces","name":"Piece"}},"baseProduct":null,"images":[],"categories":null,"reviews":null,"classifications":null,"potentialPromotions":null,"variantOptions":null,"baseOptions":[],"volumePricesFlag":null,"volumePrices":null,"productReferences":null,"variantMatrix":null,"priceRange":null,"firstCategoryNameList":null,"multidimensional":null,"configurable":false,"configuratorType":null,"addToCartDisabled":null,"addToCartDisabledMessage":null,"tags":null,"sapUnit":null,"keywords":null,"genders":null,"itemtype":"Part","partSubstitute":null,"note":null,"recallNote":null,"note1":null,"note2":null,"note3":null,"note4":null,"note5":null,"pdfAllUser":null,"pdfAuthUser":null,"pdfCOSUser":null,"vaiantRelatedPartList":null,"partHotspotList":null,"itemNumber":36,"partRelatedVariantList":null,"bomCode":2,"totalValue":null,"searchImage":null,"length":null,"width":null,"height":null,"unitOfDimension":null,"weight":null,"unitOfWeight":null,"specialRouting":false,"onlineRepair":null,"previousPartID":null,"sbdDiscountPriceValue":{"currencyIso":"USD","value":9.06,"priceType":"BUY","formattedValue":"$9.06","minQuantity":null,"maxQuantity":null,"sapUnit":{"code":"pieces","name":"Piece"}},"alrCode":null,"productRecallFlag":null,"selectedDocumentId":null,"productDescription":null,"pdpImage":null,"ticketId":null,"qtyRequiredPerVariant":"1","isElgibleForRepair":null,"isPowerEligible":null,"productRecallNotes":null,"productOtherInfo":null,"backorderETA":"00/00/0000","modifiedDate":null,"userLevel":"ALL","displayPrice":null,"baseProductName":null,"firstVariantCode":null,"firstVariantImage":null,"productMarketType":null,"productNumber":null,"typeStatusCode":null,"productCategory":null,"typeNumber":null,"marketCode":null,"regionCode":null,"otherInformation":null,"productTypeStatus":null,"repairInstruction":null,"repairInstructionStatusDescription":null,"typeStatusDate":null,"serviceLifeDate":null,"manufacturerId":null,"parts":null,"language":null,"glossaries":null,"brand":null,"product":null,"brandCode":null,"recallNotes":null,"volume":null},{"code":"P5140215-42","name":null,"url":"/c//p/P5140215-42","description":"WHL ASM","purchasable":true,"stock":{"stockLevelStatus":{"code":"inStock","type":"StockLevelStatus"},"stockLevel":0,"stockThreshold":null},"futureStocks":null,"availableForPickup":null,"averageRating":null,"numberOfReviews":null,"summary":null,"manufacturer":null,"variantType":null,"price":{"currencyIso":"USD","value":108.81,"priceType":"BUY","formattedValue":"$108.81","minQuantity":null,"maxQuantity":null,"sapUnit":{"code":"pieces","name":"Piece"}},"baseProduct":null,"images":[],"categories":null,"reviews":null,"classifications":null,"potentialPromotions":null,"variantOptions":null,"baseOptions":[],"volumePricesFlag":null,"volumePrices":null,"productReferences":null,"variantMatrix":null,"priceRange":null,"firstCategoryNameList":null,"multidimensional":null,"configurable":false,"configuratorType":null,"addToCartDisabled":null,"addToCartDisabledMessage":null,"tags":null,"sapUnit":null,"keywords":null,"genders":null,"itemtype":"Part","partSubstitute":null,"note":null,"recallNote":null,"note1":null,"note2":null,"note3":null,"note4":null,"note5":null,"pdfAllUser":null,"pdfAuthUser":null,"pdfCOSUser":null,"vaiantRelatedPartList":null,"partHotspotList":null,"itemNumber":37,"partRelatedVariantList":null,"bomCode":2,"totalValue":null,"searchImage":null,"length":null,"width":null,"height":null,"unitOfDimension":null,"weight":null,"unitOfWeight":null,"specialRouting":false,"onlineRepair":null,"previousPartID":null,"sbdDiscountPriceValue":{"currencyIso":"USD","value":108.81,"priceType":"BUY","formattedValue":"$108.81","minQuantity":null,"maxQuantity":null,"sapUnit":{"code":"pieces","name":"Piece"}},"alrCode":null,"productRecallFlag":null,"selectedDocumentId":null,"productDescription":null,"pdpImage":null,"ticketId":null,"qtyRequiredPerVariant":"1","isElgibleForRepair":null,"isPowerEligible":null,"productRecallNotes":null,"productOtherInfo":null,"backorderETA":"00/00/0000","modifiedDate":null,"userLevel":"ALL","displayPrice":null,"baseProductName":null,"firstVariantCode":null,"firstVariantImage":null,"productMarketType":null,"productNumber":null,"typeStatusCode":null,"productCategory":null,"typeNumber":null,"marketCode":null,"regionCode":null,"otherInformation":null,"productTypeStatus":null,"repairInstruction":null,"repairInstructionStatusDescription":null,"typeStatusDate":null,"serviceLifeDate":null,"manufacturerId":null,"parts":null,"language":null,"glossaries":null,"brand":null,"product":null,"brandCode":null,"recallNotes":null,"volume":null},{"code":"P5140220-94","name":null,"url":"/c//p/P5140220-94","description":"BRACKET-RUNN","purchasable":true,"stock":{"stockLevelStatus":{"code":"inStock","type":"StockLevelStatus"},"stockLevel":0,"stockThreshold":null},"futureStocks":null,"availableForPickup":null,"averageRating":null,"numberOfReviews":null,"summary":null,"manufacturer":null,"variantType":null,"price":{"currencyIso":"USD","value":9.96,"priceType":"BUY","formattedValue":"$9.96","minQuantity":null,"maxQuantity":null,"sapUnit":{"code":"pieces","name":"Piece"}},"baseProduct":null,"images":[],"categories":null,"reviews":null,"classifications":null,"potentialPromotions":null,"variantOptions":null,"baseOptions":[],"volumePricesFlag":null,"volumePrices":null,"productReferences":null,"variantMatrix":null,"priceRange":null,"firstCategoryNameList":null,"multidimensional":null,"configurable":false,"configuratorType":null,"addToCartDisabled":null,"addToCartDisabledMessage":null,"tags":null,"sapUnit":null,"keywords":null,"genders":null,"itemtype":"Part","partSubstitute":null,"note":null,"recallNote":null,"note1":null,"note2":null,"note3":null,"note4":null,"note5":null,"pdfAllUser":null,"pdfAuthUser":null,"pdfCOSUser":null,"vaiantRelatedPartList":null,"partHotspotList":null,"itemNumber":37,"partRelatedVariantList":null,"bomCode":2,"totalValue":null,"searchImage":null,"length":null,"width":null,"height":null,"unitOfDimension":null,"weight":null,"unitOfWeight":null,"specialRouting":false,"onlineRepair":null,"previousPartID":null,"sbdDiscountPriceValue":{"currencyIso":"USD","value":9.96,"priceType":"BUY","formattedValue":"$9.96","minQuantity":null,"maxQuantity":null,"sapUnit":{"code":"pieces","name":"Piece"}},"alrCode":null,"productRecallFlag":null,"selectedDocumentId":null,"productDescription":null,"pdpImage":null,"ticketId":null,"qtyRequiredPerVariant":"1","isElgibleForRepair":null,"isPowerEligible":null,"productRecallNotes":null,"productOtherInfo":null,"backorderETA":"00/00/0000","modifiedDate":null,"userLevel":"ALL","displayPrice":null,"baseProductName":null,"firstVariantCode":null,"firstVariantImage":null,"productMarketType":null,"productNumber":null,"typeStatusCode":null,"productCategory":null,"typeNumber":null,"marketCode":null,"regionCode":null,"otherInformation":null,"productTypeStatus":null,"repairInstruction":null,"repairInstructionStatusDescription":null,"typeStatusDate":null,"serviceLifeDate":null,"manufacturerId":null,"parts":null,"language":null,"glossaries":null,"brand":null,"product":null,"brandCode":null,"recallNotes":null,"volume":null},{"code":"P718-04407-CM","name":null,"url":"/c//p/P718-04407-CM","description":"HUB-PULLEY","purchasable":true,"stock":{"stockLevelStatus":{"code":"inStock","type":"StockLevelStatus"},"stockLevel":0,"stockThreshold":null},"futureStocks":null,"availableForPickup":null,"averageRating":null,"numberOfReviews":null,"summary":null,"manufacturer":null,"variantType":null,"price":{"currencyIso":"USD","value":7.65,"priceType":"BUY","formattedValue":"$7.65","minQuantity":null,"maxQuantity":null,"sapUnit":{"code":"pieces","name":"Piece"}},"baseProduct":null,"images":[],"categories":null,"reviews":null,"classifications":null,"potentialPromotions":null,"variantOptions":null,"baseOptions":[],"volumePricesFlag":null,"volumePrices":null,"productReferences":null,"variantMatrix":null,"priceRange":null,"firstCategoryNameList":null,"multidimensional":null,"configurable":false,"configuratorType":null,"addToCartDisabled":null,"addToCartDisabledMessage":null,"tags":null,"sapUnit":null,"keywords":null,"genders":null,"itemtype":"Part","partSubstitute":null,"note":null,"recallNote":null,"note1":null,"note2":null,"note3":null,"note4":null,"note5":null,"pdfAllUser":null,"pdfAuthUser":null,"pdfCOSUser":null,"vaiantRelatedPartList":null,"partHotspotList":null,"itemNumber":37,"partRelatedVariantList":null,"bomCode":2,"totalValue":null,"searchImage":null,"length":null,"width":null,"height":null,"unitOfDimension":null,"weight":null,"unitOfWeight":null,"specialRouting":false,"onlineRepair":null,"previousPartID":null,"sbdDiscountPriceValue":{"currencyIso":"USD","value":7.65,"priceType":"BUY","formattedValue":"$7.65","minQuantity":null,"maxQuantity":null,"sapUnit":{"code":"pieces","name":"Piece"}},"alrCode":null,"productRecallFlag":null,"selectedDocumentId":null,"productDescription":null,"pdpImage":null,"ticketId":null,"qtyRequiredPerVariant":"1","isElgibleForRepair":null,"isPowerEligible":null,"productRecallNotes":null,"productOtherInfo":null,"backorderETA":"00/00/0000","modifiedDate":null,"userLevel":"ALL","displayPrice":null,"baseProductName":null,"firstVariantCode":null,"firstVariantImage":null,"productMarketType":null,"productNumber":null,"typeStatusCode":null,"productCategory":null,"typeNumber":null,"marketCode":null,"regionCode":null,"otherInformation":null,"productTypeStatus":null,"repairInstruction":null,"repairInstructionStatusDescription":null,"typeStatusDate":null,"serviceLifeDate":null,"manufacturerId":null,"parts":null,"language":null,"glossaries":null,"brand":null,"product":null,"brandCode":null,"recallNotes":null,"volume":null},{"code":"P747-05398-CM","name":null,"url":"/c//p/P747-05398-CM","description":"ROD-SPD","purchasable":true,"stock":{"stockLevelStatus":{"code":"inStock","type":"StockLevelStatus"},"stockLevel":0,"stockThreshold":null},"futureStocks":null,"availableForPickup":null,"averageRating":null,"numberOfReviews":null,"summary":null,"manufacturer":null,"variantType":null,"price":{"currencyIso":"USD","value":6.66,"priceType":"BUY","formattedValue":"$6.66","minQuantity":null,"maxQuantity":null,"sapUnit":{"code":"pieces","name":"Piece"}},"baseProduct":null,"images":[],"categories":null,"reviews":null,"classifications":null,"potentialPromotions":null,"variantOptions":null,"baseOptions":[],"volumePricesFlag":null,"volumePrices":null,"productReferences":null,"variantMatrix":null,"priceRange":null,"firstCategoryNameList":null,"multidimensional":null,"configurable":false,"configuratorType":null,"addToCartDisabled":null,"addToCartDisabledMessage":null,"tags":null,"sapUnit":null,"keywords":null,"genders":null,"itemtype":"Part","partSubstitute":null,"note":null,"recallNote":null,"note1":null,"note2":null,"note3":null,"note4":null,"note5":null,"pdfAllUser":null,"pdfAuthUser":null,"pdfCOSUser":null,"vaiantRelatedPartList":null,"partHotspotList":null,"itemNumber":37,"partRelatedVariantList":null,"bomCode":2,"totalValue":null,"searchImage":null,"length":null,"width":null,"height":null,"unitOfDimension":null,"weight":null,"unitOfWeight":null,"specialRouting":false,"onlineRepair":null,"previousPartID":null,"sbdDiscountPriceValue":{"currencyIso":"USD","value":6.66,"priceType":"BUY","formattedValue":"$6.66","minQuantity":null,"maxQuantity":null,"sapUnit":{"code":"pieces","name":"Piece"}},"alrCode":null,"productRecallFlag":null,"selectedDocumentId":null,"productDescription":null,"pdpImage":null,"ticketId":null,"qtyRequiredPerVariant":"1","isElgibleForRepair":null,"isPowerEligible":null,"productRecallNotes":null,"productOtherInfo":null,"backorderETA":"00/00/0000","modifiedDate":null,"userLevel":"ALL","displayPrice":null,"baseProductName":null,"firstVariantCode":null,"firstVariantImage":null,"productMarketType":null,"productNumber":null,"typeStatusCode":null,"productCategory":null,"typeNumber":null,"marketCode":null,"regionCode":null,"otherInformation":null,"productTypeStatus":null,"repairInstruction":null,"repairInstructionStatusDescription":null,"typeStatusDate":null,"serviceLifeDate":null,"manufacturerId":null,"parts":null,"language":null,"glossaries":null,"brand":null,"product":null,"brandCode":null,"recallNotes":null,"volume":null},{"code":"P748-04272-CM","name":null,"url":"/c//p/P748-04272-CM","description":"SPACER","purchasable":true,"stock":{"stockLevelStatus":{"code":"inStock","type":"StockLevelStatus"},"stockLevel":0,"stockThreshold":null},"futureStocks":null,"availableForPickup":null,"averageRating":null,"numberOfReviews":null,"summary":null,"manufacturer":null,"variantType":null,"price":{"currencyIso":"USD","value":3.2,"priceType":"BUY","formattedValue":"$3.20","minQuantity":null,"maxQuantity":null,"sapUnit":{"code":"pieces","name":"Piece"}},"baseProduct":null,"images":[],"categories":null,"reviews":null,"classifications":null,"potentialPromotions":null,"variantOptions":null,"baseOptions":[],"volumePricesFlag":null,"volumePrices":null,"productReferences":null,"variantMatrix":null,"priceRange":null,"firstCategoryNameList":null,"multidimensional":null,"configurable":false,"configuratorType":null,"addToCartDisabled":null,"addToCartDisabledMessage":null,"tags":null,"sapUnit":null,"keywords":null,"genders":null,"itemtype":"Part","partSubstitute":null,"note":null,"recallNote":null,"note1":null,"note2":null,"note3":null,"note4":null,"note5":null,"pdfAllUser":null,"pdfAuthUser":null,"pdfCOSUser":null,"vaiantRelatedPartList":null,"partHotspotList":null,"itemNumber":37,"partRelatedVariantList":null,"bomCode":2,"totalValue":null,"searchImage":null,"length":null,"width":null,"height":null,"unitOfDimension":null,"weight":null,"unitOfWeight":null,"specialRouting":false,"onlineRepair":null,"previousPartID":null,"sbdDiscountPriceValue":{"currencyIso":"USD","value":3.2,"priceType":"BUY","formattedValue":"$3.20","minQuantity":null,"maxQuantity":null,"sapUnit":{"code":"pieces","name":"Piece"}},"alrCode":null,"productRecallFlag":null,"selectedDocumentId":null,"productDescription":null,"pdpImage":null,"ticketId":null,"qtyRequiredPerVariant":"1","isElgibleForRepair":null,"isPowerEligible":null,"productRecallNotes":null,"productOtherInfo":null,"backorderETA":"00/00/0000","modifiedDate":null,"userLevel":"ALL","displayPrice":null,"baseProductName":null,"firstVariantCode":null,"firstVariantImage":null,"productMarketType":null,"productNumber":null,"typeStatusCode":null,"productCategory":null,"typeNumber":null,"marketCode":null,"regionCode":null,"otherInformation":null,"productTypeStatus":null,"repairInstruction":null,"repairInstructionStatusDescription":null,"typeStatusDate":null,"serviceLifeDate":null,"manufacturerId":null,"parts":null,"language":null,"glossaries":null,"brand":null,"product":null,"brandCode":null,"recallNotes":null,"volume":null},{"code":"P5140215-44","name":null,"url":"/c//p/P5140215-44","description":"FRT RIM ASM","purchasable":true,"stock":{"stockLevelStatus":{"code":"inStock","type":"StockLevelStatus"},"stockLevel":0,"stockThreshold":null},"futureStocks":null,"availableForPickup":null,"averageRating":null,"numberOfReviews":null,"summary":null,"manufacturer":null,"variantType":null,"price":{"currencyIso":"USD","value":64.22,"priceType":"BUY","formattedValue":"$64.22","minQuantity":null,"maxQuantity":null,"sapUnit":{"code":"pieces","name":"Piece"}},"baseProduct":null,"images":[],"categories":null,"reviews":null,"classifications":null,"potentialPromotions":null,"variantOptions":null,"baseOptions":[],"volumePricesFlag":null,"volumePrices":null,"productReferences":null,"variantMatrix":null,"priceRange":null,"firstCategoryNameList":null,"multidimensional":null,"configurable":false,"configuratorType":null,"addToCartDisabled":null,"addToCartDisabledMessage":null,"tags":null,"sapUnit":null,"keywords":null,"genders":null,"itemtype":"Part","partSubstitute":null,"note":null,"recallNote":null,"note1":null,"note2":null,"note3":null,"note4":null,"note5":null,"pdfAllUser":null,"pdfAuthUser":null,"pdfCOSUser":null,"vaiantRelatedPartList":null,"partHotspotList":null,"itemNumber":38,"partRelatedVariantList":null,"bomCode":2,"totalValue":null,"searchImage":null,"length":null,"width":null,"height":null,"unitOfDimension":null,"weight":null,"unitOfWeight":null,"specialRouting":false,"onlineRepair":null,"previousPartID":null,"sbdDiscountPriceValue":{"currencyIso":"USD","value":64.22,"priceType":"BUY","formattedValue":"$64.22","minQuantity":null,"maxQuantity":null,"sapUnit":{"code":"pieces","name":"Piece"}},"alrCode":null,"productRecallFlag":null,"selectedDocumentId":null,"productDescription":null,"pdpImage":null,"ticketId":null,"qtyRequiredPerVariant":"1","isElgibleForRepair":null,"isPowerEligible":null,"productRecallNotes":null,"productOtherInfo":null,"backorderETA":"00/00/0000","modifiedDate":null,"userLevel":"ALL","displayPrice":null,"baseProductName":null,"firstVariantCode":null,"firstVariantImage":null,"productMarketType":null,"productNumber":null,"typeStatusCode":null,"productCategory":null,"typeNumber":null,"marketCode":null,"regionCode":null,"otherInformation":null,"productTypeStatus":null,"repairInstruction":null,"repairInstructionStatusDescription":null,"typeStatusDate":null,"serviceLifeDate":null,"manufacturerId":null,"parts":null,"language":null,"glossaries":null,"brand":null,"product":null,"brandCode":null,"recallNotes":null,"volume":null},{"code":"P5140220-99","name":null,"url":"/c//p/P5140220-99","description":"POWDER BLACK","purchasable":true,"stock":{"stockLevelStatus":{"code":"inStock","type":"StockLevelStatus"},"stockLevel":0,"stockThreshold":null},"futureStocks":null,"availableForPickup":null,"averageRating":null,"numberOfReviews":null,"summary":null,"manufacturer":null,"variantType":null,"price":{"currencyIso":"USD","value":51.75,"priceType":"BUY","formattedValue":"$51.75","minQuantity":null,"maxQuantity":null,"sapUnit":{"code":"pieces","name":"Piece"}},"baseProduct":null,"images":[],"categories":null,"reviews":null,"classifications":null,"potentialPromotions":null,"variantOptions":null,"baseOptions":[],"volumePricesFlag":null,"volumePrices":null,"productReferences":null,"variantMatrix":null,"priceRange":null,"firstCategoryNameList":null,"multidimensional":null,"configurable":false,"configuratorType":null,"addToCartDisabled":null,"addToCartDisabledMessage":null,"tags":null,"sapUnit":null,"keywords":null,"genders":null,"itemtype":"Part","partSubstitute":null,"note":null,"recallNote":null,"note1":null,"note2":null,"note3":null,"note4":null,"note5":null,"pdfAllUser":null,"pdfAuthUser":null,"pdfCOSUser":null,"vaiantRelatedPartList":null,"partHotspotList":null,"itemNumber":38,"partRelatedVariantList":null,"bomCode":2,"totalValue":null,"searchImage":null,"length":null,"width":null,"height":null,"unitOfDimension":null,"weight":null,"unitOfWeight":null,"specialRouting":false,"onlineRepair":null,"previousPartID":null,"sbdDiscountPriceValue":{"currencyIso":"USD","value":51.75,"priceType":"BUY","formattedValue":"$51.75","minQuantity":null,"maxQuantity":null,"sapUnit":{"code":"pieces","name":"Piece"}},"alrCode":null,"productRecallFlag":null,"selectedDocumentId":null,"productDescription":null,"pdpImage":null,"ticketId":null,"qtyRequiredPerVariant":"1","isElgibleForRepair":null,"isPowerEligible":null,"productRecallNotes":null,"productOtherInfo":null,"backorderETA":"00/00/0000","modifiedDate":null,"userLevel":"ALL","displayPrice":null,"baseProductName":null,"firstVariantCode":null,"firstVariantImage":null,"productMarketType":null,"productNumber":null,"typeStatusCode":null,"productCategory":null,"typeNumber":null,"marketCode":null,"regionCode":null,"otherInformation":null,"productTypeStatus":null,"repairInstruction":null,"repairInstructionStatusDescription":null,"typeStatusDate":null,"serviceLifeDate":null,"manufacturerId":null,"parts":null,"language":null,"glossaries":null,"brand":null,"product":null,"brandCode":null,"recallNotes":null,"volume":null},{"code":"P720-04028-CM","name":null,"url":"/c//p/P720-04028-CM","description":"SHIFT KNOB","purchasable":true,"stock":{"stockLevelStatus":{"code":"inStock","type":"StockLevelStatus"},"stockLevel":0,"stockThreshold":null},"futureStocks":null,"availableForPickup":null,"averageRating":null,"numberOfReviews":null,"summary":null,"manufacturer":null,"variantType":null,"price":{"currencyIso":"USD","value":6.51,"priceType":"BUY","formattedValue":"$6.51","minQuantity":null,"maxQuantity":null,"sapUnit":{"code":"pieces","name":"Piece"}},"baseProduct":null,"images":[],"categories":null,"reviews":null,"classifications":null,"potentialPromotions":null,"variantOptions":null,"baseOptions":[],"volumePricesFlag":null,"volumePrices":null,"productReferences":null,"variantMatrix":null,"priceRange":null,"firstCategoryNameList":null,"multidimensional":null,"configurable":false,"configuratorType":null,"addToCartDisabled":null,"addToCartDisabledMessage":null,"tags":null,"sapUnit":null,"keywords":null,"genders":null,"itemtype":"Part","partSubstitute":null,"note":null,"recallNote":null,"note1":null,"note2":null,"note3":null,"note4":null,"note5":null,"pdfAllUser":null,"pdfAuthUser":null,"pdfCOSUser":null,"vaiantRelatedPartList":null,"partHotspotList":null,"itemNumber":38,"partRelatedVariantList":null,"bomCode":2,"totalValue":null,"searchImage":null,"length":null,"width":null,"height":null,"unitOfDimension":null,"weight":null,"unitOfWeight":null,"specialRouting":false,"onlineRepair":null,"previousPartID":null,"sbdDiscountPriceValue":{"currencyIso":"USD","value":6.51,"priceType":"BUY","formattedValue":"$6.51","minQuantity":null,"maxQuantity":null,"sapUnit":{"code":"pieces","name":"Piece"}},"alrCode":null,"productRecallFlag":null,"selectedDocumentId":null,"productDescription":null,"pdpImage":null,"ticketId":null,"qtyRequiredPerVariant":"1","isElgibleForRepair":null,"isPowerEligible":null,"productRecallNotes":null,"productOtherInfo":null,"backorderETA":"00/00/0000","modifiedDate":null,"userLevel":"ALL","displayPrice":null,"baseProductName":null,"firstVariantCode":null,"firstVariantImage":null,"productMarketType":null,"productNumber":null,"typeStatusCode":null,"productCategory":null,"typeNumber":null,"marketCode":null,"regionCode":null,"otherInformation":null,"productTypeStatus":null,"repairInstruction":null,"repairInstructionStatusDescription":null,"typeStatusDate":null,"serviceLifeDate":null,"manufacturerId":null,"parts":null,"language":null,"glossaries":null,"brand":null,"product":null,"brandCode":null,"recallNotes":null,"volume":null},{"code":"P938-3056-CM","name":null,"url":"/c//p/P938-3056-CM","description":"BOLT-SHLD","purchasable":true,"stock":{"stockLevelStatus":{"code":"inStock","type":"StockLevelStatus"},"stockLevel":0,"stockThreshold":null},"futureStocks":null,"availableForPickup":null,"averageRating":null,"numberOfReviews":null,"summary":null,"manufacturer":null,"variantType":null,"price":{"currencyIso":"USD","value":6.06,"priceType":"BUY","formattedValue":"$6.06","minQuantity":null,"maxQuantity":null,"sapUnit":{"code":"pieces","name":"Piece"}},"baseProduct":null,"images":[],"categories":null,"reviews":null,"classifications":null,"potentialPromotions":null,"variantOptions":null,"baseOptions":[],"volumePricesFlag":null,"volumePrices":null,"productReferences":null,"variantMatrix":null,"priceRange":null,"firstCategoryNameList":null,"multidimensional":null,"configurable":false,"configuratorType":null,"addToCartDisabled":null,"addToCartDisabledMessage":null,"tags":null,"sapUnit":null,"keywords":null,"genders":null,"itemtype":"Part","partSubstitute":null,"note":null,"recallNote":null,"note1":null,"note2":null,"note3":null,"note4":null,"note5":null,"pdfAllUser":null,"pdfAuthUser":null,"pdfCOSUser":null,"vaiantRelatedPartList":null,"partHotspotList":null,"itemNumber":38,"partRelatedVariantList":null,"bomCode":2,"totalValue":null,"searchImage":null,"length":null,"width":null,"height":null,"unitOfDimension":null,"weight":null,"unitOfWeight":null,"specialRouting":false,"onlineRepair":null,"previousPartID":null,"sbdDiscountPriceValue":{"currencyIso":"USD","value":6.06,"priceType":"BUY","formattedValue":"$6.06","minQuantity":null,"maxQuantity":null,"sapUnit":{"code":"pieces","name":"Piece"}},"alrCode":null,"productRecallFlag":null,"selectedDocumentId":null,"productDescription":null,"pdpImage":null,"ticketId":null,"qtyRequiredPerVariant":"1","isElgibleForRepair":null,"isPowerEligible":null,"productRecallNotes":null,"productOtherInfo":null,"backorderETA":"00/00/0000","modifiedDate":null,"userLevel":"ALL","displayPrice":null,"baseProductName":null,"firstVariantCode":null,"firstVariantImage":null,"productMarketType":null,"productNumber":null,"typeStatusCode":null,"productCategory":null,"typeNumber":null,"marketCode":null,"regionCode":null,"otherInformation":null,"productTypeStatus":null,"repairInstruction":null,"repairInstructionStatusDescription":null,"typeStatusDate":null,"serviceLifeDate":null,"manufacturerId":null,"parts":null,"language":null,"glossaries":null,"brand":null,"product":null,"brandCode":null,"recallNotes":null,"volume":null},{"code":"P951-04304-CM","name":null,"url":"/c//p/P951-04304-CM","description":"TANK ASM","purchasable":true,"stock":{"stockLevelStatus":{"code":"inStock","type":"StockLevelStatus"},"stockLevel":0,"stockThreshold":null},"futureStocks":null,"availableForPickup":null,"averageRating":null,"numberOfReviews":null,"summary":null,"manufacturer":null,"variantType":null,"price":{"currencyIso":"USD","value":68.8,"priceType":"BUY","formattedValue":"$68.80","minQuantity":null,"maxQuantity":null,"sapUnit":{"code":"pieces","name":"Piece"}},"baseProduct":null,"images":[],"categories":null,"reviews":null,"classifications":null,"potentialPromotions":null,"variantOptions":null,"baseOptions":[],"volumePricesFlag":null,"volumePrices":null,"productReferences":null,"variantMatrix":null,"priceRange":null,"firstCategoryNameList":null,"multidimensional":null,"configurable":false,"configuratorType":null,"addToCartDisabled":null,"addToCartDisabledMessage":null,"tags":null,"sapUnit":null,"keywords":null,"genders":null,"itemtype":"Part","partSubstitute":null,"note":null,"recallNote":null,"note1":null,"note2":null,"note3":null,"note4":null,"note5":null,"pdfAllUser":null,"pdfAuthUser":null,"pdfCOSUser":null,"vaiantRelatedPartList":null,"partHotspotList":null,"itemNumber":38,"partRelatedVariantList":null,"bomCode":2,"totalValue":null,"searchImage":null,"length":null,"width":null,"height":null,"unitOfDimension":null,"weight":null,"unitOfWeight":null,"specialRouting":false,"onlineRepair":null,"previousPartID":null,"sbdDiscountPriceValue":{"currencyIso":"USD","value":68.8,"priceType":"BUY","formattedValue":"$68.80","minQuantity":null,"maxQuantity":null,"sapUnit":{"code":"pieces","name":"Piece"}},"alrCode":null,"productRecallFlag":null,"selectedDocumentId":null,"productDescription":null,"pdpImage":null,"ticketId":null,"qtyRequiredPerVariant":"1","isElgibleForRepair":null,"isPowerEligible":null,"productRecallNotes":null,"productOtherInfo":null,"backorderETA":"00/00/0000","modifiedDate":null,"userLevel":"ALL","displayPrice":null,"baseProductName":null,"firstVariantCode":null,"firstVariantImage":null,"productMarketType":null,"productNumber":null,"typeStatusCode":null,"productCategory":null,"typeNumber":null,"marketCode":null,"regionCode":null,"otherInformation":null,"productTypeStatus":null,"repairInstruction":null,"repairInstructionStatusDescription":null,"typeStatusDate":null,"serviceLifeDate":null,"manufacturerId":null,"parts":null,"language":null,"glossaries":null,"brand":null,"product":null,"brandCode":null,"recallNotes":null,"volume":null},{"code":"P5140219-07","name":null,"url":"/c//p/P5140219-07","description":"TIRE-15 X 6","purchasable":true,"stock":{"stockLevelStatus":{"code":"inStock","type":"StockLevelStatus"},"stockLevel":0,"stockThreshold":null},"futureStocks":null,"availableForPickup":null,"averageRating":null,"numberOfReviews":null,"summary":null,"manufacturer":null,"variantType":null,"price":{"currencyIso":"USD","value":64.8,"priceType":"BUY","formattedValue":"$64.80","minQuantity":null,"maxQuantity":null,"sapUnit":{"code":"pieces","name":"Piece"}},"baseProduct":null,"images":[],"categories":null,"reviews":null,"classifications":null,"potentialPromotions":null,"variantOptions":null,"baseOptions":[],"volumePricesFlag":null,"volumePrices":null,"productReferences":null,"variantMatrix":null,"priceRange":null,"firstCategoryNameList":null,"multidimensional":null,"configurable":false,"configuratorType":null,"addToCartDisabled":null,"addToCartDisabledMessage":null,"tags":null,"sapUnit":null,"keywords":null,"genders":null,"itemtype":"Part","partSubstitute":null,"note":null,"recallNote":null,"note1":null,"note2":null,"note3":null,"note4":null,"note5":null,"pdfAllUser":null,"pdfAuthUser":null,"pdfCOSUser":null,"vaiantRelatedPartList":null,"partHotspotList":null,"itemNumber":39,"partRelatedVariantList":null,"bomCode":2,"totalValue":null,"searchImage":null,"length":null,"width":null,"height":null,"unitOfDimension":null,"weight":null,"unitOfWeight":null,"specialRouting":false,"onlineRepair":null,"previousPartID":null,"sbdDiscountPriceValue":{"currencyIso":"USD","value":64.8,"priceType":"BUY","formattedValue":"$64.80","minQuantity":null,"maxQuantity":null,"sapUnit":{"code":"pieces","name":"Piece"}},"alrCode":null,"productRecallFlag":null,"selectedDocumentId":null,"productDescription":null,"pdpImage":null,"ticketId":null,"qtyRequiredPerVariant":"1","isElgibleForRepair":null,"isPowerEligible":null,"productRecallNotes":null,"productOtherInfo":null,"backorderETA":"00/00/0000","modifiedDate":null,"userLevel":"ALL","displayPrice":null,"baseProductName":null,"firstVariantCode":null,"firstVariantImage":null,"productMarketType":null,"productNumber":null,"typeStatusCode":null,"productCategory":null,"typeNumber":null,"marketCode":null,"regionCode":null,"otherInformation":null,"productTypeStatus":null,"repairInstruction":null,"repairInstructionStatusDescription":null,"typeStatusDate":null,"serviceLifeDate":null,"manufacturerId":null,"parts":null,"language":null,"glossaries":null,"brand":null,"product":null,"brandCode":null,"recallNotes":null,"volume":null},{"code":"P5140221-09","name":null,"url":"/c//p/P5140221-09","description":"BRACKET-BATT","purchasable":true,"stock":{"stockLevelStatus":{"code":"inStock","type":"StockLevelStatus"},"stockLevel":0,"stockThreshold":null},"futureStocks":null,"availableForPickup":null,"averageRating":null,"numberOfReviews":null,"summary":null,"manufacturer":null,"variantType":null,"price":{"currencyIso":"USD","value":5.45,"priceType":"BUY","formattedValue":"$5.45","minQuantity":null,"maxQuantity":null,"sapUnit":{"code":"pieces","name":"Piece"}},"baseProduct":null,"images":[],"categories":null,"reviews":null,"classifications":null,"potentialPromotions":null,"variantOptions":null,"baseOptions":[],"volumePricesFlag":null,"volumePrices":null,"productReferences":null,"variantMatrix":null,"priceRange":null,"firstCategoryNameList":null,"multidimensional":null,"configurable":false,"configuratorType":null,"addToCartDisabled":null,"addToCartDisabledMessage":null,"tags":null,"sapUnit":null,"keywords":null,"genders":null,"itemtype":"Part","partSubstitute":null,"note":null,"recallNote":null,"note1":null,"note2":null,"note3":null,"note4":null,"note5":null,"pdfAllUser":null,"pdfAuthUser":null,"pdfCOSUser":null,"vaiantRelatedPartList":null,"partHotspotList":null,"itemNumber":39,"partRelatedVariantList":null,"bomCode":2,"totalValue":null,"searchImage":null,"length":null,"width":null,"height":null,"unitOfDimension":null,"weight":null,"unitOfWeight":null,"specialRouting":false,"onlineRepair":null,"previousPartID":null,"sbdDiscountPriceValue":{"currencyIso":"USD","value":5.45,"priceType":"BUY","formattedValue":"$5.45","minQuantity":null,"maxQuantity":null,"sapUnit":{"code":"pieces","name":"Piece"}},"alrCode":null,"productRecallFlag":null,"selectedDocumentId":null,"productDescription":null,"pdpImage":null,"ticketId":null,"qtyRequiredPerVariant":"1","isElgibleForRepair":null,"isPowerEligible":null,"productRecallNotes":null,"productOtherInfo":null,"backorderETA":"00/00/0000","modifiedDate":null,"userLevel":"ALL","displayPrice":null,"baseProductName":null,"firstVariantCode":null,"firstVariantImage":null,"productMarketType":null,"productNumber":null,"typeStatusCode":null,"productCategory":null,"typeNumber":null,"marketCode":null,"regionCode":null,"otherInformation":null,"productTypeStatus":null,"repairInstruction":null,"repairInstructionStatusDescription":null,"typeStatusDate":null,"serviceLifeDate":null,"manufacturerId":null,"parts":null,"language":null,"glossaries":null,"brand":null,"product":null,"brandCode":null,"recallNotes":null,"volume":null},{"code":"P923-3018-CM","name":null,"url":"/c//p/P923-3018-CM","description":"JOINT ASSY-B","purchasable":true,"stock":{"stockLevelStatus":{"code":"inStock","type":"StockLevelStatus"},"stockLevel":0,"stockThreshold":null},"futureStocks":null,"availableForPickup":null,"averageRating":null,"numberOfReviews":null,"summary":null,"manufacturer":null,"variantType":null,"price":{"currencyIso":"USD","value":10.69,"priceType":"BUY","formattedValue":"$10.69","minQuantity":null,"maxQuantity":null,"sapUnit":{"code":"pieces","name":"Piece"}},"baseProduct":null,"images":[],"categories":null,"reviews":null,"classifications":null,"potentialPromotions":null,"variantOptions":null,"baseOptions":[],"volumePricesFlag":null,"volumePrices":null,"productReferences":null,"variantMatrix":null,"priceRange":null,"firstCategoryNameList":null,"multidimensional":null,"configurable":false,"configuratorType":null,"addToCartDisabled":null,"addToCartDisabledMessage":null,"tags":null,"sapUnit":null,"keywords":null,"genders":null,"itemtype":"Part","partSubstitute":null,"note":null,"recallNote":null,"note1":null,"note2":null,"note3":null,"note4":null,"note5":null,"pdfAllUser":null,"pdfAuthUser":null,"pdfCOSUser":null,"vaiantRelatedPartList":null,"partHotspotList":null,"itemNumber":39,"partRelatedVariantList":null,"bomCode":2,"totalValue":null,"searchImage":null,"length":null,"width":null,"height":null,"unitOfDimension":null,"weight":null,"unitOfWeight":null,"specialRouting":false,"onlineRepair":null,"previousPartID":null,"sbdDiscountPriceValue":{"currencyIso":"USD","value":10.69,"priceType":"BUY","formattedValue":"$10.69","minQuantity":null,"maxQuantity":null,"sapUnit":{"code":"pieces","name":"Piece"}},"alrCode":null,"productRecallFlag":null,"selectedDocumentId":null,"productDescription":null,"pdpImage":null,"ticketId":null,"qtyRequiredPerVariant":"1","isElgibleForRepair":null,"isPowerEligible":null,"productRecallNotes":null,"productOtherInfo":null,"backorderETA":"00/00/0000","modifiedDate":null,"userLevel":"ALL","displayPrice":null,"baseProductName":null,"firstVariantCode":null,"firstVariantImage":null,"productMarketType":null,"productNumber":null,"typeStatusCode":null,"productCategory":null,"typeNumber":null,"marketCode":null,"regionCode":null,"otherInformation":null,"productTypeStatus":null,"repairInstruction":null,"repairInstructionStatusDescription":null,"typeStatusDate":null,"serviceLifeDate":null,"manufacturerId":null,"parts":null,"language":null,"glossaries":null,"brand":null,"product":null,"brandCode":null,"recallNotes":null,"volume":null},{"code":"P942-04308-CM","name":null,"url":"/c//p/P942-04308-CM","description":"BLADE-2 IN 1","purchasable":true,"stock":{"stockLevelStatus":{"code":"inStock","type":"StockLevelStatus"},"stockLevel":0,"stockThreshold":null},"futureStocks":null,"availableForPickup":null,"averageRating":null,"numberOfReviews":null,"summary":null,"manufacturer":null,"variantType":null,"price":{"currencyIso":"USD","value":19.82,"priceType":"BUY","formattedValue":"$19.82","minQuantity":null,"maxQuantity":null,"sapUnit":{"code":"pieces","name":"Piece"}},"baseProduct":null,"images":[],"categories":null,"reviews":null,"classifications":null,"potentialPromotions":null,"variantOptions":null,"baseOptions":[],"volumePricesFlag":null,"volumePrices":null,"productReferences":null,"variantMatrix":null,"priceRange":null,"firstCategoryNameList":null,"multidimensional":null,"configurable":false,"configuratorType":null,"addToCartDisabled":null,"addToCartDisabledMessage":null,"tags":null,"sapUnit":null,"keywords":null,"genders":null,"itemtype":"Part","partSubstitute":null,"note":null,"recallNote":null,"note1":null,"note2":null,"note3":null,"note4":null,"note5":null,"pdfAllUser":null,"pdfAuthUser":null,"pdfCOSUser":null,"vaiantRelatedPartList":null,"partHotspotList":null,"itemNumber":39,"partRelatedVariantList":null,"bomCode":2,"totalValue":null,"searchImage":null,"length":null,"width":null,"height":null,"unitOfDimension":null,"weight":null,"unitOfWeight":null,"specialRouting":false,"onlineRepair":null,"previousPartID":null,"sbdDiscountPriceValue":{"currencyIso":"USD","value":19.82,"priceType":"BUY","formattedValue":"$19.82","minQuantity":null,"maxQuantity":null,"sapUnit":{"code":"pieces","name":"Piece"}},"alrCode":null,"productRecallFlag":null,"selectedDocumentId":null,"productDescription":null,"pdpImage":null,"ticketId":null,"qtyRequiredPerVariant":"1","isElgibleForRepair":null,"isPowerEligible":null,"productRecallNotes":null,"productOtherInfo":null,"backorderETA":"00/00/0000","modifiedDate":null,"userLevel":"ALL","displayPrice":null,"baseProductName":null,"firstVariantCode":null,"firstVariantImage":null,"productMarketType":null,"productNumber":null,"typeStatusCode":null,"productCategory":null,"typeNumber":null,"marketCode":null,"regionCode":null,"otherInformation":null,"productTypeStatus":null,"repairInstruction":null,"repairInstructionStatusDescription":null,"typeStatusDate":null,"serviceLifeDate":null,"manufacturerId":null,"parts":null,"language":null,"glossaries":null,"brand":null,"product":null,"brandCode":null,"recallNotes":null,"volume":null},{"code":"P951-12179C-CM","name":null,"url":"/c//p/P951-12179C-CM","description":"CAP","purchasable":true,"stock":{"stockLevelStatus":{"code":"inStock","type":"StockLevelStatus"},"stockLevel":0,"stockThreshold":null},"futureStocks":null,"availableForPickup":null,"averageRating":null,"numberOfReviews":null,"summary":null,"manufacturer":null,"variantType":null,"price":{"currencyIso":"USD","value":23.29,"priceType":"BUY","formattedValue":"$23.29","minQuantity":null,"maxQuantity":null,"sapUnit":{"code":"pieces","name":"Piece"}},"baseProduct":null,"images":[],"categories":null,"reviews":null,"classifications":null,"potentialPromotions":null,"variantOptions":null,"baseOptions":[],"volumePricesFlag":null,"volumePrices":null,"productReferences":null,"variantMatrix":null,"priceRange":null,"firstCategoryNameList":null,"multidimensional":null,"configurable":false,"configuratorType":null,"addToCartDisabled":null,"addToCartDisabledMessage":null,"tags":null,"sapUnit":null,"keywords":null,"genders":null,"itemtype":"Part","partSubstitute":null,"note":null,"recallNote":null,"note1":null,"note2":null,"note3":null,"note4":null,"note5":null,"pdfAllUser":null,"pdfAuthUser":null,"pdfCOSUser":null,"vaiantRelatedPartList":null,"partHotspotList":null,"itemNumber":39,"partRelatedVariantList":null,"bomCode":2,"totalValue":null,"searchImage":null,"length":null,"width":null,"height":null,"unitOfDimension":null,"weight":null,"unitOfWeight":null,"specialRouting":false,"onlineRepair":null,"previousPartID":null,"sbdDiscountPriceValue":{"currencyIso":"USD","value":23.29,"priceType":"BUY","formattedValue":"$23.29","minQuantity":null,"maxQuantity":null,"sapUnit":{"code":"pieces","name":"Piece"}},"alrCode":null,"productRecallFlag":null,"selectedDocumentId":null,"productDescription":null,"pdpImage":null,"ticketId":null,"qtyRequiredPerVariant":"1","isElgibleForRepair":null,"isPowerEligible":null,"productRecallNotes":null,"productOtherInfo":null,"backorderETA":"00/00/0000","modifiedDate":null,"userLevel":"ALL","displayPrice":null,"baseProductName":null,"firstVariantCode":null,"firstVariantImage":null,"productMarketType":null,"productNumber":null,"typeStatusCode":null,"productCategory":null,"typeNumber":null,"marketCode":null,"regionCode":null,"otherInformation":null,"productTypeStatus":null,"repairInstruction":null,"repairInstructionStatusDescription":null,"typeStatusDate":null,"serviceLifeDate":null,"manufacturerId":null,"parts":null,"language":null,"glossaries":null,"brand":null,"product":null,"brandCode":null,"recallNotes":null,"volume":null},{"code":"P5140221-28","name":null,"url":"/c//p/P5140221-28","description":"BRKT-FRAME","purchasable":true,"stock":{"stockLevelStatus":{"code":"inStock","type":"StockLevelStatus"},"stockLevel":0,"stockThreshold":null},"futureStocks":null,"availableForPickup":null,"averageRating":null,"numberOfReviews":null,"summary":null,"manufacturer":null,"variantType":null,"price":{"currencyIso":"USD","value":4.96,"priceType":"BUY","formattedValue":"$4.96","minQuantity":null,"maxQuantity":null,"sapUnit":{"code":"pieces","name":"Piece"}},"baseProduct":null,"images":[],"categories":null,"reviews":null,"classifications":null,"potentialPromotions":null,"variantOptions":null,"baseOptions":[],"volumePricesFlag":null,"volumePrices":null,"productReferences":null,"variantMatrix":null,"priceRange":null,"firstCategoryNameList":null,"multidimensional":null,"configurable":false,"configuratorType":null,"addToCartDisabled":null,"addToCartDisabledMessage":null,"tags":null,"sapUnit":null,"keywords":null,"genders":null,"itemtype":"Part","partSubstitute":null,"note":null,"recallNote":null,"note1":null,"note2":null,"note3":null,"note4":null,"note5":null,"pdfAllUser":null,"pdfAuthUser":null,"pdfCOSUser":null,"vaiantRelatedPartList":null,"partHotspotList":null,"itemNumber":40,"partRelatedVariantList":null,"bomCode":2,"totalValue":null,"searchImage":null,"length":null,"width":null,"height":null,"unitOfDimension":null,"weight":null,"unitOfWeight":null,"specialRouting":false,"onlineRepair":null,"previousPartID":null,"sbdDiscountPriceValue":{"currencyIso":"USD","value":4.96,"priceType":"BUY","formattedValue":"$4.96","minQuantity":null,"maxQuantity":null,"sapUnit":{"code":"pieces","name":"Piece"}},"alrCode":null,"productRecallFlag":null,"selectedDocumentId":null,"productDescription":null,"pdpImage":null,"ticketId":null,"qtyRequiredPerVariant":"1","isElgibleForRepair":null,"isPowerEligible":null,"productRecallNotes":null,"productOtherInfo":null,"backorderETA":"00/00/0000","modifiedDate":null,"userLevel":"ALL","displayPrice":null,"baseProductName":null,"firstVariantCode":null,"firstVariantImage":null,"productMarketType":null,"productNumber":null,"typeStatusCode":null,"productCategory":null,"typeNumber":null,"marketCode":null,"regionCode":null,"otherInformation":null,"productTypeStatus":null,"repairInstruction":null,"repairInstructionStatusDescription":null,"typeStatusDate":null,"serviceLifeDate":null,"manufacturerId":null,"parts":null,"language":null,"glossaries":null,"brand":null,"product":null,"brandCode":null,"recallNotes":null,"volume":null},{"code":"P5140221-90","name":null,"url":"/c//p/P5140221-90","description":"BRACKET","purchasable":true,"stock":{"stockLevelStatus":{"code":"inStock","type":"StockLevelStatus"},"stockLevel":0,"stockThreshold":null},"futureStocks":null,"availableForPickup":null,"averageRating":null,"numberOfReviews":null,"summary":null,"manufacturer":null,"variantType":null,"price":{"currencyIso":"USD","value":17.19,"priceType":"BUY","formattedValue":"$17.19","minQuantity":null,"maxQuantity":null,"sapUnit":{"code":"pieces","name":"Piece"}},"baseProduct":null,"images":[],"categories":null,"reviews":null,"classifications":null,"potentialPromotions":null,"variantOptions":null,"baseOptions":[],"volumePricesFlag":null,"volumePrices":null,"productReferences":null,"variantMatrix":null,"priceRange":null,"firstCategoryNameList":null,"multidimensional":null,"configurable":false,"configuratorType":null,"addToCartDisabled":null,"addToCartDisabledMessage":null,"tags":null,"sapUnit":null,"keywords":null,"genders":null,"itemtype":"Part","partSubstitute":null,"note":null,"recallNote":null,"note1":null,"note2":null,"note3":null,"note4":null,"note5":null,"pdfAllUser":null,"pdfAuthUser":null,"pdfCOSUser":null,"vaiantRelatedPartList":null,"partHotspotList":null,"itemNumber":40,"partRelatedVariantList":null,"bomCode":2,"totalValue":null,"searchImage":null,"length":null,"width":null,"height":null,"unitOfDimension":null,"weight":null,"unitOfWeight":null,"specialRouting":false,"onlineRepair":null,"previousPartID":null,"sbdDiscountPriceValue":{"currencyIso":"USD","value":17.19,"priceType":"BUY","formattedValue":"$17.19","minQuantity":null,"maxQuantity":null,"sapUnit":{"code":"pieces","name":"Piece"}},"alrCode":null,"productRecallFlag":null,"selectedDocumentId":null,"productDescription":null,"pdpImage":null,"ticketId":null,"qtyRequiredPerVariant":"1","isElgibleForRepair":null,"isPowerEligible":null,"productRecallNotes":null,"productOtherInfo":null,"backorderETA":"00/00/0000","modifiedDate":null,"userLevel":"ALL","displayPrice":null,"baseProductName":null,"firstVariantCode":null,"firstVariantImage":null,"productMarketType":null,"productNumber":null,"typeStatusCode":null,"productCategory":null,"typeNumber":null,"marketCode":null,"regionCode":null,"otherInformation":null,"productTypeStatus":null,"repairInstruction":null,"repairInstructionStatusDescription":null,"typeStatusDate":null,"serviceLifeDate":null,"manufacturerId":null,"parts":null,"language":null,"glossaries":null,"brand":null,"product":null,"brandCode":null,"recallNotes":null,"volume":null},{"code":"P747-05323-CM","name":null,"url":"/c//p/P747-05323-CM","description":"ROD-BELT KEE","purchasable":true,"stock":{"stockLevelStatus":{"code":"inStock","type":"StockLevelStatus"},"stockLevel":0,"stockThreshold":null},"futureStocks":null,"availableForPickup":null,"averageRating":null,"numberOfReviews":null,"summary":null,"manufacturer":null,"variantType":null,"price":{"currencyIso":"USD","value":8.64,"priceType":"BUY","formattedValue":"$8.64","minQuantity":null,"maxQuantity":null,"sapUnit":{"code":"pieces","name":"Piece"}},"baseProduct":null,"images":[],"categories":null,"reviews":null,"classifications":null,"potentialPromotions":null,"variantOptions":null,"baseOptions":[],"volumePricesFlag":null,"volumePrices":null,"productReferences":null,"variantMatrix":null,"priceRange":null,"firstCategoryNameList":null,"multidimensional":null,"configurable":false,"configuratorType":null,"addToCartDisabled":null,"addToCartDisabledMessage":null,"tags":null,"sapUnit":null,"keywords":null,"genders":null,"itemtype":"Part","partSubstitute":null,"note":null,"recallNote":null,"note1":null,"note2":null,"note3":null,"note4":null,"note5":null,"pdfAllUser":null,"pdfAuthUser":null,"pdfCOSUser":null,"vaiantRelatedPartList":null,"partHotspotList":null,"itemNumber":40,"partRelatedVariantList":null,"bomCode":2,"totalValue":null,"searchImage":null,"length":null,"width":null,"height":null,"unitOfDimension":null,"weight":null,"unitOfWeight":null,"specialRouting":false,"onlineRepair":null,"previousPartID":null,"sbdDiscountPriceValue":{"currencyIso":"USD","value":8.64,"priceType":"BUY","formattedValue":"$8.64","minQuantity":null,"maxQuantity":null,"sapUnit":{"code":"pieces","name":"Piece"}},"alrCode":null,"productRecallFlag":null,"selectedDocumentId":null,"productDescription":null,"pdpImage":null,"ticketId":null,"qtyRequiredPerVariant":"1","isElgibleForRepair":null,"isPowerEligible":null,"productRecallNotes":null,"productOtherInfo":null,"backorderETA":"00/00/0000","modifiedDate":null,"userLevel":"ALL","displayPrice":null,"baseProductName":null,"firstVariantCode":null,"firstVariantImage":null,"productMarketType":null,"productNumber":null,"typeStatusCode":null,"productCategory":null,"typeNumber":null,"marketCode":null,"regionCode":null,"otherInformation":null,"productTypeStatus":null,"repairInstruction":null,"repairInstructionStatusDescription":null,"typeStatusDate":null,"serviceLifeDate":null,"manufacturerId":null,"parts":null,"language":null,"glossaries":null,"brand":null,"product":null,"brandCode":null,"recallNotes":null,"volume":null},{"code":"P934-0255-CM","name":null,"url":"/c//p/P934-0255-CM","description":"VALVE-TUBELE","purchasable":true,"stock":{"stockLevelStatus":{"code":"inStock","type":"StockLevelStatus"},"stockLevel":0,"stockThreshold":null},"futureStocks":null,"availableForPickup":null,"averageRating":null,"numberOfReviews":null,"summary":null,"manufacturer":null,"variantType":null,"price":{"currencyIso":"USD","value":2.69,"priceType":"BUY","formattedValue":"$2.69","minQuantity":null,"maxQuantity":null,"sapUnit":{"code":"pieces","name":"Piece"}},"baseProduct":null,"images":[],"categories":null,"reviews":null,"classifications":null,"potentialPromotions":null,"variantOptions":null,"baseOptions":[],"volumePricesFlag":null,"volumePrices":null,"productReferences":null,"variantMatrix":null,"priceRange":null,"firstCategoryNameList":null,"multidimensional":null,"configurable":false,"configuratorType":null,"addToCartDisabled":null,"addToCartDisabledMessage":null,"tags":null,"sapUnit":null,"keywords":null,"genders":null,"itemtype":"Part","partSubstitute":null,"note":null,"recallNote":null,"note1":null,"note2":null,"note3":null,"note4":null,"note5":null,"pdfAllUser":null,"pdfAuthUser":null,"pdfCOSUser":null,"vaiantRelatedPartList":null,"partHotspotList":null,"itemNumber":40,"partRelatedVariantList":null,"bomCode":2,"totalValue":null,"searchImage":null,"length":null,"width":null,"height":null,"unitOfDimension":null,"weight":null,"unitOfWeight":null,"specialRouting":false,"onlineRepair":null,"previousPartID":null,"sbdDiscountPriceValue":{"currencyIso":"USD","value":2.69,"priceType":"BUY","formattedValue":"$2.69","minQuantity":null,"maxQuantity":null,"sapUnit":{"code":"pieces","name":"Piece"}},"alrCode":null,"productRecallFlag":null,"selectedDocumentId":null,"productDescription":null,"pdpImage":null,"ticketId":null,"qtyRequiredPerVariant":"1","isElgibleForRepair":null,"isPowerEligible":null,"productRecallNotes":null,"productOtherInfo":null,"backorderETA":"00/00/0000","modifiedDate":null,"userLevel":"ALL","displayPrice":null,"baseProductName":null,"firstVariantCode":null,"firstVariantImage":null,"productMarketType":null,"productNumber":null,"typeStatusCode":null,"productCategory":null,"typeNumber":null,"marketCode":null,"regionCode":null,"otherInformation":null,"productTypeStatus":null,"repairInstruction":null,"repairInstructionStatusDescription":null,"typeStatusDate":null,"serviceLifeDate":null,"manufacturerId":null,"parts":null,"language":null,"glossaries":null,"brand":null,"product":null,"brandCode":null,"recallNotes":null,"volume":null},{"code":"P934-0255-CM","name":null,"url":"/c//p/P934-0255-CM","description":"VALVE-TUBELE","purchasable":true,"stock":{"stockLevelStatus":{"code":"inStock","type":"StockLevelStatus"},"stockLevel":0,"stockThreshold":null},"futureStocks":null,"availableForPickup":null,"averageRating":null,"numberOfReviews":null,"summary":null,"manufacturer":null,"variantType":null,"price":{"currencyIso":"USD","value":2.69,"priceType":"BUY","formattedValue":"$2.69","minQuantity":null,"maxQuantity":null,"sapUnit":{"code":"pieces","name":"Piece"}},"baseProduct":null,"images":[],"categories":null,"reviews":null,"classifications":null,"potentialPromotions":null,"variantOptions":null,"baseOptions":[],"volumePricesFlag":null,"volumePrices":null,"productReferences":null,"variantMatrix":null,"priceRange":null,"firstCategoryNameList":null,"multidimensional":null,"configurable":false,"configuratorType":null,"addToCartDisabled":null,"addToCartDisabledMessage":null,"tags":null,"sapUnit":null,"keywords":null,"genders":null,"itemtype":"Part","partSubstitute":null,"note":null,"recallNote":null,"note1":null,"note2":null,"note3":null,"note4":null,"note5":null,"pdfAllUser":null,"pdfAuthUser":null,"pdfCOSUser":null,"vaiantRelatedPartList":null,"partHotspotList":null,"itemNumber":40,"partRelatedVariantList":null,"bomCode":2,"totalValue":null,"searchImage":null,"length":null,"width":null,"height":null,"unitOfDimension":null,"weight":null,"unitOfWeight":null,"specialRouting":false,"onlineRepair":null,"previousPartID":null,"sbdDiscountPriceValue":{"currencyIso":"USD","value":2.69,"priceType":"BUY","formattedValue":"$2.69","minQuantity":null,"maxQuantity":null,"sapUnit":{"code":"pieces","name":"Piece"}},"alrCode":null,"productRecallFlag":null,"selectedDocumentId":null,"productDescription":null,"pdpImage":null,"ticketId":null,"qtyRequiredPerVariant":"1","isElgibleForRepair":null,"isPowerEligible":null,"productRecallNotes":null,"productOtherInfo":null,"backorderETA":"00/00/0000","modifiedDate":null,"userLevel":"ALL","displayPrice":null,"baseProductName":null,"firstVariantCode":null,"firstVariantImage":null,"productMarketType":null,"productNumber":null,"typeStatusCode":null,"productCategory":null,"typeNumber":null,"marketCode":null,"regionCode":null,"otherInformation":null,"productTypeStatus":null,"repairInstruction":null,"repairInstructionStatusDescription":null,"typeStatusDate":null,"serviceLifeDate":null,"manufacturerId":null,"parts":null,"language":null,"glossaries":null,"brand":null,"product":null,"brandCode":null,"recallNotes":null,"volume":null},{"code":"P50784-CM","name":null,"url":"/c//p/P50784-CM","description":"WET BATTERY","purchasable":false,"stock":{"stockLevelStatus":{"code":"outOfStock","type":"StockLevelStatus"},"stockLevel":0,"stockThreshold":null},"futureStocks":null,"availableForPickup":null,"averageRating":null,"numberOfReviews":null,"summary":null,"manufacturer":null,"variantType":null,"price":null,"baseProduct":null,"images":[],"categories":null,"reviews":null,"classifications":null,"potentialPromotions":null,"variantOptions":null,"baseOptions":[],"volumePricesFlag":null,"volumePrices":null,"productReferences":null,"variantMatrix":null,"priceRange":null,"firstCategoryNameList":null,"multidimensional":null,"configurable":false,"configuratorType":null,"addToCartDisabled":null,"addToCartDisabledMessage":null,"tags":null,"sapUnit":null,"keywords":null,"genders":null,"itemtype":"Part","partSubstitute":null,"note":null,"recallNote":null,"note1":null,"note2":null,"note3":null,"note4":null,"note5":null,"pdfAllUser":null,"pdfAuthUser":null,"pdfCOSUser":null,"vaiantRelatedPartList":null,"partHotspotList":null,"itemNumber":41,"partRelatedVariantList":null,"bomCode":2,"totalValue":null,"searchImage":null,"length":null,"width":null,"height":null,"unitOfDimension":null,"weight":null,"unitOfWeight":null,"specialRouting":false,"onlineRepair":null,"previousPartID":null,"sbdDiscountPriceValue":null,"alrCode":null,"productRecallFlag":null,"selectedDocumentId":null,"productDescription":null,"pdpImage":null,"ticketId":null,"qtyRequiredPerVariant":"1","isElgibleForRepair":null,"isPowerEligible":null,"productRecallNotes":null,"productOtherInfo":null,"backorderETA":null,"modifiedDate":null,"userLevel":"COS","displayPrice":null,"baseProductName":null,"firstVariantCode":null,"firstVariantImage":null,"productMarketType":null,"productNumber":null,"typeStatusCode":null,"productCategory":null,"typeNumber":null,"marketCode":null,"regionCode":null,"otherInformation":null,"productTypeStatus":null,"repairInstruction":null,"repairInstructionStatusDescription":null,"typeStatusDate":null,"serviceLifeDate":null,"manufacturerId":null,"parts":null,"language":null,"glossaries":null,"brand":null,"product":null,"brandCode":null,"recallNotes":null,"volume":null},{"code":"P725-1644-CM","name":null,"url":"/c//p/P725-1644-CM","description":"SWITCH-SPRIN","purchasable":true,"stock":{"stockLevelStatus":{"code":"inStock","type":"StockLevelStatus"},"stockLevel":0,"stockThreshold":null},"futureStocks":null,"availableForPickup":null,"averageRating":null,"numberOfReviews":null,"summary":null,"manufacturer":null,"variantType":null,"price":{"currencyIso":"USD","value":5.76,"priceType":"BUY","formattedValue":"$5.76","minQuantity":null,"maxQuantity":null,"sapUnit":{"code":"pieces","name":"Piece"}},"baseProduct":null,"images":[],"categories":null,"reviews":null,"classifications":null,"potentialPromotions":null,"variantOptions":null,"baseOptions":[],"volumePricesFlag":null,"volumePrices":null,"productReferences":null,"variantMatrix":null,"priceRange":null,"firstCategoryNameList":null,"multidimensional":null,"configurable":false,"configuratorType":null,"addToCartDisabled":null,"addToCartDisabledMessage":null,"tags":null,"sapUnit":null,"keywords":null,"genders":null,"itemtype":"Part","partSubstitute":null,"note":null,"recallNote":null,"note1":null,"note2":null,"note3":null,"note4":null,"note5":null,"pdfAllUser":null,"pdfAuthUser":null,"pdfCOSUser":null,"vaiantRelatedPartList":null,"partHotspotList":null,"itemNumber":41,"partRelatedVariantList":null,"bomCode":2,"totalValue":null,"searchImage":null,"length":null,"width":null,"height":null,"unitOfDimension":null,"weight":null,"unitOfWeight":null,"specialRouting":false,"onlineRepair":null,"previousPartID":null,"sbdDiscountPriceValue":{"currencyIso":"USD","value":5.76,"priceType":"BUY","formattedValue":"$5.76","minQuantity":null,"maxQuantity":null,"sapUnit":{"code":"pieces","name":"Piece"}},"alrCode":null,"productRecallFlag":null,"selectedDocumentId":null,"productDescription":null,"pdpImage":null,"ticketId":null,"qtyRequiredPerVariant":"1","isElgibleForRepair":null,"isPowerEligible":null,"productRecallNotes":null,"productOtherInfo":null,"backorderETA":"00/00/0000","modifiedDate":null,"userLevel":"ALL","displayPrice":null,"baseProductName":null,"firstVariantCode":null,"firstVariantImage":null,"productMarketType":null,"productNumber":null,"typeStatusCode":null,"productCategory":null,"typeNumber":null,"marketCode":null,"regionCode":null,"otherInformation":null,"productTypeStatus":null,"repairInstruction":null,"repairInstructionStatusDescription":null,"typeStatusDate":null,"serviceLifeDate":null,"manufacturerId":null,"parts":null,"language":null,"glossaries":null,"brand":null,"product":null,"brandCode":null,"recallNotes":null,"volume":null},{"code":"P731-05265-CM","name":null,"url":"/c//p/P731-05265-CM","description":"PLUG:CHOKE","purchasable":true,"stock":{"stockLevelStatus":{"code":"inStock","type":"StockLevelStatus"},"stockLevel":0,"stockThreshold":null},"futureStocks":null,"availableForPickup":null,"averageRating":null,"numberOfReviews":null,"summary":null,"manufacturer":null,"variantType":null,"price":{"currencyIso":"USD","value":3.44,"priceType":"BUY","formattedValue":"$3.44","minQuantity":null,"maxQuantity":null,"sapUnit":{"code":"pieces","name":"Piece"}},"baseProduct":null,"images":[],"categories":null,"reviews":null,"classifications":null,"potentialPromotions":null,"variantOptions":null,"baseOptions":[],"volumePricesFlag":null,"volumePrices":null,"productReferences":null,"variantMatrix":null,"priceRange":null,"firstCategoryNameList":null,"multidimensional":null,"configurable":false,"configuratorType":null,"addToCartDisabled":null,"addToCartDisabledMessage":null,"tags":null,"sapUnit":null,"keywords":null,"genders":null,"itemtype":"Part","partSubstitute":null,"note":null,"recallNote":null,"note1":null,"note2":null,"note3":null,"note4":null,"note5":null,"pdfAllUser":null,"pdfAuthUser":null,"pdfCOSUser":null,"vaiantRelatedPartList":null,"partHotspotList":null,"itemNumber":41,"partRelatedVariantList":null,"bomCode":2,"totalValue":null,"searchImage":null,"length":null,"width":null,"height":null,"unitOfDimension":null,"weight":null,"unitOfWeight":null,"specialRouting":false,"onlineRepair":null,"previousPartID":null,"sbdDiscountPriceValue":{"currencyIso":"USD","value":3.44,"priceType":"BUY","formattedValue":"$3.44","minQuantity":null,"maxQuantity":null,"sapUnit":{"code":"pieces","name":"Piece"}},"alrCode":null,"productRecallFlag":null,"selectedDocumentId":null,"productDescription":null,"pdpImage":null,"ticketId":null,"qtyRequiredPerVariant":"1","isElgibleForRepair":null,"isPowerEligible":null,"productRecallNotes":null,"productOtherInfo":null,"backorderETA":"00/00/0000","modifiedDate":null,"userLevel":"ALL","displayPrice":null,"baseProductName":null,"firstVariantCode":null,"firstVariantImage":null,"productMarketType":null,"productNumber":null,"typeStatusCode":null,"productCategory":null,"typeNumber":null,"marketCode":null,"regionCode":null,"otherInformation":null,"productTypeStatus":null,"repairInstruction":null,"repairInstructionStatusDescription":null,"typeStatusDate":null,"serviceLifeDate":null,"manufacturerId":null,"parts":null,"language":null,"glossaries":null,"brand":null,"product":null,"brandCode":null,"recallNotes":null,"volume":null},{"code":"P747-05141B-CM","name":null,"url":"/c//p/P747-05141B-CM","description":"ROD","purchasable":true,"stock":{"stockLevelStatus":{"code":"inStock","type":"StockLevelStatus"},"stockLevel":0,"stockThreshold":null},"futureStocks":null,"availableForPickup":null,"averageRating":null,"numberOfReviews":null,"summary":null,"manufacturer":null,"variantType":null,"price":{"currencyIso":"USD","value":13.41,"priceType":"BUY","formattedValue":"$13.41","minQuantity":null,"maxQuantity":null,"sapUnit":{"code":"pieces","name":"Piece"}},"baseProduct":null,"images":[],"categories":null,"reviews":null,"classifications":null,"potentialPromotions":null,"variantOptions":null,"baseOptions":[],"volumePricesFlag":null,"volumePrices":null,"productReferences":null,"variantMatrix":null,"priceRange":null,"firstCategoryNameList":null,"multidimensional":null,"configurable":false,"configuratorType":null,"addToCartDisabled":null,"addToCartDisabledMessage":null,"tags":null,"sapUnit":null,"keywords":null,"genders":null,"itemtype":"Part","partSubstitute":null,"note":null,"recallNote":null,"note1":null,"note2":null,"note3":null,"note4":null,"note5":null,"pdfAllUser":null,"pdfAuthUser":null,"pdfCOSUser":null,"vaiantRelatedPartList":null,"partHotspotList":null,"itemNumber":41,"partRelatedVariantList":null,"bomCode":2,"totalValue":null,"searchImage":null,"length":null,"width":null,"height":null,"unitOfDimension":null,"weight":null,"unitOfWeight":null,"specialRouting":false,"onlineRepair":null,"previousPartID":null,"sbdDiscountPriceValue":{"currencyIso":"USD","value":13.41,"priceType":"BUY","formattedValue":"$13.41","minQuantity":null,"maxQuantity":null,"sapUnit":{"code":"pieces","name":"Piece"}},"alrCode":null,"productRecallFlag":null,"selectedDocumentId":null,"productDescription":null,"pdpImage":null,"ticketId":null,"qtyRequiredPerVariant":"1","isElgibleForRepair":null,"isPowerEligible":null,"productRecallNotes":null,"productOtherInfo":null,"backorderETA":"00/00/0000","modifiedDate":null,"userLevel":"ALL","displayPrice":null,"baseProductName":null,"firstVariantCode":null,"firstVariantImage":null,"productMarketType":null,"productNumber":null,"typeStatusCode":null,"productCategory":null,"typeNumber":null,"marketCode":null,"regionCode":null,"otherInformation":null,"productTypeStatus":null,"repairInstruction":null,"repairInstructionStatusDescription":null,"typeStatusDate":null,"serviceLifeDate":null,"manufacturerId":null,"parts":null,"language":null,"glossaries":null,"brand":null,"product":null,"brandCode":null,"recallNotes":null,"volume":null},{"code":"P726-0214-CM","name":null,"url":"/c//p/P726-0214-CM","description":"PUSH CAP","purchasable":true,"stock":{"stockLevelStatus":{"code":"inStock","type":"StockLevelStatus"},"stockLevel":0,"stockThreshold":null},"futureStocks":null,"availableForPickup":null,"averageRating":null,"numberOfReviews":null,"summary":null,"manufacturer":null,"variantType":null,"price":{"currencyIso":"USD","value":6.27,"priceType":"BUY","formattedValue":"$6.27","minQuantity":null,"maxQuantity":null,"sapUnit":{"code":"pieces","name":"Piece"}},"baseProduct":null,"images":[],"categories":null,"reviews":null,"classifications":null,"potentialPromotions":null,"variantOptions":null,"baseOptions":[],"volumePricesFlag":null,"volumePrices":null,"productReferences":null,"variantMatrix":null,"priceRange":null,"firstCategoryNameList":null,"multidimensional":null,"configurable":false,"configuratorType":null,"addToCartDisabled":null,"addToCartDisabledMessage":null,"tags":null,"sapUnit":null,"keywords":null,"genders":null,"itemtype":"Part","partSubstitute":null,"note":null,"recallNote":null,"note1":null,"note2":null,"note3":null,"note4":null,"note5":null,"pdfAllUser":null,"pdfAuthUser":null,"pdfCOSUser":null,"vaiantRelatedPartList":null,"partHotspotList":null,"itemNumber":42,"partRelatedVariantList":null,"bomCode":2,"totalValue":null,"searchImage":null,"length":null,"width":null,"height":null,"unitOfDimension":null,"weight":null,"unitOfWeight":null,"specialRouting":false,"onlineRepair":null,"previousPartID":null,"sbdDiscountPriceValue":{"currencyIso":"USD","value":6.27,"priceType":"BUY","formattedValue":"$6.27","minQuantity":null,"maxQuantity":null,"sapUnit":{"code":"pieces","name":"Piece"}},"alrCode":null,"productRecallFlag":null,"selectedDocumentId":null,"productDescription":null,"pdpImage":null,"ticketId":null,"qtyRequiredPerVariant":"1","isElgibleForRepair":null,"isPowerEligible":null,"productRecallNotes":null,"productOtherInfo":null,"backorderETA":"00/00/0000","modifiedDate":null,"userLevel":"ALL","displayPrice":null,"baseProductName":null,"firstVariantCode":null,"firstVariantImage":null,"productMarketType":null,"productNumber":null,"typeStatusCode":null,"productCategory":null,"typeNumber":null,"marketCode":null,"regionCode":null,"otherInformation":null,"productTypeStatus":null,"repairInstruction":null,"repairInstructionStatusDescription":null,"typeStatusDate":null,"serviceLifeDate":null,"manufacturerId":null,"parts":null,"language":null,"glossaries":null,"brand":null,"product":null,"brandCode":null,"recallNotes":null,"volume":null},{"code":"P738-1132-CM","name":null,"url":"/c//p/P738-1132-CM","description":"SCREW-SHOULD","purchasable":true,"stock":{"stockLevelStatus":{"code":"inStock","type":"StockLevelStatus"},"stockLevel":0,"stockThreshold":null},"futureStocks":null,"availableForPickup":null,"averageRating":null,"numberOfReviews":null,"summary":null,"manufacturer":null,"variantType":null,"price":{"currencyIso":"USD","value":3.09,"priceType":"BUY","formattedValue":"$3.09","minQuantity":null,"maxQuantity":null,"sapUnit":{"code":"pieces","name":"Piece"}},"baseProduct":null,"images":[],"categories":null,"reviews":null,"classifications":null,"potentialPromotions":null,"variantOptions":null,"baseOptions":[],"volumePricesFlag":null,"volumePrices":null,"productReferences":null,"variantMatrix":null,"priceRange":null,"firstCategoryNameList":null,"multidimensional":null,"configurable":false,"configuratorType":null,"addToCartDisabled":null,"addToCartDisabledMessage":null,"tags":null,"sapUnit":null,"keywords":null,"genders":null,"itemtype":"Part","partSubstitute":null,"note":null,"recallNote":null,"note1":null,"note2":null,"note3":null,"note4":null,"note5":null,"pdfAllUser":null,"pdfAuthUser":null,"pdfCOSUser":null,"vaiantRelatedPartList":null,"partHotspotList":null,"itemNumber":42,"partRelatedVariantList":null,"bomCode":2,"totalValue":null,"searchImage":null,"length":null,"width":null,"height":null,"unitOfDimension":null,"weight":null,"unitOfWeight":null,"specialRouting":false,"onlineRepair":null,"previousPartID":null,"sbdDiscountPriceValue":{"currencyIso":"USD","value":3.09,"priceType":"BUY","formattedValue":"$3.09","minQuantity":null,"maxQuantity":null,"sapUnit":{"code":"pieces","name":"Piece"}},"alrCode":null,"productRecallFlag":null,"selectedDocumentId":null,"productDescription":null,"pdpImage":null,"ticketId":null,"qtyRequiredPerVariant":"1","isElgibleForRepair":null,"isPowerEligible":null,"productRecallNotes":null,"productOtherInfo":null,"backorderETA":"00/00/0000","modifiedDate":null,"userLevel":"ALL","displayPrice":null,"baseProductName":null,"firstVariantCode":null,"firstVariantImage":null,"productMarketType":null,"productNumber":null,"typeStatusCode":null,"productCategory":null,"typeNumber":null,"marketCode":null,"regionCode":null,"otherInformation":null,"productTypeStatus":null,"repairInstruction":null,"repairInstructionStatusDescription":null,"typeStatusDate":null,"serviceLifeDate":null,"manufacturerId":null,"parts":null,"language":null,"glossaries":null,"brand":null,"product":null,"brandCode":null,"recallNotes":null,"volume":null},{"code":"P747-05105B-CM","name":null,"url":"/c//p/P747-05105B-CM","description":"ROD","purchasable":true,"stock":{"stockLevelStatus":{"code":"inStock","type":"StockLevelStatus"},"stockLevel":0,"stockThreshold":null},"futureStocks":null,"availableForPickup":null,"averageRating":null,"numberOfReviews":null,"summary":null,"manufacturer":null,"variantType":null,"price":{"currencyIso":"USD","value":13.21,"priceType":"BUY","formattedValue":"$13.21","minQuantity":null,"maxQuantity":null,"sapUnit":{"code":"pieces","name":"Piece"}},"baseProduct":null,"images":[],"categories":null,"reviews":null,"classifications":null,"potentialPromotions":null,"variantOptions":null,"baseOptions":[],"volumePricesFlag":null,"volumePrices":null,"productReferences":null,"variantMatrix":null,"priceRange":null,"firstCategoryNameList":null,"multidimensional":null,"configurable":false,"configuratorType":null,"addToCartDisabled":null,"addToCartDisabledMessage":null,"tags":null,"sapUnit":null,"keywords":null,"genders":null,"itemtype":"Part","partSubstitute":null,"note":null,"recallNote":null,"note1":null,"note2":null,"note3":null,"note4":null,"note5":null,"pdfAllUser":null,"pdfAuthUser":null,"pdfCOSUser":null,"vaiantRelatedPartList":null,"partHotspotList":null,"itemNumber":42,"partRelatedVariantList":null,"bomCode":2,"totalValue":null,"searchImage":null,"length":null,"width":null,"height":null,"unitOfDimension":null,"weight":null,"unitOfWeight":null,"specialRouting":false,"onlineRepair":null,"previousPartID":null,"sbdDiscountPriceValue":{"currencyIso":"USD","value":13.21,"priceType":"BUY","formattedValue":"$13.21","minQuantity":null,"maxQuantity":null,"sapUnit":{"code":"pieces","name":"Piece"}},"alrCode":null,"productRecallFlag":null,"selectedDocumentId":null,"productDescription":null,"pdpImage":null,"ticketId":null,"qtyRequiredPerVariant":"1","isElgibleForRepair":null,"isPowerEligible":null,"productRecallNotes":null,"productOtherInfo":null,"backorderETA":"00/00/0000","modifiedDate":null,"userLevel":"ALL","displayPrice":null,"baseProductName":null,"firstVariantCode":null,"firstVariantImage":null,"productMarketType":null,"productNumber":null,"typeStatusCode":null,"productCategory":null,"typeNumber":null,"marketCode":null,"regionCode":null,"otherInformation":null,"productTypeStatus":null,"repairInstruction":null,"repairInstructionStatusDescription":null,"typeStatusDate":null,"serviceLifeDate":null,"manufacturerId":null,"parts":null,"language":null,"glossaries":null,"brand":null,"product":null,"brandCode":null,"recallNotes":null,"volume":null},{"code":"P946-04367-CM","name":null,"url":"/c//p/P946-04367-CM","description":"CABLE-THROTTLE","purchasable":true,"stock":{"stockLevelStatus":{"code":"inStock","type":"StockLevelStatus"},"stockLevel":0,"stockThreshold":null},"futureStocks":null,"availableForPickup":null,"averageRating":null,"numberOfReviews":null,"summary":null,"manufacturer":null,"variantType":null,"price":{"currencyIso":"USD","value":24.47,"priceType":"BUY","formattedValue":"$24.47","minQuantity":null,"maxQuantity":null,"sapUnit":{"code":"pieces","name":"Piece"}},"baseProduct":null,"images":[],"categories":null,"reviews":null,"classifications":null,"potentialPromotions":null,"variantOptions":null,"baseOptions":[],"volumePricesFlag":null,"volumePrices":null,"productReferences":null,"variantMatrix":null,"priceRange":null,"firstCategoryNameList":null,"multidimensional":null,"configurable":false,"configuratorType":null,"addToCartDisabled":null,"addToCartDisabledMessage":null,"tags":null,"sapUnit":null,"keywords":null,"genders":null,"itemtype":"Part","partSubstitute":null,"note":null,"recallNote":null,"note1":null,"note2":null,"note3":null,"note4":null,"note5":null,"pdfAllUser":null,"pdfAuthUser":null,"pdfCOSUser":null,"vaiantRelatedPartList":null,"partHotspotList":null,"itemNumber":42,"partRelatedVariantList":null,"bomCode":2,"totalValue":null,"searchImage":null,"length":null,"width":null,"height":null,"unitOfDimension":null,"weight":null,"unitOfWeight":null,"specialRouting":false,"onlineRepair":null,"previousPartID":null,"sbdDiscountPriceValue":{"currencyIso":"USD","value":24.47,"priceType":"BUY","formattedValue":"$24.47","minQuantity":null,"maxQuantity":null,"sapUnit":{"code":"pieces","name":"Piece"}},"alrCode":null,"productRecallFlag":null,"selectedDocumentId":null,"productDescription":null,"pdpImage":null,"ticketId":null,"qtyRequiredPerVariant":"1","isElgibleForRepair":null,"isPowerEligible":null,"productRecallNotes":null,"productOtherInfo":null,"backorderETA":"00/00/0000","modifiedDate":null,"userLevel":"ALL","displayPrice":null,"baseProductName":null,"firstVariantCode":null,"firstVariantImage":null,"productMarketType":null,"productNumber":null,"typeStatusCode":null,"productCategory":null,"typeNumber":null,"marketCode":null,"regionCode":null,"otherInformation":null,"productTypeStatus":null,"repairInstruction":null,"repairInstructionStatusDescription":null,"typeStatusDate":null,"serviceLifeDate":null,"manufacturerId":null,"parts":null,"language":null,"glossaries":null,"brand":null,"product":null,"brandCode":null,"recallNotes":null,"volume":null},{"code":"P631-05191A-CM","name":null,"url":"/c//p/P631-05191A-CM","description":"CHUTE ASM","purchasable":true,"stock":{"stockLevelStatus":{"code":"inStock","type":"StockLevelStatus"},"stockLevel":0,"stockThreshold":null},"futureStocks":null,"availableForPickup":null,"averageRating":null,"numberOfReviews":null,"summary":null,"manufacturer":null,"variantType":null,"price":{"currencyIso":"USD","value":34.34,"priceType":"BUY","formattedValue":"$34.34","minQuantity":null,"maxQuantity":null,"sapUnit":{"code":"pieces","name":"Piece"}},"baseProduct":null,"images":[],"categories":null,"reviews":null,"classifications":null,"potentialPromotions":null,"variantOptions":null,"baseOptions":[],"volumePricesFlag":null,"volumePrices":null,"productReferences":null,"variantMatrix":null,"priceRange":null,"firstCategoryNameList":null,"multidimensional":null,"configurable":false,"configuratorType":null,"addToCartDisabled":null,"addToCartDisabledMessage":null,"tags":null,"sapUnit":null,"keywords":null,"genders":null,"itemtype":"Part","partSubstitute":null,"note":null,"recallNote":null,"note1":null,"note2":null,"note3":null,"note4":null,"note5":null,"pdfAllUser":null,"pdfAuthUser":null,"pdfCOSUser":null,"vaiantRelatedPartList":null,"partHotspotList":null,"itemNumber":43,"partRelatedVariantList":null,"bomCode":2,"totalValue":null,"searchImage":null,"length":null,"width":null,"height":null,"unitOfDimension":null,"weight":null,"unitOfWeight":null,"specialRouting":false,"onlineRepair":null,"previousPartID":null,"sbdDiscountPriceValue":{"currencyIso":"USD","value":34.34,"priceType":"BUY","formattedValue":"$34.34","minQuantity":null,"maxQuantity":null,"sapUnit":{"code":"pieces","name":"Piece"}},"alrCode":null,"productRecallFlag":null,"selectedDocumentId":null,"productDescription":null,"pdpImage":null,"ticketId":null,"qtyRequiredPerVariant":"1","isElgibleForRepair":null,"isPowerEligible":null,"productRecallNotes":null,"productOtherInfo":null,"backorderETA":"00/00/0000","modifiedDate":null,"userLevel":"ALL","displayPrice":null,"baseProductName":null,"firstVariantCode":null,"firstVariantImage":null,"productMarketType":null,"productNumber":null,"typeStatusCode":null,"productCategory":null,"typeNumber":null,"marketCode":null,"regionCode":null,"otherInformation":null,"productTypeStatus":null,"repairInstruction":null,"repairInstructionStatusDescription":null,"typeStatusDate":null,"serviceLifeDate":null,"manufacturerId":null,"parts":null,"language":null,"glossaries":null,"brand":null,"product":null,"brandCode":null,"recallNotes":null,"volume":null},{"code":"P712-0271-CM","name":null,"url":"/c//p/P712-0271-CM","description":"HEX NUT","purchasable":true,"stock":{"stockLevelStatus":{"code":"inStock","type":"StockLevelStatus"},"stockLevel":0,"stockThreshold":null},"futureStocks":null,"availableForPickup":null,"averageRating":null,"numberOfReviews":null,"summary":null,"manufacturer":null,"variantType":null,"price":{"currencyIso":"USD","value":2.61,"priceType":"BUY","formattedValue":"$2.61","minQuantity":null,"maxQuantity":null,"sapUnit":{"code":"pieces","name":"Piece"}},"baseProduct":null,"images":[],"categories":null,"reviews":null,"classifications":null,"potentialPromotions":null,"variantOptions":null,"baseOptions":[],"volumePricesFlag":null,"volumePrices":null,"productReferences":null,"variantMatrix":null,"priceRange":null,"firstCategoryNameList":null,"multidimensional":null,"configurable":false,"configuratorType":null,"addToCartDisabled":null,"addToCartDisabledMessage":null,"tags":null,"sapUnit":null,"keywords":null,"genders":null,"itemtype":"Part","partSubstitute":null,"note":null,"recallNote":null,"note1":null,"note2":null,"note3":null,"note4":null,"note5":null,"pdfAllUser":null,"pdfAuthUser":null,"pdfCOSUser":null,"vaiantRelatedPartList":null,"partHotspotList":null,"itemNumber":43,"partRelatedVariantList":null,"bomCode":2,"totalValue":null,"searchImage":null,"length":null,"width":null,"height":null,"unitOfDimension":null,"weight":null,"unitOfWeight":null,"specialRouting":false,"onlineRepair":null,"previousPartID":null,"sbdDiscountPriceValue":{"currencyIso":"USD","value":2.61,"priceType":"BUY","formattedValue":"$2.61","minQuantity":null,"maxQuantity":null,"sapUnit":{"code":"pieces","name":"Piece"}},"alrCode":null,"productRecallFlag":null,"selectedDocumentId":null,"productDescription":null,"pdpImage":null,"ticketId":null,"qtyRequiredPerVariant":"1","isElgibleForRepair":null,"isPowerEligible":null,"productRecallNotes":null,"productOtherInfo":null,"backorderETA":"00/00/0000","modifiedDate":null,"userLevel":"ALL","displayPrice":null,"baseProductName":null,"firstVariantCode":null,"firstVariantImage":null,"productMarketType":null,"productNumber":null,"typeStatusCode":null,"productCategory":null,"typeNumber":null,"marketCode":null,"regionCode":null,"otherInformation":null,"productTypeStatus":null,"repairInstruction":null,"repairInstructionStatusDescription":null,"typeStatusDate":null,"serviceLifeDate":null,"manufacturerId":null,"parts":null,"language":null,"glossaries":null,"brand":null,"product":null,"brandCode":null,"recallNotes":null,"volume":null},{"code":"P712-0271-CM","name":null,"url":"/c//p/P712-0271-CM","description":"HEX NUT","purchasable":true,"stock":{"stockLevelStatus":{"code":"inStock","type":"StockLevelStatus"},"stockLevel":0,"stockThreshold":null},"futureStocks":null,"availableForPickup":null,"averageRating":null,"numberOfReviews":null,"summary":null,"manufacturer":null,"variantType":null,"price":{"currencyIso":"USD","value":2.61,"priceType":"BUY","formattedValue":"$2.61","minQuantity":null,"maxQuantity":null,"sapUnit":{"code":"pieces","name":"Piece"}},"baseProduct":null,"images":[],"categories":null,"reviews":null,"classifications":null,"potentialPromotions":null,"variantOptions":null,"baseOptions":[],"volumePricesFlag":null,"volumePrices":null,"productReferences":null,"variantMatrix":null,"priceRange":null,"firstCategoryNameList":null,"multidimensional":null,"configurable":false,"configuratorType":null,"addToCartDisabled":null,"addToCartDisabledMessage":null,"tags":null,"sapUnit":null,"keywords":null,"genders":null,"itemtype":"Part","partSubstitute":null,"note":null,"recallNote":null,"note1":null,"note2":null,"note3":null,"note4":null,"note5":null,"pdfAllUser":null,"pdfAuthUser":null,"pdfCOSUser":null,"vaiantRelatedPartList":null,"partHotspotList":null,"itemNumber":43,"partRelatedVariantList":null,"bomCode":2,"totalValue":null,"searchImage":null,"length":null,"width":null,"height":null,"unitOfDimension":null,"weight":null,"unitOfWeight":null,"specialRouting":false,"onlineRepair":null,"previousPartID":null,"sbdDiscountPriceValue":{"currencyIso":"USD","value":2.61,"priceType":"BUY","formattedValue":"$2.61","minQuantity":null,"maxQuantity":null,"sapUnit":{"code":"pieces","name":"Piece"}},"alrCode":null,"productRecallFlag":null,"selectedDocumentId":null,"productDescription":null,"pdpImage":null,"ticketId":null,"qtyRequiredPerVariant":"1","isElgibleForRepair":null,"isPowerEligible":null,"productRecallNotes":null,"productOtherInfo":null,"backorderETA":"00/00/0000","modifiedDate":null,"userLevel":"ALL","displayPrice":null,"baseProductName":null,"firstVariantCode":null,"firstVariantImage":null,"productMarketType":null,"productNumber":null,"typeStatusCode":null,"productCategory":null,"typeNumber":null,"marketCode":null,"regionCode":null,"otherInformation":null,"productTypeStatus":null,"repairInstruction":null,"repairInstructionStatusDescription":null,"typeStatusDate":null,"serviceLifeDate":null,"manufacturerId":null,"parts":null,"language":null,"glossaries":null,"brand":null,"product":null,"brandCode":null,"recallNotes":null,"volume":null},{"code":"P925-04659-CM","name":null,"url":"/c//p/P925-04659-CM","description":"SWITCH-KEY 3","purchasable":true,"stock":{"stockLevelStatus":{"code":"inStock","type":"StockLevelStatus"},"stockLevel":0,"stockThreshold":null},"futureStocks":null,"availableForPickup":null,"averageRating":null,"numberOfReviews":null,"summary":null,"manufacturer":null,"variantType":null,"price":{"currencyIso":"USD","value":26.74,"priceType":"BUY","formattedValue":"$26.74","minQuantity":null,"maxQuantity":null,"sapUnit":{"code":"pieces","name":"Piece"}},"baseProduct":null,"images":[],"categories":null,"reviews":null,"classifications":null,"potentialPromotions":null,"variantOptions":null,"baseOptions":[],"volumePricesFlag":null,"volumePrices":null,"productReferences":null,"variantMatrix":null,"priceRange":null,"firstCategoryNameList":null,"multidimensional":null,"configurable":false,"configuratorType":null,"addToCartDisabled":null,"addToCartDisabledMessage":null,"tags":null,"sapUnit":null,"keywords":null,"genders":null,"itemtype":"Part","partSubstitute":null,"note":null,"recallNote":null,"note1":null,"note2":null,"note3":null,"note4":null,"note5":null,"pdfAllUser":null,"pdfAuthUser":null,"pdfCOSUser":null,"vaiantRelatedPartList":null,"partHotspotList":null,"itemNumber":43,"partRelatedVariantList":null,"bomCode":2,"totalValue":null,"searchImage":null,"length":null,"width":null,"height":null,"unitOfDimension":null,"weight":null,"unitOfWeight":null,"specialRouting":false,"onlineRepair":null,"previousPartID":null,"sbdDiscountPriceValue":{"currencyIso":"USD","value":26.74,"priceType":"BUY","formattedValue":"$26.74","minQuantity":null,"maxQuantity":null,"sapUnit":{"code":"pieces","name":"Piece"}},"alrCode":null,"productRecallFlag":null,"selectedDocumentId":null,"productDescription":null,"pdpImage":null,"ticketId":null,"qtyRequiredPerVariant":"1","isElgibleForRepair":null,"isPowerEligible":null,"productRecallNotes":null,"productOtherInfo":null,"backorderETA":"00/00/0000","modifiedDate":null,"userLevel":"ALL","displayPrice":null,"baseProductName":null,"firstVariantCode":null,"firstVariantImage":null,"productMarketType":null,"productNumber":null,"typeStatusCode":null,"productCategory":null,"typeNumber":null,"marketCode":null,"regionCode":null,"otherInformation":null,"productTypeStatus":null,"repairInstruction":null,"repairInstructionStatusDescription":null,"typeStatusDate":null,"serviceLifeDate":null,"manufacturerId":null,"parts":null,"language":null,"glossaries":null,"brand":null,"product":null,"brandCode":null,"recallNotes":null,"volume":null},{"code":"P926-0320-CM","name":null,"url":"/c//p/P926-0320-CM","description":"PLATE-INSULA","purchasable":true,"stock":{"stockLevelStatus":{"code":"inStock","type":"StockLevelStatus"},"stockLevel":0,"stockThreshold":null},"futureStocks":null,"availableForPickup":null,"averageRating":null,"numberOfReviews":null,"summary":null,"manufacturer":null,"variantType":null,"price":{"currencyIso":"USD","value":4.14,"priceType":"BUY","formattedValue":"$4.14","minQuantity":null,"maxQuantity":null,"sapUnit":{"code":"pieces","name":"Piece"}},"baseProduct":null,"images":[],"categories":null,"reviews":null,"classifications":null,"potentialPromotions":null,"variantOptions":null,"baseOptions":[],"volumePricesFlag":null,"volumePrices":null,"productReferences":null,"variantMatrix":null,"priceRange":null,"firstCategoryNameList":null,"multidimensional":null,"configurable":false,"configuratorType":null,"addToCartDisabled":null,"addToCartDisabledMessage":null,"tags":null,"sapUnit":null,"keywords":null,"genders":null,"itemtype":"Part","partSubstitute":null,"note":null,"recallNote":null,"note1":null,"note2":null,"note3":null,"note4":null,"note5":null,"pdfAllUser":null,"pdfAuthUser":null,"pdfCOSUser":null,"vaiantRelatedPartList":null,"partHotspotList":null,"itemNumber":43,"partRelatedVariantList":null,"bomCode":2,"totalValue":null,"searchImage":null,"length":null,"width":null,"height":null,"unitOfDimension":null,"weight":null,"unitOfWeight":null,"specialRouting":false,"onlineRepair":null,"previousPartID":null,"sbdDiscountPriceValue":{"currencyIso":"USD","value":4.14,"priceType":"BUY","formattedValue":"$4.14","minQuantity":null,"maxQuantity":null,"sapUnit":{"code":"pieces","name":"Piece"}},"alrCode":null,"productRecallFlag":null,"selectedDocumentId":null,"productDescription":null,"pdpImage":null,"ticketId":null,"qtyRequiredPerVariant":"1","isElgibleForRepair":null,"isPowerEligible":null,"productRecallNotes":null,"productOtherInfo":null,"backorderETA":"00/00/0000","modifiedDate":null,"userLevel":"ALL","displayPrice":null,"baseProductName":null,"firstVariantCode":null,"firstVariantImage":null,"productMarketType":null,"productNumber":null,"typeStatusCode":null,"productCategory":null,"typeNumber":null,"marketCode":null,"regionCode":null,"otherInformation":null,"productTypeStatus":null,"repairInstruction":null,"repairInstructionStatusDescription":null,"typeStatusDate":null,"serviceLifeDate":null,"manufacturerId":null,"parts":null,"language":null,"glossaries":null,"brand":null,"product":null,"brandCode":null,"recallNotes":null,"volume":null},{"code":"P5140216-36","name":null,"url":"/c//p/P5140216-36","description":"ROD ASM-BATT","purchasable":true,"stock":{"stockLevelStatus":{"code":"inStock","type":"StockLevelStatus"},"stockLevel":0,"stockThreshold":null},"futureStocks":null,"availableForPickup":null,"averageRating":null,"numberOfReviews":null,"summary":null,"manufacturer":null,"variantType":null,"price":{"currencyIso":"USD","value":6.26,"priceType":"BUY","formattedValue":"$6.26","minQuantity":null,"maxQuantity":null,"sapUnit":{"code":"pieces","name":"Piece"}},"baseProduct":null,"images":[],"categories":null,"reviews":null,"classifications":null,"potentialPromotions":null,"variantOptions":null,"baseOptions":[],"volumePricesFlag":null,"volumePrices":null,"productReferences":null,"variantMatrix":null,"priceRange":null,"firstCategoryNameList":null,"multidimensional":null,"configurable":false,"configuratorType":null,"addToCartDisabled":null,"addToCartDisabledMessage":null,"tags":null,"sapUnit":null,"keywords":null,"genders":null,"itemtype":"Part","partSubstitute":null,"note":null,"recallNote":null,"note1":null,"note2":null,"note3":null,"note4":null,"note5":null,"pdfAllUser":null,"pdfAuthUser":null,"pdfCOSUser":null,"vaiantRelatedPartList":null,"partHotspotList":null,"itemNumber":44,"partRelatedVariantList":null,"bomCode":2,"totalValue":null,"searchImage":null,"length":null,"width":null,"height":null,"unitOfDimension":null,"weight":null,"unitOfWeight":null,"specialRouting":false,"onlineRepair":null,"previousPartID":null,"sbdDiscountPriceValue":{"currencyIso":"USD","value":6.26,"priceType":"BUY","formattedValue":"$6.26","minQuantity":null,"maxQuantity":null,"sapUnit":{"code":"pieces","name":"Piece"}},"alrCode":null,"productRecallFlag":null,"selectedDocumentId":null,"productDescription":null,"pdpImage":null,"ticketId":null,"qtyRequiredPerVariant":"1","isElgibleForRepair":null,"isPowerEligible":null,"productRecallNotes":null,"productOtherInfo":null,"backorderETA":"00/00/0000","modifiedDate":null,"userLevel":"ALL","displayPrice":null,"baseProductName":null,"firstVariantCode":null,"firstVariantImage":null,"productMarketType":null,"productNumber":null,"typeStatusCode":null,"productCategory":null,"typeNumber":null,"marketCode":null,"regionCode":null,"otherInformation":null,"productTypeStatus":null,"repairInstruction":null,"repairInstructionStatusDescription":null,"typeStatusDate":null,"serviceLifeDate":null,"manufacturerId":null,"parts":null,"language":null,"glossaries":null,"brand":null,"product":null,"brandCode":null,"recallNotes":null,"volume":null},{"code":"P5140221-61","name":null,"url":"/c//p/P5140221-61","description":"COVER-BELT","purchasable":true,"stock":{"stockLevelStatus":{"code":"inStock","type":"StockLevelStatus"},"stockLevel":0,"stockThreshold":null},"futureStocks":null,"availableForPickup":null,"averageRating":null,"numberOfReviews":null,"summary":null,"manufacturer":null,"variantType":null,"price":{"currencyIso":"USD","value":6.32,"priceType":"BUY","formattedValue":"$6.32","minQuantity":null,"maxQuantity":null,"sapUnit":{"code":"pieces","name":"Piece"}},"baseProduct":null,"images":[],"categories":null,"reviews":null,"classifications":null,"potentialPromotions":null,"variantOptions":null,"baseOptions":[],"volumePricesFlag":null,"volumePrices":null,"productReferences":null,"variantMatrix":null,"priceRange":null,"firstCategoryNameList":null,"multidimensional":null,"configurable":false,"configuratorType":null,"addToCartDisabled":null,"addToCartDisabledMessage":null,"tags":null,"sapUnit":null,"keywords":null,"genders":null,"itemtype":"Part","partSubstitute":null,"note":null,"recallNote":null,"note1":null,"note2":null,"note3":null,"note4":null,"note5":null,"pdfAllUser":null,"pdfAuthUser":null,"pdfCOSUser":null,"vaiantRelatedPartList":null,"partHotspotList":null,"itemNumber":44,"partRelatedVariantList":null,"bomCode":2,"totalValue":null,"searchImage":null,"length":null,"width":null,"height":null,"unitOfDimension":null,"weight":null,"unitOfWeight":null,"specialRouting":false,"onlineRepair":null,"previousPartID":null,"sbdDiscountPriceValue":{"currencyIso":"USD","value":6.32,"priceType":"BUY","formattedValue":"$6.32","minQuantity":null,"maxQuantity":null,"sapUnit":{"code":"pieces","name":"Piece"}},"alrCode":null,"productRecallFlag":null,"selectedDocumentId":null,"productDescription":null,"pdpImage":null,"ticketId":null,"qtyRequiredPerVariant":"1","isElgibleForRepair":null,"isPowerEligible":null,"productRecallNotes":null,"productOtherInfo":null,"backorderETA":"00/00/0000","modifiedDate":null,"userLevel":"ALL","displayPrice":null,"baseProductName":null,"firstVariantCode":null,"firstVariantImage":null,"productMarketType":null,"productNumber":null,"typeStatusCode":null,"productCategory":null,"typeNumber":null,"marketCode":null,"regionCode":null,"otherInformation":null,"productTypeStatus":null,"repairInstruction":null,"repairInstructionStatusDescription":null,"typeStatusDate":null,"serviceLifeDate":null,"manufacturerId":null,"parts":null,"language":null,"glossaries":null,"brand":null,"product":null,"brandCode":null,"recallNotes":null,"volume":null},{"code":"P625-04124-CM","name":null,"url":"/c//p/P625-04124-CM","description":"KEYS-CRAFTMN","purchasable":true,"stock":{"stockLevelStatus":{"code":"inStock","type":"StockLevelStatus"},"stockLevel":0,"stockThreshold":null},"futureStocks":null,"availableForPickup":null,"averageRating":null,"numberOfReviews":null,"summary":null,"manufacturer":null,"variantType":null,"price":{"currencyIso":"USD","value":7.04,"priceType":"BUY","formattedValue":"$7.04","minQuantity":null,"maxQuantity":null,"sapUnit":{"code":"pieces","name":"Piece"}},"baseProduct":null,"images":[],"categories":null,"reviews":null,"classifications":null,"potentialPromotions":null,"variantOptions":null,"baseOptions":[],"volumePricesFlag":null,"volumePrices":null,"productReferences":null,"variantMatrix":null,"priceRange":null,"firstCategoryNameList":null,"multidimensional":null,"configurable":false,"configuratorType":null,"addToCartDisabled":null,"addToCartDisabledMessage":null,"tags":null,"sapUnit":null,"keywords":null,"genders":null,"itemtype":"Part","partSubstitute":null,"note":null,"recallNote":null,"note1":null,"note2":null,"note3":null,"note4":null,"note5":null,"pdfAllUser":null,"pdfAuthUser":null,"pdfCOSUser":null,"vaiantRelatedPartList":null,"partHotspotList":null,"itemNumber":44,"partRelatedVariantList":null,"bomCode":2,"totalValue":null,"searchImage":null,"length":null,"width":null,"height":null,"unitOfDimension":null,"weight":null,"unitOfWeight":null,"specialRouting":false,"onlineRepair":null,"previousPartID":null,"sbdDiscountPriceValue":{"currencyIso":"USD","value":7.04,"priceType":"BUY","formattedValue":"$7.04","minQuantity":null,"maxQuantity":null,"sapUnit":{"code":"pieces","name":"Piece"}},"alrCode":null,"productRecallFlag":null,"selectedDocumentId":null,"productDescription":null,"pdpImage":null,"ticketId":null,"qtyRequiredPerVariant":"1","isElgibleForRepair":null,"isPowerEligible":null,"productRecallNotes":null,"productOtherInfo":null,"backorderETA":"00/00/0000","modifiedDate":null,"userLevel":"ALL","displayPrice":null,"baseProductName":null,"firstVariantCode":null,"firstVariantImage":null,"productMarketType":null,"productNumber":null,"typeStatusCode":null,"productCategory":null,"typeNumber":null,"marketCode":null,"regionCode":null,"otherInformation":null,"productTypeStatus":null,"repairInstruction":null,"repairInstructionStatusDescription":null,"typeStatusDate":null,"serviceLifeDate":null,"manufacturerId":null,"parts":null,"language":null,"glossaries":null,"brand":null,"product":null,"brandCode":null,"recallNotes":null,"volume":null},{"code":"P731-04602-CM","name":null,"url":"/c//p/P731-04602-CM","description":"SLEEVE","purchasable":true,"stock":{"stockLevelStatus":{"code":"inStock","type":"StockLevelStatus"},"stockLevel":0,"stockThreshold":null},"futureStocks":null,"availableForPickup":null,"averageRating":null,"numberOfReviews":null,"summary":null,"manufacturer":null,"variantType":null,"price":{"currencyIso":"USD","value":3.87,"priceType":"BUY","formattedValue":"$3.87","minQuantity":null,"maxQuantity":null,"sapUnit":{"code":"pieces","name":"Piece"}},"baseProduct":null,"images":[],"categories":null,"reviews":null,"classifications":null,"potentialPromotions":null,"variantOptions":null,"baseOptions":[],"volumePricesFlag":null,"volumePrices":null,"productReferences":null,"variantMatrix":null,"priceRange":null,"firstCategoryNameList":null,"multidimensional":null,"configurable":false,"configuratorType":null,"addToCartDisabled":null,"addToCartDisabledMessage":null,"tags":null,"sapUnit":null,"keywords":null,"genders":null,"itemtype":"Part","partSubstitute":null,"note":null,"recallNote":null,"note1":null,"note2":null,"note3":null,"note4":null,"note5":null,"pdfAllUser":null,"pdfAuthUser":null,"pdfCOSUser":null,"vaiantRelatedPartList":null,"partHotspotList":null,"itemNumber":44,"partRelatedVariantList":null,"bomCode":2,"totalValue":null,"searchImage":null,"length":null,"width":null,"height":null,"unitOfDimension":null,"weight":null,"unitOfWeight":null,"specialRouting":false,"onlineRepair":null,"previousPartID":null,"sbdDiscountPriceValue":{"currencyIso":"USD","value":3.87,"priceType":"BUY","formattedValue":"$3.87","minQuantity":null,"maxQuantity":null,"sapUnit":{"code":"pieces","name":"Piece"}},"alrCode":null,"productRecallFlag":null,"selectedDocumentId":null,"productDescription":null,"pdpImage":null,"ticketId":null,"qtyRequiredPerVariant":"1","isElgibleForRepair":null,"isPowerEligible":null,"productRecallNotes":null,"productOtherInfo":null,"backorderETA":"00/00/0000","modifiedDate":null,"userLevel":"ALL","displayPrice":null,"baseProductName":null,"firstVariantCode":null,"firstVariantImage":null,"productMarketType":null,"productNumber":null,"typeStatusCode":null,"productCategory":null,"typeNumber":null,"marketCode":null,"regionCode":null,"otherInformation":null,"productTypeStatus":null,"repairInstruction":null,"repairInstructionStatusDescription":null,"typeStatusDate":null,"serviceLifeDate":null,"manufacturerId":null,"parts":null,"language":null,"glossaries":null,"brand":null,"product":null,"brandCode":null,"recallNotes":null,"volume":null},{"code":"P725-0157-CM","name":null,"url":"/c//p/P725-0157-CM","description":"CABLE TIE","purchasable":true,"stock":{"stockLevelStatus":{"code":"inStock","type":"StockLevelStatus"},"stockLevel":0,"stockThreshold":null},"futureStocks":null,"availableForPickup":null,"averageRating":null,"numberOfReviews":null,"summary":null,"manufacturer":null,"variantType":null,"price":{"currencyIso":"USD","value":2.37,"priceType":"BUY","formattedValue":"$2.37","minQuantity":null,"maxQuantity":null,"sapUnit":{"code":"pieces","name":"Piece"}},"baseProduct":null,"images":[],"categories":null,"reviews":null,"classifications":null,"potentialPromotions":null,"variantOptions":null,"baseOptions":[],"volumePricesFlag":null,"volumePrices":null,"productReferences":null,"variantMatrix":null,"priceRange":null,"firstCategoryNameList":null,"multidimensional":null,"configurable":false,"configuratorType":null,"addToCartDisabled":null,"addToCartDisabledMessage":null,"tags":null,"sapUnit":null,"keywords":null,"genders":null,"itemtype":"Part","partSubstitute":null,"note":null,"recallNote":null,"note1":null,"note2":null,"note3":null,"note4":null,"note5":null,"pdfAllUser":null,"pdfAuthUser":null,"pdfCOSUser":null,"vaiantRelatedPartList":null,"partHotspotList":null,"itemNumber":45,"partRelatedVariantList":null,"bomCode":2,"totalValue":null,"searchImage":null,"length":null,"width":null,"height":null,"unitOfDimension":null,"weight":null,"unitOfWeight":null,"specialRouting":false,"onlineRepair":null,"previousPartID":null,"sbdDiscountPriceValue":{"currencyIso":"USD","value":2.37,"priceType":"BUY","formattedValue":"$2.37","minQuantity":null,"maxQuantity":null,"sapUnit":{"code":"pieces","name":"Piece"}},"alrCode":null,"productRecallFlag":null,"selectedDocumentId":null,"productDescription":null,"pdpImage":null,"ticketId":null,"qtyRequiredPerVariant":"1","isElgibleForRepair":null,"isPowerEligible":null,"productRecallNotes":null,"productOtherInfo":null,"backorderETA":"00/00/0000","modifiedDate":null,"userLevel":"ALL","displayPrice":null,"baseProductName":null,"firstVariantCode":null,"firstVariantImage":null,"productMarketType":null,"productNumber":null,"typeStatusCode":null,"productCategory":null,"typeNumber":null,"marketCode":null,"regionCode":null,"otherInformation":null,"productTypeStatus":null,"repairInstruction":null,"repairInstructionStatusDescription":null,"typeStatusDate":null,"serviceLifeDate":null,"manufacturerId":null,"parts":null,"language":null,"glossaries":null,"brand":null,"product":null,"brandCode":null,"recallNotes":null,"volume":null},{"code":"P725-0157-CM","name":null,"url":"/c//p/P725-0157-CM","description":"CABLE TIE","purchasable":true,"stock":{"stockLevelStatus":{"code":"inStock","type":"StockLevelStatus"},"stockLevel":0,"stockThreshold":null},"futureStocks":null,"availableForPickup":null,"averageRating":null,"numberOfReviews":null,"summary":null,"manufacturer":null,"variantType":null,"price":{"currencyIso":"USD","value":2.37,"priceType":"BUY","formattedValue":"$2.37","minQuantity":null,"maxQuantity":null,"sapUnit":{"code":"pieces","name":"Piece"}},"baseProduct":null,"images":[],"categories":null,"reviews":null,"classifications":null,"potentialPromotions":null,"variantOptions":null,"baseOptions":[],"volumePricesFlag":null,"volumePrices":null,"productReferences":null,"variantMatrix":null,"priceRange":null,"firstCategoryNameList":null,"multidimensional":null,"configurable":false,"configuratorType":null,"addToCartDisabled":null,"addToCartDisabledMessage":null,"tags":null,"sapUnit":null,"keywords":null,"genders":null,"itemtype":"Part","partSubstitute":null,"note":null,"recallNote":null,"note1":null,"note2":null,"note3":null,"note4":null,"note5":null,"pdfAllUser":null,"pdfAuthUser":null,"pdfCOSUser":null,"vaiantRelatedPartList":null,"partHotspotList":null,"itemNumber":45,"partRelatedVariantList":null,"bomCode":2,"totalValue":null,"searchImage":null,"length":null,"width":null,"height":null,"unitOfDimension":null,"weight":null,"unitOfWeight":null,"specialRouting":false,"onlineRepair":null,"previousPartID":null,"sbdDiscountPriceValue":{"currencyIso":"USD","value":2.37,"priceType":"BUY","formattedValue":"$2.37","minQuantity":null,"maxQuantity":null,"sapUnit":{"code":"pieces","name":"Piece"}},"alrCode":null,"productRecallFlag":null,"selectedDocumentId":null,"productDescription":null,"pdpImage":null,"ticketId":null,"qtyRequiredPerVariant":"1","isElgibleForRepair":null,"isPowerEligible":null,"productRecallNotes":null,"productOtherInfo":null,"backorderETA":"00/00/0000","modifiedDate":null,"userLevel":"ALL","displayPrice":null,"baseProductName":null,"firstVariantCode":null,"firstVariantImage":null,"productMarketType":null,"productNumber":null,"typeStatusCode":null,"productCategory":null,"typeNumber":null,"marketCode":null,"regionCode":null,"otherInformation":null,"productTypeStatus":null,"repairInstruction":null,"repairInstructionStatusDescription":null,"typeStatusDate":null,"serviceLifeDate":null,"manufacturerId":null,"parts":null,"language":null,"glossaries":null,"brand":null,"product":null,"brandCode":null,"recallNotes":null,"volume":null},{"code":"P725-0157-CM","name":null,"url":"/c//p/P725-0157-CM","description":"CABLE TIE","purchasable":true,"stock":{"stockLevelStatus":{"code":"inStock","type":"StockLevelStatus"},"stockLevel":0,"stockThreshold":null},"futureStocks":null,"availableForPickup":null,"averageRating":null,"numberOfReviews":null,"summary":null,"manufacturer":null,"variantType":null,"price":{"currencyIso":"USD","value":2.37,"priceType":"BUY","formattedValue":"$2.37","minQuantity":null,"maxQuantity":null,"sapUnit":{"code":"pieces","name":"Piece"}},"baseProduct":null,"images":[],"categories":null,"reviews":null,"classifications":null,"potentialPromotions":null,"variantOptions":null,"baseOptions":[],"volumePricesFlag":null,"volumePrices":null,"productReferences":null,"variantMatrix":null,"priceRange":null,"firstCategoryNameList":null,"multidimensional":null,"configurable":false,"configuratorType":null,"addToCartDisabled":null,"addToCartDisabledMessage":null,"tags":null,"sapUnit":null,"keywords":null,"genders":null,"itemtype":"Part","partSubstitute":null,"note":null,"recallNote":null,"note1":null,"note2":null,"note3":null,"note4":null,"note5":null,"pdfAllUser":null,"pdfAuthUser":null,"pdfCOSUser":null,"vaiantRelatedPartList":null,"partHotspotList":null,"itemNumber":45,"partRelatedVariantList":null,"bomCode":2,"totalValue":null,"searchImage":null,"length":null,"width":null,"height":null,"unitOfDimension":null,"weight":null,"unitOfWeight":null,"specialRouting":false,"onlineRepair":null,"previousPartID":null,"sbdDiscountPriceValue":{"currencyIso":"USD","value":2.37,"priceType":"BUY","formattedValue":"$2.37","minQuantity":null,"maxQuantity":null,"sapUnit":{"code":"pieces","name":"Piece"}},"alrCode":null,"productRecallFlag":null,"selectedDocumentId":null,"productDescription":null,"pdpImage":null,"ticketId":null,"qtyRequiredPerVariant":"1","isElgibleForRepair":null,"isPowerEligible":null,"productRecallNotes":null,"productOtherInfo":null,"backorderETA":"00/00/0000","modifiedDate":null,"userLevel":"ALL","displayPrice":null,"baseProductName":null,"firstVariantCode":null,"firstVariantImage":null,"productMarketType":null,"productNumber":null,"typeStatusCode":null,"productCategory":null,"typeNumber":null,"marketCode":null,"regionCode":null,"otherInformation":null,"productTypeStatus":null,"repairInstruction":null,"repairInstructionStatusDescription":null,"typeStatusDate":null,"serviceLifeDate":null,"manufacturerId":null,"parts":null,"language":null,"glossaries":null,"brand":null,"product":null,"brandCode":null,"recallNotes":null,"volume":null},{"code":"P731-04604-CM","name":null,"url":"/c//p/P731-04604-CM","description":"SLEEVE","purchasable":true,"stock":{"stockLevelStatus":{"code":"inStock","type":"StockLevelStatus"},"stockLevel":0,"stockThreshold":null},"futureStocks":null,"availableForPickup":null,"averageRating":null,"numberOfReviews":null,"summary":null,"manufacturer":null,"variantType":null,"price":{"currencyIso":"USD","value":3.99,"priceType":"BUY","formattedValue":"$3.99","minQuantity":null,"maxQuantity":null,"sapUnit":{"code":"pieces","name":"Piece"}},"baseProduct":null,"images":[],"categories":null,"reviews":null,"classifications":null,"potentialPromotions":null,"variantOptions":null,"baseOptions":[],"volumePricesFlag":null,"volumePrices":null,"productReferences":null,"variantMatrix":null,"priceRange":null,"firstCategoryNameList":null,"multidimensional":null,"configurable":false,"configuratorType":null,"addToCartDisabled":null,"addToCartDisabledMessage":null,"tags":null,"sapUnit":null,"keywords":null,"genders":null,"itemtype":"Part","partSubstitute":null,"note":null,"recallNote":null,"note1":null,"note2":null,"note3":null,"note4":null,"note5":null,"pdfAllUser":null,"pdfAuthUser":null,"pdfCOSUser":null,"vaiantRelatedPartList":null,"partHotspotList":null,"itemNumber":45,"partRelatedVariantList":null,"bomCode":2,"totalValue":null,"searchImage":null,"length":null,"width":null,"height":null,"unitOfDimension":null,"weight":null,"unitOfWeight":null,"specialRouting":false,"onlineRepair":null,"previousPartID":null,"sbdDiscountPriceValue":{"currencyIso":"USD","value":3.99,"priceType":"BUY","formattedValue":"$3.99","minQuantity":null,"maxQuantity":null,"sapUnit":{"code":"pieces","name":"Piece"}},"alrCode":null,"productRecallFlag":null,"selectedDocumentId":null,"productDescription":null,"pdpImage":null,"ticketId":null,"qtyRequiredPerVariant":"1","isElgibleForRepair":null,"isPowerEligible":null,"productRecallNotes":null,"productOtherInfo":null,"backorderETA":"00/00/0000","modifiedDate":null,"userLevel":"ALL","displayPrice":null,"baseProductName":null,"firstVariantCode":null,"firstVariantImage":null,"productMarketType":null,"productNumber":null,"typeStatusCode":null,"productCategory":null,"typeNumber":null,"marketCode":null,"regionCode":null,"otherInformation":null,"productTypeStatus":null,"repairInstruction":null,"repairInstructionStatusDescription":null,"typeStatusDate":null,"serviceLifeDate":null,"manufacturerId":null,"parts":null,"language":null,"glossaries":null,"brand":null,"product":null,"brandCode":null,"recallNotes":null,"volume":null},{"code":"P936-0351-CM","name":null,"url":"/c//p/P936-0351-CM","description":"WASHER-FL","purchasable":true,"stock":{"stockLevelStatus":{"code":"inStock","type":"StockLevelStatus"},"stockLevel":0,"stockThreshold":null},"futureStocks":null,"availableForPickup":null,"averageRating":null,"numberOfReviews":null,"summary":null,"manufacturer":null,"variantType":null,"price":{"currencyIso":"USD","value":2.71,"priceType":"BUY","formattedValue":"$2.71","minQuantity":null,"maxQuantity":null,"sapUnit":{"code":"pieces","name":"Piece"}},"baseProduct":null,"images":[],"categories":null,"reviews":null,"classifications":null,"potentialPromotions":null,"variantOptions":null,"baseOptions":[],"volumePricesFlag":null,"volumePrices":null,"productReferences":null,"variantMatrix":null,"priceRange":null,"firstCategoryNameList":null,"multidimensional":null,"configurable":false,"configuratorType":null,"addToCartDisabled":null,"addToCartDisabledMessage":null,"tags":null,"sapUnit":null,"keywords":null,"genders":null,"itemtype":"Part","partSubstitute":null,"note":null,"recallNote":null,"note1":null,"note2":null,"note3":null,"note4":null,"note5":null,"pdfAllUser":null,"pdfAuthUser":null,"pdfCOSUser":null,"vaiantRelatedPartList":null,"partHotspotList":null,"itemNumber":45,"partRelatedVariantList":null,"bomCode":2,"totalValue":null,"searchImage":null,"length":null,"width":null,"height":null,"unitOfDimension":null,"weight":null,"unitOfWeight":null,"specialRouting":false,"onlineRepair":null,"previousPartID":null,"sbdDiscountPriceValue":{"currencyIso":"USD","value":2.71,"priceType":"BUY","formattedValue":"$2.71","minQuantity":null,"maxQuantity":null,"sapUnit":{"code":"pieces","name":"Piece"}},"alrCode":null,"productRecallFlag":null,"selectedDocumentId":null,"productDescription":null,"pdpImage":null,"ticketId":null,"qtyRequiredPerVariant":"1","isElgibleForRepair":null,"isPowerEligible":null,"productRecallNotes":null,"productOtherInfo":null,"backorderETA":"00/00/0000","modifiedDate":null,"userLevel":"ALL","displayPrice":null,"baseProductName":null,"firstVariantCode":null,"firstVariantImage":null,"productMarketType":null,"productNumber":null,"typeStatusCode":null,"productCategory":null,"typeNumber":null,"marketCode":null,"regionCode":null,"otherInformation":null,"productTypeStatus":null,"repairInstruction":null,"repairInstructionStatusDescription":null,"typeStatusDate":null,"serviceLifeDate":null,"manufacturerId":null,"parts":null,"language":null,"glossaries":null,"brand":null,"product":null,"brandCode":null,"recallNotes":null,"volume":null},{"code":"P4152J-CM","name":null,"url":"/c//p/P4152J-CM","description":"BULB LIGHT","purchasable":true,"stock":{"stockLevelStatus":{"code":"inStock","type":"StockLevelStatus"},"stockLevel":0,"stockThreshold":null},"futureStocks":null,"availableForPickup":null,"averageRating":null,"numberOfReviews":null,"summary":null,"manufacturer":null,"variantType":null,"price":{"currencyIso":"USD","value":3.08,"priceType":"BUY","formattedValue":"$3.08","minQuantity":null,"maxQuantity":null,"sapUnit":{"code":"pieces","name":"Piece"}},"baseProduct":null,"images":[],"categories":null,"reviews":null,"classifications":null,"potentialPromotions":null,"variantOptions":null,"baseOptions":[],"volumePricesFlag":null,"volumePrices":null,"productReferences":null,"variantMatrix":null,"priceRange":null,"firstCategoryNameList":null,"multidimensional":null,"configurable":false,"configuratorType":null,"addToCartDisabled":null,"addToCartDisabledMessage":null,"tags":null,"sapUnit":null,"keywords":null,"genders":null,"itemtype":"Part","partSubstitute":null,"note":null,"recallNote":null,"note1":null,"note2":null,"note3":null,"note4":null,"note5":null,"pdfAllUser":null,"pdfAuthUser":null,"pdfCOSUser":null,"vaiantRelatedPartList":null,"partHotspotList":null,"itemNumber":46,"partRelatedVariantList":null,"bomCode":2,"totalValue":null,"searchImage":null,"length":null,"width":null,"height":null,"unitOfDimension":null,"weight":null,"unitOfWeight":null,"specialRouting":false,"onlineRepair":null,"previousPartID":null,"sbdDiscountPriceValue":{"currencyIso":"USD","value":3.08,"priceType":"BUY","formattedValue":"$3.08","minQuantity":null,"maxQuantity":null,"sapUnit":{"code":"pieces","name":"Piece"}},"alrCode":null,"productRecallFlag":null,"selectedDocumentId":null,"productDescription":null,"pdpImage":null,"ticketId":null,"qtyRequiredPerVariant":"1","isElgibleForRepair":null,"isPowerEligible":null,"productRecallNotes":null,"productOtherInfo":null,"backorderETA":"00/00/0000","modifiedDate":null,"userLevel":"COS","displayPrice":null,"baseProductName":null,"firstVariantCode":null,"firstVariantImage":null,"productMarketType":null,"productNumber":null,"typeStatusCode":null,"productCategory":null,"typeNumber":null,"marketCode":null,"regionCode":null,"otherInformation":null,"productTypeStatus":null,"repairInstruction":null,"repairInstructionStatusDescription":null,"typeStatusDate":null,"serviceLifeDate":null,"manufacturerId":null,"parts":null,"language":null,"glossaries":null,"brand":null,"product":null,"brandCode":null,"recallNotes":null,"volume":null},{"code":"P731-06330-CM","name":null,"url":"/c//p/P731-06330-CM","description":"PLUG ASM","purchasable":true,"stock":{"stockLevelStatus":{"code":"inStock","type":"StockLevelStatus"},"stockLevel":0,"stockThreshold":null},"futureStocks":null,"availableForPickup":null,"averageRating":null,"numberOfReviews":null,"summary":null,"manufacturer":null,"variantType":null,"price":{"currencyIso":"USD","value":2.75,"priceType":"BUY","formattedValue":"$2.75","minQuantity":null,"maxQuantity":null,"sapUnit":{"code":"pieces","name":"Piece"}},"baseProduct":null,"images":[],"categories":null,"reviews":null,"classifications":null,"potentialPromotions":null,"variantOptions":null,"baseOptions":[],"volumePricesFlag":null,"volumePrices":null,"productReferences":null,"variantMatrix":null,"priceRange":null,"firstCategoryNameList":null,"multidimensional":null,"configurable":false,"configuratorType":null,"addToCartDisabled":null,"addToCartDisabledMessage":null,"tags":null,"sapUnit":null,"keywords":null,"genders":null,"itemtype":"Part","partSubstitute":null,"note":null,"recallNote":null,"note1":null,"note2":null,"note3":null,"note4":null,"note5":null,"pdfAllUser":null,"pdfAuthUser":null,"pdfCOSUser":null,"vaiantRelatedPartList":null,"partHotspotList":null,"itemNumber":46,"partRelatedVariantList":null,"bomCode":2,"totalValue":null,"searchImage":null,"length":null,"width":null,"height":null,"unitOfDimension":null,"weight":null,"unitOfWeight":null,"specialRouting":false,"onlineRepair":null,"previousPartID":null,"sbdDiscountPriceValue":{"currencyIso":"USD","value":2.75,"priceType":"BUY","formattedValue":"$2.75","minQuantity":null,"maxQuantity":null,"sapUnit":{"code":"pieces","name":"Piece"}},"alrCode":null,"productRecallFlag":null,"selectedDocumentId":null,"productDescription":null,"pdpImage":null,"ticketId":null,"qtyRequiredPerVariant":"1","isElgibleForRepair":null,"isPowerEligible":null,"productRecallNotes":null,"productOtherInfo":null,"backorderETA":"00/00/0000","modifiedDate":null,"userLevel":"ALL","displayPrice":null,"baseProductName":null,"firstVariantCode":null,"firstVariantImage":null,"productMarketType":null,"productNumber":null,"typeStatusCode":null,"productCategory":null,"typeNumber":null,"marketCode":null,"regionCode":null,"otherInformation":null,"productTypeStatus":null,"repairInstruction":null,"repairInstructionStatusDescription":null,"typeStatusDate":null,"serviceLifeDate":null,"manufacturerId":null,"parts":null,"language":null,"glossaries":null,"brand":null,"product":null,"brandCode":null,"recallNotes":null,"volume":null},{"code":"P738-1186A-CM","name":null,"url":"/c//p/P738-1186A-CM","description":"SHAFT-BLADE","purchasable":true,"stock":{"stockLevelStatus":{"code":"inStock","type":"StockLevelStatus"},"stockLevel":0,"stockThreshold":null},"futureStocks":null,"availableForPickup":null,"averageRating":null,"numberOfReviews":null,"summary":null,"manufacturer":null,"variantType":null,"price":{"currencyIso":"USD","value":34.02,"priceType":"BUY","formattedValue":"$34.02","minQuantity":null,"maxQuantity":null,"sapUnit":{"code":"pieces","name":"Piece"}},"baseProduct":null,"images":[],"categories":null,"reviews":null,"classifications":null,"potentialPromotions":null,"variantOptions":null,"baseOptions":[],"volumePricesFlag":null,"volumePrices":null,"productReferences":null,"variantMatrix":null,"priceRange":null,"firstCategoryNameList":null,"multidimensional":null,"configurable":false,"configuratorType":null,"addToCartDisabled":null,"addToCartDisabledMessage":null,"tags":null,"sapUnit":null,"keywords":null,"genders":null,"itemtype":"Part","partSubstitute":null,"note":null,"recallNote":null,"note1":null,"note2":null,"note3":null,"note4":null,"note5":null,"pdfAllUser":null,"pdfAuthUser":null,"pdfCOSUser":null,"vaiantRelatedPartList":null,"partHotspotList":null,"itemNumber":46,"partRelatedVariantList":null,"bomCode":2,"totalValue":null,"searchImage":null,"length":null,"width":null,"height":null,"unitOfDimension":null,"weight":null,"unitOfWeight":null,"specialRouting":false,"onlineRepair":null,"previousPartID":null,"sbdDiscountPriceValue":{"currencyIso":"USD","value":34.02,"priceType":"BUY","formattedValue":"$34.02","minQuantity":null,"maxQuantity":null,"sapUnit":{"code":"pieces","name":"Piece"}},"alrCode":null,"productRecallFlag":null,"selectedDocumentId":null,"productDescription":null,"pdpImage":null,"ticketId":null,"qtyRequiredPerVariant":"1","isElgibleForRepair":null,"isPowerEligible":null,"productRecallNotes":null,"productOtherInfo":null,"backorderETA":"00/00/0000","modifiedDate":null,"userLevel":"ALL","displayPrice":null,"baseProductName":null,"firstVariantCode":null,"firstVariantImage":null,"productMarketType":null,"productNumber":null,"typeStatusCode":null,"productCategory":null,"typeNumber":null,"marketCode":null,"regionCode":null,"otherInformation":null,"productTypeStatus":null,"repairInstruction":null,"repairInstructionStatusDescription":null,"typeStatusDate":null,"serviceLifeDate":null,"manufacturerId":null,"parts":null,"language":null,"glossaries":null,"brand":null,"product":null,"brandCode":null,"recallNotes":null,"volume":null},{"code":"P936-0300-CM","name":null,"url":"/c//p/P936-0300-CM","description":"WASHER-FL-.3","purchasable":true,"stock":{"stockLevelStatus":{"code":"inStock","type":"StockLevelStatus"},"stockLevel":0,"stockThreshold":null},"futureStocks":null,"availableForPickup":null,"averageRating":null,"numberOfReviews":null,"summary":null,"manufacturer":null,"variantType":null,"price":{"currencyIso":"USD","value":2.71,"priceType":"BUY","formattedValue":"$2.71","minQuantity":null,"maxQuantity":null,"sapUnit":{"code":"pieces","name":"Piece"}},"baseProduct":null,"images":[],"categories":null,"reviews":null,"classifications":null,"potentialPromotions":null,"variantOptions":null,"baseOptions":[],"volumePricesFlag":null,"volumePrices":null,"productReferences":null,"variantMatrix":null,"priceRange":null,"firstCategoryNameList":null,"multidimensional":null,"configurable":false,"configuratorType":null,"addToCartDisabled":null,"addToCartDisabledMessage":null,"tags":null,"sapUnit":null,"keywords":null,"genders":null,"itemtype":"Part","partSubstitute":null,"note":null,"recallNote":null,"note1":null,"note2":null,"note3":null,"note4":null,"note5":null,"pdfAllUser":null,"pdfAuthUser":null,"pdfCOSUser":null,"vaiantRelatedPartList":null,"partHotspotList":null,"itemNumber":46,"partRelatedVariantList":null,"bomCode":2,"totalValue":null,"searchImage":null,"length":null,"width":null,"height":null,"unitOfDimension":null,"weight":null,"unitOfWeight":null,"specialRouting":false,"onlineRepair":null,"previousPartID":null,"sbdDiscountPriceValue":{"currencyIso":"USD","value":2.71,"priceType":"BUY","formattedValue":"$2.71","minQuantity":null,"maxQuantity":null,"sapUnit":{"code":"pieces","name":"Piece"}},"alrCode":null,"productRecallFlag":null,"selectedDocumentId":null,"productDescription":null,"pdpImage":null,"ticketId":null,"qtyRequiredPerVariant":"1","isElgibleForRepair":null,"isPowerEligible":null,"productRecallNotes":null,"productOtherInfo":null,"backorderETA":"00/00/0000","modifiedDate":null,"userLevel":"ALL","displayPrice":null,"baseProductName":null,"firstVariantCode":null,"firstVariantImage":null,"productMarketType":null,"productNumber":null,"typeStatusCode":null,"productCategory":null,"typeNumber":null,"marketCode":null,"regionCode":null,"otherInformation":null,"productTypeStatus":null,"repairInstruction":null,"repairInstructionStatusDescription":null,"typeStatusDate":null,"serviceLifeDate":null,"manufacturerId":null,"parts":null,"language":null,"glossaries":null,"brand":null,"product":null,"brandCode":null,"recallNotes":null,"volume":null},{"code":"P726-04072A-CM","name":null,"url":"/c//p/P726-04072A-CM","description":"CLIP-RATCHET","purchasable":true,"stock":{"stockLevelStatus":{"code":"inStock","type":"StockLevelStatus"},"stockLevel":0,"stockThreshold":null},"futureStocks":null,"availableForPickup":null,"averageRating":null,"numberOfReviews":null,"summary":null,"manufacturer":null,"variantType":null,"price":{"currencyIso":"USD","value":2.17,"priceType":"BUY","formattedValue":"$2.17","minQuantity":null,"maxQuantity":null,"sapUnit":{"code":"pieces","name":"Piece"}},"baseProduct":null,"images":[],"categories":null,"reviews":null,"classifications":null,"potentialPromotions":null,"variantOptions":null,"baseOptions":[],"volumePricesFlag":null,"volumePrices":null,"productReferences":null,"variantMatrix":null,"priceRange":null,"firstCategoryNameList":null,"multidimensional":null,"configurable":false,"configuratorType":null,"addToCartDisabled":null,"addToCartDisabledMessage":null,"tags":null,"sapUnit":null,"keywords":null,"genders":null,"itemtype":"Part","partSubstitute":null,"note":null,"recallNote":null,"note1":null,"note2":null,"note3":null,"note4":null,"note5":null,"pdfAllUser":null,"pdfAuthUser":null,"pdfCOSUser":null,"vaiantRelatedPartList":null,"partHotspotList":null,"itemNumber":47,"partRelatedVariantList":null,"bomCode":2,"totalValue":null,"searchImage":null,"length":null,"width":null,"height":null,"unitOfDimension":null,"weight":null,"unitOfWeight":null,"specialRouting":false,"onlineRepair":null,"previousPartID":null,"sbdDiscountPriceValue":{"currencyIso":"USD","value":2.17,"priceType":"BUY","formattedValue":"$2.17","minQuantity":null,"maxQuantity":null,"sapUnit":{"code":"pieces","name":"Piece"}},"alrCode":null,"productRecallFlag":null,"selectedDocumentId":null,"productDescription":null,"pdpImage":null,"ticketId":null,"qtyRequiredPerVariant":"1","isElgibleForRepair":null,"isPowerEligible":null,"productRecallNotes":null,"productOtherInfo":null,"backorderETA":"00/00/0000","modifiedDate":null,"userLevel":"ALL","displayPrice":null,"baseProductName":null,"firstVariantCode":null,"firstVariantImage":null,"productMarketType":null,"productNumber":null,"typeStatusCode":null,"productCategory":null,"typeNumber":null,"marketCode":null,"regionCode":null,"otherInformation":null,"productTypeStatus":null,"repairInstruction":null,"repairInstructionStatusDescription":null,"typeStatusDate":null,"serviceLifeDate":null,"manufacturerId":null,"parts":null,"language":null,"glossaries":null,"brand":null,"product":null,"brandCode":null,"recallNotes":null,"volume":null},{"code":"P731-06894-CM","name":null,"url":"/c//p/P731-06894-CM","description":"BRG-SHIFT RO","purchasable":true,"stock":{"stockLevelStatus":{"code":"inStock","type":"StockLevelStatus"},"stockLevel":0,"stockThreshold":null},"futureStocks":null,"availableForPickup":null,"averageRating":null,"numberOfReviews":null,"summary":null,"manufacturer":null,"variantType":null,"price":{"currencyIso":"USD","value":3.69,"priceType":"BUY","formattedValue":"$3.69","minQuantity":null,"maxQuantity":null,"sapUnit":{"code":"pieces","name":"Piece"}},"baseProduct":null,"images":[],"categories":null,"reviews":null,"classifications":null,"potentialPromotions":null,"variantOptions":null,"baseOptions":[],"volumePricesFlag":null,"volumePrices":null,"productReferences":null,"variantMatrix":null,"priceRange":null,"firstCategoryNameList":null,"multidimensional":null,"configurable":false,"configuratorType":null,"addToCartDisabled":null,"addToCartDisabledMessage":null,"tags":null,"sapUnit":null,"keywords":null,"genders":null,"itemtype":"Part","partSubstitute":null,"note":null,"recallNote":null,"note1":null,"note2":null,"note3":null,"note4":null,"note5":null,"pdfAllUser":null,"pdfAuthUser":null,"pdfCOSUser":null,"vaiantRelatedPartList":null,"partHotspotList":null,"itemNumber":47,"partRelatedVariantList":null,"bomCode":2,"totalValue":null,"searchImage":null,"length":null,"width":null,"height":null,"unitOfDimension":null,"weight":null,"unitOfWeight":null,"specialRouting":false,"onlineRepair":null,"previousPartID":null,"sbdDiscountPriceValue":{"currencyIso":"USD","value":3.69,"priceType":"BUY","formattedValue":"$3.69","minQuantity":null,"maxQuantity":null,"sapUnit":{"code":"pieces","name":"Piece"}},"alrCode":null,"productRecallFlag":null,"selectedDocumentId":null,"productDescription":null,"pdpImage":null,"ticketId":null,"qtyRequiredPerVariant":"1","isElgibleForRepair":null,"isPowerEligible":null,"productRecallNotes":null,"productOtherInfo":null,"backorderETA":"00/00/0000","modifiedDate":null,"userLevel":"ALL","displayPrice":null,"baseProductName":null,"firstVariantCode":null,"firstVariantImage":null,"productMarketType":null,"productNumber":null,"typeStatusCode":null,"productCategory":null,"typeNumber":null,"marketCode":null,"regionCode":null,"otherInformation":null,"productTypeStatus":null,"repairInstruction":null,"repairInstructionStatusDescription":null,"typeStatusDate":null,"serviceLifeDate":null,"manufacturerId":null,"parts":null,"language":null,"glossaries":null,"brand":null,"product":null,"brandCode":null,"recallNotes":null,"volume":null},{"code":"P954-04060C-CM","name":null,"url":"/c//p/P954-04060C-CM","description":"DECK BELT","purchasable":true,"stock":{"stockLevelStatus":{"code":"inStock","type":"StockLevelStatus"},"stockLevel":0,"stockThreshold":null},"futureStocks":null,"availableForPickup":null,"averageRating":null,"numberOfReviews":null,"summary":null,"manufacturer":null,"variantType":null,"price":{"currencyIso":"USD","value":37.08,"priceType":"BUY","formattedValue":"$37.08","minQuantity":null,"maxQuantity":null,"sapUnit":{"code":"pieces","name":"Piece"}},"baseProduct":null,"images":[],"categories":null,"reviews":null,"classifications":null,"potentialPromotions":null,"variantOptions":null,"baseOptions":[],"volumePricesFlag":null,"volumePrices":null,"productReferences":null,"variantMatrix":null,"priceRange":null,"firstCategoryNameList":null,"multidimensional":null,"configurable":false,"configuratorType":null,"addToCartDisabled":null,"addToCartDisabledMessage":null,"tags":null,"sapUnit":null,"keywords":null,"genders":null,"itemtype":"Part","partSubstitute":null,"note":null,"recallNote":null,"note1":null,"note2":null,"note3":null,"note4":null,"note5":null,"pdfAllUser":null,"pdfAuthUser":null,"pdfCOSUser":null,"vaiantRelatedPartList":null,"partHotspotList":null,"itemNumber":47,"partRelatedVariantList":null,"bomCode":2,"totalValue":null,"searchImage":null,"length":null,"width":null,"height":null,"unitOfDimension":null,"weight":null,"unitOfWeight":null,"specialRouting":false,"onlineRepair":null,"previousPartID":null,"sbdDiscountPriceValue":{"currencyIso":"USD","value":37.08,"priceType":"BUY","formattedValue":"$37.08","minQuantity":null,"maxQuantity":null,"sapUnit":{"code":"pieces","name":"Piece"}},"alrCode":null,"productRecallFlag":null,"selectedDocumentId":null,"productDescription":null,"pdpImage":null,"ticketId":null,"qtyRequiredPerVariant":"1","isElgibleForRepair":null,"isPowerEligible":null,"productRecallNotes":null,"productOtherInfo":null,"backorderETA":"00/00/0000","modifiedDate":null,"userLevel":"ALL","displayPrice":null,"baseProductName":null,"firstVariantCode":null,"firstVariantImage":null,"productMarketType":null,"productNumber":null,"typeStatusCode":null,"productCategory":null,"typeNumber":null,"marketCode":null,"regionCode":null,"otherInformation":null,"productTypeStatus":null,"repairInstruction":null,"repairInstructionStatusDescription":null,"typeStatusDate":null,"serviceLifeDate":null,"manufacturerId":null,"parts":null,"language":null,"glossaries":null,"brand":null,"product":null,"brandCode":null,"recallNotes":null,"volume":null},{"code":"P732-04488-CM","name":null,"url":"/c//p/P732-04488-CM","description":"SPRING-EXTEN","purchasable":true,"stock":{"stockLevelStatus":{"code":"inStock","type":"StockLevelStatus"},"stockLevel":0,"stockThreshold":null},"futureStocks":null,"availableForPickup":null,"averageRating":null,"numberOfReviews":null,"summary":null,"manufacturer":null,"variantType":null,"price":{"currencyIso":"USD","value":3.66,"priceType":"BUY","formattedValue":"$3.66","minQuantity":null,"maxQuantity":null,"sapUnit":{"code":"pieces","name":"Piece"}},"baseProduct":null,"images":[],"categories":null,"reviews":null,"classifications":null,"potentialPromotions":null,"variantOptions":null,"baseOptions":[],"volumePricesFlag":null,"volumePrices":null,"productReferences":null,"variantMatrix":null,"priceRange":null,"firstCategoryNameList":null,"multidimensional":null,"configurable":false,"configuratorType":null,"addToCartDisabled":null,"addToCartDisabledMessage":null,"tags":null,"sapUnit":null,"keywords":null,"genders":null,"itemtype":"Part","partSubstitute":null,"note":null,"recallNote":null,"note1":null,"note2":null,"note3":null,"note4":null,"note5":null,"pdfAllUser":null,"pdfAuthUser":null,"pdfCOSUser":null,"vaiantRelatedPartList":null,"partHotspotList":null,"itemNumber":48,"partRelatedVariantList":null,"bomCode":2,"totalValue":null,"searchImage":null,"length":null,"width":null,"height":null,"unitOfDimension":null,"weight":null,"unitOfWeight":null,"specialRouting":false,"onlineRepair":null,"previousPartID":null,"sbdDiscountPriceValue":{"currencyIso":"USD","value":3.66,"priceType":"BUY","formattedValue":"$3.66","minQuantity":null,"maxQuantity":null,"sapUnit":{"code":"pieces","name":"Piece"}},"alrCode":null,"productRecallFlag":null,"selectedDocumentId":null,"productDescription":null,"pdpImage":null,"ticketId":null,"qtyRequiredPerVariant":"1","isElgibleForRepair":null,"isPowerEligible":null,"productRecallNotes":null,"productOtherInfo":null,"backorderETA":"00/00/0000","modifiedDate":null,"userLevel":"ALL","displayPrice":null,"baseProductName":null,"firstVariantCode":null,"firstVariantImage":null,"productMarketType":null,"productNumber":null,"typeStatusCode":null,"productCategory":null,"typeNumber":null,"marketCode":null,"regionCode":null,"otherInformation":null,"productTypeStatus":null,"repairInstruction":null,"repairInstructionStatusDescription":null,"typeStatusDate":null,"serviceLifeDate":null,"manufacturerId":null,"parts":null,"language":null,"glossaries":null,"brand":null,"product":null,"brandCode":null,"recallNotes":null,"volume":null},{"code":"P753-08171-CM","name":null,"url":"/c//p/P753-08171-CM","description":"PULLEY","purchasable":true,"stock":{"stockLevelStatus":{"code":"inStock","type":"StockLevelStatus"},"stockLevel":0,"stockThreshold":null},"futureStocks":null,"availableForPickup":null,"averageRating":null,"numberOfReviews":null,"summary":null,"manufacturer":null,"variantType":null,"price":{"currencyIso":"USD","value":28.64,"priceType":"BUY","formattedValue":"$28.64","minQuantity":null,"maxQuantity":null,"sapUnit":{"code":"pieces","name":"Piece"}},"baseProduct":null,"images":[],"categories":null,"reviews":null,"classifications":null,"potentialPromotions":null,"variantOptions":null,"baseOptions":[],"volumePricesFlag":null,"volumePrices":null,"productReferences":null,"variantMatrix":null,"priceRange":null,"firstCategoryNameList":null,"multidimensional":null,"configurable":false,"configuratorType":null,"addToCartDisabled":null,"addToCartDisabledMessage":null,"tags":null,"sapUnit":null,"keywords":null,"genders":null,"itemtype":"Part","partSubstitute":null,"note":null,"recallNote":null,"note1":null,"note2":null,"note3":null,"note4":null,"note5":null,"pdfAllUser":null,"pdfAuthUser":null,"pdfCOSUser":null,"vaiantRelatedPartList":null,"partHotspotList":null,"itemNumber":48,"partRelatedVariantList":null,"bomCode":2,"totalValue":null,"searchImage":null,"length":null,"width":null,"height":null,"unitOfDimension":null,"weight":null,"unitOfWeight":null,"specialRouting":false,"onlineRepair":null,"previousPartID":null,"sbdDiscountPriceValue":{"currencyIso":"USD","value":28.64,"priceType":"BUY","formattedValue":"$28.64","minQuantity":null,"maxQuantity":null,"sapUnit":{"code":"pieces","name":"Piece"}},"alrCode":null,"productRecallFlag":null,"selectedDocumentId":null,"productDescription":null,"pdpImage":null,"ticketId":null,"qtyRequiredPerVariant":"1","isElgibleForRepair":null,"isPowerEligible":null,"productRecallNotes":null,"productOtherInfo":null,"backorderETA":"00/00/0000","modifiedDate":null,"userLevel":"ALL","displayPrice":null,"baseProductName":null,"firstVariantCode":null,"firstVariantImage":null,"productMarketType":null,"productNumber":null,"typeStatusCode":null,"productCategory":null,"typeNumber":null,"marketCode":null,"regionCode":null,"otherInformation":null,"productTypeStatus":null,"repairInstruction":null,"repairInstructionStatusDescription":null,"typeStatusDate":null,"serviceLifeDate":null,"manufacturerId":null,"parts":null,"language":null,"glossaries":null,"brand":null,"product":null,"brandCode":null,"recallNotes":null,"volume":null},{"code":"P936-0463-CM","name":null,"url":"/c//p/P936-0463-CM","description":"WASHER-FL","purchasable":true,"stock":{"stockLevelStatus":{"code":"inStock","type":"StockLevelStatus"},"stockLevel":0,"stockThreshold":null},"futureStocks":null,"availableForPickup":null,"averageRating":null,"numberOfReviews":null,"summary":null,"manufacturer":null,"variantType":null,"price":{"currencyIso":"USD","value":2.69,"priceType":"BUY","formattedValue":"$2.69","minQuantity":null,"maxQuantity":null,"sapUnit":{"code":"pieces","name":"Piece"}},"baseProduct":null,"images":[],"categories":null,"reviews":null,"classifications":null,"potentialPromotions":null,"variantOptions":null,"baseOptions":[],"volumePricesFlag":null,"volumePrices":null,"productReferences":null,"variantMatrix":null,"priceRange":null,"firstCategoryNameList":null,"multidimensional":null,"configurable":false,"configuratorType":null,"addToCartDisabled":null,"addToCartDisabledMessage":null,"tags":null,"sapUnit":null,"keywords":null,"genders":null,"itemtype":"Part","partSubstitute":null,"note":null,"recallNote":null,"note1":null,"note2":null,"note3":null,"note4":null,"note5":null,"pdfAllUser":null,"pdfAuthUser":null,"pdfCOSUser":null,"vaiantRelatedPartList":null,"partHotspotList":null,"itemNumber":48,"partRelatedVariantList":null,"bomCode":2,"totalValue":null,"searchImage":null,"length":null,"width":null,"height":null,"unitOfDimension":null,"weight":null,"unitOfWeight":null,"specialRouting":false,"onlineRepair":null,"previousPartID":null,"sbdDiscountPriceValue":{"currencyIso":"USD","value":2.69,"priceType":"BUY","formattedValue":"$2.69","minQuantity":null,"maxQuantity":null,"sapUnit":{"code":"pieces","name":"Piece"}},"alrCode":null,"productRecallFlag":null,"selectedDocumentId":null,"productDescription":null,"pdpImage":null,"ticketId":null,"qtyRequiredPerVariant":"1","isElgibleForRepair":null,"isPowerEligible":null,"productRecallNotes":null,"productOtherInfo":null,"backorderETA":"00/00/0000","modifiedDate":null,"userLevel":"ALL","displayPrice":null,"baseProductName":null,"firstVariantCode":null,"firstVariantImage":null,"productMarketType":null,"productNumber":null,"typeStatusCode":null,"productCategory":null,"typeNumber":null,"marketCode":null,"regionCode":null,"otherInformation":null,"productTypeStatus":null,"repairInstruction":null,"repairInstructionStatusDescription":null,"typeStatusDate":null,"serviceLifeDate":null,"manufacturerId":null,"parts":null,"language":null,"glossaries":null,"brand":null,"product":null,"brandCode":null,"recallNotes":null,"volume":null},{"code":"P711-04847B-CM","name":null,"url":"/c//p/P711-04847B-CM","description":"PIN-CHUTE HI","purchasable":true,"stock":{"stockLevelStatus":{"code":"inStock","type":"StockLevelStatus"},"stockLevel":0,"stockThreshold":null},"futureStocks":null,"availableForPickup":null,"averageRating":null,"numberOfReviews":null,"summary":null,"manufacturer":null,"variantType":null,"price":{"currencyIso":"USD","value":5.26,"priceType":"BUY","formattedValue":"$5.26","minQuantity":null,"maxQuantity":null,"sapUnit":{"code":"pieces","name":"Piece"}},"baseProduct":null,"images":[],"categories":null,"reviews":null,"classifications":null,"potentialPromotions":null,"variantOptions":null,"baseOptions":[],"volumePricesFlag":null,"volumePrices":null,"productReferences":null,"variantMatrix":null,"priceRange":null,"firstCategoryNameList":null,"multidimensional":null,"configurable":false,"configuratorType":null,"addToCartDisabled":null,"addToCartDisabledMessage":null,"tags":null,"sapUnit":null,"keywords":null,"genders":null,"itemtype":"Part","partSubstitute":null,"note":null,"recallNote":null,"note1":null,"note2":null,"note3":null,"note4":null,"note5":null,"pdfAllUser":null,"pdfAuthUser":null,"pdfCOSUser":null,"vaiantRelatedPartList":null,"partHotspotList":null,"itemNumber":49,"partRelatedVariantList":null,"bomCode":2,"totalValue":null,"searchImage":null,"length":null,"width":null,"height":null,"unitOfDimension":null,"weight":null,"unitOfWeight":null,"specialRouting":false,"onlineRepair":null,"previousPartID":null,"sbdDiscountPriceValue":{"currencyIso":"USD","value":5.26,"priceType":"BUY","formattedValue":"$5.26","minQuantity":null,"maxQuantity":null,"sapUnit":{"code":"pieces","name":"Piece"}},"alrCode":null,"productRecallFlag":null,"selectedDocumentId":null,"productDescription":null,"pdpImage":null,"ticketId":null,"qtyRequiredPerVariant":"1","isElgibleForRepair":null,"isPowerEligible":null,"productRecallNotes":null,"productOtherInfo":null,"backorderETA":"00/00/0000","modifiedDate":null,"userLevel":"ALL","displayPrice":null,"baseProductName":null,"firstVariantCode":null,"firstVariantImage":null,"productMarketType":null,"productNumber":null,"typeStatusCode":null,"productCategory":null,"typeNumber":null,"marketCode":null,"regionCode":null,"otherInformation":null,"productTypeStatus":null,"repairInstruction":null,"repairInstructionStatusDescription":null,"typeStatusDate":null,"serviceLifeDate":null,"manufacturerId":null,"parts":null,"language":null,"glossaries":null,"brand":null,"product":null,"brandCode":null,"recallNotes":null,"volume":null},{"code":"P732-04612-CM","name":null,"url":"/c//p/P732-04612-CM","description":"SPRING-EXT","purchasable":true,"stock":{"stockLevelStatus":{"code":"inStock","type":"StockLevelStatus"},"stockLevel":0,"stockThreshold":null},"futureStocks":null,"availableForPickup":null,"averageRating":null,"numberOfReviews":null,"summary":null,"manufacturer":null,"variantType":null,"price":{"currencyIso":"USD","value":9.7,"priceType":"BUY","formattedValue":"$9.70","minQuantity":null,"maxQuantity":null,"sapUnit":{"code":"pieces","name":"Piece"}},"baseProduct":null,"images":[],"categories":null,"reviews":null,"classifications":null,"potentialPromotions":null,"variantOptions":null,"baseOptions":[],"volumePricesFlag":null,"volumePrices":null,"productReferences":null,"variantMatrix":null,"priceRange":null,"firstCategoryNameList":null,"multidimensional":null,"configurable":false,"configuratorType":null,"addToCartDisabled":null,"addToCartDisabledMessage":null,"tags":null,"sapUnit":null,"keywords":null,"genders":null,"itemtype":"Part","partSubstitute":null,"note":null,"recallNote":null,"note1":null,"note2":null,"note3":null,"note4":null,"note5":null,"pdfAllUser":null,"pdfAuthUser":null,"pdfCOSUser":null,"vaiantRelatedPartList":null,"partHotspotList":null,"itemNumber":49,"partRelatedVariantList":null,"bomCode":2,"totalValue":null,"searchImage":null,"length":null,"width":null,"height":null,"unitOfDimension":null,"weight":null,"unitOfWeight":null,"specialRouting":false,"onlineRepair":null,"previousPartID":null,"sbdDiscountPriceValue":{"currencyIso":"USD","value":9.7,"priceType":"BUY","formattedValue":"$9.70","minQuantity":null,"maxQuantity":null,"sapUnit":{"code":"pieces","name":"Piece"}},"alrCode":null,"productRecallFlag":null,"selectedDocumentId":null,"productDescription":null,"pdpImage":null,"ticketId":null,"qtyRequiredPerVariant":"1","isElgibleForRepair":null,"isPowerEligible":null,"productRecallNotes":null,"productOtherInfo":null,"backorderETA":"00/00/0000","modifiedDate":null,"userLevel":"ALL","displayPrice":null,"baseProductName":null,"firstVariantCode":null,"firstVariantImage":null,"productMarketType":null,"productNumber":null,"typeStatusCode":null,"productCategory":null,"typeNumber":null,"marketCode":null,"regionCode":null,"otherInformation":null,"productTypeStatus":null,"repairInstruction":null,"repairInstructionStatusDescription":null,"typeStatusDate":null,"serviceLifeDate":null,"manufacturerId":null,"parts":null,"language":null,"glossaries":null,"brand":null,"product":null,"brandCode":null,"recallNotes":null,"volume":null},{"code":"P735-04081-CM","name":null,"url":"/c//p/P735-04081-CM","description":"GROMMET","purchasable":true,"stock":{"stockLevelStatus":{"code":"inStock","type":"StockLevelStatus"},"stockLevel":0,"stockThreshold":null},"futureStocks":null,"availableForPickup":null,"averageRating":null,"numberOfReviews":null,"summary":null,"manufacturer":null,"variantType":null,"price":{"currencyIso":"USD","value":2.74,"priceType":"BUY","formattedValue":"$2.74","minQuantity":null,"maxQuantity":null,"sapUnit":{"code":"pieces","name":"Piece"}},"baseProduct":null,"images":[],"categories":null,"reviews":null,"classifications":null,"potentialPromotions":null,"variantOptions":null,"baseOptions":[],"volumePricesFlag":null,"volumePrices":null,"productReferences":null,"variantMatrix":null,"priceRange":null,"firstCategoryNameList":null,"multidimensional":null,"configurable":false,"configuratorType":null,"addToCartDisabled":null,"addToCartDisabledMessage":null,"tags":null,"sapUnit":null,"keywords":null,"genders":null,"itemtype":"Part","partSubstitute":null,"note":null,"recallNote":null,"note1":null,"note2":null,"note3":null,"note4":null,"note5":null,"pdfAllUser":null,"pdfAuthUser":null,"pdfCOSUser":null,"vaiantRelatedPartList":null,"partHotspotList":null,"itemNumber":49,"partRelatedVariantList":null,"bomCode":2,"totalValue":null,"searchImage":null,"length":null,"width":null,"height":null,"unitOfDimension":null,"weight":null,"unitOfWeight":null,"specialRouting":false,"onlineRepair":null,"previousPartID":null,"sbdDiscountPriceValue":{"currencyIso":"USD","value":2.74,"priceType":"BUY","formattedValue":"$2.74","minQuantity":null,"maxQuantity":null,"sapUnit":{"code":"pieces","name":"Piece"}},"alrCode":null,"productRecallFlag":null,"selectedDocumentId":null,"productDescription":null,"pdpImage":null,"ticketId":null,"qtyRequiredPerVariant":"1","isElgibleForRepair":null,"isPowerEligible":null,"productRecallNotes":null,"productOtherInfo":null,"backorderETA":"00/00/0000","modifiedDate":null,"userLevel":"ALL","displayPrice":null,"baseProductName":null,"firstVariantCode":null,"firstVariantImage":null,"productMarketType":null,"productNumber":null,"typeStatusCode":null,"productCategory":null,"typeNumber":null,"marketCode":null,"regionCode":null,"otherInformation":null,"productTypeStatus":null,"repairInstruction":null,"repairInstructionStatusDescription":null,"typeStatusDate":null,"serviceLifeDate":null,"manufacturerId":null,"parts":null,"language":null,"glossaries":null,"brand":null,"product":null,"brandCode":null,"recallNotes":null,"volume":null},{"code":"P732-04616B-CM","name":null,"url":"/c//p/P732-04616B-CM","description":"SPRING-EXTEN","purchasable":true,"stock":{"stockLevelStatus":{"code":"inStock","type":"StockLevelStatus"},"stockLevel":0,"stockThreshold":null},"futureStocks":null,"availableForPickup":null,"averageRating":null,"numberOfReviews":null,"summary":null,"manufacturer":null,"variantType":null,"price":{"currencyIso":"USD","value":8.79,"priceType":"BUY","formattedValue":"$8.79","minQuantity":null,"maxQuantity":null,"sapUnit":{"code":"pieces","name":"Piece"}},"baseProduct":null,"images":[],"categories":null,"reviews":null,"classifications":null,"potentialPromotions":null,"variantOptions":null,"baseOptions":[],"volumePricesFlag":null,"volumePrices":null,"productReferences":null,"variantMatrix":null,"priceRange":null,"firstCategoryNameList":null,"multidimensional":null,"configurable":false,"configuratorType":null,"addToCartDisabled":null,"addToCartDisabledMessage":null,"tags":null,"sapUnit":null,"keywords":null,"genders":null,"itemtype":"Part","partSubstitute":null,"note":null,"recallNote":null,"note1":null,"note2":null,"note3":null,"note4":null,"note5":null,"pdfAllUser":null,"pdfAuthUser":null,"pdfCOSUser":null,"vaiantRelatedPartList":null,"partHotspotList":null,"itemNumber":50,"partRelatedVariantList":null,"bomCode":2,"totalValue":null,"searchImage":null,"length":null,"width":null,"height":null,"unitOfDimension":null,"weight":null,"unitOfWeight":null,"specialRouting":false,"onlineRepair":null,"previousPartID":null,"sbdDiscountPriceValue":{"currencyIso":"USD","value":8.79,"priceType":"BUY","formattedValue":"$8.79","minQuantity":null,"maxQuantity":null,"sapUnit":{"code":"pieces","name":"Piece"}},"alrCode":null,"productRecallFlag":null,"selectedDocumentId":null,"productDescription":null,"pdpImage":null,"ticketId":null,"qtyRequiredPerVariant":"1","isElgibleForRepair":null,"isPowerEligible":null,"productRecallNotes":null,"productOtherInfo":null,"backorderETA":"00/00/0000","modifiedDate":null,"userLevel":"ALL","displayPrice":null,"baseProductName":null,"firstVariantCode":null,"firstVariantImage":null,"productMarketType":null,"productNumber":null,"typeStatusCode":null,"productCategory":null,"typeNumber":null,"marketCode":null,"regionCode":null,"otherInformation":null,"productTypeStatus":null,"repairInstruction":null,"repairInstructionStatusDescription":null,"typeStatusDate":null,"serviceLifeDate":null,"manufacturerId":null,"parts":null,"language":null,"glossaries":null,"brand":null,"product":null,"brandCode":null,"recallNotes":null,"volume":null},{"code":"P751-12118-CM","name":null,"url":"/c//p/P751-12118-CM","description":"VALVE-ROLLOV","purchasable":true,"stock":{"stockLevelStatus":{"code":"inStock","type":"StockLevelStatus"},"stockLevel":0,"stockThreshold":null},"futureStocks":null,"availableForPickup":null,"averageRating":null,"numberOfReviews":null,"summary":null,"manufacturer":null,"variantType":null,"price":{"currencyIso":"USD","value":22.22,"priceType":"BUY","formattedValue":"$22.22","minQuantity":null,"maxQuantity":null,"sapUnit":{"code":"pieces","name":"Piece"}},"baseProduct":null,"images":[],"categories":null,"reviews":null,"classifications":null,"potentialPromotions":null,"variantOptions":null,"baseOptions":[],"volumePricesFlag":null,"volumePrices":null,"productReferences":null,"variantMatrix":null,"priceRange":null,"firstCategoryNameList":null,"multidimensional":null,"configurable":false,"configuratorType":null,"addToCartDisabled":null,"addToCartDisabledMessage":null,"tags":null,"sapUnit":null,"keywords":null,"genders":null,"itemtype":"Part","partSubstitute":null,"note":null,"recallNote":null,"note1":null,"note2":null,"note3":null,"note4":null,"note5":null,"pdfAllUser":null,"pdfAuthUser":null,"pdfCOSUser":null,"vaiantRelatedPartList":null,"partHotspotList":null,"itemNumber":50,"partRelatedVariantList":null,"bomCode":2,"totalValue":null,"searchImage":null,"length":null,"width":null,"height":null,"unitOfDimension":null,"weight":null,"unitOfWeight":null,"specialRouting":false,"onlineRepair":null,"previousPartID":null,"sbdDiscountPriceValue":{"currencyIso":"USD","value":22.22,"priceType":"BUY","formattedValue":"$22.22","minQuantity":null,"maxQuantity":null,"sapUnit":{"code":"pieces","name":"Piece"}},"alrCode":null,"productRecallFlag":null,"selectedDocumentId":null,"productDescription":null,"pdpImage":null,"ticketId":null,"qtyRequiredPerVariant":"1","isElgibleForRepair":null,"isPowerEligible":null,"productRecallNotes":null,"productOtherInfo":null,"backorderETA":"00/00/0000","modifiedDate":null,"userLevel":"ALL","displayPrice":null,"baseProductName":null,"firstVariantCode":null,"firstVariantImage":null,"productMarketType":null,"productNumber":null,"typeStatusCode":null,"productCategory":null,"typeNumber":null,"marketCode":null,"regionCode":null,"otherInformation":null,"productTypeStatus":null,"repairInstruction":null,"repairInstructionStatusDescription":null,"typeStatusDate":null,"serviceLifeDate":null,"manufacturerId":null,"parts":null,"language":null,"glossaries":null,"brand":null,"product":null,"brandCode":null,"recallNotes":null,"volume":null},{"code":"P956-1227-CM","name":null,"url":"/c//p/P956-1227-CM","description":"PULLEY-DECK","purchasable":true,"stock":{"stockLevelStatus":{"code":"inStock","type":"StockLevelStatus"},"stockLevel":0,"stockThreshold":null},"futureStocks":null,"availableForPickup":null,"averageRating":null,"numberOfReviews":null,"summary":null,"manufacturer":null,"variantType":null,"price":{"currencyIso":"USD","value":15.92,"priceType":"BUY","formattedValue":"$15.92","minQuantity":null,"maxQuantity":null,"sapUnit":{"code":"pieces","name":"Piece"}},"baseProduct":null,"images":[],"categories":null,"reviews":null,"classifications":null,"potentialPromotions":null,"variantOptions":null,"baseOptions":[],"volumePricesFlag":null,"volumePrices":null,"productReferences":null,"variantMatrix":null,"priceRange":null,"firstCategoryNameList":null,"multidimensional":null,"configurable":false,"configuratorType":null,"addToCartDisabled":null,"addToCartDisabledMessage":null,"tags":null,"sapUnit":null,"keywords":null,"genders":null,"itemtype":"Part","partSubstitute":null,"note":null,"recallNote":null,"note1":null,"note2":null,"note3":null,"note4":null,"note5":null,"pdfAllUser":null,"pdfAuthUser":null,"pdfCOSUser":null,"vaiantRelatedPartList":null,"partHotspotList":null,"itemNumber":50,"partRelatedVariantList":null,"bomCode":2,"totalValue":null,"searchImage":null,"length":null,"width":null,"height":null,"unitOfDimension":null,"weight":null,"unitOfWeight":null,"specialRouting":false,"onlineRepair":null,"previousPartID":null,"sbdDiscountPriceValue":{"currencyIso":"USD","value":15.92,"priceType":"BUY","formattedValue":"$15.92","minQuantity":null,"maxQuantity":null,"sapUnit":{"code":"pieces","name":"Piece"}},"alrCode":null,"productRecallFlag":null,"selectedDocumentId":null,"productDescription":null,"pdpImage":null,"ticketId":null,"qtyRequiredPerVariant":"1","isElgibleForRepair":null,"isPowerEligible":null,"productRecallNotes":null,"productOtherInfo":null,"backorderETA":"00/00/0000","modifiedDate":null,"userLevel":"ALL","displayPrice":null,"baseProductName":null,"firstVariantCode":null,"firstVariantImage":null,"productMarketType":null,"productNumber":null,"typeStatusCode":null,"productCategory":null,"typeNumber":null,"marketCode":null,"regionCode":null,"otherInformation":null,"productTypeStatus":null,"repairInstruction":null,"repairInstructionStatusDescription":null,"typeStatusDate":null,"serviceLifeDate":null,"manufacturerId":null,"parts":null,"language":null,"glossaries":null,"brand":null,"product":null,"brandCode":null,"recallNotes":null,"volume":null},{"code":"P732-04372-CM","name":null,"url":"/c//p/P732-04372-CM","description":"SPRING:TORSI","purchasable":true,"stock":{"stockLevelStatus":{"code":"inStock","type":"StockLevelStatus"},"stockLevel":0,"stockThreshold":null},"futureStocks":null,"availableForPickup":null,"averageRating":null,"numberOfReviews":null,"summary":null,"manufacturer":null,"variantType":null,"price":{"currencyIso":"USD","value":6.15,"priceType":"BUY","formattedValue":"$6.15","minQuantity":null,"maxQuantity":null,"sapUnit":{"code":"pieces","name":"Piece"}},"baseProduct":null,"images":[],"categories":null,"reviews":null,"classifications":null,"potentialPromotions":null,"variantOptions":null,"baseOptions":[],"volumePricesFlag":null,"volumePrices":null,"productReferences":null,"variantMatrix":null,"priceRange":null,"firstCategoryNameList":null,"multidimensional":null,"configurable":false,"configuratorType":null,"addToCartDisabled":null,"addToCartDisabledMessage":null,"tags":null,"sapUnit":null,"keywords":null,"genders":null,"itemtype":"Part","partSubstitute":null,"note":null,"recallNote":null,"note1":null,"note2":null,"note3":null,"note4":null,"note5":null,"pdfAllUser":null,"pdfAuthUser":null,"pdfCOSUser":null,"vaiantRelatedPartList":null,"partHotspotList":null,"itemNumber":51,"partRelatedVariantList":null,"bomCode":2,"totalValue":null,"searchImage":null,"length":null,"width":null,"height":null,"unitOfDimension":null,"weight":null,"unitOfWeight":null,"specialRouting":false,"onlineRepair":null,"previousPartID":null,"sbdDiscountPriceValue":{"currencyIso":"USD","value":6.15,"priceType":"BUY","formattedValue":"$6.15","minQuantity":null,"maxQuantity":null,"sapUnit":{"code":"pieces","name":"Piece"}},"alrCode":null,"productRecallFlag":null,"selectedDocumentId":null,"productDescription":null,"pdpImage":null,"ticketId":null,"qtyRequiredPerVariant":"1","isElgibleForRepair":null,"isPowerEligible":null,"productRecallNotes":null,"productOtherInfo":null,"backorderETA":"00/00/0000","modifiedDate":null,"userLevel":"ALL","displayPrice":null,"baseProductName":null,"firstVariantCode":null,"firstVariantImage":null,"productMarketType":null,"productNumber":null,"typeStatusCode":null,"productCategory":null,"typeNumber":null,"marketCode":null,"regionCode":null,"otherInformation":null,"productTypeStatus":null,"repairInstruction":null,"repairInstructionStatusDescription":null,"typeStatusDate":null,"serviceLifeDate":null,"manufacturerId":null,"parts":null,"language":null,"glossaries":null,"brand":null,"product":null,"brandCode":null,"recallNotes":null,"volume":null},{"code":"P751-12089-CM","name":null,"url":"/c//p/P751-12089-CM","description":"VENT HOSE","purchasable":true,"stock":{"stockLevelStatus":{"code":"inStock","type":"StockLevelStatus"},"stockLevel":0,"stockThreshold":null},"futureStocks":null,"availableForPickup":null,"averageRating":null,"numberOfReviews":null,"summary":null,"manufacturer":null,"variantType":null,"price":{"currencyIso":"USD","value":3.84,"priceType":"BUY","formattedValue":"$3.84","minQuantity":null,"maxQuantity":null,"sapUnit":{"code":"pieces","name":"Piece"}},"baseProduct":null,"images":[],"categories":null,"reviews":null,"classifications":null,"potentialPromotions":null,"variantOptions":null,"baseOptions":[],"volumePricesFlag":null,"volumePrices":null,"productReferences":null,"variantMatrix":null,"priceRange":null,"firstCategoryNameList":null,"multidimensional":null,"configurable":false,"configuratorType":null,"addToCartDisabled":null,"addToCartDisabledMessage":null,"tags":null,"sapUnit":null,"keywords":null,"genders":null,"itemtype":"Part","partSubstitute":null,"note":null,"recallNote":null,"note1":null,"note2":null,"note3":null,"note4":null,"note5":null,"pdfAllUser":null,"pdfAuthUser":null,"pdfCOSUser":null,"vaiantRelatedPartList":null,"partHotspotList":null,"itemNumber":51,"partRelatedVariantList":null,"bomCode":2,"totalValue":null,"searchImage":null,"length":null,"width":null,"height":null,"unitOfDimension":null,"weight":null,"unitOfWeight":null,"specialRouting":false,"onlineRepair":null,"previousPartID":null,"sbdDiscountPriceValue":{"currencyIso":"USD","value":3.84,"priceType":"BUY","formattedValue":"$3.84","minQuantity":null,"maxQuantity":null,"sapUnit":{"code":"pieces","name":"Piece"}},"alrCode":null,"productRecallFlag":null,"selectedDocumentId":null,"productDescription":null,"pdpImage":null,"ticketId":null,"qtyRequiredPerVariant":"1","isElgibleForRepair":null,"isPowerEligible":null,"productRecallNotes":null,"productOtherInfo":null,"backorderETA":"00/00/0000","modifiedDate":null,"userLevel":"ALL","displayPrice":null,"baseProductName":null,"firstVariantCode":null,"firstVariantImage":null,"productMarketType":null,"productNumber":null,"typeStatusCode":null,"productCategory":null,"typeNumber":null,"marketCode":null,"regionCode":null,"otherInformation":null,"productTypeStatus":null,"repairInstruction":null,"repairInstructionStatusDescription":null,"typeStatusDate":null,"serviceLifeDate":null,"manufacturerId":null,"parts":null,"language":null,"glossaries":null,"brand":null,"product":null,"brandCode":null,"recallNotes":null,"volume":null},{"code":"P753-08301-CM","name":null,"url":"/c//p/P753-08301-CM","description":"KIT:SVC","purchasable":true,"stock":{"stockLevelStatus":{"code":"inStock","type":"StockLevelStatus"},"stockLevel":0,"stockThreshold":null},"futureStocks":null,"availableForPickup":null,"averageRating":null,"numberOfReviews":null,"summary":null,"manufacturer":null,"variantType":null,"price":{"currencyIso":"USD","value":10.16,"priceType":"BUY","formattedValue":"$10.16","minQuantity":null,"maxQuantity":null,"sapUnit":{"code":"pieces","name":"Piece"}},"baseProduct":null,"images":[],"categories":null,"reviews":null,"classifications":null,"potentialPromotions":null,"variantOptions":null,"baseOptions":[],"volumePricesFlag":null,"volumePrices":null,"productReferences":null,"variantMatrix":null,"priceRange":null,"firstCategoryNameList":null,"multidimensional":null,"configurable":false,"configuratorType":null,"addToCartDisabled":null,"addToCartDisabledMessage":null,"tags":null,"sapUnit":null,"keywords":null,"genders":null,"itemtype":"Part","partSubstitute":null,"note":null,"recallNote":null,"note1":null,"note2":null,"note3":null,"note4":null,"note5":null,"pdfAllUser":null,"pdfAuthUser":null,"pdfCOSUser":null,"vaiantRelatedPartList":null,"partHotspotList":null,"itemNumber":51,"partRelatedVariantList":null,"bomCode":2,"totalValue":null,"searchImage":null,"length":null,"width":null,"height":null,"unitOfDimension":null,"weight":null,"unitOfWeight":null,"specialRouting":false,"onlineRepair":null,"previousPartID":null,"sbdDiscountPriceValue":{"currencyIso":"USD","value":10.16,"priceType":"BUY","formattedValue":"$10.16","minQuantity":null,"maxQuantity":null,"sapUnit":{"code":"pieces","name":"Piece"}},"alrCode":null,"productRecallFlag":null,"selectedDocumentId":null,"productDescription":null,"pdpImage":null,"ticketId":null,"qtyRequiredPerVariant":"1","isElgibleForRepair":null,"isPowerEligible":null,"productRecallNotes":null,"productOtherInfo":null,"backorderETA":"00/00/0000","modifiedDate":null,"userLevel":"ALL","displayPrice":null,"baseProductName":null,"firstVariantCode":null,"firstVariantImage":null,"productMarketType":null,"productNumber":null,"typeStatusCode":null,"productCategory":null,"typeNumber":null,"marketCode":null,"regionCode":null,"otherInformation":null,"productTypeStatus":null,"repairInstruction":null,"repairInstructionStatusDescription":null,"typeStatusDate":null,"serviceLifeDate":null,"manufacturerId":null,"parts":null,"language":null,"glossaries":null,"brand":null,"product":null,"brandCode":null,"recallNotes":null,"volume":null},{"code":"P710-1652-CM","name":null,"url":"/c//p/P710-1652-CM","description":"SCREW HEX.WA","purchasable":true,"stock":{"stockLevelStatus":{"code":"inStock","type":"StockLevelStatus"},"stockLevel":0,"stockThreshold":null},"futureStocks":null,"availableForPickup":null,"averageRating":null,"numberOfReviews":null,"summary":null,"manufacturer":null,"variantType":null,"price":{"currencyIso":"USD","value":2.66,"priceType":"BUY","formattedValue":"$2.66","minQuantity":null,"maxQuantity":null,"sapUnit":{"code":"pieces","name":"Piece"}},"baseProduct":null,"images":[],"categories":null,"reviews":null,"classifications":null,"potentialPromotions":null,"variantOptions":null,"baseOptions":[],"volumePricesFlag":null,"volumePrices":null,"productReferences":null,"variantMatrix":null,"priceRange":null,"firstCategoryNameList":null,"multidimensional":null,"configurable":false,"configuratorType":null,"addToCartDisabled":null,"addToCartDisabledMessage":null,"tags":null,"sapUnit":null,"keywords":null,"genders":null,"itemtype":"Part","partSubstitute":null,"note":null,"recallNote":null,"note1":null,"note2":null,"note3":null,"note4":null,"note5":null,"pdfAllUser":null,"pdfAuthUser":null,"pdfCOSUser":null,"vaiantRelatedPartList":null,"partHotspotList":null,"itemNumber":52,"partRelatedVariantList":null,"bomCode":2,"totalValue":null,"searchImage":null,"length":null,"width":null,"height":null,"unitOfDimension":null,"weight":null,"unitOfWeight":null,"specialRouting":false,"onlineRepair":null,"previousPartID":null,"sbdDiscountPriceValue":{"currencyIso":"USD","value":2.66,"priceType":"BUY","formattedValue":"$2.66","minQuantity":null,"maxQuantity":null,"sapUnit":{"code":"pieces","name":"Piece"}},"alrCode":null,"productRecallFlag":null,"selectedDocumentId":null,"productDescription":null,"pdpImage":null,"ticketId":null,"qtyRequiredPerVariant":"1","isElgibleForRepair":null,"isPowerEligible":null,"productRecallNotes":null,"productOtherInfo":null,"backorderETA":"00/00/0000","modifiedDate":null,"userLevel":"ALL","displayPrice":null,"baseProductName":null,"firstVariantCode":null,"firstVariantImage":null,"productMarketType":null,"productNumber":null,"typeStatusCode":null,"productCategory":null,"typeNumber":null,"marketCode":null,"regionCode":null,"otherInformation":null,"productTypeStatus":null,"repairInstruction":null,"repairInstructionStatusDescription":null,"typeStatusDate":null,"serviceLifeDate":null,"manufacturerId":null,"parts":null,"language":null,"glossaries":null,"brand":null,"product":null,"brandCode":null,"recallNotes":null,"volume":null},{"code":"P732-0716D-CM","name":null,"url":"/c//p/P732-0716D-CM","description":"SPR:EXTN","purchasable":true,"stock":{"stockLevelStatus":{"code":"inStock","type":"StockLevelStatus"},"stockLevel":0,"stockThreshold":null},"futureStocks":null,"availableForPickup":null,"averageRating":null,"numberOfReviews":null,"summary":null,"manufacturer":null,"variantType":null,"price":{"currencyIso":"USD","value":7.92,"priceType":"BUY","formattedValue":"$7.92","minQuantity":null,"maxQuantity":null,"sapUnit":{"code":"pieces","name":"Piece"}},"baseProduct":null,"images":[],"categories":null,"reviews":null,"classifications":null,"potentialPromotions":null,"variantOptions":null,"baseOptions":[],"volumePricesFlag":null,"volumePrices":null,"productReferences":null,"variantMatrix":null,"priceRange":null,"firstCategoryNameList":null,"multidimensional":null,"configurable":false,"configuratorType":null,"addToCartDisabled":null,"addToCartDisabledMessage":null,"tags":null,"sapUnit":null,"keywords":null,"genders":null,"itemtype":"Part","partSubstitute":null,"note":null,"recallNote":null,"note1":null,"note2":null,"note3":null,"note4":null,"note5":null,"pdfAllUser":null,"pdfAuthUser":null,"pdfCOSUser":null,"vaiantRelatedPartList":null,"partHotspotList":null,"itemNumber":52,"partRelatedVariantList":null,"bomCode":2,"totalValue":null,"searchImage":null,"length":null,"width":null,"height":null,"unitOfDimension":null,"weight":null,"unitOfWeight":null,"specialRouting":false,"onlineRepair":null,"previousPartID":null,"sbdDiscountPriceValue":{"currencyIso":"USD","value":7.92,"priceType":"BUY","formattedValue":"$7.92","minQuantity":null,"maxQuantity":null,"sapUnit":{"code":"pieces","name":"Piece"}},"alrCode":null,"productRecallFlag":null,"selectedDocumentId":null,"productDescription":null,"pdpImage":null,"ticketId":null,"qtyRequiredPerVariant":"1","isElgibleForRepair":null,"isPowerEligible":null,"productRecallNotes":null,"productOtherInfo":null,"backorderETA":"00/00/0000","modifiedDate":null,"userLevel":"ALL","displayPrice":null,"baseProductName":null,"firstVariantCode":null,"firstVariantImage":null,"productMarketType":null,"productNumber":null,"typeStatusCode":null,"productCategory":null,"typeNumber":null,"marketCode":null,"regionCode":null,"otherInformation":null,"productTypeStatus":null,"repairInstruction":null,"repairInstructionStatusDescription":null,"typeStatusDate":null,"serviceLifeDate":null,"manufacturerId":null,"parts":null,"language":null,"glossaries":null,"brand":null,"product":null,"brandCode":null,"recallNotes":null,"volume":null},{"code":"P783-05946-CM","name":null,"url":"/c//p/P783-05946-CM","description":"BRKT-IDLER","purchasable":true,"stock":{"stockLevelStatus":{"code":"inStock","type":"StockLevelStatus"},"stockLevel":0,"stockThreshold":null},"futureStocks":null,"availableForPickup":null,"averageRating":null,"numberOfReviews":null,"summary":null,"manufacturer":null,"variantType":null,"price":{"currencyIso":"USD","value":23.24,"priceType":"BUY","formattedValue":"$23.24","minQuantity":null,"maxQuantity":null,"sapUnit":{"code":"pieces","name":"Piece"}},"baseProduct":null,"images":[],"categories":null,"reviews":null,"classifications":null,"potentialPromotions":null,"variantOptions":null,"baseOptions":[],"volumePricesFlag":null,"volumePrices":null,"productReferences":null,"variantMatrix":null,"priceRange":null,"firstCategoryNameList":null,"multidimensional":null,"configurable":false,"configuratorType":null,"addToCartDisabled":null,"addToCartDisabledMessage":null,"tags":null,"sapUnit":null,"keywords":null,"genders":null,"itemtype":"Part","partSubstitute":null,"note":null,"recallNote":null,"note1":null,"note2":null,"note3":null,"note4":null,"note5":null,"pdfAllUser":null,"pdfAuthUser":null,"pdfCOSUser":null,"vaiantRelatedPartList":null,"partHotspotList":null,"itemNumber":52,"partRelatedVariantList":null,"bomCode":2,"totalValue":null,"searchImage":null,"length":null,"width":null,"height":null,"unitOfDimension":null,"weight":null,"unitOfWeight":null,"specialRouting":false,"onlineRepair":null,"previousPartID":null,"sbdDiscountPriceValue":{"currencyIso":"USD","value":23.24,"priceType":"BUY","formattedValue":"$23.24","minQuantity":null,"maxQuantity":null,"sapUnit":{"code":"pieces","name":"Piece"}},"alrCode":null,"productRecallFlag":null,"selectedDocumentId":null,"productDescription":null,"pdpImage":null,"ticketId":null,"qtyRequiredPerVariant":"1","isElgibleForRepair":null,"isPowerEligible":null,"productRecallNotes":null,"productOtherInfo":null,"backorderETA":"00/00/0000","modifiedDate":null,"userLevel":"ALL","displayPrice":null,"baseProductName":null,"firstVariantCode":null,"firstVariantImage":null,"productMarketType":null,"productNumber":null,"typeStatusCode":null,"productCategory":null,"typeNumber":null,"marketCode":null,"regionCode":null,"otherInformation":null,"productTypeStatus":null,"repairInstruction":null,"repairInstructionStatusDescription":null,"typeStatusDate":null,"serviceLifeDate":null,"manufacturerId":null,"parts":null,"language":null,"glossaries":null,"brand":null,"product":null,"brandCode":null,"recallNotes":null,"volume":null},{"code":"P5140221-57","name":null,"url":"/c//p/P5140221-57","description":"BRKT-ENGAGE","purchasable":true,"stock":{"stockLevelStatus":{"code":"inStock","type":"StockLevelStatus"},"stockLevel":0,"stockThreshold":null},"futureStocks":null,"availableForPickup":null,"averageRating":null,"numberOfReviews":null,"summary":null,"manufacturer":null,"variantType":null,"price":{"currencyIso":"USD","value":6.26,"priceType":"BUY","formattedValue":"$6.26","minQuantity":null,"maxQuantity":null,"sapUnit":{"code":"pieces","name":"Piece"}},"baseProduct":null,"images":[],"categories":null,"reviews":null,"classifications":null,"potentialPromotions":null,"variantOptions":null,"baseOptions":[],"volumePricesFlag":null,"volumePrices":null,"productReferences":null,"variantMatrix":null,"priceRange":null,"firstCategoryNameList":null,"multidimensional":null,"configurable":false,"configuratorType":null,"addToCartDisabled":null,"addToCartDisabledMessage":null,"tags":null,"sapUnit":null,"keywords":null,"genders":null,"itemtype":"Part","partSubstitute":null,"note":null,"recallNote":null,"note1":null,"note2":null,"note3":null,"note4":null,"note5":null,"pdfAllUser":null,"pdfAuthUser":null,"pdfCOSUser":null,"vaiantRelatedPartList":null,"partHotspotList":null,"itemNumber":53,"partRelatedVariantList":null,"bomCode":2,"totalValue":null,"searchImage":null,"length":null,"width":null,"height":null,"unitOfDimension":null,"weight":null,"unitOfWeight":null,"specialRouting":false,"onlineRepair":null,"previousPartID":null,"sbdDiscountPriceValue":{"currencyIso":"USD","value":6.26,"priceType":"BUY","formattedValue":"$6.26","minQuantity":null,"maxQuantity":null,"sapUnit":{"code":"pieces","name":"Piece"}},"alrCode":null,"productRecallFlag":null,"selectedDocumentId":null,"productDescription":null,"pdpImage":null,"ticketId":null,"qtyRequiredPerVariant":"1","isElgibleForRepair":null,"isPowerEligible":null,"productRecallNotes":null,"productOtherInfo":null,"backorderETA":"00/00/0000","modifiedDate":null,"userLevel":"ALL","displayPrice":null,"baseProductName":null,"firstVariantCode":null,"firstVariantImage":null,"productMarketType":null,"productNumber":null,"typeStatusCode":null,"productCategory":null,"typeNumber":null,"marketCode":null,"regionCode":null,"otherInformation":null,"productTypeStatus":null,"repairInstruction":null,"repairInstructionStatusDescription":null,"typeStatusDate":null,"serviceLifeDate":null,"manufacturerId":null,"parts":null,"language":null,"glossaries":null,"brand":null,"product":null,"brandCode":null,"recallNotes":null,"volume":null},{"code":"P735-0239A-CM","name":null,"url":"/c//p/P735-0239A-CM","description":"PAD","purchasable":true,"stock":{"stockLevelStatus":{"code":"inStock","type":"StockLevelStatus"},"stockLevel":0,"stockThreshold":null},"futureStocks":null,"availableForPickup":null,"averageRating":null,"numberOfReviews":null,"summary":null,"manufacturer":null,"variantType":null,"price":{"currencyIso":"USD","value":7.42,"priceType":"BUY","formattedValue":"$7.42","minQuantity":null,"maxQuantity":null,"sapUnit":{"code":"pieces","name":"Piece"}},"baseProduct":null,"images":[],"categories":null,"reviews":null,"classifications":null,"potentialPromotions":null,"variantOptions":null,"baseOptions":[],"volumePricesFlag":null,"volumePrices":null,"productReferences":null,"variantMatrix":null,"priceRange":null,"firstCategoryNameList":null,"multidimensional":null,"configurable":false,"configuratorType":null,"addToCartDisabled":null,"addToCartDisabledMessage":null,"tags":null,"sapUnit":null,"keywords":null,"genders":null,"itemtype":"Part","partSubstitute":null,"note":null,"recallNote":null,"note1":null,"note2":null,"note3":null,"note4":null,"note5":null,"pdfAllUser":null,"pdfAuthUser":null,"pdfCOSUser":null,"vaiantRelatedPartList":null,"partHotspotList":null,"itemNumber":53,"partRelatedVariantList":null,"bomCode":2,"totalValue":null,"searchImage":null,"length":null,"width":null,"height":null,"unitOfDimension":null,"weight":null,"unitOfWeight":null,"specialRouting":false,"onlineRepair":null,"previousPartID":null,"sbdDiscountPriceValue":{"currencyIso":"USD","value":7.42,"priceType":"BUY","formattedValue":"$7.42","minQuantity":null,"maxQuantity":null,"sapUnit":{"code":"pieces","name":"Piece"}},"alrCode":null,"productRecallFlag":null,"selectedDocumentId":null,"productDescription":null,"pdpImage":null,"ticketId":null,"qtyRequiredPerVariant":"1","isElgibleForRepair":null,"isPowerEligible":null,"productRecallNotes":null,"productOtherInfo":null,"backorderETA":"00/00/0000","modifiedDate":null,"userLevel":"ALL","displayPrice":null,"baseProductName":null,"firstVariantCode":null,"firstVariantImage":null,"productMarketType":null,"productNumber":null,"typeStatusCode":null,"productCategory":null,"typeNumber":null,"marketCode":null,"regionCode":null,"otherInformation":null,"productTypeStatus":null,"repairInstruction":null,"repairInstructionStatusDescription":null,"typeStatusDate":null,"serviceLifeDate":null,"manufacturerId":null,"parts":null,"language":null,"glossaries":null,"brand":null,"product":null,"brandCode":null,"recallNotes":null,"volume":null},{"code":"P931-08542-CM","name":null,"url":"/c//p/P931-08542-CM","description":"DASH","purchasable":true,"stock":{"stockLevelStatus":{"code":"inStock","type":"StockLevelStatus"},"stockLevel":0,"stockThreshold":null},"futureStocks":null,"availableForPickup":null,"averageRating":null,"numberOfReviews":null,"summary":null,"manufacturer":null,"variantType":null,"price":{"currencyIso":"USD","value":24.4,"priceType":"BUY","formattedValue":"$24.40","minQuantity":null,"maxQuantity":null,"sapUnit":{"code":"pieces","name":"Piece"}},"baseProduct":null,"images":[],"categories":null,"reviews":null,"classifications":null,"potentialPromotions":null,"variantOptions":null,"baseOptions":[],"volumePricesFlag":null,"volumePrices":null,"productReferences":null,"variantMatrix":null,"priceRange":null,"firstCategoryNameList":null,"multidimensional":null,"configurable":false,"configuratorType":null,"addToCartDisabled":null,"addToCartDisabledMessage":null,"tags":null,"sapUnit":null,"keywords":null,"genders":null,"itemtype":"Part","partSubstitute":null,"note":null,"recallNote":null,"note1":null,"note2":null,"note3":null,"note4":null,"note5":null,"pdfAllUser":null,"pdfAuthUser":null,"pdfCOSUser":null,"vaiantRelatedPartList":null,"partHotspotList":null,"itemNumber":53,"partRelatedVariantList":null,"bomCode":2,"totalValue":null,"searchImage":null,"length":null,"width":null,"height":null,"unitOfDimension":null,"weight":null,"unitOfWeight":null,"specialRouting":false,"onlineRepair":null,"previousPartID":null,"sbdDiscountPriceValue":{"currencyIso":"USD","value":24.4,"priceType":"BUY","formattedValue":"$24.40","minQuantity":null,"maxQuantity":null,"sapUnit":{"code":"pieces","name":"Piece"}},"alrCode":null,"productRecallFlag":null,"selectedDocumentId":null,"productDescription":null,"pdpImage":null,"ticketId":null,"qtyRequiredPerVariant":"1","isElgibleForRepair":null,"isPowerEligible":null,"productRecallNotes":null,"productOtherInfo":null,"backorderETA":"00/00/0000","modifiedDate":null,"userLevel":"ALL","displayPrice":null,"baseProductName":null,"firstVariantCode":null,"firstVariantImage":null,"productMarketType":null,"productNumber":null,"typeStatusCode":null,"productCategory":null,"typeNumber":null,"marketCode":null,"regionCode":null,"otherInformation":null,"productTypeStatus":null,"repairInstruction":null,"repairInstructionStatusDescription":null,"typeStatusDate":null,"serviceLifeDate":null,"manufacturerId":null,"parts":null,"language":null,"glossaries":null,"brand":null,"product":null,"brandCode":null,"recallNotes":null,"volume":null},{"code":"P5140221-59","name":null,"url":"/c//p/P5140221-59","description":"BRACKET","purchasable":true,"stock":{"stockLevelStatus":{"code":"inStock","type":"StockLevelStatus"},"stockLevel":0,"stockThreshold":null},"futureStocks":null,"availableForPickup":null,"averageRating":null,"numberOfReviews":null,"summary":null,"manufacturer":null,"variantType":null,"price":{"currencyIso":"USD","value":12.87,"priceType":"BUY","formattedValue":"$12.87","minQuantity":null,"maxQuantity":null,"sapUnit":{"code":"pieces","name":"Piece"}},"baseProduct":null,"images":[],"categories":null,"reviews":null,"classifications":null,"potentialPromotions":null,"variantOptions":null,"baseOptions":[],"volumePricesFlag":null,"volumePrices":null,"productReferences":null,"variantMatrix":null,"priceRange":null,"firstCategoryNameList":null,"multidimensional":null,"configurable":false,"configuratorType":null,"addToCartDisabled":null,"addToCartDisabledMessage":null,"tags":null,"sapUnit":null,"keywords":null,"genders":null,"itemtype":"Part","partSubstitute":null,"note":null,"recallNote":null,"note1":null,"note2":null,"note3":null,"note4":null,"note5":null,"pdfAllUser":null,"pdfAuthUser":null,"pdfCOSUser":null,"vaiantRelatedPartList":null,"partHotspotList":null,"itemNumber":54,"partRelatedVariantList":null,"bomCode":2,"totalValue":null,"searchImage":null,"length":null,"width":null,"height":null,"unitOfDimension":null,"weight":null,"unitOfWeight":null,"specialRouting":false,"onlineRepair":null,"previousPartID":null,"sbdDiscountPriceValue":{"currencyIso":"USD","value":12.87,"priceType":"BUY","formattedValue":"$12.87","minQuantity":null,"maxQuantity":null,"sapUnit":{"code":"pieces","name":"Piece"}},"alrCode":null,"productRecallFlag":null,"selectedDocumentId":null,"productDescription":null,"pdpImage":null,"ticketId":null,"qtyRequiredPerVariant":"1","isElgibleForRepair":null,"isPowerEligible":null,"productRecallNotes":null,"productOtherInfo":null,"backorderETA":"00/00/0000","modifiedDate":null,"userLevel":"ALL","displayPrice":null,"baseProductName":null,"firstVariantCode":null,"firstVariantImage":null,"productMarketType":null,"productNumber":null,"typeStatusCode":null,"productCategory":null,"typeNumber":null,"marketCode":null,"regionCode":null,"otherInformation":null,"productTypeStatus":null,"repairInstruction":null,"repairInstructionStatusDescription":null,"typeStatusDate":null,"serviceLifeDate":null,"manufacturerId":null,"parts":null,"language":null,"glossaries":null,"brand":null,"product":null,"brandCode":null,"recallNotes":null,"volume":null},{"code":"P710-05237-CM","name":null,"url":"/c//p/P710-05237-CM","description":"BOLT","purchasable":true,"stock":{"stockLevelStatus":{"code":"inStock","type":"StockLevelStatus"},"stockLevel":0,"stockThreshold":null},"futureStocks":null,"availableForPickup":null,"averageRating":null,"numberOfReviews":null,"summary":null,"manufacturer":null,"variantType":null,"price":{"currencyIso":"USD","value":2.31,"priceType":"BUY","formattedValue":"$2.31","minQuantity":null,"maxQuantity":null,"sapUnit":{"code":"pieces","name":"Piece"}},"baseProduct":null,"images":[],"categories":null,"reviews":null,"classifications":null,"potentialPromotions":null,"variantOptions":null,"baseOptions":[],"volumePricesFlag":null,"volumePrices":null,"productReferences":null,"variantMatrix":null,"priceRange":null,"firstCategoryNameList":null,"multidimensional":null,"configurable":false,"configuratorType":null,"addToCartDisabled":null,"addToCartDisabledMessage":null,"tags":null,"sapUnit":null,"keywords":null,"genders":null,"itemtype":"Part","partSubstitute":null,"note":null,"recallNote":null,"note1":null,"note2":null,"note3":null,"note4":null,"note5":null,"pdfAllUser":null,"pdfAuthUser":null,"pdfCOSUser":null,"vaiantRelatedPartList":null,"partHotspotList":null,"itemNumber":54,"partRelatedVariantList":null,"bomCode":2,"totalValue":null,"searchImage":null,"length":null,"width":null,"height":null,"unitOfDimension":null,"weight":null,"unitOfWeight":null,"specialRouting":false,"onlineRepair":null,"previousPartID":null,"sbdDiscountPriceValue":{"currencyIso":"USD","value":2.31,"priceType":"BUY","formattedValue":"$2.31","minQuantity":null,"maxQuantity":null,"sapUnit":{"code":"pieces","name":"Piece"}},"alrCode":null,"productRecallFlag":null,"selectedDocumentId":null,"productDescription":null,"pdpImage":null,"ticketId":null,"qtyRequiredPerVariant":"1","isElgibleForRepair":null,"isPowerEligible":null,"productRecallNotes":null,"productOtherInfo":null,"backorderETA":"00/00/0000","modifiedDate":null,"userLevel":"ALL","displayPrice":null,"baseProductName":null,"firstVariantCode":null,"firstVariantImage":null,"productMarketType":null,"productNumber":null,"typeStatusCode":null,"productCategory":null,"typeNumber":null,"marketCode":null,"regionCode":null,"otherInformation":null,"productTypeStatus":null,"repairInstruction":null,"repairInstructionStatusDescription":null,"typeStatusDate":null,"serviceLifeDate":null,"manufacturerId":null,"parts":null,"language":null,"glossaries":null,"brand":null,"product":null,"brandCode":null,"recallNotes":null,"volume":null},{"code":"P735-04272-CM","name":null,"url":"/c//p/P735-04272-CM","description":"PAD","purchasable":true,"stock":{"stockLevelStatus":{"code":"inStock","type":"StockLevelStatus"},"stockLevel":0,"stockThreshold":null},"futureStocks":null,"availableForPickup":null,"averageRating":null,"numberOfReviews":null,"summary":null,"manufacturer":null,"variantType":null,"price":{"currencyIso":"USD","value":4.7,"priceType":"BUY","formattedValue":"$4.70","minQuantity":null,"maxQuantity":null,"sapUnit":{"code":"pieces","name":"Piece"}},"baseProduct":null,"images":[],"categories":null,"reviews":null,"classifications":null,"potentialPromotions":null,"variantOptions":null,"baseOptions":[],"volumePricesFlag":null,"volumePrices":null,"productReferences":null,"variantMatrix":null,"priceRange":null,"firstCategoryNameList":null,"multidimensional":null,"configurable":false,"configuratorType":null,"addToCartDisabled":null,"addToCartDisabledMessage":null,"tags":null,"sapUnit":null,"keywords":null,"genders":null,"itemtype":"Part","partSubstitute":null,"note":null,"recallNote":null,"note1":null,"note2":null,"note3":null,"note4":null,"note5":null,"pdfAllUser":null,"pdfAuthUser":null,"pdfCOSUser":null,"vaiantRelatedPartList":null,"partHotspotList":null,"itemNumber":54,"partRelatedVariantList":null,"bomCode":2,"totalValue":null,"searchImage":null,"length":null,"width":null,"height":null,"unitOfDimension":null,"weight":null,"unitOfWeight":null,"specialRouting":false,"onlineRepair":null,"previousPartID":null,"sbdDiscountPriceValue":{"currencyIso":"USD","value":4.7,"priceType":"BUY","formattedValue":"$4.70","minQuantity":null,"maxQuantity":null,"sapUnit":{"code":"pieces","name":"Piece"}},"alrCode":null,"productRecallFlag":null,"selectedDocumentId":null,"productDescription":null,"pdpImage":null,"ticketId":null,"qtyRequiredPerVariant":"1","isElgibleForRepair":null,"isPowerEligible":null,"productRecallNotes":null,"productOtherInfo":null,"backorderETA":"00/00/0000","modifiedDate":null,"userLevel":"ALL","displayPrice":null,"baseProductName":null,"firstVariantCode":null,"firstVariantImage":null,"productMarketType":null,"productNumber":null,"typeStatusCode":null,"productCategory":null,"typeNumber":null,"marketCode":null,"regionCode":null,"otherInformation":null,"productTypeStatus":null,"repairInstruction":null,"repairInstructionStatusDescription":null,"typeStatusDate":null,"serviceLifeDate":null,"manufacturerId":null,"parts":null,"language":null,"glossaries":null,"brand":null,"product":null,"brandCode":null,"recallNotes":null,"volume":null},{"code":"P712-0414-CM","name":null,"url":"/c//p/P712-0414-CM","description":"WELD NUT","purchasable":true,"stock":{"stockLevelStatus":{"code":"inStock","type":"StockLevelStatus"},"stockLevel":0,"stockThreshold":null},"futureStocks":null,"availableForPickup":null,"averageRating":null,"numberOfReviews":null,"summary":null,"manufacturer":null,"variantType":null,"price":{"currencyIso":"USD","value":2.66,"priceType":"BUY","formattedValue":"$2.66","minQuantity":null,"maxQuantity":null,"sapUnit":{"code":"pieces","name":"Piece"}},"baseProduct":null,"images":[],"categories":null,"reviews":null,"classifications":null,"potentialPromotions":null,"variantOptions":null,"baseOptions":[],"volumePricesFlag":null,"volumePrices":null,"productReferences":null,"variantMatrix":null,"priceRange":null,"firstCategoryNameList":null,"multidimensional":null,"configurable":false,"configuratorType":null,"addToCartDisabled":null,"addToCartDisabledMessage":null,"tags":null,"sapUnit":null,"keywords":null,"genders":null,"itemtype":"Part","partSubstitute":null,"note":null,"recallNote":null,"note1":null,"note2":null,"note3":null,"note4":null,"note5":null,"pdfAllUser":null,"pdfAuthUser":null,"pdfCOSUser":null,"vaiantRelatedPartList":null,"partHotspotList":null,"itemNumber":55,"partRelatedVariantList":null,"bomCode":2,"totalValue":null,"searchImage":null,"length":null,"width":null,"height":null,"unitOfDimension":null,"weight":null,"unitOfWeight":null,"specialRouting":false,"onlineRepair":null,"previousPartID":null,"sbdDiscountPriceValue":{"currencyIso":"USD","value":2.66,"priceType":"BUY","formattedValue":"$2.66","minQuantity":null,"maxQuantity":null,"sapUnit":{"code":"pieces","name":"Piece"}},"alrCode":null,"productRecallFlag":null,"selectedDocumentId":null,"productDescription":null,"pdpImage":null,"ticketId":null,"qtyRequiredPerVariant":"1","isElgibleForRepair":null,"isPowerEligible":null,"productRecallNotes":null,"productOtherInfo":null,"backorderETA":"00/00/0000","modifiedDate":null,"userLevel":"ALL","displayPrice":null,"baseProductName":null,"firstVariantCode":null,"firstVariantImage":null,"productMarketType":null,"productNumber":null,"typeStatusCode":null,"productCategory":null,"typeNumber":null,"marketCode":null,"regionCode":null,"otherInformation":null,"productTypeStatus":null,"repairInstruction":null,"repairInstructionStatusDescription":null,"typeStatusDate":null,"serviceLifeDate":null,"manufacturerId":null,"parts":null,"language":null,"glossaries":null,"brand":null,"product":null,"brandCode":null,"recallNotes":null,"volume":null},{"code":"P936-0169-CM","name":null,"url":"/c//p/P936-0169-CM","description":"WASHER-LOCK-","purchasable":true,"stock":{"stockLevelStatus":{"code":"inStock","type":"StockLevelStatus"},"stockLevel":0,"stockThreshold":null},"futureStocks":null,"availableForPickup":null,"averageRating":null,"numberOfReviews":null,"summary":null,"manufacturer":null,"variantType":null,"price":{"currencyIso":"USD","value":2.29,"priceType":"BUY","formattedValue":"$2.29","minQuantity":null,"maxQuantity":null,"sapUnit":{"code":"pieces","name":"Piece"}},"baseProduct":null,"images":[],"categories":null,"reviews":null,"classifications":null,"potentialPromotions":null,"variantOptions":null,"baseOptions":[],"volumePricesFlag":null,"volumePrices":null,"productReferences":null,"variantMatrix":null,"priceRange":null,"firstCategoryNameList":null,"multidimensional":null,"configurable":false,"configuratorType":null,"addToCartDisabled":null,"addToCartDisabledMessage":null,"tags":null,"sapUnit":null,"keywords":null,"genders":null,"itemtype":"Part","partSubstitute":null,"note":null,"recallNote":null,"note1":null,"note2":null,"note3":null,"note4":null,"note5":null,"pdfAllUser":null,"pdfAuthUser":null,"pdfCOSUser":null,"vaiantRelatedPartList":null,"partHotspotList":null,"itemNumber":55,"partRelatedVariantList":null,"bomCode":2,"totalValue":null,"searchImage":null,"length":null,"width":null,"height":null,"unitOfDimension":null,"weight":null,"unitOfWeight":null,"specialRouting":false,"onlineRepair":null,"previousPartID":null,"sbdDiscountPriceValue":{"currencyIso":"USD","value":2.29,"priceType":"BUY","formattedValue":"$2.29","minQuantity":null,"maxQuantity":null,"sapUnit":{"code":"pieces","name":"Piece"}},"alrCode":null,"productRecallFlag":null,"selectedDocumentId":null,"productDescription":null,"pdpImage":null,"ticketId":null,"qtyRequiredPerVariant":"1","isElgibleForRepair":null,"isPowerEligible":null,"productRecallNotes":null,"productOtherInfo":null,"backorderETA":"00/00/0000","modifiedDate":null,"userLevel":"ALL","displayPrice":null,"baseProductName":null,"firstVariantCode":null,"firstVariantImage":null,"productMarketType":null,"productNumber":null,"typeStatusCode":null,"productCategory":null,"typeNumber":null,"marketCode":null,"regionCode":null,"otherInformation":null,"productTypeStatus":null,"repairInstruction":null,"repairInstructionStatusDescription":null,"typeStatusDate":null,"serviceLifeDate":null,"manufacturerId":null,"parts":null,"language":null,"glossaries":null,"brand":null,"product":null,"brandCode":null,"recallNotes":null,"volume":null},{"code":"P736-3006-CM","name":null,"url":"/c//p/P736-3006-CM","description":"WASHER-INT/E","purchasable":true,"stock":{"stockLevelStatus":{"code":"inStock","type":"StockLevelStatus"},"stockLevel":0,"stockThreshold":null},"futureStocks":null,"availableForPickup":null,"averageRating":null,"numberOfReviews":null,"summary":null,"manufacturer":null,"variantType":null,"price":{"currencyIso":"USD","value":3.66,"priceType":"BUY","formattedValue":"$3.66","minQuantity":null,"maxQuantity":null,"sapUnit":{"code":"pieces","name":"Piece"}},"baseProduct":null,"images":[],"categories":null,"reviews":null,"classifications":null,"potentialPromotions":null,"variantOptions":null,"baseOptions":[],"volumePricesFlag":null,"volumePrices":null,"productReferences":null,"variantMatrix":null,"priceRange":null,"firstCategoryNameList":null,"multidimensional":null,"configurable":false,"configuratorType":null,"addToCartDisabled":null,"addToCartDisabledMessage":null,"tags":null,"sapUnit":null,"keywords":null,"genders":null,"itemtype":"Part","partSubstitute":null,"note":null,"recallNote":null,"note1":null,"note2":null,"note3":null,"note4":null,"note5":null,"pdfAllUser":null,"pdfAuthUser":null,"pdfCOSUser":null,"vaiantRelatedPartList":null,"partHotspotList":null,"itemNumber":56,"partRelatedVariantList":null,"bomCode":2,"totalValue":null,"searchImage":null,"length":null,"width":null,"height":null,"unitOfDimension":null,"weight":null,"unitOfWeight":null,"specialRouting":false,"onlineRepair":null,"previousPartID":null,"sbdDiscountPriceValue":{"currencyIso":"USD","value":3.66,"priceType":"BUY","formattedValue":"$3.66","minQuantity":null,"maxQuantity":null,"sapUnit":{"code":"pieces","name":"Piece"}},"alrCode":null,"productRecallFlag":null,"selectedDocumentId":null,"productDescription":null,"pdpImage":null,"ticketId":null,"qtyRequiredPerVariant":"1","isElgibleForRepair":null,"isPowerEligible":null,"productRecallNotes":null,"productOtherInfo":null,"backorderETA":"00/00/0000","modifiedDate":null,"userLevel":"ALL","displayPrice":null,"baseProductName":null,"firstVariantCode":null,"firstVariantImage":null,"productMarketType":null,"productNumber":null,"typeStatusCode":null,"productCategory":null,"typeNumber":null,"marketCode":null,"regionCode":null,"otherInformation":null,"productTypeStatus":null,"repairInstruction":null,"repairInstructionStatusDescription":null,"typeStatusDate":null,"serviceLifeDate":null,"manufacturerId":null,"parts":null,"language":null,"glossaries":null,"brand":null,"product":null,"brandCode":null,"recallNotes":null,"volume":null},{"code":"P936-0185-CM","name":null,"url":"/c//p/P936-0185-CM","description":"WASHER-FL-.4","purchasable":true,"stock":{"stockLevelStatus":{"code":"inStock","type":"StockLevelStatus"},"stockLevel":0,"stockThreshold":null},"futureStocks":null,"availableForPickup":null,"averageRating":null,"numberOfReviews":null,"summary":null,"manufacturer":null,"variantType":null,"price":{"currencyIso":"USD","value":2.36,"priceType":"BUY","formattedValue":"$2.36","minQuantity":null,"maxQuantity":null,"sapUnit":{"code":"pieces","name":"Piece"}},"baseProduct":null,"images":[],"categories":null,"reviews":null,"classifications":null,"potentialPromotions":null,"variantOptions":null,"baseOptions":[],"volumePricesFlag":null,"volumePrices":null,"productReferences":null,"variantMatrix":null,"priceRange":null,"firstCategoryNameList":null,"multidimensional":null,"configurable":false,"configuratorType":null,"addToCartDisabled":null,"addToCartDisabledMessage":null,"tags":null,"sapUnit":null,"keywords":null,"genders":null,"itemtype":"Part","partSubstitute":null,"note":null,"recallNote":null,"note1":null,"note2":null,"note3":null,"note4":null,"note5":null,"pdfAllUser":null,"pdfAuthUser":null,"pdfCOSUser":null,"vaiantRelatedPartList":null,"partHotspotList":null,"itemNumber":56,"partRelatedVariantList":null,"bomCode":2,"totalValue":null,"searchImage":null,"length":null,"width":null,"height":null,"unitOfDimension":null,"weight":null,"unitOfWeight":null,"specialRouting":false,"onlineRepair":null,"previousPartID":null,"sbdDiscountPriceValue":{"currencyIso":"USD","value":2.36,"priceType":"BUY","formattedValue":"$2.36","minQuantity":null,"maxQuantity":null,"sapUnit":{"code":"pieces","name":"Piece"}},"alrCode":null,"productRecallFlag":null,"selectedDocumentId":null,"productDescription":null,"pdpImage":null,"ticketId":null,"qtyRequiredPerVariant":"1","isElgibleForRepair":null,"isPowerEligible":null,"productRecallNotes":null,"productOtherInfo":null,"backorderETA":"00/00/0000","modifiedDate":null,"userLevel":"ALL","displayPrice":null,"baseProductName":null,"firstVariantCode":null,"firstVariantImage":null,"productMarketType":null,"productNumber":null,"typeStatusCode":null,"productCategory":null,"typeNumber":null,"marketCode":null,"regionCode":null,"otherInformation":null,"productTypeStatus":null,"repairInstruction":null,"repairInstructionStatusDescription":null,"typeStatusDate":null,"serviceLifeDate":null,"manufacturerId":null,"parts":null,"language":null,"glossaries":null,"brand":null,"product":null,"brandCode":null,"recallNotes":null,"volume":null},{"code":"P738-0372B-CM","name":null,"url":"/c//p/P738-0372B-CM","description":"SPACER-SHOUL","purchasable":true,"stock":{"stockLevelStatus":{"code":"inStock","type":"StockLevelStatus"},"stockLevel":0,"stockThreshold":null},"futureStocks":null,"availableForPickup":null,"averageRating":null,"numberOfReviews":null,"summary":null,"manufacturer":null,"variantType":null,"price":{"currencyIso":"USD","value":6.05,"priceType":"BUY","formattedValue":"$6.05","minQuantity":null,"maxQuantity":null,"sapUnit":{"code":"pieces","name":"Piece"}},"baseProduct":null,"images":[],"categories":null,"reviews":null,"classifications":null,"potentialPromotions":null,"variantOptions":null,"baseOptions":[],"volumePricesFlag":null,"volumePrices":null,"productReferences":null,"variantMatrix":null,"priceRange":null,"firstCategoryNameList":null,"multidimensional":null,"configurable":false,"configuratorType":null,"addToCartDisabled":null,"addToCartDisabledMessage":null,"tags":null,"sapUnit":null,"keywords":null,"genders":null,"itemtype":"Part","partSubstitute":null,"note":null,"recallNote":null,"note1":null,"note2":null,"note3":null,"note4":null,"note5":null,"pdfAllUser":null,"pdfAuthUser":null,"pdfCOSUser":null,"vaiantRelatedPartList":null,"partHotspotList":null,"itemNumber":57,"partRelatedVariantList":null,"bomCode":2,"totalValue":null,"searchImage":null,"length":null,"width":null,"height":null,"unitOfDimension":null,"weight":null,"unitOfWeight":null,"specialRouting":false,"onlineRepair":null,"previousPartID":null,"sbdDiscountPriceValue":{"currencyIso":"USD","value":6.05,"priceType":"BUY","formattedValue":"$6.05","minQuantity":null,"maxQuantity":null,"sapUnit":{"code":"pieces","name":"Piece"}},"alrCode":null,"productRecallFlag":null,"selectedDocumentId":null,"productDescription":null,"pdpImage":null,"ticketId":null,"qtyRequiredPerVariant":"1","isElgibleForRepair":null,"isPowerEligible":null,"productRecallNotes":null,"productOtherInfo":null,"backorderETA":"00/00/0000","modifiedDate":null,"userLevel":"ALL","displayPrice":null,"baseProductName":null,"firstVariantCode":null,"firstVariantImage":null,"productMarketType":null,"productNumber":null,"typeStatusCode":null,"productCategory":null,"typeNumber":null,"marketCode":null,"regionCode":null,"otherInformation":null,"productTypeStatus":null,"repairInstruction":null,"repairInstructionStatusDescription":null,"typeStatusDate":null,"serviceLifeDate":null,"manufacturerId":null,"parts":null,"language":null,"glossaries":null,"brand":null,"product":null,"brandCode":null,"recallNotes":null,"volume":null},{"code":"P910-0224-CM","name":null,"url":"/c//p/P910-0224-CM","description":"SCREW-HEX AB","purchasable":true,"stock":{"stockLevelStatus":{"code":"inStock","type":"StockLevelStatus"},"stockLevel":0,"stockThreshold":null},"futureStocks":null,"availableForPickup":null,"averageRating":null,"numberOfReviews":null,"summary":null,"manufacturer":null,"variantType":null,"price":{"currencyIso":"USD","value":2.19,"priceType":"BUY","formattedValue":"$2.19","minQuantity":null,"maxQuantity":null,"sapUnit":{"code":"pieces","name":"Piece"}},"baseProduct":null,"images":[],"categories":null,"reviews":null,"classifications":null,"potentialPromotions":null,"variantOptions":null,"baseOptions":[],"volumePricesFlag":null,"volumePrices":null,"productReferences":null,"variantMatrix":null,"priceRange":null,"firstCategoryNameList":null,"multidimensional":null,"configurable":false,"configuratorType":null,"addToCartDisabled":null,"addToCartDisabledMessage":null,"tags":null,"sapUnit":null,"keywords":null,"genders":null,"itemtype":"Part","partSubstitute":null,"note":null,"recallNote":null,"note1":null,"note2":null,"note3":null,"note4":null,"note5":null,"pdfAllUser":null,"pdfAuthUser":null,"pdfCOSUser":null,"vaiantRelatedPartList":null,"partHotspotList":null,"itemNumber":57,"partRelatedVariantList":null,"bomCode":2,"totalValue":null,"searchImage":null,"length":null,"width":null,"height":null,"unitOfDimension":null,"weight":null,"unitOfWeight":null,"specialRouting":false,"onlineRepair":null,"previousPartID":null,"sbdDiscountPriceValue":{"currencyIso":"USD","value":2.19,"priceType":"BUY","formattedValue":"$2.19","minQuantity":null,"maxQuantity":null,"sapUnit":{"code":"pieces","name":"Piece"}},"alrCode":null,"productRecallFlag":null,"selectedDocumentId":null,"productDescription":null,"pdpImage":null,"ticketId":null,"qtyRequiredPerVariant":"1","isElgibleForRepair":null,"isPowerEligible":null,"productRecallNotes":null,"productOtherInfo":null,"backorderETA":"00/00/0000","modifiedDate":null,"userLevel":"ALL","displayPrice":null,"baseProductName":null,"firstVariantCode":null,"firstVariantImage":null,"productMarketType":null,"productNumber":null,"typeStatusCode":null,"productCategory":null,"typeNumber":null,"marketCode":null,"regionCode":null,"otherInformation":null,"productTypeStatus":null,"repairInstruction":null,"repairInstructionStatusDescription":null,"typeStatusDate":null,"serviceLifeDate":null,"manufacturerId":null,"parts":null,"language":null,"glossaries":null,"brand":null,"product":null,"brandCode":null,"recallNotes":null,"volume":null},{"code":"P17962-CM","name":null,"url":"/c//p/P17962-CM","description":"SWITCH PLATE","purchasable":true,"stock":{"stockLevelStatus":{"code":"inStock","type":"StockLevelStatus"},"stockLevel":0,"stockThreshold":null},"futureStocks":null,"availableForPickup":null,"averageRating":null,"numberOfReviews":null,"summary":null,"manufacturer":null,"variantType":null,"price":{"currencyIso":"USD","value":2.99,"priceType":"BUY","formattedValue":"$2.99","minQuantity":null,"maxQuantity":null,"sapUnit":{"code":"pieces","name":"Piece"}},"baseProduct":null,"images":[],"categories":null,"reviews":null,"classifications":null,"potentialPromotions":null,"variantOptions":null,"baseOptions":[],"volumePricesFlag":null,"volumePrices":null,"productReferences":null,"variantMatrix":null,"priceRange":null,"firstCategoryNameList":null,"multidimensional":null,"configurable":false,"configuratorType":null,"addToCartDisabled":null,"addToCartDisabledMessage":null,"tags":null,"sapUnit":null,"keywords":null,"genders":null,"itemtype":"Part","partSubstitute":null,"note":null,"recallNote":null,"note1":null,"note2":null,"note3":null,"note4":null,"note5":null,"pdfAllUser":null,"pdfAuthUser":null,"pdfCOSUser":null,"vaiantRelatedPartList":null,"partHotspotList":null,"itemNumber":null,"partRelatedVariantList":null,"bomCode":2,"totalValue":null,"searchImage":null,"length":null,"width":null,"height":null,"unitOfDimension":null,"weight":null,"unitOfWeight":null,"specialRouting":false,"onlineRepair":null,"previousPartID":null,"sbdDiscountPriceValue":{"currencyIso":"USD","value":2.99,"priceType":"BUY","formattedValue":"$2.99","minQuantity":null,"maxQuantity":null,"sapUnit":{"code":"pieces","name":"Piece"}},"alrCode":null,"productRecallFlag":null,"selectedDocumentId":null,"productDescription":null,"pdpImage":null,"ticketId":null,"qtyRequiredPerVariant":"1","isElgibleForRepair":null,"isPowerEligible":null,"productRecallNotes":null,"productOtherInfo":null,"backorderETA":"00/00/0000","modifiedDate":null,"userLevel":"ALL","displayPrice":null,"baseProductName":null,"firstVariantCode":null,"firstVariantImage":null,"productMarketType":null,"productNumber":null,"typeStatusCode":null,"productCategory":null,"typeNumber":null,"marketCode":null,"regionCode":null,"otherInformation":null,"productTypeStatus":null,"repairInstruction":null,"repairInstructionStatusDescription":null,"typeStatusDate":null,"serviceLifeDate":null,"manufacturerId":null,"parts":null,"language":null,"glossaries":null,"brand":null,"product":null,"brandCode":null,"recallNotes":null,"volume":null},{"code":"P5140214-98","name":null,"url":"/c//p/P5140214-98","description":"WHEEL ASM","purchasable":true,"stock":{"stockLevelStatus":{"code":"inStock","type":"StockLevelStatus"},"stockLevel":0,"stockThreshold":null},"futureStocks":null,"availableForPickup":null,"averageRating":null,"numberOfReviews":null,"summary":null,"manufacturer":null,"variantType":null,"price":{"currencyIso":"USD","value":333.26,"priceType":"BUY","formattedValue":"$333.26","minQuantity":null,"maxQuantity":null,"sapUnit":{"code":"pieces","name":"Piece"}},"baseProduct":null,"images":[],"categories":null,"reviews":null,"classifications":null,"potentialPromotions":null,"variantOptions":null,"baseOptions":[],"volumePricesFlag":null,"volumePrices":null,"productReferences":null,"variantMatrix":null,"priceRange":null,"firstCategoryNameList":null,"multidimensional":null,"configurable":false,"configuratorType":null,"addToCartDisabled":null,"addToCartDisabledMessage":null,"tags":null,"sapUnit":null,"keywords":null,"genders":null,"itemtype":"Part","partSubstitute":null,"note":null,"recallNote":null,"note1":null,"note2":null,"note3":null,"note4":null,"note5":null,"pdfAllUser":null,"pdfAuthUser":null,"pdfCOSUser":null,"vaiantRelatedPartList":null,"partHotspotList":null,"itemNumber":null,"partRelatedVariantList":null,"bomCode":2,"totalValue":null,"searchImage":null,"length":null,"width":null,"height":null,"unitOfDimension":null,"weight":null,"unitOfWeight":null,"specialRouting":false,"onlineRepair":null,"previousPartID":null,"sbdDiscountPriceValue":{"currencyIso":"USD","value":333.26,"priceType":"BUY","formattedValue":"$333.26","minQuantity":null,"maxQuantity":null,"sapUnit":{"code":"pieces","name":"Piece"}},"alrCode":null,"productRecallFlag":null,"selectedDocumentId":null,"productDescription":null,"pdpImage":null,"ticketId":null,"qtyRequiredPerVariant":"1","isElgibleForRepair":null,"isPowerEligible":null,"productRecallNotes":null,"productOtherInfo":null,"backorderETA":"00/00/0000","modifiedDate":null,"userLevel":"ALL","displayPrice":null,"baseProductName":null,"firstVariantCode":null,"firstVariantImage":null,"productMarketType":null,"productNumber":null,"typeStatusCode":null,"productCategory":null,"typeNumber":null,"marketCode":null,"regionCode":null,"otherInformation":null,"productTypeStatus":null,"repairInstruction":null,"repairInstructionStatusDescription":null,"typeStatusDate":null,"serviceLifeDate":null,"manufacturerId":null,"parts":null,"language":null,"glossaries":null,"brand":null,"product":null,"brandCode":null,"recallNotes":null,"volume":null},{"code":"P5140215-35","name":null,"url":"/c//p/P5140215-35","description":"RIM ASM-8.0","purchasable":true,"stock":{"stockLevelStatus":{"code":"inStock","type":"StockLevelStatus"},"stockLevel":0,"stockThreshold":null},"futureStocks":null,"availableForPickup":null,"averageRating":null,"numberOfReviews":null,"summary":null,"manufacturer":null,"variantType":null,"price":{"currencyIso":"USD","value":100.45,"priceType":"BUY","formattedValue":"$100.45","minQuantity":null,"maxQuantity":null,"sapUnit":{"code":"pieces","name":"Piece"}},"baseProduct":null,"images":[],"categories":null,"reviews":null,"classifications":null,"potentialPromotions":null,"variantOptions":null,"baseOptions":[],"volumePricesFlag":null,"volumePrices":null,"productReferences":null,"variantMatrix":null,"priceRange":null,"firstCategoryNameList":null,"multidimensional":null,"configurable":false,"configuratorType":null,"addToCartDisabled":null,"addToCartDisabledMessage":null,"tags":null,"sapUnit":null,"keywords":null,"genders":null,"itemtype":"Part","partSubstitute":null,"note":null,"recallNote":null,"note1":null,"note2":null,"note3":null,"note4":null,"note5":null,"pdfAllUser":null,"pdfAuthUser":null,"pdfCOSUser":null,"vaiantRelatedPartList":null,"partHotspotList":null,"itemNumber":null,"partRelatedVariantList":null,"bomCode":2,"totalValue":null,"searchImage":null,"length":null,"width":null,"height":null,"unitOfDimension":null,"weight":null,"unitOfWeight":null,"specialRouting":false,"onlineRepair":null,"previousPartID":null,"sbdDiscountPriceValue":{"currencyIso":"USD","value":100.45,"priceType":"BUY","formattedValue":"$100.45","minQuantity":null,"maxQuantity":null,"sapUnit":{"code":"pieces","name":"Piece"}},"alrCode":null,"productRecallFlag":null,"selectedDocumentId":null,"productDescription":null,"pdpImage":null,"ticketId":null,"qtyRequiredPerVariant":"1","isElgibleForRepair":null,"isPowerEligible":null,"productRecallNotes":null,"productOtherInfo":null,"backorderETA":"00/00/0000","modifiedDate":null,"userLevel":"ALL","displayPrice":null,"baseProductName":null,"firstVariantCode":null,"firstVariantImage":null,"productMarketType":null,"productNumber":null,"typeStatusCode":null,"productCategory":null,"typeNumber":null,"marketCode":null,"regionCode":null,"otherInformation":null,"productTypeStatus":null,"repairInstruction":null,"repairInstructionStatusDescription":null,"typeStatusDate":null,"serviceLifeDate":null,"manufacturerId":null,"parts":null,"language":null,"glossaries":null,"brand":null,"product":null,"brandCode":null,"recallNotes":null,"volume":null},{"code":"P5140216-27","name":null,"url":"/c//p/P5140216-27","description":"SHAFT ASM-LI","purchasable":true,"stock":{"stockLevelStatus":{"code":"inStock","type":"StockLevelStatus"},"stockLevel":0,"stockThreshold":null},"futureStocks":null,"availableForPickup":null,"averageRating":null,"numberOfReviews":null,"summary":null,"manufacturer":null,"variantType":null,"price":{"currencyIso":"USD","value":33.64,"priceType":"BUY","formattedValue":"$33.64","minQuantity":null,"maxQuantity":null,"sapUnit":{"code":"pieces","name":"Piece"}},"baseProduct":null,"images":[],"categories":null,"reviews":null,"classifications":null,"potentialPromotions":null,"variantOptions":null,"baseOptions":[],"volumePricesFlag":null,"volumePrices":null,"productReferences":null,"variantMatrix":null,"priceRange":null,"firstCategoryNameList":null,"multidimensional":null,"configurable":false,"configuratorType":null,"addToCartDisabled":null,"addToCartDisabledMessage":null,"tags":null,"sapUnit":null,"keywords":null,"genders":null,"itemtype":"Part","partSubstitute":null,"note":null,"recallNote":null,"note1":null,"note2":null,"note3":null,"note4":null,"note5":null,"pdfAllUser":null,"pdfAuthUser":null,"pdfCOSUser":null,"vaiantRelatedPartList":null,"partHotspotList":null,"itemNumber":null,"partRelatedVariantList":null,"bomCode":2,"totalValue":null,"searchImage":null,"length":null,"width":null,"height":null,"unitOfDimension":null,"weight":null,"unitOfWeight":null,"specialRouting":false,"onlineRepair":null,"previousPartID":null,"sbdDiscountPriceValue":{"currencyIso":"USD","value":33.64,"priceType":"BUY","formattedValue":"$33.64","minQuantity":null,"maxQuantity":null,"sapUnit":{"code":"pieces","name":"Piece"}},"alrCode":null,"productRecallFlag":null,"selectedDocumentId":null,"productDescription":null,"pdpImage":null,"ticketId":null,"qtyRequiredPerVariant":"1","isElgibleForRepair":null,"isPowerEligible":null,"productRecallNotes":null,"productOtherInfo":null,"backorderETA":"00/00/0000","modifiedDate":null,"userLevel":"ALL","displayPrice":null,"baseProductName":null,"firstVariantCode":null,"firstVariantImage":null,"productMarketType":null,"productNumber":null,"typeStatusCode":null,"productCategory":null,"typeNumber":null,"marketCode":null,"regionCode":null,"otherInformation":null,"productTypeStatus":null,"repairInstruction":null,"repairInstructionStatusDescription":null,"typeStatusDate":null,"serviceLifeDate":null,"manufacturerId":null,"parts":null,"language":null,"glossaries":null,"brand":null,"product":null,"brandCode":null,"recallNotes":null,"volume":null},{"code":"P5140216-41","name":null,"url":"/c//p/P5140216-41","description":"SHIELD","purchasable":true,"stock":{"stockLevelStatus":{"code":"inStock","type":"StockLevelStatus"},"stockLevel":0,"stockThreshold":null},"futureStocks":null,"availableForPickup":null,"averageRating":null,"numberOfReviews":null,"summary":null,"manufacturer":null,"variantType":null,"price":{"currencyIso":"USD","value":44.8,"priceType":"BUY","formattedValue":"$44.80","minQuantity":null,"maxQuantity":null,"sapUnit":{"code":"pieces","name":"Piece"}},"baseProduct":null,"images":[],"categories":null,"reviews":null,"classifications":null,"potentialPromotions":null,"variantOptions":null,"baseOptions":[],"volumePricesFlag":null,"volumePrices":null,"productReferences":null,"variantMatrix":null,"priceRange":null,"firstCategoryNameList":null,"multidimensional":null,"configurable":false,"configuratorType":null,"addToCartDisabled":null,"addToCartDisabledMessage":null,"tags":null,"sapUnit":null,"keywords":null,"genders":null,"itemtype":"Part","partSubstitute":"P5140216-27","note":null,"recallNote":null,"note1":null,"note2":null,"note3":null,"note4":null,"note5":null,"pdfAllUser":null,"pdfAuthUser":null,"pdfCOSUser":null,"vaiantRelatedPartList":null,"partHotspotList":null,"itemNumber":null,"partRelatedVariantList":null,"bomCode":4,"totalValue":null,"searchImage":null,"length":null,"width":null,"height":null,"unitOfDimension":null,"weight":null,"unitOfWeight":null,"specialRouting":false,"onlineRepair":null,"previousPartID":null,"sbdDiscountPriceValue":{"currencyIso":"USD","value":44.8,"priceType":"BUY","formattedValue":"$44.80","minQuantity":null,"maxQuantity":null,"sapUnit":{"code":"pieces","name":"Piece"}},"alrCode":null,"productRecallFlag":null,"selectedDocumentId":null,"productDescription":null,"pdpImage":null,"ticketId":null,"qtyRequiredPerVariant":"1","isElgibleForRepair":null,"isPowerEligible":null,"productRecallNotes":null,"productOtherInfo":null,"backorderETA":"00/00/0000","modifiedDate":null,"userLevel":"ALL","displayPrice":null,"baseProductName":null,"firstVariantCode":null,"firstVariantImage":null,"productMarketType":null,"productNumber":null,"typeStatusCode":null,"productCategory":null,"typeNumber":null,"marketCode":null,"regionCode":null,"otherInformation":null,"productTypeStatus":null,"repairInstruction":null,"repairInstructionStatusDescription":null,"typeStatusDate":null,"serviceLifeDate":null,"manufacturerId":null,"parts":null,"language":null,"glossaries":null,"brand":null,"product":null,"brandCode":null,"recallNotes":null,"volume":null},{"code":"P5140219-14","name":null,"url":"/c//p/P5140219-14","description":"TIRE 20 X 8","purchasable":true,"stock":{"stockLevelStatus":{"code":"inStock","type":"StockLevelStatus"},"stockLevel":0,"stockThreshold":null},"futureStocks":null,"availableForPickup":null,"averageRating":null,"numberOfReviews":null,"summary":null,"manufacturer":null,"variantType":null,"price":{"currencyIso":"USD","value":73.49,"priceType":"BUY","formattedValue":"$73.49","minQuantity":null,"maxQuantity":null,"sapUnit":{"code":"pieces","name":"Piece"}},"baseProduct":null,"images":[],"categories":null,"reviews":null,"classifications":null,"potentialPromotions":null,"variantOptions":null,"baseOptions":[],"volumePricesFlag":null,"volumePrices":null,"productReferences":null,"variantMatrix":null,"priceRange":null,"firstCategoryNameList":null,"multidimensional":null,"configurable":false,"configuratorType":null,"addToCartDisabled":null,"addToCartDisabledMessage":null,"tags":null,"sapUnit":null,"keywords":null,"genders":null,"itemtype":"Part","partSubstitute":null,"note":null,"recallNote":null,"note1":null,"note2":null,"note3":null,"note4":null,"note5":null,"pdfAllUser":null,"pdfAuthUser":null,"pdfCOSUser":null,"vaiantRelatedPartList":null,"partHotspotList":null,"itemNumber":null,"partRelatedVariantList":null,"bomCode":2,"totalValue":null,"searchImage":null,"length":null,"width":null,"height":null,"unitOfDimension":null,"weight":null,"unitOfWeight":null,"specialRouting":false,"onlineRepair":null,"previousPartID":null,"sbdDiscountPriceValue":{"currencyIso":"USD","value":73.49,"priceType":"BUY","formattedValue":"$73.49","minQuantity":null,"maxQuantity":null,"sapUnit":{"code":"pieces","name":"Piece"}},"alrCode":null,"productRecallFlag":null,"selectedDocumentId":null,"productDescription":null,"pdpImage":null,"ticketId":null,"qtyRequiredPerVariant":"1","isElgibleForRepair":null,"isPowerEligible":null,"productRecallNotes":null,"productOtherInfo":null,"backorderETA":"00/00/0000","modifiedDate":null,"userLevel":"ALL","displayPrice":null,"baseProductName":null,"firstVariantCode":null,"firstVariantImage":null,"productMarketType":null,"productNumber":null,"typeStatusCode":null,"productCategory":null,"typeNumber":null,"marketCode":null,"regionCode":null,"otherInformation":null,"productTypeStatus":null,"repairInstruction":null,"repairInstructionStatusDescription":null,"typeStatusDate":null,"serviceLifeDate":null,"manufacturerId":null,"parts":null,"language":null,"glossaries":null,"brand":null,"product":null,"brandCode":null,"recallNotes":null,"volume":null},{"code":"P5140220-84","name":null,"url":"/c//p/P5140220-84","description":"BRACKET-PEDA","purchasable":true,"stock":{"stockLevelStatus":{"code":"inStock","type":"StockLevelStatus"},"stockLevel":0,"stockThreshold":null},"futureStocks":null,"availableForPickup":null,"averageRating":null,"numberOfReviews":null,"summary":null,"manufacturer":null,"variantType":null,"price":{"currencyIso":"USD","value":3.92,"priceType":"BUY","formattedValue":"$3.92","minQuantity":null,"maxQuantity":null,"sapUnit":{"code":"pieces","name":"Piece"}},"baseProduct":null,"images":[],"categories":null,"reviews":null,"classifications":null,"potentialPromotions":null,"variantOptions":null,"baseOptions":[],"volumePricesFlag":null,"volumePrices":null,"productReferences":null,"variantMatrix":null,"priceRange":null,"firstCategoryNameList":null,"multidimensional":null,"configurable":false,"configuratorType":null,"addToCartDisabled":null,"addToCartDisabledMessage":null,"tags":null,"sapUnit":null,"keywords":null,"genders":null,"itemtype":"Part","partSubstitute":null,"note":null,"recallNote":null,"note1":null,"note2":null,"note3":null,"note4":null,"note5":null,"pdfAllUser":null,"pdfAuthUser":null,"pdfCOSUser":null,"vaiantRelatedPartList":null,"partHotspotList":null,"itemNumber":null,"partRelatedVariantList":null,"bomCode":2,"totalValue":null,"searchImage":null,"length":null,"width":null,"height":null,"unitOfDimension":null,"weight":null,"unitOfWeight":null,"specialRouting":false,"onlineRepair":null,"previousPartID":null,"sbdDiscountPriceValue":{"currencyIso":"USD","value":3.92,"priceType":"BUY","formattedValue":"$3.92","minQuantity":null,"maxQuantity":null,"sapUnit":{"code":"pieces","name":"Piece"}},"alrCode":null,"productRecallFlag":null,"selectedDocumentId":null,"productDescription":null,"pdpImage":null,"ticketId":null,"qtyRequiredPerVariant":"1","isElgibleForRepair":null,"isPowerEligible":null,"productRecallNotes":null,"productOtherInfo":null,"backorderETA":"00/00/0000","modifiedDate":null,"userLevel":"ALL","displayPrice":null,"baseProductName":null,"firstVariantCode":null,"firstVariantImage":null,"productMarketType":null,"productNumber":null,"typeStatusCode":null,"productCategory":null,"typeNumber":null,"marketCode":null,"regionCode":null,"otherInformation":null,"productTypeStatus":null,"repairInstruction":null,"repairInstructionStatusDescription":null,"typeStatusDate":null,"serviceLifeDate":null,"manufacturerId":null,"parts":null,"language":null,"glossaries":null,"brand":null,"product":null,"brandCode":null,"recallNotes":null,"volume":null},{"code":"P5140220-92","name":null,"url":"/c//p/P5140220-92","description":"FENDER","purchasable":true,"stock":{"stockLevelStatus":{"code":"inStock","type":"StockLevelStatus"},"stockLevel":0,"stockThreshold":null},"futureStocks":null,"availableForPickup":null,"averageRating":null,"numberOfReviews":null,"summary":null,"manufacturer":null,"variantType":null,"price":{"currencyIso":"USD","value":236.05,"priceType":"BUY","formattedValue":"$236.05","minQuantity":null,"maxQuantity":null,"sapUnit":{"code":"pieces","name":"Piece"}},"baseProduct":null,"images":[],"categories":null,"reviews":null,"classifications":null,"potentialPromotions":null,"variantOptions":null,"baseOptions":[],"volumePricesFlag":null,"volumePrices":null,"productReferences":null,"variantMatrix":null,"priceRange":null,"firstCategoryNameList":null,"multidimensional":null,"configurable":false,"configuratorType":null,"addToCartDisabled":null,"addToCartDisabledMessage":null,"tags":null,"sapUnit":null,"keywords":null,"genders":null,"itemtype":"Part","partSubstitute":null,"note":null,"recallNote":null,"note1":null,"note2":null,"note3":null,"note4":null,"note5":null,"pdfAllUser":null,"pdfAuthUser":null,"pdfCOSUser":null,"vaiantRelatedPartList":null,"partHotspotList":null,"itemNumber":null,"partRelatedVariantList":null,"bomCode":4,"totalValue":null,"searchImage":null,"length":null,"width":null,"height":null,"unitOfDimension":null,"weight":null,"unitOfWeight":null,"specialRouting":false,"onlineRepair":null,"previousPartID":null,"sbdDiscountPriceValue":{"currencyIso":"USD","value":236.05,"priceType":"BUY","formattedValue":"$236.05","minQuantity":null,"maxQuantity":null,"sapUnit":{"code":"pieces","name":"Piece"}},"alrCode":null,"productRecallFlag":null,"selectedDocumentId":null,"productDescription":null,"pdpImage":null,"ticketId":null,"qtyRequiredPerVariant":"1","isElgibleForRepair":null,"isPowerEligible":null,"productRecallNotes":null,"productOtherInfo":null,"backorderETA":"00/00/0000","modifiedDate":null,"userLevel":"ALL","displayPrice":null,"baseProductName":null,"firstVariantCode":null,"firstVariantImage":null,"productMarketType":null,"productNumber":null,"typeStatusCode":null,"productCategory":null,"typeNumber":null,"marketCode":null,"regionCode":null,"otherInformation":null,"productTypeStatus":null,"repairInstruction":null,"repairInstructionStatusDescription":null,"typeStatusDate":null,"serviceLifeDate":null,"manufacturerId":null,"parts":null,"language":null,"glossaries":null,"brand":null,"product":null,"brandCode":null,"recallNotes":null,"volume":null},{"code":"P5140221-26","name":null,"url":"/c//p/P5140221-26","description":"BRACKET-SUPT","purchasable":true,"stock":{"stockLevelStatus":{"code":"inStock","type":"StockLevelStatus"},"stockLevel":0,"stockThreshold":null},"futureStocks":null,"availableForPickup":null,"averageRating":null,"numberOfReviews":null,"summary":null,"manufacturer":null,"variantType":null,"price":{"currencyIso":"USD","value":23.81,"priceType":"BUY","formattedValue":"$23.81","minQuantity":null,"maxQuantity":null,"sapUnit":{"code":"pieces","name":"Piece"}},"baseProduct":null,"images":[],"categories":null,"reviews":null,"classifications":null,"potentialPromotions":null,"variantOptions":null,"baseOptions":[],"volumePricesFlag":null,"volumePrices":null,"productReferences":null,"variantMatrix":null,"priceRange":null,"firstCategoryNameList":null,"multidimensional":null,"configurable":false,"configuratorType":null,"addToCartDisabled":null,"addToCartDisabledMessage":null,"tags":null,"sapUnit":null,"keywords":null,"genders":null,"itemtype":"Part","partSubstitute":"P712-04243-CM","note":null,"recallNote":null,"note1":null,"note2":null,"note3":null,"note4":null,"note5":null,"pdfAllUser":null,"pdfAuthUser":null,"pdfCOSUser":null,"vaiantRelatedPartList":null,"partHotspotList":null,"itemNumber":null,"partRelatedVariantList":null,"bomCode":4,"totalValue":null,"searchImage":null,"length":null,"width":null,"height":null,"unitOfDimension":null,"weight":null,"unitOfWeight":null,"specialRouting":false,"onlineRepair":null,"previousPartID":null,"sbdDiscountPriceValue":{"currencyIso":"USD","value":23.81,"priceType":"BUY","formattedValue":"$23.81","minQuantity":null,"maxQuantity":null,"sapUnit":{"code":"pieces","name":"Piece"}},"alrCode":null,"productRecallFlag":null,"selectedDocumentId":null,"productDescription":null,"pdpImage":null,"ticketId":null,"qtyRequiredPerVariant":"1","isElgibleForRepair":null,"isPowerEligible":null,"productRecallNotes":null,"productOtherInfo":null,"backorderETA":"00/00/0000","modifiedDate":null,"userLevel":"ALL","displayPrice":null,"baseProductName":null,"firstVariantCode":null,"firstVariantImage":null,"productMarketType":null,"productNumber":null,"typeStatusCode":null,"productCategory":null,"typeNumber":null,"marketCode":null,"regionCode":null,"otherInformation":null,"productTypeStatus":null,"repairInstruction":null,"repairInstructionStatusDescription":null,"typeStatusDate":null,"serviceLifeDate":null,"manufacturerId":null,"parts":null,"language":null,"glossaries":null,"brand":null,"product":null,"brandCode":null,"recallNotes":null,"volume":null},{"code":"P5140221-66","name":null,"url":"/c//p/P5140221-66","description":"BRACKET","purchasable":true,"stock":{"stockLevelStatus":{"code":"inStock","type":"StockLevelStatus"},"stockLevel":0,"stockThreshold":null},"futureStocks":null,"availableForPickup":null,"averageRating":null,"numberOfReviews":null,"summary":null,"manufacturer":null,"variantType":null,"price":{"currencyIso":"USD","value":2.76,"priceType":"BUY","formattedValue":"$2.76","minQuantity":null,"maxQuantity":null,"sapUnit":{"code":"pieces","name":"Piece"}},"baseProduct":null,"images":[],"categories":null,"reviews":null,"classifications":null,"potentialPromotions":null,"variantOptions":null,"baseOptions":[],"volumePricesFlag":null,"volumePrices":null,"productReferences":null,"variantMatrix":null,"priceRange":null,"firstCategoryNameList":null,"multidimensional":null,"configurable":false,"configuratorType":null,"addToCartDisabled":null,"addToCartDisabledMessage":null,"tags":null,"sapUnit":null,"keywords":null,"genders":null,"itemtype":"Part","partSubstitute":null,"note":null,"recallNote":null,"note1":null,"note2":null,"note3":null,"note4":null,"note5":null,"pdfAllUser":null,"pdfAuthUser":null,"pdfCOSUser":null,"vaiantRelatedPartList":null,"partHotspotList":null,"itemNumber":null,"partRelatedVariantList":null,"bomCode":2,"totalValue":null,"searchImage":null,"length":null,"width":null,"height":null,"unitOfDimension":null,"weight":null,"unitOfWeight":null,"specialRouting":false,"onlineRepair":null,"previousPartID":null,"sbdDiscountPriceValue":{"currencyIso":"USD","value":2.76,"priceType":"BUY","formattedValue":"$2.76","minQuantity":null,"maxQuantity":null,"sapUnit":{"code":"pieces","name":"Piece"}},"alrCode":null,"productRecallFlag":null,"selectedDocumentId":null,"productDescription":null,"pdpImage":null,"ticketId":null,"qtyRequiredPerVariant":"1","isElgibleForRepair":null,"isPowerEligible":null,"productRecallNotes":null,"productOtherInfo":null,"backorderETA":"00/00/0000","modifiedDate":null,"userLevel":"ALL","displayPrice":null,"baseProductName":null,"firstVariantCode":null,"firstVariantImage":null,"productMarketType":null,"productNumber":null,"typeStatusCode":null,"productCategory":null,"typeNumber":null,"marketCode":null,"regionCode":null,"otherInformation":null,"productTypeStatus":null,"repairInstruction":null,"repairInstructionStatusDescription":null,"typeStatusDate":null,"serviceLifeDate":null,"manufacturerId":null,"parts":null,"language":null,"glossaries":null,"brand":null,"product":null,"brandCode":null,"recallNotes":null,"volume":null},{"code":"P5140221-77","name":null,"url":"/c//p/P5140221-77","description":"BRACKET","purchasable":true,"stock":{"stockLevelStatus":{"code":"inStock","type":"StockLevelStatus"},"stockLevel":0,"stockThreshold":null},"futureStocks":null,"availableForPickup":null,"averageRating":null,"numberOfReviews":null,"summary":null,"manufacturer":null,"variantType":null,"price":{"currencyIso":"USD","value":5.33,"priceType":"BUY","formattedValue":"$5.33","minQuantity":null,"maxQuantity":null,"sapUnit":{"code":"pieces","name":"Piece"}},"baseProduct":null,"images":[],"categories":null,"reviews":null,"classifications":null,"potentialPromotions":null,"variantOptions":null,"baseOptions":[],"volumePricesFlag":null,"volumePrices":null,"productReferences":null,"variantMatrix":null,"priceRange":null,"firstCategoryNameList":null,"multidimensional":null,"configurable":false,"configuratorType":null,"addToCartDisabled":null,"addToCartDisabledMessage":null,"tags":null,"sapUnit":null,"keywords":null,"genders":null,"itemtype":"Part","partSubstitute":"P750-04936-CM","note":null,"recallNote":null,"note1":null,"note2":null,"note3":null,"note4":null,"note5":null,"pdfAllUser":null,"pdfAuthUser":null,"pdfCOSUser":null,"vaiantRelatedPartList":null,"partHotspotList":null,"itemNumber":null,"partRelatedVariantList":null,"bomCode":4,"totalValue":null,"searchImage":null,"length":null,"width":null,"height":null,"unitOfDimension":null,"weight":null,"unitOfWeight":null,"specialRouting":false,"onlineRepair":null,"previousPartID":null,"sbdDiscountPriceValue":{"currencyIso":"USD","value":5.33,"priceType":"BUY","formattedValue":"$5.33","minQuantity":null,"maxQuantity":null,"sapUnit":{"code":"pieces","name":"Piece"}},"alrCode":null,"productRecallFlag":null,"selectedDocumentId":null,"productDescription":null,"pdpImage":null,"ticketId":null,"qtyRequiredPerVariant":"1","isElgibleForRepair":null,"isPowerEligible":null,"productRecallNotes":null,"productOtherInfo":null,"backorderETA":"00/00/0000","modifiedDate":null,"userLevel":"ALL","displayPrice":null,"baseProductName":null,"firstVariantCode":null,"firstVariantImage":null,"productMarketType":null,"productNumber":null,"typeStatusCode":null,"productCategory":null,"typeNumber":null,"marketCode":null,"regionCode":null,"otherInformation":null,"productTypeStatus":null,"repairInstruction":null,"repairInstructionStatusDescription":null,"typeStatusDate":null,"serviceLifeDate":null,"manufacturerId":null,"parts":null,"language":null,"glossaries":null,"brand":null,"product":null,"brandCode":null,"recallNotes":null,"volume":null},{"code":"P5140221-82","name":null,"url":"/c//p/P5140221-82","description":"STOP PEDAL","purchasable":true,"stock":{"stockLevelStatus":{"code":"inStock","type":"StockLevelStatus"},"stockLevel":0,"stockThreshold":null},"futureStocks":null,"availableForPickup":null,"averageRating":null,"numberOfReviews":null,"summary":null,"manufacturer":null,"variantType":null,"price":{"currencyIso":"USD","value":2.66,"priceType":"BUY","formattedValue":"$2.66","minQuantity":null,"maxQuantity":null,"sapUnit":{"code":"pieces","name":"Piece"}},"baseProduct":null,"images":[],"categories":null,"reviews":null,"classifications":null,"potentialPromotions":null,"variantOptions":null,"baseOptions":[],"volumePricesFlag":null,"volumePrices":null,"productReferences":null,"variantMatrix":null,"priceRange":null,"firstCategoryNameList":null,"multidimensional":null,"configurable":false,"configuratorType":null,"addToCartDisabled":null,"addToCartDisabledMessage":null,"tags":null,"sapUnit":null,"keywords":null,"genders":null,"itemtype":"Part","partSubstitute":null,"note":null,"recallNote":null,"note1":null,"note2":null,"note3":null,"note4":null,"note5":null,"pdfAllUser":null,"pdfAuthUser":null,"pdfCOSUser":null,"vaiantRelatedPartList":null,"partHotspotList":null,"itemNumber":null,"partRelatedVariantList":null,"bomCode":2,"totalValue":null,"searchImage":null,"length":null,"width":null,"height":null,"unitOfDimension":null,"weight":null,"unitOfWeight":null,"specialRouting":false,"onlineRepair":null,"previousPartID":null,"sbdDiscountPriceValue":{"currencyIso":"USD","value":2.66,"priceType":"BUY","formattedValue":"$2.66","minQuantity":null,"maxQuantity":null,"sapUnit":{"code":"pieces","name":"Piece"}},"alrCode":null,"productRecallFlag":null,"selectedDocumentId":null,"productDescription":null,"pdpImage":null,"ticketId":null,"qtyRequiredPerVariant":"1","isElgibleForRepair":null,"isPowerEligible":null,"productRecallNotes":null,"productOtherInfo":null,"backorderETA":"00/00/0000","modifiedDate":null,"userLevel":"ALL","displayPrice":null,"baseProductName":null,"firstVariantCode":null,"firstVariantImage":null,"productMarketType":null,"productNumber":null,"typeStatusCode":null,"productCategory":null,"typeNumber":null,"marketCode":null,"regionCode":null,"otherInformation":null,"productTypeStatus":null,"repairInstruction":null,"repairInstructionStatusDescription":null,"typeStatusDate":null,"serviceLifeDate":null,"manufacturerId":null,"parts":null,"language":null,"glossaries":null,"brand":null,"product":null,"brandCode":null,"recallNotes":null,"volume":null},{"code":"P5140221-84","name":null,"url":"/c//p/P5140221-84","description":"DASH","purchasable":true,"stock":{"stockLevelStatus":{"code":"inStock","type":"StockLevelStatus"},"stockLevel":0,"stockThreshold":null},"futureStocks":null,"availableForPickup":null,"averageRating":null,"numberOfReviews":null,"summary":null,"manufacturer":null,"variantType":null,"price":{"currencyIso":"USD","value":34.24,"priceType":"BUY","formattedValue":"$34.24","minQuantity":null,"maxQuantity":null,"sapUnit":{"code":"pieces","name":"Piece"}},"baseProduct":null,"images":[],"categories":null,"reviews":null,"classifications":null,"potentialPromotions":null,"variantOptions":null,"baseOptions":[],"volumePricesFlag":null,"volumePrices":null,"productReferences":null,"variantMatrix":null,"priceRange":null,"firstCategoryNameList":null,"multidimensional":null,"configurable":false,"configuratorType":null,"addToCartDisabled":null,"addToCartDisabledMessage":null,"tags":null,"sapUnit":null,"keywords":null,"genders":null,"itemtype":"Part","partSubstitute":"P936-0119-CM","note":null,"recallNote":null,"note1":null,"note2":null,"note3":null,"note4":null,"note5":null,"pdfAllUser":null,"pdfAuthUser":null,"pdfCOSUser":null,"vaiantRelatedPartList":null,"partHotspotList":null,"itemNumber":null,"partRelatedVariantList":null,"bomCode":4,"totalValue":null,"searchImage":null,"length":null,"width":null,"height":null,"unitOfDimension":null,"weight":null,"unitOfWeight":null,"specialRouting":false,"onlineRepair":null,"previousPartID":null,"sbdDiscountPriceValue":{"currencyIso":"USD","value":34.24,"priceType":"BUY","formattedValue":"$34.24","minQuantity":null,"maxQuantity":null,"sapUnit":{"code":"pieces","name":"Piece"}},"alrCode":null,"productRecallFlag":null,"selectedDocumentId":null,"productDescription":null,"pdpImage":null,"ticketId":null,"qtyRequiredPerVariant":"1","isElgibleForRepair":null,"isPowerEligible":null,"productRecallNotes":null,"productOtherInfo":null,"backorderETA":"00/00/0000","modifiedDate":null,"userLevel":"ALL","displayPrice":null,"baseProductName":null,"firstVariantCode":null,"firstVariantImage":null,"productMarketType":null,"productNumber":null,"typeStatusCode":null,"productCategory":null,"typeNumber":null,"marketCode":null,"regionCode":null,"otherInformation":null,"productTypeStatus":null,"repairInstruction":null,"repairInstructionStatusDescription":null,"typeStatusDate":null,"serviceLifeDate":null,"manufacturerId":null,"parts":null,"language":null,"glossaries":null,"brand":null,"product":null,"brandCode":null,"recallNotes":null,"volume":null},{"code":"P5140221-89","name":null,"url":"/c//p/P5140221-89","description":"BRACKET","purchasable":true,"stock":{"stockLevelStatus":{"code":"inStock","type":"StockLevelStatus"},"stockLevel":0,"stockThreshold":null},"futureStocks":null,"availableForPickup":null,"averageRating":null,"numberOfReviews":null,"summary":null,"manufacturer":null,"variantType":null,"price":{"currencyIso":"USD","value":15.89,"priceType":"BUY","formattedValue":"$15.89","minQuantity":null,"maxQuantity":null,"sapUnit":{"code":"pieces","name":"Piece"}},"baseProduct":null,"images":[],"categories":null,"reviews":null,"classifications":null,"potentialPromotions":null,"variantOptions":null,"baseOptions":[],"volumePricesFlag":null,"volumePrices":null,"productReferences":null,"variantMatrix":null,"priceRange":null,"firstCategoryNameList":null,"multidimensional":null,"configurable":false,"configuratorType":null,"addToCartDisabled":null,"addToCartDisabledMessage":null,"tags":null,"sapUnit":null,"keywords":null,"genders":null,"itemtype":"Part","partSubstitute":"P5140221-28","note":null,"recallNote":null,"note1":null,"note2":null,"note3":null,"note4":null,"note5":null,"pdfAllUser":null,"pdfAuthUser":null,"pdfCOSUser":null,"vaiantRelatedPartList":null,"partHotspotList":null,"itemNumber":null,"partRelatedVariantList":null,"bomCode":4,"totalValue":null,"searchImage":null,"length":null,"width":null,"height":null,"unitOfDimension":null,"weight":null,"unitOfWeight":null,"specialRouting":false,"onlineRepair":null,"previousPartID":null,"sbdDiscountPriceValue":{"currencyIso":"USD","value":15.89,"priceType":"BUY","formattedValue":"$15.89","minQuantity":null,"maxQuantity":null,"sapUnit":{"code":"pieces","name":"Piece"}},"alrCode":null,"productRecallFlag":null,"selectedDocumentId":null,"productDescription":null,"pdpImage":null,"ticketId":null,"qtyRequiredPerVariant":"1","isElgibleForRepair":null,"isPowerEligible":null,"productRecallNotes":null,"productOtherInfo":null,"backorderETA":"00/00/0000","modifiedDate":null,"userLevel":"ALL","displayPrice":null,"baseProductName":null,"firstVariantCode":null,"firstVariantImage":null,"productMarketType":null,"productNumber":null,"typeStatusCode":null,"productCategory":null,"typeNumber":null,"marketCode":null,"regionCode":null,"otherInformation":null,"productTypeStatus":null,"repairInstruction":null,"repairInstructionStatusDescription":null,"typeStatusDate":null,"serviceLifeDate":null,"manufacturerId":null,"parts":null,"language":null,"glossaries":null,"brand":null,"product":null,"brandCode":null,"recallNotes":null,"volume":null},{"code":"P5140241-13","name":null,"url":"/c//p/P5140241-13","description":"SHIELD","purchasable":true,"stock":{"stockLevelStatus":{"code":"inStock","type":"StockLevelStatus"},"stockLevel":0,"stockThreshold":null},"futureStocks":null,"availableForPickup":null,"averageRating":null,"numberOfReviews":null,"summary":null,"manufacturer":null,"variantType":null,"price":{"currencyIso":"USD","value":48.45,"priceType":"BUY","formattedValue":"$48.45","minQuantity":null,"maxQuantity":null,"sapUnit":{"code":"pieces","name":"Piece"}},"baseProduct":null,"images":[],"categories":null,"reviews":null,"classifications":null,"potentialPromotions":null,"variantOptions":null,"baseOptions":[],"volumePricesFlag":null,"volumePrices":null,"productReferences":null,"variantMatrix":null,"priceRange":null,"firstCategoryNameList":null,"multidimensional":null,"configurable":false,"configuratorType":null,"addToCartDisabled":null,"addToCartDisabledMessage":null,"tags":null,"sapUnit":null,"keywords":null,"genders":null,"itemtype":"Part","partSubstitute":null,"note":null,"recallNote":null,"note1":null,"note2":null,"note3":null,"note4":null,"note5":null,"pdfAllUser":null,"pdfAuthUser":null,"pdfCOSUser":null,"vaiantRelatedPartList":null,"partHotspotList":null,"itemNumber":null,"partRelatedVariantList":null,"bomCode":2,"totalValue":null,"searchImage":null,"length":null,"width":null,"height":null,"unitOfDimension":null,"weight":null,"unitOfWeight":null,"specialRouting":false,"onlineRepair":null,"previousPartID":null,"sbdDiscountPriceValue":{"currencyIso":"USD","value":48.45,"priceType":"BUY","formattedValue":"$48.45","minQuantity":null,"maxQuantity":null,"sapUnit":{"code":"pieces","name":"Piece"}},"alrCode":null,"productRecallFlag":null,"selectedDocumentId":null,"productDescription":null,"pdpImage":null,"ticketId":null,"qtyRequiredPerVariant":"1","isElgibleForRepair":null,"isPowerEligible":null,"productRecallNotes":null,"productOtherInfo":null,"backorderETA":"00/00/0000","modifiedDate":null,"userLevel":"ALL","displayPrice":null,"baseProductName":null,"firstVariantCode":null,"firstVariantImage":null,"productMarketType":null,"productNumber":null,"typeStatusCode":null,"productCategory":null,"typeNumber":null,"marketCode":null,"regionCode":null,"otherInformation":null,"productTypeStatus":null,"repairInstruction":null,"repairInstructionStatusDescription":null,"typeStatusDate":null,"serviceLifeDate":null,"manufacturerId":null,"parts":null,"language":null,"glossaries":null,"brand":null,"product":null,"brandCode":null,"recallNotes":null,"volume":null},{"code":"P53217342-CM","name":null,"url":"/c//p/P53217342-CM","description":"WASHER","purchasable":false,"stock":{"stockLevelStatus":{"code":"outOfStock","type":"StockLevelStatus"},"stockLevel":0,"stockThreshold":null},"futureStocks":null,"availableForPickup":null,"averageRating":null,"numberOfReviews":null,"summary":null,"manufacturer":null,"variantType":null,"price":null,"baseProduct":null,"images":[],"categories":null,"reviews":null,"classifications":null,"potentialPromotions":null,"variantOptions":null,"baseOptions":[],"volumePricesFlag":null,"volumePrices":null,"productReferences":null,"variantMatrix":null,"priceRange":null,"firstCategoryNameList":null,"multidimensional":null,"configurable":false,"configuratorType":null,"addToCartDisabled":null,"addToCartDisabledMessage":null,"tags":null,"sapUnit":null,"keywords":null,"genders":null,"itemtype":"Part","partSubstitute":null,"note":null,"recallNote":null,"note1":null,"note2":null,"note3":null,"note4":null,"note5":null,"pdfAllUser":null,"pdfAuthUser":null,"pdfCOSUser":null,"vaiantRelatedPartList":null,"partHotspotList":null,"itemNumber":null,"partRelatedVariantList":null,"bomCode":4,"totalValue":null,"searchImage":null,"length":null,"width":null,"height":null,"unitOfDimension":null,"weight":null,"unitOfWeight":null,"specialRouting":false,"onlineRepair":null,"previousPartID":null,"sbdDiscountPriceValue":null,"alrCode":null,"productRecallFlag":null,"selectedDocumentId":null,"productDescription":null,"pdpImage":null,"ticketId":null,"qtyRequiredPerVariant":"1","isElgibleForRepair":null,"isPowerEligible":null,"productRecallNotes":null,"productOtherInfo":null,"backorderETA":null,"modifiedDate":null,"userLevel":"COS","displayPrice":null,"baseProductName":null,"firstVariantCode":null,"firstVariantImage":null,"productMarketType":null,"productNumber":null,"typeStatusCode":null,"productCategory":null,"typeNumber":null,"marketCode":null,"regionCode":null,"otherInformation":null,"productTypeStatus":null,"repairInstruction":null,"repairInstructionStatusDescription":null,"typeStatusDate":null,"serviceLifeDate":null,"manufacturerId":null,"parts":null,"language":null,"glossaries":null,"brand":null,"product":null,"brandCode":null,"recallNotes":null,"volume":null},{"code":"P617-04094-CM","name":null,"url":"/c//p/P617-04094-CM","description":"GEAR ASSM","purchasable":true,"stock":{"stockLevelStatus":{"code":"inStock","type":"StockLevelStatus"},"stockLevel":0,"stockThreshold":null},"futureStocks":null,"availableForPickup":null,"averageRating":null,"numberOfReviews":null,"summary":null,"manufacturer":null,"variantType":null,"price":{"currencyIso":"USD","value":17.78,"priceType":"BUY","formattedValue":"$17.78","minQuantity":null,"maxQuantity":null,"sapUnit":{"code":"pieces","name":"Piece"}},"baseProduct":null,"images":[],"categories":null,"reviews":null,"classifications":null,"potentialPromotions":null,"variantOptions":null,"baseOptions":[],"volumePricesFlag":null,"volumePrices":null,"productReferences":null,"variantMatrix":null,"priceRange":null,"firstCategoryNameList":null,"multidimensional":null,"configurable":false,"configuratorType":null,"addToCartDisabled":null,"addToCartDisabledMessage":null,"tags":null,"sapUnit":null,"keywords":null,"genders":null,"itemtype":"Part","partSubstitute":null,"note":null,"recallNote":null,"note1":null,"note2":null,"note3":null,"note4":null,"note5":null,"pdfAllUser":null,"pdfAuthUser":null,"pdfCOSUser":null,"vaiantRelatedPartList":null,"partHotspotList":null,"itemNumber":null,"partRelatedVariantList":null,"bomCode":2,"totalValue":null,"searchImage":null,"length":null,"width":null,"height":null,"unitOfDimension":null,"weight":null,"unitOfWeight":null,"specialRouting":false,"onlineRepair":null,"previousPartID":null,"sbdDiscountPriceValue":{"currencyIso":"USD","value":17.78,"priceType":"BUY","formattedValue":"$17.78","minQuantity":null,"maxQuantity":null,"sapUnit":{"code":"pieces","name":"Piece"}},"alrCode":null,"productRecallFlag":null,"selectedDocumentId":null,"productDescription":null,"pdpImage":null,"ticketId":null,"qtyRequiredPerVariant":"1","isElgibleForRepair":null,"isPowerEligible":null,"productRecallNotes":null,"productOtherInfo":null,"backorderETA":"00/00/0000","modifiedDate":null,"userLevel":"ALL","displayPrice":null,"baseProductName":null,"firstVariantCode":null,"firstVariantImage":null,"productMarketType":null,"productNumber":null,"typeStatusCode":null,"productCategory":null,"typeNumber":null,"marketCode":null,"regionCode":null,"otherInformation":null,"productTypeStatus":null,"repairInstruction":null,"repairInstructionStatusDescription":null,"typeStatusDate":null,"serviceLifeDate":null,"manufacturerId":null,"parts":null,"language":null,"glossaries":null,"brand":null,"product":null,"brandCode":null,"recallNotes":null,"volume":null},{"code":"P692236-CM","name":null,"url":"/c//p/P692236-CM","description":"GASKET-EXHAU","purchasable":true,"stock":{"stockLevelStatus":{"code":"inStock","type":"StockLevelStatus"},"stockLevel":0,"stockThreshold":null},"futureStocks":null,"availableForPickup":null,"averageRating":null,"numberOfReviews":null,"summary":null,"manufacturer":null,"variantType":null,"price":{"currencyIso":"USD","value":0.0,"priceType":"BUY","formattedValue":"$0.00","minQuantity":null,"maxQuantity":null,"sapUnit":{"code":"pieces","name":"Piece"}},"baseProduct":null,"images":[],"categories":null,"reviews":null,"classifications":null,"potentialPromotions":null,"variantOptions":null,"baseOptions":[],"volumePricesFlag":null,"volumePrices":null,"productReferences":null,"variantMatrix":null,"priceRange":null,"firstCategoryNameList":null,"multidimensional":null,"configurable":false,"configuratorType":null,"addToCartDisabled":null,"addToCartDisabledMessage":null,"tags":null,"sapUnit":null,"keywords":null,"genders":null,"itemtype":"Part","partSubstitute":"P726-0278-CM","note":null,"recallNote":null,"note1":null,"note2":null,"note3":null,"note4":null,"note5":null,"pdfAllUser":null,"pdfAuthUser":null,"pdfCOSUser":null,"vaiantRelatedPartList":null,"partHotspotList":null,"itemNumber":null,"partRelatedVariantList":null,"bomCode":4,"totalValue":null,"searchImage":null,"length":null,"width":null,"height":null,"unitOfDimension":null,"weight":null,"unitOfWeight":null,"specialRouting":false,"onlineRepair":null,"previousPartID":null,"sbdDiscountPriceValue":{"currencyIso":"USD","value":0.0,"priceType":"BUY","formattedValue":"$0.00","minQuantity":null,"maxQuantity":null,"sapUnit":{"code":"pieces","name":"Piece"}},"alrCode":null,"productRecallFlag":null,"selectedDocumentId":null,"productDescription":null,"pdpImage":null,"ticketId":null,"qtyRequiredPerVariant":"1","isElgibleForRepair":null,"isPowerEligible":null,"productRecallNotes":null,"productOtherInfo":null,"backorderETA":"00/00/0000","modifiedDate":null,"userLevel":"ALL","displayPrice":null,"baseProductName":null,"firstVariantCode":null,"firstVariantImage":null,"productMarketType":null,"productNumber":null,"typeStatusCode":null,"productCategory":null,"typeNumber":null,"marketCode":null,"regionCode":null,"otherInformation":null,"productTypeStatus":null,"repairInstruction":null,"repairInstructionStatusDescription":null,"typeStatusDate":null,"serviceLifeDate":null,"manufacturerId":null,"parts":null,"language":null,"glossaries":null,"brand":null,"product":null,"brandCode":null,"recallNotes":null,"volume":null},{"code":"P710-04482-CM","name":null,"url":"/c//p/P710-04482-CM","description":"HH FLG:3/8-1","purchasable":true,"stock":{"stockLevelStatus":{"code":"inStock","type":"StockLevelStatus"},"stockLevel":0,"stockThreshold":null},"futureStocks":null,"availableForPickup":null,"averageRating":null,"numberOfReviews":null,"summary":null,"manufacturer":null,"variantType":null,"price":{"currencyIso":"USD","value":2.81,"priceType":"BUY","formattedValue":"$2.81","minQuantity":null,"maxQuantity":null,"sapUnit":{"code":"pieces","name":"Piece"}},"baseProduct":null,"images":[],"categories":null,"reviews":null,"classifications":null,"potentialPromotions":null,"variantOptions":null,"baseOptions":[],"volumePricesFlag":null,"volumePrices":null,"productReferences":null,"variantMatrix":null,"priceRange":null,"firstCategoryNameList":null,"multidimensional":null,"configurable":false,"configuratorType":null,"addToCartDisabled":null,"addToCartDisabledMessage":null,"tags":null,"sapUnit":null,"keywords":null,"genders":null,"itemtype":"Part","partSubstitute":null,"note":null,"recallNote":null,"note1":null,"note2":null,"note3":null,"note4":null,"note5":null,"pdfAllUser":null,"pdfAuthUser":null,"pdfCOSUser":null,"vaiantRelatedPartList":null,"partHotspotList":null,"itemNumber":null,"partRelatedVariantList":null,"bomCode":2,"totalValue":null,"searchImage":null,"length":null,"width":null,"height":null,"unitOfDimension":null,"weight":null,"unitOfWeight":null,"specialRouting":false,"onlineRepair":null,"previousPartID":null,"sbdDiscountPriceValue":{"currencyIso":"USD","value":2.81,"priceType":"BUY","formattedValue":"$2.81","minQuantity":null,"maxQuantity":null,"sapUnit":{"code":"pieces","name":"Piece"}},"alrCode":null,"productRecallFlag":null,"selectedDocumentId":null,"productDescription":null,"pdpImage":null,"ticketId":null,"qtyRequiredPerVariant":"1","isElgibleForRepair":null,"isPowerEligible":null,"productRecallNotes":null,"productOtherInfo":null,"backorderETA":"00/00/0000","modifiedDate":null,"userLevel":"ALL","displayPrice":null,"baseProductName":null,"firstVariantCode":null,"firstVariantImage":null,"productMarketType":null,"productNumber":null,"typeStatusCode":null,"productCategory":null,"typeNumber":null,"marketCode":null,"regionCode":null,"otherInformation":null,"productTypeStatus":null,"repairInstruction":null,"repairInstructionStatusDescription":null,"typeStatusDate":null,"serviceLifeDate":null,"manufacturerId":null,"parts":null,"language":null,"glossaries":null,"brand":null,"product":null,"brandCode":null,"recallNotes":null,"volume":null},{"code":"P710-05070-CM","name":null,"url":"/c//p/P710-05070-CM","description":"SCREW-PAN TO","purchasable":true,"stock":{"stockLevelStatus":{"code":"inStock","type":"StockLevelStatus"},"stockLevel":0,"stockThreshold":null},"futureStocks":null,"availableForPickup":null,"averageRating":null,"numberOfReviews":null,"summary":null,"manufacturer":null,"variantType":null,"price":{"currencyIso":"USD","value":3.8,"priceType":"BUY","formattedValue":"$3.80","minQuantity":null,"maxQuantity":null,"sapUnit":{"code":"pieces","name":"Piece"}},"baseProduct":null,"images":[],"categories":null,"reviews":null,"classifications":null,"potentialPromotions":null,"variantOptions":null,"baseOptions":[],"volumePricesFlag":null,"volumePrices":null,"productReferences":null,"variantMatrix":null,"priceRange":null,"firstCategoryNameList":null,"multidimensional":null,"configurable":false,"configuratorType":null,"addToCartDisabled":null,"addToCartDisabledMessage":null,"tags":null,"sapUnit":null,"keywords":null,"genders":null,"itemtype":"Part","partSubstitute":"P710-05070A-CM","note":null,"recallNote":null,"note1":null,"note2":null,"note3":null,"note4":null,"note5":null,"pdfAllUser":null,"pdfAuthUser":null,"pdfCOSUser":null,"vaiantRelatedPartList":null,"partHotspotList":null,"itemNumber":null,"partRelatedVariantList":null,"bomCode":4,"totalValue":null,"searchImage":null,"length":null,"width":null,"height":null,"unitOfDimension":null,"weight":null,"unitOfWeight":null,"specialRouting":false,"onlineRepair":null,"previousPartID":null,"sbdDiscountPriceValue":{"currencyIso":"USD","value":3.8,"priceType":"BUY","formattedValue":"$3.80","minQuantity":null,"maxQuantity":null,"sapUnit":{"code":"pieces","name":"Piece"}},"alrCode":null,"productRecallFlag":null,"selectedDocumentId":null,"productDescription":null,"pdpImage":null,"ticketId":null,"qtyRequiredPerVariant":"1","isElgibleForRepair":null,"isPowerEligible":null,"productRecallNotes":null,"productOtherInfo":null,"backorderETA":"00/00/0000","modifiedDate":null,"userLevel":"ALL","displayPrice":null,"baseProductName":null,"firstVariantCode":null,"firstVariantImage":null,"productMarketType":null,"productNumber":null,"typeStatusCode":null,"productCategory":null,"typeNumber":null,"marketCode":null,"regionCode":null,"otherInformation":null,"productTypeStatus":null,"repairInstruction":null,"repairInstructionStatusDescription":null,"typeStatusDate":null,"serviceLifeDate":null,"manufacturerId":null,"parts":null,"language":null,"glossaries":null,"brand":null,"product":null,"brandCode":null,"recallNotes":null,"volume":null},{"code":"P710-05070-CM","name":null,"url":"/c//p/P710-05070-CM","description":"SCREW-PAN TO","purchasable":true,"stock":{"stockLevelStatus":{"code":"inStock","type":"StockLevelStatus"},"stockLevel":0,"stockThreshold":null},"futureStocks":null,"availableForPickup":null,"averageRating":null,"numberOfReviews":null,"summary":null,"manufacturer":null,"variantType":null,"price":{"currencyIso":"USD","value":3.8,"priceType":"BUY","formattedValue":"$3.80","minQuantity":null,"maxQuantity":null,"sapUnit":{"code":"pieces","name":"Piece"}},"baseProduct":null,"images":[],"categories":null,"reviews":null,"classifications":null,"potentialPromotions":null,"variantOptions":null,"baseOptions":[],"volumePricesFlag":null,"volumePrices":null,"productReferences":null,"variantMatrix":null,"priceRange":null,"firstCategoryNameList":null,"multidimensional":null,"configurable":false,"configuratorType":null,"addToCartDisabled":null,"addToCartDisabledMessage":null,"tags":null,"sapUnit":null,"keywords":null,"genders":null,"itemtype":"Part","partSubstitute":"P710-05070A-CM","note":null,"recallNote":null,"note1":null,"note2":null,"note3":null,"note4":null,"note5":null,"pdfAllUser":null,"pdfAuthUser":null,"pdfCOSUser":null,"vaiantRelatedPartList":null,"partHotspotList":null,"itemNumber":null,"partRelatedVariantList":null,"bomCode":4,"totalValue":null,"searchImage":null,"length":null,"width":null,"height":null,"unitOfDimension":null,"weight":null,"unitOfWeight":null,"specialRouting":false,"onlineRepair":null,"previousPartID":null,"sbdDiscountPriceValue":{"currencyIso":"USD","value":3.8,"priceType":"BUY","formattedValue":"$3.80","minQuantity":null,"maxQuantity":null,"sapUnit":{"code":"pieces","name":"Piece"}},"alrCode":null,"productRecallFlag":null,"selectedDocumentId":null,"productDescription":null,"pdpImage":null,"ticketId":null,"qtyRequiredPerVariant":"1","isElgibleForRepair":null,"isPowerEligible":null,"productRecallNotes":null,"productOtherInfo":null,"backorderETA":"00/00/0000","modifiedDate":null,"userLevel":"ALL","displayPrice":null,"baseProductName":null,"firstVariantCode":null,"firstVariantImage":null,"productMarketType":null,"productNumber":null,"typeStatusCode":null,"productCategory":null,"typeNumber":null,"marketCode":null,"regionCode":null,"otherInformation":null,"productTypeStatus":null,"repairInstruction":null,"repairInstructionStatusDescription":null,"typeStatusDate":null,"serviceLifeDate":null,"manufacturerId":null,"parts":null,"language":null,"glossaries":null,"brand":null,"product":null,"brandCode":null,"recallNotes":null,"volume":null},{"code":"P710-05339-CM","name":null,"url":"/c//p/P710-05339-CM","description":"SCREW","purchasable":true,"stock":{"stockLevelStatus":{"code":"inStock","type":"StockLevelStatus"},"stockLevel":0,"stockThreshold":null},"futureStocks":null,"availableForPickup":null,"averageRating":null,"numberOfReviews":null,"summary":null,"manufacturer":null,"variantType":null,"price":{"currencyIso":"USD","value":2.36,"priceType":"BUY","formattedValue":"$2.36","minQuantity":null,"maxQuantity":null,"sapUnit":{"code":"pieces","name":"Piece"}},"baseProduct":null,"images":[],"categories":null,"reviews":null,"classifications":null,"potentialPromotions":null,"variantOptions":null,"baseOptions":[],"volumePricesFlag":null,"volumePrices":null,"productReferences":null,"variantMatrix":null,"priceRange":null,"firstCategoryNameList":null,"multidimensional":null,"configurable":false,"configuratorType":null,"addToCartDisabled":null,"addToCartDisabledMessage":null,"tags":null,"sapUnit":null,"keywords":null,"genders":null,"itemtype":"Part","partSubstitute":"P710-05339A-CM","note":null,"recallNote":null,"note1":null,"note2":null,"note3":null,"note4":null,"note5":null,"pdfAllUser":null,"pdfAuthUser":null,"pdfCOSUser":null,"vaiantRelatedPartList":null,"partHotspotList":null,"itemNumber":null,"partRelatedVariantList":null,"bomCode":4,"totalValue":null,"searchImage":null,"length":null,"width":null,"height":null,"unitOfDimension":null,"weight":null,"unitOfWeight":null,"specialRouting":false,"onlineRepair":null,"previousPartID":null,"sbdDiscountPriceValue":{"currencyIso":"USD","value":2.36,"priceType":"BUY","formattedValue":"$2.36","minQuantity":null,"maxQuantity":null,"sapUnit":{"code":"pieces","name":"Piece"}},"alrCode":null,"productRecallFlag":null,"selectedDocumentId":null,"productDescription":null,"pdpImage":null,"ticketId":null,"qtyRequiredPerVariant":"1","isElgibleForRepair":null,"isPowerEligible":null,"productRecallNotes":null,"productOtherInfo":null,"backorderETA":"00/00/0000","modifiedDate":null,"userLevel":"ALL","displayPrice":null,"baseProductName":null,"firstVariantCode":null,"firstVariantImage":null,"productMarketType":null,"productNumber":null,"typeStatusCode":null,"productCategory":null,"typeNumber":null,"marketCode":null,"regionCode":null,"otherInformation":null,"productTypeStatus":null,"repairInstruction":null,"repairInstructionStatusDescription":null,"typeStatusDate":null,"serviceLifeDate":null,"manufacturerId":null,"parts":null,"language":null,"glossaries":null,"brand":null,"product":null,"brandCode":null,"recallNotes":null,"volume":null},{"code":"P710-05339A-CM","name":null,"url":"/c//p/P710-05339A-CM","description":"SCREW","purchasable":true,"stock":{"stockLevelStatus":{"code":"inStock","type":"StockLevelStatus"},"stockLevel":0,"stockThreshold":null},"futureStocks":null,"availableForPickup":null,"averageRating":null,"numberOfReviews":null,"summary":null,"manufacturer":null,"variantType":null,"price":{"currencyIso":"USD","value":2.55,"priceType":"BUY","formattedValue":"$2.55","minQuantity":null,"maxQuantity":null,"sapUnit":{"code":"pieces","name":"Piece"}},"baseProduct":null,"images":[],"categories":null,"reviews":null,"classifications":null,"potentialPromotions":null,"variantOptions":null,"baseOptions":[],"volumePricesFlag":null,"volumePrices":null,"productReferences":null,"variantMatrix":null,"priceRange":null,"firstCategoryNameList":null,"multidimensional":null,"configurable":false,"configuratorType":null,"addToCartDisabled":null,"addToCartDisabledMessage":null,"tags":null,"sapUnit":null,"keywords":null,"genders":null,"itemtype":"Part","partSubstitute":null,"note":null,"recallNote":null,"note1":null,"note2":null,"note3":null,"note4":null,"note5":null,"pdfAllUser":null,"pdfAuthUser":null,"pdfCOSUser":null,"vaiantRelatedPartList":null,"partHotspotList":null,"itemNumber":null,"partRelatedVariantList":null,"bomCode":2,"totalValue":null,"searchImage":null,"length":null,"width":null,"height":null,"unitOfDimension":null,"weight":null,"unitOfWeight":null,"specialRouting":false,"onlineRepair":null,"previousPartID":null,"sbdDiscountPriceValue":{"currencyIso":"USD","value":2.55,"priceType":"BUY","formattedValue":"$2.55","minQuantity":null,"maxQuantity":null,"sapUnit":{"code":"pieces","name":"Piece"}},"alrCode":null,"productRecallFlag":null,"selectedDocumentId":null,"productDescription":null,"pdpImage":null,"ticketId":null,"qtyRequiredPerVariant":"1","isElgibleForRepair":null,"isPowerEligible":null,"productRecallNotes":null,"productOtherInfo":null,"backorderETA":"00/00/0000","modifiedDate":null,"userLevel":"ALL","displayPrice":null,"baseProductName":null,"firstVariantCode":null,"firstVariantImage":null,"productMarketType":null,"productNumber":null,"typeStatusCode":null,"productCategory":null,"typeNumber":null,"marketCode":null,"regionCode":null,"otherInformation":null,"productTypeStatus":null,"repairInstruction":null,"repairInstructionStatusDescription":null,"typeStatusDate":null,"serviceLifeDate":null,"manufacturerId":null,"parts":null,"language":null,"glossaries":null,"brand":null,"product":null,"brandCode":null,"recallNotes":null,"volume":null},{"code":"P710-1266-CM","name":null,"url":"/c//p/P710-1266-CM","description":"SCREW-HEX CA","purchasable":true,"stock":{"stockLevelStatus":{"code":"inStock","type":"StockLevelStatus"},"stockLevel":0,"stockThreshold":null},"futureStocks":null,"availableForPickup":null,"averageRating":null,"numberOfReviews":null,"summary":null,"manufacturer":null,"variantType":null,"price":{"currencyIso":"USD","value":5.97,"priceType":"BUY","formattedValue":"$5.97","minQuantity":null,"maxQuantity":null,"sapUnit":{"code":"pieces","name":"Piece"}},"baseProduct":null,"images":[],"categories":null,"reviews":null,"classifications":null,"potentialPromotions":null,"variantOptions":null,"baseOptions":[],"volumePricesFlag":null,"volumePrices":null,"productReferences":null,"variantMatrix":null,"priceRange":null,"firstCategoryNameList":null,"multidimensional":null,"configurable":false,"configuratorType":null,"addToCartDisabled":null,"addToCartDisabledMessage":null,"tags":null,"sapUnit":null,"keywords":null,"genders":null,"itemtype":"Part","partSubstitute":null,"note":null,"recallNote":null,"note1":null,"note2":null,"note3":null,"note4":null,"note5":null,"pdfAllUser":null,"pdfAuthUser":null,"pdfCOSUser":null,"vaiantRelatedPartList":null,"partHotspotList":null,"itemNumber":null,"partRelatedVariantList":null,"bomCode":2,"totalValue":null,"searchImage":null,"length":null,"width":null,"height":null,"unitOfDimension":null,"weight":null,"unitOfWeight":null,"specialRouting":false,"onlineRepair":null,"previousPartID":null,"sbdDiscountPriceValue":{"currencyIso":"USD","value":5.97,"priceType":"BUY","formattedValue":"$5.97","minQuantity":null,"maxQuantity":null,"sapUnit":{"code":"pieces","name":"Piece"}},"alrCode":null,"productRecallFlag":null,"selectedDocumentId":null,"productDescription":null,"pdpImage":null,"ticketId":null,"qtyRequiredPerVariant":"1","isElgibleForRepair":null,"isPowerEligible":null,"productRecallNotes":null,"productOtherInfo":null,"backorderETA":"00/00/0000","modifiedDate":null,"userLevel":"ALL","displayPrice":null,"baseProductName":null,"firstVariantCode":null,"firstVariantImage":null,"productMarketType":null,"productNumber":null,"typeStatusCode":null,"productCategory":null,"typeNumber":null,"marketCode":null,"regionCode":null,"otherInformation":null,"productTypeStatus":null,"repairInstruction":null,"repairInstructionStatusDescription":null,"typeStatusDate":null,"serviceLifeDate":null,"manufacturerId":null,"parts":null,"language":null,"glossaries":null,"brand":null,"product":null,"brandCode":null,"recallNotes":null,"volume":null},{"code":"P725-04363-CM","name":null,"url":"/c//p/P725-04363-CM","description":"SWITCH-INTLK","purchasable":true,"stock":{"stockLevelStatus":{"code":"inStock","type":"StockLevelStatus"},"stockLevel":0,"stockThreshold":null},"futureStocks":null,"availableForPickup":null,"averageRating":null,"numberOfReviews":null,"summary":null,"manufacturer":null,"variantType":null,"price":{"currencyIso":"USD","value":9.41,"priceType":"BUY","formattedValue":"$9.41","minQuantity":null,"maxQuantity":null,"sapUnit":{"code":"pieces","name":"Piece"}},"baseProduct":null,"images":[],"categories":null,"reviews":null,"classifications":null,"potentialPromotions":null,"variantOptions":null,"baseOptions":[],"volumePricesFlag":null,"volumePrices":null,"productReferences":null,"variantMatrix":null,"priceRange":null,"firstCategoryNameList":null,"multidimensional":null,"configurable":false,"configuratorType":null,"addToCartDisabled":null,"addToCartDisabledMessage":null,"tags":null,"sapUnit":null,"keywords":null,"genders":null,"itemtype":"Part","partSubstitute":null,"note":null,"recallNote":null,"note1":null,"note2":null,"note3":null,"note4":null,"note5":null,"pdfAllUser":null,"pdfAuthUser":null,"pdfCOSUser":null,"vaiantRelatedPartList":null,"partHotspotList":null,"itemNumber":null,"partRelatedVariantList":null,"bomCode":2,"totalValue":null,"searchImage":null,"length":null,"width":null,"height":null,"unitOfDimension":null,"weight":null,"unitOfWeight":null,"specialRouting":false,"onlineRepair":null,"previousPartID":null,"sbdDiscountPriceValue":{"currencyIso":"USD","value":9.41,"priceType":"BUY","formattedValue":"$9.41","minQuantity":null,"maxQuantity":null,"sapUnit":{"code":"pieces","name":"Piece"}},"alrCode":null,"productRecallFlag":null,"selectedDocumentId":null,"productDescription":null,"pdpImage":null,"ticketId":null,"qtyRequiredPerVariant":"1","isElgibleForRepair":null,"isPowerEligible":null,"productRecallNotes":null,"productOtherInfo":null,"backorderETA":"00/00/0000","modifiedDate":null,"userLevel":"ALL","displayPrice":null,"baseProductName":null,"firstVariantCode":null,"firstVariantImage":null,"productMarketType":null,"productNumber":null,"typeStatusCode":null,"productCategory":null,"typeNumber":null,"marketCode":null,"regionCode":null,"otherInformation":null,"productTypeStatus":null,"repairInstruction":null,"repairInstructionStatusDescription":null,"typeStatusDate":null,"serviceLifeDate":null,"manufacturerId":null,"parts":null,"language":null,"glossaries":null,"brand":null,"product":null,"brandCode":null,"recallNotes":null,"volume":null},{"code":"P725-04439A-CM","name":null,"url":"/c//p/P725-04439A-CM","description":"SOLENDOID","purchasable":true,"stock":{"stockLevelStatus":{"code":"inStock","type":"StockLevelStatus"},"stockLevel":0,"stockThreshold":null},"futureStocks":null,"availableForPickup":null,"averageRating":null,"numberOfReviews":null,"summary":null,"manufacturer":null,"variantType":null,"price":{"currencyIso":"USD","value":22.38,"priceType":"BUY","formattedValue":"$22.38","minQuantity":null,"maxQuantity":null,"sapUnit":{"code":"pieces","name":"Piece"}},"baseProduct":null,"images":[],"categories":null,"reviews":null,"classifications":null,"potentialPromotions":null,"variantOptions":null,"baseOptions":[],"volumePricesFlag":null,"volumePrices":null,"productReferences":null,"variantMatrix":null,"priceRange":null,"firstCategoryNameList":null,"multidimensional":null,"configurable":false,"configuratorType":null,"addToCartDisabled":null,"addToCartDisabledMessage":null,"tags":null,"sapUnit":null,"keywords":null,"genders":null,"itemtype":"Part","partSubstitute":"P710-3144-CM","note":null,"recallNote":null,"note1":null,"note2":null,"note3":null,"note4":null,"note5":null,"pdfAllUser":null,"pdfAuthUser":null,"pdfCOSUser":null,"vaiantRelatedPartList":null,"partHotspotList":null,"itemNumber":null,"partRelatedVariantList":null,"bomCode":4,"totalValue":null,"searchImage":null,"length":null,"width":null,"height":null,"unitOfDimension":null,"weight":null,"unitOfWeight":null,"specialRouting":false,"onlineRepair":null,"previousPartID":null,"sbdDiscountPriceValue":{"currencyIso":"USD","value":22.38,"priceType":"BUY","formattedValue":"$22.38","minQuantity":null,"maxQuantity":null,"sapUnit":{"code":"pieces","name":"Piece"}},"alrCode":null,"productRecallFlag":null,"selectedDocumentId":null,"productDescription":null,"pdpImage":null,"ticketId":null,"qtyRequiredPerVariant":"1","isElgibleForRepair":null,"isPowerEligible":null,"productRecallNotes":null,"productOtherInfo":null,"backorderETA":"00/00/0000","modifiedDate":null,"userLevel":"ALL","displayPrice":null,"baseProductName":null,"firstVariantCode":null,"firstVariantImage":null,"productMarketType":null,"productNumber":null,"typeStatusCode":null,"productCategory":null,"typeNumber":null,"marketCode":null,"regionCode":null,"otherInformation":null,"productTypeStatus":null,"repairInstruction":null,"repairInstructionStatusDescription":null,"typeStatusDate":null,"serviceLifeDate":null,"manufacturerId":null,"parts":null,"language":null,"glossaries":null,"brand":null,"product":null,"brandCode":null,"recallNotes":null,"volume":null},{"code":"P732-04840-CM","name":null,"url":"/c//p/P732-04840-CM","description":"SPRING","purchasable":true,"stock":{"stockLevelStatus":{"code":"inStock","type":"StockLevelStatus"},"stockLevel":0,"stockThreshold":null},"futureStocks":null,"availableForPickup":null,"averageRating":null,"numberOfReviews":null,"summary":null,"manufacturer":null,"variantType":null,"price":{"currencyIso":"USD","value":2.55,"priceType":"BUY","formattedValue":"$2.55","minQuantity":null,"maxQuantity":null,"sapUnit":{"code":"pieces","name":"Piece"}},"baseProduct":null,"images":[],"categories":null,"reviews":null,"classifications":null,"potentialPromotions":null,"variantOptions":null,"baseOptions":[],"volumePricesFlag":null,"volumePrices":null,"productReferences":null,"variantMatrix":null,"priceRange":null,"firstCategoryNameList":null,"multidimensional":null,"configurable":false,"configuratorType":null,"addToCartDisabled":null,"addToCartDisabledMessage":null,"tags":null,"sapUnit":null,"keywords":null,"genders":null,"itemtype":"Part","partSubstitute":null,"note":null,"recallNote":null,"note1":null,"note2":null,"note3":null,"note4":null,"note5":null,"pdfAllUser":null,"pdfAuthUser":null,"pdfCOSUser":null,"vaiantRelatedPartList":null,"partHotspotList":null,"itemNumber":null,"partRelatedVariantList":null,"bomCode":2,"totalValue":null,"searchImage":null,"length":null,"width":null,"height":null,"unitOfDimension":null,"weight":null,"unitOfWeight":null,"specialRouting":false,"onlineRepair":null,"previousPartID":null,"sbdDiscountPriceValue":{"currencyIso":"USD","value":2.55,"priceType":"BUY","formattedValue":"$2.55","minQuantity":null,"maxQuantity":null,"sapUnit":{"code":"pieces","name":"Piece"}},"alrCode":null,"productRecallFlag":null,"selectedDocumentId":null,"productDescription":null,"pdpImage":null,"ticketId":null,"qtyRequiredPerVariant":"1","isElgibleForRepair":null,"isPowerEligible":null,"productRecallNotes":null,"productOtherInfo":null,"backorderETA":"00/00/0000","modifiedDate":null,"userLevel":"ALL","displayPrice":null,"baseProductName":null,"firstVariantCode":null,"firstVariantImage":null,"productMarketType":null,"productNumber":null,"typeStatusCode":null,"productCategory":null,"typeNumber":null,"marketCode":null,"regionCode":null,"otherInformation":null,"productTypeStatus":null,"repairInstruction":null,"repairInstructionStatusDescription":null,"typeStatusDate":null,"serviceLifeDate":null,"manufacturerId":null,"parts":null,"language":null,"glossaries":null,"brand":null,"product":null,"brandCode":null,"recallNotes":null,"volume":null},{"code":"P735-0239-CM","name":null,"url":"/c//p/P735-0239-CM","description":"PAD-FOOT","purchasable":true,"stock":{"stockLevelStatus":{"code":"inStock","type":"StockLevelStatus"},"stockLevel":0,"stockThreshold":null},"futureStocks":null,"availableForPickup":null,"averageRating":null,"numberOfReviews":null,"summary":null,"manufacturer":null,"variantType":null,"price":{"currencyIso":"USD","value":6.86,"priceType":"BUY","formattedValue":"$6.86","minQuantity":null,"maxQuantity":null,"sapUnit":{"code":"pieces","name":"Piece"}},"baseProduct":null,"images":[],"categories":null,"reviews":null,"classifications":null,"potentialPromotions":null,"variantOptions":null,"baseOptions":[],"volumePricesFlag":null,"volumePrices":null,"productReferences":null,"variantMatrix":null,"priceRange":null,"firstCategoryNameList":null,"multidimensional":null,"configurable":false,"configuratorType":null,"addToCartDisabled":null,"addToCartDisabledMessage":null,"tags":null,"sapUnit":null,"keywords":null,"genders":null,"itemtype":"Part","partSubstitute":"P738-04128-CM","note":null,"recallNote":null,"note1":null,"note2":null,"note3":null,"note4":null,"note5":null,"pdfAllUser":null,"pdfAuthUser":null,"pdfCOSUser":null,"vaiantRelatedPartList":null,"partHotspotList":null,"itemNumber":null,"partRelatedVariantList":null,"bomCode":4,"totalValue":null,"searchImage":null,"length":null,"width":null,"height":null,"unitOfDimension":null,"weight":null,"unitOfWeight":null,"specialRouting":false,"onlineRepair":null,"previousPartID":null,"sbdDiscountPriceValue":{"currencyIso":"USD","value":6.86,"priceType":"BUY","formattedValue":"$6.86","minQuantity":null,"maxQuantity":null,"sapUnit":{"code":"pieces","name":"Piece"}},"alrCode":null,"productRecallFlag":null,"selectedDocumentId":null,"productDescription":null,"pdpImage":null,"ticketId":null,"qtyRequiredPerVariant":"1","isElgibleForRepair":null,"isPowerEligible":null,"productRecallNotes":null,"productOtherInfo":null,"backorderETA":"00/00/0000","modifiedDate":null,"userLevel":"ALL","displayPrice":null,"baseProductName":null,"firstVariantCode":null,"firstVariantImage":null,"productMarketType":null,"productNumber":null,"typeStatusCode":null,"productCategory":null,"typeNumber":null,"marketCode":null,"regionCode":null,"otherInformation":null,"productTypeStatus":null,"repairInstruction":null,"repairInstructionStatusDescription":null,"typeStatusDate":null,"serviceLifeDate":null,"manufacturerId":null,"parts":null,"language":null,"glossaries":null,"brand":null,"product":null,"brandCode":null,"recallNotes":null,"volume":null},{"code":"P736-04228A-CM","name":null,"url":"/c//p/P736-04228A-CM","description":"WASHER-FLAT","purchasable":true,"stock":{"stockLevelStatus":{"code":"inStock","type":"StockLevelStatus"},"stockLevel":0,"stockThreshold":null},"futureStocks":null,"availableForPickup":null,"averageRating":null,"numberOfReviews":null,"summary":null,"manufacturer":null,"variantType":null,"price":{"currencyIso":"USD","value":2.92,"priceType":"BUY","formattedValue":"$2.92","minQuantity":null,"maxQuantity":null,"sapUnit":{"code":"pieces","name":"Piece"}},"baseProduct":null,"images":[],"categories":null,"reviews":null,"classifications":null,"potentialPromotions":null,"variantOptions":null,"baseOptions":[],"volumePricesFlag":null,"volumePrices":null,"productReferences":null,"variantMatrix":null,"priceRange":null,"firstCategoryNameList":null,"multidimensional":null,"configurable":false,"configuratorType":null,"addToCartDisabled":null,"addToCartDisabledMessage":null,"tags":null,"sapUnit":null,"keywords":null,"genders":null,"itemtype":"Part","partSubstitute":"P756-05061B-CM","note":null,"recallNote":null,"note1":null,"note2":null,"note3":null,"note4":null,"note5":null,"pdfAllUser":null,"pdfAuthUser":null,"pdfCOSUser":null,"vaiantRelatedPartList":null,"partHotspotList":null,"itemNumber":null,"partRelatedVariantList":null,"bomCode":4,"totalValue":null,"searchImage":null,"length":null,"width":null,"height":null,"unitOfDimension":null,"weight":null,"unitOfWeight":null,"specialRouting":false,"onlineRepair":null,"previousPartID":null,"sbdDiscountPriceValue":{"currencyIso":"USD","value":2.92,"priceType":"BUY","formattedValue":"$2.92","minQuantity":null,"maxQuantity":null,"sapUnit":{"code":"pieces","name":"Piece"}},"alrCode":null,"productRecallFlag":null,"selectedDocumentId":null,"productDescription":null,"pdpImage":null,"ticketId":null,"qtyRequiredPerVariant":"1","isElgibleForRepair":null,"isPowerEligible":null,"productRecallNotes":null,"productOtherInfo":null,"backorderETA":"00/00/0000","modifiedDate":null,"userLevel":"ALL","displayPrice":null,"baseProductName":null,"firstVariantCode":null,"firstVariantImage":null,"productMarketType":null,"productNumber":null,"typeStatusCode":null,"productCategory":null,"typeNumber":null,"marketCode":null,"regionCode":null,"otherInformation":null,"productTypeStatus":null,"repairInstruction":null,"repairInstructionStatusDescription":null,"typeStatusDate":null,"serviceLifeDate":null,"manufacturerId":null,"parts":null,"language":null,"glossaries":null,"brand":null,"product":null,"brandCode":null,"recallNotes":null,"volume":null},{"code":"P741-0495-CM","name":null,"url":"/c//p/P741-0495-CM","description":"FLANGED BEAR","purchasable":true,"stock":{"stockLevelStatus":{"code":"inStock","type":"StockLevelStatus"},"stockLevel":0,"stockThreshold":null},"futureStocks":null,"availableForPickup":null,"averageRating":null,"numberOfReviews":null,"summary":null,"manufacturer":null,"variantType":null,"price":{"currencyIso":"USD","value":2.76,"priceType":"BUY","formattedValue":"$2.76","minQuantity":null,"maxQuantity":null,"sapUnit":{"code":"pieces","name":"Piece"}},"baseProduct":null,"images":[],"categories":null,"reviews":null,"classifications":null,"potentialPromotions":null,"variantOptions":null,"baseOptions":[],"volumePricesFlag":null,"volumePrices":null,"productReferences":null,"variantMatrix":null,"priceRange":null,"firstCategoryNameList":null,"multidimensional":null,"configurable":false,"configuratorType":null,"addToCartDisabled":null,"addToCartDisabledMessage":null,"tags":null,"sapUnit":null,"keywords":null,"genders":null,"itemtype":"Part","partSubstitute":null,"note":null,"recallNote":null,"note1":null,"note2":null,"note3":null,"note4":null,"note5":null,"pdfAllUser":null,"pdfAuthUser":null,"pdfCOSUser":null,"vaiantRelatedPartList":null,"partHotspotList":null,"itemNumber":null,"partRelatedVariantList":null,"bomCode":2,"totalValue":null,"searchImage":null,"length":null,"width":null,"height":null,"unitOfDimension":null,"weight":null,"unitOfWeight":null,"specialRouting":false,"onlineRepair":null,"previousPartID":null,"sbdDiscountPriceValue":{"currencyIso":"USD","value":2.76,"priceType":"BUY","formattedValue":"$2.76","minQuantity":null,"maxQuantity":null,"sapUnit":{"code":"pieces","name":"Piece"}},"alrCode":null,"productRecallFlag":null,"selectedDocumentId":null,"productDescription":null,"pdpImage":null,"ticketId":null,"qtyRequiredPerVariant":"1","isElgibleForRepair":null,"isPowerEligible":null,"productRecallNotes":null,"productOtherInfo":null,"backorderETA":"00/00/0000","modifiedDate":null,"userLevel":"ALL","displayPrice":null,"baseProductName":null,"firstVariantCode":null,"firstVariantImage":null,"productMarketType":null,"productNumber":null,"typeStatusCode":null,"productCategory":null,"typeNumber":null,"marketCode":null,"regionCode":null,"otherInformation":null,"productTypeStatus":null,"repairInstruction":null,"repairInstructionStatusDescription":null,"typeStatusDate":null,"serviceLifeDate":null,"manufacturerId":null,"parts":null,"language":null,"glossaries":null,"brand":null,"product":null,"brandCode":null,"recallNotes":null,"volume":null},{"code":"P746-04367-CM","name":null,"url":"/c//p/P746-04367-CM","description":"CABLE-THROTT","purchasable":true,"stock":{"stockLevelStatus":{"code":"inStock","type":"StockLevelStatus"},"stockLevel":0,"stockThreshold":null},"futureStocks":null,"availableForPickup":null,"averageRating":null,"numberOfReviews":null,"summary":null,"manufacturer":null,"variantType":null,"price":{"currencyIso":"USD","value":22.62,"priceType":"BUY","formattedValue":"$22.62","minQuantity":null,"maxQuantity":null,"sapUnit":{"code":"pieces","name":"Piece"}},"baseProduct":null,"images":[],"categories":null,"reviews":null,"classifications":null,"potentialPromotions":null,"variantOptions":null,"baseOptions":[],"volumePricesFlag":null,"volumePrices":null,"productReferences":null,"variantMatrix":null,"priceRange":null,"firstCategoryNameList":null,"multidimensional":null,"configurable":false,"configuratorType":null,"addToCartDisabled":null,"addToCartDisabledMessage":null,"tags":null,"sapUnit":null,"keywords":null,"genders":null,"itemtype":"Part","partSubstitute":"P946-04367-CM","note":null,"recallNote":null,"note1":null,"note2":null,"note3":null,"note4":null,"note5":null,"pdfAllUser":null,"pdfAuthUser":null,"pdfCOSUser":null,"vaiantRelatedPartList":null,"partHotspotList":null,"itemNumber":null,"partRelatedVariantList":null,"bomCode":4,"totalValue":null,"searchImage":null,"length":null,"width":null,"height":null,"unitOfDimension":null,"weight":null,"unitOfWeight":null,"specialRouting":false,"onlineRepair":null,"previousPartID":null,"sbdDiscountPriceValue":{"currencyIso":"USD","value":22.62,"priceType":"BUY","formattedValue":"$22.62","minQuantity":null,"maxQuantity":null,"sapUnit":{"code":"pieces","name":"Piece"}},"alrCode":null,"productRecallFlag":null,"selectedDocumentId":null,"productDescription":null,"pdpImage":null,"ticketId":null,"qtyRequiredPerVariant":"1","isElgibleForRepair":null,"isPowerEligible":null,"productRecallNotes":null,"productOtherInfo":null,"backorderETA":"00/00/0000","modifiedDate":null,"userLevel":"ALL","displayPrice":null,"baseProductName":null,"firstVariantCode":null,"firstVariantImage":null,"productMarketType":null,"productNumber":null,"typeStatusCode":null,"productCategory":null,"typeNumber":null,"marketCode":null,"regionCode":null,"otherInformation":null,"productTypeStatus":null,"repairInstruction":null,"repairInstructionStatusDescription":null,"typeStatusDate":null,"serviceLifeDate":null,"manufacturerId":null,"parts":null,"language":null,"glossaries":null,"brand":null,"product":null,"brandCode":null,"recallNotes":null,"volume":null},{"code":"P747-04857-CM","name":null,"url":"/c//p/P747-04857-CM","description":"ROD-BELT KEE","purchasable":true,"stock":{"stockLevelStatus":{"code":"inStock","type":"StockLevelStatus"},"stockLevel":0,"stockThreshold":null},"futureStocks":null,"availableForPickup":null,"averageRating":null,"numberOfReviews":null,"summary":null,"manufacturer":null,"variantType":null,"price":{"currencyIso":"USD","value":14.14,"priceType":"BUY","formattedValue":"$14.14","minQuantity":null,"maxQuantity":null,"sapUnit":{"code":"pieces","name":"Piece"}},"baseProduct":null,"images":[],"categories":null,"reviews":null,"classifications":null,"potentialPromotions":null,"variantOptions":null,"baseOptions":[],"volumePricesFlag":null,"volumePrices":null,"productReferences":null,"variantMatrix":null,"priceRange":null,"firstCategoryNameList":null,"multidimensional":null,"configurable":false,"configuratorType":null,"addToCartDisabled":null,"addToCartDisabledMessage":null,"tags":null,"sapUnit":null,"keywords":null,"genders":null,"itemtype":"Part","partSubstitute":null,"note":null,"recallNote":null,"note1":null,"note2":null,"note3":null,"note4":null,"note5":null,"pdfAllUser":null,"pdfAuthUser":null,"pdfCOSUser":null,"vaiantRelatedPartList":null,"partHotspotList":null,"itemNumber":null,"partRelatedVariantList":null,"bomCode":2,"totalValue":null,"searchImage":null,"length":null,"width":null,"height":null,"unitOfDimension":null,"weight":null,"unitOfWeight":null,"specialRouting":false,"onlineRepair":null,"previousPartID":null,"sbdDiscountPriceValue":{"currencyIso":"USD","value":14.14,"priceType":"BUY","formattedValue":"$14.14","minQuantity":null,"maxQuantity":null,"sapUnit":{"code":"pieces","name":"Piece"}},"alrCode":null,"productRecallFlag":null,"selectedDocumentId":null,"productDescription":null,"pdpImage":null,"ticketId":null,"qtyRequiredPerVariant":"1","isElgibleForRepair":null,"isPowerEligible":null,"productRecallNotes":null,"productOtherInfo":null,"backorderETA":"00/00/0000","modifiedDate":null,"userLevel":"ALL","displayPrice":null,"baseProductName":null,"firstVariantCode":null,"firstVariantImage":null,"productMarketType":null,"productNumber":null,"typeStatusCode":null,"productCategory":null,"typeNumber":null,"marketCode":null,"regionCode":null,"otherInformation":null,"productTypeStatus":null,"repairInstruction":null,"repairInstructionStatusDescription":null,"typeStatusDate":null,"serviceLifeDate":null,"manufacturerId":null,"parts":null,"language":null,"glossaries":null,"brand":null,"product":null,"brandCode":null,"recallNotes":null,"volume":null},{"code":"P747-05141A-CM","name":null,"url":"/c//p/P747-05141A-CM","description":"ROD-DECK FRO","purchasable":true,"stock":{"stockLevelStatus":{"code":"inStock","type":"StockLevelStatus"},"stockLevel":0,"stockThreshold":null},"futureStocks":null,"availableForPickup":null,"averageRating":null,"numberOfReviews":null,"summary":null,"manufacturer":null,"variantType":null,"price":{"currencyIso":"USD","value":12.4,"priceType":"BUY","formattedValue":"$12.40","minQuantity":null,"maxQuantity":null,"sapUnit":{"code":"pieces","name":"Piece"}},"baseProduct":null,"images":[],"categories":null,"reviews":null,"classifications":null,"potentialPromotions":null,"variantOptions":null,"baseOptions":[],"volumePricesFlag":null,"volumePrices":null,"productReferences":null,"variantMatrix":null,"priceRange":null,"firstCategoryNameList":null,"multidimensional":null,"configurable":false,"configuratorType":null,"addToCartDisabled":null,"addToCartDisabledMessage":null,"tags":null,"sapUnit":null,"keywords":null,"genders":null,"itemtype":"Part","partSubstitute":"P747-05244-CM","note":null,"recallNote":null,"note1":null,"note2":null,"note3":null,"note4":null,"note5":null,"pdfAllUser":null,"pdfAuthUser":null,"pdfCOSUser":null,"vaiantRelatedPartList":null,"partHotspotList":null,"itemNumber":null,"partRelatedVariantList":null,"bomCode":4,"totalValue":null,"searchImage":null,"length":null,"width":null,"height":null,"unitOfDimension":null,"weight":null,"unitOfWeight":null,"specialRouting":false,"onlineRepair":null,"previousPartID":null,"sbdDiscountPriceValue":{"currencyIso":"USD","value":12.4,"priceType":"BUY","formattedValue":"$12.40","minQuantity":null,"maxQuantity":null,"sapUnit":{"code":"pieces","name":"Piece"}},"alrCode":null,"productRecallFlag":null,"selectedDocumentId":null,"productDescription":null,"pdpImage":null,"ticketId":null,"qtyRequiredPerVariant":"1","isElgibleForRepair":null,"isPowerEligible":null,"productRecallNotes":null,"productOtherInfo":null,"backorderETA":"00/00/0000","modifiedDate":null,"userLevel":"ALL","displayPrice":null,"baseProductName":null,"firstVariantCode":null,"firstVariantImage":null,"productMarketType":null,"productNumber":null,"typeStatusCode":null,"productCategory":null,"typeNumber":null,"marketCode":null,"regionCode":null,"otherInformation":null,"productTypeStatus":null,"repairInstruction":null,"repairInstructionStatusDescription":null,"typeStatusDate":null,"serviceLifeDate":null,"manufacturerId":null,"parts":null,"language":null,"glossaries":null,"brand":null,"product":null,"brandCode":null,"recallNotes":null,"volume":null},{"code":"P747-05188-CM","name":null,"url":"/c//p/P747-05188-CM","description":"ROD-BRAKE LT","purchasable":true,"stock":{"stockLevelStatus":{"code":"inStock","type":"StockLevelStatus"},"stockLevel":0,"stockThreshold":null},"futureStocks":null,"availableForPickup":null,"averageRating":null,"numberOfReviews":null,"summary":null,"manufacturer":null,"variantType":null,"price":{"currencyIso":"USD","value":7.81,"priceType":"BUY","formattedValue":"$7.81","minQuantity":null,"maxQuantity":null,"sapUnit":{"code":"pieces","name":"Piece"}},"baseProduct":null,"images":[],"categories":null,"reviews":null,"classifications":null,"potentialPromotions":null,"variantOptions":null,"baseOptions":[],"volumePricesFlag":null,"volumePrices":null,"productReferences":null,"variantMatrix":null,"priceRange":null,"firstCategoryNameList":null,"multidimensional":null,"configurable":false,"configuratorType":null,"addToCartDisabled":null,"addToCartDisabledMessage":null,"tags":null,"sapUnit":null,"keywords":null,"genders":null,"itemtype":"Part","partSubstitute":null,"note":null,"recallNote":null,"note1":null,"note2":null,"note3":null,"note4":null,"note5":null,"pdfAllUser":null,"pdfAuthUser":null,"pdfCOSUser":null,"vaiantRelatedPartList":null,"partHotspotList":null,"itemNumber":null,"partRelatedVariantList":null,"bomCode":2,"totalValue":null,"searchImage":null,"length":null,"width":null,"height":null,"unitOfDimension":null,"weight":null,"unitOfWeight":null,"specialRouting":false,"onlineRepair":null,"previousPartID":null,"sbdDiscountPriceValue":{"currencyIso":"USD","value":7.81,"priceType":"BUY","formattedValue":"$7.81","minQuantity":null,"maxQuantity":null,"sapUnit":{"code":"pieces","name":"Piece"}},"alrCode":null,"productRecallFlag":null,"selectedDocumentId":null,"productDescription":null,"pdpImage":null,"ticketId":null,"qtyRequiredPerVariant":"1","isElgibleForRepair":null,"isPowerEligible":null,"productRecallNotes":null,"productOtherInfo":null,"backorderETA":"00/00/0000","modifiedDate":null,"userLevel":"ALL","displayPrice":null,"baseProductName":null,"firstVariantCode":null,"firstVariantImage":null,"productMarketType":null,"productNumber":null,"typeStatusCode":null,"productCategory":null,"typeNumber":null,"marketCode":null,"regionCode":null,"otherInformation":null,"productTypeStatus":null,"repairInstruction":null,"repairInstructionStatusDescription":null,"typeStatusDate":null,"serviceLifeDate":null,"manufacturerId":null,"parts":null,"language":null,"glossaries":null,"brand":null,"product":null,"brandCode":null,"recallNotes":null,"volume":null},{"code":"P747-05243-CM","name":null,"url":"/c//p/P747-05243-CM","description":"ROD-SHIFT LT","purchasable":true,"stock":{"stockLevelStatus":{"code":"inStock","type":"StockLevelStatus"},"stockLevel":0,"stockThreshold":null},"futureStocks":null,"availableForPickup":null,"averageRating":null,"numberOfReviews":null,"summary":null,"manufacturer":null,"variantType":null,"price":{"currencyIso":"USD","value":6.71,"priceType":"BUY","formattedValue":"$6.71","minQuantity":null,"maxQuantity":null,"sapUnit":{"code":"pieces","name":"Piece"}},"baseProduct":null,"images":[],"categories":null,"reviews":null,"classifications":null,"potentialPromotions":null,"variantOptions":null,"baseOptions":[],"volumePricesFlag":null,"volumePrices":null,"productReferences":null,"variantMatrix":null,"priceRange":null,"firstCategoryNameList":null,"multidimensional":null,"configurable":false,"configuratorType":null,"addToCartDisabled":null,"addToCartDisabledMessage":null,"tags":null,"sapUnit":null,"keywords":null,"genders":null,"itemtype":"Part","partSubstitute":null,"note":null,"recallNote":null,"note1":null,"note2":null,"note3":null,"note4":null,"note5":null,"pdfAllUser":null,"pdfAuthUser":null,"pdfCOSUser":null,"vaiantRelatedPartList":null,"partHotspotList":null,"itemNumber":null,"partRelatedVariantList":null,"bomCode":2,"totalValue":null,"searchImage":null,"length":null,"width":null,"height":null,"unitOfDimension":null,"weight":null,"unitOfWeight":null,"specialRouting":false,"onlineRepair":null,"previousPartID":null,"sbdDiscountPriceValue":{"currencyIso":"USD","value":6.71,"priceType":"BUY","formattedValue":"$6.71","minQuantity":null,"maxQuantity":null,"sapUnit":{"code":"pieces","name":"Piece"}},"alrCode":null,"productRecallFlag":null,"selectedDocumentId":null,"productDescription":null,"pdpImage":null,"ticketId":null,"qtyRequiredPerVariant":"1","isElgibleForRepair":null,"isPowerEligible":null,"productRecallNotes":null,"productOtherInfo":null,"backorderETA":"00/00/0000","modifiedDate":null,"userLevel":"ALL","displayPrice":null,"baseProductName":null,"firstVariantCode":null,"firstVariantImage":null,"productMarketType":null,"productNumber":null,"typeStatusCode":null,"productCategory":null,"typeNumber":null,"marketCode":null,"regionCode":null,"otherInformation":null,"productTypeStatus":null,"repairInstruction":null,"repairInstructionStatusDescription":null,"typeStatusDate":null,"serviceLifeDate":null,"manufacturerId":null,"parts":null,"language":null,"glossaries":null,"brand":null,"product":null,"brandCode":null,"recallNotes":null,"volume":null},{"code":"P747-05415-CM","name":null,"url":"/c//p/P747-05415-CM","description":"ROD","purchasable":true,"stock":{"stockLevelStatus":{"code":"inStock","type":"StockLevelStatus"},"stockLevel":0,"stockThreshold":null},"futureStocks":null,"availableForPickup":null,"averageRating":null,"numberOfReviews":null,"summary":null,"manufacturer":null,"variantType":null,"price":{"currencyIso":"USD","value":8.67,"priceType":"BUY","formattedValue":"$8.67","minQuantity":null,"maxQuantity":null,"sapUnit":{"code":"pieces","name":"Piece"}},"baseProduct":null,"images":[],"categories":null,"reviews":null,"classifications":null,"potentialPromotions":null,"variantOptions":null,"baseOptions":[],"volumePricesFlag":null,"volumePrices":null,"productReferences":null,"variantMatrix":null,"priceRange":null,"firstCategoryNameList":null,"multidimensional":null,"configurable":false,"configuratorType":null,"addToCartDisabled":null,"addToCartDisabledMessage":null,"tags":null,"sapUnit":null,"keywords":null,"genders":null,"itemtype":"Part","partSubstitute":null,"note":null,"recallNote":null,"note1":null,"note2":null,"note3":null,"note4":null,"note5":null,"pdfAllUser":null,"pdfAuthUser":null,"pdfCOSUser":null,"vaiantRelatedPartList":null,"partHotspotList":null,"itemNumber":null,"partRelatedVariantList":null,"bomCode":2,"totalValue":null,"searchImage":null,"length":null,"width":null,"height":null,"unitOfDimension":null,"weight":null,"unitOfWeight":null,"specialRouting":false,"onlineRepair":null,"previousPartID":null,"sbdDiscountPriceValue":{"currencyIso":"USD","value":8.67,"priceType":"BUY","formattedValue":"$8.67","minQuantity":null,"maxQuantity":null,"sapUnit":{"code":"pieces","name":"Piece"}},"alrCode":null,"productRecallFlag":null,"selectedDocumentId":null,"productDescription":null,"pdpImage":null,"ticketId":null,"qtyRequiredPerVariant":"1","isElgibleForRepair":null,"isPowerEligible":null,"productRecallNotes":null,"productOtherInfo":null,"backorderETA":"00/00/0000","modifiedDate":null,"userLevel":"ALL","displayPrice":null,"baseProductName":null,"firstVariantCode":null,"firstVariantImage":null,"productMarketType":null,"productNumber":null,"typeStatusCode":null,"productCategory":null,"typeNumber":null,"marketCode":null,"regionCode":null,"otherInformation":null,"productTypeStatus":null,"repairInstruction":null,"repairInstructionStatusDescription":null,"typeStatusDate":null,"serviceLifeDate":null,"manufacturerId":null,"parts":null,"language":null,"glossaries":null,"brand":null,"product":null,"brandCode":null,"recallNotes":null,"volume":null},{"code":"P747-05596-CM","name":null,"url":"/c//p/P747-05596-CM","description":"ROD","purchasable":true,"stock":{"stockLevelStatus":{"code":"inStock","type":"StockLevelStatus"},"stockLevel":0,"stockThreshold":null},"futureStocks":null,"availableForPickup":null,"averageRating":null,"numberOfReviews":null,"summary":null,"manufacturer":null,"variantType":null,"price":{"currencyIso":"USD","value":8.07,"priceType":"BUY","formattedValue":"$8.07","minQuantity":null,"maxQuantity":null,"sapUnit":{"code":"pieces","name":"Piece"}},"baseProduct":null,"images":[],"categories":null,"reviews":null,"classifications":null,"potentialPromotions":null,"variantOptions":null,"baseOptions":[],"volumePricesFlag":null,"volumePrices":null,"productReferences":null,"variantMatrix":null,"priceRange":null,"firstCategoryNameList":null,"multidimensional":null,"configurable":false,"configuratorType":null,"addToCartDisabled":null,"addToCartDisabledMessage":null,"tags":null,"sapUnit":null,"keywords":null,"genders":null,"itemtype":"Part","partSubstitute":null,"note":null,"recallNote":null,"note1":null,"note2":null,"note3":null,"note4":null,"note5":null,"pdfAllUser":null,"pdfAuthUser":null,"pdfCOSUser":null,"vaiantRelatedPartList":null,"partHotspotList":null,"itemNumber":null,"partRelatedVariantList":null,"bomCode":2,"totalValue":null,"searchImage":null,"length":null,"width":null,"height":null,"unitOfDimension":null,"weight":null,"unitOfWeight":null,"specialRouting":false,"onlineRepair":null,"previousPartID":null,"sbdDiscountPriceValue":{"currencyIso":"USD","value":8.07,"priceType":"BUY","formattedValue":"$8.07","minQuantity":null,"maxQuantity":null,"sapUnit":{"code":"pieces","name":"Piece"}},"alrCode":null,"productRecallFlag":null,"selectedDocumentId":null,"productDescription":null,"pdpImage":null,"ticketId":null,"qtyRequiredPerVariant":"1","isElgibleForRepair":null,"isPowerEligible":null,"productRecallNotes":null,"productOtherInfo":null,"backorderETA":"00/00/0000","modifiedDate":null,"userLevel":"ALL","displayPrice":null,"baseProductName":null,"firstVariantCode":null,"firstVariantImage":null,"productMarketType":null,"productNumber":null,"typeStatusCode":null,"productCategory":null,"typeNumber":null,"marketCode":null,"regionCode":null,"otherInformation":null,"productTypeStatus":null,"repairInstruction":null,"repairInstructionStatusDescription":null,"typeStatusDate":null,"serviceLifeDate":null,"manufacturerId":null,"parts":null,"language":null,"glossaries":null,"brand":null,"product":null,"brandCode":null,"recallNotes":null,"volume":null},{"code":"P750-04456-CM","name":null,"url":"/c//p/P750-04456-CM","description":"SPCR:.260 X","purchasable":true,"stock":{"stockLevelStatus":{"code":"inStock","type":"StockLevelStatus"},"stockLevel":0,"stockThreshold":null},"futureStocks":null,"availableForPickup":null,"averageRating":null,"numberOfReviews":null,"summary":null,"manufacturer":null,"variantType":null,"price":{"currencyIso":"USD","value":4.27,"priceType":"BUY","formattedValue":"$4.27","minQuantity":null,"maxQuantity":null,"sapUnit":{"code":"pieces","name":"Piece"}},"baseProduct":null,"images":[],"categories":null,"reviews":null,"classifications":null,"potentialPromotions":null,"variantOptions":null,"baseOptions":[],"volumePricesFlag":null,"volumePrices":null,"productReferences":null,"variantMatrix":null,"priceRange":null,"firstCategoryNameList":null,"multidimensional":null,"configurable":false,"configuratorType":null,"addToCartDisabled":null,"addToCartDisabledMessage":null,"tags":null,"sapUnit":null,"keywords":null,"genders":null,"itemtype":"Part","partSubstitute":null,"note":null,"recallNote":null,"note1":null,"note2":null,"note3":null,"note4":null,"note5":null,"pdfAllUser":null,"pdfAuthUser":null,"pdfCOSUser":null,"vaiantRelatedPartList":null,"partHotspotList":null,"itemNumber":null,"partRelatedVariantList":null,"bomCode":2,"totalValue":null,"searchImage":null,"length":null,"width":null,"height":null,"unitOfDimension":null,"weight":null,"unitOfWeight":null,"specialRouting":false,"onlineRepair":null,"previousPartID":null,"sbdDiscountPriceValue":{"currencyIso":"USD","value":4.27,"priceType":"BUY","formattedValue":"$4.27","minQuantity":null,"maxQuantity":null,"sapUnit":{"code":"pieces","name":"Piece"}},"alrCode":null,"productRecallFlag":null,"selectedDocumentId":null,"productDescription":null,"pdpImage":null,"ticketId":null,"qtyRequiredPerVariant":"1","isElgibleForRepair":null,"isPowerEligible":null,"productRecallNotes":null,"productOtherInfo":null,"backorderETA":"00/00/0000","modifiedDate":null,"userLevel":"ALL","displayPrice":null,"baseProductName":null,"firstVariantCode":null,"firstVariantImage":null,"productMarketType":null,"productNumber":null,"typeStatusCode":null,"productCategory":null,"typeNumber":null,"marketCode":null,"regionCode":null,"otherInformation":null,"productTypeStatus":null,"repairInstruction":null,"repairInstructionStatusDescription":null,"typeStatusDate":null,"serviceLifeDate":null,"manufacturerId":null,"parts":null,"language":null,"glossaries":null,"brand":null,"product":null,"brandCode":null,"recallNotes":null,"volume":null},{"code":"P750-0566A-CM","name":null,"url":"/c//p/P750-0566A-CM","description":"SPACER","purchasable":true,"stock":{"stockLevelStatus":{"code":"inStock","type":"StockLevelStatus"},"stockLevel":0,"stockThreshold":null},"futureStocks":null,"availableForPickup":null,"averageRating":null,"numberOfReviews":null,"summary":null,"manufacturer":null,"variantType":null,"price":{"currencyIso":"USD","value":6.33,"priceType":"BUY","formattedValue":"$6.33","minQuantity":null,"maxQuantity":null,"sapUnit":{"code":"pieces","name":"Piece"}},"baseProduct":null,"images":[],"categories":null,"reviews":null,"classifications":null,"potentialPromotions":null,"variantOptions":null,"baseOptions":[],"volumePricesFlag":null,"volumePrices":null,"productReferences":null,"variantMatrix":null,"priceRange":null,"firstCategoryNameList":null,"multidimensional":null,"configurable":false,"configuratorType":null,"addToCartDisabled":null,"addToCartDisabledMessage":null,"tags":null,"sapUnit":null,"keywords":null,"genders":null,"itemtype":"Part","partSubstitute":null,"note":null,"recallNote":null,"note1":null,"note2":null,"note3":null,"note4":null,"note5":null,"pdfAllUser":null,"pdfAuthUser":null,"pdfCOSUser":null,"vaiantRelatedPartList":null,"partHotspotList":null,"itemNumber":null,"partRelatedVariantList":null,"bomCode":2,"totalValue":null,"searchImage":null,"length":null,"width":null,"height":null,"unitOfDimension":null,"weight":null,"unitOfWeight":null,"specialRouting":false,"onlineRepair":null,"previousPartID":null,"sbdDiscountPriceValue":{"currencyIso":"USD","value":6.33,"priceType":"BUY","formattedValue":"$6.33","minQuantity":null,"maxQuantity":null,"sapUnit":{"code":"pieces","name":"Piece"}},"alrCode":null,"productRecallFlag":null,"selectedDocumentId":null,"productDescription":null,"pdpImage":null,"ticketId":null,"qtyRequiredPerVariant":"1","isElgibleForRepair":null,"isPowerEligible":null,"productRecallNotes":null,"productOtherInfo":null,"backorderETA":"00/00/0000","modifiedDate":null,"userLevel":"ALL","displayPrice":null,"baseProductName":null,"firstVariantCode":null,"firstVariantImage":null,"productMarketType":null,"productNumber":null,"typeStatusCode":null,"productCategory":null,"typeNumber":null,"marketCode":null,"regionCode":null,"otherInformation":null,"productTypeStatus":null,"repairInstruction":null,"repairInstructionStatusDescription":null,"typeStatusDate":null,"serviceLifeDate":null,"manufacturerId":null,"parts":null,"language":null,"glossaries":null,"brand":null,"product":null,"brandCode":null,"recallNotes":null,"volume":null},{"code":"P751-11053A-CM","name":null,"url":"/c//p/P751-11053A-CM","description":"DFL:MFLR","purchasable":true,"stock":{"stockLevelStatus":{"code":"inStock","type":"StockLevelStatus"},"stockLevel":0,"stockThreshold":null},"futureStocks":null,"availableForPickup":null,"averageRating":null,"numberOfReviews":null,"summary":null,"manufacturer":null,"variantType":null,"price":{"currencyIso":"USD","value":2.96,"priceType":"BUY","formattedValue":"$2.96","minQuantity":null,"maxQuantity":null,"sapUnit":{"code":"pieces","name":"Piece"}},"baseProduct":null,"images":[],"categories":null,"reviews":null,"classifications":null,"potentialPromotions":null,"variantOptions":null,"baseOptions":[],"volumePricesFlag":null,"volumePrices":null,"productReferences":null,"variantMatrix":null,"priceRange":null,"firstCategoryNameList":null,"multidimensional":null,"configurable":false,"configuratorType":null,"addToCartDisabled":null,"addToCartDisabledMessage":null,"tags":null,"sapUnit":null,"keywords":null,"genders":null,"itemtype":"Part","partSubstitute":"P710-04652-CM","note":null,"recallNote":null,"note1":null,"note2":null,"note3":null,"note4":null,"note5":null,"pdfAllUser":null,"pdfAuthUser":null,"pdfCOSUser":null,"vaiantRelatedPartList":null,"partHotspotList":null,"itemNumber":null,"partRelatedVariantList":null,"bomCode":4,"totalValue":null,"searchImage":null,"length":null,"width":null,"height":null,"unitOfDimension":null,"weight":null,"unitOfWeight":null,"specialRouting":false,"onlineRepair":null,"previousPartID":null,"sbdDiscountPriceValue":{"currencyIso":"USD","value":2.96,"priceType":"BUY","formattedValue":"$2.96","minQuantity":null,"maxQuantity":null,"sapUnit":{"code":"pieces","name":"Piece"}},"alrCode":null,"productRecallFlag":null,"selectedDocumentId":null,"productDescription":null,"pdpImage":null,"ticketId":null,"qtyRequiredPerVariant":"1","isElgibleForRepair":null,"isPowerEligible":null,"productRecallNotes":null,"productOtherInfo":null,"backorderETA":"00/00/0000","modifiedDate":null,"userLevel":"ALL","displayPrice":null,"baseProductName":null,"firstVariantCode":null,"firstVariantImage":null,"productMarketType":null,"productNumber":null,"typeStatusCode":null,"productCategory":null,"typeNumber":null,"marketCode":null,"regionCode":null,"otherInformation":null,"productTypeStatus":null,"repairInstruction":null,"repairInstructionStatusDescription":null,"typeStatusDate":null,"serviceLifeDate":null,"manufacturerId":null,"parts":null,"language":null,"glossaries":null,"brand":null,"product":null,"brandCode":null,"recallNotes":null,"volume":null},{"code":"P756-04224-CM","name":null,"url":"/c//p/P756-04224-CM","description":"IDLER PULLEY","purchasable":true,"stock":{"stockLevelStatus":{"code":"inStock","type":"StockLevelStatus"},"stockLevel":0,"stockThreshold":null},"futureStocks":null,"availableForPickup":null,"averageRating":null,"numberOfReviews":null,"summary":null,"manufacturer":null,"variantType":null,"price":{"currencyIso":"USD","value":17.62,"priceType":"BUY","formattedValue":"$17.62","minQuantity":null,"maxQuantity":null,"sapUnit":{"code":"pieces","name":"Piece"}},"baseProduct":null,"images":[],"categories":null,"reviews":null,"classifications":null,"potentialPromotions":null,"variantOptions":null,"baseOptions":[],"volumePricesFlag":null,"volumePrices":null,"productReferences":null,"variantMatrix":null,"priceRange":null,"firstCategoryNameList":null,"multidimensional":null,"configurable":false,"configuratorType":null,"addToCartDisabled":null,"addToCartDisabledMessage":null,"tags":null,"sapUnit":null,"keywords":null,"genders":null,"itemtype":"Part","partSubstitute":null,"note":null,"recallNote":null,"note1":null,"note2":null,"note3":null,"note4":null,"note5":null,"pdfAllUser":null,"pdfAuthUser":null,"pdfCOSUser":null,"vaiantRelatedPartList":null,"partHotspotList":null,"itemNumber":null,"partRelatedVariantList":null,"bomCode":2,"totalValue":null,"searchImage":null,"length":null,"width":null,"height":null,"unitOfDimension":null,"weight":null,"unitOfWeight":null,"specialRouting":false,"onlineRepair":null,"previousPartID":null,"sbdDiscountPriceValue":{"currencyIso":"USD","value":17.62,"priceType":"BUY","formattedValue":"$17.62","minQuantity":null,"maxQuantity":null,"sapUnit":{"code":"pieces","name":"Piece"}},"alrCode":null,"productRecallFlag":null,"selectedDocumentId":null,"productDescription":null,"pdpImage":null,"ticketId":null,"qtyRequiredPerVariant":"1","isElgibleForRepair":null,"isPowerEligible":null,"productRecallNotes":null,"productOtherInfo":null,"backorderETA":"00/00/0000","modifiedDate":null,"userLevel":"ALL","displayPrice":null,"baseProductName":null,"firstVariantCode":null,"firstVariantImage":null,"productMarketType":null,"productNumber":null,"typeStatusCode":null,"productCategory":null,"typeNumber":null,"marketCode":null,"regionCode":null,"otherInformation":null,"productTypeStatus":null,"repairInstruction":null,"repairInstructionStatusDescription":null,"typeStatusDate":null,"serviceLifeDate":null,"manufacturerId":null,"parts":null,"language":null,"glossaries":null,"brand":null,"product":null,"brandCode":null,"recallNotes":null,"volume":null},{"code":"P756-04325-CM","name":null,"url":"/c//p/P756-04325-CM","description":"PULLEY-V IDL","purchasable":true,"stock":{"stockLevelStatus":{"code":"inStock","type":"StockLevelStatus"},"stockLevel":0,"stockThreshold":null},"futureStocks":null,"availableForPickup":null,"averageRating":null,"numberOfReviews":null,"summary":null,"manufacturer":null,"variantType":null,"price":{"currencyIso":"USD","value":16.36,"priceType":"BUY","formattedValue":"$16.36","minQuantity":null,"maxQuantity":null,"sapUnit":{"code":"pieces","name":"Piece"}},"baseProduct":null,"images":[],"categories":null,"reviews":null,"classifications":null,"potentialPromotions":null,"variantOptions":null,"baseOptions":[],"volumePricesFlag":null,"volumePrices":null,"productReferences":null,"variantMatrix":null,"priceRange":null,"firstCategoryNameList":null,"multidimensional":null,"configurable":false,"configuratorType":null,"addToCartDisabled":null,"addToCartDisabledMessage":null,"tags":null,"sapUnit":null,"keywords":null,"genders":null,"itemtype":"Part","partSubstitute":null,"note":null,"recallNote":null,"note1":null,"note2":null,"note3":null,"note4":null,"note5":null,"pdfAllUser":null,"pdfAuthUser":null,"pdfCOSUser":null,"vaiantRelatedPartList":null,"partHotspotList":null,"itemNumber":null,"partRelatedVariantList":null,"bomCode":2,"totalValue":null,"searchImage":null,"length":null,"width":null,"height":null,"unitOfDimension":null,"weight":null,"unitOfWeight":null,"specialRouting":false,"onlineRepair":null,"previousPartID":null,"sbdDiscountPriceValue":{"currencyIso":"USD","value":16.36,"priceType":"BUY","formattedValue":"$16.36","minQuantity":null,"maxQuantity":null,"sapUnit":{"code":"pieces","name":"Piece"}},"alrCode":null,"productRecallFlag":null,"selectedDocumentId":null,"productDescription":null,"pdpImage":null,"ticketId":null,"qtyRequiredPerVariant":"1","isElgibleForRepair":null,"isPowerEligible":null,"productRecallNotes":null,"productOtherInfo":null,"backorderETA":"00/00/0000","modifiedDate":null,"userLevel":"ALL","displayPrice":null,"baseProductName":null,"firstVariantCode":null,"firstVariantImage":null,"productMarketType":null,"productNumber":null,"typeStatusCode":null,"productCategory":null,"typeNumber":null,"marketCode":null,"regionCode":null,"otherInformation":null,"productTypeStatus":null,"repairInstruction":null,"repairInstructionStatusDescription":null,"typeStatusDate":null,"serviceLifeDate":null,"manufacturerId":null,"parts":null,"language":null,"glossaries":null,"brand":null,"product":null,"brandCode":null,"recallNotes":null,"volume":null},{"code":"P777D17060-CM","name":null,"url":"/c//p/P777D17060-CM","description":"DECAL","purchasable":true,"stock":{"stockLevelStatus":{"code":"inStock","type":"StockLevelStatus"},"stockLevel":0,"stockThreshold":null},"futureStocks":null,"availableForPickup":null,"averageRating":null,"numberOfReviews":null,"summary":null,"manufacturer":null,"variantType":null,"price":{"currencyIso":"USD","value":2.34,"priceType":"BUY","formattedValue":"$2.34","minQuantity":null,"maxQuantity":null,"sapUnit":{"code":"pieces","name":"Piece"}},"baseProduct":null,"images":[],"categories":null,"reviews":null,"classifications":null,"potentialPromotions":null,"variantOptions":null,"baseOptions":[],"volumePricesFlag":null,"volumePrices":null,"productReferences":null,"variantMatrix":null,"priceRange":null,"firstCategoryNameList":null,"multidimensional":null,"configurable":false,"configuratorType":null,"addToCartDisabled":null,"addToCartDisabledMessage":null,"tags":null,"sapUnit":null,"keywords":null,"genders":null,"itemtype":"Part","partSubstitute":"P952Z4P90JUF-CM","note":null,"recallNote":null,"note1":null,"note2":null,"note3":null,"note4":null,"note5":null,"pdfAllUser":null,"pdfAuthUser":null,"pdfCOSUser":null,"vaiantRelatedPartList":null,"partHotspotList":null,"itemNumber":null,"partRelatedVariantList":null,"bomCode":4,"totalValue":null,"searchImage":null,"length":null,"width":null,"height":null,"unitOfDimension":null,"weight":null,"unitOfWeight":null,"specialRouting":false,"onlineRepair":null,"previousPartID":null,"sbdDiscountPriceValue":{"currencyIso":"USD","value":2.34,"priceType":"BUY","formattedValue":"$2.34","minQuantity":null,"maxQuantity":null,"sapUnit":{"code":"pieces","name":"Piece"}},"alrCode":null,"productRecallFlag":null,"selectedDocumentId":null,"productDescription":null,"pdpImage":null,"ticketId":null,"qtyRequiredPerVariant":"1","isElgibleForRepair":null,"isPowerEligible":null,"productRecallNotes":null,"productOtherInfo":null,"backorderETA":"00/00/0000","modifiedDate":null,"userLevel":"ALL","displayPrice":null,"baseProductName":null,"firstVariantCode":null,"firstVariantImage":null,"productMarketType":null,"productNumber":null,"typeStatusCode":null,"productCategory":null,"typeNumber":null,"marketCode":null,"regionCode":null,"otherInformation":null,"productTypeStatus":null,"repairInstruction":null,"repairInstructionStatusDescription":null,"typeStatusDate":null,"serviceLifeDate":null,"manufacturerId":null,"parts":null,"language":null,"glossaries":null,"brand":null,"product":null,"brandCode":null,"recallNotes":null,"volume":null},{"code":"P777X46403-CM","name":null,"url":"/c//p/P777X46403-CM","description":"LABEL-PARTS","purchasable":true,"stock":{"stockLevelStatus":{"code":"inStock","type":"StockLevelStatus"},"stockLevel":0,"stockThreshold":null},"futureStocks":null,"availableForPickup":null,"averageRating":null,"numberOfReviews":null,"summary":null,"manufacturer":null,"variantType":null,"price":{"currencyIso":"USD","value":2.55,"priceType":"BUY","formattedValue":"$2.55","minQuantity":null,"maxQuantity":null,"sapUnit":{"code":"pieces","name":"Piece"}},"baseProduct":null,"images":[],"categories":null,"reviews":null,"classifications":null,"potentialPromotions":null,"variantOptions":null,"baseOptions":[],"volumePricesFlag":null,"volumePrices":null,"productReferences":null,"variantMatrix":null,"priceRange":null,"firstCategoryNameList":null,"multidimensional":null,"configurable":false,"configuratorType":null,"addToCartDisabled":null,"addToCartDisabledMessage":null,"tags":null,"sapUnit":null,"keywords":null,"genders":null,"itemtype":"Part","partSubstitute":null,"note":null,"recallNote":null,"note1":null,"note2":null,"note3":null,"note4":null,"note5":null,"pdfAllUser":null,"pdfAuthUser":null,"pdfCOSUser":null,"vaiantRelatedPartList":null,"partHotspotList":null,"itemNumber":null,"partRelatedVariantList":null,"bomCode":2,"totalValue":null,"searchImage":null,"length":null,"width":null,"height":null,"unitOfDimension":null,"weight":null,"unitOfWeight":null,"specialRouting":false,"onlineRepair":null,"previousPartID":null,"sbdDiscountPriceValue":{"currencyIso":"USD","value":2.55,"priceType":"BUY","formattedValue":"$2.55","minQuantity":null,"maxQuantity":null,"sapUnit":{"code":"pieces","name":"Piece"}},"alrCode":null,"productRecallFlag":null,"selectedDocumentId":null,"productDescription":null,"pdpImage":null,"ticketId":null,"qtyRequiredPerVariant":"1","isElgibleForRepair":null,"isPowerEligible":null,"productRecallNotes":null,"productOtherInfo":null,"backorderETA":"00/00/0000","modifiedDate":null,"userLevel":"ALL","displayPrice":null,"baseProductName":null,"firstVariantCode":null,"firstVariantImage":null,"productMarketType":null,"productNumber":null,"typeStatusCode":null,"productCategory":null,"typeNumber":null,"marketCode":null,"regionCode":null,"otherInformation":null,"productTypeStatus":null,"repairInstruction":null,"repairInstructionStatusDescription":null,"typeStatusDate":null,"serviceLifeDate":null,"manufacturerId":null,"parts":null,"language":null,"glossaries":null,"brand":null,"product":null,"brandCode":null,"recallNotes":null,"volume":null},{"code":"P783-04595A-CM","name":null,"url":"/c//p/P783-04595A-CM","description":"BRACKET-SHIF","purchasable":true,"stock":{"stockLevelStatus":{"code":"inStock","type":"StockLevelStatus"},"stockLevel":0,"stockThreshold":null},"futureStocks":null,"availableForPickup":null,"averageRating":null,"numberOfReviews":null,"summary":null,"manufacturer":null,"variantType":null,"price":{"currencyIso":"USD","value":6.26,"priceType":"BUY","formattedValue":"$6.26","minQuantity":null,"maxQuantity":null,"sapUnit":{"code":"pieces","name":"Piece"}},"baseProduct":null,"images":[],"categories":null,"reviews":null,"classifications":null,"potentialPromotions":null,"variantOptions":null,"baseOptions":[],"volumePricesFlag":null,"volumePrices":null,"productReferences":null,"variantMatrix":null,"priceRange":null,"firstCategoryNameList":null,"multidimensional":null,"configurable":false,"configuratorType":null,"addToCartDisabled":null,"addToCartDisabledMessage":null,"tags":null,"sapUnit":null,"keywords":null,"genders":null,"itemtype":"Part","partSubstitute":null,"note":null,"recallNote":null,"note1":null,"note2":null,"note3":null,"note4":null,"note5":null,"pdfAllUser":null,"pdfAuthUser":null,"pdfCOSUser":null,"vaiantRelatedPartList":null,"partHotspotList":null,"itemNumber":null,"partRelatedVariantList":null,"bomCode":2,"totalValue":null,"searchImage":null,"length":null,"width":null,"height":null,"unitOfDimension":null,"weight":null,"unitOfWeight":null,"specialRouting":false,"onlineRepair":null,"previousPartID":null,"sbdDiscountPriceValue":{"currencyIso":"USD","value":6.26,"priceType":"BUY","formattedValue":"$6.26","minQuantity":null,"maxQuantity":null,"sapUnit":{"code":"pieces","name":"Piece"}},"alrCode":null,"productRecallFlag":null,"selectedDocumentId":null,"productDescription":null,"pdpImage":null,"ticketId":null,"qtyRequiredPerVariant":"1","isElgibleForRepair":null,"isPowerEligible":null,"productRecallNotes":null,"productOtherInfo":null,"backorderETA":"00/00/0000","modifiedDate":null,"userLevel":"ALL","displayPrice":null,"baseProductName":null,"firstVariantCode":null,"firstVariantImage":null,"productMarketType":null,"productNumber":null,"typeStatusCode":null,"productCategory":null,"typeNumber":null,"marketCode":null,"regionCode":null,"otherInformation":null,"productTypeStatus":null,"repairInstruction":null,"repairInstructionStatusDescription":null,"typeStatusDate":null,"serviceLifeDate":null,"manufacturerId":null,"parts":null,"language":null,"glossaries":null,"brand":null,"product":null,"brandCode":null,"recallNotes":null,"volume":null},{"code":"P783-06592A-CM","name":null,"url":"/c//p/P783-06592A-CM","description":"BRACKET","purchasable":true,"stock":{"stockLevelStatus":{"code":"inStock","type":"StockLevelStatus"},"stockLevel":0,"stockThreshold":null},"futureStocks":null,"availableForPickup":null,"averageRating":null,"numberOfReviews":null,"summary":null,"manufacturer":null,"variantType":null,"price":{"currencyIso":"USD","value":8.3,"priceType":"BUY","formattedValue":"$8.30","minQuantity":null,"maxQuantity":null,"sapUnit":{"code":"pieces","name":"Piece"}},"baseProduct":null,"images":[],"categories":null,"reviews":null,"classifications":null,"potentialPromotions":null,"variantOptions":null,"baseOptions":[],"volumePricesFlag":null,"volumePrices":null,"productReferences":null,"variantMatrix":null,"priceRange":null,"firstCategoryNameList":null,"multidimensional":null,"configurable":false,"configuratorType":null,"addToCartDisabled":null,"addToCartDisabledMessage":null,"tags":null,"sapUnit":null,"keywords":null,"genders":null,"itemtype":"Part","partSubstitute":null,"note":null,"recallNote":null,"note1":null,"note2":null,"note3":null,"note4":null,"note5":null,"pdfAllUser":null,"pdfAuthUser":null,"pdfCOSUser":null,"vaiantRelatedPartList":null,"partHotspotList":null,"itemNumber":null,"partRelatedVariantList":null,"bomCode":2,"totalValue":null,"searchImage":null,"length":null,"width":null,"height":null,"unitOfDimension":null,"weight":null,"unitOfWeight":null,"specialRouting":false,"onlineRepair":null,"previousPartID":null,"sbdDiscountPriceValue":{"currencyIso":"USD","value":8.3,"priceType":"BUY","formattedValue":"$8.30","minQuantity":null,"maxQuantity":null,"sapUnit":{"code":"pieces","name":"Piece"}},"alrCode":null,"productRecallFlag":null,"selectedDocumentId":null,"productDescription":null,"pdpImage":null,"ticketId":null,"qtyRequiredPerVariant":"1","isElgibleForRepair":null,"isPowerEligible":null,"productRecallNotes":null,"productOtherInfo":null,"backorderETA":"00/00/0000","modifiedDate":null,"userLevel":"ALL","displayPrice":null,"baseProductName":null,"firstVariantCode":null,"firstVariantImage":null,"productMarketType":null,"productNumber":null,"typeStatusCode":null,"productCategory":null,"typeNumber":null,"marketCode":null,"regionCode":null,"otherInformation":null,"productTypeStatus":null,"repairInstruction":null,"repairInstructionStatusDescription":null,"typeStatusDate":null,"serviceLifeDate":null,"manufacturerId":null,"parts":null,"language":null,"glossaries":null,"brand":null,"product":null,"brandCode":null,"recallNotes":null,"volume":null},{"code":"P783-06641A-CM","name":null,"url":"/c//p/P783-06641A-CM","description":"BRACKET","purchasable":true,"stock":{"stockLevelStatus":{"code":"inStock","type":"StockLevelStatus"},"stockLevel":0,"stockThreshold":null},"futureStocks":null,"availableForPickup":null,"averageRating":null,"numberOfReviews":null,"summary":null,"manufacturer":null,"variantType":null,"price":{"currencyIso":"USD","value":4.96,"priceType":"BUY","formattedValue":"$4.96","minQuantity":null,"maxQuantity":null,"sapUnit":{"code":"pieces","name":"Piece"}},"baseProduct":null,"images":[],"categories":null,"reviews":null,"classifications":null,"potentialPromotions":null,"variantOptions":null,"baseOptions":[],"volumePricesFlag":null,"volumePrices":null,"productReferences":null,"variantMatrix":null,"priceRange":null,"firstCategoryNameList":null,"multidimensional":null,"configurable":false,"configuratorType":null,"addToCartDisabled":null,"addToCartDisabledMessage":null,"tags":null,"sapUnit":null,"keywords":null,"genders":null,"itemtype":"Part","partSubstitute":null,"note":null,"recallNote":null,"note1":null,"note2":null,"note3":null,"note4":null,"note5":null,"pdfAllUser":null,"pdfAuthUser":null,"pdfCOSUser":null,"vaiantRelatedPartList":null,"partHotspotList":null,"itemNumber":null,"partRelatedVariantList":null,"bomCode":2,"totalValue":null,"searchImage":null,"length":null,"width":null,"height":null,"unitOfDimension":null,"weight":null,"unitOfWeight":null,"specialRouting":false,"onlineRepair":null,"previousPartID":null,"sbdDiscountPriceValue":{"currencyIso":"USD","value":4.96,"priceType":"BUY","formattedValue":"$4.96","minQuantity":null,"maxQuantity":null,"sapUnit":{"code":"pieces","name":"Piece"}},"alrCode":null,"productRecallFlag":null,"selectedDocumentId":null,"productDescription":null,"pdpImage":null,"ticketId":null,"qtyRequiredPerVariant":"1","isElgibleForRepair":null,"isPowerEligible":null,"productRecallNotes":null,"productOtherInfo":null,"backorderETA":"00/00/0000","modifiedDate":null,"userLevel":"ALL","displayPrice":null,"baseProductName":null,"firstVariantCode":null,"firstVariantImage":null,"productMarketType":null,"productNumber":null,"typeStatusCode":null,"productCategory":null,"typeNumber":null,"marketCode":null,"regionCode":null,"otherInformation":null,"productTypeStatus":null,"repairInstruction":null,"repairInstructionStatusDescription":null,"typeStatusDate":null,"serviceLifeDate":null,"manufacturerId":null,"parts":null,"language":null,"glossaries":null,"brand":null,"product":null,"brandCode":null,"recallNotes":null,"volume":null},{"code":"P783-06769-CM","name":null,"url":"/c//p/P783-06769-CM","description":"BRACKET","purchasable":true,"stock":{"stockLevelStatus":{"code":"inStock","type":"StockLevelStatus"},"stockLevel":0,"stockThreshold":null},"futureStocks":null,"availableForPickup":null,"averageRating":null,"numberOfReviews":null,"summary":null,"manufacturer":null,"variantType":null,"price":{"currencyIso":"USD","value":6.01,"priceType":"BUY","formattedValue":"$6.01","minQuantity":null,"maxQuantity":null,"sapUnit":{"code":"pieces","name":"Piece"}},"baseProduct":null,"images":[],"categories":null,"reviews":null,"classifications":null,"potentialPromotions":null,"variantOptions":null,"baseOptions":[],"volumePricesFlag":null,"volumePrices":null,"productReferences":null,"variantMatrix":null,"priceRange":null,"firstCategoryNameList":null,"multidimensional":null,"configurable":false,"configuratorType":null,"addToCartDisabled":null,"addToCartDisabledMessage":null,"tags":null,"sapUnit":null,"keywords":null,"genders":null,"itemtype":"Part","partSubstitute":null,"note":null,"recallNote":null,"note1":null,"note2":null,"note3":null,"note4":null,"note5":null,"pdfAllUser":null,"pdfAuthUser":null,"pdfCOSUser":null,"vaiantRelatedPartList":null,"partHotspotList":null,"itemNumber":null,"partRelatedVariantList":null,"bomCode":2,"totalValue":null,"searchImage":null,"length":null,"width":null,"height":null,"unitOfDimension":null,"weight":null,"unitOfWeight":null,"specialRouting":false,"onlineRepair":null,"previousPartID":null,"sbdDiscountPriceValue":{"currencyIso":"USD","value":6.01,"priceType":"BUY","formattedValue":"$6.01","minQuantity":null,"maxQuantity":null,"sapUnit":{"code":"pieces","name":"Piece"}},"alrCode":null,"productRecallFlag":null,"selectedDocumentId":null,"productDescription":null,"pdpImage":null,"ticketId":null,"qtyRequiredPerVariant":"1","isElgibleForRepair":null,"isPowerEligible":null,"productRecallNotes":null,"productOtherInfo":null,"backorderETA":"00/00/0000","modifiedDate":null,"userLevel":"ALL","displayPrice":null,"baseProductName":null,"firstVariantCode":null,"firstVariantImage":null,"productMarketType":null,"productNumber":null,"typeStatusCode":null,"productCategory":null,"typeNumber":null,"marketCode":null,"regionCode":null,"otherInformation":null,"productTypeStatus":null,"repairInstruction":null,"repairInstructionStatusDescription":null,"typeStatusDate":null,"serviceLifeDate":null,"manufacturerId":null,"parts":null,"language":null,"glossaries":null,"brand":null,"product":null,"brandCode":null,"recallNotes":null,"volume":null},{"code":"P912-0414-CM","name":null,"url":"/c//p/P912-0414-CM","description":"NUT-FLAT WEL","purchasable":true,"stock":{"stockLevelStatus":{"code":"inStock","type":"StockLevelStatus"},"stockLevel":0,"stockThreshold":null},"futureStocks":null,"availableForPickup":null,"averageRating":null,"numberOfReviews":null,"summary":null,"manufacturer":null,"variantType":null,"price":{"currencyIso":"USD","value":2.48,"priceType":"BUY","formattedValue":"$2.48","minQuantity":null,"maxQuantity":null,"sapUnit":{"code":"pieces","name":"Piece"}},"baseProduct":null,"images":[],"categories":null,"reviews":null,"classifications":null,"potentialPromotions":null,"variantOptions":null,"baseOptions":[],"volumePricesFlag":null,"volumePrices":null,"productReferences":null,"variantMatrix":null,"priceRange":null,"firstCategoryNameList":null,"multidimensional":null,"configurable":false,"configuratorType":null,"addToCartDisabled":null,"addToCartDisabledMessage":null,"tags":null,"sapUnit":null,"keywords":null,"genders":null,"itemtype":"Part","partSubstitute":"P720-04072A-CM","note":null,"recallNote":null,"note1":null,"note2":null,"note3":null,"note4":null,"note5":null,"pdfAllUser":null,"pdfAuthUser":null,"pdfCOSUser":null,"vaiantRelatedPartList":null,"partHotspotList":null,"itemNumber":null,"partRelatedVariantList":null,"bomCode":4,"totalValue":null,"searchImage":null,"length":null,"width":null,"height":null,"unitOfDimension":null,"weight":null,"unitOfWeight":null,"specialRouting":false,"onlineRepair":null,"previousPartID":null,"sbdDiscountPriceValue":{"currencyIso":"USD","value":2.48,"priceType":"BUY","formattedValue":"$2.48","minQuantity":null,"maxQuantity":null,"sapUnit":{"code":"pieces","name":"Piece"}},"alrCode":null,"productRecallFlag":null,"selectedDocumentId":null,"productDescription":null,"pdpImage":null,"ticketId":null,"qtyRequiredPerVariant":"1","isElgibleForRepair":null,"isPowerEligible":null,"productRecallNotes":null,"productOtherInfo":null,"backorderETA":"00/00/0000","modifiedDate":null,"userLevel":"ALL","displayPrice":null,"baseProductName":null,"firstVariantCode":null,"firstVariantImage":null,"productMarketType":null,"productNumber":null,"typeStatusCode":null,"productCategory":null,"typeNumber":null,"marketCode":null,"regionCode":null,"otherInformation":null,"productTypeStatus":null,"repairInstruction":null,"repairInstructionStatusDescription":null,"typeStatusDate":null,"serviceLifeDate":null,"manufacturerId":null,"parts":null,"language":null,"glossaries":null,"brand":null,"product":null,"brandCode":null,"recallNotes":null,"volume":null},{"code":"P914-0474-CM","name":null,"url":"/c//p/P914-0474-CM","description":"PIN-COTTER-1","purchasable":true,"stock":{"stockLevelStatus":{"code":"inStock","type":"StockLevelStatus"},"stockLevel":0,"stockThreshold":null},"futureStocks":null,"availableForPickup":null,"averageRating":null,"numberOfReviews":null,"summary":null,"manufacturer":null,"variantType":null,"price":{"currencyIso":"USD","value":2.81,"priceType":"BUY","formattedValue":"$2.81","minQuantity":null,"maxQuantity":null,"sapUnit":{"code":"pieces","name":"Piece"}},"baseProduct":null,"images":[],"categories":null,"reviews":null,"classifications":null,"potentialPromotions":null,"variantOptions":null,"baseOptions":[],"volumePricesFlag":null,"volumePrices":null,"productReferences":null,"variantMatrix":null,"priceRange":null,"firstCategoryNameList":null,"multidimensional":null,"configurable":false,"configuratorType":null,"addToCartDisabled":null,"addToCartDisabledMessage":null,"tags":null,"sapUnit":null,"keywords":null,"genders":null,"itemtype":"Part","partSubstitute":null,"note":null,"recallNote":null,"note1":null,"note2":null,"note3":null,"note4":null,"note5":null,"pdfAllUser":null,"pdfAuthUser":null,"pdfCOSUser":null,"vaiantRelatedPartList":null,"partHotspotList":null,"itemNumber":null,"partRelatedVariantList":null,"bomCode":2,"totalValue":null,"searchImage":null,"length":null,"width":null,"height":null,"unitOfDimension":null,"weight":null,"unitOfWeight":null,"specialRouting":false,"onlineRepair":null,"previousPartID":null,"sbdDiscountPriceValue":{"currencyIso":"USD","value":2.81,"priceType":"BUY","formattedValue":"$2.81","minQuantity":null,"maxQuantity":null,"sapUnit":{"code":"pieces","name":"Piece"}},"alrCode":null,"productRecallFlag":null,"selectedDocumentId":null,"productDescription":null,"pdpImage":null,"ticketId":null,"qtyRequiredPerVariant":"1","isElgibleForRepair":null,"isPowerEligible":null,"productRecallNotes":null,"productOtherInfo":null,"backorderETA":"00/00/0000","modifiedDate":null,"userLevel":"ALL","displayPrice":null,"baseProductName":null,"firstVariantCode":null,"firstVariantImage":null,"productMarketType":null,"productNumber":null,"typeStatusCode":null,"productCategory":null,"typeNumber":null,"marketCode":null,"regionCode":null,"otherInformation":null,"productTypeStatus":null,"repairInstruction":null,"repairInstructionStatusDescription":null,"typeStatusDate":null,"serviceLifeDate":null,"manufacturerId":null,"parts":null,"language":null,"glossaries":null,"brand":null,"product":null,"brandCode":null,"recallNotes":null,"volume":null},{"code":"P918-04566B-CM","name":null,"url":"/c//p/P918-04566B-CM","description":"TRANSAX ASM-","purchasable":true,"stock":{"stockLevelStatus":{"code":"inStock","type":"StockLevelStatus"},"stockLevel":0,"stockThreshold":null},"futureStocks":null,"availableForPickup":null,"averageRating":null,"numberOfReviews":null,"summary":null,"manufacturer":null,"variantType":null,"price":{"currencyIso":"USD","value":434.95,"priceType":"BUY","formattedValue":"$434.95","minQuantity":null,"maxQuantity":null,"sapUnit":{"code":"pieces","name":"Piece"}},"baseProduct":null,"images":[],"categories":null,"reviews":null,"classifications":null,"potentialPromotions":null,"variantOptions":null,"baseOptions":[],"volumePricesFlag":null,"volumePrices":null,"productReferences":null,"variantMatrix":null,"priceRange":null,"firstCategoryNameList":null,"multidimensional":null,"configurable":false,"configuratorType":null,"addToCartDisabled":null,"addToCartDisabledMessage":null,"tags":null,"sapUnit":null,"keywords":null,"genders":null,"itemtype":"Part","partSubstitute":null,"note":null,"recallNote":null,"note1":null,"note2":null,"note3":null,"note4":null,"note5":null,"pdfAllUser":null,"pdfAuthUser":null,"pdfCOSUser":null,"vaiantRelatedPartList":null,"partHotspotList":null,"itemNumber":null,"partRelatedVariantList":null,"bomCode":2,"totalValue":null,"searchImage":null,"length":null,"width":null,"height":null,"unitOfDimension":null,"weight":null,"unitOfWeight":null,"specialRouting":false,"onlineRepair":null,"previousPartID":null,"sbdDiscountPriceValue":{"currencyIso":"USD","value":434.95,"priceType":"BUY","formattedValue":"$434.95","minQuantity":null,"maxQuantity":null,"sapUnit":{"code":"pieces","name":"Piece"}},"alrCode":null,"productRecallFlag":null,"selectedDocumentId":null,"productDescription":null,"pdpImage":null,"ticketId":null,"qtyRequiredPerVariant":"1","isElgibleForRepair":null,"isPowerEligible":null,"productRecallNotes":null,"productOtherInfo":null,"backorderETA":"00/00/0000","modifiedDate":null,"userLevel":"ALL","displayPrice":null,"baseProductName":null,"firstVariantCode":null,"firstVariantImage":null,"productMarketType":null,"productNumber":null,"typeStatusCode":null,"productCategory":null,"typeNumber":null,"marketCode":null,"regionCode":null,"otherInformation":null,"productTypeStatus":null,"repairInstruction":null,"repairInstructionStatusDescription":null,"typeStatusDate":null,"serviceLifeDate":null,"manufacturerId":null,"parts":null,"language":null,"glossaries":null,"brand":null,"product":null,"brandCode":null,"recallNotes":null,"volume":null},{"code":"P918-04822B-CM","name":null,"url":"/c//p/P918-04822B-CM","description":"PULLEY","purchasable":true,"stock":{"stockLevelStatus":{"code":"inStock","type":"StockLevelStatus"},"stockLevel":0,"stockThreshold":null},"futureStocks":null,"availableForPickup":null,"averageRating":null,"numberOfReviews":null,"summary":null,"manufacturer":null,"variantType":null,"price":{"currencyIso":"USD","value":85.97,"priceType":"BUY","formattedValue":"$85.97","minQuantity":null,"maxQuantity":null,"sapUnit":{"code":"pieces","name":"Piece"}},"baseProduct":null,"images":[],"categories":null,"reviews":null,"classifications":null,"potentialPromotions":null,"variantOptions":null,"baseOptions":[],"volumePricesFlag":null,"volumePrices":null,"productReferences":null,"variantMatrix":null,"priceRange":null,"firstCategoryNameList":null,"multidimensional":null,"configurable":false,"configuratorType":null,"addToCartDisabled":null,"addToCartDisabledMessage":null,"tags":null,"sapUnit":null,"keywords":null,"genders":null,"itemtype":"Part","partSubstitute":null,"note":null,"recallNote":null,"note1":null,"note2":null,"note3":null,"note4":null,"note5":null,"pdfAllUser":null,"pdfAuthUser":null,"pdfCOSUser":null,"vaiantRelatedPartList":null,"partHotspotList":null,"itemNumber":null,"partRelatedVariantList":null,"bomCode":2,"totalValue":null,"searchImage":null,"length":null,"width":null,"height":null,"unitOfDimension":null,"weight":null,"unitOfWeight":null,"specialRouting":false,"onlineRepair":null,"previousPartID":null,"sbdDiscountPriceValue":{"currencyIso":"USD","value":85.97,"priceType":"BUY","formattedValue":"$85.97","minQuantity":null,"maxQuantity":null,"sapUnit":{"code":"pieces","name":"Piece"}},"alrCode":null,"productRecallFlag":null,"selectedDocumentId":null,"productDescription":null,"pdpImage":null,"ticketId":null,"qtyRequiredPerVariant":"1","isElgibleForRepair":null,"isPowerEligible":null,"productRecallNotes":null,"productOtherInfo":null,"backorderETA":"00/00/0000","modifiedDate":null,"userLevel":"ALL","displayPrice":null,"baseProductName":null,"firstVariantCode":null,"firstVariantImage":null,"productMarketType":null,"productNumber":null,"typeStatusCode":null,"productCategory":null,"typeNumber":null,"marketCode":null,"regionCode":null,"otherInformation":null,"productTypeStatus":null,"repairInstruction":null,"repairInstructionStatusDescription":null,"typeStatusDate":null,"serviceLifeDate":null,"manufacturerId":null,"parts":null,"language":null,"glossaries":null,"brand":null,"product":null,"brandCode":null,"recallNotes":null,"volume":null},{"code":"P925-1649-CM","name":null,"url":"/c//p/P925-1649-CM","description":"SOCKET-HEADL","purchasable":true,"stock":{"stockLevelStatus":{"code":"inStock","type":"StockLevelStatus"},"stockLevel":0,"stockThreshold":null},"futureStocks":null,"availableForPickup":null,"averageRating":null,"numberOfReviews":null,"summary":null,"manufacturer":null,"variantType":null,"price":{"currencyIso":"USD","value":7.11,"priceType":"BUY","formattedValue":"$7.11","minQuantity":null,"maxQuantity":null,"sapUnit":{"code":"pieces","name":"Piece"}},"baseProduct":null,"images":[],"categories":null,"reviews":null,"classifications":null,"potentialPromotions":null,"variantOptions":null,"baseOptions":[],"volumePricesFlag":null,"volumePrices":null,"productReferences":null,"variantMatrix":null,"priceRange":null,"firstCategoryNameList":null,"multidimensional":null,"configurable":false,"configuratorType":null,"addToCartDisabled":null,"addToCartDisabledMessage":null,"tags":null,"sapUnit":null,"keywords":null,"genders":null,"itemtype":"Part","partSubstitute":null,"note":null,"recallNote":null,"note1":null,"note2":null,"note3":null,"note4":null,"note5":null,"pdfAllUser":null,"pdfAuthUser":null,"pdfCOSUser":null,"vaiantRelatedPartList":null,"partHotspotList":null,"itemNumber":null,"partRelatedVariantList":null,"bomCode":2,"totalValue":null,"searchImage":null,"length":null,"width":null,"height":null,"unitOfDimension":null,"weight":null,"unitOfWeight":null,"specialRouting":false,"onlineRepair":null,"previousPartID":null,"sbdDiscountPriceValue":{"currencyIso":"USD","value":7.11,"priceType":"BUY","formattedValue":"$7.11","minQuantity":null,"maxQuantity":null,"sapUnit":{"code":"pieces","name":"Piece"}},"alrCode":null,"productRecallFlag":null,"selectedDocumentId":null,"productDescription":null,"pdpImage":null,"ticketId":null,"qtyRequiredPerVariant":"1","isElgibleForRepair":null,"isPowerEligible":null,"productRecallNotes":null,"productOtherInfo":null,"backorderETA":"00/00/0000","modifiedDate":null,"userLevel":"ALL","displayPrice":null,"baseProductName":null,"firstVariantCode":null,"firstVariantImage":null,"productMarketType":null,"productNumber":null,"typeStatusCode":null,"productCategory":null,"typeNumber":null,"marketCode":null,"regionCode":null,"otherInformation":null,"productTypeStatus":null,"repairInstruction":null,"repairInstructionStatusDescription":null,"typeStatusDate":null,"serviceLifeDate":null,"manufacturerId":null,"parts":null,"language":null,"glossaries":null,"brand":null,"product":null,"brandCode":null,"recallNotes":null,"volume":null},{"code":"P938-0296-CM","name":null,"url":"/c//p/P938-0296-CM","description":"SCREW-SHLD .","purchasable":true,"stock":{"stockLevelStatus":{"code":"inStock","type":"StockLevelStatus"},"stockLevel":0,"stockThreshold":null},"futureStocks":null,"availableForPickup":null,"averageRating":null,"numberOfReviews":null,"summary":null,"manufacturer":null,"variantType":null,"price":{"currencyIso":"USD","value":2.5,"priceType":"BUY","formattedValue":"$2.50","minQuantity":null,"maxQuantity":null,"sapUnit":{"code":"pieces","name":"Piece"}},"baseProduct":null,"images":[],"categories":null,"reviews":null,"classifications":null,"potentialPromotions":null,"variantOptions":null,"baseOptions":[],"volumePricesFlag":null,"volumePrices":null,"productReferences":null,"variantMatrix":null,"priceRange":null,"firstCategoryNameList":null,"multidimensional":null,"configurable":false,"configuratorType":null,"addToCartDisabled":null,"addToCartDisabledMessage":null,"tags":null,"sapUnit":null,"keywords":null,"genders":null,"itemtype":"Part","partSubstitute":"P756-05036-CM","note":null,"recallNote":null,"note1":null,"note2":null,"note3":null,"note4":null,"note5":null,"pdfAllUser":null,"pdfAuthUser":null,"pdfCOSUser":null,"vaiantRelatedPartList":null,"partHotspotList":null,"itemNumber":null,"partRelatedVariantList":null,"bomCode":4,"totalValue":null,"searchImage":null,"length":null,"width":null,"height":null,"unitOfDimension":null,"weight":null,"unitOfWeight":null,"specialRouting":false,"onlineRepair":null,"previousPartID":null,"sbdDiscountPriceValue":{"currencyIso":"USD","value":2.5,"priceType":"BUY","formattedValue":"$2.50","minQuantity":null,"maxQuantity":null,"sapUnit":{"code":"pieces","name":"Piece"}},"alrCode":null,"productRecallFlag":null,"selectedDocumentId":null,"productDescription":null,"pdpImage":null,"ticketId":null,"qtyRequiredPerVariant":"1","isElgibleForRepair":null,"isPowerEligible":null,"productRecallNotes":null,"productOtherInfo":null,"backorderETA":"00/00/0000","modifiedDate":null,"userLevel":"ALL","displayPrice":null,"baseProductName":null,"firstVariantCode":null,"firstVariantImage":null,"productMarketType":null,"productNumber":null,"typeStatusCode":null,"productCategory":null,"typeNumber":null,"marketCode":null,"regionCode":null,"otherInformation":null,"productTypeStatus":null,"repairInstruction":null,"repairInstructionStatusDescription":null,"typeStatusDate":null,"serviceLifeDate":null,"manufacturerId":null,"parts":null,"language":null,"glossaries":null,"brand":null,"product":null,"brandCode":null,"recallNotes":null,"volume":null},{"code":"P948-0334-CM","name":null,"url":"/c//p/P948-0334-CM","description":"SPACER-TRANS","purchasable":true,"stock":{"stockLevelStatus":{"code":"inStock","type":"StockLevelStatus"},"stockLevel":0,"stockThreshold":null},"futureStocks":null,"availableForPickup":null,"averageRating":null,"numberOfReviews":null,"summary":null,"manufacturer":null,"variantType":null,"price":{"currencyIso":"USD","value":6.81,"priceType":"BUY","formattedValue":"$6.81","minQuantity":null,"maxQuantity":null,"sapUnit":{"code":"pieces","name":"Piece"}},"baseProduct":null,"images":[],"categories":null,"reviews":null,"classifications":null,"potentialPromotions":null,"variantOptions":null,"baseOptions":[],"volumePricesFlag":null,"volumePrices":null,"productReferences":null,"variantMatrix":null,"priceRange":null,"firstCategoryNameList":null,"multidimensional":null,"configurable":false,"configuratorType":null,"addToCartDisabled":null,"addToCartDisabledMessage":null,"tags":null,"sapUnit":null,"keywords":null,"genders":null,"itemtype":"Part","partSubstitute":null,"note":null,"recallNote":null,"note1":null,"note2":null,"note3":null,"note4":null,"note5":null,"pdfAllUser":null,"pdfAuthUser":null,"pdfCOSUser":null,"vaiantRelatedPartList":null,"partHotspotList":null,"itemNumber":null,"partRelatedVariantList":null,"bomCode":2,"totalValue":null,"searchImage":null,"length":null,"width":null,"height":null,"unitOfDimension":null,"weight":null,"unitOfWeight":null,"specialRouting":false,"onlineRepair":null,"previousPartID":null,"sbdDiscountPriceValue":{"currencyIso":"USD","value":6.81,"priceType":"BUY","formattedValue":"$6.81","minQuantity":null,"maxQuantity":null,"sapUnit":{"code":"pieces","name":"Piece"}},"alrCode":null,"productRecallFlag":null,"selectedDocumentId":null,"productDescription":null,"pdpImage":null,"ticketId":null,"qtyRequiredPerVariant":"1","isElgibleForRepair":null,"isPowerEligible":null,"productRecallNotes":null,"productOtherInfo":null,"backorderETA":"00/00/0000","modifiedDate":null,"userLevel":"ALL","displayPrice":null,"baseProductName":null,"firstVariantCode":null,"firstVariantImage":null,"productMarketType":null,"productNumber":null,"typeStatusCode":null,"productCategory":null,"typeNumber":null,"marketCode":null,"regionCode":null,"otherInformation":null,"productTypeStatus":null,"repairInstruction":null,"repairInstructionStatusDescription":null,"typeStatusDate":null,"serviceLifeDate":null,"manufacturerId":null,"parts":null,"language":null,"glossaries":null,"brand":null,"product":null,"brandCode":null,"recallNotes":null,"volume":null},{"code":"P951-10448D-CM","name":null,"url":"/c//p/P951-10448D-CM","description":"MUFFLER","purchasable":true,"stock":{"stockLevelStatus":{"code":"inStock","type":"StockLevelStatus"},"stockLevel":0,"stockThreshold":null},"futureStocks":null,"availableForPickup":null,"averageRating":null,"numberOfReviews":null,"summary":null,"manufacturer":null,"variantType":null,"price":{"currencyIso":"USD","value":64.07,"priceType":"BUY","formattedValue":"$64.07","minQuantity":null,"maxQuantity":null,"sapUnit":{"code":"pieces","name":"Piece"}},"baseProduct":null,"images":[],"categories":null,"reviews":null,"classifications":null,"potentialPromotions":null,"variantOptions":null,"baseOptions":[],"volumePricesFlag":null,"volumePrices":null,"productReferences":null,"variantMatrix":null,"priceRange":null,"firstCategoryNameList":null,"multidimensional":null,"configurable":false,"configuratorType":null,"addToCartDisabled":null,"addToCartDisabledMessage":null,"tags":null,"sapUnit":null,"keywords":null,"genders":null,"itemtype":"Part","partSubstitute":"P931-0484A-CM","note":null,"recallNote":null,"note1":null,"note2":null,"note3":null,"note4":null,"note5":null,"pdfAllUser":null,"pdfAuthUser":null,"pdfCOSUser":null,"vaiantRelatedPartList":null,"partHotspotList":null,"itemNumber":null,"partRelatedVariantList":null,"bomCode":4,"totalValue":null,"searchImage":null,"length":null,"width":null,"height":null,"unitOfDimension":null,"weight":null,"unitOfWeight":null,"specialRouting":false,"onlineRepair":null,"previousPartID":null,"sbdDiscountPriceValue":{"currencyIso":"USD","value":64.07,"priceType":"BUY","formattedValue":"$64.07","minQuantity":null,"maxQuantity":null,"sapUnit":{"code":"pieces","name":"Piece"}},"alrCode":null,"productRecallFlag":null,"selectedDocumentId":null,"productDescription":null,"pdpImage":null,"ticketId":null,"qtyRequiredPerVariant":"1","isElgibleForRepair":null,"isPowerEligible":null,"productRecallNotes":null,"productOtherInfo":null,"backorderETA":"00/00/0000","modifiedDate":null,"userLevel":"ALL","displayPrice":null,"baseProductName":null,"firstVariantCode":null,"firstVariantImage":null,"productMarketType":null,"productNumber":null,"typeStatusCode":null,"productCategory":null,"typeNumber":null,"marketCode":null,"regionCode":null,"otherInformation":null,"productTypeStatus":null,"repairInstruction":null,"repairInstructionStatusDescription":null,"typeStatusDate":null,"serviceLifeDate":null,"manufacturerId":null,"parts":null,"language":null,"glossaries":null,"brand":null,"product":null,"brandCode":null,"recallNotes":null,"volume":null},{"code":"P951-12179B-CM","name":null,"url":"/c//p/P951-12179B-CM","description":"CAP-FUEL","purchasable":true,"stock":{"stockLevelStatus":{"code":"inStock","type":"StockLevelStatus"},"stockLevel":0,"stockThreshold":null},"futureStocks":null,"availableForPickup":null,"averageRating":null,"numberOfReviews":null,"summary":null,"manufacturer":null,"variantType":null,"price":{"currencyIso":"USD","value":21.53,"priceType":"BUY","formattedValue":"$21.53","minQuantity":null,"maxQuantity":null,"sapUnit":{"code":"pieces","name":"Piece"}},"baseProduct":null,"images":[],"categories":null,"reviews":null,"classifications":null,"potentialPromotions":null,"variantOptions":null,"baseOptions":[],"volumePricesFlag":null,"volumePrices":null,"productReferences":null,"variantMatrix":null,"priceRange":null,"firstCategoryNameList":null,"multidimensional":null,"configurable":false,"configuratorType":null,"addToCartDisabled":null,"addToCartDisabledMessage":null,"tags":null,"sapUnit":null,"keywords":null,"genders":null,"itemtype":"Part","partSubstitute":"P712-04063-CM","note":null,"recallNote":null,"note1":null,"note2":null,"note3":null,"note4":null,"note5":null,"pdfAllUser":null,"pdfAuthUser":null,"pdfCOSUser":null,"vaiantRelatedPartList":null,"partHotspotList":null,"itemNumber":null,"partRelatedVariantList":null,"bomCode":4,"totalValue":null,"searchImage":null,"length":null,"width":null,"height":null,"unitOfDimension":null,"weight":null,"unitOfWeight":null,"specialRouting":false,"onlineRepair":null,"previousPartID":null,"sbdDiscountPriceValue":{"currencyIso":"USD","value":21.53,"priceType":"BUY","formattedValue":"$21.53","minQuantity":null,"maxQuantity":null,"sapUnit":{"code":"pieces","name":"Piece"}},"alrCode":null,"productRecallFlag":null,"selectedDocumentId":null,"productDescription":null,"pdpImage":null,"ticketId":null,"qtyRequiredPerVariant":"1","isElgibleForRepair":null,"isPowerEligible":null,"productRecallNotes":null,"productOtherInfo":null,"backorderETA":"00/00/0000","modifiedDate":null,"userLevel":"ALL","displayPrice":null,"baseProductName":null,"firstVariantCode":null,"firstVariantImage":null,"productMarketType":null,"productNumber":null,"typeStatusCode":null,"productCategory":null,"typeNumber":null,"marketCode":null,"regionCode":null,"otherInformation":null,"productTypeStatus":null,"repairInstruction":null,"repairInstructionStatusDescription":null,"typeStatusDate":null,"serviceLifeDate":null,"manufacturerId":null,"parts":null,"language":null,"glossaries":null,"brand":null,"product":null,"brandCode":null,"recallNotes":null,"volume":null},{"code":"P954-04208A-CM","name":null,"url":"/c//p/P954-04208A-CM","description":"BELT","purchasable":true,"stock":{"stockLevelStatus":{"code":"inStock","type":"StockLevelStatus"},"stockLevel":0,"stockThreshold":null},"futureStocks":null,"availableForPickup":null,"averageRating":null,"numberOfReviews":null,"summary":null,"manufacturer":null,"variantType":null,"price":{"currencyIso":"USD","value":19.82,"priceType":"BUY","formattedValue":"$19.82","minQuantity":null,"maxQuantity":null,"sapUnit":{"code":"pieces","name":"Piece"}},"baseProduct":null,"images":[],"categories":null,"reviews":null,"classifications":null,"potentialPromotions":null,"variantOptions":null,"baseOptions":[],"volumePricesFlag":null,"volumePrices":null,"productReferences":null,"variantMatrix":null,"priceRange":null,"firstCategoryNameList":null,"multidimensional":null,"configurable":false,"configuratorType":null,"addToCartDisabled":null,"addToCartDisabledMessage":null,"tags":null,"sapUnit":null,"keywords":null,"genders":null,"itemtype":"Part","partSubstitute":null,"note":null,"recallNote":null,"note1":null,"note2":null,"note3":null,"note4":null,"note5":null,"pdfAllUser":null,"pdfAuthUser":null,"pdfCOSUser":null,"vaiantRelatedPartList":null,"partHotspotList":null,"itemNumber":null,"partRelatedVariantList":null,"bomCode":2,"totalValue":null,"searchImage":null,"length":null,"width":null,"height":null,"unitOfDimension":null,"weight":null,"unitOfWeight":null,"specialRouting":false,"onlineRepair":null,"previousPartID":null,"sbdDiscountPriceValue":{"currencyIso":"USD","value":19.82,"priceType":"BUY","formattedValue":"$19.82","minQuantity":null,"maxQuantity":null,"sapUnit":{"code":"pieces","name":"Piece"}},"alrCode":null,"productRecallFlag":null,"selectedDocumentId":null,"productDescription":null,"pdpImage":null,"ticketId":null,"qtyRequiredPerVariant":"1","isElgibleForRepair":null,"isPowerEligible":null,"productRecallNotes":null,"productOtherInfo":null,"backorderETA":"00/00/0000","modifiedDate":null,"userLevel":"ALL","displayPrice":null,"baseProductName":null,"firstVariantCode":null,"firstVariantImage":null,"productMarketType":null,"productNumber":null,"typeStatusCode":null,"productCategory":null,"typeNumber":null,"marketCode":null,"regionCode":null,"otherInformation":null,"productTypeStatus":null,"repairInstruction":null,"repairInstructionStatusDescription":null,"typeStatusDate":null,"serviceLifeDate":null,"manufacturerId":null,"parts":null,"language":null,"glossaries":null,"brand":null,"product":null,"brandCode":null,"recallNotes":null,"volume":null},{"code":"P954-0467A-CM","name":null,"url":"/c//p/P954-0467A-CM","description":"BELT-DRIVE V","purchasable":true,"stock":{"stockLevelStatus":{"code":"inStock","type":"StockLevelStatus"},"stockLevel":0,"stockThreshold":null},"futureStocks":null,"availableForPickup":null,"averageRating":null,"numberOfReviews":null,"summary":null,"manufacturer":null,"variantType":null,"price":{"currencyIso":"USD","value":37.08,"priceType":"BUY","formattedValue":"$37.08","minQuantity":null,"maxQuantity":null,"sapUnit":{"code":"pieces","name":"Piece"}},"baseProduct":null,"images":[],"categories":null,"reviews":null,"classifications":null,"potentialPromotions":null,"variantOptions":null,"baseOptions":[],"volumePricesFlag":null,"volumePrices":null,"productReferences":null,"variantMatrix":null,"priceRange":null,"firstCategoryNameList":null,"multidimensional":null,"configurable":false,"configuratorType":null,"addToCartDisabled":null,"addToCartDisabledMessage":null,"tags":null,"sapUnit":null,"keywords":null,"genders":null,"itemtype":"Part","partSubstitute":null,"note":null,"recallNote":null,"note1":null,"note2":null,"note3":null,"note4":null,"note5":null,"pdfAllUser":null,"pdfAuthUser":null,"pdfCOSUser":null,"vaiantRelatedPartList":null,"partHotspotList":null,"itemNumber":null,"partRelatedVariantList":null,"bomCode":2,"totalValue":null,"searchImage":null,"length":null,"width":null,"height":null,"unitOfDimension":null,"weight":null,"unitOfWeight":null,"specialRouting":false,"onlineRepair":null,"previousPartID":null,"sbdDiscountPriceValue":{"currencyIso":"USD","value":37.08,"priceType":"BUY","formattedValue":"$37.08","minQuantity":null,"maxQuantity":null,"sapUnit":{"code":"pieces","name":"Piece"}},"alrCode":null,"productRecallFlag":null,"selectedDocumentId":null,"productDescription":null,"pdpImage":null,"ticketId":null,"qtyRequiredPerVariant":"1","isElgibleForRepair":null,"isPowerEligible":null,"productRecallNotes":null,"productOtherInfo":null,"backorderETA":"00/00/0000","modifiedDate":null,"userLevel":"ALL","displayPrice":null,"baseProductName":null,"firstVariantCode":null,"firstVariantImage":null,"productMarketType":null,"productNumber":null,"typeStatusCode":null,"productCategory":null,"typeNumber":null,"marketCode":null,"regionCode":null,"otherInformation":null,"productTypeStatus":null,"repairInstruction":null,"repairInstructionStatusDescription":null,"typeStatusDate":null,"serviceLifeDate":null,"manufacturerId":null,"parts":null,"language":null,"glossaries":null,"brand":null,"product":null,"brandCode":null,"recallNotes":null,"volume":null},{"code":"P956-04002-CM","name":null,"url":"/c//p/P956-04002-CM","description":"PULLEY-V TYP","purchasable":true,"stock":{"stockLevelStatus":{"code":"inStock","type":"StockLevelStatus"},"stockLevel":0,"stockThreshold":null},"futureStocks":null,"availableForPickup":null,"averageRating":null,"numberOfReviews":null,"summary":null,"manufacturer":null,"variantType":null,"price":{"currencyIso":"USD","value":17.61,"priceType":"BUY","formattedValue":"$17.61","minQuantity":null,"maxQuantity":null,"sapUnit":{"code":"pieces","name":"Piece"}},"baseProduct":null,"images":[],"categories":null,"reviews":null,"classifications":null,"potentialPromotions":null,"variantOptions":null,"baseOptions":[],"volumePricesFlag":null,"volumePrices":null,"productReferences":null,"variantMatrix":null,"priceRange":null,"firstCategoryNameList":null,"multidimensional":null,"configurable":false,"configuratorType":null,"addToCartDisabled":null,"addToCartDisabledMessage":null,"tags":null,"sapUnit":null,"keywords":null,"genders":null,"itemtype":"Part","partSubstitute":null,"note":null,"recallNote":null,"note1":null,"note2":null,"note3":null,"note4":null,"note5":null,"pdfAllUser":null,"pdfAuthUser":null,"pdfCOSUser":null,"vaiantRelatedPartList":null,"partHotspotList":null,"itemNumber":null,"partRelatedVariantList":null,"bomCode":2,"totalValue":null,"searchImage":null,"length":null,"width":null,"height":null,"unitOfDimension":null,"weight":null,"unitOfWeight":null,"specialRouting":false,"onlineRepair":null,"previousPartID":null,"sbdDiscountPriceValue":{"currencyIso":"USD","value":17.61,"priceType":"BUY","formattedValue":"$17.61","minQuantity":null,"maxQuantity":null,"sapUnit":{"code":"pieces","name":"Piece"}},"alrCode":null,"productRecallFlag":null,"selectedDocumentId":null,"productDescription":null,"pdpImage":null,"ticketId":null,"qtyRequiredPerVariant":"1","isElgibleForRepair":null,"isPowerEligible":null,"productRecallNotes":null,"productOtherInfo":null,"backorderETA":"00/00/0000","modifiedDate":null,"userLevel":"ALL","displayPrice":null,"baseProductName":null,"firstVariantCode":null,"firstVariantImage":null,"productMarketType":null,"productNumber":null,"typeStatusCode":null,"productCategory":null,"typeNumber":null,"marketCode":null,"regionCode":null,"otherInformation":null,"productTypeStatus":null,"repairInstruction":null,"repairInstructionStatusDescription":null,"typeStatusDate":null,"serviceLifeDate":null,"manufacturerId":null,"parts":null,"language":null,"glossaries":null,"brand":null,"product":null,"brandCode":null,"recallNotes":null,"volume":null}],"partHotspotList":[{"id":null,"itemNumber":"2","partcode":"P712-04065-CM","hotspotLeft":24.0588,"hotspotTop":34.945499999999996,"hotspotBottom":0.0,"hotspotRight":0.0},{"id":null,"itemNumber":"2","partcode":"P710-0643-CM","hotspotLeft":24.0588,"hotspotTop":34.945499999999996,"hotspotBottom":0.0,"hotspotRight":0.0},{"id":null,"itemNumber":"2","partcode":"P710-04484-CM","hotspotLeft":24.0588,"hotspotTop":34.945499999999996,"hotspotBottom":0.0,"hotspotRight":0.0},{"id":null,"itemNumber":"2","partcode":"P710-0227-CM","hotspotLeft":24.0588,"hotspotTop":34.945499999999996,"hotspotBottom":0.0,"hotspotRight":0.0},{"id":null,"itemNumber":"2","partcode":"P683-04606-CM","hotspotLeft":24.0588,"hotspotTop":34.945499999999996,"hotspotBottom":0.0,"hotspotRight":0.0},{"id":null,"itemNumber":"2","partcode":"P5140216-21","hotspotLeft":24.0588,"hotspotTop":34.945499999999996,"hotspotBottom":0.0,"hotspotRight":0.0},{"id":null,"itemNumber":"2","partcode":"P5140216-48","hotspotLeft":24.0588,"hotspotTop":34.945499999999996,"hotspotBottom":0.0,"hotspotRight":0.0},{"id":null,"itemNumber":"2","partcode":"P777D19309-CM","hotspotLeft":24.0588,"hotspotTop":34.945499999999996,"hotspotBottom":0.0,"hotspotRight":0.0},{"id":null,"itemNumber":"3","partcode":"P710-04484-CM","hotspotLeft":39.549,"hotspotTop":31.4606,"hotspotBottom":0.0,"hotspotRight":0.0},{"id":null,"itemNumber":"3","partcode":"P714-04040-CM","hotspotLeft":39.549,"hotspotTop":31.4606,"hotspotBottom":0.0,"hotspotRight":0.0},{"id":null,"itemNumber":"3","partcode":"P710-1309-CM","hotspotLeft":39.549,"hotspotTop":31.4606,"hotspotBottom":0.0,"hotspotRight":0.0},{"id":null,"itemNumber":"3","partcode":"P712-3004A-CM","hotspotLeft":39.549,"hotspotTop":31.4606,"hotspotBottom":0.0,"hotspotRight":0.0},{"id":null,"itemNumber":"3","partcode":"P983-04511-CM","hotspotLeft":39.549,"hotspotTop":31.4606,"hotspotBottom":0.0,"hotspotRight":0.0},{"id":null,"itemNumber":"3","partcode":"P777D18562-CM","hotspotLeft":39.549,"hotspotTop":31.4606,"hotspotBottom":0.0,"hotspotRight":0.0},{"id":null,"itemNumber":"3","partcode":"P710-04683C-CM","hotspotLeft":39.549,"hotspotTop":31.4606,"hotspotBottom":0.0,"hotspotRight":0.0},{"id":null,"itemNumber":"3","partcode":"P710-04683B-CM","hotspotLeft":39.549,"hotspotTop":31.4606,"hotspotBottom":0.0,"hotspotRight":0.0},{"id":null,"itemNumber":"3","partcode":"P710-04484-CM","hotspotLeft":36.2549,"hotspotTop":33.7333,"hotspotBottom":0.0,"hotspotRight":0.0},{"id":null,"itemNumber":"3","partcode":"P714-04040-CM","hotspotLeft":36.2549,"hotspotTop":33.7333,"hotspotBottom":0.0,"hotspotRight":0.0},{"id":null,"itemNumber":"3","partcode":"P710-1309-CM","hotspotLeft":36.2549,"hotspotTop":33.7333,"hotspotBottom":0.0,"hotspotRight":0.0},{"id":null,"itemNumber":"3","partcode":"P712-3004A-CM","hotspotLeft":36.2549,"hotspotTop":33.7333,"hotspotBottom":0.0,"hotspotRight":0.0},{"id":null,"itemNumber":"3","partcode":"P983-04511-CM","hotspotLeft":36.2549,"hotspotTop":33.7333,"hotspotBottom":0.0,"hotspotRight":0.0},{"id":null,"itemNumber":"3","partcode":"P777D18562-CM","hotspotLeft":36.2549,"hotspotTop":33.7333,"hotspotBottom":0.0,"hotspotRight":0.0},{"id":null,"itemNumber":"3","partcode":"P710-04683C-CM","hotspotLeft":36.2549,"hotspotTop":33.7333,"hotspotBottom":0.0,"hotspotRight":0.0},{"id":null,"itemNumber":"3","partcode":"P710-04683B-CM","hotspotLeft":36.2549,"hotspotTop":33.7333,"hotspotBottom":0.0,"hotspotRight":0.0},{"id":null,"itemNumber":"3","partcode":"P710-04484-CM","hotspotLeft":55.0392,"hotspotTop":90.36970000000001,"hotspotBottom":0.0,"hotspotRight":0.0},{"id":null,"itemNumber":"3","partcode":"P714-04040-CM","hotspotLeft":55.0392,"hotspotTop":90.36970000000001,"hotspotBottom":0.0,"hotspotRight":0.0},{"id":null,"itemNumber":"3","partcode":"P710-1309-CM","hotspotLeft":55.0392,"hotspotTop":90.36970000000001,"hotspotBottom":0.0,"hotspotRight":0.0},{"id":null,"itemNumber":"3","partcode":"P712-3004A-CM","hotspotLeft":55.0392,"hotspotTop":90.36970000000001,"hotspotBottom":0.0,"hotspotRight":0.0},{"id":null,"itemNumber":"3","partcode":"P983-04511-CM","hotspotLeft":55.0392,"hotspotTop":90.36970000000001,"hotspotBottom":0.0,"hotspotRight":0.0},{"id":null,"itemNumber":"3","partcode":"P777D18562-CM","hotspotLeft":55.0392,"hotspotTop":90.36970000000001,"hotspotBottom":0.0,"hotspotRight":0.0},{"id":null,"itemNumber":"3","partcode":"P710-04683C-CM","hotspotLeft":55.0392,"hotspotTop":90.36970000000001,"hotspotBottom":0.0,"hotspotRight":0.0},{"id":null,"itemNumber":"3","partcode":"P710-04683B-CM","hotspotLeft":55.0392,"hotspotTop":90.36970000000001,"hotspotBottom":0.0,"hotspotRight":0.0},{"id":null,"itemNumber":"3","partcode":"P710-04484-CM","hotspotLeft":76.3725,"hotspotTop":79.2485,"hotspotBottom":0.0,"hotspotRight":0.0},{"id":null,"itemNumber":"3","partcode":"P714-04040-CM","hotspotLeft":76.3725,"hotspotTop":79.2485,"hotspotBottom":0.0,"hotspotRight":0.0},{"id":null,"itemNumber":"3","partcode":"P710-1309-CM","hotspotLeft":76.3725,"hotspotTop":79.2485,"hotspotBottom":0.0,"hotspotRight":0.0},{"id":null,"itemNumber":"3","partcode":"P712-3004A-CM","hotspotLeft":76.3725,"hotspotTop":79.2485,"hotspotBottom":0.0,"hotspotRight":0.0},{"id":null,"itemNumber":"3","partcode":"P983-04511-CM","hotspotLeft":76.3725,"hotspotTop":79.2485,"hotspotBottom":0.0,"hotspotRight":0.0},{"id":null,"itemNumber":"3","partcode":"P777D18562-CM","hotspotLeft":76.3725,"hotspotTop":79.2485,"hotspotBottom":0.0,"hotspotRight":0.0},{"id":null,"itemNumber":"3","partcode":"P710-04683C-CM","hotspotLeft":76.3725,"hotspotTop":79.2485,"hotspotBottom":0.0,"hotspotRight":0.0},{"id":null,"itemNumber":"3","partcode":"P710-04683B-CM","hotspotLeft":76.3725,"hotspotTop":79.2485,"hotspotBottom":0.0,"hotspotRight":0.0},{"id":null,"itemNumber":"4","partcode":"P710-0599-CM","hotspotLeft":46.4902,"hotspotTop":64.0061,"hotspotBottom":0.0,"hotspotRight":0.0},{"id":null,"itemNumber":"4","partcode":"P716-0106A-CM","hotspotLeft":46.4902,"hotspotTop":64.0061,"hotspotBottom":0.0,"hotspotRight":0.0},{"id":null,"itemNumber":"4","partcode":"P710-0514-CM","hotspotLeft":46.4902,"hotspotTop":64.0061,"hotspotBottom":0.0,"hotspotRight":0.0},{"id":null,"itemNumber":"4","partcode":"P925-05013-CM","hotspotLeft":46.4902,"hotspotTop":64.0061,"hotspotBottom":0.0,"hotspotRight":0.0},{"id":null,"itemNumber":"4","partcode":"P710-0642-CM","hotspotLeft":46.4902,"hotspotTop":64.0061,"hotspotBottom":0.0,"hotspotRight":0.0},{"id":null,"itemNumber":"4","partcode":"P710-1260A-CM","hotspotLeft":46.4902,"hotspotTop":64.0061,"hotspotBottom":0.0,"hotspotRight":0.0},{"id":null,"itemNumber":"4","partcode":"P983-04525-CM","hotspotLeft":46.4902,"hotspotTop":64.0061,"hotspotBottom":0.0,"hotspotRight":0.0},{"id":null,"itemNumber":"4","partcode":"P000000-00","hotspotLeft":46.4902,"hotspotTop":64.0061,"hotspotBottom":0.0,"hotspotRight":0.0},{"id":null,"itemNumber":"4","partcode":"P710-0599-CM","hotspotLeft":60.7647,"hotspotTop":58.1273,"hotspotBottom":0.0,"hotspotRight":0.0},{"id":null,"itemNumber":"4","partcode":"P716-0106A-CM","hotspotLeft":60.7647,"hotspotTop":58.1273,"hotspotBottom":0.0,"hotspotRight":0.0},{"id":null,"itemNumber":"4","partcode":"P710-0514-CM","hotspotLeft":60.7647,"hotspotTop":58.1273,"hotspotBottom":0.0,"hotspotRight":0.0},{"id":null,"itemNumber":"4","partcode":"P925-05013-CM","hotspotLeft":60.7647,"hotspotTop":58.1273,"hotspotBottom":0.0,"hotspotRight":0.0},{"id":null,"itemNumber":"4","partcode":"P710-0642-CM","hotspotLeft":60.7647,"hotspotTop":58.1273,"hotspotBottom":0.0,"hotspotRight":0.0},{"id":null,"itemNumber":"4","partcode":"P710-1260A-CM","hotspotLeft":60.7647,"hotspotTop":58.1273,"hotspotBottom":0.0,"hotspotRight":0.0},{"id":null,"itemNumber":"4","partcode":"P983-04525-CM","hotspotLeft":60.7647,"hotspotTop":58.1273,"hotspotBottom":0.0,"hotspotRight":0.0},{"id":null,"itemNumber":"4","partcode":"P000000-00","hotspotLeft":60.7647,"hotspotTop":58.1273,"hotspotBottom":0.0,"hotspotRight":0.0},{"id":null,"itemNumber":"5","partcode":"P712-0292-CM","hotspotLeft":46.7647,"hotspotTop":62.3697,"hotspotBottom":0.0,"hotspotRight":0.0},{"id":null,"itemNumber":"5","partcode":"P720-0311-CM","hotspotLeft":46.7647,"hotspotTop":62.3697,"hotspotBottom":0.0,"hotspotRight":0.0},{"id":null,"itemNumber":"5","partcode":"P710-3180-CM","hotspotLeft":46.7647,"hotspotTop":62.3697,"hotspotBottom":0.0,"hotspotRight":0.0},{"id":null,"itemNumber":"5","partcode":"P757-04144-CM","hotspotLeft":46.7647,"hotspotTop":62.3697,"hotspotBottom":0.0,"hotspotRight":0.0},{"id":null,"itemNumber":"5","partcode":"P710-1314A-CM","hotspotLeft":46.7647,"hotspotTop":62.3697,"hotspotBottom":0.0,"hotspotRight":0.0},{"id":null,"itemNumber":"5","partcode":"P712-04065-CM","hotspotLeft":46.7647,"hotspotTop":62.3697,"hotspotBottom":0.0,"hotspotRight":0.0},{"id":null,"itemNumber":"5","partcode":"P777D18561-CM","hotspotLeft":46.7647,"hotspotTop":62.3697,"hotspotBottom":0.0,"hotspotRight":0.0},{"id":null,"itemNumber":"5","partcode":"P5140225-76","hotspotLeft":46.7647,"hotspotTop":62.3697,"hotspotBottom":0.0,"hotspotRight":0.0},{"id":null,"itemNumber":"6","partcode":"P710-0751-CM","hotspotLeft":54.8039,"hotspotTop":44.7636,"hotspotBottom":0.0,"hotspotRight":0.0},{"id":null,"itemNumber":"6","partcode":"P732-04225-CM","hotspotLeft":54.8039,"hotspotTop":44.7636,"hotspotBottom":0.0,"hotspotRight":0.0},{"id":null,"itemNumber":"6","partcode":"P912-0214-CM","hotspotLeft":54.8039,"hotspotTop":44.7636,"hotspotBottom":0.0,"hotspotRight":0.0},{"id":null,"itemNumber":"6","partcode":"P926-0154-CM","hotspotLeft":54.8039,"hotspotTop":44.7636,"hotspotBottom":0.0,"hotspotRight":0.0},{"id":null,"itemNumber":"6","partcode":"P712-0271-CM","hotspotLeft":54.8039,"hotspotTop":44.7636,"hotspotBottom":0.0,"hotspotRight":0.0},{"id":null,"itemNumber":"6","partcode":"P738-0322A-CM","hotspotLeft":54.8039,"hotspotTop":44.7636,"hotspotBottom":0.0,"hotspotRight":0.0},{"id":null,"itemNumber":"6","partcode":"P710-04484-CM","hotspotLeft":54.8039,"hotspotTop":44.7636,"hotspotBottom":0.0,"hotspotRight":0.0},{"id":null,"itemNumber":"6","partcode":"P777I23592-CM","hotspotLeft":54.8039,"hotspotTop":44.7636,"hotspotBottom":0.0,"hotspotRight":0.0},{"id":null,"itemNumber":"6","partcode":"P710-0751-CM","hotspotLeft":64.3333,"hotspotTop":36.6727,"hotspotBottom":0.0,"hotspotRight":0.0},{"id":null,"itemNumber":"6","partcode":"P732-04225-CM","hotspotLeft":64.3333,"hotspotTop":36.6727,"hotspotBottom":0.0,"hotspotRight":0.0},{"id":null,"itemNumber":"6","partcode":"P912-0214-CM","hotspotLeft":64.3333,"hotspotTop":36.6727,"hotspotBottom":0.0,"hotspotRight":0.0},{"id":null,"itemNumber":"6","partcode":"P926-0154-CM","hotspotLeft":64.3333,"hotspotTop":36.6727,"hotspotBottom":0.0,"hotspotRight":0.0},{"id":null,"itemNumber":"6","partcode":"P712-0271-CM","hotspotLeft":64.3333,"hotspotTop":36.6727,"hotspotBottom":0.0,"hotspotRight":0.0},{"id":null,"itemNumber":"6","partcode":"P738-0322A-CM","hotspotLeft":64.3333,"hotspotTop":36.6727,"hotspotBottom":0.0,"hotspotRight":0.0},{"id":null,"itemNumber":"6","partcode":"P710-04484-CM","hotspotLeft":64.3333,"hotspotTop":36.6727,"hotspotBottom":0.0,"hotspotRight":0.0},{"id":null,"itemNumber":"6","partcode":"P777I23592-CM","hotspotLeft":64.3333,"hotspotTop":36.6727,"hotspotBottom":0.0,"hotspotRight":0.0},{"id":null,"itemNumber":"7","partcode":"P710-05108-CM","hotspotLeft":49.3137,"hotspotTop":21.7636,"hotspotBottom":0.0,"hotspotRight":0.0},{"id":null,"itemNumber":"7","partcode":"P738-04130A-CM","hotspotLeft":49.3137,"hotspotTop":21.7636,"hotspotBottom":0.0,"hotspotRight":0.0},{"id":null,"itemNumber":"7","partcode":"P912-0240-CM","hotspotLeft":49.3137,"hotspotTop":21.7636,"hotspotBottom":0.0,"hotspotRight":0.0},{"id":null,"itemNumber":"7","partcode":"P732-04035-CM","hotspotLeft":49.3137,"hotspotTop":21.7636,"hotspotBottom":0.0,"hotspotRight":0.0},{"id":null,"itemNumber":"7","partcode":"P956-04015B-CM","hotspotLeft":49.3137,"hotspotTop":21.7636,"hotspotBottom":0.0,"hotspotRight":0.0},{"id":null,"itemNumber":"7","partcode":"P710-3005-CM","hotspotLeft":49.3137,"hotspotTop":21.7636,"hotspotBottom":0.0,"hotspotRight":0.0},{"id":null,"itemNumber":"7","partcode":"P777D17038-CM","hotspotLeft":49.3137,"hotspotTop":21.7636,"hotspotBottom":0.0,"hotspotRight":0.0},{"id":null,"itemNumber":"7","partcode":"PBS-692236-CM","hotspotLeft":49.3137,"hotspotTop":21.7636,"hotspotBottom":0.0,"hotspotRight":0.0},{"id":null,"itemNumber":"7","partcode":"P710-05108-CM","hotspotLeft":36.5294,"hotspotTop":29.9455,"hotspotBottom":0.0,"hotspotRight":0.0},{"id":null,"itemNumber":"7","partcode":"P738-04130A-CM","hotspotLeft":36.5294,"hotspotTop":29.9455,"hotspotBottom":0.0,"hotspotRight":0.0},{"id":null,"itemNumber":"7","partcode":"P912-0240-CM","hotspotLeft":36.5294,"hotspotTop":29.9455,"hotspotBottom":0.0,"hotspotRight":0.0},{"id":null,"itemNumber":"7","partcode":"P732-04035-CM","hotspotLeft":36.5294,"hotspotTop":29.9455,"hotspotBottom":0.0,"hotspotRight":0.0},{"id":null,"itemNumber":"7","partcode":"P956-04015B-CM","hotspotLeft":36.5294,"hotspotTop":29.9455,"hotspotBottom":0.0,"hotspotRight":0.0},{"id":null,"itemNumber":"7","partcode":"P710-3005-CM","hotspotLeft":36.5294,"hotspotTop":29.9455,"hotspotBottom":0.0,"hotspotRight":0.0},{"id":null,"itemNumber":"7","partcode":"P777D17038-CM","hotspotLeft":36.5294,"hotspotTop":29.9455,"hotspotBottom":0.0,"hotspotRight":0.0},{"id":null,"itemNumber":"7","partcode":"PBS-692236-CM","hotspotLeft":36.5294,"hotspotTop":29.9455,"hotspotBottom":0.0,"hotspotRight":0.0},{"id":null,"itemNumber":"7","partcode":"P710-05108-CM","hotspotLeft":39.5882,"hotspotTop":29.6424,"hotspotBottom":0.0,"hotspotRight":0.0},{"id":null,"itemNumber":"7","partcode":"P738-04130A-CM","hotspotLeft":39.5882,"hotspotTop":29.6424,"hotspotBottom":0.0,"hotspotRight":0.0},{"id":null,"itemNumber":"7","partcode":"P912-0240-CM","hotspotLeft":39.5882,"hotspotTop":29.6424,"hotspotBottom":0.0,"hotspotRight":0.0},{"id":null,"itemNumber":"7","partcode":"P732-04035-CM","hotspotLeft":39.5882,"hotspotTop":29.6424,"hotspotBottom":0.0,"hotspotRight":0.0},{"id":null,"itemNumber":"7","partcode":"P956-04015B-CM","hotspotLeft":39.5882,"hotspotTop":29.6424,"hotspotBottom":0.0,"hotspotRight":0.0},{"id":null,"itemNumber":"7","partcode":"P710-3005-CM","hotspotLeft":39.5882,"hotspotTop":29.6424,"hotspotBottom":0.0,"hotspotRight":0.0},{"id":null,"itemNumber":"7","partcode":"P777D17038-CM","hotspotLeft":39.5882,"hotspotTop":29.6424,"hotspotBottom":0.0,"hotspotRight":0.0},{"id":null,"itemNumber":"7","partcode":"PBS-692236-CM","hotspotLeft":39.5882,"hotspotTop":29.6424,"hotspotBottom":0.0,"hotspotRight":0.0},{"id":null,"itemNumber":"8","partcode":"P712-04064-CM","hotspotLeft":50.5686,"hotspotTop":25.339399999999998,"hotspotBottom":0.0,"hotspotRight":0.0},{"id":null,"itemNumber":"8","partcode":"P941-0225-CM","hotspotLeft":50.5686,"hotspotTop":25.339399999999998,"hotspotBottom":0.0,"hotspotRight":0.0},{"id":null,"itemNumber":"8","partcode":"P712-04063-CM","hotspotLeft":50.5686,"hotspotTop":25.339399999999998,"hotspotBottom":0.0,"hotspotRight":0.0},{"id":null,"itemNumber":"8","partcode":"P732-04563-CM","hotspotLeft":50.5686,"hotspotTop":25.339399999999998,"hotspotBottom":0.0,"hotspotRight":0.0},{"id":null,"itemNumber":"8","partcode":"P725-0157-CM","hotspotLeft":50.5686,"hotspotTop":25.339399999999998,"hotspotBottom":0.0,"hotspotRight":0.0},{"id":null,"itemNumber":"8","partcode":"P683-04522-CM","hotspotLeft":50.5686,"hotspotTop":25.339399999999998,"hotspotBottom":0.0,"hotspotRight":0.0},{"id":null,"itemNumber":"8","partcode":"P710-0528-CM","hotspotLeft":50.5686,"hotspotTop":25.339399999999998,"hotspotBottom":0.0,"hotspotRight":0.0},{"id":null,"itemNumber":"8","partcode":"P777S33818-CM","hotspotLeft":50.5686,"hotspotTop":25.339399999999998,"hotspotBottom":0.0,"hotspotRight":0.0},{"id":null,"itemNumber":"8","partcode":"P712-04064-CM","hotspotLeft":29.1176,"hotspotTop":38.490899999999996,"hotspotBottom":0.0,"hotspotRight":0.0},{"id":null,"itemNumber":"8","partcode":"P941-0225-CM","hotspotLeft":29.1176,"hotspotTop":38.490899999999996,"hotspotBottom":0.0,"hotspotRight":0.0},{"id":null,"itemNumber":"8","partcode":"P712-04063-CM","hotspotLeft":29.1176,"hotspotTop":38.490899999999996,"hotspotBottom":0.0,"hotspotRight":0.0},{"id":null,"itemNumber":"8","partcode":"P732-04563-CM","hotspotLeft":29.1176,"hotspotTop":38.490899999999996,"hotspotBottom":0.0,"hotspotRight":0.0},{"id":null,"itemNumber":"8","partcode":"P725-0157-CM","hotspotLeft":29.1176,"hotspotTop":38.490899999999996,"hotspotBottom":0.0,"hotspotRight":0.0},{"id":null,"itemNumber":"8","partcode":"P683-04522-CM","hotspotLeft":29.1176,"hotspotTop":38.490899999999996,"hotspotBottom":0.0,"hotspotRight":0.0},{"id":null,"itemNumber":"8","partcode":"P710-0528-CM","hotspotLeft":29.1176,"hotspotTop":38.490899999999996,"hotspotBottom":0.0,"hotspotRight":0.0},{"id":null,"itemNumber":"8","partcode":"P777S33818-CM","hotspotLeft":29.1176,"hotspotTop":38.490899999999996,"hotspotBottom":0.0,"hotspotRight":0.0},{"id":null,"itemNumber":"9","partcode":"P931-07668-CM","hotspotLeft":81.3922,"hotspotTop":40.6727,"hotspotBottom":0.0,"hotspotRight":0.0},{"id":null,"itemNumber":"9","partcode":"P747-05296-CM","hotspotLeft":81.3922,"hotspotTop":40.6727,"hotspotBottom":0.0,"hotspotRight":0.0},{"id":null,"itemNumber":"9","partcode":"P712-04065-CM","hotspotLeft":81.3922,"hotspotTop":40.6727,"hotspotBottom":0.0,"hotspotRight":0.0},{"id":null,"itemNumber":"9","partcode":"P726-0205-CM","hotspotLeft":81.3922,"hotspotTop":40.6727,"hotspotBottom":0.0,"hotspotRight":0.0},{"id":null,"itemNumber":"9","partcode":"P710-0599-CM","hotspotLeft":81.3922,"hotspotTop":40.6727,"hotspotBottom":0.0,"hotspotRight":0.0},{"id":null,"itemNumber":"9","partcode":"P777X43688-CM","hotspotLeft":81.3922,"hotspotTop":40.6727,"hotspotBottom":0.0,"hotspotRight":0.0},{"id":null,"itemNumber":"9","partcode":"P5140216-43","hotspotLeft":81.3922,"hotspotTop":40.6727,"hotspotBottom":0.0,"hotspotRight":0.0},{"id":null,"itemNumber":"9","partcode":"P738-0296-CM","hotspotLeft":81.3922,"hotspotTop":40.6727,"hotspotBottom":0.0,"hotspotRight":0.0},{"id":null,"itemNumber":"10","partcode":"P731-07458-CM","hotspotLeft":67.0392,"hotspotTop":50.0667,"hotspotBottom":0.0,"hotspotRight":0.0},{"id":null,"itemNumber":"10","partcode":"P747-04393-CM","hotspotLeft":67.0392,"hotspotTop":50.0667,"hotspotBottom":0.0,"hotspotRight":0.0},{"id":null,"itemNumber":"10","partcode":"P923-0448A-CM","hotspotLeft":67.0392,"hotspotTop":50.0667,"hotspotBottom":0.0,"hotspotRight":0.0},{"id":null,"itemNumber":"10","partcode":"P783-06050-CM","hotspotLeft":67.0392,"hotspotTop":50.0667,"hotspotBottom":0.0,"hotspotRight":0.0},{"id":null,"itemNumber":"10","partcode":"P731-05628-CM","hotspotLeft":67.0392,"hotspotTop":50.0667,"hotspotBottom":0.0,"hotspotRight":0.0},{"id":null,"itemNumber":"10","partcode":"P710-0627-CM","hotspotLeft":67.0392,"hotspotTop":50.0667,"hotspotBottom":0.0,"hotspotRight":0.0},{"id":null,"itemNumber":"10","partcode":"P936-3039-CM","hotspotLeft":67.0392,"hotspotTop":50.0667,"hotspotBottom":0.0,"hotspotRight":0.0},{"id":null,"itemNumber":"10","partcode":"P777S35012-CM","hotspotLeft":67.0392,"hotspotTop":50.0667,"hotspotBottom":0.0,"hotspotRight":0.0},{"id":null,"itemNumber":"11","partcode":"P731-07459-CM","hotspotLeft":81.4706,"hotspotTop":32.5515,"hotspotBottom":0.0,"hotspotRight":0.0},{"id":null,"itemNumber":"11","partcode":"P736-0242-CM","hotspotLeft":81.4706,"hotspotTop":32.5515,"hotspotBottom":0.0,"hotspotRight":0.0},{"id":null,"itemNumber":"11","partcode":"P000000-00","hotspotLeft":81.4706,"hotspotTop":32.5515,"hotspotBottom":0.0,"hotspotRight":0.0},{"id":null,"itemNumber":"11","partcode":"P710-0778-CM","hotspotLeft":81.4706,"hotspotTop":32.5515,"hotspotBottom":0.0,"hotspotRight":0.0},{"id":null,"itemNumber":"11","partcode":"P710-0642-CM","hotspotLeft":81.4706,"hotspotTop":32.5515,"hotspotBottom":0.0,"hotspotRight":0.0},{"id":null,"itemNumber":"11","partcode":"P777D17042-CM","hotspotLeft":81.4706,"hotspotTop":32.5515,"hotspotBottom":0.0,"hotspotRight":0.0},{"id":null,"itemNumber":"11","partcode":"P5140220-82","hotspotLeft":81.4706,"hotspotTop":32.5515,"hotspotBottom":0.0,"hotspotRight":0.0},{"id":null,"itemNumber":"11","partcode":"P5140220-96","hotspotLeft":81.4706,"hotspotTop":32.5515,"hotspotBottom":0.0,"hotspotRight":0.0},{"id":null,"itemNumber":"11","partcode":"P5140221-47","hotspotLeft":81.4706,"hotspotTop":32.5515,"hotspotBottom":0.0,"hotspotRight":0.0},{"id":null,"itemNumber":"12","partcode":"P731-07460A-CM","hotspotLeft":56.2941,"hotspotTop":54.2788,"hotspotBottom":0.0,"hotspotRight":0.0},{"id":null,"itemNumber":"12","partcode":"P931-0484A-CM","hotspotLeft":56.2941,"hotspotTop":54.2788,"hotspotBottom":0.0,"hotspotRight":0.0},{"id":null,"itemNumber":"12","partcode":"P783-06448-CM","hotspotLeft":56.2941,"hotspotTop":54.2788,"hotspotBottom":0.0,"hotspotRight":0.0},{"id":null,"itemNumber":"12","partcode":"P718-04261-CM","hotspotLeft":56.2941,"hotspotTop":54.2788,"hotspotBottom":0.0,"hotspotRight":0.0},{"id":null,"itemNumber":"12","partcode":"P710-3144-CM","hotspotLeft":56.2941,"hotspotTop":54.2788,"hotspotBottom":0.0,"hotspotRight":0.0},{"id":null,"itemNumber":"12","partcode":"P777D17043-CM","hotspotLeft":56.2941,"hotspotTop":54.2788,"hotspotBottom":0.0,"hotspotRight":0.0},{"id":null,"itemNumber":"12","partcode":"P5140215-66","hotspotLeft":56.2941,"hotspotTop":54.2788,"hotspotBottom":0.0,"hotspotRight":0.0},{"id":null,"itemNumber":"12","partcode":"P951-05956-CM","hotspotLeft":56.2941,"hotspotTop":54.2788,"hotspotBottom":0.0,"hotspotRight":0.0},{"id":null,"itemNumber":"13","partcode":"P731-07711A-CM","hotspotLeft":50.4902,"hotspotTop":17.5212,"hotspotBottom":0.0,"hotspotRight":0.0},{"id":null,"itemNumber":"13","partcode":"P710-3157A-CM","hotspotLeft":50.4902,"hotspotTop":17.5212,"hotspotBottom":0.0,"hotspotRight":0.0},{"id":null,"itemNumber":"13","partcode":"P738-04141-CM","hotspotLeft":50.4902,"hotspotTop":17.5212,"hotspotBottom":0.0,"hotspotRight":0.0},{"id":null,"itemNumber":"13","partcode":"P736-0362-CM","hotspotLeft":50.4902,"hotspotTop":17.5212,"hotspotBottom":0.0,"hotspotRight":0.0},{"id":null,"itemNumber":"13","partcode":"P710-3178-CM","hotspotLeft":50.4902,"hotspotTop":17.5212,"hotspotBottom":0.0,"hotspotRight":0.0},{"id":null,"itemNumber":"13","partcode":"P777I22454-CM","hotspotLeft":50.4902,"hotspotTop":17.5212,"hotspotBottom":0.0,"hotspotRight":0.0},{"id":null,"itemNumber":"13","partcode":"P5140221-87","hotspotLeft":50.4902,"hotspotTop":17.5212,"hotspotBottom":0.0,"hotspotRight":0.0},{"id":null,"itemNumber":"13","partcode":"P751-11053B-CM","hotspotLeft":50.4902,"hotspotTop":17.5212,"hotspotBottom":0.0,"hotspotRight":0.0},{"id":null,"itemNumber":"14","partcode":"P731-07712A-CM","hotspotLeft":18.5294,"hotspotTop":32.9152,"hotspotBottom":0.0,"hotspotRight":0.0},{"id":null,"itemNumber":"14","partcode":"P710-0599-CM","hotspotLeft":18.5294,"hotspotTop":32.9152,"hotspotBottom":0.0,"hotspotRight":0.0},{"id":null,"itemNumber":"14","partcode":"P738-04162C-CM","hotspotLeft":18.5294,"hotspotTop":32.9152,"hotspotBottom":0.0,"hotspotRight":0.0},{"id":null,"itemNumber":"14","partcode":"P735-04047-CM","hotspotLeft":18.5294,"hotspotTop":32.9152,"hotspotBottom":0.0,"hotspotRight":0.0},{"id":null,"itemNumber":"14","partcode":"P735-04048-CM","hotspotLeft":18.5294,"hotspotTop":32.9152,"hotspotBottom":0.0,"hotspotRight":0.0},{"id":null,"itemNumber":"14","partcode":"P941-0600-CM","hotspotLeft":18.5294,"hotspotTop":32.9152,"hotspotBottom":0.0,"hotspotRight":0.0},{"id":null,"itemNumber":"14","partcode":"P712-0229-CM","hotspotLeft":18.5294,"hotspotTop":32.9152,"hotspotBottom":0.0,"hotspotRight":0.0},{"id":null,"itemNumber":"14","partcode":"P777D15649-CM","hotspotLeft":18.5294,"hotspotTop":32.9152,"hotspotBottom":0.0,"hotspotRight":0.0},{"id":null,"itemNumber":"15","partcode":"P735-0271A-CM","hotspotLeft":56.4902,"hotspotTop":51.5818,"hotspotBottom":0.0,"hotspotRight":0.0},{"id":null,"itemNumber":"15","partcode":"P738-0919B-CM","hotspotLeft":56.4902,"hotspotTop":51.5818,"hotspotBottom":0.0,"hotspotRight":0.0},{"id":null,"itemNumber":"15","partcode":"P726-3046-CM","hotspotLeft":56.4902,"hotspotTop":51.5818,"hotspotBottom":0.0,"hotspotRight":0.0},{"id":null,"itemNumber":"15","partcode":"P647-04266A-CM","hotspotLeft":56.4902,"hotspotTop":51.5818,"hotspotBottom":0.0,"hotspotRight":0.0},{"id":null,"itemNumber":"15","partcode":"P712-04063-CM","hotspotLeft":56.4902,"hotspotTop":51.5818,"hotspotBottom":0.0,"hotspotRight":0.0},{"id":null,"itemNumber":"15","partcode":"P777D15648-CM","hotspotLeft":56.4902,"hotspotTop":51.5818,"hotspotBottom":0.0,"hotspotRight":0.0},{"id":null,"itemNumber":"16","partcode":"P738-04091A-CM","hotspotLeft":77.9412,"hotspotTop":89.21820000000001,"hotspotBottom":0.0,"hotspotRight":0.0},{"id":null,"itemNumber":"16","partcode":"P720-04049A-CM","hotspotLeft":77.9412,"hotspotTop":89.21820000000001,"hotspotBottom":0.0,"hotspotRight":0.0},{"id":null,"itemNumber":"16","partcode":"P712-04065-CM","hotspotLeft":77.9412,"hotspotTop":89.21820000000001,"hotspotBottom":0.0,"hotspotRight":0.0},{"id":null,"itemNumber":"16","partcode":"P777I23364-CM","hotspotLeft":77.9412,"hotspotTop":89.21820000000001,"hotspotBottom":0.0,"hotspotRight":0.0},{"id":null,"itemNumber":"16","partcode":"P5140215-67","hotspotLeft":77.9412,"hotspotTop":89.21820000000001,"hotspotBottom":0.0,"hotspotRight":0.0},{"id":null,"itemNumber":"16","partcode":"P710-05070A-CM","hotspotLeft":77.9412,"hotspotTop":89.21820000000001,"hotspotBottom":0.0,"hotspotRight":0.0},{"id":null,"itemNumber":"16","partcode":"P741-04124-CM","hotspotLeft":77.9412,"hotspotTop":89.21820000000001,"hotspotBottom":0.0,"hotspotRight":0.0},{"id":null,"itemNumber":"17","partcode":"P732-04276A-CM","hotspotLeft":77.6275,"hotspotTop":81.2788,"hotspotBottom":0.0,"hotspotRight":0.0},{"id":null,"itemNumber":"17","partcode":"P747-05385A-CM","hotspotLeft":77.6275,"hotspotTop":81.2788,"hotspotBottom":0.0,"hotspotRight":0.0},{"id":null,"itemNumber":"17","partcode":"P710-0599-CM","hotspotLeft":77.6275,"hotspotTop":81.2788,"hotspotBottom":0.0,"hotspotRight":0.0},{"id":null,"itemNumber":"17","partcode":"P712-0417A-CM","hotspotLeft":77.6275,"hotspotTop":81.2788,"hotspotBottom":0.0,"hotspotRight":0.0},{"id":null,"itemNumber":"17","partcode":"P777I23754-CM","hotspotLeft":77.6275,"hotspotTop":81.2788,"hotspotBottom":0.0,"hotspotRight":0.0},{"id":null,"itemNumber":"17","partcode":"P5140215-70","hotspotLeft":77.6275,"hotspotTop":81.2788,"hotspotBottom":0.0,"hotspotRight":0.0},{"id":null,"itemNumber":"17","partcode":"P5140221-25","hotspotLeft":77.6275,"hotspotTop":81.2788,"hotspotBottom":0.0,"hotspotRight":0.0},{"id":null,"itemNumber":"18","partcode":"P936-0171-CM","hotspotLeft":62.9216,"hotspotTop":91.703,"hotspotBottom":0.0,"hotspotRight":0.0},{"id":null,"itemNumber":"18","partcode":"P948-0389-CM","hotspotLeft":62.9216,"hotspotTop":91.703,"hotspotBottom":0.0,"hotspotRight":0.0},{"id":null,"itemNumber":"18","partcode":"P731-04591A-CM","hotspotLeft":62.9216,"hotspotTop":91.703,"hotspotBottom":0.0,"hotspotRight":0.0},{"id":null,"itemNumber":"18","partcode":"P753-08029-CM","hotspotLeft":62.9216,"hotspotTop":91.703,"hotspotBottom":0.0,"hotspotRight":0.0},{"id":null,"itemNumber":"18","partcode":"P712-04243-CM","hotspotLeft":62.9216,"hotspotTop":91.703,"hotspotBottom":0.0,"hotspotRight":0.0},{"id":null,"itemNumber":"18","partcode":"P777I25080-CM","hotspotLeft":62.9216,"hotspotTop":91.703,"hotspotBottom":0.0,"hotspotRight":0.0},{"id":null,"itemNumber":"18","partcode":"P5140221-27","hotspotLeft":62.9216,"hotspotTop":91.703,"hotspotBottom":0.0,"hotspotRight":0.0},{"id":null,"itemNumber":"19","partcode":"P736-0322-CM","hotspotLeft":56.8039,"hotspotTop":41.5212,"hotspotBottom":0.0,"hotspotRight":0.0},{"id":null,"itemNumber":"19","partcode":"P710-0227-CM","hotspotLeft":56.8039,"hotspotTop":41.5212,"hotspotBottom":0.0,"hotspotRight":0.0},{"id":null,"itemNumber":"19","partcode":"P783-06464-CM","hotspotLeft":56.8039,"hotspotTop":41.5212,"hotspotBottom":0.0,"hotspotRight":0.0},{"id":null,"itemNumber":"19","partcode":"P777X45529-CM","hotspotLeft":56.8039,"hotspotTop":41.5212,"hotspotBottom":0.0,"hotspotRight":0.0},{"id":null,"itemNumber":"19","partcode":"P5140219-59","hotspotLeft":56.8039,"hotspotTop":41.5212,"hotspotBottom":0.0,"hotspotRight":0.0},{"id":null,"itemNumber":"19","partcode":"P5140221-69","hotspotLeft":56.8039,"hotspotTop":41.5212,"hotspotBottom":0.0,"hotspotRight":0.0},{"id":null,"itemNumber":"19","partcode":"P5140241-78","hotspotLeft":56.8039,"hotspotTop":41.5212,"hotspotBottom":0.0,"hotspotRight":0.0},{"id":null,"itemNumber":"20","partcode":"P738-04237A-CM","hotspotLeft":44.9216,"hotspotTop":32.8242,"hotspotBottom":0.0,"hotspotRight":0.0},{"id":null,"itemNumber":"20","partcode":"P748-04068-CM","hotspotLeft":44.9216,"hotspotTop":32.8242,"hotspotBottom":0.0,"hotspotRight":0.0},{"id":null,"itemNumber":"20","partcode":"P710-04484-CM","hotspotLeft":44.9216,"hotspotTop":32.8242,"hotspotBottom":0.0,"hotspotRight":0.0},{"id":null,"itemNumber":"20","partcode":"P714-04043-CM","hotspotLeft":44.9216,"hotspotTop":32.8242,"hotspotBottom":0.0,"hotspotRight":0.0},{"id":null,"itemNumber":"20","partcode":"P777X46245-CM","hotspotLeft":44.9216,"hotspotTop":32.8242,"hotspotBottom":0.0,"hotspotRight":0.0},{"id":null,"itemNumber":"20","partcode":"P5140221-05","hotspotLeft":44.9216,"hotspotTop":32.8242,"hotspotBottom":0.0,"hotspotRight":0.0},{"id":null,"itemNumber":"20","partcode":"P5140221-70","hotspotLeft":44.9216,"hotspotTop":32.8242,"hotspotBottom":0.0,"hotspotRight":0.0},{"id":null,"itemNumber":"21","partcode":"P731-09253-CM","hotspotLeft":15.549,"hotspotTop":69.5515,"hotspotBottom":0.0,"hotspotRight":0.0},{"id":null,"itemNumber":"21","partcode":"P741-04119A-CM","hotspotLeft":15.549,"hotspotTop":69.5515,"hotspotBottom":0.0,"hotspotRight":0.0},{"id":null,"itemNumber":"21","partcode":"P710-0134-CM","hotspotLeft":15.549,"hotspotTop":69.5515,"hotspotBottom":0.0,"hotspotRight":0.0},{"id":null,"itemNumber":"21","partcode":"P710-0604A-CM","hotspotLeft":15.549,"hotspotTop":69.5515,"hotspotBottom":0.0,"hotspotRight":0.0},{"id":null,"itemNumber":"21","partcode":"P783-06074A-CM","hotspotLeft":15.549,"hotspotTop":69.5515,"hotspotBottom":0.0,"hotspotRight":0.0},{"id":null,"itemNumber":"21","partcode":"P777S33896-CM","hotspotLeft":15.549,"hotspotTop":69.5515,"hotspotBottom":0.0,"hotspotRight":0.0},{"id":null,"itemNumber":"21","partcode":"P5140216-18","hotspotLeft":15.549,"hotspotTop":69.5515,"hotspotBottom":0.0,"hotspotRight":0.0},{"id":null,"itemNumber":"22","partcode":"P946-04173E-CM","hotspotLeft":46.2941,"hotspotTop":69.1576,"hotspotBottom":0.0,"hotspotRight":0.0},{"id":null,"itemNumber":"22","partcode":"P710-04484-CM","hotspotLeft":46.2941,"hotspotTop":69.1576,"hotspotBottom":0.0,"hotspotRight":0.0},{"id":null,"itemNumber":"22","partcode":"P710-0809-CM","hotspotLeft":46.2941,"hotspotTop":69.1576,"hotspotBottom":0.0,"hotspotRight":0.0},{"id":null,"itemNumber":"22","partcode":"P917-04074-CM","hotspotLeft":46.2941,"hotspotTop":69.1576,"hotspotBottom":0.0,"hotspotRight":0.0},{"id":null,"itemNumber":"22","partcode":"P710-05070A-CM","hotspotLeft":46.2941,"hotspotTop":69.1576,"hotspotBottom":0.0,"hotspotRight":0.0},{"id":null,"itemNumber":"22","partcode":"P946-04173E-CM","hotspotLeft":43.9412,"hotspotTop":72.79390000000001,"hotspotBottom":0.0,"hotspotRight":0.0},{"id":null,"itemNumber":"22","partcode":"P710-04484-CM","hotspotLeft":43.9412,"hotspotTop":72.79390000000001,"hotspotBottom":0.0,"hotspotRight":0.0},{"id":null,"itemNumber":"22","partcode":"P710-0809-CM","hotspotLeft":43.9412,"hotspotTop":72.79390000000001,"hotspotBottom":0.0,"hotspotRight":0.0},{"id":null,"itemNumber":"22","partcode":"P917-04074-CM","hotspotLeft":43.9412,"hotspotTop":72.79390000000001,"hotspotBottom":0.0,"hotspotRight":0.0},{"id":null,"itemNumber":"22","partcode":"P710-05070A-CM","hotspotLeft":43.9412,"hotspotTop":72.79390000000001,"hotspotBottom":0.0,"hotspotRight":0.0},{"id":null,"itemNumber":"22","partcode":"P946-04173E-CM","hotspotLeft":41.2745,"hotspotTop":81.4606,"hotspotBottom":0.0,"hotspotRight":0.0},{"id":null,"itemNumber":"22","partcode":"P710-04484-CM","hotspotLeft":41.2745,"hotspotTop":81.4606,"hotspotBottom":0.0,"hotspotRight":0.0},{"id":null,"itemNumber":"22","partcode":"P710-0809-CM","hotspotLeft":41.2745,"hotspotTop":81.4606,"hotspotBottom":0.0,"hotspotRight":0.0},{"id":null,"itemNumber":"22","partcode":"P917-04074-CM","hotspotLeft":41.2745,"hotspotTop":81.4606,"hotspotBottom":0.0,"hotspotRight":0.0},{"id":null,"itemNumber":"22","partcode":"P710-05070A-CM","hotspotLeft":41.2745,"hotspotTop":81.4606,"hotspotBottom":0.0,"hotspotRight":0.0},{"id":null,"itemNumber":"22","partcode":"P946-04173E-CM","hotspotLeft":43.5098,"hotspotTop":45.0364,"hotspotBottom":0.0,"hotspotRight":0.0},{"id":null,"itemNumber":"22","partcode":"P710-04484-CM","hotspotLeft":43.5098,"hotspotTop":45.0364,"hotspotBottom":0.0,"hotspotRight":0.0},{"id":null,"itemNumber":"22","partcode":"P710-0809-CM","hotspotLeft":43.5098,"hotspotTop":45.0364,"hotspotBottom":0.0,"hotspotRight":0.0},{"id":null,"itemNumber":"22","partcode":"P917-04074-CM","hotspotLeft":43.5098,"hotspotTop":45.0364,"hotspotBottom":0.0,"hotspotRight":0.0},{"id":null,"itemNumber":"22","partcode":"P710-05070A-CM","hotspotLeft":43.5098,"hotspotTop":45.0364,"hotspotBottom":0.0,"hotspotRight":0.0},{"id":null,"itemNumber":"22","partcode":"P946-04173E-CM","hotspotLeft":66.098,"hotspotTop":71.94550000000001,"hotspotBottom":0.0,"hotspotRight":0.0},{"id":null,"itemNumber":"22","partcode":"P710-04484-CM","hotspotLeft":66.098,"hotspotTop":71.94550000000001,"hotspotBottom":0.0,"hotspotRight":0.0},{"id":null,"itemNumber":"22","partcode":"P710-0809-CM","hotspotLeft":66.098,"hotspotTop":71.94550000000001,"hotspotBottom":0.0,"hotspotRight":0.0},{"id":null,"itemNumber":"22","partcode":"P917-04074-CM","hotspotLeft":66.098,"hotspotTop":71.94550000000001,"hotspotBottom":0.0,"hotspotRight":0.0},{"id":null,"itemNumber":"22","partcode":"P710-05070A-CM","hotspotLeft":66.098,"hotspotTop":71.94550000000001,"hotspotBottom":0.0,"hotspotRight":0.0},{"id":null,"itemNumber":"23","partcode":"P710-3144-CM","hotspotLeft":26.098,"hotspotTop":89.5818,"hotspotBottom":0.0,"hotspotRight":0.0},{"id":null,"itemNumber":"23","partcode":"P710-0859-CM","hotspotLeft":26.098,"hotspotTop":89.5818,"hotspotBottom":0.0,"hotspotRight":0.0},{"id":null,"itemNumber":"23","partcode":"P932-0384-CM","hotspotLeft":26.098,"hotspotTop":89.5818,"hotspotBottom":0.0,"hotspotRight":0.0},{"id":null,"itemNumber":"23","partcode":"P725-04439B-CM","hotspotLeft":26.098,"hotspotTop":89.5818,"hotspotBottom":0.0,"hotspotRight":0.0},{"id":null,"itemNumber":"24","partcode":"P731-07966A-CM","hotspotLeft":12.3725,"hotspotTop":70.8545,"hotspotBottom":0.0,"hotspotRight":0.0},{"id":null,"itemNumber":"24","partcode":"P756-04196A-CM","hotspotLeft":12.3725,"hotspotTop":70.8545,"hotspotBottom":0.0,"hotspotRight":0.0},{"id":null,"itemNumber":"24","partcode":"P714-0162-CM","hotspotLeft":12.3725,"hotspotTop":70.8545,"hotspotBottom":0.0,"hotspotRight":0.0},{"id":null,"itemNumber":"24","partcode":"P710-1007-CM","hotspotLeft":12.3725,"hotspotTop":70.8545,"hotspotBottom":0.0,"hotspotRight":0.0},{"id":null,"itemNumber":"24","partcode":"P783-07236-CM","hotspotLeft":12.3725,"hotspotTop":70.8545,"hotspotBottom":0.0,"hotspotRight":0.0},{"id":null,"itemNumber":"26","partcode":"P732-04877-CM","hotspotLeft":20.8824,"hotspotTop":68.7333,"hotspotBottom":0.0,"hotspotRight":0.0},{"id":null,"itemNumber":"26","partcode":"P710-04484-CM","hotspotLeft":20.8824,"hotspotTop":68.7333,"hotspotBottom":0.0,"hotspotRight":0.0},{"id":null,"itemNumber":"26","partcode":"P000000-00","hotspotLeft":20.8824,"hotspotTop":68.7333,"hotspotBottom":0.0,"hotspotRight":0.0},{"id":null,"itemNumber":"26","partcode":"P710-1026-CM","hotspotLeft":20.8824,"hotspotTop":68.7333,"hotspotBottom":0.0,"hotspotRight":0.0},{"id":null,"itemNumber":"26","partcode":"P734-04155-CM","hotspotLeft":20.8824,"hotspotTop":68.7333,"hotspotBottom":0.0,"hotspotRight":0.0},{"id":null,"itemNumber":"27","partcode":"P783-06823-CM","hotspotLeft":32.3333,"hotspotTop":88.8545,"hotspotBottom":0.0,"hotspotRight":0.0},{"id":null,"itemNumber":"27","partcode":"P731-04057A-CM","hotspotLeft":32.3333,"hotspotTop":88.8545,"hotspotBottom":0.0,"hotspotRight":0.0},{"id":null,"itemNumber":"27","partcode":"P710-1858A-CM","hotspotLeft":32.3333,"hotspotTop":88.8545,"hotspotBottom":0.0,"hotspotRight":0.0},{"id":null,"itemNumber":"27","partcode":"P936-0119-CM","hotspotLeft":32.3333,"hotspotTop":88.8545,"hotspotBottom":0.0,"hotspotRight":0.0},{"id":null,"itemNumber":"27","partcode":"P5140216-28","hotspotLeft":32.3333,"hotspotTop":88.8545,"hotspotBottom":0.0,"hotspotRight":0.0},{"id":null,"itemNumber":"28","partcode":"P750-04465C-CM","hotspotLeft":36.7647,"hotspotTop":86.61210000000001,"hotspotBottom":0.0,"hotspotRight":0.0},{"id":null,"itemNumber":"28","partcode":"P710-3008-CM","hotspotLeft":36.7647,"hotspotTop":86.61210000000001,"hotspotBottom":0.0,"hotspotRight":0.0},{"id":null,"itemNumber":"28","partcode":"P941-0919B-CM","hotspotLeft":36.7647,"hotspotTop":86.61210000000001,"hotspotBottom":0.0,"hotspotRight":0.0},{"id":null,"itemNumber":"28","partcode":"P5140216-50","hotspotLeft":36.7647,"hotspotTop":86.61210000000001,"hotspotBottom":0.0,"hotspotRight":0.0},{"id":null,"itemNumber":"28","partcode":"P736-04228B-CM","hotspotLeft":36.7647,"hotspotTop":86.61210000000001,"hotspotBottom":0.0,"hotspotRight":0.0},{"id":null,"itemNumber":"29","partcode":"P710-0134-CM","hotspotLeft":33.9412,"hotspotTop":84.49090000000001,"hotspotBottom":0.0,"hotspotRight":0.0},{"id":null,"itemNumber":"29","partcode":"P738-04128-CM","hotspotLeft":33.9412,"hotspotTop":84.49090000000001,"hotspotBottom":0.0,"hotspotRight":0.0},{"id":null,"itemNumber":"29","partcode":"P912-0240-CM","hotspotLeft":33.9412,"hotspotTop":84.49090000000001,"hotspotBottom":0.0,"hotspotRight":0.0},{"id":null,"itemNumber":"29","partcode":"P936-0344-CM","hotspotLeft":33.9412,"hotspotTop":84.49090000000001,"hotspotBottom":0.0,"hotspotRight":0.0},{"id":null,"itemNumber":"29","partcode":"P5140221-88","hotspotLeft":33.9412,"hotspotTop":84.49090000000001,"hotspotBottom":0.0,"hotspotRight":0.0},{"id":null,"itemNumber":"30","partcode":"P710-0604A-CM","hotspotLeft":44.7647,"hotspotTop":84.9758,"hotspotBottom":0.0,"hotspotRight":0.0},{"id":null,"itemNumber":"30","partcode":"P710-3008-CM","hotspotLeft":44.7647,"hotspotTop":84.9758,"hotspotBottom":0.0,"hotspotRight":0.0},{"id":null,"itemNumber":"30","partcode":"P741-0660A-CM","hotspotLeft":44.7647,"hotspotTop":84.9758,"hotspotBottom":0.0,"hotspotRight":0.0},{"id":null,"itemNumber":"30","partcode":"P712-0241-CM","hotspotLeft":44.7647,"hotspotTop":84.9758,"hotspotBottom":0.0,"hotspotRight":0.0},{"id":null,"itemNumber":"30","partcode":"P710-0376-CM","hotspotLeft":44.7647,"hotspotTop":84.9758,"hotspotBottom":0.0,"hotspotRight":0.0},{"id":null,"itemNumber":"30","partcode":"P710-0604A-CM","hotspotLeft":68.7255,"hotspotTop":78.0364,"hotspotBottom":0.0,"hotspotRight":0.0},{"id":null,"itemNumber":"30","partcode":"P710-3008-CM","hotspotLeft":68.7255,"hotspotTop":78.0364,"hotspotBottom":0.0,"hotspotRight":0.0},{"id":null,"itemNumber":"30","partcode":"P741-0660A-CM","hotspotLeft":68.7255,"hotspotTop":78.0364,"hotspotBottom":0.0,"hotspotRight":0.0},{"id":null,"itemNumber":"30","partcode":"P712-0241-CM","hotspotLeft":68.7255,"hotspotTop":78.0364,"hotspotBottom":0.0,"hotspotRight":0.0},{"id":null,"itemNumber":"30","partcode":"P710-0376-CM","hotspotLeft":68.7255,"hotspotTop":78.0364,"hotspotBottom":0.0,"hotspotRight":0.0},{"id":null,"itemNumber":"30","partcode":"P710-0604A-CM","hotspotLeft":44.1373,"hotspotTop":79.2788,"hotspotBottom":0.0,"hotspotRight":0.0},{"id":null,"itemNumber":"30","partcode":"P710-3008-CM","hotspotLeft":44.1373,"hotspotTop":79.2788,"hotspotBottom":0.0,"hotspotRight":0.0},{"id":null,"itemNumber":"30","partcode":"P741-0660A-CM","hotspotLeft":44.1373,"hotspotTop":79.2788,"hotspotBottom":0.0,"hotspotRight":0.0},{"id":null,"itemNumber":"30","partcode":"P712-0241-CM","hotspotLeft":44.1373,"hotspotTop":79.2788,"hotspotBottom":0.0,"hotspotRight":0.0},{"id":null,"itemNumber":"30","partcode":"P710-0376-CM","hotspotLeft":44.1373,"hotspotTop":79.2788,"hotspotBottom":0.0,"hotspotRight":0.0},{"id":null,"itemNumber":"31","partcode":"P741-0587-CM","hotspotLeft":48.6471,"hotspotTop":68.1879,"hotspotBottom":0.0,"hotspotRight":0.0},{"id":null,"itemNumber":"31","partcode":"P712-04063-CM","hotspotLeft":48.6471,"hotspotTop":68.1879,"hotspotBottom":0.0,"hotspotRight":0.0},{"id":null,"itemNumber":"31","partcode":"P747-04299A-CM","hotspotLeft":48.6471,"hotspotTop":68.1879,"hotspotBottom":0.0,"hotspotRight":0.0},{"id":null,"itemNumber":"31","partcode":"P720-05010-CM","hotspotLeft":48.6471,"hotspotTop":68.1879,"hotspotBottom":0.0,"hotspotRight":0.0},{"id":null,"itemNumber":"32","partcode":"P712-04063-CM","hotspotLeft":49.2353,"hotspotTop":86.4303,"hotspotBottom":0.0,"hotspotRight":0.0},{"id":null,"itemNumber":"32","partcode":"P712-04064-CM","hotspotLeft":49.2353,"hotspotTop":86.4303,"hotspotBottom":0.0,"hotspotRight":0.0},{"id":null,"itemNumber":"32","partcode":"P912-3000-CM","hotspotLeft":49.2353,"hotspotTop":86.4303,"hotspotBottom":0.0,"hotspotRight":0.0},{"id":null,"itemNumber":"32","partcode":"P736-0262-CM","hotspotLeft":49.2353,"hotspotTop":86.4303,"hotspotBottom":0.0,"hotspotRight":0.0},{"id":null,"itemNumber":"32","partcode":"P5140221-24","hotspotLeft":49.2353,"hotspotTop":86.4303,"hotspotBottom":0.0,"hotspotRight":0.0},{"id":null,"itemNumber":"32","partcode":"P712-04063-CM","hotspotLeft":63.1961,"hotspotTop":57.5515,"hotspotBottom":0.0,"hotspotRight":0.0},{"id":null,"itemNumber":"32","partcode":"P712-04064-CM","hotspotLeft":63.1961,"hotspotTop":57.5515,"hotspotBottom":0.0,"hotspotRight":0.0},{"id":null,"itemNumber":"32","partcode":"P912-3000-CM","hotspotLeft":63.1961,"hotspotTop":57.5515,"hotspotBottom":0.0,"hotspotRight":0.0},{"id":null,"itemNumber":"32","partcode":"P736-0262-CM","hotspotLeft":63.1961,"hotspotTop":57.5515,"hotspotBottom":0.0,"hotspotRight":0.0},{"id":null,"itemNumber":"32","partcode":"P5140221-24","hotspotLeft":63.1961,"hotspotTop":57.5515,"hotspotBottom":0.0,"hotspotRight":0.0},{"id":null,"itemNumber":"33","partcode":"P912-0429-CM","hotspotLeft":54.451,"hotspotTop":70.79390000000001,"hotspotBottom":0.0,"hotspotRight":0.0},{"id":null,"itemNumber":"33","partcode":"P712-0700-CM","hotspotLeft":54.451,"hotspotTop":70.79390000000001,"hotspotBottom":0.0,"hotspotRight":0.0},{"id":null,"itemNumber":"33","partcode":"P750-04936-CM","hotspotLeft":54.451,"hotspotTop":70.79390000000001,"hotspotBottom":0.0,"hotspotRight":0.0},{"id":null,"itemNumber":"33","partcode":"P5140225-57","hotspotLeft":54.451,"hotspotTop":70.79390000000001,"hotspotBottom":0.0,"hotspotRight":0.0},{"id":null,"itemNumber":"33","partcode":"P5140221-78","hotspotLeft":54.451,"hotspotTop":70.79390000000001,"hotspotBottom":0.0,"hotspotRight":0.0},{"id":null,"itemNumber":"34","partcode":"P732-04035-CM","hotspotLeft":63.0784,"hotspotTop":73.5818,"hotspotBottom":0.0,"hotspotRight":0.0},{"id":null,"itemNumber":"34","partcode":"P638-04008P-CM","hotspotLeft":63.0784,"hotspotTop":73.5818,"hotspotBottom":0.0,"hotspotRight":0.0},{"id":null,"itemNumber":"34","partcode":"P736-3040-CM","hotspotLeft":63.0784,"hotspotTop":73.5818,"hotspotBottom":0.0,"hotspotRight":0.0},{"id":null,"itemNumber":"34","partcode":"P783-06643-CM","hotspotLeft":63.0784,"hotspotTop":73.5818,"hotspotBottom":0.0,"hotspotRight":0.0},{"id":null,"itemNumber":"34","partcode":"P5140241-81","hotspotLeft":63.0784,"hotspotTop":73.5818,"hotspotBottom":0.0,"hotspotRight":0.0},{"id":null,"itemNumber":"35","partcode":"P747-05371-CM","hotspotLeft":72.0196,"hotspotTop":66.79390000000001,"hotspotBottom":0.0,"hotspotRight":0.0},{"id":null,"itemNumber":"35","partcode":"P631-04028-CM","hotspotLeft":72.0196,"hotspotTop":66.79390000000001,"hotspotBottom":0.0,"hotspotRight":0.0},{"id":null,"itemNumber":"35","partcode":"P914-0209-CM","hotspotLeft":72.0196,"hotspotTop":66.79390000000001,"hotspotBottom":0.0,"hotspotRight":0.0},{"id":null,"itemNumber":"35","partcode":"P748-04069A-CM","hotspotLeft":72.0196,"hotspotTop":66.79390000000001,"hotspotBottom":0.0,"hotspotRight":0.0},{"id":null,"itemNumber":"35","partcode":"PSTDPART","hotspotLeft":72.0196,"hotspotTop":66.79390000000001,"hotspotBottom":0.0,"hotspotRight":0.0},{"id":null,"itemNumber":"36","partcode":"P738-04162C-CM","hotspotLeft":55.0392,"hotspotTop":72.79390000000001,"hotspotBottom":0.0,"hotspotRight":0.0},{"id":null,"itemNumber":"36","partcode":"P5140220-85","hotspotLeft":55.0392,"hotspotTop":72.79390000000001,"hotspotBottom":0.0,"hotspotRight":0.0},{"id":null,"itemNumber":"36","partcode":"P710-3025-CM","hotspotLeft":55.0392,"hotspotTop":72.79390000000001,"hotspotBottom":0.0,"hotspotRight":0.0},{"id":null,"itemNumber":"36","partcode":"P731-06825A-CM","hotspotLeft":55.0392,"hotspotTop":72.79390000000001,"hotspotBottom":0.0,"hotspotRight":0.0},{"id":null,"itemNumber":"36","partcode":"P714-04040-CM","hotspotLeft":55.0392,"hotspotTop":72.79390000000001,"hotspotBottom":0.0,"hotspotRight":0.0},{"id":null,"itemNumber":"36","partcode":"P738-04162C-CM","hotspotLeft":59.0392,"hotspotTop":73.0364,"hotspotBottom":0.0,"hotspotRight":0.0},{"id":null,"itemNumber":"36","partcode":"P5140220-85","hotspotLeft":59.0392,"hotspotTop":73.0364,"hotspotBottom":0.0,"hotspotRight":0.0},{"id":null,"itemNumber":"36","partcode":"P710-3025-CM","hotspotLeft":59.0392,"hotspotTop":73.0364,"hotspotBottom":0.0,"hotspotRight":0.0},{"id":null,"itemNumber":"36","partcode":"P731-06825A-CM","hotspotLeft":59.0392,"hotspotTop":73.0364,"hotspotBottom":0.0,"hotspotRight":0.0},{"id":null,"itemNumber":"36","partcode":"P714-04040-CM","hotspotLeft":59.0392,"hotspotTop":73.0364,"hotspotBottom":0.0,"hotspotRight":0.0},{"id":null,"itemNumber":"37","partcode":"P747-05398-CM","hotspotLeft":22.0196,"hotspotTop":77.3091,"hotspotBottom":0.0,"hotspotRight":0.0},{"id":null,"itemNumber":"37","partcode":"P718-04407-CM","hotspotLeft":22.0196,"hotspotTop":77.3091,"hotspotBottom":0.0,"hotspotRight":0.0},{"id":null,"itemNumber":"37","partcode":"P748-04272-CM","hotspotLeft":22.0196,"hotspotTop":77.3091,"hotspotBottom":0.0,"hotspotRight":0.0},{"id":null,"itemNumber":"37","partcode":"P5140215-42","hotspotLeft":22.0196,"hotspotTop":77.3091,"hotspotBottom":0.0,"hotspotRight":0.0},{"id":null,"itemNumber":"37","partcode":"P5140220-94","hotspotLeft":22.0196,"hotspotTop":77.3091,"hotspotBottom":0.0,"hotspotRight":0.0},{"id":null,"itemNumber":"38","partcode":"P951-04304-CM","hotspotLeft":66.4902,"hotspotTop":63.702999999999996,"hotspotBottom":0.0,"hotspotRight":0.0},{"id":null,"itemNumber":"38","partcode":"P720-04028-CM","hotspotLeft":66.4902,"hotspotTop":63.702999999999996,"hotspotBottom":0.0,"hotspotRight":0.0},{"id":null,"itemNumber":"38","partcode":"P938-3056-CM","hotspotLeft":66.4902,"hotspotTop":63.702999999999996,"hotspotBottom":0.0,"hotspotRight":0.0},{"id":null,"itemNumber":"38","partcode":"P5140215-44","hotspotLeft":66.4902,"hotspotTop":63.702999999999996,"hotspotBottom":0.0,"hotspotRight":0.0},{"id":null,"itemNumber":"38","partcode":"P5140220-99","hotspotLeft":66.4902,"hotspotTop":63.702999999999996,"hotspotBottom":0.0,"hotspotRight":0.0},{"id":null,"itemNumber":"39","partcode":"P923-3018-CM","hotspotLeft":83.2745,"hotspotTop":59.2788,"hotspotBottom":0.0,"hotspotRight":0.0},{"id":null,"itemNumber":"39","partcode":"P942-04308-CM","hotspotLeft":83.2745,"hotspotTop":59.2788,"hotspotBottom":0.0,"hotspotRight":0.0},{"id":null,"itemNumber":"39","partcode":"P5140219-07","hotspotLeft":83.2745,"hotspotTop":59.2788,"hotspotBottom":0.0,"hotspotRight":0.0},{"id":null,"itemNumber":"39","partcode":"P5140221-09","hotspotLeft":83.2745,"hotspotTop":59.2788,"hotspotBottom":0.0,"hotspotRight":0.0},{"id":null,"itemNumber":"39","partcode":"P951-12179C-CM","hotspotLeft":83.2745,"hotspotTop":59.2788,"hotspotBottom":0.0,"hotspotRight":0.0},{"id":null,"itemNumber":"40","partcode":"P934-0255-CM","hotspotLeft":77.3529,"hotspotTop":70.0364,"hotspotBottom":0.0,"hotspotRight":0.0},{"id":null,"itemNumber":"40","partcode":"P725-0157-CM","hotspotLeft":77.3529,"hotspotTop":70.0364,"hotspotBottom":0.0,"hotspotRight":0.0},{"id":null,"itemNumber":"40","partcode":"P747-05323-CM","hotspotLeft":77.3529,"hotspotTop":70.0364,"hotspotBottom":0.0,"hotspotRight":0.0},{"id":null,"itemNumber":"40","partcode":"P5140221-28","hotspotLeft":77.3529,"hotspotTop":70.0364,"hotspotBottom":0.0,"hotspotRight":0.0},{"id":null,"itemNumber":"40","partcode":"P5140221-90","hotspotLeft":77.3529,"hotspotTop":70.0364,"hotspotBottom":0.0,"hotspotRight":0.0},{"id":null,"itemNumber":"41","partcode":"P731-05265-CM","hotspotLeft":37.7451,"hotspotTop":51.3091,"hotspotBottom":0.0,"hotspotRight":0.0},{"id":null,"itemNumber":"41","partcode":"P50784-CM","hotspotLeft":37.7451,"hotspotTop":51.3091,"hotspotBottom":0.0,"hotspotRight":0.0},{"id":null,"itemNumber":"41","partcode":"P725-1644-CM","hotspotLeft":37.7451,"hotspotTop":51.3091,"hotspotBottom":0.0,"hotspotRight":0.0},{"id":null,"itemNumber":"41","partcode":"P747-05141B-CM","hotspotLeft":37.7451,"hotspotTop":51.3091,"hotspotBottom":0.0,"hotspotRight":0.0},{"id":null,"itemNumber":"42","partcode":"P738-1132-CM","hotspotLeft":45.5882,"hotspotTop":47.6121,"hotspotBottom":0.0,"hotspotRight":0.0},{"id":null,"itemNumber":"42","partcode":"P726-0214-CM","hotspotLeft":45.5882,"hotspotTop":47.6121,"hotspotBottom":0.0,"hotspotRight":0.0},{"id":null,"itemNumber":"42","partcode":"P747-05105B-CM","hotspotLeft":45.5882,"hotspotTop":47.6121,"hotspotBottom":0.0,"hotspotRight":0.0},{"id":null,"itemNumber":"42","partcode":"P946-04367-CM","hotspotLeft":45.5882,"hotspotTop":47.6121,"hotspotBottom":0.0,"hotspotRight":0.0},{"id":null,"itemNumber":"43","partcode":"P925-04659-CM","hotspotLeft":36.2941,"hotspotTop":54.5212,"hotspotBottom":0.0,"hotspotRight":0.0},{"id":null,"itemNumber":"43","partcode":"P712-0271-CM","hotspotLeft":36.2941,"hotspotTop":54.5212,"hotspotBottom":0.0,"hotspotRight":0.0},{"id":null,"itemNumber":"43","partcode":"P926-0320-CM","hotspotLeft":36.2941,"hotspotTop":54.5212,"hotspotBottom":0.0,"hotspotRight":0.0},{"id":null,"itemNumber":"43","partcode":"P631-05191A-CM","hotspotLeft":36.2941,"hotspotTop":54.5212,"hotspotBottom":0.0,"hotspotRight":0.0},{"id":null,"itemNumber":"44","partcode":"P625-04124-CM","hotspotLeft":29.2353,"hotspotTop":51.1879,"hotspotBottom":0.0,"hotspotRight":0.0},{"id":null,"itemNumber":"44","partcode":"P731-04602-CM","hotspotLeft":29.2353,"hotspotTop":51.1879,"hotspotBottom":0.0,"hotspotRight":0.0},{"id":null,"itemNumber":"44","partcode":"P5140216-36","hotspotLeft":29.2353,"hotspotTop":51.1879,"hotspotBottom":0.0,"hotspotRight":0.0},{"id":null,"itemNumber":"44","partcode":"P5140221-61","hotspotLeft":29.2353,"hotspotTop":51.1879,"hotspotBottom":0.0,"hotspotRight":0.0},{"id":null,"itemNumber":"45","partcode":"P725-0157-CM","hotspotLeft":28.5686,"hotspotTop":56.5515,"hotspotBottom":0.0,"hotspotRight":0.0},{"id":null,"itemNumber":"45","partcode":"P731-04604-CM","hotspotLeft":28.5686,"hotspotTop":56.5515,"hotspotBottom":0.0,"hotspotRight":0.0},{"id":null,"itemNumber":"45","partcode":"P936-0351-CM","hotspotLeft":28.5686,"hotspotTop":56.5515,"hotspotBottom":0.0,"hotspotRight":0.0},{"id":null,"itemNumber":"46","partcode":"P4152J-CM","hotspotLeft":81.5882,"hotspotTop":46.3091,"hotspotBottom":0.0,"hotspotRight":0.0},{"id":null,"itemNumber":"46","partcode":"P936-0300-CM","hotspotLeft":81.5882,"hotspotTop":46.3091,"hotspotBottom":0.0,"hotspotRight":0.0},{"id":null,"itemNumber":"46","partcode":"P731-06330-CM","hotspotLeft":81.5882,"hotspotTop":46.3091,"hotspotBottom":0.0,"hotspotRight":0.0},{"id":null,"itemNumber":"46","partcode":"P738-1186A-CM","hotspotLeft":81.5882,"hotspotTop":46.3091,"hotspotBottom":0.0,"hotspotRight":0.0},{"id":null,"itemNumber":"47","partcode":"P726-04072A-CM","hotspotLeft":53.9804,"hotspotTop":49.8545,"hotspotBottom":0.0,"hotspotRight":0.0},{"id":null,"itemNumber":"47","partcode":"P731-06894-CM","hotspotLeft":53.9804,"hotspotTop":49.8545,"hotspotBottom":0.0,"hotspotRight":0.0},{"id":null,"itemNumber":"47","partcode":"P954-04060C-CM","hotspotLeft":53.9804,"hotspotTop":49.8545,"hotspotBottom":0.0,"hotspotRight":0.0},{"id":null,"itemNumber":"48","partcode":"P936-0463-CM","hotspotLeft":55.8627,"hotspotTop":53.0364,"hotspotBottom":0.0,"hotspotRight":0.0},{"id":null,"itemNumber":"48","partcode":"P732-04488-CM","hotspotLeft":55.8627,"hotspotTop":53.0364,"hotspotBottom":0.0,"hotspotRight":0.0},{"id":null,"itemNumber":"48","partcode":"P753-08171-CM","hotspotLeft":55.8627,"hotspotTop":53.0364,"hotspotBottom":0.0,"hotspotRight":0.0},{"id":null,"itemNumber":"48","partcode":"P936-0463-CM","hotspotLeft":59.4706,"hotspotTop":59.6121,"hotspotBottom":0.0,"hotspotRight":0.0},{"id":null,"itemNumber":"48","partcode":"P732-04488-CM","hotspotLeft":59.4706,"hotspotTop":59.6121,"hotspotBottom":0.0,"hotspotRight":0.0},{"id":null,"itemNumber":"48","partcode":"P753-08171-CM","hotspotLeft":59.4706,"hotspotTop":59.6121,"hotspotBottom":0.0,"hotspotRight":0.0},{"id":null,"itemNumber":"49","partcode":"P735-04081-CM","hotspotLeft":72.2941,"hotspotTop":55.4,"hotspotBottom":0.0,"hotspotRight":0.0},{"id":null,"itemNumber":"49","partcode":"P732-04612-CM","hotspotLeft":72.2941,"hotspotTop":55.4,"hotspotBottom":0.0,"hotspotRight":0.0},{"id":null,"itemNumber":"49","partcode":"P711-04847B-CM","hotspotLeft":72.2941,"hotspotTop":55.4,"hotspotBottom":0.0,"hotspotRight":0.0},{"id":null,"itemNumber":"50","partcode":"P751-12118-CM","hotspotLeft":72.1765,"hotspotTop":53.218199999999996,"hotspotBottom":0.0,"hotspotRight":0.0},{"id":null,"itemNumber":"50","partcode":"P732-04616B-CM","hotspotLeft":72.1765,"hotspotTop":53.218199999999996,"hotspotBottom":0.0,"hotspotRight":0.0},{"id":null,"itemNumber":"50","partcode":"P956-1227-CM","hotspotLeft":72.1765,"hotspotTop":53.218199999999996,"hotspotBottom":0.0,"hotspotRight":0.0},{"id":null,"itemNumber":"51","partcode":"P751-12089-CM","hotspotLeft":79.6667,"hotspotTop":50.9758,"hotspotBottom":0.0,"hotspotRight":0.0},{"id":null,"itemNumber":"51","partcode":"P753-08301-CM","hotspotLeft":79.6667,"hotspotTop":50.9758,"hotspotBottom":0.0,"hotspotRight":0.0},{"id":null,"itemNumber":"51","partcode":"P732-04372-CM","hotspotLeft":79.6667,"hotspotTop":50.9758,"hotspotBottom":0.0,"hotspotRight":0.0},{"id":null,"itemNumber":"52","partcode":"P710-1652-CM","hotspotLeft":80.0196,"hotspotTop":53.1879,"hotspotBottom":0.0,"hotspotRight":0.0},{"id":null,"itemNumber":"52","partcode":"P732-0716D-CM","hotspotLeft":80.0196,"hotspotTop":53.1879,"hotspotBottom":0.0,"hotspotRight":0.0},{"id":null,"itemNumber":"52","partcode":"P783-05946-CM","hotspotLeft":80.0196,"hotspotTop":53.1879,"hotspotBottom":0.0,"hotspotRight":0.0},{"id":null,"itemNumber":"52","partcode":"P710-1652-CM","hotspotLeft":58.8039,"hotspotTop":66.9758,"hotspotBottom":0.0,"hotspotRight":0.0},{"id":null,"itemNumber":"52","partcode":"P732-0716D-CM","hotspotLeft":58.8039,"hotspotTop":66.9758,"hotspotBottom":0.0,"hotspotRight":0.0},{"id":null,"itemNumber":"52","partcode":"P783-05946-CM","hotspotLeft":58.8039,"hotspotTop":66.9758,"hotspotBottom":0.0,"hotspotRight":0.0},{"id":null,"itemNumber":"52","partcode":"P710-1652-CM","hotspotLeft":67.4706,"hotspotTop":66.0364,"hotspotBottom":0.0,"hotspotRight":0.0},{"id":null,"itemNumber":"52","partcode":"P732-0716D-CM","hotspotLeft":67.4706,"hotspotTop":66.0364,"hotspotBottom":0.0,"hotspotRight":0.0},{"id":null,"itemNumber":"52","partcode":"P783-05946-CM","hotspotLeft":67.4706,"hotspotTop":66.0364,"hotspotBottom":0.0,"hotspotRight":0.0},{"id":null,"itemNumber":"52","partcode":"P710-1652-CM","hotspotLeft":27.5882,"hotspotTop":86.5515,"hotspotBottom":0.0,"hotspotRight":0.0},{"id":null,"itemNumber":"52","partcode":"P732-0716D-CM","hotspotLeft":27.5882,"hotspotTop":86.5515,"hotspotBottom":0.0,"hotspotRight":0.0},{"id":null,"itemNumber":"52","partcode":"P783-05946-CM","hotspotLeft":27.5882,"hotspotTop":86.5515,"hotspotBottom":0.0,"hotspotRight":0.0},{"id":null,"itemNumber":"53","partcode":"P931-08542-CM","hotspotLeft":49.0784,"hotspotTop":60.9758,"hotspotBottom":0.0,"hotspotRight":0.0},{"id":null,"itemNumber":"53","partcode":"P5140221-57","hotspotLeft":49.0784,"hotspotTop":60.9758,"hotspotBottom":0.0,"hotspotRight":0.0},{"id":null,"itemNumber":"53","partcode":"P735-0239A-CM","hotspotLeft":49.0784,"hotspotTop":60.9758,"hotspotBottom":0.0,"hotspotRight":0.0},{"id":null,"itemNumber":"54","partcode":"P710-05237-CM","hotspotLeft":55.1176,"hotspotTop":64.1879,"hotspotBottom":0.0,"hotspotRight":0.0},{"id":null,"itemNumber":"54","partcode":"P735-04272-CM","hotspotLeft":55.1176,"hotspotTop":64.1879,"hotspotBottom":0.0,"hotspotRight":0.0},{"id":null,"itemNumber":"54","partcode":"P5140221-59","hotspotLeft":55.1176,"hotspotTop":64.1879,"hotspotBottom":0.0,"hotspotRight":0.0},{"id":null,"itemNumber":"55","partcode":"P936-0169-CM","hotspotLeft":13.0784,"hotspotTop":75.64240000000001,"hotspotBottom":0.0,"hotspotRight":0.0},{"id":null,"itemNumber":"55","partcode":"P712-0414-CM","hotspotLeft":13.0784,"hotspotTop":75.64240000000001,"hotspotBottom":0.0,"hotspotRight":0.0},{"id":null,"itemNumber":"56","partcode":"P736-3006-CM","hotspotLeft":15.8235,"hotspotTop":75.64240000000001,"hotspotBottom":0.0,"hotspotRight":0.0},{"id":null,"itemNumber":"56","partcode":"P936-0185-CM","hotspotLeft":15.8235,"hotspotTop":75.64240000000001,"hotspotBottom":0.0,"hotspotRight":0.0},{"id":null,"itemNumber":"57","partcode":"P910-0224-CM","hotspotLeft":48.6078,"hotspotTop":66.79390000000001,"hotspotBottom":0.0,"hotspotRight":0.0},{"id":null,"itemNumber":"57","partcode":"P738-0372B-CM","hotspotLeft":48.6078,"hotspotTop":66.79390000000001,"hotspotBottom":0.0,"hotspotRight":0.0}],"itemNumber":null,"partRelatedVariantList":null,"bomCode":null,"totalValue":null,"searchImage":null,"length":null,"width":null,"height":null,"unitOfDimension":null,"weight":null,"unitOfWeight":null,"specialRouting":false,"onlineRepair":null,"previousPartID":null,"sbdDiscountPriceValue":null,"alrCode":null,"productRecallFlag":null,"selectedDocumentId":null,"productDescription":"TRACTOR","pdpImage":null,"ticketId":null,"qtyRequiredPerVariant":null,"isElgibleForRepair":null,"isPowerEligible":null,"productRecallNotes":["URGENT:THE 1ST DIGIT OF THE ITEM NBR IS THE PAGE NBR. THE 2ND DIGIT OF THE ITEM NBR IS THE ITEM/PRT"],"productOtherInfo":null,"backorderETA":null,"modifiedDate":null,"userLevel":null,"displayPrice":null,"baseProductName":null,"firstVariantCode":null,"firstVariantImage":null,"productMarketType":null,"productNumber":null,"typeStatusCode":null,"productCategory":null,"typeNumber":null,"marketCode":null,"regionCode":null,"otherInformation":null,"productTypeStatus":null,"repairInstruction":null,"repairInstructionStatusDescription":null,"typeStatusDate":null,"serviceLifeDate":null,"manufacturerId":null,"parts":null,"language":null,"glossaries":null,"brand":null,"product":null,"brandCode":null,"recallNotes":null,"volume":null}
Type
0
URGENT:THE 1ST DIGIT OF THE ITEM NBR IS THE PAGE NBR. THE 2ND DIGIT OF THE ITEM NBR IS THE ITEM/PRT
Why you should buy parts/service with us?
High Quality
Buy high reliable products for your critical projects.
Expert Technicians
We have certified experts, who can resolve any issues of the product.
Quick Support
Our Support lines are open to support all your queries.
Convenient Delivery
Delivered to you at your convenient place.
100% Secured Checkout
We follow highest security standards to make your transaction safe.










