Product quantity has been updated.
|
Your Session will expire in minutes due to inactivity. You will be redirected to the sign-in page. Any unsaved changes to your shopping cart may be lost. |
|
Your session has expired due to inactivity.You will be redirected to the sign-in page.
Any unsaved changes to your shopping cart may be lost. |
Added to Your Shopping Cart
3102-09
- View parts by Products
- View parts by Drawing
Model #3102-09 Qualify for free shipping on orders over$150!
This model has different types(If you need help finding your type number, please click here)
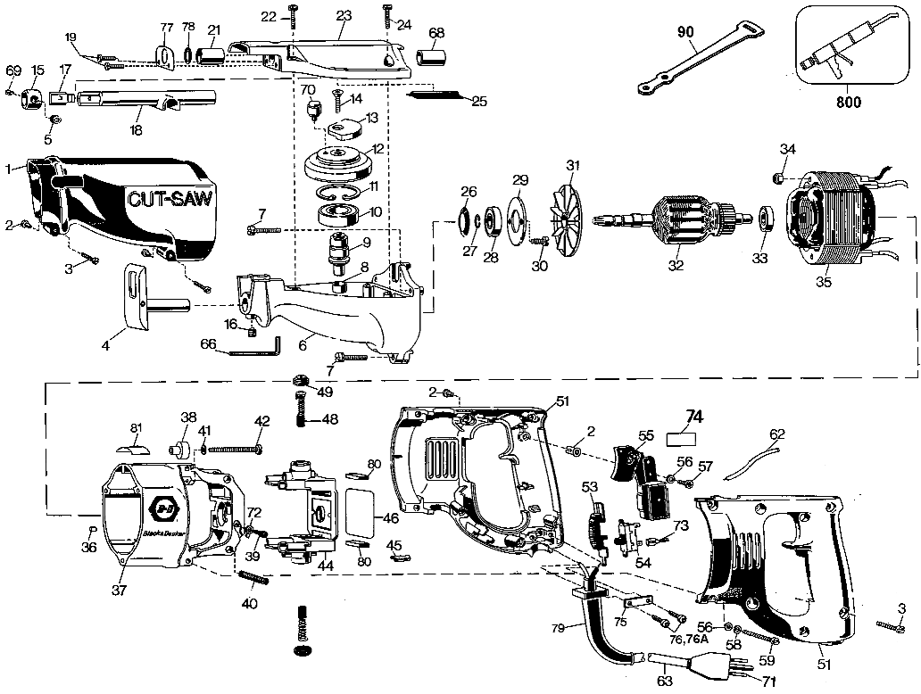
{"code":"3102-09_2","name":null,"url":"/c//p/3102-09_2","description":"2","purchasable":false,"stock":{"stockLevelStatus":{"code":"outOfStock","type":"StockLevelStatus"},"stockLevel":0,"stockThreshold":null},"futureStocks":null,"availableForPickup":false,"averageRating":null,"numberOfReviews":0,"summary":"","manufacturer":null,"variantType":null,"price":null,"baseProduct":"3102-09","images":[{"imageType":null,"format":"110Wx110H","url":"https://hybrisimages.toolcommerce.com/prod/110X110/3102-09_1_110X110.jpg","altText":null,"galleryIndex":null,"width":null,"imageTypeCode":"Image","imageUrl":null,"fileName":null,"imageTypeId":null,"imageDescription":null,"isDeleted":false}],"categories":[],"reviews":[],"classifications":null,"potentialPromotions":null,"variantOptions":null,"baseOptions":[{"variantType":"SBDVariantProduct","options":[{"code":"3102-09_1","stock":{"stockLevelStatus":{"code":"outOfStock","type":"StockLevelStatus"},"stockLevel":0,"stockThreshold":null},"url":"/c//p/3102-09_1","priceData":null,"variantOptionQualifiers":[],"description":"1"},{"code":"3102-09_2","stock":{"stockLevelStatus":{"code":"outOfStock","type":"StockLevelStatus"},"stockLevel":0,"stockThreshold":null},"url":"/c//p/3102-09_2","priceData":null,"variantOptionQualifiers":[],"description":"2"}],"selected":{"code":"3102-09_2","stock":{"stockLevelStatus":{"code":"outOfStock","type":"StockLevelStatus"},"stockLevel":0,"stockThreshold":null},"url":"/c//p/3102-09_2","priceData":null,"variantOptionQualifiers":[],"description":"2"},"imageList":[{"imageType":null,"format":"110Wx110H","url":"https://hybrisimages.toolcommerce.com/prod/110X110/3102-09_1_110X110.jpg","altText":null,"galleryIndex":null,"width":null,"imageTypeCode":"Image","imageUrl":null,"fileName":null,"imageTypeId":null,"imageDescription":null,"isDeleted":false}],"note":null,"baseProductPrice":null}],"volumePricesFlag":null,"volumePrices":[],"productReferences":null,"variantMatrix":null,"priceRange":{"minPrice":null,"maxPrice":null},"firstCategoryNameList":null,"multidimensional":false,"configurable":false,"configuratorType":null,"addToCartDisabled":null,"addToCartDisabledMessage":null,"tags":null,"sapUnit":null,"keywords":null,"genders":null,"itemtype":"SBDVariantProduct","partSubstitute":null,"note":null,"recallNote":null,"note1":null,"note2":null,"note3":null,"note4":null,"note5":null,"pdfAllUser":[{"documentID":"501487","documentFileName":"https://www.toolservicenet.com/documents/English/Exploded Art/EA020548.png","glossaryText":null,"fileName":"EA020548.png","documentTypeId":"DocumentTypeModel (8796158852958@2)","documentTypeDescription":"Exploded Art","hotspotFlag":true,"userLevel":"ALL","additionalDocumentDescription":null,"id":null,"url":null,"hotspots":null,"width":null,"height":null,"isDeleted":false}],"pdfAuthUser":[{"documentID":"510856","documentFileName":"https://www.toolservicenet.com/documents/English/Repair Notes/RD000281.RTF","glossaryText":null,"fileName":"RD000281.RTF","documentTypeId":"DocumentTypeModel (8796158689118@3)","documentTypeDescription":"Repair Notes","hotspotFlag":false,"userLevel":"AUTH","additionalDocumentDescription":null,"id":null,"url":null,"hotspots":null,"width":null,"height":null,"isDeleted":false},{"documentID":"502617","documentFileName":"https://www.toolservicenet.com/documents/English/Wiring Diagram/CD445012-00.png","glossaryText":null,"fileName":"CD445012-00.png","documentTypeId":"DocumentTypeModel (8796158787422@5)","documentTypeDescription":"Wiring Diagram","hotspotFlag":false,"userLevel":"AUTH","additionalDocumentDescription":null,"id":null,"url":null,"hotspots":null,"width":null,"height":null,"isDeleted":false},{"documentID":"501487","documentFileName":"https://www.toolservicenet.com/documents/English/Exploded Art/EA020548.png","glossaryText":null,"fileName":"EA020548.png","documentTypeId":"DocumentTypeModel (8796158852958@2)","documentTypeDescription":"Exploded Art","hotspotFlag":true,"userLevel":"ALL","additionalDocumentDescription":null,"id":null,"url":null,"hotspots":null,"width":null,"height":null,"isDeleted":false}],"pdfCOSUser":[{"documentID":"510856","documentFileName":"https://www.toolservicenet.com/documents/English/Repair Notes/RD000281.RTF","glossaryText":null,"fileName":"RD000281.RTF","documentTypeId":"DocumentTypeModel (8796158689118@3)","documentTypeDescription":"Repair Notes","hotspotFlag":false,"userLevel":"AUTH","additionalDocumentDescription":null,"id":null,"url":null,"hotspots":null,"width":null,"height":null,"isDeleted":false},{"documentID":"502617","documentFileName":"https://www.toolservicenet.com/documents/English/Wiring Diagram/CD445012-00.png","glossaryText":null,"fileName":"CD445012-00.png","documentTypeId":"DocumentTypeModel (8796158787422@5)","documentTypeDescription":"Wiring Diagram","hotspotFlag":false,"userLevel":"AUTH","additionalDocumentDescription":null,"id":null,"url":null,"hotspots":null,"width":null,"height":null,"isDeleted":false},{"documentID":"501487","documentFileName":"https://www.toolservicenet.com/documents/English/Exploded Art/EA020548.png","glossaryText":null,"fileName":"EA020548.png","documentTypeId":"DocumentTypeModel (8796158852958@2)","documentTypeDescription":"Exploded Art","hotspotFlag":true,"userLevel":"ALL","additionalDocumentDescription":null,"id":null,"url":null,"hotspots":null,"width":null,"height":null,"isDeleted":false}],"vaiantRelatedPartList":[{"code":"P605040-31","name":null,"url":"/c//p/P605040-31","description":"BEARING","purchasable":true,"stock":{"stockLevelStatus":{"code":"inStock","type":"StockLevelStatus"},"stockLevel":423,"stockThreshold":null},"futureStocks":null,"availableForPickup":null,"averageRating":null,"numberOfReviews":null,"summary":null,"manufacturer":null,"variantType":null,"price":{"currencyIso":"USD","value":3.07,"priceType":"BUY","formattedValue":"$3.07","minQuantity":null,"maxQuantity":null,"sapUnit":{"code":"pieces","name":"Piece"}},"baseProduct":null,"images":[{"imageType":null,"format":"3000Wx3000H","url":"https://www.toolservicenet.com/i/PARTS/GLOBALBOM/605040-31/Part_Image/EN/21804429.285969.jpg","altText":null,"galleryIndex":null,"width":null,"imageTypeCode":"Image","imageUrl":null,"fileName":null,"imageTypeId":null,"imageDescription":null,"isDeleted":false},{"imageType":null,"format":"110Wx110H","url":"https://www.toolservicenet.com/i/PARTS/GLOBALBOM/605040-31/Part_Thumbnail/EN/21804429.285969_thumb.285970.jpg","altText":null,"galleryIndex":null,"width":null,"imageTypeCode":"Image","imageUrl":null,"fileName":null,"imageTypeId":null,"imageDescription":null,"isDeleted":false}],"categories":null,"reviews":null,"classifications":null,"potentialPromotions":null,"variantOptions":null,"baseOptions":[],"volumePricesFlag":null,"volumePrices":null,"productReferences":null,"variantMatrix":null,"priceRange":null,"firstCategoryNameList":null,"multidimensional":null,"configurable":false,"configuratorType":null,"addToCartDisabled":null,"addToCartDisabledMessage":null,"tags":null,"sapUnit":null,"keywords":null,"genders":null,"itemtype":"Part","partSubstitute":null,"note":null,"recallNote":null,"note1":null,"note2":null,"note3":null,"note4":null,"note5":null,"pdfAllUser":null,"pdfAuthUser":null,"pdfCOSUser":null,"vaiantRelatedPartList":null,"partHotspotList":null,"itemNumber":10,"partRelatedVariantList":null,"bomCode":2,"totalValue":null,"searchImage":null,"length":null,"width":null,"height":null,"unitOfDimension":null,"weight":null,"unitOfWeight":null,"specialRouting":false,"onlineRepair":null,"previousPartID":null,"sbdDiscountPriceValue":{"currencyIso":"USD","value":3.07,"priceType":"BUY","formattedValue":"$3.07","minQuantity":null,"maxQuantity":null,"sapUnit":{"code":"pieces","name":"Piece"}},"alrCode":null,"productRecallFlag":null,"selectedDocumentId":null,"productDescription":null,"pdpImage":null,"ticketId":null,"qtyRequiredPerVariant":"1","isElgibleForRepair":null,"isPowerEligible":null,"productRecallNotes":null,"productOtherInfo":null,"backorderETA":"00/00/0000","modifiedDate":"No ETA","userLevel":"ALL","displayPrice":null,"baseProductName":null,"firstVariantCode":null,"firstVariantImage":null,"productMarketType":null,"productNumber":null,"typeStatusCode":null,"productCategory":null,"typeNumber":null,"marketCode":null,"regionCode":null,"otherInformation":null,"productTypeStatus":null,"repairInstruction":null,"repairInstructionStatusDescription":null,"typeStatusDate":null,"serviceLifeDate":null,"manufacturerId":null,"parts":null,"language":null,"glossaries":null,"brand":null,"product":null,"brandCode":null,"recallNotes":null,"volume":null},{"code":"P046934-00","name":null,"url":"/c//p/P046934-00","description":"RING","purchasable":false,"stock":{"stockLevelStatus":{"code":"inStock","type":"StockLevelStatus"},"stockLevel":0,"stockThreshold":null},"futureStocks":null,"availableForPickup":null,"averageRating":null,"numberOfReviews":null,"summary":null,"manufacturer":null,"variantType":null,"price":null,"baseProduct":null,"images":[],"categories":null,"reviews":null,"classifications":null,"potentialPromotions":null,"variantOptions":null,"baseOptions":[],"volumePricesFlag":null,"volumePrices":null,"productReferences":null,"variantMatrix":null,"priceRange":null,"firstCategoryNameList":null,"multidimensional":null,"configurable":false,"configuratorType":null,"addToCartDisabled":null,"addToCartDisabledMessage":null,"tags":null,"sapUnit":null,"keywords":null,"genders":null,"itemtype":"Part","partSubstitute":null,"note":null,"recallNote":null,"note1":null,"note2":null,"note3":null,"note4":null,"note5":null,"pdfAllUser":null,"pdfAuthUser":null,"pdfCOSUser":null,"vaiantRelatedPartList":null,"partHotspotList":null,"itemNumber":11,"partRelatedVariantList":null,"bomCode":6,"totalValue":null,"searchImage":null,"length":null,"width":null,"height":null,"unitOfDimension":null,"weight":null,"unitOfWeight":null,"specialRouting":false,"onlineRepair":null,"previousPartID":null,"sbdDiscountPriceValue":null,"alrCode":null,"productRecallFlag":null,"selectedDocumentId":null,"productDescription":null,"pdpImage":null,"ticketId":null,"qtyRequiredPerVariant":"1","isElgibleForRepair":null,"isPowerEligible":null,"productRecallNotes":null,"productOtherInfo":null,"backorderETA":"00/00/0000","modifiedDate":"No ETA","userLevel":"ALL","displayPrice":null,"baseProductName":null,"firstVariantCode":null,"firstVariantImage":null,"productMarketType":null,"productNumber":null,"typeStatusCode":null,"productCategory":null,"typeNumber":null,"marketCode":null,"regionCode":null,"otherInformation":null,"productTypeStatus":null,"repairInstruction":null,"repairInstructionStatusDescription":null,"typeStatusDate":null,"serviceLifeDate":null,"manufacturerId":null,"parts":null,"language":null,"glossaries":null,"brand":null,"product":null,"brandCode":null,"recallNotes":null,"volume":null},{"code":"P158472-00","name":null,"url":"/c//p/P158472-00","description":"SCREW","purchasable":true,"stock":{"stockLevelStatus":{"code":"inStock","type":"StockLevelStatus"},"stockLevel":5354,"stockThreshold":null},"futureStocks":null,"availableForPickup":null,"averageRating":null,"numberOfReviews":null,"summary":null,"manufacturer":null,"variantType":null,"price":{"currencyIso":"USD","value":1.22,"priceType":"BUY","formattedValue":"$1.22","minQuantity":null,"maxQuantity":null,"sapUnit":{"code":"pieces","name":"Piece"}},"baseProduct":null,"images":[{"imageType":null,"format":"110Wx110H","url":"https://www.toolservicenet.com/i/PARTS/GLOBALBOM/158472-00/Part_Thumbnail/EN/61223580.282523_thumb.282524.jpg","altText":null,"galleryIndex":null,"width":null,"imageTypeCode":"Image","imageUrl":null,"fileName":null,"imageTypeId":null,"imageDescription":null,"isDeleted":false},{"imageType":null,"format":"3000Wx3000H","url":"https://www.toolservicenet.com/i/PARTS/GLOBALBOM/158472-00/Part_Image/EN/61223580.282523.jpg","altText":null,"galleryIndex":null,"width":null,"imageTypeCode":"Image","imageUrl":null,"fileName":null,"imageTypeId":null,"imageDescription":null,"isDeleted":false}],"categories":null,"reviews":null,"classifications":null,"potentialPromotions":null,"variantOptions":null,"baseOptions":[],"volumePricesFlag":null,"volumePrices":null,"productReferences":null,"variantMatrix":null,"priceRange":null,"firstCategoryNameList":null,"multidimensional":null,"configurable":false,"configuratorType":null,"addToCartDisabled":null,"addToCartDisabledMessage":null,"tags":null,"sapUnit":null,"keywords":null,"genders":null,"itemtype":"Part","partSubstitute":null,"note":null,"recallNote":null,"note1":null,"note2":null,"note3":null,"note4":null,"note5":null,"pdfAllUser":null,"pdfAuthUser":null,"pdfCOSUser":null,"vaiantRelatedPartList":null,"partHotspotList":null,"itemNumber":19,"partRelatedVariantList":null,"bomCode":2,"totalValue":null,"searchImage":null,"length":null,"width":null,"height":null,"unitOfDimension":null,"weight":null,"unitOfWeight":null,"specialRouting":false,"onlineRepair":null,"previousPartID":null,"sbdDiscountPriceValue":{"currencyIso":"USD","value":1.22,"priceType":"BUY","formattedValue":"$1.22","minQuantity":null,"maxQuantity":null,"sapUnit":{"code":"pieces","name":"Piece"}},"alrCode":null,"productRecallFlag":null,"selectedDocumentId":null,"productDescription":null,"pdpImage":null,"ticketId":null,"qtyRequiredPerVariant":"2","isElgibleForRepair":null,"isPowerEligible":null,"productRecallNotes":null,"productOtherInfo":null,"backorderETA":"00/00/0000","modifiedDate":"No ETA","userLevel":"ALL","displayPrice":null,"baseProductName":null,"firstVariantCode":null,"firstVariantImage":null,"productMarketType":null,"productNumber":null,"typeStatusCode":null,"productCategory":null,"typeNumber":null,"marketCode":null,"regionCode":null,"otherInformation":null,"productTypeStatus":null,"repairInstruction":null,"repairInstructionStatusDescription":null,"typeStatusDate":null,"serviceLifeDate":null,"manufacturerId":null,"parts":null,"language":null,"glossaries":null,"brand":null,"product":null,"brandCode":null,"recallNotes":null,"volume":null},{"code":"P330003-04","name":null,"url":"/c//p/P330003-04","description":"BEARING","purchasable":false,"stock":{"stockLevelStatus":{"code":"inStock","type":"StockLevelStatus"},"stockLevel":0,"stockThreshold":null},"futureStocks":null,"availableForPickup":null,"averageRating":null,"numberOfReviews":null,"summary":null,"manufacturer":null,"variantType":null,"price":null,"baseProduct":null,"images":[{"imageType":null,"format":"3000Wx3000H","url":"https://www.toolservicenet.com/i/PARTS/GLOBALBOM/330003-04/Part_Image/EN/330003-04_1_3000X3000.jpg","altText":null,"galleryIndex":null,"width":null,"imageTypeCode":"Image","imageUrl":null,"fileName":null,"imageTypeId":null,"imageDescription":null,"isDeleted":false},{"imageType":null,"format":"110Wx110H","url":"https://www.toolservicenet.com/i/PARTS/GLOBALBOM/330003-04/Part_Thumbnail/EN/330003-04_1_110X110.jpg","altText":null,"galleryIndex":null,"width":null,"imageTypeCode":"Image","imageUrl":null,"fileName":null,"imageTypeId":null,"imageDescription":null,"isDeleted":false}],"categories":null,"reviews":null,"classifications":null,"potentialPromotions":null,"variantOptions":null,"baseOptions":[],"volumePricesFlag":null,"volumePrices":null,"productReferences":null,"variantMatrix":null,"priceRange":null,"firstCategoryNameList":null,"multidimensional":null,"configurable":false,"configuratorType":null,"addToCartDisabled":null,"addToCartDisabledMessage":null,"tags":null,"sapUnit":null,"keywords":null,"genders":null,"itemtype":"Part","partSubstitute":"P605040-06","note":null,"recallNote":null,"note1":null,"note2":null,"note3":null,"note4":null,"note5":null,"pdfAllUser":null,"pdfAuthUser":null,"pdfCOSUser":null,"vaiantRelatedPartList":null,"partHotspotList":null,"itemNumber":33,"partRelatedVariantList":null,"bomCode":4,"totalValue":null,"searchImage":null,"length":null,"width":null,"height":null,"unitOfDimension":null,"weight":null,"unitOfWeight":null,"specialRouting":false,"onlineRepair":null,"previousPartID":null,"sbdDiscountPriceValue":null,"alrCode":null,"productRecallFlag":null,"selectedDocumentId":null,"productDescription":null,"pdpImage":null,"ticketId":null,"qtyRequiredPerVariant":"1","isElgibleForRepair":null,"isPowerEligible":null,"productRecallNotes":null,"productOtherInfo":null,"backorderETA":"00/00/0000","modifiedDate":"No ETA","userLevel":"ALL","displayPrice":null,"baseProductName":null,"firstVariantCode":null,"firstVariantImage":null,"productMarketType":null,"productNumber":null,"typeStatusCode":null,"productCategory":null,"typeNumber":null,"marketCode":null,"regionCode":null,"otherInformation":null,"productTypeStatus":null,"repairInstruction":null,"repairInstructionStatusDescription":null,"typeStatusDate":null,"serviceLifeDate":null,"manufacturerId":null,"parts":null,"language":null,"glossaries":null,"brand":null,"product":null,"brandCode":null,"recallNotes":null,"volume":null},{"code":"P032699-00","name":null,"url":"/c//p/P032699-00","description":"NUT","purchasable":true,"stock":{"stockLevelStatus":{"code":"inStock","type":"StockLevelStatus"},"stockLevel":105,"stockThreshold":null},"futureStocks":null,"availableForPickup":null,"averageRating":null,"numberOfReviews":null,"summary":null,"manufacturer":null,"variantType":null,"price":{"currencyIso":"USD","value":1.16,"priceType":"BUY","formattedValue":"$1.16","minQuantity":null,"maxQuantity":null,"sapUnit":{"code":"pieces","name":"Piece"}},"baseProduct":null,"images":[{"imageType":null,"format":"110Wx110H","url":"https://www.toolservicenet.com/i/PARTS/GLOBALBOM/032699-00/Part_Thumbnail/EN/14008158.266998_thumb.266999.jpg","altText":null,"galleryIndex":null,"width":null,"imageTypeCode":"Image","imageUrl":null,"fileName":null,"imageTypeId":null,"imageDescription":null,"isDeleted":false},{"imageType":null,"format":"3000Wx3000H","url":"https://www.toolservicenet.com/i/PARTS/GLOBALBOM/032699-00/Part_Image/EN/14008158.266998.jpg","altText":null,"galleryIndex":null,"width":null,"imageTypeCode":"Image","imageUrl":null,"fileName":null,"imageTypeId":null,"imageDescription":null,"isDeleted":false}],"categories":null,"reviews":null,"classifications":null,"potentialPromotions":null,"variantOptions":null,"baseOptions":[],"volumePricesFlag":null,"volumePrices":null,"productReferences":null,"variantMatrix":null,"priceRange":null,"firstCategoryNameList":null,"multidimensional":null,"configurable":false,"configuratorType":null,"addToCartDisabled":null,"addToCartDisabledMessage":null,"tags":null,"sapUnit":null,"keywords":null,"genders":null,"itemtype":"Part","partSubstitute":null,"note":null,"recallNote":null,"note1":null,"note2":null,"note3":null,"note4":null,"note5":null,"pdfAllUser":null,"pdfAuthUser":null,"pdfCOSUser":null,"vaiantRelatedPartList":null,"partHotspotList":null,"itemNumber":34,"partRelatedVariantList":null,"bomCode":2,"totalValue":null,"searchImage":null,"length":null,"width":null,"height":null,"unitOfDimension":null,"weight":null,"unitOfWeight":null,"specialRouting":false,"onlineRepair":null,"previousPartID":null,"sbdDiscountPriceValue":{"currencyIso":"USD","value":1.16,"priceType":"BUY","formattedValue":"$1.16","minQuantity":null,"maxQuantity":null,"sapUnit":{"code":"pieces","name":"Piece"}},"alrCode":null,"productRecallFlag":null,"selectedDocumentId":null,"productDescription":null,"pdpImage":null,"ticketId":null,"qtyRequiredPerVariant":"2","isElgibleForRepair":null,"isPowerEligible":null,"productRecallNotes":null,"productOtherInfo":null,"backorderETA":"00/00/0000","modifiedDate":"No ETA","userLevel":"ALL","displayPrice":null,"baseProductName":null,"firstVariantCode":null,"firstVariantImage":null,"productMarketType":null,"productNumber":null,"typeStatusCode":null,"productCategory":null,"typeNumber":null,"marketCode":null,"regionCode":null,"otherInformation":null,"productTypeStatus":null,"repairInstruction":null,"repairInstructionStatusDescription":null,"typeStatusDate":null,"serviceLifeDate":null,"manufacturerId":null,"parts":null,"language":null,"glossaries":null,"brand":null,"product":null,"brandCode":null,"recallNotes":null,"volume":null},{"code":"P000000-00","name":null,"url":"/c//p/P000000-00","description":"NO LONGER AVAILABLE","purchasable":true,"stock":{"stockLevelStatus":{"code":"inStock","type":"StockLevelStatus"},"stockLevel":0,"stockThreshold":null},"futureStocks":null,"availableForPickup":null,"averageRating":null,"numberOfReviews":null,"summary":null,"manufacturer":null,"variantType":null,"price":{"currencyIso":"USD","value":0.0,"priceType":"BUY","formattedValue":"$0.00","minQuantity":null,"maxQuantity":null,"sapUnit":{"code":"pieces","name":"Piece"}},"baseProduct":null,"images":[],"categories":null,"reviews":null,"classifications":null,"potentialPromotions":null,"variantOptions":null,"baseOptions":[],"volumePricesFlag":null,"volumePrices":null,"productReferences":null,"variantMatrix":null,"priceRange":null,"firstCategoryNameList":null,"multidimensional":null,"configurable":false,"configuratorType":null,"addToCartDisabled":null,"addToCartDisabledMessage":null,"tags":null,"sapUnit":null,"keywords":null,"genders":null,"itemtype":"Part","partSubstitute":null,"note":null,"recallNote":null,"note1":null,"note2":null,"note3":null,"note4":null,"note5":null,"pdfAllUser":null,"pdfAuthUser":null,"pdfCOSUser":null,"vaiantRelatedPartList":null,"partHotspotList":null,"itemNumber":36,"partRelatedVariantList":null,"bomCode":2,"totalValue":null,"searchImage":null,"length":null,"width":null,"height":null,"unitOfDimension":null,"weight":null,"unitOfWeight":null,"specialRouting":false,"onlineRepair":null,"previousPartID":null,"sbdDiscountPriceValue":{"currencyIso":"USD","value":0.0,"priceType":"BUY","formattedValue":"$0.00","minQuantity":null,"maxQuantity":null,"sapUnit":{"code":"pieces","name":"Piece"}},"alrCode":null,"productRecallFlag":null,"selectedDocumentId":null,"productDescription":null,"pdpImage":null,"ticketId":null,"qtyRequiredPerVariant":"1","isElgibleForRepair":null,"isPowerEligible":null,"productRecallNotes":null,"productOtherInfo":null,"backorderETA":null,"modifiedDate":null,"userLevel":"ALL","displayPrice":null,"baseProductName":null,"firstVariantCode":null,"firstVariantImage":null,"productMarketType":null,"productNumber":null,"typeStatusCode":null,"productCategory":null,"typeNumber":null,"marketCode":null,"regionCode":null,"otherInformation":null,"productTypeStatus":null,"repairInstruction":null,"repairInstructionStatusDescription":null,"typeStatusDate":null,"serviceLifeDate":null,"manufacturerId":null,"parts":null,"language":null,"glossaries":null,"brand":null,"product":null,"brandCode":null,"recallNotes":null,"volume":null},{"code":"P030611-00","name":null,"url":"/c//p/P030611-00","description":"PLUG","purchasable":true,"stock":{"stockLevelStatus":{"code":"inStock","type":"StockLevelStatus"},"stockLevel":69,"stockThreshold":null},"futureStocks":null,"availableForPickup":null,"averageRating":null,"numberOfReviews":null,"summary":null,"manufacturer":null,"variantType":null,"price":{"currencyIso":"USD","value":1.16,"priceType":"BUY","formattedValue":"$1.16","minQuantity":null,"maxQuantity":null,"sapUnit":{"code":"pieces","name":"Piece"}},"baseProduct":null,"images":[],"categories":null,"reviews":null,"classifications":null,"potentialPromotions":null,"variantOptions":null,"baseOptions":[],"volumePricesFlag":null,"volumePrices":null,"productReferences":null,"variantMatrix":null,"priceRange":null,"firstCategoryNameList":null,"multidimensional":null,"configurable":false,"configuratorType":null,"addToCartDisabled":null,"addToCartDisabledMessage":null,"tags":null,"sapUnit":null,"keywords":null,"genders":null,"itemtype":"Part","partSubstitute":null,"note":null,"recallNote":null,"note1":null,"note2":null,"note3":null,"note4":null,"note5":null,"pdfAllUser":null,"pdfAuthUser":null,"pdfCOSUser":null,"vaiantRelatedPartList":null,"partHotspotList":null,"itemNumber":36,"partRelatedVariantList":null,"bomCode":2,"totalValue":null,"searchImage":null,"length":null,"width":null,"height":null,"unitOfDimension":null,"weight":null,"unitOfWeight":null,"specialRouting":false,"onlineRepair":null,"previousPartID":null,"sbdDiscountPriceValue":{"currencyIso":"USD","value":1.16,"priceType":"BUY","formattedValue":"$1.16","minQuantity":null,"maxQuantity":null,"sapUnit":{"code":"pieces","name":"Piece"}},"alrCode":null,"productRecallFlag":null,"selectedDocumentId":null,"productDescription":null,"pdpImage":null,"ticketId":null,"qtyRequiredPerVariant":"1","isElgibleForRepair":null,"isPowerEligible":null,"productRecallNotes":null,"productOtherInfo":null,"backorderETA":"00/00/0000","modifiedDate":"No ETA","userLevel":"ALL","displayPrice":null,"baseProductName":null,"firstVariantCode":null,"firstVariantImage":null,"productMarketType":null,"productNumber":null,"typeStatusCode":null,"productCategory":null,"typeNumber":null,"marketCode":null,"regionCode":null,"otherInformation":null,"productTypeStatus":null,"repairInstruction":null,"repairInstructionStatusDescription":null,"typeStatusDate":null,"serviceLifeDate":null,"manufacturerId":null,"parts":null,"language":null,"glossaries":null,"brand":null,"product":null,"brandCode":null,"recallNotes":null,"volume":null},{"code":"P099361-10","name":null,"url":"/c//p/P099361-10","description":"WASHER","purchasable":true,"stock":{"stockLevelStatus":{"code":"inStock","type":"StockLevelStatus"},"stockLevel":135,"stockThreshold":null},"futureStocks":null,"availableForPickup":null,"averageRating":null,"numberOfReviews":null,"summary":null,"manufacturer":null,"variantType":null,"price":{"currencyIso":"USD","value":1.16,"priceType":"BUY","formattedValue":"$1.16","minQuantity":null,"maxQuantity":null,"sapUnit":{"code":"pieces","name":"Piece"}},"baseProduct":null,"images":[],"categories":null,"reviews":null,"classifications":null,"potentialPromotions":null,"variantOptions":null,"baseOptions":[],"volumePricesFlag":null,"volumePrices":null,"productReferences":null,"variantMatrix":null,"priceRange":null,"firstCategoryNameList":null,"multidimensional":null,"configurable":false,"configuratorType":null,"addToCartDisabled":null,"addToCartDisabledMessage":null,"tags":null,"sapUnit":null,"keywords":null,"genders":null,"itemtype":"Part","partSubstitute":null,"note":"plain washer","recallNote":null,"note1":null,"note2":null,"note3":null,"note4":null,"note5":null,"pdfAllUser":null,"pdfAuthUser":null,"pdfCOSUser":null,"vaiantRelatedPartList":null,"partHotspotList":null,"itemNumber":41,"partRelatedVariantList":null,"bomCode":2,"totalValue":null,"searchImage":null,"length":null,"width":null,"height":null,"unitOfDimension":null,"weight":null,"unitOfWeight":null,"specialRouting":false,"onlineRepair":null,"previousPartID":null,"sbdDiscountPriceValue":{"currencyIso":"USD","value":1.16,"priceType":"BUY","formattedValue":"$1.16","minQuantity":null,"maxQuantity":null,"sapUnit":{"code":"pieces","name":"Piece"}},"alrCode":null,"productRecallFlag":null,"selectedDocumentId":null,"productDescription":null,"pdpImage":null,"ticketId":null,"qtyRequiredPerVariant":"2","isElgibleForRepair":null,"isPowerEligible":null,"productRecallNotes":null,"productOtherInfo":null,"backorderETA":"00/00/0000","modifiedDate":"No ETA","userLevel":"ALL","displayPrice":null,"baseProductName":null,"firstVariantCode":null,"firstVariantImage":null,"productMarketType":null,"productNumber":null,"typeStatusCode":null,"productCategory":null,"typeNumber":null,"marketCode":null,"regionCode":null,"otherInformation":null,"productTypeStatus":null,"repairInstruction":null,"repairInstructionStatusDescription":null,"typeStatusDate":null,"serviceLifeDate":null,"manufacturerId":null,"parts":null,"language":null,"glossaries":null,"brand":null,"product":null,"brandCode":null,"recallNotes":null,"volume":null},{"code":"P136086-01","name":null,"url":"/c//p/P136086-01","description":"TERMINAL","purchasable":true,"stock":{"stockLevelStatus":{"code":"inStock","type":"StockLevelStatus"},"stockLevel":0,"stockThreshold":null},"futureStocks":null,"availableForPickup":null,"averageRating":null,"numberOfReviews":null,"summary":null,"manufacturer":null,"variantType":null,"price":{"currencyIso":"USD","value":1.16,"priceType":"BUY","formattedValue":"$1.16","minQuantity":null,"maxQuantity":null,"sapUnit":{"code":"pieces","name":"Piece"}},"baseProduct":null,"images":[],"categories":null,"reviews":null,"classifications":null,"potentialPromotions":null,"variantOptions":null,"baseOptions":[],"volumePricesFlag":null,"volumePrices":null,"productReferences":null,"variantMatrix":null,"priceRange":null,"firstCategoryNameList":null,"multidimensional":null,"configurable":false,"configuratorType":null,"addToCartDisabled":null,"addToCartDisabledMessage":null,"tags":null,"sapUnit":null,"keywords":null,"genders":null,"itemtype":"Part","partSubstitute":null,"note":null,"recallNote":null,"note1":null,"note2":null,"note3":null,"note4":null,"note5":null,"pdfAllUser":null,"pdfAuthUser":null,"pdfCOSUser":null,"vaiantRelatedPartList":null,"partHotspotList":null,"itemNumber":45,"partRelatedVariantList":null,"bomCode":6,"totalValue":null,"searchImage":null,"length":null,"width":null,"height":null,"unitOfDimension":null,"weight":null,"unitOfWeight":null,"specialRouting":false,"onlineRepair":null,"previousPartID":null,"sbdDiscountPriceValue":{"currencyIso":"USD","value":1.16,"priceType":"BUY","formattedValue":"$1.16","minQuantity":null,"maxQuantity":null,"sapUnit":{"code":"pieces","name":"Piece"}},"alrCode":null,"productRecallFlag":null,"selectedDocumentId":null,"productDescription":null,"pdpImage":null,"ticketId":null,"qtyRequiredPerVariant":"2","isElgibleForRepair":null,"isPowerEligible":null,"productRecallNotes":null,"productOtherInfo":null,"backorderETA":"00/00/0000","modifiedDate":"No ETA","userLevel":"ALL","displayPrice":null,"baseProductName":null,"firstVariantCode":null,"firstVariantImage":null,"productMarketType":null,"productNumber":null,"typeStatusCode":null,"productCategory":null,"typeNumber":null,"marketCode":null,"regionCode":null,"otherInformation":null,"productTypeStatus":null,"repairInstruction":null,"repairInstructionStatusDescription":null,"typeStatusDate":null,"serviceLifeDate":null,"manufacturerId":null,"parts":null,"language":null,"glossaries":null,"brand":null,"product":null,"brandCode":null,"recallNotes":null,"volume":null},{"code":"P000418-00","name":null,"url":"/c//p/P000418-00","description":"WASHER","purchasable":false,"stock":{"stockLevelStatus":{"code":"inStock","type":"StockLevelStatus"},"stockLevel":0,"stockThreshold":null},"futureStocks":null,"availableForPickup":null,"averageRating":null,"numberOfReviews":null,"summary":null,"manufacturer":null,"variantType":null,"price":null,"baseProduct":null,"images":[],"categories":null,"reviews":null,"classifications":null,"potentialPromotions":null,"variantOptions":null,"baseOptions":[],"volumePricesFlag":null,"volumePrices":null,"productReferences":null,"variantMatrix":null,"priceRange":null,"firstCategoryNameList":null,"multidimensional":null,"configurable":false,"configuratorType":null,"addToCartDisabled":null,"addToCartDisabledMessage":null,"tags":null,"sapUnit":null,"keywords":null,"genders":null,"itemtype":"Part","partSubstitute":null,"note":null,"recallNote":null,"note1":null,"note2":null,"note3":null,"note4":null,"note5":null,"pdfAllUser":null,"pdfAuthUser":null,"pdfCOSUser":null,"vaiantRelatedPartList":null,"partHotspotList":null,"itemNumber":58,"partRelatedVariantList":null,"bomCode":6,"totalValue":null,"searchImage":null,"length":null,"width":null,"height":null,"unitOfDimension":null,"weight":null,"unitOfWeight":null,"specialRouting":false,"onlineRepair":null,"previousPartID":null,"sbdDiscountPriceValue":null,"alrCode":null,"productRecallFlag":null,"selectedDocumentId":null,"productDescription":null,"pdpImage":null,"ticketId":null,"qtyRequiredPerVariant":"2","isElgibleForRepair":null,"isPowerEligible":null,"productRecallNotes":null,"productOtherInfo":null,"backorderETA":"00/00/0000","modifiedDate":"No ETA","userLevel":"ALL","displayPrice":null,"baseProductName":null,"firstVariantCode":null,"firstVariantImage":null,"productMarketType":null,"productNumber":null,"typeStatusCode":null,"productCategory":null,"typeNumber":null,"marketCode":null,"regionCode":null,"otherInformation":null,"productTypeStatus":null,"repairInstruction":null,"repairInstructionStatusDescription":null,"typeStatusDate":null,"serviceLifeDate":null,"manufacturerId":null,"parts":null,"language":null,"glossaries":null,"brand":null,"product":null,"brandCode":null,"recallNotes":null,"volume":null},{"code":"P36480-98","name":null,"url":"/c//p/P36480-98","description":"CORDSET","purchasable":true,"stock":{"stockLevelStatus":{"code":"inStock","type":"StockLevelStatus"},"stockLevel":227,"stockThreshold":null},"futureStocks":null,"availableForPickup":null,"averageRating":null,"numberOfReviews":null,"summary":null,"manufacturer":null,"variantType":null,"price":{"currencyIso":"USD","value":21.84,"priceType":"BUY","formattedValue":"$21.84","minQuantity":null,"maxQuantity":null,"sapUnit":{"code":"pieces","name":"Piece"}},"baseProduct":null,"images":[{"imageType":null,"format":"3000Wx3000H","url":"https://www.toolservicenet.com/i/PARTS/GLOBALBOM/36480-98/Part_Image/EN/36480-98_1_3000X3000.jpg","altText":null,"galleryIndex":null,"width":null,"imageTypeCode":"Image","imageUrl":null,"fileName":null,"imageTypeId":null,"imageDescription":null,"isDeleted":false},{"imageType":null,"format":"110Wx110H","url":"https://www.toolservicenet.com/i/PARTS/GLOBALBOM/36480-98/Part_Thumbnail/EN/36480-98_1_110X110.jpg","altText":null,"galleryIndex":null,"width":null,"imageTypeCode":"Image","imageUrl":null,"fileName":null,"imageTypeId":null,"imageDescription":null,"isDeleted":false}],"categories":null,"reviews":null,"classifications":null,"potentialPromotions":null,"variantOptions":null,"baseOptions":[],"volumePricesFlag":null,"volumePrices":null,"productReferences":null,"variantMatrix":null,"priceRange":null,"firstCategoryNameList":null,"multidimensional":null,"configurable":false,"configuratorType":null,"addToCartDisabled":null,"addToCartDisabledMessage":null,"tags":null,"sapUnit":null,"keywords":null,"genders":null,"itemtype":"Part","partSubstitute":null,"note":"ALSO ORDER ITEM 122","recallNote":null,"note1":null,"note2":null,"note3":null,"note4":null,"note5":null,"pdfAllUser":null,"pdfAuthUser":null,"pdfCOSUser":null,"vaiantRelatedPartList":null,"partHotspotList":null,"itemNumber":63,"partRelatedVariantList":null,"bomCode":2,"totalValue":null,"searchImage":null,"length":null,"width":null,"height":null,"unitOfDimension":null,"weight":null,"unitOfWeight":null,"specialRouting":false,"onlineRepair":null,"previousPartID":null,"sbdDiscountPriceValue":{"currencyIso":"USD","value":21.84,"priceType":"BUY","formattedValue":"$21.84","minQuantity":null,"maxQuantity":null,"sapUnit":{"code":"pieces","name":"Piece"}},"alrCode":null,"productRecallFlag":null,"selectedDocumentId":null,"productDescription":null,"pdpImage":null,"ticketId":null,"qtyRequiredPerVariant":"1","isElgibleForRepair":null,"isPowerEligible":null,"productRecallNotes":null,"productOtherInfo":null,"backorderETA":"00/00/0000","modifiedDate":"No ETA","userLevel":"ALL","displayPrice":null,"baseProductName":null,"firstVariantCode":null,"firstVariantImage":null,"productMarketType":null,"productNumber":null,"typeStatusCode":null,"productCategory":null,"typeNumber":null,"marketCode":null,"regionCode":null,"otherInformation":null,"productTypeStatus":null,"repairInstruction":null,"repairInstructionStatusDescription":null,"typeStatusDate":null,"serviceLifeDate":null,"manufacturerId":null,"parts":null,"language":null,"glossaries":null,"brand":null,"product":null,"brandCode":null,"recallNotes":null,"volume":null},{"code":"P444402-00","name":null,"url":"/c//p/P444402-00","description":"HEX KEY","purchasable":true,"stock":{"stockLevelStatus":{"code":"inStock","type":"StockLevelStatus"},"stockLevel":60,"stockThreshold":null},"futureStocks":null,"availableForPickup":null,"averageRating":null,"numberOfReviews":null,"summary":null,"manufacturer":null,"variantType":null,"price":{"currencyIso":"USD","value":1.34,"priceType":"BUY","formattedValue":"$1.34","minQuantity":null,"maxQuantity":null,"sapUnit":{"code":"pieces","name":"Piece"}},"baseProduct":null,"images":[{"imageType":null,"format":"110Wx110H","url":"https://www.toolservicenet.com/i/PARTS/GLOBALBOM/444402-00/Part_Thumbnail/EN/13577459.268574_thumb.268575.jpg","altText":null,"galleryIndex":null,"width":null,"imageTypeCode":"Image","imageUrl":null,"fileName":null,"imageTypeId":null,"imageDescription":null,"isDeleted":false},{"imageType":null,"format":"3000Wx3000H","url":"https://www.toolservicenet.com/i/PARTS/GLOBALBOM/444402-00/Part_Image/EN/13577459.268574.jpg","altText":null,"galleryIndex":null,"width":null,"imageTypeCode":"Image","imageUrl":null,"fileName":null,"imageTypeId":null,"imageDescription":null,"isDeleted":false}],"categories":null,"reviews":null,"classifications":null,"potentialPromotions":null,"variantOptions":null,"baseOptions":[],"volumePricesFlag":null,"volumePrices":null,"productReferences":null,"variantMatrix":null,"priceRange":null,"firstCategoryNameList":null,"multidimensional":null,"configurable":false,"configuratorType":null,"addToCartDisabled":null,"addToCartDisabledMessage":null,"tags":null,"sapUnit":null,"keywords":null,"genders":null,"itemtype":"Part","partSubstitute":null,"note":null,"recallNote":null,"note1":null,"note2":null,"note3":null,"note4":null,"note5":null,"pdfAllUser":null,"pdfAuthUser":null,"pdfCOSUser":null,"vaiantRelatedPartList":null,"partHotspotList":null,"itemNumber":66,"partRelatedVariantList":null,"bomCode":2,"totalValue":null,"searchImage":null,"length":null,"width":null,"height":null,"unitOfDimension":null,"weight":null,"unitOfWeight":null,"specialRouting":false,"onlineRepair":null,"previousPartID":null,"sbdDiscountPriceValue":{"currencyIso":"USD","value":1.34,"priceType":"BUY","formattedValue":"$1.34","minQuantity":null,"maxQuantity":null,"sapUnit":{"code":"pieces","name":"Piece"}},"alrCode":null,"productRecallFlag":null,"selectedDocumentId":null,"productDescription":null,"pdpImage":null,"ticketId":null,"qtyRequiredPerVariant":"1","isElgibleForRepair":null,"isPowerEligible":null,"productRecallNotes":null,"productOtherInfo":null,"backorderETA":"00/00/0000","modifiedDate":"No ETA","userLevel":"ALL","displayPrice":null,"baseProductName":null,"firstVariantCode":null,"firstVariantImage":null,"productMarketType":null,"productNumber":null,"typeStatusCode":null,"productCategory":null,"typeNumber":null,"marketCode":null,"regionCode":null,"otherInformation":null,"productTypeStatus":null,"repairInstruction":null,"repairInstructionStatusDescription":null,"typeStatusDate":null,"serviceLifeDate":null,"manufacturerId":null,"parts":null,"language":null,"glossaries":null,"brand":null,"product":null,"brandCode":null,"recallNotes":null,"volume":null},{"code":"P234900-01","name":null,"url":"/c//p/P234900-01","description":"PLUG","purchasable":false,"stock":{"stockLevelStatus":{"code":"inStock","type":"StockLevelStatus"},"stockLevel":0,"stockThreshold":null},"futureStocks":null,"availableForPickup":null,"averageRating":null,"numberOfReviews":null,"summary":null,"manufacturer":null,"variantType":null,"price":null,"baseProduct":null,"images":[],"categories":null,"reviews":null,"classifications":null,"potentialPromotions":null,"variantOptions":null,"baseOptions":[],"volumePricesFlag":null,"volumePrices":null,"productReferences":null,"variantMatrix":null,"priceRange":null,"firstCategoryNameList":null,"multidimensional":null,"configurable":false,"configuratorType":null,"addToCartDisabled":null,"addToCartDisabledMessage":null,"tags":null,"sapUnit":null,"keywords":null,"genders":null,"itemtype":"Part","partSubstitute":null,"note":null,"recallNote":null,"note1":null,"note2":null,"note3":null,"note4":null,"note5":null,"pdfAllUser":null,"pdfAuthUser":null,"pdfCOSUser":null,"vaiantRelatedPartList":null,"partHotspotList":null,"itemNumber":71,"partRelatedVariantList":null,"bomCode":6,"totalValue":null,"searchImage":null,"length":null,"width":null,"height":null,"unitOfDimension":null,"weight":null,"unitOfWeight":null,"specialRouting":false,"onlineRepair":null,"previousPartID":null,"sbdDiscountPriceValue":null,"alrCode":null,"productRecallFlag":null,"selectedDocumentId":null,"productDescription":null,"pdpImage":null,"ticketId":null,"qtyRequiredPerVariant":null,"isElgibleForRepair":null,"isPowerEligible":null,"productRecallNotes":null,"productOtherInfo":null,"backorderETA":"00/00/0000","modifiedDate":"No ETA","userLevel":"ALL","displayPrice":null,"baseProductName":null,"firstVariantCode":null,"firstVariantImage":null,"productMarketType":null,"productNumber":null,"typeStatusCode":null,"productCategory":null,"typeNumber":null,"marketCode":null,"regionCode":null,"otherInformation":null,"productTypeStatus":null,"repairInstruction":null,"repairInstructionStatusDescription":null,"typeStatusDate":null,"serviceLifeDate":null,"manufacturerId":null,"parts":null,"language":null,"glossaries":null,"brand":null,"product":null,"brandCode":null,"recallNotes":null,"volume":null},{"code":"P88667-00","name":null,"url":"/c//p/P88667-00","description":"TERMINAL","purchasable":true,"stock":{"stockLevelStatus":{"code":"inStock","type":"StockLevelStatus"},"stockLevel":5350,"stockThreshold":null},"futureStocks":null,"availableForPickup":null,"averageRating":null,"numberOfReviews":null,"summary":null,"manufacturer":null,"variantType":null,"price":{"currencyIso":"USD","value":1.22,"priceType":"BUY","formattedValue":"$1.22","minQuantity":null,"maxQuantity":null,"sapUnit":{"code":"pieces","name":"Piece"}},"baseProduct":null,"images":[],"categories":null,"reviews":null,"classifications":null,"potentialPromotions":null,"variantOptions":null,"baseOptions":[],"volumePricesFlag":null,"volumePrices":null,"productReferences":null,"variantMatrix":null,"priceRange":null,"firstCategoryNameList":null,"multidimensional":null,"configurable":false,"configuratorType":null,"addToCartDisabled":null,"addToCartDisabledMessage":null,"tags":null,"sapUnit":null,"keywords":null,"genders":null,"itemtype":"Part","partSubstitute":null,"note":null,"recallNote":null,"note1":null,"note2":null,"note3":null,"note4":null,"note5":null,"pdfAllUser":null,"pdfAuthUser":null,"pdfCOSUser":null,"vaiantRelatedPartList":null,"partHotspotList":null,"itemNumber":72,"partRelatedVariantList":null,"bomCode":2,"totalValue":null,"searchImage":null,"length":null,"width":null,"height":null,"unitOfDimension":null,"weight":null,"unitOfWeight":null,"specialRouting":false,"onlineRepair":null,"previousPartID":null,"sbdDiscountPriceValue":{"currencyIso":"USD","value":1.22,"priceType":"BUY","formattedValue":"$1.22","minQuantity":null,"maxQuantity":null,"sapUnit":{"code":"pieces","name":"Piece"}},"alrCode":null,"productRecallFlag":null,"selectedDocumentId":null,"productDescription":null,"pdpImage":null,"ticketId":null,"qtyRequiredPerVariant":"1","isElgibleForRepair":null,"isPowerEligible":null,"productRecallNotes":null,"productOtherInfo":null,"backorderETA":"00/00/0000","modifiedDate":"No ETA","userLevel":"ALL","displayPrice":null,"baseProductName":null,"firstVariantCode":null,"firstVariantImage":null,"productMarketType":null,"productNumber":null,"typeStatusCode":null,"productCategory":null,"typeNumber":null,"marketCode":null,"regionCode":null,"otherInformation":null,"productTypeStatus":null,"repairInstruction":null,"repairInstructionStatusDescription":null,"typeStatusDate":null,"serviceLifeDate":null,"manufacturerId":null,"parts":null,"language":null,"glossaries":null,"brand":null,"product":null,"brandCode":null,"recallNotes":null,"volume":null},{"code":"P445338-00","name":null,"url":"/c//p/P445338-00","description":"CORD PROTECTOR","purchasable":true,"stock":{"stockLevelStatus":{"code":"inStock","type":"StockLevelStatus"},"stockLevel":915,"stockThreshold":null},"futureStocks":null,"availableForPickup":null,"averageRating":null,"numberOfReviews":null,"summary":null,"manufacturer":null,"variantType":null,"price":{"currencyIso":"USD","value":5.15,"priceType":"BUY","formattedValue":"$5.15","minQuantity":null,"maxQuantity":null,"sapUnit":{"code":"pieces","name":"Piece"}},"baseProduct":null,"images":[{"imageType":null,"format":"3000Wx3000H","url":"https://www.toolservicenet.com/i/PARTS/GLOBALBOM/445338-00/Part_Image/EN/445338-00_1_3000X3000.jpg","altText":null,"galleryIndex":null,"width":null,"imageTypeCode":"Image","imageUrl":null,"fileName":null,"imageTypeId":null,"imageDescription":null,"isDeleted":false},{"imageType":null,"format":"110Wx110H","url":"https://www.toolservicenet.com/i/PARTS/GLOBALBOM/445338-00/Part_Thumbnail/EN/445338-00_1_110X110.jpg","altText":null,"galleryIndex":null,"width":null,"imageTypeCode":"Image","imageUrl":null,"fileName":null,"imageTypeId":null,"imageDescription":null,"isDeleted":false}],"categories":null,"reviews":null,"classifications":null,"potentialPromotions":null,"variantOptions":null,"baseOptions":[],"volumePricesFlag":null,"volumePrices":null,"productReferences":null,"variantMatrix":null,"priceRange":null,"firstCategoryNameList":null,"multidimensional":null,"configurable":false,"configuratorType":null,"addToCartDisabled":null,"addToCartDisabledMessage":null,"tags":null,"sapUnit":null,"keywords":null,"genders":null,"itemtype":"Part","partSubstitute":null,"note":null,"recallNote":null,"note1":null,"note2":null,"note3":null,"note4":null,"note5":null,"pdfAllUser":null,"pdfAuthUser":null,"pdfCOSUser":null,"vaiantRelatedPartList":null,"partHotspotList":null,"itemNumber":79,"partRelatedVariantList":null,"bomCode":2,"totalValue":null,"searchImage":null,"length":null,"width":null,"height":null,"unitOfDimension":null,"weight":null,"unitOfWeight":null,"specialRouting":false,"onlineRepair":null,"previousPartID":null,"sbdDiscountPriceValue":{"currencyIso":"USD","value":5.15,"priceType":"BUY","formattedValue":"$5.15","minQuantity":null,"maxQuantity":null,"sapUnit":{"code":"pieces","name":"Piece"}},"alrCode":null,"productRecallFlag":null,"selectedDocumentId":null,"productDescription":null,"pdpImage":null,"ticketId":null,"qtyRequiredPerVariant":"1","isElgibleForRepair":null,"isPowerEligible":null,"productRecallNotes":null,"productOtherInfo":null,"backorderETA":"00/00/0000","modifiedDate":"No ETA","userLevel":"ALL","displayPrice":null,"baseProductName":null,"firstVariantCode":null,"firstVariantImage":null,"productMarketType":null,"productNumber":null,"typeStatusCode":null,"productCategory":null,"typeNumber":null,"marketCode":null,"regionCode":null,"otherInformation":null,"productTypeStatus":null,"repairInstruction":null,"repairInstructionStatusDescription":null,"typeStatusDate":null,"serviceLifeDate":null,"manufacturerId":null,"parts":null,"language":null,"glossaries":null,"brand":null,"product":null,"brandCode":null,"recallNotes":null,"volume":null},{"code":"P330019-10","name":null,"url":"/c//p/P330019-10","description":"SCREW","purchasable":true,"stock":{"stockLevelStatus":{"code":"inStock","type":"StockLevelStatus"},"stockLevel":9723,"stockThreshold":null},"futureStocks":null,"availableForPickup":null,"averageRating":null,"numberOfReviews":null,"summary":null,"manufacturer":null,"variantType":null,"price":{"currencyIso":"USD","value":1.22,"priceType":"BUY","formattedValue":"$1.22","minQuantity":null,"maxQuantity":null,"sapUnit":{"code":"pieces","name":"Piece"}},"baseProduct":null,"images":[{"imageType":null,"format":"110Wx110H","url":"https://www.toolservicenet.com/i/PARTS/GLOBALBOM/330019-10/Part_Thumbnail/EN/330019-10_1_110x110.jpg","altText":null,"galleryIndex":null,"width":null,"imageTypeCode":"Image","imageUrl":null,"fileName":null,"imageTypeId":null,"imageDescription":null,"isDeleted":false}],"categories":null,"reviews":null,"classifications":null,"potentialPromotions":null,"variantOptions":null,"baseOptions":[],"volumePricesFlag":null,"volumePrices":null,"productReferences":null,"variantMatrix":null,"priceRange":null,"firstCategoryNameList":null,"multidimensional":null,"configurable":false,"configuratorType":null,"addToCartDisabled":null,"addToCartDisabledMessage":null,"tags":null,"sapUnit":null,"keywords":null,"genders":null,"itemtype":"Part","partSubstitute":null,"note":null,"recallNote":null,"note1":null,"note2":null,"note3":null,"note4":null,"note5":null,"pdfAllUser":null,"pdfAuthUser":null,"pdfCOSUser":null,"vaiantRelatedPartList":null,"partHotspotList":null,"itemNumber":176,"partRelatedVariantList":null,"bomCode":2,"totalValue":null,"searchImage":null,"length":null,"width":null,"height":null,"unitOfDimension":null,"weight":null,"unitOfWeight":null,"specialRouting":false,"onlineRepair":null,"previousPartID":null,"sbdDiscountPriceValue":{"currencyIso":"USD","value":1.22,"priceType":"BUY","formattedValue":"$1.22","minQuantity":null,"maxQuantity":null,"sapUnit":{"code":"pieces","name":"Piece"}},"alrCode":null,"productRecallFlag":null,"selectedDocumentId":null,"productDescription":null,"pdpImage":null,"ticketId":null,"qtyRequiredPerVariant":"2","isElgibleForRepair":null,"isPowerEligible":null,"productRecallNotes":null,"productOtherInfo":null,"backorderETA":"00/00/0000","modifiedDate":"No ETA","userLevel":"ALL","displayPrice":null,"baseProductName":null,"firstVariantCode":null,"firstVariantImage":null,"productMarketType":null,"productNumber":null,"typeStatusCode":null,"productCategory":null,"typeNumber":null,"marketCode":null,"regionCode":null,"otherInformation":null,"productTypeStatus":null,"repairInstruction":null,"repairInstructionStatusDescription":null,"typeStatusDate":null,"serviceLifeDate":null,"manufacturerId":null,"parts":null,"language":null,"glossaries":null,"brand":null,"product":null,"brandCode":null,"recallNotes":null,"volume":null},{"code":"P429698-00","name":null,"url":"/c//p/P429698-00","description":"GREASE","purchasable":true,"stock":{"stockLevelStatus":{"code":"inStock","type":"StockLevelStatus"},"stockLevel":52,"stockThreshold":null},"futureStocks":null,"availableForPickup":null,"averageRating":null,"numberOfReviews":null,"summary":null,"manufacturer":null,"variantType":null,"price":{"currencyIso":"USD","value":96.1,"priceType":"BUY","formattedValue":"$96.10","minQuantity":null,"maxQuantity":null,"sapUnit":{"code":"pieces","name":"Piece"}},"baseProduct":null,"images":[{"imageType":null,"format":"110Wx110H","url":"https://www.toolservicenet.com/i/PARTS/GLOBALBOM/429698-00/Material_Safety_Data_Sheet/EN/429698-00_-_Citgo_BDL-2_-_MSDS.pdf","altText":null,"galleryIndex":null,"width":null,"imageTypeCode":"Image","imageUrl":null,"fileName":null,"imageTypeId":null,"imageDescription":null,"isDeleted":false}],"categories":null,"reviews":null,"classifications":null,"potentialPromotions":null,"variantOptions":null,"baseOptions":[],"volumePricesFlag":null,"volumePrices":null,"productReferences":null,"variantMatrix":null,"priceRange":null,"firstCategoryNameList":null,"multidimensional":null,"configurable":false,"configuratorType":null,"addToCartDisabled":null,"addToCartDisabledMessage":null,"tags":null,"sapUnit":null,"keywords":null,"genders":null,"itemtype":"Part","partSubstitute":null,"note":null,"recallNote":null,"note1":null,"note2":null,"note3":null,"note4":null,"note5":null,"pdfAllUser":null,"pdfAuthUser":null,"pdfCOSUser":null,"vaiantRelatedPartList":null,"partHotspotList":null,"itemNumber":800,"partRelatedVariantList":null,"bomCode":2,"totalValue":null,"searchImage":null,"length":null,"width":null,"height":null,"unitOfDimension":null,"weight":null,"unitOfWeight":null,"specialRouting":false,"onlineRepair":null,"previousPartID":null,"sbdDiscountPriceValue":{"currencyIso":"USD","value":96.1,"priceType":"BUY","formattedValue":"$96.10","minQuantity":null,"maxQuantity":null,"sapUnit":{"code":"pieces","name":"Piece"}},"alrCode":null,"productRecallFlag":null,"selectedDocumentId":null,"productDescription":null,"pdpImage":null,"ticketId":null,"qtyRequiredPerVariant":"1","isElgibleForRepair":null,"isPowerEligible":null,"productRecallNotes":null,"productOtherInfo":null,"backorderETA":"00/00/0000","modifiedDate":"No ETA","userLevel":"ALL","displayPrice":null,"baseProductName":null,"firstVariantCode":null,"firstVariantImage":null,"productMarketType":null,"productNumber":null,"typeStatusCode":null,"productCategory":null,"typeNumber":null,"marketCode":null,"regionCode":null,"otherInformation":null,"productTypeStatus":null,"repairInstruction":null,"repairInstructionStatusDescription":null,"typeStatusDate":null,"serviceLifeDate":null,"manufacturerId":null,"parts":null,"language":null,"glossaries":null,"brand":null,"product":null,"brandCode":null,"recallNotes":null,"volume":null}],"partHotspotList":[{"id":null,"itemNumber":"69","partcode":"P000000-00","hotspotLeft":10.0,"hotspotTop":142.0,"hotspotBottom":178.0,"hotspotRight":54.0},{"id":null,"itemNumber":"69","partcode":"P99207-04","hotspotLeft":10.0,"hotspotTop":142.0,"hotspotBottom":178.0,"hotspotRight":54.0},{"id":null,"itemNumber":"3","partcode":"P000000-00","hotspotLeft":126.0,"hotspotTop":588.0,"hotspotBottom":624.0,"hotspotRight":170.0},{"id":null,"itemNumber":"3","partcode":"P99276-14","hotspotLeft":126.0,"hotspotTop":588.0,"hotspotBottom":624.0,"hotspotRight":170.0},{"id":null,"itemNumber":"4","partcode":"P000000-00","hotspotLeft":222.0,"hotspotTop":764.0,"hotspotBottom":800.0,"hotspotRight":266.0},{"id":null,"itemNumber":"2","partcode":"P131673-01","hotspotLeft":2.0,"hotspotTop":490.0,"hotspotBottom":526.0,"hotspotRight":46.0},{"id":null,"itemNumber":"2","partcode":"P000000-00","hotspotLeft":2.0,"hotspotTop":490.0,"hotspotBottom":526.0,"hotspotRight":46.0},{"id":null,"itemNumber":"38","partcode":"P000000-00","hotspotLeft":400.0,"hotspotTop":914.0,"hotspotBottom":950.0,"hotspotRight":444.0},{"id":null,"itemNumber":"38","partcode":"P95511-00","hotspotLeft":400.0,"hotspotTop":914.0,"hotspotBottom":950.0,"hotspotRight":444.0},{"id":null,"itemNumber":"49","partcode":"P130964-00","hotspotLeft":708.0,"hotspotTop":858.0,"hotspotBottom":894.0,"hotspotRight":752.0},{"id":null,"itemNumber":"49","partcode":"P000000-00","hotspotLeft":708.0,"hotspotTop":858.0,"hotspotBottom":894.0,"hotspotRight":752.0},{"id":null,"itemNumber":"48","partcode":"P71796-00","hotspotLeft":718.0,"hotspotTop":920.0,"hotspotBottom":956.0,"hotspotRight":762.0},{"id":null,"itemNumber":"48","partcode":"P000000-00","hotspotLeft":718.0,"hotspotTop":920.0,"hotspotBottom":956.0,"hotspotRight":762.0},{"id":null,"itemNumber":"42","partcode":"P000000-00","hotspotLeft":566.0,"hotspotTop":926.0,"hotspotBottom":962.0,"hotspotRight":610.0},{"id":null,"itemNumber":"41","partcode":"P099361-10","hotspotLeft":436.0,"hotspotTop":944.0,"hotspotBottom":980.0,"hotspotRight":480.0},{"id":null,"itemNumber":"41","partcode":"P99361-10","hotspotLeft":436.0,"hotspotTop":944.0,"hotspotBottom":980.0,"hotspotRight":480.0},{"id":null,"itemNumber":"41","partcode":"P000000-00","hotspotLeft":436.0,"hotspotTop":944.0,"hotspotBottom":980.0,"hotspotRight":480.0},{"id":null,"itemNumber":"11","partcode":"P46934-00","hotspotLeft":828.0,"hotspotTop":400.0,"hotspotBottom":436.0,"hotspotRight":872.0},{"id":null,"itemNumber":"11","partcode":"P046934-00","hotspotLeft":828.0,"hotspotTop":400.0,"hotspotBottom":436.0,"hotspotRight":872.0},{"id":null,"itemNumber":"10","partcode":"P330003-16","hotspotLeft":830.0,"hotspotTop":452.0,"hotspotBottom":488.0,"hotspotRight":874.0},{"id":null,"itemNumber":"10","partcode":"P605040-31","hotspotLeft":830.0,"hotspotTop":452.0,"hotspotBottom":488.0,"hotspotRight":874.0},{"id":null,"itemNumber":"81","partcode":"P448355-00","hotspotLeft":288.0,"hotspotTop":946.0,"hotspotBottom":982.0,"hotspotRight":332.0},{"id":null,"itemNumber":"81","partcode":"P000000-00","hotspotLeft":288.0,"hotspotTop":946.0,"hotspotBottom":982.0,"hotspotRight":332.0},{"id":null,"itemNumber":"66","partcode":"P000000-00","hotspotLeft":448.0,"hotspotTop":752.0,"hotspotBottom":788.0,"hotspotRight":492.0},{"id":null,"itemNumber":"66","partcode":"P444402-00","hotspotLeft":448.0,"hotspotTop":752.0,"hotspotBottom":788.0,"hotspotRight":492.0},{"id":null,"itemNumber":"16","partcode":"P000000-00","hotspotLeft":498.0,"hotspotTop":708.0,"hotspotBottom":744.0,"hotspotRight":542.0},{"id":null,"itemNumber":"16","partcode":"P51764-00","hotspotLeft":498.0,"hotspotTop":708.0,"hotspotBottom":744.0,"hotspotRight":542.0},{"id":null,"itemNumber":"36","partcode":"P030611-00","hotspotLeft":176.0,"hotspotTop":1204.0,"hotspotBottom":1240.0,"hotspotRight":220.0},{"id":null,"itemNumber":"36","partcode":"P30611-00","hotspotLeft":176.0,"hotspotTop":1204.0,"hotspotBottom":1240.0,"hotspotRight":220.0},{"id":null,"itemNumber":"40","partcode":"P130804-00","hotspotLeft":538.0,"hotspotTop":1334.0,"hotspotBottom":1370.0,"hotspotRight":582.0},{"id":null,"itemNumber":"40","partcode":"P000000-00","hotspotLeft":538.0,"hotspotTop":1334.0,"hotspotBottom":1370.0,"hotspotRight":582.0},{"id":null,"itemNumber":"39","partcode":"P448622-00","hotspotLeft":540.0,"hotspotTop":1226.0,"hotspotBottom":1262.0,"hotspotRight":584.0},{"id":null,"itemNumber":"39","partcode":"P000000-00","hotspotLeft":540.0,"hotspotTop":1226.0,"hotspotBottom":1262.0,"hotspotRight":584.0},{"id":null,"itemNumber":"44","partcode":"P000000-00","hotspotLeft":708.0,"hotspotTop":1254.0,"hotspotBottom":1290.0,"hotspotRight":752.0},{"id":null,"itemNumber":"44","partcode":"P444750-02","hotspotLeft":708.0,"hotspotTop":1254.0,"hotspotBottom":1290.0,"hotspotRight":752.0},{"id":null,"itemNumber":"80","partcode":"P000000-00","hotspotLeft":794.0,"hotspotTop":1246.0,"hotspotBottom":1282.0,"hotspotRight":838.0},{"id":null,"itemNumber":"80","partcode":"P444762-01","hotspotLeft":794.0,"hotspotTop":1246.0,"hotspotBottom":1282.0,"hotspotRight":838.0},{"id":null,"itemNumber":"45","partcode":"P000000-00","hotspotLeft":862.0,"hotspotTop":1208.0,"hotspotBottom":1244.0,"hotspotRight":906.0},{"id":null,"itemNumber":"45","partcode":"P136086-01","hotspotLeft":862.0,"hotspotTop":1208.0,"hotspotBottom":1244.0,"hotspotRight":906.0},{"id":null,"itemNumber":"80","partcode":"P000000-00","hotspotLeft":822.0,"hotspotTop":1022.0,"hotspotBottom":1058.0,"hotspotRight":866.0},{"id":null,"itemNumber":"80","partcode":"P444762-01","hotspotLeft":822.0,"hotspotTop":1022.0,"hotspotBottom":1058.0,"hotspotRight":866.0},{"id":null,"itemNumber":"72","partcode":"P000000-00","hotspotLeft":554.0,"hotspotTop":1130.0,"hotspotBottom":1166.0,"hotspotRight":598.0},{"id":null,"itemNumber":"72","partcode":"P88667-00","hotspotLeft":554.0,"hotspotTop":1130.0,"hotspotBottom":1166.0,"hotspotRight":598.0},{"id":null,"itemNumber":"2","partcode":"P131673-01","hotspotLeft":950.0,"hotspotTop":860.0,"hotspotBottom":896.0,"hotspotRight":994.0},{"id":null,"itemNumber":"2","partcode":"P000000-00","hotspotLeft":950.0,"hotspotTop":860.0,"hotspotBottom":896.0,"hotspotRight":994.0},{"id":null,"itemNumber":"2","partcode":"P000000-00","hotspotLeft":1300.0,"hotspotTop":950.0,"hotspotBottom":986.0,"hotspotRight":1344.0},{"id":null,"itemNumber":"2","partcode":"P131673-01","hotspotLeft":1300.0,"hotspotTop":950.0,"hotspotBottom":986.0,"hotspotRight":1344.0},{"id":null,"itemNumber":"55","partcode":"P000000-00","hotspotLeft":1426.0,"hotspotTop":958.0,"hotspotBottom":994.0,"hotspotRight":1470.0},{"id":null,"itemNumber":"55","partcode":"P380782-00","hotspotLeft":1426.0,"hotspotTop":958.0,"hotspotBottom":994.0,"hotspotRight":1470.0},{"id":null,"itemNumber":"56","partcode":"P85950-00","hotspotLeft":1510.0,"hotspotTop":1020.0,"hotspotBottom":1056.0,"hotspotRight":1554.0},{"id":null,"itemNumber":"56","partcode":"P085950-00","hotspotLeft":1510.0,"hotspotTop":1020.0,"hotspotBottom":1056.0,"hotspotRight":1554.0},{"id":null,"itemNumber":"56","partcode":"P000000-00","hotspotLeft":1510.0,"hotspotTop":1020.0,"hotspotBottom":1056.0,"hotspotRight":1554.0},{"id":null,"itemNumber":"54","partcode":"P95685-00","hotspotLeft":1414.0,"hotspotTop":1244.0,"hotspotBottom":1280.0,"hotspotRight":1458.0},{"id":null,"itemNumber":"54","partcode":"P000000-00","hotspotLeft":1414.0,"hotspotTop":1244.0,"hotspotBottom":1280.0,"hotspotRight":1458.0},{"id":null,"itemNumber":"63","partcode":"P36480-98","hotspotLeft":1466.0,"hotspotTop":1512.0,"hotspotBottom":1548.0,"hotspotRight":1510.0},{"id":null,"itemNumber":"79","partcode":"P89724-00","hotspotLeft":1232.0,"hotspotTop":1390.0,"hotspotBottom":1426.0,"hotspotRight":1276.0},{"id":null,"itemNumber":"79","partcode":"P445338-00","hotspotLeft":1232.0,"hotspotTop":1390.0,"hotspotBottom":1426.0,"hotspotRight":1276.0},{"id":null,"itemNumber":"76","partcode":"P000000-00","hotspotLeft":1486.0,"hotspotTop":1418.0,"hotspotBottom":1454.0,"hotspotRight":1530.0},{"id":null,"itemNumber":"76","partcode":"P2178-00","hotspotLeft":1486.0,"hotspotTop":1418.0,"hotspotBottom":1454.0,"hotspotRight":1530.0},{"id":null,"itemNumber":"56","partcode":"P085950-00","hotspotLeft":1556.0,"hotspotTop":1370.0,"hotspotBottom":1406.0,"hotspotRight":1600.0},{"id":null,"itemNumber":"56","partcode":"P85950-00","hotspotLeft":1556.0,"hotspotTop":1370.0,"hotspotBottom":1406.0,"hotspotRight":1600.0},{"id":null,"itemNumber":"56","partcode":"P000000-00","hotspotLeft":1556.0,"hotspotTop":1370.0,"hotspotBottom":1406.0,"hotspotRight":1600.0},{"id":null,"itemNumber":"58","partcode":"P418-00","hotspotLeft":1620.0,"hotspotTop":1428.0,"hotspotBottom":1464.0,"hotspotRight":1664.0},{"id":null,"itemNumber":"58","partcode":"P000000-00","hotspotLeft":1620.0,"hotspotTop":1428.0,"hotspotBottom":1464.0,"hotspotRight":1664.0},{"id":null,"itemNumber":"58","partcode":"P000418-00","hotspotLeft":1620.0,"hotspotTop":1428.0,"hotspotBottom":1464.0,"hotspotRight":1664.0},{"id":null,"itemNumber":"71","partcode":"P234900-01","hotspotLeft":1708.0,"hotspotTop":1508.0,"hotspotBottom":1544.0,"hotspotRight":1752.0},{"id":null,"itemNumber":"57","partcode":"P000000-00","hotspotLeft":1562.0,"hotspotTop":1028.0,"hotspotBottom":1064.0,"hotspotRight":1606.0},{"id":null,"itemNumber":"57","partcode":"P91726-00","hotspotLeft":1562.0,"hotspotTop":1028.0,"hotspotBottom":1064.0,"hotspotRight":1606.0},{"id":null,"itemNumber":"74","partcode":"P000000-00","hotspotLeft":1536.0,"hotspotTop":908.0,"hotspotBottom":944.0,"hotspotRight":1580.0},{"id":null,"itemNumber":"74","partcode":"P132503-00","hotspotLeft":1536.0,"hotspotTop":908.0,"hotspotBottom":944.0,"hotspotRight":1580.0},{"id":null,"itemNumber":"3","partcode":"P000000-00","hotspotLeft":2006.0,"hotspotTop":1348.0,"hotspotBottom":1384.0,"hotspotRight":2050.0},{"id":null,"itemNumber":"3","partcode":"P99276-14","hotspotLeft":2006.0,"hotspotTop":1348.0,"hotspotBottom":1384.0,"hotspotRight":2050.0},{"id":null,"itemNumber":"33","partcode":"P330003-04","hotspotLeft":1680.0,"hotspotTop":560.0,"hotspotBottom":596.0,"hotspotRight":1724.0},{"id":null,"itemNumber":"34","partcode":"P032699-00","hotspotLeft":1738.0,"hotspotTop":318.0,"hotspotBottom":354.0,"hotspotRight":1782.0},{"id":null,"itemNumber":"34","partcode":"P32699-00","hotspotLeft":1738.0,"hotspotTop":318.0,"hotspotBottom":354.0,"hotspotRight":1782.0},{"id":null,"itemNumber":"31","partcode":"P000000-00","hotspotLeft":1258.0,"hotspotTop":356.0,"hotspotBottom":392.0,"hotspotRight":1302.0},{"id":null,"itemNumber":"31","partcode":"P95674-00","hotspotLeft":1258.0,"hotspotTop":356.0,"hotspotBottom":392.0,"hotspotRight":1302.0},{"id":null,"itemNumber":"800","partcode":"P429698-00","hotspotLeft":1870.0,"hotspotTop":210.0,"hotspotBottom":246.0,"hotspotRight":1934.0},{"id":null,"itemNumber":"800","partcode":"P449772-06","hotspotLeft":1870.0,"hotspotTop":210.0,"hotspotBottom":246.0,"hotspotRight":1934.0},{"id":null,"itemNumber":"27","partcode":"P000000-00","hotspotLeft":1020.0,"hotspotTop":540.0,"hotspotBottom":576.0,"hotspotRight":1068.0},{"id":null,"itemNumber":"27","partcode":"P37429-00","hotspotLeft":1020.0,"hotspotTop":540.0,"hotspotBottom":576.0,"hotspotRight":1068.0},{"id":null,"itemNumber":"24","partcode":"P000000-00","hotspotLeft":890.0,"hotspotTop":38.0,"hotspotBottom":74.0,"hotspotRight":938.0},{"id":null,"itemNumber":"24","partcode":"P89805-00","hotspotLeft":890.0,"hotspotTop":38.0,"hotspotBottom":74.0,"hotspotRight":938.0},{"id":null,"itemNumber":"19","partcode":"P158472-00","hotspotLeft":140.0,"hotspotTop":66.0,"hotspotBottom":100.0,"hotspotRight":178.0},{"id":null,"itemNumber":"18","partcode":"P000000-00","hotspotLeft":288.0,"hotspotTop":280.0,"hotspotBottom":314.0,"hotspotRight":326.0},{"id":null,"itemNumber":"17","partcode":"P000000-00","hotspotLeft":130.0,"hotspotTop":140.0,"hotspotBottom":174.0,"hotspotRight":168.0},{"id":null,"itemNumber":"17","partcode":"P130818-00","hotspotLeft":130.0,"hotspotTop":140.0,"hotspotBottom":174.0,"hotspotRight":168.0},{"id":null,"itemNumber":"15","partcode":"P000000-00","hotspotLeft":68.0,"hotspotTop":142.0,"hotspotBottom":176.0,"hotspotRight":106.0},{"id":null,"itemNumber":"15","partcode":"P445598-00","hotspotLeft":68.0,"hotspotTop":142.0,"hotspotBottom":176.0,"hotspotRight":106.0},{"id":null,"itemNumber":"15","partcode":"P131719-00","hotspotLeft":68.0,"hotspotTop":142.0,"hotspotBottom":176.0,"hotspotRight":106.0},{"id":null,"itemNumber":"1","partcode":"P000000-00","hotspotLeft":8.0,"hotspotTop":362.0,"hotspotBottom":396.0,"hotspotRight":46.0},{"id":null,"itemNumber":"78","partcode":"P000000-00","hotspotLeft":406.0,"hotspotTop":44.0,"hotspotBottom":78.0,"hotspotRight":444.0},{"id":null,"itemNumber":"21","partcode":"P000000-00","hotspotLeft":460.0,"hotspotTop":54.0,"hotspotBottom":88.0,"hotspotRight":498.0},{"id":null,"itemNumber":"22","partcode":"P000000-00","hotspotLeft":582.0,"hotspotTop":22.0,"hotspotBottom":56.0,"hotspotRight":620.0},{"id":null,"itemNumber":"23","partcode":"P000000-00","hotspotLeft":750.0,"hotspotTop":22.0,"hotspotBottom":56.0,"hotspotRight":788.0},{"id":null,"itemNumber":"70","partcode":"P000000-00","hotspotLeft":674.0,"hotspotTop":186.0,"hotspotBottom":220.0,"hotspotRight":712.0},{"id":null,"itemNumber":"7","partcode":"P000000-00","hotspotLeft":576.0,"hotspotTop":462.0,"hotspotBottom":496.0,"hotspotRight":614.0},{"id":null,"itemNumber":"7","partcode":"P000000-00","hotspotLeft":722.0,"hotspotTop":812.0,"hotspotBottom":846.0,"hotspotRight":760.0},{"id":null,"itemNumber":"68","partcode":"P000000-00","hotspotLeft":958.0,"hotspotTop":56.0,"hotspotBottom":90.0,"hotspotRight":996.0},{"id":null,"itemNumber":"25","partcode":"P000000-00","hotspotLeft":1052.0,"hotspotTop":210.0,"hotspotBottom":244.0,"hotspotRight":1090.0},{"id":null,"itemNumber":"14","partcode":"P000000-00","hotspotLeft":780.0,"hotspotTop":206.0,"hotspotBottom":240.0,"hotspotRight":818.0},{"id":null,"itemNumber":"13","partcode":"P000000-00","hotspotLeft":814.0,"hotspotTop":250.0,"hotspotBottom":284.0,"hotspotRight":852.0},{"id":null,"itemNumber":"12","partcode":"P000000-00","hotspotLeft":830.0,"hotspotTop":320.0,"hotspotBottom":354.0,"hotspotRight":868.0},{"id":null,"itemNumber":"26","partcode":"P000000-00","hotspotLeft":1028.0,"hotspotTop":410.0,"hotspotBottom":444.0,"hotspotRight":1066.0},{"id":null,"itemNumber":"9","partcode":"P000000-00","hotspotLeft":808.0,"hotspotTop":528.0,"hotspotBottom":562.0,"hotspotRight":846.0},{"id":null,"itemNumber":"8","partcode":"P000000-00","hotspotLeft":806.0,"hotspotTop":582.0,"hotspotBottom":616.0,"hotspotRight":844.0},{"id":null,"itemNumber":"28","partcode":"P000000-00","hotspotLeft":1080.0,"hotspotTop":562.0,"hotspotBottom":596.0,"hotspotRight":1118.0},{"id":null,"itemNumber":"29","partcode":"P000000-00","hotspotLeft":1144.0,"hotspotTop":384.0,"hotspotBottom":418.0,"hotspotRight":1182.0},{"id":null,"itemNumber":"30","partcode":"P000000-00","hotspotLeft":1188.0,"hotspotTop":584.0,"hotspotBottom":618.0,"hotspotRight":1226.0},{"id":null,"itemNumber":"51","partcode":"P000000-00","hotspotLeft":1240.0,"hotspotTop":884.0,"hotspotBottom":918.0,"hotspotRight":1278.0},{"id":null,"itemNumber":"90","partcode":"P000000-00","hotspotLeft":1512.0,"hotspotTop":56.0,"hotspotBottom":90.0,"hotspotRight":1550.0},{"id":null,"itemNumber":"90","partcode":"PU1535","hotspotLeft":1512.0,"hotspotTop":56.0,"hotspotBottom":90.0,"hotspotRight":1550.0},{"id":null,"itemNumber":"32","partcode":"P000000-00","hotspotLeft":1490.0,"hotspotTop":578.0,"hotspotBottom":612.0,"hotspotRight":1528.0},{"id":null,"itemNumber":"35","partcode":"P000000-00","hotspotLeft":1824.0,"hotspotTop":616.0,"hotspotBottom":650.0,"hotspotRight":1862.0},{"id":null,"itemNumber":"62","partcode":"P000000-00","hotspotLeft":1722.0,"hotspotTop":958.0,"hotspotBottom":992.0,"hotspotRight":1760.0},{"id":null,"itemNumber":"73","partcode":"P000000-00","hotspotLeft":1504.0,"hotspotTop":1160.0,"hotspotBottom":1194.0,"hotspotRight":1542.0},{"id":null,"itemNumber":"73","partcode":"P51350-00","hotspotLeft":1504.0,"hotspotTop":1160.0,"hotspotBottom":1194.0,"hotspotRight":1542.0},{"id":null,"itemNumber":"51","partcode":"P000000-00","hotspotLeft":1826.0,"hotspotTop":1474.0,"hotspotBottom":1508.0,"hotspotRight":1864.0},{"id":null,"itemNumber":"59","partcode":"P000000-00","hotspotLeft":1702.0,"hotspotTop":1462.0,"hotspotBottom":1496.0,"hotspotRight":1740.0},{"id":null,"itemNumber":"46","partcode":"P000000-00","hotspotLeft":854.0,"hotspotTop":1148.0,"hotspotBottom":1182.0,"hotspotRight":892.0},{"id":null,"itemNumber":"37","partcode":"P000000-00","hotspotLeft":244.0,"hotspotTop":1308.0,"hotspotBottom":1342.0,"hotspotRight":282.0},{"id":null,"itemNumber":"176","partcode":"P131059-00","hotspotLeft":1536.0,"hotspotTop":1416.0,"hotspotBottom":1450.0,"hotspotRight":1604.0},{"id":null,"itemNumber":"176","partcode":"P330019-10","hotspotLeft":1536.0,"hotspotTop":1416.0,"hotspotBottom":1450.0,"hotspotRight":1604.0},{"id":null,"itemNumber":"5","partcode":"P000000-00","hotspotLeft":93.0,"hotspotTop":297.0,"hotspotBottom":331.0,"hotspotRight":137.0},{"id":null,"itemNumber":"5","partcode":"P445838-00","hotspotLeft":93.0,"hotspotTop":297.0,"hotspotBottom":331.0,"hotspotRight":137.0},{"id":null,"itemNumber":"77","partcode":"P000000-00","hotspotLeft":351.0,"hotspotTop":44.0,"hotspotBottom":78.0,"hotspotRight":395.0},{"id":null,"itemNumber":"75","partcode":"P000000-00","hotspotLeft":1371.0,"hotspotTop":1380.0,"hotspotBottom":1414.0,"hotspotRight":1415.0},{"id":null,"itemNumber":"53","partcode":"P000000-00","hotspotLeft":1297.0,"hotspotTop":1073.0,"hotspotBottom":1107.0,"hotspotRight":1341.0},{"id":null,"itemNumber":"6","partcode":"P000000-00","hotspotLeft":664.0,"hotspotTop":756.0,"hotspotBottom":790.0,"hotspotRight":708.0},{"id":null,"itemNumber":"71","partcode":"P000000-00","hotspotLeft":1708.0,"hotspotTop":1508.0,"hotspotBottom":1544.0,"hotspotRight":1752.0},{"id":null,"itemNumber":"11","partcode":"P000000-00","hotspotLeft":828.0,"hotspotTop":400.0,"hotspotBottom":436.0,"hotspotRight":872.0},{"id":null,"itemNumber":"36","partcode":"P000000-00","hotspotLeft":176.0,"hotspotTop":1204.0,"hotspotBottom":1240.0,"hotspotRight":220.0}],"itemNumber":null,"partRelatedVariantList":null,"bomCode":null,"totalValue":null,"searchImage":null,"length":null,"width":null,"height":null,"unitOfDimension":null,"weight":null,"unitOfWeight":null,"specialRouting":false,"onlineRepair":null,"previousPartID":null,"sbdDiscountPriceValue":null,"alrCode":null,"productRecallFlag":null,"selectedDocumentId":null,"productDescription":"LAMINATE TRIMMER","pdpImage":{"imageType":null,"format":"110Wx110H","url":"https://hybrisimages.toolcommerce.com/prod/110X110/3102-09_1_110X110.jpg","altText":null,"galleryIndex":null,"width":null,"imageTypeCode":"Image","imageUrl":null,"fileName":null,"imageTypeId":null,"imageDescription":null,"isDeleted":false},"ticketId":null,"qtyRequiredPerVariant":null,"isElgibleForRepair":null,"isPowerEligible":null,"productRecallNotes":null,"productOtherInfo":null,"backorderETA":null,"modifiedDate":null,"userLevel":null,"displayPrice":null,"baseProductName":null,"firstVariantCode":null,"firstVariantImage":null,"productMarketType":null,"productNumber":null,"typeStatusCode":null,"productCategory":null,"typeNumber":null,"marketCode":null,"regionCode":null,"otherInformation":null,"productTypeStatus":null,"repairInstruction":null,"repairInstructionStatusDescription":null,"typeStatusDate":null,"serviceLifeDate":null,"manufacturerId":null,"parts":null,"language":null,"glossaries":null,"brand":null,"product":null,"brandCode":null,"recallNotes":null,"volume":null}
Type
1
Type
2
Documents
Why you should buy parts/service with us?
High Quality
Buy high reliable products for your critical projects.
Expert Technicians
We have certified experts, who can resolve any issues of the product.
Quick Support
Our Support lines are open to support all your queries.
Convenient Delivery
Delivered to you at your convenient place.
100% Secured Checkout
We follow highest security standards to make your transaction safe.











