text.skipToContent text.skipToNavigation
dewalt
black & decker

917.271024

  • View parts by Products
  • View parts by Drawing
Model Type: 0
Diagram Not Available
Model #917.271024 Qualify for free shipping on orders over$150!
Type 0

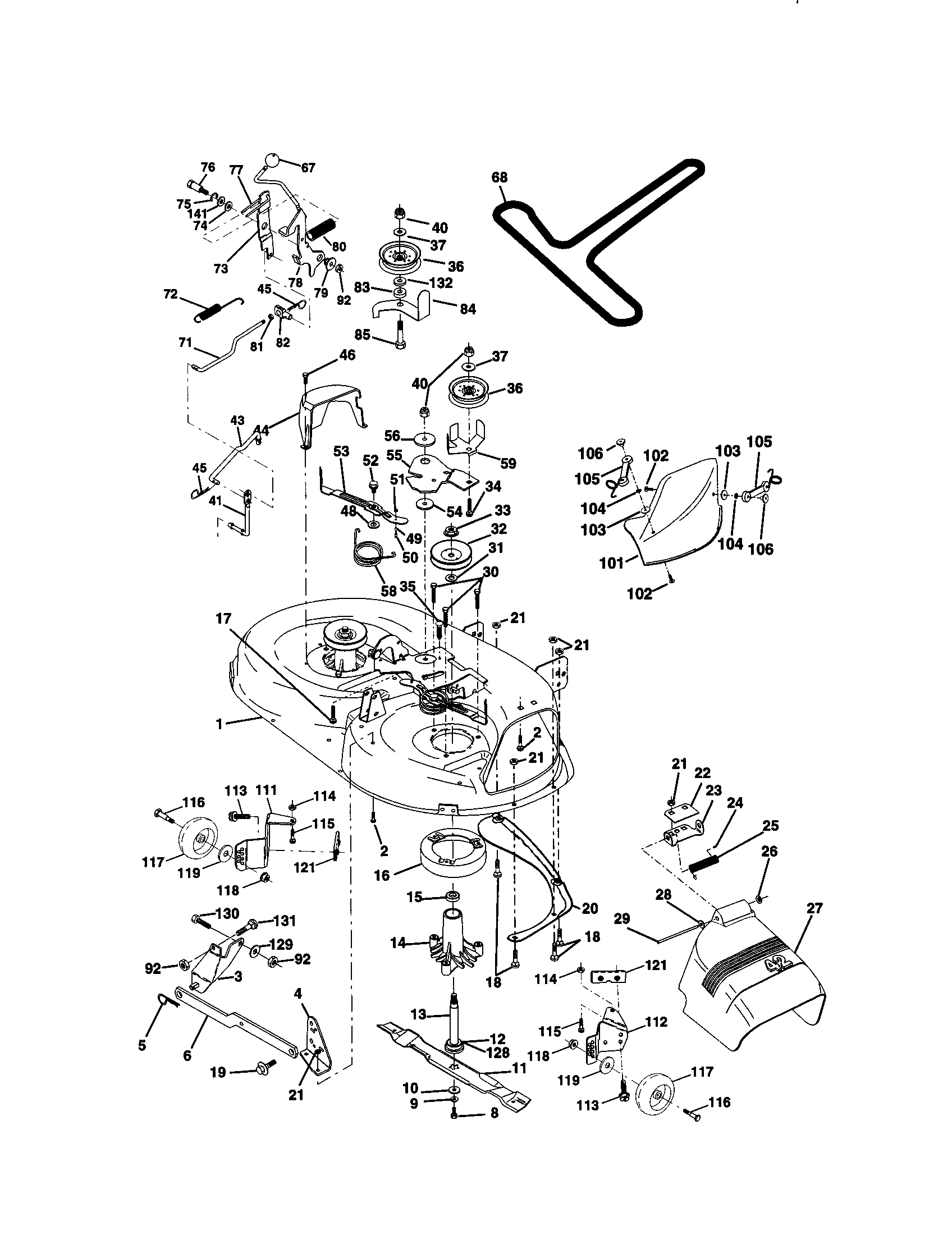
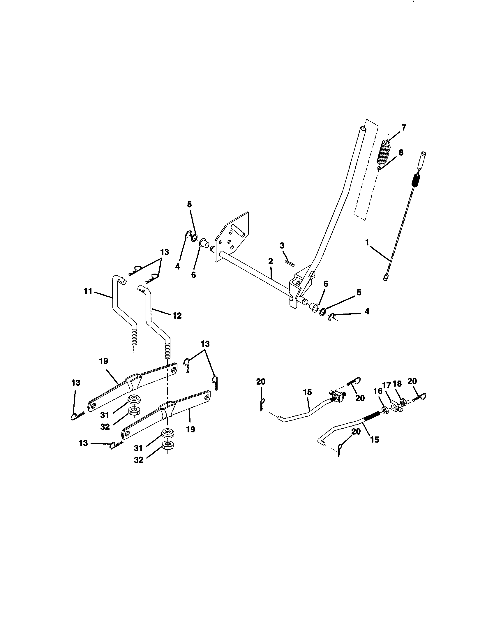
Click the #Number to see the part in the interactive diagram. Showing

Why you should buy parts/service with us?

High Quality

Buy high reliable products for your critical projects.

Expert Technicians

We have certified experts, who can resolve any issues of the product.

Quick Support

Our Support lines are open to support all your queries.

Convenient Delivery

Delivered to you at your convenient place.

100% Secured Checkout

We follow highest security standards to make your transaction safe.