Product quantity has been updated.
|
Your Session will expire in minutes due to inactivity. You will be redirected to the sign-in page. Any unsaved changes to your shopping cart may be lost. |
|
Your session has expired due to inactivity.You will be redirected to the sign-in page.
Any unsaved changes to your shopping cart may be lost. |
Added to Your Shopping Cart
917.270814
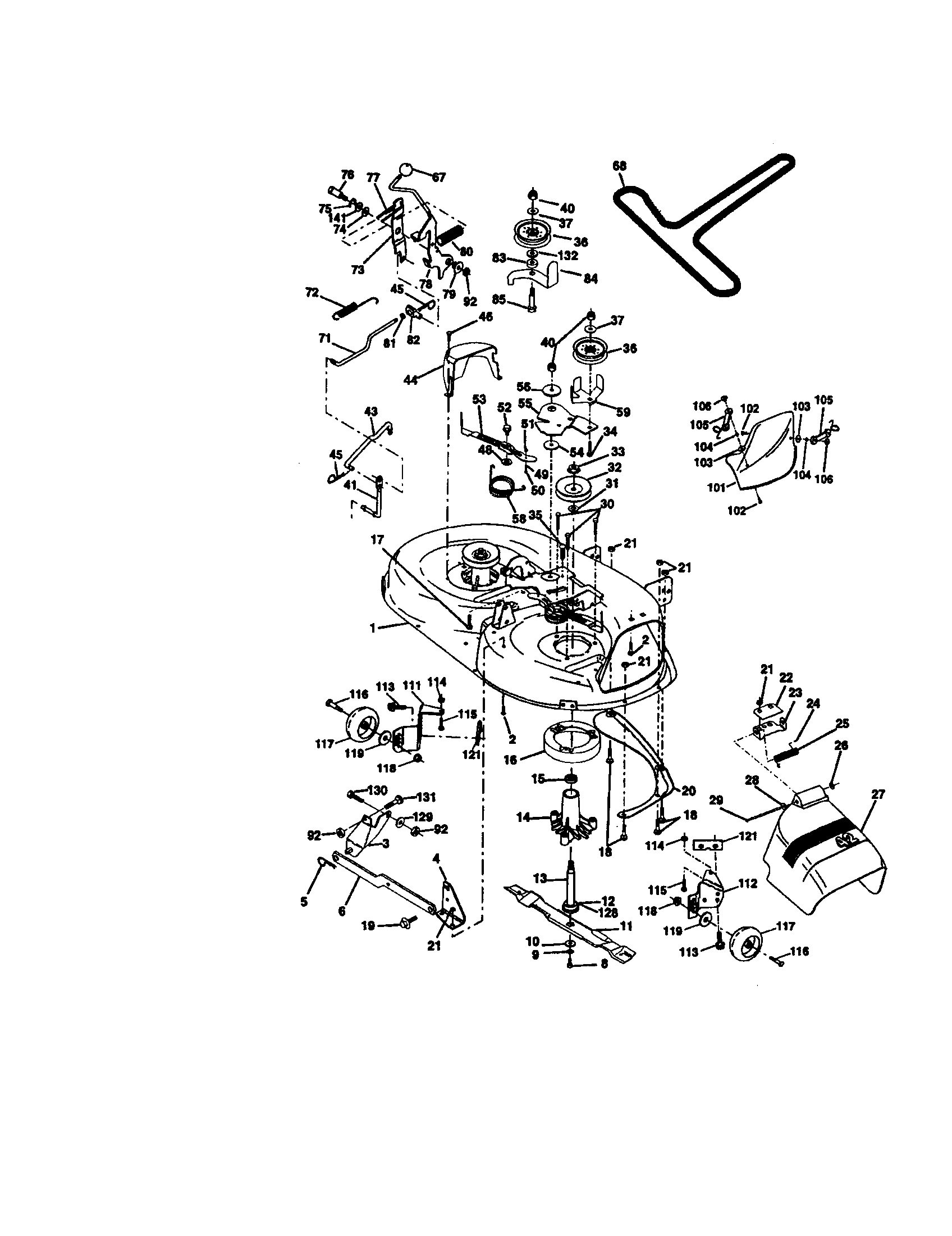
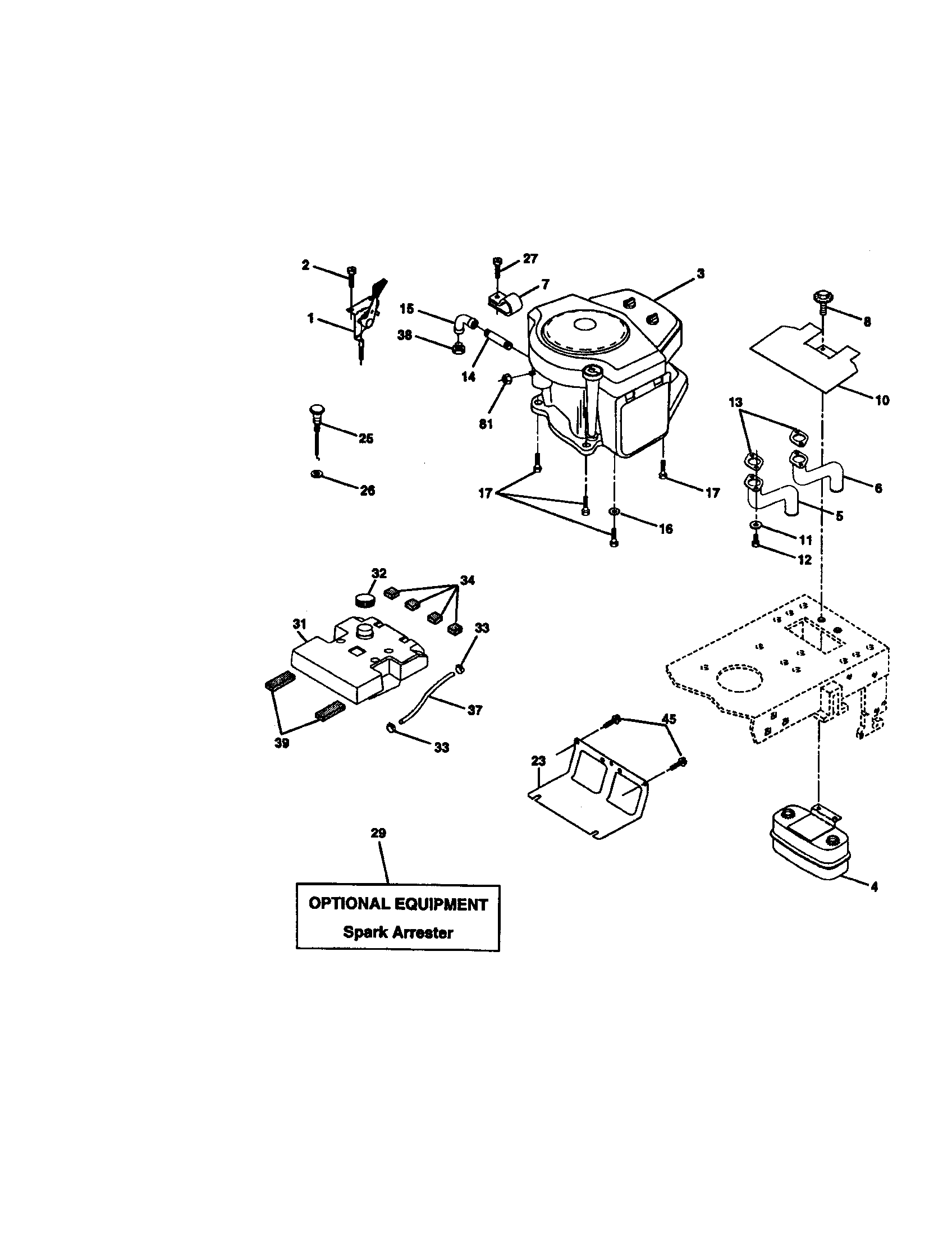
- View parts by Products
- View parts by Drawing
Diagram Not Available
Model #917.270814 Qualify for free shipping on orders over$150!
{"code":"917.270814_0","name":null,"url":"/c//p/917.270814_0","description":"0","purchasable":false,"stock":{"stockLevelStatus":{"code":"outOfStock","type":"StockLevelStatus"},"stockLevel":0,"stockThreshold":null},"futureStocks":null,"availableForPickup":false,"averageRating":null,"numberOfReviews":0,"summary":"","manufacturer":null,"variantType":null,"price":null,"baseProduct":"917.270814","images":[],"categories":[],"reviews":[],"classifications":null,"potentialPromotions":null,"variantOptions":null,"baseOptions":[{"variantType":"SBDVariantProduct","options":[{"code":"917.270814_0","stock":{"stockLevelStatus":{"code":"outOfStock","type":"StockLevelStatus"},"stockLevel":0,"stockThreshold":null},"url":"/c//p/917.270814_0","priceData":null,"variantOptionQualifiers":[],"description":"0"}],"selected":{"code":"917.270814_0","stock":{"stockLevelStatus":{"code":"outOfStock","type":"StockLevelStatus"},"stockLevel":0,"stockThreshold":null},"url":"/c//p/917.270814_0","priceData":null,"variantOptionQualifiers":[],"description":"0"},"imageList":[],"note":null,"baseProductPrice":null}],"volumePricesFlag":null,"volumePrices":[],"productReferences":null,"variantMatrix":null,"priceRange":{"minPrice":null,"maxPrice":null},"firstCategoryNameList":null,"multidimensional":false,"configurable":false,"configuratorType":null,"addToCartDisabled":null,"addToCartDisabledMessage":null,"tags":null,"sapUnit":null,"keywords":null,"genders":null,"itemtype":"SBDVariantProduct","partSubstitute":null,"note":null,"recallNote":null,"note1":null,"note2":null,"note3":null,"note4":null,"note5":null,"pdfAllUser":[{"documentID":"48224","documentFileName":"https://www.toolservicenet.com/i/CRAFTSMAN/GLOBALBOM/QU/917.270814/0/Exploded_Diagram/EN/P0202041-00001.gif","glossaryText":null,"fileName":"P0202041-00001.tif","documentTypeId":"DocumentTypeModel (8796158852958@2)","documentTypeDescription":"Exploded Art","hotspotFlag":true,"userLevel":"ALL","additionalDocumentDescription":null,"id":null,"url":null,"hotspots":null,"width":null,"height":null,"isDeleted":false},{"documentID":"48225","documentFileName":"https://www.toolservicenet.com/i/CRAFTSMAN/GLOBALBOM/QU/917.270814/0/Exploded_Diagram/EN/P0202041-00002.gif","glossaryText":null,"fileName":"P0202041-00002.tif","documentTypeId":"DocumentTypeModel (8796158852958@2)","documentTypeDescription":"Exploded Art","hotspotFlag":true,"userLevel":"ALL","additionalDocumentDescription":null,"id":null,"url":null,"hotspots":null,"width":null,"height":null,"isDeleted":false},{"documentID":"48226","documentFileName":"https://www.toolservicenet.com/i/CRAFTSMAN/GLOBALBOM/QU/917.270814/0/Exploded_Diagram/EN/P0202041-00003.gif","glossaryText":null,"fileName":"P0202041-00003.tif","documentTypeId":"DocumentTypeModel (8796158852958@2)","documentTypeDescription":"Exploded Art","hotspotFlag":true,"userLevel":"ALL","additionalDocumentDescription":null,"id":null,"url":null,"hotspots":null,"width":null,"height":null,"isDeleted":false},{"documentID":"48227","documentFileName":"https://www.toolservicenet.com/i/CRAFTSMAN/GLOBALBOM/QU/917.270814/0/Exploded_Diagram/EN/P0202041-00004.gif","glossaryText":null,"fileName":"P0202041-00004.tif","documentTypeId":"DocumentTypeModel (8796158852958@2)","documentTypeDescription":"Exploded Art","hotspotFlag":true,"userLevel":"ALL","additionalDocumentDescription":null,"id":null,"url":null,"hotspots":null,"width":null,"height":null,"isDeleted":false},{"documentID":"48228","documentFileName":"https://www.toolservicenet.com/i/CRAFTSMAN/GLOBALBOM/QU/917.270814/0/Exploded_Diagram/EN/P0202041-00005.gif","glossaryText":null,"fileName":"P0202041-00005.tif","documentTypeId":"DocumentTypeModel (8796158852958@2)","documentTypeDescription":"Exploded Art","hotspotFlag":true,"userLevel":"ALL","additionalDocumentDescription":null,"id":null,"url":null,"hotspots":null,"width":null,"height":null,"isDeleted":false},{"documentID":"48229","documentFileName":"https://www.toolservicenet.com/i/CRAFTSMAN/GLOBALBOM/QU/917.270814/0/Exploded_Diagram/EN/P0202041-00006.gif","glossaryText":null,"fileName":"P0202041-00006.tif","documentTypeId":"DocumentTypeModel (8796158852958@2)","documentTypeDescription":"Exploded Art","hotspotFlag":true,"userLevel":"ALL","additionalDocumentDescription":null,"id":null,"url":null,"hotspots":null,"width":null,"height":null,"isDeleted":false},{"documentID":"48230","documentFileName":"https://www.toolservicenet.com/i/CRAFTSMAN/GLOBALBOM/QU/917.270814/0/Exploded_Diagram/EN/P0202041-00007.gif","glossaryText":null,"fileName":"P0202041-00007.tif","documentTypeId":"DocumentTypeModel (8796158852958@2)","documentTypeDescription":"Exploded Art","hotspotFlag":true,"userLevel":"ALL","additionalDocumentDescription":null,"id":null,"url":null,"hotspots":null,"width":null,"height":null,"isDeleted":false},{"documentID":"48231","documentFileName":"https://www.toolservicenet.com/i/CRAFTSMAN/GLOBALBOM/QU/917.270814/0/Exploded_Diagram/EN/P0202041-00008.gif","glossaryText":null,"fileName":"P0202041-00008.tif","documentTypeId":"DocumentTypeModel (8796158852958@2)","documentTypeDescription":"Exploded Art","hotspotFlag":true,"userLevel":"ALL","additionalDocumentDescription":null,"id":null,"url":null,"hotspots":null,"width":null,"height":null,"isDeleted":false},{"documentID":"48232","documentFileName":"https://www.toolservicenet.com/i/CRAFTSMAN/GLOBALBOM/QU/917.270814/0/Exploded_Diagram/EN/P0202041-00009.gif","glossaryText":null,"fileName":"P0202041-00009.tif","documentTypeId":"DocumentTypeModel (8796158852958@2)","documentTypeDescription":"Exploded Art","hotspotFlag":true,"userLevel":"ALL","additionalDocumentDescription":null,"id":null,"url":null,"hotspots":null,"width":null,"height":null,"isDeleted":false},{"documentID":"48233","documentFileName":"https://www.toolservicenet.com/i/CRAFTSMAN/GLOBALBOM/QU/917.270814/0/Exploded_Diagram/EN/P0202041-00010.gif","glossaryText":null,"fileName":"P0202041-00010.tif","documentTypeId":"DocumentTypeModel (8796158852958@2)","documentTypeDescription":"Exploded Art","hotspotFlag":true,"userLevel":"ALL","additionalDocumentDescription":null,"id":null,"url":null,"hotspots":null,"width":null,"height":null,"isDeleted":false},{"documentID":"48234","documentFileName":"https://www.toolservicenet.com/i/CRAFTSMAN/GLOBALBOM/QU/917.270814/0/Instruction_Manual/EN/L9120306.pdf","glossaryText":null,"fileName":"L9120306.pdf","documentTypeId":"DocumentTypeModel (8796158721886@2)","documentTypeDescription":"Instruction Manual","hotspotFlag":false,"userLevel":"ALL","additionalDocumentDescription":null,"id":null,"url":null,"hotspots":null,"width":null,"height":null,"isDeleted":false}],"pdfAuthUser":[{"documentID":"48224","documentFileName":"https://www.toolservicenet.com/i/CRAFTSMAN/GLOBALBOM/QU/917.270814/0/Exploded_Diagram/EN/P0202041-00001.gif","glossaryText":null,"fileName":"P0202041-00001.tif","documentTypeId":"DocumentTypeModel (8796158852958@2)","documentTypeDescription":"Exploded Art","hotspotFlag":true,"userLevel":"ALL","additionalDocumentDescription":null,"id":null,"url":null,"hotspots":null,"width":null,"height":null,"isDeleted":false},{"documentID":"48225","documentFileName":"https://www.toolservicenet.com/i/CRAFTSMAN/GLOBALBOM/QU/917.270814/0/Exploded_Diagram/EN/P0202041-00002.gif","glossaryText":null,"fileName":"P0202041-00002.tif","documentTypeId":"DocumentTypeModel (8796158852958@2)","documentTypeDescription":"Exploded Art","hotspotFlag":true,"userLevel":"ALL","additionalDocumentDescription":null,"id":null,"url":null,"hotspots":null,"width":null,"height":null,"isDeleted":false},{"documentID":"48226","documentFileName":"https://www.toolservicenet.com/i/CRAFTSMAN/GLOBALBOM/QU/917.270814/0/Exploded_Diagram/EN/P0202041-00003.gif","glossaryText":null,"fileName":"P0202041-00003.tif","documentTypeId":"DocumentTypeModel (8796158852958@2)","documentTypeDescription":"Exploded Art","hotspotFlag":true,"userLevel":"ALL","additionalDocumentDescription":null,"id":null,"url":null,"hotspots":null,"width":null,"height":null,"isDeleted":false},{"documentID":"48227","documentFileName":"https://www.toolservicenet.com/i/CRAFTSMAN/GLOBALBOM/QU/917.270814/0/Exploded_Diagram/EN/P0202041-00004.gif","glossaryText":null,"fileName":"P0202041-00004.tif","documentTypeId":"DocumentTypeModel (8796158852958@2)","documentTypeDescription":"Exploded Art","hotspotFlag":true,"userLevel":"ALL","additionalDocumentDescription":null,"id":null,"url":null,"hotspots":null,"width":null,"height":null,"isDeleted":false},{"documentID":"48228","documentFileName":"https://www.toolservicenet.com/i/CRAFTSMAN/GLOBALBOM/QU/917.270814/0/Exploded_Diagram/EN/P0202041-00005.gif","glossaryText":null,"fileName":"P0202041-00005.tif","documentTypeId":"DocumentTypeModel (8796158852958@2)","documentTypeDescription":"Exploded Art","hotspotFlag":true,"userLevel":"ALL","additionalDocumentDescription":null,"id":null,"url":null,"hotspots":null,"width":null,"height":null,"isDeleted":false},{"documentID":"48229","documentFileName":"https://www.toolservicenet.com/i/CRAFTSMAN/GLOBALBOM/QU/917.270814/0/Exploded_Diagram/EN/P0202041-00006.gif","glossaryText":null,"fileName":"P0202041-00006.tif","documentTypeId":"DocumentTypeModel (8796158852958@2)","documentTypeDescription":"Exploded Art","hotspotFlag":true,"userLevel":"ALL","additionalDocumentDescription":null,"id":null,"url":null,"hotspots":null,"width":null,"height":null,"isDeleted":false},{"documentID":"48230","documentFileName":"https://www.toolservicenet.com/i/CRAFTSMAN/GLOBALBOM/QU/917.270814/0/Exploded_Diagram/EN/P0202041-00007.gif","glossaryText":null,"fileName":"P0202041-00007.tif","documentTypeId":"DocumentTypeModel (8796158852958@2)","documentTypeDescription":"Exploded Art","hotspotFlag":true,"userLevel":"ALL","additionalDocumentDescription":null,"id":null,"url":null,"hotspots":null,"width":null,"height":null,"isDeleted":false},{"documentID":"48231","documentFileName":"https://www.toolservicenet.com/i/CRAFTSMAN/GLOBALBOM/QU/917.270814/0/Exploded_Diagram/EN/P0202041-00008.gif","glossaryText":null,"fileName":"P0202041-00008.tif","documentTypeId":"DocumentTypeModel (8796158852958@2)","documentTypeDescription":"Exploded Art","hotspotFlag":true,"userLevel":"ALL","additionalDocumentDescription":null,"id":null,"url":null,"hotspots":null,"width":null,"height":null,"isDeleted":false},{"documentID":"48232","documentFileName":"https://www.toolservicenet.com/i/CRAFTSMAN/GLOBALBOM/QU/917.270814/0/Exploded_Diagram/EN/P0202041-00009.gif","glossaryText":null,"fileName":"P0202041-00009.tif","documentTypeId":"DocumentTypeModel (8796158852958@2)","documentTypeDescription":"Exploded Art","hotspotFlag":true,"userLevel":"ALL","additionalDocumentDescription":null,"id":null,"url":null,"hotspots":null,"width":null,"height":null,"isDeleted":false},{"documentID":"48233","documentFileName":"https://www.toolservicenet.com/i/CRAFTSMAN/GLOBALBOM/QU/917.270814/0/Exploded_Diagram/EN/P0202041-00010.gif","glossaryText":null,"fileName":"P0202041-00010.tif","documentTypeId":"DocumentTypeModel (8796158852958@2)","documentTypeDescription":"Exploded Art","hotspotFlag":true,"userLevel":"ALL","additionalDocumentDescription":null,"id":null,"url":null,"hotspots":null,"width":null,"height":null,"isDeleted":false},{"documentID":"48234","documentFileName":"https://www.toolservicenet.com/i/CRAFTSMAN/GLOBALBOM/QU/917.270814/0/Instruction_Manual/EN/L9120306.pdf","glossaryText":null,"fileName":"L9120306.pdf","documentTypeId":"DocumentTypeModel (8796158721886@2)","documentTypeDescription":"Instruction Manual","hotspotFlag":false,"userLevel":"ALL","additionalDocumentDescription":null,"id":null,"url":null,"hotspots":null,"width":null,"height":null,"isDeleted":false}],"pdfCOSUser":[{"documentID":"48224","documentFileName":"https://www.toolservicenet.com/i/CRAFTSMAN/GLOBALBOM/QU/917.270814/0/Exploded_Diagram/EN/P0202041-00001.gif","glossaryText":null,"fileName":"P0202041-00001.tif","documentTypeId":"DocumentTypeModel (8796158852958@2)","documentTypeDescription":"Exploded Art","hotspotFlag":true,"userLevel":"ALL","additionalDocumentDescription":null,"id":null,"url":null,"hotspots":null,"width":null,"height":null,"isDeleted":false},{"documentID":"48225","documentFileName":"https://www.toolservicenet.com/i/CRAFTSMAN/GLOBALBOM/QU/917.270814/0/Exploded_Diagram/EN/P0202041-00002.gif","glossaryText":null,"fileName":"P0202041-00002.tif","documentTypeId":"DocumentTypeModel (8796158852958@2)","documentTypeDescription":"Exploded Art","hotspotFlag":true,"userLevel":"ALL","additionalDocumentDescription":null,"id":null,"url":null,"hotspots":null,"width":null,"height":null,"isDeleted":false},{"documentID":"48226","documentFileName":"https://www.toolservicenet.com/i/CRAFTSMAN/GLOBALBOM/QU/917.270814/0/Exploded_Diagram/EN/P0202041-00003.gif","glossaryText":null,"fileName":"P0202041-00003.tif","documentTypeId":"DocumentTypeModel (8796158852958@2)","documentTypeDescription":"Exploded Art","hotspotFlag":true,"userLevel":"ALL","additionalDocumentDescription":null,"id":null,"url":null,"hotspots":null,"width":null,"height":null,"isDeleted":false},{"documentID":"48227","documentFileName":"https://www.toolservicenet.com/i/CRAFTSMAN/GLOBALBOM/QU/917.270814/0/Exploded_Diagram/EN/P0202041-00004.gif","glossaryText":null,"fileName":"P0202041-00004.tif","documentTypeId":"DocumentTypeModel (8796158852958@2)","documentTypeDescription":"Exploded Art","hotspotFlag":true,"userLevel":"ALL","additionalDocumentDescription":null,"id":null,"url":null,"hotspots":null,"width":null,"height":null,"isDeleted":false},{"documentID":"48228","documentFileName":"https://www.toolservicenet.com/i/CRAFTSMAN/GLOBALBOM/QU/917.270814/0/Exploded_Diagram/EN/P0202041-00005.gif","glossaryText":null,"fileName":"P0202041-00005.tif","documentTypeId":"DocumentTypeModel (8796158852958@2)","documentTypeDescription":"Exploded Art","hotspotFlag":true,"userLevel":"ALL","additionalDocumentDescription":null,"id":null,"url":null,"hotspots":null,"width":null,"height":null,"isDeleted":false},{"documentID":"48229","documentFileName":"https://www.toolservicenet.com/i/CRAFTSMAN/GLOBALBOM/QU/917.270814/0/Exploded_Diagram/EN/P0202041-00006.gif","glossaryText":null,"fileName":"P0202041-00006.tif","documentTypeId":"DocumentTypeModel (8796158852958@2)","documentTypeDescription":"Exploded Art","hotspotFlag":true,"userLevel":"ALL","additionalDocumentDescription":null,"id":null,"url":null,"hotspots":null,"width":null,"height":null,"isDeleted":false},{"documentID":"48230","documentFileName":"https://www.toolservicenet.com/i/CRAFTSMAN/GLOBALBOM/QU/917.270814/0/Exploded_Diagram/EN/P0202041-00007.gif","glossaryText":null,"fileName":"P0202041-00007.tif","documentTypeId":"DocumentTypeModel (8796158852958@2)","documentTypeDescription":"Exploded Art","hotspotFlag":true,"userLevel":"ALL","additionalDocumentDescription":null,"id":null,"url":null,"hotspots":null,"width":null,"height":null,"isDeleted":false},{"documentID":"48231","documentFileName":"https://www.toolservicenet.com/i/CRAFTSMAN/GLOBALBOM/QU/917.270814/0/Exploded_Diagram/EN/P0202041-00008.gif","glossaryText":null,"fileName":"P0202041-00008.tif","documentTypeId":"DocumentTypeModel (8796158852958@2)","documentTypeDescription":"Exploded Art","hotspotFlag":true,"userLevel":"ALL","additionalDocumentDescription":null,"id":null,"url":null,"hotspots":null,"width":null,"height":null,"isDeleted":false},{"documentID":"48232","documentFileName":"https://www.toolservicenet.com/i/CRAFTSMAN/GLOBALBOM/QU/917.270814/0/Exploded_Diagram/EN/P0202041-00009.gif","glossaryText":null,"fileName":"P0202041-00009.tif","documentTypeId":"DocumentTypeModel (8796158852958@2)","documentTypeDescription":"Exploded Art","hotspotFlag":true,"userLevel":"ALL","additionalDocumentDescription":null,"id":null,"url":null,"hotspots":null,"width":null,"height":null,"isDeleted":false},{"documentID":"48233","documentFileName":"https://www.toolservicenet.com/i/CRAFTSMAN/GLOBALBOM/QU/917.270814/0/Exploded_Diagram/EN/P0202041-00010.gif","glossaryText":null,"fileName":"P0202041-00010.tif","documentTypeId":"DocumentTypeModel (8796158852958@2)","documentTypeDescription":"Exploded Art","hotspotFlag":true,"userLevel":"ALL","additionalDocumentDescription":null,"id":null,"url":null,"hotspots":null,"width":null,"height":null,"isDeleted":false},{"documentID":"48234","documentFileName":"https://www.toolservicenet.com/i/CRAFTSMAN/GLOBALBOM/QU/917.270814/0/Instruction_Manual/EN/L9120306.pdf","glossaryText":null,"fileName":"L9120306.pdf","documentTypeId":"DocumentTypeModel (8796158721886@2)","documentTypeDescription":"Instruction Manual","hotspotFlag":false,"userLevel":"ALL","additionalDocumentDescription":null,"id":null,"url":null,"hotspots":null,"width":null,"height":null,"isDeleted":false}],"vaiantRelatedPartList":[{"code":"P159460-CM","name":null,"url":"/c//p/P159460-CM","description":"WIRE ASM W.S","purchasable":false,"stock":{"stockLevelStatus":{"code":"outOfStock","type":"StockLevelStatus"},"stockLevel":0,"stockThreshold":null},"futureStocks":null,"availableForPickup":null,"averageRating":null,"numberOfReviews":null,"summary":null,"manufacturer":null,"variantType":null,"price":null,"baseProduct":null,"images":[],"categories":null,"reviews":null,"classifications":null,"potentialPromotions":null,"variantOptions":null,"baseOptions":[],"volumePricesFlag":null,"volumePrices":null,"productReferences":null,"variantMatrix":null,"priceRange":null,"firstCategoryNameList":null,"multidimensional":null,"configurable":false,"configuratorType":null,"addToCartDisabled":null,"addToCartDisabledMessage":null,"tags":null,"sapUnit":null,"keywords":null,"genders":null,"itemtype":"Part","partSubstitute":null,"note":null,"recallNote":null,"note1":null,"note2":null,"note3":null,"note4":null,"note5":null,"pdfAllUser":null,"pdfAuthUser":null,"pdfCOSUser":null,"vaiantRelatedPartList":null,"partHotspotList":null,"itemNumber":1,"partRelatedVariantList":null,"bomCode":4,"totalValue":null,"searchImage":null,"length":null,"width":null,"height":null,"unitOfDimension":null,"weight":null,"unitOfWeight":null,"specialRouting":false,"onlineRepair":null,"previousPartID":null,"sbdDiscountPriceValue":null,"alrCode":null,"productRecallFlag":null,"selectedDocumentId":null,"productDescription":null,"pdpImage":null,"ticketId":null,"qtyRequiredPerVariant":"1","isElgibleForRepair":null,"isPowerEligible":null,"productRecallNotes":null,"productOtherInfo":null,"backorderETA":null,"modifiedDate":null,"userLevel":"COS","displayPrice":null,"baseProductName":null,"firstVariantCode":null,"firstVariantImage":null,"productMarketType":null,"productNumber":null,"typeStatusCode":null,"productCategory":null,"typeNumber":null,"marketCode":null,"regionCode":null,"otherInformation":null,"productTypeStatus":null,"repairInstruction":null,"repairInstructionStatusDescription":null,"typeStatusDate":null,"serviceLifeDate":null,"manufacturerId":null,"parts":null,"language":null,"glossaries":null,"brand":null,"product":null,"brandCode":null,"recallNotes":null,"volume":null},{"code":"P176031-CM","name":null,"url":"/c//p/P176031-CM","description":"KIT.HSG.42","purchasable":false,"stock":{"stockLevelStatus":{"code":"outOfStock","type":"StockLevelStatus"},"stockLevel":0,"stockThreshold":null},"futureStocks":null,"availableForPickup":null,"averageRating":null,"numberOfReviews":null,"summary":null,"manufacturer":null,"variantType":null,"price":null,"baseProduct":null,"images":[],"categories":null,"reviews":null,"classifications":null,"potentialPromotions":null,"variantOptions":null,"baseOptions":[],"volumePricesFlag":null,"volumePrices":null,"productReferences":null,"variantMatrix":null,"priceRange":null,"firstCategoryNameList":null,"multidimensional":null,"configurable":false,"configuratorType":null,"addToCartDisabled":null,"addToCartDisabledMessage":null,"tags":null,"sapUnit":null,"keywords":null,"genders":null,"itemtype":"Part","partSubstitute":null,"note":null,"recallNote":null,"note1":null,"note2":null,"note3":null,"note4":null,"note5":null,"pdfAllUser":null,"pdfAuthUser":null,"pdfCOSUser":null,"vaiantRelatedPartList":null,"partHotspotList":null,"itemNumber":1,"partRelatedVariantList":null,"bomCode":2,"totalValue":null,"searchImage":null,"length":null,"width":null,"height":null,"unitOfDimension":null,"weight":null,"unitOfWeight":null,"specialRouting":false,"onlineRepair":null,"previousPartID":null,"sbdDiscountPriceValue":null,"alrCode":null,"productRecallFlag":null,"selectedDocumentId":null,"productDescription":null,"pdpImage":null,"ticketId":null,"qtyRequiredPerVariant":"1","isElgibleForRepair":null,"isPowerEligible":null,"productRecallNotes":null,"productOtherInfo":null,"backorderETA":null,"modifiedDate":null,"userLevel":"COS","displayPrice":null,"baseProductName":null,"firstVariantCode":null,"firstVariantImage":null,"productMarketType":null,"productNumber":null,"typeStatusCode":null,"productCategory":null,"typeNumber":null,"marketCode":null,"regionCode":null,"otherInformation":null,"productTypeStatus":null,"repairInstruction":null,"repairInstructionStatusDescription":null,"typeStatusDate":null,"serviceLifeDate":null,"manufacturerId":null,"parts":null,"language":null,"glossaries":null,"brand":null,"product":null,"brandCode":null,"recallNotes":null,"volume":null},{"code":"P401043-CM","name":null,"url":"/c//p/P401043-CM","description":"SEAT.XG150.B","purchasable":false,"stock":{"stockLevelStatus":{"code":"outOfStock","type":"StockLevelStatus"},"stockLevel":0,"stockThreshold":null},"futureStocks":null,"availableForPickup":null,"averageRating":null,"numberOfReviews":null,"summary":null,"manufacturer":null,"variantType":null,"price":null,"baseProduct":null,"images":[],"categories":null,"reviews":null,"classifications":null,"potentialPromotions":null,"variantOptions":null,"baseOptions":[],"volumePricesFlag":null,"volumePrices":null,"productReferences":null,"variantMatrix":null,"priceRange":null,"firstCategoryNameList":null,"multidimensional":null,"configurable":false,"configuratorType":null,"addToCartDisabled":null,"addToCartDisabledMessage":null,"tags":null,"sapUnit":null,"keywords":null,"genders":null,"itemtype":"Part","partSubstitute":null,"note":null,"recallNote":null,"note1":null,"note2":null,"note3":null,"note4":null,"note5":null,"pdfAllUser":null,"pdfAuthUser":null,"pdfCOSUser":null,"vaiantRelatedPartList":null,"partHotspotList":null,"itemNumber":1,"partRelatedVariantList":null,"bomCode":6,"totalValue":null,"searchImage":null,"length":null,"width":null,"height":null,"unitOfDimension":null,"weight":null,"unitOfWeight":null,"specialRouting":false,"onlineRepair":null,"previousPartID":null,"sbdDiscountPriceValue":null,"alrCode":null,"productRecallFlag":null,"selectedDocumentId":null,"productDescription":null,"pdpImage":null,"ticketId":null,"qtyRequiredPerVariant":"1","isElgibleForRepair":null,"isPowerEligible":null,"productRecallNotes":null,"productOtherInfo":null,"backorderETA":null,"modifiedDate":null,"userLevel":"COS","displayPrice":null,"baseProductName":null,"firstVariantCode":null,"firstVariantImage":null,"productMarketType":null,"productNumber":null,"typeStatusCode":null,"productCategory":null,"typeNumber":null,"marketCode":null,"regionCode":null,"otherInformation":null,"productTypeStatus":null,"repairInstruction":null,"repairInstructionStatusDescription":null,"typeStatusDate":null,"serviceLifeDate":null,"manufacturerId":null,"parts":null,"language":null,"glossaries":null,"brand":null,"product":null,"brandCode":null,"recallNotes":null,"volume":null},{"code":"P50795-CM","name":null,"url":"/c//p/P50795-CM","description":"BATTERY","purchasable":false,"stock":{"stockLevelStatus":{"code":"outOfStock","type":"StockLevelStatus"},"stockLevel":0,"stockThreshold":null},"futureStocks":null,"availableForPickup":null,"averageRating":null,"numberOfReviews":null,"summary":null,"manufacturer":null,"variantType":null,"price":null,"baseProduct":null,"images":[],"categories":null,"reviews":null,"classifications":null,"potentialPromotions":null,"variantOptions":null,"baseOptions":[],"volumePricesFlag":null,"volumePrices":null,"productReferences":null,"variantMatrix":null,"priceRange":null,"firstCategoryNameList":null,"multidimensional":null,"configurable":false,"configuratorType":null,"addToCartDisabled":null,"addToCartDisabledMessage":null,"tags":null,"sapUnit":null,"keywords":null,"genders":null,"itemtype":"Part","partSubstitute":null,"note":null,"recallNote":null,"note1":null,"note2":null,"note3":null,"note4":null,"note5":null,"pdfAllUser":null,"pdfAuthUser":null,"pdfCOSUser":null,"vaiantRelatedPartList":null,"partHotspotList":null,"itemNumber":1,"partRelatedVariantList":null,"bomCode":2,"totalValue":null,"searchImage":null,"length":null,"width":null,"height":null,"unitOfDimension":null,"weight":null,"unitOfWeight":null,"specialRouting":false,"onlineRepair":null,"previousPartID":null,"sbdDiscountPriceValue":null,"alrCode":null,"productRecallFlag":null,"selectedDocumentId":null,"productDescription":null,"pdpImage":null,"ticketId":null,"qtyRequiredPerVariant":"1","isElgibleForRepair":null,"isPowerEligible":null,"productRecallNotes":null,"productOtherInfo":null,"backorderETA":null,"modifiedDate":null,"userLevel":"ALL","displayPrice":null,"baseProductName":null,"firstVariantCode":null,"firstVariantImage":null,"productMarketType":null,"productNumber":null,"typeStatusCode":null,"productCategory":null,"typeNumber":null,"marketCode":null,"regionCode":null,"otherInformation":null,"productTypeStatus":null,"repairInstruction":null,"repairInstructionStatusDescription":null,"typeStatusDate":null,"serviceLifeDate":null,"manufacturerId":null,"parts":null,"language":null,"glossaries":null,"brand":null,"product":null,"brandCode":null,"recallNotes":null,"volume":null},{"code":"P532159460-CM","name":null,"url":"/c//p/P532159460-CM","description":"WIRE ASM INNER","purchasable":true,"stock":{"stockLevelStatus":{"code":"outOfStock","type":"StockLevelStatus"},"stockLevel":0,"stockThreshold":null},"futureStocks":null,"availableForPickup":null,"averageRating":null,"numberOfReviews":null,"summary":null,"manufacturer":null,"variantType":null,"price":{"currencyIso":"USD","value":7.98,"priceType":"BUY","formattedValue":"$7.98","minQuantity":null,"maxQuantity":null,"sapUnit":{"code":"pieces","name":"Piece"}},"baseProduct":null,"images":[],"categories":null,"reviews":null,"classifications":null,"potentialPromotions":null,"variantOptions":null,"baseOptions":[],"volumePricesFlag":null,"volumePrices":null,"productReferences":null,"variantMatrix":null,"priceRange":null,"firstCategoryNameList":null,"multidimensional":null,"configurable":false,"configuratorType":null,"addToCartDisabled":null,"addToCartDisabledMessage":null,"tags":null,"sapUnit":null,"keywords":null,"genders":null,"itemtype":"Part","partSubstitute":null,"note":null,"recallNote":null,"note1":null,"note2":null,"note3":null,"note4":null,"note5":null,"pdfAllUser":null,"pdfAuthUser":null,"pdfCOSUser":null,"vaiantRelatedPartList":null,"partHotspotList":null,"itemNumber":1,"partRelatedVariantList":null,"bomCode":2,"totalValue":null,"searchImage":null,"length":null,"width":null,"height":null,"unitOfDimension":null,"weight":null,"unitOfWeight":null,"specialRouting":false,"onlineRepair":null,"previousPartID":null,"sbdDiscountPriceValue":{"currencyIso":"USD","value":7.98,"priceType":"BUY","formattedValue":"$7.98","minQuantity":null,"maxQuantity":null,"sapUnit":{"code":"pieces","name":"Piece"}},"alrCode":null,"productRecallFlag":null,"selectedDocumentId":null,"productDescription":null,"pdpImage":null,"ticketId":null,"qtyRequiredPerVariant":"1","isElgibleForRepair":null,"isPowerEligible":null,"productRecallNotes":null,"productOtherInfo":null,"backorderETA":"00/00/0000","modifiedDate":null,"userLevel":"COS","displayPrice":null,"baseProductName":null,"firstVariantCode":null,"firstVariantImage":null,"productMarketType":null,"productNumber":null,"typeStatusCode":null,"productCategory":null,"typeNumber":null,"marketCode":null,"regionCode":null,"otherInformation":null,"productTypeStatus":null,"repairInstruction":null,"repairInstructionStatusDescription":null,"typeStatusDate":null,"serviceLifeDate":null,"manufacturerId":null,"parts":null,"language":null,"glossaries":null,"brand":null,"product":null,"brandCode":null,"recallNotes":null,"volume":null},{"code":"P532176031-CM","name":null,"url":"/c//p/P532176031-CM","description":"DECK SVC 42 TP","purchasable":true,"stock":{"stockLevelStatus":{"code":"outOfStock","type":"StockLevelStatus"},"stockLevel":0,"stockThreshold":null},"futureStocks":null,"availableForPickup":null,"averageRating":null,"numberOfReviews":null,"summary":null,"manufacturer":null,"variantType":null,"price":{"currencyIso":"USD","value":202.48,"priceType":"BUY","formattedValue":"$202.48","minQuantity":null,"maxQuantity":null,"sapUnit":{"code":"pieces","name":"Piece"}},"baseProduct":null,"images":[],"categories":null,"reviews":null,"classifications":null,"potentialPromotions":null,"variantOptions":null,"baseOptions":[],"volumePricesFlag":null,"volumePrices":null,"productReferences":null,"variantMatrix":null,"priceRange":null,"firstCategoryNameList":null,"multidimensional":null,"configurable":false,"configuratorType":null,"addToCartDisabled":null,"addToCartDisabledMessage":null,"tags":null,"sapUnit":null,"keywords":null,"genders":null,"itemtype":"Part","partSubstitute":null,"note":null,"recallNote":null,"note1":null,"note2":null,"note3":null,"note4":null,"note5":null,"pdfAllUser":null,"pdfAuthUser":null,"pdfCOSUser":null,"vaiantRelatedPartList":null,"partHotspotList":null,"itemNumber":1,"partRelatedVariantList":null,"bomCode":2,"totalValue":null,"searchImage":null,"length":null,"width":null,"height":null,"unitOfDimension":null,"weight":null,"unitOfWeight":null,"specialRouting":false,"onlineRepair":null,"previousPartID":null,"sbdDiscountPriceValue":{"currencyIso":"USD","value":202.48,"priceType":"BUY","formattedValue":"$202.48","minQuantity":null,"maxQuantity":null,"sapUnit":{"code":"pieces","name":"Piece"}},"alrCode":null,"productRecallFlag":null,"selectedDocumentId":null,"productDescription":null,"pdpImage":null,"ticketId":null,"qtyRequiredPerVariant":"1","isElgibleForRepair":null,"isPowerEligible":null,"productRecallNotes":null,"productOtherInfo":null,"backorderETA":"00/00/0000","modifiedDate":null,"userLevel":"COS","displayPrice":null,"baseProductName":null,"firstVariantCode":null,"firstVariantImage":null,"productMarketType":null,"productNumber":null,"typeStatusCode":null,"productCategory":null,"typeNumber":null,"marketCode":null,"regionCode":null,"otherInformation":null,"productTypeStatus":null,"repairInstruction":null,"repairInstructionStatusDescription":null,"typeStatusDate":null,"serviceLifeDate":null,"manufacturerId":null,"parts":null,"language":null,"glossaries":null,"brand":null,"product":null,"brandCode":null,"recallNotes":null,"volume":null},{"code":"P532401043-CM","name":null,"url":"/c//p/P532401043-CM","description":"SEAT.XG150.BLK.KB/","purchasable":true,"stock":{"stockLevelStatus":{"code":"outOfStock","type":"StockLevelStatus"},"stockLevel":0,"stockThreshold":null},"futureStocks":null,"availableForPickup":null,"averageRating":null,"numberOfReviews":null,"summary":null,"manufacturer":null,"variantType":null,"price":{"currencyIso":"USD","value":170.51,"priceType":"BUY","formattedValue":"$170.51","minQuantity":null,"maxQuantity":null,"sapUnit":{"code":"pieces","name":"Piece"}},"baseProduct":null,"images":[],"categories":null,"reviews":null,"classifications":null,"potentialPromotions":null,"variantOptions":null,"baseOptions":[],"volumePricesFlag":null,"volumePrices":null,"productReferences":null,"variantMatrix":null,"priceRange":null,"firstCategoryNameList":null,"multidimensional":null,"configurable":false,"configuratorType":null,"addToCartDisabled":null,"addToCartDisabledMessage":null,"tags":null,"sapUnit":null,"keywords":null,"genders":null,"itemtype":"Part","partSubstitute":null,"note":null,"recallNote":null,"note1":null,"note2":null,"note3":null,"note4":null,"note5":null,"pdfAllUser":null,"pdfAuthUser":null,"pdfCOSUser":null,"vaiantRelatedPartList":null,"partHotspotList":null,"itemNumber":1,"partRelatedVariantList":null,"bomCode":2,"totalValue":null,"searchImage":null,"length":null,"width":null,"height":null,"unitOfDimension":null,"weight":null,"unitOfWeight":null,"specialRouting":false,"onlineRepair":null,"previousPartID":null,"sbdDiscountPriceValue":{"currencyIso":"USD","value":170.51,"priceType":"BUY","formattedValue":"$170.51","minQuantity":null,"maxQuantity":null,"sapUnit":{"code":"pieces","name":"Piece"}},"alrCode":null,"productRecallFlag":null,"selectedDocumentId":null,"productDescription":null,"pdpImage":null,"ticketId":null,"qtyRequiredPerVariant":"1","isElgibleForRepair":null,"isPowerEligible":null,"productRecallNotes":null,"productOtherInfo":null,"backorderETA":"00/00/0000","modifiedDate":null,"userLevel":"COS","displayPrice":null,"baseProductName":null,"firstVariantCode":null,"firstVariantImage":null,"productMarketType":null,"productNumber":null,"typeStatusCode":null,"productCategory":null,"typeNumber":null,"marketCode":null,"regionCode":null,"otherInformation":null,"productTypeStatus":null,"repairInstruction":null,"repairInstructionStatusDescription":null,"typeStatusDate":null,"serviceLifeDate":null,"manufacturerId":null,"parts":null,"language":null,"glossaries":null,"brand":null,"product":null,"brandCode":null,"recallNotes":null,"volume":null},{"code":"P582985601-CM","name":null,"url":"/c//p/P582985601-CM","description":"DECAL-FENDER","purchasable":true,"stock":{"stockLevelStatus":{"code":"outOfStock","type":"StockLevelStatus"},"stockLevel":0,"stockThreshold":null},"futureStocks":null,"availableForPickup":null,"averageRating":null,"numberOfReviews":null,"summary":null,"manufacturer":null,"variantType":null,"price":{"currencyIso":"USD","value":9.26,"priceType":"BUY","formattedValue":"$9.26","minQuantity":null,"maxQuantity":null,"sapUnit":{"code":"pieces","name":"Piece"}},"baseProduct":null,"images":[],"categories":null,"reviews":null,"classifications":null,"potentialPromotions":null,"variantOptions":null,"baseOptions":[],"volumePricesFlag":null,"volumePrices":null,"productReferences":null,"variantMatrix":null,"priceRange":null,"firstCategoryNameList":null,"multidimensional":null,"configurable":false,"configuratorType":null,"addToCartDisabled":null,"addToCartDisabledMessage":null,"tags":null,"sapUnit":null,"keywords":null,"genders":null,"itemtype":"Part","partSubstitute":null,"note":null,"recallNote":null,"note1":null,"note2":null,"note3":null,"note4":null,"note5":null,"pdfAllUser":null,"pdfAuthUser":null,"pdfCOSUser":null,"vaiantRelatedPartList":null,"partHotspotList":null,"itemNumber":1,"partRelatedVariantList":null,"bomCode":2,"totalValue":null,"searchImage":null,"length":null,"width":null,"height":null,"unitOfDimension":null,"weight":null,"unitOfWeight":null,"specialRouting":false,"onlineRepair":null,"previousPartID":null,"sbdDiscountPriceValue":{"currencyIso":"USD","value":9.26,"priceType":"BUY","formattedValue":"$9.26","minQuantity":null,"maxQuantity":null,"sapUnit":{"code":"pieces","name":"Piece"}},"alrCode":null,"productRecallFlag":null,"selectedDocumentId":null,"productDescription":null,"pdpImage":null,"ticketId":null,"qtyRequiredPerVariant":"1","isElgibleForRepair":null,"isPowerEligible":null,"productRecallNotes":null,"productOtherInfo":null,"backorderETA":"00/00/0000","modifiedDate":null,"userLevel":"COS","displayPrice":null,"baseProductName":null,"firstVariantCode":null,"firstVariantImage":null,"productMarketType":null,"productNumber":null,"typeStatusCode":null,"productCategory":null,"typeNumber":null,"marketCode":null,"regionCode":null,"otherInformation":null,"productTypeStatus":null,"repairInstruction":null,"repairInstructionStatusDescription":null,"typeStatusDate":null,"serviceLifeDate":null,"manufacturerId":null,"parts":null,"language":null,"glossaries":null,"brand":null,"product":null,"brandCode":null,"recallNotes":null,"volume":null},{"code":"P583261901-CM","name":null,"url":"/c//p/P583261901-CM","description":"KIT.WHEEL.ST","purchasable":true,"stock":{"stockLevelStatus":{"code":"outOfStock","type":"StockLevelStatus"},"stockLevel":0,"stockThreshold":null},"futureStocks":null,"availableForPickup":null,"averageRating":null,"numberOfReviews":null,"summary":null,"manufacturer":null,"variantType":null,"price":{"currencyIso":"USD","value":30.83,"priceType":"BUY","formattedValue":"$30.83","minQuantity":null,"maxQuantity":null,"sapUnit":{"code":"pieces","name":"Piece"}},"baseProduct":null,"images":[],"categories":null,"reviews":null,"classifications":null,"potentialPromotions":null,"variantOptions":null,"baseOptions":[],"volumePricesFlag":null,"volumePrices":null,"productReferences":null,"variantMatrix":null,"priceRange":null,"firstCategoryNameList":null,"multidimensional":null,"configurable":false,"configuratorType":null,"addToCartDisabled":null,"addToCartDisabledMessage":null,"tags":null,"sapUnit":null,"keywords":null,"genders":null,"itemtype":"Part","partSubstitute":null,"note":null,"recallNote":null,"note1":null,"note2":null,"note3":null,"note4":null,"note5":null,"pdfAllUser":null,"pdfAuthUser":null,"pdfCOSUser":null,"vaiantRelatedPartList":null,"partHotspotList":null,"itemNumber":1,"partRelatedVariantList":null,"bomCode":2,"totalValue":null,"searchImage":null,"length":null,"width":null,"height":null,"unitOfDimension":null,"weight":null,"unitOfWeight":null,"specialRouting":false,"onlineRepair":null,"previousPartID":null,"sbdDiscountPriceValue":{"currencyIso":"USD","value":30.83,"priceType":"BUY","formattedValue":"$30.83","minQuantity":null,"maxQuantity":null,"sapUnit":{"code":"pieces","name":"Piece"}},"alrCode":null,"productRecallFlag":null,"selectedDocumentId":null,"productDescription":null,"pdpImage":null,"ticketId":null,"qtyRequiredPerVariant":"1","isElgibleForRepair":null,"isPowerEligible":null,"productRecallNotes":null,"productOtherInfo":null,"backorderETA":"00/00/0000","modifiedDate":null,"userLevel":"COS","displayPrice":null,"baseProductName":null,"firstVariantCode":null,"firstVariantImage":null,"productMarketType":null,"productNumber":null,"typeStatusCode":null,"productCategory":null,"typeNumber":null,"marketCode":null,"regionCode":null,"otherInformation":null,"productTypeStatus":null,"repairInstruction":null,"repairInstructionStatusDescription":null,"typeStatusDate":null,"serviceLifeDate":null,"manufacturerId":null,"parts":null,"language":null,"glossaries":null,"brand":null,"product":null,"brandCode":null,"recallNotes":null,"volume":null},{"code":"P583691201-CM","name":null,"url":"/c//p/P583691201-CM","description":"CONTROL.THRO","purchasable":true,"stock":{"stockLevelStatus":{"code":"outOfStock","type":"StockLevelStatus"},"stockLevel":0,"stockThreshold":null},"futureStocks":null,"availableForPickup":null,"averageRating":null,"numberOfReviews":null,"summary":null,"manufacturer":null,"variantType":null,"price":{"currencyIso":"USD","value":20.08,"priceType":"BUY","formattedValue":"$20.08","minQuantity":null,"maxQuantity":null,"sapUnit":{"code":"pieces","name":"Piece"}},"baseProduct":null,"images":[],"categories":null,"reviews":null,"classifications":null,"potentialPromotions":null,"variantOptions":null,"baseOptions":[],"volumePricesFlag":null,"volumePrices":null,"productReferences":null,"variantMatrix":null,"priceRange":null,"firstCategoryNameList":null,"multidimensional":null,"configurable":false,"configuratorType":null,"addToCartDisabled":null,"addToCartDisabledMessage":null,"tags":null,"sapUnit":null,"keywords":null,"genders":null,"itemtype":"Part","partSubstitute":null,"note":null,"recallNote":null,"note1":null,"note2":null,"note3":null,"note4":null,"note5":null,"pdfAllUser":null,"pdfAuthUser":null,"pdfCOSUser":null,"vaiantRelatedPartList":null,"partHotspotList":null,"itemNumber":1,"partRelatedVariantList":null,"bomCode":2,"totalValue":null,"searchImage":null,"length":null,"width":null,"height":null,"unitOfDimension":null,"weight":null,"unitOfWeight":null,"specialRouting":false,"onlineRepair":null,"previousPartID":null,"sbdDiscountPriceValue":{"currencyIso":"USD","value":20.08,"priceType":"BUY","formattedValue":"$20.08","minQuantity":null,"maxQuantity":null,"sapUnit":{"code":"pieces","name":"Piece"}},"alrCode":null,"productRecallFlag":null,"selectedDocumentId":null,"productDescription":null,"pdpImage":null,"ticketId":null,"qtyRequiredPerVariant":"1","isElgibleForRepair":null,"isPowerEligible":null,"productRecallNotes":null,"productOtherInfo":null,"backorderETA":"00/00/0000","modifiedDate":null,"userLevel":"COS","displayPrice":null,"baseProductName":null,"firstVariantCode":null,"firstVariantImage":null,"productMarketType":null,"productNumber":null,"typeStatusCode":null,"productCategory":null,"typeNumber":null,"marketCode":null,"regionCode":null,"otherInformation":null,"productTypeStatus":null,"repairInstruction":null,"repairInstructionStatusDescription":null,"typeStatusDate":null,"serviceLifeDate":null,"manufacturerId":null,"parts":null,"language":null,"glossaries":null,"brand":null,"product":null,"brandCode":null,"recallNotes":null,"volume":null},{"code":"P59192-CM","name":null,"url":"/c//p/P59192-CM","description":"CAP VALVE TIRE","purchasable":true,"stock":{"stockLevelStatus":{"code":"inStock","type":"StockLevelStatus"},"stockLevel":0,"stockThreshold":null},"futureStocks":null,"availableForPickup":null,"averageRating":null,"numberOfReviews":null,"summary":null,"manufacturer":null,"variantType":null,"price":{"currencyIso":"USD","value":3.1,"priceType":"BUY","formattedValue":"$3.10","minQuantity":null,"maxQuantity":null,"sapUnit":{"code":"pieces","name":"Piece"}},"baseProduct":null,"images":[],"categories":null,"reviews":null,"classifications":null,"potentialPromotions":null,"variantOptions":null,"baseOptions":[],"volumePricesFlag":null,"volumePrices":null,"productReferences":null,"variantMatrix":null,"priceRange":null,"firstCategoryNameList":null,"multidimensional":null,"configurable":false,"configuratorType":null,"addToCartDisabled":null,"addToCartDisabledMessage":null,"tags":null,"sapUnit":null,"keywords":null,"genders":null,"itemtype":"Part","partSubstitute":null,"note":null,"recallNote":null,"note1":null,"note2":null,"note3":null,"note4":null,"note5":null,"pdfAllUser":null,"pdfAuthUser":null,"pdfCOSUser":null,"vaiantRelatedPartList":null,"partHotspotList":null,"itemNumber":1,"partRelatedVariantList":null,"bomCode":2,"totalValue":null,"searchImage":null,"length":null,"width":null,"height":null,"unitOfDimension":null,"weight":null,"unitOfWeight":null,"specialRouting":false,"onlineRepair":null,"previousPartID":null,"sbdDiscountPriceValue":{"currencyIso":"USD","value":3.1,"priceType":"BUY","formattedValue":"$3.10","minQuantity":null,"maxQuantity":null,"sapUnit":{"code":"pieces","name":"Piece"}},"alrCode":null,"productRecallFlag":null,"selectedDocumentId":null,"productDescription":null,"pdpImage":null,"ticketId":null,"qtyRequiredPerVariant":"1","isElgibleForRepair":null,"isPowerEligible":null,"productRecallNotes":null,"productOtherInfo":null,"backorderETA":"00/00/0000","modifiedDate":null,"userLevel":"COS","displayPrice":null,"baseProductName":null,"firstVariantCode":null,"firstVariantImage":null,"productMarketType":null,"productNumber":null,"typeStatusCode":null,"productCategory":null,"typeNumber":null,"marketCode":null,"regionCode":null,"otherInformation":null,"productTypeStatus":null,"repairInstruction":null,"repairInstructionStatusDescription":null,"typeStatusDate":null,"serviceLifeDate":null,"manufacturerId":null,"parts":null,"language":null,"glossaries":null,"brand":null,"product":null,"brandCode":null,"recallNotes":null,"volume":null},{"code":"P140551-CM","name":null,"url":"/c//p/P140551-CM","description":"BRKT PVT","purchasable":false,"stock":{"stockLevelStatus":{"code":"outOfStock","type":"StockLevelStatus"},"stockLevel":0,"stockThreshold":null},"futureStocks":null,"availableForPickup":null,"averageRating":null,"numberOfReviews":null,"summary":null,"manufacturer":null,"variantType":null,"price":null,"baseProduct":null,"images":[],"categories":null,"reviews":null,"classifications":null,"potentialPromotions":null,"variantOptions":null,"baseOptions":[],"volumePricesFlag":null,"volumePrices":null,"productReferences":null,"variantMatrix":null,"priceRange":null,"firstCategoryNameList":null,"multidimensional":null,"configurable":false,"configuratorType":null,"addToCartDisabled":null,"addToCartDisabledMessage":null,"tags":null,"sapUnit":null,"keywords":null,"genders":null,"itemtype":"Part","partSubstitute":"P418168-CM","note":null,"recallNote":null,"note1":null,"note2":null,"note3":null,"note4":null,"note5":null,"pdfAllUser":null,"pdfAuthUser":null,"pdfCOSUser":null,"vaiantRelatedPartList":null,"partHotspotList":null,"itemNumber":2,"partRelatedVariantList":null,"bomCode":4,"totalValue":null,"searchImage":null,"length":null,"width":null,"height":null,"unitOfDimension":null,"weight":null,"unitOfWeight":null,"specialRouting":false,"onlineRepair":null,"previousPartID":null,"sbdDiscountPriceValue":null,"alrCode":null,"productRecallFlag":null,"selectedDocumentId":null,"productDescription":null,"pdpImage":null,"ticketId":null,"qtyRequiredPerVariant":"1","isElgibleForRepair":null,"isPowerEligible":null,"productRecallNotes":null,"productOtherInfo":null,"backorderETA":null,"modifiedDate":null,"userLevel":"COS","displayPrice":null,"baseProductName":null,"firstVariantCode":null,"firstVariantImage":null,"productMarketType":null,"productNumber":null,"typeStatusCode":null,"productCategory":null,"typeNumber":null,"marketCode":null,"regionCode":null,"otherInformation":null,"productTypeStatus":null,"repairInstruction":null,"repairInstructionStatusDescription":null,"typeStatusDate":null,"serviceLifeDate":null,"manufacturerId":null,"parts":null,"language":null,"glossaries":null,"brand":null,"product":null,"brandCode":null,"recallNotes":null,"volume":null},{"code":"P159471-CM","name":null,"url":"/c//p/P159471-CM","description":"SHAFT ASM LI","purchasable":false,"stock":{"stockLevelStatus":{"code":"outOfStock","type":"StockLevelStatus"},"stockLevel":0,"stockThreshold":null},"futureStocks":null,"availableForPickup":null,"averageRating":null,"numberOfReviews":null,"summary":null,"manufacturer":null,"variantType":null,"price":null,"baseProduct":null,"images":[],"categories":null,"reviews":null,"classifications":null,"potentialPromotions":null,"variantOptions":null,"baseOptions":[],"volumePricesFlag":null,"volumePrices":null,"productReferences":null,"variantMatrix":null,"priceRange":null,"firstCategoryNameList":null,"multidimensional":null,"configurable":false,"configuratorType":null,"addToCartDisabled":null,"addToCartDisabledMessage":null,"tags":null,"sapUnit":null,"keywords":null,"genders":null,"itemtype":"Part","partSubstitute":"P65139-CM","note":null,"recallNote":null,"note1":null,"note2":null,"note3":null,"note4":null,"note5":null,"pdfAllUser":null,"pdfAuthUser":null,"pdfCOSUser":null,"vaiantRelatedPartList":null,"partHotspotList":null,"itemNumber":2,"partRelatedVariantList":null,"bomCode":4,"totalValue":null,"searchImage":null,"length":null,"width":null,"height":null,"unitOfDimension":null,"weight":null,"unitOfWeight":null,"specialRouting":false,"onlineRepair":null,"previousPartID":null,"sbdDiscountPriceValue":null,"alrCode":null,"productRecallFlag":null,"selectedDocumentId":null,"productDescription":null,"pdpImage":null,"ticketId":null,"qtyRequiredPerVariant":"1","isElgibleForRepair":null,"isPowerEligible":null,"productRecallNotes":null,"productOtherInfo":null,"backorderETA":null,"modifiedDate":null,"userLevel":"COS","displayPrice":null,"baseProductName":null,"firstVariantCode":null,"firstVariantImage":null,"productMarketType":null,"productNumber":null,"typeStatusCode":null,"productCategory":null,"typeNumber":null,"marketCode":null,"regionCode":null,"otherInformation":null,"productTypeStatus":null,"repairInstruction":null,"repairInstructionStatusDescription":null,"typeStatusDate":null,"serviceLifeDate":null,"manufacturerId":null,"parts":null,"language":null,"glossaries":null,"brand":null,"product":null,"brandCode":null,"recallNotes":null,"volume":null},{"code":"P17720408-CM","name":null,"url":"/c//p/P17720408-CM","description":"SCREW THD. CUT 1/4-20 X 1/2","purchasable":true,"stock":{"stockLevelStatus":{"code":"inStock","type":"StockLevelStatus"},"stockLevel":0,"stockThreshold":null},"futureStocks":null,"availableForPickup":null,"averageRating":null,"numberOfReviews":null,"summary":null,"manufacturer":null,"variantType":null,"price":{"currencyIso":"USD","value":3.1,"priceType":"BUY","formattedValue":"$3.10","minQuantity":null,"maxQuantity":null,"sapUnit":{"code":"pieces","name":"Piece"}},"baseProduct":null,"images":[],"categories":null,"reviews":null,"classifications":null,"potentialPromotions":null,"variantOptions":null,"baseOptions":[],"volumePricesFlag":null,"volumePrices":null,"productReferences":null,"variantMatrix":null,"priceRange":null,"firstCategoryNameList":null,"multidimensional":null,"configurable":false,"configuratorType":null,"addToCartDisabled":null,"addToCartDisabledMessage":null,"tags":null,"sapUnit":null,"keywords":null,"genders":null,"itemtype":"Part","partSubstitute":null,"note":null,"recallNote":null,"note1":null,"note2":null,"note3":null,"note4":null,"note5":null,"pdfAllUser":null,"pdfAuthUser":null,"pdfCOSUser":null,"vaiantRelatedPartList":null,"partHotspotList":null,"itemNumber":2,"partRelatedVariantList":null,"bomCode":2,"totalValue":null,"searchImage":null,"length":null,"width":null,"height":null,"unitOfDimension":null,"weight":null,"unitOfWeight":null,"specialRouting":false,"onlineRepair":null,"previousPartID":null,"sbdDiscountPriceValue":{"currencyIso":"USD","value":3.1,"priceType":"BUY","formattedValue":"$3.10","minQuantity":null,"maxQuantity":null,"sapUnit":{"code":"pieces","name":"Piece"}},"alrCode":null,"productRecallFlag":null,"selectedDocumentId":null,"productDescription":null,"pdpImage":null,"ticketId":null,"qtyRequiredPerVariant":"1","isElgibleForRepair":null,"isPowerEligible":null,"productRecallNotes":null,"productOtherInfo":null,"backorderETA":"00/00/0000","modifiedDate":null,"userLevel":"COS","displayPrice":null,"baseProductName":null,"firstVariantCode":null,"firstVariantImage":null,"productMarketType":null,"productNumber":null,"typeStatusCode":null,"productCategory":null,"typeNumber":null,"marketCode":null,"regionCode":null,"otherInformation":null,"productTypeStatus":null,"repairInstruction":null,"repairInstructionStatusDescription":null,"typeStatusDate":null,"serviceLifeDate":null,"manufacturerId":null,"parts":null,"language":null,"glossaries":null,"brand":null,"product":null,"brandCode":null,"recallNotes":null,"volume":null},{"code":"P418168-CM","name":null,"url":"/c//p/P418168-CM","description":"AXLE HALF ASM-WELDED","purchasable":true,"stock":{"stockLevelStatus":{"code":"outOfStock","type":"StockLevelStatus"},"stockLevel":0,"stockThreshold":null},"futureStocks":null,"availableForPickup":null,"averageRating":null,"numberOfReviews":null,"summary":null,"manufacturer":null,"variantType":null,"price":{"currencyIso":"USD","value":34.64,"priceType":"BUY","formattedValue":"$34.64","minQuantity":null,"maxQuantity":null,"sapUnit":{"code":"pieces","name":"Piece"}},"baseProduct":null,"images":[],"categories":null,"reviews":null,"classifications":null,"potentialPromotions":null,"variantOptions":null,"baseOptions":[],"volumePricesFlag":null,"volumePrices":null,"productReferences":null,"variantMatrix":null,"priceRange":null,"firstCategoryNameList":null,"multidimensional":null,"configurable":false,"configuratorType":null,"addToCartDisabled":null,"addToCartDisabledMessage":null,"tags":null,"sapUnit":null,"keywords":null,"genders":null,"itemtype":"Part","partSubstitute":null,"note":null,"recallNote":null,"note1":null,"note2":null,"note3":null,"note4":null,"note5":null,"pdfAllUser":null,"pdfAuthUser":null,"pdfCOSUser":null,"vaiantRelatedPartList":null,"partHotspotList":null,"itemNumber":2,"partRelatedVariantList":null,"bomCode":2,"totalValue":null,"searchImage":null,"length":null,"width":null,"height":null,"unitOfDimension":null,"weight":null,"unitOfWeight":null,"specialRouting":false,"onlineRepair":null,"previousPartID":null,"sbdDiscountPriceValue":{"currencyIso":"USD","value":34.64,"priceType":"BUY","formattedValue":"$34.64","minQuantity":null,"maxQuantity":null,"sapUnit":{"code":"pieces","name":"Piece"}},"alrCode":null,"productRecallFlag":null,"selectedDocumentId":null,"productDescription":null,"pdpImage":null,"ticketId":null,"qtyRequiredPerVariant":"1","isElgibleForRepair":null,"isPowerEligible":null,"productRecallNotes":null,"productOtherInfo":null,"backorderETA":"00/00/0000","modifiedDate":null,"userLevel":"COS","displayPrice":null,"baseProductName":null,"firstVariantCode":null,"firstVariantImage":null,"productMarketType":null,"productNumber":null,"typeStatusCode":null,"productCategory":null,"typeNumber":null,"marketCode":null,"regionCode":null,"otherInformation":null,"productTypeStatus":null,"repairInstruction":null,"repairInstructionStatusDescription":null,"typeStatusDate":null,"serviceLifeDate":null,"manufacturerId":null,"parts":null,"language":null,"glossaries":null,"brand":null,"product":null,"brandCode":null,"recallNotes":null,"volume":null},{"code":"P532140551-CM","name":null,"url":"/c//p/P532140551-CM","description":"SEAT PIVOT BRKT","purchasable":true,"stock":{"stockLevelStatus":{"code":"outOfStock","type":"StockLevelStatus"},"stockLevel":0,"stockThreshold":null},"futureStocks":null,"availableForPickup":null,"averageRating":null,"numberOfReviews":null,"summary":null,"manufacturer":null,"variantType":null,"price":{"currencyIso":"USD","value":3.1,"priceType":"BUY","formattedValue":"$3.10","minQuantity":null,"maxQuantity":null,"sapUnit":{"code":"pieces","name":"Piece"}},"baseProduct":null,"images":[],"categories":null,"reviews":null,"classifications":null,"potentialPromotions":null,"variantOptions":null,"baseOptions":[],"volumePricesFlag":null,"volumePrices":null,"productReferences":null,"variantMatrix":null,"priceRange":null,"firstCategoryNameList":null,"multidimensional":null,"configurable":false,"configuratorType":null,"addToCartDisabled":null,"addToCartDisabledMessage":null,"tags":null,"sapUnit":null,"keywords":null,"genders":null,"itemtype":"Part","partSubstitute":null,"note":null,"recallNote":null,"note1":null,"note2":null,"note3":null,"note4":null,"note5":null,"pdfAllUser":null,"pdfAuthUser":null,"pdfCOSUser":null,"vaiantRelatedPartList":null,"partHotspotList":null,"itemNumber":2,"partRelatedVariantList":null,"bomCode":2,"totalValue":null,"searchImage":null,"length":null,"width":null,"height":null,"unitOfDimension":null,"weight":null,"unitOfWeight":null,"specialRouting":false,"onlineRepair":null,"previousPartID":null,"sbdDiscountPriceValue":{"currencyIso":"USD","value":3.1,"priceType":"BUY","formattedValue":"$3.10","minQuantity":null,"maxQuantity":null,"sapUnit":{"code":"pieces","name":"Piece"}},"alrCode":null,"productRecallFlag":null,"selectedDocumentId":null,"productDescription":null,"pdpImage":null,"ticketId":null,"qtyRequiredPerVariant":"1","isElgibleForRepair":null,"isPowerEligible":null,"productRecallNotes":null,"productOtherInfo":null,"backorderETA":"00/00/0000","modifiedDate":null,"userLevel":"COS","displayPrice":null,"baseProductName":null,"firstVariantCode":null,"firstVariantImage":null,"productMarketType":null,"productNumber":null,"typeStatusCode":null,"productCategory":null,"typeNumber":null,"marketCode":null,"regionCode":null,"otherInformation":null,"productTypeStatus":null,"repairInstruction":null,"repairInstructionStatusDescription":null,"typeStatusDate":null,"serviceLifeDate":null,"manufacturerId":null,"parts":null,"language":null,"glossaries":null,"brand":null,"product":null,"brandCode":null,"recallNotes":null,"volume":null},{"code":"P532145009-CM","name":null,"url":"/c//p/P532145009-CM","description":"KIT.DRAWBAR.","purchasable":true,"stock":{"stockLevelStatus":{"code":"outOfStock","type":"StockLevelStatus"},"stockLevel":0,"stockThreshold":null},"futureStocks":null,"availableForPickup":null,"averageRating":null,"numberOfReviews":null,"summary":null,"manufacturer":null,"variantType":null,"price":{"currencyIso":"USD","value":33.41,"priceType":"BUY","formattedValue":"$33.41","minQuantity":null,"maxQuantity":null,"sapUnit":{"code":"pieces","name":"Piece"}},"baseProduct":null,"images":[],"categories":null,"reviews":null,"classifications":null,"potentialPromotions":null,"variantOptions":null,"baseOptions":[],"volumePricesFlag":null,"volumePrices":null,"productReferences":null,"variantMatrix":null,"priceRange":null,"firstCategoryNameList":null,"multidimensional":null,"configurable":false,"configuratorType":null,"addToCartDisabled":null,"addToCartDisabledMessage":null,"tags":null,"sapUnit":null,"keywords":null,"genders":null,"itemtype":"Part","partSubstitute":null,"note":null,"recallNote":null,"note1":null,"note2":null,"note3":null,"note4":null,"note5":null,"pdfAllUser":null,"pdfAuthUser":null,"pdfCOSUser":null,"vaiantRelatedPartList":null,"partHotspotList":null,"itemNumber":2,"partRelatedVariantList":null,"bomCode":2,"totalValue":null,"searchImage":null,"length":null,"width":null,"height":null,"unitOfDimension":null,"weight":null,"unitOfWeight":null,"specialRouting":false,"onlineRepair":null,"previousPartID":null,"sbdDiscountPriceValue":{"currencyIso":"USD","value":33.41,"priceType":"BUY","formattedValue":"$33.41","minQuantity":null,"maxQuantity":null,"sapUnit":{"code":"pieces","name":"Piece"}},"alrCode":null,"productRecallFlag":null,"selectedDocumentId":null,"productDescription":null,"pdpImage":null,"ticketId":null,"qtyRequiredPerVariant":"1","isElgibleForRepair":null,"isPowerEligible":null,"productRecallNotes":null,"productOtherInfo":null,"backorderETA":"00/00/0000","modifiedDate":null,"userLevel":"COS","displayPrice":null,"baseProductName":null,"firstVariantCode":null,"firstVariantImage":null,"productMarketType":null,"productNumber":null,"typeStatusCode":null,"productCategory":null,"typeNumber":null,"marketCode":null,"regionCode":null,"otherInformation":null,"productTypeStatus":null,"repairInstruction":null,"repairInstructionStatusDescription":null,"typeStatusDate":null,"serviceLifeDate":null,"manufacturerId":null,"parts":null,"language":null,"glossaries":null,"brand":null,"product":null,"brandCode":null,"recallNotes":null,"volume":null},{"code":"P532146682-CM","name":null,"url":"/c//p/P532146682-CM","description":"SPRING/BRAKE","purchasable":true,"stock":{"stockLevelStatus":{"code":"outOfStock","type":"StockLevelStatus"},"stockLevel":0,"stockThreshold":null},"futureStocks":null,"availableForPickup":null,"averageRating":null,"numberOfReviews":null,"summary":null,"manufacturer":null,"variantType":null,"price":{"currencyIso":"USD","value":4.25,"priceType":"BUY","formattedValue":"$4.25","minQuantity":null,"maxQuantity":null,"sapUnit":{"code":"pieces","name":"Piece"}},"baseProduct":null,"images":[],"categories":null,"reviews":null,"classifications":null,"potentialPromotions":null,"variantOptions":null,"baseOptions":[],"volumePricesFlag":null,"volumePrices":null,"productReferences":null,"variantMatrix":null,"priceRange":null,"firstCategoryNameList":null,"multidimensional":null,"configurable":false,"configuratorType":null,"addToCartDisabled":null,"addToCartDisabledMessage":null,"tags":null,"sapUnit":null,"keywords":null,"genders":null,"itemtype":"Part","partSubstitute":null,"note":null,"recallNote":null,"note1":null,"note2":null,"note3":null,"note4":null,"note5":null,"pdfAllUser":null,"pdfAuthUser":null,"pdfCOSUser":null,"vaiantRelatedPartList":null,"partHotspotList":null,"itemNumber":2,"partRelatedVariantList":null,"bomCode":2,"totalValue":null,"searchImage":null,"length":null,"width":null,"height":null,"unitOfDimension":null,"weight":null,"unitOfWeight":null,"specialRouting":false,"onlineRepair":null,"previousPartID":null,"sbdDiscountPriceValue":{"currencyIso":"USD","value":4.25,"priceType":"BUY","formattedValue":"$4.25","minQuantity":null,"maxQuantity":null,"sapUnit":{"code":"pieces","name":"Piece"}},"alrCode":null,"productRecallFlag":null,"selectedDocumentId":null,"productDescription":null,"pdpImage":null,"ticketId":null,"qtyRequiredPerVariant":"1","isElgibleForRepair":null,"isPowerEligible":null,"productRecallNotes":null,"productOtherInfo":null,"backorderETA":"00/00/0000","modifiedDate":null,"userLevel":"COS","displayPrice":null,"baseProductName":null,"firstVariantCode":null,"firstVariantImage":null,"productMarketType":null,"productNumber":null,"typeStatusCode":null,"productCategory":null,"typeNumber":null,"marketCode":null,"regionCode":null,"otherInformation":null,"productTypeStatus":null,"repairInstruction":null,"repairInstructionStatusDescription":null,"typeStatusDate":null,"serviceLifeDate":null,"manufacturerId":null,"parts":null,"language":null,"glossaries":null,"brand":null,"product":null,"brandCode":null,"recallNotes":null,"volume":null},{"code":"P532159471-CM","name":null,"url":"/c//p/P532159471-CM","description":"SHAFT ASM R HANDLE","purchasable":true,"stock":{"stockLevelStatus":{"code":"outOfStock","type":"StockLevelStatus"},"stockLevel":0,"stockThreshold":null},"futureStocks":null,"availableForPickup":null,"averageRating":null,"numberOfReviews":null,"summary":null,"manufacturer":null,"variantType":null,"price":{"currencyIso":"USD","value":37.29,"priceType":"BUY","formattedValue":"$37.29","minQuantity":null,"maxQuantity":null,"sapUnit":{"code":"pieces","name":"Piece"}},"baseProduct":null,"images":[],"categories":null,"reviews":null,"classifications":null,"potentialPromotions":null,"variantOptions":null,"baseOptions":[],"volumePricesFlag":null,"volumePrices":null,"productReferences":null,"variantMatrix":null,"priceRange":null,"firstCategoryNameList":null,"multidimensional":null,"configurable":false,"configuratorType":null,"addToCartDisabled":null,"addToCartDisabledMessage":null,"tags":null,"sapUnit":null,"keywords":null,"genders":null,"itemtype":"Part","partSubstitute":null,"note":null,"recallNote":null,"note1":null,"note2":null,"note3":null,"note4":null,"note5":null,"pdfAllUser":null,"pdfAuthUser":null,"pdfCOSUser":null,"vaiantRelatedPartList":null,"partHotspotList":null,"itemNumber":2,"partRelatedVariantList":null,"bomCode":2,"totalValue":null,"searchImage":null,"length":null,"width":null,"height":null,"unitOfDimension":null,"weight":null,"unitOfWeight":null,"specialRouting":false,"onlineRepair":null,"previousPartID":null,"sbdDiscountPriceValue":{"currencyIso":"USD","value":37.29,"priceType":"BUY","formattedValue":"$37.29","minQuantity":null,"maxQuantity":null,"sapUnit":{"code":"pieces","name":"Piece"}},"alrCode":null,"productRecallFlag":null,"selectedDocumentId":null,"productDescription":null,"pdpImage":null,"ticketId":null,"qtyRequiredPerVariant":"1","isElgibleForRepair":null,"isPowerEligible":null,"productRecallNotes":null,"productOtherInfo":null,"backorderETA":"00/00/0000","modifiedDate":null,"userLevel":"COS","displayPrice":null,"baseProductName":null,"firstVariantCode":null,"firstVariantImage":null,"productMarketType":null,"productNumber":null,"typeStatusCode":null,"productCategory":null,"typeNumber":null,"marketCode":null,"regionCode":null,"otherInformation":null,"productTypeStatus":null,"repairInstruction":null,"repairInstructionStatusDescription":null,"typeStatusDate":null,"serviceLifeDate":null,"manufacturerId":null,"parts":null,"language":null,"glossaries":null,"brand":null,"product":null,"brandCode":null,"recallNotes":null,"volume":null},{"code":"P65139-CM","name":null,"url":"/c//p/P65139-CM","description":"STEM VALVE","purchasable":true,"stock":{"stockLevelStatus":{"code":"inStock","type":"StockLevelStatus"},"stockLevel":0,"stockThreshold":null},"futureStocks":null,"availableForPickup":null,"averageRating":null,"numberOfReviews":null,"summary":null,"manufacturer":null,"variantType":null,"price":{"currencyIso":"USD","value":5.72,"priceType":"BUY","formattedValue":"$5.72","minQuantity":null,"maxQuantity":null,"sapUnit":{"code":"pieces","name":"Piece"}},"baseProduct":null,"images":[],"categories":null,"reviews":null,"classifications":null,"potentialPromotions":null,"variantOptions":null,"baseOptions":[],"volumePricesFlag":null,"volumePrices":null,"productReferences":null,"variantMatrix":null,"priceRange":null,"firstCategoryNameList":null,"multidimensional":null,"configurable":false,"configuratorType":null,"addToCartDisabled":null,"addToCartDisabledMessage":null,"tags":null,"sapUnit":null,"keywords":null,"genders":null,"itemtype":"Part","partSubstitute":null,"note":null,"recallNote":null,"note1":null,"note2":null,"note3":null,"note4":null,"note5":null,"pdfAllUser":null,"pdfAuthUser":null,"pdfCOSUser":null,"vaiantRelatedPartList":null,"partHotspotList":null,"itemNumber":2,"partRelatedVariantList":null,"bomCode":2,"totalValue":null,"searchImage":null,"length":null,"width":null,"height":null,"unitOfDimension":null,"weight":null,"unitOfWeight":null,"specialRouting":false,"onlineRepair":null,"previousPartID":null,"sbdDiscountPriceValue":{"currencyIso":"USD","value":5.72,"priceType":"BUY","formattedValue":"$5.72","minQuantity":null,"maxQuantity":null,"sapUnit":{"code":"pieces","name":"Piece"}},"alrCode":null,"productRecallFlag":null,"selectedDocumentId":null,"productDescription":null,"pdpImage":null,"ticketId":null,"qtyRequiredPerVariant":"1","isElgibleForRepair":null,"isPowerEligible":null,"productRecallNotes":null,"productOtherInfo":null,"backorderETA":"00/00/0000","modifiedDate":null,"userLevel":"COS","displayPrice":null,"baseProductName":null,"firstVariantCode":null,"firstVariantImage":null,"productMarketType":null,"productNumber":null,"typeStatusCode":null,"productCategory":null,"typeNumber":null,"marketCode":null,"regionCode":null,"otherInformation":null,"productTypeStatus":null,"repairInstruction":null,"repairInstructionStatusDescription":null,"typeStatusDate":null,"serviceLifeDate":null,"manufacturerId":null,"parts":null,"language":null,"glossaries":null,"brand":null,"product":null,"brandCode":null,"recallNotes":null,"volume":null},{"code":"P74760412-CM","name":null,"url":"/c//p/P74760412-CM","description":"BOLT HEX HD. 1/4-20 UNC X 3/4","purchasable":true,"stock":{"stockLevelStatus":{"code":"inStock","type":"StockLevelStatus"},"stockLevel":0,"stockThreshold":null},"futureStocks":null,"availableForPickup":null,"averageRating":null,"numberOfReviews":null,"summary":null,"manufacturer":null,"variantType":null,"price":{"currencyIso":"USD","value":3.1,"priceType":"BUY","formattedValue":"$3.10","minQuantity":null,"maxQuantity":null,"sapUnit":{"code":"pieces","name":"Piece"}},"baseProduct":null,"images":[],"categories":null,"reviews":null,"classifications":null,"potentialPromotions":null,"variantOptions":null,"baseOptions":[],"volumePricesFlag":null,"volumePrices":null,"productReferences":null,"variantMatrix":null,"priceRange":null,"firstCategoryNameList":null,"multidimensional":null,"configurable":false,"configuratorType":null,"addToCartDisabled":null,"addToCartDisabledMessage":null,"tags":null,"sapUnit":null,"keywords":null,"genders":null,"itemtype":"Part","partSubstitute":null,"note":null,"recallNote":null,"note1":null,"note2":null,"note3":null,"note4":null,"note5":null,"pdfAllUser":null,"pdfAuthUser":null,"pdfCOSUser":null,"vaiantRelatedPartList":null,"partHotspotList":null,"itemNumber":2,"partRelatedVariantList":null,"bomCode":6,"totalValue":null,"searchImage":null,"length":null,"width":null,"height":null,"unitOfDimension":null,"weight":null,"unitOfWeight":null,"specialRouting":false,"onlineRepair":null,"previousPartID":null,"sbdDiscountPriceValue":{"currencyIso":"USD","value":3.1,"priceType":"BUY","formattedValue":"$3.10","minQuantity":null,"maxQuantity":null,"sapUnit":{"code":"pieces","name":"Piece"}},"alrCode":null,"productRecallFlag":null,"selectedDocumentId":null,"productDescription":null,"pdpImage":null,"ticketId":null,"qtyRequiredPerVariant":"1","isElgibleForRepair":null,"isPowerEligible":null,"productRecallNotes":null,"productOtherInfo":null,"backorderETA":"00/00/0000","modifiedDate":null,"userLevel":"COS","displayPrice":null,"baseProductName":null,"firstVariantCode":null,"firstVariantImage":null,"productMarketType":null,"productNumber":null,"typeStatusCode":null,"productCategory":null,"typeNumber":null,"marketCode":null,"regionCode":null,"otherInformation":null,"productTypeStatus":null,"repairInstruction":null,"repairInstructionStatusDescription":null,"typeStatusDate":null,"serviceLifeDate":null,"manufacturerId":null,"parts":null,"language":null,"glossaries":null,"brand":null,"product":null,"brandCode":null,"recallNotes":null,"volume":null},{"code":"P872140505-CM","name":null,"url":"/c//p/P872140505-CM","description":"BOLT","purchasable":true,"stock":{"stockLevelStatus":{"code":"inStock","type":"StockLevelStatus"},"stockLevel":0,"stockThreshold":null},"futureStocks":null,"availableForPickup":null,"averageRating":null,"numberOfReviews":null,"summary":null,"manufacturer":null,"variantType":null,"price":{"currencyIso":"USD","value":2.66,"priceType":"BUY","formattedValue":"$2.66","minQuantity":null,"maxQuantity":null,"sapUnit":{"code":"pieces","name":"Piece"}},"baseProduct":null,"images":[],"categories":null,"reviews":null,"classifications":null,"potentialPromotions":null,"variantOptions":null,"baseOptions":[],"volumePricesFlag":null,"volumePrices":null,"productReferences":null,"variantMatrix":null,"priceRange":null,"firstCategoryNameList":null,"multidimensional":null,"configurable":false,"configuratorType":null,"addToCartDisabled":null,"addToCartDisabledMessage":null,"tags":null,"sapUnit":null,"keywords":null,"genders":null,"itemtype":"Part","partSubstitute":null,"note":null,"recallNote":null,"note1":null,"note2":null,"note3":null,"note4":null,"note5":null,"pdfAllUser":null,"pdfAuthUser":null,"pdfCOSUser":null,"vaiantRelatedPartList":null,"partHotspotList":null,"itemNumber":2,"partRelatedVariantList":null,"bomCode":2,"totalValue":null,"searchImage":null,"length":null,"width":null,"height":null,"unitOfDimension":null,"weight":null,"unitOfWeight":null,"specialRouting":false,"onlineRepair":null,"previousPartID":null,"sbdDiscountPriceValue":{"currencyIso":"USD","value":2.66,"priceType":"BUY","formattedValue":"$2.66","minQuantity":null,"maxQuantity":null,"sapUnit":{"code":"pieces","name":"Piece"}},"alrCode":null,"productRecallFlag":null,"selectedDocumentId":null,"productDescription":null,"pdpImage":null,"ticketId":null,"qtyRequiredPerVariant":"1","isElgibleForRepair":null,"isPowerEligible":null,"productRecallNotes":null,"productOtherInfo":null,"backorderETA":"00/00/0000","modifiedDate":null,"userLevel":"COS","displayPrice":null,"baseProductName":null,"firstVariantCode":null,"firstVariantImage":null,"productMarketType":null,"productNumber":null,"typeStatusCode":null,"productCategory":null,"typeNumber":null,"marketCode":null,"regionCode":null,"otherInformation":null,"productTypeStatus":null,"repairInstruction":null,"repairInstructionStatusDescription":null,"typeStatusDate":null,"serviceLifeDate":null,"manufacturerId":null,"parts":null,"language":null,"glossaries":null,"brand":null,"product":null,"brandCode":null,"recallNotes":null,"volume":null},{"code":"P874760412-CM","name":null,"url":"/c//p/P874760412-CM","description":"SCREW HEX CRT","purchasable":true,"stock":{"stockLevelStatus":{"code":"inStock","type":"StockLevelStatus"},"stockLevel":0,"stockThreshold":null},"futureStocks":null,"availableForPickup":null,"averageRating":null,"numberOfReviews":null,"summary":null,"manufacturer":null,"variantType":null,"price":{"currencyIso":"USD","value":3.1,"priceType":"BUY","formattedValue":"$3.10","minQuantity":null,"maxQuantity":null,"sapUnit":{"code":"pieces","name":"Piece"}},"baseProduct":null,"images":[],"categories":null,"reviews":null,"classifications":null,"potentialPromotions":null,"variantOptions":null,"baseOptions":[],"volumePricesFlag":null,"volumePrices":null,"productReferences":null,"variantMatrix":null,"priceRange":null,"firstCategoryNameList":null,"multidimensional":null,"configurable":false,"configuratorType":null,"addToCartDisabled":null,"addToCartDisabledMessage":null,"tags":null,"sapUnit":null,"keywords":null,"genders":null,"itemtype":"Part","partSubstitute":null,"note":null,"recallNote":null,"note1":null,"note2":null,"note3":null,"note4":null,"note5":null,"pdfAllUser":null,"pdfAuthUser":null,"pdfCOSUser":null,"vaiantRelatedPartList":null,"partHotspotList":null,"itemNumber":2,"partRelatedVariantList":null,"bomCode":2,"totalValue":null,"searchImage":null,"length":null,"width":null,"height":null,"unitOfDimension":null,"weight":null,"unitOfWeight":null,"specialRouting":false,"onlineRepair":null,"previousPartID":null,"sbdDiscountPriceValue":{"currencyIso":"USD","value":3.1,"priceType":"BUY","formattedValue":"$3.10","minQuantity":null,"maxQuantity":null,"sapUnit":{"code":"pieces","name":"Piece"}},"alrCode":null,"productRecallFlag":null,"selectedDocumentId":null,"productDescription":null,"pdpImage":null,"ticketId":null,"qtyRequiredPerVariant":"1","isElgibleForRepair":null,"isPowerEligible":null,"productRecallNotes":null,"productOtherInfo":null,"backorderETA":"00/00/0000","modifiedDate":null,"userLevel":"COS","displayPrice":null,"baseProductName":null,"firstVariantCode":null,"firstVariantImage":null,"productMarketType":null,"productNumber":null,"typeStatusCode":null,"productCategory":null,"typeNumber":null,"marketCode":null,"regionCode":null,"otherInformation":null,"productTypeStatus":null,"repairInstruction":null,"repairInstructionStatusDescription":null,"typeStatusDate":null,"serviceLifeDate":null,"manufacturerId":null,"parts":null,"language":null,"glossaries":null,"brand":null,"product":null,"brandCode":null,"recallNotes":null,"volume":null},{"code":"PSTD533107-CM","name":null,"url":"/c//p/PSTD533107-CM","description":"BOLT 5/16-18 UNC X 3/4","purchasable":false,"stock":{"stockLevelStatus":{"code":"outOfStock","type":"StockLevelStatus"},"stockLevel":0,"stockThreshold":null},"futureStocks":null,"availableForPickup":null,"averageRating":null,"numberOfReviews":null,"summary":null,"manufacturer":null,"variantType":null,"price":null,"baseProduct":null,"images":[],"categories":null,"reviews":null,"classifications":null,"potentialPromotions":null,"variantOptions":null,"baseOptions":[],"volumePricesFlag":null,"volumePrices":null,"productReferences":null,"variantMatrix":null,"priceRange":null,"firstCategoryNameList":null,"multidimensional":null,"configurable":false,"configuratorType":null,"addToCartDisabled":null,"addToCartDisabledMessage":null,"tags":null,"sapUnit":null,"keywords":null,"genders":null,"itemtype":"Part","partSubstitute":"P418168-CM","note":null,"recallNote":null,"note1":null,"note2":null,"note3":null,"note4":null,"note5":null,"pdfAllUser":null,"pdfAuthUser":null,"pdfCOSUser":null,"vaiantRelatedPartList":null,"partHotspotList":null,"itemNumber":2,"partRelatedVariantList":null,"bomCode":4,"totalValue":null,"searchImage":null,"length":null,"width":null,"height":null,"unitOfDimension":null,"weight":null,"unitOfWeight":null,"specialRouting":false,"onlineRepair":null,"previousPartID":null,"sbdDiscountPriceValue":null,"alrCode":null,"productRecallFlag":null,"selectedDocumentId":null,"productDescription":null,"pdpImage":null,"ticketId":null,"qtyRequiredPerVariant":"1","isElgibleForRepair":null,"isPowerEligible":null,"productRecallNotes":null,"productOtherInfo":null,"backorderETA":null,"modifiedDate":null,"userLevel":"COS","displayPrice":null,"baseProductName":null,"firstVariantCode":null,"firstVariantImage":null,"productMarketType":null,"productNumber":null,"typeStatusCode":null,"productCategory":null,"typeNumber":null,"marketCode":null,"regionCode":null,"otherInformation":null,"productTypeStatus":null,"repairInstruction":null,"repairInstructionStatusDescription":null,"typeStatusDate":null,"serviceLifeDate":null,"manufacturerId":null,"parts":null,"language":null,"glossaries":null,"brand":null,"product":null,"brandCode":null,"recallNotes":null,"volume":null},{"code":"P106108X624-CM","name":null,"url":"/c//p/P106108X624-CM","description":"RIM.ASM.8.R","purchasable":false,"stock":{"stockLevelStatus":{"code":"outOfStock","type":"StockLevelStatus"},"stockLevel":0,"stockThreshold":null},"futureStocks":null,"availableForPickup":null,"averageRating":null,"numberOfReviews":null,"summary":null,"manufacturer":null,"variantType":null,"price":null,"baseProduct":null,"images":[],"categories":null,"reviews":null,"classifications":null,"potentialPromotions":null,"variantOptions":null,"baseOptions":[],"volumePricesFlag":null,"volumePrices":null,"productReferences":null,"variantMatrix":null,"priceRange":null,"firstCategoryNameList":null,"multidimensional":null,"configurable":false,"configuratorType":null,"addToCartDisabled":null,"addToCartDisabledMessage":null,"tags":null,"sapUnit":null,"keywords":null,"genders":null,"itemtype":"Part","partSubstitute":null,"note":null,"recallNote":null,"note1":null,"note2":null,"note3":null,"note4":null,"note5":null,"pdfAllUser":null,"pdfAuthUser":null,"pdfCOSUser":null,"vaiantRelatedPartList":null,"partHotspotList":null,"itemNumber":8,"partRelatedVariantList":null,"bomCode":4,"totalValue":null,"searchImage":null,"length":null,"width":null,"height":null,"unitOfDimension":null,"weight":null,"unitOfWeight":null,"specialRouting":false,"onlineRepair":null,"previousPartID":null,"sbdDiscountPriceValue":null,"alrCode":null,"productRecallFlag":null,"selectedDocumentId":null,"productDescription":null,"pdpImage":null,"ticketId":null,"qtyRequiredPerVariant":"1","isElgibleForRepair":null,"isPowerEligible":null,"productRecallNotes":null,"productOtherInfo":null,"backorderETA":null,"modifiedDate":null,"userLevel":"COS","displayPrice":null,"baseProductName":null,"firstVariantCode":null,"firstVariantImage":null,"productMarketType":null,"productNumber":null,"typeStatusCode":null,"productCategory":null,"typeNumber":null,"marketCode":null,"regionCode":null,"otherInformation":null,"productTypeStatus":null,"repairInstruction":null,"repairInstructionStatusDescription":null,"typeStatusDate":null,"serviceLifeDate":null,"manufacturerId":null,"parts":null,"language":null,"glossaries":null,"brand":null,"product":null,"brandCode":null,"recallNotes":null,"volume":null},{"code":"P12000029-CM","name":null,"url":"/c//p/P12000029-CM","description":"RING CLIP #T5304-75","purchasable":true,"stock":{"stockLevelStatus":{"code":"inStock","type":"StockLevelStatus"},"stockLevel":0,"stockThreshold":null},"futureStocks":null,"availableForPickup":null,"averageRating":null,"numberOfReviews":null,"summary":null,"manufacturer":null,"variantType":null,"price":{"currencyIso":"USD","value":1.56,"priceType":"BUY","formattedValue":"$1.56","minQuantity":null,"maxQuantity":null,"sapUnit":{"code":"pieces","name":"Piece"}},"baseProduct":null,"images":[],"categories":null,"reviews":null,"classifications":null,"potentialPromotions":null,"variantOptions":null,"baseOptions":[],"volumePricesFlag":null,"volumePrices":null,"productReferences":null,"variantMatrix":null,"priceRange":null,"firstCategoryNameList":null,"multidimensional":null,"configurable":false,"configuratorType":null,"addToCartDisabled":null,"addToCartDisabledMessage":null,"tags":null,"sapUnit":null,"keywords":null,"genders":null,"itemtype":"Part","partSubstitute":null,"note":null,"recallNote":null,"note1":null,"note2":null,"note3":null,"note4":null,"note5":null,"pdfAllUser":null,"pdfAuthUser":null,"pdfCOSUser":null,"vaiantRelatedPartList":null,"partHotspotList":null,"itemNumber":8,"partRelatedVariantList":null,"bomCode":2,"totalValue":null,"searchImage":null,"length":null,"width":null,"height":null,"unitOfDimension":null,"weight":null,"unitOfWeight":null,"specialRouting":false,"onlineRepair":null,"previousPartID":null,"sbdDiscountPriceValue":{"currencyIso":"USD","value":1.56,"priceType":"BUY","formattedValue":"$1.56","minQuantity":null,"maxQuantity":null,"sapUnit":{"code":"pieces","name":"Piece"}},"alrCode":null,"productRecallFlag":null,"selectedDocumentId":null,"productDescription":null,"pdpImage":null,"ticketId":null,"qtyRequiredPerVariant":"1","isElgibleForRepair":null,"isPowerEligible":null,"productRecallNotes":null,"productOtherInfo":null,"backorderETA":"00/00/0000","modifiedDate":null,"userLevel":"COS","displayPrice":null,"baseProductName":null,"firstVariantCode":null,"firstVariantImage":null,"productMarketType":null,"productNumber":null,"typeStatusCode":null,"productCategory":null,"typeNumber":null,"marketCode":null,"regionCode":null,"otherInformation":null,"productTypeStatus":null,"repairInstruction":null,"repairInstructionStatusDescription":null,"typeStatusDate":null,"serviceLifeDate":null,"manufacturerId":null,"parts":null,"language":null,"glossaries":null,"brand":null,"product":null,"brandCode":null,"recallNotes":null,"volume":null},{"code":"P12000029-CM","name":null,"url":"/c//p/P12000029-CM","description":"RING CLIP #T5304-75","purchasable":true,"stock":{"stockLevelStatus":{"code":"inStock","type":"StockLevelStatus"},"stockLevel":0,"stockThreshold":null},"futureStocks":null,"availableForPickup":null,"averageRating":null,"numberOfReviews":null,"summary":null,"manufacturer":null,"variantType":null,"price":{"currencyIso":"USD","value":1.56,"priceType":"BUY","formattedValue":"$1.56","minQuantity":null,"maxQuantity":null,"sapUnit":{"code":"pieces","name":"Piece"}},"baseProduct":null,"images":[],"categories":null,"reviews":null,"classifications":null,"potentialPromotions":null,"variantOptions":null,"baseOptions":[],"volumePricesFlag":null,"volumePrices":null,"productReferences":null,"variantMatrix":null,"priceRange":null,"firstCategoryNameList":null,"multidimensional":null,"configurable":false,"configuratorType":null,"addToCartDisabled":null,"addToCartDisabledMessage":null,"tags":null,"sapUnit":null,"keywords":null,"genders":null,"itemtype":"Part","partSubstitute":null,"note":null,"recallNote":null,"note1":null,"note2":null,"note3":null,"note4":null,"note5":null,"pdfAllUser":null,"pdfAuthUser":null,"pdfCOSUser":null,"vaiantRelatedPartList":null,"partHotspotList":null,"itemNumber":8,"partRelatedVariantList":null,"bomCode":2,"totalValue":null,"searchImage":null,"length":null,"width":null,"height":null,"unitOfDimension":null,"weight":null,"unitOfWeight":null,"specialRouting":false,"onlineRepair":null,"previousPartID":null,"sbdDiscountPriceValue":{"currencyIso":"USD","value":1.56,"priceType":"BUY","formattedValue":"$1.56","minQuantity":null,"maxQuantity":null,"sapUnit":{"code":"pieces","name":"Piece"}},"alrCode":null,"productRecallFlag":null,"selectedDocumentId":null,"productDescription":null,"pdpImage":null,"ticketId":null,"qtyRequiredPerVariant":"1","isElgibleForRepair":null,"isPowerEligible":null,"productRecallNotes":null,"productOtherInfo":null,"backorderETA":"00/00/0000","modifiedDate":null,"userLevel":"COS","displayPrice":null,"baseProductName":null,"firstVariantCode":null,"firstVariantImage":null,"productMarketType":null,"productNumber":null,"typeStatusCode":null,"productCategory":null,"typeNumber":null,"marketCode":null,"regionCode":null,"otherInformation":null,"productTypeStatus":null,"repairInstruction":null,"repairInstructionStatusDescription":null,"typeStatusDate":null,"serviceLifeDate":null,"manufacturerId":null,"parts":null,"language":null,"glossaries":null,"brand":null,"product":null,"brandCode":null,"recallNotes":null,"volume":null},{"code":"P17000616-CM","name":null,"url":"/c//p/P17000616-CM","description":"SCREW 3/8-16 X 1.0","purchasable":true,"stock":{"stockLevelStatus":{"code":"inStock","type":"StockLevelStatus"},"stockLevel":0,"stockThreshold":null},"futureStocks":null,"availableForPickup":null,"averageRating":null,"numberOfReviews":null,"summary":null,"manufacturer":null,"variantType":null,"price":{"currencyIso":"USD","value":3.1,"priceType":"BUY","formattedValue":"$3.10","minQuantity":null,"maxQuantity":null,"sapUnit":{"code":"pieces","name":"Piece"}},"baseProduct":null,"images":[],"categories":null,"reviews":null,"classifications":null,"potentialPromotions":null,"variantOptions":null,"baseOptions":[],"volumePricesFlag":null,"volumePrices":null,"productReferences":null,"variantMatrix":null,"priceRange":null,"firstCategoryNameList":null,"multidimensional":null,"configurable":false,"configuratorType":null,"addToCartDisabled":null,"addToCartDisabledMessage":null,"tags":null,"sapUnit":null,"keywords":null,"genders":null,"itemtype":"Part","partSubstitute":null,"note":null,"recallNote":null,"note1":null,"note2":null,"note3":null,"note4":null,"note5":null,"pdfAllUser":null,"pdfAuthUser":null,"pdfCOSUser":null,"vaiantRelatedPartList":null,"partHotspotList":null,"itemNumber":8,"partRelatedVariantList":null,"bomCode":2,"totalValue":null,"searchImage":null,"length":null,"width":null,"height":null,"unitOfDimension":null,"weight":null,"unitOfWeight":null,"specialRouting":false,"onlineRepair":null,"previousPartID":null,"sbdDiscountPriceValue":{"currencyIso":"USD","value":3.1,"priceType":"BUY","formattedValue":"$3.10","minQuantity":null,"maxQuantity":null,"sapUnit":{"code":"pieces","name":"Piece"}},"alrCode":null,"productRecallFlag":null,"selectedDocumentId":null,"productDescription":null,"pdpImage":null,"ticketId":null,"qtyRequiredPerVariant":"1","isElgibleForRepair":null,"isPowerEligible":null,"productRecallNotes":null,"productOtherInfo":null,"backorderETA":"00/00/0000","modifiedDate":null,"userLevel":"COS","displayPrice":null,"baseProductName":null,"firstVariantCode":null,"firstVariantImage":null,"productMarketType":null,"productNumber":null,"typeStatusCode":null,"productCategory":null,"typeNumber":null,"marketCode":null,"regionCode":null,"otherInformation":null,"productTypeStatus":null,"repairInstruction":null,"repairInstructionStatusDescription":null,"typeStatusDate":null,"serviceLifeDate":null,"manufacturerId":null,"parts":null,"language":null,"glossaries":null,"brand":null,"product":null,"brandCode":null,"recallNotes":null,"volume":null},{"code":"P532149741-CM","name":null,"url":"/c//p/P532149741-CM","description":"SCREW.5/16-1","purchasable":true,"stock":{"stockLevelStatus":{"code":"outOfStock","type":"StockLevelStatus"},"stockLevel":0,"stockThreshold":null},"futureStocks":null,"availableForPickup":null,"averageRating":null,"numberOfReviews":null,"summary":null,"manufacturer":null,"variantType":null,"price":{"currencyIso":"USD","value":3.18,"priceType":"BUY","formattedValue":"$3.18","minQuantity":null,"maxQuantity":null,"sapUnit":{"code":"pieces","name":"Piece"}},"baseProduct":null,"images":[],"categories":null,"reviews":null,"classifications":null,"potentialPromotions":null,"variantOptions":null,"baseOptions":[],"volumePricesFlag":null,"volumePrices":null,"productReferences":null,"variantMatrix":null,"priceRange":null,"firstCategoryNameList":null,"multidimensional":null,"configurable":false,"configuratorType":null,"addToCartDisabled":null,"addToCartDisabledMessage":null,"tags":null,"sapUnit":null,"keywords":null,"genders":null,"itemtype":"Part","partSubstitute":null,"note":null,"recallNote":null,"note1":null,"note2":null,"note3":null,"note4":null,"note5":null,"pdfAllUser":null,"pdfAuthUser":null,"pdfCOSUser":null,"vaiantRelatedPartList":null,"partHotspotList":null,"itemNumber":8,"partRelatedVariantList":null,"bomCode":2,"totalValue":null,"searchImage":null,"length":null,"width":null,"height":null,"unitOfDimension":null,"weight":null,"unitOfWeight":null,"specialRouting":false,"onlineRepair":null,"previousPartID":null,"sbdDiscountPriceValue":{"currencyIso":"USD","value":3.18,"priceType":"BUY","formattedValue":"$3.18","minQuantity":null,"maxQuantity":null,"sapUnit":{"code":"pieces","name":"Piece"}},"alrCode":null,"productRecallFlag":null,"selectedDocumentId":null,"productDescription":null,"pdpImage":null,"ticketId":null,"qtyRequiredPerVariant":"1","isElgibleForRepair":null,"isPowerEligible":null,"productRecallNotes":null,"productOtherInfo":null,"backorderETA":"00/00/0000","modifiedDate":null,"userLevel":"COS","displayPrice":null,"baseProductName":null,"firstVariantCode":null,"firstVariantImage":null,"productMarketType":null,"productNumber":null,"typeStatusCode":null,"productCategory":null,"typeNumber":null,"marketCode":null,"regionCode":null,"otherInformation":null,"productTypeStatus":null,"repairInstruction":null,"repairInstructionStatusDescription":null,"typeStatusDate":null,"serviceLifeDate":null,"manufacturerId":null,"parts":null,"language":null,"glossaries":null,"brand":null,"product":null,"brandCode":null,"recallNotes":null,"volume":null},{"code":"P532183338-CM","name":null,"url":"/c//p/P532183338-CM","description":"RIM.ASM.8X7.REAR.","purchasable":true,"stock":{"stockLevelStatus":{"code":"outOfStock","type":"StockLevelStatus"},"stockLevel":0,"stockThreshold":null},"futureStocks":null,"availableForPickup":null,"averageRating":null,"numberOfReviews":null,"summary":null,"manufacturer":null,"variantType":null,"price":{"currencyIso":"USD","value":106.56,"priceType":"BUY","formattedValue":"$106.56","minQuantity":null,"maxQuantity":null,"sapUnit":{"code":"pieces","name":"Piece"}},"baseProduct":null,"images":[],"categories":null,"reviews":null,"classifications":null,"potentialPromotions":null,"variantOptions":null,"baseOptions":[],"volumePricesFlag":null,"volumePrices":null,"productReferences":null,"variantMatrix":null,"priceRange":null,"firstCategoryNameList":null,"multidimensional":null,"configurable":false,"configuratorType":null,"addToCartDisabled":null,"addToCartDisabledMessage":null,"tags":null,"sapUnit":null,"keywords":null,"genders":null,"itemtype":"Part","partSubstitute":null,"note":null,"recallNote":null,"note1":null,"note2":null,"note3":null,"note4":null,"note5":null,"pdfAllUser":null,"pdfAuthUser":null,"pdfCOSUser":null,"vaiantRelatedPartList":null,"partHotspotList":null,"itemNumber":8,"partRelatedVariantList":null,"bomCode":2,"totalValue":null,"searchImage":null,"length":null,"width":null,"height":null,"unitOfDimension":null,"weight":null,"unitOfWeight":null,"specialRouting":false,"onlineRepair":null,"previousPartID":null,"sbdDiscountPriceValue":{"currencyIso":"USD","value":106.56,"priceType":"BUY","formattedValue":"$106.56","minQuantity":null,"maxQuantity":null,"sapUnit":{"code":"pieces","name":"Piece"}},"alrCode":null,"productRecallFlag":null,"selectedDocumentId":null,"productDescription":null,"pdpImage":null,"ticketId":null,"qtyRequiredPerVariant":"1","isElgibleForRepair":null,"isPowerEligible":null,"productRecallNotes":null,"productOtherInfo":null,"backorderETA":"00/00/0000","modifiedDate":null,"userLevel":"COS","displayPrice":null,"baseProductName":null,"firstVariantCode":null,"firstVariantImage":null,"productMarketType":null,"productNumber":null,"typeStatusCode":null,"productCategory":null,"typeNumber":null,"marketCode":null,"regionCode":null,"otherInformation":null,"productTypeStatus":null,"repairInstruction":null,"repairInstructionStatusDescription":null,"typeStatusDate":null,"serviceLifeDate":null,"manufacturerId":null,"parts":null,"language":null,"glossaries":null,"brand":null,"product":null,"brandCode":null,"recallNotes":null,"volume":null},{"code":"P532850857-CM","name":null,"url":"/c//p/P532850857-CM","description":"BLADE BOLT","purchasable":true,"stock":{"stockLevelStatus":{"code":"outOfStock","type":"StockLevelStatus"},"stockLevel":0,"stockThreshold":null},"futureStocks":null,"availableForPickup":null,"averageRating":null,"numberOfReviews":null,"summary":null,"manufacturer":null,"variantType":null,"price":{"currencyIso":"USD","value":2.12,"priceType":"BUY","formattedValue":"$2.12","minQuantity":null,"maxQuantity":null,"sapUnit":{"code":"pieces","name":"Piece"}},"baseProduct":null,"images":[],"categories":null,"reviews":null,"classifications":null,"potentialPromotions":null,"variantOptions":null,"baseOptions":[],"volumePricesFlag":null,"volumePrices":null,"productReferences":null,"variantMatrix":null,"priceRange":null,"firstCategoryNameList":null,"multidimensional":null,"configurable":false,"configuratorType":null,"addToCartDisabled":null,"addToCartDisabledMessage":null,"tags":null,"sapUnit":null,"keywords":null,"genders":null,"itemtype":"Part","partSubstitute":null,"note":null,"recallNote":null,"note1":null,"note2":null,"note3":null,"note4":null,"note5":null,"pdfAllUser":null,"pdfAuthUser":null,"pdfCOSUser":null,"vaiantRelatedPartList":null,"partHotspotList":null,"itemNumber":8,"partRelatedVariantList":null,"bomCode":2,"totalValue":null,"searchImage":null,"length":null,"width":null,"height":null,"unitOfDimension":null,"weight":null,"unitOfWeight":null,"specialRouting":false,"onlineRepair":null,"previousPartID":null,"sbdDiscountPriceValue":{"currencyIso":"USD","value":2.12,"priceType":"BUY","formattedValue":"$2.12","minQuantity":null,"maxQuantity":null,"sapUnit":{"code":"pieces","name":"Piece"}},"alrCode":null,"productRecallFlag":null,"selectedDocumentId":null,"productDescription":null,"pdpImage":null,"ticketId":null,"qtyRequiredPerVariant":"1","isElgibleForRepair":null,"isPowerEligible":null,"productRecallNotes":null,"productOtherInfo":null,"backorderETA":"00/00/0000","modifiedDate":null,"userLevel":"COS","displayPrice":null,"baseProductName":null,"firstVariantCode":null,"firstVariantImage":null,"productMarketType":null,"productNumber":null,"typeStatusCode":null,"productCategory":null,"typeNumber":null,"marketCode":null,"regionCode":null,"otherInformation":null,"productTypeStatus":null,"repairInstruction":null,"repairInstructionStatusDescription":null,"typeStatusDate":null,"serviceLifeDate":null,"manufacturerId":null,"parts":null,"language":null,"glossaries":null,"brand":null,"product":null,"brandCode":null,"recallNotes":null,"volume":null},{"code":"P850857-CM","name":null,"url":"/c//p/P850857-CM","description":"BOLT BLADE","purchasable":false,"stock":{"stockLevelStatus":{"code":"outOfStock","type":"StockLevelStatus"},"stockLevel":0,"stockThreshold":null},"futureStocks":null,"availableForPickup":null,"averageRating":null,"numberOfReviews":null,"summary":null,"manufacturer":null,"variantType":null,"price":null,"baseProduct":null,"images":[],"categories":null,"reviews":null,"classifications":null,"potentialPromotions":null,"variantOptions":null,"baseOptions":[],"volumePricesFlag":null,"volumePrices":null,"productReferences":null,"variantMatrix":null,"priceRange":null,"firstCategoryNameList":null,"multidimensional":null,"configurable":false,"configuratorType":null,"addToCartDisabled":null,"addToCartDisabledMessage":null,"tags":null,"sapUnit":null,"keywords":null,"genders":null,"itemtype":"Part","partSubstitute":null,"note":null,"recallNote":null,"note1":null,"note2":null,"note3":null,"note4":null,"note5":null,"pdfAllUser":null,"pdfAuthUser":null,"pdfCOSUser":null,"vaiantRelatedPartList":null,"partHotspotList":null,"itemNumber":8,"partRelatedVariantList":null,"bomCode":4,"totalValue":null,"searchImage":null,"length":null,"width":null,"height":null,"unitOfDimension":null,"weight":null,"unitOfWeight":null,"specialRouting":false,"onlineRepair":null,"previousPartID":null,"sbdDiscountPriceValue":null,"alrCode":null,"productRecallFlag":null,"selectedDocumentId":null,"productDescription":null,"pdpImage":null,"ticketId":null,"qtyRequiredPerVariant":"1","isElgibleForRepair":null,"isPowerEligible":null,"productRecallNotes":null,"productOtherInfo":null,"backorderETA":null,"modifiedDate":null,"userLevel":"COS","displayPrice":null,"baseProductName":null,"firstVariantCode":null,"firstVariantImage":null,"productMarketType":null,"productNumber":null,"typeStatusCode":null,"productCategory":null,"typeNumber":null,"marketCode":null,"regionCode":null,"otherInformation":null,"productTypeStatus":null,"repairInstruction":null,"repairInstructionStatusDescription":null,"typeStatusDate":null,"serviceLifeDate":null,"manufacturerId":null,"parts":null,"language":null,"glossaries":null,"brand":null,"product":null,"brandCode":null,"recallNotes":null,"volume":null},{"code":"P140296-CM","name":null,"url":"/c//p/P140296-CM","description":"WASHER HARD BLADE MO","purchasable":false,"stock":{"stockLevelStatus":{"code":"outOfStock","type":"StockLevelStatus"},"stockLevel":0,"stockThreshold":null},"futureStocks":null,"availableForPickup":null,"averageRating":null,"numberOfReviews":null,"summary":null,"manufacturer":null,"variantType":null,"price":null,"baseProduct":null,"images":[],"categories":null,"reviews":null,"classifications":null,"potentialPromotions":null,"variantOptions":null,"baseOptions":[],"volumePricesFlag":null,"volumePrices":null,"productReferences":null,"variantMatrix":null,"priceRange":null,"firstCategoryNameList":null,"multidimensional":null,"configurable":false,"configuratorType":null,"addToCartDisabled":null,"addToCartDisabledMessage":null,"tags":null,"sapUnit":null,"keywords":null,"genders":null,"itemtype":"Part","partSubstitute":"P532007152-CM","note":null,"recallNote":null,"note1":null,"note2":null,"note3":null,"note4":null,"note5":null,"pdfAllUser":null,"pdfAuthUser":null,"pdfCOSUser":null,"vaiantRelatedPartList":null,"partHotspotList":null,"itemNumber":10,"partRelatedVariantList":null,"bomCode":4,"totalValue":null,"searchImage":null,"length":null,"width":null,"height":null,"unitOfDimension":null,"weight":null,"unitOfWeight":null,"specialRouting":false,"onlineRepair":null,"previousPartID":null,"sbdDiscountPriceValue":null,"alrCode":null,"productRecallFlag":null,"selectedDocumentId":null,"productDescription":null,"pdpImage":null,"ticketId":null,"qtyRequiredPerVariant":"1","isElgibleForRepair":null,"isPowerEligible":null,"productRecallNotes":null,"productOtherInfo":null,"backorderETA":null,"modifiedDate":null,"userLevel":"COS","displayPrice":null,"baseProductName":null,"firstVariantCode":null,"firstVariantImage":null,"productMarketType":null,"productNumber":null,"typeStatusCode":null,"productCategory":null,"typeNumber":null,"marketCode":null,"regionCode":null,"otherInformation":null,"productTypeStatus":null,"repairInstruction":null,"repairInstructionStatusDescription":null,"typeStatusDate":null,"serviceLifeDate":null,"manufacturerId":null,"parts":null,"language":null,"glossaries":null,"brand":null,"product":null,"brandCode":null,"recallNotes":null,"volume":null},{"code":"P195530-CM","name":null,"url":"/c//p/P195530-CM","description":"PAN.ASM.SEAT","purchasable":false,"stock":{"stockLevelStatus":{"code":"outOfStock","type":"StockLevelStatus"},"stockLevel":0,"stockThreshold":null},"futureStocks":null,"availableForPickup":null,"averageRating":null,"numberOfReviews":null,"summary":null,"manufacturer":null,"variantType":null,"price":null,"baseProduct":null,"images":[],"categories":null,"reviews":null,"classifications":null,"potentialPromotions":null,"variantOptions":null,"baseOptions":[],"volumePricesFlag":null,"volumePrices":null,"productReferences":null,"variantMatrix":null,"priceRange":null,"firstCategoryNameList":null,"multidimensional":null,"configurable":false,"configuratorType":null,"addToCartDisabled":null,"addToCartDisabledMessage":null,"tags":null,"sapUnit":null,"keywords":null,"genders":null,"itemtype":"Part","partSubstitute":"P872110608-CM","note":null,"recallNote":null,"note1":null,"note2":null,"note3":null,"note4":null,"note5":null,"pdfAllUser":null,"pdfAuthUser":null,"pdfCOSUser":null,"vaiantRelatedPartList":null,"partHotspotList":null,"itemNumber":10,"partRelatedVariantList":null,"bomCode":4,"totalValue":null,"searchImage":null,"length":null,"width":null,"height":null,"unitOfDimension":null,"weight":null,"unitOfWeight":null,"specialRouting":false,"onlineRepair":null,"previousPartID":null,"sbdDiscountPriceValue":null,"alrCode":null,"productRecallFlag":null,"selectedDocumentId":null,"productDescription":null,"pdpImage":null,"ticketId":null,"qtyRequiredPerVariant":"1","isElgibleForRepair":null,"isPowerEligible":null,"productRecallNotes":null,"productOtherInfo":null,"backorderETA":null,"modifiedDate":null,"userLevel":"COS","displayPrice":null,"baseProductName":null,"firstVariantCode":null,"firstVariantImage":null,"productMarketType":null,"productNumber":null,"typeStatusCode":null,"productCategory":null,"typeNumber":null,"marketCode":null,"regionCode":null,"otherInformation":null,"productTypeStatus":null,"repairInstruction":null,"repairInstructionStatusDescription":null,"typeStatusDate":null,"serviceLifeDate":null,"manufacturerId":null,"parts":null,"language":null,"glossaries":null,"brand":null,"product":null,"brandCode":null,"recallNotes":null,"volume":null},{"code":"P532007152-CM","name":null,"url":"/c//p/P532007152-CM","description":"TUBE REAR","purchasable":true,"stock":{"stockLevelStatus":{"code":"inStock","type":"StockLevelStatus"},"stockLevel":0,"stockThreshold":null},"futureStocks":null,"availableForPickup":null,"averageRating":null,"numberOfReviews":null,"summary":null,"manufacturer":null,"variantType":null,"price":{"currencyIso":"USD","value":38.36,"priceType":"BUY","formattedValue":"$38.36","minQuantity":null,"maxQuantity":null,"sapUnit":{"code":"pieces","name":"Piece"}},"baseProduct":null,"images":[],"categories":null,"reviews":null,"classifications":null,"potentialPromotions":null,"variantOptions":null,"baseOptions":[],"volumePricesFlag":null,"volumePrices":null,"productReferences":null,"variantMatrix":null,"priceRange":null,"firstCategoryNameList":null,"multidimensional":null,"configurable":false,"configuratorType":null,"addToCartDisabled":null,"addToCartDisabledMessage":null,"tags":null,"sapUnit":null,"keywords":null,"genders":null,"itemtype":"Part","partSubstitute":null,"note":null,"recallNote":null,"note1":null,"note2":null,"note3":null,"note4":null,"note5":null,"pdfAllUser":null,"pdfAuthUser":null,"pdfCOSUser":null,"vaiantRelatedPartList":null,"partHotspotList":null,"itemNumber":10,"partRelatedVariantList":null,"bomCode":2,"totalValue":null,"searchImage":null,"length":null,"width":null,"height":null,"unitOfDimension":null,"weight":null,"unitOfWeight":null,"specialRouting":false,"onlineRepair":null,"previousPartID":null,"sbdDiscountPriceValue":{"currencyIso":"USD","value":38.36,"priceType":"BUY","formattedValue":"$38.36","minQuantity":null,"maxQuantity":null,"sapUnit":{"code":"pieces","name":"Piece"}},"alrCode":null,"productRecallFlag":null,"selectedDocumentId":null,"productDescription":null,"pdpImage":null,"ticketId":null,"qtyRequiredPerVariant":"1","isElgibleForRepair":null,"isPowerEligible":null,"productRecallNotes":null,"productOtherInfo":null,"backorderETA":"00/00/0000","modifiedDate":null,"userLevel":"COS","displayPrice":null,"baseProductName":null,"firstVariantCode":null,"firstVariantImage":null,"productMarketType":null,"productNumber":null,"typeStatusCode":null,"productCategory":null,"typeNumber":null,"marketCode":null,"regionCode":null,"otherInformation":null,"productTypeStatus":null,"repairInstruction":null,"repairInstructionStatusDescription":null,"typeStatusDate":null,"serviceLifeDate":null,"manufacturerId":null,"parts":null,"language":null,"glossaries":null,"brand":null,"product":null,"brandCode":null,"recallNotes":null,"volume":null},{"code":"P532140296-CM","name":null,"url":"/c//p/P532140296-CM","description":"WASHER.BLADE","purchasable":true,"stock":{"stockLevelStatus":{"code":"outOfStock","type":"StockLevelStatus"},"stockLevel":0,"stockThreshold":null},"futureStocks":null,"availableForPickup":null,"averageRating":null,"numberOfReviews":null,"summary":null,"manufacturer":null,"variantType":null,"price":{"currencyIso":"USD","value":3.14,"priceType":"BUY","formattedValue":"$3.14","minQuantity":null,"maxQuantity":null,"sapUnit":{"code":"pieces","name":"Piece"}},"baseProduct":null,"images":[],"categories":null,"reviews":null,"classifications":null,"potentialPromotions":null,"variantOptions":null,"baseOptions":[],"volumePricesFlag":null,"volumePrices":null,"productReferences":null,"variantMatrix":null,"priceRange":null,"firstCategoryNameList":null,"multidimensional":null,"configurable":false,"configuratorType":null,"addToCartDisabled":null,"addToCartDisabledMessage":null,"tags":null,"sapUnit":null,"keywords":null,"genders":null,"itemtype":"Part","partSubstitute":null,"note":null,"recallNote":null,"note1":null,"note2":null,"note3":null,"note4":null,"note5":null,"pdfAllUser":null,"pdfAuthUser":null,"pdfCOSUser":null,"vaiantRelatedPartList":null,"partHotspotList":null,"itemNumber":10,"partRelatedVariantList":null,"bomCode":2,"totalValue":null,"searchImage":null,"length":null,"width":null,"height":null,"unitOfDimension":null,"weight":null,"unitOfWeight":null,"specialRouting":false,"onlineRepair":null,"previousPartID":null,"sbdDiscountPriceValue":{"currencyIso":"USD","value":3.14,"priceType":"BUY","formattedValue":"$3.14","minQuantity":null,"maxQuantity":null,"sapUnit":{"code":"pieces","name":"Piece"}},"alrCode":null,"productRecallFlag":null,"selectedDocumentId":null,"productDescription":null,"pdpImage":null,"ticketId":null,"qtyRequiredPerVariant":"1","isElgibleForRepair":null,"isPowerEligible":null,"productRecallNotes":null,"productOtherInfo":null,"backorderETA":"00/00/0000","modifiedDate":null,"userLevel":"COS","displayPrice":null,"baseProductName":null,"firstVariantCode":null,"firstVariantImage":null,"productMarketType":null,"productNumber":null,"typeStatusCode":null,"productCategory":null,"typeNumber":null,"marketCode":null,"regionCode":null,"otherInformation":null,"productTypeStatus":null,"repairInstruction":null,"repairInstructionStatusDescription":null,"typeStatusDate":null,"serviceLifeDate":null,"manufacturerId":null,"parts":null,"language":null,"glossaries":null,"brand":null,"product":null,"brandCode":null,"recallNotes":null,"volume":null},{"code":"P532150177-CM","name":null,"url":"/c//p/P532150177-CM","description":"KIT.TIEDWN.B","purchasable":true,"stock":{"stockLevelStatus":{"code":"outOfStock","type":"StockLevelStatus"},"stockLevel":0,"stockThreshold":null},"futureStocks":null,"availableForPickup":null,"averageRating":null,"numberOfReviews":null,"summary":null,"manufacturer":null,"variantType":null,"price":{"currencyIso":"USD","value":6.88,"priceType":"BUY","formattedValue":"$6.88","minQuantity":null,"maxQuantity":null,"sapUnit":{"code":"pieces","name":"Piece"}},"baseProduct":null,"images":[],"categories":null,"reviews":null,"classifications":null,"potentialPromotions":null,"variantOptions":null,"baseOptions":[],"volumePricesFlag":null,"volumePrices":null,"productReferences":null,"variantMatrix":null,"priceRange":null,"firstCategoryNameList":null,"multidimensional":null,"configurable":false,"configuratorType":null,"addToCartDisabled":null,"addToCartDisabledMessage":null,"tags":null,"sapUnit":null,"keywords":null,"genders":null,"itemtype":"Part","partSubstitute":null,"note":null,"recallNote":null,"note1":null,"note2":null,"note3":null,"note4":null,"note5":null,"pdfAllUser":null,"pdfAuthUser":null,"pdfCOSUser":null,"vaiantRelatedPartList":null,"partHotspotList":null,"itemNumber":10,"partRelatedVariantList":null,"bomCode":2,"totalValue":null,"searchImage":null,"length":null,"width":null,"height":null,"unitOfDimension":null,"weight":null,"unitOfWeight":null,"specialRouting":false,"onlineRepair":null,"previousPartID":null,"sbdDiscountPriceValue":{"currencyIso":"USD","value":6.88,"priceType":"BUY","formattedValue":"$6.88","minQuantity":null,"maxQuantity":null,"sapUnit":{"code":"pieces","name":"Piece"}},"alrCode":null,"productRecallFlag":null,"selectedDocumentId":null,"productDescription":null,"pdpImage":null,"ticketId":null,"qtyRequiredPerVariant":"1","isElgibleForRepair":null,"isPowerEligible":null,"productRecallNotes":null,"productOtherInfo":null,"backorderETA":"00/00/0000","modifiedDate":null,"userLevel":"COS","displayPrice":null,"baseProductName":null,"firstVariantCode":null,"firstVariantImage":null,"productMarketType":null,"productNumber":null,"typeStatusCode":null,"productCategory":null,"typeNumber":null,"marketCode":null,"regionCode":null,"otherInformation":null,"productTypeStatus":null,"repairInstruction":null,"repairInstructionStatusDescription":null,"typeStatusDate":null,"serviceLifeDate":null,"manufacturerId":null,"parts":null,"language":null,"glossaries":null,"brand":null,"product":null,"brandCode":null,"recallNotes":null,"volume":null},{"code":"P532156438-CM","name":null,"url":"/c//p/P532156438-CM","description":"DRAGLINK-STA","purchasable":true,"stock":{"stockLevelStatus":{"code":"outOfStock","type":"StockLevelStatus"},"stockLevel":0,"stockThreshold":null},"futureStocks":null,"availableForPickup":null,"averageRating":null,"numberOfReviews":null,"summary":null,"manufacturer":null,"variantType":null,"price":{"currencyIso":"USD","value":53.28,"priceType":"BUY","formattedValue":"$53.28","minQuantity":null,"maxQuantity":null,"sapUnit":{"code":"pieces","name":"Piece"}},"baseProduct":null,"images":[],"categories":null,"reviews":null,"classifications":null,"potentialPromotions":null,"variantOptions":null,"baseOptions":[],"volumePricesFlag":null,"volumePrices":null,"productReferences":null,"variantMatrix":null,"priceRange":null,"firstCategoryNameList":null,"multidimensional":null,"configurable":false,"configuratorType":null,"addToCartDisabled":null,"addToCartDisabledMessage":null,"tags":null,"sapUnit":null,"keywords":null,"genders":null,"itemtype":"Part","partSubstitute":null,"note":null,"recallNote":null,"note1":null,"note2":null,"note3":null,"note4":null,"note5":null,"pdfAllUser":null,"pdfAuthUser":null,"pdfCOSUser":null,"vaiantRelatedPartList":null,"partHotspotList":null,"itemNumber":10,"partRelatedVariantList":null,"bomCode":2,"totalValue":null,"searchImage":null,"length":null,"width":null,"height":null,"unitOfDimension":null,"weight":null,"unitOfWeight":null,"specialRouting":false,"onlineRepair":null,"previousPartID":null,"sbdDiscountPriceValue":{"currencyIso":"USD","value":53.28,"priceType":"BUY","formattedValue":"$53.28","minQuantity":null,"maxQuantity":null,"sapUnit":{"code":"pieces","name":"Piece"}},"alrCode":null,"productRecallFlag":null,"selectedDocumentId":null,"productDescription":null,"pdpImage":null,"ticketId":null,"qtyRequiredPerVariant":"1","isElgibleForRepair":null,"isPowerEligible":null,"productRecallNotes":null,"productOtherInfo":null,"backorderETA":"00/00/0000","modifiedDate":null,"userLevel":"COS","displayPrice":null,"baseProductName":null,"firstVariantCode":null,"firstVariantImage":null,"productMarketType":null,"productNumber":null,"typeStatusCode":null,"productCategory":null,"typeNumber":null,"marketCode":null,"regionCode":null,"otherInformation":null,"productTypeStatus":null,"repairInstruction":null,"repairInstructionStatusDescription":null,"typeStatusDate":null,"serviceLifeDate":null,"manufacturerId":null,"parts":null,"language":null,"glossaries":null,"brand":null,"product":null,"brandCode":null,"recallNotes":null,"volume":null},{"code":"P532195530-CM","name":null,"url":"/c//p/P532195530-CM","description":"PAN.ASM.SEAT.1SLOT","purchasable":true,"stock":{"stockLevelStatus":{"code":"outOfStock","type":"StockLevelStatus"},"stockLevel":0,"stockThreshold":null},"futureStocks":null,"availableForPickup":null,"averageRating":null,"numberOfReviews":null,"summary":null,"manufacturer":null,"variantType":null,"price":{"currencyIso":"USD","value":13.62,"priceType":"BUY","formattedValue":"$13.62","minQuantity":null,"maxQuantity":null,"sapUnit":{"code":"pieces","name":"Piece"}},"baseProduct":null,"images":[],"categories":null,"reviews":null,"classifications":null,"potentialPromotions":null,"variantOptions":null,"baseOptions":[],"volumePricesFlag":null,"volumePrices":null,"productReferences":null,"variantMatrix":null,"priceRange":null,"firstCategoryNameList":null,"multidimensional":null,"configurable":false,"configuratorType":null,"addToCartDisabled":null,"addToCartDisabledMessage":null,"tags":null,"sapUnit":null,"keywords":null,"genders":null,"itemtype":"Part","partSubstitute":null,"note":null,"recallNote":null,"note1":null,"note2":null,"note3":null,"note4":null,"note5":null,"pdfAllUser":null,"pdfAuthUser":null,"pdfCOSUser":null,"vaiantRelatedPartList":null,"partHotspotList":null,"itemNumber":10,"partRelatedVariantList":null,"bomCode":2,"totalValue":null,"searchImage":null,"length":null,"width":null,"height":null,"unitOfDimension":null,"weight":null,"unitOfWeight":null,"specialRouting":false,"onlineRepair":null,"previousPartID":null,"sbdDiscountPriceValue":{"currencyIso":"USD","value":13.62,"priceType":"BUY","formattedValue":"$13.62","minQuantity":null,"maxQuantity":null,"sapUnit":{"code":"pieces","name":"Piece"}},"alrCode":null,"productRecallFlag":null,"selectedDocumentId":null,"productDescription":null,"pdpImage":null,"ticketId":null,"qtyRequiredPerVariant":"1","isElgibleForRepair":null,"isPowerEligible":null,"productRecallNotes":null,"productOtherInfo":null,"backorderETA":"00/00/0000","modifiedDate":null,"userLevel":"COS","displayPrice":null,"baseProductName":null,"firstVariantCode":null,"firstVariantImage":null,"productMarketType":null,"productNumber":null,"typeStatusCode":null,"productCategory":null,"typeNumber":null,"marketCode":null,"regionCode":null,"otherInformation":null,"productTypeStatus":null,"repairInstruction":null,"repairInstructionStatusDescription":null,"typeStatusDate":null,"serviceLifeDate":null,"manufacturerId":null,"parts":null,"language":null,"glossaries":null,"brand":null,"product":null,"brandCode":null,"recallNotes":null,"volume":null},{"code":"P72110608-CM","name":null,"url":"/c//p/P72110608-CM","description":"BOLT RDHD SQNK 3/8-1","purchasable":false,"stock":{"stockLevelStatus":{"code":"outOfStock","type":"StockLevelStatus"},"stockLevel":0,"stockThreshold":null},"futureStocks":null,"availableForPickup":null,"averageRating":null,"numberOfReviews":null,"summary":null,"manufacturer":null,"variantType":null,"price":null,"baseProduct":null,"images":[],"categories":null,"reviews":null,"classifications":null,"potentialPromotions":null,"variantOptions":null,"baseOptions":[],"volumePricesFlag":null,"volumePrices":null,"productReferences":null,"variantMatrix":null,"priceRange":null,"firstCategoryNameList":null,"multidimensional":null,"configurable":false,"configuratorType":null,"addToCartDisabled":null,"addToCartDisabledMessage":null,"tags":null,"sapUnit":null,"keywords":null,"genders":null,"itemtype":"Part","partSubstitute":"P872110608-CM","note":null,"recallNote":null,"note1":null,"note2":null,"note3":null,"note4":null,"note5":null,"pdfAllUser":null,"pdfAuthUser":null,"pdfCOSUser":null,"vaiantRelatedPartList":null,"partHotspotList":null,"itemNumber":10,"partRelatedVariantList":null,"bomCode":4,"totalValue":null,"searchImage":null,"length":null,"width":null,"height":null,"unitOfDimension":null,"weight":null,"unitOfWeight":null,"specialRouting":false,"onlineRepair":null,"previousPartID":null,"sbdDiscountPriceValue":null,"alrCode":null,"productRecallFlag":null,"selectedDocumentId":null,"productDescription":null,"pdpImage":null,"ticketId":null,"qtyRequiredPerVariant":"1","isElgibleForRepair":null,"isPowerEligible":null,"productRecallNotes":null,"productOtherInfo":null,"backorderETA":null,"modifiedDate":null,"userLevel":"COS","displayPrice":null,"baseProductName":null,"firstVariantCode":null,"firstVariantImage":null,"productMarketType":null,"productNumber":null,"typeStatusCode":null,"productCategory":null,"typeNumber":null,"marketCode":null,"regionCode":null,"otherInformation":null,"productTypeStatus":null,"repairInstruction":null,"repairInstructionStatusDescription":null,"typeStatusDate":null,"serviceLifeDate":null,"manufacturerId":null,"parts":null,"language":null,"glossaries":null,"brand":null,"product":null,"brandCode":null,"recallNotes":null,"volume":null},{"code":"P72110608-CM","name":null,"url":"/c//p/P72110608-CM","description":"BOLT RDHD SQNK 3/8-1","purchasable":false,"stock":{"stockLevelStatus":{"code":"outOfStock","type":"StockLevelStatus"},"stockLevel":0,"stockThreshold":null},"futureStocks":null,"availableForPickup":null,"averageRating":null,"numberOfReviews":null,"summary":null,"manufacturer":null,"variantType":null,"price":null,"baseProduct":null,"images":[],"categories":null,"reviews":null,"classifications":null,"potentialPromotions":null,"variantOptions":null,"baseOptions":[],"volumePricesFlag":null,"volumePrices":null,"productReferences":null,"variantMatrix":null,"priceRange":null,"firstCategoryNameList":null,"multidimensional":null,"configurable":false,"configuratorType":null,"addToCartDisabled":null,"addToCartDisabledMessage":null,"tags":null,"sapUnit":null,"keywords":null,"genders":null,"itemtype":"Part","partSubstitute":"P872110608-CM","note":null,"recallNote":null,"note1":null,"note2":null,"note3":null,"note4":null,"note5":null,"pdfAllUser":null,"pdfAuthUser":null,"pdfCOSUser":null,"vaiantRelatedPartList":null,"partHotspotList":null,"itemNumber":10,"partRelatedVariantList":null,"bomCode":4,"totalValue":null,"searchImage":null,"length":null,"width":null,"height":null,"unitOfDimension":null,"weight":null,"unitOfWeight":null,"specialRouting":false,"onlineRepair":null,"previousPartID":null,"sbdDiscountPriceValue":null,"alrCode":null,"productRecallFlag":null,"selectedDocumentId":null,"productDescription":null,"pdpImage":null,"ticketId":null,"qtyRequiredPerVariant":"1","isElgibleForRepair":null,"isPowerEligible":null,"productRecallNotes":null,"productOtherInfo":null,"backorderETA":null,"modifiedDate":null,"userLevel":"COS","displayPrice":null,"baseProductName":null,"firstVariantCode":null,"firstVariantImage":null,"productMarketType":null,"productNumber":null,"typeStatusCode":null,"productCategory":null,"typeNumber":null,"marketCode":null,"regionCode":null,"otherInformation":null,"productTypeStatus":null,"repairInstruction":null,"repairInstructionStatusDescription":null,"typeStatusDate":null,"serviceLifeDate":null,"manufacturerId":null,"parts":null,"language":null,"glossaries":null,"brand":null,"product":null,"brandCode":null,"recallNotes":null,"volume":null},{"code":"P872110608-CM","name":null,"url":"/c//p/P872110608-CM","description":"BOLT D","purchasable":true,"stock":{"stockLevelStatus":{"code":"outOfStock","type":"StockLevelStatus"},"stockLevel":0,"stockThreshold":null},"futureStocks":null,"availableForPickup":null,"averageRating":null,"numberOfReviews":null,"summary":null,"manufacturer":null,"variantType":null,"price":{"currencyIso":"USD","value":3.1,"priceType":"BUY","formattedValue":"$3.10","minQuantity":null,"maxQuantity":null,"sapUnit":{"code":"pieces","name":"Piece"}},"baseProduct":null,"images":[],"categories":null,"reviews":null,"classifications":null,"potentialPromotions":null,"variantOptions":null,"baseOptions":[],"volumePricesFlag":null,"volumePrices":null,"productReferences":null,"variantMatrix":null,"priceRange":null,"firstCategoryNameList":null,"multidimensional":null,"configurable":false,"configuratorType":null,"addToCartDisabled":null,"addToCartDisabledMessage":null,"tags":null,"sapUnit":null,"keywords":null,"genders":null,"itemtype":"Part","partSubstitute":null,"note":null,"recallNote":null,"note1":null,"note2":null,"note3":null,"note4":null,"note5":null,"pdfAllUser":null,"pdfAuthUser":null,"pdfCOSUser":null,"vaiantRelatedPartList":null,"partHotspotList":null,"itemNumber":10,"partRelatedVariantList":null,"bomCode":2,"totalValue":null,"searchImage":null,"length":null,"width":null,"height":null,"unitOfDimension":null,"weight":null,"unitOfWeight":null,"specialRouting":false,"onlineRepair":null,"previousPartID":null,"sbdDiscountPriceValue":{"currencyIso":"USD","value":3.1,"priceType":"BUY","formattedValue":"$3.10","minQuantity":null,"maxQuantity":null,"sapUnit":{"code":"pieces","name":"Piece"}},"alrCode":null,"productRecallFlag":null,"selectedDocumentId":null,"productDescription":null,"pdpImage":null,"ticketId":null,"qtyRequiredPerVariant":"1","isElgibleForRepair":null,"isPowerEligible":null,"productRecallNotes":null,"productOtherInfo":null,"backorderETA":"00/00/0000","modifiedDate":null,"userLevel":"COS","displayPrice":null,"baseProductName":null,"firstVariantCode":null,"firstVariantImage":null,"productMarketType":null,"productNumber":null,"typeStatusCode":null,"productCategory":null,"typeNumber":null,"marketCode":null,"regionCode":null,"otherInformation":null,"productTypeStatus":null,"repairInstruction":null,"repairInstructionStatusDescription":null,"typeStatusDate":null,"serviceLifeDate":null,"manufacturerId":null,"parts":null,"language":null,"glossaries":null,"brand":null,"product":null,"brandCode":null,"recallNotes":null,"volume":null},{"code":"P872110608-CM","name":null,"url":"/c//p/P872110608-CM","description":"BOLT D","purchasable":true,"stock":{"stockLevelStatus":{"code":"outOfStock","type":"StockLevelStatus"},"stockLevel":0,"stockThreshold":null},"futureStocks":null,"availableForPickup":null,"averageRating":null,"numberOfReviews":null,"summary":null,"manufacturer":null,"variantType":null,"price":{"currencyIso":"USD","value":3.1,"priceType":"BUY","formattedValue":"$3.10","minQuantity":null,"maxQuantity":null,"sapUnit":{"code":"pieces","name":"Piece"}},"baseProduct":null,"images":[],"categories":null,"reviews":null,"classifications":null,"potentialPromotions":null,"variantOptions":null,"baseOptions":[],"volumePricesFlag":null,"volumePrices":null,"productReferences":null,"variantMatrix":null,"priceRange":null,"firstCategoryNameList":null,"multidimensional":null,"configurable":false,"configuratorType":null,"addToCartDisabled":null,"addToCartDisabledMessage":null,"tags":null,"sapUnit":null,"keywords":null,"genders":null,"itemtype":"Part","partSubstitute":null,"note":null,"recallNote":null,"note1":null,"note2":null,"note3":null,"note4":null,"note5":null,"pdfAllUser":null,"pdfAuthUser":null,"pdfCOSUser":null,"vaiantRelatedPartList":null,"partHotspotList":null,"itemNumber":10,"partRelatedVariantList":null,"bomCode":2,"totalValue":null,"searchImage":null,"length":null,"width":null,"height":null,"unitOfDimension":null,"weight":null,"unitOfWeight":null,"specialRouting":false,"onlineRepair":null,"previousPartID":null,"sbdDiscountPriceValue":{"currencyIso":"USD","value":3.1,"priceType":"BUY","formattedValue":"$3.10","minQuantity":null,"maxQuantity":null,"sapUnit":{"code":"pieces","name":"Piece"}},"alrCode":null,"productRecallFlag":null,"selectedDocumentId":null,"productDescription":null,"pdpImage":null,"ticketId":null,"qtyRequiredPerVariant":"1","isElgibleForRepair":null,"isPowerEligible":null,"productRecallNotes":null,"productOtherInfo":null,"backorderETA":"00/00/0000","modifiedDate":null,"userLevel":"COS","displayPrice":null,"baseProductName":null,"firstVariantCode":null,"firstVariantImage":null,"productMarketType":null,"productNumber":null,"typeStatusCode":null,"productCategory":null,"typeNumber":null,"marketCode":null,"regionCode":null,"otherInformation":null,"productTypeStatus":null,"repairInstruction":null,"repairInstructionStatusDescription":null,"typeStatusDate":null,"serviceLifeDate":null,"manufacturerId":null,"parts":null,"language":null,"glossaries":null,"brand":null,"product":null,"brandCode":null,"recallNotes":null,"volume":null},{"code":"PSTD533710-CM","name":null,"url":"/c//p/PSTD533710-CM","description":"CARR BOLT","purchasable":false,"stock":{"stockLevelStatus":{"code":"outOfStock","type":"StockLevelStatus"},"stockLevel":0,"stockThreshold":null},"futureStocks":null,"availableForPickup":null,"averageRating":null,"numberOfReviews":null,"summary":null,"manufacturer":null,"variantType":null,"price":null,"baseProduct":null,"images":[],"categories":null,"reviews":null,"classifications":null,"potentialPromotions":null,"variantOptions":null,"baseOptions":[],"volumePricesFlag":null,"volumePrices":null,"productReferences":null,"variantMatrix":null,"priceRange":null,"firstCategoryNameList":null,"multidimensional":null,"configurable":false,"configuratorType":null,"addToCartDisabled":null,"addToCartDisabledMessage":null,"tags":null,"sapUnit":null,"keywords":null,"genders":null,"itemtype":"Part","partSubstitute":null,"note":null,"recallNote":null,"note1":null,"note2":null,"note3":null,"note4":null,"note5":null,"pdfAllUser":null,"pdfAuthUser":null,"pdfCOSUser":null,"vaiantRelatedPartList":null,"partHotspotList":null,"itemNumber":10,"partRelatedVariantList":null,"bomCode":4,"totalValue":null,"searchImage":null,"length":null,"width":null,"height":null,"unitOfDimension":null,"weight":null,"unitOfWeight":null,"specialRouting":false,"onlineRepair":null,"previousPartID":null,"sbdDiscountPriceValue":null,"alrCode":null,"productRecallFlag":null,"selectedDocumentId":null,"productDescription":null,"pdpImage":null,"ticketId":null,"qtyRequiredPerVariant":"1","isElgibleForRepair":null,"isPowerEligible":null,"productRecallNotes":null,"productOtherInfo":null,"backorderETA":null,"modifiedDate":null,"userLevel":"COS","displayPrice":null,"baseProductName":null,"firstVariantCode":null,"firstVariantImage":null,"productMarketType":null,"productNumber":null,"typeStatusCode":null,"productCategory":null,"typeNumber":null,"marketCode":null,"regionCode":null,"otherInformation":null,"productTypeStatus":null,"repairInstruction":null,"repairInstructionStatusDescription":null,"typeStatusDate":null,"serviceLifeDate":null,"manufacturerId":null,"parts":null,"language":null,"glossaries":null,"brand":null,"product":null,"brandCode":null,"recallNotes":null,"volume":null},{"code":"P134149-CM","name":null,"url":"/c//p/P134149-CM","description":"BLADE.42.MULCH","purchasable":true,"stock":{"stockLevelStatus":{"code":"outOfStock","type":"StockLevelStatus"},"stockLevel":0,"stockThreshold":null},"futureStocks":null,"availableForPickup":null,"averageRating":null,"numberOfReviews":null,"summary":null,"manufacturer":null,"variantType":null,"price":{"currencyIso":"USD","value":12.59,"priceType":"BUY","formattedValue":"$12.59","minQuantity":null,"maxQuantity":null,"sapUnit":{"code":"pieces","name":"Piece"}},"baseProduct":null,"images":[],"categories":null,"reviews":null,"classifications":null,"potentialPromotions":null,"variantOptions":null,"baseOptions":[],"volumePricesFlag":null,"volumePrices":null,"productReferences":null,"variantMatrix":null,"priceRange":null,"firstCategoryNameList":null,"multidimensional":null,"configurable":false,"configuratorType":null,"addToCartDisabled":null,"addToCartDisabledMessage":null,"tags":null,"sapUnit":null,"keywords":null,"genders":null,"itemtype":"Part","partSubstitute":"P532105701-CM","note":null,"recallNote":null,"note1":null,"note2":null,"note3":null,"note4":null,"note5":null,"pdfAllUser":null,"pdfAuthUser":null,"pdfCOSUser":null,"vaiantRelatedPartList":null,"partHotspotList":null,"itemNumber":11,"partRelatedVariantList":null,"bomCode":6,"totalValue":null,"searchImage":null,"length":null,"width":null,"height":null,"unitOfDimension":null,"weight":null,"unitOfWeight":null,"specialRouting":false,"onlineRepair":null,"previousPartID":null,"sbdDiscountPriceValue":{"currencyIso":"USD","value":12.59,"priceType":"BUY","formattedValue":"$12.59","minQuantity":null,"maxQuantity":null,"sapUnit":{"code":"pieces","name":"Piece"}},"alrCode":null,"productRecallFlag":null,"selectedDocumentId":null,"productDescription":null,"pdpImage":null,"ticketId":null,"qtyRequiredPerVariant":"1","isElgibleForRepair":null,"isPowerEligible":null,"productRecallNotes":null,"productOtherInfo":null,"backorderETA":"00/00/0000","modifiedDate":null,"userLevel":"COS","displayPrice":null,"baseProductName":null,"firstVariantCode":null,"firstVariantImage":null,"productMarketType":null,"productNumber":null,"typeStatusCode":null,"productCategory":null,"typeNumber":null,"marketCode":null,"regionCode":null,"otherInformation":null,"productTypeStatus":null,"repairInstruction":null,"repairInstructionStatusDescription":null,"typeStatusDate":null,"serviceLifeDate":null,"manufacturerId":null,"parts":null,"language":null,"glossaries":null,"brand":null,"product":null,"brandCode":null,"recallNotes":null,"volume":null},{"code":"P166369-CM","name":null,"url":"/c//p/P166369-CM","description":"KNOB.SEAT.AD","purchasable":false,"stock":{"stockLevelStatus":{"code":"outOfStock","type":"StockLevelStatus"},"stockLevel":0,"stockThreshold":null},"futureStocks":null,"availableForPickup":null,"averageRating":null,"numberOfReviews":null,"summary":null,"manufacturer":null,"variantType":null,"price":null,"baseProduct":null,"images":[],"categories":null,"reviews":null,"classifications":null,"potentialPromotions":null,"variantOptions":null,"baseOptions":[],"volumePricesFlag":null,"volumePrices":null,"productReferences":null,"variantMatrix":null,"priceRange":null,"firstCategoryNameList":null,"multidimensional":null,"configurable":false,"configuratorType":null,"addToCartDisabled":null,"addToCartDisabledMessage":null,"tags":null,"sapUnit":null,"keywords":null,"genders":null,"itemtype":"Part","partSubstitute":"P532105701-CM","note":null,"recallNote":null,"note1":null,"note2":null,"note3":null,"note4":null,"note5":null,"pdfAllUser":null,"pdfAuthUser":null,"pdfCOSUser":null,"vaiantRelatedPartList":null,"partHotspotList":null,"itemNumber":11,"partRelatedVariantList":null,"bomCode":4,"totalValue":null,"searchImage":null,"length":null,"width":null,"height":null,"unitOfDimension":null,"weight":null,"unitOfWeight":null,"specialRouting":false,"onlineRepair":null,"previousPartID":null,"sbdDiscountPriceValue":null,"alrCode":null,"productRecallFlag":null,"selectedDocumentId":null,"productDescription":null,"pdpImage":null,"ticketId":null,"qtyRequiredPerVariant":"1","isElgibleForRepair":null,"isPowerEligible":null,"productRecallNotes":null,"productOtherInfo":null,"backorderETA":null,"modifiedDate":null,"userLevel":"COS","displayPrice":null,"baseProductName":null,"firstVariantCode":null,"firstVariantImage":null,"productMarketType":null,"productNumber":null,"typeStatusCode":null,"productCategory":null,"typeNumber":null,"marketCode":null,"regionCode":null,"otherInformation":null,"productTypeStatus":null,"repairInstruction":null,"repairInstructionStatusDescription":null,"typeStatusDate":null,"serviceLifeDate":null,"manufacturerId":null,"parts":null,"language":null,"glossaries":null,"brand":null,"product":null,"brandCode":null,"recallNotes":null,"volume":null},{"code":"P174996-CM","name":null,"url":"/c//p/P174996-CM","description":"PANEL.DASH","purchasable":false,"stock":{"stockLevelStatus":{"code":"outOfStock","type":"StockLevelStatus"},"stockLevel":0,"stockThreshold":null},"futureStocks":null,"availableForPickup":null,"averageRating":null,"numberOfReviews":null,"summary":null,"manufacturer":null,"variantType":null,"price":null,"baseProduct":null,"images":[],"categories":null,"reviews":null,"classifications":null,"potentialPromotions":null,"variantOptions":null,"baseOptions":[],"volumePricesFlag":null,"volumePrices":null,"productReferences":null,"variantMatrix":null,"priceRange":null,"firstCategoryNameList":null,"multidimensional":null,"configurable":false,"configuratorType":null,"addToCartDisabled":null,"addToCartDisabledMessage":null,"tags":null,"sapUnit":null,"keywords":null,"genders":null,"itemtype":"Part","partSubstitute":"P539990118-CM","note":null,"recallNote":null,"note1":null,"note2":null,"note3":null,"note4":null,"note5":null,"pdfAllUser":null,"pdfAuthUser":null,"pdfCOSUser":null,"vaiantRelatedPartList":null,"partHotspotList":null,"itemNumber":11,"partRelatedVariantList":null,"bomCode":4,"totalValue":null,"searchImage":null,"length":null,"width":null,"height":null,"unitOfDimension":null,"weight":null,"unitOfWeight":null,"specialRouting":false,"onlineRepair":null,"previousPartID":null,"sbdDiscountPriceValue":null,"alrCode":null,"productRecallFlag":null,"selectedDocumentId":null,"productDescription":null,"pdpImage":null,"ticketId":null,"qtyRequiredPerVariant":"1","isElgibleForRepair":null,"isPowerEligible":null,"productRecallNotes":null,"productOtherInfo":null,"backorderETA":null,"modifiedDate":null,"userLevel":"COS","displayPrice":null,"baseProductName":null,"firstVariantCode":null,"firstVariantImage":null,"productMarketType":null,"productNumber":null,"typeStatusCode":null,"productCategory":null,"typeNumber":null,"marketCode":null,"regionCode":null,"otherInformation":null,"productTypeStatus":null,"repairInstruction":null,"repairInstructionStatusDescription":null,"typeStatusDate":null,"serviceLifeDate":null,"manufacturerId":null,"parts":null,"language":null,"glossaries":null,"brand":null,"product":null,"brandCode":null,"recallNotes":null,"volume":null},{"code":"P504-00152-CM","name":null,"url":"/c//p/P504-00152-CM","description":"BLADE MULCH","purchasable":false,"stock":{"stockLevelStatus":{"code":"outOfStock","type":"StockLevelStatus"},"stockLevel":0,"stockThreshold":null},"futureStocks":null,"availableForPickup":null,"averageRating":null,"numberOfReviews":null,"summary":null,"manufacturer":null,"variantType":null,"price":null,"baseProduct":null,"images":[],"categories":null,"reviews":null,"classifications":null,"potentialPromotions":null,"variantOptions":null,"baseOptions":[],"volumePricesFlag":null,"volumePrices":null,"productReferences":null,"variantMatrix":null,"priceRange":null,"firstCategoryNameList":null,"multidimensional":null,"configurable":false,"configuratorType":null,"addToCartDisabled":null,"addToCartDisabledMessage":null,"tags":null,"sapUnit":null,"keywords":null,"genders":null,"itemtype":"Part","partSubstitute":null,"note":null,"recallNote":null,"note1":null,"note2":null,"note3":null,"note4":null,"note5":null,"pdfAllUser":null,"pdfAuthUser":null,"pdfCOSUser":null,"vaiantRelatedPartList":null,"partHotspotList":null,"itemNumber":11,"partRelatedVariantList":null,"bomCode":6,"totalValue":null,"searchImage":null,"length":null,"width":null,"height":null,"unitOfDimension":null,"weight":null,"unitOfWeight":null,"specialRouting":false,"onlineRepair":null,"previousPartID":null,"sbdDiscountPriceValue":null,"alrCode":null,"productRecallFlag":null,"selectedDocumentId":null,"productDescription":null,"pdpImage":null,"ticketId":null,"qtyRequiredPerVariant":"1","isElgibleForRepair":null,"isPowerEligible":null,"productRecallNotes":null,"productOtherInfo":null,"backorderETA":"00/00/0000","modifiedDate":null,"userLevel":"ALL","displayPrice":null,"baseProductName":null,"firstVariantCode":null,"firstVariantImage":null,"productMarketType":null,"productNumber":null,"typeStatusCode":null,"productCategory":null,"typeNumber":null,"marketCode":null,"regionCode":null,"otherInformation":null,"productTypeStatus":null,"repairInstruction":null,"repairInstructionStatusDescription":null,"typeStatusDate":null,"serviceLifeDate":null,"manufacturerId":null,"parts":null,"language":null,"glossaries":null,"brand":null,"product":null,"brandCode":null,"recallNotes":null,"volume":null},{"code":"P532104757-CM","name":null,"url":"/c//p/P532104757-CM","description":"CAP AXLE","purchasable":true,"stock":{"stockLevelStatus":{"code":"inStock","type":"StockLevelStatus"},"stockLevel":0,"stockThreshold":null},"futureStocks":null,"availableForPickup":null,"averageRating":null,"numberOfReviews":null,"summary":null,"manufacturer":null,"variantType":null,"price":{"currencyIso":"USD","value":2.09,"priceType":"BUY","formattedValue":"$2.09","minQuantity":null,"maxQuantity":null,"sapUnit":{"code":"pieces","name":"Piece"}},"baseProduct":null,"images":[],"categories":null,"reviews":null,"classifications":null,"potentialPromotions":null,"variantOptions":null,"baseOptions":[],"volumePricesFlag":null,"volumePrices":null,"productReferences":null,"variantMatrix":null,"priceRange":null,"firstCategoryNameList":null,"multidimensional":null,"configurable":false,"configuratorType":null,"addToCartDisabled":null,"addToCartDisabledMessage":null,"tags":null,"sapUnit":null,"keywords":null,"genders":null,"itemtype":"Part","partSubstitute":null,"note":null,"recallNote":null,"note1":null,"note2":null,"note3":null,"note4":null,"note5":null,"pdfAllUser":null,"pdfAuthUser":null,"pdfCOSUser":null,"vaiantRelatedPartList":null,"partHotspotList":null,"itemNumber":11,"partRelatedVariantList":null,"bomCode":2,"totalValue":null,"searchImage":null,"length":null,"width":null,"height":null,"unitOfDimension":null,"weight":null,"unitOfWeight":null,"specialRouting":false,"onlineRepair":null,"previousPartID":null,"sbdDiscountPriceValue":{"currencyIso":"USD","value":2.09,"priceType":"BUY","formattedValue":"$2.09","minQuantity":null,"maxQuantity":null,"sapUnit":{"code":"pieces","name":"Piece"}},"alrCode":null,"productRecallFlag":null,"selectedDocumentId":null,"productDescription":null,"pdpImage":null,"ticketId":null,"qtyRequiredPerVariant":"1","isElgibleForRepair":null,"isPowerEligible":null,"productRecallNotes":null,"productOtherInfo":null,"backorderETA":"00/00/0000","modifiedDate":null,"userLevel":"COS","displayPrice":null,"baseProductName":null,"firstVariantCode":null,"firstVariantImage":null,"productMarketType":null,"productNumber":null,"typeStatusCode":null,"productCategory":null,"typeNumber":null,"marketCode":null,"regionCode":null,"otherInformation":null,"productTypeStatus":null,"repairInstruction":null,"repairInstructionStatusDescription":null,"typeStatusDate":null,"serviceLifeDate":null,"manufacturerId":null,"parts":null,"language":null,"glossaries":null,"brand":null,"product":null,"brandCode":null,"recallNotes":null,"volume":null},{"code":"P532105701-CM","name":null,"url":"/c//p/P532105701-CM","description":"WASH-SHFT PL","purchasable":true,"stock":{"stockLevelStatus":{"code":"outOfStock","type":"StockLevelStatus"},"stockLevel":0,"stockThreshold":null},"futureStocks":null,"availableForPickup":null,"averageRating":null,"numberOfReviews":null,"summary":null,"manufacturer":null,"variantType":null,"price":{"currencyIso":"USD","value":3.1,"priceType":"BUY","formattedValue":"$3.10","minQuantity":null,"maxQuantity":null,"sapUnit":{"code":"pieces","name":"Piece"}},"baseProduct":null,"images":[],"categories":null,"reviews":null,"classifications":null,"potentialPromotions":null,"variantOptions":null,"baseOptions":[],"volumePricesFlag":null,"volumePrices":null,"productReferences":null,"variantMatrix":null,"priceRange":null,"firstCategoryNameList":null,"multidimensional":null,"configurable":false,"configuratorType":null,"addToCartDisabled":null,"addToCartDisabledMessage":null,"tags":null,"sapUnit":null,"keywords":null,"genders":null,"itemtype":"Part","partSubstitute":null,"note":null,"recallNote":null,"note1":null,"note2":null,"note3":null,"note4":null,"note5":null,"pdfAllUser":null,"pdfAuthUser":null,"pdfCOSUser":null,"vaiantRelatedPartList":null,"partHotspotList":null,"itemNumber":11,"partRelatedVariantList":null,"bomCode":2,"totalValue":null,"searchImage":null,"length":null,"width":null,"height":null,"unitOfDimension":null,"weight":null,"unitOfWeight":null,"specialRouting":false,"onlineRepair":null,"previousPartID":null,"sbdDiscountPriceValue":{"currencyIso":"USD","value":3.1,"priceType":"BUY","formattedValue":"$3.10","minQuantity":null,"maxQuantity":null,"sapUnit":{"code":"pieces","name":"Piece"}},"alrCode":null,"productRecallFlag":null,"selectedDocumentId":null,"productDescription":null,"pdpImage":null,"ticketId":null,"qtyRequiredPerVariant":"1","isElgibleForRepair":null,"isPowerEligible":null,"productRecallNotes":null,"productOtherInfo":null,"backorderETA":"00/00/0000","modifiedDate":null,"userLevel":"COS","displayPrice":null,"baseProductName":null,"firstVariantCode":null,"firstVariantImage":null,"productMarketType":null,"productNumber":null,"typeStatusCode":null,"productCategory":null,"typeNumber":null,"marketCode":null,"regionCode":null,"otherInformation":null,"productTypeStatus":null,"repairInstruction":null,"repairInstructionStatusDescription":null,"typeStatusDate":null,"serviceLifeDate":null,"manufacturerId":null,"parts":null,"language":null,"glossaries":null,"brand":null,"product":null,"brandCode":null,"recallNotes":null,"volume":null},{"code":"P532151141-CM","name":null,"url":"/c//p/P532151141-CM","description":"LINK.ASM.LH","purchasable":true,"stock":{"stockLevelStatus":{"code":"outOfStock","type":"StockLevelStatus"},"stockLevel":0,"stockThreshold":null},"futureStocks":null,"availableForPickup":null,"averageRating":null,"numberOfReviews":null,"summary":null,"manufacturer":null,"variantType":null,"price":{"currencyIso":"USD","value":12.78,"priceType":"BUY","formattedValue":"$12.78","minQuantity":null,"maxQuantity":null,"sapUnit":{"code":"pieces","name":"Piece"}},"baseProduct":null,"images":[],"categories":null,"reviews":null,"classifications":null,"potentialPromotions":null,"variantOptions":null,"baseOptions":[],"volumePricesFlag":null,"volumePrices":null,"productReferences":null,"variantMatrix":null,"priceRange":null,"firstCategoryNameList":null,"multidimensional":null,"configurable":false,"configuratorType":null,"addToCartDisabled":null,"addToCartDisabledMessage":null,"tags":null,"sapUnit":null,"keywords":null,"genders":null,"itemtype":"Part","partSubstitute":null,"note":null,"recallNote":null,"note1":null,"note2":null,"note3":null,"note4":null,"note5":null,"pdfAllUser":null,"pdfAuthUser":null,"pdfCOSUser":null,"vaiantRelatedPartList":null,"partHotspotList":null,"itemNumber":11,"partRelatedVariantList":null,"bomCode":2,"totalValue":null,"searchImage":null,"length":null,"width":null,"height":null,"unitOfDimension":null,"weight":null,"unitOfWeight":null,"specialRouting":false,"onlineRepair":null,"previousPartID":null,"sbdDiscountPriceValue":{"currencyIso":"USD","value":12.78,"priceType":"BUY","formattedValue":"$12.78","minQuantity":null,"maxQuantity":null,"sapUnit":{"code":"pieces","name":"Piece"}},"alrCode":null,"productRecallFlag":null,"selectedDocumentId":null,"productDescription":null,"pdpImage":null,"ticketId":null,"qtyRequiredPerVariant":"1","isElgibleForRepair":null,"isPowerEligible":null,"productRecallNotes":null,"productOtherInfo":null,"backorderETA":"00/00/0000","modifiedDate":null,"userLevel":"COS","displayPrice":null,"baseProductName":null,"firstVariantCode":null,"firstVariantImage":null,"productMarketType":null,"productNumber":null,"typeStatusCode":null,"productCategory":null,"typeNumber":null,"marketCode":null,"regionCode":null,"otherInformation":null,"productTypeStatus":null,"repairInstruction":null,"repairInstructionStatusDescription":null,"typeStatusDate":null,"serviceLifeDate":null,"manufacturerId":null,"parts":null,"language":null,"glossaries":null,"brand":null,"product":null,"brandCode":null,"recallNotes":null,"volume":null},{"code":"P532156368-CM","name":null,"url":"/c//p/P532156368-CM","description":"DECAL.FENDER","purchasable":false,"stock":{"stockLevelStatus":{"code":"outOfStock","type":"StockLevelStatus"},"stockLevel":0,"stockThreshold":null},"futureStocks":null,"availableForPickup":null,"averageRating":null,"numberOfReviews":null,"summary":null,"manufacturer":null,"variantType":null,"price":null,"baseProduct":null,"images":[],"categories":null,"reviews":null,"classifications":null,"potentialPromotions":null,"variantOptions":null,"baseOptions":[],"volumePricesFlag":null,"volumePrices":null,"productReferences":null,"variantMatrix":null,"priceRange":null,"firstCategoryNameList":null,"multidimensional":null,"configurable":false,"configuratorType":null,"addToCartDisabled":null,"addToCartDisabledMessage":null,"tags":null,"sapUnit":null,"keywords":null,"genders":null,"itemtype":"Part","partSubstitute":null,"note":null,"recallNote":null,"note1":null,"note2":null,"note3":null,"note4":null,"note5":null,"pdfAllUser":null,"pdfAuthUser":null,"pdfCOSUser":null,"vaiantRelatedPartList":null,"partHotspotList":null,"itemNumber":11,"partRelatedVariantList":null,"bomCode":2,"totalValue":null,"searchImage":null,"length":null,"width":null,"height":null,"unitOfDimension":null,"weight":null,"unitOfWeight":null,"specialRouting":false,"onlineRepair":null,"previousPartID":null,"sbdDiscountPriceValue":null,"alrCode":null,"productRecallFlag":null,"selectedDocumentId":null,"productDescription":null,"pdpImage":null,"ticketId":null,"qtyRequiredPerVariant":"1","isElgibleForRepair":null,"isPowerEligible":null,"productRecallNotes":null,"productOtherInfo":null,"backorderETA":"00/00/0000","modifiedDate":null,"userLevel":"COS","displayPrice":null,"baseProductName":null,"firstVariantCode":null,"firstVariantImage":null,"productMarketType":null,"productNumber":null,"typeStatusCode":null,"productCategory":null,"typeNumber":null,"marketCode":null,"regionCode":null,"otherInformation":null,"productTypeStatus":null,"repairInstruction":null,"repairInstructionStatusDescription":null,"typeStatusDate":null,"serviceLifeDate":null,"manufacturerId":null,"parts":null,"language":null,"glossaries":null,"brand":null,"product":null,"brandCode":null,"recallNotes":null,"volume":null},{"code":"P532166369-CM","name":null,"url":"/c//p/P532166369-CM","description":"KNOB.SEAT.ADJ.WNGNUT","purchasable":true,"stock":{"stockLevelStatus":{"code":"outOfStock","type":"StockLevelStatus"},"stockLevel":0,"stockThreshold":null},"futureStocks":null,"availableForPickup":null,"averageRating":null,"numberOfReviews":null,"summary":null,"manufacturer":null,"variantType":null,"price":{"currencyIso":"USD","value":3.86,"priceType":"BUY","formattedValue":"$3.86","minQuantity":null,"maxQuantity":null,"sapUnit":{"code":"pieces","name":"Piece"}},"baseProduct":null,"images":[],"categories":null,"reviews":null,"classifications":null,"potentialPromotions":null,"variantOptions":null,"baseOptions":[],"volumePricesFlag":null,"volumePrices":null,"productReferences":null,"variantMatrix":null,"priceRange":null,"firstCategoryNameList":null,"multidimensional":null,"configurable":false,"configuratorType":null,"addToCartDisabled":null,"addToCartDisabledMessage":null,"tags":null,"sapUnit":null,"keywords":null,"genders":null,"itemtype":"Part","partSubstitute":null,"note":null,"recallNote":null,"note1":null,"note2":null,"note3":null,"note4":null,"note5":null,"pdfAllUser":null,"pdfAuthUser":null,"pdfCOSUser":null,"vaiantRelatedPartList":null,"partHotspotList":null,"itemNumber":11,"partRelatedVariantList":null,"bomCode":2,"totalValue":null,"searchImage":null,"length":null,"width":null,"height":null,"unitOfDimension":null,"weight":null,"unitOfWeight":null,"specialRouting":false,"onlineRepair":null,"previousPartID":null,"sbdDiscountPriceValue":{"currencyIso":"USD","value":3.86,"priceType":"BUY","formattedValue":"$3.86","minQuantity":null,"maxQuantity":null,"sapUnit":{"code":"pieces","name":"Piece"}},"alrCode":null,"productRecallFlag":null,"selectedDocumentId":null,"productDescription":null,"pdpImage":null,"ticketId":null,"qtyRequiredPerVariant":"1","isElgibleForRepair":null,"isPowerEligible":null,"productRecallNotes":null,"productOtherInfo":null,"backorderETA":"00/00/0000","modifiedDate":null,"userLevel":"COS","displayPrice":null,"baseProductName":null,"firstVariantCode":null,"firstVariantImage":null,"productMarketType":null,"productNumber":null,"typeStatusCode":null,"productCategory":null,"typeNumber":null,"marketCode":null,"regionCode":null,"otherInformation":null,"productTypeStatus":null,"repairInstruction":null,"repairInstructionStatusDescription":null,"typeStatusDate":null,"serviceLifeDate":null,"manufacturerId":null,"parts":null,"language":null,"glossaries":null,"brand":null,"product":null,"brandCode":null,"recallNotes":null,"volume":null},{"code":"P532174996-CM","name":null,"url":"/c//p/P532174996-CM","description":"PANEL.DASH.LH.LTX","purchasable":true,"stock":{"stockLevelStatus":{"code":"outOfStock","type":"StockLevelStatus"},"stockLevel":0,"stockThreshold":null},"futureStocks":null,"availableForPickup":null,"averageRating":null,"numberOfReviews":null,"summary":null,"manufacturer":null,"variantType":null,"price":{"currencyIso":"USD","value":7.86,"priceType":"BUY","formattedValue":"$7.86","minQuantity":null,"maxQuantity":null,"sapUnit":{"code":"pieces","name":"Piece"}},"baseProduct":null,"images":[],"categories":null,"reviews":null,"classifications":null,"potentialPromotions":null,"variantOptions":null,"baseOptions":[],"volumePricesFlag":null,"volumePrices":null,"productReferences":null,"variantMatrix":null,"priceRange":null,"firstCategoryNameList":null,"multidimensional":null,"configurable":false,"configuratorType":null,"addToCartDisabled":null,"addToCartDisabledMessage":null,"tags":null,"sapUnit":null,"keywords":null,"genders":null,"itemtype":"Part","partSubstitute":null,"note":null,"recallNote":null,"note1":null,"note2":null,"note3":null,"note4":null,"note5":null,"pdfAllUser":null,"pdfAuthUser":null,"pdfCOSUser":null,"vaiantRelatedPartList":null,"partHotspotList":null,"itemNumber":11,"partRelatedVariantList":null,"bomCode":2,"totalValue":null,"searchImage":null,"length":null,"width":null,"height":null,"unitOfDimension":null,"weight":null,"unitOfWeight":null,"specialRouting":false,"onlineRepair":null,"previousPartID":null,"sbdDiscountPriceValue":{"currencyIso":"USD","value":7.86,"priceType":"BUY","formattedValue":"$7.86","minQuantity":null,"maxQuantity":null,"sapUnit":{"code":"pieces","name":"Piece"}},"alrCode":null,"productRecallFlag":null,"selectedDocumentId":null,"productDescription":null,"pdpImage":null,"ticketId":null,"qtyRequiredPerVariant":"1","isElgibleForRepair":null,"isPowerEligible":null,"productRecallNotes":null,"productOtherInfo":null,"backorderETA":"00/00/0000","modifiedDate":null,"userLevel":"COS","displayPrice":null,"baseProductName":null,"firstVariantCode":null,"firstVariantImage":null,"productMarketType":null,"productNumber":null,"typeStatusCode":null,"productCategory":null,"typeNumber":null,"marketCode":null,"regionCode":null,"otherInformation":null,"productTypeStatus":null,"repairInstruction":null,"repairInstructionStatusDescription":null,"typeStatusDate":null,"serviceLifeDate":null,"manufacturerId":null,"parts":null,"language":null,"glossaries":null,"brand":null,"product":null,"brandCode":null,"recallNotes":null,"volume":null},{"code":"P532850263-CM","name":null,"url":"/c//p/P532850263-CM","description":"WASHER","purchasable":false,"stock":{"stockLevelStatus":{"code":"outOfStock","type":"StockLevelStatus"},"stockLevel":0,"stockThreshold":null},"futureStocks":null,"availableForPickup":null,"averageRating":null,"numberOfReviews":null,"summary":null,"manufacturer":null,"variantType":null,"price":null,"baseProduct":null,"images":[],"categories":null,"reviews":null,"classifications":null,"potentialPromotions":null,"variantOptions":null,"baseOptions":[],"volumePricesFlag":null,"volumePrices":null,"productReferences":null,"variantMatrix":null,"priceRange":null,"firstCategoryNameList":null,"multidimensional":null,"configurable":false,"configuratorType":null,"addToCartDisabled":null,"addToCartDisabledMessage":null,"tags":null,"sapUnit":null,"keywords":null,"genders":null,"itemtype":"Part","partSubstitute":"P532151141-CM","note":null,"recallNote":null,"note1":null,"note2":null,"note3":null,"note4":null,"note5":null,"pdfAllUser":null,"pdfAuthUser":null,"pdfCOSUser":null,"vaiantRelatedPartList":null,"partHotspotList":null,"itemNumber":11,"partRelatedVariantList":null,"bomCode":4,"totalValue":null,"searchImage":null,"length":null,"width":null,"height":null,"unitOfDimension":null,"weight":null,"unitOfWeight":null,"specialRouting":false,"onlineRepair":null,"previousPartID":null,"sbdDiscountPriceValue":null,"alrCode":null,"productRecallFlag":null,"selectedDocumentId":null,"productDescription":null,"pdpImage":null,"ticketId":null,"qtyRequiredPerVariant":"1","isElgibleForRepair":null,"isPowerEligible":null,"productRecallNotes":null,"productOtherInfo":null,"backorderETA":null,"modifiedDate":null,"userLevel":"COS","displayPrice":null,"baseProductName":null,"firstVariantCode":null,"firstVariantImage":null,"productMarketType":null,"productNumber":null,"typeStatusCode":null,"productCategory":null,"typeNumber":null,"marketCode":null,"regionCode":null,"otherInformation":null,"productTypeStatus":null,"repairInstruction":null,"repairInstructionStatusDescription":null,"typeStatusDate":null,"serviceLifeDate":null,"manufacturerId":null,"parts":null,"language":null,"glossaries":null,"brand":null,"product":null,"brandCode":null,"recallNotes":null,"volume":null},{"code":"P532850263-CM","name":null,"url":"/c//p/P532850263-CM","description":"WASHER","purchasable":false,"stock":{"stockLevelStatus":{"code":"outOfStock","type":"StockLevelStatus"},"stockLevel":0,"stockThreshold":null},"futureStocks":null,"availableForPickup":null,"averageRating":null,"numberOfReviews":null,"summary":null,"manufacturer":null,"variantType":null,"price":null,"baseProduct":null,"images":[],"categories":null,"reviews":null,"classifications":null,"potentialPromotions":null,"variantOptions":null,"baseOptions":[],"volumePricesFlag":null,"volumePrices":null,"productReferences":null,"variantMatrix":null,"priceRange":null,"firstCategoryNameList":null,"multidimensional":null,"configurable":false,"configuratorType":null,"addToCartDisabled":null,"addToCartDisabledMessage":null,"tags":null,"sapUnit":null,"keywords":null,"genders":null,"itemtype":"Part","partSubstitute":"P532151141-CM","note":null,"recallNote":null,"note1":null,"note2":null,"note3":null,"note4":null,"note5":null,"pdfAllUser":null,"pdfAuthUser":null,"pdfCOSUser":null,"vaiantRelatedPartList":null,"partHotspotList":null,"itemNumber":11,"partRelatedVariantList":null,"bomCode":4,"totalValue":null,"searchImage":null,"length":null,"width":null,"height":null,"unitOfDimension":null,"weight":null,"unitOfWeight":null,"specialRouting":false,"onlineRepair":null,"previousPartID":null,"sbdDiscountPriceValue":null,"alrCode":null,"productRecallFlag":null,"selectedDocumentId":null,"productDescription":null,"pdpImage":null,"ticketId":null,"qtyRequiredPerVariant":"1","isElgibleForRepair":null,"isPowerEligible":null,"productRecallNotes":null,"productOtherInfo":null,"backorderETA":null,"modifiedDate":null,"userLevel":"COS","displayPrice":null,"baseProductName":null,"firstVariantCode":null,"firstVariantImage":null,"productMarketType":null,"productNumber":null,"typeStatusCode":null,"productCategory":null,"typeNumber":null,"marketCode":null,"regionCode":null,"otherInformation":null,"productTypeStatus":null,"repairInstruction":null,"repairInstructionStatusDescription":null,"typeStatusDate":null,"serviceLifeDate":null,"manufacturerId":null,"parts":null,"language":null,"glossaries":null,"brand":null,"product":null,"brandCode":null,"recallNotes":null,"volume":null},{"code":"P539990118-CM","name":null,"url":"/c//p/P539990118-CM","description":"WASHER LOCK 3/8","purchasable":true,"stock":{"stockLevelStatus":{"code":"inStock","type":"StockLevelStatus"},"stockLevel":0,"stockThreshold":null},"futureStocks":null,"availableForPickup":null,"averageRating":null,"numberOfReviews":null,"summary":null,"manufacturer":null,"variantType":null,"price":{"currencyIso":"USD","value":1.05,"priceType":"BUY","formattedValue":"$1.05","minQuantity":null,"maxQuantity":null,"sapUnit":{"code":"pieces","name":"Piece"}},"baseProduct":null,"images":[],"categories":null,"reviews":null,"classifications":null,"potentialPromotions":null,"variantOptions":null,"baseOptions":[],"volumePricesFlag":null,"volumePrices":null,"productReferences":null,"variantMatrix":null,"priceRange":null,"firstCategoryNameList":null,"multidimensional":null,"configurable":false,"configuratorType":null,"addToCartDisabled":null,"addToCartDisabledMessage":null,"tags":null,"sapUnit":null,"keywords":null,"genders":null,"itemtype":"Part","partSubstitute":null,"note":null,"recallNote":null,"note1":null,"note2":null,"note3":null,"note4":null,"note5":null,"pdfAllUser":null,"pdfAuthUser":null,"pdfCOSUser":null,"vaiantRelatedPartList":null,"partHotspotList":null,"itemNumber":11,"partRelatedVariantList":null,"bomCode":2,"totalValue":null,"searchImage":null,"length":null,"width":null,"height":null,"unitOfDimension":null,"weight":null,"unitOfWeight":null,"specialRouting":false,"onlineRepair":null,"previousPartID":null,"sbdDiscountPriceValue":{"currencyIso":"USD","value":1.05,"priceType":"BUY","formattedValue":"$1.05","minQuantity":null,"maxQuantity":null,"sapUnit":{"code":"pieces","name":"Piece"}},"alrCode":null,"productRecallFlag":null,"selectedDocumentId":null,"productDescription":null,"pdpImage":null,"ticketId":null,"qtyRequiredPerVariant":"1","isElgibleForRepair":null,"isPowerEligible":null,"productRecallNotes":null,"productOtherInfo":null,"backorderETA":"00/00/0000","modifiedDate":null,"userLevel":"COS","displayPrice":null,"baseProductName":null,"firstVariantCode":null,"firstVariantImage":null,"productMarketType":null,"productNumber":null,"typeStatusCode":null,"productCategory":null,"typeNumber":null,"marketCode":null,"regionCode":null,"otherInformation":null,"productTypeStatus":null,"repairInstruction":null,"repairInstructionStatusDescription":null,"typeStatusDate":null,"serviceLifeDate":null,"manufacturerId":null,"parts":null,"language":null,"glossaries":null,"brand":null,"product":null,"brandCode":null,"recallNotes":null,"volume":null},{"code":"P539990118-CM","name":null,"url":"/c//p/P539990118-CM","description":"WASHER LOCK 3/8","purchasable":true,"stock":{"stockLevelStatus":{"code":"inStock","type":"StockLevelStatus"},"stockLevel":0,"stockThreshold":null},"futureStocks":null,"availableForPickup":null,"averageRating":null,"numberOfReviews":null,"summary":null,"manufacturer":null,"variantType":null,"price":{"currencyIso":"USD","value":1.05,"priceType":"BUY","formattedValue":"$1.05","minQuantity":null,"maxQuantity":null,"sapUnit":{"code":"pieces","name":"Piece"}},"baseProduct":null,"images":[],"categories":null,"reviews":null,"classifications":null,"potentialPromotions":null,"variantOptions":null,"baseOptions":[],"volumePricesFlag":null,"volumePrices":null,"productReferences":null,"variantMatrix":null,"priceRange":null,"firstCategoryNameList":null,"multidimensional":null,"configurable":false,"configuratorType":null,"addToCartDisabled":null,"addToCartDisabledMessage":null,"tags":null,"sapUnit":null,"keywords":null,"genders":null,"itemtype":"Part","partSubstitute":null,"note":null,"recallNote":null,"note1":null,"note2":null,"note3":null,"note4":null,"note5":null,"pdfAllUser":null,"pdfAuthUser":null,"pdfCOSUser":null,"vaiantRelatedPartList":null,"partHotspotList":null,"itemNumber":11,"partRelatedVariantList":null,"bomCode":2,"totalValue":null,"searchImage":null,"length":null,"width":null,"height":null,"unitOfDimension":null,"weight":null,"unitOfWeight":null,"specialRouting":false,"onlineRepair":null,"previousPartID":null,"sbdDiscountPriceValue":{"currencyIso":"USD","value":1.05,"priceType":"BUY","formattedValue":"$1.05","minQuantity":null,"maxQuantity":null,"sapUnit":{"code":"pieces","name":"Piece"}},"alrCode":null,"productRecallFlag":null,"selectedDocumentId":null,"productDescription":null,"pdpImage":null,"ticketId":null,"qtyRequiredPerVariant":"1","isElgibleForRepair":null,"isPowerEligible":null,"productRecallNotes":null,"productOtherInfo":null,"backorderETA":"00/00/0000","modifiedDate":null,"userLevel":"COS","displayPrice":null,"baseProductName":null,"firstVariantCode":null,"firstVariantImage":null,"productMarketType":null,"productNumber":null,"typeStatusCode":null,"productCategory":null,"typeNumber":null,"marketCode":null,"regionCode":null,"otherInformation":null,"productTypeStatus":null,"repairInstruction":null,"repairInstructionStatusDescription":null,"typeStatusDate":null,"serviceLifeDate":null,"manufacturerId":null,"parts":null,"language":null,"glossaries":null,"brand":null,"product":null,"brandCode":null,"recallNotes":null,"volume":null},{"code":"PSTD551125-CM","name":null,"url":"/c//p/PSTD551125-CM","description":"LOCKWASHER","purchasable":false,"stock":{"stockLevelStatus":{"code":"outOfStock","type":"StockLevelStatus"},"stockLevel":0,"stockThreshold":null},"futureStocks":null,"availableForPickup":null,"averageRating":null,"numberOfReviews":null,"summary":null,"manufacturer":null,"variantType":null,"price":null,"baseProduct":null,"images":[],"categories":null,"reviews":null,"classifications":null,"potentialPromotions":null,"variantOptions":null,"baseOptions":[],"volumePricesFlag":null,"volumePrices":null,"productReferences":null,"variantMatrix":null,"priceRange":null,"firstCategoryNameList":null,"multidimensional":null,"configurable":false,"configuratorType":null,"addToCartDisabled":null,"addToCartDisabledMessage":null,"tags":null,"sapUnit":null,"keywords":null,"genders":null,"itemtype":"Part","partSubstitute":null,"note":null,"recallNote":null,"note1":null,"note2":null,"note3":null,"note4":null,"note5":null,"pdfAllUser":null,"pdfAuthUser":null,"pdfCOSUser":null,"vaiantRelatedPartList":null,"partHotspotList":null,"itemNumber":11,"partRelatedVariantList":null,"bomCode":4,"totalValue":null,"searchImage":null,"length":null,"width":null,"height":null,"unitOfDimension":null,"weight":null,"unitOfWeight":null,"specialRouting":false,"onlineRepair":null,"previousPartID":null,"sbdDiscountPriceValue":null,"alrCode":null,"productRecallFlag":null,"selectedDocumentId":null,"productDescription":null,"pdpImage":null,"ticketId":null,"qtyRequiredPerVariant":"1","isElgibleForRepair":null,"isPowerEligible":null,"productRecallNotes":null,"productOtherInfo":null,"backorderETA":null,"modifiedDate":null,"userLevel":"COS","displayPrice":null,"baseProductName":null,"firstVariantCode":null,"firstVariantImage":null,"productMarketType":null,"productNumber":null,"typeStatusCode":null,"productCategory":null,"typeNumber":null,"marketCode":null,"regionCode":null,"otherInformation":null,"productTypeStatus":null,"repairInstruction":null,"repairInstructionStatusDescription":null,"typeStatusDate":null,"serviceLifeDate":null,"manufacturerId":null,"parts":null,"language":null,"glossaries":null,"brand":null,"product":null,"brandCode":null,"recallNotes":null,"volume":null},{"code":"PSTD551137-CM","name":null,"url":"/c//p/PSTD551137-CM","description":"LOCKWASHER 3/8","purchasable":false,"stock":{"stockLevelStatus":{"code":"outOfStock","type":"StockLevelStatus"},"stockLevel":0,"stockThreshold":null},"futureStocks":null,"availableForPickup":null,"averageRating":null,"numberOfReviews":null,"summary":null,"manufacturer":null,"variantType":null,"price":null,"baseProduct":null,"images":[],"categories":null,"reviews":null,"classifications":null,"potentialPromotions":null,"variantOptions":null,"baseOptions":[],"volumePricesFlag":null,"volumePrices":null,"productReferences":null,"variantMatrix":null,"priceRange":null,"firstCategoryNameList":null,"multidimensional":null,"configurable":false,"configuratorType":null,"addToCartDisabled":null,"addToCartDisabledMessage":null,"tags":null,"sapUnit":null,"keywords":null,"genders":null,"itemtype":"Part","partSubstitute":"P532105701-CM","note":null,"recallNote":null,"note1":null,"note2":null,"note3":null,"note4":null,"note5":null,"pdfAllUser":null,"pdfAuthUser":null,"pdfCOSUser":null,"vaiantRelatedPartList":null,"partHotspotList":null,"itemNumber":11,"partRelatedVariantList":null,"bomCode":4,"totalValue":null,"searchImage":null,"length":null,"width":null,"height":null,"unitOfDimension":null,"weight":null,"unitOfWeight":null,"specialRouting":false,"onlineRepair":null,"previousPartID":null,"sbdDiscountPriceValue":null,"alrCode":null,"productRecallFlag":null,"selectedDocumentId":null,"productDescription":null,"pdpImage":null,"ticketId":null,"qtyRequiredPerVariant":"1","isElgibleForRepair":null,"isPowerEligible":null,"productRecallNotes":null,"productOtherInfo":null,"backorderETA":null,"modifiedDate":null,"userLevel":"COS","displayPrice":null,"baseProductName":null,"firstVariantCode":null,"firstVariantImage":null,"productMarketType":null,"productNumber":null,"typeStatusCode":null,"productCategory":null,"typeNumber":null,"marketCode":null,"regionCode":null,"otherInformation":null,"productTypeStatus":null,"repairInstruction":null,"repairInstructionStatusDescription":null,"typeStatusDate":null,"serviceLifeDate":null,"manufacturerId":null,"parts":null,"language":null,"glossaries":null,"brand":null,"product":null,"brandCode":null,"recallNotes":null,"volume":null},{"code":"PSTD551137-CM","name":null,"url":"/c//p/PSTD551137-CM","description":"LOCKWASHER 3/8","purchasable":false,"stock":{"stockLevelStatus":{"code":"outOfStock","type":"StockLevelStatus"},"stockLevel":0,"stockThreshold":null},"futureStocks":null,"availableForPickup":null,"averageRating":null,"numberOfReviews":null,"summary":null,"manufacturer":null,"variantType":null,"price":null,"baseProduct":null,"images":[],"categories":null,"reviews":null,"classifications":null,"potentialPromotions":null,"variantOptions":null,"baseOptions":[],"volumePricesFlag":null,"volumePrices":null,"productReferences":null,"variantMatrix":null,"priceRange":null,"firstCategoryNameList":null,"multidimensional":null,"configurable":false,"configuratorType":null,"addToCartDisabled":null,"addToCartDisabledMessage":null,"tags":null,"sapUnit":null,"keywords":null,"genders":null,"itemtype":"Part","partSubstitute":"P532105701-CM","note":null,"recallNote":null,"note1":null,"note2":null,"note3":null,"note4":null,"note5":null,"pdfAllUser":null,"pdfAuthUser":null,"pdfCOSUser":null,"vaiantRelatedPartList":null,"partHotspotList":null,"itemNumber":11,"partRelatedVariantList":null,"bomCode":4,"totalValue":null,"searchImage":null,"length":null,"width":null,"height":null,"unitOfDimension":null,"weight":null,"unitOfWeight":null,"specialRouting":false,"onlineRepair":null,"previousPartID":null,"sbdDiscountPriceValue":null,"alrCode":null,"productRecallFlag":null,"selectedDocumentId":null,"productDescription":null,"pdpImage":null,"ticketId":null,"qtyRequiredPerVariant":"1","isElgibleForRepair":null,"isPowerEligible":null,"productRecallNotes":null,"productOtherInfo":null,"backorderETA":null,"modifiedDate":null,"userLevel":"COS","displayPrice":null,"baseProductName":null,"firstVariantCode":null,"firstVariantImage":null,"productMarketType":null,"productNumber":null,"typeStatusCode":null,"productCategory":null,"typeNumber":null,"marketCode":null,"regionCode":null,"otherInformation":null,"productTypeStatus":null,"repairInstruction":null,"repairInstructionStatusDescription":null,"typeStatusDate":null,"serviceLifeDate":null,"manufacturerId":null,"parts":null,"language":null,"glossaries":null,"brand":null,"product":null,"brandCode":null,"recallNotes":null,"volume":null},{"code":"P174493-CM","name":null,"url":"/c//p/P174493-CM","description":"STRIPPER.MANDREL.ROU","purchasable":true,"stock":{"stockLevelStatus":{"code":"outOfStock","type":"StockLevelStatus"},"stockLevel":0,"stockThreshold":null},"futureStocks":null,"availableForPickup":null,"averageRating":null,"numberOfReviews":null,"summary":null,"manufacturer":null,"variantType":null,"price":{"currencyIso":"USD","value":4.19,"priceType":"BUY","formattedValue":"$4.19","minQuantity":null,"maxQuantity":null,"sapUnit":{"code":"pieces","name":"Piece"}},"baseProduct":null,"images":[],"categories":null,"reviews":null,"classifications":null,"potentialPromotions":null,"variantOptions":null,"baseOptions":[],"volumePricesFlag":null,"volumePrices":null,"productReferences":null,"variantMatrix":null,"priceRange":null,"firstCategoryNameList":null,"multidimensional":null,"configurable":false,"configuratorType":null,"addToCartDisabled":null,"addToCartDisabledMessage":null,"tags":null,"sapUnit":null,"keywords":null,"genders":null,"itemtype":"Part","partSubstitute":null,"note":null,"recallNote":null,"note1":null,"note2":null,"note3":null,"note4":null,"note5":null,"pdfAllUser":null,"pdfAuthUser":null,"pdfCOSUser":null,"vaiantRelatedPartList":null,"partHotspotList":null,"itemNumber":16,"partRelatedVariantList":null,"bomCode":2,"totalValue":null,"searchImage":null,"length":null,"width":null,"height":null,"unitOfDimension":null,"weight":null,"unitOfWeight":null,"specialRouting":false,"onlineRepair":null,"previousPartID":null,"sbdDiscountPriceValue":{"currencyIso":"USD","value":4.19,"priceType":"BUY","formattedValue":"$4.19","minQuantity":null,"maxQuantity":null,"sapUnit":{"code":"pieces","name":"Piece"}},"alrCode":null,"productRecallFlag":null,"selectedDocumentId":null,"productDescription":null,"pdpImage":null,"ticketId":null,"qtyRequiredPerVariant":"1","isElgibleForRepair":null,"isPowerEligible":null,"productRecallNotes":null,"productOtherInfo":null,"backorderETA":"00/00/0000","modifiedDate":null,"userLevel":"COS","displayPrice":null,"baseProductName":null,"firstVariantCode":null,"firstVariantImage":null,"productMarketType":null,"productNumber":null,"typeStatusCode":null,"productCategory":null,"typeNumber":null,"marketCode":null,"regionCode":null,"otherInformation":null,"productTypeStatus":null,"repairInstruction":null,"repairInstructionStatusDescription":null,"typeStatusDate":null,"serviceLifeDate":null,"manufacturerId":null,"parts":null,"language":null,"glossaries":null,"brand":null,"product":null,"brandCode":null,"recallNotes":null,"volume":null},{"code":"P176138-CM","name":null,"url":"/c//p/P176138-CM","description":"SWITCH INTERLOCK PUSH-IN","purchasable":true,"stock":{"stockLevelStatus":{"code":"inStock","type":"StockLevelStatus"},"stockLevel":0,"stockThreshold":null},"futureStocks":null,"availableForPickup":null,"averageRating":null,"numberOfReviews":null,"summary":null,"manufacturer":null,"variantType":null,"price":{"currencyIso":"USD","value":11.71,"priceType":"BUY","formattedValue":"$11.71","minQuantity":null,"maxQuantity":null,"sapUnit":{"code":"pieces","name":"Piece"}},"baseProduct":null,"images":[],"categories":null,"reviews":null,"classifications":null,"potentialPromotions":null,"variantOptions":null,"baseOptions":[],"volumePricesFlag":null,"volumePrices":null,"productReferences":null,"variantMatrix":null,"priceRange":null,"firstCategoryNameList":null,"multidimensional":null,"configurable":false,"configuratorType":null,"addToCartDisabled":null,"addToCartDisabledMessage":null,"tags":null,"sapUnit":null,"keywords":null,"genders":null,"itemtype":"Part","partSubstitute":null,"note":null,"recallNote":null,"note1":null,"note2":null,"note3":null,"note4":null,"note5":null,"pdfAllUser":null,"pdfAuthUser":null,"pdfCOSUser":null,"vaiantRelatedPartList":null,"partHotspotList":null,"itemNumber":16,"partRelatedVariantList":null,"bomCode":2,"totalValue":null,"searchImage":null,"length":null,"width":null,"height":null,"unitOfDimension":null,"weight":null,"unitOfWeight":null,"specialRouting":false,"onlineRepair":null,"previousPartID":null,"sbdDiscountPriceValue":{"currencyIso":"USD","value":11.71,"priceType":"BUY","formattedValue":"$11.71","minQuantity":null,"maxQuantity":null,"sapUnit":{"code":"pieces","name":"Piece"}},"alrCode":null,"productRecallFlag":null,"selectedDocumentId":null,"productDescription":null,"pdpImage":null,"ticketId":null,"qtyRequiredPerVariant":"1","isElgibleForRepair":null,"isPowerEligible":null,"productRecallNotes":null,"productOtherInfo":null,"backorderETA":"00/00/0000","modifiedDate":null,"userLevel":"COS","displayPrice":null,"baseProductName":null,"firstVariantCode":null,"firstVariantImage":null,"productMarketType":null,"productNumber":null,"typeStatusCode":null,"productCategory":null,"typeNumber":null,"marketCode":null,"regionCode":null,"otherInformation":null,"productTypeStatus":null,"repairInstruction":null,"repairInstructionStatusDescription":null,"typeStatusDate":null,"serviceLifeDate":null,"manufacturerId":null,"parts":null,"language":null,"glossaries":null,"brand":null,"product":null,"brandCode":null,"recallNotes":null,"volume":null},{"code":"P532121250-CM","name":null,"url":"/c//p/P532121250-CM","description":"SPRING","purchasable":true,"stock":{"stockLevelStatus":{"code":"outOfStock","type":"StockLevelStatus"},"stockLevel":0,"stockThreshold":null},"futureStocks":null,"availableForPickup":null,"averageRating":null,"numberOfReviews":null,"summary":null,"manufacturer":null,"variantType":null,"price":{"currencyIso":"USD","value":3.1,"priceType":"BUY","formattedValue":"$3.10","minQuantity":null,"maxQuantity":null,"sapUnit":{"code":"pieces","name":"Piece"}},"baseProduct":null,"images":[],"categories":null,"reviews":null,"classifications":null,"potentialPromotions":null,"variantOptions":null,"baseOptions":[],"volumePricesFlag":null,"volumePrices":null,"productReferences":null,"variantMatrix":null,"priceRange":null,"firstCategoryNameList":null,"multidimensional":null,"configurable":false,"configuratorType":null,"addToCartDisabled":null,"addToCartDisabledMessage":null,"tags":null,"sapUnit":null,"keywords":null,"genders":null,"itemtype":"Part","partSubstitute":null,"note":null,"recallNote":null,"note1":null,"note2":null,"note3":null,"note4":null,"note5":null,"pdfAllUser":null,"pdfAuthUser":null,"pdfCOSUser":null,"vaiantRelatedPartList":null,"partHotspotList":null,"itemNumber":16,"partRelatedVariantList":null,"bomCode":2,"totalValue":null,"searchImage":null,"length":null,"width":null,"height":null,"unitOfDimension":null,"weight":null,"unitOfWeight":null,"specialRouting":false,"onlineRepair":null,"previousPartID":null,"sbdDiscountPriceValue":{"currencyIso":"USD","value":3.1,"priceType":"BUY","formattedValue":"$3.10","minQuantity":null,"maxQuantity":null,"sapUnit":{"code":"pieces","name":"Piece"}},"alrCode":null,"productRecallFlag":null,"selectedDocumentId":null,"productDescription":null,"pdpImage":null,"ticketId":null,"qtyRequiredPerVariant":"1","isElgibleForRepair":null,"isPowerEligible":null,"productRecallNotes":null,"productOtherInfo":null,"backorderETA":"00/00/0000","modifiedDate":null,"userLevel":"COS","displayPrice":null,"baseProductName":null,"firstVariantCode":null,"firstVariantImage":null,"productMarketType":null,"productNumber":null,"typeStatusCode":null,"productCategory":null,"typeNumber":null,"marketCode":null,"regionCode":null,"otherInformation":null,"productTypeStatus":null,"repairInstruction":null,"repairInstructionStatusDescription":null,"typeStatusDate":null,"serviceLifeDate":null,"manufacturerId":null,"parts":null,"language":null,"glossaries":null,"brand":null,"product":null,"brandCode":null,"recallNotes":null,"volume":null},{"code":"P532132827-CM","name":null,"url":"/c//p/P532132827-CM","description":"BOLT SHD 5/16-18","purchasable":true,"stock":{"stockLevelStatus":{"code":"outOfStock","type":"StockLevelStatus"},"stockLevel":0,"stockThreshold":null},"futureStocks":null,"availableForPickup":null,"averageRating":null,"numberOfReviews":null,"summary":null,"manufacturer":null,"variantType":null,"price":{"currencyIso":"USD","value":2.63,"priceType":"BUY","formattedValue":"$2.63","minQuantity":null,"maxQuantity":null,"sapUnit":{"code":"pieces","name":"Piece"}},"baseProduct":null,"images":[],"categories":null,"reviews":null,"classifications":null,"potentialPromotions":null,"variantOptions":null,"baseOptions":[],"volumePricesFlag":null,"volumePrices":null,"productReferences":null,"variantMatrix":null,"priceRange":null,"firstCategoryNameList":null,"multidimensional":null,"configurable":false,"configuratorType":null,"addToCartDisabled":null,"addToCartDisabledMessage":null,"tags":null,"sapUnit":null,"keywords":null,"genders":null,"itemtype":"Part","partSubstitute":null,"note":null,"recallNote":null,"note1":null,"note2":null,"note3":null,"note4":null,"note5":null,"pdfAllUser":null,"pdfAuthUser":null,"pdfCOSUser":null,"vaiantRelatedPartList":null,"partHotspotList":null,"itemNumber":19,"partRelatedVariantList":null,"bomCode":2,"totalValue":null,"searchImage":null,"length":null,"width":null,"height":null,"unitOfDimension":null,"weight":null,"unitOfWeight":null,"specialRouting":false,"onlineRepair":null,"previousPartID":null,"sbdDiscountPriceValue":{"currencyIso":"USD","value":2.63,"priceType":"BUY","formattedValue":"$2.63","minQuantity":null,"maxQuantity":null,"sapUnit":{"code":"pieces","name":"Piece"}},"alrCode":null,"productRecallFlag":null,"selectedDocumentId":null,"productDescription":null,"pdpImage":null,"ticketId":null,"qtyRequiredPerVariant":"1","isElgibleForRepair":null,"isPowerEligible":null,"productRecallNotes":null,"productOtherInfo":null,"backorderETA":"00/00/0000","modifiedDate":null,"userLevel":"COS","displayPrice":null,"baseProductName":null,"firstVariantCode":null,"firstVariantImage":null,"productMarketType":null,"productNumber":null,"typeStatusCode":null,"productCategory":null,"typeNumber":null,"marketCode":null,"regionCode":null,"otherInformation":null,"productTypeStatus":null,"repairInstruction":null,"repairInstructionStatusDescription":null,"typeStatusDate":null,"serviceLifeDate":null,"manufacturerId":null,"parts":null,"language":null,"glossaries":null,"brand":null,"product":null,"brandCode":null,"recallNotes":null,"volume":null},{"code":"P532139868-CM","name":null,"url":"/c//p/P532139868-CM","description":"ARM.REAR.SUSPENSION","purchasable":true,"stock":{"stockLevelStatus":{"code":"outOfStock","type":"StockLevelStatus"},"stockLevel":0,"stockThreshold":null},"futureStocks":null,"availableForPickup":null,"averageRating":null,"numberOfReviews":null,"summary":null,"manufacturer":null,"variantType":null,"price":{"currencyIso":"USD","value":11.71,"priceType":"BUY","formattedValue":"$11.71","minQuantity":null,"maxQuantity":null,"sapUnit":{"code":"pieces","name":"Piece"}},"baseProduct":null,"images":[],"categories":null,"reviews":null,"classifications":null,"potentialPromotions":null,"variantOptions":null,"baseOptions":[],"volumePricesFlag":null,"volumePrices":null,"productReferences":null,"variantMatrix":null,"priceRange":null,"firstCategoryNameList":null,"multidimensional":null,"configurable":false,"configuratorType":null,"addToCartDisabled":null,"addToCartDisabledMessage":null,"tags":null,"sapUnit":null,"keywords":null,"genders":null,"itemtype":"Part","partSubstitute":null,"note":null,"recallNote":null,"note1":null,"note2":null,"note3":null,"note4":null,"note5":null,"pdfAllUser":null,"pdfAuthUser":null,"pdfCOSUser":null,"vaiantRelatedPartList":null,"partHotspotList":null,"itemNumber":19,"partRelatedVariantList":null,"bomCode":2,"totalValue":null,"searchImage":null,"length":null,"width":null,"height":null,"unitOfDimension":null,"weight":null,"unitOfWeight":null,"specialRouting":false,"onlineRepair":null,"previousPartID":null,"sbdDiscountPriceValue":{"currencyIso":"USD","value":11.71,"priceType":"BUY","formattedValue":"$11.71","minQuantity":null,"maxQuantity":null,"sapUnit":{"code":"pieces","name":"Piece"}},"alrCode":null,"productRecallFlag":null,"selectedDocumentId":null,"productDescription":null,"pdpImage":null,"ticketId":null,"qtyRequiredPerVariant":"1","isElgibleForRepair":null,"isPowerEligible":null,"productRecallNotes":null,"productOtherInfo":null,"backorderETA":"00/00/0000","modifiedDate":null,"userLevel":"COS","displayPrice":null,"baseProductName":null,"firstVariantCode":null,"firstVariantImage":null,"productMarketType":null,"productNumber":null,"typeStatusCode":null,"productCategory":null,"typeNumber":null,"marketCode":null,"regionCode":null,"otherInformation":null,"productTypeStatus":null,"repairInstruction":null,"repairInstructionStatusDescription":null,"typeStatusDate":null,"serviceLifeDate":null,"manufacturerId":null,"parts":null,"language":null,"glossaries":null,"brand":null,"product":null,"brandCode":null,"recallNotes":null,"volume":null},{"code":"P532160395-CM","name":null,"url":"/c//p/P532160395-CM","description":"STEERING SHAFT SUPP","purchasable":true,"stock":{"stockLevelStatus":{"code":"outOfStock","type":"StockLevelStatus"},"stockLevel":0,"stockThreshold":null},"futureStocks":null,"availableForPickup":null,"averageRating":null,"numberOfReviews":null,"summary":null,"manufacturer":null,"variantType":null,"price":{"currencyIso":"USD","value":6.92,"priceType":"BUY","formattedValue":"$6.92","minQuantity":null,"maxQuantity":null,"sapUnit":{"code":"pieces","name":"Piece"}},"baseProduct":null,"images":[],"categories":null,"reviews":null,"classifications":null,"potentialPromotions":null,"variantOptions":null,"baseOptions":[],"volumePricesFlag":null,"volumePrices":null,"productReferences":null,"variantMatrix":null,"priceRange":null,"firstCategoryNameList":null,"multidimensional":null,"configurable":false,"configuratorType":null,"addToCartDisabled":null,"addToCartDisabledMessage":null,"tags":null,"sapUnit":null,"keywords":null,"genders":null,"itemtype":"Part","partSubstitute":null,"note":null,"recallNote":null,"note1":null,"note2":null,"note3":null,"note4":null,"note5":null,"pdfAllUser":null,"pdfAuthUser":null,"pdfCOSUser":null,"vaiantRelatedPartList":null,"partHotspotList":null,"itemNumber":19,"partRelatedVariantList":null,"bomCode":2,"totalValue":null,"searchImage":null,"length":null,"width":null,"height":null,"unitOfDimension":null,"weight":null,"unitOfWeight":null,"specialRouting":false,"onlineRepair":null,"previousPartID":null,"sbdDiscountPriceValue":{"currencyIso":"USD","value":6.92,"priceType":"BUY","formattedValue":"$6.92","minQuantity":null,"maxQuantity":null,"sapUnit":{"code":"pieces","name":"Piece"}},"alrCode":null,"productRecallFlag":null,"selectedDocumentId":null,"productDescription":null,"pdpImage":null,"ticketId":null,"qtyRequiredPerVariant":"1","isElgibleForRepair":null,"isPowerEligible":null,"productRecallNotes":null,"productOtherInfo":null,"backorderETA":"00/00/0000","modifiedDate":null,"userLevel":"COS","displayPrice":null,"baseProductName":null,"firstVariantCode":null,"firstVariantImage":null,"productMarketType":null,"productNumber":null,"typeStatusCode":null,"productCategory":null,"typeNumber":null,"marketCode":null,"regionCode":null,"otherInformation":null,"productTypeStatus":null,"repairInstruction":null,"repairInstructionStatusDescription":null,"typeStatusDate":null,"serviceLifeDate":null,"manufacturerId":null,"parts":null,"language":null,"glossaries":null,"brand":null,"product":null,"brandCode":null,"recallNotes":null,"volume":null},{"code":"P583502601-CM","name":null,"url":"/c//p/P583502601-CM","description":"DECAL BATTERY","purchasable":true,"stock":{"stockLevelStatus":{"code":"inStock","type":"StockLevelStatus"},"stockLevel":0,"stockThreshold":null},"futureStocks":null,"availableForPickup":null,"averageRating":null,"numberOfReviews":null,"summary":null,"manufacturer":null,"variantType":null,"price":{"currencyIso":"USD","value":2.47,"priceType":"BUY","formattedValue":"$2.47","minQuantity":null,"maxQuantity":null,"sapUnit":{"code":"pieces","name":"Piece"}},"baseProduct":null,"images":[],"categories":null,"reviews":null,"classifications":null,"potentialPromotions":null,"variantOptions":null,"baseOptions":[],"volumePricesFlag":null,"volumePrices":null,"productReferences":null,"variantMatrix":null,"priceRange":null,"firstCategoryNameList":null,"multidimensional":null,"configurable":false,"configuratorType":null,"addToCartDisabled":null,"addToCartDisabledMessage":null,"tags":null,"sapUnit":null,"keywords":null,"genders":null,"itemtype":"Part","partSubstitute":null,"note":null,"recallNote":null,"note1":null,"note2":null,"note3":null,"note4":null,"note5":null,"pdfAllUser":null,"pdfAuthUser":null,"pdfCOSUser":null,"vaiantRelatedPartList":null,"partHotspotList":null,"itemNumber":19,"partRelatedVariantList":null,"bomCode":2,"totalValue":null,"searchImage":null,"length":null,"width":null,"height":null,"unitOfDimension":null,"weight":null,"unitOfWeight":null,"specialRouting":false,"onlineRepair":null,"previousPartID":null,"sbdDiscountPriceValue":{"currencyIso":"USD","value":2.47,"priceType":"BUY","formattedValue":"$2.47","minQuantity":null,"maxQuantity":null,"sapUnit":{"code":"pieces","name":"Piece"}},"alrCode":null,"productRecallFlag":null,"selectedDocumentId":null,"productDescription":null,"pdpImage":null,"ticketId":null,"qtyRequiredPerVariant":"1","isElgibleForRepair":null,"isPowerEligible":null,"productRecallNotes":null,"productOtherInfo":null,"backorderETA":"00/00/0000","modifiedDate":null,"userLevel":"COS","displayPrice":null,"baseProductName":null,"firstVariantCode":null,"firstVariantImage":null,"productMarketType":null,"productNumber":null,"typeStatusCode":null,"productCategory":null,"typeNumber":null,"marketCode":null,"regionCode":null,"otherInformation":null,"productTypeStatus":null,"repairInstruction":null,"repairInstructionStatusDescription":null,"typeStatusDate":null,"serviceLifeDate":null,"manufacturerId":null,"parts":null,"language":null,"glossaries":null,"brand":null,"product":null,"brandCode":null,"recallNotes":null,"volume":null},{"code":"P810040400-CM","name":null,"url":"/c//p/P810040400-CM","description":"LOCKWASHER","purchasable":true,"stock":{"stockLevelStatus":{"code":"inStock","type":"StockLevelStatus"},"stockLevel":0,"stockThreshold":null},"futureStocks":null,"availableForPickup":null,"averageRating":null,"numberOfReviews":null,"summary":null,"manufacturer":null,"variantType":null,"price":{"currencyIso":"USD","value":3.1,"priceType":"BUY","formattedValue":"$3.10","minQuantity":null,"maxQuantity":null,"sapUnit":{"code":"pieces","name":"Piece"}},"baseProduct":null,"images":[],"categories":null,"reviews":null,"classifications":null,"potentialPromotions":null,"variantOptions":null,"baseOptions":[],"volumePricesFlag":null,"volumePrices":null,"productReferences":null,"variantMatrix":null,"priceRange":null,"firstCategoryNameList":null,"multidimensional":null,"configurable":false,"configuratorType":null,"addToCartDisabled":null,"addToCartDisabledMessage":null,"tags":null,"sapUnit":null,"keywords":null,"genders":null,"itemtype":"Part","partSubstitute":null,"note":null,"recallNote":null,"note1":null,"note2":null,"note3":null,"note4":null,"note5":null,"pdfAllUser":null,"pdfAuthUser":null,"pdfCOSUser":null,"vaiantRelatedPartList":null,"partHotspotList":null,"itemNumber":19,"partRelatedVariantList":null,"bomCode":2,"totalValue":null,"searchImage":null,"length":null,"width":null,"height":null,"unitOfDimension":null,"weight":null,"unitOfWeight":null,"specialRouting":false,"onlineRepair":null,"previousPartID":null,"sbdDiscountPriceValue":{"currencyIso":"USD","value":3.1,"priceType":"BUY","formattedValue":"$3.10","minQuantity":null,"maxQuantity":null,"sapUnit":{"code":"pieces","name":"Piece"}},"alrCode":null,"productRecallFlag":null,"selectedDocumentId":null,"productDescription":null,"pdpImage":null,"ticketId":null,"qtyRequiredPerVariant":"1","isElgibleForRepair":null,"isPowerEligible":null,"productRecallNotes":null,"productOtherInfo":null,"backorderETA":"00/00/0000","modifiedDate":null,"userLevel":"COS","displayPrice":null,"baseProductName":null,"firstVariantCode":null,"firstVariantImage":null,"productMarketType":null,"productNumber":null,"typeStatusCode":null,"productCategory":null,"typeNumber":null,"marketCode":null,"regionCode":null,"otherInformation":null,"productTypeStatus":null,"repairInstruction":null,"repairInstructionStatusDescription":null,"typeStatusDate":null,"serviceLifeDate":null,"manufacturerId":null,"parts":null,"language":null,"glossaries":null,"brand":null,"product":null,"brandCode":null,"recallNotes":null,"volume":null},{"code":"P810040400-CM","name":null,"url":"/c//p/P810040400-CM","description":"LOCKWASHER","purchasable":true,"stock":{"stockLevelStatus":{"code":"inStock","type":"StockLevelStatus"},"stockLevel":0,"stockThreshold":null},"futureStocks":null,"availableForPickup":null,"averageRating":null,"numberOfReviews":null,"summary":null,"manufacturer":null,"variantType":null,"price":{"currencyIso":"USD","value":3.1,"priceType":"BUY","formattedValue":"$3.10","minQuantity":null,"maxQuantity":null,"sapUnit":{"code":"pieces","name":"Piece"}},"baseProduct":null,"images":[],"categories":null,"reviews":null,"classifications":null,"potentialPromotions":null,"variantOptions":null,"baseOptions":[],"volumePricesFlag":null,"volumePrices":null,"productReferences":null,"variantMatrix":null,"priceRange":null,"firstCategoryNameList":null,"multidimensional":null,"configurable":false,"configuratorType":null,"addToCartDisabled":null,"addToCartDisabledMessage":null,"tags":null,"sapUnit":null,"keywords":null,"genders":null,"itemtype":"Part","partSubstitute":null,"note":null,"recallNote":null,"note1":null,"note2":null,"note3":null,"note4":null,"note5":null,"pdfAllUser":null,"pdfAuthUser":null,"pdfCOSUser":null,"vaiantRelatedPartList":null,"partHotspotList":null,"itemNumber":19,"partRelatedVariantList":null,"bomCode":2,"totalValue":null,"searchImage":null,"length":null,"width":null,"height":null,"unitOfDimension":null,"weight":null,"unitOfWeight":null,"specialRouting":false,"onlineRepair":null,"previousPartID":null,"sbdDiscountPriceValue":{"currencyIso":"USD","value":3.1,"priceType":"BUY","formattedValue":"$3.10","minQuantity":null,"maxQuantity":null,"sapUnit":{"code":"pieces","name":"Piece"}},"alrCode":null,"productRecallFlag":null,"selectedDocumentId":null,"productDescription":null,"pdpImage":null,"ticketId":null,"qtyRequiredPerVariant":"1","isElgibleForRepair":null,"isPowerEligible":null,"productRecallNotes":null,"productOtherInfo":null,"backorderETA":"00/00/0000","modifiedDate":null,"userLevel":"COS","displayPrice":null,"baseProductName":null,"firstVariantCode":null,"firstVariantImage":null,"productMarketType":null,"productNumber":null,"typeStatusCode":null,"productCategory":null,"typeNumber":null,"marketCode":null,"regionCode":null,"otherInformation":null,"productTypeStatus":null,"repairInstruction":null,"repairInstructionStatusDescription":null,"typeStatusDate":null,"serviceLifeDate":null,"manufacturerId":null,"parts":null,"language":null,"glossaries":null,"brand":null,"product":null,"brandCode":null,"recallNotes":null,"volume":null},{"code":"P810040400-CM","name":null,"url":"/c//p/P810040400-CM","description":"LOCKWASHER","purchasable":true,"stock":{"stockLevelStatus":{"code":"inStock","type":"StockLevelStatus"},"stockLevel":0,"stockThreshold":null},"futureStocks":null,"availableForPickup":null,"averageRating":null,"numberOfReviews":null,"summary":null,"manufacturer":null,"variantType":null,"price":{"currencyIso":"USD","value":3.1,"priceType":"BUY","formattedValue":"$3.10","minQuantity":null,"maxQuantity":null,"sapUnit":{"code":"pieces","name":"Piece"}},"baseProduct":null,"images":[],"categories":null,"reviews":null,"classifications":null,"potentialPromotions":null,"variantOptions":null,"baseOptions":[],"volumePricesFlag":null,"volumePrices":null,"productReferences":null,"variantMatrix":null,"priceRange":null,"firstCategoryNameList":null,"multidimensional":null,"configurable":false,"configuratorType":null,"addToCartDisabled":null,"addToCartDisabledMessage":null,"tags":null,"sapUnit":null,"keywords":null,"genders":null,"itemtype":"Part","partSubstitute":null,"note":null,"recallNote":null,"note1":null,"note2":null,"note3":null,"note4":null,"note5":null,"pdfAllUser":null,"pdfAuthUser":null,"pdfCOSUser":null,"vaiantRelatedPartList":null,"partHotspotList":null,"itemNumber":19,"partRelatedVariantList":null,"bomCode":2,"totalValue":null,"searchImage":null,"length":null,"width":null,"height":null,"unitOfDimension":null,"weight":null,"unitOfWeight":null,"specialRouting":false,"onlineRepair":null,"previousPartID":null,"sbdDiscountPriceValue":{"currencyIso":"USD","value":3.1,"priceType":"BUY","formattedValue":"$3.10","minQuantity":null,"maxQuantity":null,"sapUnit":{"code":"pieces","name":"Piece"}},"alrCode":null,"productRecallFlag":null,"selectedDocumentId":null,"productDescription":null,"pdpImage":null,"ticketId":null,"qtyRequiredPerVariant":"1","isElgibleForRepair":null,"isPowerEligible":null,"productRecallNotes":null,"productOtherInfo":null,"backorderETA":"00/00/0000","modifiedDate":null,"userLevel":"COS","displayPrice":null,"baseProductName":null,"firstVariantCode":null,"firstVariantImage":null,"productMarketType":null,"productNumber":null,"typeStatusCode":null,"productCategory":null,"typeNumber":null,"marketCode":null,"regionCode":null,"otherInformation":null,"productTypeStatus":null,"repairInstruction":null,"repairInstructionStatusDescription":null,"typeStatusDate":null,"serviceLifeDate":null,"manufacturerId":null,"parts":null,"language":null,"glossaries":null,"brand":null,"product":null,"brandCode":null,"recallNotes":null,"volume":null},{"code":"P159770-CM","name":null,"url":"/c//p/P159770-CM","description":"BAFFLE VORTEX","purchasable":true,"stock":{"stockLevelStatus":{"code":"inStock","type":"StockLevelStatus"},"stockLevel":0,"stockThreshold":null},"futureStocks":null,"availableForPickup":null,"averageRating":null,"numberOfReviews":null,"summary":null,"manufacturer":null,"variantType":null,"price":{"currencyIso":"USD","value":12.24,"priceType":"BUY","formattedValue":"$12.24","minQuantity":null,"maxQuantity":null,"sapUnit":{"code":"pieces","name":"Piece"}},"baseProduct":null,"images":[],"categories":null,"reviews":null,"classifications":null,"potentialPromotions":null,"variantOptions":null,"baseOptions":[],"volumePricesFlag":null,"volumePrices":null,"productReferences":null,"variantMatrix":null,"priceRange":null,"firstCategoryNameList":null,"multidimensional":null,"configurable":false,"configuratorType":null,"addToCartDisabled":null,"addToCartDisabledMessage":null,"tags":null,"sapUnit":null,"keywords":null,"genders":null,"itemtype":"Part","partSubstitute":null,"note":null,"recallNote":null,"note1":null,"note2":null,"note3":null,"note4":null,"note5":null,"pdfAllUser":null,"pdfAuthUser":null,"pdfCOSUser":null,"vaiantRelatedPartList":null,"partHotspotList":null,"itemNumber":20,"partRelatedVariantList":null,"bomCode":2,"totalValue":null,"searchImage":null,"length":null,"width":null,"height":null,"unitOfDimension":null,"weight":null,"unitOfWeight":null,"specialRouting":false,"onlineRepair":null,"previousPartID":null,"sbdDiscountPriceValue":{"currencyIso":"USD","value":12.24,"priceType":"BUY","formattedValue":"$12.24","minQuantity":null,"maxQuantity":null,"sapUnit":{"code":"pieces","name":"Piece"}},"alrCode":null,"productRecallFlag":null,"selectedDocumentId":null,"productDescription":null,"pdpImage":null,"ticketId":null,"qtyRequiredPerVariant":"1","isElgibleForRepair":null,"isPowerEligible":null,"productRecallNotes":null,"productOtherInfo":null,"backorderETA":"00/00/0000","modifiedDate":null,"userLevel":"COS","displayPrice":null,"baseProductName":null,"firstVariantCode":null,"firstVariantImage":null,"productMarketType":null,"productNumber":null,"typeStatusCode":null,"productCategory":null,"typeNumber":null,"marketCode":null,"regionCode":null,"otherInformation":null,"productTypeStatus":null,"repairInstruction":null,"repairInstructionStatusDescription":null,"typeStatusDate":null,"serviceLifeDate":null,"manufacturerId":null,"parts":null,"language":null,"glossaries":null,"brand":null,"product":null,"brandCode":null,"recallNotes":null,"volume":null},{"code":"P532003146-CM","name":null,"url":"/c//p/P532003146-CM","description":"SPRING RETAINER","purchasable":true,"stock":{"stockLevelStatus":{"code":"outOfStock","type":"StockLevelStatus"},"stockLevel":0,"stockThreshold":null},"futureStocks":null,"availableForPickup":null,"averageRating":null,"numberOfReviews":null,"summary":null,"manufacturer":null,"variantType":null,"price":{"currencyIso":"USD","value":2.12,"priceType":"BUY","formattedValue":"$2.12","minQuantity":null,"maxQuantity":null,"sapUnit":{"code":"pieces","name":"Piece"}},"baseProduct":null,"images":[],"categories":null,"reviews":null,"classifications":null,"potentialPromotions":null,"variantOptions":null,"baseOptions":[],"volumePricesFlag":null,"volumePrices":null,"productReferences":null,"variantMatrix":null,"priceRange":null,"firstCategoryNameList":null,"multidimensional":null,"configurable":false,"configuratorType":null,"addToCartDisabled":null,"addToCartDisabledMessage":null,"tags":null,"sapUnit":null,"keywords":null,"genders":null,"itemtype":"Part","partSubstitute":null,"note":null,"recallNote":null,"note1":null,"note2":null,"note3":null,"note4":null,"note5":null,"pdfAllUser":null,"pdfAuthUser":null,"pdfCOSUser":null,"vaiantRelatedPartList":null,"partHotspotList":null,"itemNumber":20,"partRelatedVariantList":null,"bomCode":2,"totalValue":null,"searchImage":null,"length":null,"width":null,"height":null,"unitOfDimension":null,"weight":null,"unitOfWeight":null,"specialRouting":false,"onlineRepair":null,"previousPartID":null,"sbdDiscountPriceValue":{"currencyIso":"USD","value":2.12,"priceType":"BUY","formattedValue":"$2.12","minQuantity":null,"maxQuantity":null,"sapUnit":{"code":"pieces","name":"Piece"}},"alrCode":null,"productRecallFlag":null,"selectedDocumentId":null,"productDescription":null,"pdpImage":null,"ticketId":null,"qtyRequiredPerVariant":"1","isElgibleForRepair":null,"isPowerEligible":null,"productRecallNotes":null,"productOtherInfo":null,"backorderETA":"00/00/0000","modifiedDate":null,"userLevel":"COS","displayPrice":null,"baseProductName":null,"firstVariantCode":null,"firstVariantImage":null,"productMarketType":null,"productNumber":null,"typeStatusCode":null,"productCategory":null,"typeNumber":null,"marketCode":null,"regionCode":null,"otherInformation":null,"productTypeStatus":null,"repairInstruction":null,"repairInstructionStatusDescription":null,"typeStatusDate":null,"serviceLifeDate":null,"manufacturerId":null,"parts":null,"language":null,"glossaries":null,"brand":null,"product":null,"brandCode":null,"recallNotes":null,"volume":null},{"code":"P532003146-CM","name":null,"url":"/c//p/P532003146-CM","description":"SPRING RETAINER","purchasable":true,"stock":{"stockLevelStatus":{"code":"outOfStock","type":"StockLevelStatus"},"stockLevel":0,"stockThreshold":null},"futureStocks":null,"availableForPickup":null,"averageRating":null,"numberOfReviews":null,"summary":null,"manufacturer":null,"variantType":null,"price":{"currencyIso":"USD","value":2.12,"priceType":"BUY","formattedValue":"$2.12","minQuantity":null,"maxQuantity":null,"sapUnit":{"code":"pieces","name":"Piece"}},"baseProduct":null,"images":[],"categories":null,"reviews":null,"classifications":null,"potentialPromotions":null,"variantOptions":null,"baseOptions":[],"volumePricesFlag":null,"volumePrices":null,"productReferences":null,"variantMatrix":null,"priceRange":null,"firstCategoryNameList":null,"multidimensional":null,"configurable":false,"configuratorType":null,"addToCartDisabled":null,"addToCartDisabledMessage":null,"tags":null,"sapUnit":null,"keywords":null,"genders":null,"itemtype":"Part","partSubstitute":null,"note":null,"recallNote":null,"note1":null,"note2":null,"note3":null,"note4":null,"note5":null,"pdfAllUser":null,"pdfAuthUser":null,"pdfCOSUser":null,"vaiantRelatedPartList":null,"partHotspotList":null,"itemNumber":20,"partRelatedVariantList":null,"bomCode":2,"totalValue":null,"searchImage":null,"length":null,"width":null,"height":null,"unitOfDimension":null,"weight":null,"unitOfWeight":null,"specialRouting":false,"onlineRepair":null,"previousPartID":null,"sbdDiscountPriceValue":{"currencyIso":"USD","value":2.12,"priceType":"BUY","formattedValue":"$2.12","minQuantity":null,"maxQuantity":null,"sapUnit":{"code":"pieces","name":"Piece"}},"alrCode":null,"productRecallFlag":null,"selectedDocumentId":null,"productDescription":null,"pdpImage":null,"ticketId":null,"qtyRequiredPerVariant":"1","isElgibleForRepair":null,"isPowerEligible":null,"productRecallNotes":null,"productOtherInfo":null,"backorderETA":"00/00/0000","modifiedDate":null,"userLevel":"COS","displayPrice":null,"baseProductName":null,"firstVariantCode":null,"firstVariantImage":null,"productMarketType":null,"productNumber":null,"typeStatusCode":null,"productCategory":null,"typeNumber":null,"marketCode":null,"regionCode":null,"otherInformation":null,"productTypeStatus":null,"repairInstruction":null,"repairInstructionStatusDescription":null,"typeStatusDate":null,"serviceLifeDate":null,"manufacturerId":null,"parts":null,"language":null,"glossaries":null,"brand":null,"product":null,"brandCode":null,"recallNotes":null,"volume":null},{"code":"P532050675-CM","name":null,"url":"/c//p/P532050675-CM","description":"NUT.HEX..25-","purchasable":true,"stock":{"stockLevelStatus":{"code":"inStock","type":"StockLevelStatus"},"stockLevel":0,"stockThreshold":null},"futureStocks":null,"availableForPickup":null,"averageRating":null,"numberOfReviews":null,"summary":null,"manufacturer":null,"variantType":null,"price":{"currencyIso":"USD","value":3.1,"priceType":"BUY","formattedValue":"$3.10","minQuantity":null,"maxQuantity":null,"sapUnit":{"code":"pieces","name":"Piece"}},"baseProduct":null,"images":[],"categories":null,"reviews":null,"classifications":null,"potentialPromotions":null,"variantOptions":null,"baseOptions":[],"volumePricesFlag":null,"volumePrices":null,"productReferences":null,"variantMatrix":null,"priceRange":null,"firstCategoryNameList":null,"multidimensional":null,"configurable":false,"configuratorType":null,"addToCartDisabled":null,"addToCartDisabledMessage":null,"tags":null,"sapUnit":null,"keywords":null,"genders":null,"itemtype":"Part","partSubstitute":null,"note":null,"recallNote":null,"note1":null,"note2":null,"note3":null,"note4":null,"note5":null,"pdfAllUser":null,"pdfAuthUser":null,"pdfCOSUser":null,"vaiantRelatedPartList":null,"partHotspotList":null,"itemNumber":20,"partRelatedVariantList":null,"bomCode":2,"totalValue":null,"searchImage":null,"length":null,"width":null,"height":null,"unitOfDimension":null,"weight":null,"unitOfWeight":null,"specialRouting":false,"onlineRepair":null,"previousPartID":null,"sbdDiscountPriceValue":{"currencyIso":"USD","value":3.1,"priceType":"BUY","formattedValue":"$3.10","minQuantity":null,"maxQuantity":null,"sapUnit":{"code":"pieces","name":"Piece"}},"alrCode":null,"productRecallFlag":null,"selectedDocumentId":null,"productDescription":null,"pdpImage":null,"ticketId":null,"qtyRequiredPerVariant":"1","isElgibleForRepair":null,"isPowerEligible":null,"productRecallNotes":null,"productOtherInfo":null,"backorderETA":"00/00/0000","modifiedDate":null,"userLevel":"COS","displayPrice":null,"baseProductName":null,"firstVariantCode":null,"firstVariantImage":null,"productMarketType":null,"productNumber":null,"typeStatusCode":null,"productCategory":null,"typeNumber":null,"marketCode":null,"regionCode":null,"otherInformation":null,"productTypeStatus":null,"repairInstruction":null,"repairInstructionStatusDescription":null,"typeStatusDate":null,"serviceLifeDate":null,"manufacturerId":null,"parts":null,"language":null,"glossaries":null,"brand":null,"product":null,"brandCode":null,"recallNotes":null,"volume":null},{"code":"P532180679-CM","name":null,"url":"/c//p/P532180679-CM","description":"PLATE MTG.BATT/","purchasable":true,"stock":{"stockLevelStatus":{"code":"outOfStock","type":"StockLevelStatus"},"stockLevel":0,"stockThreshold":null},"futureStocks":null,"availableForPickup":null,"averageRating":null,"numberOfReviews":null,"summary":null,"manufacturer":null,"variantType":null,"price":{"currencyIso":"USD","value":7.16,"priceType":"BUY","formattedValue":"$7.16","minQuantity":null,"maxQuantity":null,"sapUnit":{"code":"pieces","name":"Piece"}},"baseProduct":null,"images":[],"categories":null,"reviews":null,"classifications":null,"potentialPromotions":null,"variantOptions":null,"baseOptions":[],"volumePricesFlag":null,"volumePrices":null,"productReferences":null,"variantMatrix":null,"priceRange":null,"firstCategoryNameList":null,"multidimensional":null,"configurable":false,"configuratorType":null,"addToCartDisabled":null,"addToCartDisabledMessage":null,"tags":null,"sapUnit":null,"keywords":null,"genders":null,"itemtype":"Part","partSubstitute":null,"note":null,"recallNote":null,"note1":null,"note2":null,"note3":null,"note4":null,"note5":null,"pdfAllUser":null,"pdfAuthUser":null,"pdfCOSUser":null,"vaiantRelatedPartList":null,"partHotspotList":null,"itemNumber":20,"partRelatedVariantList":null,"bomCode":2,"totalValue":null,"searchImage":null,"length":null,"width":null,"height":null,"unitOfDimension":null,"weight":null,"unitOfWeight":null,"specialRouting":false,"onlineRepair":null,"previousPartID":null,"sbdDiscountPriceValue":{"currencyIso":"USD","value":7.16,"priceType":"BUY","formattedValue":"$7.16","minQuantity":null,"maxQuantity":null,"sapUnit":{"code":"pieces","name":"Piece"}},"alrCode":null,"productRecallFlag":null,"selectedDocumentId":null,"productDescription":null,"pdpImage":null,"ticketId":null,"qtyRequiredPerVariant":"1","isElgibleForRepair":null,"isPowerEligible":null,"productRecallNotes":null,"productOtherInfo":null,"backorderETA":"00/00/0000","modifiedDate":null,"userLevel":"COS","displayPrice":null,"baseProductName":null,"firstVariantCode":null,"firstVariantImage":null,"productMarketType":null,"productNumber":null,"typeStatusCode":null,"productCategory":null,"typeNumber":null,"marketCode":null,"regionCode":null,"otherInformation":null,"productTypeStatus":null,"repairInstruction":null,"repairInstructionStatusDescription":null,"typeStatusDate":null,"serviceLifeDate":null,"manufacturerId":null,"parts":null,"language":null,"glossaries":null,"brand":null,"product":null,"brandCode":null,"recallNotes":null,"volume":null},{"code":"P583022001-CM","name":null,"url":"/c//p/P583022001-CM","description":"DECAL.DECK.E","purchasable":true,"stock":{"stockLevelStatus":{"code":"outOfStock","type":"StockLevelStatus"},"stockLevel":0,"stockThreshold":null},"futureStocks":null,"availableForPickup":null,"averageRating":null,"numberOfReviews":null,"summary":null,"manufacturer":null,"variantType":null,"price":{"currencyIso":"USD","value":9.26,"priceType":"BUY","formattedValue":"$9.26","minQuantity":null,"maxQuantity":null,"sapUnit":{"code":"pieces","name":"Piece"}},"baseProduct":null,"images":[],"categories":null,"reviews":null,"classifications":null,"potentialPromotions":null,"variantOptions":null,"baseOptions":[],"volumePricesFlag":null,"volumePrices":null,"productReferences":null,"variantMatrix":null,"priceRange":null,"firstCategoryNameList":null,"multidimensional":null,"configurable":false,"configuratorType":null,"addToCartDisabled":null,"addToCartDisabledMessage":null,"tags":null,"sapUnit":null,"keywords":null,"genders":null,"itemtype":"Part","partSubstitute":null,"note":null,"recallNote":null,"note1":null,"note2":null,"note3":null,"note4":null,"note5":null,"pdfAllUser":null,"pdfAuthUser":null,"pdfCOSUser":null,"vaiantRelatedPartList":null,"partHotspotList":null,"itemNumber":20,"partRelatedVariantList":null,"bomCode":2,"totalValue":null,"searchImage":null,"length":null,"width":null,"height":null,"unitOfDimension":null,"weight":null,"unitOfWeight":null,"specialRouting":false,"onlineRepair":null,"previousPartID":null,"sbdDiscountPriceValue":{"currencyIso":"USD","value":9.26,"priceType":"BUY","formattedValue":"$9.26","minQuantity":null,"maxQuantity":null,"sapUnit":{"code":"pieces","name":"Piece"}},"alrCode":null,"productRecallFlag":null,"selectedDocumentId":null,"productDescription":null,"pdpImage":null,"ticketId":null,"qtyRequiredPerVariant":"1","isElgibleForRepair":null,"isPowerEligible":null,"productRecallNotes":null,"productOtherInfo":null,"backorderETA":"00/00/0000","modifiedDate":null,"userLevel":"COS","displayPrice":null,"baseProductName":null,"firstVariantCode":null,"firstVariantImage":null,"productMarketType":null,"productNumber":null,"typeStatusCode":null,"productCategory":null,"typeNumber":null,"marketCode":null,"regionCode":null,"otherInformation":null,"productTypeStatus":null,"repairInstruction":null,"repairInstructionStatusDescription":null,"typeStatusDate":null,"serviceLifeDate":null,"manufacturerId":null,"parts":null,"language":null,"glossaries":null,"brand":null,"product":null,"brandCode":null,"recallNotes":null,"volume":null},{"code":"P532106933-CM","name":null,"url":"/c//p/P532106933-CM","description":"KNOB","purchasable":true,"stock":{"stockLevelStatus":{"code":"outOfStock","type":"StockLevelStatus"},"stockLevel":0,"stockThreshold":null},"futureStocks":null,"availableForPickup":null,"averageRating":null,"numberOfReviews":null,"summary":null,"manufacturer":null,"variantType":null,"price":{"currencyIso":"USD","value":3.18,"priceType":"BUY","formattedValue":"$3.18","minQuantity":null,"maxQuantity":null,"sapUnit":{"code":"pieces","name":"Piece"}},"baseProduct":null,"images":[],"categories":null,"reviews":null,"classifications":null,"potentialPromotions":null,"variantOptions":null,"baseOptions":[],"volumePricesFlag":null,"volumePrices":null,"productReferences":null,"variantMatrix":null,"priceRange":null,"firstCategoryNameList":null,"multidimensional":null,"configurable":false,"configuratorType":null,"addToCartDisabled":null,"addToCartDisabledMessage":null,"tags":null,"sapUnit":null,"keywords":null,"genders":null,"itemtype":"Part","partSubstitute":null,"note":null,"recallNote":null,"note1":null,"note2":null,"note3":null,"note4":null,"note5":null,"pdfAllUser":null,"pdfAuthUser":null,"pdfCOSUser":null,"vaiantRelatedPartList":null,"partHotspotList":null,"itemNumber":21,"partRelatedVariantList":null,"bomCode":2,"totalValue":null,"searchImage":null,"length":null,"width":null,"height":null,"unitOfDimension":null,"weight":null,"unitOfWeight":null,"specialRouting":false,"onlineRepair":null,"previousPartID":null,"sbdDiscountPriceValue":{"currencyIso":"USD","value":3.18,"priceType":"BUY","formattedValue":"$3.18","minQuantity":null,"maxQuantity":null,"sapUnit":{"code":"pieces","name":"Piece"}},"alrCode":null,"productRecallFlag":null,"selectedDocumentId":null,"productDescription":null,"pdpImage":null,"ticketId":null,"qtyRequiredPerVariant":"1","isElgibleForRepair":null,"isPowerEligible":null,"productRecallNotes":null,"productOtherInfo":null,"backorderETA":"00/00/0000","modifiedDate":null,"userLevel":"COS","displayPrice":null,"baseProductName":null,"firstVariantCode":null,"firstVariantImage":null,"productMarketType":null,"productNumber":null,"typeStatusCode":null,"productCategory":null,"typeNumber":null,"marketCode":null,"regionCode":null,"otherInformation":null,"productTypeStatus":null,"repairInstruction":null,"repairInstructionStatusDescription":null,"typeStatusDate":null,"serviceLifeDate":null,"manufacturerId":null,"parts":null,"language":null,"glossaries":null,"brand":null,"product":null,"brandCode":null,"recallNotes":null,"volume":null},{"code":"P587907801-CM","name":null,"url":"/c//p/P587907801-CM","description":"BOLT SHOULDER 5/16-18","purchasable":true,"stock":{"stockLevelStatus":{"code":"inStock","type":"StockLevelStatus"},"stockLevel":0,"stockThreshold":null},"futureStocks":null,"availableForPickup":null,"averageRating":null,"numberOfReviews":null,"summary":null,"manufacturer":null,"variantType":null,"price":{"currencyIso":"USD","value":0.0,"priceType":"BUY","formattedValue":"$0.00","minQuantity":null,"maxQuantity":null,"sapUnit":{"code":"pieces","name":"Piece"}},"baseProduct":null,"images":[],"categories":null,"reviews":null,"classifications":null,"potentialPromotions":null,"variantOptions":null,"baseOptions":[],"volumePricesFlag":null,"volumePrices":null,"productReferences":null,"variantMatrix":null,"priceRange":null,"firstCategoryNameList":null,"multidimensional":null,"configurable":false,"configuratorType":null,"addToCartDisabled":null,"addToCartDisabledMessage":null,"tags":null,"sapUnit":null,"keywords":null,"genders":null,"itemtype":"Part","partSubstitute":null,"note":null,"recallNote":null,"note1":null,"note2":null,"note3":null,"note4":null,"note5":null,"pdfAllUser":null,"pdfAuthUser":null,"pdfCOSUser":null,"vaiantRelatedPartList":null,"partHotspotList":null,"itemNumber":21,"partRelatedVariantList":null,"bomCode":2,"totalValue":null,"searchImage":null,"length":null,"width":null,"height":null,"unitOfDimension":null,"weight":null,"unitOfWeight":null,"specialRouting":false,"onlineRepair":null,"previousPartID":null,"sbdDiscountPriceValue":{"currencyIso":"USD","value":0.0,"priceType":"BUY","formattedValue":"$0.00","minQuantity":null,"maxQuantity":null,"sapUnit":{"code":"pieces","name":"Piece"}},"alrCode":null,"productRecallFlag":null,"selectedDocumentId":null,"productDescription":null,"pdpImage":null,"ticketId":null,"qtyRequiredPerVariant":"1","isElgibleForRepair":null,"isPowerEligible":null,"productRecallNotes":null,"productOtherInfo":null,"backorderETA":"00/00/0000","modifiedDate":null,"userLevel":"COS","displayPrice":null,"baseProductName":null,"firstVariantCode":null,"firstVariantImage":null,"productMarketType":null,"productNumber":null,"typeStatusCode":null,"productCategory":null,"typeNumber":null,"marketCode":null,"regionCode":null,"otherInformation":null,"productTypeStatus":null,"repairInstruction":null,"repairInstructionStatusDescription":null,"typeStatusDate":null,"serviceLifeDate":null,"manufacturerId":null,"parts":null,"language":null,"glossaries":null,"brand":null,"product":null,"brandCode":null,"recallNotes":null,"volume":null},{"code":"P4152J-CM","name":null,"url":"/c//p/P4152J-CM","description":"BULB LIGHT","purchasable":true,"stock":{"stockLevelStatus":{"code":"inStock","type":"StockLevelStatus"},"stockLevel":0,"stockThreshold":null},"futureStocks":null,"availableForPickup":null,"averageRating":null,"numberOfReviews":null,"summary":null,"manufacturer":null,"variantType":null,"price":{"currencyIso":"USD","value":3.08,"priceType":"BUY","formattedValue":"$3.08","minQuantity":null,"maxQuantity":null,"sapUnit":{"code":"pieces","name":"Piece"}},"baseProduct":null,"images":[],"categories":null,"reviews":null,"classifications":null,"potentialPromotions":null,"variantOptions":null,"baseOptions":[],"volumePricesFlag":null,"volumePrices":null,"productReferences":null,"variantMatrix":null,"priceRange":null,"firstCategoryNameList":null,"multidimensional":null,"configurable":false,"configuratorType":null,"addToCartDisabled":null,"addToCartDisabledMessage":null,"tags":null,"sapUnit":null,"keywords":null,"genders":null,"itemtype":"Part","partSubstitute":null,"note":null,"recallNote":null,"note1":null,"note2":null,"note3":null,"note4":null,"note5":null,"pdfAllUser":null,"pdfAuthUser":null,"pdfCOSUser":null,"vaiantRelatedPartList":null,"partHotspotList":null,"itemNumber":22,"partRelatedVariantList":null,"bomCode":2,"totalValue":null,"searchImage":null,"length":null,"width":null,"height":null,"unitOfDimension":null,"weight":null,"unitOfWeight":null,"specialRouting":false,"onlineRepair":null,"previousPartID":null,"sbdDiscountPriceValue":{"currencyIso":"USD","value":3.08,"priceType":"BUY","formattedValue":"$3.08","minQuantity":null,"maxQuantity":null,"sapUnit":{"code":"pieces","name":"Piece"}},"alrCode":null,"productRecallFlag":null,"selectedDocumentId":null,"productDescription":null,"pdpImage":null,"ticketId":null,"qtyRequiredPerVariant":"1","isElgibleForRepair":null,"isPowerEligible":null,"productRecallNotes":null,"productOtherInfo":null,"backorderETA":"00/00/0000","modifiedDate":null,"userLevel":"COS","displayPrice":null,"baseProductName":null,"firstVariantCode":null,"firstVariantImage":null,"productMarketType":null,"productNumber":null,"typeStatusCode":null,"productCategory":null,"typeNumber":null,"marketCode":null,"regionCode":null,"otherInformation":null,"productTypeStatus":null,"repairInstruction":null,"repairInstructionStatusDescription":null,"typeStatusDate":null,"serviceLifeDate":null,"manufacturerId":null,"parts":null,"language":null,"glossaries":null,"brand":null,"product":null,"brandCode":null,"recallNotes":null,"volume":null},{"code":"P532130804-CM","name":null,"url":"/c//p/P532130804-CM","description":"ROD BRAKE","purchasable":true,"stock":{"stockLevelStatus":{"code":"outOfStock","type":"StockLevelStatus"},"stockLevel":0,"stockThreshold":null},"futureStocks":null,"availableForPickup":null,"averageRating":null,"numberOfReviews":null,"summary":null,"manufacturer":null,"variantType":null,"price":{"currencyIso":"USD","value":14.62,"priceType":"BUY","formattedValue":"$14.62","minQuantity":null,"maxQuantity":null,"sapUnit":{"code":"pieces","name":"Piece"}},"baseProduct":null,"images":[],"categories":null,"reviews":null,"classifications":null,"potentialPromotions":null,"variantOptions":null,"baseOptions":[],"volumePricesFlag":null,"volumePrices":null,"productReferences":null,"variantMatrix":null,"priceRange":null,"firstCategoryNameList":null,"multidimensional":null,"configurable":false,"configuratorType":null,"addToCartDisabled":null,"addToCartDisabledMessage":null,"tags":null,"sapUnit":null,"keywords":null,"genders":null,"itemtype":"Part","partSubstitute":null,"note":null,"recallNote":null,"note1":null,"note2":null,"note3":null,"note4":null,"note5":null,"pdfAllUser":null,"pdfAuthUser":null,"pdfCOSUser":null,"vaiantRelatedPartList":null,"partHotspotList":null,"itemNumber":22,"partRelatedVariantList":null,"bomCode":2,"totalValue":null,"searchImage":null,"length":null,"width":null,"height":null,"unitOfDimension":null,"weight":null,"unitOfWeight":null,"specialRouting":false,"onlineRepair":null,"previousPartID":null,"sbdDiscountPriceValue":{"currencyIso":"USD","value":14.62,"priceType":"BUY","formattedValue":"$14.62","minQuantity":null,"maxQuantity":null,"sapUnit":{"code":"pieces","name":"Piece"}},"alrCode":null,"productRecallFlag":null,"selectedDocumentId":null,"productDescription":null,"pdpImage":null,"ticketId":null,"qtyRequiredPerVariant":"1","isElgibleForRepair":null,"isPowerEligible":null,"productRecallNotes":null,"productOtherInfo":null,"backorderETA":"00/00/0000","modifiedDate":null,"userLevel":"COS","displayPrice":null,"baseProductName":null,"firstVariantCode":null,"firstVariantImage":null,"productMarketType":null,"productNumber":null,"typeStatusCode":null,"productCategory":null,"typeNumber":null,"marketCode":null,"regionCode":null,"otherInformation":null,"productTypeStatus":null,"repairInstruction":null,"repairInstructionStatusDescription":null,"typeStatusDate":null,"serviceLifeDate":null,"manufacturerId":null,"parts":null,"language":null,"glossaries":null,"brand":null,"product":null,"brandCode":null,"recallNotes":null,"volume":null},{"code":"P532165857-CM","name":null,"url":"/c//p/P532165857-CM","description":"SCREW.HX.WSH","purchasable":true,"stock":{"stockLevelStatus":{"code":"outOfStock","type":"StockLevelStatus"},"stockLevel":0,"stockThreshold":null},"futureStocks":null,"availableForPickup":null,"averageRating":null,"numberOfReviews":null,"summary":null,"manufacturer":null,"variantType":null,"price":{"currencyIso":"USD","value":2.63,"priceType":"BUY","formattedValue":"$2.63","minQuantity":null,"maxQuantity":null,"sapUnit":{"code":"pieces","name":"Piece"}},"baseProduct":null,"images":[],"categories":null,"reviews":null,"classifications":null,"potentialPromotions":null,"variantOptions":null,"baseOptions":[],"volumePricesFlag":null,"volumePrices":null,"productReferences":null,"variantMatrix":null,"priceRange":null,"firstCategoryNameList":null,"multidimensional":null,"configurable":false,"configuratorType":null,"addToCartDisabled":null,"addToCartDisabledMessage":null,"tags":null,"sapUnit":null,"keywords":null,"genders":null,"itemtype":"Part","partSubstitute":null,"note":null,"recallNote":null,"note1":null,"note2":null,"note3":null,"note4":null,"note5":null,"pdfAllUser":null,"pdfAuthUser":null,"pdfCOSUser":null,"vaiantRelatedPartList":null,"partHotspotList":null,"itemNumber":22,"partRelatedVariantList":null,"bomCode":2,"totalValue":null,"searchImage":null,"length":null,"width":null,"height":null,"unitOfDimension":null,"weight":null,"unitOfWeight":null,"specialRouting":false,"onlineRepair":null,"previousPartID":null,"sbdDiscountPriceValue":{"currencyIso":"USD","value":2.63,"priceType":"BUY","formattedValue":"$2.63","minQuantity":null,"maxQuantity":null,"sapUnit":{"code":"pieces","name":"Piece"}},"alrCode":null,"productRecallFlag":null,"selectedDocumentId":null,"productDescription":null,"pdpImage":null,"ticketId":null,"qtyRequiredPerVariant":"1","isElgibleForRepair":null,"isPowerEligible":null,"productRecallNotes":null,"productOtherInfo":null,"backorderETA":"00/00/0000","modifiedDate":null,"userLevel":"COS","displayPrice":null,"baseProductName":null,"firstVariantCode":null,"firstVariantImage":null,"productMarketType":null,"productNumber":null,"typeStatusCode":null,"productCategory":null,"typeNumber":null,"marketCode":null,"regionCode":null,"otherInformation":null,"productTypeStatus":null,"repairInstruction":null,"repairInstructionStatusDescription":null,"typeStatusDate":null,"serviceLifeDate":null,"manufacturerId":null,"parts":null,"language":null,"glossaries":null,"brand":null,"product":null,"brandCode":null,"recallNotes":null,"volume":null},{"code":"PSTD541431-CM","name":null,"url":"/c//p/PSTD541431-CM","description":"NUT CROWN LOCK 5/16-18","purchasable":false,"stock":{"stockLevelStatus":{"code":"outOfStock","type":"StockLevelStatus"},"stockLevel":0,"stockThreshold":null},"futureStocks":null,"availableForPickup":null,"averageRating":null,"numberOfReviews":null,"summary":null,"manufacturer":null,"variantType":null,"price":null,"baseProduct":null,"images":[],"categories":null,"reviews":null,"classifications":null,"potentialPromotions":null,"variantOptions":null,"baseOptions":[],"volumePricesFlag":null,"volumePrices":null,"productReferences":null,"variantMatrix":null,"priceRange":null,"firstCategoryNameList":null,"multidimensional":null,"configurable":false,"configuratorType":null,"addToCartDisabled":null,"addToCartDisabledMessage":null,"tags":null,"sapUnit":null,"keywords":null,"genders":null,"itemtype":"Part","partSubstitute":"P532130804-CM","note":null,"recallNote":null,"note1":null,"note2":null,"note3":null,"note4":null,"note5":null,"pdfAllUser":null,"pdfAuthUser":null,"pdfCOSUser":null,"vaiantRelatedPartList":null,"partHotspotList":null,"itemNumber":22,"partRelatedVariantList":null,"bomCode":4,"totalValue":null,"searchImage":null,"length":null,"width":null,"height":null,"unitOfDimension":null,"weight":null,"unitOfWeight":null,"specialRouting":false,"onlineRepair":null,"previousPartID":null,"sbdDiscountPriceValue":null,"alrCode":null,"productRecallFlag":null,"selectedDocumentId":null,"productDescription":null,"pdpImage":null,"ticketId":null,"qtyRequiredPerVariant":"1","isElgibleForRepair":null,"isPowerEligible":null,"productRecallNotes":null,"productOtherInfo":null,"backorderETA":null,"modifiedDate":null,"userLevel":"COS","displayPrice":null,"baseProductName":null,"firstVariantCode":null,"firstVariantImage":null,"productMarketType":null,"productNumber":null,"typeStatusCode":null,"productCategory":null,"typeNumber":null,"marketCode":null,"regionCode":null,"otherInformation":null,"productTypeStatus":null,"repairInstruction":null,"repairInstructionStatusDescription":null,"typeStatusDate":null,"serviceLifeDate":null,"manufacturerId":null,"parts":null,"language":null,"glossaries":null,"brand":null,"product":null,"brandCode":null,"recallNotes":null,"volume":null},{"code":"PSTD541431-CM","name":null,"url":"/c//p/PSTD541431-CM","description":"NUT CROWN LOCK 5/16-18","purchasable":false,"stock":{"stockLevelStatus":{"code":"outOfStock","type":"StockLevelStatus"},"stockLevel":0,"stockThreshold":null},"futureStocks":null,"availableForPickup":null,"averageRating":null,"numberOfReviews":null,"summary":null,"manufacturer":null,"variantType":null,"price":null,"baseProduct":null,"images":[],"categories":null,"reviews":null,"classifications":null,"potentialPromotions":null,"variantOptions":null,"baseOptions":[],"volumePricesFlag":null,"volumePrices":null,"productReferences":null,"variantMatrix":null,"priceRange":null,"firstCategoryNameList":null,"multidimensional":null,"configurable":false,"configuratorType":null,"addToCartDisabled":null,"addToCartDisabledMessage":null,"tags":null,"sapUnit":null,"keywords":null,"genders":null,"itemtype":"Part","partSubstitute":"P532130804-CM","note":null,"recallNote":null,"note1":null,"note2":null,"note3":null,"note4":null,"note5":null,"pdfAllUser":null,"pdfAuthUser":null,"pdfCOSUser":null,"vaiantRelatedPartList":null,"partHotspotList":null,"itemNumber":22,"partRelatedVariantList":null,"bomCode":4,"totalValue":null,"searchImage":null,"length":null,"width":null,"height":null,"unitOfDimension":null,"weight":null,"unitOfWeight":null,"specialRouting":false,"onlineRepair":null,"previousPartID":null,"sbdDiscountPriceValue":null,"alrCode":null,"productRecallFlag":null,"selectedDocumentId":null,"productDescription":null,"pdpImage":null,"ticketId":null,"qtyRequiredPerVariant":"1","isElgibleForRepair":null,"isPowerEligible":null,"productRecallNotes":null,"productOtherInfo":null,"backorderETA":null,"modifiedDate":null,"userLevel":"COS","displayPrice":null,"baseProductName":null,"firstVariantCode":null,"firstVariantImage":null,"productMarketType":null,"productNumber":null,"typeStatusCode":null,"productCategory":null,"typeNumber":null,"marketCode":null,"regionCode":null,"otherInformation":null,"productTypeStatus":null,"repairInstruction":null,"repairInstructionStatusDescription":null,"typeStatusDate":null,"serviceLifeDate":null,"manufacturerId":null,"parts":null,"language":null,"glossaries":null,"brand":null,"product":null,"brandCode":null,"recallNotes":null,"volume":null},{"code":"PSTD541431-CM","name":null,"url":"/c//p/PSTD541431-CM","description":"NUT CROWN LOCK 5/16-18","purchasable":false,"stock":{"stockLevelStatus":{"code":"outOfStock","type":"StockLevelStatus"},"stockLevel":0,"stockThreshold":null},"futureStocks":null,"availableForPickup":null,"averageRating":null,"numberOfReviews":null,"summary":null,"manufacturer":null,"variantType":null,"price":null,"baseProduct":null,"images":[],"categories":null,"reviews":null,"classifications":null,"potentialPromotions":null,"variantOptions":null,"baseOptions":[],"volumePricesFlag":null,"volumePrices":null,"productReferences":null,"variantMatrix":null,"priceRange":null,"firstCategoryNameList":null,"multidimensional":null,"configurable":false,"configuratorType":null,"addToCartDisabled":null,"addToCartDisabledMessage":null,"tags":null,"sapUnit":null,"keywords":null,"genders":null,"itemtype":"Part","partSubstitute":"P532130804-CM","note":null,"recallNote":null,"note1":null,"note2":null,"note3":null,"note4":null,"note5":null,"pdfAllUser":null,"pdfAuthUser":null,"pdfCOSUser":null,"vaiantRelatedPartList":null,"partHotspotList":null,"itemNumber":22,"partRelatedVariantList":null,"bomCode":4,"totalValue":null,"searchImage":null,"length":null,"width":null,"height":null,"unitOfDimension":null,"weight":null,"unitOfWeight":null,"specialRouting":false,"onlineRepair":null,"previousPartID":null,"sbdDiscountPriceValue":null,"alrCode":null,"productRecallFlag":null,"selectedDocumentId":null,"productDescription":null,"pdpImage":null,"ticketId":null,"qtyRequiredPerVariant":"1","isElgibleForRepair":null,"isPowerEligible":null,"productRecallNotes":null,"productOtherInfo":null,"backorderETA":null,"modifiedDate":null,"userLevel":"COS","displayPrice":null,"baseProductName":null,"firstVariantCode":null,"firstVariantImage":null,"productMarketType":null,"productNumber":null,"typeStatusCode":null,"productCategory":null,"typeNumber":null,"marketCode":null,"regionCode":null,"otherInformation":null,"productTypeStatus":null,"repairInstruction":null,"repairInstructionStatusDescription":null,"typeStatusDate":null,"serviceLifeDate":null,"manufacturerId":null,"parts":null,"language":null,"glossaries":null,"brand":null,"product":null,"brandCode":null,"recallNotes":null,"volume":null},{"code":"P105304X-CM","name":null,"url":"/c//p/P105304X-CM","description":"CAP SLEEVE","purchasable":true,"stock":{"stockLevelStatus":{"code":"inStock","type":"StockLevelStatus"},"stockLevel":0,"stockThreshold":null},"futureStocks":null,"availableForPickup":null,"averageRating":null,"numberOfReviews":null,"summary":null,"manufacturer":null,"variantType":null,"price":{"currencyIso":"USD","value":2.66,"priceType":"BUY","formattedValue":"$2.66","minQuantity":null,"maxQuantity":null,"sapUnit":{"code":"pieces","name":"Piece"}},"baseProduct":null,"images":[],"categories":null,"reviews":null,"classifications":null,"potentialPromotions":null,"variantOptions":null,"baseOptions":[],"volumePricesFlag":null,"volumePrices":null,"productReferences":null,"variantMatrix":null,"priceRange":null,"firstCategoryNameList":null,"multidimensional":null,"configurable":false,"configuratorType":null,"addToCartDisabled":null,"addToCartDisabledMessage":null,"tags":null,"sapUnit":null,"keywords":null,"genders":null,"itemtype":"Part","partSubstitute":null,"note":null,"recallNote":null,"note1":null,"note2":null,"note3":null,"note4":null,"note5":null,"pdfAllUser":null,"pdfAuthUser":null,"pdfCOSUser":null,"vaiantRelatedPartList":null,"partHotspotList":null,"itemNumber":24,"partRelatedVariantList":null,"bomCode":2,"totalValue":null,"searchImage":null,"length":null,"width":null,"height":null,"unitOfDimension":null,"weight":null,"unitOfWeight":null,"specialRouting":false,"onlineRepair":null,"previousPartID":null,"sbdDiscountPriceValue":{"currencyIso":"USD","value":2.66,"priceType":"BUY","formattedValue":"$2.66","minQuantity":null,"maxQuantity":null,"sapUnit":{"code":"pieces","name":"Piece"}},"alrCode":null,"productRecallFlag":null,"selectedDocumentId":null,"productDescription":null,"pdpImage":null,"ticketId":null,"qtyRequiredPerVariant":"1","isElgibleForRepair":null,"isPowerEligible":null,"productRecallNotes":null,"productOtherInfo":null,"backorderETA":"00/00/0000","modifiedDate":null,"userLevel":"COS","displayPrice":null,"baseProductName":null,"firstVariantCode":null,"firstVariantImage":null,"productMarketType":null,"productNumber":null,"typeStatusCode":null,"productCategory":null,"typeNumber":null,"marketCode":null,"regionCode":null,"otherInformation":null,"productTypeStatus":null,"repairInstruction":null,"repairInstructionStatusDescription":null,"typeStatusDate":null,"serviceLifeDate":null,"manufacturerId":null,"parts":null,"language":null,"glossaries":null,"brand":null,"product":null,"brandCode":null,"recallNotes":null,"volume":null},{"code":"P532004799-CM","name":null,"url":"/c//p/P532004799-CM","description":"BATTERY CABL","purchasable":true,"stock":{"stockLevelStatus":{"code":"outOfStock","type":"StockLevelStatus"},"stockLevel":0,"stockThreshold":null},"futureStocks":null,"availableForPickup":null,"averageRating":null,"numberOfReviews":null,"summary":null,"manufacturer":null,"variantType":null,"price":{"currencyIso":"USD","value":5.87,"priceType":"BUY","formattedValue":"$5.87","minQuantity":null,"maxQuantity":null,"sapUnit":{"code":"pieces","name":"Piece"}},"baseProduct":null,"images":[],"categories":null,"reviews":null,"classifications":null,"potentialPromotions":null,"variantOptions":null,"baseOptions":[],"volumePricesFlag":null,"volumePrices":null,"productReferences":null,"variantMatrix":null,"priceRange":null,"firstCategoryNameList":null,"multidimensional":null,"configurable":false,"configuratorType":null,"addToCartDisabled":null,"addToCartDisabledMessage":null,"tags":null,"sapUnit":null,"keywords":null,"genders":null,"itemtype":"Part","partSubstitute":null,"note":null,"recallNote":null,"note1":null,"note2":null,"note3":null,"note4":null,"note5":null,"pdfAllUser":null,"pdfAuthUser":null,"pdfCOSUser":null,"vaiantRelatedPartList":null,"partHotspotList":null,"itemNumber":24,"partRelatedVariantList":null,"bomCode":2,"totalValue":null,"searchImage":null,"length":null,"width":null,"height":null,"unitOfDimension":null,"weight":null,"unitOfWeight":null,"specialRouting":false,"onlineRepair":null,"previousPartID":null,"sbdDiscountPriceValue":{"currencyIso":"USD","value":5.87,"priceType":"BUY","formattedValue":"$5.87","minQuantity":null,"maxQuantity":null,"sapUnit":{"code":"pieces","name":"Piece"}},"alrCode":null,"productRecallFlag":null,"selectedDocumentId":null,"productDescription":null,"pdpImage":null,"ticketId":null,"qtyRequiredPerVariant":"1","isElgibleForRepair":null,"isPowerEligible":null,"productRecallNotes":null,"productOtherInfo":null,"backorderETA":"00/00/0000","modifiedDate":null,"userLevel":"COS","displayPrice":null,"baseProductName":null,"firstVariantCode":null,"firstVariantImage":null,"productMarketType":null,"productNumber":null,"typeStatusCode":null,"productCategory":null,"typeNumber":null,"marketCode":null,"regionCode":null,"otherInformation":null,"productTypeStatus":null,"repairInstruction":null,"repairInstructionStatusDescription":null,"typeStatusDate":null,"serviceLifeDate":null,"manufacturerId":null,"parts":null,"language":null,"glossaries":null,"brand":null,"product":null,"brandCode":null,"recallNotes":null,"volume":null},{"code":"P819131016-CM","name":null,"url":"/c//p/P819131016-CM","description":"WASHER","purchasable":true,"stock":{"stockLevelStatus":{"code":"outOfStock","type":"StockLevelStatus"},"stockLevel":0,"stockThreshold":null},"futureStocks":null,"availableForPickup":null,"averageRating":null,"numberOfReviews":null,"summary":null,"manufacturer":null,"variantType":null,"price":{"currencyIso":"USD","value":3.1,"priceType":"BUY","formattedValue":"$3.10","minQuantity":null,"maxQuantity":null,"sapUnit":{"code":"pieces","name":"Piece"}},"baseProduct":null,"images":[],"categories":null,"reviews":null,"classifications":null,"potentialPromotions":null,"variantOptions":null,"baseOptions":[],"volumePricesFlag":null,"volumePrices":null,"productReferences":null,"variantMatrix":null,"priceRange":null,"firstCategoryNameList":null,"multidimensional":null,"configurable":false,"configuratorType":null,"addToCartDisabled":null,"addToCartDisabledMessage":null,"tags":null,"sapUnit":null,"keywords":null,"genders":null,"itemtype":"Part","partSubstitute":null,"note":null,"recallNote":null,"note1":null,"note2":null,"note3":null,"note4":null,"note5":null,"pdfAllUser":null,"pdfAuthUser":null,"pdfCOSUser":null,"vaiantRelatedPartList":null,"partHotspotList":null,"itemNumber":24,"partRelatedVariantList":null,"bomCode":2,"totalValue":null,"searchImage":null,"length":null,"width":null,"height":null,"unitOfDimension":null,"weight":null,"unitOfWeight":null,"specialRouting":false,"onlineRepair":null,"previousPartID":null,"sbdDiscountPriceValue":{"currencyIso":"USD","value":3.1,"priceType":"BUY","formattedValue":"$3.10","minQuantity":null,"maxQuantity":null,"sapUnit":{"code":"pieces","name":"Piece"}},"alrCode":null,"productRecallFlag":null,"selectedDocumentId":null,"productDescription":null,"pdpImage":null,"ticketId":null,"qtyRequiredPerVariant":"1","isElgibleForRepair":null,"isPowerEligible":null,"productRecallNotes":null,"productOtherInfo":null,"backorderETA":"00/00/0000","modifiedDate":null,"userLevel":"COS","displayPrice":null,"baseProductName":null,"firstVariantCode":null,"firstVariantImage":null,"productMarketType":null,"productNumber":null,"typeStatusCode":null,"productCategory":null,"typeNumber":null,"marketCode":null,"regionCode":null,"otherInformation":null,"productTypeStatus":null,"repairInstruction":null,"repairInstructionStatusDescription":null,"typeStatusDate":null,"serviceLifeDate":null,"manufacturerId":null,"parts":null,"language":null,"glossaries":null,"brand":null,"product":null,"brandCode":null,"recallNotes":null,"volume":null},{"code":"P819171912-CM","name":null,"url":"/c//p/P819171912-CM","description":"WASHER","purchasable":true,"stock":{"stockLevelStatus":{"code":"outOfStock","type":"StockLevelStatus"},"stockLevel":0,"stockThreshold":null},"futureStocks":null,"availableForPickup":null,"averageRating":null,"numberOfReviews":null,"summary":null,"manufacturer":null,"variantType":null,"price":{"currencyIso":"USD","value":3.1,"priceType":"BUY","formattedValue":"$3.10","minQuantity":null,"maxQuantity":null,"sapUnit":{"code":"pieces","name":"Piece"}},"baseProduct":null,"images":[],"categories":null,"reviews":null,"classifications":null,"potentialPromotions":null,"variantOptions":null,"baseOptions":[],"volumePricesFlag":null,"volumePrices":null,"productReferences":null,"variantMatrix":null,"priceRange":null,"firstCategoryNameList":null,"multidimensional":null,"configurable":false,"configuratorType":null,"addToCartDisabled":null,"addToCartDisabledMessage":null,"tags":null,"sapUnit":null,"keywords":null,"genders":null,"itemtype":"Part","partSubstitute":null,"note":null,"recallNote":null,"note1":null,"note2":null,"note3":null,"note4":null,"note5":null,"pdfAllUser":null,"pdfAuthUser":null,"pdfCOSUser":null,"vaiantRelatedPartList":null,"partHotspotList":null,"itemNumber":24,"partRelatedVariantList":null,"bomCode":2,"totalValue":null,"searchImage":null,"length":null,"width":null,"height":null,"unitOfDimension":null,"weight":null,"unitOfWeight":null,"specialRouting":false,"onlineRepair":null,"previousPartID":null,"sbdDiscountPriceValue":{"currencyIso":"USD","value":3.1,"priceType":"BUY","formattedValue":"$3.10","minQuantity":null,"maxQuantity":null,"sapUnit":{"code":"pieces","name":"Piece"}},"alrCode":null,"productRecallFlag":null,"selectedDocumentId":null,"productDescription":null,"pdpImage":null,"ticketId":null,"qtyRequiredPerVariant":"1","isElgibleForRepair":null,"isPowerEligible":null,"productRecallNotes":null,"productOtherInfo":null,"backorderETA":"00/00/0000","modifiedDate":null,"userLevel":"COS","displayPrice":null,"baseProductName":null,"firstVariantCode":null,"firstVariantImage":null,"productMarketType":null,"productNumber":null,"typeStatusCode":null,"productCategory":null,"typeNumber":null,"marketCode":null,"regionCode":null,"otherInformation":null,"productTypeStatus":null,"repairInstruction":null,"repairInstructionStatusDescription":null,"typeStatusDate":null,"serviceLifeDate":null,"manufacturerId":null,"parts":null,"language":null,"glossaries":null,"brand":null,"product":null,"brandCode":null,"recallNotes":null,"volume":null},{"code":"P532002876-CM","name":null,"url":"/c//p/P532002876-CM","description":"SPRING","purchasable":true,"stock":{"stockLevelStatus":{"code":"outOfStock","type":"StockLevelStatus"},"stockLevel":0,"stockThreshold":null},"futureStocks":null,"availableForPickup":null,"averageRating":null,"numberOfReviews":null,"summary":null,"manufacturer":null,"variantType":null,"price":{"currencyIso":"USD","value":3.1,"priceType":"BUY","formattedValue":"$3.10","minQuantity":null,"maxQuantity":null,"sapUnit":{"code":"pieces","name":"Piece"}},"baseProduct":null,"images":[],"categories":null,"reviews":null,"classifications":null,"potentialPromotions":null,"variantOptions":null,"baseOptions":[],"volumePricesFlag":null,"volumePrices":null,"productReferences":null,"variantMatrix":null,"priceRange":null,"firstCategoryNameList":null,"multidimensional":null,"configurable":false,"configuratorType":null,"addToCartDisabled":null,"addToCartDisabledMessage":null,"tags":null,"sapUnit":null,"keywords":null,"genders":null,"itemtype":"Part","partSubstitute":null,"note":null,"recallNote":null,"note1":null,"note2":null,"note3":null,"note4":null,"note5":null,"pdfAllUser":null,"pdfAuthUser":null,"pdfCOSUser":null,"vaiantRelatedPartList":null,"partHotspotList":null,"itemNumber":25,"partRelatedVariantList":null,"bomCode":2,"totalValue":null,"searchImage":null,"length":null,"width":null,"height":null,"unitOfDimension":null,"weight":null,"unitOfWeight":null,"specialRouting":false,"onlineRepair":null,"previousPartID":null,"sbdDiscountPriceValue":{"currencyIso":"USD","value":3.1,"priceType":"BUY","formattedValue":"$3.10","minQuantity":null,"maxQuantity":null,"sapUnit":{"code":"pieces","name":"Piece"}},"alrCode":null,"productRecallFlag":null,"selectedDocumentId":null,"productDescription":null,"pdpImage":null,"ticketId":null,"qtyRequiredPerVariant":"1","isElgibleForRepair":null,"isPowerEligible":null,"productRecallNotes":null,"productOtherInfo":null,"backorderETA":"00/00/0000","modifiedDate":null,"userLevel":"COS","displayPrice":null,"baseProductName":null,"firstVariantCode":null,"firstVariantImage":null,"productMarketType":null,"productNumber":null,"typeStatusCode":null,"productCategory":null,"typeNumber":null,"marketCode":null,"regionCode":null,"otherInformation":null,"productTypeStatus":null,"repairInstruction":null,"repairInstructionStatusDescription":null,"typeStatusDate":null,"serviceLifeDate":null,"manufacturerId":null,"parts":null,"language":null,"glossaries":null,"brand":null,"product":null,"brandCode":null,"recallNotes":null,"volume":null},{"code":"P532123713-CM","name":null,"url":"/c//p/P532123713-CM","description":"SPRING TORSION","purchasable":true,"stock":{"stockLevelStatus":{"code":"outOfStock","type":"StockLevelStatus"},"stockLevel":0,"stockThreshold":null},"futureStocks":null,"availableForPickup":null,"averageRating":null,"numberOfReviews":null,"summary":null,"manufacturer":null,"variantType":null,"price":{"currencyIso":"USD","value":4.19,"priceType":"BUY","formattedValue":"$4.19","minQuantity":null,"maxQuantity":null,"sapUnit":{"code":"pieces","name":"Piece"}},"baseProduct":null,"images":[],"categories":null,"reviews":null,"classifications":null,"potentialPromotions":null,"variantOptions":null,"baseOptions":[],"volumePricesFlag":null,"volumePrices":null,"productReferences":null,"variantMatrix":null,"priceRange":null,"firstCategoryNameList":null,"multidimensional":null,"configurable":false,"configuratorType":null,"addToCartDisabled":null,"addToCartDisabledMessage":null,"tags":null,"sapUnit":null,"keywords":null,"genders":null,"itemtype":"Part","partSubstitute":null,"note":null,"recallNote":null,"note1":null,"note2":null,"note3":null,"note4":null,"note5":null,"pdfAllUser":null,"pdfAuthUser":null,"pdfCOSUser":null,"vaiantRelatedPartList":null,"partHotspotList":null,"itemNumber":25,"partRelatedVariantList":null,"bomCode":2,"totalValue":null,"searchImage":null,"length":null,"width":null,"height":null,"unitOfDimension":null,"weight":null,"unitOfWeight":null,"specialRouting":false,"onlineRepair":null,"previousPartID":null,"sbdDiscountPriceValue":{"currencyIso":"USD","value":4.19,"priceType":"BUY","formattedValue":"$4.19","minQuantity":null,"maxQuantity":null,"sapUnit":{"code":"pieces","name":"Piece"}},"alrCode":null,"productRecallFlag":null,"selectedDocumentId":null,"productDescription":null,"pdpImage":null,"ticketId":null,"qtyRequiredPerVariant":"1","isElgibleForRepair":null,"isPowerEligible":null,"productRecallNotes":null,"productOtherInfo":null,"backorderETA":"00/00/0000","modifiedDate":null,"userLevel":"COS","displayPrice":null,"baseProductName":null,"firstVariantCode":null,"firstVariantImage":null,"productMarketType":null,"productNumber":null,"typeStatusCode":null,"productCategory":null,"typeNumber":null,"marketCode":null,"regionCode":null,"otherInformation":null,"productTypeStatus":null,"repairInstruction":null,"repairInstructionStatusDescription":null,"typeStatusDate":null,"serviceLifeDate":null,"manufacturerId":null,"parts":null,"language":null,"glossaries":null,"brand":null,"product":null,"brandCode":null,"recallNotes":null,"volume":null},{"code":"P532127018-CM","name":null,"url":"/c//p/P532127018-CM","description":"BOLT- SHOULD","purchasable":true,"stock":{"stockLevelStatus":{"code":"outOfStock","type":"StockLevelStatus"},"stockLevel":0,"stockThreshold":null},"futureStocks":null,"availableForPickup":null,"averageRating":null,"numberOfReviews":null,"summary":null,"manufacturer":null,"variantType":null,"price":{"currencyIso":"USD","value":3.1,"priceType":"BUY","formattedValue":"$3.10","minQuantity":null,"maxQuantity":null,"sapUnit":{"code":"pieces","name":"Piece"}},"baseProduct":null,"images":[],"categories":null,"reviews":null,"classifications":null,"potentialPromotions":null,"variantOptions":null,"baseOptions":[],"volumePricesFlag":null,"volumePrices":null,"productReferences":null,"variantMatrix":null,"priceRange":null,"firstCategoryNameList":null,"multidimensional":null,"configurable":false,"configuratorType":null,"addToCartDisabled":null,"addToCartDisabledMessage":null,"tags":null,"sapUnit":null,"keywords":null,"genders":null,"itemtype":"Part","partSubstitute":null,"note":null,"recallNote":null,"note1":null,"note2":null,"note3":null,"note4":null,"note5":null,"pdfAllUser":null,"pdfAuthUser":null,"pdfCOSUser":null,"vaiantRelatedPartList":null,"partHotspotList":null,"itemNumber":25,"partRelatedVariantList":null,"bomCode":2,"totalValue":null,"searchImage":null,"length":null,"width":null,"height":null,"unitOfDimension":null,"weight":null,"unitOfWeight":null,"specialRouting":false,"onlineRepair":null,"previousPartID":null,"sbdDiscountPriceValue":{"currencyIso":"USD","value":3.1,"priceType":"BUY","formattedValue":"$3.10","minQuantity":null,"maxQuantity":null,"sapUnit":{"code":"pieces","name":"Piece"}},"alrCode":null,"productRecallFlag":null,"selectedDocumentId":null,"productDescription":null,"pdpImage":null,"ticketId":null,"qtyRequiredPerVariant":"1","isElgibleForRepair":null,"isPowerEligible":null,"productRecallNotes":null,"productOtherInfo":null,"backorderETA":"00/00/0000","modifiedDate":null,"userLevel":"COS","displayPrice":null,"baseProductName":null,"firstVariantCode":null,"firstVariantImage":null,"productMarketType":null,"productNumber":null,"typeStatusCode":null,"productCategory":null,"typeNumber":null,"marketCode":null,"regionCode":null,"otherInformation":null,"productTypeStatus":null,"repairInstruction":null,"repairInstructionStatusDescription":null,"typeStatusDate":null,"serviceLifeDate":null,"manufacturerId":null,"parts":null,"language":null,"glossaries":null,"brand":null,"product":null,"brandCode":null,"recallNotes":null,"volume":null},{"code":"P532145996-CM","name":null,"url":"/c//p/P532145996-CM","description":"CONTROL- CHOKE","purchasable":true,"stock":{"stockLevelStatus":{"code":"outOfStock","type":"StockLevelStatus"},"stockLevel":0,"stockThreshold":null},"futureStocks":null,"availableForPickup":null,"averageRating":null,"numberOfReviews":null,"summary":null,"manufacturer":null,"variantType":null,"price":{"currencyIso":"USD","value":15.75,"priceType":"BUY","formattedValue":"$15.75","minQuantity":null,"maxQuantity":null,"sapUnit":{"code":"pieces","name":"Piece"}},"baseProduct":null,"images":[],"categories":null,"reviews":null,"classifications":null,"potentialPromotions":null,"variantOptions":null,"baseOptions":[],"volumePricesFlag":null,"volumePrices":null,"productReferences":null,"variantMatrix":null,"priceRange":null,"firstCategoryNameList":null,"multidimensional":null,"configurable":false,"configuratorType":null,"addToCartDisabled":null,"addToCartDisabledMessage":null,"tags":null,"sapUnit":null,"keywords":null,"genders":null,"itemtype":"Part","partSubstitute":null,"note":null,"recallNote":null,"note1":null,"note2":null,"note3":null,"note4":null,"note5":null,"pdfAllUser":null,"pdfAuthUser":null,"pdfCOSUser":null,"vaiantRelatedPartList":null,"partHotspotList":null,"itemNumber":25,"partRelatedVariantList":null,"bomCode":2,"totalValue":null,"searchImage":null,"length":null,"width":null,"height":null,"unitOfDimension":null,"weight":null,"unitOfWeight":null,"specialRouting":false,"onlineRepair":null,"previousPartID":null,"sbdDiscountPriceValue":{"currencyIso":"USD","value":15.75,"priceType":"BUY","formattedValue":"$15.75","minQuantity":null,"maxQuantity":null,"sapUnit":{"code":"pieces","name":"Piece"}},"alrCode":null,"productRecallFlag":null,"selectedDocumentId":null,"productDescription":null,"pdpImage":null,"ticketId":null,"qtyRequiredPerVariant":"1","isElgibleForRepair":null,"isPowerEligible":null,"productRecallNotes":null,"productOtherInfo":null,"backorderETA":"00/00/0000","modifiedDate":null,"userLevel":"COS","displayPrice":null,"baseProductName":null,"firstVariantCode":null,"firstVariantImage":null,"productMarketType":null,"productNumber":null,"typeStatusCode":null,"productCategory":null,"typeNumber":null,"marketCode":null,"regionCode":null,"otherInformation":null,"productTypeStatus":null,"repairInstruction":null,"repairInstructionStatusDescription":null,"typeStatusDate":null,"serviceLifeDate":null,"manufacturerId":null,"parts":null,"language":null,"glossaries":null,"brand":null,"product":null,"brandCode":null,"recallNotes":null,"volume":null},{"code":"P532146148-CM","name":null,"url":"/c//p/P532146148-CM","description":"CBLE BATT 6 GA 22","purchasable":true,"stock":{"stockLevelStatus":{"code":"outOfStock","type":"StockLevelStatus"},"stockLevel":0,"stockThreshold":null},"futureStocks":null,"availableForPickup":null,"averageRating":null,"numberOfReviews":null,"summary":null,"manufacturer":null,"variantType":null,"price":{"currencyIso":"USD","value":9.74,"priceType":"BUY","formattedValue":"$9.74","minQuantity":null,"maxQuantity":null,"sapUnit":{"code":"pieces","name":"Piece"}},"baseProduct":null,"images":[],"categories":null,"reviews":null,"classifications":null,"potentialPromotions":null,"variantOptions":null,"baseOptions":[],"volumePricesFlag":null,"volumePrices":null,"productReferences":null,"variantMatrix":null,"priceRange":null,"firstCategoryNameList":null,"multidimensional":null,"configurable":false,"configuratorType":null,"addToCartDisabled":null,"addToCartDisabledMessage":null,"tags":null,"sapUnit":null,"keywords":null,"genders":null,"itemtype":"Part","partSubstitute":null,"note":null,"recallNote":null,"note1":null,"note2":null,"note3":null,"note4":null,"note5":null,"pdfAllUser":null,"pdfAuthUser":null,"pdfCOSUser":null,"vaiantRelatedPartList":null,"partHotspotList":null,"itemNumber":25,"partRelatedVariantList":null,"bomCode":2,"totalValue":null,"searchImage":null,"length":null,"width":null,"height":null,"unitOfDimension":null,"weight":null,"unitOfWeight":null,"specialRouting":false,"onlineRepair":null,"previousPartID":null,"sbdDiscountPriceValue":{"currencyIso":"USD","value":9.74,"priceType":"BUY","formattedValue":"$9.74","minQuantity":null,"maxQuantity":null,"sapUnit":{"code":"pieces","name":"Piece"}},"alrCode":null,"productRecallFlag":null,"selectedDocumentId":null,"productDescription":null,"pdpImage":null,"ticketId":null,"qtyRequiredPerVariant":"1","isElgibleForRepair":null,"isPowerEligible":null,"productRecallNotes":null,"productOtherInfo":null,"backorderETA":"00/00/0000","modifiedDate":null,"userLevel":"COS","displayPrice":null,"baseProductName":null,"firstVariantCode":null,"firstVariantImage":null,"productMarketType":null,"productNumber":null,"typeStatusCode":null,"productCategory":null,"typeNumber":null,"marketCode":null,"regionCode":null,"otherInformation":null,"productTypeStatus":null,"repairInstruction":null,"repairInstructionStatusDescription":null,"typeStatusDate":null,"serviceLifeDate":null,"manufacturerId":null,"parts":null,"language":null,"glossaries":null,"brand":null,"product":null,"brandCode":null,"recallNotes":null,"volume":null},{"code":"P532151332-CM","name":null,"url":"/c//p/P532151332-CM","description":"SPRING ROD LT","purchasable":true,"stock":{"stockLevelStatus":{"code":"outOfStock","type":"StockLevelStatus"},"stockLevel":0,"stockThreshold":null},"futureStocks":null,"availableForPickup":null,"averageRating":null,"numberOfReviews":null,"summary":null,"manufacturer":null,"variantType":null,"price":{"currencyIso":"USD","value":2.63,"priceType":"BUY","formattedValue":"$2.63","minQuantity":null,"maxQuantity":null,"sapUnit":{"code":"pieces","name":"Piece"}},"baseProduct":null,"images":[],"categories":null,"reviews":null,"classifications":null,"potentialPromotions":null,"variantOptions":null,"baseOptions":[],"volumePricesFlag":null,"volumePrices":null,"productReferences":null,"variantMatrix":null,"priceRange":null,"firstCategoryNameList":null,"multidimensional":null,"configurable":false,"configuratorType":null,"addToCartDisabled":null,"addToCartDisabledMessage":null,"tags":null,"sapUnit":null,"keywords":null,"genders":null,"itemtype":"Part","partSubstitute":null,"note":null,"recallNote":null,"note1":null,"note2":null,"note3":null,"note4":null,"note5":null,"pdfAllUser":null,"pdfAuthUser":null,"pdfCOSUser":null,"vaiantRelatedPartList":null,"partHotspotList":null,"itemNumber":25,"partRelatedVariantList":null,"bomCode":2,"totalValue":null,"searchImage":null,"length":null,"width":null,"height":null,"unitOfDimension":null,"weight":null,"unitOfWeight":null,"specialRouting":false,"onlineRepair":null,"previousPartID":null,"sbdDiscountPriceValue":{"currencyIso":"USD","value":2.63,"priceType":"BUY","formattedValue":"$2.63","minQuantity":null,"maxQuantity":null,"sapUnit":{"code":"pieces","name":"Piece"}},"alrCode":null,"productRecallFlag":null,"selectedDocumentId":null,"productDescription":null,"pdpImage":null,"ticketId":null,"qtyRequiredPerVariant":"1","isElgibleForRepair":null,"isPowerEligible":null,"productRecallNotes":null,"productOtherInfo":null,"backorderETA":"00/00/0000","modifiedDate":null,"userLevel":"COS","displayPrice":null,"baseProductName":null,"firstVariantCode":null,"firstVariantImage":null,"productMarketType":null,"productNumber":null,"typeStatusCode":null,"productCategory":null,"typeNumber":null,"marketCode":null,"regionCode":null,"otherInformation":null,"productTypeStatus":null,"repairInstruction":null,"repairInstructionStatusDescription":null,"typeStatusDate":null,"serviceLifeDate":null,"manufacturerId":null,"parts":null,"language":null,"glossaries":null,"brand":null,"product":null,"brandCode":null,"recallNotes":null,"volume":null},{"code":"P532154406-CM","name":null,"url":"/c//p/P532154406-CM","description":"BRACKET STEERING","purchasable":true,"stock":{"stockLevelStatus":{"code":"outOfStock","type":"StockLevelStatus"},"stockLevel":0,"stockThreshold":null},"futureStocks":null,"availableForPickup":null,"averageRating":null,"numberOfReviews":null,"summary":null,"manufacturer":null,"variantType":null,"price":{"currencyIso":"USD","value":5.0,"priceType":"BUY","formattedValue":"$5.00","minQuantity":null,"maxQuantity":null,"sapUnit":{"code":"pieces","name":"Piece"}},"baseProduct":null,"images":[],"categories":null,"reviews":null,"classifications":null,"potentialPromotions":null,"variantOptions":null,"baseOptions":[],"volumePricesFlag":null,"volumePrices":null,"productReferences":null,"variantMatrix":null,"priceRange":null,"firstCategoryNameList":null,"multidimensional":null,"configurable":false,"configuratorType":null,"addToCartDisabled":null,"addToCartDisabledMessage":null,"tags":null,"sapUnit":null,"keywords":null,"genders":null,"itemtype":"Part","partSubstitute":null,"note":null,"recallNote":null,"note1":null,"note2":null,"note3":null,"note4":null,"note5":null,"pdfAllUser":null,"pdfAuthUser":null,"pdfCOSUser":null,"vaiantRelatedPartList":null,"partHotspotList":null,"itemNumber":25,"partRelatedVariantList":null,"bomCode":2,"totalValue":null,"searchImage":null,"length":null,"width":null,"height":null,"unitOfDimension":null,"weight":null,"unitOfWeight":null,"specialRouting":false,"onlineRepair":null,"previousPartID":null,"sbdDiscountPriceValue":{"currencyIso":"USD","value":5.0,"priceType":"BUY","formattedValue":"$5.00","minQuantity":null,"maxQuantity":null,"sapUnit":{"code":"pieces","name":"Piece"}},"alrCode":null,"productRecallFlag":null,"selectedDocumentId":null,"productDescription":null,"pdpImage":null,"ticketId":null,"qtyRequiredPerVariant":"1","isElgibleForRepair":null,"isPowerEligible":null,"productRecallNotes":null,"productOtherInfo":null,"backorderETA":"00/00/0000","modifiedDate":null,"userLevel":"COS","displayPrice":null,"baseProductName":null,"firstVariantCode":null,"firstVariantImage":null,"productMarketType":null,"productNumber":null,"typeStatusCode":null,"productCategory":null,"typeNumber":null,"marketCode":null,"regionCode":null,"otherInformation":null,"productTypeStatus":null,"repairInstruction":null,"repairInstructionStatusDescription":null,"typeStatusDate":null,"serviceLifeDate":null,"manufacturerId":null,"parts":null,"language":null,"glossaries":null,"brand":null,"product":null,"brandCode":null,"recallNotes":null,"volume":null},{"code":"P110452X-CM","name":null,"url":"/c//p/P110452X-CM","description":"NUT PUSH","purchasable":true,"stock":{"stockLevelStatus":{"code":"inStock","type":"StockLevelStatus"},"stockLevel":0,"stockThreshold":null},"futureStocks":null,"availableForPickup":null,"averageRating":null,"numberOfReviews":null,"summary":null,"manufacturer":null,"variantType":null,"price":{"currencyIso":"USD","value":2.09,"priceType":"BUY","formattedValue":"$2.09","minQuantity":null,"maxQuantity":null,"sapUnit":{"code":"pieces","name":"Piece"}},"baseProduct":null,"images":[],"categories":null,"reviews":null,"classifications":null,"potentialPromotions":null,"variantOptions":null,"baseOptions":[],"volumePricesFlag":null,"volumePrices":null,"productReferences":null,"variantMatrix":null,"priceRange":null,"firstCategoryNameList":null,"multidimensional":null,"configurable":false,"configuratorType":null,"addToCartDisabled":null,"addToCartDisabledMessage":null,"tags":null,"sapUnit":null,"keywords":null,"genders":null,"itemtype":"Part","partSubstitute":null,"note":null,"recallNote":null,"note1":null,"note2":null,"note3":null,"note4":null,"note5":null,"pdfAllUser":null,"pdfAuthUser":null,"pdfCOSUser":null,"vaiantRelatedPartList":null,"partHotspotList":null,"itemNumber":26,"partRelatedVariantList":null,"bomCode":2,"totalValue":null,"searchImage":null,"length":null,"width":null,"height":null,"unitOfDimension":null,"weight":null,"unitOfWeight":null,"specialRouting":false,"onlineRepair":null,"previousPartID":null,"sbdDiscountPriceValue":{"currencyIso":"USD","value":2.09,"priceType":"BUY","formattedValue":"$2.09","minQuantity":null,"maxQuantity":null,"sapUnit":{"code":"pieces","name":"Piece"}},"alrCode":null,"productRecallFlag":null,"selectedDocumentId":null,"productDescription":null,"pdpImage":null,"ticketId":null,"qtyRequiredPerVariant":"1","isElgibleForRepair":null,"isPowerEligible":null,"productRecallNotes":null,"productOtherInfo":null,"backorderETA":"00/00/0000","modifiedDate":null,"userLevel":"COS","displayPrice":null,"baseProductName":null,"firstVariantCode":null,"firstVariantImage":null,"productMarketType":null,"productNumber":null,"typeStatusCode":null,"productCategory":null,"typeNumber":null,"marketCode":null,"regionCode":null,"otherInformation":null,"productTypeStatus":null,"repairInstruction":null,"repairInstructionStatusDescription":null,"typeStatusDate":null,"serviceLifeDate":null,"manufacturerId":null,"parts":null,"language":null,"glossaries":null,"brand":null,"product":null,"brandCode":null,"recallNotes":null,"volume":null},{"code":"P110452X-CM","name":null,"url":"/c//p/P110452X-CM","description":"NUT PUSH","purchasable":true,"stock":{"stockLevelStatus":{"code":"inStock","type":"StockLevelStatus"},"stockLevel":0,"stockThreshold":null},"futureStocks":null,"availableForPickup":null,"averageRating":null,"numberOfReviews":null,"summary":null,"manufacturer":null,"variantType":null,"price":{"currencyIso":"USD","value":2.09,"priceType":"BUY","formattedValue":"$2.09","minQuantity":null,"maxQuantity":null,"sapUnit":{"code":"pieces","name":"Piece"}},"baseProduct":null,"images":[],"categories":null,"reviews":null,"classifications":null,"potentialPromotions":null,"variantOptions":null,"baseOptions":[],"volumePricesFlag":null,"volumePrices":null,"productReferences":null,"variantMatrix":null,"priceRange":null,"firstCategoryNameList":null,"multidimensional":null,"configurable":false,"configuratorType":null,"addToCartDisabled":null,"addToCartDisabledMessage":null,"tags":null,"sapUnit":null,"keywords":null,"genders":null,"itemtype":"Part","partSubstitute":null,"note":null,"recallNote":null,"note1":null,"note2":null,"note3":null,"note4":null,"note5":null,"pdfAllUser":null,"pdfAuthUser":null,"pdfCOSUser":null,"vaiantRelatedPartList":null,"partHotspotList":null,"itemNumber":26,"partRelatedVariantList":null,"bomCode":2,"totalValue":null,"searchImage":null,"length":null,"width":null,"height":null,"unitOfDimension":null,"weight":null,"unitOfWeight":null,"specialRouting":false,"onlineRepair":null,"previousPartID":null,"sbdDiscountPriceValue":{"currencyIso":"USD","value":2.09,"priceType":"BUY","formattedValue":"$2.09","minQuantity":null,"maxQuantity":null,"sapUnit":{"code":"pieces","name":"Piece"}},"alrCode":null,"productRecallFlag":null,"selectedDocumentId":null,"productDescription":null,"pdpImage":null,"ticketId":null,"qtyRequiredPerVariant":"1","isElgibleForRepair":null,"isPowerEligible":null,"productRecallNotes":null,"productOtherInfo":null,"backorderETA":"00/00/0000","modifiedDate":null,"userLevel":"COS","displayPrice":null,"baseProductName":null,"firstVariantCode":null,"firstVariantImage":null,"productMarketType":null,"productNumber":null,"typeStatusCode":null,"productCategory":null,"typeNumber":null,"marketCode":null,"regionCode":null,"otherInformation":null,"productTypeStatus":null,"repairInstruction":null,"repairInstructionStatusDescription":null,"typeStatusDate":null,"serviceLifeDate":null,"manufacturerId":null,"parts":null,"language":null,"glossaries":null,"brand":null,"product":null,"brandCode":null,"recallNotes":null,"volume":null},{"code":"P126847X-CM","name":null,"url":"/c//p/P126847X-CM","description":"BUSHING","purchasable":false,"stock":{"stockLevelStatus":{"code":"outOfStock","type":"StockLevelStatus"},"stockLevel":0,"stockThreshold":null},"futureStocks":null,"availableForPickup":null,"averageRating":null,"numberOfReviews":null,"summary":null,"manufacturer":null,"variantType":null,"price":null,"baseProduct":null,"images":[],"categories":null,"reviews":null,"classifications":null,"potentialPromotions":null,"variantOptions":null,"baseOptions":[],"volumePricesFlag":null,"volumePrices":null,"productReferences":null,"variantMatrix":null,"priceRange":null,"firstCategoryNameList":null,"multidimensional":null,"configurable":false,"configuratorType":null,"addToCartDisabled":null,"addToCartDisabledMessage":null,"tags":null,"sapUnit":null,"keywords":null,"genders":null,"itemtype":"Part","partSubstitute":"P532175158-CM","note":null,"recallNote":null,"note1":null,"note2":null,"note3":null,"note4":null,"note5":null,"pdfAllUser":null,"pdfAuthUser":null,"pdfCOSUser":null,"vaiantRelatedPartList":null,"partHotspotList":null,"itemNumber":26,"partRelatedVariantList":null,"bomCode":4,"totalValue":null,"searchImage":null,"length":null,"width":null,"height":null,"unitOfDimension":null,"weight":null,"unitOfWeight":null,"specialRouting":false,"onlineRepair":null,"previousPartID":null,"sbdDiscountPriceValue":null,"alrCode":null,"productRecallFlag":null,"selectedDocumentId":null,"productDescription":null,"pdpImage":null,"ticketId":null,"qtyRequiredPerVariant":"1","isElgibleForRepair":null,"isPowerEligible":null,"productRecallNotes":null,"productOtherInfo":null,"backorderETA":null,"modifiedDate":null,"userLevel":"COS","displayPrice":null,"baseProductName":null,"firstVariantCode":null,"firstVariantImage":null,"productMarketType":null,"productNumber":null,"typeStatusCode":null,"productCategory":null,"typeNumber":null,"marketCode":null,"regionCode":null,"otherInformation":null,"productTypeStatus":null,"repairInstruction":null,"repairInstructionStatusDescription":null,"typeStatusDate":null,"serviceLifeDate":null,"manufacturerId":null,"parts":null,"language":null,"glossaries":null,"brand":null,"product":null,"brandCode":null,"recallNotes":null,"volume":null},{"code":"P532126847-CM","name":null,"url":"/c//p/P532126847-CM","description":"BUSHING STEERING","purchasable":true,"stock":{"stockLevelStatus":{"code":"outOfStock","type":"StockLevelStatus"},"stockLevel":0,"stockThreshold":null},"futureStocks":null,"availableForPickup":null,"averageRating":null,"numberOfReviews":null,"summary":null,"manufacturer":null,"variantType":null,"price":{"currencyIso":"USD","value":2.12,"priceType":"BUY","formattedValue":"$2.12","minQuantity":null,"maxQuantity":null,"sapUnit":{"code":"pieces","name":"Piece"}},"baseProduct":null,"images":[],"categories":null,"reviews":null,"classifications":null,"potentialPromotions":null,"variantOptions":null,"baseOptions":[],"volumePricesFlag":null,"volumePrices":null,"productReferences":null,"variantMatrix":null,"priceRange":null,"firstCategoryNameList":null,"multidimensional":null,"configurable":false,"configuratorType":null,"addToCartDisabled":null,"addToCartDisabledMessage":null,"tags":null,"sapUnit":null,"keywords":null,"genders":null,"itemtype":"Part","partSubstitute":null,"note":null,"recallNote":null,"note1":null,"note2":null,"note3":null,"note4":null,"note5":null,"pdfAllUser":null,"pdfAuthUser":null,"pdfCOSUser":null,"vaiantRelatedPartList":null,"partHotspotList":null,"itemNumber":26,"partRelatedVariantList":null,"bomCode":2,"totalValue":null,"searchImage":null,"length":null,"width":null,"height":null,"unitOfDimension":null,"weight":null,"unitOfWeight":null,"specialRouting":false,"onlineRepair":null,"previousPartID":null,"sbdDiscountPriceValue":{"currencyIso":"USD","value":2.12,"priceType":"BUY","formattedValue":"$2.12","minQuantity":null,"maxQuantity":null,"sapUnit":{"code":"pieces","name":"Piece"}},"alrCode":null,"productRecallFlag":null,"selectedDocumentId":null,"productDescription":null,"pdpImage":null,"ticketId":null,"qtyRequiredPerVariant":"1","isElgibleForRepair":null,"isPowerEligible":null,"productRecallNotes":null,"productOtherInfo":null,"backorderETA":"00/00/0000","modifiedDate":null,"userLevel":"COS","displayPrice":null,"baseProductName":null,"firstVariantCode":null,"firstVariantImage":null,"productMarketType":null,"productNumber":null,"typeStatusCode":null,"productCategory":null,"typeNumber":null,"marketCode":null,"regionCode":null,"otherInformation":null,"productTypeStatus":null,"repairInstruction":null,"repairInstructionStatusDescription":null,"typeStatusDate":null,"serviceLifeDate":null,"manufacturerId":null,"parts":null,"language":null,"glossaries":null,"brand":null,"product":null,"brandCode":null,"recallNotes":null,"volume":null},{"code":"PSTD391015-CM","name":null,"url":"/c//p/PSTD391015-CM","description":"FUSE 15AMP","purchasable":false,"stock":{"stockLevelStatus":{"code":"outOfStock","type":"StockLevelStatus"},"stockLevel":0,"stockThreshold":null},"futureStocks":null,"availableForPickup":null,"averageRating":null,"numberOfReviews":null,"summary":null,"manufacturer":null,"variantType":null,"price":null,"baseProduct":null,"images":[],"categories":null,"reviews":null,"classifications":null,"potentialPromotions":null,"variantOptions":null,"baseOptions":[],"volumePricesFlag":null,"volumePrices":null,"productReferences":null,"variantMatrix":null,"priceRange":null,"firstCategoryNameList":null,"multidimensional":null,"configurable":false,"configuratorType":null,"addToCartDisabled":null,"addToCartDisabledMessage":null,"tags":null,"sapUnit":null,"keywords":null,"genders":null,"itemtype":"Part","partSubstitute":null,"note":null,"recallNote":null,"note1":null,"note2":null,"note3":null,"note4":null,"note5":null,"pdfAllUser":null,"pdfAuthUser":null,"pdfCOSUser":null,"vaiantRelatedPartList":null,"partHotspotList":null,"itemNumber":26,"partRelatedVariantList":null,"bomCode":4,"totalValue":null,"searchImage":null,"length":null,"width":null,"height":null,"unitOfDimension":null,"weight":null,"unitOfWeight":null,"specialRouting":false,"onlineRepair":null,"previousPartID":null,"sbdDiscountPriceValue":null,"alrCode":null,"productRecallFlag":null,"selectedDocumentId":null,"productDescription":null,"pdpImage":null,"ticketId":null,"qtyRequiredPerVariant":"1","isElgibleForRepair":null,"isPowerEligible":null,"productRecallNotes":null,"productOtherInfo":null,"backorderETA":null,"modifiedDate":null,"userLevel":"COS","displayPrice":null,"baseProductName":null,"firstVariantCode":null,"firstVariantImage":null,"productMarketType":null,"productNumber":null,"typeStatusCode":null,"productCategory":null,"typeNumber":null,"marketCode":null,"regionCode":null,"otherInformation":null,"productTypeStatus":null,"repairInstruction":null,"repairInstructionStatusDescription":null,"typeStatusDate":null,"serviceLifeDate":null,"manufacturerId":null,"parts":null,"language":null,"glossaries":null,"brand":null,"product":null,"brandCode":null,"recallNotes":null,"volume":null},{"code":"PSTD541437-CM","name":null,"url":"/c//p/PSTD541437-CM","description":"NUT LOCK W/INS. 3/8-16 UNC","purchasable":false,"stock":{"stockLevelStatus":{"code":"outOfStock","type":"StockLevelStatus"},"stockLevel":0,"stockThreshold":null},"futureStocks":null,"availableForPickup":null,"averageRating":null,"numberOfReviews":null,"summary":null,"manufacturer":null,"variantType":null,"price":null,"baseProduct":null,"images":[],"categories":null,"reviews":null,"classifications":null,"potentialPromotions":null,"variantOptions":null,"baseOptions":[],"volumePricesFlag":null,"volumePrices":null,"productReferences":null,"variantMatrix":null,"priceRange":null,"firstCategoryNameList":null,"multidimensional":null,"configurable":false,"configuratorType":null,"addToCartDisabled":null,"addToCartDisabledMessage":null,"tags":null,"sapUnit":null,"keywords":null,"genders":null,"itemtype":"Part","partSubstitute":"P873930600-CM","note":null,"recallNote":null,"note1":null,"note2":null,"note3":null,"note4":null,"note5":null,"pdfAllUser":null,"pdfAuthUser":null,"pdfCOSUser":null,"vaiantRelatedPartList":null,"partHotspotList":null,"itemNumber":26,"partRelatedVariantList":null,"bomCode":4,"totalValue":null,"searchImage":null,"length":null,"width":null,"height":null,"unitOfDimension":null,"weight":null,"unitOfWeight":null,"specialRouting":false,"onlineRepair":null,"previousPartID":null,"sbdDiscountPriceValue":null,"alrCode":null,"productRecallFlag":null,"selectedDocumentId":null,"productDescription":null,"pdpImage":null,"ticketId":null,"qtyRequiredPerVariant":"1","isElgibleForRepair":null,"isPowerEligible":null,"productRecallNotes":null,"productOtherInfo":null,"backorderETA":null,"modifiedDate":null,"userLevel":"COS","displayPrice":null,"baseProductName":null,"firstVariantCode":null,"firstVariantImage":null,"productMarketType":null,"productNumber":null,"typeStatusCode":null,"productCategory":null,"typeNumber":null,"marketCode":null,"regionCode":null,"otherInformation":null,"productTypeStatus":null,"repairInstruction":null,"repairInstructionStatusDescription":null,"typeStatusDate":null,"serviceLifeDate":null,"manufacturerId":null,"parts":null,"language":null,"glossaries":null,"brand":null,"product":null,"brandCode":null,"recallNotes":null,"volume":null},{"code":"PSTD541437-CM","name":null,"url":"/c//p/PSTD541437-CM","description":"NUT LOCK W/INS. 3/8-16 UNC","purchasable":false,"stock":{"stockLevelStatus":{"code":"outOfStock","type":"StockLevelStatus"},"stockLevel":0,"stockThreshold":null},"futureStocks":null,"availableForPickup":null,"averageRating":null,"numberOfReviews":null,"summary":null,"manufacturer":null,"variantType":null,"price":null,"baseProduct":null,"images":[],"categories":null,"reviews":null,"classifications":null,"potentialPromotions":null,"variantOptions":null,"baseOptions":[],"volumePricesFlag":null,"volumePrices":null,"productReferences":null,"variantMatrix":null,"priceRange":null,"firstCategoryNameList":null,"multidimensional":null,"configurable":false,"configuratorType":null,"addToCartDisabled":null,"addToCartDisabledMessage":null,"tags":null,"sapUnit":null,"keywords":null,"genders":null,"itemtype":"Part","partSubstitute":"P873930600-CM","note":null,"recallNote":null,"note1":null,"note2":null,"note3":null,"note4":null,"note5":null,"pdfAllUser":null,"pdfAuthUser":null,"pdfCOSUser":null,"vaiantRelatedPartList":null,"partHotspotList":null,"itemNumber":26,"partRelatedVariantList":null,"bomCode":4,"totalValue":null,"searchImage":null,"length":null,"width":null,"height":null,"unitOfDimension":null,"weight":null,"unitOfWeight":null,"specialRouting":false,"onlineRepair":null,"previousPartID":null,"sbdDiscountPriceValue":null,"alrCode":null,"productRecallFlag":null,"selectedDocumentId":null,"productDescription":null,"pdpImage":null,"ticketId":null,"qtyRequiredPerVariant":"1","isElgibleForRepair":null,"isPowerEligible":null,"productRecallNotes":null,"productOtherInfo":null,"backorderETA":null,"modifiedDate":null,"userLevel":"COS","displayPrice":null,"baseProductName":null,"firstVariantCode":null,"firstVariantImage":null,"productMarketType":null,"productNumber":null,"typeStatusCode":null,"productCategory":null,"typeNumber":null,"marketCode":null,"regionCode":null,"otherInformation":null,"productTypeStatus":null,"repairInstruction":null,"repairInstructionStatusDescription":null,"typeStatusDate":null,"serviceLifeDate":null,"manufacturerId":null,"parts":null,"language":null,"glossaries":null,"brand":null,"product":null,"brandCode":null,"recallNotes":null,"volume":null},{"code":"PSTD541437-CM","name":null,"url":"/c//p/PSTD541437-CM","description":"NUT LOCK W/INS. 3/8-16 UNC","purchasable":false,"stock":{"stockLevelStatus":{"code":"outOfStock","type":"StockLevelStatus"},"stockLevel":0,"stockThreshold":null},"futureStocks":null,"availableForPickup":null,"averageRating":null,"numberOfReviews":null,"summary":null,"manufacturer":null,"variantType":null,"price":null,"baseProduct":null,"images":[],"categories":null,"reviews":null,"classifications":null,"potentialPromotions":null,"variantOptions":null,"baseOptions":[],"volumePricesFlag":null,"volumePrices":null,"productReferences":null,"variantMatrix":null,"priceRange":null,"firstCategoryNameList":null,"multidimensional":null,"configurable":false,"configuratorType":null,"addToCartDisabled":null,"addToCartDisabledMessage":null,"tags":null,"sapUnit":null,"keywords":null,"genders":null,"itemtype":"Part","partSubstitute":"P873930600-CM","note":null,"recallNote":null,"note1":null,"note2":null,"note3":null,"note4":null,"note5":null,"pdfAllUser":null,"pdfAuthUser":null,"pdfCOSUser":null,"vaiantRelatedPartList":null,"partHotspotList":null,"itemNumber":26,"partRelatedVariantList":null,"bomCode":4,"totalValue":null,"searchImage":null,"length":null,"width":null,"height":null,"unitOfDimension":null,"weight":null,"unitOfWeight":null,"specialRouting":false,"onlineRepair":null,"previousPartID":null,"sbdDiscountPriceValue":null,"alrCode":null,"productRecallFlag":null,"selectedDocumentId":null,"productDescription":null,"pdpImage":null,"ticketId":null,"qtyRequiredPerVariant":"1","isElgibleForRepair":null,"isPowerEligible":null,"productRecallNotes":null,"productOtherInfo":null,"backorderETA":null,"modifiedDate":null,"userLevel":"COS","displayPrice":null,"baseProductName":null,"firstVariantCode":null,"firstVariantImage":null,"productMarketType":null,"productNumber":null,"typeStatusCode":null,"productCategory":null,"typeNumber":null,"marketCode":null,"regionCode":null,"otherInformation":null,"productTypeStatus":null,"repairInstruction":null,"repairInstructionStatusDescription":null,"typeStatusDate":null,"serviceLifeDate":null,"manufacturerId":null,"parts":null,"language":null,"glossaries":null,"brand":null,"product":null,"brandCode":null,"recallNotes":null,"volume":null},{"code":"PSTD560907-CM","name":null,"url":"/c//p/PSTD560907-CM","description":"PIN 8PK","purchasable":false,"stock":{"stockLevelStatus":{"code":"outOfStock","type":"StockLevelStatus"},"stockLevel":0,"stockThreshold":null},"futureStocks":null,"availableForPickup":null,"averageRating":null,"numberOfReviews":null,"summary":null,"manufacturer":null,"variantType":null,"price":null,"baseProduct":null,"images":[],"categories":null,"reviews":null,"classifications":null,"potentialPromotions":null,"variantOptions":null,"baseOptions":[],"volumePricesFlag":null,"volumePrices":null,"productReferences":null,"variantMatrix":null,"priceRange":null,"firstCategoryNameList":null,"multidimensional":null,"configurable":false,"configuratorType":null,"addToCartDisabled":null,"addToCartDisabledMessage":null,"tags":null,"sapUnit":null,"keywords":null,"genders":null,"itemtype":"Part","partSubstitute":null,"note":null,"recallNote":null,"note1":null,"note2":null,"note3":null,"note4":null,"note5":null,"pdfAllUser":null,"pdfAuthUser":null,"pdfCOSUser":null,"vaiantRelatedPartList":null,"partHotspotList":null,"itemNumber":26,"partRelatedVariantList":null,"bomCode":4,"totalValue":null,"searchImage":null,"length":null,"width":null,"height":null,"unitOfDimension":null,"weight":null,"unitOfWeight":null,"specialRouting":false,"onlineRepair":null,"previousPartID":null,"sbdDiscountPriceValue":null,"alrCode":null,"productRecallFlag":null,"selectedDocumentId":null,"productDescription":null,"pdpImage":null,"ticketId":null,"qtyRequiredPerVariant":"1","isElgibleForRepair":null,"isPowerEligible":null,"productRecallNotes":null,"productOtherInfo":null,"backorderETA":null,"modifiedDate":null,"userLevel":"COS","displayPrice":null,"baseProductName":null,"firstVariantCode":null,"firstVariantImage":null,"productMarketType":null,"productNumber":null,"typeStatusCode":null,"productCategory":null,"typeNumber":null,"marketCode":null,"regionCode":null,"otherInformation":null,"productTypeStatus":null,"repairInstruction":null,"repairInstructionStatusDescription":null,"typeStatusDate":null,"serviceLifeDate":null,"manufacturerId":null,"parts":null,"language":null,"glossaries":null,"brand":null,"product":null,"brandCode":null,"recallNotes":null,"volume":null},{"code":"P152927-CM","name":null,"url":"/c//p/P152927-CM","description":"SCREW TT #10-32.5 3/8 FLANGE","purchasable":true,"stock":{"stockLevelStatus":{"code":"inStock","type":"StockLevelStatus"},"stockLevel":0,"stockThreshold":null},"futureStocks":null,"availableForPickup":null,"averageRating":null,"numberOfReviews":null,"summary":null,"manufacturer":null,"variantType":null,"price":{"currencyIso":"USD","value":3.1,"priceType":"BUY","formattedValue":"$3.10","minQuantity":null,"maxQuantity":null,"sapUnit":{"code":"pieces","name":"Piece"}},"baseProduct":null,"images":[],"categories":null,"reviews":null,"classifications":null,"potentialPromotions":null,"variantOptions":null,"baseOptions":[],"volumePricesFlag":null,"volumePrices":null,"productReferences":null,"variantMatrix":null,"priceRange":null,"firstCategoryNameList":null,"multidimensional":null,"configurable":false,"configuratorType":null,"addToCartDisabled":null,"addToCartDisabledMessage":null,"tags":null,"sapUnit":null,"keywords":null,"genders":null,"itemtype":"Part","partSubstitute":null,"note":null,"recallNote":null,"note1":null,"note2":null,"note3":null,"note4":null,"note5":null,"pdfAllUser":null,"pdfAuthUser":null,"pdfCOSUser":null,"vaiantRelatedPartList":null,"partHotspotList":null,"itemNumber":27,"partRelatedVariantList":null,"bomCode":2,"totalValue":null,"searchImage":null,"length":null,"width":null,"height":null,"unitOfDimension":null,"weight":null,"unitOfWeight":null,"specialRouting":false,"onlineRepair":null,"previousPartID":null,"sbdDiscountPriceValue":{"currencyIso":"USD","value":3.1,"priceType":"BUY","formattedValue":"$3.10","minQuantity":null,"maxQuantity":null,"sapUnit":{"code":"pieces","name":"Piece"}},"alrCode":null,"productRecallFlag":null,"selectedDocumentId":null,"productDescription":null,"pdpImage":null,"ticketId":null,"qtyRequiredPerVariant":"1","isElgibleForRepair":null,"isPowerEligible":null,"productRecallNotes":null,"productOtherInfo":null,"backorderETA":"00/00/0000","modifiedDate":null,"userLevel":"COS","displayPrice":null,"baseProductName":null,"firstVariantCode":null,"firstVariantImage":null,"productMarketType":null,"productNumber":null,"typeStatusCode":null,"productCategory":null,"typeNumber":null,"marketCode":null,"regionCode":null,"otherInformation":null,"productTypeStatus":null,"repairInstruction":null,"repairInstructionStatusDescription":null,"typeStatusDate":null,"serviceLifeDate":null,"manufacturerId":null,"parts":null,"language":null,"glossaries":null,"brand":null,"product":null,"brandCode":null,"recallNotes":null,"volume":null},{"code":"P152927-CM","name":null,"url":"/c//p/P152927-CM","description":"SCREW TT #10-32.5 3/8 FLANGE","purchasable":true,"stock":{"stockLevelStatus":{"code":"inStock","type":"StockLevelStatus"},"stockLevel":0,"stockThreshold":null},"futureStocks":null,"availableForPickup":null,"averageRating":null,"numberOfReviews":null,"summary":null,"manufacturer":null,"variantType":null,"price":{"currencyIso":"USD","value":3.1,"priceType":"BUY","formattedValue":"$3.10","minQuantity":null,"maxQuantity":null,"sapUnit":{"code":"pieces","name":"Piece"}},"baseProduct":null,"images":[],"categories":null,"reviews":null,"classifications":null,"potentialPromotions":null,"variantOptions":null,"baseOptions":[],"volumePricesFlag":null,"volumePrices":null,"productReferences":null,"variantMatrix":null,"priceRange":null,"firstCategoryNameList":null,"multidimensional":null,"configurable":false,"configuratorType":null,"addToCartDisabled":null,"addToCartDisabledMessage":null,"tags":null,"sapUnit":null,"keywords":null,"genders":null,"itemtype":"Part","partSubstitute":null,"note":null,"recallNote":null,"note1":null,"note2":null,"note3":null,"note4":null,"note5":null,"pdfAllUser":null,"pdfAuthUser":null,"pdfCOSUser":null,"vaiantRelatedPartList":null,"partHotspotList":null,"itemNumber":27,"partRelatedVariantList":null,"bomCode":2,"totalValue":null,"searchImage":null,"length":null,"width":null,"height":null,"unitOfDimension":null,"weight":null,"unitOfWeight":null,"specialRouting":false,"onlineRepair":null,"previousPartID":null,"sbdDiscountPriceValue":{"currencyIso":"USD","value":3.1,"priceType":"BUY","formattedValue":"$3.10","minQuantity":null,"maxQuantity":null,"sapUnit":{"code":"pieces","name":"Piece"}},"alrCode":null,"productRecallFlag":null,"selectedDocumentId":null,"productDescription":null,"pdpImage":null,"ticketId":null,"qtyRequiredPerVariant":"1","isElgibleForRepair":null,"isPowerEligible":null,"productRecallNotes":null,"productOtherInfo":null,"backorderETA":"00/00/0000","modifiedDate":null,"userLevel":"COS","displayPrice":null,"baseProductName":null,"firstVariantCode":null,"firstVariantImage":null,"productMarketType":null,"productNumber":null,"typeStatusCode":null,"productCategory":null,"typeNumber":null,"marketCode":null,"regionCode":null,"otherInformation":null,"productTypeStatus":null,"repairInstruction":null,"repairInstructionStatusDescription":null,"typeStatusDate":null,"serviceLifeDate":null,"manufacturerId":null,"parts":null,"language":null,"glossaries":null,"brand":null,"product":null,"brandCode":null,"recallNotes":null,"volume":null},{"code":"P532126971-CM","name":null,"url":"/c//p/P532126971-CM","description":"ROD ADJ","purchasable":true,"stock":{"stockLevelStatus":{"code":"outOfStock","type":"StockLevelStatus"},"stockLevel":0,"stockThreshold":null},"futureStocks":null,"availableForPickup":null,"averageRating":null,"numberOfReviews":null,"summary":null,"manufacturer":null,"variantType":null,"price":{"currencyIso":"USD","value":4.43,"priceType":"BUY","formattedValue":"$4.43","minQuantity":null,"maxQuantity":null,"sapUnit":{"code":"pieces","name":"Piece"}},"baseProduct":null,"images":[],"categories":null,"reviews":null,"classifications":null,"potentialPromotions":null,"variantOptions":null,"baseOptions":[],"volumePricesFlag":null,"volumePrices":null,"productReferences":null,"variantMatrix":null,"priceRange":null,"firstCategoryNameList":null,"multidimensional":null,"configurable":false,"configuratorType":null,"addToCartDisabled":null,"addToCartDisabledMessage":null,"tags":null,"sapUnit":null,"keywords":null,"genders":null,"itemtype":"Part","partSubstitute":null,"note":null,"recallNote":null,"note1":null,"note2":null,"note3":null,"note4":null,"note5":null,"pdfAllUser":null,"pdfAuthUser":null,"pdfCOSUser":null,"vaiantRelatedPartList":null,"partHotspotList":null,"itemNumber":27,"partRelatedVariantList":null,"bomCode":2,"totalValue":null,"searchImage":null,"length":null,"width":null,"height":null,"unitOfDimension":null,"weight":null,"unitOfWeight":null,"specialRouting":false,"onlineRepair":null,"previousPartID":null,"sbdDiscountPriceValue":{"currencyIso":"USD","value":4.43,"priceType":"BUY","formattedValue":"$4.43","minQuantity":null,"maxQuantity":null,"sapUnit":{"code":"pieces","name":"Piece"}},"alrCode":null,"productRecallFlag":null,"selectedDocumentId":null,"productDescription":null,"pdpImage":null,"ticketId":null,"qtyRequiredPerVariant":"1","isElgibleForRepair":null,"isPowerEligible":null,"productRecallNotes":null,"productOtherInfo":null,"backorderETA":"00/00/0000","modifiedDate":null,"userLevel":"COS","displayPrice":null,"baseProductName":null,"firstVariantCode":null,"firstVariantImage":null,"productMarketType":null,"productNumber":null,"typeStatusCode":null,"productCategory":null,"typeNumber":null,"marketCode":null,"regionCode":null,"otherInformation":null,"productTypeStatus":null,"repairInstruction":null,"repairInstructionStatusDescription":null,"typeStatusDate":null,"serviceLifeDate":null,"manufacturerId":null,"parts":null,"language":null,"glossaries":null,"brand":null,"product":null,"brandCode":null,"recallNotes":null,"volume":null},{"code":"P532130968-CM","name":null,"url":"/c//p/P532130968-CM","description":"SHIELD.DEFLE","purchasable":true,"stock":{"stockLevelStatus":{"code":"outOfStock","type":"StockLevelStatus"},"stockLevel":0,"stockThreshold":null},"futureStocks":null,"availableForPickup":null,"averageRating":null,"numberOfReviews":null,"summary":null,"manufacturer":null,"variantType":null,"price":{"currencyIso":"USD","value":20.99,"priceType":"BUY","formattedValue":"$20.99","minQuantity":null,"maxQuantity":null,"sapUnit":{"code":"pieces","name":"Piece"}},"baseProduct":null,"images":[],"categories":null,"reviews":null,"classifications":null,"potentialPromotions":null,"variantOptions":null,"baseOptions":[],"volumePricesFlag":null,"volumePrices":null,"productReferences":null,"variantMatrix":null,"priceRange":null,"firstCategoryNameList":null,"multidimensional":null,"configurable":false,"configuratorType":null,"addToCartDisabled":null,"addToCartDisabledMessage":null,"tags":null,"sapUnit":null,"keywords":null,"genders":null,"itemtype":"Part","partSubstitute":null,"note":null,"recallNote":null,"note1":null,"note2":null,"note3":null,"note4":null,"note5":null,"pdfAllUser":null,"pdfAuthUser":null,"pdfCOSUser":null,"vaiantRelatedPartList":null,"partHotspotList":null,"itemNumber":27,"partRelatedVariantList":null,"bomCode":2,"totalValue":null,"searchImage":null,"length":null,"width":null,"height":null,"unitOfDimension":null,"weight":null,"unitOfWeight":null,"specialRouting":false,"onlineRepair":null,"previousPartID":null,"sbdDiscountPriceValue":{"currencyIso":"USD","value":20.99,"priceType":"BUY","formattedValue":"$20.99","minQuantity":null,"maxQuantity":null,"sapUnit":{"code":"pieces","name":"Piece"}},"alrCode":null,"productRecallFlag":null,"selectedDocumentId":null,"productDescription":null,"pdpImage":null,"ticketId":null,"qtyRequiredPerVariant":"1","isElgibleForRepair":null,"isPowerEligible":null,"productRecallNotes":null,"productOtherInfo":null,"backorderETA":"00/00/0000","modifiedDate":null,"userLevel":"COS","displayPrice":null,"baseProductName":null,"firstVariantCode":null,"firstVariantImage":null,"productMarketType":null,"productNumber":null,"typeStatusCode":null,"productCategory":null,"typeNumber":null,"marketCode":null,"regionCode":null,"otherInformation":null,"productTypeStatus":null,"repairInstruction":null,"repairInstructionStatusDescription":null,"typeStatusDate":null,"serviceLifeDate":null,"manufacturerId":null,"parts":null,"language":null,"glossaries":null,"brand":null,"product":null,"brandCode":null,"recallNotes":null,"volume":null},{"code":"P532136874-CM","name":null,"url":"/c//p/P532136874-CM","description":"SECTOR GEAR","purchasable":true,"stock":{"stockLevelStatus":{"code":"outOfStock","type":"StockLevelStatus"},"stockLevel":0,"stockThreshold":null},"futureStocks":null,"availableForPickup":null,"averageRating":null,"numberOfReviews":null,"summary":null,"manufacturer":null,"variantType":null,"price":{"currencyIso":"USD","value":42.62,"priceType":"BUY","formattedValue":"$42.62","minQuantity":null,"maxQuantity":null,"sapUnit":{"code":"pieces","name":"Piece"}},"baseProduct":null,"images":[],"categories":null,"reviews":null,"classifications":null,"potentialPromotions":null,"variantOptions":null,"baseOptions":[],"volumePricesFlag":null,"volumePrices":null,"productReferences":null,"variantMatrix":null,"priceRange":null,"firstCategoryNameList":null,"multidimensional":null,"configurable":false,"configuratorType":null,"addToCartDisabled":null,"addToCartDisabledMessage":null,"tags":null,"sapUnit":null,"keywords":null,"genders":null,"itemtype":"Part","partSubstitute":null,"note":null,"recallNote":null,"note1":null,"note2":null,"note3":null,"note4":null,"note5":null,"pdfAllUser":null,"pdfAuthUser":null,"pdfCOSUser":null,"vaiantRelatedPartList":null,"partHotspotList":null,"itemNumber":27,"partRelatedVariantList":null,"bomCode":2,"totalValue":null,"searchImage":null,"length":null,"width":null,"height":null,"unitOfDimension":null,"weight":null,"unitOfWeight":null,"specialRouting":false,"onlineRepair":null,"previousPartID":null,"sbdDiscountPriceValue":{"currencyIso":"USD","value":42.62,"priceType":"BUY","formattedValue":"$42.62","minQuantity":null,"maxQuantity":null,"sapUnit":{"code":"pieces","name":"Piece"}},"alrCode":null,"productRecallFlag":null,"selectedDocumentId":null,"productDescription":null,"pdpImage":null,"ticketId":null,"qtyRequiredPerVariant":"1","isElgibleForRepair":null,"isPowerEligible":null,"productRecallNotes":null,"productOtherInfo":null,"backorderETA":"00/00/0000","modifiedDate":null,"userLevel":"COS","displayPrice":null,"baseProductName":null,"firstVariantCode":null,"firstVariantImage":null,"productMarketType":null,"productNumber":null,"typeStatusCode":null,"productCategory":null,"typeNumber":null,"marketCode":null,"regionCode":null,"otherInformation":null,"productTypeStatus":null,"repairInstruction":null,"repairInstructionStatusDescription":null,"typeStatusDate":null,"serviceLifeDate":null,"manufacturerId":null,"parts":null,"language":null,"glossaries":null,"brand":null,"product":null,"brandCode":null,"recallNotes":null,"volume":null},{"code":"P145204-CM","name":null,"url":"/c//p/P145204-CM","description":"ROD","purchasable":false,"stock":{"stockLevelStatus":{"code":"outOfStock","type":"StockLevelStatus"},"stockLevel":0,"stockThreshold":null},"futureStocks":null,"availableForPickup":null,"averageRating":null,"numberOfReviews":null,"summary":null,"manufacturer":null,"variantType":null,"price":null,"baseProduct":null,"images":[],"categories":null,"reviews":null,"classifications":null,"potentialPromotions":null,"variantOptions":null,"baseOptions":[],"volumePricesFlag":null,"volumePrices":null,"productReferences":null,"variantMatrix":null,"priceRange":null,"firstCategoryNameList":null,"multidimensional":null,"configurable":false,"configuratorType":null,"addToCartDisabled":null,"addToCartDisabledMessage":null,"tags":null,"sapUnit":null,"keywords":null,"genders":null,"itemtype":"Part","partSubstitute":null,"note":null,"recallNote":null,"note1":null,"note2":null,"note3":null,"note4":null,"note5":null,"pdfAllUser":null,"pdfAuthUser":null,"pdfCOSUser":null,"vaiantRelatedPartList":null,"partHotspotList":null,"itemNumber":28,"partRelatedVariantList":null,"bomCode":2,"totalValue":null,"searchImage":null,"length":null,"width":null,"height":null,"unitOfDimension":null,"weight":null,"unitOfWeight":null,"specialRouting":false,"onlineRepair":null,"previousPartID":null,"sbdDiscountPriceValue":null,"alrCode":null,"productRecallFlag":null,"selectedDocumentId":null,"productDescription":null,"pdpImage":null,"ticketId":null,"qtyRequiredPerVariant":"1","isElgibleForRepair":null,"isPowerEligible":null,"productRecallNotes":null,"productOtherInfo":null,"backorderETA":null,"modifiedDate":null,"userLevel":"COS","displayPrice":null,"baseProductName":null,"firstVariantCode":null,"firstVariantImage":null,"productMarketType":null,"productNumber":null,"typeStatusCode":null,"productCategory":null,"typeNumber":null,"marketCode":null,"regionCode":null,"otherInformation":null,"productTypeStatus":null,"repairInstruction":null,"repairInstructionStatusDescription":null,"typeStatusDate":null,"serviceLifeDate":null,"manufacturerId":null,"parts":null,"language":null,"glossaries":null,"brand":null,"product":null,"brandCode":null,"recallNotes":null,"volume":null},{"code":"P145491-CM","name":null,"url":"/c//p/P145491-CM","description":"CABLE","purchasable":false,"stock":{"stockLevelStatus":{"code":"outOfStock","type":"StockLevelStatus"},"stockLevel":0,"stockThreshold":null},"futureStocks":null,"availableForPickup":null,"averageRating":null,"numberOfReviews":null,"summary":null,"manufacturer":null,"variantType":null,"price":null,"baseProduct":null,"images":[],"categories":null,"reviews":null,"classifications":null,"potentialPromotions":null,"variantOptions":null,"baseOptions":[],"volumePricesFlag":null,"volumePrices":null,"productReferences":null,"variantMatrix":null,"priceRange":null,"firstCategoryNameList":null,"multidimensional":null,"configurable":false,"configuratorType":null,"addToCartDisabled":null,"addToCartDisabledMessage":null,"tags":null,"sapUnit":null,"keywords":null,"genders":null,"itemtype":"Part","partSubstitute":"P532145491-CM","note":null,"recallNote":null,"note1":null,"note2":null,"note3":null,"note4":null,"note5":null,"pdfAllUser":null,"pdfAuthUser":null,"pdfCOSUser":null,"vaiantRelatedPartList":null,"partHotspotList":null,"itemNumber":28,"partRelatedVariantList":null,"bomCode":4,"totalValue":null,"searchImage":null,"length":null,"width":null,"height":null,"unitOfDimension":null,"weight":null,"unitOfWeight":null,"specialRouting":false,"onlineRepair":null,"previousPartID":null,"sbdDiscountPriceValue":null,"alrCode":null,"productRecallFlag":null,"selectedDocumentId":null,"productDescription":null,"pdpImage":null,"ticketId":null,"qtyRequiredPerVariant":"1","isElgibleForRepair":null,"isPowerEligible":null,"productRecallNotes":null,"productOtherInfo":null,"backorderETA":null,"modifiedDate":null,"userLevel":"COS","displayPrice":null,"baseProductName":null,"firstVariantCode":null,"firstVariantImage":null,"productMarketType":null,"productNumber":null,"typeStatusCode":null,"productCategory":null,"typeNumber":null,"marketCode":null,"regionCode":null,"otherInformation":null,"productTypeStatus":null,"repairInstruction":null,"repairInstructionStatusDescription":null,"typeStatusDate":null,"serviceLifeDate":null,"manufacturerId":null,"parts":null,"language":null,"glossaries":null,"brand":null,"product":null,"brandCode":null,"recallNotes":null,"volume":null},{"code":"P532145491-CM","name":null,"url":"/c//p/P532145491-CM","description":"CBLE GROUND 6 GA","purchasable":true,"stock":{"stockLevelStatus":{"code":"outOfStock","type":"StockLevelStatus"},"stockLevel":0,"stockThreshold":null},"futureStocks":null,"availableForPickup":null,"averageRating":null,"numberOfReviews":null,"summary":null,"manufacturer":null,"variantType":null,"price":{"currencyIso":"USD","value":5.85,"priceType":"BUY","formattedValue":"$5.85","minQuantity":null,"maxQuantity":null,"sapUnit":{"code":"pieces","name":"Piece"}},"baseProduct":null,"images":[],"categories":null,"reviews":null,"classifications":null,"potentialPromotions":null,"variantOptions":null,"baseOptions":[],"volumePricesFlag":null,"volumePrices":null,"productReferences":null,"variantMatrix":null,"priceRange":null,"firstCategoryNameList":null,"multidimensional":null,"configurable":false,"configuratorType":null,"addToCartDisabled":null,"addToCartDisabledMessage":null,"tags":null,"sapUnit":null,"keywords":null,"genders":null,"itemtype":"Part","partSubstitute":null,"note":null,"recallNote":null,"note1":null,"note2":null,"note3":null,"note4":null,"note5":null,"pdfAllUser":null,"pdfAuthUser":null,"pdfCOSUser":null,"vaiantRelatedPartList":null,"partHotspotList":null,"itemNumber":28,"partRelatedVariantList":null,"bomCode":2,"totalValue":null,"searchImage":null,"length":null,"width":null,"height":null,"unitOfDimension":null,"weight":null,"unitOfWeight":null,"specialRouting":false,"onlineRepair":null,"previousPartID":null,"sbdDiscountPriceValue":{"currencyIso":"USD","value":5.85,"priceType":"BUY","formattedValue":"$5.85","minQuantity":null,"maxQuantity":null,"sapUnit":{"code":"pieces","name":"Piece"}},"alrCode":null,"productRecallFlag":null,"selectedDocumentId":null,"productDescription":null,"pdpImage":null,"ticketId":null,"qtyRequiredPerVariant":"1","isElgibleForRepair":null,"isPowerEligible":null,"productRecallNotes":null,"productOtherInfo":null,"backorderETA":"00/00/0000","modifiedDate":null,"userLevel":"COS","displayPrice":null,"baseProductName":null,"firstVariantCode":null,"firstVariantImage":null,"productMarketType":null,"productNumber":null,"typeStatusCode":null,"productCategory":null,"typeNumber":null,"marketCode":null,"regionCode":null,"otherInformation":null,"productTypeStatus":null,"repairInstruction":null,"repairInstructionStatusDescription":null,"typeStatusDate":null,"serviceLifeDate":null,"manufacturerId":null,"parts":null,"language":null,"glossaries":null,"brand":null,"product":null,"brandCode":null,"recallNotes":null,"volume":null},{"code":"P583699301-CM","name":null,"url":"/c//p/P583699301-CM","description":"GRILLE.LENS","purchasable":true,"stock":{"stockLevelStatus":{"code":"outOfStock","type":"StockLevelStatus"},"stockLevel":0,"stockThreshold":null},"futureStocks":null,"availableForPickup":null,"averageRating":null,"numberOfReviews":null,"summary":null,"manufacturer":null,"variantType":null,"price":{"currencyIso":"USD","value":217.19,"priceType":"BUY","formattedValue":"$217.19","minQuantity":null,"maxQuantity":null,"sapUnit":{"code":"pieces","name":"Piece"}},"baseProduct":null,"images":[],"categories":null,"reviews":null,"classifications":null,"potentialPromotions":null,"variantOptions":null,"baseOptions":[],"volumePricesFlag":null,"volumePrices":null,"productReferences":null,"variantMatrix":null,"priceRange":null,"firstCategoryNameList":null,"multidimensional":null,"configurable":false,"configuratorType":null,"addToCartDisabled":null,"addToCartDisabledMessage":null,"tags":null,"sapUnit":null,"keywords":null,"genders":null,"itemtype":"Part","partSubstitute":null,"note":null,"recallNote":null,"note1":null,"note2":null,"note3":null,"note4":null,"note5":null,"pdfAllUser":null,"pdfAuthUser":null,"pdfCOSUser":null,"vaiantRelatedPartList":null,"partHotspotList":null,"itemNumber":28,"partRelatedVariantList":null,"bomCode":2,"totalValue":null,"searchImage":null,"length":null,"width":null,"height":null,"unitOfDimension":null,"weight":null,"unitOfWeight":null,"specialRouting":false,"onlineRepair":null,"previousPartID":null,"sbdDiscountPriceValue":{"currencyIso":"USD","value":217.19,"priceType":"BUY","formattedValue":"$217.19","minQuantity":null,"maxQuantity":null,"sapUnit":{"code":"pieces","name":"Piece"}},"alrCode":null,"productRecallFlag":null,"selectedDocumentId":null,"productDescription":null,"pdpImage":null,"ticketId":null,"qtyRequiredPerVariant":"1","isElgibleForRepair":null,"isPowerEligible":null,"productRecallNotes":null,"productOtherInfo":null,"backorderETA":"00/00/0000","modifiedDate":null,"userLevel":"COS","displayPrice":null,"baseProductName":null,"firstVariantCode":null,"firstVariantImage":null,"productMarketType":null,"productNumber":null,"typeStatusCode":null,"productCategory":null,"typeNumber":null,"marketCode":null,"regionCode":null,"otherInformation":null,"productTypeStatus":null,"repairInstruction":null,"repairInstructionStatusDescription":null,"typeStatusDate":null,"serviceLifeDate":null,"manufacturerId":null,"parts":null,"language":null,"glossaries":null,"brand":null,"product":null,"brandCode":null,"recallNotes":null,"volume":null},{"code":"P819121414-CM","name":null,"url":"/c//p/P819121414-CM","description":"WASHER","purchasable":true,"stock":{"stockLevelStatus":{"code":"inStock","type":"StockLevelStatus"},"stockLevel":0,"stockThreshold":null},"futureStocks":null,"availableForPickup":null,"averageRating":null,"numberOfReviews":null,"summary":null,"manufacturer":null,"variantType":null,"price":{"currencyIso":"USD","value":1.05,"priceType":"BUY","formattedValue":"$1.05","minQuantity":null,"maxQuantity":null,"sapUnit":{"code":"pieces","name":"Piece"}},"baseProduct":null,"images":[],"categories":null,"reviews":null,"classifications":null,"potentialPromotions":null,"variantOptions":null,"baseOptions":[],"volumePricesFlag":null,"volumePrices":null,"productReferences":null,"variantMatrix":null,"priceRange":null,"firstCategoryNameList":null,"multidimensional":null,"configurable":false,"configuratorType":null,"addToCartDisabled":null,"addToCartDisabledMessage":null,"tags":null,"sapUnit":null,"keywords":null,"genders":null,"itemtype":"Part","partSubstitute":null,"note":null,"recallNote":null,"note1":null,"note2":null,"note3":null,"note4":null,"note5":null,"pdfAllUser":null,"pdfAuthUser":null,"pdfCOSUser":null,"vaiantRelatedPartList":null,"partHotspotList":null,"itemNumber":28,"partRelatedVariantList":null,"bomCode":2,"totalValue":null,"searchImage":null,"length":null,"width":null,"height":null,"unitOfDimension":null,"weight":null,"unitOfWeight":null,"specialRouting":false,"onlineRepair":null,"previousPartID":null,"sbdDiscountPriceValue":{"currencyIso":"USD","value":1.05,"priceType":"BUY","formattedValue":"$1.05","minQuantity":null,"maxQuantity":null,"sapUnit":{"code":"pieces","name":"Piece"}},"alrCode":null,"productRecallFlag":null,"selectedDocumentId":null,"productDescription":null,"pdpImage":null,"ticketId":null,"qtyRequiredPerVariant":"1","isElgibleForRepair":null,"isPowerEligible":null,"productRecallNotes":null,"productOtherInfo":null,"backorderETA":"00/00/0000","modifiedDate":null,"userLevel":"COS","displayPrice":null,"baseProductName":null,"firstVariantCode":null,"firstVariantImage":null,"productMarketType":null,"productNumber":null,"typeStatusCode":null,"productCategory":null,"typeNumber":null,"marketCode":null,"regionCode":null,"otherInformation":null,"productTypeStatus":null,"repairInstruction":null,"repairInstructionStatusDescription":null,"typeStatusDate":null,"serviceLifeDate":null,"manufacturerId":null,"parts":null,"language":null,"glossaries":null,"brand":null,"product":null,"brandCode":null,"recallNotes":null,"volume":null},{"code":"P819121414-CM","name":null,"url":"/c//p/P819121414-CM","description":"WASHER","purchasable":true,"stock":{"stockLevelStatus":{"code":"inStock","type":"StockLevelStatus"},"stockLevel":0,"stockThreshold":null},"futureStocks":null,"availableForPickup":null,"averageRating":null,"numberOfReviews":null,"summary":null,"manufacturer":null,"variantType":null,"price":{"currencyIso":"USD","value":1.05,"priceType":"BUY","formattedValue":"$1.05","minQuantity":null,"maxQuantity":null,"sapUnit":{"code":"pieces","name":"Piece"}},"baseProduct":null,"images":[],"categories":null,"reviews":null,"classifications":null,"potentialPromotions":null,"variantOptions":null,"baseOptions":[],"volumePricesFlag":null,"volumePrices":null,"productReferences":null,"variantMatrix":null,"priceRange":null,"firstCategoryNameList":null,"multidimensional":null,"configurable":false,"configuratorType":null,"addToCartDisabled":null,"addToCartDisabledMessage":null,"tags":null,"sapUnit":null,"keywords":null,"genders":null,"itemtype":"Part","partSubstitute":null,"note":null,"recallNote":null,"note1":null,"note2":null,"note3":null,"note4":null,"note5":null,"pdfAllUser":null,"pdfAuthUser":null,"pdfCOSUser":null,"vaiantRelatedPartList":null,"partHotspotList":null,"itemNumber":28,"partRelatedVariantList":null,"bomCode":2,"totalValue":null,"searchImage":null,"length":null,"width":null,"height":null,"unitOfDimension":null,"weight":null,"unitOfWeight":null,"specialRouting":false,"onlineRepair":null,"previousPartID":null,"sbdDiscountPriceValue":{"currencyIso":"USD","value":1.05,"priceType":"BUY","formattedValue":"$1.05","minQuantity":null,"maxQuantity":null,"sapUnit":{"code":"pieces","name":"Piece"}},"alrCode":null,"productRecallFlag":null,"selectedDocumentId":null,"productDescription":null,"pdpImage":null,"ticketId":null,"qtyRequiredPerVariant":"1","isElgibleForRepair":null,"isPowerEligible":null,"productRecallNotes":null,"productOtherInfo":null,"backorderETA":"00/00/0000","modifiedDate":null,"userLevel":"COS","displayPrice":null,"baseProductName":null,"firstVariantCode":null,"firstVariantImage":null,"productMarketType":null,"productNumber":null,"typeStatusCode":null,"productCategory":null,"typeNumber":null,"marketCode":null,"regionCode":null,"otherInformation":null,"productTypeStatus":null,"repairInstruction":null,"repairInstructionStatusDescription":null,"typeStatusDate":null,"serviceLifeDate":null,"manufacturerId":null,"parts":null,"language":null,"glossaries":null,"brand":null,"product":null,"brandCode":null,"recallNotes":null,"volume":null},{"code":"P819121414-CM","name":null,"url":"/c//p/P819121414-CM","description":"WASHER","purchasable":true,"stock":{"stockLevelStatus":{"code":"inStock","type":"StockLevelStatus"},"stockLevel":0,"stockThreshold":null},"futureStocks":null,"availableForPickup":null,"averageRating":null,"numberOfReviews":null,"summary":null,"manufacturer":null,"variantType":null,"price":{"currencyIso":"USD","value":1.05,"priceType":"BUY","formattedValue":"$1.05","minQuantity":null,"maxQuantity":null,"sapUnit":{"code":"pieces","name":"Piece"}},"baseProduct":null,"images":[],"categories":null,"reviews":null,"classifications":null,"potentialPromotions":null,"variantOptions":null,"baseOptions":[],"volumePricesFlag":null,"volumePrices":null,"productReferences":null,"variantMatrix":null,"priceRange":null,"firstCategoryNameList":null,"multidimensional":null,"configurable":false,"configuratorType":null,"addToCartDisabled":null,"addToCartDisabledMessage":null,"tags":null,"sapUnit":null,"keywords":null,"genders":null,"itemtype":"Part","partSubstitute":null,"note":null,"recallNote":null,"note1":null,"note2":null,"note3":null,"note4":null,"note5":null,"pdfAllUser":null,"pdfAuthUser":null,"pdfCOSUser":null,"vaiantRelatedPartList":null,"partHotspotList":null,"itemNumber":28,"partRelatedVariantList":null,"bomCode":2,"totalValue":null,"searchImage":null,"length":null,"width":null,"height":null,"unitOfDimension":null,"weight":null,"unitOfWeight":null,"specialRouting":false,"onlineRepair":null,"previousPartID":null,"sbdDiscountPriceValue":{"currencyIso":"USD","value":1.05,"priceType":"BUY","formattedValue":"$1.05","minQuantity":null,"maxQuantity":null,"sapUnit":{"code":"pieces","name":"Piece"}},"alrCode":null,"productRecallFlag":null,"selectedDocumentId":null,"productDescription":null,"pdpImage":null,"ticketId":null,"qtyRequiredPerVariant":"1","isElgibleForRepair":null,"isPowerEligible":null,"productRecallNotes":null,"productOtherInfo":null,"backorderETA":"00/00/0000","modifiedDate":null,"userLevel":"COS","displayPrice":null,"baseProductName":null,"firstVariantCode":null,"firstVariantImage":null,"productMarketType":null,"productNumber":null,"typeStatusCode":null,"productCategory":null,"typeNumber":null,"marketCode":null,"regionCode":null,"otherInformation":null,"productTypeStatus":null,"repairInstruction":null,"repairInstructionStatusDescription":null,"typeStatusDate":null,"serviceLifeDate":null,"manufacturerId":null,"parts":null,"language":null,"glossaries":null,"brand":null,"product":null,"brandCode":null,"recallNotes":null,"volume":null},{"code":"PSTD541237-CM","name":null,"url":"/c//p/PSTD541237-CM","description":"NUT","purchasable":false,"stock":{"stockLevelStatus":{"code":"outOfStock","type":"StockLevelStatus"},"stockLevel":0,"stockThreshold":null},"futureStocks":null,"availableForPickup":null,"averageRating":null,"numberOfReviews":null,"summary":null,"manufacturer":null,"variantType":null,"price":null,"baseProduct":null,"images":[],"categories":null,"reviews":null,"classifications":null,"potentialPromotions":null,"variantOptions":null,"baseOptions":[],"volumePricesFlag":null,"volumePrices":null,"productReferences":null,"variantMatrix":null,"priceRange":null,"firstCategoryNameList":null,"multidimensional":null,"configurable":false,"configuratorType":null,"addToCartDisabled":null,"addToCartDisabledMessage":null,"tags":null,"sapUnit":null,"keywords":null,"genders":null,"itemtype":"Part","partSubstitute":null,"note":null,"recallNote":null,"note1":null,"note2":null,"note3":null,"note4":null,"note5":null,"pdfAllUser":null,"pdfAuthUser":null,"pdfCOSUser":null,"vaiantRelatedPartList":null,"partHotspotList":null,"itemNumber":28,"partRelatedVariantList":null,"bomCode":4,"totalValue":null,"searchImage":null,"length":null,"width":null,"height":null,"unitOfDimension":null,"weight":null,"unitOfWeight":null,"specialRouting":false,"onlineRepair":null,"previousPartID":null,"sbdDiscountPriceValue":null,"alrCode":null,"productRecallFlag":null,"selectedDocumentId":null,"productDescription":null,"pdpImage":null,"ticketId":null,"qtyRequiredPerVariant":"1","isElgibleForRepair":null,"isPowerEligible":null,"productRecallNotes":null,"productOtherInfo":null,"backorderETA":null,"modifiedDate":null,"userLevel":"COS","displayPrice":null,"baseProductName":null,"firstVariantCode":null,"firstVariantImage":null,"productMarketType":null,"productNumber":null,"typeStatusCode":null,"productCategory":null,"typeNumber":null,"marketCode":null,"regionCode":null,"otherInformation":null,"productTypeStatus":null,"repairInstruction":null,"repairInstructionStatusDescription":null,"typeStatusDate":null,"serviceLifeDate":null,"manufacturerId":null,"parts":null,"language":null,"glossaries":null,"brand":null,"product":null,"brandCode":null,"recallNotes":null,"volume":null},{"code":"PSTD541237-CM","name":null,"url":"/c//p/PSTD541237-CM","description":"NUT","purchasable":false,"stock":{"stockLevelStatus":{"code":"outOfStock","type":"StockLevelStatus"},"stockLevel":0,"stockThreshold":null},"futureStocks":null,"availableForPickup":null,"averageRating":null,"numberOfReviews":null,"summary":null,"manufacturer":null,"variantType":null,"price":null,"baseProduct":null,"images":[],"categories":null,"reviews":null,"classifications":null,"potentialPromotions":null,"variantOptions":null,"baseOptions":[],"volumePricesFlag":null,"volumePrices":null,"productReferences":null,"variantMatrix":null,"priceRange":null,"firstCategoryNameList":null,"multidimensional":null,"configurable":false,"configuratorType":null,"addToCartDisabled":null,"addToCartDisabledMessage":null,"tags":null,"sapUnit":null,"keywords":null,"genders":null,"itemtype":"Part","partSubstitute":null,"note":null,"recallNote":null,"note1":null,"note2":null,"note3":null,"note4":null,"note5":null,"pdfAllUser":null,"pdfAuthUser":null,"pdfCOSUser":null,"vaiantRelatedPartList":null,"partHotspotList":null,"itemNumber":28,"partRelatedVariantList":null,"bomCode":4,"totalValue":null,"searchImage":null,"length":null,"width":null,"height":null,"unitOfDimension":null,"weight":null,"unitOfWeight":null,"specialRouting":false,"onlineRepair":null,"previousPartID":null,"sbdDiscountPriceValue":null,"alrCode":null,"productRecallFlag":null,"selectedDocumentId":null,"productDescription":null,"pdpImage":null,"ticketId":null,"qtyRequiredPerVariant":"1","isElgibleForRepair":null,"isPowerEligible":null,"productRecallNotes":null,"productOtherInfo":null,"backorderETA":null,"modifiedDate":null,"userLevel":"COS","displayPrice":null,"baseProductName":null,"firstVariantCode":null,"firstVariantImage":null,"productMarketType":null,"productNumber":null,"typeStatusCode":null,"productCategory":null,"typeNumber":null,"marketCode":null,"regionCode":null,"otherInformation":null,"productTypeStatus":null,"repairInstruction":null,"repairInstructionStatusDescription":null,"typeStatusDate":null,"serviceLifeDate":null,"manufacturerId":null,"parts":null,"language":null,"glossaries":null,"brand":null,"product":null,"brandCode":null,"recallNotes":null,"volume":null},{"code":"PSTD551037-CM","name":null,"url":"/c//p/PSTD551037-CM","description":"WASHER 13/32 X 13/16 X 16 GA.","purchasable":false,"stock":{"stockLevelStatus":{"code":"outOfStock","type":"StockLevelStatus"},"stockLevel":0,"stockThreshold":null},"futureStocks":null,"availableForPickup":null,"averageRating":null,"numberOfReviews":null,"summary":null,"manufacturer":null,"variantType":null,"price":null,"baseProduct":null,"images":[],"categories":null,"reviews":null,"classifications":null,"potentialPromotions":null,"variantOptions":null,"baseOptions":[],"volumePricesFlag":null,"volumePrices":null,"productReferences":null,"variantMatrix":null,"priceRange":null,"firstCategoryNameList":null,"multidimensional":null,"configurable":false,"configuratorType":null,"addToCartDisabled":null,"addToCartDisabledMessage":null,"tags":null,"sapUnit":null,"keywords":null,"genders":null,"itemtype":"Part","partSubstitute":null,"note":null,"recallNote":null,"note1":null,"note2":null,"note3":null,"note4":null,"note5":null,"pdfAllUser":null,"pdfAuthUser":null,"pdfCOSUser":null,"vaiantRelatedPartList":null,"partHotspotList":null,"itemNumber":28,"partRelatedVariantList":null,"bomCode":4,"totalValue":null,"searchImage":null,"length":null,"width":null,"height":null,"unitOfDimension":null,"weight":null,"unitOfWeight":null,"specialRouting":false,"onlineRepair":null,"previousPartID":null,"sbdDiscountPriceValue":null,"alrCode":null,"productRecallFlag":null,"selectedDocumentId":null,"productDescription":null,"pdpImage":null,"ticketId":null,"qtyRequiredPerVariant":"1","isElgibleForRepair":null,"isPowerEligible":null,"productRecallNotes":null,"productOtherInfo":null,"backorderETA":null,"modifiedDate":null,"userLevel":"COS","displayPrice":null,"baseProductName":null,"firstVariantCode":null,"firstVariantImage":null,"productMarketType":null,"productNumber":null,"typeStatusCode":null,"productCategory":null,"typeNumber":null,"marketCode":null,"regionCode":null,"otherInformation":null,"productTypeStatus":null,"repairInstruction":null,"repairInstructionStatusDescription":null,"typeStatusDate":null,"serviceLifeDate":null,"manufacturerId":null,"parts":null,"language":null,"glossaries":null,"brand":null,"product":null,"brandCode":null,"recallNotes":null,"volume":null},{"code":"PSTD551037-CM","name":null,"url":"/c//p/PSTD551037-CM","description":"WASHER 13/32 X 13/16 X 16 GA.","purchasable":false,"stock":{"stockLevelStatus":{"code":"outOfStock","type":"StockLevelStatus"},"stockLevel":0,"stockThreshold":null},"futureStocks":null,"availableForPickup":null,"averageRating":null,"numberOfReviews":null,"summary":null,"manufacturer":null,"variantType":null,"price":null,"baseProduct":null,"images":[],"categories":null,"reviews":null,"classifications":null,"potentialPromotions":null,"variantOptions":null,"baseOptions":[],"volumePricesFlag":null,"volumePrices":null,"productReferences":null,"variantMatrix":null,"priceRange":null,"firstCategoryNameList":null,"multidimensional":null,"configurable":false,"configuratorType":null,"addToCartDisabled":null,"addToCartDisabledMessage":null,"tags":null,"sapUnit":null,"keywords":null,"genders":null,"itemtype":"Part","partSubstitute":null,"note":null,"recallNote":null,"note1":null,"note2":null,"note3":null,"note4":null,"note5":null,"pdfAllUser":null,"pdfAuthUser":null,"pdfCOSUser":null,"vaiantRelatedPartList":null,"partHotspotList":null,"itemNumber":28,"partRelatedVariantList":null,"bomCode":4,"totalValue":null,"searchImage":null,"length":null,"width":null,"height":null,"unitOfDimension":null,"weight":null,"unitOfWeight":null,"specialRouting":false,"onlineRepair":null,"previousPartID":null,"sbdDiscountPriceValue":null,"alrCode":null,"productRecallFlag":null,"selectedDocumentId":null,"productDescription":null,"pdpImage":null,"ticketId":null,"qtyRequiredPerVariant":"1","isElgibleForRepair":null,"isPowerEligible":null,"productRecallNotes":null,"productOtherInfo":null,"backorderETA":null,"modifiedDate":null,"userLevel":"COS","displayPrice":null,"baseProductName":null,"firstVariantCode":null,"firstVariantImage":null,"productMarketType":null,"productNumber":null,"typeStatusCode":null,"productCategory":null,"typeNumber":null,"marketCode":null,"regionCode":null,"otherInformation":null,"productTypeStatus":null,"repairInstruction":null,"repairInstructionStatusDescription":null,"typeStatusDate":null,"serviceLifeDate":null,"manufacturerId":null,"parts":null,"language":null,"glossaries":null,"brand":null,"product":null,"brandCode":null,"recallNotes":null,"volume":null},{"code":"PSTD551037-CM","name":null,"url":"/c//p/PSTD551037-CM","description":"WASHER 13/32 X 13/16 X 16 GA.","purchasable":false,"stock":{"stockLevelStatus":{"code":"outOfStock","type":"StockLevelStatus"},"stockLevel":0,"stockThreshold":null},"futureStocks":null,"availableForPickup":null,"averageRating":null,"numberOfReviews":null,"summary":null,"manufacturer":null,"variantType":null,"price":null,"baseProduct":null,"images":[],"categories":null,"reviews":null,"classifications":null,"potentialPromotions":null,"variantOptions":null,"baseOptions":[],"volumePricesFlag":null,"volumePrices":null,"productReferences":null,"variantMatrix":null,"priceRange":null,"firstCategoryNameList":null,"multidimensional":null,"configurable":false,"configuratorType":null,"addToCartDisabled":null,"addToCartDisabledMessage":null,"tags":null,"sapUnit":null,"keywords":null,"genders":null,"itemtype":"Part","partSubstitute":null,"note":null,"recallNote":null,"note1":null,"note2":null,"note3":null,"note4":null,"note5":null,"pdfAllUser":null,"pdfAuthUser":null,"pdfCOSUser":null,"vaiantRelatedPartList":null,"partHotspotList":null,"itemNumber":28,"partRelatedVariantList":null,"bomCode":4,"totalValue":null,"searchImage":null,"length":null,"width":null,"height":null,"unitOfDimension":null,"weight":null,"unitOfWeight":null,"specialRouting":false,"onlineRepair":null,"previousPartID":null,"sbdDiscountPriceValue":null,"alrCode":null,"productRecallFlag":null,"selectedDocumentId":null,"productDescription":null,"pdpImage":null,"ticketId":null,"qtyRequiredPerVariant":"1","isElgibleForRepair":null,"isPowerEligible":null,"productRecallNotes":null,"productOtherInfo":null,"backorderETA":null,"modifiedDate":null,"userLevel":"COS","displayPrice":null,"baseProductName":null,"firstVariantCode":null,"firstVariantImage":null,"productMarketType":null,"productNumber":null,"typeStatusCode":null,"productCategory":null,"typeNumber":null,"marketCode":null,"regionCode":null,"otherInformation":null,"productTypeStatus":null,"repairInstruction":null,"repairInstructionStatusDescription":null,"typeStatusDate":null,"serviceLifeDate":null,"manufacturerId":null,"parts":null,"language":null,"glossaries":null,"brand":null,"product":null,"brandCode":null,"recallNotes":null,"volume":null},{"code":"P17000612-CM","name":null,"url":"/c//p/P17000612-CM","description":"SCREW HEXWSH THDROL 3/8-16 X 3/4","purchasable":true,"stock":{"stockLevelStatus":{"code":"inStock","type":"StockLevelStatus"},"stockLevel":0,"stockThreshold":null},"futureStocks":null,"availableForPickup":null,"averageRating":null,"numberOfReviews":null,"summary":null,"manufacturer":null,"variantType":null,"price":{"currencyIso":"USD","value":2.63,"priceType":"BUY","formattedValue":"$2.63","minQuantity":null,"maxQuantity":null,"sapUnit":{"code":"pieces","name":"Piece"}},"baseProduct":null,"images":[],"categories":null,"reviews":null,"classifications":null,"potentialPromotions":null,"variantOptions":null,"baseOptions":[],"volumePricesFlag":null,"volumePrices":null,"productReferences":null,"variantMatrix":null,"priceRange":null,"firstCategoryNameList":null,"multidimensional":null,"configurable":false,"configuratorType":null,"addToCartDisabled":null,"addToCartDisabledMessage":null,"tags":null,"sapUnit":null,"keywords":null,"genders":null,"itemtype":"Part","partSubstitute":null,"note":null,"recallNote":null,"note1":null,"note2":null,"note3":null,"note4":null,"note5":null,"pdfAllUser":null,"pdfAuthUser":null,"pdfCOSUser":null,"vaiantRelatedPartList":null,"partHotspotList":null,"itemNumber":29,"partRelatedVariantList":null,"bomCode":2,"totalValue":null,"searchImage":null,"length":null,"width":null,"height":null,"unitOfDimension":null,"weight":null,"unitOfWeight":null,"specialRouting":false,"onlineRepair":null,"previousPartID":null,"sbdDiscountPriceValue":{"currencyIso":"USD","value":2.63,"priceType":"BUY","formattedValue":"$2.63","minQuantity":null,"maxQuantity":null,"sapUnit":{"code":"pieces","name":"Piece"}},"alrCode":null,"productRecallFlag":null,"selectedDocumentId":null,"productDescription":null,"pdpImage":null,"ticketId":null,"qtyRequiredPerVariant":"1","isElgibleForRepair":null,"isPowerEligible":null,"productRecallNotes":null,"productOtherInfo":null,"backorderETA":"00/00/0000","modifiedDate":null,"userLevel":"COS","displayPrice":null,"baseProductName":null,"firstVariantCode":null,"firstVariantImage":null,"productMarketType":null,"productNumber":null,"typeStatusCode":null,"productCategory":null,"typeNumber":null,"marketCode":null,"regionCode":null,"otherInformation":null,"productTypeStatus":null,"repairInstruction":null,"repairInstructionStatusDescription":null,"typeStatusDate":null,"serviceLifeDate":null,"manufacturerId":null,"parts":null,"language":null,"glossaries":null,"brand":null,"product":null,"brandCode":null,"recallNotes":null,"volume":null},{"code":"P17000612-CM","name":null,"url":"/c//p/P17000612-CM","description":"SCREW HEXWSH THDROL 3/8-16 X 3/4","purchasable":true,"stock":{"stockLevelStatus":{"code":"inStock","type":"StockLevelStatus"},"stockLevel":0,"stockThreshold":null},"futureStocks":null,"availableForPickup":null,"averageRating":null,"numberOfReviews":null,"summary":null,"manufacturer":null,"variantType":null,"price":{"currencyIso":"USD","value":2.63,"priceType":"BUY","formattedValue":"$2.63","minQuantity":null,"maxQuantity":null,"sapUnit":{"code":"pieces","name":"Piece"}},"baseProduct":null,"images":[],"categories":null,"reviews":null,"classifications":null,"potentialPromotions":null,"variantOptions":null,"baseOptions":[],"volumePricesFlag":null,"volumePrices":null,"productReferences":null,"variantMatrix":null,"priceRange":null,"firstCategoryNameList":null,"multidimensional":null,"configurable":false,"configuratorType":null,"addToCartDisabled":null,"addToCartDisabledMessage":null,"tags":null,"sapUnit":null,"keywords":null,"genders":null,"itemtype":"Part","partSubstitute":null,"note":null,"recallNote":null,"note1":null,"note2":null,"note3":null,"note4":null,"note5":null,"pdfAllUser":null,"pdfAuthUser":null,"pdfCOSUser":null,"vaiantRelatedPartList":null,"partHotspotList":null,"itemNumber":29,"partRelatedVariantList":null,"bomCode":2,"totalValue":null,"searchImage":null,"length":null,"width":null,"height":null,"unitOfDimension":null,"weight":null,"unitOfWeight":null,"specialRouting":false,"onlineRepair":null,"previousPartID":null,"sbdDiscountPriceValue":{"currencyIso":"USD","value":2.63,"priceType":"BUY","formattedValue":"$2.63","minQuantity":null,"maxQuantity":null,"sapUnit":{"code":"pieces","name":"Piece"}},"alrCode":null,"productRecallFlag":null,"selectedDocumentId":null,"productDescription":null,"pdpImage":null,"ticketId":null,"qtyRequiredPerVariant":"1","isElgibleForRepair":null,"isPowerEligible":null,"productRecallNotes":null,"productOtherInfo":null,"backorderETA":"00/00/0000","modifiedDate":null,"userLevel":"COS","displayPrice":null,"baseProductName":null,"firstVariantCode":null,"firstVariantImage":null,"productMarketType":null,"productNumber":null,"typeStatusCode":null,"productCategory":null,"typeNumber":null,"marketCode":null,"regionCode":null,"otherInformation":null,"productTypeStatus":null,"repairInstruction":null,"repairInstructionStatusDescription":null,"typeStatusDate":null,"serviceLifeDate":null,"manufacturerId":null,"parts":null,"language":null,"glossaries":null,"brand":null,"product":null,"brandCode":null,"recallNotes":null,"volume":null},{"code":"P17000612-CM","name":null,"url":"/c//p/P17000612-CM","description":"SCREW HEXWSH THDROL 3/8-16 X 3/4","purchasable":true,"stock":{"stockLevelStatus":{"code":"inStock","type":"StockLevelStatus"},"stockLevel":0,"stockThreshold":null},"futureStocks":null,"availableForPickup":null,"averageRating":null,"numberOfReviews":null,"summary":null,"manufacturer":null,"variantType":null,"price":{"currencyIso":"USD","value":2.63,"priceType":"BUY","formattedValue":"$2.63","minQuantity":null,"maxQuantity":null,"sapUnit":{"code":"pieces","name":"Piece"}},"baseProduct":null,"images":[],"categories":null,"reviews":null,"classifications":null,"potentialPromotions":null,"variantOptions":null,"baseOptions":[],"volumePricesFlag":null,"volumePrices":null,"productReferences":null,"variantMatrix":null,"priceRange":null,"firstCategoryNameList":null,"multidimensional":null,"configurable":false,"configuratorType":null,"addToCartDisabled":null,"addToCartDisabledMessage":null,"tags":null,"sapUnit":null,"keywords":null,"genders":null,"itemtype":"Part","partSubstitute":null,"note":null,"recallNote":null,"note1":null,"note2":null,"note3":null,"note4":null,"note5":null,"pdfAllUser":null,"pdfAuthUser":null,"pdfCOSUser":null,"vaiantRelatedPartList":null,"partHotspotList":null,"itemNumber":29,"partRelatedVariantList":null,"bomCode":2,"totalValue":null,"searchImage":null,"length":null,"width":null,"height":null,"unitOfDimension":null,"weight":null,"unitOfWeight":null,"specialRouting":false,"onlineRepair":null,"previousPartID":null,"sbdDiscountPriceValue":{"currencyIso":"USD","value":2.63,"priceType":"BUY","formattedValue":"$2.63","minQuantity":null,"maxQuantity":null,"sapUnit":{"code":"pieces","name":"Piece"}},"alrCode":null,"productRecallFlag":null,"selectedDocumentId":null,"productDescription":null,"pdpImage":null,"ticketId":null,"qtyRequiredPerVariant":"1","isElgibleForRepair":null,"isPowerEligible":null,"productRecallNotes":null,"productOtherInfo":null,"backorderETA":"00/00/0000","modifiedDate":null,"userLevel":"COS","displayPrice":null,"baseProductName":null,"firstVariantCode":null,"firstVariantImage":null,"productMarketType":null,"productNumber":null,"typeStatusCode":null,"productCategory":null,"typeNumber":null,"marketCode":null,"regionCode":null,"otherInformation":null,"productTypeStatus":null,"repairInstruction":null,"repairInstructionStatusDescription":null,"typeStatusDate":null,"serviceLifeDate":null,"manufacturerId":null,"parts":null,"language":null,"glossaries":null,"brand":null,"product":null,"brandCode":null,"recallNotes":null,"volume":null},{"code":"P532071673-CM","name":null,"url":"/c//p/P532071673-CM","description":"PLUNGER CAP","purchasable":true,"stock":{"stockLevelStatus":{"code":"outOfStock","type":"StockLevelStatus"},"stockLevel":0,"stockThreshold":null},"futureStocks":null,"availableForPickup":null,"averageRating":null,"numberOfReviews":null,"summary":null,"manufacturer":null,"variantType":null,"price":{"currencyIso":"USD","value":3.1,"priceType":"BUY","formattedValue":"$3.10","minQuantity":null,"maxQuantity":null,"sapUnit":{"code":"pieces","name":"Piece"}},"baseProduct":null,"images":[],"categories":null,"reviews":null,"classifications":null,"potentialPromotions":null,"variantOptions":null,"baseOptions":[],"volumePricesFlag":null,"volumePrices":null,"productReferences":null,"variantMatrix":null,"priceRange":null,"firstCategoryNameList":null,"multidimensional":null,"configurable":false,"configuratorType":null,"addToCartDisabled":null,"addToCartDisabledMessage":null,"tags":null,"sapUnit":null,"keywords":null,"genders":null,"itemtype":"Part","partSubstitute":null,"note":null,"recallNote":null,"note1":null,"note2":null,"note3":null,"note4":null,"note5":null,"pdfAllUser":null,"pdfAuthUser":null,"pdfCOSUser":null,"vaiantRelatedPartList":null,"partHotspotList":null,"itemNumber":29,"partRelatedVariantList":null,"bomCode":2,"totalValue":null,"searchImage":null,"length":null,"width":null,"height":null,"unitOfDimension":null,"weight":null,"unitOfWeight":null,"specialRouting":false,"onlineRepair":null,"previousPartID":null,"sbdDiscountPriceValue":{"currencyIso":"USD","value":3.1,"priceType":"BUY","formattedValue":"$3.10","minQuantity":null,"maxQuantity":null,"sapUnit":{"code":"pieces","name":"Piece"}},"alrCode":null,"productRecallFlag":null,"selectedDocumentId":null,"productDescription":null,"pdpImage":null,"ticketId":null,"qtyRequiredPerVariant":"1","isElgibleForRepair":null,"isPowerEligible":null,"productRecallNotes":null,"productOtherInfo":null,"backorderETA":"00/00/0000","modifiedDate":null,"userLevel":"COS","displayPrice":null,"baseProductName":null,"firstVariantCode":null,"firstVariantImage":null,"productMarketType":null,"productNumber":null,"typeStatusCode":null,"productCategory":null,"typeNumber":null,"marketCode":null,"regionCode":null,"otherInformation":null,"productTypeStatus":null,"repairInstruction":null,"repairInstructionStatusDescription":null,"typeStatusDate":null,"serviceLifeDate":null,"manufacturerId":null,"parts":null,"language":null,"glossaries":null,"brand":null,"product":null,"brandCode":null,"recallNotes":null,"volume":null},{"code":"P532121305-CM","name":null,"url":"/c//p/P532121305-CM","description":"SWITCH-SEAT","purchasable":true,"stock":{"stockLevelStatus":{"code":"outOfStock","type":"StockLevelStatus"},"stockLevel":0,"stockThreshold":null},"futureStocks":null,"availableForPickup":null,"averageRating":null,"numberOfReviews":null,"summary":null,"manufacturer":null,"variantType":null,"price":{"currencyIso":"USD","value":10.65,"priceType":"BUY","formattedValue":"$10.65","minQuantity":null,"maxQuantity":null,"sapUnit":{"code":"pieces","name":"Piece"}},"baseProduct":null,"images":[],"categories":null,"reviews":null,"classifications":null,"potentialPromotions":null,"variantOptions":null,"baseOptions":[],"volumePricesFlag":null,"volumePrices":null,"productReferences":null,"variantMatrix":null,"priceRange":null,"firstCategoryNameList":null,"multidimensional":null,"configurable":false,"configuratorType":null,"addToCartDisabled":null,"addToCartDisabledMessage":null,"tags":null,"sapUnit":null,"keywords":null,"genders":null,"itemtype":"Part","partSubstitute":null,"note":null,"recallNote":null,"note1":null,"note2":null,"note3":null,"note4":null,"note5":null,"pdfAllUser":null,"pdfAuthUser":null,"pdfCOSUser":null,"vaiantRelatedPartList":null,"partHotspotList":null,"itemNumber":29,"partRelatedVariantList":null,"bomCode":2,"totalValue":null,"searchImage":null,"length":null,"width":null,"height":null,"unitOfDimension":null,"weight":null,"unitOfWeight":null,"specialRouting":false,"onlineRepair":null,"previousPartID":null,"sbdDiscountPriceValue":{"currencyIso":"USD","value":10.65,"priceType":"BUY","formattedValue":"$10.65","minQuantity":null,"maxQuantity":null,"sapUnit":{"code":"pieces","name":"Piece"}},"alrCode":null,"productRecallFlag":null,"selectedDocumentId":null,"productDescription":null,"pdpImage":null,"ticketId":null,"qtyRequiredPerVariant":"1","isElgibleForRepair":null,"isPowerEligible":null,"productRecallNotes":null,"productOtherInfo":null,"backorderETA":"00/00/0000","modifiedDate":null,"userLevel":"COS","displayPrice":null,"baseProductName":null,"firstVariantCode":null,"firstVariantImage":null,"productMarketType":null,"productNumber":null,"typeStatusCode":null,"productCategory":null,"typeNumber":null,"marketCode":null,"regionCode":null,"otherInformation":null,"productTypeStatus":null,"repairInstruction":null,"repairInstructionStatusDescription":null,"typeStatusDate":null,"serviceLifeDate":null,"manufacturerId":null,"parts":null,"language":null,"glossaries":null,"brand":null,"product":null,"brandCode":null,"recallNotes":null,"volume":null},{"code":"P532131491-CM","name":null,"url":"/c//p/P532131491-CM","description":"ROD.HINGE","purchasable":true,"stock":{"stockLevelStatus":{"code":"inStock","type":"StockLevelStatus"},"stockLevel":0,"stockThreshold":null},"futureStocks":null,"availableForPickup":null,"averageRating":null,"numberOfReviews":null,"summary":null,"manufacturer":null,"variantType":null,"price":{"currencyIso":"USD","value":2.09,"priceType":"BUY","formattedValue":"$2.09","minQuantity":null,"maxQuantity":null,"sapUnit":{"code":"pieces","name":"Piece"}},"baseProduct":null,"images":[],"categories":null,"reviews":null,"classifications":null,"potentialPromotions":null,"variantOptions":null,"baseOptions":[],"volumePricesFlag":null,"volumePrices":null,"productReferences":null,"variantMatrix":null,"priceRange":null,"firstCategoryNameList":null,"multidimensional":null,"configurable":false,"configuratorType":null,"addToCartDisabled":null,"addToCartDisabledMessage":null,"tags":null,"sapUnit":null,"keywords":null,"genders":null,"itemtype":"Part","partSubstitute":null,"note":null,"recallNote":null,"note1":null,"note2":null,"note3":null,"note4":null,"note5":null,"pdfAllUser":null,"pdfAuthUser":null,"pdfCOSUser":null,"vaiantRelatedPartList":null,"partHotspotList":null,"itemNumber":29,"partRelatedVariantList":null,"bomCode":2,"totalValue":null,"searchImage":null,"length":null,"width":null,"height":null,"unitOfDimension":null,"weight":null,"unitOfWeight":null,"specialRouting":false,"onlineRepair":null,"previousPartID":null,"sbdDiscountPriceValue":{"currencyIso":"USD","value":2.09,"priceType":"BUY","formattedValue":"$2.09","minQuantity":null,"maxQuantity":null,"sapUnit":{"code":"pieces","name":"Piece"}},"alrCode":null,"productRecallFlag":null,"selectedDocumentId":null,"productDescription":null,"pdpImage":null,"ticketId":null,"qtyRequiredPerVariant":"1","isElgibleForRepair":null,"isPowerEligible":null,"productRecallNotes":null,"productOtherInfo":null,"backorderETA":"00/00/0000","modifiedDate":null,"userLevel":"COS","displayPrice":null,"baseProductName":null,"firstVariantCode":null,"firstVariantImage":null,"productMarketType":null,"productNumber":null,"typeStatusCode":null,"productCategory":null,"typeNumber":null,"marketCode":null,"regionCode":null,"otherInformation":null,"productTypeStatus":null,"repairInstruction":null,"repairInstructionStatusDescription":null,"typeStatusDate":null,"serviceLifeDate":null,"manufacturerId":null,"parts":null,"language":null,"glossaries":null,"brand":null,"product":null,"brandCode":null,"recallNotes":null,"volume":null},{"code":"P532137180-CM","name":null,"url":"/c//p/P532137180-CM","description":"KIT.SPARK ARRESTOR","purchasable":true,"stock":{"stockLevelStatus":{"code":"inStock","type":"StockLevelStatus"},"stockLevel":0,"stockThreshold":null},"futureStocks":null,"availableForPickup":null,"averageRating":null,"numberOfReviews":null,"summary":null,"manufacturer":null,"variantType":null,"price":{"currencyIso":"USD","value":117.6,"priceType":"BUY","formattedValue":"$117.60","minQuantity":null,"maxQuantity":null,"sapUnit":{"code":"pieces","name":"Piece"}},"baseProduct":null,"images":[],"categories":null,"reviews":null,"classifications":null,"potentialPromotions":null,"variantOptions":null,"baseOptions":[],"volumePricesFlag":null,"volumePrices":null,"productReferences":null,"variantMatrix":null,"priceRange":null,"firstCategoryNameList":null,"multidimensional":null,"configurable":false,"configuratorType":null,"addToCartDisabled":null,"addToCartDisabledMessage":null,"tags":null,"sapUnit":null,"keywords":null,"genders":null,"itemtype":"Part","partSubstitute":null,"note":null,"recallNote":null,"note1":null,"note2":null,"note3":null,"note4":null,"note5":null,"pdfAllUser":null,"pdfAuthUser":null,"pdfCOSUser":null,"vaiantRelatedPartList":null,"partHotspotList":null,"itemNumber":29,"partRelatedVariantList":null,"bomCode":2,"totalValue":null,"searchImage":null,"length":null,"width":null,"height":null,"unitOfDimension":null,"weight":null,"unitOfWeight":null,"specialRouting":false,"onlineRepair":null,"previousPartID":null,"sbdDiscountPriceValue":{"currencyIso":"USD","value":117.6,"priceType":"BUY","formattedValue":"$117.60","minQuantity":null,"maxQuantity":null,"sapUnit":{"code":"pieces","name":"Piece"}},"alrCode":null,"productRecallFlag":null,"selectedDocumentId":null,"productDescription":null,"pdpImage":null,"ticketId":null,"qtyRequiredPerVariant":"1","isElgibleForRepair":null,"isPowerEligible":null,"productRecallNotes":null,"productOtherInfo":null,"backorderETA":"00/00/0000","modifiedDate":null,"userLevel":"COS","displayPrice":null,"baseProductName":null,"firstVariantCode":null,"firstVariantImage":null,"productMarketType":null,"productNumber":null,"typeStatusCode":null,"productCategory":null,"typeNumber":null,"marketCode":null,"regionCode":null,"otherInformation":null,"productTypeStatus":null,"repairInstruction":null,"repairInstructionStatusDescription":null,"typeStatusDate":null,"serviceLifeDate":null,"manufacturerId":null,"parts":null,"language":null,"glossaries":null,"brand":null,"product":null,"brandCode":null,"recallNotes":null,"volume":null},{"code":"P532138057-CM","name":null,"url":"/c//p/P532138057-CM","description":"KNOB INF 3/8-16","purchasable":true,"stock":{"stockLevelStatus":{"code":"outOfStock","type":"StockLevelStatus"},"stockLevel":0,"stockThreshold":null},"futureStocks":null,"availableForPickup":null,"averageRating":null,"numberOfReviews":null,"summary":null,"manufacturer":null,"variantType":null,"price":{"currencyIso":"USD","value":5.44,"priceType":"BUY","formattedValue":"$5.44","minQuantity":null,"maxQuantity":null,"sapUnit":{"code":"pieces","name":"Piece"}},"baseProduct":null,"images":[],"categories":null,"reviews":null,"classifications":null,"potentialPromotions":null,"variantOptions":null,"baseOptions":[],"volumePricesFlag":null,"volumePrices":null,"productReferences":null,"variantMatrix":null,"priceRange":null,"firstCategoryNameList":null,"multidimensional":null,"configurable":false,"configuratorType":null,"addToCartDisabled":null,"addToCartDisabledMessage":null,"tags":null,"sapUnit":null,"keywords":null,"genders":null,"itemtype":"Part","partSubstitute":null,"note":null,"recallNote":null,"note1":null,"note2":null,"note3":null,"note4":null,"note5":null,"pdfAllUser":null,"pdfAuthUser":null,"pdfCOSUser":null,"vaiantRelatedPartList":null,"partHotspotList":null,"itemNumber":29,"partRelatedVariantList":null,"bomCode":2,"totalValue":null,"searchImage":null,"length":null,"width":null,"height":null,"unitOfDimension":null,"weight":null,"unitOfWeight":null,"specialRouting":false,"onlineRepair":null,"previousPartID":null,"sbdDiscountPriceValue":{"currencyIso":"USD","value":5.44,"priceType":"BUY","formattedValue":"$5.44","minQuantity":null,"maxQuantity":null,"sapUnit":{"code":"pieces","name":"Piece"}},"alrCode":null,"productRecallFlag":null,"selectedDocumentId":null,"productDescription":null,"pdpImage":null,"ticketId":null,"qtyRequiredPerVariant":"1","isElgibleForRepair":null,"isPowerEligible":null,"productRecallNotes":null,"productOtherInfo":null,"backorderETA":"00/00/0000","modifiedDate":null,"userLevel":"COS","displayPrice":null,"baseProductName":null,"firstVariantCode":null,"firstVariantImage":null,"productMarketType":null,"productNumber":null,"typeStatusCode":null,"productCategory":null,"typeNumber":null,"marketCode":null,"regionCode":null,"otherInformation":null,"productTypeStatus":null,"repairInstruction":null,"repairInstructionStatusDescription":null,"typeStatusDate":null,"serviceLifeDate":null,"manufacturerId":null,"parts":null,"language":null,"glossaries":null,"brand":null,"product":null,"brandCode":null,"recallNotes":null,"volume":null},{"code":"P584460001-CM","name":null,"url":"/c//p/P584460001-CM","description":"LENS.GRILLE","purchasable":true,"stock":{"stockLevelStatus":{"code":"outOfStock","type":"StockLevelStatus"},"stockLevel":0,"stockThreshold":null},"futureStocks":null,"availableForPickup":null,"averageRating":null,"numberOfReviews":null,"summary":null,"manufacturer":null,"variantType":null,"price":{"currencyIso":"USD","value":25.67,"priceType":"BUY","formattedValue":"$25.67","minQuantity":null,"maxQuantity":null,"sapUnit":{"code":"pieces","name":"Piece"}},"baseProduct":null,"images":[],"categories":null,"reviews":null,"classifications":null,"potentialPromotions":null,"variantOptions":null,"baseOptions":[],"volumePricesFlag":null,"volumePrices":null,"productReferences":null,"variantMatrix":null,"priceRange":null,"firstCategoryNameList":null,"multidimensional":null,"configurable":false,"configuratorType":null,"addToCartDisabled":null,"addToCartDisabledMessage":null,"tags":null,"sapUnit":null,"keywords":null,"genders":null,"itemtype":"Part","partSubstitute":null,"note":null,"recallNote":null,"note1":null,"note2":null,"note3":null,"note4":null,"note5":null,"pdfAllUser":null,"pdfAuthUser":null,"pdfCOSUser":null,"vaiantRelatedPartList":null,"partHotspotList":null,"itemNumber":29,"partRelatedVariantList":null,"bomCode":2,"totalValue":null,"searchImage":null,"length":null,"width":null,"height":null,"unitOfDimension":null,"weight":null,"unitOfWeight":null,"specialRouting":false,"onlineRepair":null,"previousPartID":null,"sbdDiscountPriceValue":{"currencyIso":"USD","value":25.67,"priceType":"BUY","formattedValue":"$25.67","minQuantity":null,"maxQuantity":null,"sapUnit":{"code":"pieces","name":"Piece"}},"alrCode":null,"productRecallFlag":null,"selectedDocumentId":null,"productDescription":null,"pdpImage":null,"ticketId":null,"qtyRequiredPerVariant":"1","isElgibleForRepair":null,"isPowerEligible":null,"productRecallNotes":null,"productOtherInfo":null,"backorderETA":"00/00/0000","modifiedDate":null,"userLevel":"COS","displayPrice":null,"baseProductName":null,"firstVariantCode":null,"firstVariantImage":null,"productMarketType":null,"productNumber":null,"typeStatusCode":null,"productCategory":null,"typeNumber":null,"marketCode":null,"regionCode":null,"otherInformation":null,"productTypeStatus":null,"repairInstruction":null,"repairInstructionStatusDescription":null,"typeStatusDate":null,"serviceLifeDate":null,"manufacturerId":null,"parts":null,"language":null,"glossaries":null,"brand":null,"product":null,"brandCode":null,"recallNotes":null,"volume":null},{"code":"P150233-CM","name":null,"url":"/c//p/P150233-CM","description":"TRUNNION","purchasable":false,"stock":{"stockLevelStatus":{"code":"outOfStock","type":"StockLevelStatus"},"stockLevel":0,"stockThreshold":null},"futureStocks":null,"availableForPickup":null,"averageRating":null,"numberOfReviews":null,"summary":null,"manufacturer":null,"variantType":null,"price":null,"baseProduct":null,"images":[],"categories":null,"reviews":null,"classifications":null,"potentialPromotions":null,"variantOptions":null,"baseOptions":[],"volumePricesFlag":null,"volumePrices":null,"productReferences":null,"variantMatrix":null,"priceRange":null,"firstCategoryNameList":null,"multidimensional":null,"configurable":false,"configuratorType":null,"addToCartDisabled":null,"addToCartDisabledMessage":null,"tags":null,"sapUnit":null,"keywords":null,"genders":null,"itemtype":"Part","partSubstitute":"P583713301-CM","note":null,"recallNote":null,"note1":null,"note2":null,"note3":null,"note4":null,"note5":null,"pdfAllUser":null,"pdfAuthUser":null,"pdfCOSUser":null,"vaiantRelatedPartList":null,"partHotspotList":null,"itemNumber":30,"partRelatedVariantList":null,"bomCode":4,"totalValue":null,"searchImage":null,"length":null,"width":null,"height":null,"unitOfDimension":null,"weight":null,"unitOfWeight":null,"specialRouting":false,"onlineRepair":null,"previousPartID":null,"sbdDiscountPriceValue":null,"alrCode":null,"productRecallFlag":null,"selectedDocumentId":null,"productDescription":null,"pdpImage":null,"ticketId":null,"qtyRequiredPerVariant":"1","isElgibleForRepair":null,"isPowerEligible":null,"productRecallNotes":null,"productOtherInfo":null,"backorderETA":null,"modifiedDate":null,"userLevel":"COS","displayPrice":null,"baseProductName":null,"firstVariantCode":null,"firstVariantImage":null,"productMarketType":null,"productNumber":null,"typeStatusCode":null,"productCategory":null,"typeNumber":null,"marketCode":null,"regionCode":null,"otherInformation":null,"productTypeStatus":null,"repairInstruction":null,"repairInstructionStatusDescription":null,"typeStatusDate":null,"serviceLifeDate":null,"manufacturerId":null,"parts":null,"language":null,"glossaries":null,"brand":null,"product":null,"brandCode":null,"recallNotes":null,"volume":null},{"code":"P532140301-CM","name":null,"url":"/c//p/P532140301-CM","description":"IGN. SWITCH","purchasable":true,"stock":{"stockLevelStatus":{"code":"outOfStock","type":"StockLevelStatus"},"stockLevel":0,"stockThreshold":null},"futureStocks":null,"availableForPickup":null,"averageRating":null,"numberOfReviews":null,"summary":null,"manufacturer":null,"variantType":null,"price":{"currencyIso":"USD","value":21.3,"priceType":"BUY","formattedValue":"$21.30","minQuantity":null,"maxQuantity":null,"sapUnit":{"code":"pieces","name":"Piece"}},"baseProduct":null,"images":[],"categories":null,"reviews":null,"classifications":null,"potentialPromotions":null,"variantOptions":null,"baseOptions":[],"volumePricesFlag":null,"volumePrices":null,"productReferences":null,"variantMatrix":null,"priceRange":null,"firstCategoryNameList":null,"multidimensional":null,"configurable":false,"configuratorType":null,"addToCartDisabled":null,"addToCartDisabledMessage":null,"tags":null,"sapUnit":null,"keywords":null,"genders":null,"itemtype":"Part","partSubstitute":null,"note":null,"recallNote":null,"note1":null,"note2":null,"note3":null,"note4":null,"note5":null,"pdfAllUser":null,"pdfAuthUser":null,"pdfCOSUser":null,"vaiantRelatedPartList":null,"partHotspotList":null,"itemNumber":30,"partRelatedVariantList":null,"bomCode":2,"totalValue":null,"searchImage":null,"length":null,"width":null,"height":null,"unitOfDimension":null,"weight":null,"unitOfWeight":null,"specialRouting":false,"onlineRepair":null,"previousPartID":null,"sbdDiscountPriceValue":{"currencyIso":"USD","value":21.3,"priceType":"BUY","formattedValue":"$21.30","minQuantity":null,"maxQuantity":null,"sapUnit":{"code":"pieces","name":"Piece"}},"alrCode":null,"productRecallFlag":null,"selectedDocumentId":null,"productDescription":null,"pdpImage":null,"ticketId":null,"qtyRequiredPerVariant":"1","isElgibleForRepair":null,"isPowerEligible":null,"productRecallNotes":null,"productOtherInfo":null,"backorderETA":"00/00/0000","modifiedDate":null,"userLevel":"COS","displayPrice":null,"baseProductName":null,"firstVariantCode":null,"firstVariantImage":null,"productMarketType":null,"productNumber":null,"typeStatusCode":null,"productCategory":null,"typeNumber":null,"marketCode":null,"regionCode":null,"otherInformation":null,"productTypeStatus":null,"repairInstruction":null,"repairInstructionStatusDescription":null,"typeStatusDate":null,"serviceLifeDate":null,"manufacturerId":null,"parts":null,"language":null,"glossaries":null,"brand":null,"product":null,"brandCode":null,"recallNotes":null,"volume":null},{"code":"P532150233-CM","name":null,"url":"/c//p/P532150233-CM","description":"TRUNNION","purchasable":true,"stock":{"stockLevelStatus":{"code":"outOfStock","type":"StockLevelStatus"},"stockLevel":0,"stockThreshold":null},"futureStocks":null,"availableForPickup":null,"averageRating":null,"numberOfReviews":null,"summary":null,"manufacturer":null,"variantType":null,"price":{"currencyIso":"USD","value":6.88,"priceType":"BUY","formattedValue":"$6.88","minQuantity":null,"maxQuantity":null,"sapUnit":{"code":"pieces","name":"Piece"}},"baseProduct":null,"images":[],"categories":null,"reviews":null,"classifications":null,"potentialPromotions":null,"variantOptions":null,"baseOptions":[],"volumePricesFlag":null,"volumePrices":null,"productReferences":null,"variantMatrix":null,"priceRange":null,"firstCategoryNameList":null,"multidimensional":null,"configurable":false,"configuratorType":null,"addToCartDisabled":null,"addToCartDisabledMessage":null,"tags":null,"sapUnit":null,"keywords":null,"genders":null,"itemtype":"Part","partSubstitute":null,"note":null,"recallNote":null,"note1":null,"note2":null,"note3":null,"note4":null,"note5":null,"pdfAllUser":null,"pdfAuthUser":null,"pdfCOSUser":null,"vaiantRelatedPartList":null,"partHotspotList":null,"itemNumber":30,"partRelatedVariantList":null,"bomCode":2,"totalValue":null,"searchImage":null,"length":null,"width":null,"height":null,"unitOfDimension":null,"weight":null,"unitOfWeight":null,"specialRouting":false,"onlineRepair":null,"previousPartID":null,"sbdDiscountPriceValue":{"currencyIso":"USD","value":6.88,"priceType":"BUY","formattedValue":"$6.88","minQuantity":null,"maxQuantity":null,"sapUnit":{"code":"pieces","name":"Piece"}},"alrCode":null,"productRecallFlag":null,"selectedDocumentId":null,"productDescription":null,"pdpImage":null,"ticketId":null,"qtyRequiredPerVariant":"1","isElgibleForRepair":null,"isPowerEligible":null,"productRecallNotes":null,"productOtherInfo":null,"backorderETA":"00/00/0000","modifiedDate":null,"userLevel":"COS","displayPrice":null,"baseProductName":null,"firstVariantCode":null,"firstVariantImage":null,"productMarketType":null,"productNumber":null,"typeStatusCode":null,"productCategory":null,"typeNumber":null,"marketCode":null,"regionCode":null,"otherInformation":null,"productTypeStatus":null,"repairInstruction":null,"repairInstructionStatusDescription":null,"typeStatusDate":null,"serviceLifeDate":null,"manufacturerId":null,"parts":null,"language":null,"glossaries":null,"brand":null,"product":null,"brandCode":null,"recallNotes":null,"volume":null},{"code":"P583713801-CM","name":null,"url":"/c//p/P583713801-CM","description":"KIT.FENDER.P","purchasable":true,"stock":{"stockLevelStatus":{"code":"outOfStock","type":"StockLevelStatus"},"stockLevel":0,"stockThreshold":null},"futureStocks":null,"availableForPickup":null,"averageRating":null,"numberOfReviews":null,"summary":null,"manufacturer":null,"variantType":null,"price":{"currencyIso":"USD","value":165.34,"priceType":"BUY","formattedValue":"$165.34","minQuantity":null,"maxQuantity":null,"sapUnit":{"code":"pieces","name":"Piece"}},"baseProduct":null,"images":[],"categories":null,"reviews":null,"classifications":null,"potentialPromotions":null,"variantOptions":null,"baseOptions":[],"volumePricesFlag":null,"volumePrices":null,"productReferences":null,"variantMatrix":null,"priceRange":null,"firstCategoryNameList":null,"multidimensional":null,"configurable":false,"configuratorType":null,"addToCartDisabled":null,"addToCartDisabledMessage":null,"tags":null,"sapUnit":null,"keywords":null,"genders":null,"itemtype":"Part","partSubstitute":null,"note":null,"recallNote":null,"note1":null,"note2":null,"note3":null,"note4":null,"note5":null,"pdfAllUser":null,"pdfAuthUser":null,"pdfCOSUser":null,"vaiantRelatedPartList":null,"partHotspotList":null,"itemNumber":30,"partRelatedVariantList":null,"bomCode":2,"totalValue":null,"searchImage":null,"length":null,"width":null,"height":null,"unitOfDimension":null,"weight":null,"unitOfWeight":null,"specialRouting":false,"onlineRepair":null,"previousPartID":null,"sbdDiscountPriceValue":{"currencyIso":"USD","value":165.34,"priceType":"BUY","formattedValue":"$165.34","minQuantity":null,"maxQuantity":null,"sapUnit":{"code":"pieces","name":"Piece"}},"alrCode":null,"productRecallFlag":null,"selectedDocumentId":null,"productDescription":null,"pdpImage":null,"ticketId":null,"qtyRequiredPerVariant":"1","isElgibleForRepair":null,"isPowerEligible":null,"productRecallNotes":null,"productOtherInfo":null,"backorderETA":"00/00/0000","modifiedDate":null,"userLevel":"COS","displayPrice":null,"baseProductName":null,"firstVariantCode":null,"firstVariantImage":null,"productMarketType":null,"productNumber":null,"typeStatusCode":null,"productCategory":null,"typeNumber":null,"marketCode":null,"regionCode":null,"otherInformation":null,"productTypeStatus":null,"repairInstruction":null,"repairInstructionStatusDescription":null,"typeStatusDate":null,"serviceLifeDate":null,"manufacturerId":null,"parts":null,"language":null,"glossaries":null,"brand":null,"product":null,"brandCode":null,"recallNotes":null,"volume":null},{"code":"P584953901-CM","name":null,"url":"/c//p/P584953901-CM","description":"BOLT HEX","purchasable":true,"stock":{"stockLevelStatus":{"code":"inStock","type":"StockLevelStatus"},"stockLevel":0,"stockThreshold":null},"futureStocks":null,"availableForPickup":null,"averageRating":null,"numberOfReviews":null,"summary":null,"manufacturer":null,"variantType":null,"price":{"currencyIso":"USD","value":1.56,"priceType":"BUY","formattedValue":"$1.56","minQuantity":null,"maxQuantity":null,"sapUnit":{"code":"pieces","name":"Piece"}},"baseProduct":null,"images":[],"categories":null,"reviews":null,"classifications":null,"potentialPromotions":null,"variantOptions":null,"baseOptions":[],"volumePricesFlag":null,"volumePrices":null,"productReferences":null,"variantMatrix":null,"priceRange":null,"firstCategoryNameList":null,"multidimensional":null,"configurable":false,"configuratorType":null,"addToCartDisabled":null,"addToCartDisabledMessage":null,"tags":null,"sapUnit":null,"keywords":null,"genders":null,"itemtype":"Part","partSubstitute":null,"note":null,"recallNote":null,"note1":null,"note2":null,"note3":null,"note4":null,"note5":null,"pdfAllUser":null,"pdfAuthUser":null,"pdfCOSUser":null,"vaiantRelatedPartList":null,"partHotspotList":null,"itemNumber":30,"partRelatedVariantList":null,"bomCode":2,"totalValue":null,"searchImage":null,"length":null,"width":null,"height":null,"unitOfDimension":null,"weight":null,"unitOfWeight":null,"specialRouting":false,"onlineRepair":null,"previousPartID":null,"sbdDiscountPriceValue":{"currencyIso":"USD","value":1.56,"priceType":"BUY","formattedValue":"$1.56","minQuantity":null,"maxQuantity":null,"sapUnit":{"code":"pieces","name":"Piece"}},"alrCode":null,"productRecallFlag":null,"selectedDocumentId":null,"productDescription":null,"pdpImage":null,"ticketId":null,"qtyRequiredPerVariant":"1","isElgibleForRepair":null,"isPowerEligible":null,"productRecallNotes":null,"productOtherInfo":null,"backorderETA":"00/00/0000","modifiedDate":null,"userLevel":"COS","displayPrice":null,"baseProductName":null,"firstVariantCode":null,"firstVariantImage":null,"productMarketType":null,"productNumber":null,"typeStatusCode":null,"productCategory":null,"typeNumber":null,"marketCode":null,"regionCode":null,"otherInformation":null,"productTypeStatus":null,"repairInstruction":null,"repairInstructionStatusDescription":null,"typeStatusDate":null,"serviceLifeDate":null,"manufacturerId":null,"parts":null,"language":null,"glossaries":null,"brand":null,"product":null,"brandCode":null,"recallNotes":null,"volume":null},{"code":"PSTD561210-CM","name":null,"url":"/c//p/PSTD561210-CM","description":"PIN COTTER 1/8 X 3/4","purchasable":false,"stock":{"stockLevelStatus":{"code":"outOfStock","type":"StockLevelStatus"},"stockLevel":0,"stockThreshold":null},"futureStocks":null,"availableForPickup":null,"averageRating":null,"numberOfReviews":null,"summary":null,"manufacturer":null,"variantType":null,"price":null,"baseProduct":null,"images":[],"categories":null,"reviews":null,"classifications":null,"potentialPromotions":null,"variantOptions":null,"baseOptions":[],"volumePricesFlag":null,"volumePrices":null,"productReferences":null,"variantMatrix":null,"priceRange":null,"firstCategoryNameList":null,"multidimensional":null,"configurable":false,"configuratorType":null,"addToCartDisabled":null,"addToCartDisabledMessage":null,"tags":null,"sapUnit":null,"keywords":null,"genders":null,"itemtype":"Part","partSubstitute":null,"note":null,"recallNote":null,"note1":null,"note2":null,"note3":null,"note4":null,"note5":null,"pdfAllUser":null,"pdfAuthUser":null,"pdfCOSUser":null,"vaiantRelatedPartList":null,"partHotspotList":null,"itemNumber":30,"partRelatedVariantList":null,"bomCode":4,"totalValue":null,"searchImage":null,"length":null,"width":null,"height":null,"unitOfDimension":null,"weight":null,"unitOfWeight":null,"specialRouting":false,"onlineRepair":null,"previousPartID":null,"sbdDiscountPriceValue":null,"alrCode":null,"productRecallFlag":null,"selectedDocumentId":null,"productDescription":null,"pdpImage":null,"ticketId":null,"qtyRequiredPerVariant":"1","isElgibleForRepair":null,"isPowerEligible":null,"productRecallNotes":null,"productOtherInfo":null,"backorderETA":null,"modifiedDate":null,"userLevel":"ALL","displayPrice":null,"baseProductName":null,"firstVariantCode":null,"firstVariantImage":null,"productMarketType":null,"productNumber":null,"typeStatusCode":null,"productCategory":null,"typeNumber":null,"marketCode":null,"regionCode":null,"otherInformation":null,"productTypeStatus":null,"repairInstruction":null,"repairInstructionStatusDescription":null,"typeStatusDate":null,"serviceLifeDate":null,"manufacturerId":null,"parts":null,"language":null,"glossaries":null,"brand":null,"product":null,"brandCode":null,"recallNotes":null,"volume":null},{"code":"PSTD561210-CM","name":null,"url":"/c//p/PSTD561210-CM","description":"PIN COTTER 1/8 X 3/4","purchasable":false,"stock":{"stockLevelStatus":{"code":"outOfStock","type":"StockLevelStatus"},"stockLevel":0,"stockThreshold":null},"futureStocks":null,"availableForPickup":null,"averageRating":null,"numberOfReviews":null,"summary":null,"manufacturer":null,"variantType":null,"price":null,"baseProduct":null,"images":[],"categories":null,"reviews":null,"classifications":null,"potentialPromotions":null,"variantOptions":null,"baseOptions":[],"volumePricesFlag":null,"volumePrices":null,"productReferences":null,"variantMatrix":null,"priceRange":null,"firstCategoryNameList":null,"multidimensional":null,"configurable":false,"configuratorType":null,"addToCartDisabled":null,"addToCartDisabledMessage":null,"tags":null,"sapUnit":null,"keywords":null,"genders":null,"itemtype":"Part","partSubstitute":null,"note":null,"recallNote":null,"note1":null,"note2":null,"note3":null,"note4":null,"note5":null,"pdfAllUser":null,"pdfAuthUser":null,"pdfCOSUser":null,"vaiantRelatedPartList":null,"partHotspotList":null,"itemNumber":30,"partRelatedVariantList":null,"bomCode":4,"totalValue":null,"searchImage":null,"length":null,"width":null,"height":null,"unitOfDimension":null,"weight":null,"unitOfWeight":null,"specialRouting":false,"onlineRepair":null,"previousPartID":null,"sbdDiscountPriceValue":null,"alrCode":null,"productRecallFlag":null,"selectedDocumentId":null,"productDescription":null,"pdpImage":null,"ticketId":null,"qtyRequiredPerVariant":"1","isElgibleForRepair":null,"isPowerEligible":null,"productRecallNotes":null,"productOtherInfo":null,"backorderETA":null,"modifiedDate":null,"userLevel":"ALL","displayPrice":null,"baseProductName":null,"firstVariantCode":null,"firstVariantImage":null,"productMarketType":null,"productNumber":null,"typeStatusCode":null,"productCategory":null,"typeNumber":null,"marketCode":null,"regionCode":null,"otherInformation":null,"productTypeStatus":null,"repairInstruction":null,"repairInstructionStatusDescription":null,"typeStatusDate":null,"serviceLifeDate":null,"manufacturerId":null,"parts":null,"language":null,"glossaries":null,"brand":null,"product":null,"brandCode":null,"recallNotes":null,"volume":null},{"code":"P139976-CM","name":null,"url":"/c//p/P139976-CM","description":"BRACKET SUPT","purchasable":false,"stock":{"stockLevelStatus":{"code":"outOfStock","type":"StockLevelStatus"},"stockLevel":0,"stockThreshold":null},"futureStocks":null,"availableForPickup":null,"averageRating":null,"numberOfReviews":null,"summary":null,"manufacturer":null,"variantType":null,"price":null,"baseProduct":null,"images":[],"categories":null,"reviews":null,"classifications":null,"potentialPromotions":null,"variantOptions":null,"baseOptions":[],"volumePricesFlag":null,"volumePrices":null,"productReferences":null,"variantMatrix":null,"priceRange":null,"firstCategoryNameList":null,"multidimensional":null,"configurable":false,"configuratorType":null,"addToCartDisabled":null,"addToCartDisabledMessage":null,"tags":null,"sapUnit":null,"keywords":null,"genders":null,"itemtype":"Part","partSubstitute":null,"note":null,"recallNote":null,"note1":null,"note2":null,"note3":null,"note4":null,"note5":null,"pdfAllUser":null,"pdfAuthUser":null,"pdfCOSUser":null,"vaiantRelatedPartList":null,"partHotspotList":null,"itemNumber":31,"partRelatedVariantList":null,"bomCode":4,"totalValue":null,"searchImage":null,"length":null,"width":null,"height":null,"unitOfDimension":null,"weight":null,"unitOfWeight":null,"specialRouting":false,"onlineRepair":null,"previousPartID":null,"sbdDiscountPriceValue":null,"alrCode":null,"productRecallFlag":null,"selectedDocumentId":null,"productDescription":null,"pdpImage":null,"ticketId":null,"qtyRequiredPerVariant":"1","isElgibleForRepair":null,"isPowerEligible":null,"productRecallNotes":null,"productOtherInfo":null,"backorderETA":null,"modifiedDate":null,"userLevel":"COS","displayPrice":null,"baseProductName":null,"firstVariantCode":null,"firstVariantImage":null,"productMarketType":null,"productNumber":null,"typeStatusCode":null,"productCategory":null,"typeNumber":null,"marketCode":null,"regionCode":null,"otherInformation":null,"productTypeStatus":null,"repairInstruction":null,"repairInstructionStatusDescription":null,"typeStatusDate":null,"serviceLifeDate":null,"manufacturerId":null,"parts":null,"language":null,"glossaries":null,"brand":null,"product":null,"brandCode":null,"recallNotes":null,"volume":null},{"code":"P157103-CM","name":null,"url":"/c//p/P157103-CM","description":"TANK.FUEL-3.","purchasable":false,"stock":{"stockLevelStatus":{"code":"outOfStock","type":"StockLevelStatus"},"stockLevel":0,"stockThreshold":null},"futureStocks":null,"availableForPickup":null,"averageRating":null,"numberOfReviews":null,"summary":null,"manufacturer":null,"variantType":null,"price":null,"baseProduct":null,"images":[],"categories":null,"reviews":null,"classifications":null,"potentialPromotions":null,"variantOptions":null,"baseOptions":[],"volumePricesFlag":null,"volumePrices":null,"productReferences":null,"variantMatrix":null,"priceRange":null,"firstCategoryNameList":null,"multidimensional":null,"configurable":false,"configuratorType":null,"addToCartDisabled":null,"addToCartDisabledMessage":null,"tags":null,"sapUnit":null,"keywords":null,"genders":null,"itemtype":"Part","partSubstitute":null,"note":null,"recallNote":null,"note1":null,"note2":null,"note3":null,"note4":null,"note5":null,"pdfAllUser":null,"pdfAuthUser":null,"pdfCOSUser":null,"vaiantRelatedPartList":null,"partHotspotList":null,"itemNumber":31,"partRelatedVariantList":null,"bomCode":4,"totalValue":null,"searchImage":null,"length":null,"width":null,"height":null,"unitOfDimension":null,"weight":null,"unitOfWeight":null,"specialRouting":false,"onlineRepair":null,"previousPartID":null,"sbdDiscountPriceValue":null,"alrCode":null,"productRecallFlag":null,"selectedDocumentId":null,"productDescription":null,"pdpImage":null,"ticketId":null,"qtyRequiredPerVariant":"1","isElgibleForRepair":null,"isPowerEligible":null,"productRecallNotes":null,"productOtherInfo":null,"backorderETA":null,"modifiedDate":null,"userLevel":"COS","displayPrice":null,"baseProductName":null,"firstVariantCode":null,"firstVariantImage":null,"productMarketType":null,"productNumber":null,"typeStatusCode":null,"productCategory":null,"typeNumber":null,"marketCode":null,"regionCode":null,"otherInformation":null,"productTypeStatus":null,"repairInstruction":null,"repairInstructionStatusDescription":null,"typeStatusDate":null,"serviceLifeDate":null,"manufacturerId":null,"parts":null,"language":null,"glossaries":null,"brand":null,"product":null,"brandCode":null,"recallNotes":null,"volume":null},{"code":"P169865-CM","name":null,"url":"/c//p/P169865-CM","description":"BEARING.PIVO","purchasable":false,"stock":{"stockLevelStatus":{"code":"outOfStock","type":"StockLevelStatus"},"stockLevel":0,"stockThreshold":null},"futureStocks":null,"availableForPickup":null,"averageRating":null,"numberOfReviews":null,"summary":null,"manufacturer":null,"variantType":null,"price":null,"baseProduct":null,"images":[],"categories":null,"reviews":null,"classifications":null,"potentialPromotions":null,"variantOptions":null,"baseOptions":[],"volumePricesFlag":null,"volumePrices":null,"productReferences":null,"variantMatrix":null,"priceRange":null,"firstCategoryNameList":null,"multidimensional":null,"configurable":false,"configuratorType":null,"addToCartDisabled":null,"addToCartDisabledMessage":null,"tags":null,"sapUnit":null,"keywords":null,"genders":null,"itemtype":"Part","partSubstitute":"P532136619-CM","note":null,"recallNote":null,"note1":null,"note2":null,"note3":null,"note4":null,"note5":null,"pdfAllUser":null,"pdfAuthUser":null,"pdfCOSUser":null,"vaiantRelatedPartList":null,"partHotspotList":null,"itemNumber":31,"partRelatedVariantList":null,"bomCode":4,"totalValue":null,"searchImage":null,"length":null,"width":null,"height":null,"unitOfDimension":null,"weight":null,"unitOfWeight":null,"specialRouting":false,"onlineRepair":null,"previousPartID":null,"sbdDiscountPriceValue":null,"alrCode":null,"productRecallFlag":null,"selectedDocumentId":null,"productDescription":null,"pdpImage":null,"ticketId":null,"qtyRequiredPerVariant":"1","isElgibleForRepair":null,"isPowerEligible":null,"productRecallNotes":null,"productOtherInfo":null,"backorderETA":null,"modifiedDate":null,"userLevel":"COS","displayPrice":null,"baseProductName":null,"firstVariantCode":null,"firstVariantImage":null,"productMarketType":null,"productNumber":null,"typeStatusCode":null,"productCategory":null,"typeNumber":null,"marketCode":null,"regionCode":null,"otherInformation":null,"productTypeStatus":null,"repairInstruction":null,"repairInstructionStatusDescription":null,"typeStatusDate":null,"serviceLifeDate":null,"manufacturerId":null,"parts":null,"language":null,"glossaries":null,"brand":null,"product":null,"brandCode":null,"recallNotes":null,"volume":null},{"code":"P187690-CM","name":null,"url":"/c//p/P187690-CM","description":"WASHER SPACER MANDRE","purchasable":false,"stock":{"stockLevelStatus":{"code":"outOfStock","type":"StockLevelStatus"},"stockLevel":0,"stockThreshold":null},"futureStocks":null,"availableForPickup":null,"averageRating":null,"numberOfReviews":null,"summary":null,"manufacturer":null,"variantType":null,"price":null,"baseProduct":null,"images":[],"categories":null,"reviews":null,"classifications":null,"potentialPromotions":null,"variantOptions":null,"baseOptions":[],"volumePricesFlag":null,"volumePrices":null,"productReferences":null,"variantMatrix":null,"priceRange":null,"firstCategoryNameList":null,"multidimensional":null,"configurable":false,"configuratorType":null,"addToCartDisabled":null,"addToCartDisabledMessage":null,"tags":null,"sapUnit":null,"keywords":null,"genders":null,"itemtype":"Part","partSubstitute":"P532136619-CM","note":null,"recallNote":null,"note1":null,"note2":null,"note3":null,"note4":null,"note5":null,"pdfAllUser":null,"pdfAuthUser":null,"pdfCOSUser":null,"vaiantRelatedPartList":null,"partHotspotList":null,"itemNumber":31,"partRelatedVariantList":null,"bomCode":4,"totalValue":null,"searchImage":null,"length":null,"width":null,"height":null,"unitOfDimension":null,"weight":null,"unitOfWeight":null,"specialRouting":false,"onlineRepair":null,"previousPartID":null,"sbdDiscountPriceValue":null,"alrCode":null,"productRecallFlag":null,"selectedDocumentId":null,"productDescription":null,"pdpImage":null,"ticketId":null,"qtyRequiredPerVariant":"1","isElgibleForRepair":null,"isPowerEligible":null,"productRecallNotes":null,"productOtherInfo":null,"backorderETA":null,"modifiedDate":null,"userLevel":"COS","displayPrice":null,"baseProductName":null,"firstVariantCode":null,"firstVariantImage":null,"productMarketType":null,"productNumber":null,"typeStatusCode":null,"productCategory":null,"typeNumber":null,"marketCode":null,"regionCode":null,"otherInformation":null,"productTypeStatus":null,"repairInstruction":null,"repairInstructionStatusDescription":null,"typeStatusDate":null,"serviceLifeDate":null,"manufacturerId":null,"parts":null,"language":null,"glossaries":null,"brand":null,"product":null,"brandCode":null,"recallNotes":null,"volume":null},{"code":"P532124211-CM","name":null,"url":"/c//p/P532124211-CM","description":"NUT IGNITION","purchasable":true,"stock":{"stockLevelStatus":{"code":"outOfStock","type":"StockLevelStatus"},"stockLevel":0,"stockThreshold":null},"futureStocks":null,"availableForPickup":null,"averageRating":null,"numberOfReviews":null,"summary":null,"manufacturer":null,"variantType":null,"price":{"currencyIso":"USD","value":3.1,"priceType":"BUY","formattedValue":"$3.10","minQuantity":null,"maxQuantity":null,"sapUnit":{"code":"pieces","name":"Piece"}},"baseProduct":null,"images":[],"categories":null,"reviews":null,"classifications":null,"potentialPromotions":null,"variantOptions":null,"baseOptions":[],"volumePricesFlag":null,"volumePrices":null,"productReferences":null,"variantMatrix":null,"priceRange":null,"firstCategoryNameList":null,"multidimensional":null,"configurable":false,"configuratorType":null,"addToCartDisabled":null,"addToCartDisabledMessage":null,"tags":null,"sapUnit":null,"keywords":null,"genders":null,"itemtype":"Part","partSubstitute":null,"note":null,"recallNote":null,"note1":null,"note2":null,"note3":null,"note4":null,"note5":null,"pdfAllUser":null,"pdfAuthUser":null,"pdfCOSUser":null,"vaiantRelatedPartList":null,"partHotspotList":null,"itemNumber":31,"partRelatedVariantList":null,"bomCode":2,"totalValue":null,"searchImage":null,"length":null,"width":null,"height":null,"unitOfDimension":null,"weight":null,"unitOfWeight":null,"specialRouting":false,"onlineRepair":null,"previousPartID":null,"sbdDiscountPriceValue":{"currencyIso":"USD","value":3.1,"priceType":"BUY","formattedValue":"$3.10","minQuantity":null,"maxQuantity":null,"sapUnit":{"code":"pieces","name":"Piece"}},"alrCode":null,"productRecallFlag":null,"selectedDocumentId":null,"productDescription":null,"pdpImage":null,"ticketId":null,"qtyRequiredPerVariant":"1","isElgibleForRepair":null,"isPowerEligible":null,"productRecallNotes":null,"productOtherInfo":null,"backorderETA":"00/00/0000","modifiedDate":null,"userLevel":"COS","displayPrice":null,"baseProductName":null,"firstVariantCode":null,"firstVariantImage":null,"productMarketType":null,"productNumber":null,"typeStatusCode":null,"productCategory":null,"typeNumber":null,"marketCode":null,"regionCode":null,"otherInformation":null,"productTypeStatus":null,"repairInstruction":null,"repairInstructionStatusDescription":null,"typeStatusDate":null,"serviceLifeDate":null,"manufacturerId":null,"parts":null,"language":null,"glossaries":null,"brand":null,"product":null,"brandCode":null,"recallNotes":null,"volume":null},{"code":"P532139976-CM","name":null,"url":"/c//p/P532139976-CM","description":"BRKT.SUPP.FENDER","purchasable":true,"stock":{"stockLevelStatus":{"code":"outOfStock","type":"StockLevelStatus"},"stockLevel":0,"stockThreshold":null},"futureStocks":null,"availableForPickup":null,"averageRating":null,"numberOfReviews":null,"summary":null,"manufacturer":null,"variantType":null,"price":{"currencyIso":"USD","value":6.57,"priceType":"BUY","formattedValue":"$6.57","minQuantity":null,"maxQuantity":null,"sapUnit":{"code":"pieces","name":"Piece"}},"baseProduct":null,"images":[],"categories":null,"reviews":null,"classifications":null,"potentialPromotions":null,"variantOptions":null,"baseOptions":[],"volumePricesFlag":null,"volumePrices":null,"productReferences":null,"variantMatrix":null,"priceRange":null,"firstCategoryNameList":null,"multidimensional":null,"configurable":false,"configuratorType":null,"addToCartDisabled":null,"addToCartDisabledMessage":null,"tags":null,"sapUnit":null,"keywords":null,"genders":null,"itemtype":"Part","partSubstitute":null,"note":null,"recallNote":null,"note1":null,"note2":null,"note3":null,"note4":null,"note5":null,"pdfAllUser":null,"pdfAuthUser":null,"pdfCOSUser":null,"vaiantRelatedPartList":null,"partHotspotList":null,"itemNumber":31,"partRelatedVariantList":null,"bomCode":2,"totalValue":null,"searchImage":null,"length":null,"width":null,"height":null,"unitOfDimension":null,"weight":null,"unitOfWeight":null,"specialRouting":false,"onlineRepair":null,"previousPartID":null,"sbdDiscountPriceValue":{"currencyIso":"USD","value":6.57,"priceType":"BUY","formattedValue":"$6.57","minQuantity":null,"maxQuantity":null,"sapUnit":{"code":"pieces","name":"Piece"}},"alrCode":null,"productRecallFlag":null,"selectedDocumentId":null,"productDescription":null,"pdpImage":null,"ticketId":null,"qtyRequiredPerVariant":"1","isElgibleForRepair":null,"isPowerEligible":null,"productRecallNotes":null,"productOtherInfo":null,"backorderETA":"00/00/0000","modifiedDate":null,"userLevel":"COS","displayPrice":null,"baseProductName":null,"firstVariantCode":null,"firstVariantImage":null,"productMarketType":null,"productNumber":null,"typeStatusCode":null,"productCategory":null,"typeNumber":null,"marketCode":null,"regionCode":null,"otherInformation":null,"productTypeStatus":null,"repairInstruction":null,"repairInstructionStatusDescription":null,"typeStatusDate":null,"serviceLifeDate":null,"manufacturerId":null,"parts":null,"language":null,"glossaries":null,"brand":null,"product":null,"brandCode":null,"recallNotes":null,"volume":null},{"code":"P532157103-CM","name":null,"url":"/c//p/P532157103-CM","description":"TANK.FUEL(3.5.GAL)","purchasable":true,"stock":{"stockLevelStatus":{"code":"outOfStock","type":"StockLevelStatus"},"stockLevel":0,"stockThreshold":null},"futureStocks":null,"availableForPickup":null,"averageRating":null,"numberOfReviews":null,"summary":null,"manufacturer":null,"variantType":null,"price":{"currencyIso":"USD","value":57.54,"priceType":"BUY","formattedValue":"$57.54","minQuantity":null,"maxQuantity":null,"sapUnit":{"code":"pieces","name":"Piece"}},"baseProduct":null,"images":[],"categories":null,"reviews":null,"classifications":null,"potentialPromotions":null,"variantOptions":null,"baseOptions":[],"volumePricesFlag":null,"volumePrices":null,"productReferences":null,"variantMatrix":null,"priceRange":null,"firstCategoryNameList":null,"multidimensional":null,"configurable":false,"configuratorType":null,"addToCartDisabled":null,"addToCartDisabledMessage":null,"tags":null,"sapUnit":null,"keywords":null,"genders":null,"itemtype":"Part","partSubstitute":null,"note":null,"recallNote":null,"note1":null,"note2":null,"note3":null,"note4":null,"note5":null,"pdfAllUser":null,"pdfAuthUser":null,"pdfCOSUser":null,"vaiantRelatedPartList":null,"partHotspotList":null,"itemNumber":31,"partRelatedVariantList":null,"bomCode":2,"totalValue":null,"searchImage":null,"length":null,"width":null,"height":null,"unitOfDimension":null,"weight":null,"unitOfWeight":null,"specialRouting":false,"onlineRepair":null,"previousPartID":null,"sbdDiscountPriceValue":{"currencyIso":"USD","value":57.54,"priceType":"BUY","formattedValue":"$57.54","minQuantity":null,"maxQuantity":null,"sapUnit":{"code":"pieces","name":"Piece"}},"alrCode":null,"productRecallFlag":null,"selectedDocumentId":null,"productDescription":null,"pdpImage":null,"ticketId":null,"qtyRequiredPerVariant":"1","isElgibleForRepair":null,"isPowerEligible":null,"productRecallNotes":null,"productOtherInfo":null,"backorderETA":"00/00/0000","modifiedDate":null,"userLevel":"COS","displayPrice":null,"baseProductName":null,"firstVariantCode":null,"firstVariantImage":null,"productMarketType":null,"productNumber":null,"typeStatusCode":null,"productCategory":null,"typeNumber":null,"marketCode":null,"regionCode":null,"otherInformation":null,"productTypeStatus":null,"repairInstruction":null,"repairInstructionStatusDescription":null,"typeStatusDate":null,"serviceLifeDate":null,"manufacturerId":null,"parts":null,"language":null,"glossaries":null,"brand":null,"product":null,"brandCode":null,"recallNotes":null,"volume":null},{"code":"P532169865-CM","name":null,"url":"/c//p/P532169865-CM","description":"BEARING.PIVOT.LIFT","purchasable":true,"stock":{"stockLevelStatus":{"code":"outOfStock","type":"StockLevelStatus"},"stockLevel":0,"stockThreshold":null},"futureStocks":null,"availableForPickup":null,"averageRating":null,"numberOfReviews":null,"summary":null,"manufacturer":null,"variantType":null,"price":{"currencyIso":"USD","value":3.18,"priceType":"BUY","formattedValue":"$3.18","minQuantity":null,"maxQuantity":null,"sapUnit":{"code":"pieces","name":"Piece"}},"baseProduct":null,"images":[],"categories":null,"reviews":null,"classifications":null,"potentialPromotions":null,"variantOptions":null,"baseOptions":[],"volumePricesFlag":null,"volumePrices":null,"productReferences":null,"variantMatrix":null,"priceRange":null,"firstCategoryNameList":null,"multidimensional":null,"configurable":false,"configuratorType":null,"addToCartDisabled":null,"addToCartDisabledMessage":null,"tags":null,"sapUnit":null,"keywords":null,"genders":null,"itemtype":"Part","partSubstitute":null,"note":null,"recallNote":null,"note1":null,"note2":null,"note3":null,"note4":null,"note5":null,"pdfAllUser":null,"pdfAuthUser":null,"pdfCOSUser":null,"vaiantRelatedPartList":null,"partHotspotList":null,"itemNumber":31,"partRelatedVariantList":null,"bomCode":2,"totalValue":null,"searchImage":null,"length":null,"width":null,"height":null,"unitOfDimension":null,"weight":null,"unitOfWeight":null,"specialRouting":false,"onlineRepair":null,"previousPartID":null,"sbdDiscountPriceValue":{"currencyIso":"USD","value":3.18,"priceType":"BUY","formattedValue":"$3.18","minQuantity":null,"maxQuantity":null,"sapUnit":{"code":"pieces","name":"Piece"}},"alrCode":null,"productRecallFlag":null,"selectedDocumentId":null,"productDescription":null,"pdpImage":null,"ticketId":null,"qtyRequiredPerVariant":"1","isElgibleForRepair":null,"isPowerEligible":null,"productRecallNotes":null,"productOtherInfo":null,"backorderETA":"00/00/0000","modifiedDate":null,"userLevel":"COS","displayPrice":null,"baseProductName":null,"firstVariantCode":null,"firstVariantImage":null,"productMarketType":null,"productNumber":null,"typeStatusCode":null,"productCategory":null,"typeNumber":null,"marketCode":null,"regionCode":null,"otherInformation":null,"productTypeStatus":null,"repairInstruction":null,"repairInstructionStatusDescription":null,"typeStatusDate":null,"serviceLifeDate":null,"manufacturerId":null,"parts":null,"language":null,"glossaries":null,"brand":null,"product":null,"brandCode":null,"recallNotes":null,"volume":null},{"code":"P532187690-CM","name":null,"url":"/c//p/P532187690-CM","description":"WASHER.SPACR.MANDREL","purchasable":true,"stock":{"stockLevelStatus":{"code":"outOfStock","type":"StockLevelStatus"},"stockLevel":0,"stockThreshold":null},"futureStocks":null,"availableForPickup":null,"averageRating":null,"numberOfReviews":null,"summary":null,"manufacturer":null,"variantType":null,"price":{"currencyIso":"USD","value":2.09,"priceType":"BUY","formattedValue":"$2.09","minQuantity":null,"maxQuantity":null,"sapUnit":{"code":"pieces","name":"Piece"}},"baseProduct":null,"images":[],"categories":null,"reviews":null,"classifications":null,"potentialPromotions":null,"variantOptions":null,"baseOptions":[],"volumePricesFlag":null,"volumePrices":null,"productReferences":null,"variantMatrix":null,"priceRange":null,"firstCategoryNameList":null,"multidimensional":null,"configurable":false,"configuratorType":null,"addToCartDisabled":null,"addToCartDisabledMessage":null,"tags":null,"sapUnit":null,"keywords":null,"genders":null,"itemtype":"Part","partSubstitute":null,"note":null,"recallNote":null,"note1":null,"note2":null,"note3":null,"note4":null,"note5":null,"pdfAllUser":null,"pdfAuthUser":null,"pdfCOSUser":null,"vaiantRelatedPartList":null,"partHotspotList":null,"itemNumber":31,"partRelatedVariantList":null,"bomCode":2,"totalValue":null,"searchImage":null,"length":null,"width":null,"height":null,"unitOfDimension":null,"weight":null,"unitOfWeight":null,"specialRouting":false,"onlineRepair":null,"previousPartID":null,"sbdDiscountPriceValue":{"currencyIso":"USD","value":2.09,"priceType":"BUY","formattedValue":"$2.09","minQuantity":null,"maxQuantity":null,"sapUnit":{"code":"pieces","name":"Piece"}},"alrCode":null,"productRecallFlag":null,"selectedDocumentId":null,"productDescription":null,"pdpImage":null,"ticketId":null,"qtyRequiredPerVariant":"1","isElgibleForRepair":null,"isPowerEligible":null,"productRecallNotes":null,"productOtherInfo":null,"backorderETA":"00/00/0000","modifiedDate":null,"userLevel":"COS","displayPrice":null,"baseProductName":null,"firstVariantCode":null,"firstVariantImage":null,"productMarketType":null,"productNumber":null,"typeStatusCode":null,"productCategory":null,"typeNumber":null,"marketCode":null,"regionCode":null,"otherInformation":null,"productTypeStatus":null,"repairInstruction":null,"repairInstructionStatusDescription":null,"typeStatusDate":null,"serviceLifeDate":null,"manufacturerId":null,"parts":null,"language":null,"glossaries":null,"brand":null,"product":null,"brandCode":null,"recallNotes":null,"volume":null},{"code":"P504-00482-CM","name":null,"url":"/c//p/P504-00482-CM","description":"SPINDLE PULLEY","purchasable":false,"stock":{"stockLevelStatus":{"code":"outOfStock","type":"StockLevelStatus"},"stockLevel":0,"stockThreshold":null},"futureStocks":null,"availableForPickup":null,"averageRating":null,"numberOfReviews":null,"summary":null,"manufacturer":null,"variantType":null,"price":null,"baseProduct":null,"images":[],"categories":null,"reviews":null,"classifications":null,"potentialPromotions":null,"variantOptions":null,"baseOptions":[],"volumePricesFlag":null,"volumePrices":null,"productReferences":null,"variantMatrix":null,"priceRange":null,"firstCategoryNameList":null,"multidimensional":null,"configurable":false,"configuratorType":null,"addToCartDisabled":null,"addToCartDisabledMessage":null,"tags":null,"sapUnit":null,"keywords":null,"genders":null,"itemtype":"Part","partSubstitute":null,"note":null,"recallNote":null,"note1":null,"note2":null,"note3":null,"note4":null,"note5":null,"pdfAllUser":null,"pdfAuthUser":null,"pdfCOSUser":null,"vaiantRelatedPartList":null,"partHotspotList":null,"itemNumber":32,"partRelatedVariantList":null,"bomCode":6,"totalValue":null,"searchImage":null,"length":null,"width":null,"height":null,"unitOfDimension":null,"weight":null,"unitOfWeight":null,"specialRouting":false,"onlineRepair":null,"previousPartID":null,"sbdDiscountPriceValue":null,"alrCode":null,"productRecallFlag":null,"selectedDocumentId":null,"productDescription":null,"pdpImage":null,"ticketId":null,"qtyRequiredPerVariant":"1","isElgibleForRepair":null,"isPowerEligible":null,"productRecallNotes":null,"productOtherInfo":null,"backorderETA":"00/00/0000","modifiedDate":null,"userLevel":"ALL","displayPrice":null,"baseProductName":null,"firstVariantCode":null,"firstVariantImage":null,"productMarketType":null,"productNumber":null,"typeStatusCode":null,"productCategory":null,"typeNumber":null,"marketCode":null,"regionCode":null,"otherInformation":null,"productTypeStatus":null,"repairInstruction":null,"repairInstructionStatusDescription":null,"typeStatusDate":null,"serviceLifeDate":null,"manufacturerId":null,"parts":null,"language":null,"glossaries":null,"brand":null,"product":null,"brandCode":null,"recallNotes":null,"volume":null},{"code":"P532141226-CM","name":null,"url":"/c//p/P532141226-CM","description":"COVER SWITCH","purchasable":true,"stock":{"stockLevelStatus":{"code":"outOfStock","type":"StockLevelStatus"},"stockLevel":0,"stockThreshold":null},"futureStocks":null,"availableForPickup":null,"averageRating":null,"numberOfReviews":null,"summary":null,"manufacturer":null,"variantType":null,"price":{"currencyIso":"USD","value":3.1,"priceType":"BUY","formattedValue":"$3.10","minQuantity":null,"maxQuantity":null,"sapUnit":{"code":"pieces","name":"Piece"}},"baseProduct":null,"images":[],"categories":null,"reviews":null,"classifications":null,"potentialPromotions":null,"variantOptions":null,"baseOptions":[],"volumePricesFlag":null,"volumePrices":null,"productReferences":null,"variantMatrix":null,"priceRange":null,"firstCategoryNameList":null,"multidimensional":null,"configurable":false,"configuratorType":null,"addToCartDisabled":null,"addToCartDisabledMessage":null,"tags":null,"sapUnit":null,"keywords":null,"genders":null,"itemtype":"Part","partSubstitute":null,"note":null,"recallNote":null,"note1":null,"note2":null,"note3":null,"note4":null,"note5":null,"pdfAllUser":null,"pdfAuthUser":null,"pdfCOSUser":null,"vaiantRelatedPartList":null,"partHotspotList":null,"itemNumber":32,"partRelatedVariantList":null,"bomCode":2,"totalValue":null,"searchImage":null,"length":null,"width":null,"height":null,"unitOfDimension":null,"weight":null,"unitOfWeight":null,"specialRouting":false,"onlineRepair":null,"previousPartID":null,"sbdDiscountPriceValue":{"currencyIso":"USD","value":3.1,"priceType":"BUY","formattedValue":"$3.10","minQuantity":null,"maxQuantity":null,"sapUnit":{"code":"pieces","name":"Piece"}},"alrCode":null,"productRecallFlag":null,"selectedDocumentId":null,"productDescription":null,"pdpImage":null,"ticketId":null,"qtyRequiredPerVariant":"1","isElgibleForRepair":null,"isPowerEligible":null,"productRecallNotes":null,"productOtherInfo":null,"backorderETA":"00/00/0000","modifiedDate":null,"userLevel":"COS","displayPrice":null,"baseProductName":null,"firstVariantCode":null,"firstVariantImage":null,"productMarketType":null,"productNumber":null,"typeStatusCode":null,"productCategory":null,"typeNumber":null,"marketCode":null,"regionCode":null,"otherInformation":null,"productTypeStatus":null,"repairInstruction":null,"repairInstructionStatusDescription":null,"typeStatusDate":null,"serviceLifeDate":null,"manufacturerId":null,"parts":null,"language":null,"glossaries":null,"brand":null,"product":null,"brandCode":null,"recallNotes":null,"volume":null},{"code":"P532161696-CM","name":null,"url":"/c//p/P532161696-CM","description":"FUEL CAP/GAUGE","purchasable":true,"stock":{"stockLevelStatus":{"code":"outOfStock","type":"StockLevelStatus"},"stockLevel":0,"stockThreshold":null},"futureStocks":null,"availableForPickup":null,"averageRating":null,"numberOfReviews":null,"summary":null,"manufacturer":null,"variantType":null,"price":{"currencyIso":"USD","value":31.96,"priceType":"BUY","formattedValue":"$31.96","minQuantity":null,"maxQuantity":null,"sapUnit":{"code":"pieces","name":"Piece"}},"baseProduct":null,"images":[],"categories":null,"reviews":null,"classifications":null,"potentialPromotions":null,"variantOptions":null,"baseOptions":[],"volumePricesFlag":null,"volumePrices":null,"productReferences":null,"variantMatrix":null,"priceRange":null,"firstCategoryNameList":null,"multidimensional":null,"configurable":false,"configuratorType":null,"addToCartDisabled":null,"addToCartDisabledMessage":null,"tags":null,"sapUnit":null,"keywords":null,"genders":null,"itemtype":"Part","partSubstitute":null,"note":null,"recallNote":null,"note1":null,"note2":null,"note3":null,"note4":null,"note5":null,"pdfAllUser":null,"pdfAuthUser":null,"pdfCOSUser":null,"vaiantRelatedPartList":null,"partHotspotList":null,"itemNumber":32,"partRelatedVariantList":null,"bomCode":2,"totalValue":null,"searchImage":null,"length":null,"width":null,"height":null,"unitOfDimension":null,"weight":null,"unitOfWeight":null,"specialRouting":false,"onlineRepair":null,"previousPartID":null,"sbdDiscountPriceValue":{"currencyIso":"USD","value":31.96,"priceType":"BUY","formattedValue":"$31.96","minQuantity":null,"maxQuantity":null,"sapUnit":{"code":"pieces","name":"Piece"}},"alrCode":null,"productRecallFlag":null,"selectedDocumentId":null,"productDescription":null,"pdpImage":null,"ticketId":null,"qtyRequiredPerVariant":"1","isElgibleForRepair":null,"isPowerEligible":null,"productRecallNotes":null,"productOtherInfo":null,"backorderETA":"00/00/0000","modifiedDate":null,"userLevel":"COS","displayPrice":null,"baseProductName":null,"firstVariantCode":null,"firstVariantImage":null,"productMarketType":null,"productNumber":null,"typeStatusCode":null,"productCategory":null,"typeNumber":null,"marketCode":null,"regionCode":null,"otherInformation":null,"productTypeStatus":null,"repairInstruction":null,"repairInstructionStatusDescription":null,"typeStatusDate":null,"serviceLifeDate":null,"manufacturerId":null,"parts":null,"language":null,"glossaries":null,"brand":null,"product":null,"brandCode":null,"recallNotes":null,"volume":null},{"code":"P532192757-CM","name":null,"url":"/c//p/P532192757-CM","description":"ROD.TIE.WIRE.FORM","purchasable":true,"stock":{"stockLevelStatus":{"code":"outOfStock","type":"StockLevelStatus"},"stockLevel":0,"stockThreshold":null},"futureStocks":null,"availableForPickup":null,"averageRating":null,"numberOfReviews":null,"summary":null,"manufacturer":null,"variantType":null,"price":{"currencyIso":"USD","value":12.24,"priceType":"BUY","formattedValue":"$12.24","minQuantity":null,"maxQuantity":null,"sapUnit":{"code":"pieces","name":"Piece"}},"baseProduct":null,"images":[],"categories":null,"reviews":null,"classifications":null,"potentialPromotions":null,"variantOptions":null,"baseOptions":[],"volumePricesFlag":null,"volumePrices":null,"productReferences":null,"variantMatrix":null,"priceRange":null,"firstCategoryNameList":null,"multidimensional":null,"configurable":false,"configuratorType":null,"addToCartDisabled":null,"addToCartDisabledMessage":null,"tags":null,"sapUnit":null,"keywords":null,"genders":null,"itemtype":"Part","partSubstitute":null,"note":null,"recallNote":null,"note1":null,"note2":null,"note3":null,"note4":null,"note5":null,"pdfAllUser":null,"pdfAuthUser":null,"pdfCOSUser":null,"vaiantRelatedPartList":null,"partHotspotList":null,"itemNumber":32,"partRelatedVariantList":null,"bomCode":2,"totalValue":null,"searchImage":null,"length":null,"width":null,"height":null,"unitOfDimension":null,"weight":null,"unitOfWeight":null,"specialRouting":false,"onlineRepair":null,"previousPartID":null,"sbdDiscountPriceValue":{"currencyIso":"USD","value":12.24,"priceType":"BUY","formattedValue":"$12.24","minQuantity":null,"maxQuantity":null,"sapUnit":{"code":"pieces","name":"Piece"}},"alrCode":null,"productRecallFlag":null,"selectedDocumentId":null,"productDescription":null,"pdpImage":null,"ticketId":null,"qtyRequiredPerVariant":"1","isElgibleForRepair":null,"isPowerEligible":null,"productRecallNotes":null,"productOtherInfo":null,"backorderETA":"00/00/0000","modifiedDate":null,"userLevel":"COS","displayPrice":null,"baseProductName":null,"firstVariantCode":null,"firstVariantImage":null,"productMarketType":null,"productNumber":null,"typeStatusCode":null,"productCategory":null,"typeNumber":null,"marketCode":null,"regionCode":null,"otherInformation":null,"productTypeStatus":null,"repairInstruction":null,"repairInstructionStatusDescription":null,"typeStatusDate":null,"serviceLifeDate":null,"manufacturerId":null,"parts":null,"language":null,"glossaries":null,"brand":null,"product":null,"brandCode":null,"recallNotes":null,"volume":null},{"code":"P73540600-CM","name":null,"url":"/c//p/P73540600-CM","description":"NUT CROWN LOCK 3/8-24 UNF","purchasable":true,"stock":{"stockLevelStatus":{"code":"inStock","type":"StockLevelStatus"},"stockLevel":0,"stockThreshold":null},"futureStocks":null,"availableForPickup":null,"averageRating":null,"numberOfReviews":null,"summary":null,"manufacturer":null,"variantType":null,"price":{"currencyIso":"USD","value":1.43,"priceType":"BUY","formattedValue":"$1.43","minQuantity":null,"maxQuantity":null,"sapUnit":{"code":"pieces","name":"Piece"}},"baseProduct":null,"images":[],"categories":null,"reviews":null,"classifications":null,"potentialPromotions":null,"variantOptions":null,"baseOptions":[],"volumePricesFlag":null,"volumePrices":null,"productReferences":null,"variantMatrix":null,"priceRange":null,"firstCategoryNameList":null,"multidimensional":null,"configurable":false,"configuratorType":null,"addToCartDisabled":null,"addToCartDisabledMessage":null,"tags":null,"sapUnit":null,"keywords":null,"genders":null,"itemtype":"Part","partSubstitute":null,"note":null,"recallNote":null,"note1":null,"note2":null,"note3":null,"note4":null,"note5":null,"pdfAllUser":null,"pdfAuthUser":null,"pdfCOSUser":null,"vaiantRelatedPartList":null,"partHotspotList":null,"itemNumber":32,"partRelatedVariantList":null,"bomCode":2,"totalValue":null,"searchImage":null,"length":null,"width":null,"height":null,"unitOfDimension":null,"weight":null,"unitOfWeight":null,"specialRouting":false,"onlineRepair":null,"previousPartID":null,"sbdDiscountPriceValue":{"currencyIso":"USD","value":1.43,"priceType":"BUY","formattedValue":"$1.43","minQuantity":null,"maxQuantity":null,"sapUnit":{"code":"pieces","name":"Piece"}},"alrCode":null,"productRecallFlag":null,"selectedDocumentId":null,"productDescription":null,"pdpImage":null,"ticketId":null,"qtyRequiredPerVariant":"1","isElgibleForRepair":null,"isPowerEligible":null,"productRecallNotes":null,"productOtherInfo":null,"backorderETA":"00/00/0000","modifiedDate":null,"userLevel":"COS","displayPrice":null,"baseProductName":null,"firstVariantCode":null,"firstVariantImage":null,"productMarketType":null,"productNumber":null,"typeStatusCode":null,"productCategory":null,"typeNumber":null,"marketCode":null,"regionCode":null,"otherInformation":null,"productTypeStatus":null,"repairInstruction":null,"repairInstructionStatusDescription":null,"typeStatusDate":null,"serviceLifeDate":null,"manufacturerId":null,"parts":null,"language":null,"glossaries":null,"brand":null,"product":null,"brandCode":null,"recallNotes":null,"volume":null},{"code":"P123487X-CM","name":null,"url":"/c//p/P123487X-CM","description":"CLAMP HOSE","purchasable":true,"stock":{"stockLevelStatus":{"code":"inStock","type":"StockLevelStatus"},"stockLevel":0,"stockThreshold":null},"futureStocks":null,"availableForPickup":null,"averageRating":null,"numberOfReviews":null,"summary":null,"manufacturer":null,"variantType":null,"price":{"currencyIso":"USD","value":3.1,"priceType":"BUY","formattedValue":"$3.10","minQuantity":null,"maxQuantity":null,"sapUnit":{"code":"pieces","name":"Piece"}},"baseProduct":null,"images":[],"categories":null,"reviews":null,"classifications":null,"potentialPromotions":null,"variantOptions":null,"baseOptions":[],"volumePricesFlag":null,"volumePrices":null,"productReferences":null,"variantMatrix":null,"priceRange":null,"firstCategoryNameList":null,"multidimensional":null,"configurable":false,"configuratorType":null,"addToCartDisabled":null,"addToCartDisabledMessage":null,"tags":null,"sapUnit":null,"keywords":null,"genders":null,"itemtype":"Part","partSubstitute":null,"note":null,"recallNote":null,"note1":null,"note2":null,"note3":null,"note4":null,"note5":null,"pdfAllUser":null,"pdfAuthUser":null,"pdfCOSUser":null,"vaiantRelatedPartList":null,"partHotspotList":null,"itemNumber":33,"partRelatedVariantList":null,"bomCode":2,"totalValue":null,"searchImage":null,"length":null,"width":null,"height":null,"unitOfDimension":null,"weight":null,"unitOfWeight":null,"specialRouting":false,"onlineRepair":null,"previousPartID":null,"sbdDiscountPriceValue":{"currencyIso":"USD","value":3.1,"priceType":"BUY","formattedValue":"$3.10","minQuantity":null,"maxQuantity":null,"sapUnit":{"code":"pieces","name":"Piece"}},"alrCode":null,"productRecallFlag":null,"selectedDocumentId":null,"productDescription":null,"pdpImage":null,"ticketId":null,"qtyRequiredPerVariant":"1","isElgibleForRepair":null,"isPowerEligible":null,"productRecallNotes":null,"productOtherInfo":null,"backorderETA":"00/00/0000","modifiedDate":null,"userLevel":"COS","displayPrice":null,"baseProductName":null,"firstVariantCode":null,"firstVariantImage":null,"productMarketType":null,"productNumber":null,"typeStatusCode":null,"productCategory":null,"typeNumber":null,"marketCode":null,"regionCode":null,"otherInformation":null,"productTypeStatus":null,"repairInstruction":null,"repairInstructionStatusDescription":null,"typeStatusDate":null,"serviceLifeDate":null,"manufacturerId":null,"parts":null,"language":null,"glossaries":null,"brand":null,"product":null,"brandCode":null,"recallNotes":null,"volume":null},{"code":"P532139729-CM","name":null,"url":"/c//p/P532139729-CM","description":"KIT-NEST","purchasable":true,"stock":{"stockLevelStatus":{"code":"outOfStock","type":"StockLevelStatus"},"stockLevel":0,"stockThreshold":null},"futureStocks":null,"availableForPickup":null,"averageRating":null,"numberOfReviews":null,"summary":null,"manufacturer":null,"variantType":null,"price":{"currencyIso":"USD","value":4.25,"priceType":"BUY","formattedValue":"$4.25","minQuantity":null,"maxQuantity":null,"sapUnit":{"code":"pieces","name":"Piece"}},"baseProduct":null,"images":[],"categories":null,"reviews":null,"classifications":null,"potentialPromotions":null,"variantOptions":null,"baseOptions":[],"volumePricesFlag":null,"volumePrices":null,"productReferences":null,"variantMatrix":null,"priceRange":null,"firstCategoryNameList":null,"multidimensional":null,"configurable":false,"configuratorType":null,"addToCartDisabled":null,"addToCartDisabledMessage":null,"tags":null,"sapUnit":null,"keywords":null,"genders":null,"itemtype":"Part","partSubstitute":null,"note":null,"recallNote":null,"note1":null,"note2":null,"note3":null,"note4":null,"note5":null,"pdfAllUser":null,"pdfAuthUser":null,"pdfCOSUser":null,"vaiantRelatedPartList":null,"partHotspotList":null,"itemNumber":33,"partRelatedVariantList":null,"bomCode":2,"totalValue":null,"searchImage":null,"length":null,"width":null,"height":null,"unitOfDimension":null,"weight":null,"unitOfWeight":null,"specialRouting":false,"onlineRepair":null,"previousPartID":null,"sbdDiscountPriceValue":{"currencyIso":"USD","value":4.25,"priceType":"BUY","formattedValue":"$4.25","minQuantity":null,"maxQuantity":null,"sapUnit":{"code":"pieces","name":"Piece"}},"alrCode":null,"productRecallFlag":null,"selectedDocumentId":null,"productDescription":null,"pdpImage":null,"ticketId":null,"qtyRequiredPerVariant":"1","isElgibleForRepair":null,"isPowerEligible":null,"productRecallNotes":null,"productOtherInfo":null,"backorderETA":"00/00/0000","modifiedDate":null,"userLevel":"COS","displayPrice":null,"baseProductName":null,"firstVariantCode":null,"firstVariantImage":null,"productMarketType":null,"productNumber":null,"typeStatusCode":null,"productCategory":null,"typeNumber":null,"marketCode":null,"regionCode":null,"otherInformation":null,"productTypeStatus":null,"repairInstruction":null,"repairInstructionStatusDescription":null,"typeStatusDate":null,"serviceLifeDate":null,"manufacturerId":null,"parts":null,"language":null,"glossaries":null,"brand":null,"product":null,"brandCode":null,"recallNotes":null,"volume":null},{"code":"P583657601-CM","name":null,"url":"/c//p/P583657601-CM","description":"KEY MOLDED","purchasable":true,"stock":{"stockLevelStatus":{"code":"outOfStock","type":"StockLevelStatus"},"stockLevel":0,"stockThreshold":null},"futureStocks":null,"availableForPickup":null,"averageRating":null,"numberOfReviews":null,"summary":null,"manufacturer":null,"variantType":null,"price":{"currencyIso":"USD","value":3.3,"priceType":"BUY","formattedValue":"$3.30","minQuantity":null,"maxQuantity":null,"sapUnit":{"code":"pieces","name":"Piece"}},"baseProduct":null,"images":[],"categories":null,"reviews":null,"classifications":null,"potentialPromotions":null,"variantOptions":null,"baseOptions":[],"volumePricesFlag":null,"volumePrices":null,"productReferences":null,"variantMatrix":null,"priceRange":null,"firstCategoryNameList":null,"multidimensional":null,"configurable":false,"configuratorType":null,"addToCartDisabled":null,"addToCartDisabledMessage":null,"tags":null,"sapUnit":null,"keywords":null,"genders":null,"itemtype":"Part","partSubstitute":null,"note":null,"recallNote":null,"note1":null,"note2":null,"note3":null,"note4":null,"note5":null,"pdfAllUser":null,"pdfAuthUser":null,"pdfCOSUser":null,"vaiantRelatedPartList":null,"partHotspotList":null,"itemNumber":33,"partRelatedVariantList":null,"bomCode":2,"totalValue":null,"searchImage":null,"length":null,"width":null,"height":null,"unitOfDimension":null,"weight":null,"unitOfWeight":null,"specialRouting":false,"onlineRepair":null,"previousPartID":null,"sbdDiscountPriceValue":{"currencyIso":"USD","value":3.3,"priceType":"BUY","formattedValue":"$3.30","minQuantity":null,"maxQuantity":null,"sapUnit":{"code":"pieces","name":"Piece"}},"alrCode":null,"productRecallFlag":null,"selectedDocumentId":null,"productDescription":null,"pdpImage":null,"ticketId":null,"qtyRequiredPerVariant":"1","isElgibleForRepair":null,"isPowerEligible":null,"productRecallNotes":null,"productOtherInfo":null,"backorderETA":"00/00/0000","modifiedDate":null,"userLevel":"COS","displayPrice":null,"baseProductName":null,"firstVariantCode":null,"firstVariantImage":null,"productMarketType":null,"productNumber":null,"typeStatusCode":null,"productCategory":null,"typeNumber":null,"marketCode":null,"regionCode":null,"otherInformation":null,"productTypeStatus":null,"repairInstruction":null,"repairInstructionStatusDescription":null,"typeStatusDate":null,"serviceLifeDate":null,"manufacturerId":null,"parts":null,"language":null,"glossaries":null,"brand":null,"product":null,"brandCode":null,"recallNotes":null,"volume":null},{"code":"P532124965-CM","name":null,"url":"/c//p/P532124965-CM","description":"SPACER T","purchasable":true,"stock":{"stockLevelStatus":{"code":"outOfStock","type":"StockLevelStatus"},"stockLevel":0,"stockThreshold":null},"futureStocks":null,"availableForPickup":null,"averageRating":null,"numberOfReviews":null,"summary":null,"manufacturer":null,"variantType":null,"price":{"currencyIso":"USD","value":3.1,"priceType":"BUY","formattedValue":"$3.10","minQuantity":null,"maxQuantity":null,"sapUnit":{"code":"pieces","name":"Piece"}},"baseProduct":null,"images":[],"categories":null,"reviews":null,"classifications":null,"potentialPromotions":null,"variantOptions":null,"baseOptions":[],"volumePricesFlag":null,"volumePrices":null,"productReferences":null,"variantMatrix":null,"priceRange":null,"firstCategoryNameList":null,"multidimensional":null,"configurable":false,"configuratorType":null,"addToCartDisabled":null,"addToCartDisabledMessage":null,"tags":null,"sapUnit":null,"keywords":null,"genders":null,"itemtype":"Part","partSubstitute":null,"note":null,"recallNote":null,"note1":null,"note2":null,"note3":null,"note4":null,"note5":null,"pdfAllUser":null,"pdfAuthUser":null,"pdfCOSUser":null,"vaiantRelatedPartList":null,"partHotspotList":null,"itemNumber":40,"partRelatedVariantList":null,"bomCode":2,"totalValue":null,"searchImage":null,"length":null,"width":null,"height":null,"unitOfDimension":null,"weight":null,"unitOfWeight":null,"specialRouting":false,"onlineRepair":null,"previousPartID":null,"sbdDiscountPriceValue":{"currencyIso":"USD","value":3.1,"priceType":"BUY","formattedValue":"$3.10","minQuantity":null,"maxQuantity":null,"sapUnit":{"code":"pieces","name":"Piece"}},"alrCode":null,"productRecallFlag":null,"selectedDocumentId":null,"productDescription":null,"pdpImage":null,"ticketId":null,"qtyRequiredPerVariant":"1","isElgibleForRepair":null,"isPowerEligible":null,"productRecallNotes":null,"productOtherInfo":null,"backorderETA":"00/00/0000","modifiedDate":null,"userLevel":"COS","displayPrice":null,"baseProductName":null,"firstVariantCode":null,"firstVariantImage":null,"productMarketType":null,"productNumber":null,"typeStatusCode":null,"productCategory":null,"typeNumber":null,"marketCode":null,"regionCode":null,"otherInformation":null,"productTypeStatus":null,"repairInstruction":null,"repairInstructionStatusDescription":null,"typeStatusDate":null,"serviceLifeDate":null,"manufacturerId":null,"parts":null,"language":null,"glossaries":null,"brand":null,"product":null,"brandCode":null,"recallNotes":null,"volume":null},{"code":"P532166145-CM","name":null,"url":"/c//p/P532166145-CM","description":"IGNITION HAR","purchasable":true,"stock":{"stockLevelStatus":{"code":"outOfStock","type":"StockLevelStatus"},"stockLevel":0,"stockThreshold":null},"futureStocks":null,"availableForPickup":null,"averageRating":null,"numberOfReviews":null,"summary":null,"manufacturer":null,"variantType":null,"price":{"currencyIso":"USD","value":134.19,"priceType":"BUY","formattedValue":"$134.19","minQuantity":null,"maxQuantity":null,"sapUnit":{"code":"pieces","name":"Piece"}},"baseProduct":null,"images":[],"categories":null,"reviews":null,"classifications":null,"potentialPromotions":null,"variantOptions":null,"baseOptions":[],"volumePricesFlag":null,"volumePrices":null,"productReferences":null,"variantMatrix":null,"priceRange":null,"firstCategoryNameList":null,"multidimensional":null,"configurable":false,"configuratorType":null,"addToCartDisabled":null,"addToCartDisabledMessage":null,"tags":null,"sapUnit":null,"keywords":null,"genders":null,"itemtype":"Part","partSubstitute":null,"note":null,"recallNote":null,"note1":null,"note2":null,"note3":null,"note4":null,"note5":null,"pdfAllUser":null,"pdfAuthUser":null,"pdfCOSUser":null,"vaiantRelatedPartList":null,"partHotspotList":null,"itemNumber":40,"partRelatedVariantList":null,"bomCode":2,"totalValue":null,"searchImage":null,"length":null,"width":null,"height":null,"unitOfDimension":null,"weight":null,"unitOfWeight":null,"specialRouting":false,"onlineRepair":null,"previousPartID":null,"sbdDiscountPriceValue":{"currencyIso":"USD","value":134.19,"priceType":"BUY","formattedValue":"$134.19","minQuantity":null,"maxQuantity":null,"sapUnit":{"code":"pieces","name":"Piece"}},"alrCode":null,"productRecallFlag":null,"selectedDocumentId":null,"productDescription":null,"pdpImage":null,"ticketId":null,"qtyRequiredPerVariant":"1","isElgibleForRepair":null,"isPowerEligible":null,"productRecallNotes":null,"productOtherInfo":null,"backorderETA":"00/00/0000","modifiedDate":null,"userLevel":"COS","displayPrice":null,"baseProductName":null,"firstVariantCode":null,"firstVariantImage":null,"productMarketType":null,"productNumber":null,"typeStatusCode":null,"productCategory":null,"typeNumber":null,"marketCode":null,"regionCode":null,"otherInformation":null,"productTypeStatus":null,"repairInstruction":null,"repairInstructionStatusDescription":null,"typeStatusDate":null,"serviceLifeDate":null,"manufacturerId":null,"parts":null,"language":null,"glossaries":null,"brand":null,"product":null,"brandCode":null,"recallNotes":null,"volume":null},{"code":"P873930600-CM","name":null,"url":"/c//p/P873930600-CM","description":"LOCKNUT","purchasable":true,"stock":{"stockLevelStatus":{"code":"inStock","type":"StockLevelStatus"},"stockLevel":0,"stockThreshold":null},"futureStocks":null,"availableForPickup":null,"averageRating":null,"numberOfReviews":null,"summary":null,"manufacturer":null,"variantType":null,"price":{"currencyIso":"USD","value":2.67,"priceType":"BUY","formattedValue":"$2.67","minQuantity":null,"maxQuantity":null,"sapUnit":{"code":"pieces","name":"Piece"}},"baseProduct":null,"images":[],"categories":null,"reviews":null,"classifications":null,"potentialPromotions":null,"variantOptions":null,"baseOptions":[],"volumePricesFlag":null,"volumePrices":null,"productReferences":null,"variantMatrix":null,"priceRange":null,"firstCategoryNameList":null,"multidimensional":null,"configurable":false,"configuratorType":null,"addToCartDisabled":null,"addToCartDisabledMessage":null,"tags":null,"sapUnit":null,"keywords":null,"genders":null,"itemtype":"Part","partSubstitute":null,"note":null,"recallNote":null,"note1":null,"note2":null,"note3":null,"note4":null,"note5":null,"pdfAllUser":null,"pdfAuthUser":null,"pdfCOSUser":null,"vaiantRelatedPartList":null,"partHotspotList":null,"itemNumber":40,"partRelatedVariantList":null,"bomCode":2,"totalValue":null,"searchImage":null,"length":null,"width":null,"height":null,"unitOfDimension":null,"weight":null,"unitOfWeight":null,"specialRouting":false,"onlineRepair":null,"previousPartID":null,"sbdDiscountPriceValue":{"currencyIso":"USD","value":2.67,"priceType":"BUY","formattedValue":"$2.67","minQuantity":null,"maxQuantity":null,"sapUnit":{"code":"pieces","name":"Piece"}},"alrCode":null,"productRecallFlag":null,"selectedDocumentId":null,"productDescription":null,"pdpImage":null,"ticketId":null,"qtyRequiredPerVariant":"1","isElgibleForRepair":null,"isPowerEligible":null,"productRecallNotes":null,"productOtherInfo":null,"backorderETA":"00/00/0000","modifiedDate":null,"userLevel":"COS","displayPrice":null,"baseProductName":null,"firstVariantCode":null,"firstVariantImage":null,"productMarketType":null,"productNumber":null,"typeStatusCode":null,"productCategory":null,"typeNumber":null,"marketCode":null,"regionCode":null,"otherInformation":null,"productTypeStatus":null,"repairInstruction":null,"repairInstructionStatusDescription":null,"typeStatusDate":null,"serviceLifeDate":null,"manufacturerId":null,"parts":null,"language":null,"glossaries":null,"brand":null,"product":null,"brandCode":null,"recallNotes":null,"volume":null},{"code":"P873930600-CM","name":null,"url":"/c//p/P873930600-CM","description":"LOCKNUT","purchasable":true,"stock":{"stockLevelStatus":{"code":"inStock","type":"StockLevelStatus"},"stockLevel":0,"stockThreshold":null},"futureStocks":null,"availableForPickup":null,"averageRating":null,"numberOfReviews":null,"summary":null,"manufacturer":null,"variantType":null,"price":{"currencyIso":"USD","value":2.67,"priceType":"BUY","formattedValue":"$2.67","minQuantity":null,"maxQuantity":null,"sapUnit":{"code":"pieces","name":"Piece"}},"baseProduct":null,"images":[],"categories":null,"reviews":null,"classifications":null,"potentialPromotions":null,"variantOptions":null,"baseOptions":[],"volumePricesFlag":null,"volumePrices":null,"productReferences":null,"variantMatrix":null,"priceRange":null,"firstCategoryNameList":null,"multidimensional":null,"configurable":false,"configuratorType":null,"addToCartDisabled":null,"addToCartDisabledMessage":null,"tags":null,"sapUnit":null,"keywords":null,"genders":null,"itemtype":"Part","partSubstitute":null,"note":null,"recallNote":null,"note1":null,"note2":null,"note3":null,"note4":null,"note5":null,"pdfAllUser":null,"pdfAuthUser":null,"pdfCOSUser":null,"vaiantRelatedPartList":null,"partHotspotList":null,"itemNumber":40,"partRelatedVariantList":null,"bomCode":2,"totalValue":null,"searchImage":null,"length":null,"width":null,"height":null,"unitOfDimension":null,"weight":null,"unitOfWeight":null,"specialRouting":false,"onlineRepair":null,"previousPartID":null,"sbdDiscountPriceValue":{"currencyIso":"USD","value":2.67,"priceType":"BUY","formattedValue":"$2.67","minQuantity":null,"maxQuantity":null,"sapUnit":{"code":"pieces","name":"Piece"}},"alrCode":null,"productRecallFlag":null,"selectedDocumentId":null,"productDescription":null,"pdpImage":null,"ticketId":null,"qtyRequiredPerVariant":"1","isElgibleForRepair":null,"isPowerEligible":null,"productRecallNotes":null,"productOtherInfo":null,"backorderETA":"00/00/0000","modifiedDate":null,"userLevel":"COS","displayPrice":null,"baseProductName":null,"firstVariantCode":null,"firstVariantImage":null,"productMarketType":null,"productNumber":null,"typeStatusCode":null,"productCategory":null,"typeNumber":null,"marketCode":null,"regionCode":null,"otherInformation":null,"productTypeStatus":null,"repairInstruction":null,"repairInstructionStatusDescription":null,"typeStatusDate":null,"serviceLifeDate":null,"manufacturerId":null,"parts":null,"language":null,"glossaries":null,"brand":null,"product":null,"brandCode":null,"recallNotes":null,"volume":null},{"code":"P873930600-CM","name":null,"url":"/c//p/P873930600-CM","description":"LOCKNUT","purchasable":true,"stock":{"stockLevelStatus":{"code":"inStock","type":"StockLevelStatus"},"stockLevel":0,"stockThreshold":null},"futureStocks":null,"availableForPickup":null,"averageRating":null,"numberOfReviews":null,"summary":null,"manufacturer":null,"variantType":null,"price":{"currencyIso":"USD","value":2.67,"priceType":"BUY","formattedValue":"$2.67","minQuantity":null,"maxQuantity":null,"sapUnit":{"code":"pieces","name":"Piece"}},"baseProduct":null,"images":[],"categories":null,"reviews":null,"classifications":null,"potentialPromotions":null,"variantOptions":null,"baseOptions":[],"volumePricesFlag":null,"volumePrices":null,"productReferences":null,"variantMatrix":null,"priceRange":null,"firstCategoryNameList":null,"multidimensional":null,"configurable":false,"configuratorType":null,"addToCartDisabled":null,"addToCartDisabledMessage":null,"tags":null,"sapUnit":null,"keywords":null,"genders":null,"itemtype":"Part","partSubstitute":null,"note":null,"recallNote":null,"note1":null,"note2":null,"note3":null,"note4":null,"note5":null,"pdfAllUser":null,"pdfAuthUser":null,"pdfCOSUser":null,"vaiantRelatedPartList":null,"partHotspotList":null,"itemNumber":40,"partRelatedVariantList":null,"bomCode":2,"totalValue":null,"searchImage":null,"length":null,"width":null,"height":null,"unitOfDimension":null,"weight":null,"unitOfWeight":null,"specialRouting":false,"onlineRepair":null,"previousPartID":null,"sbdDiscountPriceValue":{"currencyIso":"USD","value":2.67,"priceType":"BUY","formattedValue":"$2.67","minQuantity":null,"maxQuantity":null,"sapUnit":{"code":"pieces","name":"Piece"}},"alrCode":null,"productRecallFlag":null,"selectedDocumentId":null,"productDescription":null,"pdpImage":null,"ticketId":null,"qtyRequiredPerVariant":"1","isElgibleForRepair":null,"isPowerEligible":null,"productRecallNotes":null,"productOtherInfo":null,"backorderETA":"00/00/0000","modifiedDate":null,"userLevel":"COS","displayPrice":null,"baseProductName":null,"firstVariantCode":null,"firstVariantImage":null,"productMarketType":null,"productNumber":null,"typeStatusCode":null,"productCategory":null,"typeNumber":null,"marketCode":null,"regionCode":null,"otherInformation":null,"productTypeStatus":null,"repairInstruction":null,"repairInstructionStatusDescription":null,"typeStatusDate":null,"serviceLifeDate":null,"manufacturerId":null,"parts":null,"language":null,"glossaries":null,"brand":null,"product":null,"brandCode":null,"recallNotes":null,"volume":null},{"code":"P873930600-CM","name":null,"url":"/c//p/P873930600-CM","description":"LOCKNUT","purchasable":true,"stock":{"stockLevelStatus":{"code":"inStock","type":"StockLevelStatus"},"stockLevel":0,"stockThreshold":null},"futureStocks":null,"availableForPickup":null,"averageRating":null,"numberOfReviews":null,"summary":null,"manufacturer":null,"variantType":null,"price":{"currencyIso":"USD","value":2.67,"priceType":"BUY","formattedValue":"$2.67","minQuantity":null,"maxQuantity":null,"sapUnit":{"code":"pieces","name":"Piece"}},"baseProduct":null,"images":[],"categories":null,"reviews":null,"classifications":null,"potentialPromotions":null,"variantOptions":null,"baseOptions":[],"volumePricesFlag":null,"volumePrices":null,"productReferences":null,"variantMatrix":null,"priceRange":null,"firstCategoryNameList":null,"multidimensional":null,"configurable":false,"configuratorType":null,"addToCartDisabled":null,"addToCartDisabledMessage":null,"tags":null,"sapUnit":null,"keywords":null,"genders":null,"itemtype":"Part","partSubstitute":null,"note":null,"recallNote":null,"note1":null,"note2":null,"note3":null,"note4":null,"note5":null,"pdfAllUser":null,"pdfAuthUser":null,"pdfCOSUser":null,"vaiantRelatedPartList":null,"partHotspotList":null,"itemNumber":40,"partRelatedVariantList":null,"bomCode":2,"totalValue":null,"searchImage":null,"length":null,"width":null,"height":null,"unitOfDimension":null,"weight":null,"unitOfWeight":null,"specialRouting":false,"onlineRepair":null,"previousPartID":null,"sbdDiscountPriceValue":{"currencyIso":"USD","value":2.67,"priceType":"BUY","formattedValue":"$2.67","minQuantity":null,"maxQuantity":null,"sapUnit":{"code":"pieces","name":"Piece"}},"alrCode":null,"productRecallFlag":null,"selectedDocumentId":null,"productDescription":null,"pdpImage":null,"ticketId":null,"qtyRequiredPerVariant":"1","isElgibleForRepair":null,"isPowerEligible":null,"productRecallNotes":null,"productOtherInfo":null,"backorderETA":"00/00/0000","modifiedDate":null,"userLevel":"COS","displayPrice":null,"baseProductName":null,"firstVariantCode":null,"firstVariantImage":null,"productMarketType":null,"productNumber":null,"typeStatusCode":null,"productCategory":null,"typeNumber":null,"marketCode":null,"regionCode":null,"otherInformation":null,"productTypeStatus":null,"repairInstruction":null,"repairInstructionStatusDescription":null,"typeStatusDate":null,"serviceLifeDate":null,"manufacturerId":null,"parts":null,"language":null,"glossaries":null,"brand":null,"product":null,"brandCode":null,"recallNotes":null,"volume":null},{"code":"P532133551-CM","name":null,"url":"/c//p/P532133551-CM","description":"PIVOT ROD","purchasable":true,"stock":{"stockLevelStatus":{"code":"outOfStock","type":"StockLevelStatus"},"stockLevel":0,"stockThreshold":null},"futureStocks":null,"availableForPickup":null,"averageRating":null,"numberOfReviews":null,"summary":null,"manufacturer":null,"variantType":null,"price":{"currencyIso":"USD","value":4.39,"priceType":"BUY","formattedValue":"$4.39","minQuantity":null,"maxQuantity":null,"sapUnit":{"code":"pieces","name":"Piece"}},"baseProduct":null,"images":[],"categories":null,"reviews":null,"classifications":null,"potentialPromotions":null,"variantOptions":null,"baseOptions":[],"volumePricesFlag":null,"volumePrices":null,"productReferences":null,"variantMatrix":null,"priceRange":null,"firstCategoryNameList":null,"multidimensional":null,"configurable":false,"configuratorType":null,"addToCartDisabled":null,"addToCartDisabledMessage":null,"tags":null,"sapUnit":null,"keywords":null,"genders":null,"itemtype":"Part","partSubstitute":null,"note":null,"recallNote":null,"note1":null,"note2":null,"note3":null,"note4":null,"note5":null,"pdfAllUser":null,"pdfAuthUser":null,"pdfCOSUser":null,"vaiantRelatedPartList":null,"partHotspotList":null,"itemNumber":41,"partRelatedVariantList":null,"bomCode":2,"totalValue":null,"searchImage":null,"length":null,"width":null,"height":null,"unitOfDimension":null,"weight":null,"unitOfWeight":null,"specialRouting":false,"onlineRepair":null,"previousPartID":null,"sbdDiscountPriceValue":{"currencyIso":"USD","value":4.39,"priceType":"BUY","formattedValue":"$4.39","minQuantity":null,"maxQuantity":null,"sapUnit":{"code":"pieces","name":"Piece"}},"alrCode":null,"productRecallFlag":null,"selectedDocumentId":null,"productDescription":null,"pdpImage":null,"ticketId":null,"qtyRequiredPerVariant":"1","isElgibleForRepair":null,"isPowerEligible":null,"productRecallNotes":null,"productOtherInfo":null,"backorderETA":"00/00/0000","modifiedDate":null,"userLevel":"COS","displayPrice":null,"baseProductName":null,"firstVariantCode":null,"firstVariantImage":null,"productMarketType":null,"productNumber":null,"typeStatusCode":null,"productCategory":null,"typeNumber":null,"marketCode":null,"regionCode":null,"otherInformation":null,"productTypeStatus":null,"repairInstruction":null,"repairInstructionStatusDescription":null,"typeStatusDate":null,"serviceLifeDate":null,"manufacturerId":null,"parts":null,"language":null,"glossaries":null,"brand":null,"product":null,"brandCode":null,"recallNotes":null,"volume":null},{"code":"P539990071-CM","name":null,"url":"/c//p/P539990071-CM","description":"HCS.1/4-20.X","purchasable":true,"stock":{"stockLevelStatus":{"code":"outOfStock","type":"StockLevelStatus"},"stockLevel":0,"stockThreshold":null},"futureStocks":null,"availableForPickup":null,"averageRating":null,"numberOfReviews":null,"summary":null,"manufacturer":null,"variantType":null,"price":{"currencyIso":"USD","value":1.05,"priceType":"BUY","formattedValue":"$1.05","minQuantity":null,"maxQuantity":null,"sapUnit":{"code":"pieces","name":"Piece"}},"baseProduct":null,"images":[],"categories":null,"reviews":null,"classifications":null,"potentialPromotions":null,"variantOptions":null,"baseOptions":[],"volumePricesFlag":null,"volumePrices":null,"productReferences":null,"variantMatrix":null,"priceRange":null,"firstCategoryNameList":null,"multidimensional":null,"configurable":false,"configuratorType":null,"addToCartDisabled":null,"addToCartDisabledMessage":null,"tags":null,"sapUnit":null,"keywords":null,"genders":null,"itemtype":"Part","partSubstitute":null,"note":null,"recallNote":null,"note1":null,"note2":null,"note3":null,"note4":null,"note5":null,"pdfAllUser":null,"pdfAuthUser":null,"pdfCOSUser":null,"vaiantRelatedPartList":null,"partHotspotList":null,"itemNumber":41,"partRelatedVariantList":null,"bomCode":2,"totalValue":null,"searchImage":null,"length":null,"width":null,"height":null,"unitOfDimension":null,"weight":null,"unitOfWeight":null,"specialRouting":false,"onlineRepair":null,"previousPartID":null,"sbdDiscountPriceValue":{"currencyIso":"USD","value":1.05,"priceType":"BUY","formattedValue":"$1.05","minQuantity":null,"maxQuantity":null,"sapUnit":{"code":"pieces","name":"Piece"}},"alrCode":null,"productRecallFlag":null,"selectedDocumentId":null,"productDescription":null,"pdpImage":null,"ticketId":null,"qtyRequiredPerVariant":"1","isElgibleForRepair":null,"isPowerEligible":null,"productRecallNotes":null,"productOtherInfo":null,"backorderETA":"00/00/0000","modifiedDate":null,"userLevel":"COS","displayPrice":null,"baseProductName":null,"firstVariantCode":null,"firstVariantImage":null,"productMarketType":null,"productNumber":null,"typeStatusCode":null,"productCategory":null,"typeNumber":null,"marketCode":null,"regionCode":null,"otherInformation":null,"productTypeStatus":null,"repairInstruction":null,"repairInstructionStatusDescription":null,"typeStatusDate":null,"serviceLifeDate":null,"manufacturerId":null,"parts":null,"language":null,"glossaries":null,"brand":null,"product":null,"brandCode":null,"recallNotes":null,"volume":null},{"code":"P71110408-CM","name":null,"url":"/c//p/P71110408-CM","description":"BOLT","purchasable":false,"stock":{"stockLevelStatus":{"code":"outOfStock","type":"StockLevelStatus"},"stockLevel":0,"stockThreshold":null},"futureStocks":null,"availableForPickup":null,"averageRating":null,"numberOfReviews":null,"summary":null,"manufacturer":null,"variantType":null,"price":null,"baseProduct":null,"images":[],"categories":null,"reviews":null,"classifications":null,"potentialPromotions":null,"variantOptions":null,"baseOptions":[],"volumePricesFlag":null,"volumePrices":null,"productReferences":null,"variantMatrix":null,"priceRange":null,"firstCategoryNameList":null,"multidimensional":null,"configurable":false,"configuratorType":null,"addToCartDisabled":null,"addToCartDisabledMessage":null,"tags":null,"sapUnit":null,"keywords":null,"genders":null,"itemtype":"Part","partSubstitute":null,"note":null,"recallNote":null,"note1":null,"note2":null,"note3":null,"note4":null,"note5":null,"pdfAllUser":null,"pdfAuthUser":null,"pdfCOSUser":null,"vaiantRelatedPartList":null,"partHotspotList":null,"itemNumber":41,"partRelatedVariantList":null,"bomCode":4,"totalValue":null,"searchImage":null,"length":null,"width":null,"height":null,"unitOfDimension":null,"weight":null,"unitOfWeight":null,"specialRouting":false,"onlineRepair":null,"previousPartID":null,"sbdDiscountPriceValue":null,"alrCode":null,"productRecallFlag":null,"selectedDocumentId":null,"productDescription":null,"pdpImage":null,"ticketId":null,"qtyRequiredPerVariant":"1","isElgibleForRepair":null,"isPowerEligible":null,"productRecallNotes":null,"productOtherInfo":null,"backorderETA":null,"modifiedDate":null,"userLevel":"COS","displayPrice":null,"baseProductName":null,"firstVariantCode":null,"firstVariantImage":null,"productMarketType":null,"productNumber":null,"typeStatusCode":null,"productCategory":null,"typeNumber":null,"marketCode":null,"regionCode":null,"otherInformation":null,"productTypeStatus":null,"repairInstruction":null,"repairInstructionStatusDescription":null,"typeStatusDate":null,"serviceLifeDate":null,"manufacturerId":null,"parts":null,"language":null,"glossaries":null,"brand":null,"product":null,"brandCode":null,"recallNotes":null,"volume":null},{"code":"P532154336-CM","name":null,"url":"/c//p/P532154336-CM","description":"COVER.TERMINAL.RED","purchasable":true,"stock":{"stockLevelStatus":{"code":"inStock","type":"StockLevelStatus"},"stockLevel":0,"stockThreshold":null},"futureStocks":null,"availableForPickup":null,"averageRating":null,"numberOfReviews":null,"summary":null,"manufacturer":null,"variantType":null,"price":{"currencyIso":"USD","value":3.84,"priceType":"BUY","formattedValue":"$3.84","minQuantity":null,"maxQuantity":null,"sapUnit":{"code":"pieces","name":"Piece"}},"baseProduct":null,"images":[],"categories":null,"reviews":null,"classifications":null,"potentialPromotions":null,"variantOptions":null,"baseOptions":[],"volumePricesFlag":null,"volumePrices":null,"productReferences":null,"variantMatrix":null,"priceRange":null,"firstCategoryNameList":null,"multidimensional":null,"configurable":false,"configuratorType":null,"addToCartDisabled":null,"addToCartDisabledMessage":null,"tags":null,"sapUnit":null,"keywords":null,"genders":null,"itemtype":"Part","partSubstitute":null,"note":null,"recallNote":null,"note1":null,"note2":null,"note3":null,"note4":null,"note5":null,"pdfAllUser":null,"pdfAuthUser":null,"pdfCOSUser":null,"vaiantRelatedPartList":null,"partHotspotList":null,"itemNumber":42,"partRelatedVariantList":null,"bomCode":2,"totalValue":null,"searchImage":null,"length":null,"width":null,"height":null,"unitOfDimension":null,"weight":null,"unitOfWeight":null,"specialRouting":false,"onlineRepair":null,"previousPartID":null,"sbdDiscountPriceValue":{"currencyIso":"USD","value":3.84,"priceType":"BUY","formattedValue":"$3.84","minQuantity":null,"maxQuantity":null,"sapUnit":{"code":"pieces","name":"Piece"}},"alrCode":null,"productRecallFlag":null,"selectedDocumentId":null,"productDescription":null,"pdpImage":null,"ticketId":null,"qtyRequiredPerVariant":"1","isElgibleForRepair":null,"isPowerEligible":null,"productRecallNotes":null,"productOtherInfo":null,"backorderETA":"00/00/0000","modifiedDate":null,"userLevel":"COS","displayPrice":null,"baseProductName":null,"firstVariantCode":null,"firstVariantImage":null,"productMarketType":null,"productNumber":null,"typeStatusCode":null,"productCategory":null,"typeNumber":null,"marketCode":null,"regionCode":null,"otherInformation":null,"productTypeStatus":null,"repairInstruction":null,"repairInstructionStatusDescription":null,"typeStatusDate":null,"serviceLifeDate":null,"manufacturerId":null,"parts":null,"language":null,"glossaries":null,"brand":null,"product":null,"brandCode":null,"recallNotes":null,"volume":null},{"code":"P532169633-CM","name":null,"url":"/c//p/P532169633-CM","description":"BOOT.STEERING.SHAFT.","purchasable":true,"stock":{"stockLevelStatus":{"code":"outOfStock","type":"StockLevelStatus"},"stockLevel":0,"stockThreshold":null},"futureStocks":null,"availableForPickup":null,"averageRating":null,"numberOfReviews":null,"summary":null,"manufacturer":null,"variantType":null,"price":{"currencyIso":"USD","value":5.29,"priceType":"BUY","formattedValue":"$5.29","minQuantity":null,"maxQuantity":null,"sapUnit":{"code":"pieces","name":"Piece"}},"baseProduct":null,"images":[],"categories":null,"reviews":null,"classifications":null,"potentialPromotions":null,"variantOptions":null,"baseOptions":[],"volumePricesFlag":null,"volumePrices":null,"productReferences":null,"variantMatrix":null,"priceRange":null,"firstCategoryNameList":null,"multidimensional":null,"configurable":false,"configuratorType":null,"addToCartDisabled":null,"addToCartDisabledMessage":null,"tags":null,"sapUnit":null,"keywords":null,"genders":null,"itemtype":"Part","partSubstitute":null,"note":null,"recallNote":null,"note1":null,"note2":null,"note3":null,"note4":null,"note5":null,"pdfAllUser":null,"pdfAuthUser":null,"pdfCOSUser":null,"vaiantRelatedPartList":null,"partHotspotList":null,"itemNumber":42,"partRelatedVariantList":null,"bomCode":2,"totalValue":null,"searchImage":null,"length":null,"width":null,"height":null,"unitOfDimension":null,"weight":null,"unitOfWeight":null,"specialRouting":false,"onlineRepair":null,"previousPartID":null,"sbdDiscountPriceValue":{"currencyIso":"USD","value":5.29,"priceType":"BUY","formattedValue":"$5.29","minQuantity":null,"maxQuantity":null,"sapUnit":{"code":"pieces","name":"Piece"}},"alrCode":null,"productRecallFlag":null,"selectedDocumentId":null,"productDescription":null,"pdpImage":null,"ticketId":null,"qtyRequiredPerVariant":"1","isElgibleForRepair":null,"isPowerEligible":null,"productRecallNotes":null,"productOtherInfo":null,"backorderETA":"00/00/0000","modifiedDate":null,"userLevel":"COS","displayPrice":null,"baseProductName":null,"firstVariantCode":null,"firstVariantImage":null,"productMarketType":null,"productNumber":null,"typeStatusCode":null,"productCategory":null,"typeNumber":null,"marketCode":null,"regionCode":null,"otherInformation":null,"productTypeStatus":null,"repairInstruction":null,"repairInstructionStatusDescription":null,"typeStatusDate":null,"serviceLifeDate":null,"manufacturerId":null,"parts":null,"language":null,"glossaries":null,"brand":null,"product":null,"brandCode":null,"recallNotes":null,"volume":null},{"code":"P582732501-CM","name":null,"url":"/c//p/P582732501-CM","description":"WASHER 13/32 X 13/16 X 12 GA.","purchasable":true,"stock":{"stockLevelStatus":{"code":"inStock","type":"StockLevelStatus"},"stockLevel":0,"stockThreshold":null},"futureStocks":null,"availableForPickup":null,"averageRating":null,"numberOfReviews":null,"summary":null,"manufacturer":null,"variantType":null,"price":{"currencyIso":"USD","value":3.1,"priceType":"BUY","formattedValue":"$3.10","minQuantity":null,"maxQuantity":null,"sapUnit":{"code":"pieces","name":"Piece"}},"baseProduct":null,"images":[],"categories":null,"reviews":null,"classifications":null,"potentialPromotions":null,"variantOptions":null,"baseOptions":[],"volumePricesFlag":null,"volumePrices":null,"productReferences":null,"variantMatrix":null,"priceRange":null,"firstCategoryNameList":null,"multidimensional":null,"configurable":false,"configuratorType":null,"addToCartDisabled":null,"addToCartDisabledMessage":null,"tags":null,"sapUnit":null,"keywords":null,"genders":null,"itemtype":"Part","partSubstitute":null,"note":null,"recallNote":null,"note1":null,"note2":null,"note3":null,"note4":null,"note5":null,"pdfAllUser":null,"pdfAuthUser":null,"pdfCOSUser":null,"vaiantRelatedPartList":null,"partHotspotList":null,"itemNumber":42,"partRelatedVariantList":null,"bomCode":2,"totalValue":null,"searchImage":null,"length":null,"width":null,"height":null,"unitOfDimension":null,"weight":null,"unitOfWeight":null,"specialRouting":false,"onlineRepair":null,"previousPartID":null,"sbdDiscountPriceValue":{"currencyIso":"USD","value":3.1,"priceType":"BUY","formattedValue":"$3.10","minQuantity":null,"maxQuantity":null,"sapUnit":{"code":"pieces","name":"Piece"}},"alrCode":null,"productRecallFlag":null,"selectedDocumentId":null,"productDescription":null,"pdpImage":null,"ticketId":null,"qtyRequiredPerVariant":"1","isElgibleForRepair":null,"isPowerEligible":null,"productRecallNotes":null,"productOtherInfo":null,"backorderETA":"00/00/0000","modifiedDate":null,"userLevel":"COS","displayPrice":null,"baseProductName":null,"firstVariantCode":null,"firstVariantImage":null,"productMarketType":null,"productNumber":null,"typeStatusCode":null,"productCategory":null,"typeNumber":null,"marketCode":null,"regionCode":null,"otherInformation":null,"productTypeStatus":null,"repairInstruction":null,"repairInstructionStatusDescription":null,"typeStatusDate":null,"serviceLifeDate":null,"manufacturerId":null,"parts":null,"language":null,"glossaries":null,"brand":null,"product":null,"brandCode":null,"recallNotes":null,"volume":null},{"code":"P582732501-CM","name":null,"url":"/c//p/P582732501-CM","description":"WASHER 13/32 X 13/16 X 12 GA.","purchasable":true,"stock":{"stockLevelStatus":{"code":"inStock","type":"StockLevelStatus"},"stockLevel":0,"stockThreshold":null},"futureStocks":null,"availableForPickup":null,"averageRating":null,"numberOfReviews":null,"summary":null,"manufacturer":null,"variantType":null,"price":{"currencyIso":"USD","value":3.1,"priceType":"BUY","formattedValue":"$3.10","minQuantity":null,"maxQuantity":null,"sapUnit":{"code":"pieces","name":"Piece"}},"baseProduct":null,"images":[],"categories":null,"reviews":null,"classifications":null,"potentialPromotions":null,"variantOptions":null,"baseOptions":[],"volumePricesFlag":null,"volumePrices":null,"productReferences":null,"variantMatrix":null,"priceRange":null,"firstCategoryNameList":null,"multidimensional":null,"configurable":false,"configuratorType":null,"addToCartDisabled":null,"addToCartDisabledMessage":null,"tags":null,"sapUnit":null,"keywords":null,"genders":null,"itemtype":"Part","partSubstitute":null,"note":null,"recallNote":null,"note1":null,"note2":null,"note3":null,"note4":null,"note5":null,"pdfAllUser":null,"pdfAuthUser":null,"pdfCOSUser":null,"vaiantRelatedPartList":null,"partHotspotList":null,"itemNumber":42,"partRelatedVariantList":null,"bomCode":2,"totalValue":null,"searchImage":null,"length":null,"width":null,"height":null,"unitOfDimension":null,"weight":null,"unitOfWeight":null,"specialRouting":false,"onlineRepair":null,"previousPartID":null,"sbdDiscountPriceValue":{"currencyIso":"USD","value":3.1,"priceType":"BUY","formattedValue":"$3.10","minQuantity":null,"maxQuantity":null,"sapUnit":{"code":"pieces","name":"Piece"}},"alrCode":null,"productRecallFlag":null,"selectedDocumentId":null,"productDescription":null,"pdpImage":null,"ticketId":null,"qtyRequiredPerVariant":"1","isElgibleForRepair":null,"isPowerEligible":null,"productRecallNotes":null,"productOtherInfo":null,"backorderETA":"00/00/0000","modifiedDate":null,"userLevel":"COS","displayPrice":null,"baseProductName":null,"firstVariantCode":null,"firstVariantImage":null,"productMarketType":null,"productNumber":null,"typeStatusCode":null,"productCategory":null,"typeNumber":null,"marketCode":null,"regionCode":null,"otherInformation":null,"productTypeStatus":null,"repairInstruction":null,"repairInstructionStatusDescription":null,"typeStatusDate":null,"serviceLifeDate":null,"manufacturerId":null,"parts":null,"language":null,"glossaries":null,"brand":null,"product":null,"brandCode":null,"recallNotes":null,"volume":null},{"code":"P582732501-CM","name":null,"url":"/c//p/P582732501-CM","description":"WASHER 13/32 X 13/16 X 12 GA.","purchasable":true,"stock":{"stockLevelStatus":{"code":"inStock","type":"StockLevelStatus"},"stockLevel":0,"stockThreshold":null},"futureStocks":null,"availableForPickup":null,"averageRating":null,"numberOfReviews":null,"summary":null,"manufacturer":null,"variantType":null,"price":{"currencyIso":"USD","value":3.1,"priceType":"BUY","formattedValue":"$3.10","minQuantity":null,"maxQuantity":null,"sapUnit":{"code":"pieces","name":"Piece"}},"baseProduct":null,"images":[],"categories":null,"reviews":null,"classifications":null,"potentialPromotions":null,"variantOptions":null,"baseOptions":[],"volumePricesFlag":null,"volumePrices":null,"productReferences":null,"variantMatrix":null,"priceRange":null,"firstCategoryNameList":null,"multidimensional":null,"configurable":false,"configuratorType":null,"addToCartDisabled":null,"addToCartDisabledMessage":null,"tags":null,"sapUnit":null,"keywords":null,"genders":null,"itemtype":"Part","partSubstitute":null,"note":null,"recallNote":null,"note1":null,"note2":null,"note3":null,"note4":null,"note5":null,"pdfAllUser":null,"pdfAuthUser":null,"pdfCOSUser":null,"vaiantRelatedPartList":null,"partHotspotList":null,"itemNumber":42,"partRelatedVariantList":null,"bomCode":2,"totalValue":null,"searchImage":null,"length":null,"width":null,"height":null,"unitOfDimension":null,"weight":null,"unitOfWeight":null,"specialRouting":false,"onlineRepair":null,"previousPartID":null,"sbdDiscountPriceValue":{"currencyIso":"USD","value":3.1,"priceType":"BUY","formattedValue":"$3.10","minQuantity":null,"maxQuantity":null,"sapUnit":{"code":"pieces","name":"Piece"}},"alrCode":null,"productRecallFlag":null,"selectedDocumentId":null,"productDescription":null,"pdpImage":null,"ticketId":null,"qtyRequiredPerVariant":"1","isElgibleForRepair":null,"isPowerEligible":null,"productRecallNotes":null,"productOtherInfo":null,"backorderETA":"00/00/0000","modifiedDate":null,"userLevel":"COS","displayPrice":null,"baseProductName":null,"firstVariantCode":null,"firstVariantImage":null,"productMarketType":null,"productNumber":null,"typeStatusCode":null,"productCategory":null,"typeNumber":null,"marketCode":null,"regionCode":null,"otherInformation":null,"productTypeStatus":null,"repairInstruction":null,"repairInstructionStatusDescription":null,"typeStatusDate":null,"serviceLifeDate":null,"manufacturerId":null,"parts":null,"language":null,"glossaries":null,"brand":null,"product":null,"brandCode":null,"recallNotes":null,"volume":null},{"code":"P121749X-CM","name":null,"url":"/c//p/P121749X-CM","description":"WASHER 25/32 X 1-1/4 X 16 GA.","purchasable":true,"stock":{"stockLevelStatus":{"code":"inStock","type":"StockLevelStatus"},"stockLevel":0,"stockThreshold":null},"futureStocks":null,"availableForPickup":null,"averageRating":null,"numberOfReviews":null,"summary":null,"manufacturer":null,"variantType":null,"price":{"currencyIso":"USD","value":2.09,"priceType":"BUY","formattedValue":"$2.09","minQuantity":null,"maxQuantity":null,"sapUnit":{"code":"pieces","name":"Piece"}},"baseProduct":null,"images":[],"categories":null,"reviews":null,"classifications":null,"potentialPromotions":null,"variantOptions":null,"baseOptions":[],"volumePricesFlag":null,"volumePrices":null,"productReferences":null,"variantMatrix":null,"priceRange":null,"firstCategoryNameList":null,"multidimensional":null,"configurable":false,"configuratorType":null,"addToCartDisabled":null,"addToCartDisabledMessage":null,"tags":null,"sapUnit":null,"keywords":null,"genders":null,"itemtype":"Part","partSubstitute":null,"note":null,"recallNote":null,"note1":null,"note2":null,"note3":null,"note4":null,"note5":null,"pdfAllUser":null,"pdfAuthUser":null,"pdfCOSUser":null,"vaiantRelatedPartList":null,"partHotspotList":null,"itemNumber":43,"partRelatedVariantList":null,"bomCode":2,"totalValue":null,"searchImage":null,"length":null,"width":null,"height":null,"unitOfDimension":null,"weight":null,"unitOfWeight":null,"specialRouting":false,"onlineRepair":null,"previousPartID":null,"sbdDiscountPriceValue":{"currencyIso":"USD","value":2.09,"priceType":"BUY","formattedValue":"$2.09","minQuantity":null,"maxQuantity":null,"sapUnit":{"code":"pieces","name":"Piece"}},"alrCode":null,"productRecallFlag":null,"selectedDocumentId":null,"productDescription":null,"pdpImage":null,"ticketId":null,"qtyRequiredPerVariant":"1","isElgibleForRepair":null,"isPowerEligible":null,"productRecallNotes":null,"productOtherInfo":null,"backorderETA":"00/00/0000","modifiedDate":null,"userLevel":"COS","displayPrice":null,"baseProductName":null,"firstVariantCode":null,"firstVariantImage":null,"productMarketType":null,"productNumber":null,"typeStatusCode":null,"productCategory":null,"typeNumber":null,"marketCode":null,"regionCode":null,"otherInformation":null,"productTypeStatus":null,"repairInstruction":null,"repairInstructionStatusDescription":null,"typeStatusDate":null,"serviceLifeDate":null,"manufacturerId":null,"parts":null,"language":null,"glossaries":null,"brand":null,"product":null,"brandCode":null,"recallNotes":null,"volume":null},{"code":"P121749X-CM","name":null,"url":"/c//p/P121749X-CM","description":"WASHER 25/32 X 1-1/4 X 16 GA.","purchasable":true,"stock":{"stockLevelStatus":{"code":"inStock","type":"StockLevelStatus"},"stockLevel":0,"stockThreshold":null},"futureStocks":null,"availableForPickup":null,"averageRating":null,"numberOfReviews":null,"summary":null,"manufacturer":null,"variantType":null,"price":{"currencyIso":"USD","value":2.09,"priceType":"BUY","formattedValue":"$2.09","minQuantity":null,"maxQuantity":null,"sapUnit":{"code":"pieces","name":"Piece"}},"baseProduct":null,"images":[],"categories":null,"reviews":null,"classifications":null,"potentialPromotions":null,"variantOptions":null,"baseOptions":[],"volumePricesFlag":null,"volumePrices":null,"productReferences":null,"variantMatrix":null,"priceRange":null,"firstCategoryNameList":null,"multidimensional":null,"configurable":false,"configuratorType":null,"addToCartDisabled":null,"addToCartDisabledMessage":null,"tags":null,"sapUnit":null,"keywords":null,"genders":null,"itemtype":"Part","partSubstitute":null,"note":null,"recallNote":null,"note1":null,"note2":null,"note3":null,"note4":null,"note5":null,"pdfAllUser":null,"pdfAuthUser":null,"pdfCOSUser":null,"vaiantRelatedPartList":null,"partHotspotList":null,"itemNumber":43,"partRelatedVariantList":null,"bomCode":2,"totalValue":null,"searchImage":null,"length":null,"width":null,"height":null,"unitOfDimension":null,"weight":null,"unitOfWeight":null,"specialRouting":false,"onlineRepair":null,"previousPartID":null,"sbdDiscountPriceValue":{"currencyIso":"USD","value":2.09,"priceType":"BUY","formattedValue":"$2.09","minQuantity":null,"maxQuantity":null,"sapUnit":{"code":"pieces","name":"Piece"}},"alrCode":null,"productRecallFlag":null,"selectedDocumentId":null,"productDescription":null,"pdpImage":null,"ticketId":null,"qtyRequiredPerVariant":"1","isElgibleForRepair":null,"isPowerEligible":null,"productRecallNotes":null,"productOtherInfo":null,"backorderETA":"00/00/0000","modifiedDate":null,"userLevel":"COS","displayPrice":null,"baseProductName":null,"firstVariantCode":null,"firstVariantImage":null,"productMarketType":null,"productNumber":null,"typeStatusCode":null,"productCategory":null,"typeNumber":null,"marketCode":null,"regionCode":null,"otherInformation":null,"productTypeStatus":null,"repairInstruction":null,"repairInstructionStatusDescription":null,"typeStatusDate":null,"serviceLifeDate":null,"manufacturerId":null,"parts":null,"language":null,"glossaries":null,"brand":null,"product":null,"brandCode":null,"recallNotes":null,"volume":null},{"code":"P532140083-CM","name":null,"url":"/c//p/P532140083-CM","description":"ROD CLUTCH","purchasable":true,"stock":{"stockLevelStatus":{"code":"outOfStock","type":"StockLevelStatus"},"stockLevel":0,"stockThreshold":null},"futureStocks":null,"availableForPickup":null,"averageRating":null,"numberOfReviews":null,"summary":null,"manufacturer":null,"variantType":null,"price":{"currencyIso":"USD","value":7.02,"priceType":"BUY","formattedValue":"$7.02","minQuantity":null,"maxQuantity":null,"sapUnit":{"code":"pieces","name":"Piece"}},"baseProduct":null,"images":[],"categories":null,"reviews":null,"classifications":null,"potentialPromotions":null,"variantOptions":null,"baseOptions":[],"volumePricesFlag":null,"volumePrices":null,"productReferences":null,"variantMatrix":null,"priceRange":null,"firstCategoryNameList":null,"multidimensional":null,"configurable":false,"configuratorType":null,"addToCartDisabled":null,"addToCartDisabledMessage":null,"tags":null,"sapUnit":null,"keywords":null,"genders":null,"itemtype":"Part","partSubstitute":null,"note":null,"recallNote":null,"note1":null,"note2":null,"note3":null,"note4":null,"note5":null,"pdfAllUser":null,"pdfAuthUser":null,"pdfCOSUser":null,"vaiantRelatedPartList":null,"partHotspotList":null,"itemNumber":43,"partRelatedVariantList":null,"bomCode":2,"totalValue":null,"searchImage":null,"length":null,"width":null,"height":null,"unitOfDimension":null,"weight":null,"unitOfWeight":null,"specialRouting":false,"onlineRepair":null,"previousPartID":null,"sbdDiscountPriceValue":{"currencyIso":"USD","value":7.02,"priceType":"BUY","formattedValue":"$7.02","minQuantity":null,"maxQuantity":null,"sapUnit":{"code":"pieces","name":"Piece"}},"alrCode":null,"productRecallFlag":null,"selectedDocumentId":null,"productDescription":null,"pdpImage":null,"ticketId":null,"qtyRequiredPerVariant":"1","isElgibleForRepair":null,"isPowerEligible":null,"productRecallNotes":null,"productOtherInfo":null,"backorderETA":"00/00/0000","modifiedDate":null,"userLevel":"COS","displayPrice":null,"baseProductName":null,"firstVariantCode":null,"firstVariantImage":null,"productMarketType":null,"productNumber":null,"typeStatusCode":null,"productCategory":null,"typeNumber":null,"marketCode":null,"regionCode":null,"otherInformation":null,"productTypeStatus":null,"repairInstruction":null,"repairInstructionStatusDescription":null,"typeStatusDate":null,"serviceLifeDate":null,"manufacturerId":null,"parts":null,"language":null,"glossaries":null,"brand":null,"product":null,"brandCode":null,"recallNotes":null,"volume":null},{"code":"P532146154-CM","name":null,"url":"/c//p/P532146154-CM","description":"KIT.SOLENOID","purchasable":true,"stock":{"stockLevelStatus":{"code":"outOfStock","type":"StockLevelStatus"},"stockLevel":0,"stockThreshold":null},"futureStocks":null,"availableForPickup":null,"averageRating":null,"numberOfReviews":null,"summary":null,"manufacturer":null,"variantType":null,"price":{"currencyIso":"USD","value":15.74,"priceType":"BUY","formattedValue":"$15.74","minQuantity":null,"maxQuantity":null,"sapUnit":{"code":"pieces","name":"Piece"}},"baseProduct":null,"images":[],"categories":null,"reviews":null,"classifications":null,"potentialPromotions":null,"variantOptions":null,"baseOptions":[],"volumePricesFlag":null,"volumePrices":null,"productReferences":null,"variantMatrix":null,"priceRange":null,"firstCategoryNameList":null,"multidimensional":null,"configurable":false,"configuratorType":null,"addToCartDisabled":null,"addToCartDisabledMessage":null,"tags":null,"sapUnit":null,"keywords":null,"genders":null,"itemtype":"Part","partSubstitute":null,"note":null,"recallNote":null,"note1":null,"note2":null,"note3":null,"note4":null,"note5":null,"pdfAllUser":null,"pdfAuthUser":null,"pdfCOSUser":null,"vaiantRelatedPartList":null,"partHotspotList":null,"itemNumber":43,"partRelatedVariantList":null,"bomCode":2,"totalValue":null,"searchImage":null,"length":null,"width":null,"height":null,"unitOfDimension":null,"weight":null,"unitOfWeight":null,"specialRouting":false,"onlineRepair":null,"previousPartID":null,"sbdDiscountPriceValue":{"currencyIso":"USD","value":15.74,"priceType":"BUY","formattedValue":"$15.74","minQuantity":null,"maxQuantity":null,"sapUnit":{"code":"pieces","name":"Piece"}},"alrCode":null,"productRecallFlag":null,"selectedDocumentId":null,"productDescription":null,"pdpImage":null,"ticketId":null,"qtyRequiredPerVariant":"1","isElgibleForRepair":null,"isPowerEligible":null,"productRecallNotes":null,"productOtherInfo":null,"backorderETA":"00/00/0000","modifiedDate":null,"userLevel":"COS","displayPrice":null,"baseProductName":null,"firstVariantCode":null,"firstVariantImage":null,"productMarketType":null,"productNumber":null,"typeStatusCode":null,"productCategory":null,"typeNumber":null,"marketCode":null,"regionCode":null,"otherInformation":null,"productTypeStatus":null,"repairInstruction":null,"repairInstructionStatusDescription":null,"typeStatusDate":null,"serviceLifeDate":null,"manufacturerId":null,"parts":null,"language":null,"glossaries":null,"brand":null,"product":null,"brandCode":null,"recallNotes":null,"volume":null},{"code":"P140088-CM","name":null,"url":"/c//p/P140088-CM","description":"GUARD","purchasable":false,"stock":{"stockLevelStatus":{"code":"outOfStock","type":"StockLevelStatus"},"stockLevel":0,"stockThreshold":null},"futureStocks":null,"availableForPickup":null,"averageRating":null,"numberOfReviews":null,"summary":null,"manufacturer":null,"variantType":null,"price":null,"baseProduct":null,"images":[],"categories":null,"reviews":null,"classifications":null,"potentialPromotions":null,"variantOptions":null,"baseOptions":[],"volumePricesFlag":null,"volumePrices":null,"productReferences":null,"variantMatrix":null,"priceRange":null,"firstCategoryNameList":null,"multidimensional":null,"configurable":false,"configuratorType":null,"addToCartDisabled":null,"addToCartDisabledMessage":null,"tags":null,"sapUnit":null,"keywords":null,"genders":null,"itemtype":"Part","partSubstitute":"P190752-CM","note":null,"recallNote":null,"note1":null,"note2":null,"note3":null,"note4":null,"note5":null,"pdfAllUser":null,"pdfAuthUser":null,"pdfCOSUser":null,"vaiantRelatedPartList":null,"partHotspotList":null,"itemNumber":44,"partRelatedVariantList":null,"bomCode":4,"totalValue":null,"searchImage":null,"length":null,"width":null,"height":null,"unitOfDimension":null,"weight":null,"unitOfWeight":null,"specialRouting":false,"onlineRepair":null,"previousPartID":null,"sbdDiscountPriceValue":null,"alrCode":null,"productRecallFlag":null,"selectedDocumentId":null,"productDescription":null,"pdpImage":null,"ticketId":null,"qtyRequiredPerVariant":"1","isElgibleForRepair":null,"isPowerEligible":null,"productRecallNotes":null,"productOtherInfo":null,"backorderETA":null,"modifiedDate":null,"userLevel":"COS","displayPrice":null,"baseProductName":null,"firstVariantCode":null,"firstVariantImage":null,"productMarketType":null,"productNumber":null,"typeStatusCode":null,"productCategory":null,"typeNumber":null,"marketCode":null,"regionCode":null,"otherInformation":null,"productTypeStatus":null,"repairInstruction":null,"repairInstructionStatusDescription":null,"typeStatusDate":null,"serviceLifeDate":null,"manufacturerId":null,"parts":null,"language":null,"glossaries":null,"brand":null,"product":null,"brandCode":null,"recallNotes":null,"volume":null},{"code":"P153721-CM","name":null,"url":"/c//p/P153721-CM","description":"SHAT EXTEN.S","purchasable":false,"stock":{"stockLevelStatus":{"code":"outOfStock","type":"StockLevelStatus"},"stockLevel":0,"stockThreshold":null},"futureStocks":null,"availableForPickup":null,"averageRating":null,"numberOfReviews":null,"summary":null,"manufacturer":null,"variantType":null,"price":null,"baseProduct":null,"images":[],"categories":null,"reviews":null,"classifications":null,"potentialPromotions":null,"variantOptions":null,"baseOptions":[],"volumePricesFlag":null,"volumePrices":null,"productReferences":null,"variantMatrix":null,"priceRange":null,"firstCategoryNameList":null,"multidimensional":null,"configurable":false,"configuratorType":null,"addToCartDisabled":null,"addToCartDisabledMessage":null,"tags":null,"sapUnit":null,"keywords":null,"genders":null,"itemtype":"Part","partSubstitute":null,"note":null,"recallNote":null,"note1":null,"note2":null,"note3":null,"note4":null,"note5":null,"pdfAllUser":null,"pdfAuthUser":null,"pdfCOSUser":null,"vaiantRelatedPartList":null,"partHotspotList":null,"itemNumber":44,"partRelatedVariantList":null,"bomCode":4,"totalValue":null,"searchImage":null,"length":null,"width":null,"height":null,"unitOfDimension":null,"weight":null,"unitOfWeight":null,"specialRouting":false,"onlineRepair":null,"previousPartID":null,"sbdDiscountPriceValue":null,"alrCode":null,"productRecallFlag":null,"selectedDocumentId":null,"productDescription":null,"pdpImage":null,"ticketId":null,"qtyRequiredPerVariant":"1","isElgibleForRepair":null,"isPowerEligible":null,"productRecallNotes":null,"productOtherInfo":null,"backorderETA":null,"modifiedDate":null,"userLevel":"COS","displayPrice":null,"baseProductName":null,"firstVariantCode":null,"firstVariantImage":null,"productMarketType":null,"productNumber":null,"typeStatusCode":null,"productCategory":null,"typeNumber":null,"marketCode":null,"regionCode":null,"otherInformation":null,"productTypeStatus":null,"repairInstruction":null,"repairInstructionStatusDescription":null,"typeStatusDate":null,"serviceLifeDate":null,"manufacturerId":null,"parts":null,"language":null,"glossaries":null,"brand":null,"product":null,"brandCode":null,"recallNotes":null,"volume":null},{"code":"P532140088-CM","name":null,"url":"/c//p/P532140088-CM","description":"GUARD MANDREL LH","purchasable":true,"stock":{"stockLevelStatus":{"code":"outOfStock","type":"StockLevelStatus"},"stockLevel":0,"stockThreshold":null},"futureStocks":null,"availableForPickup":null,"averageRating":null,"numberOfReviews":null,"summary":null,"manufacturer":null,"variantType":null,"price":{"currencyIso":"USD","value":13.27,"priceType":"BUY","formattedValue":"$13.27","minQuantity":null,"maxQuantity":null,"sapUnit":{"code":"pieces","name":"Piece"}},"baseProduct":null,"images":[],"categories":null,"reviews":null,"classifications":null,"potentialPromotions":null,"variantOptions":null,"baseOptions":[],"volumePricesFlag":null,"volumePrices":null,"productReferences":null,"variantMatrix":null,"priceRange":null,"firstCategoryNameList":null,"multidimensional":null,"configurable":false,"configuratorType":null,"addToCartDisabled":null,"addToCartDisabledMessage":null,"tags":null,"sapUnit":null,"keywords":null,"genders":null,"itemtype":"Part","partSubstitute":null,"note":null,"recallNote":null,"note1":null,"note2":null,"note3":null,"note4":null,"note5":null,"pdfAllUser":null,"pdfAuthUser":null,"pdfCOSUser":null,"vaiantRelatedPartList":null,"partHotspotList":null,"itemNumber":44,"partRelatedVariantList":null,"bomCode":2,"totalValue":null,"searchImage":null,"length":null,"width":null,"height":null,"unitOfDimension":null,"weight":null,"unitOfWeight":null,"specialRouting":false,"onlineRepair":null,"previousPartID":null,"sbdDiscountPriceValue":{"currencyIso":"USD","value":13.27,"priceType":"BUY","formattedValue":"$13.27","minQuantity":null,"maxQuantity":null,"sapUnit":{"code":"pieces","name":"Piece"}},"alrCode":null,"productRecallFlag":null,"selectedDocumentId":null,"productDescription":null,"pdpImage":null,"ticketId":null,"qtyRequiredPerVariant":"1","isElgibleForRepair":null,"isPowerEligible":null,"productRecallNotes":null,"productOtherInfo":null,"backorderETA":"00/00/0000","modifiedDate":null,"userLevel":"COS","displayPrice":null,"baseProductName":null,"firstVariantCode":null,"firstVariantImage":null,"productMarketType":null,"productNumber":null,"typeStatusCode":null,"productCategory":null,"typeNumber":null,"marketCode":null,"regionCode":null,"otherInformation":null,"productTypeStatus":null,"repairInstruction":null,"repairInstructionStatusDescription":null,"typeStatusDate":null,"serviceLifeDate":null,"manufacturerId":null,"parts":null,"language":null,"glossaries":null,"brand":null,"product":null,"brandCode":null,"recallNotes":null,"volume":null},{"code":"P532153721-CM","name":null,"url":"/c//p/P532153721-CM","description":"SHAFT EXT STEERING","purchasable":true,"stock":{"stockLevelStatus":{"code":"outOfStock","type":"StockLevelStatus"},"stockLevel":0,"stockThreshold":null},"futureStocks":null,"availableForPickup":null,"averageRating":null,"numberOfReviews":null,"summary":null,"manufacturer":null,"variantType":null,"price":{"currencyIso":"USD","value":42.62,"priceType":"BUY","formattedValue":"$42.62","minQuantity":null,"maxQuantity":null,"sapUnit":{"code":"pieces","name":"Piece"}},"baseProduct":null,"images":[],"categories":null,"reviews":null,"classifications":null,"potentialPromotions":null,"variantOptions":null,"baseOptions":[],"volumePricesFlag":null,"volumePrices":null,"productReferences":null,"variantMatrix":null,"priceRange":null,"firstCategoryNameList":null,"multidimensional":null,"configurable":false,"configuratorType":null,"addToCartDisabled":null,"addToCartDisabledMessage":null,"tags":null,"sapUnit":null,"keywords":null,"genders":null,"itemtype":"Part","partSubstitute":null,"note":null,"recallNote":null,"note1":null,"note2":null,"note3":null,"note4":null,"note5":null,"pdfAllUser":null,"pdfAuthUser":null,"pdfCOSUser":null,"vaiantRelatedPartList":null,"partHotspotList":null,"itemNumber":44,"partRelatedVariantList":null,"bomCode":2,"totalValue":null,"searchImage":null,"length":null,"width":null,"height":null,"unitOfDimension":null,"weight":null,"unitOfWeight":null,"specialRouting":false,"onlineRepair":null,"previousPartID":null,"sbdDiscountPriceValue":{"currencyIso":"USD","value":42.62,"priceType":"BUY","formattedValue":"$42.62","minQuantity":null,"maxQuantity":null,"sapUnit":{"code":"pieces","name":"Piece"}},"alrCode":null,"productRecallFlag":null,"selectedDocumentId":null,"productDescription":null,"pdpImage":null,"ticketId":null,"qtyRequiredPerVariant":"1","isElgibleForRepair":null,"isPowerEligible":null,"productRecallNotes":null,"productOtherInfo":null,"backorderETA":"00/00/0000","modifiedDate":null,"userLevel":"COS","displayPrice":null,"baseProductName":null,"firstVariantCode":null,"firstVariantImage":null,"productMarketType":null,"productNumber":null,"typeStatusCode":null,"productCategory":null,"typeNumber":null,"marketCode":null,"regionCode":null,"otherInformation":null,"productTypeStatus":null,"repairInstruction":null,"repairInstructionStatusDescription":null,"typeStatusDate":null,"serviceLifeDate":null,"manufacturerId":null,"parts":null,"language":null,"glossaries":null,"brand":null,"product":null,"brandCode":null,"recallNotes":null,"volume":null},{"code":"P532122822-CM","name":null,"url":"/c//p/P532122822-CM","description":"AMMETER","purchasable":true,"stock":{"stockLevelStatus":{"code":"outOfStock","type":"StockLevelStatus"},"stockLevel":0,"stockThreshold":null},"futureStocks":null,"availableForPickup":null,"averageRating":null,"numberOfReviews":null,"summary":null,"manufacturer":null,"variantType":null,"price":{"currencyIso":"USD","value":10.65,"priceType":"BUY","formattedValue":"$10.65","minQuantity":null,"maxQuantity":null,"sapUnit":{"code":"pieces","name":"Piece"}},"baseProduct":null,"images":[],"categories":null,"reviews":null,"classifications":null,"potentialPromotions":null,"variantOptions":null,"baseOptions":[],"volumePricesFlag":null,"volumePrices":null,"productReferences":null,"variantMatrix":null,"priceRange":null,"firstCategoryNameList":null,"multidimensional":null,"configurable":false,"configuratorType":null,"addToCartDisabled":null,"addToCartDisabledMessage":null,"tags":null,"sapUnit":null,"keywords":null,"genders":null,"itemtype":"Part","partSubstitute":null,"note":null,"recallNote":null,"note1":null,"note2":null,"note3":null,"note4":null,"note5":null,"pdfAllUser":null,"pdfAuthUser":null,"pdfCOSUser":null,"vaiantRelatedPartList":null,"partHotspotList":null,"itemNumber":45,"partRelatedVariantList":null,"bomCode":2,"totalValue":null,"searchImage":null,"length":null,"width":null,"height":null,"unitOfDimension":null,"weight":null,"unitOfWeight":null,"specialRouting":false,"onlineRepair":null,"previousPartID":null,"sbdDiscountPriceValue":{"currencyIso":"USD","value":10.65,"priceType":"BUY","formattedValue":"$10.65","minQuantity":null,"maxQuantity":null,"sapUnit":{"code":"pieces","name":"Piece"}},"alrCode":null,"productRecallFlag":null,"selectedDocumentId":null,"productDescription":null,"pdpImage":null,"ticketId":null,"qtyRequiredPerVariant":"1","isElgibleForRepair":null,"isPowerEligible":null,"productRecallNotes":null,"productOtherInfo":null,"backorderETA":"00/00/0000","modifiedDate":null,"userLevel":"COS","displayPrice":null,"baseProductName":null,"firstVariantCode":null,"firstVariantImage":null,"productMarketType":null,"productNumber":null,"typeStatusCode":null,"productCategory":null,"typeNumber":null,"marketCode":null,"regionCode":null,"otherInformation":null,"productTypeStatus":null,"repairInstruction":null,"repairInstructionStatusDescription":null,"typeStatusDate":null,"serviceLifeDate":null,"manufacturerId":null,"parts":null,"language":null,"glossaries":null,"brand":null,"product":null,"brandCode":null,"recallNotes":null,"volume":null},{"code":"PSTDPART","name":null,"url":"/c//p/PSTDPART","description":"COMMONLY AVAIL. PART","purchasable":false,"stock":{"stockLevelStatus":{"code":"outOfStock","type":"StockLevelStatus"},"stockLevel":0,"stockThreshold":null},"futureStocks":null,"availableForPickup":null,"averageRating":null,"numberOfReviews":null,"summary":null,"manufacturer":null,"variantType":null,"price":null,"baseProduct":null,"images":[],"categories":null,"reviews":null,"classifications":null,"potentialPromotions":null,"variantOptions":null,"baseOptions":[],"volumePricesFlag":null,"volumePrices":null,"productReferences":null,"variantMatrix":null,"priceRange":null,"firstCategoryNameList":null,"multidimensional":null,"configurable":false,"configuratorType":null,"addToCartDisabled":null,"addToCartDisabledMessage":null,"tags":null,"sapUnit":null,"keywords":null,"genders":null,"itemtype":"Part","partSubstitute":null,"note":null,"recallNote":null,"note1":null,"note2":null,"note3":null,"note4":null,"note5":null,"pdfAllUser":null,"pdfAuthUser":null,"pdfCOSUser":null,"vaiantRelatedPartList":null,"partHotspotList":null,"itemNumber":45,"partRelatedVariantList":null,"bomCode":2,"totalValue":null,"searchImage":null,"length":null,"width":null,"height":null,"unitOfDimension":null,"weight":null,"unitOfWeight":null,"specialRouting":false,"onlineRepair":null,"previousPartID":null,"sbdDiscountPriceValue":null,"alrCode":null,"productRecallFlag":null,"selectedDocumentId":null,"productDescription":null,"pdpImage":null,"ticketId":null,"qtyRequiredPerVariant":"1","isElgibleForRepair":null,"isPowerEligible":null,"productRecallNotes":null,"productOtherInfo":null,"backorderETA":null,"modifiedDate":null,"userLevel":"COS","displayPrice":null,"baseProductName":null,"firstVariantCode":null,"firstVariantImage":null,"productMarketType":null,"productNumber":null,"typeStatusCode":null,"productCategory":null,"typeNumber":null,"marketCode":null,"regionCode":null,"otherInformation":null,"productTypeStatus":null,"repairInstruction":null,"repairInstructionStatusDescription":null,"typeStatusDate":null,"serviceLifeDate":null,"manufacturerId":null,"parts":null,"language":null,"glossaries":null,"brand":null,"product":null,"brandCode":null,"recallNotes":null,"volume":null},{"code":"PSTDPART","name":null,"url":"/c//p/PSTDPART","description":"COMMONLY AVAIL. PART","purchasable":false,"stock":{"stockLevelStatus":{"code":"outOfStock","type":"StockLevelStatus"},"stockLevel":0,"stockThreshold":null},"futureStocks":null,"availableForPickup":null,"averageRating":null,"numberOfReviews":null,"summary":null,"manufacturer":null,"variantType":null,"price":null,"baseProduct":null,"images":[],"categories":null,"reviews":null,"classifications":null,"potentialPromotions":null,"variantOptions":null,"baseOptions":[],"volumePricesFlag":null,"volumePrices":null,"productReferences":null,"variantMatrix":null,"priceRange":null,"firstCategoryNameList":null,"multidimensional":null,"configurable":false,"configuratorType":null,"addToCartDisabled":null,"addToCartDisabledMessage":null,"tags":null,"sapUnit":null,"keywords":null,"genders":null,"itemtype":"Part","partSubstitute":null,"note":null,"recallNote":null,"note1":null,"note2":null,"note3":null,"note4":null,"note5":null,"pdfAllUser":null,"pdfAuthUser":null,"pdfCOSUser":null,"vaiantRelatedPartList":null,"partHotspotList":null,"itemNumber":45,"partRelatedVariantList":null,"bomCode":2,"totalValue":null,"searchImage":null,"length":null,"width":null,"height":null,"unitOfDimension":null,"weight":null,"unitOfWeight":null,"specialRouting":false,"onlineRepair":null,"previousPartID":null,"sbdDiscountPriceValue":null,"alrCode":null,"productRecallFlag":null,"selectedDocumentId":null,"productDescription":null,"pdpImage":null,"ticketId":null,"qtyRequiredPerVariant":"1","isElgibleForRepair":null,"isPowerEligible":null,"productRecallNotes":null,"productOtherInfo":null,"backorderETA":null,"modifiedDate":null,"userLevel":"COS","displayPrice":null,"baseProductName":null,"firstVariantCode":null,"firstVariantImage":null,"productMarketType":null,"productNumber":null,"typeStatusCode":null,"productCategory":null,"typeNumber":null,"marketCode":null,"regionCode":null,"otherInformation":null,"productTypeStatus":null,"repairInstruction":null,"repairInstructionStatusDescription":null,"typeStatusDate":null,"serviceLifeDate":null,"manufacturerId":null,"parts":null,"language":null,"glossaries":null,"brand":null,"product":null,"brandCode":null,"recallNotes":null,"volume":null},{"code":"PSTDPART","name":null,"url":"/c//p/PSTDPART","description":"COMMONLY AVAIL. PART","purchasable":false,"stock":{"stockLevelStatus":{"code":"outOfStock","type":"StockLevelStatus"},"stockLevel":0,"stockThreshold":null},"futureStocks":null,"availableForPickup":null,"averageRating":null,"numberOfReviews":null,"summary":null,"manufacturer":null,"variantType":null,"price":null,"baseProduct":null,"images":[],"categories":null,"reviews":null,"classifications":null,"potentialPromotions":null,"variantOptions":null,"baseOptions":[],"volumePricesFlag":null,"volumePrices":null,"productReferences":null,"variantMatrix":null,"priceRange":null,"firstCategoryNameList":null,"multidimensional":null,"configurable":false,"configuratorType":null,"addToCartDisabled":null,"addToCartDisabledMessage":null,"tags":null,"sapUnit":null,"keywords":null,"genders":null,"itemtype":"Part","partSubstitute":null,"note":null,"recallNote":null,"note1":null,"note2":null,"note3":null,"note4":null,"note5":null,"pdfAllUser":null,"pdfAuthUser":null,"pdfCOSUser":null,"vaiantRelatedPartList":null,"partHotspotList":null,"itemNumber":45,"partRelatedVariantList":null,"bomCode":2,"totalValue":null,"searchImage":null,"length":null,"width":null,"height":null,"unitOfDimension":null,"weight":null,"unitOfWeight":null,"specialRouting":false,"onlineRepair":null,"previousPartID":null,"sbdDiscountPriceValue":null,"alrCode":null,"productRecallFlag":null,"selectedDocumentId":null,"productDescription":null,"pdpImage":null,"ticketId":null,"qtyRequiredPerVariant":"1","isElgibleForRepair":null,"isPowerEligible":null,"productRecallNotes":null,"productOtherInfo":null,"backorderETA":null,"modifiedDate":null,"userLevel":"COS","displayPrice":null,"baseProductName":null,"firstVariantCode":null,"firstVariantImage":null,"productMarketType":null,"productNumber":null,"typeStatusCode":null,"productCategory":null,"typeNumber":null,"marketCode":null,"regionCode":null,"otherInformation":null,"productTypeStatus":null,"repairInstruction":null,"repairInstructionStatusDescription":null,"typeStatusDate":null,"serviceLifeDate":null,"manufacturerId":null,"parts":null,"language":null,"glossaries":null,"brand":null,"product":null,"brandCode":null,"recallNotes":null,"volume":null},{"code":"PSTDPART","name":null,"url":"/c//p/PSTDPART","description":"COMMONLY AVAIL. PART","purchasable":false,"stock":{"stockLevelStatus":{"code":"outOfStock","type":"StockLevelStatus"},"stockLevel":0,"stockThreshold":null},"futureStocks":null,"availableForPickup":null,"averageRating":null,"numberOfReviews":null,"summary":null,"manufacturer":null,"variantType":null,"price":null,"baseProduct":null,"images":[],"categories":null,"reviews":null,"classifications":null,"potentialPromotions":null,"variantOptions":null,"baseOptions":[],"volumePricesFlag":null,"volumePrices":null,"productReferences":null,"variantMatrix":null,"priceRange":null,"firstCategoryNameList":null,"multidimensional":null,"configurable":false,"configuratorType":null,"addToCartDisabled":null,"addToCartDisabledMessage":null,"tags":null,"sapUnit":null,"keywords":null,"genders":null,"itemtype":"Part","partSubstitute":null,"note":null,"recallNote":null,"note1":null,"note2":null,"note3":null,"note4":null,"note5":null,"pdfAllUser":null,"pdfAuthUser":null,"pdfCOSUser":null,"vaiantRelatedPartList":null,"partHotspotList":null,"itemNumber":45,"partRelatedVariantList":null,"bomCode":2,"totalValue":null,"searchImage":null,"length":null,"width":null,"height":null,"unitOfDimension":null,"weight":null,"unitOfWeight":null,"specialRouting":false,"onlineRepair":null,"previousPartID":null,"sbdDiscountPriceValue":null,"alrCode":null,"productRecallFlag":null,"selectedDocumentId":null,"productDescription":null,"pdpImage":null,"ticketId":null,"qtyRequiredPerVariant":"1","isElgibleForRepair":null,"isPowerEligible":null,"productRecallNotes":null,"productOtherInfo":null,"backorderETA":null,"modifiedDate":null,"userLevel":"COS","displayPrice":null,"baseProductName":null,"firstVariantCode":null,"firstVariantImage":null,"productMarketType":null,"productNumber":null,"typeStatusCode":null,"productCategory":null,"typeNumber":null,"marketCode":null,"regionCode":null,"otherInformation":null,"productTypeStatus":null,"repairInstruction":null,"repairInstructionStatusDescription":null,"typeStatusDate":null,"serviceLifeDate":null,"manufacturerId":null,"parts":null,"language":null,"glossaries":null,"brand":null,"product":null,"brandCode":null,"recallNotes":null,"volume":null},{"code":"PSTDPART","name":null,"url":"/c//p/PSTDPART","description":"COMMONLY AVAIL. PART","purchasable":false,"stock":{"stockLevelStatus":{"code":"outOfStock","type":"StockLevelStatus"},"stockLevel":0,"stockThreshold":null},"futureStocks":null,"availableForPickup":null,"averageRating":null,"numberOfReviews":null,"summary":null,"manufacturer":null,"variantType":null,"price":null,"baseProduct":null,"images":[],"categories":null,"reviews":null,"classifications":null,"potentialPromotions":null,"variantOptions":null,"baseOptions":[],"volumePricesFlag":null,"volumePrices":null,"productReferences":null,"variantMatrix":null,"priceRange":null,"firstCategoryNameList":null,"multidimensional":null,"configurable":false,"configuratorType":null,"addToCartDisabled":null,"addToCartDisabledMessage":null,"tags":null,"sapUnit":null,"keywords":null,"genders":null,"itemtype":"Part","partSubstitute":null,"note":null,"recallNote":null,"note1":null,"note2":null,"note3":null,"note4":null,"note5":null,"pdfAllUser":null,"pdfAuthUser":null,"pdfCOSUser":null,"vaiantRelatedPartList":null,"partHotspotList":null,"itemNumber":45,"partRelatedVariantList":null,"bomCode":2,"totalValue":null,"searchImage":null,"length":null,"width":null,"height":null,"unitOfDimension":null,"weight":null,"unitOfWeight":null,"specialRouting":false,"onlineRepair":null,"previousPartID":null,"sbdDiscountPriceValue":null,"alrCode":null,"productRecallFlag":null,"selectedDocumentId":null,"productDescription":null,"pdpImage":null,"ticketId":null,"qtyRequiredPerVariant":"1","isElgibleForRepair":null,"isPowerEligible":null,"productRecallNotes":null,"productOtherInfo":null,"backorderETA":null,"modifiedDate":null,"userLevel":"COS","displayPrice":null,"baseProductName":null,"firstVariantCode":null,"firstVariantImage":null,"productMarketType":null,"productNumber":null,"typeStatusCode":null,"productCategory":null,"typeNumber":null,"marketCode":null,"regionCode":null,"otherInformation":null,"productTypeStatus":null,"repairInstruction":null,"repairInstructionStatusDescription":null,"typeStatusDate":null,"serviceLifeDate":null,"manufacturerId":null,"parts":null,"language":null,"glossaries":null,"brand":null,"product":null,"brandCode":null,"recallNotes":null,"volume":null},{"code":"PSTDPART","name":null,"url":"/c//p/PSTDPART","description":"COMMONLY AVAIL. PART","purchasable":false,"stock":{"stockLevelStatus":{"code":"outOfStock","type":"StockLevelStatus"},"stockLevel":0,"stockThreshold":null},"futureStocks":null,"availableForPickup":null,"averageRating":null,"numberOfReviews":null,"summary":null,"manufacturer":null,"variantType":null,"price":null,"baseProduct":null,"images":[],"categories":null,"reviews":null,"classifications":null,"potentialPromotions":null,"variantOptions":null,"baseOptions":[],"volumePricesFlag":null,"volumePrices":null,"productReferences":null,"variantMatrix":null,"priceRange":null,"firstCategoryNameList":null,"multidimensional":null,"configurable":false,"configuratorType":null,"addToCartDisabled":null,"addToCartDisabledMessage":null,"tags":null,"sapUnit":null,"keywords":null,"genders":null,"itemtype":"Part","partSubstitute":null,"note":null,"recallNote":null,"note1":null,"note2":null,"note3":null,"note4":null,"note5":null,"pdfAllUser":null,"pdfAuthUser":null,"pdfCOSUser":null,"vaiantRelatedPartList":null,"partHotspotList":null,"itemNumber":45,"partRelatedVariantList":null,"bomCode":2,"totalValue":null,"searchImage":null,"length":null,"width":null,"height":null,"unitOfDimension":null,"weight":null,"unitOfWeight":null,"specialRouting":false,"onlineRepair":null,"previousPartID":null,"sbdDiscountPriceValue":null,"alrCode":null,"productRecallFlag":null,"selectedDocumentId":null,"productDescription":null,"pdpImage":null,"ticketId":null,"qtyRequiredPerVariant":"1","isElgibleForRepair":null,"isPowerEligible":null,"productRecallNotes":null,"productOtherInfo":null,"backorderETA":null,"modifiedDate":null,"userLevel":"COS","displayPrice":null,"baseProductName":null,"firstVariantCode":null,"firstVariantImage":null,"productMarketType":null,"productNumber":null,"typeStatusCode":null,"productCategory":null,"typeNumber":null,"marketCode":null,"regionCode":null,"otherInformation":null,"productTypeStatus":null,"repairInstruction":null,"repairInstructionStatusDescription":null,"typeStatusDate":null,"serviceLifeDate":null,"manufacturerId":null,"parts":null,"language":null,"glossaries":null,"brand":null,"product":null,"brandCode":null,"recallNotes":null,"volume":null},{"code":"PSTDPART","name":null,"url":"/c//p/PSTDPART","description":"COMMONLY AVAIL. PART","purchasable":false,"stock":{"stockLevelStatus":{"code":"outOfStock","type":"StockLevelStatus"},"stockLevel":0,"stockThreshold":null},"futureStocks":null,"availableForPickup":null,"averageRating":null,"numberOfReviews":null,"summary":null,"manufacturer":null,"variantType":null,"price":null,"baseProduct":null,"images":[],"categories":null,"reviews":null,"classifications":null,"potentialPromotions":null,"variantOptions":null,"baseOptions":[],"volumePricesFlag":null,"volumePrices":null,"productReferences":null,"variantMatrix":null,"priceRange":null,"firstCategoryNameList":null,"multidimensional":null,"configurable":false,"configuratorType":null,"addToCartDisabled":null,"addToCartDisabledMessage":null,"tags":null,"sapUnit":null,"keywords":null,"genders":null,"itemtype":"Part","partSubstitute":null,"note":null,"recallNote":null,"note1":null,"note2":null,"note3":null,"note4":null,"note5":null,"pdfAllUser":null,"pdfAuthUser":null,"pdfCOSUser":null,"vaiantRelatedPartList":null,"partHotspotList":null,"itemNumber":45,"partRelatedVariantList":null,"bomCode":2,"totalValue":null,"searchImage":null,"length":null,"width":null,"height":null,"unitOfDimension":null,"weight":null,"unitOfWeight":null,"specialRouting":false,"onlineRepair":null,"previousPartID":null,"sbdDiscountPriceValue":null,"alrCode":null,"productRecallFlag":null,"selectedDocumentId":null,"productDescription":null,"pdpImage":null,"ticketId":null,"qtyRequiredPerVariant":"1","isElgibleForRepair":null,"isPowerEligible":null,"productRecallNotes":null,"productOtherInfo":null,"backorderETA":null,"modifiedDate":null,"userLevel":"COS","displayPrice":null,"baseProductName":null,"firstVariantCode":null,"firstVariantImage":null,"productMarketType":null,"productNumber":null,"typeStatusCode":null,"productCategory":null,"typeNumber":null,"marketCode":null,"regionCode":null,"otherInformation":null,"productTypeStatus":null,"repairInstruction":null,"repairInstructionStatusDescription":null,"typeStatusDate":null,"serviceLifeDate":null,"manufacturerId":null,"parts":null,"language":null,"glossaries":null,"brand":null,"product":null,"brandCode":null,"recallNotes":null,"volume":null},{"code":"PSTDPART","name":null,"url":"/c//p/PSTDPART","description":"COMMONLY AVAIL. PART","purchasable":false,"stock":{"stockLevelStatus":{"code":"outOfStock","type":"StockLevelStatus"},"stockLevel":0,"stockThreshold":null},"futureStocks":null,"availableForPickup":null,"averageRating":null,"numberOfReviews":null,"summary":null,"manufacturer":null,"variantType":null,"price":null,"baseProduct":null,"images":[],"categories":null,"reviews":null,"classifications":null,"potentialPromotions":null,"variantOptions":null,"baseOptions":[],"volumePricesFlag":null,"volumePrices":null,"productReferences":null,"variantMatrix":null,"priceRange":null,"firstCategoryNameList":null,"multidimensional":null,"configurable":false,"configuratorType":null,"addToCartDisabled":null,"addToCartDisabledMessage":null,"tags":null,"sapUnit":null,"keywords":null,"genders":null,"itemtype":"Part","partSubstitute":null,"note":null,"recallNote":null,"note1":null,"note2":null,"note3":null,"note4":null,"note5":null,"pdfAllUser":null,"pdfAuthUser":null,"pdfCOSUser":null,"vaiantRelatedPartList":null,"partHotspotList":null,"itemNumber":45,"partRelatedVariantList":null,"bomCode":2,"totalValue":null,"searchImage":null,"length":null,"width":null,"height":null,"unitOfDimension":null,"weight":null,"unitOfWeight":null,"specialRouting":false,"onlineRepair":null,"previousPartID":null,"sbdDiscountPriceValue":null,"alrCode":null,"productRecallFlag":null,"selectedDocumentId":null,"productDescription":null,"pdpImage":null,"ticketId":null,"qtyRequiredPerVariant":"1","isElgibleForRepair":null,"isPowerEligible":null,"productRecallNotes":null,"productOtherInfo":null,"backorderETA":null,"modifiedDate":null,"userLevel":"COS","displayPrice":null,"baseProductName":null,"firstVariantCode":null,"firstVariantImage":null,"productMarketType":null,"productNumber":null,"typeStatusCode":null,"productCategory":null,"typeNumber":null,"marketCode":null,"regionCode":null,"otherInformation":null,"productTypeStatus":null,"repairInstruction":null,"repairInstructionStatusDescription":null,"typeStatusDate":null,"serviceLifeDate":null,"manufacturerId":null,"parts":null,"language":null,"glossaries":null,"brand":null,"product":null,"brandCode":null,"recallNotes":null,"volume":null},{"code":"PSTDPART","name":null,"url":"/c//p/PSTDPART","description":"COMMONLY AVAIL. PART","purchasable":false,"stock":{"stockLevelStatus":{"code":"outOfStock","type":"StockLevelStatus"},"stockLevel":0,"stockThreshold":null},"futureStocks":null,"availableForPickup":null,"averageRating":null,"numberOfReviews":null,"summary":null,"manufacturer":null,"variantType":null,"price":null,"baseProduct":null,"images":[],"categories":null,"reviews":null,"classifications":null,"potentialPromotions":null,"variantOptions":null,"baseOptions":[],"volumePricesFlag":null,"volumePrices":null,"productReferences":null,"variantMatrix":null,"priceRange":null,"firstCategoryNameList":null,"multidimensional":null,"configurable":false,"configuratorType":null,"addToCartDisabled":null,"addToCartDisabledMessage":null,"tags":null,"sapUnit":null,"keywords":null,"genders":null,"itemtype":"Part","partSubstitute":null,"note":null,"recallNote":null,"note1":null,"note2":null,"note3":null,"note4":null,"note5":null,"pdfAllUser":null,"pdfAuthUser":null,"pdfCOSUser":null,"vaiantRelatedPartList":null,"partHotspotList":null,"itemNumber":45,"partRelatedVariantList":null,"bomCode":2,"totalValue":null,"searchImage":null,"length":null,"width":null,"height":null,"unitOfDimension":null,"weight":null,"unitOfWeight":null,"specialRouting":false,"onlineRepair":null,"previousPartID":null,"sbdDiscountPriceValue":null,"alrCode":null,"productRecallFlag":null,"selectedDocumentId":null,"productDescription":null,"pdpImage":null,"ticketId":null,"qtyRequiredPerVariant":"1","isElgibleForRepair":null,"isPowerEligible":null,"productRecallNotes":null,"productOtherInfo":null,"backorderETA":null,"modifiedDate":null,"userLevel":"COS","displayPrice":null,"baseProductName":null,"firstVariantCode":null,"firstVariantImage":null,"productMarketType":null,"productNumber":null,"typeStatusCode":null,"productCategory":null,"typeNumber":null,"marketCode":null,"regionCode":null,"otherInformation":null,"productTypeStatus":null,"repairInstruction":null,"repairInstructionStatusDescription":null,"typeStatusDate":null,"serviceLifeDate":null,"manufacturerId":null,"parts":null,"language":null,"glossaries":null,"brand":null,"product":null,"brandCode":null,"recallNotes":null,"volume":null},{"code":"PSTDPART","name":null,"url":"/c//p/PSTDPART","description":"COMMONLY AVAIL. PART","purchasable":false,"stock":{"stockLevelStatus":{"code":"outOfStock","type":"StockLevelStatus"},"stockLevel":0,"stockThreshold":null},"futureStocks":null,"availableForPickup":null,"averageRating":null,"numberOfReviews":null,"summary":null,"manufacturer":null,"variantType":null,"price":null,"baseProduct":null,"images":[],"categories":null,"reviews":null,"classifications":null,"potentialPromotions":null,"variantOptions":null,"baseOptions":[],"volumePricesFlag":null,"volumePrices":null,"productReferences":null,"variantMatrix":null,"priceRange":null,"firstCategoryNameList":null,"multidimensional":null,"configurable":false,"configuratorType":null,"addToCartDisabled":null,"addToCartDisabledMessage":null,"tags":null,"sapUnit":null,"keywords":null,"genders":null,"itemtype":"Part","partSubstitute":null,"note":null,"recallNote":null,"note1":null,"note2":null,"note3":null,"note4":null,"note5":null,"pdfAllUser":null,"pdfAuthUser":null,"pdfCOSUser":null,"vaiantRelatedPartList":null,"partHotspotList":null,"itemNumber":45,"partRelatedVariantList":null,"bomCode":2,"totalValue":null,"searchImage":null,"length":null,"width":null,"height":null,"unitOfDimension":null,"weight":null,"unitOfWeight":null,"specialRouting":false,"onlineRepair":null,"previousPartID":null,"sbdDiscountPriceValue":null,"alrCode":null,"productRecallFlag":null,"selectedDocumentId":null,"productDescription":null,"pdpImage":null,"ticketId":null,"qtyRequiredPerVariant":"1","isElgibleForRepair":null,"isPowerEligible":null,"productRecallNotes":null,"productOtherInfo":null,"backorderETA":null,"modifiedDate":null,"userLevel":"COS","displayPrice":null,"baseProductName":null,"firstVariantCode":null,"firstVariantImage":null,"productMarketType":null,"productNumber":null,"typeStatusCode":null,"productCategory":null,"typeNumber":null,"marketCode":null,"regionCode":null,"otherInformation":null,"productTypeStatus":null,"repairInstruction":null,"repairInstructionStatusDescription":null,"typeStatusDate":null,"serviceLifeDate":null,"manufacturerId":null,"parts":null,"language":null,"glossaries":null,"brand":null,"product":null,"brandCode":null,"recallNotes":null,"volume":null},{"code":"PSTDPART","name":null,"url":"/c//p/PSTDPART","description":"COMMONLY AVAIL. PART","purchasable":false,"stock":{"stockLevelStatus":{"code":"outOfStock","type":"StockLevelStatus"},"stockLevel":0,"stockThreshold":null},"futureStocks":null,"availableForPickup":null,"averageRating":null,"numberOfReviews":null,"summary":null,"manufacturer":null,"variantType":null,"price":null,"baseProduct":null,"images":[],"categories":null,"reviews":null,"classifications":null,"potentialPromotions":null,"variantOptions":null,"baseOptions":[],"volumePricesFlag":null,"volumePrices":null,"productReferences":null,"variantMatrix":null,"priceRange":null,"firstCategoryNameList":null,"multidimensional":null,"configurable":false,"configuratorType":null,"addToCartDisabled":null,"addToCartDisabledMessage":null,"tags":null,"sapUnit":null,"keywords":null,"genders":null,"itemtype":"Part","partSubstitute":null,"note":null,"recallNote":null,"note1":null,"note2":null,"note3":null,"note4":null,"note5":null,"pdfAllUser":null,"pdfAuthUser":null,"pdfCOSUser":null,"vaiantRelatedPartList":null,"partHotspotList":null,"itemNumber":45,"partRelatedVariantList":null,"bomCode":2,"totalValue":null,"searchImage":null,"length":null,"width":null,"height":null,"unitOfDimension":null,"weight":null,"unitOfWeight":null,"specialRouting":false,"onlineRepair":null,"previousPartID":null,"sbdDiscountPriceValue":null,"alrCode":null,"productRecallFlag":null,"selectedDocumentId":null,"productDescription":null,"pdpImage":null,"ticketId":null,"qtyRequiredPerVariant":"1","isElgibleForRepair":null,"isPowerEligible":null,"productRecallNotes":null,"productOtherInfo":null,"backorderETA":null,"modifiedDate":null,"userLevel":"COS","displayPrice":null,"baseProductName":null,"firstVariantCode":null,"firstVariantImage":null,"productMarketType":null,"productNumber":null,"typeStatusCode":null,"productCategory":null,"typeNumber":null,"marketCode":null,"regionCode":null,"otherInformation":null,"productTypeStatus":null,"repairInstruction":null,"repairInstructionStatusDescription":null,"typeStatusDate":null,"serviceLifeDate":null,"manufacturerId":null,"parts":null,"language":null,"glossaries":null,"brand":null,"product":null,"brandCode":null,"recallNotes":null,"volume":null},{"code":"PSTDPART","name":null,"url":"/c//p/PSTDPART","description":"COMMONLY AVAIL. PART","purchasable":false,"stock":{"stockLevelStatus":{"code":"outOfStock","type":"StockLevelStatus"},"stockLevel":0,"stockThreshold":null},"futureStocks":null,"availableForPickup":null,"averageRating":null,"numberOfReviews":null,"summary":null,"manufacturer":null,"variantType":null,"price":null,"baseProduct":null,"images":[],"categories":null,"reviews":null,"classifications":null,"potentialPromotions":null,"variantOptions":null,"baseOptions":[],"volumePricesFlag":null,"volumePrices":null,"productReferences":null,"variantMatrix":null,"priceRange":null,"firstCategoryNameList":null,"multidimensional":null,"configurable":false,"configuratorType":null,"addToCartDisabled":null,"addToCartDisabledMessage":null,"tags":null,"sapUnit":null,"keywords":null,"genders":null,"itemtype":"Part","partSubstitute":null,"note":null,"recallNote":null,"note1":null,"note2":null,"note3":null,"note4":null,"note5":null,"pdfAllUser":null,"pdfAuthUser":null,"pdfCOSUser":null,"vaiantRelatedPartList":null,"partHotspotList":null,"itemNumber":45,"partRelatedVariantList":null,"bomCode":2,"totalValue":null,"searchImage":null,"length":null,"width":null,"height":null,"unitOfDimension":null,"weight":null,"unitOfWeight":null,"specialRouting":false,"onlineRepair":null,"previousPartID":null,"sbdDiscountPriceValue":null,"alrCode":null,"productRecallFlag":null,"selectedDocumentId":null,"productDescription":null,"pdpImage":null,"ticketId":null,"qtyRequiredPerVariant":"1","isElgibleForRepair":null,"isPowerEligible":null,"productRecallNotes":null,"productOtherInfo":null,"backorderETA":null,"modifiedDate":null,"userLevel":"COS","displayPrice":null,"baseProductName":null,"firstVariantCode":null,"firstVariantImage":null,"productMarketType":null,"productNumber":null,"typeStatusCode":null,"productCategory":null,"typeNumber":null,"marketCode":null,"regionCode":null,"otherInformation":null,"productTypeStatus":null,"repairInstruction":null,"repairInstructionStatusDescription":null,"typeStatusDate":null,"serviceLifeDate":null,"manufacturerId":null,"parts":null,"language":null,"glossaries":null,"brand":null,"product":null,"brandCode":null,"recallNotes":null,"volume":null},{"code":"PSTDPART","name":null,"url":"/c//p/PSTDPART","description":"COMMONLY AVAIL. PART","purchasable":false,"stock":{"stockLevelStatus":{"code":"outOfStock","type":"StockLevelStatus"},"stockLevel":0,"stockThreshold":null},"futureStocks":null,"availableForPickup":null,"averageRating":null,"numberOfReviews":null,"summary":null,"manufacturer":null,"variantType":null,"price":null,"baseProduct":null,"images":[],"categories":null,"reviews":null,"classifications":null,"potentialPromotions":null,"variantOptions":null,"baseOptions":[],"volumePricesFlag":null,"volumePrices":null,"productReferences":null,"variantMatrix":null,"priceRange":null,"firstCategoryNameList":null,"multidimensional":null,"configurable":false,"configuratorType":null,"addToCartDisabled":null,"addToCartDisabledMessage":null,"tags":null,"sapUnit":null,"keywords":null,"genders":null,"itemtype":"Part","partSubstitute":null,"note":null,"recallNote":null,"note1":null,"note2":null,"note3":null,"note4":null,"note5":null,"pdfAllUser":null,"pdfAuthUser":null,"pdfCOSUser":null,"vaiantRelatedPartList":null,"partHotspotList":null,"itemNumber":45,"partRelatedVariantList":null,"bomCode":2,"totalValue":null,"searchImage":null,"length":null,"width":null,"height":null,"unitOfDimension":null,"weight":null,"unitOfWeight":null,"specialRouting":false,"onlineRepair":null,"previousPartID":null,"sbdDiscountPriceValue":null,"alrCode":null,"productRecallFlag":null,"selectedDocumentId":null,"productDescription":null,"pdpImage":null,"ticketId":null,"qtyRequiredPerVariant":"1","isElgibleForRepair":null,"isPowerEligible":null,"productRecallNotes":null,"productOtherInfo":null,"backorderETA":null,"modifiedDate":null,"userLevel":"COS","displayPrice":null,"baseProductName":null,"firstVariantCode":null,"firstVariantImage":null,"productMarketType":null,"productNumber":null,"typeStatusCode":null,"productCategory":null,"typeNumber":null,"marketCode":null,"regionCode":null,"otherInformation":null,"productTypeStatus":null,"repairInstruction":null,"repairInstructionStatusDescription":null,"typeStatusDate":null,"serviceLifeDate":null,"manufacturerId":null,"parts":null,"language":null,"glossaries":null,"brand":null,"product":null,"brandCode":null,"recallNotes":null,"volume":null},{"code":"PSTDPART","name":null,"url":"/c//p/PSTDPART","description":"COMMONLY AVAIL. PART","purchasable":false,"stock":{"stockLevelStatus":{"code":"outOfStock","type":"StockLevelStatus"},"stockLevel":0,"stockThreshold":null},"futureStocks":null,"availableForPickup":null,"averageRating":null,"numberOfReviews":null,"summary":null,"manufacturer":null,"variantType":null,"price":null,"baseProduct":null,"images":[],"categories":null,"reviews":null,"classifications":null,"potentialPromotions":null,"variantOptions":null,"baseOptions":[],"volumePricesFlag":null,"volumePrices":null,"productReferences":null,"variantMatrix":null,"priceRange":null,"firstCategoryNameList":null,"multidimensional":null,"configurable":false,"configuratorType":null,"addToCartDisabled":null,"addToCartDisabledMessage":null,"tags":null,"sapUnit":null,"keywords":null,"genders":null,"itemtype":"Part","partSubstitute":null,"note":null,"recallNote":null,"note1":null,"note2":null,"note3":null,"note4":null,"note5":null,"pdfAllUser":null,"pdfAuthUser":null,"pdfCOSUser":null,"vaiantRelatedPartList":null,"partHotspotList":null,"itemNumber":45,"partRelatedVariantList":null,"bomCode":2,"totalValue":null,"searchImage":null,"length":null,"width":null,"height":null,"unitOfDimension":null,"weight":null,"unitOfWeight":null,"specialRouting":false,"onlineRepair":null,"previousPartID":null,"sbdDiscountPriceValue":null,"alrCode":null,"productRecallFlag":null,"selectedDocumentId":null,"productDescription":null,"pdpImage":null,"ticketId":null,"qtyRequiredPerVariant":"1","isElgibleForRepair":null,"isPowerEligible":null,"productRecallNotes":null,"productOtherInfo":null,"backorderETA":null,"modifiedDate":null,"userLevel":"COS","displayPrice":null,"baseProductName":null,"firstVariantCode":null,"firstVariantImage":null,"productMarketType":null,"productNumber":null,"typeStatusCode":null,"productCategory":null,"typeNumber":null,"marketCode":null,"regionCode":null,"otherInformation":null,"productTypeStatus":null,"repairInstruction":null,"repairInstructionStatusDescription":null,"typeStatusDate":null,"serviceLifeDate":null,"manufacturerId":null,"parts":null,"language":null,"glossaries":null,"brand":null,"product":null,"brandCode":null,"recallNotes":null,"volume":null},{"code":"PSTDPART","name":null,"url":"/c//p/PSTDPART","description":"COMMONLY AVAIL. PART","purchasable":false,"stock":{"stockLevelStatus":{"code":"outOfStock","type":"StockLevelStatus"},"stockLevel":0,"stockThreshold":null},"futureStocks":null,"availableForPickup":null,"averageRating":null,"numberOfReviews":null,"summary":null,"manufacturer":null,"variantType":null,"price":null,"baseProduct":null,"images":[],"categories":null,"reviews":null,"classifications":null,"potentialPromotions":null,"variantOptions":null,"baseOptions":[],"volumePricesFlag":null,"volumePrices":null,"productReferences":null,"variantMatrix":null,"priceRange":null,"firstCategoryNameList":null,"multidimensional":null,"configurable":false,"configuratorType":null,"addToCartDisabled":null,"addToCartDisabledMessage":null,"tags":null,"sapUnit":null,"keywords":null,"genders":null,"itemtype":"Part","partSubstitute":null,"note":null,"recallNote":null,"note1":null,"note2":null,"note3":null,"note4":null,"note5":null,"pdfAllUser":null,"pdfAuthUser":null,"pdfCOSUser":null,"vaiantRelatedPartList":null,"partHotspotList":null,"itemNumber":45,"partRelatedVariantList":null,"bomCode":2,"totalValue":null,"searchImage":null,"length":null,"width":null,"height":null,"unitOfDimension":null,"weight":null,"unitOfWeight":null,"specialRouting":false,"onlineRepair":null,"previousPartID":null,"sbdDiscountPriceValue":null,"alrCode":null,"productRecallFlag":null,"selectedDocumentId":null,"productDescription":null,"pdpImage":null,"ticketId":null,"qtyRequiredPerVariant":"1","isElgibleForRepair":null,"isPowerEligible":null,"productRecallNotes":null,"productOtherInfo":null,"backorderETA":null,"modifiedDate":null,"userLevel":"COS","displayPrice":null,"baseProductName":null,"firstVariantCode":null,"firstVariantImage":null,"productMarketType":null,"productNumber":null,"typeStatusCode":null,"productCategory":null,"typeNumber":null,"marketCode":null,"regionCode":null,"otherInformation":null,"productTypeStatus":null,"repairInstruction":null,"repairInstructionStatusDescription":null,"typeStatusDate":null,"serviceLifeDate":null,"manufacturerId":null,"parts":null,"language":null,"glossaries":null,"brand":null,"product":null,"brandCode":null,"recallNotes":null,"volume":null},{"code":"PSTDPART","name":null,"url":"/c//p/PSTDPART","description":"COMMONLY AVAIL. PART","purchasable":false,"stock":{"stockLevelStatus":{"code":"outOfStock","type":"StockLevelStatus"},"stockLevel":0,"stockThreshold":null},"futureStocks":null,"availableForPickup":null,"averageRating":null,"numberOfReviews":null,"summary":null,"manufacturer":null,"variantType":null,"price":null,"baseProduct":null,"images":[],"categories":null,"reviews":null,"classifications":null,"potentialPromotions":null,"variantOptions":null,"baseOptions":[],"volumePricesFlag":null,"volumePrices":null,"productReferences":null,"variantMatrix":null,"priceRange":null,"firstCategoryNameList":null,"multidimensional":null,"configurable":false,"configuratorType":null,"addToCartDisabled":null,"addToCartDisabledMessage":null,"tags":null,"sapUnit":null,"keywords":null,"genders":null,"itemtype":"Part","partSubstitute":null,"note":null,"recallNote":null,"note1":null,"note2":null,"note3":null,"note4":null,"note5":null,"pdfAllUser":null,"pdfAuthUser":null,"pdfCOSUser":null,"vaiantRelatedPartList":null,"partHotspotList":null,"itemNumber":45,"partRelatedVariantList":null,"bomCode":2,"totalValue":null,"searchImage":null,"length":null,"width":null,"height":null,"unitOfDimension":null,"weight":null,"unitOfWeight":null,"specialRouting":false,"onlineRepair":null,"previousPartID":null,"sbdDiscountPriceValue":null,"alrCode":null,"productRecallFlag":null,"selectedDocumentId":null,"productDescription":null,"pdpImage":null,"ticketId":null,"qtyRequiredPerVariant":"1","isElgibleForRepair":null,"isPowerEligible":null,"productRecallNotes":null,"productOtherInfo":null,"backorderETA":null,"modifiedDate":null,"userLevel":"COS","displayPrice":null,"baseProductName":null,"firstVariantCode":null,"firstVariantImage":null,"productMarketType":null,"productNumber":null,"typeStatusCode":null,"productCategory":null,"typeNumber":null,"marketCode":null,"regionCode":null,"otherInformation":null,"productTypeStatus":null,"repairInstruction":null,"repairInstructionStatusDescription":null,"typeStatusDate":null,"serviceLifeDate":null,"manufacturerId":null,"parts":null,"language":null,"glossaries":null,"brand":null,"product":null,"brandCode":null,"recallNotes":null,"volume":null},{"code":"PSTDPART","name":null,"url":"/c//p/PSTDPART","description":"COMMONLY AVAIL. PART","purchasable":false,"stock":{"stockLevelStatus":{"code":"outOfStock","type":"StockLevelStatus"},"stockLevel":0,"stockThreshold":null},"futureStocks":null,"availableForPickup":null,"averageRating":null,"numberOfReviews":null,"summary":null,"manufacturer":null,"variantType":null,"price":null,"baseProduct":null,"images":[],"categories":null,"reviews":null,"classifications":null,"potentialPromotions":null,"variantOptions":null,"baseOptions":[],"volumePricesFlag":null,"volumePrices":null,"productReferences":null,"variantMatrix":null,"priceRange":null,"firstCategoryNameList":null,"multidimensional":null,"configurable":false,"configuratorType":null,"addToCartDisabled":null,"addToCartDisabledMessage":null,"tags":null,"sapUnit":null,"keywords":null,"genders":null,"itemtype":"Part","partSubstitute":null,"note":null,"recallNote":null,"note1":null,"note2":null,"note3":null,"note4":null,"note5":null,"pdfAllUser":null,"pdfAuthUser":null,"pdfCOSUser":null,"vaiantRelatedPartList":null,"partHotspotList":null,"itemNumber":45,"partRelatedVariantList":null,"bomCode":2,"totalValue":null,"searchImage":null,"length":null,"width":null,"height":null,"unitOfDimension":null,"weight":null,"unitOfWeight":null,"specialRouting":false,"onlineRepair":null,"previousPartID":null,"sbdDiscountPriceValue":null,"alrCode":null,"productRecallFlag":null,"selectedDocumentId":null,"productDescription":null,"pdpImage":null,"ticketId":null,"qtyRequiredPerVariant":"1","isElgibleForRepair":null,"isPowerEligible":null,"productRecallNotes":null,"productOtherInfo":null,"backorderETA":null,"modifiedDate":null,"userLevel":"COS","displayPrice":null,"baseProductName":null,"firstVariantCode":null,"firstVariantImage":null,"productMarketType":null,"productNumber":null,"typeStatusCode":null,"productCategory":null,"typeNumber":null,"marketCode":null,"regionCode":null,"otherInformation":null,"productTypeStatus":null,"repairInstruction":null,"repairInstructionStatusDescription":null,"typeStatusDate":null,"serviceLifeDate":null,"manufacturerId":null,"parts":null,"language":null,"glossaries":null,"brand":null,"product":null,"brandCode":null,"recallNotes":null,"volume":null},{"code":"PSTDPART","name":null,"url":"/c//p/PSTDPART","description":"COMMONLY AVAIL. PART","purchasable":false,"stock":{"stockLevelStatus":{"code":"outOfStock","type":"StockLevelStatus"},"stockLevel":0,"stockThreshold":null},"futureStocks":null,"availableForPickup":null,"averageRating":null,"numberOfReviews":null,"summary":null,"manufacturer":null,"variantType":null,"price":null,"baseProduct":null,"images":[],"categories":null,"reviews":null,"classifications":null,"potentialPromotions":null,"variantOptions":null,"baseOptions":[],"volumePricesFlag":null,"volumePrices":null,"productReferences":null,"variantMatrix":null,"priceRange":null,"firstCategoryNameList":null,"multidimensional":null,"configurable":false,"configuratorType":null,"addToCartDisabled":null,"addToCartDisabledMessage":null,"tags":null,"sapUnit":null,"keywords":null,"genders":null,"itemtype":"Part","partSubstitute":null,"note":null,"recallNote":null,"note1":null,"note2":null,"note3":null,"note4":null,"note5":null,"pdfAllUser":null,"pdfAuthUser":null,"pdfCOSUser":null,"vaiantRelatedPartList":null,"partHotspotList":null,"itemNumber":45,"partRelatedVariantList":null,"bomCode":2,"totalValue":null,"searchImage":null,"length":null,"width":null,"height":null,"unitOfDimension":null,"weight":null,"unitOfWeight":null,"specialRouting":false,"onlineRepair":null,"previousPartID":null,"sbdDiscountPriceValue":null,"alrCode":null,"productRecallFlag":null,"selectedDocumentId":null,"productDescription":null,"pdpImage":null,"ticketId":null,"qtyRequiredPerVariant":"1","isElgibleForRepair":null,"isPowerEligible":null,"productRecallNotes":null,"productOtherInfo":null,"backorderETA":null,"modifiedDate":null,"userLevel":"COS","displayPrice":null,"baseProductName":null,"firstVariantCode":null,"firstVariantImage":null,"productMarketType":null,"productNumber":null,"typeStatusCode":null,"productCategory":null,"typeNumber":null,"marketCode":null,"regionCode":null,"otherInformation":null,"productTypeStatus":null,"repairInstruction":null,"repairInstructionStatusDescription":null,"typeStatusDate":null,"serviceLifeDate":null,"manufacturerId":null,"parts":null,"language":null,"glossaries":null,"brand":null,"product":null,"brandCode":null,"recallNotes":null,"volume":null},{"code":"PSTDPART","name":null,"url":"/c//p/PSTDPART","description":"COMMONLY AVAIL. PART","purchasable":false,"stock":{"stockLevelStatus":{"code":"outOfStock","type":"StockLevelStatus"},"stockLevel":0,"stockThreshold":null},"futureStocks":null,"availableForPickup":null,"averageRating":null,"numberOfReviews":null,"summary":null,"manufacturer":null,"variantType":null,"price":null,"baseProduct":null,"images":[],"categories":null,"reviews":null,"classifications":null,"potentialPromotions":null,"variantOptions":null,"baseOptions":[],"volumePricesFlag":null,"volumePrices":null,"productReferences":null,"variantMatrix":null,"priceRange":null,"firstCategoryNameList":null,"multidimensional":null,"configurable":false,"configuratorType":null,"addToCartDisabled":null,"addToCartDisabledMessage":null,"tags":null,"sapUnit":null,"keywords":null,"genders":null,"itemtype":"Part","partSubstitute":null,"note":null,"recallNote":null,"note1":null,"note2":null,"note3":null,"note4":null,"note5":null,"pdfAllUser":null,"pdfAuthUser":null,"pdfCOSUser":null,"vaiantRelatedPartList":null,"partHotspotList":null,"itemNumber":45,"partRelatedVariantList":null,"bomCode":2,"totalValue":null,"searchImage":null,"length":null,"width":null,"height":null,"unitOfDimension":null,"weight":null,"unitOfWeight":null,"specialRouting":false,"onlineRepair":null,"previousPartID":null,"sbdDiscountPriceValue":null,"alrCode":null,"productRecallFlag":null,"selectedDocumentId":null,"productDescription":null,"pdpImage":null,"ticketId":null,"qtyRequiredPerVariant":"1","isElgibleForRepair":null,"isPowerEligible":null,"productRecallNotes":null,"productOtherInfo":null,"backorderETA":null,"modifiedDate":null,"userLevel":"COS","displayPrice":null,"baseProductName":null,"firstVariantCode":null,"firstVariantImage":null,"productMarketType":null,"productNumber":null,"typeStatusCode":null,"productCategory":null,"typeNumber":null,"marketCode":null,"regionCode":null,"otherInformation":null,"productTypeStatus":null,"repairInstruction":null,"repairInstructionStatusDescription":null,"typeStatusDate":null,"serviceLifeDate":null,"manufacturerId":null,"parts":null,"language":null,"glossaries":null,"brand":null,"product":null,"brandCode":null,"recallNotes":null,"volume":null},{"code":"PSTDPART","name":null,"url":"/c//p/PSTDPART","description":"COMMONLY AVAIL. PART","purchasable":false,"stock":{"stockLevelStatus":{"code":"outOfStock","type":"StockLevelStatus"},"stockLevel":0,"stockThreshold":null},"futureStocks":null,"availableForPickup":null,"averageRating":null,"numberOfReviews":null,"summary":null,"manufacturer":null,"variantType":null,"price":null,"baseProduct":null,"images":[],"categories":null,"reviews":null,"classifications":null,"potentialPromotions":null,"variantOptions":null,"baseOptions":[],"volumePricesFlag":null,"volumePrices":null,"productReferences":null,"variantMatrix":null,"priceRange":null,"firstCategoryNameList":null,"multidimensional":null,"configurable":false,"configuratorType":null,"addToCartDisabled":null,"addToCartDisabledMessage":null,"tags":null,"sapUnit":null,"keywords":null,"genders":null,"itemtype":"Part","partSubstitute":null,"note":null,"recallNote":null,"note1":null,"note2":null,"note3":null,"note4":null,"note5":null,"pdfAllUser":null,"pdfAuthUser":null,"pdfCOSUser":null,"vaiantRelatedPartList":null,"partHotspotList":null,"itemNumber":45,"partRelatedVariantList":null,"bomCode":2,"totalValue":null,"searchImage":null,"length":null,"width":null,"height":null,"unitOfDimension":null,"weight":null,"unitOfWeight":null,"specialRouting":false,"onlineRepair":null,"previousPartID":null,"sbdDiscountPriceValue":null,"alrCode":null,"productRecallFlag":null,"selectedDocumentId":null,"productDescription":null,"pdpImage":null,"ticketId":null,"qtyRequiredPerVariant":"1","isElgibleForRepair":null,"isPowerEligible":null,"productRecallNotes":null,"productOtherInfo":null,"backorderETA":null,"modifiedDate":null,"userLevel":"COS","displayPrice":null,"baseProductName":null,"firstVariantCode":null,"firstVariantImage":null,"productMarketType":null,"productNumber":null,"typeStatusCode":null,"productCategory":null,"typeNumber":null,"marketCode":null,"regionCode":null,"otherInformation":null,"productTypeStatus":null,"repairInstruction":null,"repairInstructionStatusDescription":null,"typeStatusDate":null,"serviceLifeDate":null,"manufacturerId":null,"parts":null,"language":null,"glossaries":null,"brand":null,"product":null,"brandCode":null,"recallNotes":null,"volume":null},{"code":"PSTDPART","name":null,"url":"/c//p/PSTDPART","description":"COMMONLY AVAIL. PART","purchasable":false,"stock":{"stockLevelStatus":{"code":"outOfStock","type":"StockLevelStatus"},"stockLevel":0,"stockThreshold":null},"futureStocks":null,"availableForPickup":null,"averageRating":null,"numberOfReviews":null,"summary":null,"manufacturer":null,"variantType":null,"price":null,"baseProduct":null,"images":[],"categories":null,"reviews":null,"classifications":null,"potentialPromotions":null,"variantOptions":null,"baseOptions":[],"volumePricesFlag":null,"volumePrices":null,"productReferences":null,"variantMatrix":null,"priceRange":null,"firstCategoryNameList":null,"multidimensional":null,"configurable":false,"configuratorType":null,"addToCartDisabled":null,"addToCartDisabledMessage":null,"tags":null,"sapUnit":null,"keywords":null,"genders":null,"itemtype":"Part","partSubstitute":null,"note":null,"recallNote":null,"note1":null,"note2":null,"note3":null,"note4":null,"note5":null,"pdfAllUser":null,"pdfAuthUser":null,"pdfCOSUser":null,"vaiantRelatedPartList":null,"partHotspotList":null,"itemNumber":45,"partRelatedVariantList":null,"bomCode":2,"totalValue":null,"searchImage":null,"length":null,"width":null,"height":null,"unitOfDimension":null,"weight":null,"unitOfWeight":null,"specialRouting":false,"onlineRepair":null,"previousPartID":null,"sbdDiscountPriceValue":null,"alrCode":null,"productRecallFlag":null,"selectedDocumentId":null,"productDescription":null,"pdpImage":null,"ticketId":null,"qtyRequiredPerVariant":"1","isElgibleForRepair":null,"isPowerEligible":null,"productRecallNotes":null,"productOtherInfo":null,"backorderETA":null,"modifiedDate":null,"userLevel":"COS","displayPrice":null,"baseProductName":null,"firstVariantCode":null,"firstVariantImage":null,"productMarketType":null,"productNumber":null,"typeStatusCode":null,"productCategory":null,"typeNumber":null,"marketCode":null,"regionCode":null,"otherInformation":null,"productTypeStatus":null,"repairInstruction":null,"repairInstructionStatusDescription":null,"typeStatusDate":null,"serviceLifeDate":null,"manufacturerId":null,"parts":null,"language":null,"glossaries":null,"brand":null,"product":null,"brandCode":null,"recallNotes":null,"volume":null},{"code":"PSTDPART","name":null,"url":"/c//p/PSTDPART","description":"COMMONLY AVAIL. PART","purchasable":false,"stock":{"stockLevelStatus":{"code":"outOfStock","type":"StockLevelStatus"},"stockLevel":0,"stockThreshold":null},"futureStocks":null,"availableForPickup":null,"averageRating":null,"numberOfReviews":null,"summary":null,"manufacturer":null,"variantType":null,"price":null,"baseProduct":null,"images":[],"categories":null,"reviews":null,"classifications":null,"potentialPromotions":null,"variantOptions":null,"baseOptions":[],"volumePricesFlag":null,"volumePrices":null,"productReferences":null,"variantMatrix":null,"priceRange":null,"firstCategoryNameList":null,"multidimensional":null,"configurable":false,"configuratorType":null,"addToCartDisabled":null,"addToCartDisabledMessage":null,"tags":null,"sapUnit":null,"keywords":null,"genders":null,"itemtype":"Part","partSubstitute":null,"note":null,"recallNote":null,"note1":null,"note2":null,"note3":null,"note4":null,"note5":null,"pdfAllUser":null,"pdfAuthUser":null,"pdfCOSUser":null,"vaiantRelatedPartList":null,"partHotspotList":null,"itemNumber":45,"partRelatedVariantList":null,"bomCode":2,"totalValue":null,"searchImage":null,"length":null,"width":null,"height":null,"unitOfDimension":null,"weight":null,"unitOfWeight":null,"specialRouting":false,"onlineRepair":null,"previousPartID":null,"sbdDiscountPriceValue":null,"alrCode":null,"productRecallFlag":null,"selectedDocumentId":null,"productDescription":null,"pdpImage":null,"ticketId":null,"qtyRequiredPerVariant":"1","isElgibleForRepair":null,"isPowerEligible":null,"productRecallNotes":null,"productOtherInfo":null,"backorderETA":null,"modifiedDate":null,"userLevel":"COS","displayPrice":null,"baseProductName":null,"firstVariantCode":null,"firstVariantImage":null,"productMarketType":null,"productNumber":null,"typeStatusCode":null,"productCategory":null,"typeNumber":null,"marketCode":null,"regionCode":null,"otherInformation":null,"productTypeStatus":null,"repairInstruction":null,"repairInstructionStatusDescription":null,"typeStatusDate":null,"serviceLifeDate":null,"manufacturerId":null,"parts":null,"language":null,"glossaries":null,"brand":null,"product":null,"brandCode":null,"recallNotes":null,"volume":null},{"code":"PSTDPART","name":null,"url":"/c//p/PSTDPART","description":"COMMONLY AVAIL. PART","purchasable":false,"stock":{"stockLevelStatus":{"code":"outOfStock","type":"StockLevelStatus"},"stockLevel":0,"stockThreshold":null},"futureStocks":null,"availableForPickup":null,"averageRating":null,"numberOfReviews":null,"summary":null,"manufacturer":null,"variantType":null,"price":null,"baseProduct":null,"images":[],"categories":null,"reviews":null,"classifications":null,"potentialPromotions":null,"variantOptions":null,"baseOptions":[],"volumePricesFlag":null,"volumePrices":null,"productReferences":null,"variantMatrix":null,"priceRange":null,"firstCategoryNameList":null,"multidimensional":null,"configurable":false,"configuratorType":null,"addToCartDisabled":null,"addToCartDisabledMessage":null,"tags":null,"sapUnit":null,"keywords":null,"genders":null,"itemtype":"Part","partSubstitute":null,"note":null,"recallNote":null,"note1":null,"note2":null,"note3":null,"note4":null,"note5":null,"pdfAllUser":null,"pdfAuthUser":null,"pdfCOSUser":null,"vaiantRelatedPartList":null,"partHotspotList":null,"itemNumber":45,"partRelatedVariantList":null,"bomCode":2,"totalValue":null,"searchImage":null,"length":null,"width":null,"height":null,"unitOfDimension":null,"weight":null,"unitOfWeight":null,"specialRouting":false,"onlineRepair":null,"previousPartID":null,"sbdDiscountPriceValue":null,"alrCode":null,"productRecallFlag":null,"selectedDocumentId":null,"productDescription":null,"pdpImage":null,"ticketId":null,"qtyRequiredPerVariant":"1","isElgibleForRepair":null,"isPowerEligible":null,"productRecallNotes":null,"productOtherInfo":null,"backorderETA":null,"modifiedDate":null,"userLevel":"COS","displayPrice":null,"baseProductName":null,"firstVariantCode":null,"firstVariantImage":null,"productMarketType":null,"productNumber":null,"typeStatusCode":null,"productCategory":null,"typeNumber":null,"marketCode":null,"regionCode":null,"otherInformation":null,"productTypeStatus":null,"repairInstruction":null,"repairInstructionStatusDescription":null,"typeStatusDate":null,"serviceLifeDate":null,"manufacturerId":null,"parts":null,"language":null,"glossaries":null,"brand":null,"product":null,"brandCode":null,"recallNotes":null,"volume":null},{"code":"PSTDPART","name":null,"url":"/c//p/PSTDPART","description":"COMMONLY AVAIL. PART","purchasable":false,"stock":{"stockLevelStatus":{"code":"outOfStock","type":"StockLevelStatus"},"stockLevel":0,"stockThreshold":null},"futureStocks":null,"availableForPickup":null,"averageRating":null,"numberOfReviews":null,"summary":null,"manufacturer":null,"variantType":null,"price":null,"baseProduct":null,"images":[],"categories":null,"reviews":null,"classifications":null,"potentialPromotions":null,"variantOptions":null,"baseOptions":[],"volumePricesFlag":null,"volumePrices":null,"productReferences":null,"variantMatrix":null,"priceRange":null,"firstCategoryNameList":null,"multidimensional":null,"configurable":false,"configuratorType":null,"addToCartDisabled":null,"addToCartDisabledMessage":null,"tags":null,"sapUnit":null,"keywords":null,"genders":null,"itemtype":"Part","partSubstitute":null,"note":null,"recallNote":null,"note1":null,"note2":null,"note3":null,"note4":null,"note5":null,"pdfAllUser":null,"pdfAuthUser":null,"pdfCOSUser":null,"vaiantRelatedPartList":null,"partHotspotList":null,"itemNumber":45,"partRelatedVariantList":null,"bomCode":2,"totalValue":null,"searchImage":null,"length":null,"width":null,"height":null,"unitOfDimension":null,"weight":null,"unitOfWeight":null,"specialRouting":false,"onlineRepair":null,"previousPartID":null,"sbdDiscountPriceValue":null,"alrCode":null,"productRecallFlag":null,"selectedDocumentId":null,"productDescription":null,"pdpImage":null,"ticketId":null,"qtyRequiredPerVariant":"1","isElgibleForRepair":null,"isPowerEligible":null,"productRecallNotes":null,"productOtherInfo":null,"backorderETA":null,"modifiedDate":null,"userLevel":"COS","displayPrice":null,"baseProductName":null,"firstVariantCode":null,"firstVariantImage":null,"productMarketType":null,"productNumber":null,"typeStatusCode":null,"productCategory":null,"typeNumber":null,"marketCode":null,"regionCode":null,"otherInformation":null,"productTypeStatus":null,"repairInstruction":null,"repairInstructionStatusDescription":null,"typeStatusDate":null,"serviceLifeDate":null,"manufacturerId":null,"parts":null,"language":null,"glossaries":null,"brand":null,"product":null,"brandCode":null,"recallNotes":null,"volume":null},{"code":"PSTDPART","name":null,"url":"/c//p/PSTDPART","description":"COMMONLY AVAIL. PART","purchasable":false,"stock":{"stockLevelStatus":{"code":"outOfStock","type":"StockLevelStatus"},"stockLevel":0,"stockThreshold":null},"futureStocks":null,"availableForPickup":null,"averageRating":null,"numberOfReviews":null,"summary":null,"manufacturer":null,"variantType":null,"price":null,"baseProduct":null,"images":[],"categories":null,"reviews":null,"classifications":null,"potentialPromotions":null,"variantOptions":null,"baseOptions":[],"volumePricesFlag":null,"volumePrices":null,"productReferences":null,"variantMatrix":null,"priceRange":null,"firstCategoryNameList":null,"multidimensional":null,"configurable":false,"configuratorType":null,"addToCartDisabled":null,"addToCartDisabledMessage":null,"tags":null,"sapUnit":null,"keywords":null,"genders":null,"itemtype":"Part","partSubstitute":null,"note":null,"recallNote":null,"note1":null,"note2":null,"note3":null,"note4":null,"note5":null,"pdfAllUser":null,"pdfAuthUser":null,"pdfCOSUser":null,"vaiantRelatedPartList":null,"partHotspotList":null,"itemNumber":45,"partRelatedVariantList":null,"bomCode":2,"totalValue":null,"searchImage":null,"length":null,"width":null,"height":null,"unitOfDimension":null,"weight":null,"unitOfWeight":null,"specialRouting":false,"onlineRepair":null,"previousPartID":null,"sbdDiscountPriceValue":null,"alrCode":null,"productRecallFlag":null,"selectedDocumentId":null,"productDescription":null,"pdpImage":null,"ticketId":null,"qtyRequiredPerVariant":"1","isElgibleForRepair":null,"isPowerEligible":null,"productRecallNotes":null,"productOtherInfo":null,"backorderETA":null,"modifiedDate":null,"userLevel":"COS","displayPrice":null,"baseProductName":null,"firstVariantCode":null,"firstVariantImage":null,"productMarketType":null,"productNumber":null,"typeStatusCode":null,"productCategory":null,"typeNumber":null,"marketCode":null,"regionCode":null,"otherInformation":null,"productTypeStatus":null,"repairInstruction":null,"repairInstructionStatusDescription":null,"typeStatusDate":null,"serviceLifeDate":null,"manufacturerId":null,"parts":null,"language":null,"glossaries":null,"brand":null,"product":null,"brandCode":null,"recallNotes":null,"volume":null},{"code":"PSTDPART","name":null,"url":"/c//p/PSTDPART","description":"COMMONLY AVAIL. PART","purchasable":false,"stock":{"stockLevelStatus":{"code":"outOfStock","type":"StockLevelStatus"},"stockLevel":0,"stockThreshold":null},"futureStocks":null,"availableForPickup":null,"averageRating":null,"numberOfReviews":null,"summary":null,"manufacturer":null,"variantType":null,"price":null,"baseProduct":null,"images":[],"categories":null,"reviews":null,"classifications":null,"potentialPromotions":null,"variantOptions":null,"baseOptions":[],"volumePricesFlag":null,"volumePrices":null,"productReferences":null,"variantMatrix":null,"priceRange":null,"firstCategoryNameList":null,"multidimensional":null,"configurable":false,"configuratorType":null,"addToCartDisabled":null,"addToCartDisabledMessage":null,"tags":null,"sapUnit":null,"keywords":null,"genders":null,"itemtype":"Part","partSubstitute":null,"note":null,"recallNote":null,"note1":null,"note2":null,"note3":null,"note4":null,"note5":null,"pdfAllUser":null,"pdfAuthUser":null,"pdfCOSUser":null,"vaiantRelatedPartList":null,"partHotspotList":null,"itemNumber":45,"partRelatedVariantList":null,"bomCode":2,"totalValue":null,"searchImage":null,"length":null,"width":null,"height":null,"unitOfDimension":null,"weight":null,"unitOfWeight":null,"specialRouting":false,"onlineRepair":null,"previousPartID":null,"sbdDiscountPriceValue":null,"alrCode":null,"productRecallFlag":null,"selectedDocumentId":null,"productDescription":null,"pdpImage":null,"ticketId":null,"qtyRequiredPerVariant":"1","isElgibleForRepair":null,"isPowerEligible":null,"productRecallNotes":null,"productOtherInfo":null,"backorderETA":null,"modifiedDate":null,"userLevel":"COS","displayPrice":null,"baseProductName":null,"firstVariantCode":null,"firstVariantImage":null,"productMarketType":null,"productNumber":null,"typeStatusCode":null,"productCategory":null,"typeNumber":null,"marketCode":null,"regionCode":null,"otherInformation":null,"productTypeStatus":null,"repairInstruction":null,"repairInstructionStatusDescription":null,"typeStatusDate":null,"serviceLifeDate":null,"manufacturerId":null,"parts":null,"language":null,"glossaries":null,"brand":null,"product":null,"brandCode":null,"recallNotes":null,"volume":null},{"code":"PSTDPART","name":null,"url":"/c//p/PSTDPART","description":"COMMONLY AVAIL. PART","purchasable":false,"stock":{"stockLevelStatus":{"code":"outOfStock","type":"StockLevelStatus"},"stockLevel":0,"stockThreshold":null},"futureStocks":null,"availableForPickup":null,"averageRating":null,"numberOfReviews":null,"summary":null,"manufacturer":null,"variantType":null,"price":null,"baseProduct":null,"images":[],"categories":null,"reviews":null,"classifications":null,"potentialPromotions":null,"variantOptions":null,"baseOptions":[],"volumePricesFlag":null,"volumePrices":null,"productReferences":null,"variantMatrix":null,"priceRange":null,"firstCategoryNameList":null,"multidimensional":null,"configurable":false,"configuratorType":null,"addToCartDisabled":null,"addToCartDisabledMessage":null,"tags":null,"sapUnit":null,"keywords":null,"genders":null,"itemtype":"Part","partSubstitute":null,"note":null,"recallNote":null,"note1":null,"note2":null,"note3":null,"note4":null,"note5":null,"pdfAllUser":null,"pdfAuthUser":null,"pdfCOSUser":null,"vaiantRelatedPartList":null,"partHotspotList":null,"itemNumber":45,"partRelatedVariantList":null,"bomCode":2,"totalValue":null,"searchImage":null,"length":null,"width":null,"height":null,"unitOfDimension":null,"weight":null,"unitOfWeight":null,"specialRouting":false,"onlineRepair":null,"previousPartID":null,"sbdDiscountPriceValue":null,"alrCode":null,"productRecallFlag":null,"selectedDocumentId":null,"productDescription":null,"pdpImage":null,"ticketId":null,"qtyRequiredPerVariant":"1","isElgibleForRepair":null,"isPowerEligible":null,"productRecallNotes":null,"productOtherInfo":null,"backorderETA":null,"modifiedDate":null,"userLevel":"COS","displayPrice":null,"baseProductName":null,"firstVariantCode":null,"firstVariantImage":null,"productMarketType":null,"productNumber":null,"typeStatusCode":null,"productCategory":null,"typeNumber":null,"marketCode":null,"regionCode":null,"otherInformation":null,"productTypeStatus":null,"repairInstruction":null,"repairInstructionStatusDescription":null,"typeStatusDate":null,"serviceLifeDate":null,"manufacturerId":null,"parts":null,"language":null,"glossaries":null,"brand":null,"product":null,"brandCode":null,"recallNotes":null,"volume":null},{"code":"PSTDPART","name":null,"url":"/c//p/PSTDPART","description":"COMMONLY AVAIL. PART","purchasable":false,"stock":{"stockLevelStatus":{"code":"outOfStock","type":"StockLevelStatus"},"stockLevel":0,"stockThreshold":null},"futureStocks":null,"availableForPickup":null,"averageRating":null,"numberOfReviews":null,"summary":null,"manufacturer":null,"variantType":null,"price":null,"baseProduct":null,"images":[],"categories":null,"reviews":null,"classifications":null,"potentialPromotions":null,"variantOptions":null,"baseOptions":[],"volumePricesFlag":null,"volumePrices":null,"productReferences":null,"variantMatrix":null,"priceRange":null,"firstCategoryNameList":null,"multidimensional":null,"configurable":false,"configuratorType":null,"addToCartDisabled":null,"addToCartDisabledMessage":null,"tags":null,"sapUnit":null,"keywords":null,"genders":null,"itemtype":"Part","partSubstitute":null,"note":null,"recallNote":null,"note1":null,"note2":null,"note3":null,"note4":null,"note5":null,"pdfAllUser":null,"pdfAuthUser":null,"pdfCOSUser":null,"vaiantRelatedPartList":null,"partHotspotList":null,"itemNumber":45,"partRelatedVariantList":null,"bomCode":2,"totalValue":null,"searchImage":null,"length":null,"width":null,"height":null,"unitOfDimension":null,"weight":null,"unitOfWeight":null,"specialRouting":false,"onlineRepair":null,"previousPartID":null,"sbdDiscountPriceValue":null,"alrCode":null,"productRecallFlag":null,"selectedDocumentId":null,"productDescription":null,"pdpImage":null,"ticketId":null,"qtyRequiredPerVariant":"1","isElgibleForRepair":null,"isPowerEligible":null,"productRecallNotes":null,"productOtherInfo":null,"backorderETA":null,"modifiedDate":null,"userLevel":"COS","displayPrice":null,"baseProductName":null,"firstVariantCode":null,"firstVariantImage":null,"productMarketType":null,"productNumber":null,"typeStatusCode":null,"productCategory":null,"typeNumber":null,"marketCode":null,"regionCode":null,"otherInformation":null,"productTypeStatus":null,"repairInstruction":null,"repairInstructionStatusDescription":null,"typeStatusDate":null,"serviceLifeDate":null,"manufacturerId":null,"parts":null,"language":null,"glossaries":null,"brand":null,"product":null,"brandCode":null,"recallNotes":null,"volume":null},{"code":"P532139888-CM","name":null,"url":"/c//p/P532139888-CM","description":"BOLT","purchasable":true,"stock":{"stockLevelStatus":{"code":"outOfStock","type":"StockLevelStatus"},"stockLevel":0,"stockThreshold":null},"futureStocks":null,"availableForPickup":null,"averageRating":null,"numberOfReviews":null,"summary":null,"manufacturer":null,"variantType":null,"price":{"currencyIso":"USD","value":2.63,"priceType":"BUY","formattedValue":"$2.63","minQuantity":null,"maxQuantity":null,"sapUnit":{"code":"pieces","name":"Piece"}},"baseProduct":null,"images":[],"categories":null,"reviews":null,"classifications":null,"potentialPromotions":null,"variantOptions":null,"baseOptions":[],"volumePricesFlag":null,"volumePrices":null,"productReferences":null,"variantMatrix":null,"priceRange":null,"firstCategoryNameList":null,"multidimensional":null,"configurable":false,"configuratorType":null,"addToCartDisabled":null,"addToCartDisabledMessage":null,"tags":null,"sapUnit":null,"keywords":null,"genders":null,"itemtype":"Part","partSubstitute":null,"note":null,"recallNote":null,"note1":null,"note2":null,"note3":null,"note4":null,"note5":null,"pdfAllUser":null,"pdfAuthUser":null,"pdfCOSUser":null,"vaiantRelatedPartList":null,"partHotspotList":null,"itemNumber":52,"partRelatedVariantList":null,"bomCode":2,"totalValue":null,"searchImage":null,"length":null,"width":null,"height":null,"unitOfDimension":null,"weight":null,"unitOfWeight":null,"specialRouting":false,"onlineRepair":null,"previousPartID":null,"sbdDiscountPriceValue":{"currencyIso":"USD","value":2.63,"priceType":"BUY","formattedValue":"$2.63","minQuantity":null,"maxQuantity":null,"sapUnit":{"code":"pieces","name":"Piece"}},"alrCode":null,"productRecallFlag":null,"selectedDocumentId":null,"productDescription":null,"pdpImage":null,"ticketId":null,"qtyRequiredPerVariant":"1","isElgibleForRepair":null,"isPowerEligible":null,"productRecallNotes":null,"productOtherInfo":null,"backorderETA":"00/00/0000","modifiedDate":null,"userLevel":"COS","displayPrice":null,"baseProductName":null,"firstVariantCode":null,"firstVariantImage":null,"productMarketType":null,"productNumber":null,"typeStatusCode":null,"productCategory":null,"typeNumber":null,"marketCode":null,"regionCode":null,"otherInformation":null,"productTypeStatus":null,"repairInstruction":null,"repairInstructionStatusDescription":null,"typeStatusDate":null,"serviceLifeDate":null,"manufacturerId":null,"parts":null,"language":null,"glossaries":null,"brand":null,"product":null,"brandCode":null,"recallNotes":null,"volume":null},{"code":"P532141940-CM","name":null,"url":"/c//p/P532141940-CM","description":"WIRE PROTECT","purchasable":true,"stock":{"stockLevelStatus":{"code":"outOfStock","type":"StockLevelStatus"},"stockLevel":0,"stockThreshold":null},"futureStocks":null,"availableForPickup":null,"averageRating":null,"numberOfReviews":null,"summary":null,"manufacturer":null,"variantType":null,"price":{"currencyIso":"USD","value":3.41,"priceType":"BUY","formattedValue":"$3.41","minQuantity":null,"maxQuantity":null,"sapUnit":{"code":"pieces","name":"Piece"}},"baseProduct":null,"images":[],"categories":null,"reviews":null,"classifications":null,"potentialPromotions":null,"variantOptions":null,"baseOptions":[],"volumePricesFlag":null,"volumePrices":null,"productReferences":null,"variantMatrix":null,"priceRange":null,"firstCategoryNameList":null,"multidimensional":null,"configurable":false,"configuratorType":null,"addToCartDisabled":null,"addToCartDisabledMessage":null,"tags":null,"sapUnit":null,"keywords":null,"genders":null,"itemtype":"Part","partSubstitute":null,"note":null,"recallNote":null,"note1":null,"note2":null,"note3":null,"note4":null,"note5":null,"pdfAllUser":null,"pdfAuthUser":null,"pdfCOSUser":null,"vaiantRelatedPartList":null,"partHotspotList":null,"itemNumber":52,"partRelatedVariantList":null,"bomCode":2,"totalValue":null,"searchImage":null,"length":null,"width":null,"height":null,"unitOfDimension":null,"weight":null,"unitOfWeight":null,"specialRouting":false,"onlineRepair":null,"previousPartID":null,"sbdDiscountPriceValue":{"currencyIso":"USD","value":3.41,"priceType":"BUY","formattedValue":"$3.41","minQuantity":null,"maxQuantity":null,"sapUnit":{"code":"pieces","name":"Piece"}},"alrCode":null,"productRecallFlag":null,"selectedDocumentId":null,"productDescription":null,"pdpImage":null,"ticketId":null,"qtyRequiredPerVariant":"1","isElgibleForRepair":null,"isPowerEligible":null,"productRecallNotes":null,"productOtherInfo":null,"backorderETA":"00/00/0000","modifiedDate":null,"userLevel":"COS","displayPrice":null,"baseProductName":null,"firstVariantCode":null,"firstVariantImage":null,"productMarketType":null,"productNumber":null,"typeStatusCode":null,"productCategory":null,"typeNumber":null,"marketCode":null,"regionCode":null,"otherInformation":null,"productTypeStatus":null,"repairInstruction":null,"repairInstructionStatusDescription":null,"typeStatusDate":null,"serviceLifeDate":null,"manufacturerId":null,"parts":null,"language":null,"glossaries":null,"brand":null,"product":null,"brandCode":null,"recallNotes":null,"volume":null},{"code":"P819091416-CM","name":null,"url":"/c//p/P819091416-CM","description":"WASHER 9/32 X 7/8 X 16 GA.","purchasable":true,"stock":{"stockLevelStatus":{"code":"inStock","type":"StockLevelStatus"},"stockLevel":0,"stockThreshold":null},"futureStocks":null,"availableForPickup":null,"averageRating":null,"numberOfReviews":null,"summary":null,"manufacturer":null,"variantType":null,"price":{"currencyIso":"USD","value":3.1,"priceType":"BUY","formattedValue":"$3.10","minQuantity":null,"maxQuantity":null,"sapUnit":{"code":"pieces","name":"Piece"}},"baseProduct":null,"images":[],"categories":null,"reviews":null,"classifications":null,"potentialPromotions":null,"variantOptions":null,"baseOptions":[],"volumePricesFlag":null,"volumePrices":null,"productReferences":null,"variantMatrix":null,"priceRange":null,"firstCategoryNameList":null,"multidimensional":null,"configurable":false,"configuratorType":null,"addToCartDisabled":null,"addToCartDisabledMessage":null,"tags":null,"sapUnit":null,"keywords":null,"genders":null,"itemtype":"Part","partSubstitute":null,"note":null,"recallNote":null,"note1":null,"note2":null,"note3":null,"note4":null,"note5":null,"pdfAllUser":null,"pdfAuthUser":null,"pdfCOSUser":null,"vaiantRelatedPartList":null,"partHotspotList":null,"itemNumber":52,"partRelatedVariantList":null,"bomCode":2,"totalValue":null,"searchImage":null,"length":null,"width":null,"height":null,"unitOfDimension":null,"weight":null,"unitOfWeight":null,"specialRouting":false,"onlineRepair":null,"previousPartID":null,"sbdDiscountPriceValue":{"currencyIso":"USD","value":3.1,"priceType":"BUY","formattedValue":"$3.10","minQuantity":null,"maxQuantity":null,"sapUnit":{"code":"pieces","name":"Piece"}},"alrCode":null,"productRecallFlag":null,"selectedDocumentId":null,"productDescription":null,"pdpImage":null,"ticketId":null,"qtyRequiredPerVariant":"1","isElgibleForRepair":null,"isPowerEligible":null,"productRecallNotes":null,"productOtherInfo":null,"backorderETA":"00/00/0000","modifiedDate":null,"userLevel":"COS","displayPrice":null,"baseProductName":null,"firstVariantCode":null,"firstVariantImage":null,"productMarketType":null,"productNumber":null,"typeStatusCode":null,"productCategory":null,"typeNumber":null,"marketCode":null,"regionCode":null,"otherInformation":null,"productTypeStatus":null,"repairInstruction":null,"repairInstructionStatusDescription":null,"typeStatusDate":null,"serviceLifeDate":null,"manufacturerId":null,"parts":null,"language":null,"glossaries":null,"brand":null,"product":null,"brandCode":null,"recallNotes":null,"volume":null},{"code":"P873800500-CM","name":null,"url":"/c//p/P873800500-CM","description":"NUT HEX LOC","purchasable":true,"stock":{"stockLevelStatus":{"code":"inStock","type":"StockLevelStatus"},"stockLevel":0,"stockThreshold":null},"futureStocks":null,"availableForPickup":null,"averageRating":null,"numberOfReviews":null,"summary":null,"manufacturer":null,"variantType":null,"price":{"currencyIso":"USD","value":2.61,"priceType":"BUY","formattedValue":"$2.61","minQuantity":null,"maxQuantity":null,"sapUnit":{"code":"pieces","name":"Piece"}},"baseProduct":null,"images":[],"categories":null,"reviews":null,"classifications":null,"potentialPromotions":null,"variantOptions":null,"baseOptions":[],"volumePricesFlag":null,"volumePrices":null,"productReferences":null,"variantMatrix":null,"priceRange":null,"firstCategoryNameList":null,"multidimensional":null,"configurable":false,"configuratorType":null,"addToCartDisabled":null,"addToCartDisabledMessage":null,"tags":null,"sapUnit":null,"keywords":null,"genders":null,"itemtype":"Part","partSubstitute":null,"note":null,"recallNote":null,"note1":null,"note2":null,"note3":null,"note4":null,"note5":null,"pdfAllUser":null,"pdfAuthUser":null,"pdfCOSUser":null,"vaiantRelatedPartList":null,"partHotspotList":null,"itemNumber":52,"partRelatedVariantList":null,"bomCode":2,"totalValue":null,"searchImage":null,"length":null,"width":null,"height":null,"unitOfDimension":null,"weight":null,"unitOfWeight":null,"specialRouting":false,"onlineRepair":null,"previousPartID":null,"sbdDiscountPriceValue":{"currencyIso":"USD","value":2.61,"priceType":"BUY","formattedValue":"$2.61","minQuantity":null,"maxQuantity":null,"sapUnit":{"code":"pieces","name":"Piece"}},"alrCode":null,"productRecallFlag":null,"selectedDocumentId":null,"productDescription":null,"pdpImage":null,"ticketId":null,"qtyRequiredPerVariant":"1","isElgibleForRepair":null,"isPowerEligible":null,"productRecallNotes":null,"productOtherInfo":null,"backorderETA":"00/00/0000","modifiedDate":null,"userLevel":"COS","displayPrice":null,"baseProductName":null,"firstVariantCode":null,"firstVariantImage":null,"productMarketType":null,"productNumber":null,"typeStatusCode":null,"productCategory":null,"typeNumber":null,"marketCode":null,"regionCode":null,"otherInformation":null,"productTypeStatus":null,"repairInstruction":null,"repairInstructionStatusDescription":null,"typeStatusDate":null,"serviceLifeDate":null,"manufacturerId":null,"parts":null,"language":null,"glossaries":null,"brand":null,"product":null,"brandCode":null,"recallNotes":null,"volume":null},{"code":"P873800500-CM","name":null,"url":"/c//p/P873800500-CM","description":"NUT HEX LOC","purchasable":true,"stock":{"stockLevelStatus":{"code":"inStock","type":"StockLevelStatus"},"stockLevel":0,"stockThreshold":null},"futureStocks":null,"availableForPickup":null,"averageRating":null,"numberOfReviews":null,"summary":null,"manufacturer":null,"variantType":null,"price":{"currencyIso":"USD","value":2.61,"priceType":"BUY","formattedValue":"$2.61","minQuantity":null,"maxQuantity":null,"sapUnit":{"code":"pieces","name":"Piece"}},"baseProduct":null,"images":[],"categories":null,"reviews":null,"classifications":null,"potentialPromotions":null,"variantOptions":null,"baseOptions":[],"volumePricesFlag":null,"volumePrices":null,"productReferences":null,"variantMatrix":null,"priceRange":null,"firstCategoryNameList":null,"multidimensional":null,"configurable":false,"configuratorType":null,"addToCartDisabled":null,"addToCartDisabledMessage":null,"tags":null,"sapUnit":null,"keywords":null,"genders":null,"itemtype":"Part","partSubstitute":null,"note":null,"recallNote":null,"note1":null,"note2":null,"note3":null,"note4":null,"note5":null,"pdfAllUser":null,"pdfAuthUser":null,"pdfCOSUser":null,"vaiantRelatedPartList":null,"partHotspotList":null,"itemNumber":52,"partRelatedVariantList":null,"bomCode":2,"totalValue":null,"searchImage":null,"length":null,"width":null,"height":null,"unitOfDimension":null,"weight":null,"unitOfWeight":null,"specialRouting":false,"onlineRepair":null,"previousPartID":null,"sbdDiscountPriceValue":{"currencyIso":"USD","value":2.61,"priceType":"BUY","formattedValue":"$2.61","minQuantity":null,"maxQuantity":null,"sapUnit":{"code":"pieces","name":"Piece"}},"alrCode":null,"productRecallFlag":null,"selectedDocumentId":null,"productDescription":null,"pdpImage":null,"ticketId":null,"qtyRequiredPerVariant":"1","isElgibleForRepair":null,"isPowerEligible":null,"productRecallNotes":null,"productOtherInfo":null,"backorderETA":"00/00/0000","modifiedDate":null,"userLevel":"COS","displayPrice":null,"baseProductName":null,"firstVariantCode":null,"firstVariantImage":null,"productMarketType":null,"productNumber":null,"typeStatusCode":null,"productCategory":null,"typeNumber":null,"marketCode":null,"regionCode":null,"otherInformation":null,"productTypeStatus":null,"repairInstruction":null,"repairInstructionStatusDescription":null,"typeStatusDate":null,"serviceLifeDate":null,"manufacturerId":null,"parts":null,"language":null,"glossaries":null,"brand":null,"product":null,"brandCode":null,"recallNotes":null,"volume":null},{"code":"P873800500-CM","name":null,"url":"/c//p/P873800500-CM","description":"NUT HEX LOC","purchasable":true,"stock":{"stockLevelStatus":{"code":"inStock","type":"StockLevelStatus"},"stockLevel":0,"stockThreshold":null},"futureStocks":null,"availableForPickup":null,"averageRating":null,"numberOfReviews":null,"summary":null,"manufacturer":null,"variantType":null,"price":{"currencyIso":"USD","value":2.61,"priceType":"BUY","formattedValue":"$2.61","minQuantity":null,"maxQuantity":null,"sapUnit":{"code":"pieces","name":"Piece"}},"baseProduct":null,"images":[],"categories":null,"reviews":null,"classifications":null,"potentialPromotions":null,"variantOptions":null,"baseOptions":[],"volumePricesFlag":null,"volumePrices":null,"productReferences":null,"variantMatrix":null,"priceRange":null,"firstCategoryNameList":null,"multidimensional":null,"configurable":false,"configuratorType":null,"addToCartDisabled":null,"addToCartDisabledMessage":null,"tags":null,"sapUnit":null,"keywords":null,"genders":null,"itemtype":"Part","partSubstitute":null,"note":null,"recallNote":null,"note1":null,"note2":null,"note3":null,"note4":null,"note5":null,"pdfAllUser":null,"pdfAuthUser":null,"pdfCOSUser":null,"vaiantRelatedPartList":null,"partHotspotList":null,"itemNumber":52,"partRelatedVariantList":null,"bomCode":2,"totalValue":null,"searchImage":null,"length":null,"width":null,"height":null,"unitOfDimension":null,"weight":null,"unitOfWeight":null,"specialRouting":false,"onlineRepair":null,"previousPartID":null,"sbdDiscountPriceValue":{"currencyIso":"USD","value":2.61,"priceType":"BUY","formattedValue":"$2.61","minQuantity":null,"maxQuantity":null,"sapUnit":{"code":"pieces","name":"Piece"}},"alrCode":null,"productRecallFlag":null,"selectedDocumentId":null,"productDescription":null,"pdpImage":null,"ticketId":null,"qtyRequiredPerVariant":"1","isElgibleForRepair":null,"isPowerEligible":null,"productRecallNotes":null,"productOtherInfo":null,"backorderETA":"00/00/0000","modifiedDate":null,"userLevel":"COS","displayPrice":null,"baseProductName":null,"firstVariantCode":null,"firstVariantImage":null,"productMarketType":null,"productNumber":null,"typeStatusCode":null,"productCategory":null,"typeNumber":null,"marketCode":null,"regionCode":null,"otherInformation":null,"productTypeStatus":null,"repairInstruction":null,"repairInstructionStatusDescription":null,"typeStatusDate":null,"serviceLifeDate":null,"manufacturerId":null,"parts":null,"language":null,"glossaries":null,"brand":null,"product":null,"brandCode":null,"recallNotes":null,"volume":null},{"code":"P873800500-CM","name":null,"url":"/c//p/P873800500-CM","description":"NUT HEX LOC","purchasable":true,"stock":{"stockLevelStatus":{"code":"inStock","type":"StockLevelStatus"},"stockLevel":0,"stockThreshold":null},"futureStocks":null,"availableForPickup":null,"averageRating":null,"numberOfReviews":null,"summary":null,"manufacturer":null,"variantType":null,"price":{"currencyIso":"USD","value":2.61,"priceType":"BUY","formattedValue":"$2.61","minQuantity":null,"maxQuantity":null,"sapUnit":{"code":"pieces","name":"Piece"}},"baseProduct":null,"images":[],"categories":null,"reviews":null,"classifications":null,"potentialPromotions":null,"variantOptions":null,"baseOptions":[],"volumePricesFlag":null,"volumePrices":null,"productReferences":null,"variantMatrix":null,"priceRange":null,"firstCategoryNameList":null,"multidimensional":null,"configurable":false,"configuratorType":null,"addToCartDisabled":null,"addToCartDisabledMessage":null,"tags":null,"sapUnit":null,"keywords":null,"genders":null,"itemtype":"Part","partSubstitute":null,"note":null,"recallNote":null,"note1":null,"note2":null,"note3":null,"note4":null,"note5":null,"pdfAllUser":null,"pdfAuthUser":null,"pdfCOSUser":null,"vaiantRelatedPartList":null,"partHotspotList":null,"itemNumber":52,"partRelatedVariantList":null,"bomCode":2,"totalValue":null,"searchImage":null,"length":null,"width":null,"height":null,"unitOfDimension":null,"weight":null,"unitOfWeight":null,"specialRouting":false,"onlineRepair":null,"previousPartID":null,"sbdDiscountPriceValue":{"currencyIso":"USD","value":2.61,"priceType":"BUY","formattedValue":"$2.61","minQuantity":null,"maxQuantity":null,"sapUnit":{"code":"pieces","name":"Piece"}},"alrCode":null,"productRecallFlag":null,"selectedDocumentId":null,"productDescription":null,"pdpImage":null,"ticketId":null,"qtyRequiredPerVariant":"1","isElgibleForRepair":null,"isPowerEligible":null,"productRecallNotes":null,"productOtherInfo":null,"backorderETA":"00/00/0000","modifiedDate":null,"userLevel":"COS","displayPrice":null,"baseProductName":null,"firstVariantCode":null,"firstVariantImage":null,"productMarketType":null,"productNumber":null,"typeStatusCode":null,"productCategory":null,"typeNumber":null,"marketCode":null,"regionCode":null,"otherInformation":null,"productTypeStatus":null,"repairInstruction":null,"repairInstructionStatusDescription":null,"typeStatusDate":null,"serviceLifeDate":null,"manufacturerId":null,"parts":null,"language":null,"glossaries":null,"brand":null,"product":null,"brandCode":null,"recallNotes":null,"volume":null},{"code":"P105709X-CM","name":null,"url":"/c//p/P105709X-CM","description":"SPRING RETURN CLUTCH 6.75","purchasable":true,"stock":{"stockLevelStatus":{"code":"inStock","type":"StockLevelStatus"},"stockLevel":0,"stockThreshold":null},"futureStocks":null,"availableForPickup":null,"averageRating":null,"numberOfReviews":null,"summary":null,"manufacturer":null,"variantType":null,"price":{"currencyIso":"USD","value":7.44,"priceType":"BUY","formattedValue":"$7.44","minQuantity":null,"maxQuantity":null,"sapUnit":{"code":"pieces","name":"Piece"}},"baseProduct":null,"images":[],"categories":null,"reviews":null,"classifications":null,"potentialPromotions":null,"variantOptions":null,"baseOptions":[],"volumePricesFlag":null,"volumePrices":null,"productReferences":null,"variantMatrix":null,"priceRange":null,"firstCategoryNameList":null,"multidimensional":null,"configurable":false,"configuratorType":null,"addToCartDisabled":null,"addToCartDisabledMessage":null,"tags":null,"sapUnit":null,"keywords":null,"genders":null,"itemtype":"Part","partSubstitute":null,"note":null,"recallNote":null,"note1":null,"note2":null,"note3":null,"note4":null,"note5":null,"pdfAllUser":null,"pdfAuthUser":null,"pdfCOSUser":null,"vaiantRelatedPartList":null,"partHotspotList":null,"itemNumber":55,"partRelatedVariantList":null,"bomCode":2,"totalValue":null,"searchImage":null,"length":null,"width":null,"height":null,"unitOfDimension":null,"weight":null,"unitOfWeight":null,"specialRouting":false,"onlineRepair":null,"previousPartID":null,"sbdDiscountPriceValue":{"currencyIso":"USD","value":7.44,"priceType":"BUY","formattedValue":"$7.44","minQuantity":null,"maxQuantity":null,"sapUnit":{"code":"pieces","name":"Piece"}},"alrCode":null,"productRecallFlag":null,"selectedDocumentId":null,"productDescription":null,"pdpImage":null,"ticketId":null,"qtyRequiredPerVariant":"1","isElgibleForRepair":null,"isPowerEligible":null,"productRecallNotes":null,"productOtherInfo":null,"backorderETA":"00/00/0000","modifiedDate":null,"userLevel":"COS","displayPrice":null,"baseProductName":null,"firstVariantCode":null,"firstVariantImage":null,"productMarketType":null,"productNumber":null,"typeStatusCode":null,"productCategory":null,"typeNumber":null,"marketCode":null,"regionCode":null,"otherInformation":null,"productTypeStatus":null,"repairInstruction":null,"repairInstructionStatusDescription":null,"typeStatusDate":null,"serviceLifeDate":null,"manufacturerId":null,"parts":null,"language":null,"glossaries":null,"brand":null,"product":null,"brandCode":null,"recallNotes":null,"volume":null},{"code":"P17490508-CM","name":null,"url":"/c//p/P17490508-CM","description":"SCREW THDROL 5/16-18 X 1/2","purchasable":true,"stock":{"stockLevelStatus":{"code":"inStock","type":"StockLevelStatus"},"stockLevel":0,"stockThreshold":null},"futureStocks":null,"availableForPickup":null,"averageRating":null,"numberOfReviews":null,"summary":null,"manufacturer":null,"variantType":null,"price":{"currencyIso":"USD","value":3.1,"priceType":"BUY","formattedValue":"$3.10","minQuantity":null,"maxQuantity":null,"sapUnit":{"code":"pieces","name":"Piece"}},"baseProduct":null,"images":[],"categories":null,"reviews":null,"classifications":null,"potentialPromotions":null,"variantOptions":null,"baseOptions":[],"volumePricesFlag":null,"volumePrices":null,"productReferences":null,"variantMatrix":null,"priceRange":null,"firstCategoryNameList":null,"multidimensional":null,"configurable":false,"configuratorType":null,"addToCartDisabled":null,"addToCartDisabledMessage":null,"tags":null,"sapUnit":null,"keywords":null,"genders":null,"itemtype":"Part","partSubstitute":null,"note":null,"recallNote":null,"note1":null,"note2":null,"note3":null,"note4":null,"note5":null,"pdfAllUser":null,"pdfAuthUser":null,"pdfCOSUser":null,"vaiantRelatedPartList":null,"partHotspotList":null,"itemNumber":55,"partRelatedVariantList":null,"bomCode":2,"totalValue":null,"searchImage":null,"length":null,"width":null,"height":null,"unitOfDimension":null,"weight":null,"unitOfWeight":null,"specialRouting":false,"onlineRepair":null,"previousPartID":null,"sbdDiscountPriceValue":{"currencyIso":"USD","value":3.1,"priceType":"BUY","formattedValue":"$3.10","minQuantity":null,"maxQuantity":null,"sapUnit":{"code":"pieces","name":"Piece"}},"alrCode":null,"productRecallFlag":null,"selectedDocumentId":null,"productDescription":null,"pdpImage":null,"ticketId":null,"qtyRequiredPerVariant":"1","isElgibleForRepair":null,"isPowerEligible":null,"productRecallNotes":null,"productOtherInfo":null,"backorderETA":"00/00/0000","modifiedDate":null,"userLevel":"COS","displayPrice":null,"baseProductName":null,"firstVariantCode":null,"firstVariantImage":null,"productMarketType":null,"productNumber":null,"typeStatusCode":null,"productCategory":null,"typeNumber":null,"marketCode":null,"regionCode":null,"otherInformation":null,"productTypeStatus":null,"repairInstruction":null,"repairInstructionStatusDescription":null,"typeStatusDate":null,"serviceLifeDate":null,"manufacturerId":null,"parts":null,"language":null,"glossaries":null,"brand":null,"product":null,"brandCode":null,"recallNotes":null,"volume":null},{"code":"P17490508-CM","name":null,"url":"/c//p/P17490508-CM","description":"SCREW THDROL 5/16-18 X 1/2","purchasable":true,"stock":{"stockLevelStatus":{"code":"inStock","type":"StockLevelStatus"},"stockLevel":0,"stockThreshold":null},"futureStocks":null,"availableForPickup":null,"averageRating":null,"numberOfReviews":null,"summary":null,"manufacturer":null,"variantType":null,"price":{"currencyIso":"USD","value":3.1,"priceType":"BUY","formattedValue":"$3.10","minQuantity":null,"maxQuantity":null,"sapUnit":{"code":"pieces","name":"Piece"}},"baseProduct":null,"images":[],"categories":null,"reviews":null,"classifications":null,"potentialPromotions":null,"variantOptions":null,"baseOptions":[],"volumePricesFlag":null,"volumePrices":null,"productReferences":null,"variantMatrix":null,"priceRange":null,"firstCategoryNameList":null,"multidimensional":null,"configurable":false,"configuratorType":null,"addToCartDisabled":null,"addToCartDisabledMessage":null,"tags":null,"sapUnit":null,"keywords":null,"genders":null,"itemtype":"Part","partSubstitute":null,"note":null,"recallNote":null,"note1":null,"note2":null,"note3":null,"note4":null,"note5":null,"pdfAllUser":null,"pdfAuthUser":null,"pdfCOSUser":null,"vaiantRelatedPartList":null,"partHotspotList":null,"itemNumber":55,"partRelatedVariantList":null,"bomCode":2,"totalValue":null,"searchImage":null,"length":null,"width":null,"height":null,"unitOfDimension":null,"weight":null,"unitOfWeight":null,"specialRouting":false,"onlineRepair":null,"previousPartID":null,"sbdDiscountPriceValue":{"currencyIso":"USD","value":3.1,"priceType":"BUY","formattedValue":"$3.10","minQuantity":null,"maxQuantity":null,"sapUnit":{"code":"pieces","name":"Piece"}},"alrCode":null,"productRecallFlag":null,"selectedDocumentId":null,"productDescription":null,"pdpImage":null,"ticketId":null,"qtyRequiredPerVariant":"1","isElgibleForRepair":null,"isPowerEligible":null,"productRecallNotes":null,"productOtherInfo":null,"backorderETA":"00/00/0000","modifiedDate":null,"userLevel":"COS","displayPrice":null,"baseProductName":null,"firstVariantCode":null,"firstVariantImage":null,"productMarketType":null,"productNumber":null,"typeStatusCode":null,"productCategory":null,"typeNumber":null,"marketCode":null,"regionCode":null,"otherInformation":null,"productTypeStatus":null,"repairInstruction":null,"repairInstructionStatusDescription":null,"typeStatusDate":null,"serviceLifeDate":null,"manufacturerId":null,"parts":null,"language":null,"glossaries":null,"brand":null,"product":null,"brandCode":null,"recallNotes":null,"volume":null},{"code":"P532145202-CM","name":null,"url":"/c//p/P532145202-CM","description":"BRACKET.GRIL","purchasable":true,"stock":{"stockLevelStatus":{"code":"outOfStock","type":"StockLevelStatus"},"stockLevel":0,"stockThreshold":null},"futureStocks":null,"availableForPickup":null,"averageRating":null,"numberOfReviews":null,"summary":null,"manufacturer":null,"variantType":null,"price":{"currencyIso":"USD","value":2.42,"priceType":"BUY","formattedValue":"$2.42","minQuantity":null,"maxQuantity":null,"sapUnit":{"code":"pieces","name":"Piece"}},"baseProduct":null,"images":[],"categories":null,"reviews":null,"classifications":null,"potentialPromotions":null,"variantOptions":null,"baseOptions":[],"volumePricesFlag":null,"volumePrices":null,"productReferences":null,"variantMatrix":null,"priceRange":null,"firstCategoryNameList":null,"multidimensional":null,"configurable":false,"configuratorType":null,"addToCartDisabled":null,"addToCartDisabledMessage":null,"tags":null,"sapUnit":null,"keywords":null,"genders":null,"itemtype":"Part","partSubstitute":null,"note":null,"recallNote":null,"note1":null,"note2":null,"note3":null,"note4":null,"note5":null,"pdfAllUser":null,"pdfAuthUser":null,"pdfCOSUser":null,"vaiantRelatedPartList":null,"partHotspotList":null,"itemNumber":55,"partRelatedVariantList":null,"bomCode":2,"totalValue":null,"searchImage":null,"length":null,"width":null,"height":null,"unitOfDimension":null,"weight":null,"unitOfWeight":null,"specialRouting":false,"onlineRepair":null,"previousPartID":null,"sbdDiscountPriceValue":{"currencyIso":"USD","value":2.42,"priceType":"BUY","formattedValue":"$2.42","minQuantity":null,"maxQuantity":null,"sapUnit":{"code":"pieces","name":"Piece"}},"alrCode":null,"productRecallFlag":null,"selectedDocumentId":null,"productDescription":null,"pdpImage":null,"ticketId":null,"qtyRequiredPerVariant":"1","isElgibleForRepair":null,"isPowerEligible":null,"productRecallNotes":null,"productOtherInfo":null,"backorderETA":"00/00/0000","modifiedDate":null,"userLevel":"COS","displayPrice":null,"baseProductName":null,"firstVariantCode":null,"firstVariantImage":null,"productMarketType":null,"productNumber":null,"typeStatusCode":null,"productCategory":null,"typeNumber":null,"marketCode":null,"regionCode":null,"otherInformation":null,"productTypeStatus":null,"repairInstruction":null,"repairInstructionStatusDescription":null,"typeStatusDate":null,"serviceLifeDate":null,"manufacturerId":null,"parts":null,"language":null,"glossaries":null,"brand":null,"product":null,"brandCode":null,"recallNotes":null,"volume":null},{"code":"P532155046-CM","name":null,"url":"/c//p/P532155046-CM","description":"ARM IDLER 42 MOWR","purchasable":true,"stock":{"stockLevelStatus":{"code":"outOfStock","type":"StockLevelStatus"},"stockLevel":0,"stockThreshold":null},"futureStocks":null,"availableForPickup":null,"averageRating":null,"numberOfReviews":null,"summary":null,"manufacturer":null,"variantType":null,"price":{"currencyIso":"USD","value":7.98,"priceType":"BUY","formattedValue":"$7.98","minQuantity":null,"maxQuantity":null,"sapUnit":{"code":"pieces","name":"Piece"}},"baseProduct":null,"images":[],"categories":null,"reviews":null,"classifications":null,"potentialPromotions":null,"variantOptions":null,"baseOptions":[],"volumePricesFlag":null,"volumePrices":null,"productReferences":null,"variantMatrix":null,"priceRange":null,"firstCategoryNameList":null,"multidimensional":null,"configurable":false,"configuratorType":null,"addToCartDisabled":null,"addToCartDisabledMessage":null,"tags":null,"sapUnit":null,"keywords":null,"genders":null,"itemtype":"Part","partSubstitute":null,"note":null,"recallNote":null,"note1":null,"note2":null,"note3":null,"note4":null,"note5":null,"pdfAllUser":null,"pdfAuthUser":null,"pdfCOSUser":null,"vaiantRelatedPartList":null,"partHotspotList":null,"itemNumber":55,"partRelatedVariantList":null,"bomCode":2,"totalValue":null,"searchImage":null,"length":null,"width":null,"height":null,"unitOfDimension":null,"weight":null,"unitOfWeight":null,"specialRouting":false,"onlineRepair":null,"previousPartID":null,"sbdDiscountPriceValue":{"currencyIso":"USD","value":7.98,"priceType":"BUY","formattedValue":"$7.98","minQuantity":null,"maxQuantity":null,"sapUnit":{"code":"pieces","name":"Piece"}},"alrCode":null,"productRecallFlag":null,"selectedDocumentId":null,"productDescription":null,"pdpImage":null,"ticketId":null,"qtyRequiredPerVariant":"1","isElgibleForRepair":null,"isPowerEligible":null,"productRecallNotes":null,"productOtherInfo":null,"backorderETA":"00/00/0000","modifiedDate":null,"userLevel":"COS","displayPrice":null,"baseProductName":null,"firstVariantCode":null,"firstVariantImage":null,"productMarketType":null,"productNumber":null,"typeStatusCode":null,"productCategory":null,"typeNumber":null,"marketCode":null,"regionCode":null,"otherInformation":null,"productTypeStatus":null,"repairInstruction":null,"repairInstructionStatusDescription":null,"typeStatusDate":null,"serviceLifeDate":null,"manufacturerId":null,"parts":null,"language":null,"glossaries":null,"brand":null,"product":null,"brandCode":null,"recallNotes":null,"volume":null},{"code":"P532134683-CM","name":null,"url":"/c//p/P532134683-CM","description":"KEEPER BELT","purchasable":true,"stock":{"stockLevelStatus":{"code":"outOfStock","type":"StockLevelStatus"},"stockLevel":0,"stockThreshold":null},"futureStocks":null,"availableForPickup":null,"averageRating":null,"numberOfReviews":null,"summary":null,"manufacturer":null,"variantType":null,"price":{"currencyIso":"USD","value":4.79,"priceType":"BUY","formattedValue":"$4.79","minQuantity":null,"maxQuantity":null,"sapUnit":{"code":"pieces","name":"Piece"}},"baseProduct":null,"images":[],"categories":null,"reviews":null,"classifications":null,"potentialPromotions":null,"variantOptions":null,"baseOptions":[],"volumePricesFlag":null,"volumePrices":null,"productReferences":null,"variantMatrix":null,"priceRange":null,"firstCategoryNameList":null,"multidimensional":null,"configurable":false,"configuratorType":null,"addToCartDisabled":null,"addToCartDisabledMessage":null,"tags":null,"sapUnit":null,"keywords":null,"genders":null,"itemtype":"Part","partSubstitute":null,"note":null,"recallNote":null,"note1":null,"note2":null,"note3":null,"note4":null,"note5":null,"pdfAllUser":null,"pdfAuthUser":null,"pdfCOSUser":null,"vaiantRelatedPartList":null,"partHotspotList":null,"itemNumber":70,"partRelatedVariantList":null,"bomCode":2,"totalValue":null,"searchImage":null,"length":null,"width":null,"height":null,"unitOfDimension":null,"weight":null,"unitOfWeight":null,"specialRouting":false,"onlineRepair":null,"previousPartID":null,"sbdDiscountPriceValue":{"currencyIso":"USD","value":4.79,"priceType":"BUY","formattedValue":"$4.79","minQuantity":null,"maxQuantity":null,"sapUnit":{"code":"pieces","name":"Piece"}},"alrCode":null,"productRecallFlag":null,"selectedDocumentId":null,"productDescription":null,"pdpImage":null,"ticketId":null,"qtyRequiredPerVariant":"1","isElgibleForRepair":null,"isPowerEligible":null,"productRecallNotes":null,"productOtherInfo":null,"backorderETA":"00/00/0000","modifiedDate":null,"userLevel":"COS","displayPrice":null,"baseProductName":null,"firstVariantCode":null,"firstVariantImage":null,"productMarketType":null,"productNumber":null,"typeStatusCode":null,"productCategory":null,"typeNumber":null,"marketCode":null,"regionCode":null,"otherInformation":null,"productTypeStatus":null,"repairInstruction":null,"repairInstructionStatusDescription":null,"typeStatusDate":null,"serviceLifeDate":null,"manufacturerId":null,"parts":null,"language":null,"glossaries":null,"brand":null,"product":null,"brandCode":null,"recallNotes":null,"volume":null},{"code":"P532140413-CM","name":null,"url":"/c//p/P532140413-CM","description":"HARNESS- ENG","purchasable":true,"stock":{"stockLevelStatus":{"code":"outOfStock","type":"StockLevelStatus"},"stockLevel":0,"stockThreshold":null},"futureStocks":null,"availableForPickup":null,"averageRating":null,"numberOfReviews":null,"summary":null,"manufacturer":null,"variantType":null,"price":{"currencyIso":"USD","value":11.76,"priceType":"BUY","formattedValue":"$11.76","minQuantity":null,"maxQuantity":null,"sapUnit":{"code":"pieces","name":"Piece"}},"baseProduct":null,"images":[],"categories":null,"reviews":null,"classifications":null,"potentialPromotions":null,"variantOptions":null,"baseOptions":[],"volumePricesFlag":null,"volumePrices":null,"productReferences":null,"variantMatrix":null,"priceRange":null,"firstCategoryNameList":null,"multidimensional":null,"configurable":false,"configuratorType":null,"addToCartDisabled":null,"addToCartDisabledMessage":null,"tags":null,"sapUnit":null,"keywords":null,"genders":null,"itemtype":"Part","partSubstitute":null,"note":null,"recallNote":null,"note1":null,"note2":null,"note3":null,"note4":null,"note5":null,"pdfAllUser":null,"pdfAuthUser":null,"pdfCOSUser":null,"vaiantRelatedPartList":null,"partHotspotList":null,"itemNumber":70,"partRelatedVariantList":null,"bomCode":2,"totalValue":null,"searchImage":null,"length":null,"width":null,"height":null,"unitOfDimension":null,"weight":null,"unitOfWeight":null,"specialRouting":false,"onlineRepair":null,"previousPartID":null,"sbdDiscountPriceValue":{"currencyIso":"USD","value":11.76,"priceType":"BUY","formattedValue":"$11.76","minQuantity":null,"maxQuantity":null,"sapUnit":{"code":"pieces","name":"Piece"}},"alrCode":null,"productRecallFlag":null,"selectedDocumentId":null,"productDescription":null,"pdpImage":null,"ticketId":null,"qtyRequiredPerVariant":"1","isElgibleForRepair":null,"isPowerEligible":null,"productRecallNotes":null,"productOtherInfo":null,"backorderETA":"00/00/0000","modifiedDate":null,"userLevel":"COS","displayPrice":null,"baseProductName":null,"firstVariantCode":null,"firstVariantImage":null,"productMarketType":null,"productNumber":null,"typeStatusCode":null,"productCategory":null,"typeNumber":null,"marketCode":null,"regionCode":null,"otherInformation":null,"productTypeStatus":null,"repairInstruction":null,"repairInstructionStatusDescription":null,"typeStatusDate":null,"serviceLifeDate":null,"manufacturerId":null,"parts":null,"language":null,"glossaries":null,"brand":null,"product":null,"brandCode":null,"recallNotes":null,"volume":null},{"code":"P000000-00","name":null,"url":"/c//p/P000000-00","description":"NO LONGER AVAILABLE","purchasable":true,"stock":{"stockLevelStatus":{"code":"inStock","type":"StockLevelStatus"},"stockLevel":0,"stockThreshold":null},"futureStocks":null,"availableForPickup":null,"averageRating":null,"numberOfReviews":null,"summary":null,"manufacturer":null,"variantType":null,"price":{"currencyIso":"USD","value":0.0,"priceType":"BUY","formattedValue":"$0.00","minQuantity":null,"maxQuantity":null,"sapUnit":{"code":"pieces","name":"Piece"}},"baseProduct":null,"images":[],"categories":null,"reviews":null,"classifications":null,"potentialPromotions":null,"variantOptions":null,"baseOptions":[],"volumePricesFlag":null,"volumePrices":null,"productReferences":null,"variantMatrix":null,"priceRange":null,"firstCategoryNameList":null,"multidimensional":null,"configurable":false,"configuratorType":null,"addToCartDisabled":null,"addToCartDisabledMessage":null,"tags":null,"sapUnit":null,"keywords":null,"genders":null,"itemtype":"Part","partSubstitute":null,"note":null,"recallNote":null,"note1":null,"note2":null,"note3":null,"note4":null,"note5":null,"pdfAllUser":null,"pdfAuthUser":null,"pdfCOSUser":null,"vaiantRelatedPartList":null,"partHotspotList":null,"itemNumber":null,"partRelatedVariantList":null,"bomCode":2,"totalValue":null,"searchImage":null,"length":null,"width":null,"height":null,"unitOfDimension":null,"weight":null,"unitOfWeight":null,"specialRouting":false,"onlineRepair":null,"previousPartID":null,"sbdDiscountPriceValue":{"currencyIso":"USD","value":0.0,"priceType":"BUY","formattedValue":"$0.00","minQuantity":null,"maxQuantity":null,"sapUnit":{"code":"pieces","name":"Piece"}},"alrCode":null,"productRecallFlag":null,"selectedDocumentId":null,"productDescription":null,"pdpImage":null,"ticketId":null,"qtyRequiredPerVariant":"1","isElgibleForRepair":null,"isPowerEligible":null,"productRecallNotes":null,"productOtherInfo":null,"backorderETA":null,"modifiedDate":null,"userLevel":"ALL","displayPrice":null,"baseProductName":null,"firstVariantCode":null,"firstVariantImage":null,"productMarketType":null,"productNumber":null,"typeStatusCode":null,"productCategory":null,"typeNumber":null,"marketCode":null,"regionCode":null,"otherInformation":null,"productTypeStatus":null,"repairInstruction":null,"repairInstructionStatusDescription":null,"typeStatusDate":null,"serviceLifeDate":null,"manufacturerId":null,"parts":null,"language":null,"glossaries":null,"brand":null,"product":null,"brandCode":null,"recallNotes":null,"volume":null},{"code":"P000000-00","name":null,"url":"/c//p/P000000-00","description":"NO LONGER AVAILABLE","purchasable":true,"stock":{"stockLevelStatus":{"code":"inStock","type":"StockLevelStatus"},"stockLevel":0,"stockThreshold":null},"futureStocks":null,"availableForPickup":null,"averageRating":null,"numberOfReviews":null,"summary":null,"manufacturer":null,"variantType":null,"price":{"currencyIso":"USD","value":0.0,"priceType":"BUY","formattedValue":"$0.00","minQuantity":null,"maxQuantity":null,"sapUnit":{"code":"pieces","name":"Piece"}},"baseProduct":null,"images":[],"categories":null,"reviews":null,"classifications":null,"potentialPromotions":null,"variantOptions":null,"baseOptions":[],"volumePricesFlag":null,"volumePrices":null,"productReferences":null,"variantMatrix":null,"priceRange":null,"firstCategoryNameList":null,"multidimensional":null,"configurable":false,"configuratorType":null,"addToCartDisabled":null,"addToCartDisabledMessage":null,"tags":null,"sapUnit":null,"keywords":null,"genders":null,"itemtype":"Part","partSubstitute":null,"note":null,"recallNote":null,"note1":null,"note2":null,"note3":null,"note4":null,"note5":null,"pdfAllUser":null,"pdfAuthUser":null,"pdfCOSUser":null,"vaiantRelatedPartList":null,"partHotspotList":null,"itemNumber":null,"partRelatedVariantList":null,"bomCode":2,"totalValue":null,"searchImage":null,"length":null,"width":null,"height":null,"unitOfDimension":null,"weight":null,"unitOfWeight":null,"specialRouting":false,"onlineRepair":null,"previousPartID":null,"sbdDiscountPriceValue":{"currencyIso":"USD","value":0.0,"priceType":"BUY","formattedValue":"$0.00","minQuantity":null,"maxQuantity":null,"sapUnit":{"code":"pieces","name":"Piece"}},"alrCode":null,"productRecallFlag":null,"selectedDocumentId":null,"productDescription":null,"pdpImage":null,"ticketId":null,"qtyRequiredPerVariant":"1","isElgibleForRepair":null,"isPowerEligible":null,"productRecallNotes":null,"productOtherInfo":null,"backorderETA":null,"modifiedDate":null,"userLevel":"ALL","displayPrice":null,"baseProductName":null,"firstVariantCode":null,"firstVariantImage":null,"productMarketType":null,"productNumber":null,"typeStatusCode":null,"productCategory":null,"typeNumber":null,"marketCode":null,"regionCode":null,"otherInformation":null,"productTypeStatus":null,"repairInstruction":null,"repairInstructionStatusDescription":null,"typeStatusDate":null,"serviceLifeDate":null,"manufacturerId":null,"parts":null,"language":null,"glossaries":null,"brand":null,"product":null,"brandCode":null,"recallNotes":null,"volume":null},{"code":"P000000-00","name":null,"url":"/c//p/P000000-00","description":"NO LONGER AVAILABLE","purchasable":true,"stock":{"stockLevelStatus":{"code":"inStock","type":"StockLevelStatus"},"stockLevel":0,"stockThreshold":null},"futureStocks":null,"availableForPickup":null,"averageRating":null,"numberOfReviews":null,"summary":null,"manufacturer":null,"variantType":null,"price":{"currencyIso":"USD","value":0.0,"priceType":"BUY","formattedValue":"$0.00","minQuantity":null,"maxQuantity":null,"sapUnit":{"code":"pieces","name":"Piece"}},"baseProduct":null,"images":[],"categories":null,"reviews":null,"classifications":null,"potentialPromotions":null,"variantOptions":null,"baseOptions":[],"volumePricesFlag":null,"volumePrices":null,"productReferences":null,"variantMatrix":null,"priceRange":null,"firstCategoryNameList":null,"multidimensional":null,"configurable":false,"configuratorType":null,"addToCartDisabled":null,"addToCartDisabledMessage":null,"tags":null,"sapUnit":null,"keywords":null,"genders":null,"itemtype":"Part","partSubstitute":null,"note":null,"recallNote":null,"note1":null,"note2":null,"note3":null,"note4":null,"note5":null,"pdfAllUser":null,"pdfAuthUser":null,"pdfCOSUser":null,"vaiantRelatedPartList":null,"partHotspotList":null,"itemNumber":null,"partRelatedVariantList":null,"bomCode":2,"totalValue":null,"searchImage":null,"length":null,"width":null,"height":null,"unitOfDimension":null,"weight":null,"unitOfWeight":null,"specialRouting":false,"onlineRepair":null,"previousPartID":null,"sbdDiscountPriceValue":{"currencyIso":"USD","value":0.0,"priceType":"BUY","formattedValue":"$0.00","minQuantity":null,"maxQuantity":null,"sapUnit":{"code":"pieces","name":"Piece"}},"alrCode":null,"productRecallFlag":null,"selectedDocumentId":null,"productDescription":null,"pdpImage":null,"ticketId":null,"qtyRequiredPerVariant":"1","isElgibleForRepair":null,"isPowerEligible":null,"productRecallNotes":null,"productOtherInfo":null,"backorderETA":null,"modifiedDate":null,"userLevel":"ALL","displayPrice":null,"baseProductName":null,"firstVariantCode":null,"firstVariantImage":null,"productMarketType":null,"productNumber":null,"typeStatusCode":null,"productCategory":null,"typeNumber":null,"marketCode":null,"regionCode":null,"otherInformation":null,"productTypeStatus":null,"repairInstruction":null,"repairInstructionStatusDescription":null,"typeStatusDate":null,"serviceLifeDate":null,"manufacturerId":null,"parts":null,"language":null,"glossaries":null,"brand":null,"product":null,"brandCode":null,"recallNotes":null,"volume":null},{"code":"P000000-00","name":null,"url":"/c//p/P000000-00","description":"NO LONGER AVAILABLE","purchasable":true,"stock":{"stockLevelStatus":{"code":"inStock","type":"StockLevelStatus"},"stockLevel":0,"stockThreshold":null},"futureStocks":null,"availableForPickup":null,"averageRating":null,"numberOfReviews":null,"summary":null,"manufacturer":null,"variantType":null,"price":{"currencyIso":"USD","value":0.0,"priceType":"BUY","formattedValue":"$0.00","minQuantity":null,"maxQuantity":null,"sapUnit":{"code":"pieces","name":"Piece"}},"baseProduct":null,"images":[],"categories":null,"reviews":null,"classifications":null,"potentialPromotions":null,"variantOptions":null,"baseOptions":[],"volumePricesFlag":null,"volumePrices":null,"productReferences":null,"variantMatrix":null,"priceRange":null,"firstCategoryNameList":null,"multidimensional":null,"configurable":false,"configuratorType":null,"addToCartDisabled":null,"addToCartDisabledMessage":null,"tags":null,"sapUnit":null,"keywords":null,"genders":null,"itemtype":"Part","partSubstitute":null,"note":null,"recallNote":null,"note1":null,"note2":null,"note3":null,"note4":null,"note5":null,"pdfAllUser":null,"pdfAuthUser":null,"pdfCOSUser":null,"vaiantRelatedPartList":null,"partHotspotList":null,"itemNumber":null,"partRelatedVariantList":null,"bomCode":2,"totalValue":null,"searchImage":null,"length":null,"width":null,"height":null,"unitOfDimension":null,"weight":null,"unitOfWeight":null,"specialRouting":false,"onlineRepair":null,"previousPartID":null,"sbdDiscountPriceValue":{"currencyIso":"USD","value":0.0,"priceType":"BUY","formattedValue":"$0.00","minQuantity":null,"maxQuantity":null,"sapUnit":{"code":"pieces","name":"Piece"}},"alrCode":null,"productRecallFlag":null,"selectedDocumentId":null,"productDescription":null,"pdpImage":null,"ticketId":null,"qtyRequiredPerVariant":"1","isElgibleForRepair":null,"isPowerEligible":null,"productRecallNotes":null,"productOtherInfo":null,"backorderETA":null,"modifiedDate":null,"userLevel":"ALL","displayPrice":null,"baseProductName":null,"firstVariantCode":null,"firstVariantImage":null,"productMarketType":null,"productNumber":null,"typeStatusCode":null,"productCategory":null,"typeNumber":null,"marketCode":null,"regionCode":null,"otherInformation":null,"productTypeStatus":null,"repairInstruction":null,"repairInstructionStatusDescription":null,"typeStatusDate":null,"serviceLifeDate":null,"manufacturerId":null,"parts":null,"language":null,"glossaries":null,"brand":null,"product":null,"brandCode":null,"recallNotes":null,"volume":null},{"code":"P000000-00","name":null,"url":"/c//p/P000000-00","description":"NO LONGER AVAILABLE","purchasable":true,"stock":{"stockLevelStatus":{"code":"inStock","type":"StockLevelStatus"},"stockLevel":0,"stockThreshold":null},"futureStocks":null,"availableForPickup":null,"averageRating":null,"numberOfReviews":null,"summary":null,"manufacturer":null,"variantType":null,"price":{"currencyIso":"USD","value":0.0,"priceType":"BUY","formattedValue":"$0.00","minQuantity":null,"maxQuantity":null,"sapUnit":{"code":"pieces","name":"Piece"}},"baseProduct":null,"images":[],"categories":null,"reviews":null,"classifications":null,"potentialPromotions":null,"variantOptions":null,"baseOptions":[],"volumePricesFlag":null,"volumePrices":null,"productReferences":null,"variantMatrix":null,"priceRange":null,"firstCategoryNameList":null,"multidimensional":null,"configurable":false,"configuratorType":null,"addToCartDisabled":null,"addToCartDisabledMessage":null,"tags":null,"sapUnit":null,"keywords":null,"genders":null,"itemtype":"Part","partSubstitute":null,"note":null,"recallNote":null,"note1":null,"note2":null,"note3":null,"note4":null,"note5":null,"pdfAllUser":null,"pdfAuthUser":null,"pdfCOSUser":null,"vaiantRelatedPartList":null,"partHotspotList":null,"itemNumber":null,"partRelatedVariantList":null,"bomCode":2,"totalValue":null,"searchImage":null,"length":null,"width":null,"height":null,"unitOfDimension":null,"weight":null,"unitOfWeight":null,"specialRouting":false,"onlineRepair":null,"previousPartID":null,"sbdDiscountPriceValue":{"currencyIso":"USD","value":0.0,"priceType":"BUY","formattedValue":"$0.00","minQuantity":null,"maxQuantity":null,"sapUnit":{"code":"pieces","name":"Piece"}},"alrCode":null,"productRecallFlag":null,"selectedDocumentId":null,"productDescription":null,"pdpImage":null,"ticketId":null,"qtyRequiredPerVariant":"1","isElgibleForRepair":null,"isPowerEligible":null,"productRecallNotes":null,"productOtherInfo":null,"backorderETA":null,"modifiedDate":null,"userLevel":"ALL","displayPrice":null,"baseProductName":null,"firstVariantCode":null,"firstVariantImage":null,"productMarketType":null,"productNumber":null,"typeStatusCode":null,"productCategory":null,"typeNumber":null,"marketCode":null,"regionCode":null,"otherInformation":null,"productTypeStatus":null,"repairInstruction":null,"repairInstructionStatusDescription":null,"typeStatusDate":null,"serviceLifeDate":null,"manufacturerId":null,"parts":null,"language":null,"glossaries":null,"brand":null,"product":null,"brandCode":null,"recallNotes":null,"volume":null},{"code":"P000000-00","name":null,"url":"/c//p/P000000-00","description":"NO LONGER AVAILABLE","purchasable":true,"stock":{"stockLevelStatus":{"code":"inStock","type":"StockLevelStatus"},"stockLevel":0,"stockThreshold":null},"futureStocks":null,"availableForPickup":null,"averageRating":null,"numberOfReviews":null,"summary":null,"manufacturer":null,"variantType":null,"price":{"currencyIso":"USD","value":0.0,"priceType":"BUY","formattedValue":"$0.00","minQuantity":null,"maxQuantity":null,"sapUnit":{"code":"pieces","name":"Piece"}},"baseProduct":null,"images":[],"categories":null,"reviews":null,"classifications":null,"potentialPromotions":null,"variantOptions":null,"baseOptions":[],"volumePricesFlag":null,"volumePrices":null,"productReferences":null,"variantMatrix":null,"priceRange":null,"firstCategoryNameList":null,"multidimensional":null,"configurable":false,"configuratorType":null,"addToCartDisabled":null,"addToCartDisabledMessage":null,"tags":null,"sapUnit":null,"keywords":null,"genders":null,"itemtype":"Part","partSubstitute":null,"note":null,"recallNote":null,"note1":null,"note2":null,"note3":null,"note4":null,"note5":null,"pdfAllUser":null,"pdfAuthUser":null,"pdfCOSUser":null,"vaiantRelatedPartList":null,"partHotspotList":null,"itemNumber":null,"partRelatedVariantList":null,"bomCode":2,"totalValue":null,"searchImage":null,"length":null,"width":null,"height":null,"unitOfDimension":null,"weight":null,"unitOfWeight":null,"specialRouting":false,"onlineRepair":null,"previousPartID":null,"sbdDiscountPriceValue":{"currencyIso":"USD","value":0.0,"priceType":"BUY","formattedValue":"$0.00","minQuantity":null,"maxQuantity":null,"sapUnit":{"code":"pieces","name":"Piece"}},"alrCode":null,"productRecallFlag":null,"selectedDocumentId":null,"productDescription":null,"pdpImage":null,"ticketId":null,"qtyRequiredPerVariant":"1","isElgibleForRepair":null,"isPowerEligible":null,"productRecallNotes":null,"productOtherInfo":null,"backorderETA":null,"modifiedDate":null,"userLevel":"ALL","displayPrice":null,"baseProductName":null,"firstVariantCode":null,"firstVariantImage":null,"productMarketType":null,"productNumber":null,"typeStatusCode":null,"productCategory":null,"typeNumber":null,"marketCode":null,"regionCode":null,"otherInformation":null,"productTypeStatus":null,"repairInstruction":null,"repairInstructionStatusDescription":null,"typeStatusDate":null,"serviceLifeDate":null,"manufacturerId":null,"parts":null,"language":null,"glossaries":null,"brand":null,"product":null,"brandCode":null,"recallNotes":null,"volume":null},{"code":"P000000-00","name":null,"url":"/c//p/P000000-00","description":"NO LONGER AVAILABLE","purchasable":true,"stock":{"stockLevelStatus":{"code":"inStock","type":"StockLevelStatus"},"stockLevel":0,"stockThreshold":null},"futureStocks":null,"availableForPickup":null,"averageRating":null,"numberOfReviews":null,"summary":null,"manufacturer":null,"variantType":null,"price":{"currencyIso":"USD","value":0.0,"priceType":"BUY","formattedValue":"$0.00","minQuantity":null,"maxQuantity":null,"sapUnit":{"code":"pieces","name":"Piece"}},"baseProduct":null,"images":[],"categories":null,"reviews":null,"classifications":null,"potentialPromotions":null,"variantOptions":null,"baseOptions":[],"volumePricesFlag":null,"volumePrices":null,"productReferences":null,"variantMatrix":null,"priceRange":null,"firstCategoryNameList":null,"multidimensional":null,"configurable":false,"configuratorType":null,"addToCartDisabled":null,"addToCartDisabledMessage":null,"tags":null,"sapUnit":null,"keywords":null,"genders":null,"itemtype":"Part","partSubstitute":null,"note":null,"recallNote":null,"note1":null,"note2":null,"note3":null,"note4":null,"note5":null,"pdfAllUser":null,"pdfAuthUser":null,"pdfCOSUser":null,"vaiantRelatedPartList":null,"partHotspotList":null,"itemNumber":null,"partRelatedVariantList":null,"bomCode":2,"totalValue":null,"searchImage":null,"length":null,"width":null,"height":null,"unitOfDimension":null,"weight":null,"unitOfWeight":null,"specialRouting":false,"onlineRepair":null,"previousPartID":null,"sbdDiscountPriceValue":{"currencyIso":"USD","value":0.0,"priceType":"BUY","formattedValue":"$0.00","minQuantity":null,"maxQuantity":null,"sapUnit":{"code":"pieces","name":"Piece"}},"alrCode":null,"productRecallFlag":null,"selectedDocumentId":null,"productDescription":null,"pdpImage":null,"ticketId":null,"qtyRequiredPerVariant":"1","isElgibleForRepair":null,"isPowerEligible":null,"productRecallNotes":null,"productOtherInfo":null,"backorderETA":null,"modifiedDate":null,"userLevel":"ALL","displayPrice":null,"baseProductName":null,"firstVariantCode":null,"firstVariantImage":null,"productMarketType":null,"productNumber":null,"typeStatusCode":null,"productCategory":null,"typeNumber":null,"marketCode":null,"regionCode":null,"otherInformation":null,"productTypeStatus":null,"repairInstruction":null,"repairInstructionStatusDescription":null,"typeStatusDate":null,"serviceLifeDate":null,"manufacturerId":null,"parts":null,"language":null,"glossaries":null,"brand":null,"product":null,"brandCode":null,"recallNotes":null,"volume":null},{"code":"P000000-00","name":null,"url":"/c//p/P000000-00","description":"NO LONGER AVAILABLE","purchasable":true,"stock":{"stockLevelStatus":{"code":"inStock","type":"StockLevelStatus"},"stockLevel":0,"stockThreshold":null},"futureStocks":null,"availableForPickup":null,"averageRating":null,"numberOfReviews":null,"summary":null,"manufacturer":null,"variantType":null,"price":{"currencyIso":"USD","value":0.0,"priceType":"BUY","formattedValue":"$0.00","minQuantity":null,"maxQuantity":null,"sapUnit":{"code":"pieces","name":"Piece"}},"baseProduct":null,"images":[],"categories":null,"reviews":null,"classifications":null,"potentialPromotions":null,"variantOptions":null,"baseOptions":[],"volumePricesFlag":null,"volumePrices":null,"productReferences":null,"variantMatrix":null,"priceRange":null,"firstCategoryNameList":null,"multidimensional":null,"configurable":false,"configuratorType":null,"addToCartDisabled":null,"addToCartDisabledMessage":null,"tags":null,"sapUnit":null,"keywords":null,"genders":null,"itemtype":"Part","partSubstitute":null,"note":null,"recallNote":null,"note1":null,"note2":null,"note3":null,"note4":null,"note5":null,"pdfAllUser":null,"pdfAuthUser":null,"pdfCOSUser":null,"vaiantRelatedPartList":null,"partHotspotList":null,"itemNumber":null,"partRelatedVariantList":null,"bomCode":2,"totalValue":null,"searchImage":null,"length":null,"width":null,"height":null,"unitOfDimension":null,"weight":null,"unitOfWeight":null,"specialRouting":false,"onlineRepair":null,"previousPartID":null,"sbdDiscountPriceValue":{"currencyIso":"USD","value":0.0,"priceType":"BUY","formattedValue":"$0.00","minQuantity":null,"maxQuantity":null,"sapUnit":{"code":"pieces","name":"Piece"}},"alrCode":null,"productRecallFlag":null,"selectedDocumentId":null,"productDescription":null,"pdpImage":null,"ticketId":null,"qtyRequiredPerVariant":"1","isElgibleForRepair":null,"isPowerEligible":null,"productRecallNotes":null,"productOtherInfo":null,"backorderETA":null,"modifiedDate":null,"userLevel":"ALL","displayPrice":null,"baseProductName":null,"firstVariantCode":null,"firstVariantImage":null,"productMarketType":null,"productNumber":null,"typeStatusCode":null,"productCategory":null,"typeNumber":null,"marketCode":null,"regionCode":null,"otherInformation":null,"productTypeStatus":null,"repairInstruction":null,"repairInstructionStatusDescription":null,"typeStatusDate":null,"serviceLifeDate":null,"manufacturerId":null,"parts":null,"language":null,"glossaries":null,"brand":null,"product":null,"brandCode":null,"recallNotes":null,"volume":null},{"code":"P000000-00","name":null,"url":"/c//p/P000000-00","description":"NO LONGER AVAILABLE","purchasable":true,"stock":{"stockLevelStatus":{"code":"inStock","type":"StockLevelStatus"},"stockLevel":0,"stockThreshold":null},"futureStocks":null,"availableForPickup":null,"averageRating":null,"numberOfReviews":null,"summary":null,"manufacturer":null,"variantType":null,"price":{"currencyIso":"USD","value":0.0,"priceType":"BUY","formattedValue":"$0.00","minQuantity":null,"maxQuantity":null,"sapUnit":{"code":"pieces","name":"Piece"}},"baseProduct":null,"images":[],"categories":null,"reviews":null,"classifications":null,"potentialPromotions":null,"variantOptions":null,"baseOptions":[],"volumePricesFlag":null,"volumePrices":null,"productReferences":null,"variantMatrix":null,"priceRange":null,"firstCategoryNameList":null,"multidimensional":null,"configurable":false,"configuratorType":null,"addToCartDisabled":null,"addToCartDisabledMessage":null,"tags":null,"sapUnit":null,"keywords":null,"genders":null,"itemtype":"Part","partSubstitute":null,"note":null,"recallNote":null,"note1":null,"note2":null,"note3":null,"note4":null,"note5":null,"pdfAllUser":null,"pdfAuthUser":null,"pdfCOSUser":null,"vaiantRelatedPartList":null,"partHotspotList":null,"itemNumber":null,"partRelatedVariantList":null,"bomCode":2,"totalValue":null,"searchImage":null,"length":null,"width":null,"height":null,"unitOfDimension":null,"weight":null,"unitOfWeight":null,"specialRouting":false,"onlineRepair":null,"previousPartID":null,"sbdDiscountPriceValue":{"currencyIso":"USD","value":0.0,"priceType":"BUY","formattedValue":"$0.00","minQuantity":null,"maxQuantity":null,"sapUnit":{"code":"pieces","name":"Piece"}},"alrCode":null,"productRecallFlag":null,"selectedDocumentId":null,"productDescription":null,"pdpImage":null,"ticketId":null,"qtyRequiredPerVariant":"1","isElgibleForRepair":null,"isPowerEligible":null,"productRecallNotes":null,"productOtherInfo":null,"backorderETA":null,"modifiedDate":null,"userLevel":"ALL","displayPrice":null,"baseProductName":null,"firstVariantCode":null,"firstVariantImage":null,"productMarketType":null,"productNumber":null,"typeStatusCode":null,"productCategory":null,"typeNumber":null,"marketCode":null,"regionCode":null,"otherInformation":null,"productTypeStatus":null,"repairInstruction":null,"repairInstructionStatusDescription":null,"typeStatusDate":null,"serviceLifeDate":null,"manufacturerId":null,"parts":null,"language":null,"glossaries":null,"brand":null,"product":null,"brandCode":null,"recallNotes":null,"volume":null},{"code":"P105767X-CM","name":null,"url":"/c//p/P105767X-CM","description":"PIN","purchasable":false,"stock":{"stockLevelStatus":{"code":"outOfStock","type":"StockLevelStatus"},"stockLevel":0,"stockThreshold":null},"futureStocks":null,"availableForPickup":null,"averageRating":null,"numberOfReviews":null,"summary":null,"manufacturer":null,"variantType":null,"price":null,"baseProduct":null,"images":[],"categories":null,"reviews":null,"classifications":null,"potentialPromotions":null,"variantOptions":null,"baseOptions":[],"volumePricesFlag":null,"volumePrices":null,"productReferences":null,"variantMatrix":null,"priceRange":null,"firstCategoryNameList":null,"multidimensional":null,"configurable":false,"configuratorType":null,"addToCartDisabled":null,"addToCartDisabledMessage":null,"tags":null,"sapUnit":null,"keywords":null,"genders":null,"itemtype":"Part","partSubstitute":"P71110616-CM","note":null,"recallNote":null,"note1":null,"note2":null,"note3":null,"note4":null,"note5":null,"pdfAllUser":null,"pdfAuthUser":null,"pdfCOSUser":null,"vaiantRelatedPartList":null,"partHotspotList":null,"itemNumber":null,"partRelatedVariantList":null,"bomCode":4,"totalValue":null,"searchImage":null,"length":null,"width":null,"height":null,"unitOfDimension":null,"weight":null,"unitOfWeight":null,"specialRouting":false,"onlineRepair":null,"previousPartID":null,"sbdDiscountPriceValue":null,"alrCode":null,"productRecallFlag":null,"selectedDocumentId":null,"productDescription":null,"pdpImage":null,"ticketId":null,"qtyRequiredPerVariant":"1","isElgibleForRepair":null,"isPowerEligible":null,"productRecallNotes":null,"productOtherInfo":null,"backorderETA":null,"modifiedDate":null,"userLevel":"COS","displayPrice":null,"baseProductName":null,"firstVariantCode":null,"firstVariantImage":null,"productMarketType":null,"productNumber":null,"typeStatusCode":null,"productCategory":null,"typeNumber":null,"marketCode":null,"regionCode":null,"otherInformation":null,"productTypeStatus":null,"repairInstruction":null,"repairInstructionStatusDescription":null,"typeStatusDate":null,"serviceLifeDate":null,"manufacturerId":null,"parts":null,"language":null,"glossaries":null,"brand":null,"product":null,"brandCode":null,"recallNotes":null,"volume":null},{"code":"P110485X-CM","name":null,"url":"/c//p/P110485X-CM","description":"BEARING BALL MANDREL","purchasable":false,"stock":{"stockLevelStatus":{"code":"outOfStock","type":"StockLevelStatus"},"stockLevel":0,"stockThreshold":null},"futureStocks":null,"availableForPickup":null,"averageRating":null,"numberOfReviews":null,"summary":null,"manufacturer":null,"variantType":null,"price":null,"baseProduct":null,"images":[],"categories":null,"reviews":null,"classifications":null,"potentialPromotions":null,"variantOptions":null,"baseOptions":[],"volumePricesFlag":null,"volumePrices":null,"productReferences":null,"variantMatrix":null,"priceRange":null,"firstCategoryNameList":null,"multidimensional":null,"configurable":false,"configuratorType":null,"addToCartDisabled":null,"addToCartDisabledMessage":null,"tags":null,"sapUnit":null,"keywords":null,"genders":null,"itemtype":"Part","partSubstitute":"P134300-CM","note":null,"recallNote":null,"note1":null,"note2":null,"note3":null,"note4":null,"note5":null,"pdfAllUser":null,"pdfAuthUser":null,"pdfCOSUser":null,"vaiantRelatedPartList":null,"partHotspotList":null,"itemNumber":null,"partRelatedVariantList":null,"bomCode":6,"totalValue":null,"searchImage":null,"length":null,"width":null,"height":null,"unitOfDimension":null,"weight":null,"unitOfWeight":null,"specialRouting":false,"onlineRepair":null,"previousPartID":null,"sbdDiscountPriceValue":null,"alrCode":null,"productRecallFlag":null,"selectedDocumentId":null,"productDescription":null,"pdpImage":null,"ticketId":null,"qtyRequiredPerVariant":"1","isElgibleForRepair":null,"isPowerEligible":null,"productRecallNotes":null,"productOtherInfo":null,"backorderETA":null,"modifiedDate":null,"userLevel":"ALL","displayPrice":null,"baseProductName":null,"firstVariantCode":null,"firstVariantImage":null,"productMarketType":null,"productNumber":null,"typeStatusCode":null,"productCategory":null,"typeNumber":null,"marketCode":null,"regionCode":null,"otherInformation":null,"productTypeStatus":null,"repairInstruction":null,"repairInstructionStatusDescription":null,"typeStatusDate":null,"serviceLifeDate":null,"manufacturerId":null,"parts":null,"language":null,"glossaries":null,"brand":null,"product":null,"brandCode":null,"recallNotes":null,"volume":null},{"code":"P120183X-CM","name":null,"url":"/c//p/P120183X-CM","description":"BEARING NYLON","purchasable":true,"stock":{"stockLevelStatus":{"code":"inStock","type":"StockLevelStatus"},"stockLevel":0,"stockThreshold":null},"futureStocks":null,"availableForPickup":null,"averageRating":null,"numberOfReviews":null,"summary":null,"manufacturer":null,"variantType":null,"price":{"currencyIso":"USD","value":2.63,"priceType":"BUY","formattedValue":"$2.63","minQuantity":null,"maxQuantity":null,"sapUnit":{"code":"pieces","name":"Piece"}},"baseProduct":null,"images":[],"categories":null,"reviews":null,"classifications":null,"potentialPromotions":null,"variantOptions":null,"baseOptions":[],"volumePricesFlag":null,"volumePrices":null,"productReferences":null,"variantMatrix":null,"priceRange":null,"firstCategoryNameList":null,"multidimensional":null,"configurable":false,"configuratorType":null,"addToCartDisabled":null,"addToCartDisabledMessage":null,"tags":null,"sapUnit":null,"keywords":null,"genders":null,"itemtype":"Part","partSubstitute":null,"note":null,"recallNote":null,"note1":null,"note2":null,"note3":null,"note4":null,"note5":null,"pdfAllUser":null,"pdfAuthUser":null,"pdfCOSUser":null,"vaiantRelatedPartList":null,"partHotspotList":null,"itemNumber":null,"partRelatedVariantList":null,"bomCode":2,"totalValue":null,"searchImage":null,"length":null,"width":null,"height":null,"unitOfDimension":null,"weight":null,"unitOfWeight":null,"specialRouting":false,"onlineRepair":null,"previousPartID":null,"sbdDiscountPriceValue":{"currencyIso":"USD","value":2.63,"priceType":"BUY","formattedValue":"$2.63","minQuantity":null,"maxQuantity":null,"sapUnit":{"code":"pieces","name":"Piece"}},"alrCode":null,"productRecallFlag":null,"selectedDocumentId":null,"productDescription":null,"pdpImage":null,"ticketId":null,"qtyRequiredPerVariant":"1","isElgibleForRepair":null,"isPowerEligible":null,"productRecallNotes":null,"productOtherInfo":null,"backorderETA":"00/00/0000","modifiedDate":null,"userLevel":"COS","displayPrice":null,"baseProductName":null,"firstVariantCode":null,"firstVariantImage":null,"productMarketType":null,"productNumber":null,"typeStatusCode":null,"productCategory":null,"typeNumber":null,"marketCode":null,"regionCode":null,"otherInformation":null,"productTypeStatus":null,"repairInstruction":null,"repairInstructionStatusDescription":null,"typeStatusDate":null,"serviceLifeDate":null,"manufacturerId":null,"parts":null,"language":null,"glossaries":null,"brand":null,"product":null,"brandCode":null,"recallNotes":null,"volume":null},{"code":"P120183X-CM","name":null,"url":"/c//p/P120183X-CM","description":"BEARING NYLON","purchasable":true,"stock":{"stockLevelStatus":{"code":"inStock","type":"StockLevelStatus"},"stockLevel":0,"stockThreshold":null},"futureStocks":null,"availableForPickup":null,"averageRating":null,"numberOfReviews":null,"summary":null,"manufacturer":null,"variantType":null,"price":{"currencyIso":"USD","value":2.63,"priceType":"BUY","formattedValue":"$2.63","minQuantity":null,"maxQuantity":null,"sapUnit":{"code":"pieces","name":"Piece"}},"baseProduct":null,"images":[],"categories":null,"reviews":null,"classifications":null,"potentialPromotions":null,"variantOptions":null,"baseOptions":[],"volumePricesFlag":null,"volumePrices":null,"productReferences":null,"variantMatrix":null,"priceRange":null,"firstCategoryNameList":null,"multidimensional":null,"configurable":false,"configuratorType":null,"addToCartDisabled":null,"addToCartDisabledMessage":null,"tags":null,"sapUnit":null,"keywords":null,"genders":null,"itemtype":"Part","partSubstitute":null,"note":null,"recallNote":null,"note1":null,"note2":null,"note3":null,"note4":null,"note5":null,"pdfAllUser":null,"pdfAuthUser":null,"pdfCOSUser":null,"vaiantRelatedPartList":null,"partHotspotList":null,"itemNumber":null,"partRelatedVariantList":null,"bomCode":2,"totalValue":null,"searchImage":null,"length":null,"width":null,"height":null,"unitOfDimension":null,"weight":null,"unitOfWeight":null,"specialRouting":false,"onlineRepair":null,"previousPartID":null,"sbdDiscountPriceValue":{"currencyIso":"USD","value":2.63,"priceType":"BUY","formattedValue":"$2.63","minQuantity":null,"maxQuantity":null,"sapUnit":{"code":"pieces","name":"Piece"}},"alrCode":null,"productRecallFlag":null,"selectedDocumentId":null,"productDescription":null,"pdpImage":null,"ticketId":null,"qtyRequiredPerVariant":"1","isElgibleForRepair":null,"isPowerEligible":null,"productRecallNotes":null,"productOtherInfo":null,"backorderETA":"00/00/0000","modifiedDate":null,"userLevel":"COS","displayPrice":null,"baseProductName":null,"firstVariantCode":null,"firstVariantImage":null,"productMarketType":null,"productNumber":null,"typeStatusCode":null,"productCategory":null,"typeNumber":null,"marketCode":null,"regionCode":null,"otherInformation":null,"productTypeStatus":null,"repairInstruction":null,"repairInstructionStatusDescription":null,"typeStatusDate":null,"serviceLifeDate":null,"manufacturerId":null,"parts":null,"language":null,"glossaries":null,"brand":null,"product":null,"brandCode":null,"recallNotes":null,"volume":null},{"code":"P121232X-CM","name":null,"url":"/c//p/P121232X-CM","description":"CAP.SPINDLE.BLACK","purchasable":true,"stock":{"stockLevelStatus":{"code":"outOfStock","type":"StockLevelStatus"},"stockLevel":0,"stockThreshold":null},"futureStocks":null,"availableForPickup":null,"averageRating":null,"numberOfReviews":null,"summary":null,"manufacturer":null,"variantType":null,"price":{"currencyIso":"USD","value":1.56,"priceType":"BUY","formattedValue":"$1.56","minQuantity":null,"maxQuantity":null,"sapUnit":{"code":"pieces","name":"Piece"}},"baseProduct":null,"images":[],"categories":null,"reviews":null,"classifications":null,"potentialPromotions":null,"variantOptions":null,"baseOptions":[],"volumePricesFlag":null,"volumePrices":null,"productReferences":null,"variantMatrix":null,"priceRange":null,"firstCategoryNameList":null,"multidimensional":null,"configurable":false,"configuratorType":null,"addToCartDisabled":null,"addToCartDisabledMessage":null,"tags":null,"sapUnit":null,"keywords":null,"genders":null,"itemtype":"Part","partSubstitute":"P819091416-CM","note":null,"recallNote":null,"note1":null,"note2":null,"note3":null,"note4":null,"note5":null,"pdfAllUser":null,"pdfAuthUser":null,"pdfCOSUser":null,"vaiantRelatedPartList":null,"partHotspotList":null,"itemNumber":null,"partRelatedVariantList":null,"bomCode":6,"totalValue":null,"searchImage":null,"length":null,"width":null,"height":null,"unitOfDimension":null,"weight":null,"unitOfWeight":null,"specialRouting":false,"onlineRepair":null,"previousPartID":null,"sbdDiscountPriceValue":{"currencyIso":"USD","value":1.56,"priceType":"BUY","formattedValue":"$1.56","minQuantity":null,"maxQuantity":null,"sapUnit":{"code":"pieces","name":"Piece"}},"alrCode":null,"productRecallFlag":null,"selectedDocumentId":null,"productDescription":null,"pdpImage":null,"ticketId":null,"qtyRequiredPerVariant":"1","isElgibleForRepair":null,"isPowerEligible":null,"productRecallNotes":null,"productOtherInfo":null,"backorderETA":"00/00/0000","modifiedDate":null,"userLevel":"COS","displayPrice":null,"baseProductName":null,"firstVariantCode":null,"firstVariantImage":null,"productMarketType":null,"productNumber":null,"typeStatusCode":null,"productCategory":null,"typeNumber":null,"marketCode":null,"regionCode":null,"otherInformation":null,"productTypeStatus":null,"repairInstruction":null,"repairInstructionStatusDescription":null,"typeStatusDate":null,"serviceLifeDate":null,"manufacturerId":null,"parts":null,"language":null,"glossaries":null,"brand":null,"product":null,"brandCode":null,"recallNotes":null,"volume":null},{"code":"P121248X-CM","name":null,"url":"/c//p/P121248X-CM","description":"BUSHING SNAP","purchasable":true,"stock":{"stockLevelStatus":{"code":"outOfStock","type":"StockLevelStatus"},"stockLevel":0,"stockThreshold":null},"futureStocks":null,"availableForPickup":null,"averageRating":null,"numberOfReviews":null,"summary":null,"manufacturer":null,"variantType":null,"price":{"currencyIso":"USD","value":3.1,"priceType":"BUY","formattedValue":"$3.10","minQuantity":null,"maxQuantity":null,"sapUnit":{"code":"pieces","name":"Piece"}},"baseProduct":null,"images":[],"categories":null,"reviews":null,"classifications":null,"potentialPromotions":null,"variantOptions":null,"baseOptions":[],"volumePricesFlag":null,"volumePrices":null,"productReferences":null,"variantMatrix":null,"priceRange":null,"firstCategoryNameList":null,"multidimensional":null,"configurable":false,"configuratorType":null,"addToCartDisabled":null,"addToCartDisabledMessage":null,"tags":null,"sapUnit":null,"keywords":null,"genders":null,"itemtype":"Part","partSubstitute":null,"note":null,"recallNote":null,"note1":null,"note2":null,"note3":null,"note4":null,"note5":null,"pdfAllUser":null,"pdfAuthUser":null,"pdfCOSUser":null,"vaiantRelatedPartList":null,"partHotspotList":null,"itemNumber":null,"partRelatedVariantList":null,"bomCode":2,"totalValue":null,"searchImage":null,"length":null,"width":null,"height":null,"unitOfDimension":null,"weight":null,"unitOfWeight":null,"specialRouting":false,"onlineRepair":null,"previousPartID":null,"sbdDiscountPriceValue":{"currencyIso":"USD","value":3.1,"priceType":"BUY","formattedValue":"$3.10","minQuantity":null,"maxQuantity":null,"sapUnit":{"code":"pieces","name":"Piece"}},"alrCode":null,"productRecallFlag":null,"selectedDocumentId":null,"productDescription":null,"pdpImage":null,"ticketId":null,"qtyRequiredPerVariant":"1","isElgibleForRepair":null,"isPowerEligible":null,"productRecallNotes":null,"productOtherInfo":null,"backorderETA":"00/00/0000","modifiedDate":null,"userLevel":"COS","displayPrice":null,"baseProductName":null,"firstVariantCode":null,"firstVariantImage":null,"productMarketType":null,"productNumber":null,"typeStatusCode":null,"productCategory":null,"typeNumber":null,"marketCode":null,"regionCode":null,"otherInformation":null,"productTypeStatus":null,"repairInstruction":null,"repairInstructionStatusDescription":null,"typeStatusDate":null,"serviceLifeDate":null,"manufacturerId":null,"parts":null,"language":null,"glossaries":null,"brand":null,"product":null,"brandCode":null,"recallNotes":null,"volume":null},{"code":"P121748X-CM","name":null,"url":"/c//p/P121748X-CM","description":"WASHER 25/32 X 1-5/8 X 16 GA.","purchasable":true,"stock":{"stockLevelStatus":{"code":"inStock","type":"StockLevelStatus"},"stockLevel":0,"stockThreshold":null},"futureStocks":null,"availableForPickup":null,"averageRating":null,"numberOfReviews":null,"summary":null,"manufacturer":null,"variantType":null,"price":{"currencyIso":"USD","value":0.0,"priceType":"BUY","formattedValue":"$0.00","minQuantity":null,"maxQuantity":null,"sapUnit":{"code":"pieces","name":"Piece"}},"baseProduct":null,"images":[],"categories":null,"reviews":null,"classifications":null,"potentialPromotions":null,"variantOptions":null,"baseOptions":[],"volumePricesFlag":null,"volumePrices":null,"productReferences":null,"variantMatrix":null,"priceRange":null,"firstCategoryNameList":null,"multidimensional":null,"configurable":false,"configuratorType":null,"addToCartDisabled":null,"addToCartDisabledMessage":null,"tags":null,"sapUnit":null,"keywords":null,"genders":null,"itemtype":"Part","partSubstitute":null,"note":null,"recallNote":null,"note1":null,"note2":null,"note3":null,"note4":null,"note5":null,"pdfAllUser":null,"pdfAuthUser":null,"pdfCOSUser":null,"vaiantRelatedPartList":null,"partHotspotList":null,"itemNumber":null,"partRelatedVariantList":null,"bomCode":2,"totalValue":null,"searchImage":null,"length":null,"width":null,"height":null,"unitOfDimension":null,"weight":null,"unitOfWeight":null,"specialRouting":false,"onlineRepair":null,"previousPartID":null,"sbdDiscountPriceValue":{"currencyIso":"USD","value":0.0,"priceType":"BUY","formattedValue":"$0.00","minQuantity":null,"maxQuantity":null,"sapUnit":{"code":"pieces","name":"Piece"}},"alrCode":null,"productRecallFlag":null,"selectedDocumentId":null,"productDescription":null,"pdpImage":null,"ticketId":null,"qtyRequiredPerVariant":"1","isElgibleForRepair":null,"isPowerEligible":null,"productRecallNotes":null,"productOtherInfo":null,"backorderETA":"00/00/0000","modifiedDate":null,"userLevel":"COS","displayPrice":null,"baseProductName":null,"firstVariantCode":null,"firstVariantImage":null,"productMarketType":null,"productNumber":null,"typeStatusCode":null,"productCategory":null,"typeNumber":null,"marketCode":null,"regionCode":null,"otherInformation":null,"productTypeStatus":null,"repairInstruction":null,"repairInstructionStatusDescription":null,"typeStatusDate":null,"serviceLifeDate":null,"manufacturerId":null,"parts":null,"language":null,"glossaries":null,"brand":null,"product":null,"brandCode":null,"recallNotes":null,"volume":null},{"code":"P121748X-CM","name":null,"url":"/c//p/P121748X-CM","description":"WASHER 25/32 X 1-5/8 X 16 GA.","purchasable":true,"stock":{"stockLevelStatus":{"code":"inStock","type":"StockLevelStatus"},"stockLevel":0,"stockThreshold":null},"futureStocks":null,"availableForPickup":null,"averageRating":null,"numberOfReviews":null,"summary":null,"manufacturer":null,"variantType":null,"price":{"currencyIso":"USD","value":0.0,"priceType":"BUY","formattedValue":"$0.00","minQuantity":null,"maxQuantity":null,"sapUnit":{"code":"pieces","name":"Piece"}},"baseProduct":null,"images":[],"categories":null,"reviews":null,"classifications":null,"potentialPromotions":null,"variantOptions":null,"baseOptions":[],"volumePricesFlag":null,"volumePrices":null,"productReferences":null,"variantMatrix":null,"priceRange":null,"firstCategoryNameList":null,"multidimensional":null,"configurable":false,"configuratorType":null,"addToCartDisabled":null,"addToCartDisabledMessage":null,"tags":null,"sapUnit":null,"keywords":null,"genders":null,"itemtype":"Part","partSubstitute":null,"note":null,"recallNote":null,"note1":null,"note2":null,"note3":null,"note4":null,"note5":null,"pdfAllUser":null,"pdfAuthUser":null,"pdfCOSUser":null,"vaiantRelatedPartList":null,"partHotspotList":null,"itemNumber":null,"partRelatedVariantList":null,"bomCode":2,"totalValue":null,"searchImage":null,"length":null,"width":null,"height":null,"unitOfDimension":null,"weight":null,"unitOfWeight":null,"specialRouting":false,"onlineRepair":null,"previousPartID":null,"sbdDiscountPriceValue":{"currencyIso":"USD","value":0.0,"priceType":"BUY","formattedValue":"$0.00","minQuantity":null,"maxQuantity":null,"sapUnit":{"code":"pieces","name":"Piece"}},"alrCode":null,"productRecallFlag":null,"selectedDocumentId":null,"productDescription":null,"pdpImage":null,"ticketId":null,"qtyRequiredPerVariant":"1","isElgibleForRepair":null,"isPowerEligible":null,"productRecallNotes":null,"productOtherInfo":null,"backorderETA":"00/00/0000","modifiedDate":null,"userLevel":"COS","displayPrice":null,"baseProductName":null,"firstVariantCode":null,"firstVariantImage":null,"productMarketType":null,"productNumber":null,"typeStatusCode":null,"productCategory":null,"typeNumber":null,"marketCode":null,"regionCode":null,"otherInformation":null,"productTypeStatus":null,"repairInstruction":null,"repairInstructionStatusDescription":null,"typeStatusDate":null,"serviceLifeDate":null,"manufacturerId":null,"parts":null,"language":null,"glossaries":null,"brand":null,"product":null,"brandCode":null,"recallNotes":null,"volume":null},{"code":"P121748X-CM","name":null,"url":"/c//p/P121748X-CM","description":"WASHER 25/32 X 1-5/8 X 16 GA.","purchasable":true,"stock":{"stockLevelStatus":{"code":"inStock","type":"StockLevelStatus"},"stockLevel":0,"stockThreshold":null},"futureStocks":null,"availableForPickup":null,"averageRating":null,"numberOfReviews":null,"summary":null,"manufacturer":null,"variantType":null,"price":{"currencyIso":"USD","value":0.0,"priceType":"BUY","formattedValue":"$0.00","minQuantity":null,"maxQuantity":null,"sapUnit":{"code":"pieces","name":"Piece"}},"baseProduct":null,"images":[],"categories":null,"reviews":null,"classifications":null,"potentialPromotions":null,"variantOptions":null,"baseOptions":[],"volumePricesFlag":null,"volumePrices":null,"productReferences":null,"variantMatrix":null,"priceRange":null,"firstCategoryNameList":null,"multidimensional":null,"configurable":false,"configuratorType":null,"addToCartDisabled":null,"addToCartDisabledMessage":null,"tags":null,"sapUnit":null,"keywords":null,"genders":null,"itemtype":"Part","partSubstitute":null,"note":null,"recallNote":null,"note1":null,"note2":null,"note3":null,"note4":null,"note5":null,"pdfAllUser":null,"pdfAuthUser":null,"pdfCOSUser":null,"vaiantRelatedPartList":null,"partHotspotList":null,"itemNumber":null,"partRelatedVariantList":null,"bomCode":2,"totalValue":null,"searchImage":null,"length":null,"width":null,"height":null,"unitOfDimension":null,"weight":null,"unitOfWeight":null,"specialRouting":false,"onlineRepair":null,"previousPartID":null,"sbdDiscountPriceValue":{"currencyIso":"USD","value":0.0,"priceType":"BUY","formattedValue":"$0.00","minQuantity":null,"maxQuantity":null,"sapUnit":{"code":"pieces","name":"Piece"}},"alrCode":null,"productRecallFlag":null,"selectedDocumentId":null,"productDescription":null,"pdpImage":null,"ticketId":null,"qtyRequiredPerVariant":"1","isElgibleForRepair":null,"isPowerEligible":null,"productRecallNotes":null,"productOtherInfo":null,"backorderETA":"00/00/0000","modifiedDate":null,"userLevel":"COS","displayPrice":null,"baseProductName":null,"firstVariantCode":null,"firstVariantImage":null,"productMarketType":null,"productNumber":null,"typeStatusCode":null,"productCategory":null,"typeNumber":null,"marketCode":null,"regionCode":null,"otherInformation":null,"productTypeStatus":null,"repairInstruction":null,"repairInstructionStatusDescription":null,"typeStatusDate":null,"serviceLifeDate":null,"manufacturerId":null,"parts":null,"language":null,"glossaries":null,"brand":null,"product":null,"brandCode":null,"recallNotes":null,"volume":null},{"code":"P123205X-CM","name":null,"url":"/c//p/P123205X-CM","description":"RETAINER","purchasable":false,"stock":{"stockLevelStatus":{"code":"outOfStock","type":"StockLevelStatus"},"stockLevel":0,"stockThreshold":null},"futureStocks":null,"availableForPickup":null,"averageRating":null,"numberOfReviews":null,"summary":null,"manufacturer":null,"variantType":null,"price":null,"baseProduct":null,"images":[],"categories":null,"reviews":null,"classifications":null,"potentialPromotions":null,"variantOptions":null,"baseOptions":[],"volumePricesFlag":null,"volumePrices":null,"productReferences":null,"variantMatrix":null,"priceRange":null,"firstCategoryNameList":null,"multidimensional":null,"configurable":false,"configuratorType":null,"addToCartDisabled":null,"addToCartDisabledMessage":null,"tags":null,"sapUnit":null,"keywords":null,"genders":null,"itemtype":"Part","partSubstitute":"P532123205-CM","note":null,"recallNote":null,"note1":null,"note2":null,"note3":null,"note4":null,"note5":null,"pdfAllUser":null,"pdfAuthUser":null,"pdfCOSUser":null,"vaiantRelatedPartList":null,"partHotspotList":null,"itemNumber":null,"partRelatedVariantList":null,"bomCode":4,"totalValue":null,"searchImage":null,"length":null,"width":null,"height":null,"unitOfDimension":null,"weight":null,"unitOfWeight":null,"specialRouting":false,"onlineRepair":null,"previousPartID":null,"sbdDiscountPriceValue":null,"alrCode":null,"productRecallFlag":null,"selectedDocumentId":null,"productDescription":null,"pdpImage":null,"ticketId":null,"qtyRequiredPerVariant":"1","isElgibleForRepair":null,"isPowerEligible":null,"productRecallNotes":null,"productOtherInfo":null,"backorderETA":null,"modifiedDate":null,"userLevel":"COS","displayPrice":null,"baseProductName":null,"firstVariantCode":null,"firstVariantImage":null,"productMarketType":null,"productNumber":null,"typeStatusCode":null,"productCategory":null,"typeNumber":null,"marketCode":null,"regionCode":null,"otherInformation":null,"productTypeStatus":null,"repairInstruction":null,"repairInstructionStatusDescription":null,"typeStatusDate":null,"serviceLifeDate":null,"manufacturerId":null,"parts":null,"language":null,"glossaries":null,"brand":null,"product":null,"brandCode":null,"recallNotes":null,"volume":null},{"code":"P123583X-CM","name":null,"url":"/c//p/P123583X-CM","description":"KEY SQUARE","purchasable":true,"stock":{"stockLevelStatus":{"code":"inStock","type":"StockLevelStatus"},"stockLevel":0,"stockThreshold":null},"futureStocks":null,"availableForPickup":null,"averageRating":null,"numberOfReviews":null,"summary":null,"manufacturer":null,"variantType":null,"price":{"currencyIso":"USD","value":2.55,"priceType":"BUY","formattedValue":"$2.55","minQuantity":null,"maxQuantity":null,"sapUnit":{"code":"pieces","name":"Piece"}},"baseProduct":null,"images":[],"categories":null,"reviews":null,"classifications":null,"potentialPromotions":null,"variantOptions":null,"baseOptions":[],"volumePricesFlag":null,"volumePrices":null,"productReferences":null,"variantMatrix":null,"priceRange":null,"firstCategoryNameList":null,"multidimensional":null,"configurable":false,"configuratorType":null,"addToCartDisabled":null,"addToCartDisabledMessage":null,"tags":null,"sapUnit":null,"keywords":null,"genders":null,"itemtype":"Part","partSubstitute":null,"note":null,"recallNote":null,"note1":null,"note2":null,"note3":null,"note4":null,"note5":null,"pdfAllUser":null,"pdfAuthUser":null,"pdfCOSUser":null,"vaiantRelatedPartList":null,"partHotspotList":null,"itemNumber":null,"partRelatedVariantList":null,"bomCode":2,"totalValue":null,"searchImage":null,"length":null,"width":null,"height":null,"unitOfDimension":null,"weight":null,"unitOfWeight":null,"specialRouting":false,"onlineRepair":null,"previousPartID":null,"sbdDiscountPriceValue":{"currencyIso":"USD","value":2.55,"priceType":"BUY","formattedValue":"$2.55","minQuantity":null,"maxQuantity":null,"sapUnit":{"code":"pieces","name":"Piece"}},"alrCode":null,"productRecallFlag":null,"selectedDocumentId":null,"productDescription":null,"pdpImage":null,"ticketId":null,"qtyRequiredPerVariant":"1","isElgibleForRepair":null,"isPowerEligible":null,"productRecallNotes":null,"productOtherInfo":null,"backorderETA":"00/00/0000","modifiedDate":null,"userLevel":"COS","displayPrice":null,"baseProductName":null,"firstVariantCode":null,"firstVariantImage":null,"productMarketType":null,"productNumber":null,"typeStatusCode":null,"productCategory":null,"typeNumber":null,"marketCode":null,"regionCode":null,"otherInformation":null,"productTypeStatus":null,"repairInstruction":null,"repairInstructionStatusDescription":null,"typeStatusDate":null,"serviceLifeDate":null,"manufacturerId":null,"parts":null,"language":null,"glossaries":null,"brand":null,"product":null,"brandCode":null,"recallNotes":null,"volume":null},{"code":"P123713X-CM","name":null,"url":"/c//p/P123713X-CM","description":"SPRING","purchasable":false,"stock":{"stockLevelStatus":{"code":"outOfStock","type":"StockLevelStatus"},"stockLevel":0,"stockThreshold":null},"futureStocks":null,"availableForPickup":null,"averageRating":null,"numberOfReviews":null,"summary":null,"manufacturer":null,"variantType":null,"price":null,"baseProduct":null,"images":[],"categories":null,"reviews":null,"classifications":null,"potentialPromotions":null,"variantOptions":null,"baseOptions":[],"volumePricesFlag":null,"volumePrices":null,"productReferences":null,"variantMatrix":null,"priceRange":null,"firstCategoryNameList":null,"multidimensional":null,"configurable":false,"configuratorType":null,"addToCartDisabled":null,"addToCartDisabledMessage":null,"tags":null,"sapUnit":null,"keywords":null,"genders":null,"itemtype":"Part","partSubstitute":"P582732501-CM","note":null,"recallNote":null,"note1":null,"note2":null,"note3":null,"note4":null,"note5":null,"pdfAllUser":null,"pdfAuthUser":null,"pdfCOSUser":null,"vaiantRelatedPartList":null,"partHotspotList":null,"itemNumber":null,"partRelatedVariantList":null,"bomCode":4,"totalValue":null,"searchImage":null,"length":null,"width":null,"height":null,"unitOfDimension":null,"weight":null,"unitOfWeight":null,"specialRouting":false,"onlineRepair":null,"previousPartID":null,"sbdDiscountPriceValue":null,"alrCode":null,"productRecallFlag":null,"selectedDocumentId":null,"productDescription":null,"pdpImage":null,"ticketId":null,"qtyRequiredPerVariant":"1","isElgibleForRepair":null,"isPowerEligible":null,"productRecallNotes":null,"productOtherInfo":null,"backorderETA":null,"modifiedDate":null,"userLevel":"COS","displayPrice":null,"baseProductName":null,"firstVariantCode":null,"firstVariantImage":null,"productMarketType":null,"productNumber":null,"typeStatusCode":null,"productCategory":null,"typeNumber":null,"marketCode":null,"regionCode":null,"otherInformation":null,"productTypeStatus":null,"repairInstruction":null,"repairInstructionStatusDescription":null,"typeStatusDate":null,"serviceLifeDate":null,"manufacturerId":null,"parts":null,"language":null,"glossaries":null,"brand":null,"product":null,"brandCode":null,"recallNotes":null,"volume":null},{"code":"P124346X-CM","name":null,"url":"/c//p/P124346X-CM","description":"NUT","purchasable":false,"stock":{"stockLevelStatus":{"code":"outOfStock","type":"StockLevelStatus"},"stockLevel":0,"stockThreshold":null},"futureStocks":null,"availableForPickup":null,"averageRating":null,"numberOfReviews":null,"summary":null,"manufacturer":null,"variantType":null,"price":null,"baseProduct":null,"images":[],"categories":null,"reviews":null,"classifications":null,"potentialPromotions":null,"variantOptions":null,"baseOptions":[],"volumePricesFlag":null,"volumePrices":null,"productReferences":null,"variantMatrix":null,"priceRange":null,"firstCategoryNameList":null,"multidimensional":null,"configurable":false,"configuratorType":null,"addToCartDisabled":null,"addToCartDisabledMessage":null,"tags":null,"sapUnit":null,"keywords":null,"genders":null,"itemtype":"Part","partSubstitute":null,"note":null,"recallNote":null,"note1":null,"note2":null,"note3":null,"note4":null,"note5":null,"pdfAllUser":null,"pdfAuthUser":null,"pdfCOSUser":null,"vaiantRelatedPartList":null,"partHotspotList":null,"itemNumber":null,"partRelatedVariantList":null,"bomCode":4,"totalValue":null,"searchImage":null,"length":null,"width":null,"height":null,"unitOfDimension":null,"weight":null,"unitOfWeight":null,"specialRouting":false,"onlineRepair":null,"previousPartID":null,"sbdDiscountPriceValue":null,"alrCode":null,"productRecallFlag":null,"selectedDocumentId":null,"productDescription":null,"pdpImage":null,"ticketId":null,"qtyRequiredPerVariant":"1","isElgibleForRepair":null,"isPowerEligible":null,"productRecallNotes":null,"productOtherInfo":null,"backorderETA":null,"modifiedDate":null,"userLevel":"COS","displayPrice":null,"baseProductName":null,"firstVariantCode":null,"firstVariantImage":null,"productMarketType":null,"productNumber":null,"typeStatusCode":null,"productCategory":null,"typeNumber":null,"marketCode":null,"regionCode":null,"otherInformation":null,"productTypeStatus":null,"repairInstruction":null,"repairInstructionStatusDescription":null,"typeStatusDate":null,"serviceLifeDate":null,"manufacturerId":null,"parts":null,"language":null,"glossaries":null,"brand":null,"product":null,"brandCode":null,"recallNotes":null,"volume":null},{"code":"P125631X-CM","name":null,"url":"/c//p/P125631X-CM","description":"GRIP","purchasable":false,"stock":{"stockLevelStatus":{"code":"outOfStock","type":"StockLevelStatus"},"stockLevel":0,"stockThreshold":null},"futureStocks":null,"availableForPickup":null,"averageRating":null,"numberOfReviews":null,"summary":null,"manufacturer":null,"variantType":null,"price":null,"baseProduct":null,"images":[],"categories":null,"reviews":null,"classifications":null,"potentialPromotions":null,"variantOptions":null,"baseOptions":[],"volumePricesFlag":null,"volumePrices":null,"productReferences":null,"variantMatrix":null,"priceRange":null,"firstCategoryNameList":null,"multidimensional":null,"configurable":false,"configuratorType":null,"addToCartDisabled":null,"addToCartDisabledMessage":null,"tags":null,"sapUnit":null,"keywords":null,"genders":null,"itemtype":"Part","partSubstitute":"P9040H-CM","note":null,"recallNote":null,"note1":null,"note2":null,"note3":null,"note4":null,"note5":null,"pdfAllUser":null,"pdfAuthUser":null,"pdfCOSUser":null,"vaiantRelatedPartList":null,"partHotspotList":null,"itemNumber":null,"partRelatedVariantList":null,"bomCode":4,"totalValue":null,"searchImage":null,"length":null,"width":null,"height":null,"unitOfDimension":null,"weight":null,"unitOfWeight":null,"specialRouting":false,"onlineRepair":null,"previousPartID":null,"sbdDiscountPriceValue":null,"alrCode":null,"productRecallFlag":null,"selectedDocumentId":null,"productDescription":null,"pdpImage":null,"ticketId":null,"qtyRequiredPerVariant":"1","isElgibleForRepair":null,"isPowerEligible":null,"productRecallNotes":null,"productOtherInfo":null,"backorderETA":null,"modifiedDate":null,"userLevel":"COS","displayPrice":null,"baseProductName":null,"firstVariantCode":null,"firstVariantImage":null,"productMarketType":null,"productNumber":null,"typeStatusCode":null,"productCategory":null,"typeNumber":null,"marketCode":null,"regionCode":null,"otherInformation":null,"productTypeStatus":null,"repairInstruction":null,"repairInstructionStatusDescription":null,"typeStatusDate":null,"serviceLifeDate":null,"manufacturerId":null,"parts":null,"language":null,"glossaries":null,"brand":null,"product":null,"brandCode":null,"recallNotes":null,"volume":null},{"code":"P128774-CM","name":null,"url":"/c//p/P128774-CM","description":"HSG ASM","purchasable":false,"stock":{"stockLevelStatus":{"code":"outOfStock","type":"StockLevelStatus"},"stockLevel":0,"stockThreshold":null},"futureStocks":null,"availableForPickup":null,"averageRating":null,"numberOfReviews":null,"summary":null,"manufacturer":null,"variantType":null,"price":null,"baseProduct":null,"images":[],"categories":null,"reviews":null,"classifications":null,"potentialPromotions":null,"variantOptions":null,"baseOptions":[],"volumePricesFlag":null,"volumePrices":null,"productReferences":null,"variantMatrix":null,"priceRange":null,"firstCategoryNameList":null,"multidimensional":null,"configurable":false,"configuratorType":null,"addToCartDisabled":null,"addToCartDisabledMessage":null,"tags":null,"sapUnit":null,"keywords":null,"genders":null,"itemtype":"Part","partSubstitute":"P872050412-CM","note":null,"recallNote":null,"note1":null,"note2":null,"note3":null,"note4":null,"note5":null,"pdfAllUser":null,"pdfAuthUser":null,"pdfCOSUser":null,"vaiantRelatedPartList":null,"partHotspotList":null,"itemNumber":null,"partRelatedVariantList":null,"bomCode":4,"totalValue":null,"searchImage":null,"length":null,"width":null,"height":null,"unitOfDimension":null,"weight":null,"unitOfWeight":null,"specialRouting":false,"onlineRepair":null,"previousPartID":null,"sbdDiscountPriceValue":null,"alrCode":null,"productRecallFlag":null,"selectedDocumentId":null,"productDescription":null,"pdpImage":null,"ticketId":null,"qtyRequiredPerVariant":"1","isElgibleForRepair":null,"isPowerEligible":null,"productRecallNotes":null,"productOtherInfo":null,"backorderETA":null,"modifiedDate":null,"userLevel":"COS","displayPrice":null,"baseProductName":null,"firstVariantCode":null,"firstVariantImage":null,"productMarketType":null,"productNumber":null,"typeStatusCode":null,"productCategory":null,"typeNumber":null,"marketCode":null,"regionCode":null,"otherInformation":null,"productTypeStatus":null,"repairInstruction":null,"repairInstructionStatusDescription":null,"typeStatusDate":null,"serviceLifeDate":null,"manufacturerId":null,"parts":null,"language":null,"glossaries":null,"brand":null,"product":null,"brandCode":null,"recallNotes":null,"volume":null},{"code":"P131491-CM","name":null,"url":"/c//p/P131491-CM","description":"ROD HINGE","purchasable":false,"stock":{"stockLevelStatus":{"code":"outOfStock","type":"StockLevelStatus"},"stockLevel":0,"stockThreshold":null},"futureStocks":null,"availableForPickup":null,"averageRating":null,"numberOfReviews":null,"summary":null,"manufacturer":null,"variantType":null,"price":null,"baseProduct":null,"images":[],"categories":null,"reviews":null,"classifications":null,"potentialPromotions":null,"variantOptions":null,"baseOptions":[],"volumePricesFlag":null,"volumePrices":null,"productReferences":null,"variantMatrix":null,"priceRange":null,"firstCategoryNameList":null,"multidimensional":null,"configurable":false,"configuratorType":null,"addToCartDisabled":null,"addToCartDisabledMessage":null,"tags":null,"sapUnit":null,"keywords":null,"genders":null,"itemtype":"Part","partSubstitute":"P17000612-CM","note":null,"recallNote":null,"note1":null,"note2":null,"note3":null,"note4":null,"note5":null,"pdfAllUser":null,"pdfAuthUser":null,"pdfCOSUser":null,"vaiantRelatedPartList":null,"partHotspotList":null,"itemNumber":null,"partRelatedVariantList":null,"bomCode":6,"totalValue":null,"searchImage":null,"length":null,"width":null,"height":null,"unitOfDimension":null,"weight":null,"unitOfWeight":null,"specialRouting":false,"onlineRepair":null,"previousPartID":null,"sbdDiscountPriceValue":null,"alrCode":null,"productRecallFlag":null,"selectedDocumentId":null,"productDescription":null,"pdpImage":null,"ticketId":null,"qtyRequiredPerVariant":"1","isElgibleForRepair":null,"isPowerEligible":null,"productRecallNotes":null,"productOtherInfo":null,"backorderETA":null,"modifiedDate":null,"userLevel":"ALL","displayPrice":null,"baseProductName":null,"firstVariantCode":null,"firstVariantImage":null,"productMarketType":null,"productNumber":null,"typeStatusCode":null,"productCategory":null,"typeNumber":null,"marketCode":null,"regionCode":null,"otherInformation":null,"productTypeStatus":null,"repairInstruction":null,"repairInstructionStatusDescription":null,"typeStatusDate":null,"serviceLifeDate":null,"manufacturerId":null,"parts":null,"language":null,"glossaries":null,"brand":null,"product":null,"brandCode":null,"recallNotes":null,"volume":null},{"code":"P132827-CM","name":null,"url":"/c//p/P132827-CM","description":"BOLT SHD 5/1","purchasable":false,"stock":{"stockLevelStatus":{"code":"outOfStock","type":"StockLevelStatus"},"stockLevel":0,"stockThreshold":null},"futureStocks":null,"availableForPickup":null,"averageRating":null,"numberOfReviews":null,"summary":null,"manufacturer":null,"variantType":null,"price":null,"baseProduct":null,"images":[],"categories":null,"reviews":null,"classifications":null,"potentialPromotions":null,"variantOptions":null,"baseOptions":[],"volumePricesFlag":null,"volumePrices":null,"productReferences":null,"variantMatrix":null,"priceRange":null,"firstCategoryNameList":null,"multidimensional":null,"configurable":false,"configuratorType":null,"addToCartDisabled":null,"addToCartDisabledMessage":null,"tags":null,"sapUnit":null,"keywords":null,"genders":null,"itemtype":"Part","partSubstitute":null,"note":null,"recallNote":null,"note1":null,"note2":null,"note3":null,"note4":null,"note5":null,"pdfAllUser":null,"pdfAuthUser":null,"pdfCOSUser":null,"vaiantRelatedPartList":null,"partHotspotList":null,"itemNumber":null,"partRelatedVariantList":null,"bomCode":4,"totalValue":null,"searchImage":null,"length":null,"width":null,"height":null,"unitOfDimension":null,"weight":null,"unitOfWeight":null,"specialRouting":false,"onlineRepair":null,"previousPartID":null,"sbdDiscountPriceValue":null,"alrCode":null,"productRecallFlag":null,"selectedDocumentId":null,"productDescription":null,"pdpImage":null,"ticketId":null,"qtyRequiredPerVariant":"1","isElgibleForRepair":null,"isPowerEligible":null,"productRecallNotes":null,"productOtherInfo":null,"backorderETA":null,"modifiedDate":null,"userLevel":"COS","displayPrice":null,"baseProductName":null,"firstVariantCode":null,"firstVariantImage":null,"productMarketType":null,"productNumber":null,"typeStatusCode":null,"productCategory":null,"typeNumber":null,"marketCode":null,"regionCode":null,"otherInformation":null,"productTypeStatus":null,"repairInstruction":null,"repairInstructionStatusDescription":null,"typeStatusDate":null,"serviceLifeDate":null,"manufacturerId":null,"parts":null,"language":null,"glossaries":null,"brand":null,"product":null,"brandCode":null,"recallNotes":null,"volume":null},{"code":"P133835-CM","name":null,"url":"/c//p/P133835-CM","description":"FASTNER","purchasable":false,"stock":{"stockLevelStatus":{"code":"outOfStock","type":"StockLevelStatus"},"stockLevel":0,"stockThreshold":null},"futureStocks":null,"availableForPickup":null,"averageRating":null,"numberOfReviews":null,"summary":null,"manufacturer":null,"variantType":null,"price":null,"baseProduct":null,"images":[],"categories":null,"reviews":null,"classifications":null,"potentialPromotions":null,"variantOptions":null,"baseOptions":[],"volumePricesFlag":null,"volumePrices":null,"productReferences":null,"variantMatrix":null,"priceRange":null,"firstCategoryNameList":null,"multidimensional":null,"configurable":false,"configuratorType":null,"addToCartDisabled":null,"addToCartDisabledMessage":null,"tags":null,"sapUnit":null,"keywords":null,"genders":null,"itemtype":"Part","partSubstitute":"P150360-CM","note":null,"recallNote":null,"note1":null,"note2":null,"note3":null,"note4":null,"note5":null,"pdfAllUser":null,"pdfAuthUser":null,"pdfCOSUser":null,"vaiantRelatedPartList":null,"partHotspotList":null,"itemNumber":null,"partRelatedVariantList":null,"bomCode":4,"totalValue":null,"searchImage":null,"length":null,"width":null,"height":null,"unitOfDimension":null,"weight":null,"unitOfWeight":null,"specialRouting":false,"onlineRepair":null,"previousPartID":null,"sbdDiscountPriceValue":null,"alrCode":null,"productRecallFlag":null,"selectedDocumentId":null,"productDescription":null,"pdpImage":null,"ticketId":null,"qtyRequiredPerVariant":"1","isElgibleForRepair":null,"isPowerEligible":null,"productRecallNotes":null,"productOtherInfo":null,"backorderETA":null,"modifiedDate":null,"userLevel":"COS","displayPrice":null,"baseProductName":null,"firstVariantCode":null,"firstVariantImage":null,"productMarketType":null,"productNumber":null,"typeStatusCode":null,"productCategory":null,"typeNumber":null,"marketCode":null,"regionCode":null,"otherInformation":null,"productTypeStatus":null,"repairInstruction":null,"repairInstructionStatusDescription":null,"typeStatusDate":null,"serviceLifeDate":null,"manufacturerId":null,"parts":null,"language":null,"glossaries":null,"brand":null,"product":null,"brandCode":null,"recallNotes":null,"volume":null},{"code":"P134300-CM","name":null,"url":"/c//p/P134300-CM","description":"SPACER SPLIT","purchasable":true,"stock":{"stockLevelStatus":{"code":"outOfStock","type":"StockLevelStatus"},"stockLevel":0,"stockThreshold":null},"futureStocks":null,"availableForPickup":null,"averageRating":null,"numberOfReviews":null,"summary":null,"manufacturer":null,"variantType":null,"price":{"currencyIso":"USD","value":3.1,"priceType":"BUY","formattedValue":"$3.10","minQuantity":null,"maxQuantity":null,"sapUnit":{"code":"pieces","name":"Piece"}},"baseProduct":null,"images":[],"categories":null,"reviews":null,"classifications":null,"potentialPromotions":null,"variantOptions":null,"baseOptions":[],"volumePricesFlag":null,"volumePrices":null,"productReferences":null,"variantMatrix":null,"priceRange":null,"firstCategoryNameList":null,"multidimensional":null,"configurable":false,"configuratorType":null,"addToCartDisabled":null,"addToCartDisabledMessage":null,"tags":null,"sapUnit":null,"keywords":null,"genders":null,"itemtype":"Part","partSubstitute":null,"note":null,"recallNote":null,"note1":null,"note2":null,"note3":null,"note4":null,"note5":null,"pdfAllUser":null,"pdfAuthUser":null,"pdfCOSUser":null,"vaiantRelatedPartList":null,"partHotspotList":null,"itemNumber":null,"partRelatedVariantList":null,"bomCode":2,"totalValue":null,"searchImage":null,"length":null,"width":null,"height":null,"unitOfDimension":null,"weight":null,"unitOfWeight":null,"specialRouting":false,"onlineRepair":null,"previousPartID":null,"sbdDiscountPriceValue":{"currencyIso":"USD","value":3.1,"priceType":"BUY","formattedValue":"$3.10","minQuantity":null,"maxQuantity":null,"sapUnit":{"code":"pieces","name":"Piece"}},"alrCode":null,"productRecallFlag":null,"selectedDocumentId":null,"productDescription":null,"pdpImage":null,"ticketId":null,"qtyRequiredPerVariant":"1","isElgibleForRepair":null,"isPowerEligible":null,"productRecallNotes":null,"productOtherInfo":null,"backorderETA":"00/00/0000","modifiedDate":null,"userLevel":"COS","displayPrice":null,"baseProductName":null,"firstVariantCode":null,"firstVariantImage":null,"productMarketType":null,"productNumber":null,"typeStatusCode":null,"productCategory":null,"typeNumber":null,"marketCode":null,"regionCode":null,"otherInformation":null,"productTypeStatus":null,"repairInstruction":null,"repairInstructionStatusDescription":null,"typeStatusDate":null,"serviceLifeDate":null,"manufacturerId":null,"parts":null,"language":null,"glossaries":null,"brand":null,"product":null,"brandCode":null,"recallNotes":null,"volume":null},{"code":"P137057-CM","name":null,"url":"/c//p/P137057-CM","description":"SPACER AXLE","purchasable":false,"stock":{"stockLevelStatus":{"code":"outOfStock","type":"StockLevelStatus"},"stockLevel":0,"stockThreshold":null},"futureStocks":null,"availableForPickup":null,"averageRating":null,"numberOfReviews":null,"summary":null,"manufacturer":null,"variantType":null,"price":null,"baseProduct":null,"images":[],"categories":null,"reviews":null,"classifications":null,"potentialPromotions":null,"variantOptions":null,"baseOptions":[],"volumePricesFlag":null,"volumePrices":null,"productReferences":null,"variantMatrix":null,"priceRange":null,"firstCategoryNameList":null,"multidimensional":null,"configurable":false,"configuratorType":null,"addToCartDisabled":null,"addToCartDisabledMessage":null,"tags":null,"sapUnit":null,"keywords":null,"genders":null,"itemtype":"Part","partSubstitute":"P532137057-CM","note":null,"recallNote":null,"note1":null,"note2":null,"note3":null,"note4":null,"note5":null,"pdfAllUser":null,"pdfAuthUser":null,"pdfCOSUser":null,"vaiantRelatedPartList":null,"partHotspotList":null,"itemNumber":null,"partRelatedVariantList":null,"bomCode":4,"totalValue":null,"searchImage":null,"length":null,"width":null,"height":null,"unitOfDimension":null,"weight":null,"unitOfWeight":null,"specialRouting":false,"onlineRepair":null,"previousPartID":null,"sbdDiscountPriceValue":null,"alrCode":null,"productRecallFlag":null,"selectedDocumentId":null,"productDescription":null,"pdpImage":null,"ticketId":null,"qtyRequiredPerVariant":"1","isElgibleForRepair":null,"isPowerEligible":null,"productRecallNotes":null,"productOtherInfo":null,"backorderETA":null,"modifiedDate":null,"userLevel":"COS","displayPrice":null,"baseProductName":null,"firstVariantCode":null,"firstVariantImage":null,"productMarketType":null,"productNumber":null,"typeStatusCode":null,"productCategory":null,"typeNumber":null,"marketCode":null,"regionCode":null,"otherInformation":null,"productTypeStatus":null,"repairInstruction":null,"repairInstructionStatusDescription":null,"typeStatusDate":null,"serviceLifeDate":null,"manufacturerId":null,"parts":null,"language":null,"glossaries":null,"brand":null,"product":null,"brandCode":null,"recallNotes":null,"volume":null},{"code":"P137729-CM","name":null,"url":"/c//p/P137729-CM","description":"SCREW THD ROLL 1/4-20 X 5/8","purchasable":true,"stock":{"stockLevelStatus":{"code":"inStock","type":"StockLevelStatus"},"stockLevel":0,"stockThreshold":null},"futureStocks":null,"availableForPickup":null,"averageRating":null,"numberOfReviews":null,"summary":null,"manufacturer":null,"variantType":null,"price":{"currencyIso":"USD","value":2.51,"priceType":"BUY","formattedValue":"$2.51","minQuantity":null,"maxQuantity":null,"sapUnit":{"code":"pieces","name":"Piece"}},"baseProduct":null,"images":[],"categories":null,"reviews":null,"classifications":null,"potentialPromotions":null,"variantOptions":null,"baseOptions":[],"volumePricesFlag":null,"volumePrices":null,"productReferences":null,"variantMatrix":null,"priceRange":null,"firstCategoryNameList":null,"multidimensional":null,"configurable":false,"configuratorType":null,"addToCartDisabled":null,"addToCartDisabledMessage":null,"tags":null,"sapUnit":null,"keywords":null,"genders":null,"itemtype":"Part","partSubstitute":null,"note":null,"recallNote":null,"note1":null,"note2":null,"note3":null,"note4":null,"note5":null,"pdfAllUser":null,"pdfAuthUser":null,"pdfCOSUser":null,"vaiantRelatedPartList":null,"partHotspotList":null,"itemNumber":null,"partRelatedVariantList":null,"bomCode":2,"totalValue":null,"searchImage":null,"length":null,"width":null,"height":null,"unitOfDimension":null,"weight":null,"unitOfWeight":null,"specialRouting":false,"onlineRepair":null,"previousPartID":null,"sbdDiscountPriceValue":{"currencyIso":"USD","value":2.51,"priceType":"BUY","formattedValue":"$2.51","minQuantity":null,"maxQuantity":null,"sapUnit":{"code":"pieces","name":"Piece"}},"alrCode":null,"productRecallFlag":null,"selectedDocumentId":null,"productDescription":null,"pdpImage":null,"ticketId":null,"qtyRequiredPerVariant":"1","isElgibleForRepair":null,"isPowerEligible":null,"productRecallNotes":null,"productOtherInfo":null,"backorderETA":"00/00/0000","modifiedDate":null,"userLevel":"COS","displayPrice":null,"baseProductName":null,"firstVariantCode":null,"firstVariantImage":null,"productMarketType":null,"productNumber":null,"typeStatusCode":null,"productCategory":null,"typeNumber":null,"marketCode":null,"regionCode":null,"otherInformation":null,"productTypeStatus":null,"repairInstruction":null,"repairInstructionStatusDescription":null,"typeStatusDate":null,"serviceLifeDate":null,"manufacturerId":null,"parts":null,"language":null,"glossaries":null,"brand":null,"product":null,"brandCode":null,"recallNotes":null,"volume":null},{"code":"P138017-CM","name":null,"url":"/c//p/P138017-CM","description":"BRACKET","purchasable":false,"stock":{"stockLevelStatus":{"code":"outOfStock","type":"StockLevelStatus"},"stockLevel":0,"stockThreshold":null},"futureStocks":null,"availableForPickup":null,"averageRating":null,"numberOfReviews":null,"summary":null,"manufacturer":null,"variantType":null,"price":null,"baseProduct":null,"images":[],"categories":null,"reviews":null,"classifications":null,"potentialPromotions":null,"variantOptions":null,"baseOptions":[],"volumePricesFlag":null,"volumePrices":null,"productReferences":null,"variantMatrix":null,"priceRange":null,"firstCategoryNameList":null,"multidimensional":null,"configurable":false,"configuratorType":null,"addToCartDisabled":null,"addToCartDisabledMessage":null,"tags":null,"sapUnit":null,"keywords":null,"genders":null,"itemtype":"Part","partSubstitute":"P71110616-CM","note":null,"recallNote":null,"note1":null,"note2":null,"note3":null,"note4":null,"note5":null,"pdfAllUser":null,"pdfAuthUser":null,"pdfCOSUser":null,"vaiantRelatedPartList":null,"partHotspotList":null,"itemNumber":null,"partRelatedVariantList":null,"bomCode":4,"totalValue":null,"searchImage":null,"length":null,"width":null,"height":null,"unitOfDimension":null,"weight":null,"unitOfWeight":null,"specialRouting":false,"onlineRepair":null,"previousPartID":null,"sbdDiscountPriceValue":null,"alrCode":null,"productRecallFlag":null,"selectedDocumentId":null,"productDescription":null,"pdpImage":null,"ticketId":null,"qtyRequiredPerVariant":"1","isElgibleForRepair":null,"isPowerEligible":null,"productRecallNotes":null,"productOtherInfo":null,"backorderETA":null,"modifiedDate":null,"userLevel":"COS","displayPrice":null,"baseProductName":null,"firstVariantCode":null,"firstVariantImage":null,"productMarketType":null,"productNumber":null,"typeStatusCode":null,"productCategory":null,"typeNumber":null,"marketCode":null,"regionCode":null,"otherInformation":null,"productTypeStatus":null,"repairInstruction":null,"repairInstructionStatusDescription":null,"typeStatusDate":null,"serviceLifeDate":null,"manufacturerId":null,"parts":null,"language":null,"glossaries":null,"brand":null,"product":null,"brandCode":null,"recallNotes":null,"volume":null},{"code":"P140547-CM","name":null,"url":"/c//p/P140547-CM","description":"DUCT.AIR.B&S","purchasable":false,"stock":{"stockLevelStatus":{"code":"outOfStock","type":"StockLevelStatus"},"stockLevel":0,"stockThreshold":null},"futureStocks":null,"availableForPickup":null,"averageRating":null,"numberOfReviews":null,"summary":null,"manufacturer":null,"variantType":null,"price":null,"baseProduct":null,"images":[],"categories":null,"reviews":null,"classifications":null,"potentialPromotions":null,"variantOptions":null,"baseOptions":[],"volumePricesFlag":null,"volumePrices":null,"productReferences":null,"variantMatrix":null,"priceRange":null,"firstCategoryNameList":null,"multidimensional":null,"configurable":false,"configuratorType":null,"addToCartDisabled":null,"addToCartDisabledMessage":null,"tags":null,"sapUnit":null,"keywords":null,"genders":null,"itemtype":"Part","partSubstitute":"P532140547-CM","note":null,"recallNote":null,"note1":null,"note2":null,"note3":null,"note4":null,"note5":null,"pdfAllUser":null,"pdfAuthUser":null,"pdfCOSUser":null,"vaiantRelatedPartList":null,"partHotspotList":null,"itemNumber":null,"partRelatedVariantList":null,"bomCode":4,"totalValue":null,"searchImage":null,"length":null,"width":null,"height":null,"unitOfDimension":null,"weight":null,"unitOfWeight":null,"specialRouting":false,"onlineRepair":null,"previousPartID":null,"sbdDiscountPriceValue":null,"alrCode":null,"productRecallFlag":null,"selectedDocumentId":null,"productDescription":null,"pdpImage":null,"ticketId":null,"qtyRequiredPerVariant":"1","isElgibleForRepair":null,"isPowerEligible":null,"productRecallNotes":null,"productOtherInfo":null,"backorderETA":null,"modifiedDate":null,"userLevel":"COS","displayPrice":null,"baseProductName":null,"firstVariantCode":null,"firstVariantImage":null,"productMarketType":null,"productNumber":null,"typeStatusCode":null,"productCategory":null,"typeNumber":null,"marketCode":null,"regionCode":null,"otherInformation":null,"productTypeStatus":null,"repairInstruction":null,"repairInstructionStatusDescription":null,"typeStatusDate":null,"serviceLifeDate":null,"manufacturerId":null,"parts":null,"language":null,"glossaries":null,"brand":null,"product":null,"brandCode":null,"recallNotes":null,"volume":null},{"code":"P142028-CM","name":null,"url":"/c//p/P142028-CM","description":"TRUNION ADJ","purchasable":false,"stock":{"stockLevelStatus":{"code":"outOfStock","type":"StockLevelStatus"},"stockLevel":0,"stockThreshold":null},"futureStocks":null,"availableForPickup":null,"averageRating":null,"numberOfReviews":null,"summary":null,"manufacturer":null,"variantType":null,"price":null,"baseProduct":null,"images":[],"categories":null,"reviews":null,"classifications":null,"potentialPromotions":null,"variantOptions":null,"baseOptions":[],"volumePricesFlag":null,"volumePrices":null,"productReferences":null,"variantMatrix":null,"priceRange":null,"firstCategoryNameList":null,"multidimensional":null,"configurable":false,"configuratorType":null,"addToCartDisabled":null,"addToCartDisabledMessage":null,"tags":null,"sapUnit":null,"keywords":null,"genders":null,"itemtype":"Part","partSubstitute":"P532123782-CM","note":null,"recallNote":null,"note1":null,"note2":null,"note3":null,"note4":null,"note5":null,"pdfAllUser":null,"pdfAuthUser":null,"pdfCOSUser":null,"vaiantRelatedPartList":null,"partHotspotList":null,"itemNumber":null,"partRelatedVariantList":null,"bomCode":4,"totalValue":null,"searchImage":null,"length":null,"width":null,"height":null,"unitOfDimension":null,"weight":null,"unitOfWeight":null,"specialRouting":false,"onlineRepair":null,"previousPartID":null,"sbdDiscountPriceValue":null,"alrCode":null,"productRecallFlag":null,"selectedDocumentId":null,"productDescription":null,"pdpImage":null,"ticketId":null,"qtyRequiredPerVariant":"1","isElgibleForRepair":null,"isPowerEligible":null,"productRecallNotes":null,"productOtherInfo":null,"backorderETA":null,"modifiedDate":null,"userLevel":"COS","displayPrice":null,"baseProductName":null,"firstVariantCode":null,"firstVariantImage":null,"productMarketType":null,"productNumber":null,"typeStatusCode":null,"productCategory":null,"typeNumber":null,"marketCode":null,"regionCode":null,"otherInformation":null,"productTypeStatus":null,"repairInstruction":null,"repairInstructionStatusDescription":null,"typeStatusDate":null,"serviceLifeDate":null,"manufacturerId":null,"parts":null,"language":null,"glossaries":null,"brand":null,"product":null,"brandCode":null,"recallNotes":null,"volume":null},{"code":"P145006-CM","name":null,"url":"/c//p/P145006-CM","description":"CLIP PUSH IN","purchasable":true,"stock":{"stockLevelStatus":{"code":"outOfStock","type":"StockLevelStatus"},"stockLevel":0,"stockThreshold":null},"futureStocks":null,"availableForPickup":null,"averageRating":null,"numberOfReviews":null,"summary":null,"manufacturer":null,"variantType":null,"price":{"currencyIso":"USD","value":2.63,"priceType":"BUY","formattedValue":"$2.63","minQuantity":null,"maxQuantity":null,"sapUnit":{"code":"pieces","name":"Piece"}},"baseProduct":null,"images":[],"categories":null,"reviews":null,"classifications":null,"potentialPromotions":null,"variantOptions":null,"baseOptions":[],"volumePricesFlag":null,"volumePrices":null,"productReferences":null,"variantMatrix":null,"priceRange":null,"firstCategoryNameList":null,"multidimensional":null,"configurable":false,"configuratorType":null,"addToCartDisabled":null,"addToCartDisabledMessage":null,"tags":null,"sapUnit":null,"keywords":null,"genders":null,"itemtype":"Part","partSubstitute":null,"note":null,"recallNote":null,"note1":null,"note2":null,"note3":null,"note4":null,"note5":null,"pdfAllUser":null,"pdfAuthUser":null,"pdfCOSUser":null,"vaiantRelatedPartList":null,"partHotspotList":null,"itemNumber":null,"partRelatedVariantList":null,"bomCode":2,"totalValue":null,"searchImage":null,"length":null,"width":null,"height":null,"unitOfDimension":null,"weight":null,"unitOfWeight":null,"specialRouting":false,"onlineRepair":null,"previousPartID":null,"sbdDiscountPriceValue":{"currencyIso":"USD","value":2.63,"priceType":"BUY","formattedValue":"$2.63","minQuantity":null,"maxQuantity":null,"sapUnit":{"code":"pieces","name":"Piece"}},"alrCode":null,"productRecallFlag":null,"selectedDocumentId":null,"productDescription":null,"pdpImage":null,"ticketId":null,"qtyRequiredPerVariant":"1","isElgibleForRepair":null,"isPowerEligible":null,"productRecallNotes":null,"productOtherInfo":null,"backorderETA":"00/00/0000","modifiedDate":null,"userLevel":"COS","displayPrice":null,"baseProductName":null,"firstVariantCode":null,"firstVariantImage":null,"productMarketType":null,"productNumber":null,"typeStatusCode":null,"productCategory":null,"typeNumber":null,"marketCode":null,"regionCode":null,"otherInformation":null,"productTypeStatus":null,"repairInstruction":null,"repairInstructionStatusDescription":null,"typeStatusDate":null,"serviceLifeDate":null,"manufacturerId":null,"parts":null,"language":null,"glossaries":null,"brand":null,"product":null,"brandCode":null,"recallNotes":null,"volume":null},{"code":"P145054X428-CM","name":null,"url":"/c//p/P145054X428-CM","description":"BOOT.STEERIN","purchasable":false,"stock":{"stockLevelStatus":{"code":"outOfStock","type":"StockLevelStatus"},"stockLevel":0,"stockThreshold":null},"futureStocks":null,"availableForPickup":null,"averageRating":null,"numberOfReviews":null,"summary":null,"manufacturer":null,"variantType":null,"price":null,"baseProduct":null,"images":[],"categories":null,"reviews":null,"classifications":null,"potentialPromotions":null,"variantOptions":null,"baseOptions":[],"volumePricesFlag":null,"volumePrices":null,"productReferences":null,"variantMatrix":null,"priceRange":null,"firstCategoryNameList":null,"multidimensional":null,"configurable":false,"configuratorType":null,"addToCartDisabled":null,"addToCartDisabledMessage":null,"tags":null,"sapUnit":null,"keywords":null,"genders":null,"itemtype":"Part","partSubstitute":"P532154336-CM","note":null,"recallNote":null,"note1":null,"note2":null,"note3":null,"note4":null,"note5":null,"pdfAllUser":null,"pdfAuthUser":null,"pdfCOSUser":null,"vaiantRelatedPartList":null,"partHotspotList":null,"itemNumber":null,"partRelatedVariantList":null,"bomCode":4,"totalValue":null,"searchImage":null,"length":null,"width":null,"height":null,"unitOfDimension":null,"weight":null,"unitOfWeight":null,"specialRouting":false,"onlineRepair":null,"previousPartID":null,"sbdDiscountPriceValue":null,"alrCode":null,"productRecallFlag":null,"selectedDocumentId":null,"productDescription":null,"pdpImage":null,"ticketId":null,"qtyRequiredPerVariant":"1","isElgibleForRepair":null,"isPowerEligible":null,"productRecallNotes":null,"productOtherInfo":null,"backorderETA":null,"modifiedDate":null,"userLevel":"COS","displayPrice":null,"baseProductName":null,"firstVariantCode":null,"firstVariantImage":null,"productMarketType":null,"productNumber":null,"typeStatusCode":null,"productCategory":null,"typeNumber":null,"marketCode":null,"regionCode":null,"otherInformation":null,"productTypeStatus":null,"repairInstruction":null,"repairInstructionStatusDescription":null,"typeStatusDate":null,"serviceLifeDate":null,"manufacturerId":null,"parts":null,"language":null,"glossaries":null,"brand":null,"product":null,"brandCode":null,"recallNotes":null,"volume":null},{"code":"P149723-CM","name":null,"url":"/c//p/P149723-CM","description":"ENGINE B&S","purchasable":true,"stock":{"stockLevelStatus":{"code":"inStock","type":"StockLevelStatus"},"stockLevel":0,"stockThreshold":null},"futureStocks":null,"availableForPickup":null,"averageRating":null,"numberOfReviews":null,"summary":null,"manufacturer":null,"variantType":null,"price":{"currencyIso":"USD","value":42.62,"priceType":"BUY","formattedValue":"$42.62","minQuantity":null,"maxQuantity":null,"sapUnit":{"code":"pieces","name":"Piece"}},"baseProduct":null,"images":[],"categories":null,"reviews":null,"classifications":null,"potentialPromotions":null,"variantOptions":null,"baseOptions":[],"volumePricesFlag":null,"volumePrices":null,"productReferences":null,"variantMatrix":null,"priceRange":null,"firstCategoryNameList":null,"multidimensional":null,"configurable":false,"configuratorType":null,"addToCartDisabled":null,"addToCartDisabledMessage":null,"tags":null,"sapUnit":null,"keywords":null,"genders":null,"itemtype":"Part","partSubstitute":null,"note":null,"recallNote":null,"note1":null,"note2":null,"note3":null,"note4":null,"note5":null,"pdfAllUser":null,"pdfAuthUser":null,"pdfCOSUser":null,"vaiantRelatedPartList":null,"partHotspotList":null,"itemNumber":null,"partRelatedVariantList":null,"bomCode":2,"totalValue":null,"searchImage":null,"length":null,"width":null,"height":null,"unitOfDimension":null,"weight":null,"unitOfWeight":null,"specialRouting":false,"onlineRepair":null,"previousPartID":null,"sbdDiscountPriceValue":{"currencyIso":"USD","value":42.62,"priceType":"BUY","formattedValue":"$42.62","minQuantity":null,"maxQuantity":null,"sapUnit":{"code":"pieces","name":"Piece"}},"alrCode":null,"productRecallFlag":null,"selectedDocumentId":null,"productDescription":null,"pdpImage":null,"ticketId":null,"qtyRequiredPerVariant":"1","isElgibleForRepair":null,"isPowerEligible":null,"productRecallNotes":null,"productOtherInfo":null,"backorderETA":"00/00/0000","modifiedDate":null,"userLevel":"COS","displayPrice":null,"baseProductName":null,"firstVariantCode":null,"firstVariantImage":null,"productMarketType":null,"productNumber":null,"typeStatusCode":null,"productCategory":null,"typeNumber":null,"marketCode":null,"regionCode":null,"otherInformation":null,"productTypeStatus":null,"repairInstruction":null,"repairInstructionStatusDescription":null,"typeStatusDate":null,"serviceLifeDate":null,"manufacturerId":null,"parts":null,"language":null,"glossaries":null,"brand":null,"product":null,"brandCode":null,"recallNotes":null,"volume":null},{"code":"P150360-CM","name":null,"url":"/c//p/P150360-CM","description":"NUT LOCK CENTER 1/4","purchasable":true,"stock":{"stockLevelStatus":{"code":"outOfStock","type":"StockLevelStatus"},"stockLevel":0,"stockThreshold":null},"futureStocks":null,"availableForPickup":null,"averageRating":null,"numberOfReviews":null,"summary":null,"manufacturer":null,"variantType":null,"price":{"currencyIso":"USD","value":2.42,"priceType":"BUY","formattedValue":"$2.42","minQuantity":null,"maxQuantity":null,"sapUnit":{"code":"pieces","name":"Piece"}},"baseProduct":null,"images":[],"categories":null,"reviews":null,"classifications":null,"potentialPromotions":null,"variantOptions":null,"baseOptions":[],"volumePricesFlag":null,"volumePrices":null,"productReferences":null,"variantMatrix":null,"priceRange":null,"firstCategoryNameList":null,"multidimensional":null,"configurable":false,"configuratorType":null,"addToCartDisabled":null,"addToCartDisabledMessage":null,"tags":null,"sapUnit":null,"keywords":null,"genders":null,"itemtype":"Part","partSubstitute":null,"note":null,"recallNote":null,"note1":null,"note2":null,"note3":null,"note4":null,"note5":null,"pdfAllUser":null,"pdfAuthUser":null,"pdfCOSUser":null,"vaiantRelatedPartList":null,"partHotspotList":null,"itemNumber":null,"partRelatedVariantList":null,"bomCode":2,"totalValue":null,"searchImage":null,"length":null,"width":null,"height":null,"unitOfDimension":null,"weight":null,"unitOfWeight":null,"specialRouting":false,"onlineRepair":null,"previousPartID":null,"sbdDiscountPriceValue":{"currencyIso":"USD","value":2.42,"priceType":"BUY","formattedValue":"$2.42","minQuantity":null,"maxQuantity":null,"sapUnit":{"code":"pieces","name":"Piece"}},"alrCode":null,"productRecallFlag":null,"selectedDocumentId":null,"productDescription":null,"pdpImage":null,"ticketId":null,"qtyRequiredPerVariant":"1","isElgibleForRepair":null,"isPowerEligible":null,"productRecallNotes":null,"productOtherInfo":null,"backorderETA":"00/00/0000","modifiedDate":null,"userLevel":"COS","displayPrice":null,"baseProductName":null,"firstVariantCode":null,"firstVariantImage":null,"productMarketType":null,"productNumber":null,"typeStatusCode":null,"productCategory":null,"typeNumber":null,"marketCode":null,"regionCode":null,"otherInformation":null,"productTypeStatus":null,"repairInstruction":null,"repairInstructionStatusDescription":null,"typeStatusDate":null,"serviceLifeDate":null,"manufacturerId":null,"parts":null,"language":null,"glossaries":null,"brand":null,"product":null,"brandCode":null,"recallNotes":null,"volume":null},{"code":"P153701-CM","name":null,"url":"/c//p/P153701-CM","description":"SPRING-CLUTC","purchasable":false,"stock":{"stockLevelStatus":{"code":"outOfStock","type":"StockLevelStatus"},"stockLevel":0,"stockThreshold":null},"futureStocks":null,"availableForPickup":null,"averageRating":null,"numberOfReviews":null,"summary":null,"manufacturer":null,"variantType":null,"price":null,"baseProduct":null,"images":[],"categories":null,"reviews":null,"classifications":null,"potentialPromotions":null,"variantOptions":null,"baseOptions":[],"volumePricesFlag":null,"volumePrices":null,"productReferences":null,"variantMatrix":null,"priceRange":null,"firstCategoryNameList":null,"multidimensional":null,"configurable":false,"configuratorType":null,"addToCartDisabled":null,"addToCartDisabledMessage":null,"tags":null,"sapUnit":null,"keywords":null,"genders":null,"itemtype":"Part","partSubstitute":"P582996301-CM","note":null,"recallNote":null,"note1":null,"note2":null,"note3":null,"note4":null,"note5":null,"pdfAllUser":null,"pdfAuthUser":null,"pdfCOSUser":null,"vaiantRelatedPartList":null,"partHotspotList":null,"itemNumber":null,"partRelatedVariantList":null,"bomCode":4,"totalValue":null,"searchImage":null,"length":null,"width":null,"height":null,"unitOfDimension":null,"weight":null,"unitOfWeight":null,"specialRouting":false,"onlineRepair":null,"previousPartID":null,"sbdDiscountPriceValue":null,"alrCode":null,"productRecallFlag":null,"selectedDocumentId":null,"productDescription":null,"pdpImage":null,"ticketId":null,"qtyRequiredPerVariant":"1","isElgibleForRepair":null,"isPowerEligible":null,"productRecallNotes":null,"productOtherInfo":null,"backorderETA":null,"modifiedDate":null,"userLevel":"COS","displayPrice":null,"baseProductName":null,"firstVariantCode":null,"firstVariantImage":null,"productMarketType":null,"productNumber":null,"typeStatusCode":null,"productCategory":null,"typeNumber":null,"marketCode":null,"regionCode":null,"otherInformation":null,"productTypeStatus":null,"repairInstruction":null,"repairInstructionStatusDescription":null,"typeStatusDate":null,"serviceLifeDate":null,"manufacturerId":null,"parts":null,"language":null,"glossaries":null,"brand":null,"product":null,"brandCode":null,"recallNotes":null,"volume":null},{"code":"P154404-CM","name":null,"url":"/c//p/P154404-CM","description":"BEARING-ARM-","purchasable":false,"stock":{"stockLevelStatus":{"code":"outOfStock","type":"StockLevelStatus"},"stockLevel":0,"stockThreshold":null},"futureStocks":null,"availableForPickup":null,"averageRating":null,"numberOfReviews":null,"summary":null,"manufacturer":null,"variantType":null,"price":null,"baseProduct":null,"images":[],"categories":null,"reviews":null,"classifications":null,"potentialPromotions":null,"variantOptions":null,"baseOptions":[],"volumePricesFlag":null,"volumePrices":null,"productReferences":null,"variantMatrix":null,"priceRange":null,"firstCategoryNameList":null,"multidimensional":null,"configurable":false,"configuratorType":null,"addToCartDisabled":null,"addToCartDisabledMessage":null,"tags":null,"sapUnit":null,"keywords":null,"genders":null,"itemtype":"Part","partSubstitute":"P532154778-CM","note":null,"recallNote":null,"note1":null,"note2":null,"note3":null,"note4":null,"note5":null,"pdfAllUser":null,"pdfAuthUser":null,"pdfCOSUser":null,"vaiantRelatedPartList":null,"partHotspotList":null,"itemNumber":null,"partRelatedVariantList":null,"bomCode":4,"totalValue":null,"searchImage":null,"length":null,"width":null,"height":null,"unitOfDimension":null,"weight":null,"unitOfWeight":null,"specialRouting":false,"onlineRepair":null,"previousPartID":null,"sbdDiscountPriceValue":null,"alrCode":null,"productRecallFlag":null,"selectedDocumentId":null,"productDescription":null,"pdpImage":null,"ticketId":null,"qtyRequiredPerVariant":"1","isElgibleForRepair":null,"isPowerEligible":null,"productRecallNotes":null,"productOtherInfo":null,"backorderETA":null,"modifiedDate":null,"userLevel":"COS","displayPrice":null,"baseProductName":null,"firstVariantCode":null,"firstVariantImage":null,"productMarketType":null,"productNumber":null,"typeStatusCode":null,"productCategory":null,"typeNumber":null,"marketCode":null,"regionCode":null,"otherInformation":null,"productTypeStatus":null,"repairInstruction":null,"repairInstructionStatusDescription":null,"typeStatusDate":null,"serviceLifeDate":null,"manufacturerId":null,"parts":null,"language":null,"glossaries":null,"brand":null,"product":null,"brandCode":null,"recallNotes":null,"volume":null},{"code":"P154407-CM","name":null,"url":"/c//p/P154407-CM","description":"BELLCRANK.CL","purchasable":false,"stock":{"stockLevelStatus":{"code":"outOfStock","type":"StockLevelStatus"},"stockLevel":0,"stockThreshold":null},"futureStocks":null,"availableForPickup":null,"averageRating":null,"numberOfReviews":null,"summary":null,"manufacturer":null,"variantType":null,"price":null,"baseProduct":null,"images":[],"categories":null,"reviews":null,"classifications":null,"potentialPromotions":null,"variantOptions":null,"baseOptions":[],"volumePricesFlag":null,"volumePrices":null,"productReferences":null,"variantMatrix":null,"priceRange":null,"firstCategoryNameList":null,"multidimensional":null,"configurable":false,"configuratorType":null,"addToCartDisabled":null,"addToCartDisabledMessage":null,"tags":null,"sapUnit":null,"keywords":null,"genders":null,"itemtype":"Part","partSubstitute":"P532154407-CM","note":null,"recallNote":null,"note1":null,"note2":null,"note3":null,"note4":null,"note5":null,"pdfAllUser":null,"pdfAuthUser":null,"pdfCOSUser":null,"vaiantRelatedPartList":null,"partHotspotList":null,"itemNumber":null,"partRelatedVariantList":null,"bomCode":4,"totalValue":null,"searchImage":null,"length":null,"width":null,"height":null,"unitOfDimension":null,"weight":null,"unitOfWeight":null,"specialRouting":false,"onlineRepair":null,"previousPartID":null,"sbdDiscountPriceValue":null,"alrCode":null,"productRecallFlag":null,"selectedDocumentId":null,"productDescription":null,"pdpImage":null,"ticketId":null,"qtyRequiredPerVariant":"1","isElgibleForRepair":null,"isPowerEligible":null,"productRecallNotes":null,"productOtherInfo":null,"backorderETA":null,"modifiedDate":null,"userLevel":"COS","displayPrice":null,"baseProductName":null,"firstVariantCode":null,"firstVariantImage":null,"productMarketType":null,"productNumber":null,"typeStatusCode":null,"productCategory":null,"typeNumber":null,"marketCode":null,"regionCode":null,"otherInformation":null,"productTypeStatus":null,"repairInstruction":null,"repairInstructionStatusDescription":null,"typeStatusDate":null,"serviceLifeDate":null,"manufacturerId":null,"parts":null,"language":null,"glossaries":null,"brand":null,"product":null,"brandCode":null,"recallNotes":null,"volume":null},{"code":"P154779-CM","name":null,"url":"/c//p/P154779-CM","description":"BEARING-AXLE","purchasable":false,"stock":{"stockLevelStatus":{"code":"outOfStock","type":"StockLevelStatus"},"stockLevel":0,"stockThreshold":null},"futureStocks":null,"availableForPickup":null,"averageRating":null,"numberOfReviews":null,"summary":null,"manufacturer":null,"variantType":null,"price":null,"baseProduct":null,"images":[],"categories":null,"reviews":null,"classifications":null,"potentialPromotions":null,"variantOptions":null,"baseOptions":[],"volumePricesFlag":null,"volumePrices":null,"productReferences":null,"variantMatrix":null,"priceRange":null,"firstCategoryNameList":null,"multidimensional":null,"configurable":false,"configuratorType":null,"addToCartDisabled":null,"addToCartDisabledMessage":null,"tags":null,"sapUnit":null,"keywords":null,"genders":null,"itemtype":"Part","partSubstitute":null,"note":null,"recallNote":null,"note1":null,"note2":null,"note3":null,"note4":null,"note5":null,"pdfAllUser":null,"pdfAuthUser":null,"pdfCOSUser":null,"vaiantRelatedPartList":null,"partHotspotList":null,"itemNumber":null,"partRelatedVariantList":null,"bomCode":4,"totalValue":null,"searchImage":null,"length":null,"width":null,"height":null,"unitOfDimension":null,"weight":null,"unitOfWeight":null,"specialRouting":false,"onlineRepair":null,"previousPartID":null,"sbdDiscountPriceValue":null,"alrCode":null,"productRecallFlag":null,"selectedDocumentId":null,"productDescription":null,"pdpImage":null,"ticketId":null,"qtyRequiredPerVariant":"1","isElgibleForRepair":null,"isPowerEligible":null,"productRecallNotes":null,"productOtherInfo":null,"backorderETA":null,"modifiedDate":null,"userLevel":"COS","displayPrice":null,"baseProductName":null,"firstVariantCode":null,"firstVariantImage":null,"productMarketType":null,"productNumber":null,"typeStatusCode":null,"productCategory":null,"typeNumber":null,"marketCode":null,"regionCode":null,"otherInformation":null,"productTypeStatus":null,"repairInstruction":null,"repairInstructionStatusDescription":null,"typeStatusDate":null,"serviceLifeDate":null,"manufacturerId":null,"parts":null,"language":null,"glossaries":null,"brand":null,"product":null,"brandCode":null,"recallNotes":null,"volume":null},{"code":"P154780-CM","name":null,"url":"/c//p/P154780-CM","description":"SPACER-AXLE","purchasable":false,"stock":{"stockLevelStatus":{"code":"outOfStock","type":"StockLevelStatus"},"stockLevel":0,"stockThreshold":null},"futureStocks":null,"availableForPickup":null,"averageRating":null,"numberOfReviews":null,"summary":null,"manufacturer":null,"variantType":null,"price":null,"baseProduct":null,"images":[],"categories":null,"reviews":null,"classifications":null,"potentialPromotions":null,"variantOptions":null,"baseOptions":[],"volumePricesFlag":null,"volumePrices":null,"productReferences":null,"variantMatrix":null,"priceRange":null,"firstCategoryNameList":null,"multidimensional":null,"configurable":false,"configuratorType":null,"addToCartDisabled":null,"addToCartDisabledMessage":null,"tags":null,"sapUnit":null,"keywords":null,"genders":null,"itemtype":"Part","partSubstitute":"PSTDPART","note":null,"recallNote":null,"note1":null,"note2":null,"note3":null,"note4":null,"note5":null,"pdfAllUser":null,"pdfAuthUser":null,"pdfCOSUser":null,"vaiantRelatedPartList":null,"partHotspotList":null,"itemNumber":null,"partRelatedVariantList":null,"bomCode":4,"totalValue":null,"searchImage":null,"length":null,"width":null,"height":null,"unitOfDimension":null,"weight":null,"unitOfWeight":null,"specialRouting":false,"onlineRepair":null,"previousPartID":null,"sbdDiscountPriceValue":null,"alrCode":null,"productRecallFlag":null,"selectedDocumentId":null,"productDescription":null,"pdpImage":null,"ticketId":null,"qtyRequiredPerVariant":"1","isElgibleForRepair":null,"isPowerEligible":null,"productRecallNotes":null,"productOtherInfo":null,"backorderETA":null,"modifiedDate":null,"userLevel":"COS","displayPrice":null,"baseProductName":null,"firstVariantCode":null,"firstVariantImage":null,"productMarketType":null,"productNumber":null,"typeStatusCode":null,"productCategory":null,"typeNumber":null,"marketCode":null,"regionCode":null,"otherInformation":null,"productTypeStatus":null,"repairInstruction":null,"repairInstructionStatusDescription":null,"typeStatusDate":null,"serviceLifeDate":null,"manufacturerId":null,"parts":null,"language":null,"glossaries":null,"brand":null,"product":null,"brandCode":null,"recallNotes":null,"volume":null},{"code":"P155046-CM","name":null,"url":"/c//p/P155046-CM","description":"ARM-IDLER","purchasable":false,"stock":{"stockLevelStatus":{"code":"outOfStock","type":"StockLevelStatus"},"stockLevel":0,"stockThreshold":null},"futureStocks":null,"availableForPickup":null,"averageRating":null,"numberOfReviews":null,"summary":null,"manufacturer":null,"variantType":null,"price":null,"baseProduct":null,"images":[],"categories":null,"reviews":null,"classifications":null,"potentialPromotions":null,"variantOptions":null,"baseOptions":[],"volumePricesFlag":null,"volumePrices":null,"productReferences":null,"variantMatrix":null,"priceRange":null,"firstCategoryNameList":null,"multidimensional":null,"configurable":false,"configuratorType":null,"addToCartDisabled":null,"addToCartDisabledMessage":null,"tags":null,"sapUnit":null,"keywords":null,"genders":null,"itemtype":"Part","partSubstitute":"P105709X-CM","note":null,"recallNote":null,"note1":null,"note2":null,"note3":null,"note4":null,"note5":null,"pdfAllUser":null,"pdfAuthUser":null,"pdfCOSUser":null,"vaiantRelatedPartList":null,"partHotspotList":null,"itemNumber":null,"partRelatedVariantList":null,"bomCode":4,"totalValue":null,"searchImage":null,"length":null,"width":null,"height":null,"unitOfDimension":null,"weight":null,"unitOfWeight":null,"specialRouting":false,"onlineRepair":null,"previousPartID":null,"sbdDiscountPriceValue":null,"alrCode":null,"productRecallFlag":null,"selectedDocumentId":null,"productDescription":null,"pdpImage":null,"ticketId":null,"qtyRequiredPerVariant":"1","isElgibleForRepair":null,"isPowerEligible":null,"productRecallNotes":null,"productOtherInfo":null,"backorderETA":null,"modifiedDate":null,"userLevel":"COS","displayPrice":null,"baseProductName":null,"firstVariantCode":null,"firstVariantImage":null,"productMarketType":null,"productNumber":null,"typeStatusCode":null,"productCategory":null,"typeNumber":null,"marketCode":null,"regionCode":null,"otherInformation":null,"productTypeStatus":null,"repairInstruction":null,"repairInstructionStatusDescription":null,"typeStatusDate":null,"serviceLifeDate":null,"manufacturerId":null,"parts":null,"language":null,"glossaries":null,"brand":null,"product":null,"brandCode":null,"recallNotes":null,"volume":null},{"code":"P155272-CM","name":null,"url":"/c//p/P155272-CM","description":"BUMPER HOOD-","purchasable":false,"stock":{"stockLevelStatus":{"code":"outOfStock","type":"StockLevelStatus"},"stockLevel":0,"stockThreshold":null},"futureStocks":null,"availableForPickup":null,"averageRating":null,"numberOfReviews":null,"summary":null,"manufacturer":null,"variantType":null,"price":null,"baseProduct":null,"images":[],"categories":null,"reviews":null,"classifications":null,"potentialPromotions":null,"variantOptions":null,"baseOptions":[],"volumePricesFlag":null,"volumePrices":null,"productReferences":null,"variantMatrix":null,"priceRange":null,"firstCategoryNameList":null,"multidimensional":null,"configurable":false,"configuratorType":null,"addToCartDisabled":null,"addToCartDisabledMessage":null,"tags":null,"sapUnit":null,"keywords":null,"genders":null,"itemtype":"Part","partSubstitute":"P583418201-CM","note":null,"recallNote":null,"note1":null,"note2":null,"note3":null,"note4":null,"note5":null,"pdfAllUser":null,"pdfAuthUser":null,"pdfCOSUser":null,"vaiantRelatedPartList":null,"partHotspotList":null,"itemNumber":null,"partRelatedVariantList":null,"bomCode":4,"totalValue":null,"searchImage":null,"length":null,"width":null,"height":null,"unitOfDimension":null,"weight":null,"unitOfWeight":null,"specialRouting":false,"onlineRepair":null,"previousPartID":null,"sbdDiscountPriceValue":null,"alrCode":null,"productRecallFlag":null,"selectedDocumentId":null,"productDescription":null,"pdpImage":null,"ticketId":null,"qtyRequiredPerVariant":"1","isElgibleForRepair":null,"isPowerEligible":null,"productRecallNotes":null,"productOtherInfo":null,"backorderETA":null,"modifiedDate":null,"userLevel":"COS","displayPrice":null,"baseProductName":null,"firstVariantCode":null,"firstVariantImage":null,"productMarketType":null,"productNumber":null,"typeStatusCode":null,"productCategory":null,"typeNumber":null,"marketCode":null,"regionCode":null,"otherInformation":null,"productTypeStatus":null,"repairInstruction":null,"repairInstructionStatusDescription":null,"typeStatusDate":null,"serviceLifeDate":null,"manufacturerId":null,"parts":null,"language":null,"glossaries":null,"brand":null,"product":null,"brandCode":null,"recallNotes":null,"volume":null},{"code":"P156084-CM","name":null,"url":"/c//p/P156084-CM","description":"KEEPER-BELT-","purchasable":false,"stock":{"stockLevelStatus":{"code":"outOfStock","type":"StockLevelStatus"},"stockLevel":0,"stockThreshold":null},"futureStocks":null,"availableForPickup":null,"averageRating":null,"numberOfReviews":null,"summary":null,"manufacturer":null,"variantType":null,"price":null,"baseProduct":null,"images":[],"categories":null,"reviews":null,"classifications":null,"potentialPromotions":null,"variantOptions":null,"baseOptions":[],"volumePricesFlag":null,"volumePrices":null,"productReferences":null,"variantMatrix":null,"priceRange":null,"firstCategoryNameList":null,"multidimensional":null,"configurable":false,"configuratorType":null,"addToCartDisabled":null,"addToCartDisabledMessage":null,"tags":null,"sapUnit":null,"keywords":null,"genders":null,"itemtype":"Part","partSubstitute":"P532156084-CM","note":null,"recallNote":null,"note1":null,"note2":null,"note3":null,"note4":null,"note5":null,"pdfAllUser":null,"pdfAuthUser":null,"pdfCOSUser":null,"vaiantRelatedPartList":null,"partHotspotList":null,"itemNumber":null,"partRelatedVariantList":null,"bomCode":4,"totalValue":null,"searchImage":null,"length":null,"width":null,"height":null,"unitOfDimension":null,"weight":null,"unitOfWeight":null,"specialRouting":false,"onlineRepair":null,"previousPartID":null,"sbdDiscountPriceValue":null,"alrCode":null,"productRecallFlag":null,"selectedDocumentId":null,"productDescription":null,"pdpImage":null,"ticketId":null,"qtyRequiredPerVariant":"1","isElgibleForRepair":null,"isPowerEligible":null,"productRecallNotes":null,"productOtherInfo":null,"backorderETA":null,"modifiedDate":null,"userLevel":"COS","displayPrice":null,"baseProductName":null,"firstVariantCode":null,"firstVariantImage":null,"productMarketType":null,"productNumber":null,"typeStatusCode":null,"productCategory":null,"typeNumber":null,"marketCode":null,"regionCode":null,"otherInformation":null,"productTypeStatus":null,"repairInstruction":null,"repairInstructionStatusDescription":null,"typeStatusDate":null,"serviceLifeDate":null,"manufacturerId":null,"parts":null,"language":null,"glossaries":null,"brand":null,"product":null,"brandCode":null,"recallNotes":null,"volume":null},{"code":"P156546-CM","name":null,"url":"/c//p/P156546-CM","description":"SHAFT ASM-ST","purchasable":false,"stock":{"stockLevelStatus":{"code":"outOfStock","type":"StockLevelStatus"},"stockLevel":0,"stockThreshold":null},"futureStocks":null,"availableForPickup":null,"averageRating":null,"numberOfReviews":null,"summary":null,"manufacturer":null,"variantType":null,"price":null,"baseProduct":null,"images":[],"categories":null,"reviews":null,"classifications":null,"potentialPromotions":null,"variantOptions":null,"baseOptions":[],"volumePricesFlag":null,"volumePrices":null,"productReferences":null,"variantMatrix":null,"priceRange":null,"firstCategoryNameList":null,"multidimensional":null,"configurable":false,"configuratorType":null,"addToCartDisabled":null,"addToCartDisabledMessage":null,"tags":null,"sapUnit":null,"keywords":null,"genders":null,"itemtype":"Part","partSubstitute":null,"note":null,"recallNote":null,"note1":null,"note2":null,"note3":null,"note4":null,"note5":null,"pdfAllUser":null,"pdfAuthUser":null,"pdfCOSUser":null,"vaiantRelatedPartList":null,"partHotspotList":null,"itemNumber":null,"partRelatedVariantList":null,"bomCode":4,"totalValue":null,"searchImage":null,"length":null,"width":null,"height":null,"unitOfDimension":null,"weight":null,"unitOfWeight":null,"specialRouting":false,"onlineRepair":null,"previousPartID":null,"sbdDiscountPriceValue":null,"alrCode":null,"productRecallFlag":null,"selectedDocumentId":null,"productDescription":null,"pdpImage":null,"ticketId":null,"qtyRequiredPerVariant":"1","isElgibleForRepair":null,"isPowerEligible":null,"productRecallNotes":null,"productOtherInfo":null,"backorderETA":null,"modifiedDate":null,"userLevel":"COS","displayPrice":null,"baseProductName":null,"firstVariantCode":null,"firstVariantImage":null,"productMarketType":null,"productNumber":null,"typeStatusCode":null,"productCategory":null,"typeNumber":null,"marketCode":null,"regionCode":null,"otherInformation":null,"productTypeStatus":null,"repairInstruction":null,"repairInstructionStatusDescription":null,"typeStatusDate":null,"serviceLifeDate":null,"manufacturerId":null,"parts":null,"language":null,"glossaries":null,"brand":null,"product":null,"brandCode":null,"recallNotes":null,"volume":null},{"code":"P160793-CM","name":null,"url":"/c//p/P160793-CM","description":"LATCH ASSY","purchasable":true,"stock":{"stockLevelStatus":{"code":"outOfStock","type":"StockLevelStatus"},"stockLevel":0,"stockThreshold":null},"futureStocks":null,"availableForPickup":null,"averageRating":null,"numberOfReviews":null,"summary":null,"manufacturer":null,"variantType":null,"price":{"currencyIso":"USD","value":7.34,"priceType":"BUY","formattedValue":"$7.34","minQuantity":null,"maxQuantity":null,"sapUnit":{"code":"pieces","name":"Piece"}},"baseProduct":null,"images":[],"categories":null,"reviews":null,"classifications":null,"potentialPromotions":null,"variantOptions":null,"baseOptions":[],"volumePricesFlag":null,"volumePrices":null,"productReferences":null,"variantMatrix":null,"priceRange":null,"firstCategoryNameList":null,"multidimensional":null,"configurable":false,"configuratorType":null,"addToCartDisabled":null,"addToCartDisabledMessage":null,"tags":null,"sapUnit":null,"keywords":null,"genders":null,"itemtype":"Part","partSubstitute":null,"note":null,"recallNote":null,"note1":null,"note2":null,"note3":null,"note4":null,"note5":null,"pdfAllUser":null,"pdfAuthUser":null,"pdfCOSUser":null,"vaiantRelatedPartList":null,"partHotspotList":null,"itemNumber":null,"partRelatedVariantList":null,"bomCode":2,"totalValue":null,"searchImage":null,"length":null,"width":null,"height":null,"unitOfDimension":null,"weight":null,"unitOfWeight":null,"specialRouting":false,"onlineRepair":null,"previousPartID":null,"sbdDiscountPriceValue":{"currencyIso":"USD","value":7.34,"priceType":"BUY","formattedValue":"$7.34","minQuantity":null,"maxQuantity":null,"sapUnit":{"code":"pieces","name":"Piece"}},"alrCode":null,"productRecallFlag":null,"selectedDocumentId":null,"productDescription":null,"pdpImage":null,"ticketId":null,"qtyRequiredPerVariant":"1","isElgibleForRepair":null,"isPowerEligible":null,"productRecallNotes":null,"productOtherInfo":null,"backorderETA":"00/00/0000","modifiedDate":null,"userLevel":"COS","displayPrice":null,"baseProductName":null,"firstVariantCode":null,"firstVariantImage":null,"productMarketType":null,"productNumber":null,"typeStatusCode":null,"productCategory":null,"typeNumber":null,"marketCode":null,"regionCode":null,"otherInformation":null,"productTypeStatus":null,"repairInstruction":null,"repairInstructionStatusDescription":null,"typeStatusDate":null,"serviceLifeDate":null,"manufacturerId":null,"parts":null,"language":null,"glossaries":null,"brand":null,"product":null,"brandCode":null,"recallNotes":null,"volume":null},{"code":"P161464-CM","name":null,"url":"/c//p/P161464-CM","description":"SCREW.HEX.WS","purchasable":false,"stock":{"stockLevelStatus":{"code":"outOfStock","type":"StockLevelStatus"},"stockLevel":0,"stockThreshold":null},"futureStocks":null,"availableForPickup":null,"averageRating":null,"numberOfReviews":null,"summary":null,"manufacturer":null,"variantType":null,"price":null,"baseProduct":null,"images":[],"categories":null,"reviews":null,"classifications":null,"potentialPromotions":null,"variantOptions":null,"baseOptions":[],"volumePricesFlag":null,"volumePrices":null,"productReferences":null,"variantMatrix":null,"priceRange":null,"firstCategoryNameList":null,"multidimensional":null,"configurable":false,"configuratorType":null,"addToCartDisabled":null,"addToCartDisabledMessage":null,"tags":null,"sapUnit":null,"keywords":null,"genders":null,"itemtype":"Part","partSubstitute":null,"note":null,"recallNote":null,"note1":null,"note2":null,"note3":null,"note4":null,"note5":null,"pdfAllUser":null,"pdfAuthUser":null,"pdfCOSUser":null,"vaiantRelatedPartList":null,"partHotspotList":null,"itemNumber":null,"partRelatedVariantList":null,"bomCode":2,"totalValue":null,"searchImage":null,"length":null,"width":null,"height":null,"unitOfDimension":null,"weight":null,"unitOfWeight":null,"specialRouting":false,"onlineRepair":null,"previousPartID":null,"sbdDiscountPriceValue":null,"alrCode":null,"productRecallFlag":null,"selectedDocumentId":null,"productDescription":null,"pdpImage":null,"ticketId":null,"qtyRequiredPerVariant":"1","isElgibleForRepair":null,"isPowerEligible":null,"productRecallNotes":null,"productOtherInfo":null,"backorderETA":null,"modifiedDate":null,"userLevel":"COS","displayPrice":null,"baseProductName":null,"firstVariantCode":null,"firstVariantImage":null,"productMarketType":null,"productNumber":null,"typeStatusCode":null,"productCategory":null,"typeNumber":null,"marketCode":null,"regionCode":null,"otherInformation":null,"productTypeStatus":null,"repairInstruction":null,"repairInstructionStatusDescription":null,"typeStatusDate":null,"serviceLifeDate":null,"manufacturerId":null,"parts":null,"language":null,"glossaries":null,"brand":null,"product":null,"brandCode":null,"recallNotes":null,"volume":null},{"code":"P165492-CM","name":null,"url":"/c//p/P165492-CM","description":"BOLT.SHOULDE","purchasable":false,"stock":{"stockLevelStatus":{"code":"outOfStock","type":"StockLevelStatus"},"stockLevel":0,"stockThreshold":null},"futureStocks":null,"availableForPickup":null,"averageRating":null,"numberOfReviews":null,"summary":null,"manufacturer":null,"variantType":null,"price":null,"baseProduct":null,"images":[],"categories":null,"reviews":null,"classifications":null,"potentialPromotions":null,"variantOptions":null,"baseOptions":[],"volumePricesFlag":null,"volumePrices":null,"productReferences":null,"variantMatrix":null,"priceRange":null,"firstCategoryNameList":null,"multidimensional":null,"configurable":false,"configuratorType":null,"addToCartDisabled":null,"addToCartDisabledMessage":null,"tags":null,"sapUnit":null,"keywords":null,"genders":null,"itemtype":"Part","partSubstitute":"P532165492-CM","note":null,"recallNote":null,"note1":null,"note2":null,"note3":null,"note4":null,"note5":null,"pdfAllUser":null,"pdfAuthUser":null,"pdfCOSUser":null,"vaiantRelatedPartList":null,"partHotspotList":null,"itemNumber":null,"partRelatedVariantList":null,"bomCode":4,"totalValue":null,"searchImage":null,"length":null,"width":null,"height":null,"unitOfDimension":null,"weight":null,"unitOfWeight":null,"specialRouting":false,"onlineRepair":null,"previousPartID":null,"sbdDiscountPriceValue":null,"alrCode":null,"productRecallFlag":null,"selectedDocumentId":null,"productDescription":null,"pdpImage":null,"ticketId":null,"qtyRequiredPerVariant":"1","isElgibleForRepair":null,"isPowerEligible":null,"productRecallNotes":null,"productOtherInfo":null,"backorderETA":null,"modifiedDate":null,"userLevel":"COS","displayPrice":null,"baseProductName":null,"firstVariantCode":null,"firstVariantImage":null,"productMarketType":null,"productNumber":null,"typeStatusCode":null,"productCategory":null,"typeNumber":null,"marketCode":null,"regionCode":null,"otherInformation":null,"productTypeStatus":null,"repairInstruction":null,"repairInstructionStatusDescription":null,"typeStatusDate":null,"serviceLifeDate":null,"manufacturerId":null,"parts":null,"language":null,"glossaries":null,"brand":null,"product":null,"brandCode":null,"recallNotes":null,"volume":null},{"code":"P165723-CM","name":null,"url":"/c//p/P165723-CM","description":"SPACER.RETAI","purchasable":false,"stock":{"stockLevelStatus":{"code":"outOfStock","type":"StockLevelStatus"},"stockLevel":0,"stockThreshold":null},"futureStocks":null,"availableForPickup":null,"averageRating":null,"numberOfReviews":null,"summary":null,"manufacturer":null,"variantType":null,"price":null,"baseProduct":null,"images":[],"categories":null,"reviews":null,"classifications":null,"potentialPromotions":null,"variantOptions":null,"baseOptions":[],"volumePricesFlag":null,"volumePrices":null,"productReferences":null,"variantMatrix":null,"priceRange":null,"firstCategoryNameList":null,"multidimensional":null,"configurable":false,"configuratorType":null,"addToCartDisabled":null,"addToCartDisabledMessage":null,"tags":null,"sapUnit":null,"keywords":null,"genders":null,"itemtype":"Part","partSubstitute":"P17060620-CM","note":null,"recallNote":null,"note1":null,"note2":null,"note3":null,"note4":null,"note5":null,"pdfAllUser":null,"pdfAuthUser":null,"pdfCOSUser":null,"vaiantRelatedPartList":null,"partHotspotList":null,"itemNumber":null,"partRelatedVariantList":null,"bomCode":6,"totalValue":null,"searchImage":null,"length":null,"width":null,"height":null,"unitOfDimension":null,"weight":null,"unitOfWeight":null,"specialRouting":false,"onlineRepair":null,"previousPartID":null,"sbdDiscountPriceValue":null,"alrCode":null,"productRecallFlag":null,"selectedDocumentId":null,"productDescription":null,"pdpImage":null,"ticketId":null,"qtyRequiredPerVariant":"1","isElgibleForRepair":null,"isPowerEligible":null,"productRecallNotes":null,"productOtherInfo":null,"backorderETA":null,"modifiedDate":null,"userLevel":"COS","displayPrice":null,"baseProductName":null,"firstVariantCode":null,"firstVariantImage":null,"productMarketType":null,"productNumber":null,"typeStatusCode":null,"productCategory":null,"typeNumber":null,"marketCode":null,"regionCode":null,"otherInformation":null,"productTypeStatus":null,"repairInstruction":null,"repairInstructionStatusDescription":null,"typeStatusDate":null,"serviceLifeDate":null,"manufacturerId":null,"parts":null,"language":null,"glossaries":null,"brand":null,"product":null,"brandCode":null,"recallNotes":null,"volume":null},{"code":"P166002-CM","name":null,"url":"/c//p/P166002-CM","description":"WASHER SRRTD. 5/16 I","purchasable":false,"stock":{"stockLevelStatus":{"code":"outOfStock","type":"StockLevelStatus"},"stockLevel":0,"stockThreshold":null},"futureStocks":null,"availableForPickup":null,"averageRating":null,"numberOfReviews":null,"summary":null,"manufacturer":null,"variantType":null,"price":null,"baseProduct":null,"images":[],"categories":null,"reviews":null,"classifications":null,"potentialPromotions":null,"variantOptions":null,"baseOptions":[],"volumePricesFlag":null,"volumePrices":null,"productReferences":null,"variantMatrix":null,"priceRange":null,"firstCategoryNameList":null,"multidimensional":null,"configurable":false,"configuratorType":null,"addToCartDisabled":null,"addToCartDisabledMessage":null,"tags":null,"sapUnit":null,"keywords":null,"genders":null,"itemtype":"Part","partSubstitute":"P532166002-CM","note":null,"recallNote":null,"note1":null,"note2":null,"note3":null,"note4":null,"note5":null,"pdfAllUser":null,"pdfAuthUser":null,"pdfCOSUser":null,"vaiantRelatedPartList":null,"partHotspotList":null,"itemNumber":null,"partRelatedVariantList":null,"bomCode":4,"totalValue":null,"searchImage":null,"length":null,"width":null,"height":null,"unitOfDimension":null,"weight":null,"unitOfWeight":null,"specialRouting":false,"onlineRepair":null,"previousPartID":null,"sbdDiscountPriceValue":null,"alrCode":null,"productRecallFlag":null,"selectedDocumentId":null,"productDescription":null,"pdpImage":null,"ticketId":null,"qtyRequiredPerVariant":"1","isElgibleForRepair":null,"isPowerEligible":null,"productRecallNotes":null,"productOtherInfo":null,"backorderETA":null,"modifiedDate":null,"userLevel":"COS","displayPrice":null,"baseProductName":null,"firstVariantCode":null,"firstVariantImage":null,"productMarketType":null,"productNumber":null,"typeStatusCode":null,"productCategory":null,"typeNumber":null,"marketCode":null,"regionCode":null,"otherInformation":null,"productTypeStatus":null,"repairInstruction":null,"repairInstructionStatusDescription":null,"typeStatusDate":null,"serviceLifeDate":null,"manufacturerId":null,"parts":null,"language":null,"glossaries":null,"brand":null,"product":null,"brandCode":null,"recallNotes":null,"volume":null},{"code":"P166231-CM","name":null,"url":"/c//p/P166231-CM","description":"LINK.TRANSAXLE.PMST/","purchasable":true,"stock":{"stockLevelStatus":{"code":"outOfStock","type":"StockLevelStatus"},"stockLevel":0,"stockThreshold":null},"futureStocks":null,"availableForPickup":null,"averageRating":null,"numberOfReviews":null,"summary":null,"manufacturer":null,"variantType":null,"price":{"currencyIso":"USD","value":36.23,"priceType":"BUY","formattedValue":"$36.23","minQuantity":null,"maxQuantity":null,"sapUnit":{"code":"pieces","name":"Piece"}},"baseProduct":null,"images":[],"categories":null,"reviews":null,"classifications":null,"potentialPromotions":null,"variantOptions":null,"baseOptions":[],"volumePricesFlag":null,"volumePrices":null,"productReferences":null,"variantMatrix":null,"priceRange":null,"firstCategoryNameList":null,"multidimensional":null,"configurable":false,"configuratorType":null,"addToCartDisabled":null,"addToCartDisabledMessage":null,"tags":null,"sapUnit":null,"keywords":null,"genders":null,"itemtype":"Part","partSubstitute":null,"note":null,"recallNote":null,"note1":null,"note2":null,"note3":null,"note4":null,"note5":null,"pdfAllUser":null,"pdfAuthUser":null,"pdfCOSUser":null,"vaiantRelatedPartList":null,"partHotspotList":null,"itemNumber":null,"partRelatedVariantList":null,"bomCode":2,"totalValue":null,"searchImage":null,"length":null,"width":null,"height":null,"unitOfDimension":null,"weight":null,"unitOfWeight":null,"specialRouting":false,"onlineRepair":null,"previousPartID":null,"sbdDiscountPriceValue":{"currencyIso":"USD","value":36.23,"priceType":"BUY","formattedValue":"$36.23","minQuantity":null,"maxQuantity":null,"sapUnit":{"code":"pieces","name":"Piece"}},"alrCode":null,"productRecallFlag":null,"selectedDocumentId":null,"productDescription":null,"pdpImage":null,"ticketId":null,"qtyRequiredPerVariant":"1","isElgibleForRepair":null,"isPowerEligible":null,"productRecallNotes":null,"productOtherInfo":null,"backorderETA":"00/00/0000","modifiedDate":null,"userLevel":"COS","displayPrice":null,"baseProductName":null,"firstVariantCode":null,"firstVariantImage":null,"productMarketType":null,"productNumber":null,"typeStatusCode":null,"productCategory":null,"typeNumber":null,"marketCode":null,"regionCode":null,"otherInformation":null,"productTypeStatus":null,"repairInstruction":null,"repairInstructionStatusDescription":null,"typeStatusDate":null,"serviceLifeDate":null,"manufacturerId":null,"parts":null,"language":null,"glossaries":null,"brand":null,"product":null,"brandCode":null,"recallNotes":null,"volume":null},{"code":"P167902-CM","name":null,"url":"/c//p/P167902-CM","description":"KIT.STEER.AS","purchasable":false,"stock":{"stockLevelStatus":{"code":"outOfStock","type":"StockLevelStatus"},"stockLevel":0,"stockThreshold":null},"futureStocks":null,"availableForPickup":null,"averageRating":null,"numberOfReviews":null,"summary":null,"manufacturer":null,"variantType":null,"price":null,"baseProduct":null,"images":[],"categories":null,"reviews":null,"classifications":null,"potentialPromotions":null,"variantOptions":null,"baseOptions":[],"volumePricesFlag":null,"volumePrices":null,"productReferences":null,"variantMatrix":null,"priceRange":null,"firstCategoryNameList":null,"multidimensional":null,"configurable":false,"configuratorType":null,"addToCartDisabled":null,"addToCartDisabledMessage":null,"tags":null,"sapUnit":null,"keywords":null,"genders":null,"itemtype":"Part","partSubstitute":"P532008883-CM","note":null,"recallNote":null,"note1":null,"note2":null,"note3":null,"note4":null,"note5":null,"pdfAllUser":null,"pdfAuthUser":null,"pdfCOSUser":null,"vaiantRelatedPartList":null,"partHotspotList":null,"itemNumber":null,"partRelatedVariantList":null,"bomCode":4,"totalValue":null,"searchImage":null,"length":null,"width":null,"height":null,"unitOfDimension":null,"weight":null,"unitOfWeight":null,"specialRouting":false,"onlineRepair":null,"previousPartID":null,"sbdDiscountPriceValue":null,"alrCode":null,"productRecallFlag":null,"selectedDocumentId":null,"productDescription":null,"pdpImage":null,"ticketId":null,"qtyRequiredPerVariant":"1","isElgibleForRepair":null,"isPowerEligible":null,"productRecallNotes":null,"productOtherInfo":null,"backorderETA":null,"modifiedDate":null,"userLevel":"COS","displayPrice":null,"baseProductName":null,"firstVariantCode":null,"firstVariantImage":null,"productMarketType":null,"productNumber":null,"typeStatusCode":null,"productCategory":null,"typeNumber":null,"marketCode":null,"regionCode":null,"otherInformation":null,"productTypeStatus":null,"repairInstruction":null,"repairInstructionStatusDescription":null,"typeStatusDate":null,"serviceLifeDate":null,"manufacturerId":null,"parts":null,"language":null,"glossaries":null,"brand":null,"product":null,"brandCode":null,"recallNotes":null,"volume":null},{"code":"P169691-CM","name":null,"url":"/c//p/P169691-CM","description":"KEEPER.BELT.","purchasable":false,"stock":{"stockLevelStatus":{"code":"outOfStock","type":"StockLevelStatus"},"stockLevel":0,"stockThreshold":null},"futureStocks":null,"availableForPickup":null,"averageRating":null,"numberOfReviews":null,"summary":null,"manufacturer":null,"variantType":null,"price":null,"baseProduct":null,"images":[],"categories":null,"reviews":null,"classifications":null,"potentialPromotions":null,"variantOptions":null,"baseOptions":[],"volumePricesFlag":null,"volumePrices":null,"productReferences":null,"variantMatrix":null,"priceRange":null,"firstCategoryNameList":null,"multidimensional":null,"configurable":false,"configuratorType":null,"addToCartDisabled":null,"addToCartDisabledMessage":null,"tags":null,"sapUnit":null,"keywords":null,"genders":null,"itemtype":"Part","partSubstitute":null,"note":null,"recallNote":null,"note1":null,"note2":null,"note3":null,"note4":null,"note5":null,"pdfAllUser":null,"pdfAuthUser":null,"pdfCOSUser":null,"vaiantRelatedPartList":null,"partHotspotList":null,"itemNumber":null,"partRelatedVariantList":null,"bomCode":4,"totalValue":null,"searchImage":null,"length":null,"width":null,"height":null,"unitOfDimension":null,"weight":null,"unitOfWeight":null,"specialRouting":false,"onlineRepair":null,"previousPartID":null,"sbdDiscountPriceValue":null,"alrCode":null,"productRecallFlag":null,"selectedDocumentId":null,"productDescription":null,"pdpImage":null,"ticketId":null,"qtyRequiredPerVariant":"1","isElgibleForRepair":null,"isPowerEligible":null,"productRecallNotes":null,"productOtherInfo":null,"backorderETA":null,"modifiedDate":null,"userLevel":"COS","displayPrice":null,"baseProductName":null,"firstVariantCode":null,"firstVariantImage":null,"productMarketType":null,"productNumber":null,"typeStatusCode":null,"productCategory":null,"typeNumber":null,"marketCode":null,"regionCode":null,"otherInformation":null,"productTypeStatus":null,"repairInstruction":null,"repairInstructionStatusDescription":null,"typeStatusDate":null,"serviceLifeDate":null,"manufacturerId":null,"parts":null,"language":null,"glossaries":null,"brand":null,"product":null,"brandCode":null,"recallNotes":null,"volume":null},{"code":"P17060620-CM","name":null,"url":"/c//p/P17060620-CM","description":"SCREW 3/8-16 X 1-1/4","purchasable":true,"stock":{"stockLevelStatus":{"code":"inStock","type":"StockLevelStatus"},"stockLevel":0,"stockThreshold":null},"futureStocks":null,"availableForPickup":null,"averageRating":null,"numberOfReviews":null,"summary":null,"manufacturer":null,"variantType":null,"price":{"currencyIso":"USD","value":3.1,"priceType":"BUY","formattedValue":"$3.10","minQuantity":null,"maxQuantity":null,"sapUnit":{"code":"pieces","name":"Piece"}},"baseProduct":null,"images":[],"categories":null,"reviews":null,"classifications":null,"potentialPromotions":null,"variantOptions":null,"baseOptions":[],"volumePricesFlag":null,"volumePrices":null,"productReferences":null,"variantMatrix":null,"priceRange":null,"firstCategoryNameList":null,"multidimensional":null,"configurable":false,"configuratorType":null,"addToCartDisabled":null,"addToCartDisabledMessage":null,"tags":null,"sapUnit":null,"keywords":null,"genders":null,"itemtype":"Part","partSubstitute":null,"note":null,"recallNote":null,"note1":null,"note2":null,"note3":null,"note4":null,"note5":null,"pdfAllUser":null,"pdfAuthUser":null,"pdfCOSUser":null,"vaiantRelatedPartList":null,"partHotspotList":null,"itemNumber":null,"partRelatedVariantList":null,"bomCode":2,"totalValue":null,"searchImage":null,"length":null,"width":null,"height":null,"unitOfDimension":null,"weight":null,"unitOfWeight":null,"specialRouting":false,"onlineRepair":null,"previousPartID":null,"sbdDiscountPriceValue":{"currencyIso":"USD","value":3.1,"priceType":"BUY","formattedValue":"$3.10","minQuantity":null,"maxQuantity":null,"sapUnit":{"code":"pieces","name":"Piece"}},"alrCode":null,"productRecallFlag":null,"selectedDocumentId":null,"productDescription":null,"pdpImage":null,"ticketId":null,"qtyRequiredPerVariant":"1","isElgibleForRepair":null,"isPowerEligible":null,"productRecallNotes":null,"productOtherInfo":null,"backorderETA":"00/00/0000","modifiedDate":null,"userLevel":"COS","displayPrice":null,"baseProductName":null,"firstVariantCode":null,"firstVariantImage":null,"productMarketType":null,"productNumber":null,"typeStatusCode":null,"productCategory":null,"typeNumber":null,"marketCode":null,"regionCode":null,"otherInformation":null,"productTypeStatus":null,"repairInstruction":null,"repairInstructionStatusDescription":null,"typeStatusDate":null,"serviceLifeDate":null,"manufacturerId":null,"parts":null,"language":null,"glossaries":null,"brand":null,"product":null,"brandCode":null,"recallNotes":null,"volume":null},{"code":"P17060624-CM","name":null,"url":"/c//p/P17060624-CM","description":"BOLTS","purchasable":false,"stock":{"stockLevelStatus":{"code":"outOfStock","type":"StockLevelStatus"},"stockLevel":0,"stockThreshold":null},"futureStocks":null,"availableForPickup":null,"averageRating":null,"numberOfReviews":null,"summary":null,"manufacturer":null,"variantType":null,"price":null,"baseProduct":null,"images":[],"categories":null,"reviews":null,"classifications":null,"potentialPromotions":null,"variantOptions":null,"baseOptions":[],"volumePricesFlag":null,"volumePrices":null,"productReferences":null,"variantMatrix":null,"priceRange":null,"firstCategoryNameList":null,"multidimensional":null,"configurable":false,"configuratorType":null,"addToCartDisabled":null,"addToCartDisabledMessage":null,"tags":null,"sapUnit":null,"keywords":null,"genders":null,"itemtype":"Part","partSubstitute":null,"note":null,"recallNote":null,"note1":null,"note2":null,"note3":null,"note4":null,"note5":null,"pdfAllUser":null,"pdfAuthUser":null,"pdfCOSUser":null,"vaiantRelatedPartList":null,"partHotspotList":null,"itemNumber":null,"partRelatedVariantList":null,"bomCode":4,"totalValue":null,"searchImage":null,"length":null,"width":null,"height":null,"unitOfDimension":null,"weight":null,"unitOfWeight":null,"specialRouting":false,"onlineRepair":null,"previousPartID":null,"sbdDiscountPriceValue":null,"alrCode":null,"productRecallFlag":null,"selectedDocumentId":null,"productDescription":null,"pdpImage":null,"ticketId":null,"qtyRequiredPerVariant":"1","isElgibleForRepair":null,"isPowerEligible":null,"productRecallNotes":null,"productOtherInfo":null,"backorderETA":null,"modifiedDate":null,"userLevel":"COS","displayPrice":null,"baseProductName":null,"firstVariantCode":null,"firstVariantImage":null,"productMarketType":null,"productNumber":null,"typeStatusCode":null,"productCategory":null,"typeNumber":null,"marketCode":null,"regionCode":null,"otherInformation":null,"productTypeStatus":null,"repairInstruction":null,"repairInstructionStatusDescription":null,"typeStatusDate":null,"serviceLifeDate":null,"manufacturerId":null,"parts":null,"language":null,"glossaries":null,"brand":null,"product":null,"brandCode":null,"recallNotes":null,"volume":null},{"code":"P173937-CM","name":null,"url":"/c//p/P173937-CM","description":"BOLT HEX 7/16-20 X 4 X GR. 5- 1.5","purchasable":false,"stock":{"stockLevelStatus":{"code":"outOfStock","type":"StockLevelStatus"},"stockLevel":0,"stockThreshold":null},"futureStocks":null,"availableForPickup":null,"averageRating":null,"numberOfReviews":null,"summary":null,"manufacturer":null,"variantType":null,"price":null,"baseProduct":null,"images":[],"categories":null,"reviews":null,"classifications":null,"potentialPromotions":null,"variantOptions":null,"baseOptions":[],"volumePricesFlag":null,"volumePrices":null,"productReferences":null,"variantMatrix":null,"priceRange":null,"firstCategoryNameList":null,"multidimensional":null,"configurable":false,"configuratorType":null,"addToCartDisabled":null,"addToCartDisabledMessage":null,"tags":null,"sapUnit":null,"keywords":null,"genders":null,"itemtype":"Part","partSubstitute":"P532173937-CM","note":null,"recallNote":null,"note1":null,"note2":null,"note3":null,"note4":null,"note5":null,"pdfAllUser":null,"pdfAuthUser":null,"pdfCOSUser":null,"vaiantRelatedPartList":null,"partHotspotList":null,"itemNumber":null,"partRelatedVariantList":null,"bomCode":4,"totalValue":null,"searchImage":null,"length":null,"width":null,"height":null,"unitOfDimension":null,"weight":null,"unitOfWeight":null,"specialRouting":false,"onlineRepair":null,"previousPartID":null,"sbdDiscountPriceValue":null,"alrCode":null,"productRecallFlag":null,"selectedDocumentId":null,"productDescription":null,"pdpImage":null,"ticketId":null,"qtyRequiredPerVariant":"1","isElgibleForRepair":null,"isPowerEligible":null,"productRecallNotes":null,"productOtherInfo":null,"backorderETA":null,"modifiedDate":null,"userLevel":"ALL","displayPrice":null,"baseProductName":null,"firstVariantCode":null,"firstVariantImage":null,"productMarketType":null,"productNumber":null,"typeStatusCode":null,"productCategory":null,"typeNumber":null,"marketCode":null,"regionCode":null,"otherInformation":null,"productTypeStatus":null,"repairInstruction":null,"repairInstructionStatusDescription":null,"typeStatusDate":null,"serviceLifeDate":null,"manufacturerId":null,"parts":null,"language":null,"glossaries":null,"brand":null,"product":null,"brandCode":null,"recallNotes":null,"volume":null},{"code":"P175582-CM","name":null,"url":"/c//p/P175582-CM","description":"BRKT.FOOTRES","purchasable":false,"stock":{"stockLevelStatus":{"code":"outOfStock","type":"StockLevelStatus"},"stockLevel":0,"stockThreshold":null},"futureStocks":null,"availableForPickup":null,"averageRating":null,"numberOfReviews":null,"summary":null,"manufacturer":null,"variantType":null,"price":null,"baseProduct":null,"images":[],"categories":null,"reviews":null,"classifications":null,"potentialPromotions":null,"variantOptions":null,"baseOptions":[],"volumePricesFlag":null,"volumePrices":null,"productReferences":null,"variantMatrix":null,"priceRange":null,"firstCategoryNameList":null,"multidimensional":null,"configurable":false,"configuratorType":null,"addToCartDisabled":null,"addToCartDisabledMessage":null,"tags":null,"sapUnit":null,"keywords":null,"genders":null,"itemtype":"Part","partSubstitute":"P532175582-CM","note":null,"recallNote":null,"note1":null,"note2":null,"note3":null,"note4":null,"note5":null,"pdfAllUser":null,"pdfAuthUser":null,"pdfCOSUser":null,"vaiantRelatedPartList":null,"partHotspotList":null,"itemNumber":null,"partRelatedVariantList":null,"bomCode":4,"totalValue":null,"searchImage":null,"length":null,"width":null,"height":null,"unitOfDimension":null,"weight":null,"unitOfWeight":null,"specialRouting":false,"onlineRepair":null,"previousPartID":null,"sbdDiscountPriceValue":null,"alrCode":null,"productRecallFlag":null,"selectedDocumentId":null,"productDescription":null,"pdpImage":null,"ticketId":null,"qtyRequiredPerVariant":"1","isElgibleForRepair":null,"isPowerEligible":null,"productRecallNotes":null,"productOtherInfo":null,"backorderETA":null,"modifiedDate":null,"userLevel":"COS","displayPrice":null,"baseProductName":null,"firstVariantCode":null,"firstVariantImage":null,"productMarketType":null,"productNumber":null,"typeStatusCode":null,"productCategory":null,"typeNumber":null,"marketCode":null,"regionCode":null,"otherInformation":null,"productTypeStatus":null,"repairInstruction":null,"repairInstructionStatusDescription":null,"typeStatusDate":null,"serviceLifeDate":null,"manufacturerId":null,"parts":null,"language":null,"glossaries":null,"brand":null,"product":null,"brandCode":null,"recallNotes":null,"volume":null},{"code":"P175689-CM","name":null,"url":"/c//p/P175689-CM","description":"TRUNNION..FR","purchasable":false,"stock":{"stockLevelStatus":{"code":"outOfStock","type":"StockLevelStatus"},"stockLevel":0,"stockThreshold":null},"futureStocks":null,"availableForPickup":null,"averageRating":null,"numberOfReviews":null,"summary":null,"manufacturer":null,"variantType":null,"price":null,"baseProduct":null,"images":[],"categories":null,"reviews":null,"classifications":null,"potentialPromotions":null,"variantOptions":null,"baseOptions":[],"volumePricesFlag":null,"volumePrices":null,"productReferences":null,"variantMatrix":null,"priceRange":null,"firstCategoryNameList":null,"multidimensional":null,"configurable":false,"configuratorType":null,"addToCartDisabled":null,"addToCartDisabledMessage":null,"tags":null,"sapUnit":null,"keywords":null,"genders":null,"itemtype":"Part","partSubstitute":"P532190753-CM","note":null,"recallNote":null,"note1":null,"note2":null,"note3":null,"note4":null,"note5":null,"pdfAllUser":null,"pdfAuthUser":null,"pdfCOSUser":null,"vaiantRelatedPartList":null,"partHotspotList":null,"itemNumber":null,"partRelatedVariantList":null,"bomCode":6,"totalValue":null,"searchImage":null,"length":null,"width":null,"height":null,"unitOfDimension":null,"weight":null,"unitOfWeight":null,"specialRouting":false,"onlineRepair":null,"previousPartID":null,"sbdDiscountPriceValue":null,"alrCode":null,"productRecallFlag":null,"selectedDocumentId":null,"productDescription":null,"pdpImage":null,"ticketId":null,"qtyRequiredPerVariant":"1","isElgibleForRepair":null,"isPowerEligible":null,"productRecallNotes":null,"productOtherInfo":null,"backorderETA":null,"modifiedDate":null,"userLevel":"COS","displayPrice":null,"baseProductName":null,"firstVariantCode":null,"firstVariantImage":null,"productMarketType":null,"productNumber":null,"typeStatusCode":null,"productCategory":null,"typeNumber":null,"marketCode":null,"regionCode":null,"otherInformation":null,"productTypeStatus":null,"repairInstruction":null,"repairInstructionStatusDescription":null,"typeStatusDate":null,"serviceLifeDate":null,"manufacturerId":null,"parts":null,"language":null,"glossaries":null,"brand":null,"product":null,"brandCode":null,"recallNotes":null,"volume":null},{"code":"P175702-CM","name":null,"url":"/c//p/P175702-CM","description":"PLATE","purchasable":false,"stock":{"stockLevelStatus":{"code":"outOfStock","type":"StockLevelStatus"},"stockLevel":0,"stockThreshold":null},"futureStocks":null,"availableForPickup":null,"averageRating":null,"numberOfReviews":null,"summary":null,"manufacturer":null,"variantType":null,"price":null,"baseProduct":null,"images":[],"categories":null,"reviews":null,"classifications":null,"potentialPromotions":null,"variantOptions":null,"baseOptions":[],"volumePricesFlag":null,"volumePrices":null,"productReferences":null,"variantMatrix":null,"priceRange":null,"firstCategoryNameList":null,"multidimensional":null,"configurable":false,"configuratorType":null,"addToCartDisabled":null,"addToCartDisabledMessage":null,"tags":null,"sapUnit":null,"keywords":null,"genders":null,"itemtype":"Part","partSubstitute":null,"note":null,"recallNote":null,"note1":null,"note2":null,"note3":null,"note4":null,"note5":null,"pdfAllUser":null,"pdfAuthUser":null,"pdfCOSUser":null,"vaiantRelatedPartList":null,"partHotspotList":null,"itemNumber":null,"partRelatedVariantList":null,"bomCode":4,"totalValue":null,"searchImage":null,"length":null,"width":null,"height":null,"unitOfDimension":null,"weight":null,"unitOfWeight":null,"specialRouting":false,"onlineRepair":null,"previousPartID":null,"sbdDiscountPriceValue":null,"alrCode":null,"productRecallFlag":null,"selectedDocumentId":null,"productDescription":null,"pdpImage":null,"ticketId":null,"qtyRequiredPerVariant":"1","isElgibleForRepair":null,"isPowerEligible":null,"productRecallNotes":null,"productOtherInfo":null,"backorderETA":null,"modifiedDate":null,"userLevel":"COS","displayPrice":null,"baseProductName":null,"firstVariantCode":null,"firstVariantImage":null,"productMarketType":null,"productNumber":null,"typeStatusCode":null,"productCategory":null,"typeNumber":null,"marketCode":null,"regionCode":null,"otherInformation":null,"productTypeStatus":null,"repairInstruction":null,"repairInstructionStatusDescription":null,"typeStatusDate":null,"serviceLifeDate":null,"manufacturerId":null,"parts":null,"language":null,"glossaries":null,"brand":null,"product":null,"brandCode":null,"recallNotes":null,"volume":null},{"code":"P177563-CM","name":null,"url":"/c//p/P177563-CM","description":"BRKT.DEFLECT","purchasable":false,"stock":{"stockLevelStatus":{"code":"outOfStock","type":"StockLevelStatus"},"stockLevel":0,"stockThreshold":null},"futureStocks":null,"availableForPickup":null,"averageRating":null,"numberOfReviews":null,"summary":null,"manufacturer":null,"variantType":null,"price":null,"baseProduct":null,"images":[],"categories":null,"reviews":null,"classifications":null,"potentialPromotions":null,"variantOptions":null,"baseOptions":[],"volumePricesFlag":null,"volumePrices":null,"productReferences":null,"variantMatrix":null,"priceRange":null,"firstCategoryNameList":null,"multidimensional":null,"configurable":false,"configuratorType":null,"addToCartDisabled":null,"addToCartDisabledMessage":null,"tags":null,"sapUnit":null,"keywords":null,"genders":null,"itemtype":"Part","partSubstitute":"P532177563-CM","note":null,"recallNote":null,"note1":null,"note2":null,"note3":null,"note4":null,"note5":null,"pdfAllUser":null,"pdfAuthUser":null,"pdfCOSUser":null,"vaiantRelatedPartList":null,"partHotspotList":null,"itemNumber":null,"partRelatedVariantList":null,"bomCode":4,"totalValue":null,"searchImage":null,"length":null,"width":null,"height":null,"unitOfDimension":null,"weight":null,"unitOfWeight":null,"specialRouting":false,"onlineRepair":null,"previousPartID":null,"sbdDiscountPriceValue":null,"alrCode":null,"productRecallFlag":null,"selectedDocumentId":null,"productDescription":null,"pdpImage":null,"ticketId":null,"qtyRequiredPerVariant":"1","isElgibleForRepair":null,"isPowerEligible":null,"productRecallNotes":null,"productOtherInfo":null,"backorderETA":null,"modifiedDate":null,"userLevel":"COS","displayPrice":null,"baseProductName":null,"firstVariantCode":null,"firstVariantImage":null,"productMarketType":null,"productNumber":null,"typeStatusCode":null,"productCategory":null,"typeNumber":null,"marketCode":null,"regionCode":null,"otherInformation":null,"productTypeStatus":null,"repairInstruction":null,"repairInstructionStatusDescription":null,"typeStatusDate":null,"serviceLifeDate":null,"manufacturerId":null,"parts":null,"language":null,"glossaries":null,"brand":null,"product":null,"brandCode":null,"recallNotes":null,"volume":null},{"code":"P178515-CM","name":null,"url":"/c//p/P178515-CM","description":"WASHER","purchasable":true,"stock":{"stockLevelStatus":{"code":"outOfStock","type":"StockLevelStatus"},"stockLevel":0,"stockThreshold":null},"futureStocks":null,"availableForPickup":null,"averageRating":null,"numberOfReviews":null,"summary":null,"manufacturer":null,"variantType":null,"price":{"currencyIso":"USD","value":2.63,"priceType":"BUY","formattedValue":"$2.63","minQuantity":null,"maxQuantity":null,"sapUnit":{"code":"pieces","name":"Piece"}},"baseProduct":null,"images":[],"categories":null,"reviews":null,"classifications":null,"potentialPromotions":null,"variantOptions":null,"baseOptions":[],"volumePricesFlag":null,"volumePrices":null,"productReferences":null,"variantMatrix":null,"priceRange":null,"firstCategoryNameList":null,"multidimensional":null,"configurable":false,"configuratorType":null,"addToCartDisabled":null,"addToCartDisabledMessage":null,"tags":null,"sapUnit":null,"keywords":null,"genders":null,"itemtype":"Part","partSubstitute":null,"note":null,"recallNote":null,"note1":null,"note2":null,"note3":null,"note4":null,"note5":null,"pdfAllUser":null,"pdfAuthUser":null,"pdfCOSUser":null,"vaiantRelatedPartList":null,"partHotspotList":null,"itemNumber":null,"partRelatedVariantList":null,"bomCode":2,"totalValue":null,"searchImage":null,"length":null,"width":null,"height":null,"unitOfDimension":null,"weight":null,"unitOfWeight":null,"specialRouting":false,"onlineRepair":null,"previousPartID":null,"sbdDiscountPriceValue":{"currencyIso":"USD","value":2.63,"priceType":"BUY","formattedValue":"$2.63","minQuantity":null,"maxQuantity":null,"sapUnit":{"code":"pieces","name":"Piece"}},"alrCode":null,"productRecallFlag":null,"selectedDocumentId":null,"productDescription":null,"pdpImage":null,"ticketId":null,"qtyRequiredPerVariant":"1","isElgibleForRepair":null,"isPowerEligible":null,"productRecallNotes":null,"productOtherInfo":null,"backorderETA":"00/00/0000","modifiedDate":null,"userLevel":"COS","displayPrice":null,"baseProductName":null,"firstVariantCode":null,"firstVariantImage":null,"productMarketType":null,"productNumber":null,"typeStatusCode":null,"productCategory":null,"typeNumber":null,"marketCode":null,"regionCode":null,"otherInformation":null,"productTypeStatus":null,"repairInstruction":null,"repairInstructionStatusDescription":null,"typeStatusDate":null,"serviceLifeDate":null,"manufacturerId":null,"parts":null,"language":null,"glossaries":null,"brand":null,"product":null,"brandCode":null,"recallNotes":null,"volume":null},{"code":"P183900-CM","name":null,"url":"/c//p/P183900-CM","description":"HUB.SHIFT","purchasable":false,"stock":{"stockLevelStatus":{"code":"outOfStock","type":"StockLevelStatus"},"stockLevel":0,"stockThreshold":null},"futureStocks":null,"availableForPickup":null,"averageRating":null,"numberOfReviews":null,"summary":null,"manufacturer":null,"variantType":null,"price":null,"baseProduct":null,"images":[],"categories":null,"reviews":null,"classifications":null,"potentialPromotions":null,"variantOptions":null,"baseOptions":[],"volumePricesFlag":null,"volumePrices":null,"productReferences":null,"variantMatrix":null,"priceRange":null,"firstCategoryNameList":null,"multidimensional":null,"configurable":false,"configuratorType":null,"addToCartDisabled":null,"addToCartDisabledMessage":null,"tags":null,"sapUnit":null,"keywords":null,"genders":null,"itemtype":"Part","partSubstitute":null,"note":null,"recallNote":null,"note1":null,"note2":null,"note3":null,"note4":null,"note5":null,"pdfAllUser":null,"pdfAuthUser":null,"pdfCOSUser":null,"vaiantRelatedPartList":null,"partHotspotList":null,"itemNumber":null,"partRelatedVariantList":null,"bomCode":4,"totalValue":null,"searchImage":null,"length":null,"width":null,"height":null,"unitOfDimension":null,"weight":null,"unitOfWeight":null,"specialRouting":false,"onlineRepair":null,"previousPartID":null,"sbdDiscountPriceValue":null,"alrCode":null,"productRecallFlag":null,"selectedDocumentId":null,"productDescription":null,"pdpImage":null,"ticketId":null,"qtyRequiredPerVariant":"1","isElgibleForRepair":null,"isPowerEligible":null,"productRecallNotes":null,"productOtherInfo":null,"backorderETA":null,"modifiedDate":null,"userLevel":"COS","displayPrice":null,"baseProductName":null,"firstVariantCode":null,"firstVariantImage":null,"productMarketType":null,"productNumber":null,"typeStatusCode":null,"productCategory":null,"typeNumber":null,"marketCode":null,"regionCode":null,"otherInformation":null,"productTypeStatus":null,"repairInstruction":null,"repairInstructionStatusDescription":null,"typeStatusDate":null,"serviceLifeDate":null,"manufacturerId":null,"parts":null,"language":null,"glossaries":null,"brand":null,"product":null,"brandCode":null,"recallNotes":null,"volume":null},{"code":"P184907-CM","name":null,"url":"/c//p/P184907-CM","description":"ARM.ASM.BRAK","purchasable":false,"stock":{"stockLevelStatus":{"code":"outOfStock","type":"StockLevelStatus"},"stockLevel":0,"stockThreshold":null},"futureStocks":null,"availableForPickup":null,"averageRating":null,"numberOfReviews":null,"summary":null,"manufacturer":null,"variantType":null,"price":null,"baseProduct":null,"images":[],"categories":null,"reviews":null,"classifications":null,"potentialPromotions":null,"variantOptions":null,"baseOptions":[],"volumePricesFlag":null,"volumePrices":null,"productReferences":null,"variantMatrix":null,"priceRange":null,"firstCategoryNameList":null,"multidimensional":null,"configurable":false,"configuratorType":null,"addToCartDisabled":null,"addToCartDisabledMessage":null,"tags":null,"sapUnit":null,"keywords":null,"genders":null,"itemtype":"Part","partSubstitute":"P532199652-CM","note":null,"recallNote":null,"note1":null,"note2":null,"note3":null,"note4":null,"note5":null,"pdfAllUser":null,"pdfAuthUser":null,"pdfCOSUser":null,"vaiantRelatedPartList":null,"partHotspotList":null,"itemNumber":null,"partRelatedVariantList":null,"bomCode":6,"totalValue":null,"searchImage":null,"length":null,"width":null,"height":null,"unitOfDimension":null,"weight":null,"unitOfWeight":null,"specialRouting":false,"onlineRepair":null,"previousPartID":null,"sbdDiscountPriceValue":null,"alrCode":null,"productRecallFlag":null,"selectedDocumentId":null,"productDescription":null,"pdpImage":null,"ticketId":null,"qtyRequiredPerVariant":"1","isElgibleForRepair":null,"isPowerEligible":null,"productRecallNotes":null,"productOtherInfo":null,"backorderETA":null,"modifiedDate":null,"userLevel":"COS","displayPrice":null,"baseProductName":null,"firstVariantCode":null,"firstVariantImage":null,"productMarketType":null,"productNumber":null,"typeStatusCode":null,"productCategory":null,"typeNumber":null,"marketCode":null,"regionCode":null,"otherInformation":null,"productTypeStatus":null,"repairInstruction":null,"repairInstructionStatusDescription":null,"typeStatusDate":null,"serviceLifeDate":null,"manufacturerId":null,"parts":null,"language":null,"glossaries":null,"brand":null,"product":null,"brandCode":null,"recallNotes":null,"volume":null},{"code":"P19091210-CM","name":null,"url":"/c//p/P19091210-CM","description":"WASHER 9/32 X 3/4 X","purchasable":true,"stock":{"stockLevelStatus":{"code":"outOfStock","type":"StockLevelStatus"},"stockLevel":0,"stockThreshold":null},"futureStocks":null,"availableForPickup":null,"averageRating":null,"numberOfReviews":null,"summary":null,"manufacturer":null,"variantType":null,"price":{"currencyIso":"USD","value":5.54,"priceType":"BUY","formattedValue":"$5.54","minQuantity":null,"maxQuantity":null,"sapUnit":{"code":"pieces","name":"Piece"}},"baseProduct":null,"images":[],"categories":null,"reviews":null,"classifications":null,"potentialPromotions":null,"variantOptions":null,"baseOptions":[],"volumePricesFlag":null,"volumePrices":null,"productReferences":null,"variantMatrix":null,"priceRange":null,"firstCategoryNameList":null,"multidimensional":null,"configurable":false,"configuratorType":null,"addToCartDisabled":null,"addToCartDisabledMessage":null,"tags":null,"sapUnit":null,"keywords":null,"genders":null,"itemtype":"Part","partSubstitute":null,"note":null,"recallNote":null,"note1":null,"note2":null,"note3":null,"note4":null,"note5":null,"pdfAllUser":null,"pdfAuthUser":null,"pdfCOSUser":null,"vaiantRelatedPartList":null,"partHotspotList":null,"itemNumber":null,"partRelatedVariantList":null,"bomCode":2,"totalValue":null,"searchImage":null,"length":null,"width":null,"height":null,"unitOfDimension":null,"weight":null,"unitOfWeight":null,"specialRouting":false,"onlineRepair":null,"previousPartID":null,"sbdDiscountPriceValue":{"currencyIso":"USD","value":5.54,"priceType":"BUY","formattedValue":"$5.54","minQuantity":null,"maxQuantity":null,"sapUnit":{"code":"pieces","name":"Piece"}},"alrCode":null,"productRecallFlag":null,"selectedDocumentId":null,"productDescription":null,"pdpImage":null,"ticketId":null,"qtyRequiredPerVariant":"1","isElgibleForRepair":null,"isPowerEligible":null,"productRecallNotes":null,"productOtherInfo":null,"backorderETA":"00/00/0000","modifiedDate":null,"userLevel":"COS","displayPrice":null,"baseProductName":null,"firstVariantCode":null,"firstVariantImage":null,"productMarketType":null,"productNumber":null,"typeStatusCode":null,"productCategory":null,"typeNumber":null,"marketCode":null,"regionCode":null,"otherInformation":null,"productTypeStatus":null,"repairInstruction":null,"repairInstructionStatusDescription":null,"typeStatusDate":null,"serviceLifeDate":null,"manufacturerId":null,"parts":null,"language":null,"glossaries":null,"brand":null,"product":null,"brandCode":null,"recallNotes":null,"volume":null},{"code":"P19131016-CM","name":null,"url":"/c//p/P19131016-CM","description":"WASHER","purchasable":false,"stock":{"stockLevelStatus":{"code":"outOfStock","type":"StockLevelStatus"},"stockLevel":0,"stockThreshold":null},"futureStocks":null,"availableForPickup":null,"averageRating":null,"numberOfReviews":null,"summary":null,"manufacturer":null,"variantType":null,"price":null,"baseProduct":null,"images":[],"categories":null,"reviews":null,"classifications":null,"potentialPromotions":null,"variantOptions":null,"baseOptions":[],"volumePricesFlag":null,"volumePrices":null,"productReferences":null,"variantMatrix":null,"priceRange":null,"firstCategoryNameList":null,"multidimensional":null,"configurable":false,"configuratorType":null,"addToCartDisabled":null,"addToCartDisabledMessage":null,"tags":null,"sapUnit":null,"keywords":null,"genders":null,"itemtype":"Part","partSubstitute":"P532004799-CM","note":null,"recallNote":null,"note1":null,"note2":null,"note3":null,"note4":null,"note5":null,"pdfAllUser":null,"pdfAuthUser":null,"pdfCOSUser":null,"vaiantRelatedPartList":null,"partHotspotList":null,"itemNumber":null,"partRelatedVariantList":null,"bomCode":4,"totalValue":null,"searchImage":null,"length":null,"width":null,"height":null,"unitOfDimension":null,"weight":null,"unitOfWeight":null,"specialRouting":false,"onlineRepair":null,"previousPartID":null,"sbdDiscountPriceValue":null,"alrCode":null,"productRecallFlag":null,"selectedDocumentId":null,"productDescription":null,"pdpImage":null,"ticketId":null,"qtyRequiredPerVariant":"1","isElgibleForRepair":null,"isPowerEligible":null,"productRecallNotes":null,"productOtherInfo":null,"backorderETA":null,"modifiedDate":null,"userLevel":"COS","displayPrice":null,"baseProductName":null,"firstVariantCode":null,"firstVariantImage":null,"productMarketType":null,"productNumber":null,"typeStatusCode":null,"productCategory":null,"typeNumber":null,"marketCode":null,"regionCode":null,"otherInformation":null,"productTypeStatus":null,"repairInstruction":null,"repairInstructionStatusDescription":null,"typeStatusDate":null,"serviceLifeDate":null,"manufacturerId":null,"parts":null,"language":null,"glossaries":null,"brand":null,"product":null,"brandCode":null,"recallNotes":null,"volume":null},{"code":"P19131610-CM","name":null,"url":"/c//p/P19131610-CM","description":"WASHER PM","purchasable":false,"stock":{"stockLevelStatus":{"code":"outOfStock","type":"StockLevelStatus"},"stockLevel":0,"stockThreshold":null},"futureStocks":null,"availableForPickup":null,"averageRating":null,"numberOfReviews":null,"summary":null,"manufacturer":null,"variantType":null,"price":null,"baseProduct":null,"images":[],"categories":null,"reviews":null,"classifications":null,"potentialPromotions":null,"variantOptions":null,"baseOptions":[],"volumePricesFlag":null,"volumePrices":null,"productReferences":null,"variantMatrix":null,"priceRange":null,"firstCategoryNameList":null,"multidimensional":null,"configurable":false,"configuratorType":null,"addToCartDisabled":null,"addToCartDisabledMessage":null,"tags":null,"sapUnit":null,"keywords":null,"genders":null,"itemtype":"Part","partSubstitute":"P532137352-CM","note":null,"recallNote":null,"note1":null,"note2":null,"note3":null,"note4":null,"note5":null,"pdfAllUser":null,"pdfAuthUser":null,"pdfCOSUser":null,"vaiantRelatedPartList":null,"partHotspotList":null,"itemNumber":null,"partRelatedVariantList":null,"bomCode":4,"totalValue":null,"searchImage":null,"length":null,"width":null,"height":null,"unitOfDimension":null,"weight":null,"unitOfWeight":null,"specialRouting":false,"onlineRepair":null,"previousPartID":null,"sbdDiscountPriceValue":null,"alrCode":null,"productRecallFlag":null,"selectedDocumentId":null,"productDescription":null,"pdpImage":null,"ticketId":null,"qtyRequiredPerVariant":"1","isElgibleForRepair":null,"isPowerEligible":null,"productRecallNotes":null,"productOtherInfo":null,"backorderETA":null,"modifiedDate":null,"userLevel":"COS","displayPrice":null,"baseProductName":null,"firstVariantCode":null,"firstVariantImage":null,"productMarketType":null,"productNumber":null,"typeStatusCode":null,"productCategory":null,"typeNumber":null,"marketCode":null,"regionCode":null,"otherInformation":null,"productTypeStatus":null,"repairInstruction":null,"repairInstructionStatusDescription":null,"typeStatusDate":null,"serviceLifeDate":null,"manufacturerId":null,"parts":null,"language":null,"glossaries":null,"brand":null,"product":null,"brandCode":null,"recallNotes":null,"volume":null},{"code":"P230-029-CM","name":null,"url":"/c//p/P230-029-CM","description":"BALL BEARING","purchasable":false,"stock":{"stockLevelStatus":{"code":"outOfStock","type":"StockLevelStatus"},"stockLevel":0,"stockThreshold":null},"futureStocks":null,"availableForPickup":null,"averageRating":null,"numberOfReviews":null,"summary":null,"manufacturer":null,"variantType":null,"price":null,"baseProduct":null,"images":[],"categories":null,"reviews":null,"classifications":null,"potentialPromotions":null,"variantOptions":null,"baseOptions":[],"volumePricesFlag":null,"volumePrices":null,"productReferences":null,"variantMatrix":null,"priceRange":null,"firstCategoryNameList":null,"multidimensional":null,"configurable":false,"configuratorType":null,"addToCartDisabled":null,"addToCartDisabledMessage":null,"tags":null,"sapUnit":null,"keywords":null,"genders":null,"itemtype":"Part","partSubstitute":null,"note":null,"recallNote":null,"note1":null,"note2":null,"note3":null,"note4":null,"note5":null,"pdfAllUser":null,"pdfAuthUser":null,"pdfCOSUser":null,"vaiantRelatedPartList":null,"partHotspotList":null,"itemNumber":null,"partRelatedVariantList":null,"bomCode":2,"totalValue":null,"searchImage":null,"length":null,"width":null,"height":null,"unitOfDimension":null,"weight":null,"unitOfWeight":null,"specialRouting":false,"onlineRepair":null,"previousPartID":null,"sbdDiscountPriceValue":null,"alrCode":null,"productRecallFlag":null,"selectedDocumentId":null,"productDescription":null,"pdpImage":null,"ticketId":null,"qtyRequiredPerVariant":"1","isElgibleForRepair":null,"isPowerEligible":null,"productRecallNotes":null,"productOtherInfo":null,"backorderETA":"00/00/0000","modifiedDate":null,"userLevel":"COS","displayPrice":null,"baseProductName":null,"firstVariantCode":null,"firstVariantImage":null,"productMarketType":null,"productNumber":null,"typeStatusCode":null,"productCategory":null,"typeNumber":null,"marketCode":null,"regionCode":null,"otherInformation":null,"productTypeStatus":null,"repairInstruction":null,"repairInstructionStatusDescription":null,"typeStatusDate":null,"serviceLifeDate":null,"manufacturerId":null,"parts":null,"language":null,"glossaries":null,"brand":null,"product":null,"brandCode":null,"recallNotes":null,"volume":null},{"code":"P428287-CM","name":null,"url":"/c//p/P428287-CM","description":"VALVE OIL DRAIN","purchasable":true,"stock":{"stockLevelStatus":{"code":"inStock","type":"StockLevelStatus"},"stockLevel":0,"stockThreshold":null},"futureStocks":null,"availableForPickup":null,"averageRating":null,"numberOfReviews":null,"summary":null,"manufacturer":null,"variantType":null,"price":{"currencyIso":"USD","value":11.18,"priceType":"BUY","formattedValue":"$11.18","minQuantity":null,"maxQuantity":null,"sapUnit":{"code":"pieces","name":"Piece"}},"baseProduct":null,"images":[],"categories":null,"reviews":null,"classifications":null,"potentialPromotions":null,"variantOptions":null,"baseOptions":[],"volumePricesFlag":null,"volumePrices":null,"productReferences":null,"variantMatrix":null,"priceRange":null,"firstCategoryNameList":null,"multidimensional":null,"configurable":false,"configuratorType":null,"addToCartDisabled":null,"addToCartDisabledMessage":null,"tags":null,"sapUnit":null,"keywords":null,"genders":null,"itemtype":"Part","partSubstitute":null,"note":null,"recallNote":null,"note1":null,"note2":null,"note3":null,"note4":null,"note5":null,"pdfAllUser":null,"pdfAuthUser":null,"pdfCOSUser":null,"vaiantRelatedPartList":null,"partHotspotList":null,"itemNumber":null,"partRelatedVariantList":null,"bomCode":2,"totalValue":null,"searchImage":null,"length":null,"width":null,"height":null,"unitOfDimension":null,"weight":null,"unitOfWeight":null,"specialRouting":false,"onlineRepair":null,"previousPartID":null,"sbdDiscountPriceValue":{"currencyIso":"USD","value":11.18,"priceType":"BUY","formattedValue":"$11.18","minQuantity":null,"maxQuantity":null,"sapUnit":{"code":"pieces","name":"Piece"}},"alrCode":null,"productRecallFlag":null,"selectedDocumentId":null,"productDescription":null,"pdpImage":null,"ticketId":null,"qtyRequiredPerVariant":"1","isElgibleForRepair":null,"isPowerEligible":null,"productRecallNotes":null,"productOtherInfo":null,"backorderETA":"00/00/0000","modifiedDate":null,"userLevel":"COS","displayPrice":null,"baseProductName":null,"firstVariantCode":null,"firstVariantImage":null,"productMarketType":null,"productNumber":null,"typeStatusCode":null,"productCategory":null,"typeNumber":null,"marketCode":null,"regionCode":null,"otherInformation":null,"productTypeStatus":null,"repairInstruction":null,"repairInstructionStatusDescription":null,"typeStatusDate":null,"serviceLifeDate":null,"manufacturerId":null,"parts":null,"language":null,"glossaries":null,"brand":null,"product":null,"brandCode":null,"recallNotes":null,"volume":null},{"code":"P437458-CM","name":null,"url":"/c//p/P437458-CM","description":"BRACKET.SHIF","purchasable":false,"stock":{"stockLevelStatus":{"code":"outOfStock","type":"StockLevelStatus"},"stockLevel":0,"stockThreshold":null},"futureStocks":null,"availableForPickup":null,"averageRating":null,"numberOfReviews":null,"summary":null,"manufacturer":null,"variantType":null,"price":null,"baseProduct":null,"images":[],"categories":null,"reviews":null,"classifications":null,"potentialPromotions":null,"variantOptions":null,"baseOptions":[],"volumePricesFlag":null,"volumePrices":null,"productReferences":null,"variantMatrix":null,"priceRange":null,"firstCategoryNameList":null,"multidimensional":null,"configurable":false,"configuratorType":null,"addToCartDisabled":null,"addToCartDisabledMessage":null,"tags":null,"sapUnit":null,"keywords":null,"genders":null,"itemtype":"Part","partSubstitute":"P532437458-CM","note":null,"recallNote":null,"note1":null,"note2":null,"note3":null,"note4":null,"note5":null,"pdfAllUser":null,"pdfAuthUser":null,"pdfCOSUser":null,"vaiantRelatedPartList":null,"partHotspotList":null,"itemNumber":null,"partRelatedVariantList":null,"bomCode":4,"totalValue":null,"searchImage":null,"length":null,"width":null,"height":null,"unitOfDimension":null,"weight":null,"unitOfWeight":null,"specialRouting":false,"onlineRepair":null,"previousPartID":null,"sbdDiscountPriceValue":null,"alrCode":null,"productRecallFlag":null,"selectedDocumentId":null,"productDescription":null,"pdpImage":null,"ticketId":null,"qtyRequiredPerVariant":"1","isElgibleForRepair":null,"isPowerEligible":null,"productRecallNotes":null,"productOtherInfo":null,"backorderETA":null,"modifiedDate":null,"userLevel":"COS","displayPrice":null,"baseProductName":null,"firstVariantCode":null,"firstVariantImage":null,"productMarketType":null,"productNumber":null,"typeStatusCode":null,"productCategory":null,"typeNumber":null,"marketCode":null,"regionCode":null,"otherInformation":null,"productTypeStatus":null,"repairInstruction":null,"repairInstructionStatusDescription":null,"typeStatusDate":null,"serviceLifeDate":null,"manufacturerId":null,"parts":null,"language":null,"glossaries":null,"brand":null,"product":null,"brandCode":null,"recallNotes":null,"volume":null},{"code":"P438250-CM","name":null,"url":"/c//p/P438250-CM","description":"BRACKET.PIVO","purchasable":false,"stock":{"stockLevelStatus":{"code":"outOfStock","type":"StockLevelStatus"},"stockLevel":0,"stockThreshold":null},"futureStocks":null,"availableForPickup":null,"averageRating":null,"numberOfReviews":null,"summary":null,"manufacturer":null,"variantType":null,"price":null,"baseProduct":null,"images":[],"categories":null,"reviews":null,"classifications":null,"potentialPromotions":null,"variantOptions":null,"baseOptions":[],"volumePricesFlag":null,"volumePrices":null,"productReferences":null,"variantMatrix":null,"priceRange":null,"firstCategoryNameList":null,"multidimensional":null,"configurable":false,"configuratorType":null,"addToCartDisabled":null,"addToCartDisabledMessage":null,"tags":null,"sapUnit":null,"keywords":null,"genders":null,"itemtype":"Part","partSubstitute":"P532438250-CM","note":null,"recallNote":null,"note1":null,"note2":null,"note3":null,"note4":null,"note5":null,"pdfAllUser":null,"pdfAuthUser":null,"pdfCOSUser":null,"vaiantRelatedPartList":null,"partHotspotList":null,"itemNumber":null,"partRelatedVariantList":null,"bomCode":4,"totalValue":null,"searchImage":null,"length":null,"width":null,"height":null,"unitOfDimension":null,"weight":null,"unitOfWeight":null,"specialRouting":false,"onlineRepair":null,"previousPartID":null,"sbdDiscountPriceValue":null,"alrCode":null,"productRecallFlag":null,"selectedDocumentId":null,"productDescription":null,"pdpImage":null,"ticketId":null,"qtyRequiredPerVariant":"1","isElgibleForRepair":null,"isPowerEligible":null,"productRecallNotes":null,"productOtherInfo":null,"backorderETA":null,"modifiedDate":null,"userLevel":"COS","displayPrice":null,"baseProductName":null,"firstVariantCode":null,"firstVariantImage":null,"productMarketType":null,"productNumber":null,"typeStatusCode":null,"productCategory":null,"typeNumber":null,"marketCode":null,"regionCode":null,"otherInformation":null,"productTypeStatus":null,"repairInstruction":null,"repairInstructionStatusDescription":null,"typeStatusDate":null,"serviceLifeDate":null,"manufacturerId":null,"parts":null,"language":null,"glossaries":null,"brand":null,"product":null,"brandCode":null,"recallNotes":null,"volume":null},{"code":"P4497H-CM","name":null,"url":"/c//p/P4497H-CM","description":"RETAINER","purchasable":false,"stock":{"stockLevelStatus":{"code":"outOfStock","type":"StockLevelStatus"},"stockLevel":0,"stockThreshold":null},"futureStocks":null,"availableForPickup":null,"averageRating":null,"numberOfReviews":null,"summary":null,"manufacturer":null,"variantType":null,"price":null,"baseProduct":null,"images":[],"categories":null,"reviews":null,"classifications":null,"potentialPromotions":null,"variantOptions":null,"baseOptions":[],"volumePricesFlag":null,"volumePrices":null,"productReferences":null,"variantMatrix":null,"priceRange":null,"firstCategoryNameList":null,"multidimensional":null,"configurable":false,"configuratorType":null,"addToCartDisabled":null,"addToCartDisabledMessage":null,"tags":null,"sapUnit":null,"keywords":null,"genders":null,"itemtype":"Part","partSubstitute":"PSTDPART","note":null,"recallNote":null,"note1":null,"note2":null,"note3":null,"note4":null,"note5":null,"pdfAllUser":null,"pdfAuthUser":null,"pdfCOSUser":null,"vaiantRelatedPartList":null,"partHotspotList":null,"itemNumber":null,"partRelatedVariantList":null,"bomCode":4,"totalValue":null,"searchImage":null,"length":null,"width":null,"height":null,"unitOfDimension":null,"weight":null,"unitOfWeight":null,"specialRouting":false,"onlineRepair":null,"previousPartID":null,"sbdDiscountPriceValue":null,"alrCode":null,"productRecallFlag":null,"selectedDocumentId":null,"productDescription":null,"pdpImage":null,"ticketId":null,"qtyRequiredPerVariant":"1","isElgibleForRepair":null,"isPowerEligible":null,"productRecallNotes":null,"productOtherInfo":null,"backorderETA":null,"modifiedDate":null,"userLevel":"COS","displayPrice":null,"baseProductName":null,"firstVariantCode":null,"firstVariantImage":null,"productMarketType":null,"productNumber":null,"typeStatusCode":null,"productCategory":null,"typeNumber":null,"marketCode":null,"regionCode":null,"otherInformation":null,"productTypeStatus":null,"repairInstruction":null,"repairInstructionStatusDescription":null,"typeStatusDate":null,"serviceLifeDate":null,"manufacturerId":null,"parts":null,"language":null,"glossaries":null,"brand":null,"product":null,"brandCode":null,"recallNotes":null,"volume":null},{"code":"P4497H-CM","name":null,"url":"/c//p/P4497H-CM","description":"RETAINER","purchasable":false,"stock":{"stockLevelStatus":{"code":"outOfStock","type":"StockLevelStatus"},"stockLevel":0,"stockThreshold":null},"futureStocks":null,"availableForPickup":null,"averageRating":null,"numberOfReviews":null,"summary":null,"manufacturer":null,"variantType":null,"price":null,"baseProduct":null,"images":[],"categories":null,"reviews":null,"classifications":null,"potentialPromotions":null,"variantOptions":null,"baseOptions":[],"volumePricesFlag":null,"volumePrices":null,"productReferences":null,"variantMatrix":null,"priceRange":null,"firstCategoryNameList":null,"multidimensional":null,"configurable":false,"configuratorType":null,"addToCartDisabled":null,"addToCartDisabledMessage":null,"tags":null,"sapUnit":null,"keywords":null,"genders":null,"itemtype":"Part","partSubstitute":"PSTDPART","note":null,"recallNote":null,"note1":null,"note2":null,"note3":null,"note4":null,"note5":null,"pdfAllUser":null,"pdfAuthUser":null,"pdfCOSUser":null,"vaiantRelatedPartList":null,"partHotspotList":null,"itemNumber":null,"partRelatedVariantList":null,"bomCode":4,"totalValue":null,"searchImage":null,"length":null,"width":null,"height":null,"unitOfDimension":null,"weight":null,"unitOfWeight":null,"specialRouting":false,"onlineRepair":null,"previousPartID":null,"sbdDiscountPriceValue":null,"alrCode":null,"productRecallFlag":null,"selectedDocumentId":null,"productDescription":null,"pdpImage":null,"ticketId":null,"qtyRequiredPerVariant":"1","isElgibleForRepair":null,"isPowerEligible":null,"productRecallNotes":null,"productOtherInfo":null,"backorderETA":null,"modifiedDate":null,"userLevel":"COS","displayPrice":null,"baseProductName":null,"firstVariantCode":null,"firstVariantImage":null,"productMarketType":null,"productNumber":null,"typeStatusCode":null,"productCategory":null,"typeNumber":null,"marketCode":null,"regionCode":null,"otherInformation":null,"productTypeStatus":null,"repairInstruction":null,"repairInstructionStatusDescription":null,"typeStatusDate":null,"serviceLifeDate":null,"manufacturerId":null,"parts":null,"language":null,"glossaries":null,"brand":null,"product":null,"brandCode":null,"recallNotes":null,"volume":null},{"code":"P504-00247-CM","name":null,"url":"/c//p/P504-00247-CM","description":"DECK DRIVE BELT","purchasable":false,"stock":{"stockLevelStatus":{"code":"outOfStock","type":"StockLevelStatus"},"stockLevel":0,"stockThreshold":null},"futureStocks":null,"availableForPickup":null,"averageRating":null,"numberOfReviews":null,"summary":null,"manufacturer":null,"variantType":null,"price":null,"baseProduct":null,"images":[],"categories":null,"reviews":null,"classifications":null,"potentialPromotions":null,"variantOptions":null,"baseOptions":[],"volumePricesFlag":null,"volumePrices":null,"productReferences":null,"variantMatrix":null,"priceRange":null,"firstCategoryNameList":null,"multidimensional":null,"configurable":false,"configuratorType":null,"addToCartDisabled":null,"addToCartDisabledMessage":null,"tags":null,"sapUnit":null,"keywords":null,"genders":null,"itemtype":"Part","partSubstitute":null,"note":null,"recallNote":null,"note1":null,"note2":null,"note3":null,"note4":null,"note5":null,"pdfAllUser":null,"pdfAuthUser":null,"pdfCOSUser":null,"vaiantRelatedPartList":null,"partHotspotList":null,"itemNumber":null,"partRelatedVariantList":null,"bomCode":6,"totalValue":null,"searchImage":null,"length":null,"width":null,"height":null,"unitOfDimension":null,"weight":null,"unitOfWeight":null,"specialRouting":false,"onlineRepair":null,"previousPartID":null,"sbdDiscountPriceValue":null,"alrCode":null,"productRecallFlag":null,"selectedDocumentId":null,"productDescription":null,"pdpImage":null,"ticketId":null,"qtyRequiredPerVariant":"1","isElgibleForRepair":null,"isPowerEligible":null,"productRecallNotes":null,"productOtherInfo":null,"backorderETA":"00/00/0000","modifiedDate":null,"userLevel":"ALL","displayPrice":null,"baseProductName":null,"firstVariantCode":null,"firstVariantImage":null,"productMarketType":null,"productNumber":null,"typeStatusCode":null,"productCategory":null,"typeNumber":null,"marketCode":null,"regionCode":null,"otherInformation":null,"productTypeStatus":null,"repairInstruction":null,"repairInstructionStatusDescription":null,"typeStatusDate":null,"serviceLifeDate":null,"manufacturerId":null,"parts":null,"language":null,"glossaries":null,"brand":null,"product":null,"brandCode":null,"recallNotes":null,"volume":null},{"code":"P504-00249-CM","name":null,"url":"/c//p/P504-00249-CM","description":"DECK DRIVE BELT","purchasable":false,"stock":{"stockLevelStatus":{"code":"outOfStock","type":"StockLevelStatus"},"stockLevel":0,"stockThreshold":null},"futureStocks":null,"availableForPickup":null,"averageRating":null,"numberOfReviews":null,"summary":null,"manufacturer":null,"variantType":null,"price":null,"baseProduct":null,"images":[],"categories":null,"reviews":null,"classifications":null,"potentialPromotions":null,"variantOptions":null,"baseOptions":[],"volumePricesFlag":null,"volumePrices":null,"productReferences":null,"variantMatrix":null,"priceRange":null,"firstCategoryNameList":null,"multidimensional":null,"configurable":false,"configuratorType":null,"addToCartDisabled":null,"addToCartDisabledMessage":null,"tags":null,"sapUnit":null,"keywords":null,"genders":null,"itemtype":"Part","partSubstitute":null,"note":null,"recallNote":null,"note1":null,"note2":null,"note3":null,"note4":null,"note5":null,"pdfAllUser":null,"pdfAuthUser":null,"pdfCOSUser":null,"vaiantRelatedPartList":null,"partHotspotList":null,"itemNumber":null,"partRelatedVariantList":null,"bomCode":6,"totalValue":null,"searchImage":null,"length":null,"width":null,"height":null,"unitOfDimension":null,"weight":null,"unitOfWeight":null,"specialRouting":false,"onlineRepair":null,"previousPartID":null,"sbdDiscountPriceValue":null,"alrCode":null,"productRecallFlag":null,"selectedDocumentId":null,"productDescription":null,"pdpImage":null,"ticketId":null,"qtyRequiredPerVariant":"1","isElgibleForRepair":null,"isPowerEligible":null,"productRecallNotes":null,"productOtherInfo":null,"backorderETA":"00/00/0000","modifiedDate":null,"userLevel":"ALL","displayPrice":null,"baseProductName":null,"firstVariantCode":null,"firstVariantImage":null,"productMarketType":null,"productNumber":null,"typeStatusCode":null,"productCategory":null,"typeNumber":null,"marketCode":null,"regionCode":null,"otherInformation":null,"productTypeStatus":null,"repairInstruction":null,"repairInstructionStatusDescription":null,"typeStatusDate":null,"serviceLifeDate":null,"manufacturerId":null,"parts":null,"language":null,"glossaries":null,"brand":null,"product":null,"brandCode":null,"recallNotes":null,"volume":null},{"code":"P504-00420-CM","name":null,"url":"/c//p/P504-00420-CM","description":"WHEEL ASSEMBLY","purchasable":true,"stock":{"stockLevelStatus":{"code":"inStock","type":"StockLevelStatus"},"stockLevel":0,"stockThreshold":null},"futureStocks":null,"availableForPickup":null,"averageRating":null,"numberOfReviews":null,"summary":null,"manufacturer":null,"variantType":null,"price":{"currencyIso":"USD","value":100.0,"priceType":"BUY","formattedValue":"$100.00","minQuantity":null,"maxQuantity":null,"sapUnit":{"code":"pieces","name":"Piece"}},"baseProduct":null,"images":[],"categories":null,"reviews":null,"classifications":null,"potentialPromotions":null,"variantOptions":null,"baseOptions":[],"volumePricesFlag":null,"volumePrices":null,"productReferences":null,"variantMatrix":null,"priceRange":null,"firstCategoryNameList":null,"multidimensional":null,"configurable":false,"configuratorType":null,"addToCartDisabled":null,"addToCartDisabledMessage":null,"tags":null,"sapUnit":null,"keywords":null,"genders":null,"itemtype":"Part","partSubstitute":null,"note":null,"recallNote":null,"note1":null,"note2":null,"note3":null,"note4":null,"note5":null,"pdfAllUser":null,"pdfAuthUser":null,"pdfCOSUser":null,"vaiantRelatedPartList":null,"partHotspotList":null,"itemNumber":null,"partRelatedVariantList":null,"bomCode":6,"totalValue":null,"searchImage":null,"length":null,"width":null,"height":null,"unitOfDimension":null,"weight":null,"unitOfWeight":null,"specialRouting":false,"onlineRepair":null,"previousPartID":null,"sbdDiscountPriceValue":{"currencyIso":"USD","value":100.0,"priceType":"BUY","formattedValue":"$100.00","minQuantity":null,"maxQuantity":null,"sapUnit":{"code":"pieces","name":"Piece"}},"alrCode":null,"productRecallFlag":null,"selectedDocumentId":null,"productDescription":null,"pdpImage":null,"ticketId":null,"qtyRequiredPerVariant":"1","isElgibleForRepair":null,"isPowerEligible":null,"productRecallNotes":null,"productOtherInfo":null,"backorderETA":"00/00/0000","modifiedDate":null,"userLevel":"ALL","displayPrice":null,"baseProductName":null,"firstVariantCode":null,"firstVariantImage":null,"productMarketType":null,"productNumber":null,"typeStatusCode":null,"productCategory":null,"typeNumber":null,"marketCode":null,"regionCode":null,"otherInformation":null,"productTypeStatus":null,"repairInstruction":null,"repairInstructionStatusDescription":null,"typeStatusDate":null,"serviceLifeDate":null,"manufacturerId":null,"parts":null,"language":null,"glossaries":null,"brand":null,"product":null,"brandCode":null,"recallNotes":null,"volume":null},{"code":"P504-00500-CM","name":null,"url":"/c//p/P504-00500-CM","description":"FLAT IDLER PULLEY","purchasable":false,"stock":{"stockLevelStatus":{"code":"outOfStock","type":"StockLevelStatus"},"stockLevel":0,"stockThreshold":null},"futureStocks":null,"availableForPickup":null,"averageRating":null,"numberOfReviews":null,"summary":null,"manufacturer":null,"variantType":null,"price":null,"baseProduct":null,"images":[],"categories":null,"reviews":null,"classifications":null,"potentialPromotions":null,"variantOptions":null,"baseOptions":[],"volumePricesFlag":null,"volumePrices":null,"productReferences":null,"variantMatrix":null,"priceRange":null,"firstCategoryNameList":null,"multidimensional":null,"configurable":false,"configuratorType":null,"addToCartDisabled":null,"addToCartDisabledMessage":null,"tags":null,"sapUnit":null,"keywords":null,"genders":null,"itemtype":"Part","partSubstitute":null,"note":null,"recallNote":null,"note1":null,"note2":null,"note3":null,"note4":null,"note5":null,"pdfAllUser":null,"pdfAuthUser":null,"pdfCOSUser":null,"vaiantRelatedPartList":null,"partHotspotList":null,"itemNumber":null,"partRelatedVariantList":null,"bomCode":6,"totalValue":null,"searchImage":null,"length":null,"width":null,"height":null,"unitOfDimension":null,"weight":null,"unitOfWeight":null,"specialRouting":false,"onlineRepair":null,"previousPartID":null,"sbdDiscountPriceValue":null,"alrCode":null,"productRecallFlag":null,"selectedDocumentId":null,"productDescription":null,"pdpImage":null,"ticketId":null,"qtyRequiredPerVariant":"1","isElgibleForRepair":null,"isPowerEligible":null,"productRecallNotes":null,"productOtherInfo":null,"backorderETA":"00/00/0000","modifiedDate":null,"userLevel":"ALL","displayPrice":null,"baseProductName":null,"firstVariantCode":null,"firstVariantImage":null,"productMarketType":null,"productNumber":null,"typeStatusCode":null,"productCategory":null,"typeNumber":null,"marketCode":null,"regionCode":null,"otherInformation":null,"productTypeStatus":null,"repairInstruction":null,"repairInstructionStatusDescription":null,"typeStatusDate":null,"serviceLifeDate":null,"manufacturerId":null,"parts":null,"language":null,"glossaries":null,"brand":null,"product":null,"brandCode":null,"recallNotes":null,"volume":null},{"code":"P504-00500-CM","name":null,"url":"/c//p/P504-00500-CM","description":"FLAT IDLER PULLEY","purchasable":false,"stock":{"stockLevelStatus":{"code":"outOfStock","type":"StockLevelStatus"},"stockLevel":0,"stockThreshold":null},"futureStocks":null,"availableForPickup":null,"averageRating":null,"numberOfReviews":null,"summary":null,"manufacturer":null,"variantType":null,"price":null,"baseProduct":null,"images":[],"categories":null,"reviews":null,"classifications":null,"potentialPromotions":null,"variantOptions":null,"baseOptions":[],"volumePricesFlag":null,"volumePrices":null,"productReferences":null,"variantMatrix":null,"priceRange":null,"firstCategoryNameList":null,"multidimensional":null,"configurable":false,"configuratorType":null,"addToCartDisabled":null,"addToCartDisabledMessage":null,"tags":null,"sapUnit":null,"keywords":null,"genders":null,"itemtype":"Part","partSubstitute":null,"note":null,"recallNote":null,"note1":null,"note2":null,"note3":null,"note4":null,"note5":null,"pdfAllUser":null,"pdfAuthUser":null,"pdfCOSUser":null,"vaiantRelatedPartList":null,"partHotspotList":null,"itemNumber":null,"partRelatedVariantList":null,"bomCode":6,"totalValue":null,"searchImage":null,"length":null,"width":null,"height":null,"unitOfDimension":null,"weight":null,"unitOfWeight":null,"specialRouting":false,"onlineRepair":null,"previousPartID":null,"sbdDiscountPriceValue":null,"alrCode":null,"productRecallFlag":null,"selectedDocumentId":null,"productDescription":null,"pdpImage":null,"ticketId":null,"qtyRequiredPerVariant":"1","isElgibleForRepair":null,"isPowerEligible":null,"productRecallNotes":null,"productOtherInfo":null,"backorderETA":"00/00/0000","modifiedDate":null,"userLevel":"ALL","displayPrice":null,"baseProductName":null,"firstVariantCode":null,"firstVariantImage":null,"productMarketType":null,"productNumber":null,"typeStatusCode":null,"productCategory":null,"typeNumber":null,"marketCode":null,"regionCode":null,"otherInformation":null,"productTypeStatus":null,"repairInstruction":null,"repairInstructionStatusDescription":null,"typeStatusDate":null,"serviceLifeDate":null,"manufacturerId":null,"parts":null,"language":null,"glossaries":null,"brand":null,"product":null,"brandCode":null,"recallNotes":null,"volume":null},{"code":"P532000278-CM","name":null,"url":"/c//p/P532000278-CM","description":"FITTING GREASE","purchasable":true,"stock":{"stockLevelStatus":{"code":"inStock","type":"StockLevelStatus"},"stockLevel":0,"stockThreshold":null},"futureStocks":null,"availableForPickup":null,"averageRating":null,"numberOfReviews":null,"summary":null,"manufacturer":null,"variantType":null,"price":{"currencyIso":"USD","value":2.64,"priceType":"BUY","formattedValue":"$2.64","minQuantity":null,"maxQuantity":null,"sapUnit":{"code":"pieces","name":"Piece"}},"baseProduct":null,"images":[],"categories":null,"reviews":null,"classifications":null,"potentialPromotions":null,"variantOptions":null,"baseOptions":[],"volumePricesFlag":null,"volumePrices":null,"productReferences":null,"variantMatrix":null,"priceRange":null,"firstCategoryNameList":null,"multidimensional":null,"configurable":false,"configuratorType":null,"addToCartDisabled":null,"addToCartDisabledMessage":null,"tags":null,"sapUnit":null,"keywords":null,"genders":null,"itemtype":"Part","partSubstitute":null,"note":null,"recallNote":null,"note1":null,"note2":null,"note3":null,"note4":null,"note5":null,"pdfAllUser":null,"pdfAuthUser":null,"pdfCOSUser":null,"vaiantRelatedPartList":null,"partHotspotList":null,"itemNumber":null,"partRelatedVariantList":null,"bomCode":2,"totalValue":null,"searchImage":null,"length":null,"width":null,"height":null,"unitOfDimension":null,"weight":null,"unitOfWeight":null,"specialRouting":false,"onlineRepair":null,"previousPartID":null,"sbdDiscountPriceValue":{"currencyIso":"USD","value":2.64,"priceType":"BUY","formattedValue":"$2.64","minQuantity":null,"maxQuantity":null,"sapUnit":{"code":"pieces","name":"Piece"}},"alrCode":null,"productRecallFlag":null,"selectedDocumentId":null,"productDescription":null,"pdpImage":null,"ticketId":null,"qtyRequiredPerVariant":"1","isElgibleForRepair":null,"isPowerEligible":null,"productRecallNotes":null,"productOtherInfo":null,"backorderETA":"00/00/0000","modifiedDate":null,"userLevel":"COS","displayPrice":null,"baseProductName":null,"firstVariantCode":null,"firstVariantImage":null,"productMarketType":null,"productNumber":null,"typeStatusCode":null,"productCategory":null,"typeNumber":null,"marketCode":null,"regionCode":null,"otherInformation":null,"productTypeStatus":null,"repairInstruction":null,"repairInstructionStatusDescription":null,"typeStatusDate":null,"serviceLifeDate":null,"manufacturerId":null,"parts":null,"language":null,"glossaries":null,"brand":null,"product":null,"brandCode":null,"recallNotes":null,"volume":null},{"code":"P532002029-CM","name":null,"url":"/c//p/P532002029-CM","description":"WELDNUT","purchasable":true,"stock":{"stockLevelStatus":{"code":"outOfStock","type":"StockLevelStatus"},"stockLevel":0,"stockThreshold":null},"futureStocks":null,"availableForPickup":null,"averageRating":null,"numberOfReviews":null,"summary":null,"manufacturer":null,"variantType":null,"price":{"currencyIso":"USD","value":2.66,"priceType":"BUY","formattedValue":"$2.66","minQuantity":null,"maxQuantity":null,"sapUnit":{"code":"pieces","name":"Piece"}},"baseProduct":null,"images":[],"categories":null,"reviews":null,"classifications":null,"potentialPromotions":null,"variantOptions":null,"baseOptions":[],"volumePricesFlag":null,"volumePrices":null,"productReferences":null,"variantMatrix":null,"priceRange":null,"firstCategoryNameList":null,"multidimensional":null,"configurable":false,"configuratorType":null,"addToCartDisabled":null,"addToCartDisabledMessage":null,"tags":null,"sapUnit":null,"keywords":null,"genders":null,"itemtype":"Part","partSubstitute":null,"note":null,"recallNote":null,"note1":null,"note2":null,"note3":null,"note4":null,"note5":null,"pdfAllUser":null,"pdfAuthUser":null,"pdfCOSUser":null,"vaiantRelatedPartList":null,"partHotspotList":null,"itemNumber":null,"partRelatedVariantList":null,"bomCode":2,"totalValue":null,"searchImage":null,"length":null,"width":null,"height":null,"unitOfDimension":null,"weight":null,"unitOfWeight":null,"specialRouting":false,"onlineRepair":null,"previousPartID":null,"sbdDiscountPriceValue":{"currencyIso":"USD","value":2.66,"priceType":"BUY","formattedValue":"$2.66","minQuantity":null,"maxQuantity":null,"sapUnit":{"code":"pieces","name":"Piece"}},"alrCode":null,"productRecallFlag":null,"selectedDocumentId":null,"productDescription":null,"pdpImage":null,"ticketId":null,"qtyRequiredPerVariant":"1","isElgibleForRepair":null,"isPowerEligible":null,"productRecallNotes":null,"productOtherInfo":null,"backorderETA":"00/00/0000","modifiedDate":null,"userLevel":"COS","displayPrice":null,"baseProductName":null,"firstVariantCode":null,"firstVariantImage":null,"productMarketType":null,"productNumber":null,"typeStatusCode":null,"productCategory":null,"typeNumber":null,"marketCode":null,"regionCode":null,"otherInformation":null,"productTypeStatus":null,"repairInstruction":null,"repairInstructionStatusDescription":null,"typeStatusDate":null,"serviceLifeDate":null,"manufacturerId":null,"parts":null,"language":null,"glossaries":null,"brand":null,"product":null,"brandCode":null,"recallNotes":null,"volume":null},{"code":"P532003366-CM","name":null,"url":"/c//p/P532003366-CM","description":"BRNG","purchasable":true,"stock":{"stockLevelStatus":{"code":"outOfStock","type":"StockLevelStatus"},"stockLevel":0,"stockThreshold":null},"futureStocks":null,"availableForPickup":null,"averageRating":null,"numberOfReviews":null,"summary":null,"manufacturer":null,"variantType":null,"price":{"currencyIso":"USD","value":2.09,"priceType":"BUY","formattedValue":"$2.09","minQuantity":null,"maxQuantity":null,"sapUnit":{"code":"pieces","name":"Piece"}},"baseProduct":null,"images":[],"categories":null,"reviews":null,"classifications":null,"potentialPromotions":null,"variantOptions":null,"baseOptions":[],"volumePricesFlag":null,"volumePrices":null,"productReferences":null,"variantMatrix":null,"priceRange":null,"firstCategoryNameList":null,"multidimensional":null,"configurable":false,"configuratorType":null,"addToCartDisabled":null,"addToCartDisabledMessage":null,"tags":null,"sapUnit":null,"keywords":null,"genders":null,"itemtype":"Part","partSubstitute":null,"note":null,"recallNote":null,"note1":null,"note2":null,"note3":null,"note4":null,"note5":null,"pdfAllUser":null,"pdfAuthUser":null,"pdfCOSUser":null,"vaiantRelatedPartList":null,"partHotspotList":null,"itemNumber":null,"partRelatedVariantList":null,"bomCode":2,"totalValue":null,"searchImage":null,"length":null,"width":null,"height":null,"unitOfDimension":null,"weight":null,"unitOfWeight":null,"specialRouting":false,"onlineRepair":null,"previousPartID":null,"sbdDiscountPriceValue":{"currencyIso":"USD","value":2.09,"priceType":"BUY","formattedValue":"$2.09","minQuantity":null,"maxQuantity":null,"sapUnit":{"code":"pieces","name":"Piece"}},"alrCode":null,"productRecallFlag":null,"selectedDocumentId":null,"productDescription":null,"pdpImage":null,"ticketId":null,"qtyRequiredPerVariant":"1","isElgibleForRepair":null,"isPowerEligible":null,"productRecallNotes":null,"productOtherInfo":null,"backorderETA":"00/00/0000","modifiedDate":null,"userLevel":"COS","displayPrice":null,"baseProductName":null,"firstVariantCode":null,"firstVariantImage":null,"productMarketType":null,"productNumber":null,"typeStatusCode":null,"productCategory":null,"typeNumber":null,"marketCode":null,"regionCode":null,"otherInformation":null,"productTypeStatus":null,"repairInstruction":null,"repairInstructionStatusDescription":null,"typeStatusDate":null,"serviceLifeDate":null,"manufacturerId":null,"parts":null,"language":null,"glossaries":null,"brand":null,"product":null,"brandCode":null,"recallNotes":null,"volume":null},{"code":"P532004898-CM","name":null,"url":"/c//p/P532004898-CM","description":"BOLT SHOULDER","purchasable":true,"stock":{"stockLevelStatus":{"code":"inStock","type":"StockLevelStatus"},"stockLevel":0,"stockThreshold":null},"futureStocks":null,"availableForPickup":null,"averageRating":null,"numberOfReviews":null,"summary":null,"manufacturer":null,"variantType":null,"price":{"currencyIso":"USD","value":1.59,"priceType":"BUY","formattedValue":"$1.59","minQuantity":null,"maxQuantity":null,"sapUnit":{"code":"pieces","name":"Piece"}},"baseProduct":null,"images":[],"categories":null,"reviews":null,"classifications":null,"potentialPromotions":null,"variantOptions":null,"baseOptions":[],"volumePricesFlag":null,"volumePrices":null,"productReferences":null,"variantMatrix":null,"priceRange":null,"firstCategoryNameList":null,"multidimensional":null,"configurable":false,"configuratorType":null,"addToCartDisabled":null,"addToCartDisabledMessage":null,"tags":null,"sapUnit":null,"keywords":null,"genders":null,"itemtype":"Part","partSubstitute":null,"note":null,"recallNote":null,"note1":null,"note2":null,"note3":null,"note4":null,"note5":null,"pdfAllUser":null,"pdfAuthUser":null,"pdfCOSUser":null,"vaiantRelatedPartList":null,"partHotspotList":null,"itemNumber":null,"partRelatedVariantList":null,"bomCode":2,"totalValue":null,"searchImage":null,"length":null,"width":null,"height":null,"unitOfDimension":null,"weight":null,"unitOfWeight":null,"specialRouting":false,"onlineRepair":null,"previousPartID":null,"sbdDiscountPriceValue":{"currencyIso":"USD","value":1.59,"priceType":"BUY","formattedValue":"$1.59","minQuantity":null,"maxQuantity":null,"sapUnit":{"code":"pieces","name":"Piece"}},"alrCode":null,"productRecallFlag":null,"selectedDocumentId":null,"productDescription":null,"pdpImage":null,"ticketId":null,"qtyRequiredPerVariant":"1","isElgibleForRepair":null,"isPowerEligible":null,"productRecallNotes":null,"productOtherInfo":null,"backorderETA":"00/00/0000","modifiedDate":null,"userLevel":"COS","displayPrice":null,"baseProductName":null,"firstVariantCode":null,"firstVariantImage":null,"productMarketType":null,"productNumber":null,"typeStatusCode":null,"productCategory":null,"typeNumber":null,"marketCode":null,"regionCode":null,"otherInformation":null,"productTypeStatus":null,"repairInstruction":null,"repairInstructionStatusDescription":null,"typeStatusDate":null,"serviceLifeDate":null,"manufacturerId":null,"parts":null,"language":null,"glossaries":null,"brand":null,"product":null,"brandCode":null,"recallNotes":null,"volume":null},{"code":"P532006266-CM","name":null,"url":"/c//p/P532006266-CM","description":"WASHER THRUST 0.75 X 1.23","purchasable":true,"stock":{"stockLevelStatus":{"code":"inStock","type":"StockLevelStatus"},"stockLevel":0,"stockThreshold":null},"futureStocks":null,"availableForPickup":null,"averageRating":null,"numberOfReviews":null,"summary":null,"manufacturer":null,"variantType":null,"price":{"currencyIso":"USD","value":5.24,"priceType":"BUY","formattedValue":"$5.24","minQuantity":null,"maxQuantity":null,"sapUnit":{"code":"pieces","name":"Piece"}},"baseProduct":null,"images":[],"categories":null,"reviews":null,"classifications":null,"potentialPromotions":null,"variantOptions":null,"baseOptions":[],"volumePricesFlag":null,"volumePrices":null,"productReferences":null,"variantMatrix":null,"priceRange":null,"firstCategoryNameList":null,"multidimensional":null,"configurable":false,"configuratorType":null,"addToCartDisabled":null,"addToCartDisabledMessage":null,"tags":null,"sapUnit":null,"keywords":null,"genders":null,"itemtype":"Part","partSubstitute":null,"note":null,"recallNote":null,"note1":null,"note2":null,"note3":null,"note4":null,"note5":null,"pdfAllUser":null,"pdfAuthUser":null,"pdfCOSUser":null,"vaiantRelatedPartList":null,"partHotspotList":null,"itemNumber":null,"partRelatedVariantList":null,"bomCode":2,"totalValue":null,"searchImage":null,"length":null,"width":null,"height":null,"unitOfDimension":null,"weight":null,"unitOfWeight":null,"specialRouting":false,"onlineRepair":null,"previousPartID":null,"sbdDiscountPriceValue":{"currencyIso":"USD","value":5.24,"priceType":"BUY","formattedValue":"$5.24","minQuantity":null,"maxQuantity":null,"sapUnit":{"code":"pieces","name":"Piece"}},"alrCode":null,"productRecallFlag":null,"selectedDocumentId":null,"productDescription":null,"pdpImage":null,"ticketId":null,"qtyRequiredPerVariant":"1","isElgibleForRepair":null,"isPowerEligible":null,"productRecallNotes":null,"productOtherInfo":null,"backorderETA":"00/00/0000","modifiedDate":null,"userLevel":"COS","displayPrice":null,"baseProductName":null,"firstVariantCode":null,"firstVariantImage":null,"productMarketType":null,"productNumber":null,"typeStatusCode":null,"productCategory":null,"typeNumber":null,"marketCode":null,"regionCode":null,"otherInformation":null,"productTypeStatus":null,"repairInstruction":null,"repairInstructionStatusDescription":null,"typeStatusDate":null,"serviceLifeDate":null,"manufacturerId":null,"parts":null,"language":null,"glossaries":null,"brand":null,"product":null,"brandCode":null,"recallNotes":null,"volume":null},{"code":"P532006266-CM","name":null,"url":"/c//p/P532006266-CM","description":"WASHER THRUST 0.75 X 1.23","purchasable":true,"stock":{"stockLevelStatus":{"code":"inStock","type":"StockLevelStatus"},"stockLevel":0,"stockThreshold":null},"futureStocks":null,"availableForPickup":null,"averageRating":null,"numberOfReviews":null,"summary":null,"manufacturer":null,"variantType":null,"price":{"currencyIso":"USD","value":5.24,"priceType":"BUY","formattedValue":"$5.24","minQuantity":null,"maxQuantity":null,"sapUnit":{"code":"pieces","name":"Piece"}},"baseProduct":null,"images":[],"categories":null,"reviews":null,"classifications":null,"potentialPromotions":null,"variantOptions":null,"baseOptions":[],"volumePricesFlag":null,"volumePrices":null,"productReferences":null,"variantMatrix":null,"priceRange":null,"firstCategoryNameList":null,"multidimensional":null,"configurable":false,"configuratorType":null,"addToCartDisabled":null,"addToCartDisabledMessage":null,"tags":null,"sapUnit":null,"keywords":null,"genders":null,"itemtype":"Part","partSubstitute":null,"note":null,"recallNote":null,"note1":null,"note2":null,"note3":null,"note4":null,"note5":null,"pdfAllUser":null,"pdfAuthUser":null,"pdfCOSUser":null,"vaiantRelatedPartList":null,"partHotspotList":null,"itemNumber":null,"partRelatedVariantList":null,"bomCode":2,"totalValue":null,"searchImage":null,"length":null,"width":null,"height":null,"unitOfDimension":null,"weight":null,"unitOfWeight":null,"specialRouting":false,"onlineRepair":null,"previousPartID":null,"sbdDiscountPriceValue":{"currencyIso":"USD","value":5.24,"priceType":"BUY","formattedValue":"$5.24","minQuantity":null,"maxQuantity":null,"sapUnit":{"code":"pieces","name":"Piece"}},"alrCode":null,"productRecallFlag":null,"selectedDocumentId":null,"productDescription":null,"pdpImage":null,"ticketId":null,"qtyRequiredPerVariant":"1","isElgibleForRepair":null,"isPowerEligible":null,"productRecallNotes":null,"productOtherInfo":null,"backorderETA":"00/00/0000","modifiedDate":null,"userLevel":"COS","displayPrice":null,"baseProductName":null,"firstVariantCode":null,"firstVariantImage":null,"productMarketType":null,"productNumber":null,"typeStatusCode":null,"productCategory":null,"typeNumber":null,"marketCode":null,"regionCode":null,"otherInformation":null,"productTypeStatus":null,"repairInstruction":null,"repairInstructionStatusDescription":null,"typeStatusDate":null,"serviceLifeDate":null,"manufacturerId":null,"parts":null,"language":null,"glossaries":null,"brand":null,"product":null,"brandCode":null,"recallNotes":null,"volume":null},{"code":"P532008543-CM","name":null,"url":"/c//p/P532008543-CM","description":"FUEL LINE","purchasable":true,"stock":{"stockLevelStatus":{"code":"outOfStock","type":"StockLevelStatus"},"stockLevel":0,"stockThreshold":null},"futureStocks":null,"availableForPickup":null,"averageRating":null,"numberOfReviews":null,"summary":null,"manufacturer":null,"variantType":null,"price":{"currencyIso":"USD","value":7.6,"priceType":"BUY","formattedValue":"$7.60","minQuantity":null,"maxQuantity":null,"sapUnit":{"code":"pieces","name":"Piece"}},"baseProduct":null,"images":[],"categories":null,"reviews":null,"classifications":null,"potentialPromotions":null,"variantOptions":null,"baseOptions":[],"volumePricesFlag":null,"volumePrices":null,"productReferences":null,"variantMatrix":null,"priceRange":null,"firstCategoryNameList":null,"multidimensional":null,"configurable":false,"configuratorType":null,"addToCartDisabled":null,"addToCartDisabledMessage":null,"tags":null,"sapUnit":null,"keywords":null,"genders":null,"itemtype":"Part","partSubstitute":null,"note":null,"recallNote":null,"note1":null,"note2":null,"note3":null,"note4":null,"note5":null,"pdfAllUser":null,"pdfAuthUser":null,"pdfCOSUser":null,"vaiantRelatedPartList":null,"partHotspotList":null,"itemNumber":null,"partRelatedVariantList":null,"bomCode":2,"totalValue":null,"searchImage":null,"length":null,"width":null,"height":null,"unitOfDimension":null,"weight":null,"unitOfWeight":null,"specialRouting":false,"onlineRepair":null,"previousPartID":null,"sbdDiscountPriceValue":{"currencyIso":"USD","value":7.6,"priceType":"BUY","formattedValue":"$7.60","minQuantity":null,"maxQuantity":null,"sapUnit":{"code":"pieces","name":"Piece"}},"alrCode":null,"productRecallFlag":null,"selectedDocumentId":null,"productDescription":null,"pdpImage":null,"ticketId":null,"qtyRequiredPerVariant":"1","isElgibleForRepair":null,"isPowerEligible":null,"productRecallNotes":null,"productOtherInfo":null,"backorderETA":"00/00/0000","modifiedDate":null,"userLevel":"COS","displayPrice":null,"baseProductName":null,"firstVariantCode":null,"firstVariantImage":null,"productMarketType":null,"productNumber":null,"typeStatusCode":null,"productCategory":null,"typeNumber":null,"marketCode":null,"regionCode":null,"otherInformation":null,"productTypeStatus":null,"repairInstruction":null,"repairInstructionStatusDescription":null,"typeStatusDate":null,"serviceLifeDate":null,"manufacturerId":null,"parts":null,"language":null,"glossaries":null,"brand":null,"product":null,"brandCode":null,"recallNotes":null,"volume":null},{"code":"P532008883-CM","name":null,"url":"/c//p/P532008883-CM","description":"COVER PEDAL BLK ROUND","purchasable":true,"stock":{"stockLevelStatus":{"code":"inStock","type":"StockLevelStatus"},"stockLevel":0,"stockThreshold":null},"futureStocks":null,"availableForPickup":null,"averageRating":null,"numberOfReviews":null,"summary":null,"manufacturer":null,"variantType":null,"price":{"currencyIso":"USD","value":3.14,"priceType":"BUY","formattedValue":"$3.14","minQuantity":null,"maxQuantity":null,"sapUnit":{"code":"pieces","name":"Piece"}},"baseProduct":null,"images":[],"categories":null,"reviews":null,"classifications":null,"potentialPromotions":null,"variantOptions":null,"baseOptions":[],"volumePricesFlag":null,"volumePrices":null,"productReferences":null,"variantMatrix":null,"priceRange":null,"firstCategoryNameList":null,"multidimensional":null,"configurable":false,"configuratorType":null,"addToCartDisabled":null,"addToCartDisabledMessage":null,"tags":null,"sapUnit":null,"keywords":null,"genders":null,"itemtype":"Part","partSubstitute":null,"note":null,"recallNote":null,"note1":null,"note2":null,"note3":null,"note4":null,"note5":null,"pdfAllUser":null,"pdfAuthUser":null,"pdfCOSUser":null,"vaiantRelatedPartList":null,"partHotspotList":null,"itemNumber":null,"partRelatedVariantList":null,"bomCode":2,"totalValue":null,"searchImage":null,"length":null,"width":null,"height":null,"unitOfDimension":null,"weight":null,"unitOfWeight":null,"specialRouting":false,"onlineRepair":null,"previousPartID":null,"sbdDiscountPriceValue":{"currencyIso":"USD","value":3.14,"priceType":"BUY","formattedValue":"$3.14","minQuantity":null,"maxQuantity":null,"sapUnit":{"code":"pieces","name":"Piece"}},"alrCode":null,"productRecallFlag":null,"selectedDocumentId":null,"productDescription":null,"pdpImage":null,"ticketId":null,"qtyRequiredPerVariant":"1","isElgibleForRepair":null,"isPowerEligible":null,"productRecallNotes":null,"productOtherInfo":null,"backorderETA":"00/00/0000","modifiedDate":null,"userLevel":"COS","displayPrice":null,"baseProductName":null,"firstVariantCode":null,"firstVariantImage":null,"productMarketType":null,"productNumber":null,"typeStatusCode":null,"productCategory":null,"typeNumber":null,"marketCode":null,"regionCode":null,"otherInformation":null,"productTypeStatus":null,"repairInstruction":null,"repairInstructionStatusDescription":null,"typeStatusDate":null,"serviceLifeDate":null,"manufacturerId":null,"parts":null,"language":null,"glossaries":null,"brand":null,"product":null,"brandCode":null,"recallNotes":null,"volume":null},{"code":"P532057079-CM","name":null,"url":"/c//p/P532057079-CM","description":"THRUST WASHER","purchasable":true,"stock":{"stockLevelStatus":{"code":"outOfStock","type":"StockLevelStatus"},"stockLevel":0,"stockThreshold":null},"futureStocks":null,"availableForPickup":null,"averageRating":null,"numberOfReviews":null,"summary":null,"manufacturer":null,"variantType":null,"price":{"currencyIso":"USD","value":2.64,"priceType":"BUY","formattedValue":"$2.64","minQuantity":null,"maxQuantity":null,"sapUnit":{"code":"pieces","name":"Piece"}},"baseProduct":null,"images":[],"categories":null,"reviews":null,"classifications":null,"potentialPromotions":null,"variantOptions":null,"baseOptions":[],"volumePricesFlag":null,"volumePrices":null,"productReferences":null,"variantMatrix":null,"priceRange":null,"firstCategoryNameList":null,"multidimensional":null,"configurable":false,"configuratorType":null,"addToCartDisabled":null,"addToCartDisabledMessage":null,"tags":null,"sapUnit":null,"keywords":null,"genders":null,"itemtype":"Part","partSubstitute":null,"note":null,"recallNote":null,"note1":null,"note2":null,"note3":null,"note4":null,"note5":null,"pdfAllUser":null,"pdfAuthUser":null,"pdfCOSUser":null,"vaiantRelatedPartList":null,"partHotspotList":null,"itemNumber":null,"partRelatedVariantList":null,"bomCode":2,"totalValue":null,"searchImage":null,"length":null,"width":null,"height":null,"unitOfDimension":null,"weight":null,"unitOfWeight":null,"specialRouting":false,"onlineRepair":null,"previousPartID":null,"sbdDiscountPriceValue":{"currencyIso":"USD","value":2.64,"priceType":"BUY","formattedValue":"$2.64","minQuantity":null,"maxQuantity":null,"sapUnit":{"code":"pieces","name":"Piece"}},"alrCode":null,"productRecallFlag":null,"selectedDocumentId":null,"productDescription":null,"pdpImage":null,"ticketId":null,"qtyRequiredPerVariant":"1","isElgibleForRepair":null,"isPowerEligible":null,"productRecallNotes":null,"productOtherInfo":null,"backorderETA":"00/00/0000","modifiedDate":null,"userLevel":"COS","displayPrice":null,"baseProductName":null,"firstVariantCode":null,"firstVariantImage":null,"productMarketType":null,"productNumber":null,"typeStatusCode":null,"productCategory":null,"typeNumber":null,"marketCode":null,"regionCode":null,"otherInformation":null,"productTypeStatus":null,"repairInstruction":null,"repairInstructionStatusDescription":null,"typeStatusDate":null,"serviceLifeDate":null,"manufacturerId":null,"parts":null,"language":null,"glossaries":null,"brand":null,"product":null,"brandCode":null,"recallNotes":null,"volume":null},{"code":"P532069180-CM","name":null,"url":"/c//p/P532069180-CM","description":"LOCKNUT","purchasable":true,"stock":{"stockLevelStatus":{"code":"outOfStock","type":"StockLevelStatus"},"stockLevel":0,"stockThreshold":null},"futureStocks":null,"availableForPickup":null,"averageRating":null,"numberOfReviews":null,"summary":null,"manufacturer":null,"variantType":null,"price":{"currencyIso":"USD","value":2.64,"priceType":"BUY","formattedValue":"$2.64","minQuantity":null,"maxQuantity":null,"sapUnit":{"code":"pieces","name":"Piece"}},"baseProduct":null,"images":[],"categories":null,"reviews":null,"classifications":null,"potentialPromotions":null,"variantOptions":null,"baseOptions":[],"volumePricesFlag":null,"volumePrices":null,"productReferences":null,"variantMatrix":null,"priceRange":null,"firstCategoryNameList":null,"multidimensional":null,"configurable":false,"configuratorType":null,"addToCartDisabled":null,"addToCartDisabledMessage":null,"tags":null,"sapUnit":null,"keywords":null,"genders":null,"itemtype":"Part","partSubstitute":null,"note":null,"recallNote":null,"note1":null,"note2":null,"note3":null,"note4":null,"note5":null,"pdfAllUser":null,"pdfAuthUser":null,"pdfCOSUser":null,"vaiantRelatedPartList":null,"partHotspotList":null,"itemNumber":null,"partRelatedVariantList":null,"bomCode":2,"totalValue":null,"searchImage":null,"length":null,"width":null,"height":null,"unitOfDimension":null,"weight":null,"unitOfWeight":null,"specialRouting":false,"onlineRepair":null,"previousPartID":null,"sbdDiscountPriceValue":{"currencyIso":"USD","value":2.64,"priceType":"BUY","formattedValue":"$2.64","minQuantity":null,"maxQuantity":null,"sapUnit":{"code":"pieces","name":"Piece"}},"alrCode":null,"productRecallFlag":null,"selectedDocumentId":null,"productDescription":null,"pdpImage":null,"ticketId":null,"qtyRequiredPerVariant":"1","isElgibleForRepair":null,"isPowerEligible":null,"productRecallNotes":null,"productOtherInfo":null,"backorderETA":"00/00/0000","modifiedDate":null,"userLevel":"COS","displayPrice":null,"baseProductName":null,"firstVariantCode":null,"firstVariantImage":null,"productMarketType":null,"productNumber":null,"typeStatusCode":null,"productCategory":null,"typeNumber":null,"marketCode":null,"regionCode":null,"otherInformation":null,"productTypeStatus":null,"repairInstruction":null,"repairInstructionStatusDescription":null,"typeStatusDate":null,"serviceLifeDate":null,"manufacturerId":null,"parts":null,"language":null,"glossaries":null,"brand":null,"product":null,"brandCode":null,"recallNotes":null,"volume":null},{"code":"P532105767-CM","name":null,"url":"/c//p/P532105767-CM","description":"PIN GROOVE.","purchasable":true,"stock":{"stockLevelStatus":{"code":"outOfStock","type":"StockLevelStatus"},"stockLevel":0,"stockThreshold":null},"futureStocks":null,"availableForPickup":null,"averageRating":null,"numberOfReviews":null,"summary":null,"manufacturer":null,"variantType":null,"price":{"currencyIso":"USD","value":2.63,"priceType":"BUY","formattedValue":"$2.63","minQuantity":null,"maxQuantity":null,"sapUnit":{"code":"pieces","name":"Piece"}},"baseProduct":null,"images":[],"categories":null,"reviews":null,"classifications":null,"potentialPromotions":null,"variantOptions":null,"baseOptions":[],"volumePricesFlag":null,"volumePrices":null,"productReferences":null,"variantMatrix":null,"priceRange":null,"firstCategoryNameList":null,"multidimensional":null,"configurable":false,"configuratorType":null,"addToCartDisabled":null,"addToCartDisabledMessage":null,"tags":null,"sapUnit":null,"keywords":null,"genders":null,"itemtype":"Part","partSubstitute":null,"note":null,"recallNote":null,"note1":null,"note2":null,"note3":null,"note4":null,"note5":null,"pdfAllUser":null,"pdfAuthUser":null,"pdfCOSUser":null,"vaiantRelatedPartList":null,"partHotspotList":null,"itemNumber":null,"partRelatedVariantList":null,"bomCode":2,"totalValue":null,"searchImage":null,"length":null,"width":null,"height":null,"unitOfDimension":null,"weight":null,"unitOfWeight":null,"specialRouting":false,"onlineRepair":null,"previousPartID":null,"sbdDiscountPriceValue":{"currencyIso":"USD","value":2.63,"priceType":"BUY","formattedValue":"$2.63","minQuantity":null,"maxQuantity":null,"sapUnit":{"code":"pieces","name":"Piece"}},"alrCode":null,"productRecallFlag":null,"selectedDocumentId":null,"productDescription":null,"pdpImage":null,"ticketId":null,"qtyRequiredPerVariant":"1","isElgibleForRepair":null,"isPowerEligible":null,"productRecallNotes":null,"productOtherInfo":null,"backorderETA":"00/00/0000","modifiedDate":null,"userLevel":"COS","displayPrice":null,"baseProductName":null,"firstVariantCode":null,"firstVariantImage":null,"productMarketType":null,"productNumber":null,"typeStatusCode":null,"productCategory":null,"typeNumber":null,"marketCode":null,"regionCode":null,"otherInformation":null,"productTypeStatus":null,"repairInstruction":null,"repairInstructionStatusDescription":null,"typeStatusDate":null,"serviceLifeDate":null,"manufacturerId":null,"parts":null,"language":null,"glossaries":null,"brand":null,"product":null,"brandCode":null,"recallNotes":null,"volume":null},{"code":"P532106082-CM","name":null,"url":"/c//p/P532106082-CM","description":"PAD","purchasable":true,"stock":{"stockLevelStatus":{"code":"outOfStock","type":"StockLevelStatus"},"stockLevel":0,"stockThreshold":null},"futureStocks":null,"availableForPickup":null,"averageRating":null,"numberOfReviews":null,"summary":null,"manufacturer":null,"variantType":null,"price":{"currencyIso":"USD","value":2.63,"priceType":"BUY","formattedValue":"$2.63","minQuantity":null,"maxQuantity":null,"sapUnit":{"code":"pieces","name":"Piece"}},"baseProduct":null,"images":[],"categories":null,"reviews":null,"classifications":null,"potentialPromotions":null,"variantOptions":null,"baseOptions":[],"volumePricesFlag":null,"volumePrices":null,"productReferences":null,"variantMatrix":null,"priceRange":null,"firstCategoryNameList":null,"multidimensional":null,"configurable":false,"configuratorType":null,"addToCartDisabled":null,"addToCartDisabledMessage":null,"tags":null,"sapUnit":null,"keywords":null,"genders":null,"itemtype":"Part","partSubstitute":null,"note":null,"recallNote":null,"note1":null,"note2":null,"note3":null,"note4":null,"note5":null,"pdfAllUser":null,"pdfAuthUser":null,"pdfCOSUser":null,"vaiantRelatedPartList":null,"partHotspotList":null,"itemNumber":null,"partRelatedVariantList":null,"bomCode":2,"totalValue":null,"searchImage":null,"length":null,"width":null,"height":null,"unitOfDimension":null,"weight":null,"unitOfWeight":null,"specialRouting":false,"onlineRepair":null,"previousPartID":null,"sbdDiscountPriceValue":{"currencyIso":"USD","value":2.63,"priceType":"BUY","formattedValue":"$2.63","minQuantity":null,"maxQuantity":null,"sapUnit":{"code":"pieces","name":"Piece"}},"alrCode":null,"productRecallFlag":null,"selectedDocumentId":null,"productDescription":null,"pdpImage":null,"ticketId":null,"qtyRequiredPerVariant":"1","isElgibleForRepair":null,"isPowerEligible":null,"productRecallNotes":null,"productOtherInfo":null,"backorderETA":"00/00/0000","modifiedDate":null,"userLevel":"COS","displayPrice":null,"baseProductName":null,"firstVariantCode":null,"firstVariantImage":null,"productMarketType":null,"productNumber":null,"typeStatusCode":null,"productCategory":null,"typeNumber":null,"marketCode":null,"regionCode":null,"otherInformation":null,"productTypeStatus":null,"repairInstruction":null,"repairInstructionStatusDescription":null,"typeStatusDate":null,"serviceLifeDate":null,"manufacturerId":null,"parts":null,"language":null,"glossaries":null,"brand":null,"product":null,"brandCode":null,"recallNotes":null,"volume":null},{"code":"P532109227-CM","name":null,"url":"/c//p/P532109227-CM","description":"PAD IDLER","purchasable":true,"stock":{"stockLevelStatus":{"code":"outOfStock","type":"StockLevelStatus"},"stockLevel":0,"stockThreshold":null},"futureStocks":null,"availableForPickup":null,"averageRating":null,"numberOfReviews":null,"summary":null,"manufacturer":null,"variantType":null,"price":{"currencyIso":"USD","value":2.63,"priceType":"BUY","formattedValue":"$2.63","minQuantity":null,"maxQuantity":null,"sapUnit":{"code":"pieces","name":"Piece"}},"baseProduct":null,"images":[],"categories":null,"reviews":null,"classifications":null,"potentialPromotions":null,"variantOptions":null,"baseOptions":[],"volumePricesFlag":null,"volumePrices":null,"productReferences":null,"variantMatrix":null,"priceRange":null,"firstCategoryNameList":null,"multidimensional":null,"configurable":false,"configuratorType":null,"addToCartDisabled":null,"addToCartDisabledMessage":null,"tags":null,"sapUnit":null,"keywords":null,"genders":null,"itemtype":"Part","partSubstitute":null,"note":null,"recallNote":null,"note1":null,"note2":null,"note3":null,"note4":null,"note5":null,"pdfAllUser":null,"pdfAuthUser":null,"pdfCOSUser":null,"vaiantRelatedPartList":null,"partHotspotList":null,"itemNumber":null,"partRelatedVariantList":null,"bomCode":2,"totalValue":null,"searchImage":null,"length":null,"width":null,"height":null,"unitOfDimension":null,"weight":null,"unitOfWeight":null,"specialRouting":false,"onlineRepair":null,"previousPartID":null,"sbdDiscountPriceValue":{"currencyIso":"USD","value":2.63,"priceType":"BUY","formattedValue":"$2.63","minQuantity":null,"maxQuantity":null,"sapUnit":{"code":"pieces","name":"Piece"}},"alrCode":null,"productRecallFlag":null,"selectedDocumentId":null,"productDescription":null,"pdpImage":null,"ticketId":null,"qtyRequiredPerVariant":"1","isElgibleForRepair":null,"isPowerEligible":null,"productRecallNotes":null,"productOtherInfo":null,"backorderETA":"00/00/0000","modifiedDate":null,"userLevel":"COS","displayPrice":null,"baseProductName":null,"firstVariantCode":null,"firstVariantImage":null,"productMarketType":null,"productNumber":null,"typeStatusCode":null,"productCategory":null,"typeNumber":null,"marketCode":null,"regionCode":null,"otherInformation":null,"productTypeStatus":null,"repairInstruction":null,"repairInstructionStatusDescription":null,"typeStatusDate":null,"serviceLifeDate":null,"manufacturerId":null,"parts":null,"language":null,"glossaries":null,"brand":null,"product":null,"brandCode":null,"recallNotes":null,"volume":null},{"code":"P532110485-CM","name":null,"url":"/c//p/P532110485-CM","description":"BEARING.BALL.MANDREL","purchasable":true,"stock":{"stockLevelStatus":{"code":"outOfStock","type":"StockLevelStatus"},"stockLevel":0,"stockThreshold":null},"futureStocks":null,"availableForPickup":null,"averageRating":null,"numberOfReviews":null,"summary":null,"manufacturer":null,"variantType":null,"price":{"currencyIso":"USD","value":7.34,"priceType":"BUY","formattedValue":"$7.34","minQuantity":null,"maxQuantity":null,"sapUnit":{"code":"pieces","name":"Piece"}},"baseProduct":null,"images":[],"categories":null,"reviews":null,"classifications":null,"potentialPromotions":null,"variantOptions":null,"baseOptions":[],"volumePricesFlag":null,"volumePrices":null,"productReferences":null,"variantMatrix":null,"priceRange":null,"firstCategoryNameList":null,"multidimensional":null,"configurable":false,"configuratorType":null,"addToCartDisabled":null,"addToCartDisabledMessage":null,"tags":null,"sapUnit":null,"keywords":null,"genders":null,"itemtype":"Part","partSubstitute":null,"note":null,"recallNote":null,"note1":null,"note2":null,"note3":null,"note4":null,"note5":null,"pdfAllUser":null,"pdfAuthUser":null,"pdfCOSUser":null,"vaiantRelatedPartList":null,"partHotspotList":null,"itemNumber":null,"partRelatedVariantList":null,"bomCode":2,"totalValue":null,"searchImage":null,"length":null,"width":null,"height":null,"unitOfDimension":null,"weight":null,"unitOfWeight":null,"specialRouting":false,"onlineRepair":null,"previousPartID":null,"sbdDiscountPriceValue":{"currencyIso":"USD","value":7.34,"priceType":"BUY","formattedValue":"$7.34","minQuantity":null,"maxQuantity":null,"sapUnit":{"code":"pieces","name":"Piece"}},"alrCode":null,"productRecallFlag":null,"selectedDocumentId":null,"productDescription":null,"pdpImage":null,"ticketId":null,"qtyRequiredPerVariant":"1","isElgibleForRepair":null,"isPowerEligible":null,"productRecallNotes":null,"productOtherInfo":null,"backorderETA":"00/00/0000","modifiedDate":null,"userLevel":"COS","displayPrice":null,"baseProductName":null,"firstVariantCode":null,"firstVariantImage":null,"productMarketType":null,"productNumber":null,"typeStatusCode":null,"productCategory":null,"typeNumber":null,"marketCode":null,"regionCode":null,"otherInformation":null,"productTypeStatus":null,"repairInstruction":null,"repairInstructionStatusDescription":null,"typeStatusDate":null,"serviceLifeDate":null,"manufacturerId":null,"parts":null,"language":null,"glossaries":null,"brand":null,"product":null,"brandCode":null,"recallNotes":null,"volume":null},{"code":"P532120958-CM","name":null,"url":"/c//p/P532120958-CM","description":"WASHER","purchasable":true,"stock":{"stockLevelStatus":{"code":"outOfStock","type":"StockLevelStatus"},"stockLevel":0,"stockThreshold":null},"futureStocks":null,"availableForPickup":null,"averageRating":null,"numberOfReviews":null,"summary":null,"manufacturer":null,"variantType":null,"price":{"currencyIso":"USD","value":4.0,"priceType":"BUY","formattedValue":"$4.00","minQuantity":null,"maxQuantity":null,"sapUnit":{"code":"pieces","name":"Piece"}},"baseProduct":null,"images":[],"categories":null,"reviews":null,"classifications":null,"potentialPromotions":null,"variantOptions":null,"baseOptions":[],"volumePricesFlag":null,"volumePrices":null,"productReferences":null,"variantMatrix":null,"priceRange":null,"firstCategoryNameList":null,"multidimensional":null,"configurable":false,"configuratorType":null,"addToCartDisabled":null,"addToCartDisabledMessage":null,"tags":null,"sapUnit":null,"keywords":null,"genders":null,"itemtype":"Part","partSubstitute":null,"note":null,"recallNote":null,"note1":null,"note2":null,"note3":null,"note4":null,"note5":null,"pdfAllUser":null,"pdfAuthUser":null,"pdfCOSUser":null,"vaiantRelatedPartList":null,"partHotspotList":null,"itemNumber":null,"partRelatedVariantList":null,"bomCode":2,"totalValue":null,"searchImage":null,"length":null,"width":null,"height":null,"unitOfDimension":null,"weight":null,"unitOfWeight":null,"specialRouting":false,"onlineRepair":null,"previousPartID":null,"sbdDiscountPriceValue":{"currencyIso":"USD","value":4.0,"priceType":"BUY","formattedValue":"$4.00","minQuantity":null,"maxQuantity":null,"sapUnit":{"code":"pieces","name":"Piece"}},"alrCode":null,"productRecallFlag":null,"selectedDocumentId":null,"productDescription":null,"pdpImage":null,"ticketId":null,"qtyRequiredPerVariant":"1","isElgibleForRepair":null,"isPowerEligible":null,"productRecallNotes":null,"productOtherInfo":null,"backorderETA":"00/00/0000","modifiedDate":null,"userLevel":"COS","displayPrice":null,"baseProductName":null,"firstVariantCode":null,"firstVariantImage":null,"productMarketType":null,"productNumber":null,"typeStatusCode":null,"productCategory":null,"typeNumber":null,"marketCode":null,"regionCode":null,"otherInformation":null,"productTypeStatus":null,"repairInstruction":null,"repairInstructionStatusDescription":null,"typeStatusDate":null,"serviceLifeDate":null,"manufacturerId":null,"parts":null,"language":null,"glossaries":null,"brand":null,"product":null,"brandCode":null,"recallNotes":null,"volume":null},{"code":"P532121232-CM","name":null,"url":"/c//p/P532121232-CM","description":"CAP.SPINDLE","purchasable":true,"stock":{"stockLevelStatus":{"code":"outOfStock","type":"StockLevelStatus"},"stockLevel":0,"stockThreshold":null},"futureStocks":null,"availableForPickup":null,"averageRating":null,"numberOfReviews":null,"summary":null,"manufacturer":null,"variantType":null,"price":{"currencyIso":"USD","value":1.56,"priceType":"BUY","formattedValue":"$1.56","minQuantity":null,"maxQuantity":null,"sapUnit":{"code":"pieces","name":"Piece"}},"baseProduct":null,"images":[],"categories":null,"reviews":null,"classifications":null,"potentialPromotions":null,"variantOptions":null,"baseOptions":[],"volumePricesFlag":null,"volumePrices":null,"productReferences":null,"variantMatrix":null,"priceRange":null,"firstCategoryNameList":null,"multidimensional":null,"configurable":false,"configuratorType":null,"addToCartDisabled":null,"addToCartDisabledMessage":null,"tags":null,"sapUnit":null,"keywords":null,"genders":null,"itemtype":"Part","partSubstitute":null,"note":null,"recallNote":null,"note1":null,"note2":null,"note3":null,"note4":null,"note5":null,"pdfAllUser":null,"pdfAuthUser":null,"pdfCOSUser":null,"vaiantRelatedPartList":null,"partHotspotList":null,"itemNumber":null,"partRelatedVariantList":null,"bomCode":2,"totalValue":null,"searchImage":null,"length":null,"width":null,"height":null,"unitOfDimension":null,"weight":null,"unitOfWeight":null,"specialRouting":false,"onlineRepair":null,"previousPartID":null,"sbdDiscountPriceValue":{"currencyIso":"USD","value":1.56,"priceType":"BUY","formattedValue":"$1.56","minQuantity":null,"maxQuantity":null,"sapUnit":{"code":"pieces","name":"Piece"}},"alrCode":null,"productRecallFlag":null,"selectedDocumentId":null,"productDescription":null,"pdpImage":null,"ticketId":null,"qtyRequiredPerVariant":"1","isElgibleForRepair":null,"isPowerEligible":null,"productRecallNotes":null,"productOtherInfo":null,"backorderETA":"00/00/0000","modifiedDate":null,"userLevel":"COS","displayPrice":null,"baseProductName":null,"firstVariantCode":null,"firstVariantImage":null,"productMarketType":null,"productNumber":null,"typeStatusCode":null,"productCategory":null,"typeNumber":null,"marketCode":null,"regionCode":null,"otherInformation":null,"productTypeStatus":null,"repairInstruction":null,"repairInstructionStatusDescription":null,"typeStatusDate":null,"serviceLifeDate":null,"manufacturerId":null,"parts":null,"language":null,"glossaries":null,"brand":null,"product":null,"brandCode":null,"recallNotes":null,"volume":null},{"code":"P532121520-CM","name":null,"url":"/c//p/P532121520-CM","description":"STRAP TORQUE","purchasable":true,"stock":{"stockLevelStatus":{"code":"outOfStock","type":"StockLevelStatus"},"stockLevel":0,"stockThreshold":null},"futureStocks":null,"availableForPickup":null,"averageRating":null,"numberOfReviews":null,"summary":null,"manufacturer":null,"variantType":null,"price":{"currencyIso":"USD","value":3.1,"priceType":"BUY","formattedValue":"$3.10","minQuantity":null,"maxQuantity":null,"sapUnit":{"code":"pieces","name":"Piece"}},"baseProduct":null,"images":[],"categories":null,"reviews":null,"classifications":null,"potentialPromotions":null,"variantOptions":null,"baseOptions":[],"volumePricesFlag":null,"volumePrices":null,"productReferences":null,"variantMatrix":null,"priceRange":null,"firstCategoryNameList":null,"multidimensional":null,"configurable":false,"configuratorType":null,"addToCartDisabled":null,"addToCartDisabledMessage":null,"tags":null,"sapUnit":null,"keywords":null,"genders":null,"itemtype":"Part","partSubstitute":null,"note":null,"recallNote":null,"note1":null,"note2":null,"note3":null,"note4":null,"note5":null,"pdfAllUser":null,"pdfAuthUser":null,"pdfCOSUser":null,"vaiantRelatedPartList":null,"partHotspotList":null,"itemNumber":null,"partRelatedVariantList":null,"bomCode":2,"totalValue":null,"searchImage":null,"length":null,"width":null,"height":null,"unitOfDimension":null,"weight":null,"unitOfWeight":null,"specialRouting":false,"onlineRepair":null,"previousPartID":null,"sbdDiscountPriceValue":{"currencyIso":"USD","value":3.1,"priceType":"BUY","formattedValue":"$3.10","minQuantity":null,"maxQuantity":null,"sapUnit":{"code":"pieces","name":"Piece"}},"alrCode":null,"productRecallFlag":null,"selectedDocumentId":null,"productDescription":null,"pdpImage":null,"ticketId":null,"qtyRequiredPerVariant":"1","isElgibleForRepair":null,"isPowerEligible":null,"productRecallNotes":null,"productOtherInfo":null,"backorderETA":"00/00/0000","modifiedDate":null,"userLevel":"COS","displayPrice":null,"baseProductName":null,"firstVariantCode":null,"firstVariantImage":null,"productMarketType":null,"productNumber":null,"typeStatusCode":null,"productCategory":null,"typeNumber":null,"marketCode":null,"regionCode":null,"otherInformation":null,"productTypeStatus":null,"repairInstruction":null,"repairInstructionStatusDescription":null,"typeStatusDate":null,"serviceLifeDate":null,"manufacturerId":null,"parts":null,"language":null,"glossaries":null,"brand":null,"product":null,"brandCode":null,"recallNotes":null,"volume":null},{"code":"P532122073-CM","name":null,"url":"/c//p/P532122073-CM","description":"TIRE FRONT 15 X 6-6","purchasable":true,"stock":{"stockLevelStatus":{"code":"inStock","type":"StockLevelStatus"},"stockLevel":0,"stockThreshold":null},"futureStocks":null,"availableForPickup":null,"averageRating":null,"numberOfReviews":null,"summary":null,"manufacturer":null,"variantType":null,"price":{"currencyIso":"USD","value":46.88,"priceType":"BUY","formattedValue":"$46.88","minQuantity":null,"maxQuantity":null,"sapUnit":{"code":"pieces","name":"Piece"}},"baseProduct":null,"images":[],"categories":null,"reviews":null,"classifications":null,"potentialPromotions":null,"variantOptions":null,"baseOptions":[],"volumePricesFlag":null,"volumePrices":null,"productReferences":null,"variantMatrix":null,"priceRange":null,"firstCategoryNameList":null,"multidimensional":null,"configurable":false,"configuratorType":null,"addToCartDisabled":null,"addToCartDisabledMessage":null,"tags":null,"sapUnit":null,"keywords":null,"genders":null,"itemtype":"Part","partSubstitute":"P71110616-CM","note":null,"recallNote":null,"note1":null,"note2":null,"note3":null,"note4":null,"note5":null,"pdfAllUser":null,"pdfAuthUser":null,"pdfCOSUser":null,"vaiantRelatedPartList":null,"partHotspotList":null,"itemNumber":null,"partRelatedVariantList":null,"bomCode":6,"totalValue":null,"searchImage":null,"length":null,"width":null,"height":null,"unitOfDimension":null,"weight":null,"unitOfWeight":null,"specialRouting":false,"onlineRepair":null,"previousPartID":null,"sbdDiscountPriceValue":{"currencyIso":"USD","value":46.88,"priceType":"BUY","formattedValue":"$46.88","minQuantity":null,"maxQuantity":null,"sapUnit":{"code":"pieces","name":"Piece"}},"alrCode":null,"productRecallFlag":null,"selectedDocumentId":null,"productDescription":null,"pdpImage":null,"ticketId":null,"qtyRequiredPerVariant":"1","isElgibleForRepair":null,"isPowerEligible":null,"productRecallNotes":null,"productOtherInfo":null,"backorderETA":"00/00/0000","modifiedDate":null,"userLevel":"COS","displayPrice":null,"baseProductName":null,"firstVariantCode":null,"firstVariantImage":null,"productMarketType":null,"productNumber":null,"typeStatusCode":null,"productCategory":null,"typeNumber":null,"marketCode":null,"regionCode":null,"otherInformation":null,"productTypeStatus":null,"repairInstruction":null,"repairInstructionStatusDescription":null,"typeStatusDate":null,"serviceLifeDate":null,"manufacturerId":null,"parts":null,"language":null,"glossaries":null,"brand":null,"product":null,"brandCode":null,"recallNotes":null,"volume":null},{"code":"P532123205-CM","name":null,"url":"/c//p/P532123205-CM","description":"RETAIN BELT","purchasable":true,"stock":{"stockLevelStatus":{"code":"outOfStock","type":"StockLevelStatus"},"stockLevel":0,"stockThreshold":null},"futureStocks":null,"availableForPickup":null,"averageRating":null,"numberOfReviews":null,"summary":null,"manufacturer":null,"variantType":null,"price":{"currencyIso":"USD","value":3.1,"priceType":"BUY","formattedValue":"$3.10","minQuantity":null,"maxQuantity":null,"sapUnit":{"code":"pieces","name":"Piece"}},"baseProduct":null,"images":[],"categories":null,"reviews":null,"classifications":null,"potentialPromotions":null,"variantOptions":null,"baseOptions":[],"volumePricesFlag":null,"volumePrices":null,"productReferences":null,"variantMatrix":null,"priceRange":null,"firstCategoryNameList":null,"multidimensional":null,"configurable":false,"configuratorType":null,"addToCartDisabled":null,"addToCartDisabledMessage":null,"tags":null,"sapUnit":null,"keywords":null,"genders":null,"itemtype":"Part","partSubstitute":null,"note":null,"recallNote":null,"note1":null,"note2":null,"note3":null,"note4":null,"note5":null,"pdfAllUser":null,"pdfAuthUser":null,"pdfCOSUser":null,"vaiantRelatedPartList":null,"partHotspotList":null,"itemNumber":null,"partRelatedVariantList":null,"bomCode":2,"totalValue":null,"searchImage":null,"length":null,"width":null,"height":null,"unitOfDimension":null,"weight":null,"unitOfWeight":null,"specialRouting":false,"onlineRepair":null,"previousPartID":null,"sbdDiscountPriceValue":{"currencyIso":"USD","value":3.1,"priceType":"BUY","formattedValue":"$3.10","minQuantity":null,"maxQuantity":null,"sapUnit":{"code":"pieces","name":"Piece"}},"alrCode":null,"productRecallFlag":null,"selectedDocumentId":null,"productDescription":null,"pdpImage":null,"ticketId":null,"qtyRequiredPerVariant":"1","isElgibleForRepair":null,"isPowerEligible":null,"productRecallNotes":null,"productOtherInfo":null,"backorderETA":"00/00/0000","modifiedDate":null,"userLevel":"COS","displayPrice":null,"baseProductName":null,"firstVariantCode":null,"firstVariantImage":null,"productMarketType":null,"productNumber":null,"typeStatusCode":null,"productCategory":null,"typeNumber":null,"marketCode":null,"regionCode":null,"otherInformation":null,"productTypeStatus":null,"repairInstruction":null,"repairInstructionStatusDescription":null,"typeStatusDate":null,"serviceLifeDate":null,"manufacturerId":null,"parts":null,"language":null,"glossaries":null,"brand":null,"product":null,"brandCode":null,"recallNotes":null,"volume":null},{"code":"P532123666-CM","name":null,"url":"/c//p/P532123666-CM","description":"PULLEY","purchasable":true,"stock":{"stockLevelStatus":{"code":"outOfStock","type":"StockLevelStatus"},"stockLevel":0,"stockThreshold":null},"futureStocks":null,"availableForPickup":null,"averageRating":null,"numberOfReviews":null,"summary":null,"manufacturer":null,"variantType":null,"price":{"currencyIso":"USD","value":21.3,"priceType":"BUY","formattedValue":"$21.30","minQuantity":null,"maxQuantity":null,"sapUnit":{"code":"pieces","name":"Piece"}},"baseProduct":null,"images":[],"categories":null,"reviews":null,"classifications":null,"potentialPromotions":null,"variantOptions":null,"baseOptions":[],"volumePricesFlag":null,"volumePrices":null,"productReferences":null,"variantMatrix":null,"priceRange":null,"firstCategoryNameList":null,"multidimensional":null,"configurable":false,"configuratorType":null,"addToCartDisabled":null,"addToCartDisabledMessage":null,"tags":null,"sapUnit":null,"keywords":null,"genders":null,"itemtype":"Part","partSubstitute":null,"note":null,"recallNote":null,"note1":null,"note2":null,"note3":null,"note4":null,"note5":null,"pdfAllUser":null,"pdfAuthUser":null,"pdfCOSUser":null,"vaiantRelatedPartList":null,"partHotspotList":null,"itemNumber":null,"partRelatedVariantList":null,"bomCode":2,"totalValue":null,"searchImage":null,"length":null,"width":null,"height":null,"unitOfDimension":null,"weight":null,"unitOfWeight":null,"specialRouting":false,"onlineRepair":null,"previousPartID":null,"sbdDiscountPriceValue":{"currencyIso":"USD","value":21.3,"priceType":"BUY","formattedValue":"$21.30","minQuantity":null,"maxQuantity":null,"sapUnit":{"code":"pieces","name":"Piece"}},"alrCode":null,"productRecallFlag":null,"selectedDocumentId":null,"productDescription":null,"pdpImage":null,"ticketId":null,"qtyRequiredPerVariant":"1","isElgibleForRepair":null,"isPowerEligible":null,"productRecallNotes":null,"productOtherInfo":null,"backorderETA":"00/00/0000","modifiedDate":null,"userLevel":"COS","displayPrice":null,"baseProductName":null,"firstVariantCode":null,"firstVariantImage":null,"productMarketType":null,"productNumber":null,"typeStatusCode":null,"productCategory":null,"typeNumber":null,"marketCode":null,"regionCode":null,"otherInformation":null,"productTypeStatus":null,"repairInstruction":null,"repairInstructionStatusDescription":null,"typeStatusDate":null,"serviceLifeDate":null,"manufacturerId":null,"parts":null,"language":null,"glossaries":null,"brand":null,"product":null,"brandCode":null,"recallNotes":null,"volume":null},{"code":"P532124346-CM","name":null,"url":"/c//p/P532124346-CM","description":"NUT.PUSH.3/16","purchasable":true,"stock":{"stockLevelStatus":{"code":"outOfStock","type":"StockLevelStatus"},"stockLevel":0,"stockThreshold":null},"futureStocks":null,"availableForPickup":null,"averageRating":null,"numberOfReviews":null,"summary":null,"manufacturer":null,"variantType":null,"price":{"currencyIso":"USD","value":3.1,"priceType":"BUY","formattedValue":"$3.10","minQuantity":null,"maxQuantity":null,"sapUnit":{"code":"pieces","name":"Piece"}},"baseProduct":null,"images":[],"categories":null,"reviews":null,"classifications":null,"potentialPromotions":null,"variantOptions":null,"baseOptions":[],"volumePricesFlag":null,"volumePrices":null,"productReferences":null,"variantMatrix":null,"priceRange":null,"firstCategoryNameList":null,"multidimensional":null,"configurable":false,"configuratorType":null,"addToCartDisabled":null,"addToCartDisabledMessage":null,"tags":null,"sapUnit":null,"keywords":null,"genders":null,"itemtype":"Part","partSubstitute":null,"note":null,"recallNote":null,"note1":null,"note2":null,"note3":null,"note4":null,"note5":null,"pdfAllUser":null,"pdfAuthUser":null,"pdfCOSUser":null,"vaiantRelatedPartList":null,"partHotspotList":null,"itemNumber":null,"partRelatedVariantList":null,"bomCode":2,"totalValue":null,"searchImage":null,"length":null,"width":null,"height":null,"unitOfDimension":null,"weight":null,"unitOfWeight":null,"specialRouting":false,"onlineRepair":null,"previousPartID":null,"sbdDiscountPriceValue":{"currencyIso":"USD","value":3.1,"priceType":"BUY","formattedValue":"$3.10","minQuantity":null,"maxQuantity":null,"sapUnit":{"code":"pieces","name":"Piece"}},"alrCode":null,"productRecallFlag":null,"selectedDocumentId":null,"productDescription":null,"pdpImage":null,"ticketId":null,"qtyRequiredPerVariant":"1","isElgibleForRepair":null,"isPowerEligible":null,"productRecallNotes":null,"productOtherInfo":null,"backorderETA":"00/00/0000","modifiedDate":null,"userLevel":"COS","displayPrice":null,"baseProductName":null,"firstVariantCode":null,"firstVariantImage":null,"productMarketType":null,"productNumber":null,"typeStatusCode":null,"productCategory":null,"typeNumber":null,"marketCode":null,"regionCode":null,"otherInformation":null,"productTypeStatus":null,"repairInstruction":null,"repairInstructionStatusDescription":null,"typeStatusDate":null,"serviceLifeDate":null,"manufacturerId":null,"parts":null,"language":null,"glossaries":null,"brand":null,"product":null,"brandCode":null,"recallNotes":null,"volume":null},{"code":"P532125631-CM","name":null,"url":"/c//p/P532125631-CM","description":"GRIP HANDLE","purchasable":true,"stock":{"stockLevelStatus":{"code":"outOfStock","type":"StockLevelStatus"},"stockLevel":0,"stockThreshold":null},"futureStocks":null,"availableForPickup":null,"averageRating":null,"numberOfReviews":null,"summary":null,"manufacturer":null,"variantType":null,"price":{"currencyIso":"USD","value":3.1,"priceType":"BUY","formattedValue":"$3.10","minQuantity":null,"maxQuantity":null,"sapUnit":{"code":"pieces","name":"Piece"}},"baseProduct":null,"images":[],"categories":null,"reviews":null,"classifications":null,"potentialPromotions":null,"variantOptions":null,"baseOptions":[],"volumePricesFlag":null,"volumePrices":null,"productReferences":null,"variantMatrix":null,"priceRange":null,"firstCategoryNameList":null,"multidimensional":null,"configurable":false,"configuratorType":null,"addToCartDisabled":null,"addToCartDisabledMessage":null,"tags":null,"sapUnit":null,"keywords":null,"genders":null,"itemtype":"Part","partSubstitute":null,"note":null,"recallNote":null,"note1":null,"note2":null,"note3":null,"note4":null,"note5":null,"pdfAllUser":null,"pdfAuthUser":null,"pdfCOSUser":null,"vaiantRelatedPartList":null,"partHotspotList":null,"itemNumber":null,"partRelatedVariantList":null,"bomCode":2,"totalValue":null,"searchImage":null,"length":null,"width":null,"height":null,"unitOfDimension":null,"weight":null,"unitOfWeight":null,"specialRouting":false,"onlineRepair":null,"previousPartID":null,"sbdDiscountPriceValue":{"currencyIso":"USD","value":3.1,"priceType":"BUY","formattedValue":"$3.10","minQuantity":null,"maxQuantity":null,"sapUnit":{"code":"pieces","name":"Piece"}},"alrCode":null,"productRecallFlag":null,"selectedDocumentId":null,"productDescription":null,"pdpImage":null,"ticketId":null,"qtyRequiredPerVariant":"1","isElgibleForRepair":null,"isPowerEligible":null,"productRecallNotes":null,"productOtherInfo":null,"backorderETA":"00/00/0000","modifiedDate":null,"userLevel":"COS","displayPrice":null,"baseProductName":null,"firstVariantCode":null,"firstVariantImage":null,"productMarketType":null,"productNumber":null,"typeStatusCode":null,"productCategory":null,"typeNumber":null,"marketCode":null,"regionCode":null,"otherInformation":null,"productTypeStatus":null,"repairInstruction":null,"repairInstructionStatusDescription":null,"typeStatusDate":null,"serviceLifeDate":null,"manufacturerId":null,"parts":null,"language":null,"glossaries":null,"brand":null,"product":null,"brandCode":null,"recallNotes":null,"volume":null},{"code":"P532125833-CM","name":null,"url":"/c//p/P532125833-CM","description":"TIRE H.D.","purchasable":true,"stock":{"stockLevelStatus":{"code":"outOfStock","type":"StockLevelStatus"},"stockLevel":0,"stockThreshold":null},"futureStocks":null,"availableForPickup":null,"averageRating":null,"numberOfReviews":null,"summary":null,"manufacturer":null,"variantType":null,"price":{"currencyIso":"USD","value":127.88,"priceType":"BUY","formattedValue":"$127.88","minQuantity":null,"maxQuantity":null,"sapUnit":{"code":"pieces","name":"Piece"}},"baseProduct":null,"images":[],"categories":null,"reviews":null,"classifications":null,"potentialPromotions":null,"variantOptions":null,"baseOptions":[],"volumePricesFlag":null,"volumePrices":null,"productReferences":null,"variantMatrix":null,"priceRange":null,"firstCategoryNameList":null,"multidimensional":null,"configurable":false,"configuratorType":null,"addToCartDisabled":null,"addToCartDisabledMessage":null,"tags":null,"sapUnit":null,"keywords":null,"genders":null,"itemtype":"Part","partSubstitute":null,"note":null,"recallNote":null,"note1":null,"note2":null,"note3":null,"note4":null,"note5":null,"pdfAllUser":null,"pdfAuthUser":null,"pdfCOSUser":null,"vaiantRelatedPartList":null,"partHotspotList":null,"itemNumber":null,"partRelatedVariantList":null,"bomCode":2,"totalValue":null,"searchImage":null,"length":null,"width":null,"height":null,"unitOfDimension":null,"weight":null,"unitOfWeight":null,"specialRouting":false,"onlineRepair":null,"previousPartID":null,"sbdDiscountPriceValue":{"currencyIso":"USD","value":127.88,"priceType":"BUY","formattedValue":"$127.88","minQuantity":null,"maxQuantity":null,"sapUnit":{"code":"pieces","name":"Piece"}},"alrCode":null,"productRecallFlag":null,"selectedDocumentId":null,"productDescription":null,"pdpImage":null,"ticketId":null,"qtyRequiredPerVariant":"1","isElgibleForRepair":null,"isPowerEligible":null,"productRecallNotes":null,"productOtherInfo":null,"backorderETA":"00/00/0000","modifiedDate":null,"userLevel":"COS","displayPrice":null,"baseProductName":null,"firstVariantCode":null,"firstVariantImage":null,"productMarketType":null,"productNumber":null,"typeStatusCode":null,"productCategory":null,"typeNumber":null,"marketCode":null,"regionCode":null,"otherInformation":null,"productTypeStatus":null,"repairInstruction":null,"repairInstructionStatusDescription":null,"typeStatusDate":null,"serviceLifeDate":null,"manufacturerId":null,"parts":null,"language":null,"glossaries":null,"brand":null,"product":null,"brandCode":null,"recallNotes":null,"volume":null},{"code":"P532127218-CM","name":null,"url":"/c//p/P532127218-CM","description":"LINK FRONT","purchasable":true,"stock":{"stockLevelStatus":{"code":"outOfStock","type":"StockLevelStatus"},"stockLevel":0,"stockThreshold":null},"futureStocks":null,"availableForPickup":null,"averageRating":null,"numberOfReviews":null,"summary":null,"manufacturer":null,"variantType":null,"price":{"currencyIso":"USD","value":9.05,"priceType":"BUY","formattedValue":"$9.05","minQuantity":null,"maxQuantity":null,"sapUnit":{"code":"pieces","name":"Piece"}},"baseProduct":null,"images":[],"categories":null,"reviews":null,"classifications":null,"potentialPromotions":null,"variantOptions":null,"baseOptions":[],"volumePricesFlag":null,"volumePrices":null,"productReferences":null,"variantMatrix":null,"priceRange":null,"firstCategoryNameList":null,"multidimensional":null,"configurable":false,"configuratorType":null,"addToCartDisabled":null,"addToCartDisabledMessage":null,"tags":null,"sapUnit":null,"keywords":null,"genders":null,"itemtype":"Part","partSubstitute":null,"note":null,"recallNote":null,"note1":null,"note2":null,"note3":null,"note4":null,"note5":null,"pdfAllUser":null,"pdfAuthUser":null,"pdfCOSUser":null,"vaiantRelatedPartList":null,"partHotspotList":null,"itemNumber":null,"partRelatedVariantList":null,"bomCode":2,"totalValue":null,"searchImage":null,"length":null,"width":null,"height":null,"unitOfDimension":null,"weight":null,"unitOfWeight":null,"specialRouting":false,"onlineRepair":null,"previousPartID":null,"sbdDiscountPriceValue":{"currencyIso":"USD","value":9.05,"priceType":"BUY","formattedValue":"$9.05","minQuantity":null,"maxQuantity":null,"sapUnit":{"code":"pieces","name":"Piece"}},"alrCode":null,"productRecallFlag":null,"selectedDocumentId":null,"productDescription":null,"pdpImage":null,"ticketId":null,"qtyRequiredPerVariant":"1","isElgibleForRepair":null,"isPowerEligible":null,"productRecallNotes":null,"productOtherInfo":null,"backorderETA":"00/00/0000","modifiedDate":null,"userLevel":"COS","displayPrice":null,"baseProductName":null,"firstVariantCode":null,"firstVariantImage":null,"productMarketType":null,"productNumber":null,"typeStatusCode":null,"productCategory":null,"typeNumber":null,"marketCode":null,"regionCode":null,"otherInformation":null,"productTypeStatus":null,"repairInstruction":null,"repairInstructionStatusDescription":null,"typeStatusDate":null,"serviceLifeDate":null,"manufacturerId":null,"parts":null,"language":null,"glossaries":null,"brand":null,"product":null,"brandCode":null,"recallNotes":null,"volume":null},{"code":"P532127274-CM","name":null,"url":"/c//p/P532127274-CM","description":"KEEPER","purchasable":true,"stock":{"stockLevelStatus":{"code":"outOfStock","type":"StockLevelStatus"},"stockLevel":0,"stockThreshold":null},"futureStocks":null,"availableForPickup":null,"averageRating":null,"numberOfReviews":null,"summary":null,"manufacturer":null,"variantType":null,"price":{"currencyIso":"USD","value":2.42,"priceType":"BUY","formattedValue":"$2.42","minQuantity":null,"maxQuantity":null,"sapUnit":{"code":"pieces","name":"Piece"}},"baseProduct":null,"images":[],"categories":null,"reviews":null,"classifications":null,"potentialPromotions":null,"variantOptions":null,"baseOptions":[],"volumePricesFlag":null,"volumePrices":null,"productReferences":null,"variantMatrix":null,"priceRange":null,"firstCategoryNameList":null,"multidimensional":null,"configurable":false,"configuratorType":null,"addToCartDisabled":null,"addToCartDisabledMessage":null,"tags":null,"sapUnit":null,"keywords":null,"genders":null,"itemtype":"Part","partSubstitute":null,"note":null,"recallNote":null,"note1":null,"note2":null,"note3":null,"note4":null,"note5":null,"pdfAllUser":null,"pdfAuthUser":null,"pdfCOSUser":null,"vaiantRelatedPartList":null,"partHotspotList":null,"itemNumber":null,"partRelatedVariantList":null,"bomCode":2,"totalValue":null,"searchImage":null,"length":null,"width":null,"height":null,"unitOfDimension":null,"weight":null,"unitOfWeight":null,"specialRouting":false,"onlineRepair":null,"previousPartID":null,"sbdDiscountPriceValue":{"currencyIso":"USD","value":2.42,"priceType":"BUY","formattedValue":"$2.42","minQuantity":null,"maxQuantity":null,"sapUnit":{"code":"pieces","name":"Piece"}},"alrCode":null,"productRecallFlag":null,"selectedDocumentId":null,"productDescription":null,"pdpImage":null,"ticketId":null,"qtyRequiredPerVariant":"1","isElgibleForRepair":null,"isPowerEligible":null,"productRecallNotes":null,"productOtherInfo":null,"backorderETA":"00/00/0000","modifiedDate":null,"userLevel":"COS","displayPrice":null,"baseProductName":null,"firstVariantCode":null,"firstVariantImage":null,"productMarketType":null,"productNumber":null,"typeStatusCode":null,"productCategory":null,"typeNumber":null,"marketCode":null,"regionCode":null,"otherInformation":null,"productTypeStatus":null,"repairInstruction":null,"repairInstructionStatusDescription":null,"typeStatusDate":null,"serviceLifeDate":null,"manufacturerId":null,"parts":null,"language":null,"glossaries":null,"brand":null,"product":null,"brandCode":null,"recallNotes":null,"volume":null},{"code":"P532127285-CM","name":null,"url":"/c//p/P532127285-CM","description":"STRAP TORQUE","purchasable":true,"stock":{"stockLevelStatus":{"code":"outOfStock","type":"StockLevelStatus"},"stockLevel":0,"stockThreshold":null},"futureStocks":null,"availableForPickup":null,"averageRating":null,"numberOfReviews":null,"summary":null,"manufacturer":null,"variantType":null,"price":{"currencyIso":"USD","value":3.1,"priceType":"BUY","formattedValue":"$3.10","minQuantity":null,"maxQuantity":null,"sapUnit":{"code":"pieces","name":"Piece"}},"baseProduct":null,"images":[],"categories":null,"reviews":null,"classifications":null,"potentialPromotions":null,"variantOptions":null,"baseOptions":[],"volumePricesFlag":null,"volumePrices":null,"productReferences":null,"variantMatrix":null,"priceRange":null,"firstCategoryNameList":null,"multidimensional":null,"configurable":false,"configuratorType":null,"addToCartDisabled":null,"addToCartDisabledMessage":null,"tags":null,"sapUnit":null,"keywords":null,"genders":null,"itemtype":"Part","partSubstitute":null,"note":null,"recallNote":null,"note1":null,"note2":null,"note3":null,"note4":null,"note5":null,"pdfAllUser":null,"pdfAuthUser":null,"pdfCOSUser":null,"vaiantRelatedPartList":null,"partHotspotList":null,"itemNumber":null,"partRelatedVariantList":null,"bomCode":2,"totalValue":null,"searchImage":null,"length":null,"width":null,"height":null,"unitOfDimension":null,"weight":null,"unitOfWeight":null,"specialRouting":false,"onlineRepair":null,"previousPartID":null,"sbdDiscountPriceValue":{"currencyIso":"USD","value":3.1,"priceType":"BUY","formattedValue":"$3.10","minQuantity":null,"maxQuantity":null,"sapUnit":{"code":"pieces","name":"Piece"}},"alrCode":null,"productRecallFlag":null,"selectedDocumentId":null,"productDescription":null,"pdpImage":null,"ticketId":null,"qtyRequiredPerVariant":"1","isElgibleForRepair":null,"isPowerEligible":null,"productRecallNotes":null,"productOtherInfo":null,"backorderETA":"00/00/0000","modifiedDate":null,"userLevel":"COS","displayPrice":null,"baseProductName":null,"firstVariantCode":null,"firstVariantImage":null,"productMarketType":null,"productNumber":null,"typeStatusCode":null,"productCategory":null,"typeNumber":null,"marketCode":null,"regionCode":null,"otherInformation":null,"productTypeStatus":null,"repairInstruction":null,"repairInstructionStatusDescription":null,"typeStatusDate":null,"serviceLifeDate":null,"manufacturerId":null,"parts":null,"language":null,"glossaries":null,"brand":null,"product":null,"brandCode":null,"recallNotes":null,"volume":null},{"code":"P532128774-CM","name":null,"url":"/c//p/P532128774-CM","description":"HOUSING.MANDREL.","purchasable":true,"stock":{"stockLevelStatus":{"code":"outOfStock","type":"StockLevelStatus"},"stockLevel":0,"stockThreshold":null},"futureStocks":null,"availableForPickup":null,"averageRating":null,"numberOfReviews":null,"summary":null,"manufacturer":null,"variantType":null,"price":{"currencyIso":"USD","value":20.99,"priceType":"BUY","formattedValue":"$20.99","minQuantity":null,"maxQuantity":null,"sapUnit":{"code":"pieces","name":"Piece"}},"baseProduct":null,"images":[],"categories":null,"reviews":null,"classifications":null,"potentialPromotions":null,"variantOptions":null,"baseOptions":[],"volumePricesFlag":null,"volumePrices":null,"productReferences":null,"variantMatrix":null,"priceRange":null,"firstCategoryNameList":null,"multidimensional":null,"configurable":false,"configuratorType":null,"addToCartDisabled":null,"addToCartDisabledMessage":null,"tags":null,"sapUnit":null,"keywords":null,"genders":null,"itemtype":"Part","partSubstitute":null,"note":null,"recallNote":null,"note1":null,"note2":null,"note3":null,"note4":null,"note5":null,"pdfAllUser":null,"pdfAuthUser":null,"pdfCOSUser":null,"vaiantRelatedPartList":null,"partHotspotList":null,"itemNumber":null,"partRelatedVariantList":null,"bomCode":2,"totalValue":null,"searchImage":null,"length":null,"width":null,"height":null,"unitOfDimension":null,"weight":null,"unitOfWeight":null,"specialRouting":false,"onlineRepair":null,"previousPartID":null,"sbdDiscountPriceValue":{"currencyIso":"USD","value":20.99,"priceType":"BUY","formattedValue":"$20.99","minQuantity":null,"maxQuantity":null,"sapUnit":{"code":"pieces","name":"Piece"}},"alrCode":null,"productRecallFlag":null,"selectedDocumentId":null,"productDescription":null,"pdpImage":null,"ticketId":null,"qtyRequiredPerVariant":"1","isElgibleForRepair":null,"isPowerEligible":null,"productRecallNotes":null,"productOtherInfo":null,"backorderETA":"00/00/0000","modifiedDate":null,"userLevel":"COS","displayPrice":null,"baseProductName":null,"firstVariantCode":null,"firstVariantImage":null,"productMarketType":null,"productNumber":null,"typeStatusCode":null,"productCategory":null,"typeNumber":null,"marketCode":null,"regionCode":null,"otherInformation":null,"productTypeStatus":null,"repairInstruction":null,"repairInstructionStatusDescription":null,"typeStatusDate":null,"serviceLifeDate":null,"manufacturerId":null,"parts":null,"language":null,"glossaries":null,"brand":null,"product":null,"brandCode":null,"recallNotes":null,"volume":null},{"code":"P532128903-CM","name":null,"url":"/c//p/P532128903-CM","description":"BOLT","purchasable":true,"stock":{"stockLevelStatus":{"code":"outOfStock","type":"StockLevelStatus"},"stockLevel":0,"stockThreshold":null},"futureStocks":null,"availableForPickup":null,"averageRating":null,"numberOfReviews":null,"summary":null,"manufacturer":null,"variantType":null,"price":{"currencyIso":"USD","value":3.1,"priceType":"BUY","formattedValue":"$3.10","minQuantity":null,"maxQuantity":null,"sapUnit":{"code":"pieces","name":"Piece"}},"baseProduct":null,"images":[],"categories":null,"reviews":null,"classifications":null,"potentialPromotions":null,"variantOptions":null,"baseOptions":[],"volumePricesFlag":null,"volumePrices":null,"productReferences":null,"variantMatrix":null,"priceRange":null,"firstCategoryNameList":null,"multidimensional":null,"configurable":false,"configuratorType":null,"addToCartDisabled":null,"addToCartDisabledMessage":null,"tags":null,"sapUnit":null,"keywords":null,"genders":null,"itemtype":"Part","partSubstitute":null,"note":null,"recallNote":null,"note1":null,"note2":null,"note3":null,"note4":null,"note5":null,"pdfAllUser":null,"pdfAuthUser":null,"pdfCOSUser":null,"vaiantRelatedPartList":null,"partHotspotList":null,"itemNumber":null,"partRelatedVariantList":null,"bomCode":2,"totalValue":null,"searchImage":null,"length":null,"width":null,"height":null,"unitOfDimension":null,"weight":null,"unitOfWeight":null,"specialRouting":false,"onlineRepair":null,"previousPartID":null,"sbdDiscountPriceValue":{"currencyIso":"USD","value":3.1,"priceType":"BUY","formattedValue":"$3.10","minQuantity":null,"maxQuantity":null,"sapUnit":{"code":"pieces","name":"Piece"}},"alrCode":null,"productRecallFlag":null,"selectedDocumentId":null,"productDescription":null,"pdpImage":null,"ticketId":null,"qtyRequiredPerVariant":"1","isElgibleForRepair":null,"isPowerEligible":null,"productRecallNotes":null,"productOtherInfo":null,"backorderETA":"00/00/0000","modifiedDate":null,"userLevel":"COS","displayPrice":null,"baseProductName":null,"firstVariantCode":null,"firstVariantImage":null,"productMarketType":null,"productNumber":null,"typeStatusCode":null,"productCategory":null,"typeNumber":null,"marketCode":null,"regionCode":null,"otherInformation":null,"productTypeStatus":null,"repairInstruction":null,"repairInstructionStatusDescription":null,"typeStatusDate":null,"serviceLifeDate":null,"manufacturerId":null,"parts":null,"language":null,"glossaries":null,"brand":null,"product":null,"brandCode":null,"recallNotes":null,"volume":null},{"code":"P532131870-CM","name":null,"url":"/c//p/P532131870-CM","description":"RETURN SPRIN","purchasable":true,"stock":{"stockLevelStatus":{"code":"outOfStock","type":"StockLevelStatus"},"stockLevel":0,"stockThreshold":null},"futureStocks":null,"availableForPickup":null,"averageRating":null,"numberOfReviews":null,"summary":null,"manufacturer":null,"variantType":null,"price":{"currencyIso":"USD","value":9.54,"priceType":"BUY","formattedValue":"$9.54","minQuantity":null,"maxQuantity":null,"sapUnit":{"code":"pieces","name":"Piece"}},"baseProduct":null,"images":[],"categories":null,"reviews":null,"classifications":null,"potentialPromotions":null,"variantOptions":null,"baseOptions":[],"volumePricesFlag":null,"volumePrices":null,"productReferences":null,"variantMatrix":null,"priceRange":null,"firstCategoryNameList":null,"multidimensional":null,"configurable":false,"configuratorType":null,"addToCartDisabled":null,"addToCartDisabledMessage":null,"tags":null,"sapUnit":null,"keywords":null,"genders":null,"itemtype":"Part","partSubstitute":null,"note":null,"recallNote":null,"note1":null,"note2":null,"note3":null,"note4":null,"note5":null,"pdfAllUser":null,"pdfAuthUser":null,"pdfCOSUser":null,"vaiantRelatedPartList":null,"partHotspotList":null,"itemNumber":null,"partRelatedVariantList":null,"bomCode":2,"totalValue":null,"searchImage":null,"length":null,"width":null,"height":null,"unitOfDimension":null,"weight":null,"unitOfWeight":null,"specialRouting":false,"onlineRepair":null,"previousPartID":null,"sbdDiscountPriceValue":{"currencyIso":"USD","value":9.54,"priceType":"BUY","formattedValue":"$9.54","minQuantity":null,"maxQuantity":null,"sapUnit":{"code":"pieces","name":"Piece"}},"alrCode":null,"productRecallFlag":null,"selectedDocumentId":null,"productDescription":null,"pdpImage":null,"ticketId":null,"qtyRequiredPerVariant":"1","isElgibleForRepair":null,"isPowerEligible":null,"productRecallNotes":null,"productOtherInfo":null,"backorderETA":"00/00/0000","modifiedDate":null,"userLevel":"COS","displayPrice":null,"baseProductName":null,"firstVariantCode":null,"firstVariantImage":null,"productMarketType":null,"productNumber":null,"typeStatusCode":null,"productCategory":null,"typeNumber":null,"marketCode":null,"regionCode":null,"otherInformation":null,"productTypeStatus":null,"repairInstruction":null,"repairInstructionStatusDescription":null,"typeStatusDate":null,"serviceLifeDate":null,"manufacturerId":null,"parts":null,"language":null,"glossaries":null,"brand":null,"product":null,"brandCode":null,"recallNotes":null,"volume":null},{"code":"P532133835-CM","name":null,"url":"/c//p/P532133835-CM","description":"FASTENER.XMAS.TREE","purchasable":true,"stock":{"stockLevelStatus":{"code":"outOfStock","type":"StockLevelStatus"},"stockLevel":0,"stockThreshold":null},"futureStocks":null,"availableForPickup":null,"averageRating":null,"numberOfReviews":null,"summary":null,"manufacturer":null,"variantType":null,"price":{"currencyIso":"USD","value":3.1,"priceType":"BUY","formattedValue":"$3.10","minQuantity":null,"maxQuantity":null,"sapUnit":{"code":"pieces","name":"Piece"}},"baseProduct":null,"images":[],"categories":null,"reviews":null,"classifications":null,"potentialPromotions":null,"variantOptions":null,"baseOptions":[],"volumePricesFlag":null,"volumePrices":null,"productReferences":null,"variantMatrix":null,"priceRange":null,"firstCategoryNameList":null,"multidimensional":null,"configurable":false,"configuratorType":null,"addToCartDisabled":null,"addToCartDisabledMessage":null,"tags":null,"sapUnit":null,"keywords":null,"genders":null,"itemtype":"Part","partSubstitute":null,"note":null,"recallNote":null,"note1":null,"note2":null,"note3":null,"note4":null,"note5":null,"pdfAllUser":null,"pdfAuthUser":null,"pdfCOSUser":null,"vaiantRelatedPartList":null,"partHotspotList":null,"itemNumber":null,"partRelatedVariantList":null,"bomCode":2,"totalValue":null,"searchImage":null,"length":null,"width":null,"height":null,"unitOfDimension":null,"weight":null,"unitOfWeight":null,"specialRouting":false,"onlineRepair":null,"previousPartID":null,"sbdDiscountPriceValue":{"currencyIso":"USD","value":3.1,"priceType":"BUY","formattedValue":"$3.10","minQuantity":null,"maxQuantity":null,"sapUnit":{"code":"pieces","name":"Piece"}},"alrCode":null,"productRecallFlag":null,"selectedDocumentId":null,"productDescription":null,"pdpImage":null,"ticketId":null,"qtyRequiredPerVariant":"1","isElgibleForRepair":null,"isPowerEligible":null,"productRecallNotes":null,"productOtherInfo":null,"backorderETA":"00/00/0000","modifiedDate":null,"userLevel":"COS","displayPrice":null,"baseProductName":null,"firstVariantCode":null,"firstVariantImage":null,"productMarketType":null,"productNumber":null,"typeStatusCode":null,"productCategory":null,"typeNumber":null,"marketCode":null,"regionCode":null,"otherInformation":null,"productTypeStatus":null,"repairInstruction":null,"repairInstructionStatusDescription":null,"typeStatusDate":null,"serviceLifeDate":null,"manufacturerId":null,"parts":null,"language":null,"glossaries":null,"brand":null,"product":null,"brandCode":null,"recallNotes":null,"volume":null},{"code":"P532133944-CM","name":null,"url":"/c//p/P532133944-CM","description":"WASHER","purchasable":true,"stock":{"stockLevelStatus":{"code":"outOfStock","type":"StockLevelStatus"},"stockLevel":0,"stockThreshold":null},"futureStocks":null,"availableForPickup":null,"averageRating":null,"numberOfReviews":null,"summary":null,"manufacturer":null,"variantType":null,"price":{"currencyIso":"USD","value":2.65,"priceType":"BUY","formattedValue":"$2.65","minQuantity":null,"maxQuantity":null,"sapUnit":{"code":"pieces","name":"Piece"}},"baseProduct":null,"images":[],"categories":null,"reviews":null,"classifications":null,"potentialPromotions":null,"variantOptions":null,"baseOptions":[],"volumePricesFlag":null,"volumePrices":null,"productReferences":null,"variantMatrix":null,"priceRange":null,"firstCategoryNameList":null,"multidimensional":null,"configurable":false,"configuratorType":null,"addToCartDisabled":null,"addToCartDisabledMessage":null,"tags":null,"sapUnit":null,"keywords":null,"genders":null,"itemtype":"Part","partSubstitute":null,"note":null,"recallNote":null,"note1":null,"note2":null,"note3":null,"note4":null,"note5":null,"pdfAllUser":null,"pdfAuthUser":null,"pdfCOSUser":null,"vaiantRelatedPartList":null,"partHotspotList":null,"itemNumber":null,"partRelatedVariantList":null,"bomCode":2,"totalValue":null,"searchImage":null,"length":null,"width":null,"height":null,"unitOfDimension":null,"weight":null,"unitOfWeight":null,"specialRouting":false,"onlineRepair":null,"previousPartID":null,"sbdDiscountPriceValue":{"currencyIso":"USD","value":2.65,"priceType":"BUY","formattedValue":"$2.65","minQuantity":null,"maxQuantity":null,"sapUnit":{"code":"pieces","name":"Piece"}},"alrCode":null,"productRecallFlag":null,"selectedDocumentId":null,"productDescription":null,"pdpImage":null,"ticketId":null,"qtyRequiredPerVariant":"1","isElgibleForRepair":null,"isPowerEligible":null,"productRecallNotes":null,"productOtherInfo":null,"backorderETA":"00/00/0000","modifiedDate":null,"userLevel":"COS","displayPrice":null,"baseProductName":null,"firstVariantCode":null,"firstVariantImage":null,"productMarketType":null,"productNumber":null,"typeStatusCode":null,"productCategory":null,"typeNumber":null,"marketCode":null,"regionCode":null,"otherInformation":null,"productTypeStatus":null,"repairInstruction":null,"repairInstructionStatusDescription":null,"typeStatusDate":null,"serviceLifeDate":null,"manufacturerId":null,"parts":null,"language":null,"glossaries":null,"brand":null,"product":null,"brandCode":null,"recallNotes":null,"volume":null},{"code":"P532137057-CM","name":null,"url":"/c//p/P532137057-CM","description":"SPACER AXLE","purchasable":true,"stock":{"stockLevelStatus":{"code":"outOfStock","type":"StockLevelStatus"},"stockLevel":0,"stockThreshold":null},"futureStocks":null,"availableForPickup":null,"averageRating":null,"numberOfReviews":null,"summary":null,"manufacturer":null,"variantType":null,"price":{"currencyIso":"USD","value":3.1,"priceType":"BUY","formattedValue":"$3.10","minQuantity":null,"maxQuantity":null,"sapUnit":{"code":"pieces","name":"Piece"}},"baseProduct":null,"images":[],"categories":null,"reviews":null,"classifications":null,"potentialPromotions":null,"variantOptions":null,"baseOptions":[],"volumePricesFlag":null,"volumePrices":null,"productReferences":null,"variantMatrix":null,"priceRange":null,"firstCategoryNameList":null,"multidimensional":null,"configurable":false,"configuratorType":null,"addToCartDisabled":null,"addToCartDisabledMessage":null,"tags":null,"sapUnit":null,"keywords":null,"genders":null,"itemtype":"Part","partSubstitute":null,"note":null,"recallNote":null,"note1":null,"note2":null,"note3":null,"note4":null,"note5":null,"pdfAllUser":null,"pdfAuthUser":null,"pdfCOSUser":null,"vaiantRelatedPartList":null,"partHotspotList":null,"itemNumber":null,"partRelatedVariantList":null,"bomCode":2,"totalValue":null,"searchImage":null,"length":null,"width":null,"height":null,"unitOfDimension":null,"weight":null,"unitOfWeight":null,"specialRouting":false,"onlineRepair":null,"previousPartID":null,"sbdDiscountPriceValue":{"currencyIso":"USD","value":3.1,"priceType":"BUY","formattedValue":"$3.10","minQuantity":null,"maxQuantity":null,"sapUnit":{"code":"pieces","name":"Piece"}},"alrCode":null,"productRecallFlag":null,"selectedDocumentId":null,"productDescription":null,"pdpImage":null,"ticketId":null,"qtyRequiredPerVariant":"1","isElgibleForRepair":null,"isPowerEligible":null,"productRecallNotes":null,"productOtherInfo":null,"backorderETA":"00/00/0000","modifiedDate":null,"userLevel":"COS","displayPrice":null,"baseProductName":null,"firstVariantCode":null,"firstVariantImage":null,"productMarketType":null,"productNumber":null,"typeStatusCode":null,"productCategory":null,"typeNumber":null,"marketCode":null,"regionCode":null,"otherInformation":null,"productTypeStatus":null,"repairInstruction":null,"repairInstructionStatusDescription":null,"typeStatusDate":null,"serviceLifeDate":null,"manufacturerId":null,"parts":null,"language":null,"glossaries":null,"brand":null,"product":null,"brandCode":null,"recallNotes":null,"volume":null},{"code":"P532137646-CM","name":null,"url":"/c//p/P532137646-CM","description":"KIT MANDREL","purchasable":true,"stock":{"stockLevelStatus":{"code":"outOfStock","type":"StockLevelStatus"},"stockLevel":0,"stockThreshold":null},"futureStocks":null,"availableForPickup":null,"averageRating":null,"numberOfReviews":null,"summary":null,"manufacturer":null,"variantType":null,"price":{"currencyIso":"USD","value":17.84,"priceType":"BUY","formattedValue":"$17.84","minQuantity":null,"maxQuantity":null,"sapUnit":{"code":"pieces","name":"Piece"}},"baseProduct":null,"images":[],"categories":null,"reviews":null,"classifications":null,"potentialPromotions":null,"variantOptions":null,"baseOptions":[],"volumePricesFlag":null,"volumePrices":null,"productReferences":null,"variantMatrix":null,"priceRange":null,"firstCategoryNameList":null,"multidimensional":null,"configurable":false,"configuratorType":null,"addToCartDisabled":null,"addToCartDisabledMessage":null,"tags":null,"sapUnit":null,"keywords":null,"genders":null,"itemtype":"Part","partSubstitute":null,"note":null,"recallNote":null,"note1":null,"note2":null,"note3":null,"note4":null,"note5":null,"pdfAllUser":null,"pdfAuthUser":null,"pdfCOSUser":null,"vaiantRelatedPartList":null,"partHotspotList":null,"itemNumber":null,"partRelatedVariantList":null,"bomCode":2,"totalValue":null,"searchImage":null,"length":null,"width":null,"height":null,"unitOfDimension":null,"weight":null,"unitOfWeight":null,"specialRouting":false,"onlineRepair":null,"previousPartID":null,"sbdDiscountPriceValue":{"currencyIso":"USD","value":17.84,"priceType":"BUY","formattedValue":"$17.84","minQuantity":null,"maxQuantity":null,"sapUnit":{"code":"pieces","name":"Piece"}},"alrCode":null,"productRecallFlag":null,"selectedDocumentId":null,"productDescription":null,"pdpImage":null,"ticketId":null,"qtyRequiredPerVariant":"1","isElgibleForRepair":null,"isPowerEligible":null,"productRecallNotes":null,"productOtherInfo":null,"backorderETA":"00/00/0000","modifiedDate":null,"userLevel":"COS","displayPrice":null,"baseProductName":null,"firstVariantCode":null,"firstVariantImage":null,"productMarketType":null,"productNumber":null,"typeStatusCode":null,"productCategory":null,"typeNumber":null,"marketCode":null,"regionCode":null,"otherInformation":null,"productTypeStatus":null,"repairInstruction":null,"repairInstructionStatusDescription":null,"typeStatusDate":null,"serviceLifeDate":null,"manufacturerId":null,"parts":null,"language":null,"glossaries":null,"brand":null,"product":null,"brandCode":null,"recallNotes":null,"volume":null},{"code":"P532138017-CM","name":null,"url":"/c//p/P532138017-CM","description":"BRKT ASM SWAY BAR","purchasable":true,"stock":{"stockLevelStatus":{"code":"outOfStock","type":"StockLevelStatus"},"stockLevel":0,"stockThreshold":null},"futureStocks":null,"availableForPickup":null,"averageRating":null,"numberOfReviews":null,"summary":null,"manufacturer":null,"variantType":null,"price":{"currencyIso":"USD","value":7.44,"priceType":"BUY","formattedValue":"$7.44","minQuantity":null,"maxQuantity":null,"sapUnit":{"code":"pieces","name":"Piece"}},"baseProduct":null,"images":[],"categories":null,"reviews":null,"classifications":null,"potentialPromotions":null,"variantOptions":null,"baseOptions":[],"volumePricesFlag":null,"volumePrices":null,"productReferences":null,"variantMatrix":null,"priceRange":null,"firstCategoryNameList":null,"multidimensional":null,"configurable":false,"configuratorType":null,"addToCartDisabled":null,"addToCartDisabledMessage":null,"tags":null,"sapUnit":null,"keywords":null,"genders":null,"itemtype":"Part","partSubstitute":null,"note":null,"recallNote":null,"note1":null,"note2":null,"note3":null,"note4":null,"note5":null,"pdfAllUser":null,"pdfAuthUser":null,"pdfCOSUser":null,"vaiantRelatedPartList":null,"partHotspotList":null,"itemNumber":null,"partRelatedVariantList":null,"bomCode":2,"totalValue":null,"searchImage":null,"length":null,"width":null,"height":null,"unitOfDimension":null,"weight":null,"unitOfWeight":null,"specialRouting":false,"onlineRepair":null,"previousPartID":null,"sbdDiscountPriceValue":{"currencyIso":"USD","value":7.44,"priceType":"BUY","formattedValue":"$7.44","minQuantity":null,"maxQuantity":null,"sapUnit":{"code":"pieces","name":"Piece"}},"alrCode":null,"productRecallFlag":null,"selectedDocumentId":null,"productDescription":null,"pdpImage":null,"ticketId":null,"qtyRequiredPerVariant":"1","isElgibleForRepair":null,"isPowerEligible":null,"productRecallNotes":null,"productOtherInfo":null,"backorderETA":"00/00/0000","modifiedDate":null,"userLevel":"COS","displayPrice":null,"baseProductName":null,"firstVariantCode":null,"firstVariantImage":null,"productMarketType":null,"productNumber":null,"typeStatusCode":null,"productCategory":null,"typeNumber":null,"marketCode":null,"regionCode":null,"otherInformation":null,"productTypeStatus":null,"repairInstruction":null,"repairInstructionStatusDescription":null,"typeStatusDate":null,"serviceLifeDate":null,"manufacturerId":null,"parts":null,"language":null,"glossaries":null,"brand":null,"product":null,"brandCode":null,"recallNotes":null,"volume":null},{"code":"P532138129-CM","name":null,"url":"/c//p/P532138129-CM","description":"CLAMP","purchasable":true,"stock":{"stockLevelStatus":{"code":"outOfStock","type":"StockLevelStatus"},"stockLevel":0,"stockThreshold":null},"futureStocks":null,"availableForPickup":null,"averageRating":null,"numberOfReviews":null,"summary":null,"manufacturer":null,"variantType":null,"price":{"currencyIso":"USD","value":2.76,"priceType":"BUY","formattedValue":"$2.76","minQuantity":null,"maxQuantity":null,"sapUnit":{"code":"pieces","name":"Piece"}},"baseProduct":null,"images":[],"categories":null,"reviews":null,"classifications":null,"potentialPromotions":null,"variantOptions":null,"baseOptions":[],"volumePricesFlag":null,"volumePrices":null,"productReferences":null,"variantMatrix":null,"priceRange":null,"firstCategoryNameList":null,"multidimensional":null,"configurable":false,"configuratorType":null,"addToCartDisabled":null,"addToCartDisabledMessage":null,"tags":null,"sapUnit":null,"keywords":null,"genders":null,"itemtype":"Part","partSubstitute":null,"note":null,"recallNote":null,"note1":null,"note2":null,"note3":null,"note4":null,"note5":null,"pdfAllUser":null,"pdfAuthUser":null,"pdfCOSUser":null,"vaiantRelatedPartList":null,"partHotspotList":null,"itemNumber":null,"partRelatedVariantList":null,"bomCode":2,"totalValue":null,"searchImage":null,"length":null,"width":null,"height":null,"unitOfDimension":null,"weight":null,"unitOfWeight":null,"specialRouting":false,"onlineRepair":null,"previousPartID":null,"sbdDiscountPriceValue":{"currencyIso":"USD","value":2.76,"priceType":"BUY","formattedValue":"$2.76","minQuantity":null,"maxQuantity":null,"sapUnit":{"code":"pieces","name":"Piece"}},"alrCode":null,"productRecallFlag":null,"selectedDocumentId":null,"productDescription":null,"pdpImage":null,"ticketId":null,"qtyRequiredPerVariant":"1","isElgibleForRepair":null,"isPowerEligible":null,"productRecallNotes":null,"productOtherInfo":null,"backorderETA":"00/00/0000","modifiedDate":null,"userLevel":"COS","displayPrice":null,"baseProductName":null,"firstVariantCode":null,"firstVariantImage":null,"productMarketType":null,"productNumber":null,"typeStatusCode":null,"productCategory":null,"typeNumber":null,"marketCode":null,"regionCode":null,"otherInformation":null,"productTypeStatus":null,"repairInstruction":null,"repairInstructionStatusDescription":null,"typeStatusDate":null,"serviceLifeDate":null,"manufacturerId":null,"parts":null,"language":null,"glossaries":null,"brand":null,"product":null,"brandCode":null,"recallNotes":null,"volume":null},{"code":"P532138255-CM","name":null,"url":"/c//p/P532138255-CM","description":"BELT","purchasable":true,"stock":{"stockLevelStatus":{"code":"outOfStock","type":"StockLevelStatus"},"stockLevel":0,"stockThreshold":null},"futureStocks":null,"availableForPickup":null,"averageRating":null,"numberOfReviews":null,"summary":null,"manufacturer":null,"variantType":null,"price":{"currencyIso":"USD","value":26.24,"priceType":"BUY","formattedValue":"$26.24","minQuantity":null,"maxQuantity":null,"sapUnit":{"code":"pieces","name":"Piece"}},"baseProduct":null,"images":[],"categories":null,"reviews":null,"classifications":null,"potentialPromotions":null,"variantOptions":null,"baseOptions":[],"volumePricesFlag":null,"volumePrices":null,"productReferences":null,"variantMatrix":null,"priceRange":null,"firstCategoryNameList":null,"multidimensional":null,"configurable":false,"configuratorType":null,"addToCartDisabled":null,"addToCartDisabledMessage":null,"tags":null,"sapUnit":null,"keywords":null,"genders":null,"itemtype":"Part","partSubstitute":null,"note":null,"recallNote":null,"note1":null,"note2":null,"note3":null,"note4":null,"note5":null,"pdfAllUser":null,"pdfAuthUser":null,"pdfCOSUser":null,"vaiantRelatedPartList":null,"partHotspotList":null,"itemNumber":null,"partRelatedVariantList":null,"bomCode":6,"totalValue":null,"searchImage":null,"length":null,"width":null,"height":null,"unitOfDimension":null,"weight":null,"unitOfWeight":null,"specialRouting":false,"onlineRepair":null,"previousPartID":null,"sbdDiscountPriceValue":{"currencyIso":"USD","value":26.24,"priceType":"BUY","formattedValue":"$26.24","minQuantity":null,"maxQuantity":null,"sapUnit":{"code":"pieces","name":"Piece"}},"alrCode":null,"productRecallFlag":null,"selectedDocumentId":null,"productDescription":null,"pdpImage":null,"ticketId":null,"qtyRequiredPerVariant":"1","isElgibleForRepair":null,"isPowerEligible":null,"productRecallNotes":null,"productOtherInfo":null,"backorderETA":"00/00/0000","modifiedDate":null,"userLevel":"COS","displayPrice":null,"baseProductName":null,"firstVariantCode":null,"firstVariantImage":null,"productMarketType":null,"productNumber":null,"typeStatusCode":null,"productCategory":null,"typeNumber":null,"marketCode":null,"regionCode":null,"otherInformation":null,"productTypeStatus":null,"repairInstruction":null,"repairInstructionStatusDescription":null,"typeStatusDate":null,"serviceLifeDate":null,"manufacturerId":null,"parts":null,"language":null,"glossaries":null,"brand":null,"product":null,"brandCode":null,"recallNotes":null,"volume":null},{"code":"P532138440-CM","name":null,"url":"/c//p/P532138440-CM","description":"BRKT DECK SW","purchasable":true,"stock":{"stockLevelStatus":{"code":"outOfStock","type":"StockLevelStatus"},"stockLevel":0,"stockThreshold":null},"futureStocks":null,"availableForPickup":null,"averageRating":null,"numberOfReviews":null,"summary":null,"manufacturer":null,"variantType":null,"price":{"currencyIso":"USD","value":3.1,"priceType":"BUY","formattedValue":"$3.10","minQuantity":null,"maxQuantity":null,"sapUnit":{"code":"pieces","name":"Piece"}},"baseProduct":null,"images":[],"categories":null,"reviews":null,"classifications":null,"potentialPromotions":null,"variantOptions":null,"baseOptions":[],"volumePricesFlag":null,"volumePrices":null,"productReferences":null,"variantMatrix":null,"priceRange":null,"firstCategoryNameList":null,"multidimensional":null,"configurable":false,"configuratorType":null,"addToCartDisabled":null,"addToCartDisabledMessage":null,"tags":null,"sapUnit":null,"keywords":null,"genders":null,"itemtype":"Part","partSubstitute":null,"note":null,"recallNote":null,"note1":null,"note2":null,"note3":null,"note4":null,"note5":null,"pdfAllUser":null,"pdfAuthUser":null,"pdfCOSUser":null,"vaiantRelatedPartList":null,"partHotspotList":null,"itemNumber":null,"partRelatedVariantList":null,"bomCode":2,"totalValue":null,"searchImage":null,"length":null,"width":null,"height":null,"unitOfDimension":null,"weight":null,"unitOfWeight":null,"specialRouting":false,"onlineRepair":null,"previousPartID":null,"sbdDiscountPriceValue":{"currencyIso":"USD","value":3.1,"priceType":"BUY","formattedValue":"$3.10","minQuantity":null,"maxQuantity":null,"sapUnit":{"code":"pieces","name":"Piece"}},"alrCode":null,"productRecallFlag":null,"selectedDocumentId":null,"productDescription":null,"pdpImage":null,"ticketId":null,"qtyRequiredPerVariant":"1","isElgibleForRepair":null,"isPowerEligible":null,"productRecallNotes":null,"productOtherInfo":null,"backorderETA":"00/00/0000","modifiedDate":null,"userLevel":"COS","displayPrice":null,"baseProductName":null,"firstVariantCode":null,"firstVariantImage":null,"productMarketType":null,"productNumber":null,"typeStatusCode":null,"productCategory":null,"typeNumber":null,"marketCode":null,"regionCode":null,"otherInformation":null,"productTypeStatus":null,"repairInstruction":null,"repairInstructionStatusDescription":null,"typeStatusDate":null,"serviceLifeDate":null,"manufacturerId":null,"parts":null,"language":null,"glossaries":null,"brand":null,"product":null,"brandCode":null,"recallNotes":null,"volume":null},{"code":"P532139245-CM","name":null,"url":"/c//p/P532139245-CM","description":"PULLEY","purchasable":true,"stock":{"stockLevelStatus":{"code":"outOfStock","type":"StockLevelStatus"},"stockLevel":0,"stockThreshold":null},"futureStocks":null,"availableForPickup":null,"averageRating":null,"numberOfReviews":null,"summary":null,"manufacturer":null,"variantType":null,"price":{"currencyIso":"USD","value":20.99,"priceType":"BUY","formattedValue":"$20.99","minQuantity":null,"maxQuantity":null,"sapUnit":{"code":"pieces","name":"Piece"}},"baseProduct":null,"images":[],"categories":null,"reviews":null,"classifications":null,"potentialPromotions":null,"variantOptions":null,"baseOptions":[],"volumePricesFlag":null,"volumePrices":null,"productReferences":null,"variantMatrix":null,"priceRange":null,"firstCategoryNameList":null,"multidimensional":null,"configurable":false,"configuratorType":null,"addToCartDisabled":null,"addToCartDisabledMessage":null,"tags":null,"sapUnit":null,"keywords":null,"genders":null,"itemtype":"Part","partSubstitute":null,"note":null,"recallNote":null,"note1":null,"note2":null,"note3":null,"note4":null,"note5":null,"pdfAllUser":null,"pdfAuthUser":null,"pdfCOSUser":null,"vaiantRelatedPartList":null,"partHotspotList":null,"itemNumber":null,"partRelatedVariantList":null,"bomCode":2,"totalValue":null,"searchImage":null,"length":null,"width":null,"height":null,"unitOfDimension":null,"weight":null,"unitOfWeight":null,"specialRouting":false,"onlineRepair":null,"previousPartID":null,"sbdDiscountPriceValue":{"currencyIso":"USD","value":20.99,"priceType":"BUY","formattedValue":"$20.99","minQuantity":null,"maxQuantity":null,"sapUnit":{"code":"pieces","name":"Piece"}},"alrCode":null,"productRecallFlag":null,"selectedDocumentId":null,"productDescription":null,"pdpImage":null,"ticketId":null,"qtyRequiredPerVariant":"1","isElgibleForRepair":null,"isPowerEligible":null,"productRecallNotes":null,"productOtherInfo":null,"backorderETA":"00/00/0000","modifiedDate":null,"userLevel":"COS","displayPrice":null,"baseProductName":null,"firstVariantCode":null,"firstVariantImage":null,"productMarketType":null,"productNumber":null,"typeStatusCode":null,"productCategory":null,"typeNumber":null,"marketCode":null,"regionCode":null,"otherInformation":null,"productTypeStatus":null,"repairInstruction":null,"repairInstructionStatusDescription":null,"typeStatusDate":null,"serviceLifeDate":null,"manufacturerId":null,"parts":null,"language":null,"glossaries":null,"brand":null,"product":null,"brandCode":null,"recallNotes":null,"volume":null},{"code":"P532139886-CM","name":null,"url":"/c//p/P532139886-CM","description":"BRACKET LH P","purchasable":true,"stock":{"stockLevelStatus":{"code":"outOfStock","type":"StockLevelStatus"},"stockLevel":0,"stockThreshold":null},"futureStocks":null,"availableForPickup":null,"averageRating":null,"numberOfReviews":null,"summary":null,"manufacturer":null,"variantType":null,"price":{"currencyIso":"USD","value":5.0,"priceType":"BUY","formattedValue":"$5.00","minQuantity":null,"maxQuantity":null,"sapUnit":{"code":"pieces","name":"Piece"}},"baseProduct":null,"images":[],"categories":null,"reviews":null,"classifications":null,"potentialPromotions":null,"variantOptions":null,"baseOptions":[],"volumePricesFlag":null,"volumePrices":null,"productReferences":null,"variantMatrix":null,"priceRange":null,"firstCategoryNameList":null,"multidimensional":null,"configurable":false,"configuratorType":null,"addToCartDisabled":null,"addToCartDisabledMessage":null,"tags":null,"sapUnit":null,"keywords":null,"genders":null,"itemtype":"Part","partSubstitute":null,"note":null,"recallNote":null,"note1":null,"note2":null,"note3":null,"note4":null,"note5":null,"pdfAllUser":null,"pdfAuthUser":null,"pdfCOSUser":null,"vaiantRelatedPartList":null,"partHotspotList":null,"itemNumber":null,"partRelatedVariantList":null,"bomCode":2,"totalValue":null,"searchImage":null,"length":null,"width":null,"height":null,"unitOfDimension":null,"weight":null,"unitOfWeight":null,"specialRouting":false,"onlineRepair":null,"previousPartID":null,"sbdDiscountPriceValue":{"currencyIso":"USD","value":5.0,"priceType":"BUY","formattedValue":"$5.00","minQuantity":null,"maxQuantity":null,"sapUnit":{"code":"pieces","name":"Piece"}},"alrCode":null,"productRecallFlag":null,"selectedDocumentId":null,"productDescription":null,"pdpImage":null,"ticketId":null,"qtyRequiredPerVariant":"1","isElgibleForRepair":null,"isPowerEligible":null,"productRecallNotes":null,"productOtherInfo":null,"backorderETA":"00/00/0000","modifiedDate":null,"userLevel":"COS","displayPrice":null,"baseProductName":null,"firstVariantCode":null,"firstVariantImage":null,"productMarketType":null,"productNumber":null,"typeStatusCode":null,"productCategory":null,"typeNumber":null,"marketCode":null,"regionCode":null,"otherInformation":null,"productTypeStatus":null,"repairInstruction":null,"repairInstructionStatusDescription":null,"typeStatusDate":null,"serviceLifeDate":null,"manufacturerId":null,"parts":null,"language":null,"glossaries":null,"brand":null,"product":null,"brandCode":null,"recallNotes":null,"volume":null},{"code":"P532139887-CM","name":null,"url":"/c//p/P532139887-CM","description":"BRACKET RH P","purchasable":true,"stock":{"stockLevelStatus":{"code":"outOfStock","type":"StockLevelStatus"},"stockLevel":0,"stockThreshold":null},"futureStocks":null,"availableForPickup":null,"averageRating":null,"numberOfReviews":null,"summary":null,"manufacturer":null,"variantType":null,"price":{"currencyIso":"USD","value":5.0,"priceType":"BUY","formattedValue":"$5.00","minQuantity":null,"maxQuantity":null,"sapUnit":{"code":"pieces","name":"Piece"}},"baseProduct":null,"images":[],"categories":null,"reviews":null,"classifications":null,"potentialPromotions":null,"variantOptions":null,"baseOptions":[],"volumePricesFlag":null,"volumePrices":null,"productReferences":null,"variantMatrix":null,"priceRange":null,"firstCategoryNameList":null,"multidimensional":null,"configurable":false,"configuratorType":null,"addToCartDisabled":null,"addToCartDisabledMessage":null,"tags":null,"sapUnit":null,"keywords":null,"genders":null,"itemtype":"Part","partSubstitute":null,"note":null,"recallNote":null,"note1":null,"note2":null,"note3":null,"note4":null,"note5":null,"pdfAllUser":null,"pdfAuthUser":null,"pdfCOSUser":null,"vaiantRelatedPartList":null,"partHotspotList":null,"itemNumber":null,"partRelatedVariantList":null,"bomCode":2,"totalValue":null,"searchImage":null,"length":null,"width":null,"height":null,"unitOfDimension":null,"weight":null,"unitOfWeight":null,"specialRouting":false,"onlineRepair":null,"previousPartID":null,"sbdDiscountPriceValue":{"currencyIso":"USD","value":5.0,"priceType":"BUY","formattedValue":"$5.00","minQuantity":null,"maxQuantity":null,"sapUnit":{"code":"pieces","name":"Piece"}},"alrCode":null,"productRecallFlag":null,"selectedDocumentId":null,"productDescription":null,"pdpImage":null,"ticketId":null,"qtyRequiredPerVariant":"1","isElgibleForRepair":null,"isPowerEligible":null,"productRecallNotes":null,"productOtherInfo":null,"backorderETA":"00/00/0000","modifiedDate":null,"userLevel":"COS","displayPrice":null,"baseProductName":null,"firstVariantCode":null,"firstVariantImage":null,"productMarketType":null,"productNumber":null,"typeStatusCode":null,"productCategory":null,"typeNumber":null,"marketCode":null,"regionCode":null,"otherInformation":null,"productTypeStatus":null,"repairInstruction":null,"repairInstructionStatusDescription":null,"typeStatusDate":null,"serviceLifeDate":null,"manufacturerId":null,"parts":null,"language":null,"glossaries":null,"brand":null,"product":null,"brandCode":null,"recallNotes":null,"volume":null},{"code":"P532140086-CM","name":null,"url":"/c//p/P532140086-CM","description":"SPRING","purchasable":true,"stock":{"stockLevelStatus":{"code":"outOfStock","type":"StockLevelStatus"},"stockLevel":0,"stockThreshold":null},"futureStocks":null,"availableForPickup":null,"averageRating":null,"numberOfReviews":null,"summary":null,"manufacturer":null,"variantType":null,"price":{"currencyIso":"USD","value":2.63,"priceType":"BUY","formattedValue":"$2.63","minQuantity":null,"maxQuantity":null,"sapUnit":{"code":"pieces","name":"Piece"}},"baseProduct":null,"images":[],"categories":null,"reviews":null,"classifications":null,"potentialPromotions":null,"variantOptions":null,"baseOptions":[],"volumePricesFlag":null,"volumePrices":null,"productReferences":null,"variantMatrix":null,"priceRange":null,"firstCategoryNameList":null,"multidimensional":null,"configurable":false,"configuratorType":null,"addToCartDisabled":null,"addToCartDisabledMessage":null,"tags":null,"sapUnit":null,"keywords":null,"genders":null,"itemtype":"Part","partSubstitute":null,"note":null,"recallNote":null,"note1":null,"note2":null,"note3":null,"note4":null,"note5":null,"pdfAllUser":null,"pdfAuthUser":null,"pdfCOSUser":null,"vaiantRelatedPartList":null,"partHotspotList":null,"itemNumber":null,"partRelatedVariantList":null,"bomCode":2,"totalValue":null,"searchImage":null,"length":null,"width":null,"height":null,"unitOfDimension":null,"weight":null,"unitOfWeight":null,"specialRouting":false,"onlineRepair":null,"previousPartID":null,"sbdDiscountPriceValue":{"currencyIso":"USD","value":2.63,"priceType":"BUY","formattedValue":"$2.63","minQuantity":null,"maxQuantity":null,"sapUnit":{"code":"pieces","name":"Piece"}},"alrCode":null,"productRecallFlag":null,"selectedDocumentId":null,"productDescription":null,"pdpImage":null,"ticketId":null,"qtyRequiredPerVariant":"1","isElgibleForRepair":null,"isPowerEligible":null,"productRecallNotes":null,"productOtherInfo":null,"backorderETA":"00/00/0000","modifiedDate":null,"userLevel":"COS","displayPrice":null,"baseProductName":null,"firstVariantCode":null,"firstVariantImage":null,"productMarketType":null,"productNumber":null,"typeStatusCode":null,"productCategory":null,"typeNumber":null,"marketCode":null,"regionCode":null,"otherInformation":null,"productTypeStatus":null,"repairInstruction":null,"repairInstructionStatusDescription":null,"typeStatusDate":null,"serviceLifeDate":null,"manufacturerId":null,"parts":null,"language":null,"glossaries":null,"brand":null,"product":null,"brandCode":null,"recallNotes":null,"volume":null},{"code":"P532140186-CM","name":null,"url":"/c//p/P532140186-CM","description":"ENG PULLEY","purchasable":true,"stock":{"stockLevelStatus":{"code":"outOfStock","type":"StockLevelStatus"},"stockLevel":0,"stockThreshold":null},"futureStocks":null,"availableForPickup":null,"averageRating":null,"numberOfReviews":null,"summary":null,"manufacturer":null,"variantType":null,"price":{"currencyIso":"USD","value":52.21,"priceType":"BUY","formattedValue":"$52.21","minQuantity":null,"maxQuantity":null,"sapUnit":{"code":"pieces","name":"Piece"}},"baseProduct":null,"images":[],"categories":null,"reviews":null,"classifications":null,"potentialPromotions":null,"variantOptions":null,"baseOptions":[],"volumePricesFlag":null,"volumePrices":null,"productReferences":null,"variantMatrix":null,"priceRange":null,"firstCategoryNameList":null,"multidimensional":null,"configurable":false,"configuratorType":null,"addToCartDisabled":null,"addToCartDisabledMessage":null,"tags":null,"sapUnit":null,"keywords":null,"genders":null,"itemtype":"Part","partSubstitute":null,"note":null,"recallNote":null,"note1":null,"note2":null,"note3":null,"note4":null,"note5":null,"pdfAllUser":null,"pdfAuthUser":null,"pdfCOSUser":null,"vaiantRelatedPartList":null,"partHotspotList":null,"itemNumber":null,"partRelatedVariantList":null,"bomCode":2,"totalValue":null,"searchImage":null,"length":null,"width":null,"height":null,"unitOfDimension":null,"weight":null,"unitOfWeight":null,"specialRouting":false,"onlineRepair":null,"previousPartID":null,"sbdDiscountPriceValue":{"currencyIso":"USD","value":52.21,"priceType":"BUY","formattedValue":"$52.21","minQuantity":null,"maxQuantity":null,"sapUnit":{"code":"pieces","name":"Piece"}},"alrCode":null,"productRecallFlag":null,"selectedDocumentId":null,"productDescription":null,"pdpImage":null,"ticketId":null,"qtyRequiredPerVariant":"1","isElgibleForRepair":null,"isPowerEligible":null,"productRecallNotes":null,"productOtherInfo":null,"backorderETA":"00/00/0000","modifiedDate":null,"userLevel":"COS","displayPrice":null,"baseProductName":null,"firstVariantCode":null,"firstVariantImage":null,"productMarketType":null,"productNumber":null,"typeStatusCode":null,"productCategory":null,"typeNumber":null,"marketCode":null,"regionCode":null,"otherInformation":null,"productTypeStatus":null,"repairInstruction":null,"repairInstructionStatusDescription":null,"typeStatusDate":null,"serviceLifeDate":null,"manufacturerId":null,"parts":null,"language":null,"glossaries":null,"brand":null,"product":null,"brandCode":null,"recallNotes":null,"volume":null},{"code":"P532140547-CM","name":null,"url":"/c//p/P532140547-CM","description":"AIR DUCT","purchasable":true,"stock":{"stockLevelStatus":{"code":"outOfStock","type":"StockLevelStatus"},"stockLevel":0,"stockThreshold":null},"futureStocks":null,"availableForPickup":null,"averageRating":null,"numberOfReviews":null,"summary":null,"manufacturer":null,"variantType":null,"price":{"currencyIso":"USD","value":10.21,"priceType":"BUY","formattedValue":"$10.21","minQuantity":null,"maxQuantity":null,"sapUnit":{"code":"pieces","name":"Piece"}},"baseProduct":null,"images":[],"categories":null,"reviews":null,"classifications":null,"potentialPromotions":null,"variantOptions":null,"baseOptions":[],"volumePricesFlag":null,"volumePrices":null,"productReferences":null,"variantMatrix":null,"priceRange":null,"firstCategoryNameList":null,"multidimensional":null,"configurable":false,"configuratorType":null,"addToCartDisabled":null,"addToCartDisabledMessage":null,"tags":null,"sapUnit":null,"keywords":null,"genders":null,"itemtype":"Part","partSubstitute":null,"note":null,"recallNote":null,"note1":null,"note2":null,"note3":null,"note4":null,"note5":null,"pdfAllUser":null,"pdfAuthUser":null,"pdfCOSUser":null,"vaiantRelatedPartList":null,"partHotspotList":null,"itemNumber":null,"partRelatedVariantList":null,"bomCode":2,"totalValue":null,"searchImage":null,"length":null,"width":null,"height":null,"unitOfDimension":null,"weight":null,"unitOfWeight":null,"specialRouting":false,"onlineRepair":null,"previousPartID":null,"sbdDiscountPriceValue":{"currencyIso":"USD","value":10.21,"priceType":"BUY","formattedValue":"$10.21","minQuantity":null,"maxQuantity":null,"sapUnit":{"code":"pieces","name":"Piece"}},"alrCode":null,"productRecallFlag":null,"selectedDocumentId":null,"productDescription":null,"pdpImage":null,"ticketId":null,"qtyRequiredPerVariant":"1","isElgibleForRepair":null,"isPowerEligible":null,"productRecallNotes":null,"productOtherInfo":null,"backorderETA":"00/00/0000","modifiedDate":null,"userLevel":"COS","displayPrice":null,"baseProductName":null,"firstVariantCode":null,"firstVariantImage":null,"productMarketType":null,"productNumber":null,"typeStatusCode":null,"productCategory":null,"typeNumber":null,"marketCode":null,"regionCode":null,"otherInformation":null,"productTypeStatus":null,"repairInstruction":null,"repairInstructionStatusDescription":null,"typeStatusDate":null,"serviceLifeDate":null,"manufacturerId":null,"parts":null,"language":null,"glossaries":null,"brand":null,"product":null,"brandCode":null,"recallNotes":null,"volume":null},{"code":"P532141043-CM","name":null,"url":"/c//p/P532141043-CM","description":"GUARD TUV IDLER","purchasable":true,"stock":{"stockLevelStatus":{"code":"inStock","type":"StockLevelStatus"},"stockLevel":0,"stockThreshold":null},"futureStocks":null,"availableForPickup":null,"averageRating":null,"numberOfReviews":null,"summary":null,"manufacturer":null,"variantType":null,"price":{"currencyIso":"USD","value":2.55,"priceType":"BUY","formattedValue":"$2.55","minQuantity":null,"maxQuantity":null,"sapUnit":{"code":"pieces","name":"Piece"}},"baseProduct":null,"images":[],"categories":null,"reviews":null,"classifications":null,"potentialPromotions":null,"variantOptions":null,"baseOptions":[],"volumePricesFlag":null,"volumePrices":null,"productReferences":null,"variantMatrix":null,"priceRange":null,"firstCategoryNameList":null,"multidimensional":null,"configurable":false,"configuratorType":null,"addToCartDisabled":null,"addToCartDisabledMessage":null,"tags":null,"sapUnit":null,"keywords":null,"genders":null,"itemtype":"Part","partSubstitute":null,"note":null,"recallNote":null,"note1":null,"note2":null,"note3":null,"note4":null,"note5":null,"pdfAllUser":null,"pdfAuthUser":null,"pdfCOSUser":null,"vaiantRelatedPartList":null,"partHotspotList":null,"itemNumber":null,"partRelatedVariantList":null,"bomCode":2,"totalValue":null,"searchImage":null,"length":null,"width":null,"height":null,"unitOfDimension":null,"weight":null,"unitOfWeight":null,"specialRouting":false,"onlineRepair":null,"previousPartID":null,"sbdDiscountPriceValue":{"currencyIso":"USD","value":2.55,"priceType":"BUY","formattedValue":"$2.55","minQuantity":null,"maxQuantity":null,"sapUnit":{"code":"pieces","name":"Piece"}},"alrCode":null,"productRecallFlag":null,"selectedDocumentId":null,"productDescription":null,"pdpImage":null,"ticketId":null,"qtyRequiredPerVariant":"1","isElgibleForRepair":null,"isPowerEligible":null,"productRecallNotes":null,"productOtherInfo":null,"backorderETA":"00/00/0000","modifiedDate":null,"userLevel":"COS","displayPrice":null,"baseProductName":null,"firstVariantCode":null,"firstVariantImage":null,"productMarketType":null,"productNumber":null,"typeStatusCode":null,"productCategory":null,"typeNumber":null,"marketCode":null,"regionCode":null,"otherInformation":null,"productTypeStatus":null,"repairInstruction":null,"repairInstructionStatusDescription":null,"typeStatusDate":null,"serviceLifeDate":null,"manufacturerId":null,"parts":null,"language":null,"glossaries":null,"brand":null,"product":null,"brandCode":null,"recallNotes":null,"volume":null},{"code":"P532142028-CM","name":null,"url":"/c//p/P532142028-CM","description":"TRUNION T","purchasable":true,"stock":{"stockLevelStatus":{"code":"outOfStock","type":"StockLevelStatus"},"stockLevel":0,"stockThreshold":null},"futureStocks":null,"availableForPickup":null,"averageRating":null,"numberOfReviews":null,"summary":null,"manufacturer":null,"variantType":null,"price":{"currencyIso":"USD","value":2.88,"priceType":"BUY","formattedValue":"$2.88","minQuantity":null,"maxQuantity":null,"sapUnit":{"code":"pieces","name":"Piece"}},"baseProduct":null,"images":[],"categories":null,"reviews":null,"classifications":null,"potentialPromotions":null,"variantOptions":null,"baseOptions":[],"volumePricesFlag":null,"volumePrices":null,"productReferences":null,"variantMatrix":null,"priceRange":null,"firstCategoryNameList":null,"multidimensional":null,"configurable":false,"configuratorType":null,"addToCartDisabled":null,"addToCartDisabledMessage":null,"tags":null,"sapUnit":null,"keywords":null,"genders":null,"itemtype":"Part","partSubstitute":null,"note":null,"recallNote":null,"note1":null,"note2":null,"note3":null,"note4":null,"note5":null,"pdfAllUser":null,"pdfAuthUser":null,"pdfCOSUser":null,"vaiantRelatedPartList":null,"partHotspotList":null,"itemNumber":null,"partRelatedVariantList":null,"bomCode":2,"totalValue":null,"searchImage":null,"length":null,"width":null,"height":null,"unitOfDimension":null,"weight":null,"unitOfWeight":null,"specialRouting":false,"onlineRepair":null,"previousPartID":null,"sbdDiscountPriceValue":{"currencyIso":"USD","value":2.88,"priceType":"BUY","formattedValue":"$2.88","minQuantity":null,"maxQuantity":null,"sapUnit":{"code":"pieces","name":"Piece"}},"alrCode":null,"productRecallFlag":null,"selectedDocumentId":null,"productDescription":null,"pdpImage":null,"ticketId":null,"qtyRequiredPerVariant":"1","isElgibleForRepair":null,"isPowerEligible":null,"productRecallNotes":null,"productOtherInfo":null,"backorderETA":"00/00/0000","modifiedDate":null,"userLevel":"COS","displayPrice":null,"baseProductName":null,"firstVariantCode":null,"firstVariantImage":null,"productMarketType":null,"productNumber":null,"typeStatusCode":null,"productCategory":null,"typeNumber":null,"marketCode":null,"regionCode":null,"otherInformation":null,"productTypeStatus":null,"repairInstruction":null,"repairInstructionStatusDescription":null,"typeStatusDate":null,"serviceLifeDate":null,"manufacturerId":null,"parts":null,"language":null,"glossaries":null,"brand":null,"product":null,"brandCode":null,"recallNotes":null,"volume":null},{"code":"P532142655-CM","name":null,"url":"/c//p/P532142655-CM","description":"ROD- CLUTCH","purchasable":true,"stock":{"stockLevelStatus":{"code":"outOfStock","type":"StockLevelStatus"},"stockLevel":0,"stockThreshold":null},"futureStocks":null,"availableForPickup":null,"averageRating":null,"numberOfReviews":null,"summary":null,"manufacturer":null,"variantType":null,"price":{"currencyIso":"USD","value":8.62,"priceType":"BUY","formattedValue":"$8.62","minQuantity":null,"maxQuantity":null,"sapUnit":{"code":"pieces","name":"Piece"}},"baseProduct":null,"images":[],"categories":null,"reviews":null,"classifications":null,"potentialPromotions":null,"variantOptions":null,"baseOptions":[],"volumePricesFlag":null,"volumePrices":null,"productReferences":null,"variantMatrix":null,"priceRange":null,"firstCategoryNameList":null,"multidimensional":null,"configurable":false,"configuratorType":null,"addToCartDisabled":null,"addToCartDisabledMessage":null,"tags":null,"sapUnit":null,"keywords":null,"genders":null,"itemtype":"Part","partSubstitute":null,"note":null,"recallNote":null,"note1":null,"note2":null,"note3":null,"note4":null,"note5":null,"pdfAllUser":null,"pdfAuthUser":null,"pdfCOSUser":null,"vaiantRelatedPartList":null,"partHotspotList":null,"itemNumber":null,"partRelatedVariantList":null,"bomCode":2,"totalValue":null,"searchImage":null,"length":null,"width":null,"height":null,"unitOfDimension":null,"weight":null,"unitOfWeight":null,"specialRouting":false,"onlineRepair":null,"previousPartID":null,"sbdDiscountPriceValue":{"currencyIso":"USD","value":8.62,"priceType":"BUY","formattedValue":"$8.62","minQuantity":null,"maxQuantity":null,"sapUnit":{"code":"pieces","name":"Piece"}},"alrCode":null,"productRecallFlag":null,"selectedDocumentId":null,"productDescription":null,"pdpImage":null,"ticketId":null,"qtyRequiredPerVariant":"1","isElgibleForRepair":null,"isPowerEligible":null,"productRecallNotes":null,"productOtherInfo":null,"backorderETA":"00/00/0000","modifiedDate":null,"userLevel":"COS","displayPrice":null,"baseProductName":null,"firstVariantCode":null,"firstVariantImage":null,"productMarketType":null,"productNumber":null,"typeStatusCode":null,"productCategory":null,"typeNumber":null,"marketCode":null,"regionCode":null,"otherInformation":null,"productTypeStatus":null,"repairInstruction":null,"repairInstructionStatusDescription":null,"typeStatusDate":null,"serviceLifeDate":null,"manufacturerId":null,"parts":null,"language":null,"glossaries":null,"brand":null,"product":null,"brandCode":null,"recallNotes":null,"volume":null},{"code":"P532143723-CM","name":null,"url":"/c//p/P532143723-CM","description":"BRACKET","purchasable":true,"stock":{"stockLevelStatus":{"code":"outOfStock","type":"StockLevelStatus"},"stockLevel":0,"stockThreshold":null},"futureStocks":null,"availableForPickup":null,"averageRating":null,"numberOfReviews":null,"summary":null,"manufacturer":null,"variantType":null,"price":{"currencyIso":"USD","value":7.16,"priceType":"BUY","formattedValue":"$7.16","minQuantity":null,"maxQuantity":null,"sapUnit":{"code":"pieces","name":"Piece"}},"baseProduct":null,"images":[],"categories":null,"reviews":null,"classifications":null,"potentialPromotions":null,"variantOptions":null,"baseOptions":[],"volumePricesFlag":null,"volumePrices":null,"productReferences":null,"variantMatrix":null,"priceRange":null,"firstCategoryNameList":null,"multidimensional":null,"configurable":false,"configuratorType":null,"addToCartDisabled":null,"addToCartDisabledMessage":null,"tags":null,"sapUnit":null,"keywords":null,"genders":null,"itemtype":"Part","partSubstitute":null,"note":null,"recallNote":null,"note1":null,"note2":null,"note3":null,"note4":null,"note5":null,"pdfAllUser":null,"pdfAuthUser":null,"pdfCOSUser":null,"vaiantRelatedPartList":null,"partHotspotList":null,"itemNumber":null,"partRelatedVariantList":null,"bomCode":2,"totalValue":null,"searchImage":null,"length":null,"width":null,"height":null,"unitOfDimension":null,"weight":null,"unitOfWeight":null,"specialRouting":false,"onlineRepair":null,"previousPartID":null,"sbdDiscountPriceValue":{"currencyIso":"USD","value":7.16,"priceType":"BUY","formattedValue":"$7.16","minQuantity":null,"maxQuantity":null,"sapUnit":{"code":"pieces","name":"Piece"}},"alrCode":null,"productRecallFlag":null,"selectedDocumentId":null,"productDescription":null,"pdpImage":null,"ticketId":null,"qtyRequiredPerVariant":"1","isElgibleForRepair":null,"isPowerEligible":null,"productRecallNotes":null,"productOtherInfo":null,"backorderETA":"00/00/0000","modifiedDate":null,"userLevel":"COS","displayPrice":null,"baseProductName":null,"firstVariantCode":null,"firstVariantImage":null,"productMarketType":null,"productNumber":null,"typeStatusCode":null,"productCategory":null,"typeNumber":null,"marketCode":null,"regionCode":null,"otherInformation":null,"productTypeStatus":null,"repairInstruction":null,"repairInstructionStatusDescription":null,"typeStatusDate":null,"serviceLifeDate":null,"manufacturerId":null,"parts":null,"language":null,"glossaries":null,"brand":null,"product":null,"brandCode":null,"recallNotes":null,"volume":null},{"code":"P532144200-CM","name":null,"url":"/c//p/P532144200-CM","description":"V-BELT","purchasable":true,"stock":{"stockLevelStatus":{"code":"outOfStock","type":"StockLevelStatus"},"stockLevel":0,"stockThreshold":null},"futureStocks":null,"availableForPickup":null,"averageRating":null,"numberOfReviews":null,"summary":null,"manufacturer":null,"variantType":null,"price":{"currencyIso":"USD","value":31.49,"priceType":"BUY","formattedValue":"$31.49","minQuantity":null,"maxQuantity":null,"sapUnit":{"code":"pieces","name":"Piece"}},"baseProduct":null,"images":[],"categories":null,"reviews":null,"classifications":null,"potentialPromotions":null,"variantOptions":null,"baseOptions":[],"volumePricesFlag":null,"volumePrices":null,"productReferences":null,"variantMatrix":null,"priceRange":null,"firstCategoryNameList":null,"multidimensional":null,"configurable":false,"configuratorType":null,"addToCartDisabled":null,"addToCartDisabledMessage":null,"tags":null,"sapUnit":null,"keywords":null,"genders":null,"itemtype":"Part","partSubstitute":"P105709X-CM","note":null,"recallNote":null,"note1":null,"note2":null,"note3":null,"note4":null,"note5":null,"pdfAllUser":null,"pdfAuthUser":null,"pdfCOSUser":null,"vaiantRelatedPartList":null,"partHotspotList":null,"itemNumber":null,"partRelatedVariantList":null,"bomCode":6,"totalValue":null,"searchImage":null,"length":null,"width":null,"height":null,"unitOfDimension":null,"weight":null,"unitOfWeight":null,"specialRouting":false,"onlineRepair":null,"previousPartID":null,"sbdDiscountPriceValue":{"currencyIso":"USD","value":31.49,"priceType":"BUY","formattedValue":"$31.49","minQuantity":null,"maxQuantity":null,"sapUnit":{"code":"pieces","name":"Piece"}},"alrCode":null,"productRecallFlag":null,"selectedDocumentId":null,"productDescription":null,"pdpImage":null,"ticketId":null,"qtyRequiredPerVariant":"1","isElgibleForRepair":null,"isPowerEligible":null,"productRecallNotes":null,"productOtherInfo":null,"backorderETA":"00/00/0000","modifiedDate":null,"userLevel":"COS","displayPrice":null,"baseProductName":null,"firstVariantCode":null,"firstVariantImage":null,"productMarketType":null,"productNumber":null,"typeStatusCode":null,"productCategory":null,"typeNumber":null,"marketCode":null,"regionCode":null,"otherInformation":null,"productTypeStatus":null,"repairInstruction":null,"repairInstructionStatusDescription":null,"typeStatusDate":null,"serviceLifeDate":null,"manufacturerId":null,"parts":null,"language":null,"glossaries":null,"brand":null,"product":null,"brandCode":null,"recallNotes":null,"volume":null},{"code":"P532145090-CM","name":null,"url":"/c//p/P532145090-CM","description":"ARM SHIFT","purchasable":true,"stock":{"stockLevelStatus":{"code":"outOfStock","type":"StockLevelStatus"},"stockLevel":0,"stockThreshold":null},"futureStocks":null,"availableForPickup":null,"averageRating":null,"numberOfReviews":null,"summary":null,"manufacturer":null,"variantType":null,"price":{"currencyIso":"USD","value":2.45,"priceType":"BUY","formattedValue":"$2.45","minQuantity":null,"maxQuantity":null,"sapUnit":{"code":"pieces","name":"Piece"}},"baseProduct":null,"images":[],"categories":null,"reviews":null,"classifications":null,"potentialPromotions":null,"variantOptions":null,"baseOptions":[],"volumePricesFlag":null,"volumePrices":null,"productReferences":null,"variantMatrix":null,"priceRange":null,"firstCategoryNameList":null,"multidimensional":null,"configurable":false,"configuratorType":null,"addToCartDisabled":null,"addToCartDisabledMessage":null,"tags":null,"sapUnit":null,"keywords":null,"genders":null,"itemtype":"Part","partSubstitute":null,"note":null,"recallNote":null,"note1":null,"note2":null,"note3":null,"note4":null,"note5":null,"pdfAllUser":null,"pdfAuthUser":null,"pdfCOSUser":null,"vaiantRelatedPartList":null,"partHotspotList":null,"itemNumber":null,"partRelatedVariantList":null,"bomCode":2,"totalValue":null,"searchImage":null,"length":null,"width":null,"height":null,"unitOfDimension":null,"weight":null,"unitOfWeight":null,"specialRouting":false,"onlineRepair":null,"previousPartID":null,"sbdDiscountPriceValue":{"currencyIso":"USD","value":2.45,"priceType":"BUY","formattedValue":"$2.45","minQuantity":null,"maxQuantity":null,"sapUnit":{"code":"pieces","name":"Piece"}},"alrCode":null,"productRecallFlag":null,"selectedDocumentId":null,"productDescription":null,"pdpImage":null,"ticketId":null,"qtyRequiredPerVariant":"1","isElgibleForRepair":null,"isPowerEligible":null,"productRecallNotes":null,"productOtherInfo":null,"backorderETA":"00/00/0000","modifiedDate":null,"userLevel":"COS","displayPrice":null,"baseProductName":null,"firstVariantCode":null,"firstVariantImage":null,"productMarketType":null,"productNumber":null,"typeStatusCode":null,"productCategory":null,"typeNumber":null,"marketCode":null,"regionCode":null,"otherInformation":null,"productTypeStatus":null,"repairInstruction":null,"repairInstructionStatusDescription":null,"typeStatusDate":null,"serviceLifeDate":null,"manufacturerId":null,"parts":null,"language":null,"glossaries":null,"brand":null,"product":null,"brandCode":null,"recallNotes":null,"volume":null},{"code":"P532151140-CM","name":null,"url":"/c//p/P532151140-CM","description":"LINK.ASM.RH","purchasable":true,"stock":{"stockLevelStatus":{"code":"outOfStock","type":"StockLevelStatus"},"stockLevel":0,"stockThreshold":null},"futureStocks":null,"availableForPickup":null,"averageRating":null,"numberOfReviews":null,"summary":null,"manufacturer":null,"variantType":null,"price":{"currencyIso":"USD","value":12.78,"priceType":"BUY","formattedValue":"$12.78","minQuantity":null,"maxQuantity":null,"sapUnit":{"code":"pieces","name":"Piece"}},"baseProduct":null,"images":[],"categories":null,"reviews":null,"classifications":null,"potentialPromotions":null,"variantOptions":null,"baseOptions":[],"volumePricesFlag":null,"volumePrices":null,"productReferences":null,"variantMatrix":null,"priceRange":null,"firstCategoryNameList":null,"multidimensional":null,"configurable":false,"configuratorType":null,"addToCartDisabled":null,"addToCartDisabledMessage":null,"tags":null,"sapUnit":null,"keywords":null,"genders":null,"itemtype":"Part","partSubstitute":null,"note":null,"recallNote":null,"note1":null,"note2":null,"note3":null,"note4":null,"note5":null,"pdfAllUser":null,"pdfAuthUser":null,"pdfCOSUser":null,"vaiantRelatedPartList":null,"partHotspotList":null,"itemNumber":null,"partRelatedVariantList":null,"bomCode":2,"totalValue":null,"searchImage":null,"length":null,"width":null,"height":null,"unitOfDimension":null,"weight":null,"unitOfWeight":null,"specialRouting":false,"onlineRepair":null,"previousPartID":null,"sbdDiscountPriceValue":{"currencyIso":"USD","value":12.78,"priceType":"BUY","formattedValue":"$12.78","minQuantity":null,"maxQuantity":null,"sapUnit":{"code":"pieces","name":"Piece"}},"alrCode":null,"productRecallFlag":null,"selectedDocumentId":null,"productDescription":null,"pdpImage":null,"ticketId":null,"qtyRequiredPerVariant":"1","isElgibleForRepair":null,"isPowerEligible":null,"productRecallNotes":null,"productOtherInfo":null,"backorderETA":"00/00/0000","modifiedDate":null,"userLevel":"COS","displayPrice":null,"baseProductName":null,"firstVariantCode":null,"firstVariantImage":null,"productMarketType":null,"productNumber":null,"typeStatusCode":null,"productCategory":null,"typeNumber":null,"marketCode":null,"regionCode":null,"otherInformation":null,"productTypeStatus":null,"repairInstruction":null,"repairInstructionStatusDescription":null,"typeStatusDate":null,"serviceLifeDate":null,"manufacturerId":null,"parts":null,"language":null,"glossaries":null,"brand":null,"product":null,"brandCode":null,"recallNotes":null,"volume":null},{"code":"P532153390-CM","name":null,"url":"/c//p/P532153390-CM","description":"FELT WASHER","purchasable":true,"stock":{"stockLevelStatus":{"code":"outOfStock","type":"StockLevelStatus"},"stockLevel":0,"stockThreshold":null},"futureStocks":null,"availableForPickup":null,"averageRating":null,"numberOfReviews":null,"summary":null,"manufacturer":null,"variantType":null,"price":{"currencyIso":"USD","value":2.63,"priceType":"BUY","formattedValue":"$2.63","minQuantity":null,"maxQuantity":null,"sapUnit":{"code":"pieces","name":"Piece"}},"baseProduct":null,"images":[],"categories":null,"reviews":null,"classifications":null,"potentialPromotions":null,"variantOptions":null,"baseOptions":[],"volumePricesFlag":null,"volumePrices":null,"productReferences":null,"variantMatrix":null,"priceRange":null,"firstCategoryNameList":null,"multidimensional":null,"configurable":false,"configuratorType":null,"addToCartDisabled":null,"addToCartDisabledMessage":null,"tags":null,"sapUnit":null,"keywords":null,"genders":null,"itemtype":"Part","partSubstitute":null,"note":null,"recallNote":null,"note1":null,"note2":null,"note3":null,"note4":null,"note5":null,"pdfAllUser":null,"pdfAuthUser":null,"pdfCOSUser":null,"vaiantRelatedPartList":null,"partHotspotList":null,"itemNumber":null,"partRelatedVariantList":null,"bomCode":2,"totalValue":null,"searchImage":null,"length":null,"width":null,"height":null,"unitOfDimension":null,"weight":null,"unitOfWeight":null,"specialRouting":false,"onlineRepair":null,"previousPartID":null,"sbdDiscountPriceValue":{"currencyIso":"USD","value":2.63,"priceType":"BUY","formattedValue":"$2.63","minQuantity":null,"maxQuantity":null,"sapUnit":{"code":"pieces","name":"Piece"}},"alrCode":null,"productRecallFlag":null,"selectedDocumentId":null,"productDescription":null,"pdpImage":null,"ticketId":null,"qtyRequiredPerVariant":"1","isElgibleForRepair":null,"isPowerEligible":null,"productRecallNotes":null,"productOtherInfo":null,"backorderETA":"00/00/0000","modifiedDate":null,"userLevel":"COS","displayPrice":null,"baseProductName":null,"firstVariantCode":null,"firstVariantImage":null,"productMarketType":null,"productNumber":null,"typeStatusCode":null,"productCategory":null,"typeNumber":null,"marketCode":null,"regionCode":null,"otherInformation":null,"productTypeStatus":null,"repairInstruction":null,"repairInstructionStatusDescription":null,"typeStatusDate":null,"serviceLifeDate":null,"manufacturerId":null,"parts":null,"language":null,"glossaries":null,"brand":null,"product":null,"brandCode":null,"recallNotes":null,"volume":null},{"code":"P532153701-CM","name":null,"url":"/c//p/P532153701-CM","description":"SPRG-CLUTCH","purchasable":true,"stock":{"stockLevelStatus":{"code":"outOfStock","type":"StockLevelStatus"},"stockLevel":0,"stockThreshold":null},"futureStocks":null,"availableForPickup":null,"averageRating":null,"numberOfReviews":null,"summary":null,"manufacturer":null,"variantType":null,"price":{"currencyIso":"USD","value":4.27,"priceType":"BUY","formattedValue":"$4.27","minQuantity":null,"maxQuantity":null,"sapUnit":{"code":"pieces","name":"Piece"}},"baseProduct":null,"images":[],"categories":null,"reviews":null,"classifications":null,"potentialPromotions":null,"variantOptions":null,"baseOptions":[],"volumePricesFlag":null,"volumePrices":null,"productReferences":null,"variantMatrix":null,"priceRange":null,"firstCategoryNameList":null,"multidimensional":null,"configurable":false,"configuratorType":null,"addToCartDisabled":null,"addToCartDisabledMessage":null,"tags":null,"sapUnit":null,"keywords":null,"genders":null,"itemtype":"Part","partSubstitute":null,"note":null,"recallNote":null,"note1":null,"note2":null,"note3":null,"note4":null,"note5":null,"pdfAllUser":null,"pdfAuthUser":null,"pdfCOSUser":null,"vaiantRelatedPartList":null,"partHotspotList":null,"itemNumber":null,"partRelatedVariantList":null,"bomCode":2,"totalValue":null,"searchImage":null,"length":null,"width":null,"height":null,"unitOfDimension":null,"weight":null,"unitOfWeight":null,"specialRouting":false,"onlineRepair":null,"previousPartID":null,"sbdDiscountPriceValue":{"currencyIso":"USD","value":4.27,"priceType":"BUY","formattedValue":"$4.27","minQuantity":null,"maxQuantity":null,"sapUnit":{"code":"pieces","name":"Piece"}},"alrCode":null,"productRecallFlag":null,"selectedDocumentId":null,"productDescription":null,"pdpImage":null,"ticketId":null,"qtyRequiredPerVariant":"1","isElgibleForRepair":null,"isPowerEligible":null,"productRecallNotes":null,"productOtherInfo":null,"backorderETA":"00/00/0000","modifiedDate":null,"userLevel":"COS","displayPrice":null,"baseProductName":null,"firstVariantCode":null,"firstVariantImage":null,"productMarketType":null,"productNumber":null,"typeStatusCode":null,"productCategory":null,"typeNumber":null,"marketCode":null,"regionCode":null,"otherInformation":null,"productTypeStatus":null,"repairInstruction":null,"repairInstructionStatusDescription":null,"typeStatusDate":null,"serviceLifeDate":null,"manufacturerId":null,"parts":null,"language":null,"glossaries":null,"brand":null,"product":null,"brandCode":null,"recallNotes":null,"volume":null},{"code":"P532154404-CM","name":null,"url":"/c//p/P532154404-CM","description":"BEARING ARM","purchasable":true,"stock":{"stockLevelStatus":{"code":"outOfStock","type":"StockLevelStatus"},"stockLevel":0,"stockThreshold":null},"futureStocks":null,"availableForPickup":null,"averageRating":null,"numberOfReviews":null,"summary":null,"manufacturer":null,"variantType":null,"price":{"currencyIso":"USD","value":2.63,"priceType":"BUY","formattedValue":"$2.63","minQuantity":null,"maxQuantity":null,"sapUnit":{"code":"pieces","name":"Piece"}},"baseProduct":null,"images":[],"categories":null,"reviews":null,"classifications":null,"potentialPromotions":null,"variantOptions":null,"baseOptions":[],"volumePricesFlag":null,"volumePrices":null,"productReferences":null,"variantMatrix":null,"priceRange":null,"firstCategoryNameList":null,"multidimensional":null,"configurable":false,"configuratorType":null,"addToCartDisabled":null,"addToCartDisabledMessage":null,"tags":null,"sapUnit":null,"keywords":null,"genders":null,"itemtype":"Part","partSubstitute":null,"note":null,"recallNote":null,"note1":null,"note2":null,"note3":null,"note4":null,"note5":null,"pdfAllUser":null,"pdfAuthUser":null,"pdfCOSUser":null,"vaiantRelatedPartList":null,"partHotspotList":null,"itemNumber":null,"partRelatedVariantList":null,"bomCode":2,"totalValue":null,"searchImage":null,"length":null,"width":null,"height":null,"unitOfDimension":null,"weight":null,"unitOfWeight":null,"specialRouting":false,"onlineRepair":null,"previousPartID":null,"sbdDiscountPriceValue":{"currencyIso":"USD","value":2.63,"priceType":"BUY","formattedValue":"$2.63","minQuantity":null,"maxQuantity":null,"sapUnit":{"code":"pieces","name":"Piece"}},"alrCode":null,"productRecallFlag":null,"selectedDocumentId":null,"productDescription":null,"pdpImage":null,"ticketId":null,"qtyRequiredPerVariant":"1","isElgibleForRepair":null,"isPowerEligible":null,"productRecallNotes":null,"productOtherInfo":null,"backorderETA":"00/00/0000","modifiedDate":null,"userLevel":"COS","displayPrice":null,"baseProductName":null,"firstVariantCode":null,"firstVariantImage":null,"productMarketType":null,"productNumber":null,"typeStatusCode":null,"productCategory":null,"typeNumber":null,"marketCode":null,"regionCode":null,"otherInformation":null,"productTypeStatus":null,"repairInstruction":null,"repairInstructionStatusDescription":null,"typeStatusDate":null,"serviceLifeDate":null,"manufacturerId":null,"parts":null,"language":null,"glossaries":null,"brand":null,"product":null,"brandCode":null,"recallNotes":null,"volume":null},{"code":"P532154407-CM","name":null,"url":"/c//p/P532154407-CM","description":"BELLCRANK- CLUTCH","purchasable":true,"stock":{"stockLevelStatus":{"code":"outOfStock","type":"StockLevelStatus"},"stockLevel":0,"stockThreshold":null},"futureStocks":null,"availableForPickup":null,"averageRating":null,"numberOfReviews":null,"summary":null,"manufacturer":null,"variantType":null,"price":{"currencyIso":"USD","value":4.0,"priceType":"BUY","formattedValue":"$4.00","minQuantity":null,"maxQuantity":null,"sapUnit":{"code":"pieces","name":"Piece"}},"baseProduct":null,"images":[],"categories":null,"reviews":null,"classifications":null,"potentialPromotions":null,"variantOptions":null,"baseOptions":[],"volumePricesFlag":null,"volumePrices":null,"productReferences":null,"variantMatrix":null,"priceRange":null,"firstCategoryNameList":null,"multidimensional":null,"configurable":false,"configuratorType":null,"addToCartDisabled":null,"addToCartDisabledMessage":null,"tags":null,"sapUnit":null,"keywords":null,"genders":null,"itemtype":"Part","partSubstitute":null,"note":null,"recallNote":null,"note1":null,"note2":null,"note3":null,"note4":null,"note5":null,"pdfAllUser":null,"pdfAuthUser":null,"pdfCOSUser":null,"vaiantRelatedPartList":null,"partHotspotList":null,"itemNumber":null,"partRelatedVariantList":null,"bomCode":2,"totalValue":null,"searchImage":null,"length":null,"width":null,"height":null,"unitOfDimension":null,"weight":null,"unitOfWeight":null,"specialRouting":false,"onlineRepair":null,"previousPartID":null,"sbdDiscountPriceValue":{"currencyIso":"USD","value":4.0,"priceType":"BUY","formattedValue":"$4.00","minQuantity":null,"maxQuantity":null,"sapUnit":{"code":"pieces","name":"Piece"}},"alrCode":null,"productRecallFlag":null,"selectedDocumentId":null,"productDescription":null,"pdpImage":null,"ticketId":null,"qtyRequiredPerVariant":"1","isElgibleForRepair":null,"isPowerEligible":null,"productRecallNotes":null,"productOtherInfo":null,"backorderETA":"00/00/0000","modifiedDate":null,"userLevel":"COS","displayPrice":null,"baseProductName":null,"firstVariantCode":null,"firstVariantImage":null,"productMarketType":null,"productNumber":null,"typeStatusCode":null,"productCategory":null,"typeNumber":null,"marketCode":null,"regionCode":null,"otherInformation":null,"productTypeStatus":null,"repairInstruction":null,"repairInstructionStatusDescription":null,"typeStatusDate":null,"serviceLifeDate":null,"manufacturerId":null,"parts":null,"language":null,"glossaries":null,"brand":null,"product":null,"brandCode":null,"recallNotes":null,"volume":null},{"code":"P532154429-CM","name":null,"url":"/c//p/P532154429-CM","description":"AXLE- BRACE","purchasable":true,"stock":{"stockLevelStatus":{"code":"outOfStock","type":"StockLevelStatus"},"stockLevel":0,"stockThreshold":null},"futureStocks":null,"availableForPickup":null,"averageRating":null,"numberOfReviews":null,"summary":null,"manufacturer":null,"variantType":null,"price":{"currencyIso":"USD","value":8.87,"priceType":"BUY","formattedValue":"$8.87","minQuantity":null,"maxQuantity":null,"sapUnit":{"code":"pieces","name":"Piece"}},"baseProduct":null,"images":[],"categories":null,"reviews":null,"classifications":null,"potentialPromotions":null,"variantOptions":null,"baseOptions":[],"volumePricesFlag":null,"volumePrices":null,"productReferences":null,"variantMatrix":null,"priceRange":null,"firstCategoryNameList":null,"multidimensional":null,"configurable":false,"configuratorType":null,"addToCartDisabled":null,"addToCartDisabledMessage":null,"tags":null,"sapUnit":null,"keywords":null,"genders":null,"itemtype":"Part","partSubstitute":null,"note":null,"recallNote":null,"note1":null,"note2":null,"note3":null,"note4":null,"note5":null,"pdfAllUser":null,"pdfAuthUser":null,"pdfCOSUser":null,"vaiantRelatedPartList":null,"partHotspotList":null,"itemNumber":null,"partRelatedVariantList":null,"bomCode":2,"totalValue":null,"searchImage":null,"length":null,"width":null,"height":null,"unitOfDimension":null,"weight":null,"unitOfWeight":null,"specialRouting":false,"onlineRepair":null,"previousPartID":null,"sbdDiscountPriceValue":{"currencyIso":"USD","value":8.87,"priceType":"BUY","formattedValue":"$8.87","minQuantity":null,"maxQuantity":null,"sapUnit":{"code":"pieces","name":"Piece"}},"alrCode":null,"productRecallFlag":null,"selectedDocumentId":null,"productDescription":null,"pdpImage":null,"ticketId":null,"qtyRequiredPerVariant":"1","isElgibleForRepair":null,"isPowerEligible":null,"productRecallNotes":null,"productOtherInfo":null,"backorderETA":"00/00/0000","modifiedDate":null,"userLevel":"COS","displayPrice":null,"baseProductName":null,"firstVariantCode":null,"firstVariantImage":null,"productMarketType":null,"productNumber":null,"typeStatusCode":null,"productCategory":null,"typeNumber":null,"marketCode":null,"regionCode":null,"otherInformation":null,"productTypeStatus":null,"repairInstruction":null,"repairInstructionStatusDescription":null,"typeStatusDate":null,"serviceLifeDate":null,"manufacturerId":null,"parts":null,"language":null,"glossaries":null,"brand":null,"product":null,"brandCode":null,"recallNotes":null,"volume":null},{"code":"P532154778-CM","name":null,"url":"/c//p/P532154778-CM","description":"KEEPER BELT ENGINE","purchasable":true,"stock":{"stockLevelStatus":{"code":"outOfStock","type":"StockLevelStatus"},"stockLevel":0,"stockThreshold":null},"futureStocks":null,"availableForPickup":null,"averageRating":null,"numberOfReviews":null,"summary":null,"manufacturer":null,"variantType":null,"price":{"currencyIso":"USD","value":7.86,"priceType":"BUY","formattedValue":"$7.86","minQuantity":null,"maxQuantity":null,"sapUnit":{"code":"pieces","name":"Piece"}},"baseProduct":null,"images":[],"categories":null,"reviews":null,"classifications":null,"potentialPromotions":null,"variantOptions":null,"baseOptions":[],"volumePricesFlag":null,"volumePrices":null,"productReferences":null,"variantMatrix":null,"priceRange":null,"firstCategoryNameList":null,"multidimensional":null,"configurable":false,"configuratorType":null,"addToCartDisabled":null,"addToCartDisabledMessage":null,"tags":null,"sapUnit":null,"keywords":null,"genders":null,"itemtype":"Part","partSubstitute":null,"note":null,"recallNote":null,"note1":null,"note2":null,"note3":null,"note4":null,"note5":null,"pdfAllUser":null,"pdfAuthUser":null,"pdfCOSUser":null,"vaiantRelatedPartList":null,"partHotspotList":null,"itemNumber":null,"partRelatedVariantList":null,"bomCode":2,"totalValue":null,"searchImage":null,"length":null,"width":null,"height":null,"unitOfDimension":null,"weight":null,"unitOfWeight":null,"specialRouting":false,"onlineRepair":null,"previousPartID":null,"sbdDiscountPriceValue":{"currencyIso":"USD","value":7.86,"priceType":"BUY","formattedValue":"$7.86","minQuantity":null,"maxQuantity":null,"sapUnit":{"code":"pieces","name":"Piece"}},"alrCode":null,"productRecallFlag":null,"selectedDocumentId":null,"productDescription":null,"pdpImage":null,"ticketId":null,"qtyRequiredPerVariant":"1","isElgibleForRepair":null,"isPowerEligible":null,"productRecallNotes":null,"productOtherInfo":null,"backorderETA":"00/00/0000","modifiedDate":null,"userLevel":"COS","displayPrice":null,"baseProductName":null,"firstVariantCode":null,"firstVariantImage":null,"productMarketType":null,"productNumber":null,"typeStatusCode":null,"productCategory":null,"typeNumber":null,"marketCode":null,"regionCode":null,"otherInformation":null,"productTypeStatus":null,"repairInstruction":null,"repairInstructionStatusDescription":null,"typeStatusDate":null,"serviceLifeDate":null,"manufacturerId":null,"parts":null,"language":null,"glossaries":null,"brand":null,"product":null,"brandCode":null,"recallNotes":null,"volume":null},{"code":"P532154779-CM","name":null,"url":"/c//p/P532154779-CM","description":"BEARING AXLE","purchasable":true,"stock":{"stockLevelStatus":{"code":"outOfStock","type":"StockLevelStatus"},"stockLevel":0,"stockThreshold":null},"futureStocks":null,"availableForPickup":null,"averageRating":null,"numberOfReviews":null,"summary":null,"manufacturer":null,"variantType":null,"price":{"currencyIso":"USD","value":5.93,"priceType":"BUY","formattedValue":"$5.93","minQuantity":null,"maxQuantity":null,"sapUnit":{"code":"pieces","name":"Piece"}},"baseProduct":null,"images":[],"categories":null,"reviews":null,"classifications":null,"potentialPromotions":null,"variantOptions":null,"baseOptions":[],"volumePricesFlag":null,"volumePrices":null,"productReferences":null,"variantMatrix":null,"priceRange":null,"firstCategoryNameList":null,"multidimensional":null,"configurable":false,"configuratorType":null,"addToCartDisabled":null,"addToCartDisabledMessage":null,"tags":null,"sapUnit":null,"keywords":null,"genders":null,"itemtype":"Part","partSubstitute":null,"note":null,"recallNote":null,"note1":null,"note2":null,"note3":null,"note4":null,"note5":null,"pdfAllUser":null,"pdfAuthUser":null,"pdfCOSUser":null,"vaiantRelatedPartList":null,"partHotspotList":null,"itemNumber":null,"partRelatedVariantList":null,"bomCode":2,"totalValue":null,"searchImage":null,"length":null,"width":null,"height":null,"unitOfDimension":null,"weight":null,"unitOfWeight":null,"specialRouting":false,"onlineRepair":null,"previousPartID":null,"sbdDiscountPriceValue":{"currencyIso":"USD","value":5.93,"priceType":"BUY","formattedValue":"$5.93","minQuantity":null,"maxQuantity":null,"sapUnit":{"code":"pieces","name":"Piece"}},"alrCode":null,"productRecallFlag":null,"selectedDocumentId":null,"productDescription":null,"pdpImage":null,"ticketId":null,"qtyRequiredPerVariant":"1","isElgibleForRepair":null,"isPowerEligible":null,"productRecallNotes":null,"productOtherInfo":null,"backorderETA":"00/00/0000","modifiedDate":null,"userLevel":"COS","displayPrice":null,"baseProductName":null,"firstVariantCode":null,"firstVariantImage":null,"productMarketType":null,"productNumber":null,"typeStatusCode":null,"productCategory":null,"typeNumber":null,"marketCode":null,"regionCode":null,"otherInformation":null,"productTypeStatus":null,"repairInstruction":null,"repairInstructionStatusDescription":null,"typeStatusDate":null,"serviceLifeDate":null,"manufacturerId":null,"parts":null,"language":null,"glossaries":null,"brand":null,"product":null,"brandCode":null,"recallNotes":null,"volume":null},{"code":"P532154780-CM","name":null,"url":"/c//p/P532154780-CM","description":"SPACER AXLE","purchasable":true,"stock":{"stockLevelStatus":{"code":"outOfStock","type":"StockLevelStatus"},"stockLevel":0,"stockThreshold":null},"futureStocks":null,"availableForPickup":null,"averageRating":null,"numberOfReviews":null,"summary":null,"manufacturer":null,"variantType":null,"price":{"currencyIso":"USD","value":5.86,"priceType":"BUY","formattedValue":"$5.86","minQuantity":null,"maxQuantity":null,"sapUnit":{"code":"pieces","name":"Piece"}},"baseProduct":null,"images":[],"categories":null,"reviews":null,"classifications":null,"potentialPromotions":null,"variantOptions":null,"baseOptions":[],"volumePricesFlag":null,"volumePrices":null,"productReferences":null,"variantMatrix":null,"priceRange":null,"firstCategoryNameList":null,"multidimensional":null,"configurable":false,"configuratorType":null,"addToCartDisabled":null,"addToCartDisabledMessage":null,"tags":null,"sapUnit":null,"keywords":null,"genders":null,"itemtype":"Part","partSubstitute":null,"note":null,"recallNote":null,"note1":null,"note2":null,"note3":null,"note4":null,"note5":null,"pdfAllUser":null,"pdfAuthUser":null,"pdfCOSUser":null,"vaiantRelatedPartList":null,"partHotspotList":null,"itemNumber":null,"partRelatedVariantList":null,"bomCode":2,"totalValue":null,"searchImage":null,"length":null,"width":null,"height":null,"unitOfDimension":null,"weight":null,"unitOfWeight":null,"specialRouting":false,"onlineRepair":null,"previousPartID":null,"sbdDiscountPriceValue":{"currencyIso":"USD","value":5.86,"priceType":"BUY","formattedValue":"$5.86","minQuantity":null,"maxQuantity":null,"sapUnit":{"code":"pieces","name":"Piece"}},"alrCode":null,"productRecallFlag":null,"selectedDocumentId":null,"productDescription":null,"pdpImage":null,"ticketId":null,"qtyRequiredPerVariant":"1","isElgibleForRepair":null,"isPowerEligible":null,"productRecallNotes":null,"productOtherInfo":null,"backorderETA":"00/00/0000","modifiedDate":null,"userLevel":"COS","displayPrice":null,"baseProductName":null,"firstVariantCode":null,"firstVariantImage":null,"productMarketType":null,"productNumber":null,"typeStatusCode":null,"productCategory":null,"typeNumber":null,"marketCode":null,"regionCode":null,"otherInformation":null,"productTypeStatus":null,"repairInstruction":null,"repairInstructionStatusDescription":null,"typeStatusDate":null,"serviceLifeDate":null,"manufacturerId":null,"parts":null,"language":null,"glossaries":null,"brand":null,"product":null,"brandCode":null,"recallNotes":null,"volume":null},{"code":"P532154798-CM","name":null,"url":"/c//p/P532154798-CM","description":"DASH LOWER","purchasable":true,"stock":{"stockLevelStatus":{"code":"outOfStock","type":"StockLevelStatus"},"stockLevel":0,"stockThreshold":null},"futureStocks":null,"availableForPickup":null,"averageRating":null,"numberOfReviews":null,"summary":null,"manufacturer":null,"variantType":null,"price":{"currencyIso":"USD","value":19.07,"priceType":"BUY","formattedValue":"$19.07","minQuantity":null,"maxQuantity":null,"sapUnit":{"code":"pieces","name":"Piece"}},"baseProduct":null,"images":[],"categories":null,"reviews":null,"classifications":null,"potentialPromotions":null,"variantOptions":null,"baseOptions":[],"volumePricesFlag":null,"volumePrices":null,"productReferences":null,"variantMatrix":null,"priceRange":null,"firstCategoryNameList":null,"multidimensional":null,"configurable":false,"configuratorType":null,"addToCartDisabled":null,"addToCartDisabledMessage":null,"tags":null,"sapUnit":null,"keywords":null,"genders":null,"itemtype":"Part","partSubstitute":null,"note":null,"recallNote":null,"note1":null,"note2":null,"note3":null,"note4":null,"note5":null,"pdfAllUser":null,"pdfAuthUser":null,"pdfCOSUser":null,"vaiantRelatedPartList":null,"partHotspotList":null,"itemNumber":null,"partRelatedVariantList":null,"bomCode":2,"totalValue":null,"searchImage":null,"length":null,"width":null,"height":null,"unitOfDimension":null,"weight":null,"unitOfWeight":null,"specialRouting":false,"onlineRepair":null,"previousPartID":null,"sbdDiscountPriceValue":{"currencyIso":"USD","value":19.07,"priceType":"BUY","formattedValue":"$19.07","minQuantity":null,"maxQuantity":null,"sapUnit":{"code":"pieces","name":"Piece"}},"alrCode":null,"productRecallFlag":null,"selectedDocumentId":null,"productDescription":null,"pdpImage":null,"ticketId":null,"qtyRequiredPerVariant":"1","isElgibleForRepair":null,"isPowerEligible":null,"productRecallNotes":null,"productOtherInfo":null,"backorderETA":"00/00/0000","modifiedDate":null,"userLevel":"COS","displayPrice":null,"baseProductName":null,"firstVariantCode":null,"firstVariantImage":null,"productMarketType":null,"productNumber":null,"typeStatusCode":null,"productCategory":null,"typeNumber":null,"marketCode":null,"regionCode":null,"otherInformation":null,"productTypeStatus":null,"repairInstruction":null,"repairInstructionStatusDescription":null,"typeStatusDate":null,"serviceLifeDate":null,"manufacturerId":null,"parts":null,"language":null,"glossaries":null,"brand":null,"product":null,"brandCode":null,"recallNotes":null,"volume":null},{"code":"P532155071-CM","name":null,"url":"/c//p/P532155071-CM","description":"SHAFT- FOOT","purchasable":true,"stock":{"stockLevelStatus":{"code":"outOfStock","type":"StockLevelStatus"},"stockLevel":0,"stockThreshold":null},"futureStocks":null,"availableForPickup":null,"averageRating":null,"numberOfReviews":null,"summary":null,"manufacturer":null,"variantType":null,"price":{"currencyIso":"USD","value":14.46,"priceType":"BUY","formattedValue":"$14.46","minQuantity":null,"maxQuantity":null,"sapUnit":{"code":"pieces","name":"Piece"}},"baseProduct":null,"images":[],"categories":null,"reviews":null,"classifications":null,"potentialPromotions":null,"variantOptions":null,"baseOptions":[],"volumePricesFlag":null,"volumePrices":null,"productReferences":null,"variantMatrix":null,"priceRange":null,"firstCategoryNameList":null,"multidimensional":null,"configurable":false,"configuratorType":null,"addToCartDisabled":null,"addToCartDisabledMessage":null,"tags":null,"sapUnit":null,"keywords":null,"genders":null,"itemtype":"Part","partSubstitute":null,"note":null,"recallNote":null,"note1":null,"note2":null,"note3":null,"note4":null,"note5":null,"pdfAllUser":null,"pdfAuthUser":null,"pdfCOSUser":null,"vaiantRelatedPartList":null,"partHotspotList":null,"itemNumber":null,"partRelatedVariantList":null,"bomCode":2,"totalValue":null,"searchImage":null,"length":null,"width":null,"height":null,"unitOfDimension":null,"weight":null,"unitOfWeight":null,"specialRouting":false,"onlineRepair":null,"previousPartID":null,"sbdDiscountPriceValue":{"currencyIso":"USD","value":14.46,"priceType":"BUY","formattedValue":"$14.46","minQuantity":null,"maxQuantity":null,"sapUnit":{"code":"pieces","name":"Piece"}},"alrCode":null,"productRecallFlag":null,"selectedDocumentId":null,"productDescription":null,"pdpImage":null,"ticketId":null,"qtyRequiredPerVariant":"1","isElgibleForRepair":null,"isPowerEligible":null,"productRecallNotes":null,"productOtherInfo":null,"backorderETA":"00/00/0000","modifiedDate":null,"userLevel":"COS","displayPrice":null,"baseProductName":null,"firstVariantCode":null,"firstVariantImage":null,"productMarketType":null,"productNumber":null,"typeStatusCode":null,"productCategory":null,"typeNumber":null,"marketCode":null,"regionCode":null,"otherInformation":null,"productTypeStatus":null,"repairInstruction":null,"repairInstructionStatusDescription":null,"typeStatusDate":null,"serviceLifeDate":null,"manufacturerId":null,"parts":null,"language":null,"glossaries":null,"brand":null,"product":null,"brandCode":null,"recallNotes":null,"volume":null},{"code":"P532155106-CM","name":null,"url":"/c//p/P532155106-CM","description":"KIT.BUSH.STR","purchasable":true,"stock":{"stockLevelStatus":{"code":"outOfStock","type":"StockLevelStatus"},"stockLevel":0,"stockThreshold":null},"futureStocks":null,"availableForPickup":null,"averageRating":null,"numberOfReviews":null,"summary":null,"manufacturer":null,"variantType":null,"price":{"currencyIso":"USD","value":4.79,"priceType":"BUY","formattedValue":"$4.79","minQuantity":null,"maxQuantity":null,"sapUnit":{"code":"pieces","name":"Piece"}},"baseProduct":null,"images":[],"categories":null,"reviews":null,"classifications":null,"potentialPromotions":null,"variantOptions":null,"baseOptions":[],"volumePricesFlag":null,"volumePrices":null,"productReferences":null,"variantMatrix":null,"priceRange":null,"firstCategoryNameList":null,"multidimensional":null,"configurable":false,"configuratorType":null,"addToCartDisabled":null,"addToCartDisabledMessage":null,"tags":null,"sapUnit":null,"keywords":null,"genders":null,"itemtype":"Part","partSubstitute":null,"note":null,"recallNote":null,"note1":null,"note2":null,"note3":null,"note4":null,"note5":null,"pdfAllUser":null,"pdfAuthUser":null,"pdfCOSUser":null,"vaiantRelatedPartList":null,"partHotspotList":null,"itemNumber":null,"partRelatedVariantList":null,"bomCode":2,"totalValue":null,"searchImage":null,"length":null,"width":null,"height":null,"unitOfDimension":null,"weight":null,"unitOfWeight":null,"specialRouting":false,"onlineRepair":null,"previousPartID":null,"sbdDiscountPriceValue":{"currencyIso":"USD","value":4.79,"priceType":"BUY","formattedValue":"$4.79","minQuantity":null,"maxQuantity":null,"sapUnit":{"code":"pieces","name":"Piece"}},"alrCode":null,"productRecallFlag":null,"selectedDocumentId":null,"productDescription":null,"pdpImage":null,"ticketId":null,"qtyRequiredPerVariant":"1","isElgibleForRepair":null,"isPowerEligible":null,"productRecallNotes":null,"productOtherInfo":null,"backorderETA":"00/00/0000","modifiedDate":null,"userLevel":"COS","displayPrice":null,"baseProductName":null,"firstVariantCode":null,"firstVariantImage":null,"productMarketType":null,"productNumber":null,"typeStatusCode":null,"productCategory":null,"typeNumber":null,"marketCode":null,"regionCode":null,"otherInformation":null,"productTypeStatus":null,"repairInstruction":null,"repairInstructionStatusDescription":null,"typeStatusDate":null,"serviceLifeDate":null,"manufacturerId":null,"parts":null,"language":null,"glossaries":null,"brand":null,"product":null,"brandCode":null,"recallNotes":null,"volume":null},{"code":"P532155272-CM","name":null,"url":"/c//p/P532155272-CM","description":"BUMPER.RUBBER.HOOD","purchasable":true,"stock":{"stockLevelStatus":{"code":"outOfStock","type":"StockLevelStatus"},"stockLevel":0,"stockThreshold":null},"futureStocks":null,"availableForPickup":null,"averageRating":null,"numberOfReviews":null,"summary":null,"manufacturer":null,"variantType":null,"price":{"currencyIso":"USD","value":3.1,"priceType":"BUY","formattedValue":"$3.10","minQuantity":null,"maxQuantity":null,"sapUnit":{"code":"pieces","name":"Piece"}},"baseProduct":null,"images":[],"categories":null,"reviews":null,"classifications":null,"potentialPromotions":null,"variantOptions":null,"baseOptions":[],"volumePricesFlag":null,"volumePrices":null,"productReferences":null,"variantMatrix":null,"priceRange":null,"firstCategoryNameList":null,"multidimensional":null,"configurable":false,"configuratorType":null,"addToCartDisabled":null,"addToCartDisabledMessage":null,"tags":null,"sapUnit":null,"keywords":null,"genders":null,"itemtype":"Part","partSubstitute":null,"note":null,"recallNote":null,"note1":null,"note2":null,"note3":null,"note4":null,"note5":null,"pdfAllUser":null,"pdfAuthUser":null,"pdfCOSUser":null,"vaiantRelatedPartList":null,"partHotspotList":null,"itemNumber":null,"partRelatedVariantList":null,"bomCode":2,"totalValue":null,"searchImage":null,"length":null,"width":null,"height":null,"unitOfDimension":null,"weight":null,"unitOfWeight":null,"specialRouting":false,"onlineRepair":null,"previousPartID":null,"sbdDiscountPriceValue":{"currencyIso":"USD","value":3.1,"priceType":"BUY","formattedValue":"$3.10","minQuantity":null,"maxQuantity":null,"sapUnit":{"code":"pieces","name":"Piece"}},"alrCode":null,"productRecallFlag":null,"selectedDocumentId":null,"productDescription":null,"pdpImage":null,"ticketId":null,"qtyRequiredPerVariant":"1","isElgibleForRepair":null,"isPowerEligible":null,"productRecallNotes":null,"productOtherInfo":null,"backorderETA":"00/00/0000","modifiedDate":null,"userLevel":"COS","displayPrice":null,"baseProductName":null,"firstVariantCode":null,"firstVariantImage":null,"productMarketType":null,"productNumber":null,"typeStatusCode":null,"productCategory":null,"typeNumber":null,"marketCode":null,"regionCode":null,"otherInformation":null,"productTypeStatus":null,"repairInstruction":null,"repairInstructionStatusDescription":null,"typeStatusDate":null,"serviceLifeDate":null,"manufacturerId":null,"parts":null,"language":null,"glossaries":null,"brand":null,"product":null,"brandCode":null,"recallNotes":null,"volume":null},{"code":"P532156084-CM","name":null,"url":"/c//p/P532156084-CM","description":"KEEPER.BELT.IDLER","purchasable":true,"stock":{"stockLevelStatus":{"code":"outOfStock","type":"StockLevelStatus"},"stockLevel":0,"stockThreshold":null},"futureStocks":null,"availableForPickup":null,"averageRating":null,"numberOfReviews":null,"summary":null,"manufacturer":null,"variantType":null,"price":{"currencyIso":"USD","value":3.1,"priceType":"BUY","formattedValue":"$3.10","minQuantity":null,"maxQuantity":null,"sapUnit":{"code":"pieces","name":"Piece"}},"baseProduct":null,"images":[],"categories":null,"reviews":null,"classifications":null,"potentialPromotions":null,"variantOptions":null,"baseOptions":[],"volumePricesFlag":null,"volumePrices":null,"productReferences":null,"variantMatrix":null,"priceRange":null,"firstCategoryNameList":null,"multidimensional":null,"configurable":false,"configuratorType":null,"addToCartDisabled":null,"addToCartDisabledMessage":null,"tags":null,"sapUnit":null,"keywords":null,"genders":null,"itemtype":"Part","partSubstitute":null,"note":null,"recallNote":null,"note1":null,"note2":null,"note3":null,"note4":null,"note5":null,"pdfAllUser":null,"pdfAuthUser":null,"pdfCOSUser":null,"vaiantRelatedPartList":null,"partHotspotList":null,"itemNumber":null,"partRelatedVariantList":null,"bomCode":2,"totalValue":null,"searchImage":null,"length":null,"width":null,"height":null,"unitOfDimension":null,"weight":null,"unitOfWeight":null,"specialRouting":false,"onlineRepair":null,"previousPartID":null,"sbdDiscountPriceValue":{"currencyIso":"USD","value":3.1,"priceType":"BUY","formattedValue":"$3.10","minQuantity":null,"maxQuantity":null,"sapUnit":{"code":"pieces","name":"Piece"}},"alrCode":null,"productRecallFlag":null,"selectedDocumentId":null,"productDescription":null,"pdpImage":null,"ticketId":null,"qtyRequiredPerVariant":"1","isElgibleForRepair":null,"isPowerEligible":null,"productRecallNotes":null,"productOtherInfo":null,"backorderETA":"00/00/0000","modifiedDate":null,"userLevel":"COS","displayPrice":null,"baseProductName":null,"firstVariantCode":null,"firstVariantImage":null,"productMarketType":null,"productNumber":null,"typeStatusCode":null,"productCategory":null,"typeNumber":null,"marketCode":null,"regionCode":null,"otherInformation":null,"productTypeStatus":null,"repairInstruction":null,"repairInstructionStatusDescription":null,"typeStatusDate":null,"serviceLifeDate":null,"manufacturerId":null,"parts":null,"language":null,"glossaries":null,"brand":null,"product":null,"brandCode":null,"recallNotes":null,"volume":null},{"code":"P532156483-CM","name":null,"url":"/c//p/P532156483-CM","description":"SPINDLE.ASM.","purchasable":true,"stock":{"stockLevelStatus":{"code":"outOfStock","type":"StockLevelStatus"},"stockLevel":0,"stockThreshold":null},"futureStocks":null,"availableForPickup":null,"averageRating":null,"numberOfReviews":null,"summary":null,"manufacturer":null,"variantType":null,"price":{"currencyIso":"USD","value":13.84,"priceType":"BUY","formattedValue":"$13.84","minQuantity":null,"maxQuantity":null,"sapUnit":{"code":"pieces","name":"Piece"}},"baseProduct":null,"images":[],"categories":null,"reviews":null,"classifications":null,"potentialPromotions":null,"variantOptions":null,"baseOptions":[],"volumePricesFlag":null,"volumePrices":null,"productReferences":null,"variantMatrix":null,"priceRange":null,"firstCategoryNameList":null,"multidimensional":null,"configurable":false,"configuratorType":null,"addToCartDisabled":null,"addToCartDisabledMessage":null,"tags":null,"sapUnit":null,"keywords":null,"genders":null,"itemtype":"Part","partSubstitute":null,"note":null,"recallNote":null,"note1":null,"note2":null,"note3":null,"note4":null,"note5":null,"pdfAllUser":null,"pdfAuthUser":null,"pdfCOSUser":null,"vaiantRelatedPartList":null,"partHotspotList":null,"itemNumber":null,"partRelatedVariantList":null,"bomCode":2,"totalValue":null,"searchImage":null,"length":null,"width":null,"height":null,"unitOfDimension":null,"weight":null,"unitOfWeight":null,"specialRouting":false,"onlineRepair":null,"previousPartID":null,"sbdDiscountPriceValue":{"currencyIso":"USD","value":13.84,"priceType":"BUY","formattedValue":"$13.84","minQuantity":null,"maxQuantity":null,"sapUnit":{"code":"pieces","name":"Piece"}},"alrCode":null,"productRecallFlag":null,"selectedDocumentId":null,"productDescription":null,"pdpImage":null,"ticketId":null,"qtyRequiredPerVariant":"1","isElgibleForRepair":null,"isPowerEligible":null,"productRecallNotes":null,"productOtherInfo":null,"backorderETA":"00/00/0000","modifiedDate":null,"userLevel":"COS","displayPrice":null,"baseProductName":null,"firstVariantCode":null,"firstVariantImage":null,"productMarketType":null,"productNumber":null,"typeStatusCode":null,"productCategory":null,"typeNumber":null,"marketCode":null,"regionCode":null,"otherInformation":null,"productTypeStatus":null,"repairInstruction":null,"repairInstructionStatusDescription":null,"typeStatusDate":null,"serviceLifeDate":null,"manufacturerId":null,"parts":null,"language":null,"glossaries":null,"brand":null,"product":null,"brandCode":null,"recallNotes":null,"volume":null},{"code":"P532156546-CM","name":null,"url":"/c//p/P532156546-CM","description":"SHAFT ASM STEERING","purchasable":true,"stock":{"stockLevelStatus":{"code":"outOfStock","type":"StockLevelStatus"},"stockLevel":0,"stockThreshold":null},"futureStocks":null,"availableForPickup":null,"averageRating":null,"numberOfReviews":null,"summary":null,"manufacturer":null,"variantType":null,"price":{"currencyIso":"USD","value":27.7,"priceType":"BUY","formattedValue":"$27.70","minQuantity":null,"maxQuantity":null,"sapUnit":{"code":"pieces","name":"Piece"}},"baseProduct":null,"images":[],"categories":null,"reviews":null,"classifications":null,"potentialPromotions":null,"variantOptions":null,"baseOptions":[],"volumePricesFlag":null,"volumePrices":null,"productReferences":null,"variantMatrix":null,"priceRange":null,"firstCategoryNameList":null,"multidimensional":null,"configurable":false,"configuratorType":null,"addToCartDisabled":null,"addToCartDisabledMessage":null,"tags":null,"sapUnit":null,"keywords":null,"genders":null,"itemtype":"Part","partSubstitute":null,"note":null,"recallNote":null,"note1":null,"note2":null,"note3":null,"note4":null,"note5":null,"pdfAllUser":null,"pdfAuthUser":null,"pdfCOSUser":null,"vaiantRelatedPartList":null,"partHotspotList":null,"itemNumber":null,"partRelatedVariantList":null,"bomCode":2,"totalValue":null,"searchImage":null,"length":null,"width":null,"height":null,"unitOfDimension":null,"weight":null,"unitOfWeight":null,"specialRouting":false,"onlineRepair":null,"previousPartID":null,"sbdDiscountPriceValue":{"currencyIso":"USD","value":27.7,"priceType":"BUY","formattedValue":"$27.70","minQuantity":null,"maxQuantity":null,"sapUnit":{"code":"pieces","name":"Piece"}},"alrCode":null,"productRecallFlag":null,"selectedDocumentId":null,"productDescription":null,"pdpImage":null,"ticketId":null,"qtyRequiredPerVariant":"1","isElgibleForRepair":null,"isPowerEligible":null,"productRecallNotes":null,"productOtherInfo":null,"backorderETA":"00/00/0000","modifiedDate":null,"userLevel":"COS","displayPrice":null,"baseProductName":null,"firstVariantCode":null,"firstVariantImage":null,"productMarketType":null,"productNumber":null,"typeStatusCode":null,"productCategory":null,"typeNumber":null,"marketCode":null,"regionCode":null,"otherInformation":null,"productTypeStatus":null,"repairInstruction":null,"repairInstructionStatusDescription":null,"typeStatusDate":null,"serviceLifeDate":null,"manufacturerId":null,"parts":null,"language":null,"glossaries":null,"brand":null,"product":null,"brandCode":null,"recallNotes":null,"volume":null},{"code":"P532157473-CM","name":null,"url":"/c//p/P532157473-CM","description":"SPINDLE ASM-","purchasable":true,"stock":{"stockLevelStatus":{"code":"outOfStock","type":"StockLevelStatus"},"stockLevel":0,"stockThreshold":null},"futureStocks":null,"availableForPickup":null,"averageRating":null,"numberOfReviews":null,"summary":null,"manufacturer":null,"variantType":null,"price":{"currencyIso":"USD","value":13.21,"priceType":"BUY","formattedValue":"$13.21","minQuantity":null,"maxQuantity":null,"sapUnit":{"code":"pieces","name":"Piece"}},"baseProduct":null,"images":[],"categories":null,"reviews":null,"classifications":null,"potentialPromotions":null,"variantOptions":null,"baseOptions":[],"volumePricesFlag":null,"volumePrices":null,"productReferences":null,"variantMatrix":null,"priceRange":null,"firstCategoryNameList":null,"multidimensional":null,"configurable":false,"configuratorType":null,"addToCartDisabled":null,"addToCartDisabledMessage":null,"tags":null,"sapUnit":null,"keywords":null,"genders":null,"itemtype":"Part","partSubstitute":null,"note":null,"recallNote":null,"note1":null,"note2":null,"note3":null,"note4":null,"note5":null,"pdfAllUser":null,"pdfAuthUser":null,"pdfCOSUser":null,"vaiantRelatedPartList":null,"partHotspotList":null,"itemNumber":null,"partRelatedVariantList":null,"bomCode":2,"totalValue":null,"searchImage":null,"length":null,"width":null,"height":null,"unitOfDimension":null,"weight":null,"unitOfWeight":null,"specialRouting":false,"onlineRepair":null,"previousPartID":null,"sbdDiscountPriceValue":{"currencyIso":"USD","value":13.21,"priceType":"BUY","formattedValue":"$13.21","minQuantity":null,"maxQuantity":null,"sapUnit":{"code":"pieces","name":"Piece"}},"alrCode":null,"productRecallFlag":null,"selectedDocumentId":null,"productDescription":null,"pdpImage":null,"ticketId":null,"qtyRequiredPerVariant":"1","isElgibleForRepair":null,"isPowerEligible":null,"productRecallNotes":null,"productOtherInfo":null,"backorderETA":"00/00/0000","modifiedDate":null,"userLevel":"COS","displayPrice":null,"baseProductName":null,"firstVariantCode":null,"firstVariantImage":null,"productMarketType":null,"productNumber":null,"typeStatusCode":null,"productCategory":null,"typeNumber":null,"marketCode":null,"regionCode":null,"otherInformation":null,"productTypeStatus":null,"repairInstruction":null,"repairInstructionStatusDescription":null,"typeStatusDate":null,"serviceLifeDate":null,"manufacturerId":null,"parts":null,"language":null,"glossaries":null,"brand":null,"product":null,"brandCode":null,"recallNotes":null,"volume":null},{"code":"P532158418-CM","name":null,"url":"/c//p/P532158418-CM","description":"BRACKET SUSP","purchasable":true,"stock":{"stockLevelStatus":{"code":"outOfStock","type":"StockLevelStatus"},"stockLevel":0,"stockThreshold":null},"futureStocks":null,"availableForPickup":null,"averageRating":null,"numberOfReviews":null,"summary":null,"manufacturer":null,"variantType":null,"price":{"currencyIso":"USD","value":6.3,"priceType":"BUY","formattedValue":"$6.30","minQuantity":null,"maxQuantity":null,"sapUnit":{"code":"pieces","name":"Piece"}},"baseProduct":null,"images":[],"categories":null,"reviews":null,"classifications":null,"potentialPromotions":null,"variantOptions":null,"baseOptions":[],"volumePricesFlag":null,"volumePrices":null,"productReferences":null,"variantMatrix":null,"priceRange":null,"firstCategoryNameList":null,"multidimensional":null,"configurable":false,"configuratorType":null,"addToCartDisabled":null,"addToCartDisabledMessage":null,"tags":null,"sapUnit":null,"keywords":null,"genders":null,"itemtype":"Part","partSubstitute":null,"note":null,"recallNote":null,"note1":null,"note2":null,"note3":null,"note4":null,"note5":null,"pdfAllUser":null,"pdfAuthUser":null,"pdfCOSUser":null,"vaiantRelatedPartList":null,"partHotspotList":null,"itemNumber":null,"partRelatedVariantList":null,"bomCode":2,"totalValue":null,"searchImage":null,"length":null,"width":null,"height":null,"unitOfDimension":null,"weight":null,"unitOfWeight":null,"specialRouting":false,"onlineRepair":null,"previousPartID":null,"sbdDiscountPriceValue":{"currencyIso":"USD","value":6.3,"priceType":"BUY","formattedValue":"$6.30","minQuantity":null,"maxQuantity":null,"sapUnit":{"code":"pieces","name":"Piece"}},"alrCode":null,"productRecallFlag":null,"selectedDocumentId":null,"productDescription":null,"pdpImage":null,"ticketId":null,"qtyRequiredPerVariant":"1","isElgibleForRepair":null,"isPowerEligible":null,"productRecallNotes":null,"productOtherInfo":null,"backorderETA":"00/00/0000","modifiedDate":null,"userLevel":"COS","displayPrice":null,"baseProductName":null,"firstVariantCode":null,"firstVariantImage":null,"productMarketType":null,"productNumber":null,"typeStatusCode":null,"productCategory":null,"typeNumber":null,"marketCode":null,"regionCode":null,"otherInformation":null,"productTypeStatus":null,"repairInstruction":null,"repairInstructionStatusDescription":null,"typeStatusDate":null,"serviceLifeDate":null,"manufacturerId":null,"parts":null,"language":null,"glossaries":null,"brand":null,"product":null,"brandCode":null,"recallNotes":null,"volume":null},{"code":"P532165492-CM","name":null,"url":"/c//p/P532165492-CM","description":"BOLT.SHOULDER.","purchasable":true,"stock":{"stockLevelStatus":{"code":"outOfStock","type":"StockLevelStatus"},"stockLevel":0,"stockThreshold":null},"futureStocks":null,"availableForPickup":null,"averageRating":null,"numberOfReviews":null,"summary":null,"manufacturer":null,"variantType":null,"price":{"currencyIso":"USD","value":3.1,"priceType":"BUY","formattedValue":"$3.10","minQuantity":null,"maxQuantity":null,"sapUnit":{"code":"pieces","name":"Piece"}},"baseProduct":null,"images":[],"categories":null,"reviews":null,"classifications":null,"potentialPromotions":null,"variantOptions":null,"baseOptions":[],"volumePricesFlag":null,"volumePrices":null,"productReferences":null,"variantMatrix":null,"priceRange":null,"firstCategoryNameList":null,"multidimensional":null,"configurable":false,"configuratorType":null,"addToCartDisabled":null,"addToCartDisabledMessage":null,"tags":null,"sapUnit":null,"keywords":null,"genders":null,"itemtype":"Part","partSubstitute":null,"note":null,"recallNote":null,"note1":null,"note2":null,"note3":null,"note4":null,"note5":null,"pdfAllUser":null,"pdfAuthUser":null,"pdfCOSUser":null,"vaiantRelatedPartList":null,"partHotspotList":null,"itemNumber":null,"partRelatedVariantList":null,"bomCode":2,"totalValue":null,"searchImage":null,"length":null,"width":null,"height":null,"unitOfDimension":null,"weight":null,"unitOfWeight":null,"specialRouting":false,"onlineRepair":null,"previousPartID":null,"sbdDiscountPriceValue":{"currencyIso":"USD","value":3.1,"priceType":"BUY","formattedValue":"$3.10","minQuantity":null,"maxQuantity":null,"sapUnit":{"code":"pieces","name":"Piece"}},"alrCode":null,"productRecallFlag":null,"selectedDocumentId":null,"productDescription":null,"pdpImage":null,"ticketId":null,"qtyRequiredPerVariant":"1","isElgibleForRepair":null,"isPowerEligible":null,"productRecallNotes":null,"productOtherInfo":null,"backorderETA":"00/00/0000","modifiedDate":null,"userLevel":"COS","displayPrice":null,"baseProductName":null,"firstVariantCode":null,"firstVariantImage":null,"productMarketType":null,"productNumber":null,"typeStatusCode":null,"productCategory":null,"typeNumber":null,"marketCode":null,"regionCode":null,"otherInformation":null,"productTypeStatus":null,"repairInstruction":null,"repairInstructionStatusDescription":null,"typeStatusDate":null,"serviceLifeDate":null,"manufacturerId":null,"parts":null,"language":null,"glossaries":null,"brand":null,"product":null,"brandCode":null,"recallNotes":null,"volume":null},{"code":"P532165592-CM","name":null,"url":"/c//p/P532165592-CM","description":"SHAFT ASM CR","purchasable":true,"stock":{"stockLevelStatus":{"code":"outOfStock","type":"StockLevelStatus"},"stockLevel":0,"stockThreshold":null},"futureStocks":null,"availableForPickup":null,"averageRating":null,"numberOfReviews":null,"summary":null,"manufacturer":null,"variantType":null,"price":{"currencyIso":"USD","value":23.66,"priceType":"BUY","formattedValue":"$23.66","minQuantity":null,"maxQuantity":null,"sapUnit":{"code":"pieces","name":"Piece"}},"baseProduct":null,"images":[],"categories":null,"reviews":null,"classifications":null,"potentialPromotions":null,"variantOptions":null,"baseOptions":[],"volumePricesFlag":null,"volumePrices":null,"productReferences":null,"variantMatrix":null,"priceRange":null,"firstCategoryNameList":null,"multidimensional":null,"configurable":false,"configuratorType":null,"addToCartDisabled":null,"addToCartDisabledMessage":null,"tags":null,"sapUnit":null,"keywords":null,"genders":null,"itemtype":"Part","partSubstitute":null,"note":null,"recallNote":null,"note1":null,"note2":null,"note3":null,"note4":null,"note5":null,"pdfAllUser":null,"pdfAuthUser":null,"pdfCOSUser":null,"vaiantRelatedPartList":null,"partHotspotList":null,"itemNumber":null,"partRelatedVariantList":null,"bomCode":2,"totalValue":null,"searchImage":null,"length":null,"width":null,"height":null,"unitOfDimension":null,"weight":null,"unitOfWeight":null,"specialRouting":false,"onlineRepair":null,"previousPartID":null,"sbdDiscountPriceValue":{"currencyIso":"USD","value":23.66,"priceType":"BUY","formattedValue":"$23.66","minQuantity":null,"maxQuantity":null,"sapUnit":{"code":"pieces","name":"Piece"}},"alrCode":null,"productRecallFlag":null,"selectedDocumentId":null,"productDescription":null,"pdpImage":null,"ticketId":null,"qtyRequiredPerVariant":"1","isElgibleForRepair":null,"isPowerEligible":null,"productRecallNotes":null,"productOtherInfo":null,"backorderETA":"00/00/0000","modifiedDate":null,"userLevel":"COS","displayPrice":null,"baseProductName":null,"firstVariantCode":null,"firstVariantImage":null,"productMarketType":null,"productNumber":null,"typeStatusCode":null,"productCategory":null,"typeNumber":null,"marketCode":null,"regionCode":null,"otherInformation":null,"productTypeStatus":null,"repairInstruction":null,"repairInstructionStatusDescription":null,"typeStatusDate":null,"serviceLifeDate":null,"manufacturerId":null,"parts":null,"language":null,"glossaries":null,"brand":null,"product":null,"brandCode":null,"recallNotes":null,"volume":null},{"code":"P532165711-CM","name":null,"url":"/c//p/P532165711-CM","description":"SHIFT SPRING","purchasable":true,"stock":{"stockLevelStatus":{"code":"outOfStock","type":"StockLevelStatus"},"stockLevel":0,"stockThreshold":null},"futureStocks":null,"availableForPickup":null,"averageRating":null,"numberOfReviews":null,"summary":null,"manufacturer":null,"variantType":null,"price":{"currencyIso":"USD","value":3.84,"priceType":"BUY","formattedValue":"$3.84","minQuantity":null,"maxQuantity":null,"sapUnit":{"code":"pieces","name":"Piece"}},"baseProduct":null,"images":[],"categories":null,"reviews":null,"classifications":null,"potentialPromotions":null,"variantOptions":null,"baseOptions":[],"volumePricesFlag":null,"volumePrices":null,"productReferences":null,"variantMatrix":null,"priceRange":null,"firstCategoryNameList":null,"multidimensional":null,"configurable":false,"configuratorType":null,"addToCartDisabled":null,"addToCartDisabledMessage":null,"tags":null,"sapUnit":null,"keywords":null,"genders":null,"itemtype":"Part","partSubstitute":null,"note":null,"recallNote":null,"note1":null,"note2":null,"note3":null,"note4":null,"note5":null,"pdfAllUser":null,"pdfAuthUser":null,"pdfCOSUser":null,"vaiantRelatedPartList":null,"partHotspotList":null,"itemNumber":null,"partRelatedVariantList":null,"bomCode":2,"totalValue":null,"searchImage":null,"length":null,"width":null,"height":null,"unitOfDimension":null,"weight":null,"unitOfWeight":null,"specialRouting":false,"onlineRepair":null,"previousPartID":null,"sbdDiscountPriceValue":{"currencyIso":"USD","value":3.84,"priceType":"BUY","formattedValue":"$3.84","minQuantity":null,"maxQuantity":null,"sapUnit":{"code":"pieces","name":"Piece"}},"alrCode":null,"productRecallFlag":null,"selectedDocumentId":null,"productDescription":null,"pdpImage":null,"ticketId":null,"qtyRequiredPerVariant":"1","isElgibleForRepair":null,"isPowerEligible":null,"productRecallNotes":null,"productOtherInfo":null,"backorderETA":"00/00/0000","modifiedDate":null,"userLevel":"COS","displayPrice":null,"baseProductName":null,"firstVariantCode":null,"firstVariantImage":null,"productMarketType":null,"productNumber":null,"typeStatusCode":null,"productCategory":null,"typeNumber":null,"marketCode":null,"regionCode":null,"otherInformation":null,"productTypeStatus":null,"repairInstruction":null,"repairInstructionStatusDescription":null,"typeStatusDate":null,"serviceLifeDate":null,"manufacturerId":null,"parts":null,"language":null,"glossaries":null,"brand":null,"product":null,"brandCode":null,"recallNotes":null,"volume":null},{"code":"P532165723-CM","name":null,"url":"/c//p/P532165723-CM","description":"SPCR.RETAINER.MOWER","purchasable":true,"stock":{"stockLevelStatus":{"code":"outOfStock","type":"StockLevelStatus"},"stockLevel":0,"stockThreshold":null},"futureStocks":null,"availableForPickup":null,"averageRating":null,"numberOfReviews":null,"summary":null,"manufacturer":null,"variantType":null,"price":{"currencyIso":"USD","value":2.67,"priceType":"BUY","formattedValue":"$2.67","minQuantity":null,"maxQuantity":null,"sapUnit":{"code":"pieces","name":"Piece"}},"baseProduct":null,"images":[],"categories":null,"reviews":null,"classifications":null,"potentialPromotions":null,"variantOptions":null,"baseOptions":[],"volumePricesFlag":null,"volumePrices":null,"productReferences":null,"variantMatrix":null,"priceRange":null,"firstCategoryNameList":null,"multidimensional":null,"configurable":false,"configuratorType":null,"addToCartDisabled":null,"addToCartDisabledMessage":null,"tags":null,"sapUnit":null,"keywords":null,"genders":null,"itemtype":"Part","partSubstitute":null,"note":null,"recallNote":null,"note1":null,"note2":null,"note3":null,"note4":null,"note5":null,"pdfAllUser":null,"pdfAuthUser":null,"pdfCOSUser":null,"vaiantRelatedPartList":null,"partHotspotList":null,"itemNumber":null,"partRelatedVariantList":null,"bomCode":2,"totalValue":null,"searchImage":null,"length":null,"width":null,"height":null,"unitOfDimension":null,"weight":null,"unitOfWeight":null,"specialRouting":false,"onlineRepair":null,"previousPartID":null,"sbdDiscountPriceValue":{"currencyIso":"USD","value":2.67,"priceType":"BUY","formattedValue":"$2.67","minQuantity":null,"maxQuantity":null,"sapUnit":{"code":"pieces","name":"Piece"}},"alrCode":null,"productRecallFlag":null,"selectedDocumentId":null,"productDescription":null,"pdpImage":null,"ticketId":null,"qtyRequiredPerVariant":"1","isElgibleForRepair":null,"isPowerEligible":null,"productRecallNotes":null,"productOtherInfo":null,"backorderETA":"00/00/0000","modifiedDate":null,"userLevel":"COS","displayPrice":null,"baseProductName":null,"firstVariantCode":null,"firstVariantImage":null,"productMarketType":null,"productNumber":null,"typeStatusCode":null,"productCategory":null,"typeNumber":null,"marketCode":null,"regionCode":null,"otherInformation":null,"productTypeStatus":null,"repairInstruction":null,"repairInstructionStatusDescription":null,"typeStatusDate":null,"serviceLifeDate":null,"manufacturerId":null,"parts":null,"language":null,"glossaries":null,"brand":null,"product":null,"brandCode":null,"recallNotes":null,"volume":null},{"code":"P532165746-CM","name":null,"url":"/c//p/P532165746-CM","description":"WHEEL GAUGE","purchasable":true,"stock":{"stockLevelStatus":{"code":"outOfStock","type":"StockLevelStatus"},"stockLevel":0,"stockThreshold":null},"futureStocks":null,"availableForPickup":null,"averageRating":null,"numberOfReviews":null,"summary":null,"manufacturer":null,"variantType":null,"price":{"currencyIso":"USD","value":10.11,"priceType":"BUY","formattedValue":"$10.11","minQuantity":null,"maxQuantity":null,"sapUnit":{"code":"pieces","name":"Piece"}},"baseProduct":null,"images":[],"categories":null,"reviews":null,"classifications":null,"potentialPromotions":null,"variantOptions":null,"baseOptions":[],"volumePricesFlag":null,"volumePrices":null,"productReferences":null,"variantMatrix":null,"priceRange":null,"firstCategoryNameList":null,"multidimensional":null,"configurable":false,"configuratorType":null,"addToCartDisabled":null,"addToCartDisabledMessage":null,"tags":null,"sapUnit":null,"keywords":null,"genders":null,"itemtype":"Part","partSubstitute":null,"note":null,"recallNote":null,"note1":null,"note2":null,"note3":null,"note4":null,"note5":null,"pdfAllUser":null,"pdfAuthUser":null,"pdfCOSUser":null,"vaiantRelatedPartList":null,"partHotspotList":null,"itemNumber":null,"partRelatedVariantList":null,"bomCode":2,"totalValue":null,"searchImage":null,"length":null,"width":null,"height":null,"unitOfDimension":null,"weight":null,"unitOfWeight":null,"specialRouting":false,"onlineRepair":null,"previousPartID":null,"sbdDiscountPriceValue":{"currencyIso":"USD","value":10.11,"priceType":"BUY","formattedValue":"$10.11","minQuantity":null,"maxQuantity":null,"sapUnit":{"code":"pieces","name":"Piece"}},"alrCode":null,"productRecallFlag":null,"selectedDocumentId":null,"productDescription":null,"pdpImage":null,"ticketId":null,"qtyRequiredPerVariant":"1","isElgibleForRepair":null,"isPowerEligible":null,"productRecallNotes":null,"productOtherInfo":null,"backorderETA":"00/00/0000","modifiedDate":null,"userLevel":"COS","displayPrice":null,"baseProductName":null,"firstVariantCode":null,"firstVariantImage":null,"productMarketType":null,"productNumber":null,"typeStatusCode":null,"productCategory":null,"typeNumber":null,"marketCode":null,"regionCode":null,"otherInformation":null,"productTypeStatus":null,"repairInstruction":null,"repairInstructionStatusDescription":null,"typeStatusDate":null,"serviceLifeDate":null,"manufacturerId":null,"parts":null,"language":null,"glossaries":null,"brand":null,"product":null,"brandCode":null,"recallNotes":null,"volume":null},{"code":"P532165850-CM","name":null,"url":"/c//p/P532165850-CM","description":"BUSHING.BELL","purchasable":true,"stock":{"stockLevelStatus":{"code":"outOfStock","type":"StockLevelStatus"},"stockLevel":0,"stockThreshold":null},"futureStocks":null,"availableForPickup":null,"averageRating":null,"numberOfReviews":null,"summary":null,"manufacturer":null,"variantType":null,"price":{"currencyIso":"USD","value":3.1,"priceType":"BUY","formattedValue":"$3.10","minQuantity":null,"maxQuantity":null,"sapUnit":{"code":"pieces","name":"Piece"}},"baseProduct":null,"images":[],"categories":null,"reviews":null,"classifications":null,"potentialPromotions":null,"variantOptions":null,"baseOptions":[],"volumePricesFlag":null,"volumePrices":null,"productReferences":null,"variantMatrix":null,"priceRange":null,"firstCategoryNameList":null,"multidimensional":null,"configurable":false,"configuratorType":null,"addToCartDisabled":null,"addToCartDisabledMessage":null,"tags":null,"sapUnit":null,"keywords":null,"genders":null,"itemtype":"Part","partSubstitute":null,"note":null,"recallNote":null,"note1":null,"note2":null,"note3":null,"note4":null,"note5":null,"pdfAllUser":null,"pdfAuthUser":null,"pdfCOSUser":null,"vaiantRelatedPartList":null,"partHotspotList":null,"itemNumber":null,"partRelatedVariantList":null,"bomCode":2,"totalValue":null,"searchImage":null,"length":null,"width":null,"height":null,"unitOfDimension":null,"weight":null,"unitOfWeight":null,"specialRouting":false,"onlineRepair":null,"previousPartID":null,"sbdDiscountPriceValue":{"currencyIso":"USD","value":3.1,"priceType":"BUY","formattedValue":"$3.10","minQuantity":null,"maxQuantity":null,"sapUnit":{"code":"pieces","name":"Piece"}},"alrCode":null,"productRecallFlag":null,"selectedDocumentId":null,"productDescription":null,"pdpImage":null,"ticketId":null,"qtyRequiredPerVariant":"1","isElgibleForRepair":null,"isPowerEligible":null,"productRecallNotes":null,"productOtherInfo":null,"backorderETA":"00/00/0000","modifiedDate":null,"userLevel":"COS","displayPrice":null,"baseProductName":null,"firstVariantCode":null,"firstVariantImage":null,"productMarketType":null,"productNumber":null,"typeStatusCode":null,"productCategory":null,"typeNumber":null,"marketCode":null,"regionCode":null,"otherInformation":null,"productTypeStatus":null,"repairInstruction":null,"repairInstructionStatusDescription":null,"typeStatusDate":null,"serviceLifeDate":null,"manufacturerId":null,"parts":null,"language":null,"glossaries":null,"brand":null,"product":null,"brandCode":null,"recallNotes":null,"volume":null},{"code":"P532165851-CM","name":null,"url":"/c//p/P532165851-CM","description":"SHAFT ASSY P","purchasable":true,"stock":{"stockLevelStatus":{"code":"outOfStock","type":"StockLevelStatus"},"stockLevel":0,"stockThreshold":null},"futureStocks":null,"availableForPickup":null,"averageRating":null,"numberOfReviews":null,"summary":null,"manufacturer":null,"variantType":null,"price":{"currencyIso":"USD","value":14.05,"priceType":"BUY","formattedValue":"$14.05","minQuantity":null,"maxQuantity":null,"sapUnit":{"code":"pieces","name":"Piece"}},"baseProduct":null,"images":[],"categories":null,"reviews":null,"classifications":null,"potentialPromotions":null,"variantOptions":null,"baseOptions":[],"volumePricesFlag":null,"volumePrices":null,"productReferences":null,"variantMatrix":null,"priceRange":null,"firstCategoryNameList":null,"multidimensional":null,"configurable":false,"configuratorType":null,"addToCartDisabled":null,"addToCartDisabledMessage":null,"tags":null,"sapUnit":null,"keywords":null,"genders":null,"itemtype":"Part","partSubstitute":null,"note":null,"recallNote":null,"note1":null,"note2":null,"note3":null,"note4":null,"note5":null,"pdfAllUser":null,"pdfAuthUser":null,"pdfCOSUser":null,"vaiantRelatedPartList":null,"partHotspotList":null,"itemNumber":null,"partRelatedVariantList":null,"bomCode":2,"totalValue":null,"searchImage":null,"length":null,"width":null,"height":null,"unitOfDimension":null,"weight":null,"unitOfWeight":null,"specialRouting":false,"onlineRepair":null,"previousPartID":null,"sbdDiscountPriceValue":{"currencyIso":"USD","value":14.05,"priceType":"BUY","formattedValue":"$14.05","minQuantity":null,"maxQuantity":null,"sapUnit":{"code":"pieces","name":"Piece"}},"alrCode":null,"productRecallFlag":null,"selectedDocumentId":null,"productDescription":null,"pdpImage":null,"ticketId":null,"qtyRequiredPerVariant":"1","isElgibleForRepair":null,"isPowerEligible":null,"productRecallNotes":null,"productOtherInfo":null,"backorderETA":"00/00/0000","modifiedDate":null,"userLevel":"COS","displayPrice":null,"baseProductName":null,"firstVariantCode":null,"firstVariantImage":null,"productMarketType":null,"productNumber":null,"typeStatusCode":null,"productCategory":null,"typeNumber":null,"marketCode":null,"regionCode":null,"otherInformation":null,"productTypeStatus":null,"repairInstruction":null,"repairInstructionStatusDescription":null,"typeStatusDate":null,"serviceLifeDate":null,"manufacturerId":null,"parts":null,"language":null,"glossaries":null,"brand":null,"product":null,"brandCode":null,"recallNotes":null,"volume":null},{"code":"P532166002-CM","name":null,"url":"/c//p/P532166002-CM","description":"WASHER.SRRTD.5/16","purchasable":true,"stock":{"stockLevelStatus":{"code":"outOfStock","type":"StockLevelStatus"},"stockLevel":0,"stockThreshold":null},"futureStocks":null,"availableForPickup":null,"averageRating":null,"numberOfReviews":null,"summary":null,"manufacturer":null,"variantType":null,"price":{"currencyIso":"USD","value":3.1,"priceType":"BUY","formattedValue":"$3.10","minQuantity":null,"maxQuantity":null,"sapUnit":{"code":"pieces","name":"Piece"}},"baseProduct":null,"images":[],"categories":null,"reviews":null,"classifications":null,"potentialPromotions":null,"variantOptions":null,"baseOptions":[],"volumePricesFlag":null,"volumePrices":null,"productReferences":null,"variantMatrix":null,"priceRange":null,"firstCategoryNameList":null,"multidimensional":null,"configurable":false,"configuratorType":null,"addToCartDisabled":null,"addToCartDisabledMessage":null,"tags":null,"sapUnit":null,"keywords":null,"genders":null,"itemtype":"Part","partSubstitute":null,"note":null,"recallNote":null,"note1":null,"note2":null,"note3":null,"note4":null,"note5":null,"pdfAllUser":null,"pdfAuthUser":null,"pdfCOSUser":null,"vaiantRelatedPartList":null,"partHotspotList":null,"itemNumber":null,"partRelatedVariantList":null,"bomCode":2,"totalValue":null,"searchImage":null,"length":null,"width":null,"height":null,"unitOfDimension":null,"weight":null,"unitOfWeight":null,"specialRouting":false,"onlineRepair":null,"previousPartID":null,"sbdDiscountPriceValue":{"currencyIso":"USD","value":3.1,"priceType":"BUY","formattedValue":"$3.10","minQuantity":null,"maxQuantity":null,"sapUnit":{"code":"pieces","name":"Piece"}},"alrCode":null,"productRecallFlag":null,"selectedDocumentId":null,"productDescription":null,"pdpImage":null,"ticketId":null,"qtyRequiredPerVariant":"1","isElgibleForRepair":null,"isPowerEligible":null,"productRecallNotes":null,"productOtherInfo":null,"backorderETA":"00/00/0000","modifiedDate":null,"userLevel":"COS","displayPrice":null,"baseProductName":null,"firstVariantCode":null,"firstVariantImage":null,"productMarketType":null,"productNumber":null,"typeStatusCode":null,"productCategory":null,"typeNumber":null,"marketCode":null,"regionCode":null,"otherInformation":null,"productTypeStatus":null,"repairInstruction":null,"repairInstructionStatusDescription":null,"typeStatusDate":null,"serviceLifeDate":null,"manufacturerId":null,"parts":null,"language":null,"glossaries":null,"brand":null,"product":null,"brandCode":null,"recallNotes":null,"volume":null},{"code":"P532169691-CM","name":null,"url":"/c//p/P532169691-CM","description":"KEEPER- BELT CENTER","purchasable":true,"stock":{"stockLevelStatus":{"code":"outOfStock","type":"StockLevelStatus"},"stockLevel":0,"stockThreshold":null},"futureStocks":null,"availableForPickup":null,"averageRating":null,"numberOfReviews":null,"summary":null,"manufacturer":null,"variantType":null,"price":{"currencyIso":"USD","value":9.22,"priceType":"BUY","formattedValue":"$9.22","minQuantity":null,"maxQuantity":null,"sapUnit":{"code":"pieces","name":"Piece"}},"baseProduct":null,"images":[],"categories":null,"reviews":null,"classifications":null,"potentialPromotions":null,"variantOptions":null,"baseOptions":[],"volumePricesFlag":null,"volumePrices":null,"productReferences":null,"variantMatrix":null,"priceRange":null,"firstCategoryNameList":null,"multidimensional":null,"configurable":false,"configuratorType":null,"addToCartDisabled":null,"addToCartDisabledMessage":null,"tags":null,"sapUnit":null,"keywords":null,"genders":null,"itemtype":"Part","partSubstitute":null,"note":null,"recallNote":null,"note1":null,"note2":null,"note3":null,"note4":null,"note5":null,"pdfAllUser":null,"pdfAuthUser":null,"pdfCOSUser":null,"vaiantRelatedPartList":null,"partHotspotList":null,"itemNumber":null,"partRelatedVariantList":null,"bomCode":2,"totalValue":null,"searchImage":null,"length":null,"width":null,"height":null,"unitOfDimension":null,"weight":null,"unitOfWeight":null,"specialRouting":false,"onlineRepair":null,"previousPartID":null,"sbdDiscountPriceValue":{"currencyIso":"USD","value":9.22,"priceType":"BUY","formattedValue":"$9.22","minQuantity":null,"maxQuantity":null,"sapUnit":{"code":"pieces","name":"Piece"}},"alrCode":null,"productRecallFlag":null,"selectedDocumentId":null,"productDescription":null,"pdpImage":null,"ticketId":null,"qtyRequiredPerVariant":"1","isElgibleForRepair":null,"isPowerEligible":null,"productRecallNotes":null,"productOtherInfo":null,"backorderETA":"00/00/0000","modifiedDate":null,"userLevel":"COS","displayPrice":null,"baseProductName":null,"firstVariantCode":null,"firstVariantImage":null,"productMarketType":null,"productNumber":null,"typeStatusCode":null,"productCategory":null,"typeNumber":null,"marketCode":null,"regionCode":null,"otherInformation":null,"productTypeStatus":null,"repairInstruction":null,"repairInstructionStatusDescription":null,"typeStatusDate":null,"serviceLifeDate":null,"manufacturerId":null,"parts":null,"language":null,"glossaries":null,"brand":null,"product":null,"brandCode":null,"recallNotes":null,"volume":null},{"code":"P53217342-CM","name":null,"url":"/c//p/P53217342-CM","description":"WASHER","purchasable":false,"stock":{"stockLevelStatus":{"code":"outOfStock","type":"StockLevelStatus"},"stockLevel":0,"stockThreshold":null},"futureStocks":null,"availableForPickup":null,"averageRating":null,"numberOfReviews":null,"summary":null,"manufacturer":null,"variantType":null,"price":null,"baseProduct":null,"images":[],"categories":null,"reviews":null,"classifications":null,"potentialPromotions":null,"variantOptions":null,"baseOptions":[],"volumePricesFlag":null,"volumePrices":null,"productReferences":null,"variantMatrix":null,"priceRange":null,"firstCategoryNameList":null,"multidimensional":null,"configurable":false,"configuratorType":null,"addToCartDisabled":null,"addToCartDisabledMessage":null,"tags":null,"sapUnit":null,"keywords":null,"genders":null,"itemtype":"Part","partSubstitute":null,"note":null,"recallNote":null,"note1":null,"note2":null,"note3":null,"note4":null,"note5":null,"pdfAllUser":null,"pdfAuthUser":null,"pdfCOSUser":null,"vaiantRelatedPartList":null,"partHotspotList":null,"itemNumber":null,"partRelatedVariantList":null,"bomCode":4,"totalValue":null,"searchImage":null,"length":null,"width":null,"height":null,"unitOfDimension":null,"weight":null,"unitOfWeight":null,"specialRouting":false,"onlineRepair":null,"previousPartID":null,"sbdDiscountPriceValue":null,"alrCode":null,"productRecallFlag":null,"selectedDocumentId":null,"productDescription":null,"pdpImage":null,"ticketId":null,"qtyRequiredPerVariant":"1","isElgibleForRepair":null,"isPowerEligible":null,"productRecallNotes":null,"productOtherInfo":null,"backorderETA":null,"modifiedDate":null,"userLevel":"COS","displayPrice":null,"baseProductName":null,"firstVariantCode":null,"firstVariantImage":null,"productMarketType":null,"productNumber":null,"typeStatusCode":null,"productCategory":null,"typeNumber":null,"marketCode":null,"regionCode":null,"otherInformation":null,"productTypeStatus":null,"repairInstruction":null,"repairInstructionStatusDescription":null,"typeStatusDate":null,"serviceLifeDate":null,"manufacturerId":null,"parts":null,"language":null,"glossaries":null,"brand":null,"product":null,"brandCode":null,"recallNotes":null,"volume":null},{"code":"P532173436-CM","name":null,"url":"/c//p/P532173436-CM","description":"PULLEY MANDREL","purchasable":true,"stock":{"stockLevelStatus":{"code":"outOfStock","type":"StockLevelStatus"},"stockLevel":0,"stockThreshold":null},"futureStocks":null,"availableForPickup":null,"averageRating":null,"numberOfReviews":null,"summary":null,"manufacturer":null,"variantType":null,"price":{"currencyIso":"USD","value":8.39,"priceType":"BUY","formattedValue":"$8.39","minQuantity":null,"maxQuantity":null,"sapUnit":{"code":"pieces","name":"Piece"}},"baseProduct":null,"images":[],"categories":null,"reviews":null,"classifications":null,"potentialPromotions":null,"variantOptions":null,"baseOptions":[],"volumePricesFlag":null,"volumePrices":null,"productReferences":null,"variantMatrix":null,"priceRange":null,"firstCategoryNameList":null,"multidimensional":null,"configurable":false,"configuratorType":null,"addToCartDisabled":null,"addToCartDisabledMessage":null,"tags":null,"sapUnit":null,"keywords":null,"genders":null,"itemtype":"Part","partSubstitute":"P73540600-CM","note":null,"recallNote":null,"note1":null,"note2":null,"note3":null,"note4":null,"note5":null,"pdfAllUser":null,"pdfAuthUser":null,"pdfCOSUser":null,"vaiantRelatedPartList":null,"partHotspotList":null,"itemNumber":null,"partRelatedVariantList":null,"bomCode":6,"totalValue":null,"searchImage":null,"length":null,"width":null,"height":null,"unitOfDimension":null,"weight":null,"unitOfWeight":null,"specialRouting":false,"onlineRepair":null,"previousPartID":null,"sbdDiscountPriceValue":{"currencyIso":"USD","value":8.39,"priceType":"BUY","formattedValue":"$8.39","minQuantity":null,"maxQuantity":null,"sapUnit":{"code":"pieces","name":"Piece"}},"alrCode":null,"productRecallFlag":null,"selectedDocumentId":null,"productDescription":null,"pdpImage":null,"ticketId":null,"qtyRequiredPerVariant":"1","isElgibleForRepair":null,"isPowerEligible":null,"productRecallNotes":null,"productOtherInfo":null,"backorderETA":"00/00/0000","modifiedDate":null,"userLevel":"COS","displayPrice":null,"baseProductName":null,"firstVariantCode":null,"firstVariantImage":null,"productMarketType":null,"productNumber":null,"typeStatusCode":null,"productCategory":null,"typeNumber":null,"marketCode":null,"regionCode":null,"otherInformation":null,"productTypeStatus":null,"repairInstruction":null,"repairInstructionStatusDescription":null,"typeStatusDate":null,"serviceLifeDate":null,"manufacturerId":null,"parts":null,"language":null,"glossaries":null,"brand":null,"product":null,"brandCode":null,"recallNotes":null,"volume":null},{"code":"P532173438-CM","name":null,"url":"/c//p/P532173438-CM","description":"PULLEY","purchasable":true,"stock":{"stockLevelStatus":{"code":"outOfStock","type":"StockLevelStatus"},"stockLevel":0,"stockThreshold":null},"futureStocks":null,"availableForPickup":null,"averageRating":null,"numberOfReviews":null,"summary":null,"manufacturer":null,"variantType":null,"price":{"currencyIso":"USD","value":15.74,"priceType":"BUY","formattedValue":"$15.74","minQuantity":null,"maxQuantity":null,"sapUnit":{"code":"pieces","name":"Piece"}},"baseProduct":null,"images":[],"categories":null,"reviews":null,"classifications":null,"potentialPromotions":null,"variantOptions":null,"baseOptions":[],"volumePricesFlag":null,"volumePrices":null,"productReferences":null,"variantMatrix":null,"priceRange":null,"firstCategoryNameList":null,"multidimensional":null,"configurable":false,"configuratorType":null,"addToCartDisabled":null,"addToCartDisabledMessage":null,"tags":null,"sapUnit":null,"keywords":null,"genders":null,"itemtype":"Part","partSubstitute":"P532155106-CM","note":null,"recallNote":null,"note1":null,"note2":null,"note3":null,"note4":null,"note5":null,"pdfAllUser":null,"pdfAuthUser":null,"pdfCOSUser":null,"vaiantRelatedPartList":null,"partHotspotList":null,"itemNumber":null,"partRelatedVariantList":null,"bomCode":6,"totalValue":null,"searchImage":null,"length":null,"width":null,"height":null,"unitOfDimension":null,"weight":null,"unitOfWeight":null,"specialRouting":false,"onlineRepair":null,"previousPartID":null,"sbdDiscountPriceValue":{"currencyIso":"USD","value":15.74,"priceType":"BUY","formattedValue":"$15.74","minQuantity":null,"maxQuantity":null,"sapUnit":{"code":"pieces","name":"Piece"}},"alrCode":null,"productRecallFlag":null,"selectedDocumentId":null,"productDescription":null,"pdpImage":null,"ticketId":null,"qtyRequiredPerVariant":"1","isElgibleForRepair":null,"isPowerEligible":null,"productRecallNotes":null,"productOtherInfo":null,"backorderETA":"00/00/0000","modifiedDate":null,"userLevel":"COS","displayPrice":null,"baseProductName":null,"firstVariantCode":null,"firstVariantImage":null,"productMarketType":null,"productNumber":null,"typeStatusCode":null,"productCategory":null,"typeNumber":null,"marketCode":null,"regionCode":null,"otherInformation":null,"productTypeStatus":null,"repairInstruction":null,"repairInstructionStatusDescription":null,"typeStatusDate":null,"serviceLifeDate":null,"manufacturerId":null,"parts":null,"language":null,"glossaries":null,"brand":null,"product":null,"brandCode":null,"recallNotes":null,"volume":null},{"code":"P532173438-CM","name":null,"url":"/c//p/P532173438-CM","description":"PULLEY","purchasable":true,"stock":{"stockLevelStatus":{"code":"outOfStock","type":"StockLevelStatus"},"stockLevel":0,"stockThreshold":null},"futureStocks":null,"availableForPickup":null,"averageRating":null,"numberOfReviews":null,"summary":null,"manufacturer":null,"variantType":null,"price":{"currencyIso":"USD","value":15.74,"priceType":"BUY","formattedValue":"$15.74","minQuantity":null,"maxQuantity":null,"sapUnit":{"code":"pieces","name":"Piece"}},"baseProduct":null,"images":[],"categories":null,"reviews":null,"classifications":null,"potentialPromotions":null,"variantOptions":null,"baseOptions":[],"volumePricesFlag":null,"volumePrices":null,"productReferences":null,"variantMatrix":null,"priceRange":null,"firstCategoryNameList":null,"multidimensional":null,"configurable":false,"configuratorType":null,"addToCartDisabled":null,"addToCartDisabledMessage":null,"tags":null,"sapUnit":null,"keywords":null,"genders":null,"itemtype":"Part","partSubstitute":"P532155106-CM","note":null,"recallNote":null,"note1":null,"note2":null,"note3":null,"note4":null,"note5":null,"pdfAllUser":null,"pdfAuthUser":null,"pdfCOSUser":null,"vaiantRelatedPartList":null,"partHotspotList":null,"itemNumber":null,"partRelatedVariantList":null,"bomCode":6,"totalValue":null,"searchImage":null,"length":null,"width":null,"height":null,"unitOfDimension":null,"weight":null,"unitOfWeight":null,"specialRouting":false,"onlineRepair":null,"previousPartID":null,"sbdDiscountPriceValue":{"currencyIso":"USD","value":15.74,"priceType":"BUY","formattedValue":"$15.74","minQuantity":null,"maxQuantity":null,"sapUnit":{"code":"pieces","name":"Piece"}},"alrCode":null,"productRecallFlag":null,"selectedDocumentId":null,"productDescription":null,"pdpImage":null,"ticketId":null,"qtyRequiredPerVariant":"1","isElgibleForRepair":null,"isPowerEligible":null,"productRecallNotes":null,"productOtherInfo":null,"backorderETA":"00/00/0000","modifiedDate":null,"userLevel":"COS","displayPrice":null,"baseProductName":null,"firstVariantCode":null,"firstVariantImage":null,"productMarketType":null,"productNumber":null,"typeStatusCode":null,"productCategory":null,"typeNumber":null,"marketCode":null,"regionCode":null,"otherInformation":null,"productTypeStatus":null,"repairInstruction":null,"repairInstructionStatusDescription":null,"typeStatusDate":null,"serviceLifeDate":null,"manufacturerId":null,"parts":null,"language":null,"glossaries":null,"brand":null,"product":null,"brandCode":null,"recallNotes":null,"volume":null},{"code":"P532173937-CM","name":null,"url":"/c//p/P532173937-CM","description":"BOLT HEX","purchasable":true,"stock":{"stockLevelStatus":{"code":"inStock","type":"StockLevelStatus"},"stockLevel":0,"stockThreshold":null},"futureStocks":null,"availableForPickup":null,"averageRating":null,"numberOfReviews":null,"summary":null,"manufacturer":null,"variantType":null,"price":{"currencyIso":"USD","value":4.25,"priceType":"BUY","formattedValue":"$4.25","minQuantity":null,"maxQuantity":null,"sapUnit":{"code":"pieces","name":"Piece"}},"baseProduct":null,"images":[],"categories":null,"reviews":null,"classifications":null,"potentialPromotions":null,"variantOptions":null,"baseOptions":[],"volumePricesFlag":null,"volumePrices":null,"productReferences":null,"variantMatrix":null,"priceRange":null,"firstCategoryNameList":null,"multidimensional":null,"configurable":false,"configuratorType":null,"addToCartDisabled":null,"addToCartDisabledMessage":null,"tags":null,"sapUnit":null,"keywords":null,"genders":null,"itemtype":"Part","partSubstitute":null,"note":null,"recallNote":null,"note1":null,"note2":null,"note3":null,"note4":null,"note5":null,"pdfAllUser":null,"pdfAuthUser":null,"pdfCOSUser":null,"vaiantRelatedPartList":null,"partHotspotList":null,"itemNumber":null,"partRelatedVariantList":null,"bomCode":2,"totalValue":null,"searchImage":null,"length":null,"width":null,"height":null,"unitOfDimension":null,"weight":null,"unitOfWeight":null,"specialRouting":false,"onlineRepair":null,"previousPartID":null,"sbdDiscountPriceValue":{"currencyIso":"USD","value":4.25,"priceType":"BUY","formattedValue":"$4.25","minQuantity":null,"maxQuantity":null,"sapUnit":{"code":"pieces","name":"Piece"}},"alrCode":null,"productRecallFlag":null,"selectedDocumentId":null,"productDescription":null,"pdpImage":null,"ticketId":null,"qtyRequiredPerVariant":"1","isElgibleForRepair":null,"isPowerEligible":null,"productRecallNotes":null,"productOtherInfo":null,"backorderETA":"00/00/0000","modifiedDate":null,"userLevel":"COS","displayPrice":null,"baseProductName":null,"firstVariantCode":null,"firstVariantImage":null,"productMarketType":null,"productNumber":null,"typeStatusCode":null,"productCategory":null,"typeNumber":null,"marketCode":null,"regionCode":null,"otherInformation":null,"productTypeStatus":null,"repairInstruction":null,"repairInstructionStatusDescription":null,"typeStatusDate":null,"serviceLifeDate":null,"manufacturerId":null,"parts":null,"language":null,"glossaries":null,"brand":null,"product":null,"brandCode":null,"recallNotes":null,"volume":null},{"code":"P532174284-CM","name":null,"url":"/c//p/P532174284-CM","description":"ROLLER.CAM","purchasable":true,"stock":{"stockLevelStatus":{"code":"outOfStock","type":"StockLevelStatus"},"stockLevel":0,"stockThreshold":null},"futureStocks":null,"availableForPickup":null,"averageRating":null,"numberOfReviews":null,"summary":null,"manufacturer":null,"variantType":null,"price":{"currencyIso":"USD","value":6.2,"priceType":"BUY","formattedValue":"$6.20","minQuantity":null,"maxQuantity":null,"sapUnit":{"code":"pieces","name":"Piece"}},"baseProduct":null,"images":[],"categories":null,"reviews":null,"classifications":null,"potentialPromotions":null,"variantOptions":null,"baseOptions":[],"volumePricesFlag":null,"volumePrices":null,"productReferences":null,"variantMatrix":null,"priceRange":null,"firstCategoryNameList":null,"multidimensional":null,"configurable":false,"configuratorType":null,"addToCartDisabled":null,"addToCartDisabledMessage":null,"tags":null,"sapUnit":null,"keywords":null,"genders":null,"itemtype":"Part","partSubstitute":null,"note":null,"recallNote":null,"note1":null,"note2":null,"note3":null,"note4":null,"note5":null,"pdfAllUser":null,"pdfAuthUser":null,"pdfCOSUser":null,"vaiantRelatedPartList":null,"partHotspotList":null,"itemNumber":null,"partRelatedVariantList":null,"bomCode":2,"totalValue":null,"searchImage":null,"length":null,"width":null,"height":null,"unitOfDimension":null,"weight":null,"unitOfWeight":null,"specialRouting":false,"onlineRepair":null,"previousPartID":null,"sbdDiscountPriceValue":{"currencyIso":"USD","value":6.2,"priceType":"BUY","formattedValue":"$6.20","minQuantity":null,"maxQuantity":null,"sapUnit":{"code":"pieces","name":"Piece"}},"alrCode":null,"productRecallFlag":null,"selectedDocumentId":null,"productDescription":null,"pdpImage":null,"ticketId":null,"qtyRequiredPerVariant":"1","isElgibleForRepair":null,"isPowerEligible":null,"productRecallNotes":null,"productOtherInfo":null,"backorderETA":"00/00/0000","modifiedDate":null,"userLevel":"COS","displayPrice":null,"baseProductName":null,"firstVariantCode":null,"firstVariantImage":null,"productMarketType":null,"productNumber":null,"typeStatusCode":null,"productCategory":null,"typeNumber":null,"marketCode":null,"regionCode":null,"otherInformation":null,"productTypeStatus":null,"repairInstruction":null,"repairInstructionStatusDescription":null,"typeStatusDate":null,"serviceLifeDate":null,"manufacturerId":null,"parts":null,"language":null,"glossaries":null,"brand":null,"product":null,"brandCode":null,"recallNotes":null,"volume":null},{"code":"P532175582-CM","name":null,"url":"/c//p/P532175582-CM","description":"BRKT- FOOT REST","purchasable":true,"stock":{"stockLevelStatus":{"code":"outOfStock","type":"StockLevelStatus"},"stockLevel":0,"stockThreshold":null},"futureStocks":null,"availableForPickup":null,"averageRating":null,"numberOfReviews":null,"summary":null,"manufacturer":null,"variantType":null,"price":{"currencyIso":"USD","value":3.71,"priceType":"BUY","formattedValue":"$3.71","minQuantity":null,"maxQuantity":null,"sapUnit":{"code":"pieces","name":"Piece"}},"baseProduct":null,"images":[],"categories":null,"reviews":null,"classifications":null,"potentialPromotions":null,"variantOptions":null,"baseOptions":[],"volumePricesFlag":null,"volumePrices":null,"productReferences":null,"variantMatrix":null,"priceRange":null,"firstCategoryNameList":null,"multidimensional":null,"configurable":false,"configuratorType":null,"addToCartDisabled":null,"addToCartDisabledMessage":null,"tags":null,"sapUnit":null,"keywords":null,"genders":null,"itemtype":"Part","partSubstitute":null,"note":null,"recallNote":null,"note1":null,"note2":null,"note3":null,"note4":null,"note5":null,"pdfAllUser":null,"pdfAuthUser":null,"pdfCOSUser":null,"vaiantRelatedPartList":null,"partHotspotList":null,"itemNumber":null,"partRelatedVariantList":null,"bomCode":2,"totalValue":null,"searchImage":null,"length":null,"width":null,"height":null,"unitOfDimension":null,"weight":null,"unitOfWeight":null,"specialRouting":false,"onlineRepair":null,"previousPartID":null,"sbdDiscountPriceValue":{"currencyIso":"USD","value":3.71,"priceType":"BUY","formattedValue":"$3.71","minQuantity":null,"maxQuantity":null,"sapUnit":{"code":"pieces","name":"Piece"}},"alrCode":null,"productRecallFlag":null,"selectedDocumentId":null,"productDescription":null,"pdpImage":null,"ticketId":null,"qtyRequiredPerVariant":"1","isElgibleForRepair":null,"isPowerEligible":null,"productRecallNotes":null,"productOtherInfo":null,"backorderETA":"00/00/0000","modifiedDate":null,"userLevel":"COS","displayPrice":null,"baseProductName":null,"firstVariantCode":null,"firstVariantImage":null,"productMarketType":null,"productNumber":null,"typeStatusCode":null,"productCategory":null,"typeNumber":null,"marketCode":null,"regionCode":null,"otherInformation":null,"productTypeStatus":null,"repairInstruction":null,"repairInstructionStatusDescription":null,"typeStatusDate":null,"serviceLifeDate":null,"manufacturerId":null,"parts":null,"language":null,"glossaries":null,"brand":null,"product":null,"brandCode":null,"recallNotes":null,"volume":null},{"code":"P532175689-CM","name":null,"url":"/c//p/P532175689-CM","description":"TRUNNION","purchasable":true,"stock":{"stockLevelStatus":{"code":"outOfStock","type":"StockLevelStatus"},"stockLevel":0,"stockThreshold":null},"futureStocks":null,"availableForPickup":null,"averageRating":null,"numberOfReviews":null,"summary":null,"manufacturer":null,"variantType":null,"price":{"currencyIso":"USD","value":3.18,"priceType":"BUY","formattedValue":"$3.18","minQuantity":null,"maxQuantity":null,"sapUnit":{"code":"pieces","name":"Piece"}},"baseProduct":null,"images":[],"categories":null,"reviews":null,"classifications":null,"potentialPromotions":null,"variantOptions":null,"baseOptions":[],"volumePricesFlag":null,"volumePrices":null,"productReferences":null,"variantMatrix":null,"priceRange":null,"firstCategoryNameList":null,"multidimensional":null,"configurable":false,"configuratorType":null,"addToCartDisabled":null,"addToCartDisabledMessage":null,"tags":null,"sapUnit":null,"keywords":null,"genders":null,"itemtype":"Part","partSubstitute":null,"note":null,"recallNote":null,"note1":null,"note2":null,"note3":null,"note4":null,"note5":null,"pdfAllUser":null,"pdfAuthUser":null,"pdfCOSUser":null,"vaiantRelatedPartList":null,"partHotspotList":null,"itemNumber":null,"partRelatedVariantList":null,"bomCode":2,"totalValue":null,"searchImage":null,"length":null,"width":null,"height":null,"unitOfDimension":null,"weight":null,"unitOfWeight":null,"specialRouting":false,"onlineRepair":null,"previousPartID":null,"sbdDiscountPriceValue":{"currencyIso":"USD","value":3.18,"priceType":"BUY","formattedValue":"$3.18","minQuantity":null,"maxQuantity":null,"sapUnit":{"code":"pieces","name":"Piece"}},"alrCode":null,"productRecallFlag":null,"selectedDocumentId":null,"productDescription":null,"pdpImage":null,"ticketId":null,"qtyRequiredPerVariant":"1","isElgibleForRepair":null,"isPowerEligible":null,"productRecallNotes":null,"productOtherInfo":null,"backorderETA":"00/00/0000","modifiedDate":null,"userLevel":"COS","displayPrice":null,"baseProductName":null,"firstVariantCode":null,"firstVariantImage":null,"productMarketType":null,"productNumber":null,"typeStatusCode":null,"productCategory":null,"typeNumber":null,"marketCode":null,"regionCode":null,"otherInformation":null,"productTypeStatus":null,"repairInstruction":null,"repairInstructionStatusDescription":null,"typeStatusDate":null,"serviceLifeDate":null,"manufacturerId":null,"parts":null,"language":null,"glossaries":null,"brand":null,"product":null,"brandCode":null,"recallNotes":null,"volume":null},{"code":"P532175702-CM","name":null,"url":"/c//p/P532175702-CM","description":"PLATE REINFORCEMENT","purchasable":true,"stock":{"stockLevelStatus":{"code":"outOfStock","type":"StockLevelStatus"},"stockLevel":0,"stockThreshold":null},"futureStocks":null,"availableForPickup":null,"averageRating":null,"numberOfReviews":null,"summary":null,"manufacturer":null,"variantType":null,"price":{"currencyIso":"USD","value":3.71,"priceType":"BUY","formattedValue":"$3.71","minQuantity":null,"maxQuantity":null,"sapUnit":{"code":"pieces","name":"Piece"}},"baseProduct":null,"images":[],"categories":null,"reviews":null,"classifications":null,"potentialPromotions":null,"variantOptions":null,"baseOptions":[],"volumePricesFlag":null,"volumePrices":null,"productReferences":null,"variantMatrix":null,"priceRange":null,"firstCategoryNameList":null,"multidimensional":null,"configurable":false,"configuratorType":null,"addToCartDisabled":null,"addToCartDisabledMessage":null,"tags":null,"sapUnit":null,"keywords":null,"genders":null,"itemtype":"Part","partSubstitute":null,"note":null,"recallNote":null,"note1":null,"note2":null,"note3":null,"note4":null,"note5":null,"pdfAllUser":null,"pdfAuthUser":null,"pdfCOSUser":null,"vaiantRelatedPartList":null,"partHotspotList":null,"itemNumber":null,"partRelatedVariantList":null,"bomCode":2,"totalValue":null,"searchImage":null,"length":null,"width":null,"height":null,"unitOfDimension":null,"weight":null,"unitOfWeight":null,"specialRouting":false,"onlineRepair":null,"previousPartID":null,"sbdDiscountPriceValue":{"currencyIso":"USD","value":3.71,"priceType":"BUY","formattedValue":"$3.71","minQuantity":null,"maxQuantity":null,"sapUnit":{"code":"pieces","name":"Piece"}},"alrCode":null,"productRecallFlag":null,"selectedDocumentId":null,"productDescription":null,"pdpImage":null,"ticketId":null,"qtyRequiredPerVariant":"1","isElgibleForRepair":null,"isPowerEligible":null,"productRecallNotes":null,"productOtherInfo":null,"backorderETA":"00/00/0000","modifiedDate":null,"userLevel":"COS","displayPrice":null,"baseProductName":null,"firstVariantCode":null,"firstVariantImage":null,"productMarketType":null,"productNumber":null,"typeStatusCode":null,"productCategory":null,"typeNumber":null,"marketCode":null,"regionCode":null,"otherInformation":null,"productTypeStatus":null,"repairInstruction":null,"repairInstructionStatusDescription":null,"typeStatusDate":null,"serviceLifeDate":null,"manufacturerId":null,"parts":null,"language":null,"glossaries":null,"brand":null,"product":null,"brandCode":null,"recallNotes":null,"volume":null},{"code":"P532177563-CM","name":null,"url":"/c//p/P532177563-CM","description":"BRKT- DEFL. MOWER","purchasable":true,"stock":{"stockLevelStatus":{"code":"outOfStock","type":"StockLevelStatus"},"stockLevel":0,"stockThreshold":null},"futureStocks":null,"availableForPickup":null,"averageRating":null,"numberOfReviews":null,"summary":null,"manufacturer":null,"variantType":null,"price":{"currencyIso":"USD","value":2.66,"priceType":"BUY","formattedValue":"$2.66","minQuantity":null,"maxQuantity":null,"sapUnit":{"code":"pieces","name":"Piece"}},"baseProduct":null,"images":[],"categories":null,"reviews":null,"classifications":null,"potentialPromotions":null,"variantOptions":null,"baseOptions":[],"volumePricesFlag":null,"volumePrices":null,"productReferences":null,"variantMatrix":null,"priceRange":null,"firstCategoryNameList":null,"multidimensional":null,"configurable":false,"configuratorType":null,"addToCartDisabled":null,"addToCartDisabledMessage":null,"tags":null,"sapUnit":null,"keywords":null,"genders":null,"itemtype":"Part","partSubstitute":null,"note":null,"recallNote":null,"note1":null,"note2":null,"note3":null,"note4":null,"note5":null,"pdfAllUser":null,"pdfAuthUser":null,"pdfCOSUser":null,"vaiantRelatedPartList":null,"partHotspotList":null,"itemNumber":null,"partRelatedVariantList":null,"bomCode":2,"totalValue":null,"searchImage":null,"length":null,"width":null,"height":null,"unitOfDimension":null,"weight":null,"unitOfWeight":null,"specialRouting":false,"onlineRepair":null,"previousPartID":null,"sbdDiscountPriceValue":{"currencyIso":"USD","value":2.66,"priceType":"BUY","formattedValue":"$2.66","minQuantity":null,"maxQuantity":null,"sapUnit":{"code":"pieces","name":"Piece"}},"alrCode":null,"productRecallFlag":null,"selectedDocumentId":null,"productDescription":null,"pdpImage":null,"ticketId":null,"qtyRequiredPerVariant":"1","isElgibleForRepair":null,"isPowerEligible":null,"productRecallNotes":null,"productOtherInfo":null,"backorderETA":"00/00/0000","modifiedDate":null,"userLevel":"COS","displayPrice":null,"baseProductName":null,"firstVariantCode":null,"firstVariantImage":null,"productMarketType":null,"productNumber":null,"typeStatusCode":null,"productCategory":null,"typeNumber":null,"marketCode":null,"regionCode":null,"otherInformation":null,"productTypeStatus":null,"repairInstruction":null,"repairInstructionStatusDescription":null,"typeStatusDate":null,"serviceLifeDate":null,"manufacturerId":null,"parts":null,"language":null,"glossaries":null,"brand":null,"product":null,"brandCode":null,"recallNotes":null,"volume":null},{"code":"P532181040-CM","name":null,"url":"/c//p/P532181040-CM","description":"KIT.BRKT.GUA","purchasable":true,"stock":{"stockLevelStatus":{"code":"outOfStock","type":"StockLevelStatus"},"stockLevel":0,"stockThreshold":null},"futureStocks":null,"availableForPickup":null,"averageRating":null,"numberOfReviews":null,"summary":null,"manufacturer":null,"variantType":null,"price":{"currencyIso":"USD","value":15.45,"priceType":"BUY","formattedValue":"$15.45","minQuantity":null,"maxQuantity":null,"sapUnit":{"code":"pieces","name":"Piece"}},"baseProduct":null,"images":[],"categories":null,"reviews":null,"classifications":null,"potentialPromotions":null,"variantOptions":null,"baseOptions":[],"volumePricesFlag":null,"volumePrices":null,"productReferences":null,"variantMatrix":null,"priceRange":null,"firstCategoryNameList":null,"multidimensional":null,"configurable":false,"configuratorType":null,"addToCartDisabled":null,"addToCartDisabledMessage":null,"tags":null,"sapUnit":null,"keywords":null,"genders":null,"itemtype":"Part","partSubstitute":null,"note":null,"recallNote":null,"note1":null,"note2":null,"note3":null,"note4":null,"note5":null,"pdfAllUser":null,"pdfAuthUser":null,"pdfCOSUser":null,"vaiantRelatedPartList":null,"partHotspotList":null,"itemNumber":null,"partRelatedVariantList":null,"bomCode":2,"totalValue":null,"searchImage":null,"length":null,"width":null,"height":null,"unitOfDimension":null,"weight":null,"unitOfWeight":null,"specialRouting":false,"onlineRepair":null,"previousPartID":null,"sbdDiscountPriceValue":{"currencyIso":"USD","value":15.45,"priceType":"BUY","formattedValue":"$15.45","minQuantity":null,"maxQuantity":null,"sapUnit":{"code":"pieces","name":"Piece"}},"alrCode":null,"productRecallFlag":null,"selectedDocumentId":null,"productDescription":null,"pdpImage":null,"ticketId":null,"qtyRequiredPerVariant":"1","isElgibleForRepair":null,"isPowerEligible":null,"productRecallNotes":null,"productOtherInfo":null,"backorderETA":"00/00/0000","modifiedDate":null,"userLevel":"COS","displayPrice":null,"baseProductName":null,"firstVariantCode":null,"firstVariantImage":null,"productMarketType":null,"productNumber":null,"typeStatusCode":null,"productCategory":null,"typeNumber":null,"marketCode":null,"regionCode":null,"otherInformation":null,"productTypeStatus":null,"repairInstruction":null,"repairInstructionStatusDescription":null,"typeStatusDate":null,"serviceLifeDate":null,"manufacturerId":null,"parts":null,"language":null,"glossaries":null,"brand":null,"product":null,"brandCode":null,"recallNotes":null,"volume":null},{"code":"P532181654-CM","name":null,"url":"/c//p/P532181654-CM","description":"ELBOW","purchasable":true,"stock":{"stockLevelStatus":{"code":"outOfStock","type":"StockLevelStatus"},"stockLevel":0,"stockThreshold":null},"futureStocks":null,"availableForPickup":null,"averageRating":null,"numberOfReviews":null,"summary":null,"manufacturer":null,"variantType":null,"price":{"currencyIso":"USD","value":19.36,"priceType":"BUY","formattedValue":"$19.36","minQuantity":null,"maxQuantity":null,"sapUnit":{"code":"pieces","name":"Piece"}},"baseProduct":null,"images":[],"categories":null,"reviews":null,"classifications":null,"potentialPromotions":null,"variantOptions":null,"baseOptions":[],"volumePricesFlag":null,"volumePrices":null,"productReferences":null,"variantMatrix":null,"priceRange":null,"firstCategoryNameList":null,"multidimensional":null,"configurable":false,"configuratorType":null,"addToCartDisabled":null,"addToCartDisabledMessage":null,"tags":null,"sapUnit":null,"keywords":null,"genders":null,"itemtype":"Part","partSubstitute":null,"note":null,"recallNote":null,"note1":null,"note2":null,"note3":null,"note4":null,"note5":null,"pdfAllUser":null,"pdfAuthUser":null,"pdfCOSUser":null,"vaiantRelatedPartList":null,"partHotspotList":null,"itemNumber":null,"partRelatedVariantList":null,"bomCode":2,"totalValue":null,"searchImage":null,"length":null,"width":null,"height":null,"unitOfDimension":null,"weight":null,"unitOfWeight":null,"specialRouting":false,"onlineRepair":null,"previousPartID":null,"sbdDiscountPriceValue":{"currencyIso":"USD","value":19.36,"priceType":"BUY","formattedValue":"$19.36","minQuantity":null,"maxQuantity":null,"sapUnit":{"code":"pieces","name":"Piece"}},"alrCode":null,"productRecallFlag":null,"selectedDocumentId":null,"productDescription":null,"pdpImage":null,"ticketId":null,"qtyRequiredPerVariant":"1","isElgibleForRepair":null,"isPowerEligible":null,"productRecallNotes":null,"productOtherInfo":null,"backorderETA":"00/00/0000","modifiedDate":null,"userLevel":"COS","displayPrice":null,"baseProductName":null,"firstVariantCode":null,"firstVariantImage":null,"productMarketType":null,"productNumber":null,"typeStatusCode":null,"productCategory":null,"typeNumber":null,"marketCode":null,"regionCode":null,"otherInformation":null,"productTypeStatus":null,"repairInstruction":null,"repairInstructionStatusDescription":null,"typeStatusDate":null,"serviceLifeDate":null,"manufacturerId":null,"parts":null,"language":null,"glossaries":null,"brand":null,"product":null,"brandCode":null,"recallNotes":null,"volume":null},{"code":"P532183226-CM","name":null,"url":"/c//p/P532183226-CM","description":"FITTING.GREA","purchasable":true,"stock":{"stockLevelStatus":{"code":"outOfStock","type":"StockLevelStatus"},"stockLevel":0,"stockThreshold":null},"futureStocks":null,"availableForPickup":null,"averageRating":null,"numberOfReviews":null,"summary":null,"manufacturer":null,"variantType":null,"price":{"currencyIso":"USD","value":3.1,"priceType":"BUY","formattedValue":"$3.10","minQuantity":null,"maxQuantity":null,"sapUnit":{"code":"pieces","name":"Piece"}},"baseProduct":null,"images":[],"categories":null,"reviews":null,"classifications":null,"potentialPromotions":null,"variantOptions":null,"baseOptions":[],"volumePricesFlag":null,"volumePrices":null,"productReferences":null,"variantMatrix":null,"priceRange":null,"firstCategoryNameList":null,"multidimensional":null,"configurable":false,"configuratorType":null,"addToCartDisabled":null,"addToCartDisabledMessage":null,"tags":null,"sapUnit":null,"keywords":null,"genders":null,"itemtype":"Part","partSubstitute":null,"note":null,"recallNote":null,"note1":null,"note2":null,"note3":null,"note4":null,"note5":null,"pdfAllUser":null,"pdfAuthUser":null,"pdfCOSUser":null,"vaiantRelatedPartList":null,"partHotspotList":null,"itemNumber":null,"partRelatedVariantList":null,"bomCode":2,"totalValue":null,"searchImage":null,"length":null,"width":null,"height":null,"unitOfDimension":null,"weight":null,"unitOfWeight":null,"specialRouting":false,"onlineRepair":null,"previousPartID":null,"sbdDiscountPriceValue":{"currencyIso":"USD","value":3.1,"priceType":"BUY","formattedValue":"$3.10","minQuantity":null,"maxQuantity":null,"sapUnit":{"code":"pieces","name":"Piece"}},"alrCode":null,"productRecallFlag":null,"selectedDocumentId":null,"productDescription":null,"pdpImage":null,"ticketId":null,"qtyRequiredPerVariant":"1","isElgibleForRepair":null,"isPowerEligible":null,"productRecallNotes":null,"productOtherInfo":null,"backorderETA":"00/00/0000","modifiedDate":null,"userLevel":"COS","displayPrice":null,"baseProductName":null,"firstVariantCode":null,"firstVariantImage":null,"productMarketType":null,"productNumber":null,"typeStatusCode":null,"productCategory":null,"typeNumber":null,"marketCode":null,"regionCode":null,"otherInformation":null,"productTypeStatus":null,"repairInstruction":null,"repairInstructionStatusDescription":null,"typeStatusDate":null,"serviceLifeDate":null,"manufacturerId":null,"parts":null,"language":null,"glossaries":null,"brand":null,"product":null,"brandCode":null,"recallNotes":null,"volume":null},{"code":"P532184907-CM","name":null,"url":"/c//p/P532184907-CM","description":"ARM BRAKE ASSY","purchasable":true,"stock":{"stockLevelStatus":{"code":"outOfStock","type":"StockLevelStatus"},"stockLevel":0,"stockThreshold":null},"futureStocks":null,"availableForPickup":null,"averageRating":null,"numberOfReviews":null,"summary":null,"manufacturer":null,"variantType":null,"price":{"currencyIso":"USD","value":11.01,"priceType":"BUY","formattedValue":"$11.01","minQuantity":null,"maxQuantity":null,"sapUnit":{"code":"pieces","name":"Piece"}},"baseProduct":null,"images":[],"categories":null,"reviews":null,"classifications":null,"potentialPromotions":null,"variantOptions":null,"baseOptions":[],"volumePricesFlag":null,"volumePrices":null,"productReferences":null,"variantMatrix":null,"priceRange":null,"firstCategoryNameList":null,"multidimensional":null,"configurable":false,"configuratorType":null,"addToCartDisabled":null,"addToCartDisabledMessage":null,"tags":null,"sapUnit":null,"keywords":null,"genders":null,"itemtype":"Part","partSubstitute":null,"note":null,"recallNote":null,"note1":null,"note2":null,"note3":null,"note4":null,"note5":null,"pdfAllUser":null,"pdfAuthUser":null,"pdfCOSUser":null,"vaiantRelatedPartList":null,"partHotspotList":null,"itemNumber":null,"partRelatedVariantList":null,"bomCode":2,"totalValue":null,"searchImage":null,"length":null,"width":null,"height":null,"unitOfDimension":null,"weight":null,"unitOfWeight":null,"specialRouting":false,"onlineRepair":null,"previousPartID":null,"sbdDiscountPriceValue":{"currencyIso":"USD","value":11.01,"priceType":"BUY","formattedValue":"$11.01","minQuantity":null,"maxQuantity":null,"sapUnit":{"code":"pieces","name":"Piece"}},"alrCode":null,"productRecallFlag":null,"selectedDocumentId":null,"productDescription":null,"pdpImage":null,"ticketId":null,"qtyRequiredPerVariant":"1","isElgibleForRepair":null,"isPowerEligible":null,"productRecallNotes":null,"productOtherInfo":null,"backorderETA":"00/00/0000","modifiedDate":null,"userLevel":"COS","displayPrice":null,"baseProductName":null,"firstVariantCode":null,"firstVariantImage":null,"productMarketType":null,"productNumber":null,"typeStatusCode":null,"productCategory":null,"typeNumber":null,"marketCode":null,"regionCode":null,"otherInformation":null,"productTypeStatus":null,"repairInstruction":null,"repairInstructionStatusDescription":null,"typeStatusDate":null,"serviceLifeDate":null,"manufacturerId":null,"parts":null,"language":null,"glossaries":null,"brand":null,"product":null,"brandCode":null,"recallNotes":null,"volume":null},{"code":"P532186689-CM","name":null,"url":"/c//p/P532186689-CM","description":"BRKT.SWAYBAR","purchasable":true,"stock":{"stockLevelStatus":{"code":"outOfStock","type":"StockLevelStatus"},"stockLevel":0,"stockThreshold":null},"futureStocks":null,"availableForPickup":null,"averageRating":null,"numberOfReviews":null,"summary":null,"manufacturer":null,"variantType":null,"price":{"currencyIso":"USD","value":2.55,"priceType":"BUY","formattedValue":"$2.55","minQuantity":null,"maxQuantity":null,"sapUnit":{"code":"pieces","name":"Piece"}},"baseProduct":null,"images":[],"categories":null,"reviews":null,"classifications":null,"potentialPromotions":null,"variantOptions":null,"baseOptions":[],"volumePricesFlag":null,"volumePrices":null,"productReferences":null,"variantMatrix":null,"priceRange":null,"firstCategoryNameList":null,"multidimensional":null,"configurable":false,"configuratorType":null,"addToCartDisabled":null,"addToCartDisabledMessage":null,"tags":null,"sapUnit":null,"keywords":null,"genders":null,"itemtype":"Part","partSubstitute":null,"note":null,"recallNote":null,"note1":null,"note2":null,"note3":null,"note4":null,"note5":null,"pdfAllUser":null,"pdfAuthUser":null,"pdfCOSUser":null,"vaiantRelatedPartList":null,"partHotspotList":null,"itemNumber":null,"partRelatedVariantList":null,"bomCode":2,"totalValue":null,"searchImage":null,"length":null,"width":null,"height":null,"unitOfDimension":null,"weight":null,"unitOfWeight":null,"specialRouting":false,"onlineRepair":null,"previousPartID":null,"sbdDiscountPriceValue":{"currencyIso":"USD","value":2.55,"priceType":"BUY","formattedValue":"$2.55","minQuantity":null,"maxQuantity":null,"sapUnit":{"code":"pieces","name":"Piece"}},"alrCode":null,"productRecallFlag":null,"selectedDocumentId":null,"productDescription":null,"pdpImage":null,"ticketId":null,"qtyRequiredPerVariant":"1","isElgibleForRepair":null,"isPowerEligible":null,"productRecallNotes":null,"productOtherInfo":null,"backorderETA":"00/00/0000","modifiedDate":null,"userLevel":"COS","displayPrice":null,"baseProductName":null,"firstVariantCode":null,"firstVariantImage":null,"productMarketType":null,"productNumber":null,"typeStatusCode":null,"productCategory":null,"typeNumber":null,"marketCode":null,"regionCode":null,"otherInformation":null,"productTypeStatus":null,"repairInstruction":null,"repairInstructionStatusDescription":null,"typeStatusDate":null,"serviceLifeDate":null,"manufacturerId":null,"parts":null,"language":null,"glossaries":null,"brand":null,"product":null,"brandCode":null,"recallNotes":null,"volume":null},{"code":"P532199652-CM","name":null,"url":"/c//p/P532199652-CM","description":"LINK.CLTCH.7.66.2005","purchasable":true,"stock":{"stockLevelStatus":{"code":"outOfStock","type":"StockLevelStatus"},"stockLevel":0,"stockThreshold":null},"futureStocks":null,"availableForPickup":null,"averageRating":null,"numberOfReviews":null,"summary":null,"manufacturer":null,"variantType":null,"price":{"currencyIso":"USD","value":8.1,"priceType":"BUY","formattedValue":"$8.10","minQuantity":null,"maxQuantity":null,"sapUnit":{"code":"pieces","name":"Piece"}},"baseProduct":null,"images":[],"categories":null,"reviews":null,"classifications":null,"potentialPromotions":null,"variantOptions":null,"baseOptions":[],"volumePricesFlag":null,"volumePrices":null,"productReferences":null,"variantMatrix":null,"priceRange":null,"firstCategoryNameList":null,"multidimensional":null,"configurable":false,"configuratorType":null,"addToCartDisabled":null,"addToCartDisabledMessage":null,"tags":null,"sapUnit":null,"keywords":null,"genders":null,"itemtype":"Part","partSubstitute":null,"note":null,"recallNote":null,"note1":null,"note2":null,"note3":null,"note4":null,"note5":null,"pdfAllUser":null,"pdfAuthUser":null,"pdfCOSUser":null,"vaiantRelatedPartList":null,"partHotspotList":null,"itemNumber":null,"partRelatedVariantList":null,"bomCode":2,"totalValue":null,"searchImage":null,"length":null,"width":null,"height":null,"unitOfDimension":null,"weight":null,"unitOfWeight":null,"specialRouting":false,"onlineRepair":null,"previousPartID":null,"sbdDiscountPriceValue":{"currencyIso":"USD","value":8.1,"priceType":"BUY","formattedValue":"$8.10","minQuantity":null,"maxQuantity":null,"sapUnit":{"code":"pieces","name":"Piece"}},"alrCode":null,"productRecallFlag":null,"selectedDocumentId":null,"productDescription":null,"pdpImage":null,"ticketId":null,"qtyRequiredPerVariant":"1","isElgibleForRepair":null,"isPowerEligible":null,"productRecallNotes":null,"productOtherInfo":null,"backorderETA":"00/00/0000","modifiedDate":null,"userLevel":"COS","displayPrice":null,"baseProductName":null,"firstVariantCode":null,"firstVariantImage":null,"productMarketType":null,"productNumber":null,"typeStatusCode":null,"productCategory":null,"typeNumber":null,"marketCode":null,"regionCode":null,"otherInformation":null,"productTypeStatus":null,"repairInstruction":null,"repairInstructionStatusDescription":null,"typeStatusDate":null,"serviceLifeDate":null,"manufacturerId":null,"parts":null,"language":null,"glossaries":null,"brand":null,"product":null,"brandCode":null,"recallNotes":null,"volume":null},{"code":"P532272250-CM","name":null,"url":"/c//p/P532272250-CM","description":"GASKET (B&S","purchasable":true,"stock":{"stockLevelStatus":{"code":"outOfStock","type":"StockLevelStatus"},"stockLevel":0,"stockThreshold":null},"futureStocks":null,"availableForPickup":null,"averageRating":null,"numberOfReviews":null,"summary":null,"manufacturer":null,"variantType":null,"price":{"currencyIso":"USD","value":11.09,"priceType":"BUY","formattedValue":"$11.09","minQuantity":null,"maxQuantity":null,"sapUnit":{"code":"pieces","name":"Piece"}},"baseProduct":null,"images":[],"categories":null,"reviews":null,"classifications":null,"potentialPromotions":null,"variantOptions":null,"baseOptions":[],"volumePricesFlag":null,"volumePrices":null,"productReferences":null,"variantMatrix":null,"priceRange":null,"firstCategoryNameList":null,"multidimensional":null,"configurable":false,"configuratorType":null,"addToCartDisabled":null,"addToCartDisabledMessage":null,"tags":null,"sapUnit":null,"keywords":null,"genders":null,"itemtype":"Part","partSubstitute":null,"note":null,"recallNote":null,"note1":null,"note2":null,"note3":null,"note4":null,"note5":null,"pdfAllUser":null,"pdfAuthUser":null,"pdfCOSUser":null,"vaiantRelatedPartList":null,"partHotspotList":null,"itemNumber":null,"partRelatedVariantList":null,"bomCode":2,"totalValue":null,"searchImage":null,"length":null,"width":null,"height":null,"unitOfDimension":null,"weight":null,"unitOfWeight":null,"specialRouting":false,"onlineRepair":null,"previousPartID":null,"sbdDiscountPriceValue":{"currencyIso":"USD","value":11.09,"priceType":"BUY","formattedValue":"$11.09","minQuantity":null,"maxQuantity":null,"sapUnit":{"code":"pieces","name":"Piece"}},"alrCode":null,"productRecallFlag":null,"selectedDocumentId":null,"productDescription":null,"pdpImage":null,"ticketId":null,"qtyRequiredPerVariant":"1","isElgibleForRepair":null,"isPowerEligible":null,"productRecallNotes":null,"productOtherInfo":null,"backorderETA":"00/00/0000","modifiedDate":null,"userLevel":"COS","displayPrice":null,"baseProductName":null,"firstVariantCode":null,"firstVariantImage":null,"productMarketType":null,"productNumber":null,"typeStatusCode":null,"productCategory":null,"typeNumber":null,"marketCode":null,"regionCode":null,"otherInformation":null,"productTypeStatus":null,"repairInstruction":null,"repairInstructionStatusDescription":null,"typeStatusDate":null,"serviceLifeDate":null,"manufacturerId":null,"parts":null,"language":null,"glossaries":null,"brand":null,"product":null,"brandCode":null,"recallNotes":null,"volume":null},{"code":"P532409149-CM","name":null,"url":"/c//p/P532409149-CM","description":"NUT HEX FLANGELOCK 3/8-16","purchasable":true,"stock":{"stockLevelStatus":{"code":"inStock","type":"StockLevelStatus"},"stockLevel":0,"stockThreshold":null},"futureStocks":null,"availableForPickup":null,"averageRating":null,"numberOfReviews":null,"summary":null,"manufacturer":null,"variantType":null,"price":{"currencyIso":"USD","value":2.47,"priceType":"BUY","formattedValue":"$2.47","minQuantity":null,"maxQuantity":null,"sapUnit":{"code":"pieces","name":"Piece"}},"baseProduct":null,"images":[],"categories":null,"reviews":null,"classifications":null,"potentialPromotions":null,"variantOptions":null,"baseOptions":[],"volumePricesFlag":null,"volumePrices":null,"productReferences":null,"variantMatrix":null,"priceRange":null,"firstCategoryNameList":null,"multidimensional":null,"configurable":false,"configuratorType":null,"addToCartDisabled":null,"addToCartDisabledMessage":null,"tags":null,"sapUnit":null,"keywords":null,"genders":null,"itemtype":"Part","partSubstitute":null,"note":null,"recallNote":null,"note1":null,"note2":null,"note3":null,"note4":null,"note5":null,"pdfAllUser":null,"pdfAuthUser":null,"pdfCOSUser":null,"vaiantRelatedPartList":null,"partHotspotList":null,"itemNumber":null,"partRelatedVariantList":null,"bomCode":2,"totalValue":null,"searchImage":null,"length":null,"width":null,"height":null,"unitOfDimension":null,"weight":null,"unitOfWeight":null,"specialRouting":false,"onlineRepair":null,"previousPartID":null,"sbdDiscountPriceValue":{"currencyIso":"USD","value":2.47,"priceType":"BUY","formattedValue":"$2.47","minQuantity":null,"maxQuantity":null,"sapUnit":{"code":"pieces","name":"Piece"}},"alrCode":null,"productRecallFlag":null,"selectedDocumentId":null,"productDescription":null,"pdpImage":null,"ticketId":null,"qtyRequiredPerVariant":"1","isElgibleForRepair":null,"isPowerEligible":null,"productRecallNotes":null,"productOtherInfo":null,"backorderETA":"00/00/0000","modifiedDate":null,"userLevel":"COS","displayPrice":null,"baseProductName":null,"firstVariantCode":null,"firstVariantImage":null,"productMarketType":null,"productNumber":null,"typeStatusCode":null,"productCategory":null,"typeNumber":null,"marketCode":null,"regionCode":null,"otherInformation":null,"productTypeStatus":null,"repairInstruction":null,"repairInstructionStatusDescription":null,"typeStatusDate":null,"serviceLifeDate":null,"manufacturerId":null,"parts":null,"language":null,"glossaries":null,"brand":null,"product":null,"brandCode":null,"recallNotes":null,"volume":null},{"code":"P532409167-CM","name":null,"url":"/c//p/P532409167-CM","description":"ROD.PIVOT.HO","purchasable":true,"stock":{"stockLevelStatus":{"code":"outOfStock","type":"StockLevelStatus"},"stockLevel":0,"stockThreshold":null},"futureStocks":null,"availableForPickup":null,"averageRating":null,"numberOfReviews":null,"summary":null,"manufacturer":null,"variantType":null,"price":{"currencyIso":"USD","value":8.23,"priceType":"BUY","formattedValue":"$8.23","minQuantity":null,"maxQuantity":null,"sapUnit":{"code":"pieces","name":"Piece"}},"baseProduct":null,"images":[],"categories":null,"reviews":null,"classifications":null,"potentialPromotions":null,"variantOptions":null,"baseOptions":[],"volumePricesFlag":null,"volumePrices":null,"productReferences":null,"variantMatrix":null,"priceRange":null,"firstCategoryNameList":null,"multidimensional":null,"configurable":false,"configuratorType":null,"addToCartDisabled":null,"addToCartDisabledMessage":null,"tags":null,"sapUnit":null,"keywords":null,"genders":null,"itemtype":"Part","partSubstitute":null,"note":null,"recallNote":null,"note1":null,"note2":null,"note3":null,"note4":null,"note5":null,"pdfAllUser":null,"pdfAuthUser":null,"pdfCOSUser":null,"vaiantRelatedPartList":null,"partHotspotList":null,"itemNumber":null,"partRelatedVariantList":null,"bomCode":2,"totalValue":null,"searchImage":null,"length":null,"width":null,"height":null,"unitOfDimension":null,"weight":null,"unitOfWeight":null,"specialRouting":false,"onlineRepair":null,"previousPartID":null,"sbdDiscountPriceValue":{"currencyIso":"USD","value":8.23,"priceType":"BUY","formattedValue":"$8.23","minQuantity":null,"maxQuantity":null,"sapUnit":{"code":"pieces","name":"Piece"}},"alrCode":null,"productRecallFlag":null,"selectedDocumentId":null,"productDescription":null,"pdpImage":null,"ticketId":null,"qtyRequiredPerVariant":"1","isElgibleForRepair":null,"isPowerEligible":null,"productRecallNotes":null,"productOtherInfo":null,"backorderETA":"00/00/0000","modifiedDate":null,"userLevel":"COS","displayPrice":null,"baseProductName":null,"firstVariantCode":null,"firstVariantImage":null,"productMarketType":null,"productNumber":null,"typeStatusCode":null,"productCategory":null,"typeNumber":null,"marketCode":null,"regionCode":null,"otherInformation":null,"productTypeStatus":null,"repairInstruction":null,"repairInstructionStatusDescription":null,"typeStatusDate":null,"serviceLifeDate":null,"manufacturerId":null,"parts":null,"language":null,"glossaries":null,"brand":null,"product":null,"brandCode":null,"recallNotes":null,"volume":null},{"code":"P532413524-CM","name":null,"url":"/c//p/P532413524-CM","description":"WASHER 13/32 X 2 X 10 GA.","purchasable":true,"stock":{"stockLevelStatus":{"code":"inStock","type":"StockLevelStatus"},"stockLevel":0,"stockThreshold":null},"futureStocks":null,"availableForPickup":null,"averageRating":null,"numberOfReviews":null,"summary":null,"manufacturer":null,"variantType":null,"price":{"currencyIso":"USD","value":2.47,"priceType":"BUY","formattedValue":"$2.47","minQuantity":null,"maxQuantity":null,"sapUnit":{"code":"pieces","name":"Piece"}},"baseProduct":null,"images":[],"categories":null,"reviews":null,"classifications":null,"potentialPromotions":null,"variantOptions":null,"baseOptions":[],"volumePricesFlag":null,"volumePrices":null,"productReferences":null,"variantMatrix":null,"priceRange":null,"firstCategoryNameList":null,"multidimensional":null,"configurable":false,"configuratorType":null,"addToCartDisabled":null,"addToCartDisabledMessage":null,"tags":null,"sapUnit":null,"keywords":null,"genders":null,"itemtype":"Part","partSubstitute":null,"note":null,"recallNote":null,"note1":null,"note2":null,"note3":null,"note4":null,"note5":null,"pdfAllUser":null,"pdfAuthUser":null,"pdfCOSUser":null,"vaiantRelatedPartList":null,"partHotspotList":null,"itemNumber":null,"partRelatedVariantList":null,"bomCode":2,"totalValue":null,"searchImage":null,"length":null,"width":null,"height":null,"unitOfDimension":null,"weight":null,"unitOfWeight":null,"specialRouting":false,"onlineRepair":null,"previousPartID":null,"sbdDiscountPriceValue":{"currencyIso":"USD","value":2.47,"priceType":"BUY","formattedValue":"$2.47","minQuantity":null,"maxQuantity":null,"sapUnit":{"code":"pieces","name":"Piece"}},"alrCode":null,"productRecallFlag":null,"selectedDocumentId":null,"productDescription":null,"pdpImage":null,"ticketId":null,"qtyRequiredPerVariant":"1","isElgibleForRepair":null,"isPowerEligible":null,"productRecallNotes":null,"productOtherInfo":null,"backorderETA":"00/00/0000","modifiedDate":null,"userLevel":"COS","displayPrice":null,"baseProductName":null,"firstVariantCode":null,"firstVariantImage":null,"productMarketType":null,"productNumber":null,"typeStatusCode":null,"productCategory":null,"typeNumber":null,"marketCode":null,"regionCode":null,"otherInformation":null,"productTypeStatus":null,"repairInstruction":null,"repairInstructionStatusDescription":null,"typeStatusDate":null,"serviceLifeDate":null,"manufacturerId":null,"parts":null,"language":null,"glossaries":null,"brand":null,"product":null,"brandCode":null,"recallNotes":null,"volume":null},{"code":"P532437458-CM","name":null,"url":"/c//p/P532437458-CM","description":"BRACKET.SHIFT.MOUNT","purchasable":true,"stock":{"stockLevelStatus":{"code":"outOfStock","type":"StockLevelStatus"},"stockLevel":0,"stockThreshold":null},"futureStocks":null,"availableForPickup":null,"averageRating":null,"numberOfReviews":null,"summary":null,"manufacturer":null,"variantType":null,"price":{"currencyIso":"USD","value":3.44,"priceType":"BUY","formattedValue":"$3.44","minQuantity":null,"maxQuantity":null,"sapUnit":{"code":"pieces","name":"Piece"}},"baseProduct":null,"images":[],"categories":null,"reviews":null,"classifications":null,"potentialPromotions":null,"variantOptions":null,"baseOptions":[],"volumePricesFlag":null,"volumePrices":null,"productReferences":null,"variantMatrix":null,"priceRange":null,"firstCategoryNameList":null,"multidimensional":null,"configurable":false,"configuratorType":null,"addToCartDisabled":null,"addToCartDisabledMessage":null,"tags":null,"sapUnit":null,"keywords":null,"genders":null,"itemtype":"Part","partSubstitute":null,"note":null,"recallNote":null,"note1":null,"note2":null,"note3":null,"note4":null,"note5":null,"pdfAllUser":null,"pdfAuthUser":null,"pdfCOSUser":null,"vaiantRelatedPartList":null,"partHotspotList":null,"itemNumber":null,"partRelatedVariantList":null,"bomCode":2,"totalValue":null,"searchImage":null,"length":null,"width":null,"height":null,"unitOfDimension":null,"weight":null,"unitOfWeight":null,"specialRouting":false,"onlineRepair":null,"previousPartID":null,"sbdDiscountPriceValue":{"currencyIso":"USD","value":3.44,"priceType":"BUY","formattedValue":"$3.44","minQuantity":null,"maxQuantity":null,"sapUnit":{"code":"pieces","name":"Piece"}},"alrCode":null,"productRecallFlag":null,"selectedDocumentId":null,"productDescription":null,"pdpImage":null,"ticketId":null,"qtyRequiredPerVariant":"1","isElgibleForRepair":null,"isPowerEligible":null,"productRecallNotes":null,"productOtherInfo":null,"backorderETA":"00/00/0000","modifiedDate":null,"userLevel":"COS","displayPrice":null,"baseProductName":null,"firstVariantCode":null,"firstVariantImage":null,"productMarketType":null,"productNumber":null,"typeStatusCode":null,"productCategory":null,"typeNumber":null,"marketCode":null,"regionCode":null,"otherInformation":null,"productTypeStatus":null,"repairInstruction":null,"repairInstructionStatusDescription":null,"typeStatusDate":null,"serviceLifeDate":null,"manufacturerId":null,"parts":null,"language":null,"glossaries":null,"brand":null,"product":null,"brandCode":null,"recallNotes":null,"volume":null},{"code":"P532438250-CM","name":null,"url":"/c//p/P532438250-CM","description":"BRACKET.PIVOT.LEVER","purchasable":true,"stock":{"stockLevelStatus":{"code":"outOfStock","type":"StockLevelStatus"},"stockLevel":0,"stockThreshold":null},"futureStocks":null,"availableForPickup":null,"averageRating":null,"numberOfReviews":null,"summary":null,"manufacturer":null,"variantType":null,"price":{"currencyIso":"USD","value":4.59,"priceType":"BUY","formattedValue":"$4.59","minQuantity":null,"maxQuantity":null,"sapUnit":{"code":"pieces","name":"Piece"}},"baseProduct":null,"images":[],"categories":null,"reviews":null,"classifications":null,"potentialPromotions":null,"variantOptions":null,"baseOptions":[],"volumePricesFlag":null,"volumePrices":null,"productReferences":null,"variantMatrix":null,"priceRange":null,"firstCategoryNameList":null,"multidimensional":null,"configurable":false,"configuratorType":null,"addToCartDisabled":null,"addToCartDisabledMessage":null,"tags":null,"sapUnit":null,"keywords":null,"genders":null,"itemtype":"Part","partSubstitute":null,"note":null,"recallNote":null,"note1":null,"note2":null,"note3":null,"note4":null,"note5":null,"pdfAllUser":null,"pdfAuthUser":null,"pdfCOSUser":null,"vaiantRelatedPartList":null,"partHotspotList":null,"itemNumber":null,"partRelatedVariantList":null,"bomCode":2,"totalValue":null,"searchImage":null,"length":null,"width":null,"height":null,"unitOfDimension":null,"weight":null,"unitOfWeight":null,"specialRouting":false,"onlineRepair":null,"previousPartID":null,"sbdDiscountPriceValue":{"currencyIso":"USD","value":4.59,"priceType":"BUY","formattedValue":"$4.59","minQuantity":null,"maxQuantity":null,"sapUnit":{"code":"pieces","name":"Piece"}},"alrCode":null,"productRecallFlag":null,"selectedDocumentId":null,"productDescription":null,"pdpImage":null,"ticketId":null,"qtyRequiredPerVariant":"1","isElgibleForRepair":null,"isPowerEligible":null,"productRecallNotes":null,"productOtherInfo":null,"backorderETA":"00/00/0000","modifiedDate":null,"userLevel":"COS","displayPrice":null,"baseProductName":null,"firstVariantCode":null,"firstVariantImage":null,"productMarketType":null,"productNumber":null,"typeStatusCode":null,"productCategory":null,"typeNumber":null,"marketCode":null,"regionCode":null,"otherInformation":null,"productTypeStatus":null,"repairInstruction":null,"repairInstructionStatusDescription":null,"typeStatusDate":null,"serviceLifeDate":null,"manufacturerId":null,"parts":null,"language":null,"glossaries":null,"brand":null,"product":null,"brandCode":null,"recallNotes":null,"volume":null},{"code":"P532444304-CM","name":null,"url":"/c//p/P532444304-CM","description":"RB HUB.SHIFT","purchasable":true,"stock":{"stockLevelStatus":{"code":"outOfStock","type":"StockLevelStatus"},"stockLevel":0,"stockThreshold":null},"futureStocks":null,"availableForPickup":null,"averageRating":null,"numberOfReviews":null,"summary":null,"manufacturer":null,"variantType":null,"price":{"currencyIso":"USD","value":3.9,"priceType":"BUY","formattedValue":"$3.90","minQuantity":null,"maxQuantity":null,"sapUnit":{"code":"pieces","name":"Piece"}},"baseProduct":null,"images":[],"categories":null,"reviews":null,"classifications":null,"potentialPromotions":null,"variantOptions":null,"baseOptions":[],"volumePricesFlag":null,"volumePrices":null,"productReferences":null,"variantMatrix":null,"priceRange":null,"firstCategoryNameList":null,"multidimensional":null,"configurable":false,"configuratorType":null,"addToCartDisabled":null,"addToCartDisabledMessage":null,"tags":null,"sapUnit":null,"keywords":null,"genders":null,"itemtype":"Part","partSubstitute":null,"note":null,"recallNote":null,"note1":null,"note2":null,"note3":null,"note4":null,"note5":null,"pdfAllUser":null,"pdfAuthUser":null,"pdfCOSUser":null,"vaiantRelatedPartList":null,"partHotspotList":null,"itemNumber":null,"partRelatedVariantList":null,"bomCode":2,"totalValue":null,"searchImage":null,"length":null,"width":null,"height":null,"unitOfDimension":null,"weight":null,"unitOfWeight":null,"specialRouting":false,"onlineRepair":null,"previousPartID":null,"sbdDiscountPriceValue":{"currencyIso":"USD","value":3.9,"priceType":"BUY","formattedValue":"$3.90","minQuantity":null,"maxQuantity":null,"sapUnit":{"code":"pieces","name":"Piece"}},"alrCode":null,"productRecallFlag":null,"selectedDocumentId":null,"productDescription":null,"pdpImage":null,"ticketId":null,"qtyRequiredPerVariant":"1","isElgibleForRepair":null,"isPowerEligible":null,"productRecallNotes":null,"productOtherInfo":null,"backorderETA":"00/00/0000","modifiedDate":null,"userLevel":"COS","displayPrice":null,"baseProductName":null,"firstVariantCode":null,"firstVariantImage":null,"productMarketType":null,"productNumber":null,"typeStatusCode":null,"productCategory":null,"typeNumber":null,"marketCode":null,"regionCode":null,"otherInformation":null,"productTypeStatus":null,"repairInstruction":null,"repairInstructionStatusDescription":null,"typeStatusDate":null,"serviceLifeDate":null,"manufacturerId":null,"parts":null,"language":null,"glossaries":null,"brand":null,"product":null,"brandCode":null,"recallNotes":null,"volume":null},{"code":"P539976978-CM","name":null,"url":"/c//p/P539976978-CM","description":"NUT.1/4C.NYL","purchasable":true,"stock":{"stockLevelStatus":{"code":"outOfStock","type":"StockLevelStatus"},"stockLevel":0,"stockThreshold":null},"futureStocks":null,"availableForPickup":null,"averageRating":null,"numberOfReviews":null,"summary":null,"manufacturer":null,"variantType":null,"price":{"currencyIso":"USD","value":1.05,"priceType":"BUY","formattedValue":"$1.05","minQuantity":null,"maxQuantity":null,"sapUnit":{"code":"pieces","name":"Piece"}},"baseProduct":null,"images":[],"categories":null,"reviews":null,"classifications":null,"potentialPromotions":null,"variantOptions":null,"baseOptions":[],"volumePricesFlag":null,"volumePrices":null,"productReferences":null,"variantMatrix":null,"priceRange":null,"firstCategoryNameList":null,"multidimensional":null,"configurable":false,"configuratorType":null,"addToCartDisabled":null,"addToCartDisabledMessage":null,"tags":null,"sapUnit":null,"keywords":null,"genders":null,"itemtype":"Part","partSubstitute":null,"note":null,"recallNote":null,"note1":null,"note2":null,"note3":null,"note4":null,"note5":null,"pdfAllUser":null,"pdfAuthUser":null,"pdfCOSUser":null,"vaiantRelatedPartList":null,"partHotspotList":null,"itemNumber":null,"partRelatedVariantList":null,"bomCode":2,"totalValue":null,"searchImage":null,"length":null,"width":null,"height":null,"unitOfDimension":null,"weight":null,"unitOfWeight":null,"specialRouting":false,"onlineRepair":null,"previousPartID":null,"sbdDiscountPriceValue":{"currencyIso":"USD","value":1.05,"priceType":"BUY","formattedValue":"$1.05","minQuantity":null,"maxQuantity":null,"sapUnit":{"code":"pieces","name":"Piece"}},"alrCode":null,"productRecallFlag":null,"selectedDocumentId":null,"productDescription":null,"pdpImage":null,"ticketId":null,"qtyRequiredPerVariant":"1","isElgibleForRepair":null,"isPowerEligible":null,"productRecallNotes":null,"productOtherInfo":null,"backorderETA":"00/00/0000","modifiedDate":null,"userLevel":"COS","displayPrice":null,"baseProductName":null,"firstVariantCode":null,"firstVariantImage":null,"productMarketType":null,"productNumber":null,"typeStatusCode":null,"productCategory":null,"typeNumber":null,"marketCode":null,"regionCode":null,"otherInformation":null,"productTypeStatus":null,"repairInstruction":null,"repairInstructionStatusDescription":null,"typeStatusDate":null,"serviceLifeDate":null,"manufacturerId":null,"parts":null,"language":null,"glossaries":null,"brand":null,"product":null,"brandCode":null,"recallNotes":null,"volume":null},{"code":"P57079-CM","name":null,"url":"/c//p/P57079-CM","description":"WASHER","purchasable":false,"stock":{"stockLevelStatus":{"code":"outOfStock","type":"StockLevelStatus"},"stockLevel":0,"stockThreshold":null},"futureStocks":null,"availableForPickup":null,"averageRating":null,"numberOfReviews":null,"summary":null,"manufacturer":null,"variantType":null,"price":null,"baseProduct":null,"images":[],"categories":null,"reviews":null,"classifications":null,"potentialPromotions":null,"variantOptions":null,"baseOptions":[],"volumePricesFlag":null,"volumePrices":null,"productReferences":null,"variantMatrix":null,"priceRange":null,"firstCategoryNameList":null,"multidimensional":null,"configurable":false,"configuratorType":null,"addToCartDisabled":null,"addToCartDisabledMessage":null,"tags":null,"sapUnit":null,"keywords":null,"genders":null,"itemtype":"Part","partSubstitute":null,"note":null,"recallNote":null,"note1":null,"note2":null,"note3":null,"note4":null,"note5":null,"pdfAllUser":null,"pdfAuthUser":null,"pdfCOSUser":null,"vaiantRelatedPartList":null,"partHotspotList":null,"itemNumber":null,"partRelatedVariantList":null,"bomCode":4,"totalValue":null,"searchImage":null,"length":null,"width":null,"height":null,"unitOfDimension":null,"weight":null,"unitOfWeight":null,"specialRouting":false,"onlineRepair":null,"previousPartID":null,"sbdDiscountPriceValue":null,"alrCode":null,"productRecallFlag":null,"selectedDocumentId":null,"productDescription":null,"pdpImage":null,"ticketId":null,"qtyRequiredPerVariant":"1","isElgibleForRepair":null,"isPowerEligible":null,"productRecallNotes":null,"productOtherInfo":null,"backorderETA":null,"modifiedDate":null,"userLevel":"COS","displayPrice":null,"baseProductName":null,"firstVariantCode":null,"firstVariantImage":null,"productMarketType":null,"productNumber":null,"typeStatusCode":null,"productCategory":null,"typeNumber":null,"marketCode":null,"regionCode":null,"otherInformation":null,"productTypeStatus":null,"repairInstruction":null,"repairInstructionStatusDescription":null,"typeStatusDate":null,"serviceLifeDate":null,"manufacturerId":null,"parts":null,"language":null,"glossaries":null,"brand":null,"product":null,"brandCode":null,"recallNotes":null,"volume":null},{"code":"P581580001-CM","name":null,"url":"/c//p/P581580001-CM","description":"DECAL MOWER V-BELT SCH.","purchasable":true,"stock":{"stockLevelStatus":{"code":"inStock","type":"StockLevelStatus"},"stockLevel":0,"stockThreshold":null},"futureStocks":null,"availableForPickup":null,"averageRating":null,"numberOfReviews":null,"summary":null,"manufacturer":null,"variantType":null,"price":{"currencyIso":"USD","value":8.01,"priceType":"BUY","formattedValue":"$8.01","minQuantity":null,"maxQuantity":null,"sapUnit":{"code":"pieces","name":"Piece"}},"baseProduct":null,"images":[],"categories":null,"reviews":null,"classifications":null,"potentialPromotions":null,"variantOptions":null,"baseOptions":[],"volumePricesFlag":null,"volumePrices":null,"productReferences":null,"variantMatrix":null,"priceRange":null,"firstCategoryNameList":null,"multidimensional":null,"configurable":false,"configuratorType":null,"addToCartDisabled":null,"addToCartDisabledMessage":null,"tags":null,"sapUnit":null,"keywords":null,"genders":null,"itemtype":"Part","partSubstitute":null,"note":null,"recallNote":null,"note1":null,"note2":null,"note3":null,"note4":null,"note5":null,"pdfAllUser":null,"pdfAuthUser":null,"pdfCOSUser":null,"vaiantRelatedPartList":null,"partHotspotList":null,"itemNumber":null,"partRelatedVariantList":null,"bomCode":2,"totalValue":null,"searchImage":null,"length":null,"width":null,"height":null,"unitOfDimension":null,"weight":null,"unitOfWeight":null,"specialRouting":false,"onlineRepair":null,"previousPartID":null,"sbdDiscountPriceValue":{"currencyIso":"USD","value":8.01,"priceType":"BUY","formattedValue":"$8.01","minQuantity":null,"maxQuantity":null,"sapUnit":{"code":"pieces","name":"Piece"}},"alrCode":null,"productRecallFlag":null,"selectedDocumentId":null,"productDescription":null,"pdpImage":null,"ticketId":null,"qtyRequiredPerVariant":"1","isElgibleForRepair":null,"isPowerEligible":null,"productRecallNotes":null,"productOtherInfo":null,"backorderETA":"00/00/0000","modifiedDate":null,"userLevel":"COS","displayPrice":null,"baseProductName":null,"firstVariantCode":null,"firstVariantImage":null,"productMarketType":null,"productNumber":null,"typeStatusCode":null,"productCategory":null,"typeNumber":null,"marketCode":null,"regionCode":null,"otherInformation":null,"productTypeStatus":null,"repairInstruction":null,"repairInstructionStatusDescription":null,"typeStatusDate":null,"serviceLifeDate":null,"manufacturerId":null,"parts":null,"language":null,"glossaries":null,"brand":null,"product":null,"brandCode":null,"recallNotes":null,"volume":null},{"code":"P582956001-CM","name":null,"url":"/c//p/P582956001-CM","description":"CAP WHL STR","purchasable":true,"stock":{"stockLevelStatus":{"code":"outOfStock","type":"StockLevelStatus"},"stockLevel":0,"stockThreshold":null},"futureStocks":null,"availableForPickup":null,"averageRating":null,"numberOfReviews":null,"summary":null,"manufacturer":null,"variantType":null,"price":{"currencyIso":"USD","value":4.01,"priceType":"BUY","formattedValue":"$4.01","minQuantity":null,"maxQuantity":null,"sapUnit":{"code":"pieces","name":"Piece"}},"baseProduct":null,"images":[],"categories":null,"reviews":null,"classifications":null,"potentialPromotions":null,"variantOptions":null,"baseOptions":[],"volumePricesFlag":null,"volumePrices":null,"productReferences":null,"variantMatrix":null,"priceRange":null,"firstCategoryNameList":null,"multidimensional":null,"configurable":false,"configuratorType":null,"addToCartDisabled":null,"addToCartDisabledMessage":null,"tags":null,"sapUnit":null,"keywords":null,"genders":null,"itemtype":"Part","partSubstitute":null,"note":null,"recallNote":null,"note1":null,"note2":null,"note3":null,"note4":null,"note5":null,"pdfAllUser":null,"pdfAuthUser":null,"pdfCOSUser":null,"vaiantRelatedPartList":null,"partHotspotList":null,"itemNumber":null,"partRelatedVariantList":null,"bomCode":2,"totalValue":null,"searchImage":null,"length":null,"width":null,"height":null,"unitOfDimension":null,"weight":null,"unitOfWeight":null,"specialRouting":false,"onlineRepair":null,"previousPartID":null,"sbdDiscountPriceValue":{"currencyIso":"USD","value":4.01,"priceType":"BUY","formattedValue":"$4.01","minQuantity":null,"maxQuantity":null,"sapUnit":{"code":"pieces","name":"Piece"}},"alrCode":null,"productRecallFlag":null,"selectedDocumentId":null,"productDescription":null,"pdpImage":null,"ticketId":null,"qtyRequiredPerVariant":"1","isElgibleForRepair":null,"isPowerEligible":null,"productRecallNotes":null,"productOtherInfo":null,"backorderETA":"00/00/0000","modifiedDate":null,"userLevel":"COS","displayPrice":null,"baseProductName":null,"firstVariantCode":null,"firstVariantImage":null,"productMarketType":null,"productNumber":null,"typeStatusCode":null,"productCategory":null,"typeNumber":null,"marketCode":null,"regionCode":null,"otherInformation":null,"productTypeStatus":null,"repairInstruction":null,"repairInstructionStatusDescription":null,"typeStatusDate":null,"serviceLifeDate":null,"manufacturerId":null,"parts":null,"language":null,"glossaries":null,"brand":null,"product":null,"brandCode":null,"recallNotes":null,"volume":null},{"code":"P582965201-CM","name":null,"url":"/c//p/P582965201-CM","description":"DECAL.BELT-V","purchasable":true,"stock":{"stockLevelStatus":{"code":"outOfStock","type":"StockLevelStatus"},"stockLevel":0,"stockThreshold":null},"futureStocks":null,"availableForPickup":null,"averageRating":null,"numberOfReviews":null,"summary":null,"manufacturer":null,"variantType":null,"price":{"currencyIso":"USD","value":2.64,"priceType":"BUY","formattedValue":"$2.64","minQuantity":null,"maxQuantity":null,"sapUnit":{"code":"pieces","name":"Piece"}},"baseProduct":null,"images":[],"categories":null,"reviews":null,"classifications":null,"potentialPromotions":null,"variantOptions":null,"baseOptions":[],"volumePricesFlag":null,"volumePrices":null,"productReferences":null,"variantMatrix":null,"priceRange":null,"firstCategoryNameList":null,"multidimensional":null,"configurable":false,"configuratorType":null,"addToCartDisabled":null,"addToCartDisabledMessage":null,"tags":null,"sapUnit":null,"keywords":null,"genders":null,"itemtype":"Part","partSubstitute":null,"note":null,"recallNote":null,"note1":null,"note2":null,"note3":null,"note4":null,"note5":null,"pdfAllUser":null,"pdfAuthUser":null,"pdfCOSUser":null,"vaiantRelatedPartList":null,"partHotspotList":null,"itemNumber":null,"partRelatedVariantList":null,"bomCode":2,"totalValue":null,"searchImage":null,"length":null,"width":null,"height":null,"unitOfDimension":null,"weight":null,"unitOfWeight":null,"specialRouting":false,"onlineRepair":null,"previousPartID":null,"sbdDiscountPriceValue":{"currencyIso":"USD","value":2.64,"priceType":"BUY","formattedValue":"$2.64","minQuantity":null,"maxQuantity":null,"sapUnit":{"code":"pieces","name":"Piece"}},"alrCode":null,"productRecallFlag":null,"selectedDocumentId":null,"productDescription":null,"pdpImage":null,"ticketId":null,"qtyRequiredPerVariant":"1","isElgibleForRepair":null,"isPowerEligible":null,"productRecallNotes":null,"productOtherInfo":null,"backorderETA":"00/00/0000","modifiedDate":null,"userLevel":"COS","displayPrice":null,"baseProductName":null,"firstVariantCode":null,"firstVariantImage":null,"productMarketType":null,"productNumber":null,"typeStatusCode":null,"productCategory":null,"typeNumber":null,"marketCode":null,"regionCode":null,"otherInformation":null,"productTypeStatus":null,"repairInstruction":null,"repairInstructionStatusDescription":null,"typeStatusDate":null,"serviceLifeDate":null,"manufacturerId":null,"parts":null,"language":null,"glossaries":null,"brand":null,"product":null,"brandCode":null,"recallNotes":null,"volume":null},{"code":"P583004401-CM","name":null,"url":"/c//p/P583004401-CM","description":"KNOB.SELECTO","purchasable":true,"stock":{"stockLevelStatus":{"code":"outOfStock","type":"StockLevelStatus"},"stockLevel":0,"stockThreshold":null},"futureStocks":null,"availableForPickup":null,"averageRating":null,"numberOfReviews":null,"summary":null,"manufacturer":null,"variantType":null,"price":{"currencyIso":"USD","value":5.16,"priceType":"BUY","formattedValue":"$5.16","minQuantity":null,"maxQuantity":null,"sapUnit":{"code":"pieces","name":"Piece"}},"baseProduct":null,"images":[],"categories":null,"reviews":null,"classifications":null,"potentialPromotions":null,"variantOptions":null,"baseOptions":[],"volumePricesFlag":null,"volumePrices":null,"productReferences":null,"variantMatrix":null,"priceRange":null,"firstCategoryNameList":null,"multidimensional":null,"configurable":false,"configuratorType":null,"addToCartDisabled":null,"addToCartDisabledMessage":null,"tags":null,"sapUnit":null,"keywords":null,"genders":null,"itemtype":"Part","partSubstitute":null,"note":null,"recallNote":null,"note1":null,"note2":null,"note3":null,"note4":null,"note5":null,"pdfAllUser":null,"pdfAuthUser":null,"pdfCOSUser":null,"vaiantRelatedPartList":null,"partHotspotList":null,"itemNumber":null,"partRelatedVariantList":null,"bomCode":2,"totalValue":null,"searchImage":null,"length":null,"width":null,"height":null,"unitOfDimension":null,"weight":null,"unitOfWeight":null,"specialRouting":false,"onlineRepair":null,"previousPartID":null,"sbdDiscountPriceValue":{"currencyIso":"USD","value":5.16,"priceType":"BUY","formattedValue":"$5.16","minQuantity":null,"maxQuantity":null,"sapUnit":{"code":"pieces","name":"Piece"}},"alrCode":null,"productRecallFlag":null,"selectedDocumentId":null,"productDescription":null,"pdpImage":null,"ticketId":null,"qtyRequiredPerVariant":"1","isElgibleForRepair":null,"isPowerEligible":null,"productRecallNotes":null,"productOtherInfo":null,"backorderETA":"00/00/0000","modifiedDate":null,"userLevel":"COS","displayPrice":null,"baseProductName":null,"firstVariantCode":null,"firstVariantImage":null,"productMarketType":null,"productNumber":null,"typeStatusCode":null,"productCategory":null,"typeNumber":null,"marketCode":null,"regionCode":null,"otherInformation":null,"productTypeStatus":null,"repairInstruction":null,"repairInstructionStatusDescription":null,"typeStatusDate":null,"serviceLifeDate":null,"manufacturerId":null,"parts":null,"language":null,"glossaries":null,"brand":null,"product":null,"brandCode":null,"recallNotes":null,"volume":null},{"code":"P583008301-CM","name":null,"url":"/c//p/P583008301-CM","description":"DECAL DASH P","purchasable":true,"stock":{"stockLevelStatus":{"code":"outOfStock","type":"StockLevelStatus"},"stockLevel":0,"stockThreshold":null},"futureStocks":null,"availableForPickup":null,"averageRating":null,"numberOfReviews":null,"summary":null,"manufacturer":null,"variantType":null,"price":{"currencyIso":"USD","value":9.26,"priceType":"BUY","formattedValue":"$9.26","minQuantity":null,"maxQuantity":null,"sapUnit":{"code":"pieces","name":"Piece"}},"baseProduct":null,"images":[],"categories":null,"reviews":null,"classifications":null,"potentialPromotions":null,"variantOptions":null,"baseOptions":[],"volumePricesFlag":null,"volumePrices":null,"productReferences":null,"variantMatrix":null,"priceRange":null,"firstCategoryNameList":null,"multidimensional":null,"configurable":false,"configuratorType":null,"addToCartDisabled":null,"addToCartDisabledMessage":null,"tags":null,"sapUnit":null,"keywords":null,"genders":null,"itemtype":"Part","partSubstitute":null,"note":null,"recallNote":null,"note1":null,"note2":null,"note3":null,"note4":null,"note5":null,"pdfAllUser":null,"pdfAuthUser":null,"pdfCOSUser":null,"vaiantRelatedPartList":null,"partHotspotList":null,"itemNumber":null,"partRelatedVariantList":null,"bomCode":2,"totalValue":null,"searchImage":null,"length":null,"width":null,"height":null,"unitOfDimension":null,"weight":null,"unitOfWeight":null,"specialRouting":false,"onlineRepair":null,"previousPartID":null,"sbdDiscountPriceValue":{"currencyIso":"USD","value":9.26,"priceType":"BUY","formattedValue":"$9.26","minQuantity":null,"maxQuantity":null,"sapUnit":{"code":"pieces","name":"Piece"}},"alrCode":null,"productRecallFlag":null,"selectedDocumentId":null,"productDescription":null,"pdpImage":null,"ticketId":null,"qtyRequiredPerVariant":"1","isElgibleForRepair":null,"isPowerEligible":null,"productRecallNotes":null,"productOtherInfo":null,"backorderETA":"00/00/0000","modifiedDate":null,"userLevel":"COS","displayPrice":null,"baseProductName":null,"firstVariantCode":null,"firstVariantImage":null,"productMarketType":null,"productNumber":null,"typeStatusCode":null,"productCategory":null,"typeNumber":null,"marketCode":null,"regionCode":null,"otherInformation":null,"productTypeStatus":null,"repairInstruction":null,"repairInstructionStatusDescription":null,"typeStatusDate":null,"serviceLifeDate":null,"manufacturerId":null,"parts":null,"language":null,"glossaries":null,"brand":null,"product":null,"brandCode":null,"recallNotes":null,"volume":null},{"code":"P583255901-CM","name":null,"url":"/c//p/P583255901-CM","description":"KIT.DASH.STL","purchasable":true,"stock":{"stockLevelStatus":{"code":"outOfStock","type":"StockLevelStatus"},"stockLevel":0,"stockThreshold":null},"futureStocks":null,"availableForPickup":null,"averageRating":null,"numberOfReviews":null,"summary":null,"manufacturer":null,"variantType":null,"price":{"currencyIso":"USD","value":34.97,"priceType":"BUY","formattedValue":"$34.97","minQuantity":null,"maxQuantity":null,"sapUnit":{"code":"pieces","name":"Piece"}},"baseProduct":null,"images":[],"categories":null,"reviews":null,"classifications":null,"potentialPromotions":null,"variantOptions":null,"baseOptions":[],"volumePricesFlag":null,"volumePrices":null,"productReferences":null,"variantMatrix":null,"priceRange":null,"firstCategoryNameList":null,"multidimensional":null,"configurable":false,"configuratorType":null,"addToCartDisabled":null,"addToCartDisabledMessage":null,"tags":null,"sapUnit":null,"keywords":null,"genders":null,"itemtype":"Part","partSubstitute":null,"note":null,"recallNote":null,"note1":null,"note2":null,"note3":null,"note4":null,"note5":null,"pdfAllUser":null,"pdfAuthUser":null,"pdfCOSUser":null,"vaiantRelatedPartList":null,"partHotspotList":null,"itemNumber":null,"partRelatedVariantList":null,"bomCode":2,"totalValue":null,"searchImage":null,"length":null,"width":null,"height":null,"unitOfDimension":null,"weight":null,"unitOfWeight":null,"specialRouting":false,"onlineRepair":null,"previousPartID":null,"sbdDiscountPriceValue":{"currencyIso":"USD","value":34.97,"priceType":"BUY","formattedValue":"$34.97","minQuantity":null,"maxQuantity":null,"sapUnit":{"code":"pieces","name":"Piece"}},"alrCode":null,"productRecallFlag":null,"selectedDocumentId":null,"productDescription":null,"pdpImage":null,"ticketId":null,"qtyRequiredPerVariant":"1","isElgibleForRepair":null,"isPowerEligible":null,"productRecallNotes":null,"productOtherInfo":null,"backorderETA":"00/00/0000","modifiedDate":null,"userLevel":"COS","displayPrice":null,"baseProductName":null,"firstVariantCode":null,"firstVariantImage":null,"productMarketType":null,"productNumber":null,"typeStatusCode":null,"productCategory":null,"typeNumber":null,"marketCode":null,"regionCode":null,"otherInformation":null,"productTypeStatus":null,"repairInstruction":null,"repairInstructionStatusDescription":null,"typeStatusDate":null,"serviceLifeDate":null,"manufacturerId":null,"parts":null,"language":null,"glossaries":null,"brand":null,"product":null,"brandCode":null,"recallNotes":null,"volume":null},{"code":"P583607701-CM","name":null,"url":"/c//p/P583607701-CM","description":"SCREW THDROL. 5/16-18 X 3/4 TYTT","purchasable":true,"stock":{"stockLevelStatus":{"code":"inStock","type":"StockLevelStatus"},"stockLevel":0,"stockThreshold":null},"futureStocks":null,"availableForPickup":null,"averageRating":null,"numberOfReviews":null,"summary":null,"manufacturer":null,"variantType":null,"price":{"currencyIso":"USD","value":3.1,"priceType":"BUY","formattedValue":"$3.10","minQuantity":null,"maxQuantity":null,"sapUnit":{"code":"pieces","name":"Piece"}},"baseProduct":null,"images":[],"categories":null,"reviews":null,"classifications":null,"potentialPromotions":null,"variantOptions":null,"baseOptions":[],"volumePricesFlag":null,"volumePrices":null,"productReferences":null,"variantMatrix":null,"priceRange":null,"firstCategoryNameList":null,"multidimensional":null,"configurable":false,"configuratorType":null,"addToCartDisabled":null,"addToCartDisabledMessage":null,"tags":null,"sapUnit":null,"keywords":null,"genders":null,"itemtype":"Part","partSubstitute":null,"note":null,"recallNote":null,"note1":null,"note2":null,"note3":null,"note4":null,"note5":null,"pdfAllUser":null,"pdfAuthUser":null,"pdfCOSUser":null,"vaiantRelatedPartList":null,"partHotspotList":null,"itemNumber":null,"partRelatedVariantList":null,"bomCode":2,"totalValue":null,"searchImage":null,"length":null,"width":null,"height":null,"unitOfDimension":null,"weight":null,"unitOfWeight":null,"specialRouting":false,"onlineRepair":null,"previousPartID":null,"sbdDiscountPriceValue":{"currencyIso":"USD","value":3.1,"priceType":"BUY","formattedValue":"$3.10","minQuantity":null,"maxQuantity":null,"sapUnit":{"code":"pieces","name":"Piece"}},"alrCode":null,"productRecallFlag":null,"selectedDocumentId":null,"productDescription":null,"pdpImage":null,"ticketId":null,"qtyRequiredPerVariant":"1","isElgibleForRepair":null,"isPowerEligible":null,"productRecallNotes":null,"productOtherInfo":null,"backorderETA":"00/00/0000","modifiedDate":null,"userLevel":"COS","displayPrice":null,"baseProductName":null,"firstVariantCode":null,"firstVariantImage":null,"productMarketType":null,"productNumber":null,"typeStatusCode":null,"productCategory":null,"typeNumber":null,"marketCode":null,"regionCode":null,"otherInformation":null,"productTypeStatus":null,"repairInstruction":null,"repairInstructionStatusDescription":null,"typeStatusDate":null,"serviceLifeDate":null,"manufacturerId":null,"parts":null,"language":null,"glossaries":null,"brand":null,"product":null,"brandCode":null,"recallNotes":null,"volume":null},{"code":"P583607701-CM","name":null,"url":"/c//p/P583607701-CM","description":"SCREW THDROL. 5/16-18 X 3/4 TYTT","purchasable":true,"stock":{"stockLevelStatus":{"code":"inStock","type":"StockLevelStatus"},"stockLevel":0,"stockThreshold":null},"futureStocks":null,"availableForPickup":null,"averageRating":null,"numberOfReviews":null,"summary":null,"manufacturer":null,"variantType":null,"price":{"currencyIso":"USD","value":3.1,"priceType":"BUY","formattedValue":"$3.10","minQuantity":null,"maxQuantity":null,"sapUnit":{"code":"pieces","name":"Piece"}},"baseProduct":null,"images":[],"categories":null,"reviews":null,"classifications":null,"potentialPromotions":null,"variantOptions":null,"baseOptions":[],"volumePricesFlag":null,"volumePrices":null,"productReferences":null,"variantMatrix":null,"priceRange":null,"firstCategoryNameList":null,"multidimensional":null,"configurable":false,"configuratorType":null,"addToCartDisabled":null,"addToCartDisabledMessage":null,"tags":null,"sapUnit":null,"keywords":null,"genders":null,"itemtype":"Part","partSubstitute":null,"note":null,"recallNote":null,"note1":null,"note2":null,"note3":null,"note4":null,"note5":null,"pdfAllUser":null,"pdfAuthUser":null,"pdfCOSUser":null,"vaiantRelatedPartList":null,"partHotspotList":null,"itemNumber":null,"partRelatedVariantList":null,"bomCode":2,"totalValue":null,"searchImage":null,"length":null,"width":null,"height":null,"unitOfDimension":null,"weight":null,"unitOfWeight":null,"specialRouting":false,"onlineRepair":null,"previousPartID":null,"sbdDiscountPriceValue":{"currencyIso":"USD","value":3.1,"priceType":"BUY","formattedValue":"$3.10","minQuantity":null,"maxQuantity":null,"sapUnit":{"code":"pieces","name":"Piece"}},"alrCode":null,"productRecallFlag":null,"selectedDocumentId":null,"productDescription":null,"pdpImage":null,"ticketId":null,"qtyRequiredPerVariant":"1","isElgibleForRepair":null,"isPowerEligible":null,"productRecallNotes":null,"productOtherInfo":null,"backorderETA":"00/00/0000","modifiedDate":null,"userLevel":"COS","displayPrice":null,"baseProductName":null,"firstVariantCode":null,"firstVariantImage":null,"productMarketType":null,"productNumber":null,"typeStatusCode":null,"productCategory":null,"typeNumber":null,"marketCode":null,"regionCode":null,"otherInformation":null,"productTypeStatus":null,"repairInstruction":null,"repairInstructionStatusDescription":null,"typeStatusDate":null,"serviceLifeDate":null,"manufacturerId":null,"parts":null,"language":null,"glossaries":null,"brand":null,"product":null,"brandCode":null,"recallNotes":null,"volume":null},{"code":"P583607701-CM","name":null,"url":"/c//p/P583607701-CM","description":"SCREW THDROL. 5/16-18 X 3/4 TYTT","purchasable":true,"stock":{"stockLevelStatus":{"code":"inStock","type":"StockLevelStatus"},"stockLevel":0,"stockThreshold":null},"futureStocks":null,"availableForPickup":null,"averageRating":null,"numberOfReviews":null,"summary":null,"manufacturer":null,"variantType":null,"price":{"currencyIso":"USD","value":3.1,"priceType":"BUY","formattedValue":"$3.10","minQuantity":null,"maxQuantity":null,"sapUnit":{"code":"pieces","name":"Piece"}},"baseProduct":null,"images":[],"categories":null,"reviews":null,"classifications":null,"potentialPromotions":null,"variantOptions":null,"baseOptions":[],"volumePricesFlag":null,"volumePrices":null,"productReferences":null,"variantMatrix":null,"priceRange":null,"firstCategoryNameList":null,"multidimensional":null,"configurable":false,"configuratorType":null,"addToCartDisabled":null,"addToCartDisabledMessage":null,"tags":null,"sapUnit":null,"keywords":null,"genders":null,"itemtype":"Part","partSubstitute":null,"note":null,"recallNote":null,"note1":null,"note2":null,"note3":null,"note4":null,"note5":null,"pdfAllUser":null,"pdfAuthUser":null,"pdfCOSUser":null,"vaiantRelatedPartList":null,"partHotspotList":null,"itemNumber":null,"partRelatedVariantList":null,"bomCode":2,"totalValue":null,"searchImage":null,"length":null,"width":null,"height":null,"unitOfDimension":null,"weight":null,"unitOfWeight":null,"specialRouting":false,"onlineRepair":null,"previousPartID":null,"sbdDiscountPriceValue":{"currencyIso":"USD","value":3.1,"priceType":"BUY","formattedValue":"$3.10","minQuantity":null,"maxQuantity":null,"sapUnit":{"code":"pieces","name":"Piece"}},"alrCode":null,"productRecallFlag":null,"selectedDocumentId":null,"productDescription":null,"pdpImage":null,"ticketId":null,"qtyRequiredPerVariant":"1","isElgibleForRepair":null,"isPowerEligible":null,"productRecallNotes":null,"productOtherInfo":null,"backorderETA":"00/00/0000","modifiedDate":null,"userLevel":"COS","displayPrice":null,"baseProductName":null,"firstVariantCode":null,"firstVariantImage":null,"productMarketType":null,"productNumber":null,"typeStatusCode":null,"productCategory":null,"typeNumber":null,"marketCode":null,"regionCode":null,"otherInformation":null,"productTypeStatus":null,"repairInstruction":null,"repairInstructionStatusDescription":null,"typeStatusDate":null,"serviceLifeDate":null,"manufacturerId":null,"parts":null,"language":null,"glossaries":null,"brand":null,"product":null,"brandCode":null,"recallNotes":null,"volume":null},{"code":"P583789501-CM","name":null,"url":"/c//p/P583789501-CM","description":"WASHER 13/32 X 2-3/8 X 12 GA.","purchasable":true,"stock":{"stockLevelStatus":{"code":"inStock","type":"StockLevelStatus"},"stockLevel":0,"stockThreshold":null},"futureStocks":null,"availableForPickup":null,"averageRating":null,"numberOfReviews":null,"summary":null,"manufacturer":null,"variantType":null,"price":{"currencyIso":"USD","value":3.1,"priceType":"BUY","formattedValue":"$3.10","minQuantity":null,"maxQuantity":null,"sapUnit":{"code":"pieces","name":"Piece"}},"baseProduct":null,"images":[],"categories":null,"reviews":null,"classifications":null,"potentialPromotions":null,"variantOptions":null,"baseOptions":[],"volumePricesFlag":null,"volumePrices":null,"productReferences":null,"variantMatrix":null,"priceRange":null,"firstCategoryNameList":null,"multidimensional":null,"configurable":false,"configuratorType":null,"addToCartDisabled":null,"addToCartDisabledMessage":null,"tags":null,"sapUnit":null,"keywords":null,"genders":null,"itemtype":"Part","partSubstitute":null,"note":null,"recallNote":null,"note1":null,"note2":null,"note3":null,"note4":null,"note5":null,"pdfAllUser":null,"pdfAuthUser":null,"pdfCOSUser":null,"vaiantRelatedPartList":null,"partHotspotList":null,"itemNumber":null,"partRelatedVariantList":null,"bomCode":2,"totalValue":null,"searchImage":null,"length":null,"width":null,"height":null,"unitOfDimension":null,"weight":null,"unitOfWeight":null,"specialRouting":false,"onlineRepair":null,"previousPartID":null,"sbdDiscountPriceValue":{"currencyIso":"USD","value":3.1,"priceType":"BUY","formattedValue":"$3.10","minQuantity":null,"maxQuantity":null,"sapUnit":{"code":"pieces","name":"Piece"}},"alrCode":null,"productRecallFlag":null,"selectedDocumentId":null,"productDescription":null,"pdpImage":null,"ticketId":null,"qtyRequiredPerVariant":"1","isElgibleForRepair":null,"isPowerEligible":null,"productRecallNotes":null,"productOtherInfo":null,"backorderETA":"00/00/0000","modifiedDate":null,"userLevel":"COS","displayPrice":null,"baseProductName":null,"firstVariantCode":null,"firstVariantImage":null,"productMarketType":null,"productNumber":null,"typeStatusCode":null,"productCategory":null,"typeNumber":null,"marketCode":null,"regionCode":null,"otherInformation":null,"productTypeStatus":null,"repairInstruction":null,"repairInstructionStatusDescription":null,"typeStatusDate":null,"serviceLifeDate":null,"manufacturerId":null,"parts":null,"language":null,"glossaries":null,"brand":null,"product":null,"brandCode":null,"recallNotes":null,"volume":null},{"code":"P584316401-CM","name":null,"url":"/c//p/P584316401-CM","description":"BRACKET.GRIL","purchasable":true,"stock":{"stockLevelStatus":{"code":"outOfStock","type":"StockLevelStatus"},"stockLevel":0,"stockThreshold":null},"futureStocks":null,"availableForPickup":null,"averageRating":null,"numberOfReviews":null,"summary":null,"manufacturer":null,"variantType":null,"price":{"currencyIso":"USD","value":3.72,"priceType":"BUY","formattedValue":"$3.72","minQuantity":null,"maxQuantity":null,"sapUnit":{"code":"pieces","name":"Piece"}},"baseProduct":null,"images":[],"categories":null,"reviews":null,"classifications":null,"potentialPromotions":null,"variantOptions":null,"baseOptions":[],"volumePricesFlag":null,"volumePrices":null,"productReferences":null,"variantMatrix":null,"priceRange":null,"firstCategoryNameList":null,"multidimensional":null,"configurable":false,"configuratorType":null,"addToCartDisabled":null,"addToCartDisabledMessage":null,"tags":null,"sapUnit":null,"keywords":null,"genders":null,"itemtype":"Part","partSubstitute":null,"note":null,"recallNote":null,"note1":null,"note2":null,"note3":null,"note4":null,"note5":null,"pdfAllUser":null,"pdfAuthUser":null,"pdfCOSUser":null,"vaiantRelatedPartList":null,"partHotspotList":null,"itemNumber":null,"partRelatedVariantList":null,"bomCode":2,"totalValue":null,"searchImage":null,"length":null,"width":null,"height":null,"unitOfDimension":null,"weight":null,"unitOfWeight":null,"specialRouting":false,"onlineRepair":null,"previousPartID":null,"sbdDiscountPriceValue":{"currencyIso":"USD","value":3.72,"priceType":"BUY","formattedValue":"$3.72","minQuantity":null,"maxQuantity":null,"sapUnit":{"code":"pieces","name":"Piece"}},"alrCode":null,"productRecallFlag":null,"selectedDocumentId":null,"productDescription":null,"pdpImage":null,"ticketId":null,"qtyRequiredPerVariant":"1","isElgibleForRepair":null,"isPowerEligible":null,"productRecallNotes":null,"productOtherInfo":null,"backorderETA":"00/00/0000","modifiedDate":null,"userLevel":"COS","displayPrice":null,"baseProductName":null,"firstVariantCode":null,"firstVariantImage":null,"productMarketType":null,"productNumber":null,"typeStatusCode":null,"productCategory":null,"typeNumber":null,"marketCode":null,"regionCode":null,"otherInformation":null,"productTypeStatus":null,"repairInstruction":null,"repairInstructionStatusDescription":null,"typeStatusDate":null,"serviceLifeDate":null,"manufacturerId":null,"parts":null,"language":null,"glossaries":null,"brand":null,"product":null,"brandCode":null,"recallNotes":null,"volume":null},{"code":"P584371701-CM","name":null,"url":"/c//p/P584371701-CM","description":"STEERING KIT","purchasable":true,"stock":{"stockLevelStatus":{"code":"outOfStock","type":"StockLevelStatus"},"stockLevel":0,"stockThreshold":null},"futureStocks":null,"availableForPickup":null,"averageRating":null,"numberOfReviews":null,"summary":null,"manufacturer":null,"variantType":null,"price":{"currencyIso":"USD","value":68.24,"priceType":"BUY","formattedValue":"$68.24","minQuantity":null,"maxQuantity":null,"sapUnit":{"code":"pieces","name":"Piece"}},"baseProduct":null,"images":[],"categories":null,"reviews":null,"classifications":null,"potentialPromotions":null,"variantOptions":null,"baseOptions":[],"volumePricesFlag":null,"volumePrices":null,"productReferences":null,"variantMatrix":null,"priceRange":null,"firstCategoryNameList":null,"multidimensional":null,"configurable":false,"configuratorType":null,"addToCartDisabled":null,"addToCartDisabledMessage":null,"tags":null,"sapUnit":null,"keywords":null,"genders":null,"itemtype":"Part","partSubstitute":null,"note":null,"recallNote":null,"note1":null,"note2":null,"note3":null,"note4":null,"note5":null,"pdfAllUser":null,"pdfAuthUser":null,"pdfCOSUser":null,"vaiantRelatedPartList":null,"partHotspotList":null,"itemNumber":null,"partRelatedVariantList":null,"bomCode":2,"totalValue":null,"searchImage":null,"length":null,"width":null,"height":null,"unitOfDimension":null,"weight":null,"unitOfWeight":null,"specialRouting":false,"onlineRepair":null,"previousPartID":null,"sbdDiscountPriceValue":{"currencyIso":"USD","value":68.24,"priceType":"BUY","formattedValue":"$68.24","minQuantity":null,"maxQuantity":null,"sapUnit":{"code":"pieces","name":"Piece"}},"alrCode":null,"productRecallFlag":null,"selectedDocumentId":null,"productDescription":null,"pdpImage":null,"ticketId":null,"qtyRequiredPerVariant":"1","isElgibleForRepair":null,"isPowerEligible":null,"productRecallNotes":null,"productOtherInfo":null,"backorderETA":"00/00/0000","modifiedDate":null,"userLevel":"COS","displayPrice":null,"baseProductName":null,"firstVariantCode":null,"firstVariantImage":null,"productMarketType":null,"productNumber":null,"typeStatusCode":null,"productCategory":null,"typeNumber":null,"marketCode":null,"regionCode":null,"otherInformation":null,"productTypeStatus":null,"repairInstruction":null,"repairInstructionStatusDescription":null,"typeStatusDate":null,"serviceLifeDate":null,"manufacturerId":null,"parts":null,"language":null,"glossaries":null,"brand":null,"product":null,"brandCode":null,"recallNotes":null,"volume":null},{"code":"P584448901-CM","name":null,"url":"/c//p/P584448901-CM","description":"KEEPER.BELT.","purchasable":true,"stock":{"stockLevelStatus":{"code":"outOfStock","type":"StockLevelStatus"},"stockLevel":0,"stockThreshold":null},"futureStocks":null,"availableForPickup":null,"averageRating":null,"numberOfReviews":null,"summary":null,"manufacturer":null,"variantType":null,"price":{"currencyIso":"USD","value":4.78,"priceType":"BUY","formattedValue":"$4.78","minQuantity":null,"maxQuantity":null,"sapUnit":{"code":"pieces","name":"Piece"}},"baseProduct":null,"images":[],"categories":null,"reviews":null,"classifications":null,"potentialPromotions":null,"variantOptions":null,"baseOptions":[],"volumePricesFlag":null,"volumePrices":null,"productReferences":null,"variantMatrix":null,"priceRange":null,"firstCategoryNameList":null,"multidimensional":null,"configurable":false,"configuratorType":null,"addToCartDisabled":null,"addToCartDisabledMessage":null,"tags":null,"sapUnit":null,"keywords":null,"genders":null,"itemtype":"Part","partSubstitute":null,"note":null,"recallNote":null,"note1":null,"note2":null,"note3":null,"note4":null,"note5":null,"pdfAllUser":null,"pdfAuthUser":null,"pdfCOSUser":null,"vaiantRelatedPartList":null,"partHotspotList":null,"itemNumber":null,"partRelatedVariantList":null,"bomCode":2,"totalValue":null,"searchImage":null,"length":null,"width":null,"height":null,"unitOfDimension":null,"weight":null,"unitOfWeight":null,"specialRouting":false,"onlineRepair":null,"previousPartID":null,"sbdDiscountPriceValue":{"currencyIso":"USD","value":4.78,"priceType":"BUY","formattedValue":"$4.78","minQuantity":null,"maxQuantity":null,"sapUnit":{"code":"pieces","name":"Piece"}},"alrCode":null,"productRecallFlag":null,"selectedDocumentId":null,"productDescription":null,"pdpImage":null,"ticketId":null,"qtyRequiredPerVariant":"1","isElgibleForRepair":null,"isPowerEligible":null,"productRecallNotes":null,"productOtherInfo":null,"backorderETA":"00/00/0000","modifiedDate":null,"userLevel":"COS","displayPrice":null,"baseProductName":null,"firstVariantCode":null,"firstVariantImage":null,"productMarketType":null,"productNumber":null,"typeStatusCode":null,"productCategory":null,"typeNumber":null,"marketCode":null,"regionCode":null,"otherInformation":null,"productTypeStatus":null,"repairInstruction":null,"repairInstructionStatusDescription":null,"typeStatusDate":null,"serviceLifeDate":null,"manufacturerId":null,"parts":null,"language":null,"glossaries":null,"brand":null,"product":null,"brandCode":null,"recallNotes":null,"volume":null},{"code":"P584459201-CM","name":null,"url":"/c//p/P584459201-CM","description":"RIM.ASM.6FR","purchasable":true,"stock":{"stockLevelStatus":{"code":"outOfStock","type":"StockLevelStatus"},"stockLevel":0,"stockThreshold":null},"futureStocks":null,"availableForPickup":null,"averageRating":null,"numberOfReviews":null,"summary":null,"manufacturer":null,"variantType":null,"price":{"currencyIso":"USD","value":66.24,"priceType":"BUY","formattedValue":"$66.24","minQuantity":null,"maxQuantity":null,"sapUnit":{"code":"pieces","name":"Piece"}},"baseProduct":null,"images":[],"categories":null,"reviews":null,"classifications":null,"potentialPromotions":null,"variantOptions":null,"baseOptions":[],"volumePricesFlag":null,"volumePrices":null,"productReferences":null,"variantMatrix":null,"priceRange":null,"firstCategoryNameList":null,"multidimensional":null,"configurable":false,"configuratorType":null,"addToCartDisabled":null,"addToCartDisabledMessage":null,"tags":null,"sapUnit":null,"keywords":null,"genders":null,"itemtype":"Part","partSubstitute":null,"note":null,"recallNote":null,"note1":null,"note2":null,"note3":null,"note4":null,"note5":null,"pdfAllUser":null,"pdfAuthUser":null,"pdfCOSUser":null,"vaiantRelatedPartList":null,"partHotspotList":null,"itemNumber":null,"partRelatedVariantList":null,"bomCode":2,"totalValue":null,"searchImage":null,"length":null,"width":null,"height":null,"unitOfDimension":null,"weight":null,"unitOfWeight":null,"specialRouting":false,"onlineRepair":null,"previousPartID":null,"sbdDiscountPriceValue":{"currencyIso":"USD","value":66.24,"priceType":"BUY","formattedValue":"$66.24","minQuantity":null,"maxQuantity":null,"sapUnit":{"code":"pieces","name":"Piece"}},"alrCode":null,"productRecallFlag":null,"selectedDocumentId":null,"productDescription":null,"pdpImage":null,"ticketId":null,"qtyRequiredPerVariant":"1","isElgibleForRepair":null,"isPowerEligible":null,"productRecallNotes":null,"productOtherInfo":null,"backorderETA":"00/00/0000","modifiedDate":null,"userLevel":"COS","displayPrice":null,"baseProductName":null,"firstVariantCode":null,"firstVariantImage":null,"productMarketType":null,"productNumber":null,"typeStatusCode":null,"productCategory":null,"typeNumber":null,"marketCode":null,"regionCode":null,"otherInformation":null,"productTypeStatus":null,"repairInstruction":null,"repairInstructionStatusDescription":null,"typeStatusDate":null,"serviceLifeDate":null,"manufacturerId":null,"parts":null,"language":null,"glossaries":null,"brand":null,"product":null,"brandCode":null,"recallNotes":null,"volume":null},{"code":"P585571401-CM","name":null,"url":"/c//p/P585571401-CM","description":"DECAL CUSTOMER MAINT.","purchasable":true,"stock":{"stockLevelStatus":{"code":"inStock","type":"StockLevelStatus"},"stockLevel":0,"stockThreshold":null},"futureStocks":null,"availableForPickup":null,"averageRating":null,"numberOfReviews":null,"summary":null,"manufacturer":null,"variantType":null,"price":{"currencyIso":"USD","value":1.61,"priceType":"BUY","formattedValue":"$1.61","minQuantity":null,"maxQuantity":null,"sapUnit":{"code":"pieces","name":"Piece"}},"baseProduct":null,"images":[],"categories":null,"reviews":null,"classifications":null,"potentialPromotions":null,"variantOptions":null,"baseOptions":[],"volumePricesFlag":null,"volumePrices":null,"productReferences":null,"variantMatrix":null,"priceRange":null,"firstCategoryNameList":null,"multidimensional":null,"configurable":false,"configuratorType":null,"addToCartDisabled":null,"addToCartDisabledMessage":null,"tags":null,"sapUnit":null,"keywords":null,"genders":null,"itemtype":"Part","partSubstitute":null,"note":null,"recallNote":null,"note1":null,"note2":null,"note3":null,"note4":null,"note5":null,"pdfAllUser":null,"pdfAuthUser":null,"pdfCOSUser":null,"vaiantRelatedPartList":null,"partHotspotList":null,"itemNumber":null,"partRelatedVariantList":null,"bomCode":2,"totalValue":null,"searchImage":null,"length":null,"width":null,"height":null,"unitOfDimension":null,"weight":null,"unitOfWeight":null,"specialRouting":false,"onlineRepair":null,"previousPartID":null,"sbdDiscountPriceValue":{"currencyIso":"USD","value":1.61,"priceType":"BUY","formattedValue":"$1.61","minQuantity":null,"maxQuantity":null,"sapUnit":{"code":"pieces","name":"Piece"}},"alrCode":null,"productRecallFlag":null,"selectedDocumentId":null,"productDescription":null,"pdpImage":null,"ticketId":null,"qtyRequiredPerVariant":"1","isElgibleForRepair":null,"isPowerEligible":null,"productRecallNotes":null,"productOtherInfo":null,"backorderETA":"00/00/0000","modifiedDate":null,"userLevel":"COS","displayPrice":null,"baseProductName":null,"firstVariantCode":null,"firstVariantImage":null,"productMarketType":null,"productNumber":null,"typeStatusCode":null,"productCategory":null,"typeNumber":null,"marketCode":null,"regionCode":null,"otherInformation":null,"productTypeStatus":null,"repairInstruction":null,"repairInstructionStatusDescription":null,"typeStatusDate":null,"serviceLifeDate":null,"manufacturerId":null,"parts":null,"language":null,"glossaries":null,"brand":null,"product":null,"brandCode":null,"recallNotes":null,"volume":null},{"code":"P587613301-CM","name":null,"url":"/c//p/P587613301-CM","description":"SPRING SEAT CPRSN","purchasable":true,"stock":{"stockLevelStatus":{"code":"inStock","type":"StockLevelStatus"},"stockLevel":0,"stockThreshold":null},"futureStocks":null,"availableForPickup":null,"averageRating":null,"numberOfReviews":null,"summary":null,"manufacturer":null,"variantType":null,"price":{"currencyIso":"USD","value":1.95,"priceType":"BUY","formattedValue":"$1.95","minQuantity":null,"maxQuantity":null,"sapUnit":{"code":"pieces","name":"Piece"}},"baseProduct":null,"images":[],"categories":null,"reviews":null,"classifications":null,"potentialPromotions":null,"variantOptions":null,"baseOptions":[],"volumePricesFlag":null,"volumePrices":null,"productReferences":null,"variantMatrix":null,"priceRange":null,"firstCategoryNameList":null,"multidimensional":null,"configurable":false,"configuratorType":null,"addToCartDisabled":null,"addToCartDisabledMessage":null,"tags":null,"sapUnit":null,"keywords":null,"genders":null,"itemtype":"Part","partSubstitute":null,"note":null,"recallNote":null,"note1":null,"note2":null,"note3":null,"note4":null,"note5":null,"pdfAllUser":null,"pdfAuthUser":null,"pdfCOSUser":null,"vaiantRelatedPartList":null,"partHotspotList":null,"itemNumber":null,"partRelatedVariantList":null,"bomCode":2,"totalValue":null,"searchImage":null,"length":null,"width":null,"height":null,"unitOfDimension":null,"weight":null,"unitOfWeight":null,"specialRouting":false,"onlineRepair":null,"previousPartID":null,"sbdDiscountPriceValue":{"currencyIso":"USD","value":1.95,"priceType":"BUY","formattedValue":"$1.95","minQuantity":null,"maxQuantity":null,"sapUnit":{"code":"pieces","name":"Piece"}},"alrCode":null,"productRecallFlag":null,"selectedDocumentId":null,"productDescription":null,"pdpImage":null,"ticketId":null,"qtyRequiredPerVariant":"1","isElgibleForRepair":null,"isPowerEligible":null,"productRecallNotes":null,"productOtherInfo":null,"backorderETA":"00/00/0000","modifiedDate":null,"userLevel":"COS","displayPrice":null,"baseProductName":null,"firstVariantCode":null,"firstVariantImage":null,"productMarketType":null,"productNumber":null,"typeStatusCode":null,"productCategory":null,"typeNumber":null,"marketCode":null,"regionCode":null,"otherInformation":null,"productTypeStatus":null,"repairInstruction":null,"repairInstructionStatusDescription":null,"typeStatusDate":null,"serviceLifeDate":null,"manufacturerId":null,"parts":null,"language":null,"glossaries":null,"brand":null,"product":null,"brandCode":null,"recallNotes":null,"volume":null},{"code":"P59904-CM","name":null,"url":"/c//p/P59904-CM","description":"TUBE FRONT","purchasable":true,"stock":{"stockLevelStatus":{"code":"inStock","type":"StockLevelStatus"},"stockLevel":0,"stockThreshold":null},"futureStocks":null,"availableForPickup":null,"averageRating":null,"numberOfReviews":null,"summary":null,"manufacturer":null,"variantType":null,"price":{"currencyIso":"USD","value":21.3,"priceType":"BUY","formattedValue":"$21.30","minQuantity":null,"maxQuantity":null,"sapUnit":{"code":"pieces","name":"Piece"}},"baseProduct":null,"images":[],"categories":null,"reviews":null,"classifications":null,"potentialPromotions":null,"variantOptions":null,"baseOptions":[],"volumePricesFlag":null,"volumePrices":null,"productReferences":null,"variantMatrix":null,"priceRange":null,"firstCategoryNameList":null,"multidimensional":null,"configurable":false,"configuratorType":null,"addToCartDisabled":null,"addToCartDisabledMessage":null,"tags":null,"sapUnit":null,"keywords":null,"genders":null,"itemtype":"Part","partSubstitute":null,"note":null,"recallNote":null,"note1":null,"note2":null,"note3":null,"note4":null,"note5":null,"pdfAllUser":null,"pdfAuthUser":null,"pdfCOSUser":null,"vaiantRelatedPartList":null,"partHotspotList":null,"itemNumber":null,"partRelatedVariantList":null,"bomCode":2,"totalValue":null,"searchImage":null,"length":null,"width":null,"height":null,"unitOfDimension":null,"weight":null,"unitOfWeight":null,"specialRouting":false,"onlineRepair":null,"previousPartID":null,"sbdDiscountPriceValue":{"currencyIso":"USD","value":21.3,"priceType":"BUY","formattedValue":"$21.30","minQuantity":null,"maxQuantity":null,"sapUnit":{"code":"pieces","name":"Piece"}},"alrCode":null,"productRecallFlag":null,"selectedDocumentId":null,"productDescription":null,"pdpImage":null,"ticketId":null,"qtyRequiredPerVariant":"1","isElgibleForRepair":null,"isPowerEligible":null,"productRecallNotes":null,"productOtherInfo":null,"backorderETA":"00/00/0000","modifiedDate":null,"userLevel":"COS","displayPrice":null,"baseProductName":null,"firstVariantCode":null,"firstVariantImage":null,"productMarketType":null,"productNumber":null,"typeStatusCode":null,"productCategory":null,"typeNumber":null,"marketCode":null,"regionCode":null,"otherInformation":null,"productTypeStatus":null,"repairInstruction":null,"repairInstructionStatusDescription":null,"typeStatusDate":null,"serviceLifeDate":null,"manufacturerId":null,"parts":null,"language":null,"glossaries":null,"brand":null,"product":null,"brandCode":null,"recallNotes":null,"volume":null},{"code":"P6855M-CM","name":null,"url":"/c//p/P6855M-CM","description":"1641-ZERK","purchasable":false,"stock":{"stockLevelStatus":{"code":"outOfStock","type":"StockLevelStatus"},"stockLevel":0,"stockThreshold":null},"futureStocks":null,"availableForPickup":null,"averageRating":null,"numberOfReviews":null,"summary":null,"manufacturer":null,"variantType":null,"price":null,"baseProduct":null,"images":[],"categories":null,"reviews":null,"classifications":null,"potentialPromotions":null,"variantOptions":null,"baseOptions":[],"volumePricesFlag":null,"volumePrices":null,"productReferences":null,"variantMatrix":null,"priceRange":null,"firstCategoryNameList":null,"multidimensional":null,"configurable":false,"configuratorType":null,"addToCartDisabled":null,"addToCartDisabledMessage":null,"tags":null,"sapUnit":null,"keywords":null,"genders":null,"itemtype":"Part","partSubstitute":"P532139245-CM","note":null,"recallNote":null,"note1":null,"note2":null,"note3":null,"note4":null,"note5":null,"pdfAllUser":null,"pdfAuthUser":null,"pdfCOSUser":null,"vaiantRelatedPartList":null,"partHotspotList":null,"itemNumber":null,"partRelatedVariantList":null,"bomCode":4,"totalValue":null,"searchImage":null,"length":null,"width":null,"height":null,"unitOfDimension":null,"weight":null,"unitOfWeight":null,"specialRouting":false,"onlineRepair":null,"previousPartID":null,"sbdDiscountPriceValue":null,"alrCode":null,"productRecallFlag":null,"selectedDocumentId":null,"productDescription":null,"pdpImage":null,"ticketId":null,"qtyRequiredPerVariant":"1","isElgibleForRepair":null,"isPowerEligible":null,"productRecallNotes":null,"productOtherInfo":null,"backorderETA":null,"modifiedDate":null,"userLevel":"COS","displayPrice":null,"baseProductName":null,"firstVariantCode":null,"firstVariantImage":null,"productMarketType":null,"productNumber":null,"typeStatusCode":null,"productCategory":null,"typeNumber":null,"marketCode":null,"regionCode":null,"otherInformation":null,"productTypeStatus":null,"repairInstruction":null,"repairInstructionStatusDescription":null,"typeStatusDate":null,"serviceLifeDate":null,"manufacturerId":null,"parts":null,"language":null,"glossaries":null,"brand":null,"product":null,"brandCode":null,"recallNotes":null,"volume":null},{"code":"P72110610-CM","name":null,"url":"/c//p/P72110610-CM","description":"BOLT","purchasable":false,"stock":{"stockLevelStatus":{"code":"outOfStock","type":"StockLevelStatus"},"stockLevel":0,"stockThreshold":null},"futureStocks":null,"availableForPickup":null,"averageRating":null,"numberOfReviews":null,"summary":null,"manufacturer":null,"variantType":null,"price":null,"baseProduct":null,"images":[],"categories":null,"reviews":null,"classifications":null,"potentialPromotions":null,"variantOptions":null,"baseOptions":[],"volumePricesFlag":null,"volumePrices":null,"productReferences":null,"variantMatrix":null,"priceRange":null,"firstCategoryNameList":null,"multidimensional":null,"configurable":false,"configuratorType":null,"addToCartDisabled":null,"addToCartDisabledMessage":null,"tags":null,"sapUnit":null,"keywords":null,"genders":null,"itemtype":"Part","partSubstitute":null,"note":null,"recallNote":null,"note1":null,"note2":null,"note3":null,"note4":null,"note5":null,"pdfAllUser":null,"pdfAuthUser":null,"pdfCOSUser":null,"vaiantRelatedPartList":null,"partHotspotList":null,"itemNumber":null,"partRelatedVariantList":null,"bomCode":4,"totalValue":null,"searchImage":null,"length":null,"width":null,"height":null,"unitOfDimension":null,"weight":null,"unitOfWeight":null,"specialRouting":false,"onlineRepair":null,"previousPartID":null,"sbdDiscountPriceValue":null,"alrCode":null,"productRecallFlag":null,"selectedDocumentId":null,"productDescription":null,"pdpImage":null,"ticketId":null,"qtyRequiredPerVariant":"1","isElgibleForRepair":null,"isPowerEligible":null,"productRecallNotes":null,"productOtherInfo":null,"backorderETA":null,"modifiedDate":null,"userLevel":"COS","displayPrice":null,"baseProductName":null,"firstVariantCode":null,"firstVariantImage":null,"productMarketType":null,"productNumber":null,"typeStatusCode":null,"productCategory":null,"typeNumber":null,"marketCode":null,"regionCode":null,"otherInformation":null,"productTypeStatus":null,"repairInstruction":null,"repairInstructionStatusDescription":null,"typeStatusDate":null,"serviceLifeDate":null,"manufacturerId":null,"parts":null,"language":null,"glossaries":null,"brand":null,"product":null,"brandCode":null,"recallNotes":null,"volume":null},{"code":"P72110610-CM","name":null,"url":"/c//p/P72110610-CM","description":"BOLT","purchasable":false,"stock":{"stockLevelStatus":{"code":"outOfStock","type":"StockLevelStatus"},"stockLevel":0,"stockThreshold":null},"futureStocks":null,"availableForPickup":null,"averageRating":null,"numberOfReviews":null,"summary":null,"manufacturer":null,"variantType":null,"price":null,"baseProduct":null,"images":[],"categories":null,"reviews":null,"classifications":null,"potentialPromotions":null,"variantOptions":null,"baseOptions":[],"volumePricesFlag":null,"volumePrices":null,"productReferences":null,"variantMatrix":null,"priceRange":null,"firstCategoryNameList":null,"multidimensional":null,"configurable":false,"configuratorType":null,"addToCartDisabled":null,"addToCartDisabledMessage":null,"tags":null,"sapUnit":null,"keywords":null,"genders":null,"itemtype":"Part","partSubstitute":null,"note":null,"recallNote":null,"note1":null,"note2":null,"note3":null,"note4":null,"note5":null,"pdfAllUser":null,"pdfAuthUser":null,"pdfCOSUser":null,"vaiantRelatedPartList":null,"partHotspotList":null,"itemNumber":null,"partRelatedVariantList":null,"bomCode":4,"totalValue":null,"searchImage":null,"length":null,"width":null,"height":null,"unitOfDimension":null,"weight":null,"unitOfWeight":null,"specialRouting":false,"onlineRepair":null,"previousPartID":null,"sbdDiscountPriceValue":null,"alrCode":null,"productRecallFlag":null,"selectedDocumentId":null,"productDescription":null,"pdpImage":null,"ticketId":null,"qtyRequiredPerVariant":"1","isElgibleForRepair":null,"isPowerEligible":null,"productRecallNotes":null,"productOtherInfo":null,"backorderETA":null,"modifiedDate":null,"userLevel":"COS","displayPrice":null,"baseProductName":null,"firstVariantCode":null,"firstVariantImage":null,"productMarketType":null,"productNumber":null,"typeStatusCode":null,"productCategory":null,"typeNumber":null,"marketCode":null,"regionCode":null,"otherInformation":null,"productTypeStatus":null,"repairInstruction":null,"repairInstructionStatusDescription":null,"typeStatusDate":null,"serviceLifeDate":null,"manufacturerId":null,"parts":null,"language":null,"glossaries":null,"brand":null,"product":null,"brandCode":null,"recallNotes":null,"volume":null},{"code":"P72110614-CM","name":null,"url":"/c//p/P72110614-CM","description":"BOLT 3/8-16 X 1 3/4","purchasable":false,"stock":{"stockLevelStatus":{"code":"outOfStock","type":"StockLevelStatus"},"stockLevel":0,"stockThreshold":null},"futureStocks":null,"availableForPickup":null,"averageRating":null,"numberOfReviews":null,"summary":null,"manufacturer":null,"variantType":null,"price":null,"baseProduct":null,"images":[],"categories":null,"reviews":null,"classifications":null,"potentialPromotions":null,"variantOptions":null,"baseOptions":[],"volumePricesFlag":null,"volumePrices":null,"productReferences":null,"variantMatrix":null,"priceRange":null,"firstCategoryNameList":null,"multidimensional":null,"configurable":false,"configuratorType":null,"addToCartDisabled":null,"addToCartDisabledMessage":null,"tags":null,"sapUnit":null,"keywords":null,"genders":null,"itemtype":"Part","partSubstitute":"P872110614-CM","note":null,"recallNote":null,"note1":null,"note2":null,"note3":null,"note4":null,"note5":null,"pdfAllUser":null,"pdfAuthUser":null,"pdfCOSUser":null,"vaiantRelatedPartList":null,"partHotspotList":null,"itemNumber":null,"partRelatedVariantList":null,"bomCode":4,"totalValue":null,"searchImage":null,"length":null,"width":null,"height":null,"unitOfDimension":null,"weight":null,"unitOfWeight":null,"specialRouting":false,"onlineRepair":null,"previousPartID":null,"sbdDiscountPriceValue":null,"alrCode":null,"productRecallFlag":null,"selectedDocumentId":null,"productDescription":null,"pdpImage":null,"ticketId":null,"qtyRequiredPerVariant":"1","isElgibleForRepair":null,"isPowerEligible":null,"productRecallNotes":null,"productOtherInfo":null,"backorderETA":null,"modifiedDate":null,"userLevel":"COS","displayPrice":null,"baseProductName":null,"firstVariantCode":null,"firstVariantImage":null,"productMarketType":null,"productNumber":null,"typeStatusCode":null,"productCategory":null,"typeNumber":null,"marketCode":null,"regionCode":null,"otherInformation":null,"productTypeStatus":null,"repairInstruction":null,"repairInstructionStatusDescription":null,"typeStatusDate":null,"serviceLifeDate":null,"manufacturerId":null,"parts":null,"language":null,"glossaries":null,"brand":null,"product":null,"brandCode":null,"recallNotes":null,"volume":null},{"code":"P72140406-CM","name":null,"url":"/c//p/P72140406-CM","description":"BOLT T","purchasable":false,"stock":{"stockLevelStatus":{"code":"outOfStock","type":"StockLevelStatus"},"stockLevel":0,"stockThreshold":null},"futureStocks":null,"availableForPickup":null,"averageRating":null,"numberOfReviews":null,"summary":null,"manufacturer":null,"variantType":null,"price":null,"baseProduct":null,"images":[],"categories":null,"reviews":null,"classifications":null,"potentialPromotions":null,"variantOptions":null,"baseOptions":[],"volumePricesFlag":null,"volumePrices":null,"productReferences":null,"variantMatrix":null,"priceRange":null,"firstCategoryNameList":null,"multidimensional":null,"configurable":false,"configuratorType":null,"addToCartDisabled":null,"addToCartDisabledMessage":null,"tags":null,"sapUnit":null,"keywords":null,"genders":null,"itemtype":"Part","partSubstitute":"P872110407-CM","note":null,"recallNote":null,"note1":null,"note2":null,"note3":null,"note4":null,"note5":null,"pdfAllUser":null,"pdfAuthUser":null,"pdfCOSUser":null,"vaiantRelatedPartList":null,"partHotspotList":null,"itemNumber":null,"partRelatedVariantList":null,"bomCode":4,"totalValue":null,"searchImage":null,"length":null,"width":null,"height":null,"unitOfDimension":null,"weight":null,"unitOfWeight":null,"specialRouting":false,"onlineRepair":null,"previousPartID":null,"sbdDiscountPriceValue":null,"alrCode":null,"productRecallFlag":null,"selectedDocumentId":null,"productDescription":null,"pdpImage":null,"ticketId":null,"qtyRequiredPerVariant":"1","isElgibleForRepair":null,"isPowerEligible":null,"productRecallNotes":null,"productOtherInfo":null,"backorderETA":null,"modifiedDate":null,"userLevel":"COS","displayPrice":null,"baseProductName":null,"firstVariantCode":null,"firstVariantImage":null,"productMarketType":null,"productNumber":null,"typeStatusCode":null,"productCategory":null,"typeNumber":null,"marketCode":null,"regionCode":null,"otherInformation":null,"productTypeStatus":null,"repairInstruction":null,"repairInstructionStatusDescription":null,"typeStatusDate":null,"serviceLifeDate":null,"manufacturerId":null,"parts":null,"language":null,"glossaries":null,"brand":null,"product":null,"brandCode":null,"recallNotes":null,"volume":null},{"code":"P72140620-CM","name":null,"url":"/c//p/P72140620-CM","description":"BOLT","purchasable":false,"stock":{"stockLevelStatus":{"code":"outOfStock","type":"StockLevelStatus"},"stockLevel":0,"stockThreshold":null},"futureStocks":null,"availableForPickup":null,"averageRating":null,"numberOfReviews":null,"summary":null,"manufacturer":null,"variantType":null,"price":null,"baseProduct":null,"images":[],"categories":null,"reviews":null,"classifications":null,"potentialPromotions":null,"variantOptions":null,"baseOptions":[],"volumePricesFlag":null,"volumePrices":null,"productReferences":null,"variantMatrix":null,"priceRange":null,"firstCategoryNameList":null,"multidimensional":null,"configurable":false,"configuratorType":null,"addToCartDisabled":null,"addToCartDisabledMessage":null,"tags":null,"sapUnit":null,"keywords":null,"genders":null,"itemtype":"Part","partSubstitute":"P17000616-CM","note":null,"recallNote":null,"note1":null,"note2":null,"note3":null,"note4":null,"note5":null,"pdfAllUser":null,"pdfAuthUser":null,"pdfCOSUser":null,"vaiantRelatedPartList":null,"partHotspotList":null,"itemNumber":null,"partRelatedVariantList":null,"bomCode":4,"totalValue":null,"searchImage":null,"length":null,"width":null,"height":null,"unitOfDimension":null,"weight":null,"unitOfWeight":null,"specialRouting":false,"onlineRepair":null,"previousPartID":null,"sbdDiscountPriceValue":null,"alrCode":null,"productRecallFlag":null,"selectedDocumentId":null,"productDescription":null,"pdpImage":null,"ticketId":null,"qtyRequiredPerVariant":"1","isElgibleForRepair":null,"isPowerEligible":null,"productRecallNotes":null,"productOtherInfo":null,"backorderETA":null,"modifiedDate":null,"userLevel":"COS","displayPrice":null,"baseProductName":null,"firstVariantCode":null,"firstVariantImage":null,"productMarketType":null,"productNumber":null,"typeStatusCode":null,"productCategory":null,"typeNumber":null,"marketCode":null,"regionCode":null,"otherInformation":null,"productTypeStatus":null,"repairInstruction":null,"repairInstructionStatusDescription":null,"typeStatusDate":null,"serviceLifeDate":null,"manufacturerId":null,"parts":null,"language":null,"glossaries":null,"brand":null,"product":null,"brandCode":null,"recallNotes":null,"volume":null},{"code":"P734117771-CM","name":null,"url":"/c//p/P734117771-CM","description":"BUSHING","purchasable":false,"stock":{"stockLevelStatus":{"code":"outOfStock","type":"StockLevelStatus"},"stockLevel":0,"stockThreshold":null},"futureStocks":null,"availableForPickup":null,"averageRating":null,"numberOfReviews":null,"summary":null,"manufacturer":null,"variantType":null,"price":null,"baseProduct":null,"images":[],"categories":null,"reviews":null,"classifications":null,"potentialPromotions":null,"variantOptions":null,"baseOptions":[],"volumePricesFlag":null,"volumePrices":null,"productReferences":null,"variantMatrix":null,"priceRange":null,"firstCategoryNameList":null,"multidimensional":null,"configurable":false,"configuratorType":null,"addToCartDisabled":null,"addToCartDisabledMessage":null,"tags":null,"sapUnit":null,"keywords":null,"genders":null,"itemtype":"Part","partSubstitute":null,"note":null,"recallNote":null,"note1":null,"note2":null,"note3":null,"note4":null,"note5":null,"pdfAllUser":null,"pdfAuthUser":null,"pdfCOSUser":null,"vaiantRelatedPartList":null,"partHotspotList":null,"itemNumber":null,"partRelatedVariantList":null,"bomCode":2,"totalValue":null,"searchImage":null,"length":null,"width":null,"height":null,"unitOfDimension":null,"weight":null,"unitOfWeight":null,"specialRouting":false,"onlineRepair":null,"previousPartID":null,"sbdDiscountPriceValue":null,"alrCode":null,"productRecallFlag":null,"selectedDocumentId":null,"productDescription":null,"pdpImage":null,"ticketId":null,"qtyRequiredPerVariant":"1","isElgibleForRepair":null,"isPowerEligible":null,"productRecallNotes":null,"productOtherInfo":null,"backorderETA":"00/00/0000","modifiedDate":null,"userLevel":"COS","displayPrice":null,"baseProductName":null,"firstVariantCode":null,"firstVariantImage":null,"productMarketType":null,"productNumber":null,"typeStatusCode":null,"productCategory":null,"typeNumber":null,"marketCode":null,"regionCode":null,"otherInformation":null,"productTypeStatus":null,"repairInstruction":null,"repairInstructionStatusDescription":null,"typeStatusDate":null,"serviceLifeDate":null,"manufacturerId":null,"parts":null,"language":null,"glossaries":null,"brand":null,"product":null,"brandCode":null,"recallNotes":null,"volume":null},{"code":"P73680400-CM","name":null,"url":"/c//p/P73680400-CM","description":"NUT LOCK 1/4 LGE FLG","purchasable":false,"stock":{"stockLevelStatus":{"code":"outOfStock","type":"StockLevelStatus"},"stockLevel":0,"stockThreshold":null},"futureStocks":null,"availableForPickup":null,"averageRating":null,"numberOfReviews":null,"summary":null,"manufacturer":null,"variantType":null,"price":null,"baseProduct":null,"images":[],"categories":null,"reviews":null,"classifications":null,"potentialPromotions":null,"variantOptions":null,"baseOptions":[],"volumePricesFlag":null,"volumePrices":null,"productReferences":null,"variantMatrix":null,"priceRange":null,"firstCategoryNameList":null,"multidimensional":null,"configurable":false,"configuratorType":null,"addToCartDisabled":null,"addToCartDisabledMessage":null,"tags":null,"sapUnit":null,"keywords":null,"genders":null,"itemtype":"Part","partSubstitute":"P873680400-CM","note":null,"recallNote":null,"note1":null,"note2":null,"note3":null,"note4":null,"note5":null,"pdfAllUser":null,"pdfAuthUser":null,"pdfCOSUser":null,"vaiantRelatedPartList":null,"partHotspotList":null,"itemNumber":null,"partRelatedVariantList":null,"bomCode":4,"totalValue":null,"searchImage":null,"length":null,"width":null,"height":null,"unitOfDimension":null,"weight":null,"unitOfWeight":null,"specialRouting":false,"onlineRepair":null,"previousPartID":null,"sbdDiscountPriceValue":null,"alrCode":null,"productRecallFlag":null,"selectedDocumentId":null,"productDescription":null,"pdpImage":null,"ticketId":null,"qtyRequiredPerVariant":"1","isElgibleForRepair":null,"isPowerEligible":null,"productRecallNotes":null,"productOtherInfo":null,"backorderETA":null,"modifiedDate":null,"userLevel":"COS","displayPrice":null,"baseProductName":null,"firstVariantCode":null,"firstVariantImage":null,"productMarketType":null,"productNumber":null,"typeStatusCode":null,"productCategory":null,"typeNumber":null,"marketCode":null,"regionCode":null,"otherInformation":null,"productTypeStatus":null,"repairInstruction":null,"repairInstructionStatusDescription":null,"typeStatusDate":null,"serviceLifeDate":null,"manufacturerId":null,"parts":null,"language":null,"glossaries":null,"brand":null,"product":null,"brandCode":null,"recallNotes":null,"volume":null},{"code":"P73680400-CM","name":null,"url":"/c//p/P73680400-CM","description":"NUT LOCK 1/4 LGE FLG","purchasable":false,"stock":{"stockLevelStatus":{"code":"outOfStock","type":"StockLevelStatus"},"stockLevel":0,"stockThreshold":null},"futureStocks":null,"availableForPickup":null,"averageRating":null,"numberOfReviews":null,"summary":null,"manufacturer":null,"variantType":null,"price":null,"baseProduct":null,"images":[],"categories":null,"reviews":null,"classifications":null,"potentialPromotions":null,"variantOptions":null,"baseOptions":[],"volumePricesFlag":null,"volumePrices":null,"productReferences":null,"variantMatrix":null,"priceRange":null,"firstCategoryNameList":null,"multidimensional":null,"configurable":false,"configuratorType":null,"addToCartDisabled":null,"addToCartDisabledMessage":null,"tags":null,"sapUnit":null,"keywords":null,"genders":null,"itemtype":"Part","partSubstitute":"P873680400-CM","note":null,"recallNote":null,"note1":null,"note2":null,"note3":null,"note4":null,"note5":null,"pdfAllUser":null,"pdfAuthUser":null,"pdfCOSUser":null,"vaiantRelatedPartList":null,"partHotspotList":null,"itemNumber":null,"partRelatedVariantList":null,"bomCode":4,"totalValue":null,"searchImage":null,"length":null,"width":null,"height":null,"unitOfDimension":null,"weight":null,"unitOfWeight":null,"specialRouting":false,"onlineRepair":null,"previousPartID":null,"sbdDiscountPriceValue":null,"alrCode":null,"productRecallFlag":null,"selectedDocumentId":null,"productDescription":null,"pdpImage":null,"ticketId":null,"qtyRequiredPerVariant":"1","isElgibleForRepair":null,"isPowerEligible":null,"productRecallNotes":null,"productOtherInfo":null,"backorderETA":null,"modifiedDate":null,"userLevel":"COS","displayPrice":null,"baseProductName":null,"firstVariantCode":null,"firstVariantImage":null,"productMarketType":null,"productNumber":null,"typeStatusCode":null,"productCategory":null,"typeNumber":null,"marketCode":null,"regionCode":null,"otherInformation":null,"productTypeStatus":null,"repairInstruction":null,"repairInstructionStatusDescription":null,"typeStatusDate":null,"serviceLifeDate":null,"manufacturerId":null,"parts":null,"language":null,"glossaries":null,"brand":null,"product":null,"brandCode":null,"recallNotes":null,"volume":null},{"code":"P73680800-CM","name":null,"url":"/c//p/P73680800-CM","description":"NUT","purchasable":false,"stock":{"stockLevelStatus":{"code":"outOfStock","type":"StockLevelStatus"},"stockLevel":0,"stockThreshold":null},"futureStocks":null,"availableForPickup":null,"averageRating":null,"numberOfReviews":null,"summary":null,"manufacturer":null,"variantType":null,"price":null,"baseProduct":null,"images":[],"categories":null,"reviews":null,"classifications":null,"potentialPromotions":null,"variantOptions":null,"baseOptions":[],"volumePricesFlag":null,"volumePrices":null,"productReferences":null,"variantMatrix":null,"priceRange":null,"firstCategoryNameList":null,"multidimensional":null,"configurable":false,"configuratorType":null,"addToCartDisabled":null,"addToCartDisabledMessage":null,"tags":null,"sapUnit":null,"keywords":null,"genders":null,"itemtype":"Part","partSubstitute":null,"note":null,"recallNote":null,"note1":null,"note2":null,"note3":null,"note4":null,"note5":null,"pdfAllUser":null,"pdfAuthUser":null,"pdfCOSUser":null,"vaiantRelatedPartList":null,"partHotspotList":null,"itemNumber":null,"partRelatedVariantList":null,"bomCode":4,"totalValue":null,"searchImage":null,"length":null,"width":null,"height":null,"unitOfDimension":null,"weight":null,"unitOfWeight":null,"specialRouting":false,"onlineRepair":null,"previousPartID":null,"sbdDiscountPriceValue":null,"alrCode":null,"productRecallFlag":null,"selectedDocumentId":null,"productDescription":null,"pdpImage":null,"ticketId":null,"qtyRequiredPerVariant":"1","isElgibleForRepair":null,"isPowerEligible":null,"productRecallNotes":null,"productOtherInfo":null,"backorderETA":null,"modifiedDate":null,"userLevel":"COS","displayPrice":null,"baseProductName":null,"firstVariantCode":null,"firstVariantImage":null,"productMarketType":null,"productNumber":null,"typeStatusCode":null,"productCategory":null,"typeNumber":null,"marketCode":null,"regionCode":null,"otherInformation":null,"productTypeStatus":null,"repairInstruction":null,"repairInstructionStatusDescription":null,"typeStatusDate":null,"serviceLifeDate":null,"manufacturerId":null,"parts":null,"language":null,"glossaries":null,"brand":null,"product":null,"brandCode":null,"recallNotes":null,"volume":null},{"code":"P73930600-CM","name":null,"url":"/c//p/P73930600-CM","description":"NUT CENTERLOCK 3/8-1","purchasable":true,"stock":{"stockLevelStatus":{"code":"outOfStock","type":"StockLevelStatus"},"stockLevel":0,"stockThreshold":null},"futureStocks":null,"availableForPickup":null,"averageRating":null,"numberOfReviews":null,"summary":null,"manufacturer":null,"variantType":null,"price":{"currencyIso":"USD","value":2.09,"priceType":"BUY","formattedValue":"$2.09","minQuantity":null,"maxQuantity":null,"sapUnit":{"code":"pieces","name":"Piece"}},"baseProduct":null,"images":[],"categories":null,"reviews":null,"classifications":null,"potentialPromotions":null,"variantOptions":null,"baseOptions":[],"volumePricesFlag":null,"volumePrices":null,"productReferences":null,"variantMatrix":null,"priceRange":null,"firstCategoryNameList":null,"multidimensional":null,"configurable":false,"configuratorType":null,"addToCartDisabled":null,"addToCartDisabledMessage":null,"tags":null,"sapUnit":null,"keywords":null,"genders":null,"itemtype":"Part","partSubstitute":null,"note":null,"recallNote":null,"note1":null,"note2":null,"note3":null,"note4":null,"note5":null,"pdfAllUser":null,"pdfAuthUser":null,"pdfCOSUser":null,"vaiantRelatedPartList":null,"partHotspotList":null,"itemNumber":null,"partRelatedVariantList":null,"bomCode":2,"totalValue":null,"searchImage":null,"length":null,"width":null,"height":null,"unitOfDimension":null,"weight":null,"unitOfWeight":null,"specialRouting":false,"onlineRepair":null,"previousPartID":null,"sbdDiscountPriceValue":{"currencyIso":"USD","value":2.09,"priceType":"BUY","formattedValue":"$2.09","minQuantity":null,"maxQuantity":null,"sapUnit":{"code":"pieces","name":"Piece"}},"alrCode":null,"productRecallFlag":null,"selectedDocumentId":null,"productDescription":null,"pdpImage":null,"ticketId":null,"qtyRequiredPerVariant":"1","isElgibleForRepair":null,"isPowerEligible":null,"productRecallNotes":null,"productOtherInfo":null,"backorderETA":"00/00/0000","modifiedDate":null,"userLevel":"COS","displayPrice":null,"baseProductName":null,"firstVariantCode":null,"firstVariantImage":null,"productMarketType":null,"productNumber":null,"typeStatusCode":null,"productCategory":null,"typeNumber":null,"marketCode":null,"regionCode":null,"otherInformation":null,"productTypeStatus":null,"repairInstruction":null,"repairInstructionStatusDescription":null,"typeStatusDate":null,"serviceLifeDate":null,"manufacturerId":null,"parts":null,"language":null,"glossaries":null,"brand":null,"product":null,"brandCode":null,"recallNotes":null,"volume":null},{"code":"P74490540-CM","name":null,"url":"/c//p/P74490540-CM","description":"BOLT","purchasable":true,"stock":{"stockLevelStatus":{"code":"outOfStock","type":"StockLevelStatus"},"stockLevel":0,"stockThreshold":null},"futureStocks":null,"availableForPickup":null,"averageRating":null,"numberOfReviews":null,"summary":null,"manufacturer":null,"variantType":null,"price":{"currencyIso":"USD","value":2.63,"priceType":"BUY","formattedValue":"$2.63","minQuantity":null,"maxQuantity":null,"sapUnit":{"code":"pieces","name":"Piece"}},"baseProduct":null,"images":[],"categories":null,"reviews":null,"classifications":null,"potentialPromotions":null,"variantOptions":null,"baseOptions":[],"volumePricesFlag":null,"volumePrices":null,"productReferences":null,"variantMatrix":null,"priceRange":null,"firstCategoryNameList":null,"multidimensional":null,"configurable":false,"configuratorType":null,"addToCartDisabled":null,"addToCartDisabledMessage":null,"tags":null,"sapUnit":null,"keywords":null,"genders":null,"itemtype":"Part","partSubstitute":null,"note":null,"recallNote":null,"note1":null,"note2":null,"note3":null,"note4":null,"note5":null,"pdfAllUser":null,"pdfAuthUser":null,"pdfCOSUser":null,"vaiantRelatedPartList":null,"partHotspotList":null,"itemNumber":null,"partRelatedVariantList":null,"bomCode":2,"totalValue":null,"searchImage":null,"length":null,"width":null,"height":null,"unitOfDimension":null,"weight":null,"unitOfWeight":null,"specialRouting":false,"onlineRepair":null,"previousPartID":null,"sbdDiscountPriceValue":{"currencyIso":"USD","value":2.63,"priceType":"BUY","formattedValue":"$2.63","minQuantity":null,"maxQuantity":null,"sapUnit":{"code":"pieces","name":"Piece"}},"alrCode":null,"productRecallFlag":null,"selectedDocumentId":null,"productDescription":null,"pdpImage":null,"ticketId":null,"qtyRequiredPerVariant":"1","isElgibleForRepair":null,"isPowerEligible":null,"productRecallNotes":null,"productOtherInfo":null,"backorderETA":"00/00/0000","modifiedDate":null,"userLevel":"COS","displayPrice":null,"baseProductName":null,"firstVariantCode":null,"firstVariantImage":null,"productMarketType":null,"productNumber":null,"typeStatusCode":null,"productCategory":null,"typeNumber":null,"marketCode":null,"regionCode":null,"otherInformation":null,"productTypeStatus":null,"repairInstruction":null,"repairInstructionStatusDescription":null,"typeStatusDate":null,"serviceLifeDate":null,"manufacturerId":null,"parts":null,"language":null,"glossaries":null,"brand":null,"product":null,"brandCode":null,"recallNotes":null,"volume":null},{"code":"P74780416-CM","name":null,"url":"/c//p/P74780416-CM","description":"BOLT HEX FIN 1/4-20","purchasable":true,"stock":{"stockLevelStatus":{"code":"outOfStock","type":"StockLevelStatus"},"stockLevel":0,"stockThreshold":null},"futureStocks":null,"availableForPickup":null,"averageRating":null,"numberOfReviews":null,"summary":null,"manufacturer":null,"variantType":null,"price":{"currencyIso":"USD","value":3.1,"priceType":"BUY","formattedValue":"$3.10","minQuantity":null,"maxQuantity":null,"sapUnit":{"code":"pieces","name":"Piece"}},"baseProduct":null,"images":[],"categories":null,"reviews":null,"classifications":null,"potentialPromotions":null,"variantOptions":null,"baseOptions":[],"volumePricesFlag":null,"volumePrices":null,"productReferences":null,"variantMatrix":null,"priceRange":null,"firstCategoryNameList":null,"multidimensional":null,"configurable":false,"configuratorType":null,"addToCartDisabled":null,"addToCartDisabledMessage":null,"tags":null,"sapUnit":null,"keywords":null,"genders":null,"itemtype":"Part","partSubstitute":null,"note":null,"recallNote":null,"note1":null,"note2":null,"note3":null,"note4":null,"note5":null,"pdfAllUser":null,"pdfAuthUser":null,"pdfCOSUser":null,"vaiantRelatedPartList":null,"partHotspotList":null,"itemNumber":null,"partRelatedVariantList":null,"bomCode":2,"totalValue":null,"searchImage":null,"length":null,"width":null,"height":null,"unitOfDimension":null,"weight":null,"unitOfWeight":null,"specialRouting":false,"onlineRepair":null,"previousPartID":null,"sbdDiscountPriceValue":{"currencyIso":"USD","value":3.1,"priceType":"BUY","formattedValue":"$3.10","minQuantity":null,"maxQuantity":null,"sapUnit":{"code":"pieces","name":"Piece"}},"alrCode":null,"productRecallFlag":null,"selectedDocumentId":null,"productDescription":null,"pdpImage":null,"ticketId":null,"qtyRequiredPerVariant":"1","isElgibleForRepair":null,"isPowerEligible":null,"productRecallNotes":null,"productOtherInfo":null,"backorderETA":"00/00/0000","modifiedDate":null,"userLevel":"COS","displayPrice":null,"baseProductName":null,"firstVariantCode":null,"firstVariantImage":null,"productMarketType":null,"productNumber":null,"typeStatusCode":null,"productCategory":null,"typeNumber":null,"marketCode":null,"regionCode":null,"otherInformation":null,"productTypeStatus":null,"repairInstruction":null,"repairInstructionStatusDescription":null,"typeStatusDate":null,"serviceLifeDate":null,"manufacturerId":null,"parts":null,"language":null,"glossaries":null,"brand":null,"product":null,"brandCode":null,"recallNotes":null,"volume":null},{"code":"P792047-CM","name":null,"url":"/c//p/P792047-CM","description":"WOODRUFF KEY #9","purchasable":false,"stock":{"stockLevelStatus":{"code":"outOfStock","type":"StockLevelStatus"},"stockLevel":0,"stockThreshold":null},"futureStocks":null,"availableForPickup":null,"averageRating":null,"numberOfReviews":null,"summary":null,"manufacturer":null,"variantType":null,"price":null,"baseProduct":null,"images":[],"categories":null,"reviews":null,"classifications":null,"potentialPromotions":null,"variantOptions":null,"baseOptions":[],"volumePricesFlag":null,"volumePrices":null,"productReferences":null,"variantMatrix":null,"priceRange":null,"firstCategoryNameList":null,"multidimensional":null,"configurable":false,"configuratorType":null,"addToCartDisabled":null,"addToCartDisabledMessage":null,"tags":null,"sapUnit":null,"keywords":null,"genders":null,"itemtype":"Part","partSubstitute":null,"note":null,"recallNote":null,"note1":null,"note2":null,"note3":null,"note4":null,"note5":null,"pdfAllUser":null,"pdfAuthUser":null,"pdfCOSUser":null,"vaiantRelatedPartList":null,"partHotspotList":null,"itemNumber":null,"partRelatedVariantList":null,"bomCode":2,"totalValue":null,"searchImage":null,"length":null,"width":null,"height":null,"unitOfDimension":null,"weight":null,"unitOfWeight":null,"specialRouting":false,"onlineRepair":null,"previousPartID":null,"sbdDiscountPriceValue":null,"alrCode":null,"productRecallFlag":null,"selectedDocumentId":null,"productDescription":null,"pdpImage":null,"ticketId":null,"qtyRequiredPerVariant":"1","isElgibleForRepair":null,"isPowerEligible":null,"productRecallNotes":null,"productOtherInfo":null,"backorderETA":"00/00/0000","modifiedDate":null,"userLevel":"COS","displayPrice":null,"baseProductName":null,"firstVariantCode":null,"firstVariantImage":null,"productMarketType":null,"productNumber":null,"typeStatusCode":null,"productCategory":null,"typeNumber":null,"marketCode":null,"regionCode":null,"otherInformation":null,"productTypeStatus":null,"repairInstruction":null,"repairInstructionStatusDescription":null,"typeStatusDate":null,"serviceLifeDate":null,"manufacturerId":null,"parts":null,"language":null,"glossaries":null,"brand":null,"product":null,"brandCode":null,"recallNotes":null,"volume":null},{"code":"P812000001-CM","name":null,"url":"/c//p/P812000001-CM","description":"E RING LT","purchasable":true,"stock":{"stockLevelStatus":{"code":"inStock","type":"StockLevelStatus"},"stockLevel":0,"stockThreshold":null},"futureStocks":null,"availableForPickup":null,"averageRating":null,"numberOfReviews":null,"summary":null,"manufacturer":null,"variantType":null,"price":{"currencyIso":"USD","value":3.1,"priceType":"BUY","formattedValue":"$3.10","minQuantity":null,"maxQuantity":null,"sapUnit":{"code":"pieces","name":"Piece"}},"baseProduct":null,"images":[],"categories":null,"reviews":null,"classifications":null,"potentialPromotions":null,"variantOptions":null,"baseOptions":[],"volumePricesFlag":null,"volumePrices":null,"productReferences":null,"variantMatrix":null,"priceRange":null,"firstCategoryNameList":null,"multidimensional":null,"configurable":false,"configuratorType":null,"addToCartDisabled":null,"addToCartDisabledMessage":null,"tags":null,"sapUnit":null,"keywords":null,"genders":null,"itemtype":"Part","partSubstitute":null,"note":null,"recallNote":null,"note1":null,"note2":null,"note3":null,"note4":null,"note5":null,"pdfAllUser":null,"pdfAuthUser":null,"pdfCOSUser":null,"vaiantRelatedPartList":null,"partHotspotList":null,"itemNumber":null,"partRelatedVariantList":null,"bomCode":2,"totalValue":null,"searchImage":null,"length":null,"width":null,"height":null,"unitOfDimension":null,"weight":null,"unitOfWeight":null,"specialRouting":false,"onlineRepair":null,"previousPartID":null,"sbdDiscountPriceValue":{"currencyIso":"USD","value":3.1,"priceType":"BUY","formattedValue":"$3.10","minQuantity":null,"maxQuantity":null,"sapUnit":{"code":"pieces","name":"Piece"}},"alrCode":null,"productRecallFlag":null,"selectedDocumentId":null,"productDescription":null,"pdpImage":null,"ticketId":null,"qtyRequiredPerVariant":"1","isElgibleForRepair":null,"isPowerEligible":null,"productRecallNotes":null,"productOtherInfo":null,"backorderETA":"00/00/0000","modifiedDate":null,"userLevel":"COS","displayPrice":null,"baseProductName":null,"firstVariantCode":null,"firstVariantImage":null,"productMarketType":null,"productNumber":null,"typeStatusCode":null,"productCategory":null,"typeNumber":null,"marketCode":null,"regionCode":null,"otherInformation":null,"productTypeStatus":null,"repairInstruction":null,"repairInstructionStatusDescription":null,"typeStatusDate":null,"serviceLifeDate":null,"manufacturerId":null,"parts":null,"language":null,"glossaries":null,"brand":null,"product":null,"brandCode":null,"recallNotes":null,"volume":null},{"code":"P812000002-CM","name":null,"url":"/c//p/P812000002-CM","description":"RETAINING RING LT","purchasable":true,"stock":{"stockLevelStatus":{"code":"outOfStock","type":"StockLevelStatus"},"stockLevel":0,"stockThreshold":null},"futureStocks":null,"availableForPickup":null,"averageRating":null,"numberOfReviews":null,"summary":null,"manufacturer":null,"variantType":null,"price":{"currencyIso":"USD","value":3.1,"priceType":"BUY","formattedValue":"$3.10","minQuantity":null,"maxQuantity":null,"sapUnit":{"code":"pieces","name":"Piece"}},"baseProduct":null,"images":[],"categories":null,"reviews":null,"classifications":null,"potentialPromotions":null,"variantOptions":null,"baseOptions":[],"volumePricesFlag":null,"volumePrices":null,"productReferences":null,"variantMatrix":null,"priceRange":null,"firstCategoryNameList":null,"multidimensional":null,"configurable":false,"configuratorType":null,"addToCartDisabled":null,"addToCartDisabledMessage":null,"tags":null,"sapUnit":null,"keywords":null,"genders":null,"itemtype":"Part","partSubstitute":null,"note":null,"recallNote":null,"note1":null,"note2":null,"note3":null,"note4":null,"note5":null,"pdfAllUser":null,"pdfAuthUser":null,"pdfCOSUser":null,"vaiantRelatedPartList":null,"partHotspotList":null,"itemNumber":null,"partRelatedVariantList":null,"bomCode":2,"totalValue":null,"searchImage":null,"length":null,"width":null,"height":null,"unitOfDimension":null,"weight":null,"unitOfWeight":null,"specialRouting":false,"onlineRepair":null,"previousPartID":null,"sbdDiscountPriceValue":{"currencyIso":"USD","value":3.1,"priceType":"BUY","formattedValue":"$3.10","minQuantity":null,"maxQuantity":null,"sapUnit":{"code":"pieces","name":"Piece"}},"alrCode":null,"productRecallFlag":null,"selectedDocumentId":null,"productDescription":null,"pdpImage":null,"ticketId":null,"qtyRequiredPerVariant":"1","isElgibleForRepair":null,"isPowerEligible":null,"productRecallNotes":null,"productOtherInfo":null,"backorderETA":"00/00/0000","modifiedDate":null,"userLevel":"COS","displayPrice":null,"baseProductName":null,"firstVariantCode":null,"firstVariantImage":null,"productMarketType":null,"productNumber":null,"typeStatusCode":null,"productCategory":null,"typeNumber":null,"marketCode":null,"regionCode":null,"otherInformation":null,"productTypeStatus":null,"repairInstruction":null,"repairInstructionStatusDescription":null,"typeStatusDate":null,"serviceLifeDate":null,"manufacturerId":null,"parts":null,"language":null,"glossaries":null,"brand":null,"product":null,"brandCode":null,"recallNotes":null,"volume":null},{"code":"P812000028-CM","name":null,"url":"/c//p/P812000028-CM","description":"RING.RETAINE","purchasable":true,"stock":{"stockLevelStatus":{"code":"outOfStock","type":"StockLevelStatus"},"stockLevel":0,"stockThreshold":null},"futureStocks":null,"availableForPickup":null,"averageRating":null,"numberOfReviews":null,"summary":null,"manufacturer":null,"variantType":null,"price":{"currencyIso":"USD","value":4.46,"priceType":"BUY","formattedValue":"$4.46","minQuantity":null,"maxQuantity":null,"sapUnit":{"code":"pieces","name":"Piece"}},"baseProduct":null,"images":[],"categories":null,"reviews":null,"classifications":null,"potentialPromotions":null,"variantOptions":null,"baseOptions":[],"volumePricesFlag":null,"volumePrices":null,"productReferences":null,"variantMatrix":null,"priceRange":null,"firstCategoryNameList":null,"multidimensional":null,"configurable":false,"configuratorType":null,"addToCartDisabled":null,"addToCartDisabledMessage":null,"tags":null,"sapUnit":null,"keywords":null,"genders":null,"itemtype":"Part","partSubstitute":null,"note":null,"recallNote":null,"note1":null,"note2":null,"note3":null,"note4":null,"note5":null,"pdfAllUser":null,"pdfAuthUser":null,"pdfCOSUser":null,"vaiantRelatedPartList":null,"partHotspotList":null,"itemNumber":null,"partRelatedVariantList":null,"bomCode":2,"totalValue":null,"searchImage":null,"length":null,"width":null,"height":null,"unitOfDimension":null,"weight":null,"unitOfWeight":null,"specialRouting":false,"onlineRepair":null,"previousPartID":null,"sbdDiscountPriceValue":{"currencyIso":"USD","value":4.46,"priceType":"BUY","formattedValue":"$4.46","minQuantity":null,"maxQuantity":null,"sapUnit":{"code":"pieces","name":"Piece"}},"alrCode":null,"productRecallFlag":null,"selectedDocumentId":null,"productDescription":null,"pdpImage":null,"ticketId":null,"qtyRequiredPerVariant":"1","isElgibleForRepair":null,"isPowerEligible":null,"productRecallNotes":null,"productOtherInfo":null,"backorderETA":"00/00/0000","modifiedDate":null,"userLevel":"COS","displayPrice":null,"baseProductName":null,"firstVariantCode":null,"firstVariantImage":null,"productMarketType":null,"productNumber":null,"typeStatusCode":null,"productCategory":null,"typeNumber":null,"marketCode":null,"regionCode":null,"otherInformation":null,"productTypeStatus":null,"repairInstruction":null,"repairInstructionStatusDescription":null,"typeStatusDate":null,"serviceLifeDate":null,"manufacturerId":null,"parts":null,"language":null,"glossaries":null,"brand":null,"product":null,"brandCode":null,"recallNotes":null,"volume":null},{"code":"P817060624-CM","name":null,"url":"/c//p/P817060624-CM","description":"SCREW 3/8-16 X 1-1/2","purchasable":true,"stock":{"stockLevelStatus":{"code":"outOfStock","type":"StockLevelStatus"},"stockLevel":0,"stockThreshold":null},"futureStocks":null,"availableForPickup":null,"averageRating":null,"numberOfReviews":null,"summary":null,"manufacturer":null,"variantType":null,"price":{"currencyIso":"USD","value":3.1,"priceType":"BUY","formattedValue":"$3.10","minQuantity":null,"maxQuantity":null,"sapUnit":{"code":"pieces","name":"Piece"}},"baseProduct":null,"images":[],"categories":null,"reviews":null,"classifications":null,"potentialPromotions":null,"variantOptions":null,"baseOptions":[],"volumePricesFlag":null,"volumePrices":null,"productReferences":null,"variantMatrix":null,"priceRange":null,"firstCategoryNameList":null,"multidimensional":null,"configurable":false,"configuratorType":null,"addToCartDisabled":null,"addToCartDisabledMessage":null,"tags":null,"sapUnit":null,"keywords":null,"genders":null,"itemtype":"Part","partSubstitute":null,"note":null,"recallNote":null,"note1":null,"note2":null,"note3":null,"note4":null,"note5":null,"pdfAllUser":null,"pdfAuthUser":null,"pdfCOSUser":null,"vaiantRelatedPartList":null,"partHotspotList":null,"itemNumber":null,"partRelatedVariantList":null,"bomCode":2,"totalValue":null,"searchImage":null,"length":null,"width":null,"height":null,"unitOfDimension":null,"weight":null,"unitOfWeight":null,"specialRouting":false,"onlineRepair":null,"previousPartID":null,"sbdDiscountPriceValue":{"currencyIso":"USD","value":3.1,"priceType":"BUY","formattedValue":"$3.10","minQuantity":null,"maxQuantity":null,"sapUnit":{"code":"pieces","name":"Piece"}},"alrCode":null,"productRecallFlag":null,"selectedDocumentId":null,"productDescription":null,"pdpImage":null,"ticketId":null,"qtyRequiredPerVariant":"1","isElgibleForRepair":null,"isPowerEligible":null,"productRecallNotes":null,"productOtherInfo":null,"backorderETA":"00/00/0000","modifiedDate":null,"userLevel":"COS","displayPrice":null,"baseProductName":null,"firstVariantCode":null,"firstVariantImage":null,"productMarketType":null,"productNumber":null,"typeStatusCode":null,"productCategory":null,"typeNumber":null,"marketCode":null,"regionCode":null,"otherInformation":null,"productTypeStatus":null,"repairInstruction":null,"repairInstructionStatusDescription":null,"typeStatusDate":null,"serviceLifeDate":null,"manufacturerId":null,"parts":null,"language":null,"glossaries":null,"brand":null,"product":null,"brandCode":null,"recallNotes":null,"volume":null},{"code":"P817490608-CM","name":null,"url":"/c//p/P817490608-CM","description":"SCREW LT","purchasable":true,"stock":{"stockLevelStatus":{"code":"outOfStock","type":"StockLevelStatus"},"stockLevel":0,"stockThreshold":null},"futureStocks":null,"availableForPickup":null,"averageRating":null,"numberOfReviews":null,"summary":null,"manufacturer":null,"variantType":null,"price":{"currencyIso":"USD","value":3.1,"priceType":"BUY","formattedValue":"$3.10","minQuantity":null,"maxQuantity":null,"sapUnit":{"code":"pieces","name":"Piece"}},"baseProduct":null,"images":[],"categories":null,"reviews":null,"classifications":null,"potentialPromotions":null,"variantOptions":null,"baseOptions":[],"volumePricesFlag":null,"volumePrices":null,"productReferences":null,"variantMatrix":null,"priceRange":null,"firstCategoryNameList":null,"multidimensional":null,"configurable":false,"configuratorType":null,"addToCartDisabled":null,"addToCartDisabledMessage":null,"tags":null,"sapUnit":null,"keywords":null,"genders":null,"itemtype":"Part","partSubstitute":null,"note":null,"recallNote":null,"note1":null,"note2":null,"note3":null,"note4":null,"note5":null,"pdfAllUser":null,"pdfAuthUser":null,"pdfCOSUser":null,"vaiantRelatedPartList":null,"partHotspotList":null,"itemNumber":null,"partRelatedVariantList":null,"bomCode":2,"totalValue":null,"searchImage":null,"length":null,"width":null,"height":null,"unitOfDimension":null,"weight":null,"unitOfWeight":null,"specialRouting":false,"onlineRepair":null,"previousPartID":null,"sbdDiscountPriceValue":{"currencyIso":"USD","value":3.1,"priceType":"BUY","formattedValue":"$3.10","minQuantity":null,"maxQuantity":null,"sapUnit":{"code":"pieces","name":"Piece"}},"alrCode":null,"productRecallFlag":null,"selectedDocumentId":null,"productDescription":null,"pdpImage":null,"ticketId":null,"qtyRequiredPerVariant":"1","isElgibleForRepair":null,"isPowerEligible":null,"productRecallNotes":null,"productOtherInfo":null,"backorderETA":"00/00/0000","modifiedDate":null,"userLevel":"COS","displayPrice":null,"baseProductName":null,"firstVariantCode":null,"firstVariantImage":null,"productMarketType":null,"productNumber":null,"typeStatusCode":null,"productCategory":null,"typeNumber":null,"marketCode":null,"regionCode":null,"otherInformation":null,"productTypeStatus":null,"repairInstruction":null,"repairInstructionStatusDescription":null,"typeStatusDate":null,"serviceLifeDate":null,"manufacturerId":null,"parts":null,"language":null,"glossaries":null,"brand":null,"product":null,"brandCode":null,"recallNotes":null,"volume":null},{"code":"P819061216-CM","name":null,"url":"/c//p/P819061216-CM","description":"WASHER","purchasable":true,"stock":{"stockLevelStatus":{"code":"inStock","type":"StockLevelStatus"},"stockLevel":0,"stockThreshold":null},"futureStocks":null,"availableForPickup":null,"averageRating":null,"numberOfReviews":null,"summary":null,"manufacturer":null,"variantType":null,"price":{"currencyIso":"USD","value":2.63,"priceType":"BUY","formattedValue":"$2.63","minQuantity":null,"maxQuantity":null,"sapUnit":{"code":"pieces","name":"Piece"}},"baseProduct":null,"images":[],"categories":null,"reviews":null,"classifications":null,"potentialPromotions":null,"variantOptions":null,"baseOptions":[],"volumePricesFlag":null,"volumePrices":null,"productReferences":null,"variantMatrix":null,"priceRange":null,"firstCategoryNameList":null,"multidimensional":null,"configurable":false,"configuratorType":null,"addToCartDisabled":null,"addToCartDisabledMessage":null,"tags":null,"sapUnit":null,"keywords":null,"genders":null,"itemtype":"Part","partSubstitute":null,"note":null,"recallNote":null,"note1":null,"note2":null,"note3":null,"note4":null,"note5":null,"pdfAllUser":null,"pdfAuthUser":null,"pdfCOSUser":null,"vaiantRelatedPartList":null,"partHotspotList":null,"itemNumber":null,"partRelatedVariantList":null,"bomCode":2,"totalValue":null,"searchImage":null,"length":null,"width":null,"height":null,"unitOfDimension":null,"weight":null,"unitOfWeight":null,"specialRouting":false,"onlineRepair":null,"previousPartID":null,"sbdDiscountPriceValue":{"currencyIso":"USD","value":2.63,"priceType":"BUY","formattedValue":"$2.63","minQuantity":null,"maxQuantity":null,"sapUnit":{"code":"pieces","name":"Piece"}},"alrCode":null,"productRecallFlag":null,"selectedDocumentId":null,"productDescription":null,"pdpImage":null,"ticketId":null,"qtyRequiredPerVariant":"1","isElgibleForRepair":null,"isPowerEligible":null,"productRecallNotes":null,"productOtherInfo":null,"backorderETA":"00/00/0000","modifiedDate":null,"userLevel":"COS","displayPrice":null,"baseProductName":null,"firstVariantCode":null,"firstVariantImage":null,"productMarketType":null,"productNumber":null,"typeStatusCode":null,"productCategory":null,"typeNumber":null,"marketCode":null,"regionCode":null,"otherInformation":null,"productTypeStatus":null,"repairInstruction":null,"repairInstructionStatusDescription":null,"typeStatusDate":null,"serviceLifeDate":null,"manufacturerId":null,"parts":null,"language":null,"glossaries":null,"brand":null,"product":null,"brandCode":null,"recallNotes":null,"volume":null},{"code":"P819131610-CM","name":null,"url":"/c//p/P819131610-CM","description":"WASHER PM","purchasable":true,"stock":{"stockLevelStatus":{"code":"outOfStock","type":"StockLevelStatus"},"stockLevel":0,"stockThreshold":null},"futureStocks":null,"availableForPickup":null,"averageRating":null,"numberOfReviews":null,"summary":null,"manufacturer":null,"variantType":null,"price":{"currencyIso":"USD","value":3.1,"priceType":"BUY","formattedValue":"$3.10","minQuantity":null,"maxQuantity":null,"sapUnit":{"code":"pieces","name":"Piece"}},"baseProduct":null,"images":[],"categories":null,"reviews":null,"classifications":null,"potentialPromotions":null,"variantOptions":null,"baseOptions":[],"volumePricesFlag":null,"volumePrices":null,"productReferences":null,"variantMatrix":null,"priceRange":null,"firstCategoryNameList":null,"multidimensional":null,"configurable":false,"configuratorType":null,"addToCartDisabled":null,"addToCartDisabledMessage":null,"tags":null,"sapUnit":null,"keywords":null,"genders":null,"itemtype":"Part","partSubstitute":null,"note":null,"recallNote":null,"note1":null,"note2":null,"note3":null,"note4":null,"note5":null,"pdfAllUser":null,"pdfAuthUser":null,"pdfCOSUser":null,"vaiantRelatedPartList":null,"partHotspotList":null,"itemNumber":null,"partRelatedVariantList":null,"bomCode":2,"totalValue":null,"searchImage":null,"length":null,"width":null,"height":null,"unitOfDimension":null,"weight":null,"unitOfWeight":null,"specialRouting":false,"onlineRepair":null,"previousPartID":null,"sbdDiscountPriceValue":{"currencyIso":"USD","value":3.1,"priceType":"BUY","formattedValue":"$3.10","minQuantity":null,"maxQuantity":null,"sapUnit":{"code":"pieces","name":"Piece"}},"alrCode":null,"productRecallFlag":null,"selectedDocumentId":null,"productDescription":null,"pdpImage":null,"ticketId":null,"qtyRequiredPerVariant":"1","isElgibleForRepair":null,"isPowerEligible":null,"productRecallNotes":null,"productOtherInfo":null,"backorderETA":"00/00/0000","modifiedDate":null,"userLevel":"COS","displayPrice":null,"baseProductName":null,"firstVariantCode":null,"firstVariantImage":null,"productMarketType":null,"productNumber":null,"typeStatusCode":null,"productCategory":null,"typeNumber":null,"marketCode":null,"regionCode":null,"otherInformation":null,"productTypeStatus":null,"repairInstruction":null,"repairInstructionStatusDescription":null,"typeStatusDate":null,"serviceLifeDate":null,"manufacturerId":null,"parts":null,"language":null,"glossaries":null,"brand":null,"product":null,"brandCode":null,"recallNotes":null,"volume":null},{"code":"P819131612-CM","name":null,"url":"/c//p/P819131612-CM","description":"WASHER","purchasable":true,"stock":{"stockLevelStatus":{"code":"outOfStock","type":"StockLevelStatus"},"stockLevel":0,"stockThreshold":null},"futureStocks":null,"availableForPickup":null,"averageRating":null,"numberOfReviews":null,"summary":null,"manufacturer":null,"variantType":null,"price":{"currencyIso":"USD","value":3.1,"priceType":"BUY","formattedValue":"$3.10","minQuantity":null,"maxQuantity":null,"sapUnit":{"code":"pieces","name":"Piece"}},"baseProduct":null,"images":[],"categories":null,"reviews":null,"classifications":null,"potentialPromotions":null,"variantOptions":null,"baseOptions":[],"volumePricesFlag":null,"volumePrices":null,"productReferences":null,"variantMatrix":null,"priceRange":null,"firstCategoryNameList":null,"multidimensional":null,"configurable":false,"configuratorType":null,"addToCartDisabled":null,"addToCartDisabledMessage":null,"tags":null,"sapUnit":null,"keywords":null,"genders":null,"itemtype":"Part","partSubstitute":null,"note":null,"recallNote":null,"note1":null,"note2":null,"note3":null,"note4":null,"note5":null,"pdfAllUser":null,"pdfAuthUser":null,"pdfCOSUser":null,"vaiantRelatedPartList":null,"partHotspotList":null,"itemNumber":null,"partRelatedVariantList":null,"bomCode":2,"totalValue":null,"searchImage":null,"length":null,"width":null,"height":null,"unitOfDimension":null,"weight":null,"unitOfWeight":null,"specialRouting":false,"onlineRepair":null,"previousPartID":null,"sbdDiscountPriceValue":{"currencyIso":"USD","value":3.1,"priceType":"BUY","formattedValue":"$3.10","minQuantity":null,"maxQuantity":null,"sapUnit":{"code":"pieces","name":"Piece"}},"alrCode":null,"productRecallFlag":null,"selectedDocumentId":null,"productDescription":null,"pdpImage":null,"ticketId":null,"qtyRequiredPerVariant":"1","isElgibleForRepair":null,"isPowerEligible":null,"productRecallNotes":null,"productOtherInfo":null,"backorderETA":"00/00/0000","modifiedDate":null,"userLevel":"COS","displayPrice":null,"baseProductName":null,"firstVariantCode":null,"firstVariantImage":null,"productMarketType":null,"productNumber":null,"typeStatusCode":null,"productCategory":null,"typeNumber":null,"marketCode":null,"regionCode":null,"otherInformation":null,"productTypeStatus":null,"repairInstruction":null,"repairInstructionStatusDescription":null,"typeStatusDate":null,"serviceLifeDate":null,"manufacturerId":null,"parts":null,"language":null,"glossaries":null,"brand":null,"product":null,"brandCode":null,"recallNotes":null,"volume":null},{"code":"P819131612-CM","name":null,"url":"/c//p/P819131612-CM","description":"WASHER","purchasable":true,"stock":{"stockLevelStatus":{"code":"outOfStock","type":"StockLevelStatus"},"stockLevel":0,"stockThreshold":null},"futureStocks":null,"availableForPickup":null,"averageRating":null,"numberOfReviews":null,"summary":null,"manufacturer":null,"variantType":null,"price":{"currencyIso":"USD","value":3.1,"priceType":"BUY","formattedValue":"$3.10","minQuantity":null,"maxQuantity":null,"sapUnit":{"code":"pieces","name":"Piece"}},"baseProduct":null,"images":[],"categories":null,"reviews":null,"classifications":null,"potentialPromotions":null,"variantOptions":null,"baseOptions":[],"volumePricesFlag":null,"volumePrices":null,"productReferences":null,"variantMatrix":null,"priceRange":null,"firstCategoryNameList":null,"multidimensional":null,"configurable":false,"configuratorType":null,"addToCartDisabled":null,"addToCartDisabledMessage":null,"tags":null,"sapUnit":null,"keywords":null,"genders":null,"itemtype":"Part","partSubstitute":null,"note":null,"recallNote":null,"note1":null,"note2":null,"note3":null,"note4":null,"note5":null,"pdfAllUser":null,"pdfAuthUser":null,"pdfCOSUser":null,"vaiantRelatedPartList":null,"partHotspotList":null,"itemNumber":null,"partRelatedVariantList":null,"bomCode":2,"totalValue":null,"searchImage":null,"length":null,"width":null,"height":null,"unitOfDimension":null,"weight":null,"unitOfWeight":null,"specialRouting":false,"onlineRepair":null,"previousPartID":null,"sbdDiscountPriceValue":{"currencyIso":"USD","value":3.1,"priceType":"BUY","formattedValue":"$3.10","minQuantity":null,"maxQuantity":null,"sapUnit":{"code":"pieces","name":"Piece"}},"alrCode":null,"productRecallFlag":null,"selectedDocumentId":null,"productDescription":null,"pdpImage":null,"ticketId":null,"qtyRequiredPerVariant":"1","isElgibleForRepair":null,"isPowerEligible":null,"productRecallNotes":null,"productOtherInfo":null,"backorderETA":"00/00/0000","modifiedDate":null,"userLevel":"COS","displayPrice":null,"baseProductName":null,"firstVariantCode":null,"firstVariantImage":null,"productMarketType":null,"productNumber":null,"typeStatusCode":null,"productCategory":null,"typeNumber":null,"marketCode":null,"regionCode":null,"otherInformation":null,"productTypeStatus":null,"repairInstruction":null,"repairInstructionStatusDescription":null,"typeStatusDate":null,"serviceLifeDate":null,"manufacturerId":null,"parts":null,"language":null,"glossaries":null,"brand":null,"product":null,"brandCode":null,"recallNotes":null,"volume":null},{"code":"P819132012-CM","name":null,"url":"/c//p/P819132012-CM","description":"WASHER","purchasable":true,"stock":{"stockLevelStatus":{"code":"outOfStock","type":"StockLevelStatus"},"stockLevel":0,"stockThreshold":null},"futureStocks":null,"availableForPickup":null,"averageRating":null,"numberOfReviews":null,"summary":null,"manufacturer":null,"variantType":null,"price":{"currencyIso":"USD","value":2.63,"priceType":"BUY","formattedValue":"$2.63","minQuantity":null,"maxQuantity":null,"sapUnit":{"code":"pieces","name":"Piece"}},"baseProduct":null,"images":[],"categories":null,"reviews":null,"classifications":null,"potentialPromotions":null,"variantOptions":null,"baseOptions":[],"volumePricesFlag":null,"volumePrices":null,"productReferences":null,"variantMatrix":null,"priceRange":null,"firstCategoryNameList":null,"multidimensional":null,"configurable":false,"configuratorType":null,"addToCartDisabled":null,"addToCartDisabledMessage":null,"tags":null,"sapUnit":null,"keywords":null,"genders":null,"itemtype":"Part","partSubstitute":null,"note":null,"recallNote":null,"note1":null,"note2":null,"note3":null,"note4":null,"note5":null,"pdfAllUser":null,"pdfAuthUser":null,"pdfCOSUser":null,"vaiantRelatedPartList":null,"partHotspotList":null,"itemNumber":null,"partRelatedVariantList":null,"bomCode":2,"totalValue":null,"searchImage":null,"length":null,"width":null,"height":null,"unitOfDimension":null,"weight":null,"unitOfWeight":null,"specialRouting":false,"onlineRepair":null,"previousPartID":null,"sbdDiscountPriceValue":{"currencyIso":"USD","value":2.63,"priceType":"BUY","formattedValue":"$2.63","minQuantity":null,"maxQuantity":null,"sapUnit":{"code":"pieces","name":"Piece"}},"alrCode":null,"productRecallFlag":null,"selectedDocumentId":null,"productDescription":null,"pdpImage":null,"ticketId":null,"qtyRequiredPerVariant":"1","isElgibleForRepair":null,"isPowerEligible":null,"productRecallNotes":null,"productOtherInfo":null,"backorderETA":"00/00/0000","modifiedDate":null,"userLevel":"COS","displayPrice":null,"baseProductName":null,"firstVariantCode":null,"firstVariantImage":null,"productMarketType":null,"productNumber":null,"typeStatusCode":null,"productCategory":null,"typeNumber":null,"marketCode":null,"regionCode":null,"otherInformation":null,"productTypeStatus":null,"repairInstruction":null,"repairInstructionStatusDescription":null,"typeStatusDate":null,"serviceLifeDate":null,"manufacturerId":null,"parts":null,"language":null,"glossaries":null,"brand":null,"product":null,"brandCode":null,"recallNotes":null,"volume":null},{"code":"P819132012-CM","name":null,"url":"/c//p/P819132012-CM","description":"WASHER","purchasable":true,"stock":{"stockLevelStatus":{"code":"outOfStock","type":"StockLevelStatus"},"stockLevel":0,"stockThreshold":null},"futureStocks":null,"availableForPickup":null,"averageRating":null,"numberOfReviews":null,"summary":null,"manufacturer":null,"variantType":null,"price":{"currencyIso":"USD","value":2.63,"priceType":"BUY","formattedValue":"$2.63","minQuantity":null,"maxQuantity":null,"sapUnit":{"code":"pieces","name":"Piece"}},"baseProduct":null,"images":[],"categories":null,"reviews":null,"classifications":null,"potentialPromotions":null,"variantOptions":null,"baseOptions":[],"volumePricesFlag":null,"volumePrices":null,"productReferences":null,"variantMatrix":null,"priceRange":null,"firstCategoryNameList":null,"multidimensional":null,"configurable":false,"configuratorType":null,"addToCartDisabled":null,"addToCartDisabledMessage":null,"tags":null,"sapUnit":null,"keywords":null,"genders":null,"itemtype":"Part","partSubstitute":null,"note":null,"recallNote":null,"note1":null,"note2":null,"note3":null,"note4":null,"note5":null,"pdfAllUser":null,"pdfAuthUser":null,"pdfCOSUser":null,"vaiantRelatedPartList":null,"partHotspotList":null,"itemNumber":null,"partRelatedVariantList":null,"bomCode":2,"totalValue":null,"searchImage":null,"length":null,"width":null,"height":null,"unitOfDimension":null,"weight":null,"unitOfWeight":null,"specialRouting":false,"onlineRepair":null,"previousPartID":null,"sbdDiscountPriceValue":{"currencyIso":"USD","value":2.63,"priceType":"BUY","formattedValue":"$2.63","minQuantity":null,"maxQuantity":null,"sapUnit":{"code":"pieces","name":"Piece"}},"alrCode":null,"productRecallFlag":null,"selectedDocumentId":null,"productDescription":null,"pdpImage":null,"ticketId":null,"qtyRequiredPerVariant":"1","isElgibleForRepair":null,"isPowerEligible":null,"productRecallNotes":null,"productOtherInfo":null,"backorderETA":"00/00/0000","modifiedDate":null,"userLevel":"COS","displayPrice":null,"baseProductName":null,"firstVariantCode":null,"firstVariantImage":null,"productMarketType":null,"productNumber":null,"typeStatusCode":null,"productCategory":null,"typeNumber":null,"marketCode":null,"regionCode":null,"otherInformation":null,"productTypeStatus":null,"repairInstruction":null,"repairInstructionStatusDescription":null,"typeStatusDate":null,"serviceLifeDate":null,"manufacturerId":null,"parts":null,"language":null,"glossaries":null,"brand":null,"product":null,"brandCode":null,"recallNotes":null,"volume":null},{"code":"P819211621-CM","name":null,"url":"/c//p/P819211621-CM","description":"WASHER","purchasable":true,"stock":{"stockLevelStatus":{"code":"outOfStock","type":"StockLevelStatus"},"stockLevel":0,"stockThreshold":null},"futureStocks":null,"availableForPickup":null,"averageRating":null,"numberOfReviews":null,"summary":null,"manufacturer":null,"variantType":null,"price":{"currencyIso":"USD","value":3.1,"priceType":"BUY","formattedValue":"$3.10","minQuantity":null,"maxQuantity":null,"sapUnit":{"code":"pieces","name":"Piece"}},"baseProduct":null,"images":[],"categories":null,"reviews":null,"classifications":null,"potentialPromotions":null,"variantOptions":null,"baseOptions":[],"volumePricesFlag":null,"volumePrices":null,"productReferences":null,"variantMatrix":null,"priceRange":null,"firstCategoryNameList":null,"multidimensional":null,"configurable":false,"configuratorType":null,"addToCartDisabled":null,"addToCartDisabledMessage":null,"tags":null,"sapUnit":null,"keywords":null,"genders":null,"itemtype":"Part","partSubstitute":null,"note":null,"recallNote":null,"note1":null,"note2":null,"note3":null,"note4":null,"note5":null,"pdfAllUser":null,"pdfAuthUser":null,"pdfCOSUser":null,"vaiantRelatedPartList":null,"partHotspotList":null,"itemNumber":null,"partRelatedVariantList":null,"bomCode":2,"totalValue":null,"searchImage":null,"length":null,"width":null,"height":null,"unitOfDimension":null,"weight":null,"unitOfWeight":null,"specialRouting":false,"onlineRepair":null,"previousPartID":null,"sbdDiscountPriceValue":{"currencyIso":"USD","value":3.1,"priceType":"BUY","formattedValue":"$3.10","minQuantity":null,"maxQuantity":null,"sapUnit":{"code":"pieces","name":"Piece"}},"alrCode":null,"productRecallFlag":null,"selectedDocumentId":null,"productDescription":null,"pdpImage":null,"ticketId":null,"qtyRequiredPerVariant":"1","isElgibleForRepair":null,"isPowerEligible":null,"productRecallNotes":null,"productOtherInfo":null,"backorderETA":"00/00/0000","modifiedDate":null,"userLevel":"COS","displayPrice":null,"baseProductName":null,"firstVariantCode":null,"firstVariantImage":null,"productMarketType":null,"productNumber":null,"typeStatusCode":null,"productCategory":null,"typeNumber":null,"marketCode":null,"regionCode":null,"otherInformation":null,"productTypeStatus":null,"repairInstruction":null,"repairInstructionStatusDescription":null,"typeStatusDate":null,"serviceLifeDate":null,"manufacturerId":null,"parts":null,"language":null,"glossaries":null,"brand":null,"product":null,"brandCode":null,"recallNotes":null,"volume":null},{"code":"P819272016-CM","name":null,"url":"/c//p/P819272016-CM","description":"WASHER","purchasable":true,"stock":{"stockLevelStatus":{"code":"outOfStock","type":"StockLevelStatus"},"stockLevel":0,"stockThreshold":null},"futureStocks":null,"availableForPickup":null,"averageRating":null,"numberOfReviews":null,"summary":null,"manufacturer":null,"variantType":null,"price":{"currencyIso":"USD","value":2.63,"priceType":"BUY","formattedValue":"$2.63","minQuantity":null,"maxQuantity":null,"sapUnit":{"code":"pieces","name":"Piece"}},"baseProduct":null,"images":[],"categories":null,"reviews":null,"classifications":null,"potentialPromotions":null,"variantOptions":null,"baseOptions":[],"volumePricesFlag":null,"volumePrices":null,"productReferences":null,"variantMatrix":null,"priceRange":null,"firstCategoryNameList":null,"multidimensional":null,"configurable":false,"configuratorType":null,"addToCartDisabled":null,"addToCartDisabledMessage":null,"tags":null,"sapUnit":null,"keywords":null,"genders":null,"itemtype":"Part","partSubstitute":null,"note":null,"recallNote":null,"note1":null,"note2":null,"note3":null,"note4":null,"note5":null,"pdfAllUser":null,"pdfAuthUser":null,"pdfCOSUser":null,"vaiantRelatedPartList":null,"partHotspotList":null,"itemNumber":null,"partRelatedVariantList":null,"bomCode":2,"totalValue":null,"searchImage":null,"length":null,"width":null,"height":null,"unitOfDimension":null,"weight":null,"unitOfWeight":null,"specialRouting":false,"onlineRepair":null,"previousPartID":null,"sbdDiscountPriceValue":{"currencyIso":"USD","value":2.63,"priceType":"BUY","formattedValue":"$2.63","minQuantity":null,"maxQuantity":null,"sapUnit":{"code":"pieces","name":"Piece"}},"alrCode":null,"productRecallFlag":null,"selectedDocumentId":null,"productDescription":null,"pdpImage":null,"ticketId":null,"qtyRequiredPerVariant":"1","isElgibleForRepair":null,"isPowerEligible":null,"productRecallNotes":null,"productOtherInfo":null,"backorderETA":"00/00/0000","modifiedDate":null,"userLevel":"COS","displayPrice":null,"baseProductName":null,"firstVariantCode":null,"firstVariantImage":null,"productMarketType":null,"productNumber":null,"typeStatusCode":null,"productCategory":null,"typeNumber":null,"marketCode":null,"regionCode":null,"otherInformation":null,"productTypeStatus":null,"repairInstruction":null,"repairInstructionStatusDescription":null,"typeStatusDate":null,"serviceLifeDate":null,"manufacturerId":null,"parts":null,"language":null,"glossaries":null,"brand":null,"product":null,"brandCode":null,"recallNotes":null,"volume":null},{"code":"P819292016-CM","name":null,"url":"/c//p/P819292016-CM","description":"WASHER","purchasable":true,"stock":{"stockLevelStatus":{"code":"outOfStock","type":"StockLevelStatus"},"stockLevel":0,"stockThreshold":null},"futureStocks":null,"availableForPickup":null,"averageRating":null,"numberOfReviews":null,"summary":null,"manufacturer":null,"variantType":null,"price":{"currencyIso":"USD","value":3.1,"priceType":"BUY","formattedValue":"$3.10","minQuantity":null,"maxQuantity":null,"sapUnit":{"code":"pieces","name":"Piece"}},"baseProduct":null,"images":[],"categories":null,"reviews":null,"classifications":null,"potentialPromotions":null,"variantOptions":null,"baseOptions":[],"volumePricesFlag":null,"volumePrices":null,"productReferences":null,"variantMatrix":null,"priceRange":null,"firstCategoryNameList":null,"multidimensional":null,"configurable":false,"configuratorType":null,"addToCartDisabled":null,"addToCartDisabledMessage":null,"tags":null,"sapUnit":null,"keywords":null,"genders":null,"itemtype":"Part","partSubstitute":null,"note":null,"recallNote":null,"note1":null,"note2":null,"note3":null,"note4":null,"note5":null,"pdfAllUser":null,"pdfAuthUser":null,"pdfCOSUser":null,"vaiantRelatedPartList":null,"partHotspotList":null,"itemNumber":null,"partRelatedVariantList":null,"bomCode":2,"totalValue":null,"searchImage":null,"length":null,"width":null,"height":null,"unitOfDimension":null,"weight":null,"unitOfWeight":null,"specialRouting":false,"onlineRepair":null,"previousPartID":null,"sbdDiscountPriceValue":{"currencyIso":"USD","value":3.1,"priceType":"BUY","formattedValue":"$3.10","minQuantity":null,"maxQuantity":null,"sapUnit":{"code":"pieces","name":"Piece"}},"alrCode":null,"productRecallFlag":null,"selectedDocumentId":null,"productDescription":null,"pdpImage":null,"ticketId":null,"qtyRequiredPerVariant":"1","isElgibleForRepair":null,"isPowerEligible":null,"productRecallNotes":null,"productOtherInfo":null,"backorderETA":"00/00/0000","modifiedDate":null,"userLevel":"COS","displayPrice":null,"baseProductName":null,"firstVariantCode":null,"firstVariantImage":null,"productMarketType":null,"productNumber":null,"typeStatusCode":null,"productCategory":null,"typeNumber":null,"marketCode":null,"regionCode":null,"otherInformation":null,"productTypeStatus":null,"repairInstruction":null,"repairInstructionStatusDescription":null,"typeStatusDate":null,"serviceLifeDate":null,"manufacturerId":null,"parts":null,"language":null,"glossaries":null,"brand":null,"product":null,"brandCode":null,"recallNotes":null,"volume":null},{"code":"P871040412-CM","name":null,"url":"/c//p/P871040412-CM","description":"BOLT LT","purchasable":true,"stock":{"stockLevelStatus":{"code":"outOfStock","type":"StockLevelStatus"},"stockLevel":0,"stockThreshold":null},"futureStocks":null,"availableForPickup":null,"averageRating":null,"numberOfReviews":null,"summary":null,"manufacturer":null,"variantType":null,"price":{"currencyIso":"USD","value":3.18,"priceType":"BUY","formattedValue":"$3.18","minQuantity":null,"maxQuantity":null,"sapUnit":{"code":"pieces","name":"Piece"}},"baseProduct":null,"images":[],"categories":null,"reviews":null,"classifications":null,"potentialPromotions":null,"variantOptions":null,"baseOptions":[],"volumePricesFlag":null,"volumePrices":null,"productReferences":null,"variantMatrix":null,"priceRange":null,"firstCategoryNameList":null,"multidimensional":null,"configurable":false,"configuratorType":null,"addToCartDisabled":null,"addToCartDisabledMessage":null,"tags":null,"sapUnit":null,"keywords":null,"genders":null,"itemtype":"Part","partSubstitute":null,"note":null,"recallNote":null,"note1":null,"note2":null,"note3":null,"note4":null,"note5":null,"pdfAllUser":null,"pdfAuthUser":null,"pdfCOSUser":null,"vaiantRelatedPartList":null,"partHotspotList":null,"itemNumber":null,"partRelatedVariantList":null,"bomCode":2,"totalValue":null,"searchImage":null,"length":null,"width":null,"height":null,"unitOfDimension":null,"weight":null,"unitOfWeight":null,"specialRouting":false,"onlineRepair":null,"previousPartID":null,"sbdDiscountPriceValue":{"currencyIso":"USD","value":3.18,"priceType":"BUY","formattedValue":"$3.18","minQuantity":null,"maxQuantity":null,"sapUnit":{"code":"pieces","name":"Piece"}},"alrCode":null,"productRecallFlag":null,"selectedDocumentId":null,"productDescription":null,"pdpImage":null,"ticketId":null,"qtyRequiredPerVariant":"1","isElgibleForRepair":null,"isPowerEligible":null,"productRecallNotes":null,"productOtherInfo":null,"backorderETA":"00/00/0000","modifiedDate":null,"userLevel":"COS","displayPrice":null,"baseProductName":null,"firstVariantCode":null,"firstVariantImage":null,"productMarketType":null,"productNumber":null,"typeStatusCode":null,"productCategory":null,"typeNumber":null,"marketCode":null,"regionCode":null,"otherInformation":null,"productTypeStatus":null,"repairInstruction":null,"repairInstructionStatusDescription":null,"typeStatusDate":null,"serviceLifeDate":null,"manufacturerId":null,"parts":null,"language":null,"glossaries":null,"brand":null,"product":null,"brandCode":null,"recallNotes":null,"volume":null},{"code":"P871081010-CM","name":null,"url":"/c//p/P871081010-CM","description":"SCREW","purchasable":true,"stock":{"stockLevelStatus":{"code":"outOfStock","type":"StockLevelStatus"},"stockLevel":0,"stockThreshold":null},"futureStocks":null,"availableForPickup":null,"averageRating":null,"numberOfReviews":null,"summary":null,"manufacturer":null,"variantType":null,"price":{"currencyIso":"USD","value":3.18,"priceType":"BUY","formattedValue":"$3.18","minQuantity":null,"maxQuantity":null,"sapUnit":{"code":"pieces","name":"Piece"}},"baseProduct":null,"images":[],"categories":null,"reviews":null,"classifications":null,"potentialPromotions":null,"variantOptions":null,"baseOptions":[],"volumePricesFlag":null,"volumePrices":null,"productReferences":null,"variantMatrix":null,"priceRange":null,"firstCategoryNameList":null,"multidimensional":null,"configurable":false,"configuratorType":null,"addToCartDisabled":null,"addToCartDisabledMessage":null,"tags":null,"sapUnit":null,"keywords":null,"genders":null,"itemtype":"Part","partSubstitute":null,"note":null,"recallNote":null,"note1":null,"note2":null,"note3":null,"note4":null,"note5":null,"pdfAllUser":null,"pdfAuthUser":null,"pdfCOSUser":null,"vaiantRelatedPartList":null,"partHotspotList":null,"itemNumber":null,"partRelatedVariantList":null,"bomCode":2,"totalValue":null,"searchImage":null,"length":null,"width":null,"height":null,"unitOfDimension":null,"weight":null,"unitOfWeight":null,"specialRouting":false,"onlineRepair":null,"previousPartID":null,"sbdDiscountPriceValue":{"currencyIso":"USD","value":3.18,"priceType":"BUY","formattedValue":"$3.18","minQuantity":null,"maxQuantity":null,"sapUnit":{"code":"pieces","name":"Piece"}},"alrCode":null,"productRecallFlag":null,"selectedDocumentId":null,"productDescription":null,"pdpImage":null,"ticketId":null,"qtyRequiredPerVariant":"1","isElgibleForRepair":null,"isPowerEligible":null,"productRecallNotes":null,"productOtherInfo":null,"backorderETA":"00/00/0000","modifiedDate":null,"userLevel":"COS","displayPrice":null,"baseProductName":null,"firstVariantCode":null,"firstVariantImage":null,"productMarketType":null,"productNumber":null,"typeStatusCode":null,"productCategory":null,"typeNumber":null,"marketCode":null,"regionCode":null,"otherInformation":null,"productTypeStatus":null,"repairInstruction":null,"repairInstructionStatusDescription":null,"typeStatusDate":null,"serviceLifeDate":null,"manufacturerId":null,"parts":null,"language":null,"glossaries":null,"brand":null,"product":null,"brandCode":null,"recallNotes":null,"volume":null},{"code":"P872050412-CM","name":null,"url":"/c//p/P872050412-CM","description":"BOLT.ROUND.HEAD.","purchasable":true,"stock":{"stockLevelStatus":{"code":"outOfStock","type":"StockLevelStatus"},"stockLevel":0,"stockThreshold":null},"futureStocks":null,"availableForPickup":null,"averageRating":null,"numberOfReviews":null,"summary":null,"manufacturer":null,"variantType":null,"price":{"currencyIso":"USD","value":3.1,"priceType":"BUY","formattedValue":"$3.10","minQuantity":null,"maxQuantity":null,"sapUnit":{"code":"pieces","name":"Piece"}},"baseProduct":null,"images":[],"categories":null,"reviews":null,"classifications":null,"potentialPromotions":null,"variantOptions":null,"baseOptions":[],"volumePricesFlag":null,"volumePrices":null,"productReferences":null,"variantMatrix":null,"priceRange":null,"firstCategoryNameList":null,"multidimensional":null,"configurable":false,"configuratorType":null,"addToCartDisabled":null,"addToCartDisabledMessage":null,"tags":null,"sapUnit":null,"keywords":null,"genders":null,"itemtype":"Part","partSubstitute":null,"note":null,"recallNote":null,"note1":null,"note2":null,"note3":null,"note4":null,"note5":null,"pdfAllUser":null,"pdfAuthUser":null,"pdfCOSUser":null,"vaiantRelatedPartList":null,"partHotspotList":null,"itemNumber":null,"partRelatedVariantList":null,"bomCode":2,"totalValue":null,"searchImage":null,"length":null,"width":null,"height":null,"unitOfDimension":null,"weight":null,"unitOfWeight":null,"specialRouting":false,"onlineRepair":null,"previousPartID":null,"sbdDiscountPriceValue":{"currencyIso":"USD","value":3.1,"priceType":"BUY","formattedValue":"$3.10","minQuantity":null,"maxQuantity":null,"sapUnit":{"code":"pieces","name":"Piece"}},"alrCode":null,"productRecallFlag":null,"selectedDocumentId":null,"productDescription":null,"pdpImage":null,"ticketId":null,"qtyRequiredPerVariant":"1","isElgibleForRepair":null,"isPowerEligible":null,"productRecallNotes":null,"productOtherInfo":null,"backorderETA":"00/00/0000","modifiedDate":null,"userLevel":"COS","displayPrice":null,"baseProductName":null,"firstVariantCode":null,"firstVariantImage":null,"productMarketType":null,"productNumber":null,"typeStatusCode":null,"productCategory":null,"typeNumber":null,"marketCode":null,"regionCode":null,"otherInformation":null,"productTypeStatus":null,"repairInstruction":null,"repairInstructionStatusDescription":null,"typeStatusDate":null,"serviceLifeDate":null,"manufacturerId":null,"parts":null,"language":null,"glossaries":null,"brand":null,"product":null,"brandCode":null,"recallNotes":null,"volume":null},{"code":"P872110407-CM","name":null,"url":"/c//p/P872110407-CM","description":"BOLT.CARRIAGE.","purchasable":true,"stock":{"stockLevelStatus":{"code":"inStock","type":"StockLevelStatus"},"stockLevel":0,"stockThreshold":null},"futureStocks":null,"availableForPickup":null,"averageRating":null,"numberOfReviews":null,"summary":null,"manufacturer":null,"variantType":null,"price":{"currencyIso":"USD","value":2.48,"priceType":"BUY","formattedValue":"$2.48","minQuantity":null,"maxQuantity":null,"sapUnit":{"code":"pieces","name":"Piece"}},"baseProduct":null,"images":[],"categories":null,"reviews":null,"classifications":null,"potentialPromotions":null,"variantOptions":null,"baseOptions":[],"volumePricesFlag":null,"volumePrices":null,"productReferences":null,"variantMatrix":null,"priceRange":null,"firstCategoryNameList":null,"multidimensional":null,"configurable":false,"configuratorType":null,"addToCartDisabled":null,"addToCartDisabledMessage":null,"tags":null,"sapUnit":null,"keywords":null,"genders":null,"itemtype":"Part","partSubstitute":null,"note":null,"recallNote":null,"note1":null,"note2":null,"note3":null,"note4":null,"note5":null,"pdfAllUser":null,"pdfAuthUser":null,"pdfCOSUser":null,"vaiantRelatedPartList":null,"partHotspotList":null,"itemNumber":null,"partRelatedVariantList":null,"bomCode":2,"totalValue":null,"searchImage":null,"length":null,"width":null,"height":null,"unitOfDimension":null,"weight":null,"unitOfWeight":null,"specialRouting":false,"onlineRepair":null,"previousPartID":null,"sbdDiscountPriceValue":{"currencyIso":"USD","value":2.48,"priceType":"BUY","formattedValue":"$2.48","minQuantity":null,"maxQuantity":null,"sapUnit":{"code":"pieces","name":"Piece"}},"alrCode":null,"productRecallFlag":null,"selectedDocumentId":null,"productDescription":null,"pdpImage":null,"ticketId":null,"qtyRequiredPerVariant":"1","isElgibleForRepair":null,"isPowerEligible":null,"productRecallNotes":null,"productOtherInfo":null,"backorderETA":"00/00/0000","modifiedDate":null,"userLevel":"COS","displayPrice":null,"baseProductName":null,"firstVariantCode":null,"firstVariantImage":null,"productMarketType":null,"productNumber":null,"typeStatusCode":null,"productCategory":null,"typeNumber":null,"marketCode":null,"regionCode":null,"otherInformation":null,"productTypeStatus":null,"repairInstruction":null,"repairInstructionStatusDescription":null,"typeStatusDate":null,"serviceLifeDate":null,"manufacturerId":null,"parts":null,"language":null,"glossaries":null,"brand":null,"product":null,"brandCode":null,"recallNotes":null,"volume":null},{"code":"P872110505-CM","name":null,"url":"/c//p/P872110505-CM","description":"BOLT","purchasable":true,"stock":{"stockLevelStatus":{"code":"inStock","type":"StockLevelStatus"},"stockLevel":0,"stockThreshold":null},"futureStocks":null,"availableForPickup":null,"averageRating":null,"numberOfReviews":null,"summary":null,"manufacturer":null,"variantType":null,"price":{"currencyIso":"USD","value":3.1,"priceType":"BUY","formattedValue":"$3.10","minQuantity":null,"maxQuantity":null,"sapUnit":{"code":"pieces","name":"Piece"}},"baseProduct":null,"images":[],"categories":null,"reviews":null,"classifications":null,"potentialPromotions":null,"variantOptions":null,"baseOptions":[],"volumePricesFlag":null,"volumePrices":null,"productReferences":null,"variantMatrix":null,"priceRange":null,"firstCategoryNameList":null,"multidimensional":null,"configurable":false,"configuratorType":null,"addToCartDisabled":null,"addToCartDisabledMessage":null,"tags":null,"sapUnit":null,"keywords":null,"genders":null,"itemtype":"Part","partSubstitute":null,"note":null,"recallNote":null,"note1":null,"note2":null,"note3":null,"note4":null,"note5":null,"pdfAllUser":null,"pdfAuthUser":null,"pdfCOSUser":null,"vaiantRelatedPartList":null,"partHotspotList":null,"itemNumber":null,"partRelatedVariantList":null,"bomCode":2,"totalValue":null,"searchImage":null,"length":null,"width":null,"height":null,"unitOfDimension":null,"weight":null,"unitOfWeight":null,"specialRouting":false,"onlineRepair":null,"previousPartID":null,"sbdDiscountPriceValue":{"currencyIso":"USD","value":3.1,"priceType":"BUY","formattedValue":"$3.10","minQuantity":null,"maxQuantity":null,"sapUnit":{"code":"pieces","name":"Piece"}},"alrCode":null,"productRecallFlag":null,"selectedDocumentId":null,"productDescription":null,"pdpImage":null,"ticketId":null,"qtyRequiredPerVariant":"1","isElgibleForRepair":null,"isPowerEligible":null,"productRecallNotes":null,"productOtherInfo":null,"backorderETA":"00/00/0000","modifiedDate":null,"userLevel":"COS","displayPrice":null,"baseProductName":null,"firstVariantCode":null,"firstVariantImage":null,"productMarketType":null,"productNumber":null,"typeStatusCode":null,"productCategory":null,"typeNumber":null,"marketCode":null,"regionCode":null,"otherInformation":null,"productTypeStatus":null,"repairInstruction":null,"repairInstructionStatusDescription":null,"typeStatusDate":null,"serviceLifeDate":null,"manufacturerId":null,"parts":null,"language":null,"glossaries":null,"brand":null,"product":null,"brandCode":null,"recallNotes":null,"volume":null},{"code":"P872110505-CM","name":null,"url":"/c//p/P872110505-CM","description":"BOLT","purchasable":true,"stock":{"stockLevelStatus":{"code":"inStock","type":"StockLevelStatus"},"stockLevel":0,"stockThreshold":null},"futureStocks":null,"availableForPickup":null,"averageRating":null,"numberOfReviews":null,"summary":null,"manufacturer":null,"variantType":null,"price":{"currencyIso":"USD","value":3.1,"priceType":"BUY","formattedValue":"$3.10","minQuantity":null,"maxQuantity":null,"sapUnit":{"code":"pieces","name":"Piece"}},"baseProduct":null,"images":[],"categories":null,"reviews":null,"classifications":null,"potentialPromotions":null,"variantOptions":null,"baseOptions":[],"volumePricesFlag":null,"volumePrices":null,"productReferences":null,"variantMatrix":null,"priceRange":null,"firstCategoryNameList":null,"multidimensional":null,"configurable":false,"configuratorType":null,"addToCartDisabled":null,"addToCartDisabledMessage":null,"tags":null,"sapUnit":null,"keywords":null,"genders":null,"itemtype":"Part","partSubstitute":null,"note":null,"recallNote":null,"note1":null,"note2":null,"note3":null,"note4":null,"note5":null,"pdfAllUser":null,"pdfAuthUser":null,"pdfCOSUser":null,"vaiantRelatedPartList":null,"partHotspotList":null,"itemNumber":null,"partRelatedVariantList":null,"bomCode":2,"totalValue":null,"searchImage":null,"length":null,"width":null,"height":null,"unitOfDimension":null,"weight":null,"unitOfWeight":null,"specialRouting":false,"onlineRepair":null,"previousPartID":null,"sbdDiscountPriceValue":{"currencyIso":"USD","value":3.1,"priceType":"BUY","formattedValue":"$3.10","minQuantity":null,"maxQuantity":null,"sapUnit":{"code":"pieces","name":"Piece"}},"alrCode":null,"productRecallFlag":null,"selectedDocumentId":null,"productDescription":null,"pdpImage":null,"ticketId":null,"qtyRequiredPerVariant":"1","isElgibleForRepair":null,"isPowerEligible":null,"productRecallNotes":null,"productOtherInfo":null,"backorderETA":"00/00/0000","modifiedDate":null,"userLevel":"COS","displayPrice":null,"baseProductName":null,"firstVariantCode":null,"firstVariantImage":null,"productMarketType":null,"productNumber":null,"typeStatusCode":null,"productCategory":null,"typeNumber":null,"marketCode":null,"regionCode":null,"otherInformation":null,"productTypeStatus":null,"repairInstruction":null,"repairInstructionStatusDescription":null,"typeStatusDate":null,"serviceLifeDate":null,"manufacturerId":null,"parts":null,"language":null,"glossaries":null,"brand":null,"product":null,"brandCode":null,"recallNotes":null,"volume":null},{"code":"P872110614-CM","name":null,"url":"/c//p/P872110614-CM","description":"BOLT","purchasable":true,"stock":{"stockLevelStatus":{"code":"inStock","type":"StockLevelStatus"},"stockLevel":0,"stockThreshold":null},"futureStocks":null,"availableForPickup":null,"averageRating":null,"numberOfReviews":null,"summary":null,"manufacturer":null,"variantType":null,"price":{"currencyIso":"USD","value":3.1,"priceType":"BUY","formattedValue":"$3.10","minQuantity":null,"maxQuantity":null,"sapUnit":{"code":"pieces","name":"Piece"}},"baseProduct":null,"images":[],"categories":null,"reviews":null,"classifications":null,"potentialPromotions":null,"variantOptions":null,"baseOptions":[],"volumePricesFlag":null,"volumePrices":null,"productReferences":null,"variantMatrix":null,"priceRange":null,"firstCategoryNameList":null,"multidimensional":null,"configurable":false,"configuratorType":null,"addToCartDisabled":null,"addToCartDisabledMessage":null,"tags":null,"sapUnit":null,"keywords":null,"genders":null,"itemtype":"Part","partSubstitute":null,"note":null,"recallNote":null,"note1":null,"note2":null,"note3":null,"note4":null,"note5":null,"pdfAllUser":null,"pdfAuthUser":null,"pdfCOSUser":null,"vaiantRelatedPartList":null,"partHotspotList":null,"itemNumber":null,"partRelatedVariantList":null,"bomCode":2,"totalValue":null,"searchImage":null,"length":null,"width":null,"height":null,"unitOfDimension":null,"weight":null,"unitOfWeight":null,"specialRouting":false,"onlineRepair":null,"previousPartID":null,"sbdDiscountPriceValue":{"currencyIso":"USD","value":3.1,"priceType":"BUY","formattedValue":"$3.10","minQuantity":null,"maxQuantity":null,"sapUnit":{"code":"pieces","name":"Piece"}},"alrCode":null,"productRecallFlag":null,"selectedDocumentId":null,"productDescription":null,"pdpImage":null,"ticketId":null,"qtyRequiredPerVariant":"1","isElgibleForRepair":null,"isPowerEligible":null,"productRecallNotes":null,"productOtherInfo":null,"backorderETA":"00/00/0000","modifiedDate":null,"userLevel":"COS","displayPrice":null,"baseProductName":null,"firstVariantCode":null,"firstVariantImage":null,"productMarketType":null,"productNumber":null,"typeStatusCode":null,"productCategory":null,"typeNumber":null,"marketCode":null,"regionCode":null,"otherInformation":null,"productTypeStatus":null,"repairInstruction":null,"repairInstructionStatusDescription":null,"typeStatusDate":null,"serviceLifeDate":null,"manufacturerId":null,"parts":null,"language":null,"glossaries":null,"brand":null,"product":null,"brandCode":null,"recallNotes":null,"volume":null},{"code":"P872140614-CM","name":null,"url":"/c//p/P872140614-CM","description":"BOLT","purchasable":true,"stock":{"stockLevelStatus":{"code":"outOfStock","type":"StockLevelStatus"},"stockLevel":0,"stockThreshold":null},"futureStocks":null,"availableForPickup":null,"averageRating":null,"numberOfReviews":null,"summary":null,"manufacturer":null,"variantType":null,"price":{"currencyIso":"USD","value":2.63,"priceType":"BUY","formattedValue":"$2.63","minQuantity":null,"maxQuantity":null,"sapUnit":{"code":"pieces","name":"Piece"}},"baseProduct":null,"images":[],"categories":null,"reviews":null,"classifications":null,"potentialPromotions":null,"variantOptions":null,"baseOptions":[],"volumePricesFlag":null,"volumePrices":null,"productReferences":null,"variantMatrix":null,"priceRange":null,"firstCategoryNameList":null,"multidimensional":null,"configurable":false,"configuratorType":null,"addToCartDisabled":null,"addToCartDisabledMessage":null,"tags":null,"sapUnit":null,"keywords":null,"genders":null,"itemtype":"Part","partSubstitute":null,"note":null,"recallNote":null,"note1":null,"note2":null,"note3":null,"note4":null,"note5":null,"pdfAllUser":null,"pdfAuthUser":null,"pdfCOSUser":null,"vaiantRelatedPartList":null,"partHotspotList":null,"itemNumber":null,"partRelatedVariantList":null,"bomCode":2,"totalValue":null,"searchImage":null,"length":null,"width":null,"height":null,"unitOfDimension":null,"weight":null,"unitOfWeight":null,"specialRouting":false,"onlineRepair":null,"previousPartID":null,"sbdDiscountPriceValue":{"currencyIso":"USD","value":2.63,"priceType":"BUY","formattedValue":"$2.63","minQuantity":null,"maxQuantity":null,"sapUnit":{"code":"pieces","name":"Piece"}},"alrCode":null,"productRecallFlag":null,"selectedDocumentId":null,"productDescription":null,"pdpImage":null,"ticketId":null,"qtyRequiredPerVariant":"1","isElgibleForRepair":null,"isPowerEligible":null,"productRecallNotes":null,"productOtherInfo":null,"backorderETA":"00/00/0000","modifiedDate":null,"userLevel":"COS","displayPrice":null,"baseProductName":null,"firstVariantCode":null,"firstVariantImage":null,"productMarketType":null,"productNumber":null,"typeStatusCode":null,"productCategory":null,"typeNumber":null,"marketCode":null,"regionCode":null,"otherInformation":null,"productTypeStatus":null,"repairInstruction":null,"repairInstructionStatusDescription":null,"typeStatusDate":null,"serviceLifeDate":null,"manufacturerId":null,"parts":null,"language":null,"glossaries":null,"brand":null,"product":null,"brandCode":null,"recallNotes":null,"volume":null},{"code":"P872140614-CM","name":null,"url":"/c//p/P872140614-CM","description":"BOLT","purchasable":true,"stock":{"stockLevelStatus":{"code":"outOfStock","type":"StockLevelStatus"},"stockLevel":0,"stockThreshold":null},"futureStocks":null,"availableForPickup":null,"averageRating":null,"numberOfReviews":null,"summary":null,"manufacturer":null,"variantType":null,"price":{"currencyIso":"USD","value":2.63,"priceType":"BUY","formattedValue":"$2.63","minQuantity":null,"maxQuantity":null,"sapUnit":{"code":"pieces","name":"Piece"}},"baseProduct":null,"images":[],"categories":null,"reviews":null,"classifications":null,"potentialPromotions":null,"variantOptions":null,"baseOptions":[],"volumePricesFlag":null,"volumePrices":null,"productReferences":null,"variantMatrix":null,"priceRange":null,"firstCategoryNameList":null,"multidimensional":null,"configurable":false,"configuratorType":null,"addToCartDisabled":null,"addToCartDisabledMessage":null,"tags":null,"sapUnit":null,"keywords":null,"genders":null,"itemtype":"Part","partSubstitute":null,"note":null,"recallNote":null,"note1":null,"note2":null,"note3":null,"note4":null,"note5":null,"pdfAllUser":null,"pdfAuthUser":null,"pdfCOSUser":null,"vaiantRelatedPartList":null,"partHotspotList":null,"itemNumber":null,"partRelatedVariantList":null,"bomCode":2,"totalValue":null,"searchImage":null,"length":null,"width":null,"height":null,"unitOfDimension":null,"weight":null,"unitOfWeight":null,"specialRouting":false,"onlineRepair":null,"previousPartID":null,"sbdDiscountPriceValue":{"currencyIso":"USD","value":2.63,"priceType":"BUY","formattedValue":"$2.63","minQuantity":null,"maxQuantity":null,"sapUnit":{"code":"pieces","name":"Piece"}},"alrCode":null,"productRecallFlag":null,"selectedDocumentId":null,"productDescription":null,"pdpImage":null,"ticketId":null,"qtyRequiredPerVariant":"1","isElgibleForRepair":null,"isPowerEligible":null,"productRecallNotes":null,"productOtherInfo":null,"backorderETA":"00/00/0000","modifiedDate":null,"userLevel":"COS","displayPrice":null,"baseProductName":null,"firstVariantCode":null,"firstVariantImage":null,"productMarketType":null,"productNumber":null,"typeStatusCode":null,"productCategory":null,"typeNumber":null,"marketCode":null,"regionCode":null,"otherInformation":null,"productTypeStatus":null,"repairInstruction":null,"repairInstructionStatusDescription":null,"typeStatusDate":null,"serviceLifeDate":null,"manufacturerId":null,"parts":null,"language":null,"glossaries":null,"brand":null,"product":null,"brandCode":null,"recallNotes":null,"volume":null},{"code":"P872140620-CM","name":null,"url":"/c//p/P872140620-CM","description":"BOLT","purchasable":true,"stock":{"stockLevelStatus":{"code":"outOfStock","type":"StockLevelStatus"},"stockLevel":0,"stockThreshold":null},"futureStocks":null,"availableForPickup":null,"averageRating":null,"numberOfReviews":null,"summary":null,"manufacturer":null,"variantType":null,"price":{"currencyIso":"USD","value":3.1,"priceType":"BUY","formattedValue":"$3.10","minQuantity":null,"maxQuantity":null,"sapUnit":{"code":"pieces","name":"Piece"}},"baseProduct":null,"images":[],"categories":null,"reviews":null,"classifications":null,"potentialPromotions":null,"variantOptions":null,"baseOptions":[],"volumePricesFlag":null,"volumePrices":null,"productReferences":null,"variantMatrix":null,"priceRange":null,"firstCategoryNameList":null,"multidimensional":null,"configurable":false,"configuratorType":null,"addToCartDisabled":null,"addToCartDisabledMessage":null,"tags":null,"sapUnit":null,"keywords":null,"genders":null,"itemtype":"Part","partSubstitute":null,"note":null,"recallNote":null,"note1":null,"note2":null,"note3":null,"note4":null,"note5":null,"pdfAllUser":null,"pdfAuthUser":null,"pdfCOSUser":null,"vaiantRelatedPartList":null,"partHotspotList":null,"itemNumber":null,"partRelatedVariantList":null,"bomCode":2,"totalValue":null,"searchImage":null,"length":null,"width":null,"height":null,"unitOfDimension":null,"weight":null,"unitOfWeight":null,"specialRouting":false,"onlineRepair":null,"previousPartID":null,"sbdDiscountPriceValue":{"currencyIso":"USD","value":3.1,"priceType":"BUY","formattedValue":"$3.10","minQuantity":null,"maxQuantity":null,"sapUnit":{"code":"pieces","name":"Piece"}},"alrCode":null,"productRecallFlag":null,"selectedDocumentId":null,"productDescription":null,"pdpImage":null,"ticketId":null,"qtyRequiredPerVariant":"1","isElgibleForRepair":null,"isPowerEligible":null,"productRecallNotes":null,"productOtherInfo":null,"backorderETA":"00/00/0000","modifiedDate":null,"userLevel":"COS","displayPrice":null,"baseProductName":null,"firstVariantCode":null,"firstVariantImage":null,"productMarketType":null,"productNumber":null,"typeStatusCode":null,"productCategory":null,"typeNumber":null,"marketCode":null,"regionCode":null,"otherInformation":null,"productTypeStatus":null,"repairInstruction":null,"repairInstructionStatusDescription":null,"typeStatusDate":null,"serviceLifeDate":null,"manufacturerId":null,"parts":null,"language":null,"glossaries":null,"brand":null,"product":null,"brandCode":null,"recallNotes":null,"volume":null},{"code":"P873350800-CM","name":null,"url":"/c//p/P873350800-CM","description":"NUT LTV","purchasable":true,"stock":{"stockLevelStatus":{"code":"outOfStock","type":"StockLevelStatus"},"stockLevel":0,"stockThreshold":null},"futureStocks":null,"availableForPickup":null,"averageRating":null,"numberOfReviews":null,"summary":null,"manufacturer":null,"variantType":null,"price":{"currencyIso":"USD","value":1.59,"priceType":"BUY","formattedValue":"$1.59","minQuantity":null,"maxQuantity":null,"sapUnit":{"code":"pieces","name":"Piece"}},"baseProduct":null,"images":[],"categories":null,"reviews":null,"classifications":null,"potentialPromotions":null,"variantOptions":null,"baseOptions":[],"volumePricesFlag":null,"volumePrices":null,"productReferences":null,"variantMatrix":null,"priceRange":null,"firstCategoryNameList":null,"multidimensional":null,"configurable":false,"configuratorType":null,"addToCartDisabled":null,"addToCartDisabledMessage":null,"tags":null,"sapUnit":null,"keywords":null,"genders":null,"itemtype":"Part","partSubstitute":null,"note":null,"recallNote":null,"note1":null,"note2":null,"note3":null,"note4":null,"note5":null,"pdfAllUser":null,"pdfAuthUser":null,"pdfCOSUser":null,"vaiantRelatedPartList":null,"partHotspotList":null,"itemNumber":null,"partRelatedVariantList":null,"bomCode":2,"totalValue":null,"searchImage":null,"length":null,"width":null,"height":null,"unitOfDimension":null,"weight":null,"unitOfWeight":null,"specialRouting":false,"onlineRepair":null,"previousPartID":null,"sbdDiscountPriceValue":{"currencyIso":"USD","value":1.59,"priceType":"BUY","formattedValue":"$1.59","minQuantity":null,"maxQuantity":null,"sapUnit":{"code":"pieces","name":"Piece"}},"alrCode":null,"productRecallFlag":null,"selectedDocumentId":null,"productDescription":null,"pdpImage":null,"ticketId":null,"qtyRequiredPerVariant":"1","isElgibleForRepair":null,"isPowerEligible":null,"productRecallNotes":null,"productOtherInfo":null,"backorderETA":"00/00/0000","modifiedDate":null,"userLevel":"COS","displayPrice":null,"baseProductName":null,"firstVariantCode":null,"firstVariantImage":null,"productMarketType":null,"productNumber":null,"typeStatusCode":null,"productCategory":null,"typeNumber":null,"marketCode":null,"regionCode":null,"otherInformation":null,"productTypeStatus":null,"repairInstruction":null,"repairInstructionStatusDescription":null,"typeStatusDate":null,"serviceLifeDate":null,"manufacturerId":null,"parts":null,"language":null,"glossaries":null,"brand":null,"product":null,"brandCode":null,"recallNotes":null,"volume":null},{"code":"P873680400-CM","name":null,"url":"/c//p/P873680400-CM","description":"NUT.CROWNLOCK.1/4","purchasable":true,"stock":{"stockLevelStatus":{"code":"outOfStock","type":"StockLevelStatus"},"stockLevel":0,"stockThreshold":null},"futureStocks":null,"availableForPickup":null,"averageRating":null,"numberOfReviews":null,"summary":null,"manufacturer":null,"variantType":null,"price":{"currencyIso":"USD","value":2.66,"priceType":"BUY","formattedValue":"$2.66","minQuantity":null,"maxQuantity":null,"sapUnit":{"code":"pieces","name":"Piece"}},"baseProduct":null,"images":[],"categories":null,"reviews":null,"classifications":null,"potentialPromotions":null,"variantOptions":null,"baseOptions":[],"volumePricesFlag":null,"volumePrices":null,"productReferences":null,"variantMatrix":null,"priceRange":null,"firstCategoryNameList":null,"multidimensional":null,"configurable":false,"configuratorType":null,"addToCartDisabled":null,"addToCartDisabledMessage":null,"tags":null,"sapUnit":null,"keywords":null,"genders":null,"itemtype":"Part","partSubstitute":null,"note":null,"recallNote":null,"note1":null,"note2":null,"note3":null,"note4":null,"note5":null,"pdfAllUser":null,"pdfAuthUser":null,"pdfCOSUser":null,"vaiantRelatedPartList":null,"partHotspotList":null,"itemNumber":null,"partRelatedVariantList":null,"bomCode":2,"totalValue":null,"searchImage":null,"length":null,"width":null,"height":null,"unitOfDimension":null,"weight":null,"unitOfWeight":null,"specialRouting":false,"onlineRepair":null,"previousPartID":null,"sbdDiscountPriceValue":{"currencyIso":"USD","value":2.66,"priceType":"BUY","formattedValue":"$2.66","minQuantity":null,"maxQuantity":null,"sapUnit":{"code":"pieces","name":"Piece"}},"alrCode":null,"productRecallFlag":null,"selectedDocumentId":null,"productDescription":null,"pdpImage":null,"ticketId":null,"qtyRequiredPerVariant":"1","isElgibleForRepair":null,"isPowerEligible":null,"productRecallNotes":null,"productOtherInfo":null,"backorderETA":"00/00/0000","modifiedDate":null,"userLevel":"COS","displayPrice":null,"baseProductName":null,"firstVariantCode":null,"firstVariantImage":null,"productMarketType":null,"productNumber":null,"typeStatusCode":null,"productCategory":null,"typeNumber":null,"marketCode":null,"regionCode":null,"otherInformation":null,"productTypeStatus":null,"repairInstruction":null,"repairInstructionStatusDescription":null,"typeStatusDate":null,"serviceLifeDate":null,"manufacturerId":null,"parts":null,"language":null,"glossaries":null,"brand":null,"product":null,"brandCode":null,"recallNotes":null,"volume":null},{"code":"P873680400-CM","name":null,"url":"/c//p/P873680400-CM","description":"NUT.CROWNLOCK.1/4","purchasable":true,"stock":{"stockLevelStatus":{"code":"outOfStock","type":"StockLevelStatus"},"stockLevel":0,"stockThreshold":null},"futureStocks":null,"availableForPickup":null,"averageRating":null,"numberOfReviews":null,"summary":null,"manufacturer":null,"variantType":null,"price":{"currencyIso":"USD","value":2.66,"priceType":"BUY","formattedValue":"$2.66","minQuantity":null,"maxQuantity":null,"sapUnit":{"code":"pieces","name":"Piece"}},"baseProduct":null,"images":[],"categories":null,"reviews":null,"classifications":null,"potentialPromotions":null,"variantOptions":null,"baseOptions":[],"volumePricesFlag":null,"volumePrices":null,"productReferences":null,"variantMatrix":null,"priceRange":null,"firstCategoryNameList":null,"multidimensional":null,"configurable":false,"configuratorType":null,"addToCartDisabled":null,"addToCartDisabledMessage":null,"tags":null,"sapUnit":null,"keywords":null,"genders":null,"itemtype":"Part","partSubstitute":null,"note":null,"recallNote":null,"note1":null,"note2":null,"note3":null,"note4":null,"note5":null,"pdfAllUser":null,"pdfAuthUser":null,"pdfCOSUser":null,"vaiantRelatedPartList":null,"partHotspotList":null,"itemNumber":null,"partRelatedVariantList":null,"bomCode":2,"totalValue":null,"searchImage":null,"length":null,"width":null,"height":null,"unitOfDimension":null,"weight":null,"unitOfWeight":null,"specialRouting":false,"onlineRepair":null,"previousPartID":null,"sbdDiscountPriceValue":{"currencyIso":"USD","value":2.66,"priceType":"BUY","formattedValue":"$2.66","minQuantity":null,"maxQuantity":null,"sapUnit":{"code":"pieces","name":"Piece"}},"alrCode":null,"productRecallFlag":null,"selectedDocumentId":null,"productDescription":null,"pdpImage":null,"ticketId":null,"qtyRequiredPerVariant":"1","isElgibleForRepair":null,"isPowerEligible":null,"productRecallNotes":null,"productOtherInfo":null,"backorderETA":"00/00/0000","modifiedDate":null,"userLevel":"COS","displayPrice":null,"baseProductName":null,"firstVariantCode":null,"firstVariantImage":null,"productMarketType":null,"productNumber":null,"typeStatusCode":null,"productCategory":null,"typeNumber":null,"marketCode":null,"regionCode":null,"otherInformation":null,"productTypeStatus":null,"repairInstruction":null,"repairInstructionStatusDescription":null,"typeStatusDate":null,"serviceLifeDate":null,"manufacturerId":null,"parts":null,"language":null,"glossaries":null,"brand":null,"product":null,"brandCode":null,"recallNotes":null,"volume":null},{"code":"P873681000-CM","name":null,"url":"/c//p/P873681000-CM","description":"LOCK NUT","purchasable":false,"stock":{"stockLevelStatus":{"code":"outOfStock","type":"StockLevelStatus"},"stockLevel":0,"stockThreshold":null},"futureStocks":null,"availableForPickup":null,"averageRating":null,"numberOfReviews":null,"summary":null,"manufacturer":null,"variantType":null,"price":null,"baseProduct":null,"images":[],"categories":null,"reviews":null,"classifications":null,"potentialPromotions":null,"variantOptions":null,"baseOptions":[],"volumePricesFlag":null,"volumePrices":null,"productReferences":null,"variantMatrix":null,"priceRange":null,"firstCategoryNameList":null,"multidimensional":null,"configurable":false,"configuratorType":null,"addToCartDisabled":null,"addToCartDisabledMessage":null,"tags":null,"sapUnit":null,"keywords":null,"genders":null,"itemtype":"Part","partSubstitute":null,"note":null,"recallNote":null,"note1":null,"note2":null,"note3":null,"note4":null,"note5":null,"pdfAllUser":null,"pdfAuthUser":null,"pdfCOSUser":null,"vaiantRelatedPartList":null,"partHotspotList":null,"itemNumber":null,"partRelatedVariantList":null,"bomCode":2,"totalValue":null,"searchImage":null,"length":null,"width":null,"height":null,"unitOfDimension":null,"weight":null,"unitOfWeight":null,"specialRouting":false,"onlineRepair":null,"previousPartID":null,"sbdDiscountPriceValue":null,"alrCode":null,"productRecallFlag":null,"selectedDocumentId":null,"productDescription":null,"pdpImage":null,"ticketId":null,"qtyRequiredPerVariant":"1","isElgibleForRepair":null,"isPowerEligible":null,"productRecallNotes":null,"productOtherInfo":null,"backorderETA":"00/00/0000","modifiedDate":null,"userLevel":"COS","displayPrice":null,"baseProductName":null,"firstVariantCode":null,"firstVariantImage":null,"productMarketType":null,"productNumber":null,"typeStatusCode":null,"productCategory":null,"typeNumber":null,"marketCode":null,"regionCode":null,"otherInformation":null,"productTypeStatus":null,"repairInstruction":null,"repairInstructionStatusDescription":null,"typeStatusDate":null,"serviceLifeDate":null,"manufacturerId":null,"parts":null,"language":null,"glossaries":null,"brand":null,"product":null,"brandCode":null,"recallNotes":null,"volume":null},{"code":"P874950612-CM","name":null,"url":"/c//p/P874950612-CM","description":"BOLT.HX.NYLO","purchasable":true,"stock":{"stockLevelStatus":{"code":"outOfStock","type":"StockLevelStatus"},"stockLevel":0,"stockThreshold":null},"futureStocks":null,"availableForPickup":null,"averageRating":null,"numberOfReviews":null,"summary":null,"manufacturer":null,"variantType":null,"price":{"currencyIso":"USD","value":3.1,"priceType":"BUY","formattedValue":"$3.10","minQuantity":null,"maxQuantity":null,"sapUnit":{"code":"pieces","name":"Piece"}},"baseProduct":null,"images":[],"categories":null,"reviews":null,"classifications":null,"potentialPromotions":null,"variantOptions":null,"baseOptions":[],"volumePricesFlag":null,"volumePrices":null,"productReferences":null,"variantMatrix":null,"priceRange":null,"firstCategoryNameList":null,"multidimensional":null,"configurable":false,"configuratorType":null,"addToCartDisabled":null,"addToCartDisabledMessage":null,"tags":null,"sapUnit":null,"keywords":null,"genders":null,"itemtype":"Part","partSubstitute":null,"note":null,"recallNote":null,"note1":null,"note2":null,"note3":null,"note4":null,"note5":null,"pdfAllUser":null,"pdfAuthUser":null,"pdfCOSUser":null,"vaiantRelatedPartList":null,"partHotspotList":null,"itemNumber":null,"partRelatedVariantList":null,"bomCode":2,"totalValue":null,"searchImage":null,"length":null,"width":null,"height":null,"unitOfDimension":null,"weight":null,"unitOfWeight":null,"specialRouting":false,"onlineRepair":null,"previousPartID":null,"sbdDiscountPriceValue":{"currencyIso":"USD","value":3.1,"priceType":"BUY","formattedValue":"$3.10","minQuantity":null,"maxQuantity":null,"sapUnit":{"code":"pieces","name":"Piece"}},"alrCode":null,"productRecallFlag":null,"selectedDocumentId":null,"productDescription":null,"pdpImage":null,"ticketId":null,"qtyRequiredPerVariant":"1","isElgibleForRepair":null,"isPowerEligible":null,"productRecallNotes":null,"productOtherInfo":null,"backorderETA":"00/00/0000","modifiedDate":null,"userLevel":"COS","displayPrice":null,"baseProductName":null,"firstVariantCode":null,"firstVariantImage":null,"productMarketType":null,"productNumber":null,"typeStatusCode":null,"productCategory":null,"typeNumber":null,"marketCode":null,"regionCode":null,"otherInformation":null,"productTypeStatus":null,"repairInstruction":null,"repairInstructionStatusDescription":null,"typeStatusDate":null,"serviceLifeDate":null,"manufacturerId":null,"parts":null,"language":null,"glossaries":null,"brand":null,"product":null,"brandCode":null,"recallNotes":null,"volume":null},{"code":"P9040H-CM","name":null,"url":"/c//p/P9040H-CM","description":"BEARING FLANGE","purchasable":true,"stock":{"stockLevelStatus":{"code":"inStock","type":"StockLevelStatus"},"stockLevel":0,"stockThreshold":null},"futureStocks":null,"availableForPickup":null,"averageRating":null,"numberOfReviews":null,"summary":null,"manufacturer":null,"variantType":null,"price":{"currencyIso":"USD","value":4.19,"priceType":"BUY","formattedValue":"$4.19","minQuantity":null,"maxQuantity":null,"sapUnit":{"code":"pieces","name":"Piece"}},"baseProduct":null,"images":[],"categories":null,"reviews":null,"classifications":null,"potentialPromotions":null,"variantOptions":null,"baseOptions":[],"volumePricesFlag":null,"volumePrices":null,"productReferences":null,"variantMatrix":null,"priceRange":null,"firstCategoryNameList":null,"multidimensional":null,"configurable":false,"configuratorType":null,"addToCartDisabled":null,"addToCartDisabledMessage":null,"tags":null,"sapUnit":null,"keywords":null,"genders":null,"itemtype":"Part","partSubstitute":null,"note":null,"recallNote":null,"note1":null,"note2":null,"note3":null,"note4":null,"note5":null,"pdfAllUser":null,"pdfAuthUser":null,"pdfCOSUser":null,"vaiantRelatedPartList":null,"partHotspotList":null,"itemNumber":null,"partRelatedVariantList":null,"bomCode":2,"totalValue":null,"searchImage":null,"length":null,"width":null,"height":null,"unitOfDimension":null,"weight":null,"unitOfWeight":null,"specialRouting":false,"onlineRepair":null,"previousPartID":null,"sbdDiscountPriceValue":{"currencyIso":"USD","value":4.19,"priceType":"BUY","formattedValue":"$4.19","minQuantity":null,"maxQuantity":null,"sapUnit":{"code":"pieces","name":"Piece"}},"alrCode":null,"productRecallFlag":null,"selectedDocumentId":null,"productDescription":null,"pdpImage":null,"ticketId":null,"qtyRequiredPerVariant":"1","isElgibleForRepair":null,"isPowerEligible":null,"productRecallNotes":null,"productOtherInfo":null,"backorderETA":"00/00/0000","modifiedDate":null,"userLevel":"COS","displayPrice":null,"baseProductName":null,"firstVariantCode":null,"firstVariantImage":null,"productMarketType":null,"productNumber":null,"typeStatusCode":null,"productCategory":null,"typeNumber":null,"marketCode":null,"regionCode":null,"otherInformation":null,"productTypeStatus":null,"repairInstruction":null,"repairInstructionStatusDescription":null,"typeStatusDate":null,"serviceLifeDate":null,"manufacturerId":null,"parts":null,"language":null,"glossaries":null,"brand":null,"product":null,"brandCode":null,"recallNotes":null,"volume":null},{"code":"P954040501-CM","name":null,"url":"/c//p/P954040501-CM","description":"COVER ASM.MU","purchasable":false,"stock":{"stockLevelStatus":{"code":"outOfStock","type":"StockLevelStatus"},"stockLevel":0,"stockThreshold":null},"futureStocks":null,"availableForPickup":null,"averageRating":null,"numberOfReviews":null,"summary":null,"manufacturer":null,"variantType":null,"price":null,"baseProduct":null,"images":[],"categories":null,"reviews":null,"classifications":null,"potentialPromotions":null,"variantOptions":null,"baseOptions":[],"volumePricesFlag":null,"volumePrices":null,"productReferences":null,"variantMatrix":null,"priceRange":null,"firstCategoryNameList":null,"multidimensional":null,"configurable":false,"configuratorType":null,"addToCartDisabled":null,"addToCartDisabledMessage":null,"tags":null,"sapUnit":null,"keywords":null,"genders":null,"itemtype":"Part","partSubstitute":null,"note":null,"recallNote":null,"note1":null,"note2":null,"note3":null,"note4":null,"note5":null,"pdfAllUser":null,"pdfAuthUser":null,"pdfCOSUser":null,"vaiantRelatedPartList":null,"partHotspotList":null,"itemNumber":null,"partRelatedVariantList":null,"bomCode":2,"totalValue":null,"searchImage":null,"length":null,"width":null,"height":null,"unitOfDimension":null,"weight":null,"unitOfWeight":null,"specialRouting":false,"onlineRepair":null,"previousPartID":null,"sbdDiscountPriceValue":null,"alrCode":null,"productRecallFlag":null,"selectedDocumentId":null,"productDescription":null,"pdpImage":null,"ticketId":null,"qtyRequiredPerVariant":"1","isElgibleForRepair":null,"isPowerEligible":null,"productRecallNotes":null,"productOtherInfo":null,"backorderETA":"00/00/0000","modifiedDate":null,"userLevel":"COS","displayPrice":null,"baseProductName":null,"firstVariantCode":null,"firstVariantImage":null,"productMarketType":null,"productNumber":null,"typeStatusCode":null,"productCategory":null,"typeNumber":null,"marketCode":null,"regionCode":null,"otherInformation":null,"productTypeStatus":null,"repairInstruction":null,"repairInstructionStatusDescription":null,"typeStatusDate":null,"serviceLifeDate":null,"manufacturerId":null,"parts":null,"language":null,"glossaries":null,"brand":null,"product":null,"brandCode":null,"recallNotes":null,"volume":null},{"code":"PSTD315241-CM","name":null,"url":"/c//p/PSTD315241-CM","description":"6204ZZ","purchasable":false,"stock":{"stockLevelStatus":{"code":"outOfStock","type":"StockLevelStatus"},"stockLevel":0,"stockThreshold":null},"futureStocks":null,"availableForPickup":null,"averageRating":null,"numberOfReviews":null,"summary":null,"manufacturer":null,"variantType":null,"price":null,"baseProduct":null,"images":[],"categories":null,"reviews":null,"classifications":null,"potentialPromotions":null,"variantOptions":null,"baseOptions":[],"volumePricesFlag":null,"volumePrices":null,"productReferences":null,"variantMatrix":null,"priceRange":null,"firstCategoryNameList":null,"multidimensional":null,"configurable":false,"configuratorType":null,"addToCartDisabled":null,"addToCartDisabledMessage":null,"tags":null,"sapUnit":null,"keywords":null,"genders":null,"itemtype":"Part","partSubstitute":null,"note":null,"recallNote":null,"note1":null,"note2":null,"note3":null,"note4":null,"note5":null,"pdfAllUser":null,"pdfAuthUser":null,"pdfCOSUser":null,"vaiantRelatedPartList":null,"partHotspotList":null,"itemNumber":null,"partRelatedVariantList":null,"bomCode":4,"totalValue":null,"searchImage":null,"length":null,"width":null,"height":null,"unitOfDimension":null,"weight":null,"unitOfWeight":null,"specialRouting":false,"onlineRepair":null,"previousPartID":null,"sbdDiscountPriceValue":null,"alrCode":null,"productRecallFlag":null,"selectedDocumentId":null,"productDescription":null,"pdpImage":null,"ticketId":null,"qtyRequiredPerVariant":"1","isElgibleForRepair":null,"isPowerEligible":null,"productRecallNotes":null,"productOtherInfo":null,"backorderETA":null,"modifiedDate":null,"userLevel":"COS","displayPrice":null,"baseProductName":null,"firstVariantCode":null,"firstVariantImage":null,"productMarketType":null,"productNumber":null,"typeStatusCode":null,"productCategory":null,"typeNumber":null,"marketCode":null,"regionCode":null,"otherInformation":null,"productTypeStatus":null,"repairInstruction":null,"repairInstructionStatusDescription":null,"typeStatusDate":null,"serviceLifeDate":null,"manufacturerId":null,"parts":null,"language":null,"glossaries":null,"brand":null,"product":null,"brandCode":null,"recallNotes":null,"volume":null},{"code":"PSTD522507-CM","name":null,"url":"/c//p/PSTD522507-CM","description":"SCREW 8PK","purchasable":false,"stock":{"stockLevelStatus":{"code":"outOfStock","type":"StockLevelStatus"},"stockLevel":0,"stockThreshold":null},"futureStocks":null,"availableForPickup":null,"averageRating":null,"numberOfReviews":null,"summary":null,"manufacturer":null,"variantType":null,"price":null,"baseProduct":null,"images":[],"categories":null,"reviews":null,"classifications":null,"potentialPromotions":null,"variantOptions":null,"baseOptions":[],"volumePricesFlag":null,"volumePrices":null,"productReferences":null,"variantMatrix":null,"priceRange":null,"firstCategoryNameList":null,"multidimensional":null,"configurable":false,"configuratorType":null,"addToCartDisabled":null,"addToCartDisabledMessage":null,"tags":null,"sapUnit":null,"keywords":null,"genders":null,"itemtype":"Part","partSubstitute":"PSTDPART","note":null,"recallNote":null,"note1":null,"note2":null,"note3":null,"note4":null,"note5":null,"pdfAllUser":null,"pdfAuthUser":null,"pdfCOSUser":null,"vaiantRelatedPartList":null,"partHotspotList":null,"itemNumber":null,"partRelatedVariantList":null,"bomCode":4,"totalValue":null,"searchImage":null,"length":null,"width":null,"height":null,"unitOfDimension":null,"weight":null,"unitOfWeight":null,"specialRouting":false,"onlineRepair":null,"previousPartID":null,"sbdDiscountPriceValue":null,"alrCode":null,"productRecallFlag":null,"selectedDocumentId":null,"productDescription":null,"pdpImage":null,"ticketId":null,"qtyRequiredPerVariant":"1","isElgibleForRepair":null,"isPowerEligible":null,"productRecallNotes":null,"productOtherInfo":null,"backorderETA":null,"modifiedDate":null,"userLevel":"COS","displayPrice":null,"baseProductName":null,"firstVariantCode":null,"firstVariantImage":null,"productMarketType":null,"productNumber":null,"typeStatusCode":null,"productCategory":null,"typeNumber":null,"marketCode":null,"regionCode":null,"otherInformation":null,"productTypeStatus":null,"repairInstruction":null,"repairInstructionStatusDescription":null,"typeStatusDate":null,"serviceLifeDate":null,"manufacturerId":null,"parts":null,"language":null,"glossaries":null,"brand":null,"product":null,"brandCode":null,"recallNotes":null,"volume":null},{"code":"PSTD523112-CM","name":null,"url":"/c//p/PSTD523112-CM","description":"SCREW 5PK","purchasable":false,"stock":{"stockLevelStatus":{"code":"outOfStock","type":"StockLevelStatus"},"stockLevel":0,"stockThreshold":null},"futureStocks":null,"availableForPickup":null,"averageRating":null,"numberOfReviews":null,"summary":null,"manufacturer":null,"variantType":null,"price":null,"baseProduct":null,"images":[],"categories":null,"reviews":null,"classifications":null,"potentialPromotions":null,"variantOptions":null,"baseOptions":[],"volumePricesFlag":null,"volumePrices":null,"productReferences":null,"variantMatrix":null,"priceRange":null,"firstCategoryNameList":null,"multidimensional":null,"configurable":false,"configuratorType":null,"addToCartDisabled":null,"addToCartDisabledMessage":null,"tags":null,"sapUnit":null,"keywords":null,"genders":null,"itemtype":"Part","partSubstitute":"PSTDPART","note":null,"recallNote":null,"note1":null,"note2":null,"note3":null,"note4":null,"note5":null,"pdfAllUser":null,"pdfAuthUser":null,"pdfCOSUser":null,"vaiantRelatedPartList":null,"partHotspotList":null,"itemNumber":null,"partRelatedVariantList":null,"bomCode":4,"totalValue":null,"searchImage":null,"length":null,"width":null,"height":null,"unitOfDimension":null,"weight":null,"unitOfWeight":null,"specialRouting":false,"onlineRepair":null,"previousPartID":null,"sbdDiscountPriceValue":null,"alrCode":null,"productRecallFlag":null,"selectedDocumentId":null,"productDescription":null,"pdpImage":null,"ticketId":null,"qtyRequiredPerVariant":"1","isElgibleForRepair":null,"isPowerEligible":null,"productRecallNotes":null,"productOtherInfo":null,"backorderETA":null,"modifiedDate":null,"userLevel":"COS","displayPrice":null,"baseProductName":null,"firstVariantCode":null,"firstVariantImage":null,"productMarketType":null,"productNumber":null,"typeStatusCode":null,"productCategory":null,"typeNumber":null,"marketCode":null,"regionCode":null,"otherInformation":null,"productTypeStatus":null,"repairInstruction":null,"repairInstructionStatusDescription":null,"typeStatusDate":null,"serviceLifeDate":null,"manufacturerId":null,"parts":null,"language":null,"glossaries":null,"brand":null,"product":null,"brandCode":null,"recallNotes":null,"volume":null},{"code":"PSTD523710-CM","name":null,"url":"/c//p/PSTD523710-CM","description":"SCREW 5PK","purchasable":false,"stock":{"stockLevelStatus":{"code":"outOfStock","type":"StockLevelStatus"},"stockLevel":0,"stockThreshold":null},"futureStocks":null,"availableForPickup":null,"averageRating":null,"numberOfReviews":null,"summary":null,"manufacturer":null,"variantType":null,"price":null,"baseProduct":null,"images":[],"categories":null,"reviews":null,"classifications":null,"potentialPromotions":null,"variantOptions":null,"baseOptions":[],"volumePricesFlag":null,"volumePrices":null,"productReferences":null,"variantMatrix":null,"priceRange":null,"firstCategoryNameList":null,"multidimensional":null,"configurable":false,"configuratorType":null,"addToCartDisabled":null,"addToCartDisabledMessage":null,"tags":null,"sapUnit":null,"keywords":null,"genders":null,"itemtype":"Part","partSubstitute":null,"note":null,"recallNote":null,"note1":null,"note2":null,"note3":null,"note4":null,"note5":null,"pdfAllUser":null,"pdfAuthUser":null,"pdfCOSUser":null,"vaiantRelatedPartList":null,"partHotspotList":null,"itemNumber":null,"partRelatedVariantList":null,"bomCode":4,"totalValue":null,"searchImage":null,"length":null,"width":null,"height":null,"unitOfDimension":null,"weight":null,"unitOfWeight":null,"specialRouting":false,"onlineRepair":null,"previousPartID":null,"sbdDiscountPriceValue":null,"alrCode":null,"productRecallFlag":null,"selectedDocumentId":null,"productDescription":null,"pdpImage":null,"ticketId":null,"qtyRequiredPerVariant":"1","isElgibleForRepair":null,"isPowerEligible":null,"productRecallNotes":null,"productOtherInfo":null,"backorderETA":null,"modifiedDate":null,"userLevel":"COS","displayPrice":null,"baseProductName":null,"firstVariantCode":null,"firstVariantImage":null,"productMarketType":null,"productNumber":null,"typeStatusCode":null,"productCategory":null,"typeNumber":null,"marketCode":null,"regionCode":null,"otherInformation":null,"productTypeStatus":null,"repairInstruction":null,"repairInstructionStatusDescription":null,"typeStatusDate":null,"serviceLifeDate":null,"manufacturerId":null,"parts":null,"language":null,"glossaries":null,"brand":null,"product":null,"brandCode":null,"recallNotes":null,"volume":null},{"code":"PSTD523710-CM","name":null,"url":"/c//p/PSTD523710-CM","description":"SCREW 5PK","purchasable":false,"stock":{"stockLevelStatus":{"code":"outOfStock","type":"StockLevelStatus"},"stockLevel":0,"stockThreshold":null},"futureStocks":null,"availableForPickup":null,"averageRating":null,"numberOfReviews":null,"summary":null,"manufacturer":null,"variantType":null,"price":null,"baseProduct":null,"images":[],"categories":null,"reviews":null,"classifications":null,"potentialPromotions":null,"variantOptions":null,"baseOptions":[],"volumePricesFlag":null,"volumePrices":null,"productReferences":null,"variantMatrix":null,"priceRange":null,"firstCategoryNameList":null,"multidimensional":null,"configurable":false,"configuratorType":null,"addToCartDisabled":null,"addToCartDisabledMessage":null,"tags":null,"sapUnit":null,"keywords":null,"genders":null,"itemtype":"Part","partSubstitute":null,"note":null,"recallNote":null,"note1":null,"note2":null,"note3":null,"note4":null,"note5":null,"pdfAllUser":null,"pdfAuthUser":null,"pdfCOSUser":null,"vaiantRelatedPartList":null,"partHotspotList":null,"itemNumber":null,"partRelatedVariantList":null,"bomCode":4,"totalValue":null,"searchImage":null,"length":null,"width":null,"height":null,"unitOfDimension":null,"weight":null,"unitOfWeight":null,"specialRouting":false,"onlineRepair":null,"previousPartID":null,"sbdDiscountPriceValue":null,"alrCode":null,"productRecallFlag":null,"selectedDocumentId":null,"productDescription":null,"pdpImage":null,"ticketId":null,"qtyRequiredPerVariant":"1","isElgibleForRepair":null,"isPowerEligible":null,"productRecallNotes":null,"productOtherInfo":null,"backorderETA":null,"modifiedDate":null,"userLevel":"COS","displayPrice":null,"baseProductName":null,"firstVariantCode":null,"firstVariantImage":null,"productMarketType":null,"productNumber":null,"typeStatusCode":null,"productCategory":null,"typeNumber":null,"marketCode":null,"regionCode":null,"otherInformation":null,"productTypeStatus":null,"repairInstruction":null,"repairInstructionStatusDescription":null,"typeStatusDate":null,"serviceLifeDate":null,"manufacturerId":null,"parts":null,"language":null,"glossaries":null,"brand":null,"product":null,"brandCode":null,"recallNotes":null,"volume":null},{"code":"PSTD523710-CM","name":null,"url":"/c//p/PSTD523710-CM","description":"SCREW 5PK","purchasable":false,"stock":{"stockLevelStatus":{"code":"outOfStock","type":"StockLevelStatus"},"stockLevel":0,"stockThreshold":null},"futureStocks":null,"availableForPickup":null,"averageRating":null,"numberOfReviews":null,"summary":null,"manufacturer":null,"variantType":null,"price":null,"baseProduct":null,"images":[],"categories":null,"reviews":null,"classifications":null,"potentialPromotions":null,"variantOptions":null,"baseOptions":[],"volumePricesFlag":null,"volumePrices":null,"productReferences":null,"variantMatrix":null,"priceRange":null,"firstCategoryNameList":null,"multidimensional":null,"configurable":false,"configuratorType":null,"addToCartDisabled":null,"addToCartDisabledMessage":null,"tags":null,"sapUnit":null,"keywords":null,"genders":null,"itemtype":"Part","partSubstitute":null,"note":null,"recallNote":null,"note1":null,"note2":null,"note3":null,"note4":null,"note5":null,"pdfAllUser":null,"pdfAuthUser":null,"pdfCOSUser":null,"vaiantRelatedPartList":null,"partHotspotList":null,"itemNumber":null,"partRelatedVariantList":null,"bomCode":4,"totalValue":null,"searchImage":null,"length":null,"width":null,"height":null,"unitOfDimension":null,"weight":null,"unitOfWeight":null,"specialRouting":false,"onlineRepair":null,"previousPartID":null,"sbdDiscountPriceValue":null,"alrCode":null,"productRecallFlag":null,"selectedDocumentId":null,"productDescription":null,"pdpImage":null,"ticketId":null,"qtyRequiredPerVariant":"1","isElgibleForRepair":null,"isPowerEligible":null,"productRecallNotes":null,"productOtherInfo":null,"backorderETA":null,"modifiedDate":null,"userLevel":"COS","displayPrice":null,"baseProductName":null,"firstVariantCode":null,"firstVariantImage":null,"productMarketType":null,"productNumber":null,"typeStatusCode":null,"productCategory":null,"typeNumber":null,"marketCode":null,"regionCode":null,"otherInformation":null,"productTypeStatus":null,"repairInstruction":null,"repairInstructionStatusDescription":null,"typeStatusDate":null,"serviceLifeDate":null,"manufacturerId":null,"parts":null,"language":null,"glossaries":null,"brand":null,"product":null,"brandCode":null,"recallNotes":null,"volume":null},{"code":"PSTD523710-CM","name":null,"url":"/c//p/PSTD523710-CM","description":"SCREW 5PK","purchasable":false,"stock":{"stockLevelStatus":{"code":"outOfStock","type":"StockLevelStatus"},"stockLevel":0,"stockThreshold":null},"futureStocks":null,"availableForPickup":null,"averageRating":null,"numberOfReviews":null,"summary":null,"manufacturer":null,"variantType":null,"price":null,"baseProduct":null,"images":[],"categories":null,"reviews":null,"classifications":null,"potentialPromotions":null,"variantOptions":null,"baseOptions":[],"volumePricesFlag":null,"volumePrices":null,"productReferences":null,"variantMatrix":null,"priceRange":null,"firstCategoryNameList":null,"multidimensional":null,"configurable":false,"configuratorType":null,"addToCartDisabled":null,"addToCartDisabledMessage":null,"tags":null,"sapUnit":null,"keywords":null,"genders":null,"itemtype":"Part","partSubstitute":null,"note":null,"recallNote":null,"note1":null,"note2":null,"note3":null,"note4":null,"note5":null,"pdfAllUser":null,"pdfAuthUser":null,"pdfCOSUser":null,"vaiantRelatedPartList":null,"partHotspotList":null,"itemNumber":null,"partRelatedVariantList":null,"bomCode":4,"totalValue":null,"searchImage":null,"length":null,"width":null,"height":null,"unitOfDimension":null,"weight":null,"unitOfWeight":null,"specialRouting":false,"onlineRepair":null,"previousPartID":null,"sbdDiscountPriceValue":null,"alrCode":null,"productRecallFlag":null,"selectedDocumentId":null,"productDescription":null,"pdpImage":null,"ticketId":null,"qtyRequiredPerVariant":"1","isElgibleForRepair":null,"isPowerEligible":null,"productRecallNotes":null,"productOtherInfo":null,"backorderETA":null,"modifiedDate":null,"userLevel":"COS","displayPrice":null,"baseProductName":null,"firstVariantCode":null,"firstVariantImage":null,"productMarketType":null,"productNumber":null,"typeStatusCode":null,"productCategory":null,"typeNumber":null,"marketCode":null,"regionCode":null,"otherInformation":null,"productTypeStatus":null,"repairInstruction":null,"repairInstructionStatusDescription":null,"typeStatusDate":null,"serviceLifeDate":null,"manufacturerId":null,"parts":null,"language":null,"glossaries":null,"brand":null,"product":null,"brandCode":null,"recallNotes":null,"volume":null},{"code":"PSTD523715-CM","name":null,"url":"/c//p/PSTD523715-CM","description":"SCREW 2PK","purchasable":false,"stock":{"stockLevelStatus":{"code":"outOfStock","type":"StockLevelStatus"},"stockLevel":0,"stockThreshold":null},"futureStocks":null,"availableForPickup":null,"averageRating":null,"numberOfReviews":null,"summary":null,"manufacturer":null,"variantType":null,"price":null,"baseProduct":null,"images":[],"categories":null,"reviews":null,"classifications":null,"potentialPromotions":null,"variantOptions":null,"baseOptions":[],"volumePricesFlag":null,"volumePrices":null,"productReferences":null,"variantMatrix":null,"priceRange":null,"firstCategoryNameList":null,"multidimensional":null,"configurable":false,"configuratorType":null,"addToCartDisabled":null,"addToCartDisabledMessage":null,"tags":null,"sapUnit":null,"keywords":null,"genders":null,"itemtype":"Part","partSubstitute":"P582107601-CM","note":null,"recallNote":null,"note1":null,"note2":null,"note3":null,"note4":null,"note5":null,"pdfAllUser":null,"pdfAuthUser":null,"pdfCOSUser":null,"vaiantRelatedPartList":null,"partHotspotList":null,"itemNumber":null,"partRelatedVariantList":null,"bomCode":4,"totalValue":null,"searchImage":null,"length":null,"width":null,"height":null,"unitOfDimension":null,"weight":null,"unitOfWeight":null,"specialRouting":false,"onlineRepair":null,"previousPartID":null,"sbdDiscountPriceValue":null,"alrCode":null,"productRecallFlag":null,"selectedDocumentId":null,"productDescription":null,"pdpImage":null,"ticketId":null,"qtyRequiredPerVariant":"1","isElgibleForRepair":null,"isPowerEligible":null,"productRecallNotes":null,"productOtherInfo":null,"backorderETA":null,"modifiedDate":null,"userLevel":"COS","displayPrice":null,"baseProductName":null,"firstVariantCode":null,"firstVariantImage":null,"productMarketType":null,"productNumber":null,"typeStatusCode":null,"productCategory":null,"typeNumber":null,"marketCode":null,"regionCode":null,"otherInformation":null,"productTypeStatus":null,"repairInstruction":null,"repairInstructionStatusDescription":null,"typeStatusDate":null,"serviceLifeDate":null,"manufacturerId":null,"parts":null,"language":null,"glossaries":null,"brand":null,"product":null,"brandCode":null,"recallNotes":null,"volume":null},{"code":"PSTD523727-CM","name":null,"url":"/c//p/PSTD523727-CM","description":"SCREW 2PK","purchasable":false,"stock":{"stockLevelStatus":{"code":"outOfStock","type":"StockLevelStatus"},"stockLevel":0,"stockThreshold":null},"futureStocks":null,"availableForPickup":null,"averageRating":null,"numberOfReviews":null,"summary":null,"manufacturer":null,"variantType":null,"price":null,"baseProduct":null,"images":[],"categories":null,"reviews":null,"classifications":null,"potentialPromotions":null,"variantOptions":null,"baseOptions":[],"volumePricesFlag":null,"volumePrices":null,"productReferences":null,"variantMatrix":null,"priceRange":null,"firstCategoryNameList":null,"multidimensional":null,"configurable":false,"configuratorType":null,"addToCartDisabled":null,"addToCartDisabledMessage":null,"tags":null,"sapUnit":null,"keywords":null,"genders":null,"itemtype":"Part","partSubstitute":"PSTDPART","note":null,"recallNote":null,"note1":null,"note2":null,"note3":null,"note4":null,"note5":null,"pdfAllUser":null,"pdfAuthUser":null,"pdfCOSUser":null,"vaiantRelatedPartList":null,"partHotspotList":null,"itemNumber":null,"partRelatedVariantList":null,"bomCode":4,"totalValue":null,"searchImage":null,"length":null,"width":null,"height":null,"unitOfDimension":null,"weight":null,"unitOfWeight":null,"specialRouting":false,"onlineRepair":null,"previousPartID":null,"sbdDiscountPriceValue":null,"alrCode":null,"productRecallFlag":null,"selectedDocumentId":null,"productDescription":null,"pdpImage":null,"ticketId":null,"qtyRequiredPerVariant":"1","isElgibleForRepair":null,"isPowerEligible":null,"productRecallNotes":null,"productOtherInfo":null,"backorderETA":null,"modifiedDate":null,"userLevel":"COS","displayPrice":null,"baseProductName":null,"firstVariantCode":null,"firstVariantImage":null,"productMarketType":null,"productNumber":null,"typeStatusCode":null,"productCategory":null,"typeNumber":null,"marketCode":null,"regionCode":null,"otherInformation":null,"productTypeStatus":null,"repairInstruction":null,"repairInstructionStatusDescription":null,"typeStatusDate":null,"serviceLifeDate":null,"manufacturerId":null,"parts":null,"language":null,"glossaries":null,"brand":null,"product":null,"brandCode":null,"recallNotes":null,"volume":null},{"code":"PSTD533106-CM","name":null,"url":"/c//p/PSTD533106-CM","description":"BOLT","purchasable":false,"stock":{"stockLevelStatus":{"code":"outOfStock","type":"StockLevelStatus"},"stockLevel":0,"stockThreshold":null},"futureStocks":null,"availableForPickup":null,"averageRating":null,"numberOfReviews":null,"summary":null,"manufacturer":null,"variantType":null,"price":null,"baseProduct":null,"images":[],"categories":null,"reviews":null,"classifications":null,"potentialPromotions":null,"variantOptions":null,"baseOptions":[],"volumePricesFlag":null,"volumePrices":null,"productReferences":null,"variantMatrix":null,"priceRange":null,"firstCategoryNameList":null,"multidimensional":null,"configurable":false,"configuratorType":null,"addToCartDisabled":null,"addToCartDisabledMessage":null,"tags":null,"sapUnit":null,"keywords":null,"genders":null,"itemtype":"Part","partSubstitute":"P184921-CM","note":null,"recallNote":null,"note1":null,"note2":null,"note3":null,"note4":null,"note5":null,"pdfAllUser":null,"pdfAuthUser":null,"pdfCOSUser":null,"vaiantRelatedPartList":null,"partHotspotList":null,"itemNumber":null,"partRelatedVariantList":null,"bomCode":4,"totalValue":null,"searchImage":null,"length":null,"width":null,"height":null,"unitOfDimension":null,"weight":null,"unitOfWeight":null,"specialRouting":false,"onlineRepair":null,"previousPartID":null,"sbdDiscountPriceValue":null,"alrCode":null,"productRecallFlag":null,"selectedDocumentId":null,"productDescription":null,"pdpImage":null,"ticketId":null,"qtyRequiredPerVariant":"1","isElgibleForRepair":null,"isPowerEligible":null,"productRecallNotes":null,"productOtherInfo":null,"backorderETA":null,"modifiedDate":null,"userLevel":"ALL","displayPrice":null,"baseProductName":null,"firstVariantCode":null,"firstVariantImage":null,"productMarketType":null,"productNumber":null,"typeStatusCode":null,"productCategory":null,"typeNumber":null,"marketCode":null,"regionCode":null,"otherInformation":null,"productTypeStatus":null,"repairInstruction":null,"repairInstructionStatusDescription":null,"typeStatusDate":null,"serviceLifeDate":null,"manufacturerId":null,"parts":null,"language":null,"glossaries":null,"brand":null,"product":null,"brandCode":null,"recallNotes":null,"volume":null},{"code":"PSTD533707-CM","name":null,"url":"/c//p/PSTD533707-CM","description":"BOLT RDHD SGNK 3/8-16 X 1 GR.5","purchasable":false,"stock":{"stockLevelStatus":{"code":"outOfStock","type":"StockLevelStatus"},"stockLevel":0,"stockThreshold":null},"futureStocks":null,"availableForPickup":null,"averageRating":null,"numberOfReviews":null,"summary":null,"manufacturer":null,"variantType":null,"price":null,"baseProduct":null,"images":[],"categories":null,"reviews":null,"classifications":null,"potentialPromotions":null,"variantOptions":null,"baseOptions":[],"volumePricesFlag":null,"volumePrices":null,"productReferences":null,"variantMatrix":null,"priceRange":null,"firstCategoryNameList":null,"multidimensional":null,"configurable":false,"configuratorType":null,"addToCartDisabled":null,"addToCartDisabledMessage":null,"tags":null,"sapUnit":null,"keywords":null,"genders":null,"itemtype":"Part","partSubstitute":"PSTDPART","note":null,"recallNote":null,"note1":null,"note2":null,"note3":null,"note4":null,"note5":null,"pdfAllUser":null,"pdfAuthUser":null,"pdfCOSUser":null,"vaiantRelatedPartList":null,"partHotspotList":null,"itemNumber":null,"partRelatedVariantList":null,"bomCode":4,"totalValue":null,"searchImage":null,"length":null,"width":null,"height":null,"unitOfDimension":null,"weight":null,"unitOfWeight":null,"specialRouting":false,"onlineRepair":null,"previousPartID":null,"sbdDiscountPriceValue":null,"alrCode":null,"productRecallFlag":null,"selectedDocumentId":null,"productDescription":null,"pdpImage":null,"ticketId":null,"qtyRequiredPerVariant":"1","isElgibleForRepair":null,"isPowerEligible":null,"productRecallNotes":null,"productOtherInfo":null,"backorderETA":null,"modifiedDate":null,"userLevel":"ALL","displayPrice":null,"baseProductName":null,"firstVariantCode":null,"firstVariantImage":null,"productMarketType":null,"productNumber":null,"typeStatusCode":null,"productCategory":null,"typeNumber":null,"marketCode":null,"regionCode":null,"otherInformation":null,"productTypeStatus":null,"repairInstruction":null,"repairInstructionStatusDescription":null,"typeStatusDate":null,"serviceLifeDate":null,"manufacturerId":null,"parts":null,"language":null,"glossaries":null,"brand":null,"product":null,"brandCode":null,"recallNotes":null,"volume":null},{"code":"PSTD541250-CM","name":null,"url":"/c//p/PSTD541250-CM","description":"NUT","purchasable":false,"stock":{"stockLevelStatus":{"code":"outOfStock","type":"StockLevelStatus"},"stockLevel":0,"stockThreshold":null},"futureStocks":null,"availableForPickup":null,"averageRating":null,"numberOfReviews":null,"summary":null,"manufacturer":null,"variantType":null,"price":null,"baseProduct":null,"images":[],"categories":null,"reviews":null,"classifications":null,"potentialPromotions":null,"variantOptions":null,"baseOptions":[],"volumePricesFlag":null,"volumePrices":null,"productReferences":null,"variantMatrix":null,"priceRange":null,"firstCategoryNameList":null,"multidimensional":null,"configurable":false,"configuratorType":null,"addToCartDisabled":null,"addToCartDisabledMessage":null,"tags":null,"sapUnit":null,"keywords":null,"genders":null,"itemtype":"Part","partSubstitute":"P583502601-CM","note":null,"recallNote":null,"note1":null,"note2":null,"note3":null,"note4":null,"note5":null,"pdfAllUser":null,"pdfAuthUser":null,"pdfCOSUser":null,"vaiantRelatedPartList":null,"partHotspotList":null,"itemNumber":null,"partRelatedVariantList":null,"bomCode":4,"totalValue":null,"searchImage":null,"length":null,"width":null,"height":null,"unitOfDimension":null,"weight":null,"unitOfWeight":null,"specialRouting":false,"onlineRepair":null,"previousPartID":null,"sbdDiscountPriceValue":null,"alrCode":null,"productRecallFlag":null,"selectedDocumentId":null,"productDescription":null,"pdpImage":null,"ticketId":null,"qtyRequiredPerVariant":"1","isElgibleForRepair":null,"isPowerEligible":null,"productRecallNotes":null,"productOtherInfo":null,"backorderETA":null,"modifiedDate":null,"userLevel":"COS","displayPrice":null,"baseProductName":null,"firstVariantCode":null,"firstVariantImage":null,"productMarketType":null,"productNumber":null,"typeStatusCode":null,"productCategory":null,"typeNumber":null,"marketCode":null,"regionCode":null,"otherInformation":null,"productTypeStatus":null,"repairInstruction":null,"repairInstructionStatusDescription":null,"typeStatusDate":null,"serviceLifeDate":null,"manufacturerId":null,"parts":null,"language":null,"glossaries":null,"brand":null,"product":null,"brandCode":null,"recallNotes":null,"volume":null},{"code":"PSTD541410-CM","name":null,"url":"/c//p/PSTD541410-CM","description":"NUT LOCK #10-24 8PK","purchasable":false,"stock":{"stockLevelStatus":{"code":"outOfStock","type":"StockLevelStatus"},"stockLevel":0,"stockThreshold":null},"futureStocks":null,"availableForPickup":null,"averageRating":null,"numberOfReviews":null,"summary":null,"manufacturer":null,"variantType":null,"price":null,"baseProduct":null,"images":[],"categories":null,"reviews":null,"classifications":null,"potentialPromotions":null,"variantOptions":null,"baseOptions":[],"volumePricesFlag":null,"volumePrices":null,"productReferences":null,"variantMatrix":null,"priceRange":null,"firstCategoryNameList":null,"multidimensional":null,"configurable":false,"configuratorType":null,"addToCartDisabled":null,"addToCartDisabledMessage":null,"tags":null,"sapUnit":null,"keywords":null,"genders":null,"itemtype":"Part","partSubstitute":"P873540400-CM","note":null,"recallNote":null,"note1":null,"note2":null,"note3":null,"note4":null,"note5":null,"pdfAllUser":null,"pdfAuthUser":null,"pdfCOSUser":null,"vaiantRelatedPartList":null,"partHotspotList":null,"itemNumber":null,"partRelatedVariantList":null,"bomCode":4,"totalValue":null,"searchImage":null,"length":null,"width":null,"height":null,"unitOfDimension":null,"weight":null,"unitOfWeight":null,"specialRouting":false,"onlineRepair":null,"previousPartID":null,"sbdDiscountPriceValue":null,"alrCode":null,"productRecallFlag":null,"selectedDocumentId":null,"productDescription":null,"pdpImage":null,"ticketId":null,"qtyRequiredPerVariant":"1","isElgibleForRepair":null,"isPowerEligible":null,"productRecallNotes":null,"productOtherInfo":null,"backorderETA":null,"modifiedDate":null,"userLevel":"COS","displayPrice":null,"baseProductName":null,"firstVariantCode":null,"firstVariantImage":null,"productMarketType":null,"productNumber":null,"typeStatusCode":null,"productCategory":null,"typeNumber":null,"marketCode":null,"regionCode":null,"otherInformation":null,"productTypeStatus":null,"repairInstruction":null,"repairInstructionStatusDescription":null,"typeStatusDate":null,"serviceLifeDate":null,"manufacturerId":null,"parts":null,"language":null,"glossaries":null,"brand":null,"product":null,"brandCode":null,"recallNotes":null,"volume":null},{"code":"PSTD541425-CM","name":null,"url":"/c//p/PSTD541425-CM","description":"NUT KEPS HEX 1/4-20 UNC","purchasable":false,"stock":{"stockLevelStatus":{"code":"outOfStock","type":"StockLevelStatus"},"stockLevel":0,"stockThreshold":null},"futureStocks":null,"availableForPickup":null,"averageRating":null,"numberOfReviews":null,"summary":null,"manufacturer":null,"variantType":null,"price":null,"baseProduct":null,"images":[],"categories":null,"reviews":null,"classifications":null,"potentialPromotions":null,"variantOptions":null,"baseOptions":[],"volumePricesFlag":null,"volumePrices":null,"productReferences":null,"variantMatrix":null,"priceRange":null,"firstCategoryNameList":null,"multidimensional":null,"configurable":false,"configuratorType":null,"addToCartDisabled":null,"addToCartDisabledMessage":null,"tags":null,"sapUnit":null,"keywords":null,"genders":null,"itemtype":"Part","partSubstitute":"PSTDPART","note":null,"recallNote":null,"note1":null,"note2":null,"note3":null,"note4":null,"note5":null,"pdfAllUser":null,"pdfAuthUser":null,"pdfCOSUser":null,"vaiantRelatedPartList":null,"partHotspotList":null,"itemNumber":null,"partRelatedVariantList":null,"bomCode":4,"totalValue":null,"searchImage":null,"length":null,"width":null,"height":null,"unitOfDimension":null,"weight":null,"unitOfWeight":null,"specialRouting":false,"onlineRepair":null,"previousPartID":null,"sbdDiscountPriceValue":null,"alrCode":null,"productRecallFlag":null,"selectedDocumentId":null,"productDescription":null,"pdpImage":null,"ticketId":null,"qtyRequiredPerVariant":"1","isElgibleForRepair":null,"isPowerEligible":null,"productRecallNotes":null,"productOtherInfo":null,"backorderETA":null,"modifiedDate":null,"userLevel":"COS","displayPrice":null,"baseProductName":null,"firstVariantCode":null,"firstVariantImage":null,"productMarketType":null,"productNumber":null,"typeStatusCode":null,"productCategory":null,"typeNumber":null,"marketCode":null,"regionCode":null,"otherInformation":null,"productTypeStatus":null,"repairInstruction":null,"repairInstructionStatusDescription":null,"typeStatusDate":null,"serviceLifeDate":null,"manufacturerId":null,"parts":null,"language":null,"glossaries":null,"brand":null,"product":null,"brandCode":null,"recallNotes":null,"volume":null},{"code":"PSTD551025-CM","name":null,"url":"/c//p/PSTD551025-CM","description":"WASHER","purchasable":false,"stock":{"stockLevelStatus":{"code":"outOfStock","type":"StockLevelStatus"},"stockLevel":0,"stockThreshold":null},"futureStocks":null,"availableForPickup":null,"averageRating":null,"numberOfReviews":null,"summary":null,"manufacturer":null,"variantType":null,"price":null,"baseProduct":null,"images":[],"categories":null,"reviews":null,"classifications":null,"potentialPromotions":null,"variantOptions":null,"baseOptions":[],"volumePricesFlag":null,"volumePrices":null,"productReferences":null,"variantMatrix":null,"priceRange":null,"firstCategoryNameList":null,"multidimensional":null,"configurable":false,"configuratorType":null,"addToCartDisabled":null,"addToCartDisabledMessage":null,"tags":null,"sapUnit":null,"keywords":null,"genders":null,"itemtype":"Part","partSubstitute":null,"note":null,"recallNote":null,"note1":null,"note2":null,"note3":null,"note4":null,"note5":null,"pdfAllUser":null,"pdfAuthUser":null,"pdfCOSUser":null,"vaiantRelatedPartList":null,"partHotspotList":null,"itemNumber":null,"partRelatedVariantList":null,"bomCode":4,"totalValue":null,"searchImage":null,"length":null,"width":null,"height":null,"unitOfDimension":null,"weight":null,"unitOfWeight":null,"specialRouting":false,"onlineRepair":null,"previousPartID":null,"sbdDiscountPriceValue":null,"alrCode":null,"productRecallFlag":null,"selectedDocumentId":null,"productDescription":null,"pdpImage":null,"ticketId":null,"qtyRequiredPerVariant":"1","isElgibleForRepair":null,"isPowerEligible":null,"productRecallNotes":null,"productOtherInfo":null,"backorderETA":null,"modifiedDate":null,"userLevel":"COS","displayPrice":null,"baseProductName":null,"firstVariantCode":null,"firstVariantImage":null,"productMarketType":null,"productNumber":null,"typeStatusCode":null,"productCategory":null,"typeNumber":null,"marketCode":null,"regionCode":null,"otherInformation":null,"productTypeStatus":null,"repairInstruction":null,"repairInstructionStatusDescription":null,"typeStatusDate":null,"serviceLifeDate":null,"manufacturerId":null,"parts":null,"language":null,"glossaries":null,"brand":null,"product":null,"brandCode":null,"recallNotes":null,"volume":null},{"code":"PSTD551110-CM","name":null,"url":"/c//p/PSTD551110-CM","description":"LOCKWASHER #10","purchasable":false,"stock":{"stockLevelStatus":{"code":"outOfStock","type":"StockLevelStatus"},"stockLevel":0,"stockThreshold":null},"futureStocks":null,"availableForPickup":null,"averageRating":null,"numberOfReviews":null,"summary":null,"manufacturer":null,"variantType":null,"price":null,"baseProduct":null,"images":[],"categories":null,"reviews":null,"classifications":null,"potentialPromotions":null,"variantOptions":null,"baseOptions":[],"volumePricesFlag":null,"volumePrices":null,"productReferences":null,"variantMatrix":null,"priceRange":null,"firstCategoryNameList":null,"multidimensional":null,"configurable":false,"configuratorType":null,"addToCartDisabled":null,"addToCartDisabledMessage":null,"tags":null,"sapUnit":null,"keywords":null,"genders":null,"itemtype":"Part","partSubstitute":"PSTDPART","note":null,"recallNote":null,"note1":null,"note2":null,"note3":null,"note4":null,"note5":null,"pdfAllUser":null,"pdfAuthUser":null,"pdfCOSUser":null,"vaiantRelatedPartList":null,"partHotspotList":null,"itemNumber":null,"partRelatedVariantList":null,"bomCode":4,"totalValue":null,"searchImage":null,"length":null,"width":null,"height":null,"unitOfDimension":null,"weight":null,"unitOfWeight":null,"specialRouting":false,"onlineRepair":null,"previousPartID":null,"sbdDiscountPriceValue":null,"alrCode":null,"productRecallFlag":null,"selectedDocumentId":null,"productDescription":null,"pdpImage":null,"ticketId":null,"qtyRequiredPerVariant":"1","isElgibleForRepair":null,"isPowerEligible":null,"productRecallNotes":null,"productOtherInfo":null,"backorderETA":null,"modifiedDate":null,"userLevel":"COS","displayPrice":null,"baseProductName":null,"firstVariantCode":null,"firstVariantImage":null,"productMarketType":null,"productNumber":null,"typeStatusCode":null,"productCategory":null,"typeNumber":null,"marketCode":null,"regionCode":null,"otherInformation":null,"productTypeStatus":null,"repairInstruction":null,"repairInstructionStatusDescription":null,"typeStatusDate":null,"serviceLifeDate":null,"manufacturerId":null,"parts":null,"language":null,"glossaries":null,"brand":null,"product":null,"brandCode":null,"recallNotes":null,"volume":null},{"code":"PSTD580025-CM","name":null,"url":"/c//p/PSTD580025-CM","description":"KEY 2PK","purchasable":false,"stock":{"stockLevelStatus":{"code":"outOfStock","type":"StockLevelStatus"},"stockLevel":0,"stockThreshold":null},"futureStocks":null,"availableForPickup":null,"averageRating":null,"numberOfReviews":null,"summary":null,"manufacturer":null,"variantType":null,"price":null,"baseProduct":null,"images":[],"categories":null,"reviews":null,"classifications":null,"potentialPromotions":null,"variantOptions":null,"baseOptions":[],"volumePricesFlag":null,"volumePrices":null,"productReferences":null,"variantMatrix":null,"priceRange":null,"firstCategoryNameList":null,"multidimensional":null,"configurable":false,"configuratorType":null,"addToCartDisabled":null,"addToCartDisabledMessage":null,"tags":null,"sapUnit":null,"keywords":null,"genders":null,"itemtype":"Part","partSubstitute":"P175242-CM","note":null,"recallNote":null,"note1":null,"note2":null,"note3":null,"note4":null,"note5":null,"pdfAllUser":null,"pdfAuthUser":null,"pdfCOSUser":null,"vaiantRelatedPartList":null,"partHotspotList":null,"itemNumber":null,"partRelatedVariantList":null,"bomCode":4,"totalValue":null,"searchImage":null,"length":null,"width":null,"height":null,"unitOfDimension":null,"weight":null,"unitOfWeight":null,"specialRouting":false,"onlineRepair":null,"previousPartID":null,"sbdDiscountPriceValue":null,"alrCode":null,"productRecallFlag":null,"selectedDocumentId":null,"productDescription":null,"pdpImage":null,"ticketId":null,"qtyRequiredPerVariant":"1","isElgibleForRepair":null,"isPowerEligible":null,"productRecallNotes":null,"productOtherInfo":null,"backorderETA":null,"modifiedDate":null,"userLevel":"COS","displayPrice":null,"baseProductName":null,"firstVariantCode":null,"firstVariantImage":null,"productMarketType":null,"productNumber":null,"typeStatusCode":null,"productCategory":null,"typeNumber":null,"marketCode":null,"regionCode":null,"otherInformation":null,"productTypeStatus":null,"repairInstruction":null,"repairInstructionStatusDescription":null,"typeStatusDate":null,"serviceLifeDate":null,"manufacturerId":null,"parts":null,"language":null,"glossaries":null,"brand":null,"product":null,"brandCode":null,"recallNotes":null,"volume":null},{"code":"PSTD581062-CM","name":null,"url":"/c//p/PSTD581062-CM","description":"RING 5PK","purchasable":false,"stock":{"stockLevelStatus":{"code":"outOfStock","type":"StockLevelStatus"},"stockLevel":0,"stockThreshold":null},"futureStocks":null,"availableForPickup":null,"averageRating":null,"numberOfReviews":null,"summary":null,"manufacturer":null,"variantType":null,"price":null,"baseProduct":null,"images":[],"categories":null,"reviews":null,"classifications":null,"potentialPromotions":null,"variantOptions":null,"baseOptions":[],"volumePricesFlag":null,"volumePrices":null,"productReferences":null,"variantMatrix":null,"priceRange":null,"firstCategoryNameList":null,"multidimensional":null,"configurable":false,"configuratorType":null,"addToCartDisabled":null,"addToCartDisabledMessage":null,"tags":null,"sapUnit":null,"keywords":null,"genders":null,"itemtype":"Part","partSubstitute":"P59904-CM","note":null,"recallNote":null,"note1":null,"note2":null,"note3":null,"note4":null,"note5":null,"pdfAllUser":null,"pdfAuthUser":null,"pdfCOSUser":null,"vaiantRelatedPartList":null,"partHotspotList":null,"itemNumber":null,"partRelatedVariantList":null,"bomCode":4,"totalValue":null,"searchImage":null,"length":null,"width":null,"height":null,"unitOfDimension":null,"weight":null,"unitOfWeight":null,"specialRouting":false,"onlineRepair":null,"previousPartID":null,"sbdDiscountPriceValue":null,"alrCode":null,"productRecallFlag":null,"selectedDocumentId":null,"productDescription":null,"pdpImage":null,"ticketId":null,"qtyRequiredPerVariant":"1","isElgibleForRepair":null,"isPowerEligible":null,"productRecallNotes":null,"productOtherInfo":null,"backorderETA":null,"modifiedDate":null,"userLevel":"COS","displayPrice":null,"baseProductName":null,"firstVariantCode":null,"firstVariantImage":null,"productMarketType":null,"productNumber":null,"typeStatusCode":null,"productCategory":null,"typeNumber":null,"marketCode":null,"regionCode":null,"otherInformation":null,"productTypeStatus":null,"repairInstruction":null,"repairInstructionStatusDescription":null,"typeStatusDate":null,"serviceLifeDate":null,"manufacturerId":null,"parts":null,"language":null,"glossaries":null,"brand":null,"product":null,"brandCode":null,"recallNotes":null,"volume":null},{"code":"PSTD581075-CM","name":null,"url":"/c//p/PSTD581075-CM","description":"E-RING","purchasable":false,"stock":{"stockLevelStatus":{"code":"outOfStock","type":"StockLevelStatus"},"stockLevel":0,"stockThreshold":null},"futureStocks":null,"availableForPickup":null,"averageRating":null,"numberOfReviews":null,"summary":null,"manufacturer":null,"variantType":null,"price":null,"baseProduct":null,"images":[],"categories":null,"reviews":null,"classifications":null,"potentialPromotions":null,"variantOptions":null,"baseOptions":[],"volumePricesFlag":null,"volumePrices":null,"productReferences":null,"variantMatrix":null,"priceRange":null,"firstCategoryNameList":null,"multidimensional":null,"configurable":false,"configuratorType":null,"addToCartDisabled":null,"addToCartDisabledMessage":null,"tags":null,"sapUnit":null,"keywords":null,"genders":null,"itemtype":"Part","partSubstitute":"P812000001-CM","note":null,"recallNote":null,"note1":null,"note2":null,"note3":null,"note4":null,"note5":null,"pdfAllUser":null,"pdfAuthUser":null,"pdfCOSUser":null,"vaiantRelatedPartList":null,"partHotspotList":null,"itemNumber":null,"partRelatedVariantList":null,"bomCode":4,"totalValue":null,"searchImage":null,"length":null,"width":null,"height":null,"unitOfDimension":null,"weight":null,"unitOfWeight":null,"specialRouting":false,"onlineRepair":null,"previousPartID":null,"sbdDiscountPriceValue":null,"alrCode":null,"productRecallFlag":null,"selectedDocumentId":null,"productDescription":null,"pdpImage":null,"ticketId":null,"qtyRequiredPerVariant":"1","isElgibleForRepair":null,"isPowerEligible":null,"productRecallNotes":null,"productOtherInfo":null,"backorderETA":null,"modifiedDate":null,"userLevel":"ALL","displayPrice":null,"baseProductName":null,"firstVariantCode":null,"firstVariantImage":null,"productMarketType":null,"productNumber":null,"typeStatusCode":null,"productCategory":null,"typeNumber":null,"marketCode":null,"regionCode":null,"otherInformation":null,"productTypeStatus":null,"repairInstruction":null,"repairInstructionStatusDescription":null,"typeStatusDate":null,"serviceLifeDate":null,"manufacturerId":null,"parts":null,"language":null,"glossaries":null,"brand":null,"product":null,"brandCode":null,"recallNotes":null,"volume":null},{"code":"PSTD624008-CM","name":null,"url":"/c//p/PSTD624008-CM","description":"PIN 2PK","purchasable":false,"stock":{"stockLevelStatus":{"code":"outOfStock","type":"StockLevelStatus"},"stockLevel":0,"stockThreshold":null},"futureStocks":null,"availableForPickup":null,"averageRating":null,"numberOfReviews":null,"summary":null,"manufacturer":null,"variantType":null,"price":null,"baseProduct":null,"images":[],"categories":null,"reviews":null,"classifications":null,"potentialPromotions":null,"variantOptions":null,"baseOptions":[],"volumePricesFlag":null,"volumePrices":null,"productReferences":null,"variantMatrix":null,"priceRange":null,"firstCategoryNameList":null,"multidimensional":null,"configurable":false,"configuratorType":null,"addToCartDisabled":null,"addToCartDisabledMessage":null,"tags":null,"sapUnit":null,"keywords":null,"genders":null,"itemtype":"Part","partSubstitute":"P121248X-CM","note":null,"recallNote":null,"note1":null,"note2":null,"note3":null,"note4":null,"note5":null,"pdfAllUser":null,"pdfAuthUser":null,"pdfCOSUser":null,"vaiantRelatedPartList":null,"partHotspotList":null,"itemNumber":null,"partRelatedVariantList":null,"bomCode":4,"totalValue":null,"searchImage":null,"length":null,"width":null,"height":null,"unitOfDimension":null,"weight":null,"unitOfWeight":null,"specialRouting":false,"onlineRepair":null,"previousPartID":null,"sbdDiscountPriceValue":null,"alrCode":null,"productRecallFlag":null,"selectedDocumentId":null,"productDescription":null,"pdpImage":null,"ticketId":null,"qtyRequiredPerVariant":"1","isElgibleForRepair":null,"isPowerEligible":null,"productRecallNotes":null,"productOtherInfo":null,"backorderETA":null,"modifiedDate":null,"userLevel":"COS","displayPrice":null,"baseProductName":null,"firstVariantCode":null,"firstVariantImage":null,"productMarketType":null,"productNumber":null,"typeStatusCode":null,"productCategory":null,"typeNumber":null,"marketCode":null,"regionCode":null,"otherInformation":null,"productTypeStatus":null,"repairInstruction":null,"repairInstructionStatusDescription":null,"typeStatusDate":null,"serviceLifeDate":null,"manufacturerId":null,"parts":null,"language":null,"glossaries":null,"brand":null,"product":null,"brandCode":null,"recallNotes":null,"volume":null},{"code":"PSTD624008-CM","name":null,"url":"/c//p/PSTD624008-CM","description":"PIN 2PK","purchasable":false,"stock":{"stockLevelStatus":{"code":"outOfStock","type":"StockLevelStatus"},"stockLevel":0,"stockThreshold":null},"futureStocks":null,"availableForPickup":null,"averageRating":null,"numberOfReviews":null,"summary":null,"manufacturer":null,"variantType":null,"price":null,"baseProduct":null,"images":[],"categories":null,"reviews":null,"classifications":null,"potentialPromotions":null,"variantOptions":null,"baseOptions":[],"volumePricesFlag":null,"volumePrices":null,"productReferences":null,"variantMatrix":null,"priceRange":null,"firstCategoryNameList":null,"multidimensional":null,"configurable":false,"configuratorType":null,"addToCartDisabled":null,"addToCartDisabledMessage":null,"tags":null,"sapUnit":null,"keywords":null,"genders":null,"itemtype":"Part","partSubstitute":"P121248X-CM","note":null,"recallNote":null,"note1":null,"note2":null,"note3":null,"note4":null,"note5":null,"pdfAllUser":null,"pdfAuthUser":null,"pdfCOSUser":null,"vaiantRelatedPartList":null,"partHotspotList":null,"itemNumber":null,"partRelatedVariantList":null,"bomCode":4,"totalValue":null,"searchImage":null,"length":null,"width":null,"height":null,"unitOfDimension":null,"weight":null,"unitOfWeight":null,"specialRouting":false,"onlineRepair":null,"previousPartID":null,"sbdDiscountPriceValue":null,"alrCode":null,"productRecallFlag":null,"selectedDocumentId":null,"productDescription":null,"pdpImage":null,"ticketId":null,"qtyRequiredPerVariant":"1","isElgibleForRepair":null,"isPowerEligible":null,"productRecallNotes":null,"productOtherInfo":null,"backorderETA":null,"modifiedDate":null,"userLevel":"COS","displayPrice":null,"baseProductName":null,"firstVariantCode":null,"firstVariantImage":null,"productMarketType":null,"productNumber":null,"typeStatusCode":null,"productCategory":null,"typeNumber":null,"marketCode":null,"regionCode":null,"otherInformation":null,"productTypeStatus":null,"repairInstruction":null,"repairInstructionStatusDescription":null,"typeStatusDate":null,"serviceLifeDate":null,"manufacturerId":null,"parts":null,"language":null,"glossaries":null,"brand":null,"product":null,"brandCode":null,"recallNotes":null,"volume":null}],"partHotspotList":[{"id":null,"itemNumber":"1","partcode":"P583261901-CM","hotspotLeft":34.7311,"hotspotTop":72.26360000000001,"hotspotBottom":0.0,"hotspotRight":0.0},{"id":null,"itemNumber":"1","partcode":"P583691201-CM","hotspotLeft":34.7311,"hotspotTop":72.26360000000001,"hotspotBottom":0.0,"hotspotRight":0.0},{"id":null,"itemNumber":"1","partcode":"P582985601-CM","hotspotLeft":34.7311,"hotspotTop":72.26360000000001,"hotspotBottom":0.0,"hotspotRight":0.0},{"id":null,"itemNumber":"1","partcode":"P59192-CM","hotspotLeft":34.7311,"hotspotTop":72.26360000000001,"hotspotBottom":0.0,"hotspotRight":0.0},{"id":null,"itemNumber":"1","partcode":"P532159460-CM","hotspotLeft":34.7311,"hotspotTop":72.26360000000001,"hotspotBottom":0.0,"hotspotRight":0.0},{"id":null,"itemNumber":"1","partcode":"P532176031-CM","hotspotLeft":34.7311,"hotspotTop":72.26360000000001,"hotspotBottom":0.0,"hotspotRight":0.0},{"id":null,"itemNumber":"1","partcode":"P532401043-CM","hotspotLeft":34.7311,"hotspotTop":72.26360000000001,"hotspotBottom":0.0,"hotspotRight":0.0},{"id":null,"itemNumber":"1","partcode":"P50795-CM","hotspotLeft":34.7311,"hotspotTop":72.26360000000001,"hotspotBottom":0.0,"hotspotRight":0.0},{"id":null,"itemNumber":"1","partcode":"P401043-CM","hotspotLeft":34.7311,"hotspotTop":72.26360000000001,"hotspotBottom":0.0,"hotspotRight":0.0},{"id":null,"itemNumber":"1","partcode":"P159460-CM","hotspotLeft":34.7311,"hotspotTop":72.26360000000001,"hotspotBottom":0.0,"hotspotRight":0.0},{"id":null,"itemNumber":"1","partcode":"P176031-CM","hotspotLeft":34.7311,"hotspotTop":72.26360000000001,"hotspotBottom":0.0,"hotspotRight":0.0},{"id":null,"itemNumber":"2","partcode":"P74760412-CM","hotspotLeft":37.9741,"hotspotTop":69.99090000000001,"hotspotBottom":0.0,"hotspotRight":0.0},{"id":null,"itemNumber":"2","partcode":"P140551-CM","hotspotLeft":37.9741,"hotspotTop":69.99090000000001,"hotspotBottom":0.0,"hotspotRight":0.0},{"id":null,"itemNumber":"2","partcode":"P159471-CM","hotspotLeft":37.9741,"hotspotTop":69.99090000000001,"hotspotBottom":0.0,"hotspotRight":0.0},{"id":null,"itemNumber":"2","partcode":"PSTD533107-CM","hotspotLeft":37.9741,"hotspotTop":69.99090000000001,"hotspotBottom":0.0,"hotspotRight":0.0},{"id":null,"itemNumber":"2","partcode":"P532145009-CM","hotspotLeft":37.9741,"hotspotTop":69.99090000000001,"hotspotBottom":0.0,"hotspotRight":0.0},{"id":null,"itemNumber":"2","partcode":"P532146682-CM","hotspotLeft":37.9741,"hotspotTop":69.99090000000001,"hotspotBottom":0.0,"hotspotRight":0.0},{"id":null,"itemNumber":"2","partcode":"P418168-CM","hotspotLeft":37.9741,"hotspotTop":69.99090000000001,"hotspotBottom":0.0,"hotspotRight":0.0},{"id":null,"itemNumber":"2","partcode":"P17720408-CM","hotspotLeft":37.9741,"hotspotTop":69.99090000000001,"hotspotBottom":0.0,"hotspotRight":0.0},{"id":null,"itemNumber":"2","partcode":"P65139-CM","hotspotLeft":37.9741,"hotspotTop":69.99090000000001,"hotspotBottom":0.0,"hotspotRight":0.0},{"id":null,"itemNumber":"2","partcode":"P872140505-CM","hotspotLeft":37.9741,"hotspotTop":69.99090000000001,"hotspotBottom":0.0,"hotspotRight":0.0},{"id":null,"itemNumber":"2","partcode":"P532140551-CM","hotspotLeft":37.9741,"hotspotTop":69.99090000000001,"hotspotBottom":0.0,"hotspotRight":0.0},{"id":null,"itemNumber":"2","partcode":"P532159471-CM","hotspotLeft":37.9741,"hotspotTop":69.99090000000001,"hotspotBottom":0.0,"hotspotRight":0.0},{"id":null,"itemNumber":"2","partcode":"P874760412-CM","hotspotLeft":37.9741,"hotspotTop":69.99090000000001,"hotspotBottom":0.0,"hotspotRight":0.0},{"id":null,"itemNumber":"8","partcode":"P12000029-CM","hotspotLeft":34.0236,"hotspotTop":73.9,"hotspotBottom":0.0,"hotspotRight":0.0},{"id":null,"itemNumber":"8","partcode":"P532149741-CM","hotspotLeft":34.0236,"hotspotTop":73.9,"hotspotBottom":0.0,"hotspotRight":0.0},{"id":null,"itemNumber":"8","partcode":"P17000616-CM","hotspotLeft":34.0236,"hotspotTop":73.9,"hotspotBottom":0.0,"hotspotRight":0.0},{"id":null,"itemNumber":"8","partcode":"P532183338-CM","hotspotLeft":34.0236,"hotspotTop":73.9,"hotspotBottom":0.0,"hotspotRight":0.0},{"id":null,"itemNumber":"8","partcode":"P532850857-CM","hotspotLeft":34.0236,"hotspotTop":73.9,"hotspotBottom":0.0,"hotspotRight":0.0},{"id":null,"itemNumber":"8","partcode":"P850857-CM","hotspotLeft":34.0236,"hotspotTop":73.9,"hotspotBottom":0.0,"hotspotRight":0.0},{"id":null,"itemNumber":"8","partcode":"P106108X624-CM","hotspotLeft":34.0236,"hotspotTop":73.9,"hotspotBottom":0.0,"hotspotRight":0.0},{"id":null,"itemNumber":"10","partcode":"P532150177-CM","hotspotLeft":46.7005,"hotspotTop":59.218199999999996,"hotspotBottom":0.0,"hotspotRight":0.0},{"id":null,"itemNumber":"10","partcode":"P532156438-CM","hotspotLeft":46.7005,"hotspotTop":59.218199999999996,"hotspotBottom":0.0,"hotspotRight":0.0},{"id":null,"itemNumber":"10","partcode":"P532007152-CM","hotspotLeft":46.7005,"hotspotTop":59.218199999999996,"hotspotBottom":0.0,"hotspotRight":0.0},{"id":null,"itemNumber":"10","partcode":"P532140296-CM","hotspotLeft":46.7005,"hotspotTop":59.218199999999996,"hotspotBottom":0.0,"hotspotRight":0.0},{"id":null,"itemNumber":"10","partcode":"P532195530-CM","hotspotLeft":46.7005,"hotspotTop":59.218199999999996,"hotspotBottom":0.0,"hotspotRight":0.0},{"id":null,"itemNumber":"10","partcode":"PSTDPART","hotspotLeft":46.7005,"hotspotTop":59.218199999999996,"hotspotBottom":0.0,"hotspotRight":0.0},{"id":null,"itemNumber":"10","partcode":"P872110608-CM","hotspotLeft":46.7005,"hotspotTop":59.218199999999996,"hotspotBottom":0.0,"hotspotRight":0.0},{"id":null,"itemNumber":"10","partcode":"PSTD533710-CM","hotspotLeft":46.7005,"hotspotTop":59.218199999999996,"hotspotBottom":0.0,"hotspotRight":0.0},{"id":null,"itemNumber":"10","partcode":"PSTD561210-CM","hotspotLeft":46.7005,"hotspotTop":59.218199999999996,"hotspotBottom":0.0,"hotspotRight":0.0},{"id":null,"itemNumber":"10","partcode":"P195530-CM","hotspotLeft":46.7005,"hotspotTop":59.218199999999996,"hotspotBottom":0.0,"hotspotRight":0.0},{"id":null,"itemNumber":"10","partcode":"P140296-CM","hotspotLeft":46.7005,"hotspotTop":59.218199999999996,"hotspotBottom":0.0,"hotspotRight":0.0},{"id":null,"itemNumber":"10","partcode":"P72110608-CM","hotspotLeft":46.7005,"hotspotTop":59.218199999999996,"hotspotBottom":0.0,"hotspotRight":0.0},{"id":null,"itemNumber":"11","partcode":"P174996-CM","hotspotLeft":40.0967,"hotspotTop":60.990899999999996,"hotspotBottom":0.0,"hotspotRight":0.0},{"id":null,"itemNumber":"11","partcode":"PSTD551137-CM","hotspotLeft":40.0967,"hotspotTop":60.990899999999996,"hotspotBottom":0.0,"hotspotRight":0.0},{"id":null,"itemNumber":"11","partcode":"PSTD551125-CM","hotspotLeft":40.0967,"hotspotTop":60.990899999999996,"hotspotBottom":0.0,"hotspotRight":0.0},{"id":null,"itemNumber":"11","partcode":"P166369-CM","hotspotLeft":40.0967,"hotspotTop":60.990899999999996,"hotspotBottom":0.0,"hotspotRight":0.0},{"id":null,"itemNumber":"11","partcode":"P134149-CM","hotspotLeft":40.0967,"hotspotTop":60.990899999999996,"hotspotBottom":0.0,"hotspotRight":0.0},{"id":null,"itemNumber":"11","partcode":"P532850263-CM","hotspotLeft":40.0967,"hotspotTop":60.990899999999996,"hotspotBottom":0.0,"hotspotRight":0.0},{"id":null,"itemNumber":"11","partcode":"P504-00152-CM","hotspotLeft":40.0967,"hotspotTop":60.990899999999996,"hotspotBottom":0.0,"hotspotRight":0.0},{"id":null,"itemNumber":"11","partcode":"P532105701-CM","hotspotLeft":40.0967,"hotspotTop":60.990899999999996,"hotspotBottom":0.0,"hotspotRight":0.0},{"id":null,"itemNumber":"11","partcode":"P532156368-CM","hotspotLeft":40.0967,"hotspotTop":60.990899999999996,"hotspotBottom":0.0,"hotspotRight":0.0},{"id":null,"itemNumber":"11","partcode":"P532151141-CM","hotspotLeft":40.0967,"hotspotTop":60.990899999999996,"hotspotBottom":0.0,"hotspotRight":0.0},{"id":null,"itemNumber":"11","partcode":"P532104757-CM","hotspotLeft":40.0967,"hotspotTop":60.990899999999996,"hotspotBottom":0.0,"hotspotRight":0.0},{"id":null,"itemNumber":"11","partcode":"P810040400-CM","hotspotLeft":40.0967,"hotspotTop":60.990899999999996,"hotspotBottom":0.0,"hotspotRight":0.0},{"id":null,"itemNumber":"11","partcode":"P532166369-CM","hotspotLeft":40.0967,"hotspotTop":60.990899999999996,"hotspotBottom":0.0,"hotspotRight":0.0},{"id":null,"itemNumber":"11","partcode":"P532174996-CM","hotspotLeft":40.0967,"hotspotTop":60.990899999999996,"hotspotBottom":0.0,"hotspotRight":0.0},{"id":null,"itemNumber":"11","partcode":"P539990118-CM","hotspotLeft":40.0967,"hotspotTop":60.990899999999996,"hotspotBottom":0.0,"hotspotRight":0.0},{"id":null,"itemNumber":"16","partcode":"P176138-CM","hotspotLeft":77.5967,"hotspotTop":44.5364,"hotspotBottom":0.0,"hotspotRight":0.0},{"id":null,"itemNumber":"16","partcode":"P174493-CM","hotspotLeft":77.5967,"hotspotTop":44.5364,"hotspotBottom":0.0,"hotspotRight":0.0},{"id":null,"itemNumber":"16","partcode":"P532121250-CM","hotspotLeft":77.5967,"hotspotTop":44.5364,"hotspotBottom":0.0,"hotspotRight":0.0},{"id":null,"itemNumber":"16","partcode":"PSTDPART","hotspotLeft":77.5967,"hotspotTop":44.5364,"hotspotBottom":0.0,"hotspotRight":0.0},{"id":null,"itemNumber":"16","partcode":"P176138-CM","hotspotLeft":73.8821,"hotspotTop":49.5364,"hotspotBottom":0.0,"hotspotRight":0.0},{"id":null,"itemNumber":"16","partcode":"P174493-CM","hotspotLeft":73.8821,"hotspotTop":49.5364,"hotspotBottom":0.0,"hotspotRight":0.0},{"id":null,"itemNumber":"16","partcode":"P532121250-CM","hotspotLeft":73.8821,"hotspotTop":49.5364,"hotspotBottom":0.0,"hotspotRight":0.0},{"id":null,"itemNumber":"16","partcode":"PSTDPART","hotspotLeft":73.8821,"hotspotTop":49.5364,"hotspotBottom":0.0,"hotspotRight":0.0},{"id":null,"itemNumber":"19","partcode":"P583502601-CM","hotspotLeft":49.5896,"hotspotTop":34.6273,"hotspotBottom":0.0,"hotspotRight":0.0},{"id":null,"itemNumber":"19","partcode":"P873930600-CM","hotspotLeft":49.5896,"hotspotTop":34.6273,"hotspotBottom":0.0,"hotspotRight":0.0},{"id":null,"itemNumber":"19","partcode":"P810040400-CM","hotspotLeft":49.5896,"hotspotTop":34.6273,"hotspotBottom":0.0,"hotspotRight":0.0},{"id":null,"itemNumber":"19","partcode":"P532132827-CM","hotspotLeft":49.5896,"hotspotTop":34.6273,"hotspotBottom":0.0,"hotspotRight":0.0},{"id":null,"itemNumber":"19","partcode":"P532139868-CM","hotspotLeft":49.5896,"hotspotTop":34.6273,"hotspotBottom":0.0,"hotspotRight":0.0},{"id":null,"itemNumber":"19","partcode":"P532160395-CM","hotspotLeft":49.5896,"hotspotTop":34.6273,"hotspotBottom":0.0,"hotspotRight":0.0},{"id":null,"itemNumber":"19","partcode":"P583502601-CM","hotspotLeft":39.7429,"hotspotTop":34.8091,"hotspotBottom":0.0,"hotspotRight":0.0},{"id":null,"itemNumber":"19","partcode":"P873930600-CM","hotspotLeft":39.7429,"hotspotTop":34.8091,"hotspotBottom":0.0,"hotspotRight":0.0},{"id":null,"itemNumber":"19","partcode":"P810040400-CM","hotspotLeft":39.7429,"hotspotTop":34.8091,"hotspotBottom":0.0,"hotspotRight":0.0},{"id":null,"itemNumber":"19","partcode":"P532132827-CM","hotspotLeft":39.7429,"hotspotTop":34.8091,"hotspotBottom":0.0,"hotspotRight":0.0},{"id":null,"itemNumber":"19","partcode":"P532139868-CM","hotspotLeft":39.7429,"hotspotTop":34.8091,"hotspotBottom":0.0,"hotspotRight":0.0},{"id":null,"itemNumber":"19","partcode":"P532160395-CM","hotspotLeft":39.7429,"hotspotTop":34.8091,"hotspotBottom":0.0,"hotspotRight":0.0},{"id":null,"itemNumber":"20","partcode":"P532050675-CM","hotspotLeft":48.8231,"hotspotTop":36.3545,"hotspotBottom":0.0,"hotspotRight":0.0},{"id":null,"itemNumber":"20","partcode":"P583022001-CM","hotspotLeft":48.8231,"hotspotTop":36.3545,"hotspotBottom":0.0,"hotspotRight":0.0},{"id":null,"itemNumber":"20","partcode":"P159770-CM","hotspotLeft":48.8231,"hotspotTop":36.3545,"hotspotBottom":0.0,"hotspotRight":0.0},{"id":null,"itemNumber":"20","partcode":"P532003146-CM","hotspotLeft":48.8231,"hotspotTop":36.3545,"hotspotBottom":0.0,"hotspotRight":0.0},{"id":null,"itemNumber":"20","partcode":"P532180679-CM","hotspotLeft":48.8231,"hotspotTop":36.3545,"hotspotBottom":0.0,"hotspotRight":0.0},{"id":null,"itemNumber":"20","partcode":"P532050675-CM","hotspotLeft":39.7429,"hotspotTop":36.445499999999996,"hotspotBottom":0.0,"hotspotRight":0.0},{"id":null,"itemNumber":"20","partcode":"P583022001-CM","hotspotLeft":39.7429,"hotspotTop":36.445499999999996,"hotspotBottom":0.0,"hotspotRight":0.0},{"id":null,"itemNumber":"20","partcode":"P159770-CM","hotspotLeft":39.7429,"hotspotTop":36.445499999999996,"hotspotBottom":0.0,"hotspotRight":0.0},{"id":null,"itemNumber":"20","partcode":"P532003146-CM","hotspotLeft":39.7429,"hotspotTop":36.445499999999996,"hotspotBottom":0.0,"hotspotRight":0.0},{"id":null,"itemNumber":"20","partcode":"P532180679-CM","hotspotLeft":39.7429,"hotspotTop":36.445499999999996,"hotspotBottom":0.0,"hotspotRight":0.0},{"id":null,"itemNumber":"21","partcode":"P532106933-CM","hotspotLeft":68.7524,"hotspotTop":19.081799999999998,"hotspotBottom":0.0,"hotspotRight":0.0},{"id":null,"itemNumber":"21","partcode":"P587907801-CM","hotspotLeft":68.7524,"hotspotTop":19.081799999999998,"hotspotBottom":0.0,"hotspotRight":0.0},{"id":null,"itemNumber":"21","partcode":"P873800500-CM","hotspotLeft":68.7524,"hotspotTop":19.081799999999998,"hotspotBottom":0.0,"hotspotRight":0.0},{"id":null,"itemNumber":"21","partcode":"PSTD541431-CM","hotspotLeft":68.7524,"hotspotTop":19.081799999999998,"hotspotBottom":0.0,"hotspotRight":0.0},{"id":null,"itemNumber":"22","partcode":"PSTD541431-CM","hotspotLeft":62.7972,"hotspotTop":17.354499999999998,"hotspotBottom":0.0,"hotspotRight":0.0},{"id":null,"itemNumber":"22","partcode":"P4152J-CM","hotspotLeft":62.7972,"hotspotTop":17.354499999999998,"hotspotBottom":0.0,"hotspotRight":0.0},{"id":null,"itemNumber":"22","partcode":"P532130804-CM","hotspotLeft":62.7972,"hotspotTop":17.354499999999998,"hotspotBottom":0.0,"hotspotRight":0.0},{"id":null,"itemNumber":"22","partcode":"P532165857-CM","hotspotLeft":62.7972,"hotspotTop":17.354499999999998,"hotspotBottom":0.0,"hotspotRight":0.0},{"id":null,"itemNumber":"22","partcode":"P873800500-CM","hotspotLeft":62.7972,"hotspotTop":17.354499999999998,"hotspotBottom":0.0,"hotspotRight":0.0},{"id":null,"itemNumber":"24","partcode":"P532004799-CM","hotspotLeft":32.9033,"hotspotTop":25.081799999999998,"hotspotBottom":0.0,"hotspotRight":0.0},{"id":null,"itemNumber":"24","partcode":"P105304X-CM","hotspotLeft":32.9033,"hotspotTop":25.081799999999998,"hotspotBottom":0.0,"hotspotRight":0.0},{"id":null,"itemNumber":"24","partcode":"P819131016-CM","hotspotLeft":32.9033,"hotspotTop":25.081799999999998,"hotspotBottom":0.0,"hotspotRight":0.0},{"id":null,"itemNumber":"24","partcode":"P819171912-CM","hotspotLeft":32.9033,"hotspotTop":25.081799999999998,"hotspotBottom":0.0,"hotspotRight":0.0},{"id":null,"itemNumber":"24","partcode":"PSTDPART","hotspotLeft":32.9033,"hotspotTop":25.081799999999998,"hotspotBottom":0.0,"hotspotRight":0.0},{"id":null,"itemNumber":"25","partcode":"P532146148-CM","hotspotLeft":45.816,"hotspotTop":42.445499999999996,"hotspotBottom":0.0,"hotspotRight":0.0},{"id":null,"itemNumber":"25","partcode":"P532151332-CM","hotspotLeft":45.816,"hotspotTop":42.445499999999996,"hotspotBottom":0.0,"hotspotRight":0.0},{"id":null,"itemNumber":"25","partcode":"P532154406-CM","hotspotLeft":45.816,"hotspotTop":42.445499999999996,"hotspotBottom":0.0,"hotspotRight":0.0},{"id":null,"itemNumber":"25","partcode":"P582732501-CM","hotspotLeft":45.816,"hotspotTop":42.445499999999996,"hotspotBottom":0.0,"hotspotRight":0.0},{"id":null,"itemNumber":"25","partcode":"P532002876-CM","hotspotLeft":45.816,"hotspotTop":42.445499999999996,"hotspotBottom":0.0,"hotspotRight":0.0},{"id":null,"itemNumber":"25","partcode":"P532123713-CM","hotspotLeft":45.816,"hotspotTop":42.445499999999996,"hotspotBottom":0.0,"hotspotRight":0.0},{"id":null,"itemNumber":"25","partcode":"P532127018-CM","hotspotLeft":45.816,"hotspotTop":42.445499999999996,"hotspotBottom":0.0,"hotspotRight":0.0},{"id":null,"itemNumber":"25","partcode":"P532145996-CM","hotspotLeft":45.816,"hotspotTop":42.445499999999996,"hotspotBottom":0.0,"hotspotRight":0.0},{"id":null,"itemNumber":"26","partcode":"PSTD391015-CM","hotspotLeft":56.9599,"hotspotTop":31.718199999999996,"hotspotBottom":0.0,"hotspotRight":0.0},{"id":null,"itemNumber":"26","partcode":"PSTD541437-CM","hotspotLeft":56.9599,"hotspotTop":31.718199999999996,"hotspotBottom":0.0,"hotspotRight":0.0},{"id":null,"itemNumber":"26","partcode":"PSTD551037-CM","hotspotLeft":56.9599,"hotspotTop":31.718199999999996,"hotspotBottom":0.0,"hotspotRight":0.0},{"id":null,"itemNumber":"26","partcode":"P126847X-CM","hotspotLeft":56.9599,"hotspotTop":31.718199999999996,"hotspotBottom":0.0,"hotspotRight":0.0},{"id":null,"itemNumber":"26","partcode":"PSTD560907-CM","hotspotLeft":56.9599,"hotspotTop":31.718199999999996,"hotspotBottom":0.0,"hotspotRight":0.0},{"id":null,"itemNumber":"26","partcode":"P110452X-CM","hotspotLeft":56.9599,"hotspotTop":31.718199999999996,"hotspotBottom":0.0,"hotspotRight":0.0},{"id":null,"itemNumber":"26","partcode":"P873930600-CM","hotspotLeft":56.9599,"hotspotTop":31.718199999999996,"hotspotBottom":0.0,"hotspotRight":0.0},{"id":null,"itemNumber":"26","partcode":"P819121414-CM","hotspotLeft":56.9599,"hotspotTop":31.718199999999996,"hotspotBottom":0.0,"hotspotRight":0.0},{"id":null,"itemNumber":"26","partcode":"P532126847-CM","hotspotLeft":56.9599,"hotspotTop":31.718199999999996,"hotspotBottom":0.0,"hotspotRight":0.0},{"id":null,"itemNumber":"26","partcode":"PSTDPART","hotspotLeft":56.9599,"hotspotTop":31.718199999999996,"hotspotBottom":0.0,"hotspotRight":0.0},{"id":null,"itemNumber":"27","partcode":"P532136874-CM","hotspotLeft":46.7594,"hotspotTop":65.4,"hotspotBottom":0.0,"hotspotRight":0.0},{"id":null,"itemNumber":"27","partcode":"P152927-CM","hotspotLeft":46.7594,"hotspotTop":65.4,"hotspotBottom":0.0,"hotspotRight":0.0},{"id":null,"itemNumber":"27","partcode":"P532126971-CM","hotspotLeft":46.7594,"hotspotTop":65.4,"hotspotBottom":0.0,"hotspotRight":0.0},{"id":null,"itemNumber":"27","partcode":"P532130968-CM","hotspotLeft":46.7594,"hotspotTop":65.4,"hotspotBottom":0.0,"hotspotRight":0.0},{"id":null,"itemNumber":"27","partcode":"PSTDPART","hotspotLeft":46.7594,"hotspotTop":65.4,"hotspotBottom":0.0,"hotspotRight":0.0},{"id":null,"itemNumber":"28","partcode":"P583699301-CM","hotspotLeft":58.0802,"hotspotTop":64.8545,"hotspotBottom":0.0,"hotspotRight":0.0},{"id":null,"itemNumber":"28","partcode":"P819121414-CM","hotspotLeft":58.0802,"hotspotTop":64.8545,"hotspotBottom":0.0,"hotspotRight":0.0},{"id":null,"itemNumber":"28","partcode":"P532145491-CM","hotspotLeft":58.0802,"hotspotTop":64.8545,"hotspotBottom":0.0,"hotspotRight":0.0},{"id":null,"itemNumber":"28","partcode":"PSTDPART","hotspotLeft":58.0802,"hotspotTop":64.8545,"hotspotBottom":0.0,"hotspotRight":0.0},{"id":null,"itemNumber":"28","partcode":"P145491-CM","hotspotLeft":58.0802,"hotspotTop":64.8545,"hotspotBottom":0.0,"hotspotRight":0.0},{"id":null,"itemNumber":"28","partcode":"P145204-CM","hotspotLeft":58.0802,"hotspotTop":64.8545,"hotspotBottom":0.0,"hotspotRight":0.0},{"id":null,"itemNumber":"28","partcode":"PSTD551037-CM","hotspotLeft":58.0802,"hotspotTop":64.8545,"hotspotBottom":0.0,"hotspotRight":0.0},{"id":null,"itemNumber":"28","partcode":"PSTD541237-CM","hotspotLeft":58.0802,"hotspotTop":64.8545,"hotspotBottom":0.0,"hotspotRight":0.0},{"id":null,"itemNumber":"29","partcode":"P532121305-CM","hotspotLeft":63.9764,"hotspotTop":62.3091,"hotspotBottom":0.0,"hotspotRight":0.0},{"id":null,"itemNumber":"29","partcode":"P584460001-CM","hotspotLeft":63.9764,"hotspotTop":62.3091,"hotspotBottom":0.0,"hotspotRight":0.0},{"id":null,"itemNumber":"29","partcode":"P17000612-CM","hotspotLeft":63.9764,"hotspotTop":62.3091,"hotspotBottom":0.0,"hotspotRight":0.0},{"id":null,"itemNumber":"29","partcode":"P532071673-CM","hotspotLeft":63.9764,"hotspotTop":62.3091,"hotspotBottom":0.0,"hotspotRight":0.0},{"id":null,"itemNumber":"29","partcode":"P532131491-CM","hotspotLeft":63.9764,"hotspotTop":62.3091,"hotspotBottom":0.0,"hotspotRight":0.0},{"id":null,"itemNumber":"29","partcode":"P532137180-CM","hotspotLeft":63.9764,"hotspotTop":62.3091,"hotspotBottom":0.0,"hotspotRight":0.0},{"id":null,"itemNumber":"29","partcode":"P532138057-CM","hotspotLeft":63.9764,"hotspotTop":62.3091,"hotspotBottom":0.0,"hotspotRight":0.0},{"id":null,"itemNumber":"30","partcode":"P532140301-CM","hotspotLeft":38.4458,"hotspotTop":53.6273,"hotspotBottom":0.0,"hotspotRight":0.0},{"id":null,"itemNumber":"30","partcode":"P583713801-CM","hotspotLeft":38.4458,"hotspotTop":53.6273,"hotspotBottom":0.0,"hotspotRight":0.0},{"id":null,"itemNumber":"30","partcode":"P584953901-CM","hotspotLeft":38.4458,"hotspotTop":53.6273,"hotspotBottom":0.0,"hotspotRight":0.0},{"id":null,"itemNumber":"30","partcode":"P532150233-CM","hotspotLeft":38.4458,"hotspotTop":53.6273,"hotspotBottom":0.0,"hotspotRight":0.0},{"id":null,"itemNumber":"30","partcode":"PSTDPART","hotspotLeft":38.4458,"hotspotTop":53.6273,"hotspotBottom":0.0,"hotspotRight":0.0},{"id":null,"itemNumber":"30","partcode":"PSTD561210-CM","hotspotLeft":38.4458,"hotspotTop":53.6273,"hotspotBottom":0.0,"hotspotRight":0.0},{"id":null,"itemNumber":"30","partcode":"P150233-CM","hotspotLeft":38.4458,"hotspotTop":53.6273,"hotspotBottom":0.0,"hotspotRight":0.0},{"id":null,"itemNumber":"31","partcode":"P139976-CM","hotspotLeft":36.559,"hotspotTop":52.6273,"hotspotBottom":0.0,"hotspotRight":0.0},{"id":null,"itemNumber":"31","partcode":"P157103-CM","hotspotLeft":36.559,"hotspotTop":52.6273,"hotspotBottom":0.0,"hotspotRight":0.0},{"id":null,"itemNumber":"31","partcode":"P169865-CM","hotspotLeft":36.559,"hotspotTop":52.6273,"hotspotBottom":0.0,"hotspotRight":0.0},{"id":null,"itemNumber":"31","partcode":"P187690-CM","hotspotLeft":36.559,"hotspotTop":52.6273,"hotspotBottom":0.0,"hotspotRight":0.0},{"id":null,"itemNumber":"31","partcode":"P532124211-CM","hotspotLeft":36.559,"hotspotTop":52.6273,"hotspotBottom":0.0,"hotspotRight":0.0},{"id":null,"itemNumber":"31","partcode":"P532139976-CM","hotspotLeft":36.559,"hotspotTop":52.6273,"hotspotBottom":0.0,"hotspotRight":0.0},{"id":null,"itemNumber":"31","partcode":"P532157103-CM","hotspotLeft":36.559,"hotspotTop":52.6273,"hotspotBottom":0.0,"hotspotRight":0.0},{"id":null,"itemNumber":"31","partcode":"P532169865-CM","hotspotLeft":36.559,"hotspotTop":52.6273,"hotspotBottom":0.0,"hotspotRight":0.0},{"id":null,"itemNumber":"31","partcode":"P532187690-CM","hotspotLeft":36.559,"hotspotTop":52.6273,"hotspotBottom":0.0,"hotspotRight":0.0},{"id":null,"itemNumber":"32","partcode":"P532141226-CM","hotspotLeft":35.0259,"hotspotTop":51.445499999999996,"hotspotBottom":0.0,"hotspotRight":0.0},{"id":null,"itemNumber":"32","partcode":"P73540600-CM","hotspotLeft":35.0259,"hotspotTop":51.445499999999996,"hotspotBottom":0.0,"hotspotRight":0.0},{"id":null,"itemNumber":"32","partcode":"P532161696-CM","hotspotLeft":35.0259,"hotspotTop":51.445499999999996,"hotspotBottom":0.0,"hotspotRight":0.0},{"id":null,"itemNumber":"32","partcode":"P532192757-CM","hotspotLeft":35.0259,"hotspotTop":51.445499999999996,"hotspotBottom":0.0,"hotspotRight":0.0},{"id":null,"itemNumber":"32","partcode":"PSTDPART","hotspotLeft":35.0259,"hotspotTop":51.445499999999996,"hotspotBottom":0.0,"hotspotRight":0.0},{"id":null,"itemNumber":"32","partcode":"P504-00482-CM","hotspotLeft":35.0259,"hotspotTop":51.445499999999996,"hotspotBottom":0.0,"hotspotRight":0.0},{"id":null,"itemNumber":"33","partcode":"P583657601-CM","hotspotLeft":33.6108,"hotspotTop":50.5364,"hotspotBottom":0.0,"hotspotRight":0.0},{"id":null,"itemNumber":"33","partcode":"P123487X-CM","hotspotLeft":33.6108,"hotspotTop":50.5364,"hotspotBottom":0.0,"hotspotRight":0.0},{"id":null,"itemNumber":"33","partcode":"P532139729-CM","hotspotLeft":33.6108,"hotspotTop":50.5364,"hotspotBottom":0.0,"hotspotRight":0.0},{"id":null,"itemNumber":"40","partcode":"P532166145-CM","hotspotLeft":66.8066,"hotspotTop":31.9,"hotspotBottom":0.0,"hotspotRight":0.0},{"id":null,"itemNumber":"40","partcode":"P532124965-CM","hotspotLeft":66.8066,"hotspotTop":31.9,"hotspotBottom":0.0,"hotspotRight":0.0},{"id":null,"itemNumber":"40","partcode":"P873930600-CM","hotspotLeft":66.8066,"hotspotTop":31.9,"hotspotBottom":0.0,"hotspotRight":0.0},{"id":null,"itemNumber":"40","partcode":"PSTDPART","hotspotLeft":66.8066,"hotspotTop":31.9,"hotspotBottom":0.0,"hotspotRight":0.0},{"id":null,"itemNumber":"41","partcode":"P532133551-CM","hotspotLeft":47.0542,"hotspotTop":25.2182,"hotspotBottom":0.0,"hotspotRight":0.0},{"id":null,"itemNumber":"41","partcode":"P539990071-CM","hotspotLeft":47.0542,"hotspotTop":25.2182,"hotspotBottom":0.0,"hotspotRight":0.0},{"id":null,"itemNumber":"41","partcode":"P71110408-CM","hotspotLeft":47.0542,"hotspotTop":25.2182,"hotspotBottom":0.0,"hotspotRight":0.0},{"id":null,"itemNumber":"42","partcode":"P582732501-CM","hotspotLeft":42.75,"hotspotTop":23.9,"hotspotBottom":0.0,"hotspotRight":0.0},{"id":null,"itemNumber":"42","partcode":"P532169633-CM","hotspotLeft":42.75,"hotspotTop":23.9,"hotspotBottom":0.0,"hotspotRight":0.0},{"id":null,"itemNumber":"42","partcode":"P532154336-CM","hotspotLeft":42.75,"hotspotTop":23.9,"hotspotBottom":0.0,"hotspotRight":0.0},{"id":null,"itemNumber":"43","partcode":"P532146154-CM","hotspotLeft":41.7476,"hotspotTop":29.581799999999998,"hotspotBottom":0.0,"hotspotRight":0.0},{"id":null,"itemNumber":"43","partcode":"P121749X-CM","hotspotLeft":41.7476,"hotspotTop":29.581799999999998,"hotspotBottom":0.0,"hotspotRight":0.0},{"id":null,"itemNumber":"43","partcode":"P532140083-CM","hotspotLeft":41.7476,"hotspotTop":29.581799999999998,"hotspotBottom":0.0,"hotspotRight":0.0},{"id":null,"itemNumber":"44","partcode":"P532140088-CM","hotspotLeft":49.8844,"hotspotTop":29.809099999999997,"hotspotBottom":0.0,"hotspotRight":0.0},{"id":null,"itemNumber":"44","partcode":"P532153721-CM","hotspotLeft":49.8844,"hotspotTop":29.809099999999997,"hotspotBottom":0.0,"hotspotRight":0.0},{"id":null,"itemNumber":"44","partcode":"P153721-CM","hotspotLeft":49.8844,"hotspotTop":29.809099999999997,"hotspotBottom":0.0,"hotspotRight":0.0},{"id":null,"itemNumber":"44","partcode":"P140088-CM","hotspotLeft":49.8844,"hotspotTop":29.809099999999997,"hotspotBottom":0.0,"hotspotRight":0.0},{"id":null,"itemNumber":"44","partcode":"P532140088-CM","hotspotLeft":41.3349,"hotspotTop":30.9,"hotspotBottom":0.0,"hotspotRight":0.0},{"id":null,"itemNumber":"44","partcode":"P532153721-CM","hotspotLeft":41.3349,"hotspotTop":30.9,"hotspotBottom":0.0,"hotspotRight":0.0},{"id":null,"itemNumber":"44","partcode":"P153721-CM","hotspotLeft":41.3349,"hotspotTop":30.9,"hotspotBottom":0.0,"hotspotRight":0.0},{"id":null,"itemNumber":"44","partcode":"P140088-CM","hotspotLeft":41.3349,"hotspotTop":30.9,"hotspotBottom":0.0,"hotspotRight":0.0},{"id":null,"itemNumber":"45","partcode":"P532122822-CM","hotspotLeft":53.8349,"hotspotTop":62.6727,"hotspotBottom":0.0,"hotspotRight":0.0},{"id":null,"itemNumber":"45","partcode":"PSTDPART","hotspotLeft":53.8349,"hotspotTop":62.6727,"hotspotBottom":0.0,"hotspotRight":0.0},{"id":null,"itemNumber":"52","partcode":"P532141940-CM","hotspotLeft":57.6085,"hotspotTop":60.8091,"hotspotBottom":0.0,"hotspotRight":0.0},{"id":null,"itemNumber":"52","partcode":"P819091416-CM","hotspotLeft":57.6085,"hotspotTop":60.8091,"hotspotBottom":0.0,"hotspotRight":0.0},{"id":null,"itemNumber":"52","partcode":"P532139888-CM","hotspotLeft":57.6085,"hotspotTop":60.8091,"hotspotBottom":0.0,"hotspotRight":0.0},{"id":null,"itemNumber":"52","partcode":"P873800500-CM","hotspotLeft":57.6085,"hotspotTop":60.8091,"hotspotBottom":0.0,"hotspotRight":0.0},{"id":null,"itemNumber":"55","partcode":"P17490508-CM","hotspotLeft":60.2618,"hotspotTop":67.0818,"hotspotBottom":0.0,"hotspotRight":0.0},{"id":null,"itemNumber":"55","partcode":"P532145202-CM","hotspotLeft":60.2618,"hotspotTop":67.0818,"hotspotBottom":0.0,"hotspotRight":0.0},{"id":null,"itemNumber":"55","partcode":"P105709X-CM","hotspotLeft":60.2618,"hotspotTop":67.0818,"hotspotBottom":0.0,"hotspotRight":0.0},{"id":null,"itemNumber":"55","partcode":"P532155046-CM","hotspotLeft":60.2618,"hotspotTop":67.0818,"hotspotBottom":0.0,"hotspotRight":0.0},{"id":null,"itemNumber":"70","partcode":"P532140413-CM","hotspotLeft":79.3066,"hotspotTop":26.081799999999998,"hotspotBottom":0.0,"hotspotRight":0.0},{"id":null,"itemNumber":"70","partcode":"P532134683-CM","hotspotLeft":79.3066,"hotspotTop":26.081799999999998,"hotspotBottom":0.0,"hotspotRight":0.0}],"itemNumber":null,"partRelatedVariantList":null,"bomCode":null,"totalValue":null,"searchImage":null,"length":null,"width":null,"height":null,"unitOfDimension":null,"weight":null,"unitOfWeight":null,"specialRouting":false,"onlineRepair":null,"previousPartID":null,"sbdDiscountPriceValue":null,"alrCode":null,"productRecallFlag":null,"selectedDocumentId":null,"productDescription":"19.5HP LAWN TRACTOR","pdpImage":null,"ticketId":null,"qtyRequiredPerVariant":null,"isElgibleForRepair":null,"isPowerEligible":null,"productRecallNotes":null,"productOtherInfo":null,"backorderETA":null,"modifiedDate":null,"userLevel":null,"displayPrice":null,"baseProductName":null,"firstVariantCode":null,"firstVariantImage":null,"productMarketType":null,"productNumber":null,"typeStatusCode":null,"productCategory":null,"typeNumber":null,"marketCode":null,"regionCode":null,"otherInformation":null,"productTypeStatus":null,"repairInstruction":null,"repairInstructionStatusDescription":null,"typeStatusDate":null,"serviceLifeDate":null,"manufacturerId":null,"parts":null,"language":null,"glossaries":null,"brand":null,"product":null,"brandCode":null,"recallNotes":null,"volume":null}
Type
0
Why you should buy parts/service with us?
High Quality
Buy high reliable products for your critical projects.
Expert Technicians
We have certified experts, who can resolve any issues of the product.
Quick Support
Our Support lines are open to support all your queries.
Convenient Delivery
Delivered to you at your convenient place.
100% Secured Checkout
We follow highest security standards to make your transaction safe.











