Product quantity has been updated.
|
Your Session will expire in minutes due to inactivity. You will be redirected to the sign-in page. Any unsaved changes to your shopping cart may be lost. |
|
Your session has expired due to inactivity.You will be redirected to the sign-in page.
Any unsaved changes to your shopping cart may be lost. |
Added to Your Shopping Cart
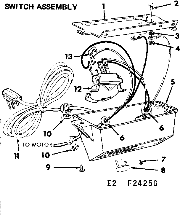
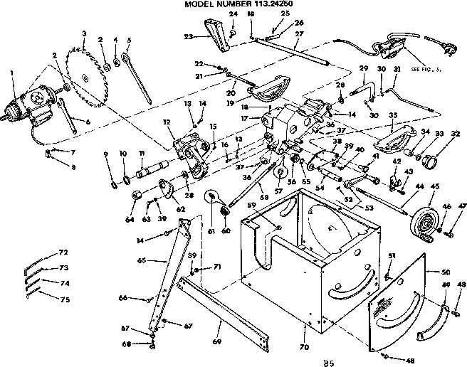
113.24250
- View parts by Products
- View parts by Drawing
Diagram Not Available
Model #113.24250 Qualify for free shipping on orders over$150!
{"code":"113.24250_0","name":null,"url":"/c//p/113.24250_0","description":"0","purchasable":false,"stock":{"stockLevelStatus":{"code":"outOfStock","type":"StockLevelStatus"},"stockLevel":0,"stockThreshold":null},"futureStocks":null,"availableForPickup":false,"averageRating":null,"numberOfReviews":0,"summary":"","manufacturer":null,"variantType":null,"price":null,"baseProduct":"113.24250","images":[],"categories":[],"reviews":[],"classifications":null,"potentialPromotions":null,"variantOptions":null,"baseOptions":[{"variantType":"SBDVariantProduct","options":[{"code":"113.24250_0","stock":{"stockLevelStatus":{"code":"outOfStock","type":"StockLevelStatus"},"stockLevel":0,"stockThreshold":null},"url":"/c//p/113.24250_0","priceData":null,"variantOptionQualifiers":[],"description":"0"}],"selected":{"code":"113.24250_0","stock":{"stockLevelStatus":{"code":"outOfStock","type":"StockLevelStatus"},"stockLevel":0,"stockThreshold":null},"url":"/c//p/113.24250_0","priceData":null,"variantOptionQualifiers":[],"description":"0"},"imageList":[],"note":null,"baseProductPrice":null}],"volumePricesFlag":null,"volumePrices":[],"productReferences":null,"variantMatrix":null,"priceRange":{"minPrice":null,"maxPrice":null},"firstCategoryNameList":null,"multidimensional":false,"configurable":false,"configuratorType":null,"addToCartDisabled":null,"addToCartDisabledMessage":null,"tags":null,"sapUnit":null,"keywords":null,"genders":null,"itemtype":"SBDVariantProduct","partSubstitute":null,"note":null,"recallNote":null,"note1":null,"note2":null,"note3":null,"note4":null,"note5":null,"pdfAllUser":[{"documentID":"21203","documentFileName":"https://www.toolservicenet.com/i/CRAFTSMAN/GLOBALBOM/QU/113.24250/0/Exploded_Diagram/EN/00001556-00001.gif","glossaryText":null,"fileName":"00001556-00001.tif","documentTypeId":"DocumentTypeModel (8796158852958@2)","documentTypeDescription":"Exploded Art","hotspotFlag":true,"userLevel":"ALL","additionalDocumentDescription":null,"id":null,"url":null,"hotspots":null,"width":null,"height":null,"isDeleted":false},{"documentID":"21204","documentFileName":"https://www.toolservicenet.com/i/CRAFTSMAN/GLOBALBOM/QU/113.24250/0/Exploded_Diagram/EN/00001556-00002.gif","glossaryText":null,"fileName":"00001556-00002.tif","documentTypeId":"DocumentTypeModel (8796158852958@2)","documentTypeDescription":"Exploded Art","hotspotFlag":true,"userLevel":"ALL","additionalDocumentDescription":null,"id":null,"url":null,"hotspots":null,"width":null,"height":null,"isDeleted":false},{"documentID":"21205","documentFileName":"https://www.toolservicenet.com/i/CRAFTSMAN/GLOBALBOM/QU/113.24250/0/Exploded_Diagram/EN/00001556-00003.gif","glossaryText":null,"fileName":"00001556-00003.tif","documentTypeId":"DocumentTypeModel (8796158852958@2)","documentTypeDescription":"Exploded Art","hotspotFlag":true,"userLevel":"ALL","additionalDocumentDescription":null,"id":null,"url":null,"hotspots":null,"width":null,"height":null,"isDeleted":false},{"documentID":"21206","documentFileName":"https://www.toolservicenet.com/i/CRAFTSMAN/GLOBALBOM/QU/113.24250/0/Exploded_Diagram/EN/00001556-00004.gif","glossaryText":null,"fileName":"00001556-00004.tif","documentTypeId":"DocumentTypeModel (8796158852958@2)","documentTypeDescription":"Exploded Art","hotspotFlag":true,"userLevel":"ALL","additionalDocumentDescription":null,"id":null,"url":null,"hotspots":null,"width":null,"height":null,"isDeleted":false},{"documentID":"21207","documentFileName":"https://www.toolservicenet.com/i/CRAFTSMAN/GLOBALBOM/QU/113.24250/0/Exploded_Diagram/EN/00001556-00005.gif","glossaryText":null,"fileName":"00001556-00005.tif","documentTypeId":"DocumentTypeModel (8796158852958@2)","documentTypeDescription":"Exploded Art","hotspotFlag":true,"userLevel":"ALL","additionalDocumentDescription":null,"id":null,"url":null,"hotspots":null,"width":null,"height":null,"isDeleted":false},{"documentID":"21208","documentFileName":"https://www.toolservicenet.com/i/CRAFTSMAN/GLOBALBOM/QU/113.24250/0/Exploded_Diagram/EN/00001556-00006.gif","glossaryText":null,"fileName":"00001556-00006.tif","documentTypeId":"DocumentTypeModel (8796158852958@2)","documentTypeDescription":"Exploded Art","hotspotFlag":true,"userLevel":"ALL","additionalDocumentDescription":null,"id":null,"url":null,"hotspots":null,"width":null,"height":null,"isDeleted":false},{"documentID":"21209","documentFileName":"https://www.toolservicenet.com/i/CRAFTSMAN/GLOBALBOM/QU/113.24250/0/Exploded_Diagram/EN/00001556-00007.gif","glossaryText":null,"fileName":"00001556-00007.tif","documentTypeId":"DocumentTypeModel (8796158852958@2)","documentTypeDescription":"Exploded Art","hotspotFlag":true,"userLevel":"ALL","additionalDocumentDescription":null,"id":null,"url":null,"hotspots":null,"width":null,"height":null,"isDeleted":false},{"documentID":"21210","documentFileName":"https://www.toolservicenet.com/i/CRAFTSMAN/GLOBALBOM/QU/113.24250/0/Exploded_Diagram/EN/00001556-00008.gif","glossaryText":null,"fileName":"00001556-00008.tif","documentTypeId":"DocumentTypeModel (8796158852958@2)","documentTypeDescription":"Exploded Art","hotspotFlag":true,"userLevel":"ALL","additionalDocumentDescription":null,"id":null,"url":null,"hotspots":null,"width":null,"height":null,"isDeleted":false}],"pdfAuthUser":[{"documentID":"21203","documentFileName":"https://www.toolservicenet.com/i/CRAFTSMAN/GLOBALBOM/QU/113.24250/0/Exploded_Diagram/EN/00001556-00001.gif","glossaryText":null,"fileName":"00001556-00001.tif","documentTypeId":"DocumentTypeModel (8796158852958@2)","documentTypeDescription":"Exploded Art","hotspotFlag":true,"userLevel":"ALL","additionalDocumentDescription":null,"id":null,"url":null,"hotspots":null,"width":null,"height":null,"isDeleted":false},{"documentID":"21204","documentFileName":"https://www.toolservicenet.com/i/CRAFTSMAN/GLOBALBOM/QU/113.24250/0/Exploded_Diagram/EN/00001556-00002.gif","glossaryText":null,"fileName":"00001556-00002.tif","documentTypeId":"DocumentTypeModel (8796158852958@2)","documentTypeDescription":"Exploded Art","hotspotFlag":true,"userLevel":"ALL","additionalDocumentDescription":null,"id":null,"url":null,"hotspots":null,"width":null,"height":null,"isDeleted":false},{"documentID":"21205","documentFileName":"https://www.toolservicenet.com/i/CRAFTSMAN/GLOBALBOM/QU/113.24250/0/Exploded_Diagram/EN/00001556-00003.gif","glossaryText":null,"fileName":"00001556-00003.tif","documentTypeId":"DocumentTypeModel (8796158852958@2)","documentTypeDescription":"Exploded Art","hotspotFlag":true,"userLevel":"ALL","additionalDocumentDescription":null,"id":null,"url":null,"hotspots":null,"width":null,"height":null,"isDeleted":false},{"documentID":"21206","documentFileName":"https://www.toolservicenet.com/i/CRAFTSMAN/GLOBALBOM/QU/113.24250/0/Exploded_Diagram/EN/00001556-00004.gif","glossaryText":null,"fileName":"00001556-00004.tif","documentTypeId":"DocumentTypeModel (8796158852958@2)","documentTypeDescription":"Exploded Art","hotspotFlag":true,"userLevel":"ALL","additionalDocumentDescription":null,"id":null,"url":null,"hotspots":null,"width":null,"height":null,"isDeleted":false},{"documentID":"21207","documentFileName":"https://www.toolservicenet.com/i/CRAFTSMAN/GLOBALBOM/QU/113.24250/0/Exploded_Diagram/EN/00001556-00005.gif","glossaryText":null,"fileName":"00001556-00005.tif","documentTypeId":"DocumentTypeModel (8796158852958@2)","documentTypeDescription":"Exploded Art","hotspotFlag":true,"userLevel":"ALL","additionalDocumentDescription":null,"id":null,"url":null,"hotspots":null,"width":null,"height":null,"isDeleted":false},{"documentID":"21208","documentFileName":"https://www.toolservicenet.com/i/CRAFTSMAN/GLOBALBOM/QU/113.24250/0/Exploded_Diagram/EN/00001556-00006.gif","glossaryText":null,"fileName":"00001556-00006.tif","documentTypeId":"DocumentTypeModel (8796158852958@2)","documentTypeDescription":"Exploded Art","hotspotFlag":true,"userLevel":"ALL","additionalDocumentDescription":null,"id":null,"url":null,"hotspots":null,"width":null,"height":null,"isDeleted":false},{"documentID":"21209","documentFileName":"https://www.toolservicenet.com/i/CRAFTSMAN/GLOBALBOM/QU/113.24250/0/Exploded_Diagram/EN/00001556-00007.gif","glossaryText":null,"fileName":"00001556-00007.tif","documentTypeId":"DocumentTypeModel (8796158852958@2)","documentTypeDescription":"Exploded Art","hotspotFlag":true,"userLevel":"ALL","additionalDocumentDescription":null,"id":null,"url":null,"hotspots":null,"width":null,"height":null,"isDeleted":false},{"documentID":"21210","documentFileName":"https://www.toolservicenet.com/i/CRAFTSMAN/GLOBALBOM/QU/113.24250/0/Exploded_Diagram/EN/00001556-00008.gif","glossaryText":null,"fileName":"00001556-00008.tif","documentTypeId":"DocumentTypeModel (8796158852958@2)","documentTypeDescription":"Exploded Art","hotspotFlag":true,"userLevel":"ALL","additionalDocumentDescription":null,"id":null,"url":null,"hotspots":null,"width":null,"height":null,"isDeleted":false}],"pdfCOSUser":[{"documentID":"21203","documentFileName":"https://www.toolservicenet.com/i/CRAFTSMAN/GLOBALBOM/QU/113.24250/0/Exploded_Diagram/EN/00001556-00001.gif","glossaryText":null,"fileName":"00001556-00001.tif","documentTypeId":"DocumentTypeModel (8796158852958@2)","documentTypeDescription":"Exploded Art","hotspotFlag":true,"userLevel":"ALL","additionalDocumentDescription":null,"id":null,"url":null,"hotspots":null,"width":null,"height":null,"isDeleted":false},{"documentID":"21204","documentFileName":"https://www.toolservicenet.com/i/CRAFTSMAN/GLOBALBOM/QU/113.24250/0/Exploded_Diagram/EN/00001556-00002.gif","glossaryText":null,"fileName":"00001556-00002.tif","documentTypeId":"DocumentTypeModel (8796158852958@2)","documentTypeDescription":"Exploded Art","hotspotFlag":true,"userLevel":"ALL","additionalDocumentDescription":null,"id":null,"url":null,"hotspots":null,"width":null,"height":null,"isDeleted":false},{"documentID":"21205","documentFileName":"https://www.toolservicenet.com/i/CRAFTSMAN/GLOBALBOM/QU/113.24250/0/Exploded_Diagram/EN/00001556-00003.gif","glossaryText":null,"fileName":"00001556-00003.tif","documentTypeId":"DocumentTypeModel (8796158852958@2)","documentTypeDescription":"Exploded Art","hotspotFlag":true,"userLevel":"ALL","additionalDocumentDescription":null,"id":null,"url":null,"hotspots":null,"width":null,"height":null,"isDeleted":false},{"documentID":"21206","documentFileName":"https://www.toolservicenet.com/i/CRAFTSMAN/GLOBALBOM/QU/113.24250/0/Exploded_Diagram/EN/00001556-00004.gif","glossaryText":null,"fileName":"00001556-00004.tif","documentTypeId":"DocumentTypeModel (8796158852958@2)","documentTypeDescription":"Exploded Art","hotspotFlag":true,"userLevel":"ALL","additionalDocumentDescription":null,"id":null,"url":null,"hotspots":null,"width":null,"height":null,"isDeleted":false},{"documentID":"21207","documentFileName":"https://www.toolservicenet.com/i/CRAFTSMAN/GLOBALBOM/QU/113.24250/0/Exploded_Diagram/EN/00001556-00005.gif","glossaryText":null,"fileName":"00001556-00005.tif","documentTypeId":"DocumentTypeModel (8796158852958@2)","documentTypeDescription":"Exploded Art","hotspotFlag":true,"userLevel":"ALL","additionalDocumentDescription":null,"id":null,"url":null,"hotspots":null,"width":null,"height":null,"isDeleted":false},{"documentID":"21208","documentFileName":"https://www.toolservicenet.com/i/CRAFTSMAN/GLOBALBOM/QU/113.24250/0/Exploded_Diagram/EN/00001556-00006.gif","glossaryText":null,"fileName":"00001556-00006.tif","documentTypeId":"DocumentTypeModel (8796158852958@2)","documentTypeDescription":"Exploded Art","hotspotFlag":true,"userLevel":"ALL","additionalDocumentDescription":null,"id":null,"url":null,"hotspots":null,"width":null,"height":null,"isDeleted":false},{"documentID":"21209","documentFileName":"https://www.toolservicenet.com/i/CRAFTSMAN/GLOBALBOM/QU/113.24250/0/Exploded_Diagram/EN/00001556-00007.gif","glossaryText":null,"fileName":"00001556-00007.tif","documentTypeId":"DocumentTypeModel (8796158852958@2)","documentTypeDescription":"Exploded Art","hotspotFlag":true,"userLevel":"ALL","additionalDocumentDescription":null,"id":null,"url":null,"hotspots":null,"width":null,"height":null,"isDeleted":false},{"documentID":"21210","documentFileName":"https://www.toolservicenet.com/i/CRAFTSMAN/GLOBALBOM/QU/113.24250/0/Exploded_Diagram/EN/00001556-00008.gif","glossaryText":null,"fileName":"00001556-00008.tif","documentTypeId":"DocumentTypeModel (8796158852958@2)","documentTypeDescription":"Exploded Art","hotspotFlag":true,"userLevel":"ALL","additionalDocumentDescription":null,"id":null,"url":null,"hotspots":null,"width":null,"height":null,"isDeleted":false}],"vaiantRelatedPartList":[{"code":"P50675-CM","name":null,"url":"/c//p/P50675-CM","description":"NUT","purchasable":false,"stock":{"stockLevelStatus":{"code":"outOfStock","type":"StockLevelStatus"},"stockLevel":0,"stockThreshold":null},"futureStocks":null,"availableForPickup":null,"averageRating":null,"numberOfReviews":null,"summary":null,"manufacturer":null,"variantType":null,"price":null,"baseProduct":null,"images":[],"categories":null,"reviews":null,"classifications":null,"potentialPromotions":null,"variantOptions":null,"baseOptions":[],"volumePricesFlag":null,"volumePrices":null,"productReferences":null,"variantMatrix":null,"priceRange":null,"firstCategoryNameList":null,"multidimensional":null,"configurable":false,"configuratorType":null,"addToCartDisabled":null,"addToCartDisabledMessage":null,"tags":null,"sapUnit":null,"keywords":null,"genders":null,"itemtype":"Part","partSubstitute":"P532106388-CM","note":null,"recallNote":null,"note1":null,"note2":null,"note3":null,"note4":null,"note5":null,"pdfAllUser":null,"pdfAuthUser":null,"pdfCOSUser":null,"vaiantRelatedPartList":null,"partHotspotList":null,"itemNumber":1,"partRelatedVariantList":null,"bomCode":4,"totalValue":null,"searchImage":null,"length":null,"width":null,"height":null,"unitOfDimension":null,"weight":null,"unitOfWeight":null,"specialRouting":false,"onlineRepair":null,"previousPartID":null,"sbdDiscountPriceValue":null,"alrCode":null,"productRecallFlag":null,"selectedDocumentId":null,"productDescription":null,"pdpImage":null,"ticketId":null,"qtyRequiredPerVariant":"1","isElgibleForRepair":null,"isPowerEligible":null,"productRecallNotes":null,"productOtherInfo":null,"backorderETA":null,"modifiedDate":null,"userLevel":"COS","displayPrice":null,"baseProductName":null,"firstVariantCode":null,"firstVariantImage":null,"productMarketType":null,"productNumber":null,"typeStatusCode":null,"productCategory":null,"typeNumber":null,"marketCode":null,"regionCode":null,"otherInformation":null,"productTypeStatus":null,"repairInstruction":null,"repairInstructionStatusDescription":null,"typeStatusDate":null,"serviceLifeDate":null,"manufacturerId":null,"parts":null,"language":null,"glossaries":null,"brand":null,"product":null,"brandCode":null,"recallNotes":null,"volume":null},{"code":"P50675-CM","name":null,"url":"/c//p/P50675-CM","description":"NUT","purchasable":false,"stock":{"stockLevelStatus":{"code":"outOfStock","type":"StockLevelStatus"},"stockLevel":0,"stockThreshold":null},"futureStocks":null,"availableForPickup":null,"averageRating":null,"numberOfReviews":null,"summary":null,"manufacturer":null,"variantType":null,"price":null,"baseProduct":null,"images":[],"categories":null,"reviews":null,"classifications":null,"potentialPromotions":null,"variantOptions":null,"baseOptions":[],"volumePricesFlag":null,"volumePrices":null,"productReferences":null,"variantMatrix":null,"priceRange":null,"firstCategoryNameList":null,"multidimensional":null,"configurable":false,"configuratorType":null,"addToCartDisabled":null,"addToCartDisabledMessage":null,"tags":null,"sapUnit":null,"keywords":null,"genders":null,"itemtype":"Part","partSubstitute":"P532106388-CM","note":null,"recallNote":null,"note1":null,"note2":null,"note3":null,"note4":null,"note5":null,"pdfAllUser":null,"pdfAuthUser":null,"pdfCOSUser":null,"vaiantRelatedPartList":null,"partHotspotList":null,"itemNumber":1,"partRelatedVariantList":null,"bomCode":4,"totalValue":null,"searchImage":null,"length":null,"width":null,"height":null,"unitOfDimension":null,"weight":null,"unitOfWeight":null,"specialRouting":false,"onlineRepair":null,"previousPartID":null,"sbdDiscountPriceValue":null,"alrCode":null,"productRecallFlag":null,"selectedDocumentId":null,"productDescription":null,"pdpImage":null,"ticketId":null,"qtyRequiredPerVariant":"1","isElgibleForRepair":null,"isPowerEligible":null,"productRecallNotes":null,"productOtherInfo":null,"backorderETA":null,"modifiedDate":null,"userLevel":"COS","displayPrice":null,"baseProductName":null,"firstVariantCode":null,"firstVariantImage":null,"productMarketType":null,"productNumber":null,"typeStatusCode":null,"productCategory":null,"typeNumber":null,"marketCode":null,"regionCode":null,"otherInformation":null,"productTypeStatus":null,"repairInstruction":null,"repairInstructionStatusDescription":null,"typeStatusDate":null,"serviceLifeDate":null,"manufacturerId":null,"parts":null,"language":null,"glossaries":null,"brand":null,"product":null,"brandCode":null,"recallNotes":null,"volume":null},{"code":"P50675-CM","name":null,"url":"/c//p/P50675-CM","description":"NUT","purchasable":false,"stock":{"stockLevelStatus":{"code":"outOfStock","type":"StockLevelStatus"},"stockLevel":0,"stockThreshold":null},"futureStocks":null,"availableForPickup":null,"averageRating":null,"numberOfReviews":null,"summary":null,"manufacturer":null,"variantType":null,"price":null,"baseProduct":null,"images":[],"categories":null,"reviews":null,"classifications":null,"potentialPromotions":null,"variantOptions":null,"baseOptions":[],"volumePricesFlag":null,"volumePrices":null,"productReferences":null,"variantMatrix":null,"priceRange":null,"firstCategoryNameList":null,"multidimensional":null,"configurable":false,"configuratorType":null,"addToCartDisabled":null,"addToCartDisabledMessage":null,"tags":null,"sapUnit":null,"keywords":null,"genders":null,"itemtype":"Part","partSubstitute":"P532106388-CM","note":null,"recallNote":null,"note1":null,"note2":null,"note3":null,"note4":null,"note5":null,"pdfAllUser":null,"pdfAuthUser":null,"pdfCOSUser":null,"vaiantRelatedPartList":null,"partHotspotList":null,"itemNumber":1,"partRelatedVariantList":null,"bomCode":4,"totalValue":null,"searchImage":null,"length":null,"width":null,"height":null,"unitOfDimension":null,"weight":null,"unitOfWeight":null,"specialRouting":false,"onlineRepair":null,"previousPartID":null,"sbdDiscountPriceValue":null,"alrCode":null,"productRecallFlag":null,"selectedDocumentId":null,"productDescription":null,"pdpImage":null,"ticketId":null,"qtyRequiredPerVariant":"1","isElgibleForRepair":null,"isPowerEligible":null,"productRecallNotes":null,"productOtherInfo":null,"backorderETA":null,"modifiedDate":null,"userLevel":"COS","displayPrice":null,"baseProductName":null,"firstVariantCode":null,"firstVariantImage":null,"productMarketType":null,"productNumber":null,"typeStatusCode":null,"productCategory":null,"typeNumber":null,"marketCode":null,"regionCode":null,"otherInformation":null,"productTypeStatus":null,"repairInstruction":null,"repairInstructionStatusDescription":null,"typeStatusDate":null,"serviceLifeDate":null,"manufacturerId":null,"parts":null,"language":null,"glossaries":null,"brand":null,"product":null,"brandCode":null,"recallNotes":null,"volume":null},{"code":"P532050675-CM","name":null,"url":"/c//p/P532050675-CM","description":"NUT.HEX..25-","purchasable":true,"stock":{"stockLevelStatus":{"code":"inStock","type":"StockLevelStatus"},"stockLevel":0,"stockThreshold":null},"futureStocks":null,"availableForPickup":null,"averageRating":null,"numberOfReviews":null,"summary":null,"manufacturer":null,"variantType":null,"price":{"currencyIso":"USD","value":3.1,"priceType":"BUY","formattedValue":"$3.10","minQuantity":null,"maxQuantity":null,"sapUnit":{"code":"pieces","name":"Piece"}},"baseProduct":null,"images":[],"categories":null,"reviews":null,"classifications":null,"potentialPromotions":null,"variantOptions":null,"baseOptions":[],"volumePricesFlag":null,"volumePrices":null,"productReferences":null,"variantMatrix":null,"priceRange":null,"firstCategoryNameList":null,"multidimensional":null,"configurable":false,"configuratorType":null,"addToCartDisabled":null,"addToCartDisabledMessage":null,"tags":null,"sapUnit":null,"keywords":null,"genders":null,"itemtype":"Part","partSubstitute":null,"note":null,"recallNote":null,"note1":null,"note2":null,"note3":null,"note4":null,"note5":null,"pdfAllUser":null,"pdfAuthUser":null,"pdfCOSUser":null,"vaiantRelatedPartList":null,"partHotspotList":null,"itemNumber":1,"partRelatedVariantList":null,"bomCode":2,"totalValue":null,"searchImage":null,"length":null,"width":null,"height":null,"unitOfDimension":null,"weight":null,"unitOfWeight":null,"specialRouting":false,"onlineRepair":null,"previousPartID":null,"sbdDiscountPriceValue":{"currencyIso":"USD","value":3.1,"priceType":"BUY","formattedValue":"$3.10","minQuantity":null,"maxQuantity":null,"sapUnit":{"code":"pieces","name":"Piece"}},"alrCode":null,"productRecallFlag":null,"selectedDocumentId":null,"productDescription":null,"pdpImage":null,"ticketId":null,"qtyRequiredPerVariant":"1","isElgibleForRepair":null,"isPowerEligible":null,"productRecallNotes":null,"productOtherInfo":null,"backorderETA":"00/00/0000","modifiedDate":null,"userLevel":"COS","displayPrice":null,"baseProductName":null,"firstVariantCode":null,"firstVariantImage":null,"productMarketType":null,"productNumber":null,"typeStatusCode":null,"productCategory":null,"typeNumber":null,"marketCode":null,"regionCode":null,"otherInformation":null,"productTypeStatus":null,"repairInstruction":null,"repairInstructionStatusDescription":null,"typeStatusDate":null,"serviceLifeDate":null,"manufacturerId":null,"parts":null,"language":null,"glossaries":null,"brand":null,"product":null,"brandCode":null,"recallNotes":null,"volume":null},{"code":"P532050675-CM","name":null,"url":"/c//p/P532050675-CM","description":"NUT.HEX..25-","purchasable":true,"stock":{"stockLevelStatus":{"code":"inStock","type":"StockLevelStatus"},"stockLevel":0,"stockThreshold":null},"futureStocks":null,"availableForPickup":null,"averageRating":null,"numberOfReviews":null,"summary":null,"manufacturer":null,"variantType":null,"price":{"currencyIso":"USD","value":3.1,"priceType":"BUY","formattedValue":"$3.10","minQuantity":null,"maxQuantity":null,"sapUnit":{"code":"pieces","name":"Piece"}},"baseProduct":null,"images":[],"categories":null,"reviews":null,"classifications":null,"potentialPromotions":null,"variantOptions":null,"baseOptions":[],"volumePricesFlag":null,"volumePrices":null,"productReferences":null,"variantMatrix":null,"priceRange":null,"firstCategoryNameList":null,"multidimensional":null,"configurable":false,"configuratorType":null,"addToCartDisabled":null,"addToCartDisabledMessage":null,"tags":null,"sapUnit":null,"keywords":null,"genders":null,"itemtype":"Part","partSubstitute":null,"note":null,"recallNote":null,"note1":null,"note2":null,"note3":null,"note4":null,"note5":null,"pdfAllUser":null,"pdfAuthUser":null,"pdfCOSUser":null,"vaiantRelatedPartList":null,"partHotspotList":null,"itemNumber":1,"partRelatedVariantList":null,"bomCode":2,"totalValue":null,"searchImage":null,"length":null,"width":null,"height":null,"unitOfDimension":null,"weight":null,"unitOfWeight":null,"specialRouting":false,"onlineRepair":null,"previousPartID":null,"sbdDiscountPriceValue":{"currencyIso":"USD","value":3.1,"priceType":"BUY","formattedValue":"$3.10","minQuantity":null,"maxQuantity":null,"sapUnit":{"code":"pieces","name":"Piece"}},"alrCode":null,"productRecallFlag":null,"selectedDocumentId":null,"productDescription":null,"pdpImage":null,"ticketId":null,"qtyRequiredPerVariant":"1","isElgibleForRepair":null,"isPowerEligible":null,"productRecallNotes":null,"productOtherInfo":null,"backorderETA":"00/00/0000","modifiedDate":null,"userLevel":"COS","displayPrice":null,"baseProductName":null,"firstVariantCode":null,"firstVariantImage":null,"productMarketType":null,"productNumber":null,"typeStatusCode":null,"productCategory":null,"typeNumber":null,"marketCode":null,"regionCode":null,"otherInformation":null,"productTypeStatus":null,"repairInstruction":null,"repairInstructionStatusDescription":null,"typeStatusDate":null,"serviceLifeDate":null,"manufacturerId":null,"parts":null,"language":null,"glossaries":null,"brand":null,"product":null,"brandCode":null,"recallNotes":null,"volume":null},{"code":"P532050675-CM","name":null,"url":"/c//p/P532050675-CM","description":"NUT.HEX..25-","purchasable":true,"stock":{"stockLevelStatus":{"code":"inStock","type":"StockLevelStatus"},"stockLevel":0,"stockThreshold":null},"futureStocks":null,"availableForPickup":null,"averageRating":null,"numberOfReviews":null,"summary":null,"manufacturer":null,"variantType":null,"price":{"currencyIso":"USD","value":3.1,"priceType":"BUY","formattedValue":"$3.10","minQuantity":null,"maxQuantity":null,"sapUnit":{"code":"pieces","name":"Piece"}},"baseProduct":null,"images":[],"categories":null,"reviews":null,"classifications":null,"potentialPromotions":null,"variantOptions":null,"baseOptions":[],"volumePricesFlag":null,"volumePrices":null,"productReferences":null,"variantMatrix":null,"priceRange":null,"firstCategoryNameList":null,"multidimensional":null,"configurable":false,"configuratorType":null,"addToCartDisabled":null,"addToCartDisabledMessage":null,"tags":null,"sapUnit":null,"keywords":null,"genders":null,"itemtype":"Part","partSubstitute":null,"note":null,"recallNote":null,"note1":null,"note2":null,"note3":null,"note4":null,"note5":null,"pdfAllUser":null,"pdfAuthUser":null,"pdfCOSUser":null,"vaiantRelatedPartList":null,"partHotspotList":null,"itemNumber":1,"partRelatedVariantList":null,"bomCode":2,"totalValue":null,"searchImage":null,"length":null,"width":null,"height":null,"unitOfDimension":null,"weight":null,"unitOfWeight":null,"specialRouting":false,"onlineRepair":null,"previousPartID":null,"sbdDiscountPriceValue":{"currencyIso":"USD","value":3.1,"priceType":"BUY","formattedValue":"$3.10","minQuantity":null,"maxQuantity":null,"sapUnit":{"code":"pieces","name":"Piece"}},"alrCode":null,"productRecallFlag":null,"selectedDocumentId":null,"productDescription":null,"pdpImage":null,"ticketId":null,"qtyRequiredPerVariant":"1","isElgibleForRepair":null,"isPowerEligible":null,"productRecallNotes":null,"productOtherInfo":null,"backorderETA":"00/00/0000","modifiedDate":null,"userLevel":"COS","displayPrice":null,"baseProductName":null,"firstVariantCode":null,"firstVariantImage":null,"productMarketType":null,"productNumber":null,"typeStatusCode":null,"productCategory":null,"typeNumber":null,"marketCode":null,"regionCode":null,"otherInformation":null,"productTypeStatus":null,"repairInstruction":null,"repairInstructionStatusDescription":null,"typeStatusDate":null,"serviceLifeDate":null,"manufacturerId":null,"parts":null,"language":null,"glossaries":null,"brand":null,"product":null,"brandCode":null,"recallNotes":null,"volume":null},{"code":"P60208-D-CM","name":null,"url":"/c//p/P60208-D-CM","description":"NUT","purchasable":false,"stock":{"stockLevelStatus":{"code":"outOfStock","type":"StockLevelStatus"},"stockLevel":0,"stockThreshold":null},"futureStocks":null,"availableForPickup":null,"averageRating":null,"numberOfReviews":null,"summary":null,"manufacturer":null,"variantType":null,"price":null,"baseProduct":null,"images":[],"categories":null,"reviews":null,"classifications":null,"potentialPromotions":null,"variantOptions":null,"baseOptions":[],"volumePricesFlag":null,"volumePrices":null,"productReferences":null,"variantMatrix":null,"priceRange":null,"firstCategoryNameList":null,"multidimensional":null,"configurable":false,"configuratorType":null,"addToCartDisabled":null,"addToCartDisabledMessage":null,"tags":null,"sapUnit":null,"keywords":null,"genders":null,"itemtype":"Part","partSubstitute":null,"note":null,"recallNote":null,"note1":null,"note2":null,"note3":null,"note4":null,"note5":null,"pdfAllUser":null,"pdfAuthUser":null,"pdfCOSUser":null,"vaiantRelatedPartList":null,"partHotspotList":null,"itemNumber":1,"partRelatedVariantList":null,"bomCode":4,"totalValue":null,"searchImage":null,"length":null,"width":null,"height":null,"unitOfDimension":null,"weight":null,"unitOfWeight":null,"specialRouting":false,"onlineRepair":null,"previousPartID":null,"sbdDiscountPriceValue":null,"alrCode":null,"productRecallFlag":null,"selectedDocumentId":null,"productDescription":null,"pdpImage":null,"ticketId":null,"qtyRequiredPerVariant":"1","isElgibleForRepair":null,"isPowerEligible":null,"productRecallNotes":null,"productOtherInfo":null,"backorderETA":null,"modifiedDate":null,"userLevel":"COS","displayPrice":null,"baseProductName":null,"firstVariantCode":null,"firstVariantImage":null,"productMarketType":null,"productNumber":null,"typeStatusCode":null,"productCategory":null,"typeNumber":null,"marketCode":null,"regionCode":null,"otherInformation":null,"productTypeStatus":null,"repairInstruction":null,"repairInstructionStatusDescription":null,"typeStatusDate":null,"serviceLifeDate":null,"manufacturerId":null,"parts":null,"language":null,"glossaries":null,"brand":null,"product":null,"brandCode":null,"recallNotes":null,"volume":null},{"code":"P62693-CM","name":null,"url":"/c//p/P62693-CM","description":"BUTTON","purchasable":false,"stock":{"stockLevelStatus":{"code":"outOfStock","type":"StockLevelStatus"},"stockLevel":0,"stockThreshold":null},"futureStocks":null,"availableForPickup":null,"averageRating":null,"numberOfReviews":null,"summary":null,"manufacturer":null,"variantType":null,"price":null,"baseProduct":null,"images":[],"categories":null,"reviews":null,"classifications":null,"potentialPromotions":null,"variantOptions":null,"baseOptions":[],"volumePricesFlag":null,"volumePrices":null,"productReferences":null,"variantMatrix":null,"priceRange":null,"firstCategoryNameList":null,"multidimensional":null,"configurable":false,"configuratorType":null,"addToCartDisabled":null,"addToCartDisabledMessage":null,"tags":null,"sapUnit":null,"keywords":null,"genders":null,"itemtype":"Part","partSubstitute":null,"note":null,"recallNote":null,"note1":null,"note2":null,"note3":null,"note4":null,"note5":null,"pdfAllUser":null,"pdfAuthUser":null,"pdfCOSUser":null,"vaiantRelatedPartList":null,"partHotspotList":null,"itemNumber":1,"partRelatedVariantList":null,"bomCode":4,"totalValue":null,"searchImage":null,"length":null,"width":null,"height":null,"unitOfDimension":null,"weight":null,"unitOfWeight":null,"specialRouting":false,"onlineRepair":null,"previousPartID":null,"sbdDiscountPriceValue":null,"alrCode":null,"productRecallFlag":null,"selectedDocumentId":null,"productDescription":null,"pdpImage":null,"ticketId":null,"qtyRequiredPerVariant":"1","isElgibleForRepair":null,"isPowerEligible":null,"productRecallNotes":null,"productOtherInfo":null,"backorderETA":null,"modifiedDate":null,"userLevel":"COS","displayPrice":null,"baseProductName":null,"firstVariantCode":null,"firstVariantImage":null,"productMarketType":null,"productNumber":null,"typeStatusCode":null,"productCategory":null,"typeNumber":null,"marketCode":null,"regionCode":null,"otherInformation":null,"productTypeStatus":null,"repairInstruction":null,"repairInstructionStatusDescription":null,"typeStatusDate":null,"serviceLifeDate":null,"manufacturerId":null,"parts":null,"language":null,"glossaries":null,"brand":null,"product":null,"brandCode":null,"recallNotes":null,"volume":null},{"code":"PSTD522510-CM","name":null,"url":"/c//p/PSTD522510-CM","description":"SCREW 1/4-20X1IN","purchasable":false,"stock":{"stockLevelStatus":{"code":"outOfStock","type":"StockLevelStatus"},"stockLevel":0,"stockThreshold":null},"futureStocks":null,"availableForPickup":null,"averageRating":null,"numberOfReviews":null,"summary":null,"manufacturer":null,"variantType":null,"price":null,"baseProduct":null,"images":[],"categories":null,"reviews":null,"classifications":null,"potentialPromotions":null,"variantOptions":null,"baseOptions":[],"volumePricesFlag":null,"volumePrices":null,"productReferences":null,"variantMatrix":null,"priceRange":null,"firstCategoryNameList":null,"multidimensional":null,"configurable":false,"configuratorType":null,"addToCartDisabled":null,"addToCartDisabledMessage":null,"tags":null,"sapUnit":null,"keywords":null,"genders":null,"itemtype":"Part","partSubstitute":"PSTDPART","note":null,"recallNote":null,"note1":null,"note2":null,"note3":null,"note4":null,"note5":null,"pdfAllUser":null,"pdfAuthUser":null,"pdfCOSUser":null,"vaiantRelatedPartList":null,"partHotspotList":null,"itemNumber":1,"partRelatedVariantList":null,"bomCode":4,"totalValue":null,"searchImage":null,"length":null,"width":null,"height":null,"unitOfDimension":null,"weight":null,"unitOfWeight":null,"specialRouting":false,"onlineRepair":null,"previousPartID":null,"sbdDiscountPriceValue":null,"alrCode":null,"productRecallFlag":null,"selectedDocumentId":null,"productDescription":null,"pdpImage":null,"ticketId":null,"qtyRequiredPerVariant":"1","isElgibleForRepair":null,"isPowerEligible":null,"productRecallNotes":null,"productOtherInfo":null,"backorderETA":null,"modifiedDate":null,"userLevel":"COS","displayPrice":null,"baseProductName":null,"firstVariantCode":null,"firstVariantImage":null,"productMarketType":null,"productNumber":null,"typeStatusCode":null,"productCategory":null,"typeNumber":null,"marketCode":null,"regionCode":null,"otherInformation":null,"productTypeStatus":null,"repairInstruction":null,"repairInstructionStatusDescription":null,"typeStatusDate":null,"serviceLifeDate":null,"manufacturerId":null,"parts":null,"language":null,"glossaries":null,"brand":null,"product":null,"brandCode":null,"recallNotes":null,"volume":null},{"code":"PSTD541025-CM","name":null,"url":"/c//p/PSTD541025-CM","description":"NUT","purchasable":false,"stock":{"stockLevelStatus":{"code":"outOfStock","type":"StockLevelStatus"},"stockLevel":0,"stockThreshold":null},"futureStocks":null,"availableForPickup":null,"averageRating":null,"numberOfReviews":null,"summary":null,"manufacturer":null,"variantType":null,"price":null,"baseProduct":null,"images":[],"categories":null,"reviews":null,"classifications":null,"potentialPromotions":null,"variantOptions":null,"baseOptions":[],"volumePricesFlag":null,"volumePrices":null,"productReferences":null,"variantMatrix":null,"priceRange":null,"firstCategoryNameList":null,"multidimensional":null,"configurable":false,"configuratorType":null,"addToCartDisabled":null,"addToCartDisabledMessage":null,"tags":null,"sapUnit":null,"keywords":null,"genders":null,"itemtype":"Part","partSubstitute":"P532106388-CM","note":null,"recallNote":null,"note1":null,"note2":null,"note3":null,"note4":null,"note5":null,"pdfAllUser":null,"pdfAuthUser":null,"pdfCOSUser":null,"vaiantRelatedPartList":null,"partHotspotList":null,"itemNumber":1,"partRelatedVariantList":null,"bomCode":4,"totalValue":null,"searchImage":null,"length":null,"width":null,"height":null,"unitOfDimension":null,"weight":null,"unitOfWeight":null,"specialRouting":false,"onlineRepair":null,"previousPartID":null,"sbdDiscountPriceValue":null,"alrCode":null,"productRecallFlag":null,"selectedDocumentId":null,"productDescription":null,"pdpImage":null,"ticketId":null,"qtyRequiredPerVariant":"1","isElgibleForRepair":null,"isPowerEligible":null,"productRecallNotes":null,"productOtherInfo":null,"backorderETA":null,"modifiedDate":null,"userLevel":"COS","displayPrice":null,"baseProductName":null,"firstVariantCode":null,"firstVariantImage":null,"productMarketType":null,"productNumber":null,"typeStatusCode":null,"productCategory":null,"typeNumber":null,"marketCode":null,"regionCode":null,"otherInformation":null,"productTypeStatus":null,"repairInstruction":null,"repairInstructionStatusDescription":null,"typeStatusDate":null,"serviceLifeDate":null,"manufacturerId":null,"parts":null,"language":null,"glossaries":null,"brand":null,"product":null,"brandCode":null,"recallNotes":null,"volume":null},{"code":"PSTD541025-CM","name":null,"url":"/c//p/PSTD541025-CM","description":"NUT","purchasable":false,"stock":{"stockLevelStatus":{"code":"outOfStock","type":"StockLevelStatus"},"stockLevel":0,"stockThreshold":null},"futureStocks":null,"availableForPickup":null,"averageRating":null,"numberOfReviews":null,"summary":null,"manufacturer":null,"variantType":null,"price":null,"baseProduct":null,"images":[],"categories":null,"reviews":null,"classifications":null,"potentialPromotions":null,"variantOptions":null,"baseOptions":[],"volumePricesFlag":null,"volumePrices":null,"productReferences":null,"variantMatrix":null,"priceRange":null,"firstCategoryNameList":null,"multidimensional":null,"configurable":false,"configuratorType":null,"addToCartDisabled":null,"addToCartDisabledMessage":null,"tags":null,"sapUnit":null,"keywords":null,"genders":null,"itemtype":"Part","partSubstitute":"P532106388-CM","note":null,"recallNote":null,"note1":null,"note2":null,"note3":null,"note4":null,"note5":null,"pdfAllUser":null,"pdfAuthUser":null,"pdfCOSUser":null,"vaiantRelatedPartList":null,"partHotspotList":null,"itemNumber":1,"partRelatedVariantList":null,"bomCode":4,"totalValue":null,"searchImage":null,"length":null,"width":null,"height":null,"unitOfDimension":null,"weight":null,"unitOfWeight":null,"specialRouting":false,"onlineRepair":null,"previousPartID":null,"sbdDiscountPriceValue":null,"alrCode":null,"productRecallFlag":null,"selectedDocumentId":null,"productDescription":null,"pdpImage":null,"ticketId":null,"qtyRequiredPerVariant":"1","isElgibleForRepair":null,"isPowerEligible":null,"productRecallNotes":null,"productOtherInfo":null,"backorderETA":null,"modifiedDate":null,"userLevel":"COS","displayPrice":null,"baseProductName":null,"firstVariantCode":null,"firstVariantImage":null,"productMarketType":null,"productNumber":null,"typeStatusCode":null,"productCategory":null,"typeNumber":null,"marketCode":null,"regionCode":null,"otherInformation":null,"productTypeStatus":null,"repairInstruction":null,"repairInstructionStatusDescription":null,"typeStatusDate":null,"serviceLifeDate":null,"manufacturerId":null,"parts":null,"language":null,"glossaries":null,"brand":null,"product":null,"brandCode":null,"recallNotes":null,"volume":null},{"code":"P30494-CM","name":null,"url":"/c//p/P30494-CM","description":"COLLAR","purchasable":false,"stock":{"stockLevelStatus":{"code":"outOfStock","type":"StockLevelStatus"},"stockLevel":0,"stockThreshold":null},"futureStocks":null,"availableForPickup":null,"averageRating":null,"numberOfReviews":null,"summary":null,"manufacturer":null,"variantType":null,"price":null,"baseProduct":null,"images":[],"categories":null,"reviews":null,"classifications":null,"potentialPromotions":null,"variantOptions":null,"baseOptions":[],"volumePricesFlag":null,"volumePrices":null,"productReferences":null,"variantMatrix":null,"priceRange":null,"firstCategoryNameList":null,"multidimensional":null,"configurable":false,"configuratorType":null,"addToCartDisabled":null,"addToCartDisabledMessage":null,"tags":null,"sapUnit":null,"keywords":null,"genders":null,"itemtype":"Part","partSubstitute":null,"note":null,"recallNote":null,"note1":null,"note2":null,"note3":null,"note4":null,"note5":null,"pdfAllUser":null,"pdfAuthUser":null,"pdfCOSUser":null,"vaiantRelatedPartList":null,"partHotspotList":null,"itemNumber":2,"partRelatedVariantList":null,"bomCode":4,"totalValue":null,"searchImage":null,"length":null,"width":null,"height":null,"unitOfDimension":null,"weight":null,"unitOfWeight":null,"specialRouting":false,"onlineRepair":null,"previousPartID":null,"sbdDiscountPriceValue":null,"alrCode":null,"productRecallFlag":null,"selectedDocumentId":null,"productDescription":null,"pdpImage":null,"ticketId":null,"qtyRequiredPerVariant":"1","isElgibleForRepair":null,"isPowerEligible":null,"productRecallNotes":null,"productOtherInfo":null,"backorderETA":null,"modifiedDate":null,"userLevel":"COS","displayPrice":null,"baseProductName":null,"firstVariantCode":null,"firstVariantImage":null,"productMarketType":null,"productNumber":null,"typeStatusCode":null,"productCategory":null,"typeNumber":null,"marketCode":null,"regionCode":null,"otherInformation":null,"productTypeStatus":null,"repairInstruction":null,"repairInstructionStatusDescription":null,"typeStatusDate":null,"serviceLifeDate":null,"manufacturerId":null,"parts":null,"language":null,"glossaries":null,"brand":null,"product":null,"brandCode":null,"recallNotes":null,"volume":null},{"code":"P62391-CM","name":null,"url":"/c//p/P62391-CM","description":"PIN GUARD","purchasable":false,"stock":{"stockLevelStatus":{"code":"outOfStock","type":"StockLevelStatus"},"stockLevel":0,"stockThreshold":null},"futureStocks":null,"availableForPickup":null,"averageRating":null,"numberOfReviews":null,"summary":null,"manufacturer":null,"variantType":null,"price":null,"baseProduct":null,"images":[],"categories":null,"reviews":null,"classifications":null,"potentialPromotions":null,"variantOptions":null,"baseOptions":[],"volumePricesFlag":null,"volumePrices":null,"productReferences":null,"variantMatrix":null,"priceRange":null,"firstCategoryNameList":null,"multidimensional":null,"configurable":false,"configuratorType":null,"addToCartDisabled":null,"addToCartDisabledMessage":null,"tags":null,"sapUnit":null,"keywords":null,"genders":null,"itemtype":"Part","partSubstitute":null,"note":null,"recallNote":null,"note1":null,"note2":null,"note3":null,"note4":null,"note5":null,"pdfAllUser":null,"pdfAuthUser":null,"pdfCOSUser":null,"vaiantRelatedPartList":null,"partHotspotList":null,"itemNumber":2,"partRelatedVariantList":null,"bomCode":4,"totalValue":null,"searchImage":null,"length":null,"width":null,"height":null,"unitOfDimension":null,"weight":null,"unitOfWeight":null,"specialRouting":false,"onlineRepair":null,"previousPartID":null,"sbdDiscountPriceValue":null,"alrCode":null,"productRecallFlag":null,"selectedDocumentId":null,"productDescription":null,"pdpImage":null,"ticketId":null,"qtyRequiredPerVariant":"1","isElgibleForRepair":null,"isPowerEligible":null,"productRecallNotes":null,"productOtherInfo":null,"backorderETA":null,"modifiedDate":null,"userLevel":"COS","displayPrice":null,"baseProductName":null,"firstVariantCode":null,"firstVariantImage":null,"productMarketType":null,"productNumber":null,"typeStatusCode":null,"productCategory":null,"typeNumber":null,"marketCode":null,"regionCode":null,"otherInformation":null,"productTypeStatus":null,"repairInstruction":null,"repairInstructionStatusDescription":null,"typeStatusDate":null,"serviceLifeDate":null,"manufacturerId":null,"parts":null,"language":null,"glossaries":null,"brand":null,"product":null,"brandCode":null,"recallNotes":null,"volume":null},{"code":"P62692-CM","name":null,"url":"/c//p/P62692-CM","description":"KNOB","purchasable":false,"stock":{"stockLevelStatus":{"code":"inStock","type":"StockLevelStatus"},"stockLevel":0,"stockThreshold":null},"futureStocks":null,"availableForPickup":null,"averageRating":null,"numberOfReviews":null,"summary":null,"manufacturer":null,"variantType":null,"price":null,"baseProduct":null,"images":[],"categories":null,"reviews":null,"classifications":null,"potentialPromotions":null,"variantOptions":null,"baseOptions":[],"volumePricesFlag":null,"volumePrices":null,"productReferences":null,"variantMatrix":null,"priceRange":null,"firstCategoryNameList":null,"multidimensional":null,"configurable":false,"configuratorType":null,"addToCartDisabled":null,"addToCartDisabledMessage":null,"tags":null,"sapUnit":null,"keywords":null,"genders":null,"itemtype":"Part","partSubstitute":null,"note":null,"recallNote":null,"note1":null,"note2":null,"note3":null,"note4":null,"note5":null,"pdfAllUser":null,"pdfAuthUser":null,"pdfCOSUser":null,"vaiantRelatedPartList":null,"partHotspotList":null,"itemNumber":2,"partRelatedVariantList":null,"bomCode":4,"totalValue":null,"searchImage":null,"length":null,"width":null,"height":null,"unitOfDimension":null,"weight":null,"unitOfWeight":null,"specialRouting":false,"onlineRepair":null,"previousPartID":null,"sbdDiscountPriceValue":null,"alrCode":null,"productRecallFlag":null,"selectedDocumentId":null,"productDescription":null,"pdpImage":null,"ticketId":null,"qtyRequiredPerVariant":"1","isElgibleForRepair":null,"isPowerEligible":null,"productRecallNotes":null,"productOtherInfo":null,"backorderETA":"00/00/0000","modifiedDate":"No ETA","userLevel":"COS","displayPrice":null,"baseProductName":null,"firstVariantCode":null,"firstVariantImage":null,"productMarketType":null,"productNumber":null,"typeStatusCode":null,"productCategory":null,"typeNumber":null,"marketCode":null,"regionCode":null,"otherInformation":null,"productTypeStatus":null,"repairInstruction":null,"repairInstructionStatusDescription":null,"typeStatusDate":null,"serviceLifeDate":null,"manufacturerId":null,"parts":null,"language":null,"glossaries":null,"brand":null,"product":null,"brandCode":null,"recallNotes":null,"volume":null},{"code":"P530001717-CM","name":null,"url":"/c//p/P530001717-CM","description":"WASHER","purchasable":true,"stock":{"stockLevelStatus":{"code":"inStock","type":"StockLevelStatus"},"stockLevel":0,"stockThreshold":null},"futureStocks":null,"availableForPickup":null,"averageRating":null,"numberOfReviews":null,"summary":null,"manufacturer":null,"variantType":null,"price":{"currencyIso":"USD","value":1.05,"priceType":"BUY","formattedValue":"$1.05","minQuantity":null,"maxQuantity":null,"sapUnit":{"code":"pieces","name":"Piece"}},"baseProduct":null,"images":[],"categories":null,"reviews":null,"classifications":null,"potentialPromotions":null,"variantOptions":null,"baseOptions":[],"volumePricesFlag":null,"volumePrices":null,"productReferences":null,"variantMatrix":null,"priceRange":null,"firstCategoryNameList":null,"multidimensional":null,"configurable":false,"configuratorType":null,"addToCartDisabled":null,"addToCartDisabledMessage":null,"tags":null,"sapUnit":null,"keywords":null,"genders":null,"itemtype":"Part","partSubstitute":null,"note":null,"recallNote":null,"note1":null,"note2":null,"note3":null,"note4":null,"note5":null,"pdfAllUser":null,"pdfAuthUser":null,"pdfCOSUser":null,"vaiantRelatedPartList":null,"partHotspotList":null,"itemNumber":3,"partRelatedVariantList":null,"bomCode":2,"totalValue":null,"searchImage":null,"length":null,"width":null,"height":null,"unitOfDimension":null,"weight":null,"unitOfWeight":null,"specialRouting":false,"onlineRepair":null,"previousPartID":null,"sbdDiscountPriceValue":{"currencyIso":"USD","value":1.05,"priceType":"BUY","formattedValue":"$1.05","minQuantity":null,"maxQuantity":null,"sapUnit":{"code":"pieces","name":"Piece"}},"alrCode":null,"productRecallFlag":null,"selectedDocumentId":null,"productDescription":null,"pdpImage":null,"ticketId":null,"qtyRequiredPerVariant":"1","isElgibleForRepair":null,"isPowerEligible":null,"productRecallNotes":null,"productOtherInfo":null,"backorderETA":"00/00/0000","modifiedDate":null,"userLevel":"COS","displayPrice":null,"baseProductName":null,"firstVariantCode":null,"firstVariantImage":null,"productMarketType":null,"productNumber":null,"typeStatusCode":null,"productCategory":null,"typeNumber":null,"marketCode":null,"regionCode":null,"otherInformation":null,"productTypeStatus":null,"repairInstruction":null,"repairInstructionStatusDescription":null,"typeStatusDate":null,"serviceLifeDate":null,"manufacturerId":null,"parts":null,"language":null,"glossaries":null,"brand":null,"product":null,"brandCode":null,"recallNotes":null,"volume":null},{"code":"P530092322-CM","name":null,"url":"/c//p/P530092322-CM","description":"WASHER","purchasable":false,"stock":{"stockLevelStatus":{"code":"outOfStock","type":"StockLevelStatus"},"stockLevel":0,"stockThreshold":null},"futureStocks":null,"availableForPickup":null,"averageRating":null,"numberOfReviews":null,"summary":null,"manufacturer":null,"variantType":null,"price":null,"baseProduct":null,"images":[],"categories":null,"reviews":null,"classifications":null,"potentialPromotions":null,"variantOptions":null,"baseOptions":[],"volumePricesFlag":null,"volumePrices":null,"productReferences":null,"variantMatrix":null,"priceRange":null,"firstCategoryNameList":null,"multidimensional":null,"configurable":false,"configuratorType":null,"addToCartDisabled":null,"addToCartDisabledMessage":null,"tags":null,"sapUnit":null,"keywords":null,"genders":null,"itemtype":"Part","partSubstitute":null,"note":null,"recallNote":null,"note1":null,"note2":null,"note3":null,"note4":null,"note5":null,"pdfAllUser":null,"pdfAuthUser":null,"pdfCOSUser":null,"vaiantRelatedPartList":null,"partHotspotList":null,"itemNumber":3,"partRelatedVariantList":null,"bomCode":4,"totalValue":null,"searchImage":null,"length":null,"width":null,"height":null,"unitOfDimension":null,"weight":null,"unitOfWeight":null,"specialRouting":false,"onlineRepair":null,"previousPartID":null,"sbdDiscountPriceValue":null,"alrCode":null,"productRecallFlag":null,"selectedDocumentId":null,"productDescription":null,"pdpImage":null,"ticketId":null,"qtyRequiredPerVariant":"1","isElgibleForRepair":null,"isPowerEligible":null,"productRecallNotes":null,"productOtherInfo":null,"backorderETA":null,"modifiedDate":null,"userLevel":"COS","displayPrice":null,"baseProductName":null,"firstVariantCode":null,"firstVariantImage":null,"productMarketType":null,"productNumber":null,"typeStatusCode":null,"productCategory":null,"typeNumber":null,"marketCode":null,"regionCode":null,"otherInformation":null,"productTypeStatus":null,"repairInstruction":null,"repairInstructionStatusDescription":null,"typeStatusDate":null,"serviceLifeDate":null,"manufacturerId":null,"parts":null,"language":null,"glossaries":null,"brand":null,"product":null,"brandCode":null,"recallNotes":null,"volume":null},{"code":"PSTD522506-CM","name":null,"url":"/c//p/PSTD522506-CM","description":"SCREW","purchasable":false,"stock":{"stockLevelStatus":{"code":"outOfStock","type":"StockLevelStatus"},"stockLevel":0,"stockThreshold":null},"futureStocks":null,"availableForPickup":null,"averageRating":null,"numberOfReviews":null,"summary":null,"manufacturer":null,"variantType":null,"price":null,"baseProduct":null,"images":[],"categories":null,"reviews":null,"classifications":null,"potentialPromotions":null,"variantOptions":null,"baseOptions":[],"volumePricesFlag":null,"volumePrices":null,"productReferences":null,"variantMatrix":null,"priceRange":null,"firstCategoryNameList":null,"multidimensional":null,"configurable":false,"configuratorType":null,"addToCartDisabled":null,"addToCartDisabledMessage":null,"tags":null,"sapUnit":null,"keywords":null,"genders":null,"itemtype":"Part","partSubstitute":null,"note":null,"recallNote":null,"note1":null,"note2":null,"note3":null,"note4":null,"note5":null,"pdfAllUser":null,"pdfAuthUser":null,"pdfCOSUser":null,"vaiantRelatedPartList":null,"partHotspotList":null,"itemNumber":3,"partRelatedVariantList":null,"bomCode":4,"totalValue":null,"searchImage":null,"length":null,"width":null,"height":null,"unitOfDimension":null,"weight":null,"unitOfWeight":null,"specialRouting":false,"onlineRepair":null,"previousPartID":null,"sbdDiscountPriceValue":null,"alrCode":null,"productRecallFlag":null,"selectedDocumentId":null,"productDescription":null,"pdpImage":null,"ticketId":null,"qtyRequiredPerVariant":"1","isElgibleForRepair":null,"isPowerEligible":null,"productRecallNotes":null,"productOtherInfo":null,"backorderETA":null,"modifiedDate":null,"userLevel":"COS","displayPrice":null,"baseProductName":null,"firstVariantCode":null,"firstVariantImage":null,"productMarketType":null,"productNumber":null,"typeStatusCode":null,"productCategory":null,"typeNumber":null,"marketCode":null,"regionCode":null,"otherInformation":null,"productTypeStatus":null,"repairInstruction":null,"repairInstructionStatusDescription":null,"typeStatusDate":null,"serviceLifeDate":null,"manufacturerId":null,"parts":null,"language":null,"glossaries":null,"brand":null,"product":null,"brandCode":null,"recallNotes":null,"volume":null},{"code":"PSTD522506-CM","name":null,"url":"/c//p/PSTD522506-CM","description":"SCREW","purchasable":false,"stock":{"stockLevelStatus":{"code":"outOfStock","type":"StockLevelStatus"},"stockLevel":0,"stockThreshold":null},"futureStocks":null,"availableForPickup":null,"averageRating":null,"numberOfReviews":null,"summary":null,"manufacturer":null,"variantType":null,"price":null,"baseProduct":null,"images":[],"categories":null,"reviews":null,"classifications":null,"potentialPromotions":null,"variantOptions":null,"baseOptions":[],"volumePricesFlag":null,"volumePrices":null,"productReferences":null,"variantMatrix":null,"priceRange":null,"firstCategoryNameList":null,"multidimensional":null,"configurable":false,"configuratorType":null,"addToCartDisabled":null,"addToCartDisabledMessage":null,"tags":null,"sapUnit":null,"keywords":null,"genders":null,"itemtype":"Part","partSubstitute":null,"note":null,"recallNote":null,"note1":null,"note2":null,"note3":null,"note4":null,"note5":null,"pdfAllUser":null,"pdfAuthUser":null,"pdfCOSUser":null,"vaiantRelatedPartList":null,"partHotspotList":null,"itemNumber":3,"partRelatedVariantList":null,"bomCode":4,"totalValue":null,"searchImage":null,"length":null,"width":null,"height":null,"unitOfDimension":null,"weight":null,"unitOfWeight":null,"specialRouting":false,"onlineRepair":null,"previousPartID":null,"sbdDiscountPriceValue":null,"alrCode":null,"productRecallFlag":null,"selectedDocumentId":null,"productDescription":null,"pdpImage":null,"ticketId":null,"qtyRequiredPerVariant":"1","isElgibleForRepair":null,"isPowerEligible":null,"productRecallNotes":null,"productOtherInfo":null,"backorderETA":null,"modifiedDate":null,"userLevel":"COS","displayPrice":null,"baseProductName":null,"firstVariantCode":null,"firstVariantImage":null,"productMarketType":null,"productNumber":null,"typeStatusCode":null,"productCategory":null,"typeNumber":null,"marketCode":null,"regionCode":null,"otherInformation":null,"productTypeStatus":null,"repairInstruction":null,"repairInstructionStatusDescription":null,"typeStatusDate":null,"serviceLifeDate":null,"manufacturerId":null,"parts":null,"language":null,"glossaries":null,"brand":null,"product":null,"brandCode":null,"recallNotes":null,"volume":null},{"code":"PSTD551031-CM","name":null,"url":"/c//p/PSTD551031-CM","description":"WASHER 11/32 X 11/16 X 16 GA.","purchasable":false,"stock":{"stockLevelStatus":{"code":"outOfStock","type":"StockLevelStatus"},"stockLevel":0,"stockThreshold":null},"futureStocks":null,"availableForPickup":null,"averageRating":null,"numberOfReviews":null,"summary":null,"manufacturer":null,"variantType":null,"price":null,"baseProduct":null,"images":[],"categories":null,"reviews":null,"classifications":null,"potentialPromotions":null,"variantOptions":null,"baseOptions":[],"volumePricesFlag":null,"volumePrices":null,"productReferences":null,"variantMatrix":null,"priceRange":null,"firstCategoryNameList":null,"multidimensional":null,"configurable":false,"configuratorType":null,"addToCartDisabled":null,"addToCartDisabledMessage":null,"tags":null,"sapUnit":null,"keywords":null,"genders":null,"itemtype":"Part","partSubstitute":null,"note":null,"recallNote":null,"note1":null,"note2":null,"note3":null,"note4":null,"note5":null,"pdfAllUser":null,"pdfAuthUser":null,"pdfCOSUser":null,"vaiantRelatedPartList":null,"partHotspotList":null,"itemNumber":3,"partRelatedVariantList":null,"bomCode":4,"totalValue":null,"searchImage":null,"length":null,"width":null,"height":null,"unitOfDimension":null,"weight":null,"unitOfWeight":null,"specialRouting":false,"onlineRepair":null,"previousPartID":null,"sbdDiscountPriceValue":null,"alrCode":null,"productRecallFlag":null,"selectedDocumentId":null,"productDescription":null,"pdpImage":null,"ticketId":null,"qtyRequiredPerVariant":"1","isElgibleForRepair":null,"isPowerEligible":null,"productRecallNotes":null,"productOtherInfo":null,"backorderETA":null,"modifiedDate":null,"userLevel":"COS","displayPrice":null,"baseProductName":null,"firstVariantCode":null,"firstVariantImage":null,"productMarketType":null,"productNumber":null,"typeStatusCode":null,"productCategory":null,"typeNumber":null,"marketCode":null,"regionCode":null,"otherInformation":null,"productTypeStatus":null,"repairInstruction":null,"repairInstructionStatusDescription":null,"typeStatusDate":null,"serviceLifeDate":null,"manufacturerId":null,"parts":null,"language":null,"glossaries":null,"brand":null,"product":null,"brandCode":null,"recallNotes":null,"volume":null},{"code":"PSTD551210-CM","name":null,"url":"/c//p/PSTD551210-CM","description":"LOCKWASHER","purchasable":false,"stock":{"stockLevelStatus":{"code":"outOfStock","type":"StockLevelStatus"},"stockLevel":0,"stockThreshold":null},"futureStocks":null,"availableForPickup":null,"averageRating":null,"numberOfReviews":null,"summary":null,"manufacturer":null,"variantType":null,"price":null,"baseProduct":null,"images":[],"categories":null,"reviews":null,"classifications":null,"potentialPromotions":null,"variantOptions":null,"baseOptions":[],"volumePricesFlag":null,"volumePrices":null,"productReferences":null,"variantMatrix":null,"priceRange":null,"firstCategoryNameList":null,"multidimensional":null,"configurable":false,"configuratorType":null,"addToCartDisabled":null,"addToCartDisabledMessage":null,"tags":null,"sapUnit":null,"keywords":null,"genders":null,"itemtype":"Part","partSubstitute":"PSTDPART","note":null,"recallNote":null,"note1":null,"note2":null,"note3":null,"note4":null,"note5":null,"pdfAllUser":null,"pdfAuthUser":null,"pdfCOSUser":null,"vaiantRelatedPartList":null,"partHotspotList":null,"itemNumber":3,"partRelatedVariantList":null,"bomCode":4,"totalValue":null,"searchImage":null,"length":null,"width":null,"height":null,"unitOfDimension":null,"weight":null,"unitOfWeight":null,"specialRouting":false,"onlineRepair":null,"previousPartID":null,"sbdDiscountPriceValue":null,"alrCode":null,"productRecallFlag":null,"selectedDocumentId":null,"productDescription":null,"pdpImage":null,"ticketId":null,"qtyRequiredPerVariant":"1","isElgibleForRepair":null,"isPowerEligible":null,"productRecallNotes":null,"productOtherInfo":null,"backorderETA":null,"modifiedDate":null,"userLevel":"COS","displayPrice":null,"baseProductName":null,"firstVariantCode":null,"firstVariantImage":null,"productMarketType":null,"productNumber":null,"typeStatusCode":null,"productCategory":null,"typeNumber":null,"marketCode":null,"regionCode":null,"otherInformation":null,"productTypeStatus":null,"repairInstruction":null,"repairInstructionStatusDescription":null,"typeStatusDate":null,"serviceLifeDate":null,"manufacturerId":null,"parts":null,"language":null,"glossaries":null,"brand":null,"product":null,"brandCode":null,"recallNotes":null,"volume":null},{"code":"PSTD551210-CM","name":null,"url":"/c//p/PSTD551210-CM","description":"LOCKWASHER","purchasable":false,"stock":{"stockLevelStatus":{"code":"outOfStock","type":"StockLevelStatus"},"stockLevel":0,"stockThreshold":null},"futureStocks":null,"availableForPickup":null,"averageRating":null,"numberOfReviews":null,"summary":null,"manufacturer":null,"variantType":null,"price":null,"baseProduct":null,"images":[],"categories":null,"reviews":null,"classifications":null,"potentialPromotions":null,"variantOptions":null,"baseOptions":[],"volumePricesFlag":null,"volumePrices":null,"productReferences":null,"variantMatrix":null,"priceRange":null,"firstCategoryNameList":null,"multidimensional":null,"configurable":false,"configuratorType":null,"addToCartDisabled":null,"addToCartDisabledMessage":null,"tags":null,"sapUnit":null,"keywords":null,"genders":null,"itemtype":"Part","partSubstitute":"PSTDPART","note":null,"recallNote":null,"note1":null,"note2":null,"note3":null,"note4":null,"note5":null,"pdfAllUser":null,"pdfAuthUser":null,"pdfCOSUser":null,"vaiantRelatedPartList":null,"partHotspotList":null,"itemNumber":3,"partRelatedVariantList":null,"bomCode":4,"totalValue":null,"searchImage":null,"length":null,"width":null,"height":null,"unitOfDimension":null,"weight":null,"unitOfWeight":null,"specialRouting":false,"onlineRepair":null,"previousPartID":null,"sbdDiscountPriceValue":null,"alrCode":null,"productRecallFlag":null,"selectedDocumentId":null,"productDescription":null,"pdpImage":null,"ticketId":null,"qtyRequiredPerVariant":"1","isElgibleForRepair":null,"isPowerEligible":null,"productRecallNotes":null,"productOtherInfo":null,"backorderETA":null,"modifiedDate":null,"userLevel":"COS","displayPrice":null,"baseProductName":null,"firstVariantCode":null,"firstVariantImage":null,"productMarketType":null,"productNumber":null,"typeStatusCode":null,"productCategory":null,"typeNumber":null,"marketCode":null,"regionCode":null,"otherInformation":null,"productTypeStatus":null,"repairInstruction":null,"repairInstructionStatusDescription":null,"typeStatusDate":null,"serviceLifeDate":null,"manufacturerId":null,"parts":null,"language":null,"glossaries":null,"brand":null,"product":null,"brandCode":null,"recallNotes":null,"volume":null},{"code":"PSTD551210-CM","name":null,"url":"/c//p/PSTD551210-CM","description":"LOCKWASHER","purchasable":false,"stock":{"stockLevelStatus":{"code":"outOfStock","type":"StockLevelStatus"},"stockLevel":0,"stockThreshold":null},"futureStocks":null,"availableForPickup":null,"averageRating":null,"numberOfReviews":null,"summary":null,"manufacturer":null,"variantType":null,"price":null,"baseProduct":null,"images":[],"categories":null,"reviews":null,"classifications":null,"potentialPromotions":null,"variantOptions":null,"baseOptions":[],"volumePricesFlag":null,"volumePrices":null,"productReferences":null,"variantMatrix":null,"priceRange":null,"firstCategoryNameList":null,"multidimensional":null,"configurable":false,"configuratorType":null,"addToCartDisabled":null,"addToCartDisabledMessage":null,"tags":null,"sapUnit":null,"keywords":null,"genders":null,"itemtype":"Part","partSubstitute":"PSTDPART","note":null,"recallNote":null,"note1":null,"note2":null,"note3":null,"note4":null,"note5":null,"pdfAllUser":null,"pdfAuthUser":null,"pdfCOSUser":null,"vaiantRelatedPartList":null,"partHotspotList":null,"itemNumber":3,"partRelatedVariantList":null,"bomCode":4,"totalValue":null,"searchImage":null,"length":null,"width":null,"height":null,"unitOfDimension":null,"weight":null,"unitOfWeight":null,"specialRouting":false,"onlineRepair":null,"previousPartID":null,"sbdDiscountPriceValue":null,"alrCode":null,"productRecallFlag":null,"selectedDocumentId":null,"productDescription":null,"pdpImage":null,"ticketId":null,"qtyRequiredPerVariant":"1","isElgibleForRepair":null,"isPowerEligible":null,"productRecallNotes":null,"productOtherInfo":null,"backorderETA":null,"modifiedDate":null,"userLevel":"COS","displayPrice":null,"baseProductName":null,"firstVariantCode":null,"firstVariantImage":null,"productMarketType":null,"productNumber":null,"typeStatusCode":null,"productCategory":null,"typeNumber":null,"marketCode":null,"regionCode":null,"otherInformation":null,"productTypeStatus":null,"repairInstruction":null,"repairInstructionStatusDescription":null,"typeStatusDate":null,"serviceLifeDate":null,"manufacturerId":null,"parts":null,"language":null,"glossaries":null,"brand":null,"product":null,"brandCode":null,"recallNotes":null,"volume":null},{"code":"P6362-CM","name":null,"url":"/c//p/P6362-CM","description":"NUT","purchasable":false,"stock":{"stockLevelStatus":{"code":"outOfStock","type":"StockLevelStatus"},"stockLevel":0,"stockThreshold":null},"futureStocks":null,"availableForPickup":null,"averageRating":null,"numberOfReviews":null,"summary":null,"manufacturer":null,"variantType":null,"price":null,"baseProduct":null,"images":[],"categories":null,"reviews":null,"classifications":null,"potentialPromotions":null,"variantOptions":null,"baseOptions":[],"volumePricesFlag":null,"volumePrices":null,"productReferences":null,"variantMatrix":null,"priceRange":null,"firstCategoryNameList":null,"multidimensional":null,"configurable":false,"configuratorType":null,"addToCartDisabled":null,"addToCartDisabledMessage":null,"tags":null,"sapUnit":null,"keywords":null,"genders":null,"itemtype":"Part","partSubstitute":null,"note":null,"recallNote":null,"note1":null,"note2":null,"note3":null,"note4":null,"note5":null,"pdfAllUser":null,"pdfAuthUser":null,"pdfCOSUser":null,"vaiantRelatedPartList":null,"partHotspotList":null,"itemNumber":4,"partRelatedVariantList":null,"bomCode":4,"totalValue":null,"searchImage":null,"length":null,"width":null,"height":null,"unitOfDimension":null,"weight":null,"unitOfWeight":null,"specialRouting":false,"onlineRepair":null,"previousPartID":null,"sbdDiscountPriceValue":null,"alrCode":null,"productRecallFlag":null,"selectedDocumentId":null,"productDescription":null,"pdpImage":null,"ticketId":null,"qtyRequiredPerVariant":"1","isElgibleForRepair":null,"isPowerEligible":null,"productRecallNotes":null,"productOtherInfo":null,"backorderETA":null,"modifiedDate":null,"userLevel":"COS","displayPrice":null,"baseProductName":null,"firstVariantCode":null,"firstVariantImage":null,"productMarketType":null,"productNumber":null,"typeStatusCode":null,"productCategory":null,"typeNumber":null,"marketCode":null,"regionCode":null,"otherInformation":null,"productTypeStatus":null,"repairInstruction":null,"repairInstructionStatusDescription":null,"typeStatusDate":null,"serviceLifeDate":null,"manufacturerId":null,"parts":null,"language":null,"glossaries":null,"brand":null,"product":null,"brandCode":null,"recallNotes":null,"volume":null},{"code":"PSTD541110-CM","name":null,"url":"/c//p/PSTD541110-CM","description":"NUT HEX 10-32","purchasable":false,"stock":{"stockLevelStatus":{"code":"outOfStock","type":"StockLevelStatus"},"stockLevel":0,"stockThreshold":null},"futureStocks":null,"availableForPickup":null,"averageRating":null,"numberOfReviews":null,"summary":null,"manufacturer":null,"variantType":null,"price":null,"baseProduct":null,"images":[],"categories":null,"reviews":null,"classifications":null,"potentialPromotions":null,"variantOptions":null,"baseOptions":[],"volumePricesFlag":null,"volumePrices":null,"productReferences":null,"variantMatrix":null,"priceRange":null,"firstCategoryNameList":null,"multidimensional":null,"configurable":false,"configuratorType":null,"addToCartDisabled":null,"addToCartDisabledMessage":null,"tags":null,"sapUnit":null,"keywords":null,"genders":null,"itemtype":"Part","partSubstitute":null,"note":null,"recallNote":null,"note1":null,"note2":null,"note3":null,"note4":null,"note5":null,"pdfAllUser":null,"pdfAuthUser":null,"pdfCOSUser":null,"vaiantRelatedPartList":null,"partHotspotList":null,"itemNumber":4,"partRelatedVariantList":null,"bomCode":4,"totalValue":null,"searchImage":null,"length":null,"width":null,"height":null,"unitOfDimension":null,"weight":null,"unitOfWeight":null,"specialRouting":false,"onlineRepair":null,"previousPartID":null,"sbdDiscountPriceValue":null,"alrCode":null,"productRecallFlag":null,"selectedDocumentId":null,"productDescription":null,"pdpImage":null,"ticketId":null,"qtyRequiredPerVariant":"1","isElgibleForRepair":null,"isPowerEligible":null,"productRecallNotes":null,"productOtherInfo":null,"backorderETA":null,"modifiedDate":null,"userLevel":"COS","displayPrice":null,"baseProductName":null,"firstVariantCode":null,"firstVariantImage":null,"productMarketType":null,"productNumber":null,"typeStatusCode":null,"productCategory":null,"typeNumber":null,"marketCode":null,"regionCode":null,"otherInformation":null,"productTypeStatus":null,"repairInstruction":null,"repairInstructionStatusDescription":null,"typeStatusDate":null,"serviceLifeDate":null,"manufacturerId":null,"parts":null,"language":null,"glossaries":null,"brand":null,"product":null,"brandCode":null,"recallNotes":null,"volume":null},{"code":"P37838-CM","name":null,"url":"/c//p/P37838-CM","description":"WASHER","purchasable":false,"stock":{"stockLevelStatus":{"code":"outOfStock","type":"StockLevelStatus"},"stockLevel":0,"stockThreshold":null},"futureStocks":null,"availableForPickup":null,"averageRating":null,"numberOfReviews":null,"summary":null,"manufacturer":null,"variantType":null,"price":null,"baseProduct":null,"images":[],"categories":null,"reviews":null,"classifications":null,"potentialPromotions":null,"variantOptions":null,"baseOptions":[],"volumePricesFlag":null,"volumePrices":null,"productReferences":null,"variantMatrix":null,"priceRange":null,"firstCategoryNameList":null,"multidimensional":null,"configurable":false,"configuratorType":null,"addToCartDisabled":null,"addToCartDisabledMessage":null,"tags":null,"sapUnit":null,"keywords":null,"genders":null,"itemtype":"Part","partSubstitute":null,"note":null,"recallNote":null,"note1":null,"note2":null,"note3":null,"note4":null,"note5":null,"pdfAllUser":null,"pdfAuthUser":null,"pdfCOSUser":null,"vaiantRelatedPartList":null,"partHotspotList":null,"itemNumber":6,"partRelatedVariantList":null,"bomCode":4,"totalValue":null,"searchImage":null,"length":null,"width":null,"height":null,"unitOfDimension":null,"weight":null,"unitOfWeight":null,"specialRouting":false,"onlineRepair":null,"previousPartID":null,"sbdDiscountPriceValue":null,"alrCode":null,"productRecallFlag":null,"selectedDocumentId":null,"productDescription":null,"pdpImage":null,"ticketId":null,"qtyRequiredPerVariant":"1","isElgibleForRepair":null,"isPowerEligible":null,"productRecallNotes":null,"productOtherInfo":null,"backorderETA":null,"modifiedDate":null,"userLevel":"COS","displayPrice":null,"baseProductName":null,"firstVariantCode":null,"firstVariantImage":null,"productMarketType":null,"productNumber":null,"typeStatusCode":null,"productCategory":null,"typeNumber":null,"marketCode":null,"regionCode":null,"otherInformation":null,"productTypeStatus":null,"repairInstruction":null,"repairInstructionStatusDescription":null,"typeStatusDate":null,"serviceLifeDate":null,"manufacturerId":null,"parts":null,"language":null,"glossaries":null,"brand":null,"product":null,"brandCode":null,"recallNotes":null,"volume":null},{"code":"P53217342-CM","name":null,"url":"/c//p/P53217342-CM","description":"WASHER","purchasable":false,"stock":{"stockLevelStatus":{"code":"outOfStock","type":"StockLevelStatus"},"stockLevel":0,"stockThreshold":null},"futureStocks":null,"availableForPickup":null,"averageRating":null,"numberOfReviews":null,"summary":null,"manufacturer":null,"variantType":null,"price":null,"baseProduct":null,"images":[],"categories":null,"reviews":null,"classifications":null,"potentialPromotions":null,"variantOptions":null,"baseOptions":[],"volumePricesFlag":null,"volumePrices":null,"productReferences":null,"variantMatrix":null,"priceRange":null,"firstCategoryNameList":null,"multidimensional":null,"configurable":false,"configuratorType":null,"addToCartDisabled":null,"addToCartDisabledMessage":null,"tags":null,"sapUnit":null,"keywords":null,"genders":null,"itemtype":"Part","partSubstitute":null,"note":null,"recallNote":null,"note1":null,"note2":null,"note3":null,"note4":null,"note5":null,"pdfAllUser":null,"pdfAuthUser":null,"pdfCOSUser":null,"vaiantRelatedPartList":null,"partHotspotList":null,"itemNumber":6,"partRelatedVariantList":null,"bomCode":4,"totalValue":null,"searchImage":null,"length":null,"width":null,"height":null,"unitOfDimension":null,"weight":null,"unitOfWeight":null,"specialRouting":false,"onlineRepair":null,"previousPartID":null,"sbdDiscountPriceValue":null,"alrCode":null,"productRecallFlag":null,"selectedDocumentId":null,"productDescription":null,"pdpImage":null,"ticketId":null,"qtyRequiredPerVariant":"1","isElgibleForRepair":null,"isPowerEligible":null,"productRecallNotes":null,"productOtherInfo":null,"backorderETA":null,"modifiedDate":null,"userLevel":"COS","displayPrice":null,"baseProductName":null,"firstVariantCode":null,"firstVariantImage":null,"productMarketType":null,"productNumber":null,"typeStatusCode":null,"productCategory":null,"typeNumber":null,"marketCode":null,"regionCode":null,"otherInformation":null,"productTypeStatus":null,"repairInstruction":null,"repairInstructionStatusDescription":null,"typeStatusDate":null,"serviceLifeDate":null,"manufacturerId":null,"parts":null,"language":null,"glossaries":null,"brand":null,"product":null,"brandCode":null,"recallNotes":null,"volume":null},{"code":"PSTD551025-CM","name":null,"url":"/c//p/PSTD551025-CM","description":"WASHER","purchasable":false,"stock":{"stockLevelStatus":{"code":"outOfStock","type":"StockLevelStatus"},"stockLevel":0,"stockThreshold":null},"futureStocks":null,"availableForPickup":null,"averageRating":null,"numberOfReviews":null,"summary":null,"manufacturer":null,"variantType":null,"price":null,"baseProduct":null,"images":[],"categories":null,"reviews":null,"classifications":null,"potentialPromotions":null,"variantOptions":null,"baseOptions":[],"volumePricesFlag":null,"volumePrices":null,"productReferences":null,"variantMatrix":null,"priceRange":null,"firstCategoryNameList":null,"multidimensional":null,"configurable":false,"configuratorType":null,"addToCartDisabled":null,"addToCartDisabledMessage":null,"tags":null,"sapUnit":null,"keywords":null,"genders":null,"itemtype":"Part","partSubstitute":null,"note":null,"recallNote":null,"note1":null,"note2":null,"note3":null,"note4":null,"note5":null,"pdfAllUser":null,"pdfAuthUser":null,"pdfCOSUser":null,"vaiantRelatedPartList":null,"partHotspotList":null,"itemNumber":6,"partRelatedVariantList":null,"bomCode":4,"totalValue":null,"searchImage":null,"length":null,"width":null,"height":null,"unitOfDimension":null,"weight":null,"unitOfWeight":null,"specialRouting":false,"onlineRepair":null,"previousPartID":null,"sbdDiscountPriceValue":null,"alrCode":null,"productRecallFlag":null,"selectedDocumentId":null,"productDescription":null,"pdpImage":null,"ticketId":null,"qtyRequiredPerVariant":"1","isElgibleForRepair":null,"isPowerEligible":null,"productRecallNotes":null,"productOtherInfo":null,"backorderETA":null,"modifiedDate":null,"userLevel":"COS","displayPrice":null,"baseProductName":null,"firstVariantCode":null,"firstVariantImage":null,"productMarketType":null,"productNumber":null,"typeStatusCode":null,"productCategory":null,"typeNumber":null,"marketCode":null,"regionCode":null,"otherInformation":null,"productTypeStatus":null,"repairInstruction":null,"repairInstructionStatusDescription":null,"typeStatusDate":null,"serviceLifeDate":null,"manufacturerId":null,"parts":null,"language":null,"glossaries":null,"brand":null,"product":null,"brandCode":null,"recallNotes":null,"volume":null},{"code":"PSTD551225-CM","name":null,"url":"/c//p/PSTD551225-CM","description":"LOCKWASHER","purchasable":false,"stock":{"stockLevelStatus":{"code":"outOfStock","type":"StockLevelStatus"},"stockLevel":0,"stockThreshold":null},"futureStocks":null,"availableForPickup":null,"averageRating":null,"numberOfReviews":null,"summary":null,"manufacturer":null,"variantType":null,"price":null,"baseProduct":null,"images":[],"categories":null,"reviews":null,"classifications":null,"potentialPromotions":null,"variantOptions":null,"baseOptions":[],"volumePricesFlag":null,"volumePrices":null,"productReferences":null,"variantMatrix":null,"priceRange":null,"firstCategoryNameList":null,"multidimensional":null,"configurable":false,"configuratorType":null,"addToCartDisabled":null,"addToCartDisabledMessage":null,"tags":null,"sapUnit":null,"keywords":null,"genders":null,"itemtype":"Part","partSubstitute":"PSTDPART","note":null,"recallNote":null,"note1":null,"note2":null,"note3":null,"note4":null,"note5":null,"pdfAllUser":null,"pdfAuthUser":null,"pdfCOSUser":null,"vaiantRelatedPartList":null,"partHotspotList":null,"itemNumber":6,"partRelatedVariantList":null,"bomCode":4,"totalValue":null,"searchImage":null,"length":null,"width":null,"height":null,"unitOfDimension":null,"weight":null,"unitOfWeight":null,"specialRouting":false,"onlineRepair":null,"previousPartID":null,"sbdDiscountPriceValue":null,"alrCode":null,"productRecallFlag":null,"selectedDocumentId":null,"productDescription":null,"pdpImage":null,"ticketId":null,"qtyRequiredPerVariant":"1","isElgibleForRepair":null,"isPowerEligible":null,"productRecallNotes":null,"productOtherInfo":null,"backorderETA":null,"modifiedDate":null,"userLevel":"COS","displayPrice":null,"baseProductName":null,"firstVariantCode":null,"firstVariantImage":null,"productMarketType":null,"productNumber":null,"typeStatusCode":null,"productCategory":null,"typeNumber":null,"marketCode":null,"regionCode":null,"otherInformation":null,"productTypeStatus":null,"repairInstruction":null,"repairInstructionStatusDescription":null,"typeStatusDate":null,"serviceLifeDate":null,"manufacturerId":null,"parts":null,"language":null,"glossaries":null,"brand":null,"product":null,"brandCode":null,"recallNotes":null,"volume":null},{"code":"PSTD551225-CM","name":null,"url":"/c//p/PSTD551225-CM","description":"LOCKWASHER","purchasable":false,"stock":{"stockLevelStatus":{"code":"outOfStock","type":"StockLevelStatus"},"stockLevel":0,"stockThreshold":null},"futureStocks":null,"availableForPickup":null,"averageRating":null,"numberOfReviews":null,"summary":null,"manufacturer":null,"variantType":null,"price":null,"baseProduct":null,"images":[],"categories":null,"reviews":null,"classifications":null,"potentialPromotions":null,"variantOptions":null,"baseOptions":[],"volumePricesFlag":null,"volumePrices":null,"productReferences":null,"variantMatrix":null,"priceRange":null,"firstCategoryNameList":null,"multidimensional":null,"configurable":false,"configuratorType":null,"addToCartDisabled":null,"addToCartDisabledMessage":null,"tags":null,"sapUnit":null,"keywords":null,"genders":null,"itemtype":"Part","partSubstitute":"PSTDPART","note":null,"recallNote":null,"note1":null,"note2":null,"note3":null,"note4":null,"note5":null,"pdfAllUser":null,"pdfAuthUser":null,"pdfCOSUser":null,"vaiantRelatedPartList":null,"partHotspotList":null,"itemNumber":6,"partRelatedVariantList":null,"bomCode":4,"totalValue":null,"searchImage":null,"length":null,"width":null,"height":null,"unitOfDimension":null,"weight":null,"unitOfWeight":null,"specialRouting":false,"onlineRepair":null,"previousPartID":null,"sbdDiscountPriceValue":null,"alrCode":null,"productRecallFlag":null,"selectedDocumentId":null,"productDescription":null,"pdpImage":null,"ticketId":null,"qtyRequiredPerVariant":"1","isElgibleForRepair":null,"isPowerEligible":null,"productRecallNotes":null,"productOtherInfo":null,"backorderETA":null,"modifiedDate":null,"userLevel":"COS","displayPrice":null,"baseProductName":null,"firstVariantCode":null,"firstVariantImage":null,"productMarketType":null,"productNumber":null,"typeStatusCode":null,"productCategory":null,"typeNumber":null,"marketCode":null,"regionCode":null,"otherInformation":null,"productTypeStatus":null,"repairInstruction":null,"repairInstructionStatusDescription":null,"typeStatusDate":null,"serviceLifeDate":null,"manufacturerId":null,"parts":null,"language":null,"glossaries":null,"brand":null,"product":null,"brandCode":null,"recallNotes":null,"volume":null},{"code":"P60287-CM","name":null,"url":"/c//p/P60287-CM","description":"NYLON SCREW","purchasable":false,"stock":{"stockLevelStatus":{"code":"outOfStock","type":"StockLevelStatus"},"stockLevel":0,"stockThreshold":null},"futureStocks":null,"availableForPickup":null,"averageRating":null,"numberOfReviews":null,"summary":null,"manufacturer":null,"variantType":null,"price":null,"baseProduct":null,"images":[],"categories":null,"reviews":null,"classifications":null,"potentialPromotions":null,"variantOptions":null,"baseOptions":[],"volumePricesFlag":null,"volumePrices":null,"productReferences":null,"variantMatrix":null,"priceRange":null,"firstCategoryNameList":null,"multidimensional":null,"configurable":false,"configuratorType":null,"addToCartDisabled":null,"addToCartDisabledMessage":null,"tags":null,"sapUnit":null,"keywords":null,"genders":null,"itemtype":"Part","partSubstitute":null,"note":null,"recallNote":null,"note1":null,"note2":null,"note3":null,"note4":null,"note5":null,"pdfAllUser":null,"pdfAuthUser":null,"pdfCOSUser":null,"vaiantRelatedPartList":null,"partHotspotList":null,"itemNumber":7,"partRelatedVariantList":null,"bomCode":2,"totalValue":null,"searchImage":null,"length":null,"width":null,"height":null,"unitOfDimension":null,"weight":null,"unitOfWeight":null,"specialRouting":false,"onlineRepair":null,"previousPartID":null,"sbdDiscountPriceValue":null,"alrCode":null,"productRecallFlag":null,"selectedDocumentId":null,"productDescription":null,"pdpImage":null,"ticketId":null,"qtyRequiredPerVariant":"1","isElgibleForRepair":null,"isPowerEligible":null,"productRecallNotes":null,"productOtherInfo":null,"backorderETA":null,"modifiedDate":null,"userLevel":"COS","displayPrice":null,"baseProductName":null,"firstVariantCode":null,"firstVariantImage":null,"productMarketType":null,"productNumber":null,"typeStatusCode":null,"productCategory":null,"typeNumber":null,"marketCode":null,"regionCode":null,"otherInformation":null,"productTypeStatus":null,"repairInstruction":null,"repairInstructionStatusDescription":null,"typeStatusDate":null,"serviceLifeDate":null,"manufacturerId":null,"parts":null,"language":null,"glossaries":null,"brand":null,"product":null,"brandCode":null,"recallNotes":null,"volume":null},{"code":"PSTD600803-CM","name":null,"url":"/c//p/PSTD600803-CM","description":"SCREW","purchasable":false,"stock":{"stockLevelStatus":{"code":"outOfStock","type":"StockLevelStatus"},"stockLevel":0,"stockThreshold":null},"futureStocks":null,"availableForPickup":null,"averageRating":null,"numberOfReviews":null,"summary":null,"manufacturer":null,"variantType":null,"price":null,"baseProduct":null,"images":[],"categories":null,"reviews":null,"classifications":null,"potentialPromotions":null,"variantOptions":null,"baseOptions":[],"volumePricesFlag":null,"volumePrices":null,"productReferences":null,"variantMatrix":null,"priceRange":null,"firstCategoryNameList":null,"multidimensional":null,"configurable":false,"configuratorType":null,"addToCartDisabled":null,"addToCartDisabledMessage":null,"tags":null,"sapUnit":null,"keywords":null,"genders":null,"itemtype":"Part","partSubstitute":null,"note":null,"recallNote":null,"note1":null,"note2":null,"note3":null,"note4":null,"note5":null,"pdfAllUser":null,"pdfAuthUser":null,"pdfCOSUser":null,"vaiantRelatedPartList":null,"partHotspotList":null,"itemNumber":7,"partRelatedVariantList":null,"bomCode":4,"totalValue":null,"searchImage":null,"length":null,"width":null,"height":null,"unitOfDimension":null,"weight":null,"unitOfWeight":null,"specialRouting":false,"onlineRepair":null,"previousPartID":null,"sbdDiscountPriceValue":null,"alrCode":null,"productRecallFlag":null,"selectedDocumentId":null,"productDescription":null,"pdpImage":null,"ticketId":null,"qtyRequiredPerVariant":"1","isElgibleForRepair":null,"isPowerEligible":null,"productRecallNotes":null,"productOtherInfo":null,"backorderETA":null,"modifiedDate":null,"userLevel":"COS","displayPrice":null,"baseProductName":null,"firstVariantCode":null,"firstVariantImage":null,"productMarketType":null,"productNumber":null,"typeStatusCode":null,"productCategory":null,"typeNumber":null,"marketCode":null,"regionCode":null,"otherInformation":null,"productTypeStatus":null,"repairInstruction":null,"repairInstructionStatusDescription":null,"typeStatusDate":null,"serviceLifeDate":null,"manufacturerId":null,"parts":null,"language":null,"glossaries":null,"brand":null,"product":null,"brandCode":null,"recallNotes":null,"volume":null},{"code":"PSTD600803-CM","name":null,"url":"/c//p/PSTD600803-CM","description":"SCREW","purchasable":false,"stock":{"stockLevelStatus":{"code":"outOfStock","type":"StockLevelStatus"},"stockLevel":0,"stockThreshold":null},"futureStocks":null,"availableForPickup":null,"averageRating":null,"numberOfReviews":null,"summary":null,"manufacturer":null,"variantType":null,"price":null,"baseProduct":null,"images":[],"categories":null,"reviews":null,"classifications":null,"potentialPromotions":null,"variantOptions":null,"baseOptions":[],"volumePricesFlag":null,"volumePrices":null,"productReferences":null,"variantMatrix":null,"priceRange":null,"firstCategoryNameList":null,"multidimensional":null,"configurable":false,"configuratorType":null,"addToCartDisabled":null,"addToCartDisabledMessage":null,"tags":null,"sapUnit":null,"keywords":null,"genders":null,"itemtype":"Part","partSubstitute":null,"note":null,"recallNote":null,"note1":null,"note2":null,"note3":null,"note4":null,"note5":null,"pdfAllUser":null,"pdfAuthUser":null,"pdfCOSUser":null,"vaiantRelatedPartList":null,"partHotspotList":null,"itemNumber":7,"partRelatedVariantList":null,"bomCode":4,"totalValue":null,"searchImage":null,"length":null,"width":null,"height":null,"unitOfDimension":null,"weight":null,"unitOfWeight":null,"specialRouting":false,"onlineRepair":null,"previousPartID":null,"sbdDiscountPriceValue":null,"alrCode":null,"productRecallFlag":null,"selectedDocumentId":null,"productDescription":null,"pdpImage":null,"ticketId":null,"qtyRequiredPerVariant":"1","isElgibleForRepair":null,"isPowerEligible":null,"productRecallNotes":null,"productOtherInfo":null,"backorderETA":null,"modifiedDate":null,"userLevel":"COS","displayPrice":null,"baseProductName":null,"firstVariantCode":null,"firstVariantImage":null,"productMarketType":null,"productNumber":null,"typeStatusCode":null,"productCategory":null,"typeNumber":null,"marketCode":null,"regionCode":null,"otherInformation":null,"productTypeStatus":null,"repairInstruction":null,"repairInstructionStatusDescription":null,"typeStatusDate":null,"serviceLifeDate":null,"manufacturerId":null,"parts":null,"language":null,"glossaries":null,"brand":null,"product":null,"brandCode":null,"recallNotes":null,"volume":null},{"code":"P22255-CM","name":null,"url":"/c//p/P22255-CM","description":"KEY SWITCH","purchasable":false,"stock":{"stockLevelStatus":{"code":"outOfStock","type":"StockLevelStatus"},"stockLevel":0,"stockThreshold":null},"futureStocks":null,"availableForPickup":null,"averageRating":null,"numberOfReviews":null,"summary":null,"manufacturer":null,"variantType":null,"price":null,"baseProduct":null,"images":[],"categories":null,"reviews":null,"classifications":null,"potentialPromotions":null,"variantOptions":null,"baseOptions":[],"volumePricesFlag":null,"volumePrices":null,"productReferences":null,"variantMatrix":null,"priceRange":null,"firstCategoryNameList":null,"multidimensional":null,"configurable":false,"configuratorType":null,"addToCartDisabled":null,"addToCartDisabledMessage":null,"tags":null,"sapUnit":null,"keywords":null,"genders":null,"itemtype":"Part","partSubstitute":"PCONTACT SEARS","note":null,"recallNote":null,"note1":null,"note2":null,"note3":null,"note4":null,"note5":null,"pdfAllUser":null,"pdfAuthUser":null,"pdfCOSUser":null,"vaiantRelatedPartList":null,"partHotspotList":null,"itemNumber":8,"partRelatedVariantList":null,"bomCode":4,"totalValue":null,"searchImage":null,"length":null,"width":null,"height":null,"unitOfDimension":null,"weight":null,"unitOfWeight":null,"specialRouting":false,"onlineRepair":null,"previousPartID":null,"sbdDiscountPriceValue":null,"alrCode":null,"productRecallFlag":null,"selectedDocumentId":null,"productDescription":null,"pdpImage":null,"ticketId":null,"qtyRequiredPerVariant":"1","isElgibleForRepair":null,"isPowerEligible":null,"productRecallNotes":null,"productOtherInfo":null,"backorderETA":null,"modifiedDate":null,"userLevel":"COS","displayPrice":null,"baseProductName":null,"firstVariantCode":null,"firstVariantImage":null,"productMarketType":null,"productNumber":null,"typeStatusCode":null,"productCategory":null,"typeNumber":null,"marketCode":null,"regionCode":null,"otherInformation":null,"productTypeStatus":null,"repairInstruction":null,"repairInstructionStatusDescription":null,"typeStatusDate":null,"serviceLifeDate":null,"manufacturerId":null,"parts":null,"language":null,"glossaries":null,"brand":null,"product":null,"brandCode":null,"recallNotes":null,"volume":null},{"code":"PSTD510805-CM","name":null,"url":"/c//p/PSTD510805-CM","description":"SCREW","purchasable":false,"stock":{"stockLevelStatus":{"code":"outOfStock","type":"StockLevelStatus"},"stockLevel":0,"stockThreshold":null},"futureStocks":null,"availableForPickup":null,"averageRating":null,"numberOfReviews":null,"summary":null,"manufacturer":null,"variantType":null,"price":null,"baseProduct":null,"images":[],"categories":null,"reviews":null,"classifications":null,"potentialPromotions":null,"variantOptions":null,"baseOptions":[],"volumePricesFlag":null,"volumePrices":null,"productReferences":null,"variantMatrix":null,"priceRange":null,"firstCategoryNameList":null,"multidimensional":null,"configurable":false,"configuratorType":null,"addToCartDisabled":null,"addToCartDisabledMessage":null,"tags":null,"sapUnit":null,"keywords":null,"genders":null,"itemtype":"Part","partSubstitute":"PSTDPART","note":null,"recallNote":null,"note1":null,"note2":null,"note3":null,"note4":null,"note5":null,"pdfAllUser":null,"pdfAuthUser":null,"pdfCOSUser":null,"vaiantRelatedPartList":null,"partHotspotList":null,"itemNumber":9,"partRelatedVariantList":null,"bomCode":4,"totalValue":null,"searchImage":null,"length":null,"width":null,"height":null,"unitOfDimension":null,"weight":null,"unitOfWeight":null,"specialRouting":false,"onlineRepair":null,"previousPartID":null,"sbdDiscountPriceValue":null,"alrCode":null,"productRecallFlag":null,"selectedDocumentId":null,"productDescription":null,"pdpImage":null,"ticketId":null,"qtyRequiredPerVariant":"1","isElgibleForRepair":null,"isPowerEligible":null,"productRecallNotes":null,"productOtherInfo":null,"backorderETA":null,"modifiedDate":null,"userLevel":"COS","displayPrice":null,"baseProductName":null,"firstVariantCode":null,"firstVariantImage":null,"productMarketType":null,"productNumber":null,"typeStatusCode":null,"productCategory":null,"typeNumber":null,"marketCode":null,"regionCode":null,"otherInformation":null,"productTypeStatus":null,"repairInstruction":null,"repairInstructionStatusDescription":null,"typeStatusDate":null,"serviceLifeDate":null,"manufacturerId":null,"parts":null,"language":null,"glossaries":null,"brand":null,"product":null,"brandCode":null,"recallNotes":null,"volume":null},{"code":"PSTD582075-CM","name":null,"url":"/c//p/PSTD582075-CM","description":"SNAP RNG EXT","purchasable":false,"stock":{"stockLevelStatus":{"code":"outOfStock","type":"StockLevelStatus"},"stockLevel":0,"stockThreshold":null},"futureStocks":null,"availableForPickup":null,"averageRating":null,"numberOfReviews":null,"summary":null,"manufacturer":null,"variantType":null,"price":null,"baseProduct":null,"images":[],"categories":null,"reviews":null,"classifications":null,"potentialPromotions":null,"variantOptions":null,"baseOptions":[],"volumePricesFlag":null,"volumePrices":null,"productReferences":null,"variantMatrix":null,"priceRange":null,"firstCategoryNameList":null,"multidimensional":null,"configurable":false,"configuratorType":null,"addToCartDisabled":null,"addToCartDisabledMessage":null,"tags":null,"sapUnit":null,"keywords":null,"genders":null,"itemtype":"Part","partSubstitute":"PSTDPART","note":null,"recallNote":null,"note1":null,"note2":null,"note3":null,"note4":null,"note5":null,"pdfAllUser":null,"pdfAuthUser":null,"pdfCOSUser":null,"vaiantRelatedPartList":null,"partHotspotList":null,"itemNumber":9,"partRelatedVariantList":null,"bomCode":4,"totalValue":null,"searchImage":null,"length":null,"width":null,"height":null,"unitOfDimension":null,"weight":null,"unitOfWeight":null,"specialRouting":false,"onlineRepair":null,"previousPartID":null,"sbdDiscountPriceValue":null,"alrCode":null,"productRecallFlag":null,"selectedDocumentId":null,"productDescription":null,"pdpImage":null,"ticketId":null,"qtyRequiredPerVariant":"1","isElgibleForRepair":null,"isPowerEligible":null,"productRecallNotes":null,"productOtherInfo":null,"backorderETA":null,"modifiedDate":null,"userLevel":"COS","displayPrice":null,"baseProductName":null,"firstVariantCode":null,"firstVariantImage":null,"productMarketType":null,"productNumber":null,"typeStatusCode":null,"productCategory":null,"typeNumber":null,"marketCode":null,"regionCode":null,"otherInformation":null,"productTypeStatus":null,"repairInstruction":null,"repairInstructionStatusDescription":null,"typeStatusDate":null,"serviceLifeDate":null,"manufacturerId":null,"parts":null,"language":null,"glossaries":null,"brand":null,"product":null,"brandCode":null,"recallNotes":null,"volume":null},{"code":"PSTD600805-CM","name":null,"url":"/c//p/PSTD600805-CM","description":"SCREW 5PK","purchasable":false,"stock":{"stockLevelStatus":{"code":"outOfStock","type":"StockLevelStatus"},"stockLevel":0,"stockThreshold":null},"futureStocks":null,"availableForPickup":null,"averageRating":null,"numberOfReviews":null,"summary":null,"manufacturer":null,"variantType":null,"price":null,"baseProduct":null,"images":[],"categories":null,"reviews":null,"classifications":null,"potentialPromotions":null,"variantOptions":null,"baseOptions":[],"volumePricesFlag":null,"volumePrices":null,"productReferences":null,"variantMatrix":null,"priceRange":null,"firstCategoryNameList":null,"multidimensional":null,"configurable":false,"configuratorType":null,"addToCartDisabled":null,"addToCartDisabledMessage":null,"tags":null,"sapUnit":null,"keywords":null,"genders":null,"itemtype":"Part","partSubstitute":"PSTDPART","note":null,"recallNote":null,"note1":null,"note2":null,"note3":null,"note4":null,"note5":null,"pdfAllUser":null,"pdfAuthUser":null,"pdfCOSUser":null,"vaiantRelatedPartList":null,"partHotspotList":null,"itemNumber":9,"partRelatedVariantList":null,"bomCode":4,"totalValue":null,"searchImage":null,"length":null,"width":null,"height":null,"unitOfDimension":null,"weight":null,"unitOfWeight":null,"specialRouting":false,"onlineRepair":null,"previousPartID":null,"sbdDiscountPriceValue":null,"alrCode":null,"productRecallFlag":null,"selectedDocumentId":null,"productDescription":null,"pdpImage":null,"ticketId":null,"qtyRequiredPerVariant":"1","isElgibleForRepair":null,"isPowerEligible":null,"productRecallNotes":null,"productOtherInfo":null,"backorderETA":null,"modifiedDate":null,"userLevel":"COS","displayPrice":null,"baseProductName":null,"firstVariantCode":null,"firstVariantImage":null,"productMarketType":null,"productNumber":null,"typeStatusCode":null,"productCategory":null,"typeNumber":null,"marketCode":null,"regionCode":null,"otherInformation":null,"productTypeStatus":null,"repairInstruction":null,"repairInstructionStatusDescription":null,"typeStatusDate":null,"serviceLifeDate":null,"manufacturerId":null,"parts":null,"language":null,"glossaries":null,"brand":null,"product":null,"brandCode":null,"recallNotes":null,"volume":null},{"code":"P169123-10-CM","name":null,"url":"/c//p/P169123-10-CM","description":"RELEIF STRAIN","purchasable":false,"stock":{"stockLevelStatus":{"code":"outOfStock","type":"StockLevelStatus"},"stockLevel":0,"stockThreshold":null},"futureStocks":null,"availableForPickup":null,"averageRating":null,"numberOfReviews":null,"summary":null,"manufacturer":null,"variantType":null,"price":null,"baseProduct":null,"images":[],"categories":null,"reviews":null,"classifications":null,"potentialPromotions":null,"variantOptions":null,"baseOptions":[],"volumePricesFlag":null,"volumePrices":null,"productReferences":null,"variantMatrix":null,"priceRange":null,"firstCategoryNameList":null,"multidimensional":null,"configurable":false,"configuratorType":null,"addToCartDisabled":null,"addToCartDisabledMessage":null,"tags":null,"sapUnit":null,"keywords":null,"genders":null,"itemtype":"Part","partSubstitute":"PCONTACT SEARS","note":null,"recallNote":null,"note1":null,"note2":null,"note3":null,"note4":null,"note5":null,"pdfAllUser":null,"pdfAuthUser":null,"pdfCOSUser":null,"vaiantRelatedPartList":null,"partHotspotList":null,"itemNumber":10,"partRelatedVariantList":null,"bomCode":4,"totalValue":null,"searchImage":null,"length":null,"width":null,"height":null,"unitOfDimension":null,"weight":null,"unitOfWeight":null,"specialRouting":false,"onlineRepair":null,"previousPartID":null,"sbdDiscountPriceValue":null,"alrCode":null,"productRecallFlag":null,"selectedDocumentId":null,"productDescription":null,"pdpImage":null,"ticketId":null,"qtyRequiredPerVariant":"1","isElgibleForRepair":null,"isPowerEligible":null,"productRecallNotes":null,"productOtherInfo":null,"backorderETA":null,"modifiedDate":null,"userLevel":"COS","displayPrice":null,"baseProductName":null,"firstVariantCode":null,"firstVariantImage":null,"productMarketType":null,"productNumber":null,"typeStatusCode":null,"productCategory":null,"typeNumber":null,"marketCode":null,"regionCode":null,"otherInformation":null,"productTypeStatus":null,"repairInstruction":null,"repairInstructionStatusDescription":null,"typeStatusDate":null,"serviceLifeDate":null,"manufacturerId":null,"parts":null,"language":null,"glossaries":null,"brand":null,"product":null,"brandCode":null,"recallNotes":null,"volume":null},{"code":"P62410-CM","name":null,"url":"/c//p/P62410-CM","description":"PIN","purchasable":false,"stock":{"stockLevelStatus":{"code":"outOfStock","type":"StockLevelStatus"},"stockLevel":0,"stockThreshold":null},"futureStocks":null,"availableForPickup":null,"averageRating":null,"numberOfReviews":null,"summary":null,"manufacturer":null,"variantType":null,"price":null,"baseProduct":null,"images":[],"categories":null,"reviews":null,"classifications":null,"potentialPromotions":null,"variantOptions":null,"baseOptions":[],"volumePricesFlag":null,"volumePrices":null,"productReferences":null,"variantMatrix":null,"priceRange":null,"firstCategoryNameList":null,"multidimensional":null,"configurable":false,"configuratorType":null,"addToCartDisabled":null,"addToCartDisabledMessage":null,"tags":null,"sapUnit":null,"keywords":null,"genders":null,"itemtype":"Part","partSubstitute":null,"note":null,"recallNote":null,"note1":null,"note2":null,"note3":null,"note4":null,"note5":null,"pdfAllUser":null,"pdfAuthUser":null,"pdfCOSUser":null,"vaiantRelatedPartList":null,"partHotspotList":null,"itemNumber":10,"partRelatedVariantList":null,"bomCode":4,"totalValue":null,"searchImage":null,"length":null,"width":null,"height":null,"unitOfDimension":null,"weight":null,"unitOfWeight":null,"specialRouting":false,"onlineRepair":null,"previousPartID":null,"sbdDiscountPriceValue":null,"alrCode":null,"productRecallFlag":null,"selectedDocumentId":null,"productDescription":null,"pdpImage":null,"ticketId":null,"qtyRequiredPerVariant":"1","isElgibleForRepair":null,"isPowerEligible":null,"productRecallNotes":null,"productOtherInfo":null,"backorderETA":null,"modifiedDate":null,"userLevel":"COS","displayPrice":null,"baseProductName":null,"firstVariantCode":null,"firstVariantImage":null,"productMarketType":null,"productNumber":null,"typeStatusCode":null,"productCategory":null,"typeNumber":null,"marketCode":null,"regionCode":null,"otherInformation":null,"productTypeStatus":null,"repairInstruction":null,"repairInstructionStatusDescription":null,"typeStatusDate":null,"serviceLifeDate":null,"manufacturerId":null,"parts":null,"language":null,"glossaries":null,"brand":null,"product":null,"brandCode":null,"recallNotes":null,"volume":null},{"code":"PCONTACT SEARS","name":null,"url":"/c//p/PCONTACT%20SEARS","description":"SEARSPARTSDIRECT.COM","purchasable":true,"stock":{"stockLevelStatus":{"code":"inStock","type":"StockLevelStatus"},"stockLevel":0,"stockThreshold":null},"futureStocks":null,"availableForPickup":null,"averageRating":null,"numberOfReviews":null,"summary":null,"manufacturer":null,"variantType":null,"price":{"currencyIso":"USD","value":0.0,"priceType":"BUY","formattedValue":"$0.00","minQuantity":null,"maxQuantity":null,"sapUnit":{"code":"pieces","name":"Piece"}},"baseProduct":null,"images":[],"categories":null,"reviews":null,"classifications":null,"potentialPromotions":null,"variantOptions":null,"baseOptions":[],"volumePricesFlag":null,"volumePrices":null,"productReferences":null,"variantMatrix":null,"priceRange":null,"firstCategoryNameList":null,"multidimensional":null,"configurable":false,"configuratorType":null,"addToCartDisabled":null,"addToCartDisabledMessage":null,"tags":null,"sapUnit":null,"keywords":null,"genders":null,"itemtype":"Part","partSubstitute":null,"note":null,"recallNote":null,"note1":null,"note2":null,"note3":null,"note4":null,"note5":null,"pdfAllUser":null,"pdfAuthUser":null,"pdfCOSUser":null,"vaiantRelatedPartList":null,"partHotspotList":null,"itemNumber":10,"partRelatedVariantList":null,"bomCode":2,"totalValue":null,"searchImage":null,"length":null,"width":null,"height":null,"unitOfDimension":null,"weight":null,"unitOfWeight":null,"specialRouting":false,"onlineRepair":null,"previousPartID":null,"sbdDiscountPriceValue":{"currencyIso":"USD","value":0.0,"priceType":"BUY","formattedValue":"$0.00","minQuantity":null,"maxQuantity":null,"sapUnit":{"code":"pieces","name":"Piece"}},"alrCode":null,"productRecallFlag":null,"selectedDocumentId":null,"productDescription":null,"pdpImage":null,"ticketId":null,"qtyRequiredPerVariant":"1","isElgibleForRepair":null,"isPowerEligible":null,"productRecallNotes":null,"productOtherInfo":null,"backorderETA":null,"modifiedDate":null,"userLevel":"ALL","displayPrice":null,"baseProductName":null,"firstVariantCode":null,"firstVariantImage":null,"productMarketType":null,"productNumber":null,"typeStatusCode":null,"productCategory":null,"typeNumber":null,"marketCode":null,"regionCode":null,"otherInformation":null,"productTypeStatus":null,"repairInstruction":null,"repairInstructionStatusDescription":null,"typeStatusDate":null,"serviceLifeDate":null,"manufacturerId":null,"parts":null,"language":null,"glossaries":null,"brand":null,"product":null,"brandCode":null,"recallNotes":null,"volume":null},{"code":"PCONTACT SEARS","name":null,"url":"/c//p/PCONTACT%20SEARS","description":"SEARSPARTSDIRECT.COM","purchasable":true,"stock":{"stockLevelStatus":{"code":"inStock","type":"StockLevelStatus"},"stockLevel":0,"stockThreshold":null},"futureStocks":null,"availableForPickup":null,"averageRating":null,"numberOfReviews":null,"summary":null,"manufacturer":null,"variantType":null,"price":{"currencyIso":"USD","value":0.0,"priceType":"BUY","formattedValue":"$0.00","minQuantity":null,"maxQuantity":null,"sapUnit":{"code":"pieces","name":"Piece"}},"baseProduct":null,"images":[],"categories":null,"reviews":null,"classifications":null,"potentialPromotions":null,"variantOptions":null,"baseOptions":[],"volumePricesFlag":null,"volumePrices":null,"productReferences":null,"variantMatrix":null,"priceRange":null,"firstCategoryNameList":null,"multidimensional":null,"configurable":false,"configuratorType":null,"addToCartDisabled":null,"addToCartDisabledMessage":null,"tags":null,"sapUnit":null,"keywords":null,"genders":null,"itemtype":"Part","partSubstitute":null,"note":null,"recallNote":null,"note1":null,"note2":null,"note3":null,"note4":null,"note5":null,"pdfAllUser":null,"pdfAuthUser":null,"pdfCOSUser":null,"vaiantRelatedPartList":null,"partHotspotList":null,"itemNumber":10,"partRelatedVariantList":null,"bomCode":2,"totalValue":null,"searchImage":null,"length":null,"width":null,"height":null,"unitOfDimension":null,"weight":null,"unitOfWeight":null,"specialRouting":false,"onlineRepair":null,"previousPartID":null,"sbdDiscountPriceValue":{"currencyIso":"USD","value":0.0,"priceType":"BUY","formattedValue":"$0.00","minQuantity":null,"maxQuantity":null,"sapUnit":{"code":"pieces","name":"Piece"}},"alrCode":null,"productRecallFlag":null,"selectedDocumentId":null,"productDescription":null,"pdpImage":null,"ticketId":null,"qtyRequiredPerVariant":"1","isElgibleForRepair":null,"isPowerEligible":null,"productRecallNotes":null,"productOtherInfo":null,"backorderETA":null,"modifiedDate":null,"userLevel":"ALL","displayPrice":null,"baseProductName":null,"firstVariantCode":null,"firstVariantImage":null,"productMarketType":null,"productNumber":null,"typeStatusCode":null,"productCategory":null,"typeNumber":null,"marketCode":null,"regionCode":null,"otherInformation":null,"productTypeStatus":null,"repairInstruction":null,"repairInstructionStatusDescription":null,"typeStatusDate":null,"serviceLifeDate":null,"manufacturerId":null,"parts":null,"language":null,"glossaries":null,"brand":null,"product":null,"brandCode":null,"recallNotes":null,"volume":null},{"code":"PCONTACT SEARS","name":null,"url":"/c//p/PCONTACT%20SEARS","description":"SEARSPARTSDIRECT.COM","purchasable":true,"stock":{"stockLevelStatus":{"code":"inStock","type":"StockLevelStatus"},"stockLevel":0,"stockThreshold":null},"futureStocks":null,"availableForPickup":null,"averageRating":null,"numberOfReviews":null,"summary":null,"manufacturer":null,"variantType":null,"price":{"currencyIso":"USD","value":0.0,"priceType":"BUY","formattedValue":"$0.00","minQuantity":null,"maxQuantity":null,"sapUnit":{"code":"pieces","name":"Piece"}},"baseProduct":null,"images":[],"categories":null,"reviews":null,"classifications":null,"potentialPromotions":null,"variantOptions":null,"baseOptions":[],"volumePricesFlag":null,"volumePrices":null,"productReferences":null,"variantMatrix":null,"priceRange":null,"firstCategoryNameList":null,"multidimensional":null,"configurable":false,"configuratorType":null,"addToCartDisabled":null,"addToCartDisabledMessage":null,"tags":null,"sapUnit":null,"keywords":null,"genders":null,"itemtype":"Part","partSubstitute":null,"note":null,"recallNote":null,"note1":null,"note2":null,"note3":null,"note4":null,"note5":null,"pdfAllUser":null,"pdfAuthUser":null,"pdfCOSUser":null,"vaiantRelatedPartList":null,"partHotspotList":null,"itemNumber":10,"partRelatedVariantList":null,"bomCode":2,"totalValue":null,"searchImage":null,"length":null,"width":null,"height":null,"unitOfDimension":null,"weight":null,"unitOfWeight":null,"specialRouting":false,"onlineRepair":null,"previousPartID":null,"sbdDiscountPriceValue":{"currencyIso":"USD","value":0.0,"priceType":"BUY","formattedValue":"$0.00","minQuantity":null,"maxQuantity":null,"sapUnit":{"code":"pieces","name":"Piece"}},"alrCode":null,"productRecallFlag":null,"selectedDocumentId":null,"productDescription":null,"pdpImage":null,"ticketId":null,"qtyRequiredPerVariant":"1","isElgibleForRepair":null,"isPowerEligible":null,"productRecallNotes":null,"productOtherInfo":null,"backorderETA":null,"modifiedDate":null,"userLevel":"ALL","displayPrice":null,"baseProductName":null,"firstVariantCode":null,"firstVariantImage":null,"productMarketType":null,"productNumber":null,"typeStatusCode":null,"productCategory":null,"typeNumber":null,"marketCode":null,"regionCode":null,"otherInformation":null,"productTypeStatus":null,"repairInstruction":null,"repairInstructionStatusDescription":null,"typeStatusDate":null,"serviceLifeDate":null,"manufacturerId":null,"parts":null,"language":null,"glossaries":null,"brand":null,"product":null,"brandCode":null,"recallNotes":null,"volume":null},{"code":"PCONTACT SEARS","name":null,"url":"/c//p/PCONTACT%20SEARS","description":"SEARSPARTSDIRECT.COM","purchasable":true,"stock":{"stockLevelStatus":{"code":"inStock","type":"StockLevelStatus"},"stockLevel":0,"stockThreshold":null},"futureStocks":null,"availableForPickup":null,"averageRating":null,"numberOfReviews":null,"summary":null,"manufacturer":null,"variantType":null,"price":{"currencyIso":"USD","value":0.0,"priceType":"BUY","formattedValue":"$0.00","minQuantity":null,"maxQuantity":null,"sapUnit":{"code":"pieces","name":"Piece"}},"baseProduct":null,"images":[],"categories":null,"reviews":null,"classifications":null,"potentialPromotions":null,"variantOptions":null,"baseOptions":[],"volumePricesFlag":null,"volumePrices":null,"productReferences":null,"variantMatrix":null,"priceRange":null,"firstCategoryNameList":null,"multidimensional":null,"configurable":false,"configuratorType":null,"addToCartDisabled":null,"addToCartDisabledMessage":null,"tags":null,"sapUnit":null,"keywords":null,"genders":null,"itemtype":"Part","partSubstitute":null,"note":null,"recallNote":null,"note1":null,"note2":null,"note3":null,"note4":null,"note5":null,"pdfAllUser":null,"pdfAuthUser":null,"pdfCOSUser":null,"vaiantRelatedPartList":null,"partHotspotList":null,"itemNumber":10,"partRelatedVariantList":null,"bomCode":2,"totalValue":null,"searchImage":null,"length":null,"width":null,"height":null,"unitOfDimension":null,"weight":null,"unitOfWeight":null,"specialRouting":false,"onlineRepair":null,"previousPartID":null,"sbdDiscountPriceValue":{"currencyIso":"USD","value":0.0,"priceType":"BUY","formattedValue":"$0.00","minQuantity":null,"maxQuantity":null,"sapUnit":{"code":"pieces","name":"Piece"}},"alrCode":null,"productRecallFlag":null,"selectedDocumentId":null,"productDescription":null,"pdpImage":null,"ticketId":null,"qtyRequiredPerVariant":"1","isElgibleForRepair":null,"isPowerEligible":null,"productRecallNotes":null,"productOtherInfo":null,"backorderETA":null,"modifiedDate":null,"userLevel":"ALL","displayPrice":null,"baseProductName":null,"firstVariantCode":null,"firstVariantImage":null,"productMarketType":null,"productNumber":null,"typeStatusCode":null,"productCategory":null,"typeNumber":null,"marketCode":null,"regionCode":null,"otherInformation":null,"productTypeStatus":null,"repairInstruction":null,"repairInstructionStatusDescription":null,"typeStatusDate":null,"serviceLifeDate":null,"manufacturerId":null,"parts":null,"language":null,"glossaries":null,"brand":null,"product":null,"brandCode":null,"recallNotes":null,"volume":null},{"code":"PCONTACT SEARS","name":null,"url":"/c//p/PCONTACT%20SEARS","description":"SEARSPARTSDIRECT.COM","purchasable":true,"stock":{"stockLevelStatus":{"code":"inStock","type":"StockLevelStatus"},"stockLevel":0,"stockThreshold":null},"futureStocks":null,"availableForPickup":null,"averageRating":null,"numberOfReviews":null,"summary":null,"manufacturer":null,"variantType":null,"price":{"currencyIso":"USD","value":0.0,"priceType":"BUY","formattedValue":"$0.00","minQuantity":null,"maxQuantity":null,"sapUnit":{"code":"pieces","name":"Piece"}},"baseProduct":null,"images":[],"categories":null,"reviews":null,"classifications":null,"potentialPromotions":null,"variantOptions":null,"baseOptions":[],"volumePricesFlag":null,"volumePrices":null,"productReferences":null,"variantMatrix":null,"priceRange":null,"firstCategoryNameList":null,"multidimensional":null,"configurable":false,"configuratorType":null,"addToCartDisabled":null,"addToCartDisabledMessage":null,"tags":null,"sapUnit":null,"keywords":null,"genders":null,"itemtype":"Part","partSubstitute":null,"note":null,"recallNote":null,"note1":null,"note2":null,"note3":null,"note4":null,"note5":null,"pdfAllUser":null,"pdfAuthUser":null,"pdfCOSUser":null,"vaiantRelatedPartList":null,"partHotspotList":null,"itemNumber":10,"partRelatedVariantList":null,"bomCode":2,"totalValue":null,"searchImage":null,"length":null,"width":null,"height":null,"unitOfDimension":null,"weight":null,"unitOfWeight":null,"specialRouting":false,"onlineRepair":null,"previousPartID":null,"sbdDiscountPriceValue":{"currencyIso":"USD","value":0.0,"priceType":"BUY","formattedValue":"$0.00","minQuantity":null,"maxQuantity":null,"sapUnit":{"code":"pieces","name":"Piece"}},"alrCode":null,"productRecallFlag":null,"selectedDocumentId":null,"productDescription":null,"pdpImage":null,"ticketId":null,"qtyRequiredPerVariant":"1","isElgibleForRepair":null,"isPowerEligible":null,"productRecallNotes":null,"productOtherInfo":null,"backorderETA":null,"modifiedDate":null,"userLevel":"ALL","displayPrice":null,"baseProductName":null,"firstVariantCode":null,"firstVariantImage":null,"productMarketType":null,"productNumber":null,"typeStatusCode":null,"productCategory":null,"typeNumber":null,"marketCode":null,"regionCode":null,"otherInformation":null,"productTypeStatus":null,"repairInstruction":null,"repairInstructionStatusDescription":null,"typeStatusDate":null,"serviceLifeDate":null,"manufacturerId":null,"parts":null,"language":null,"glossaries":null,"brand":null,"product":null,"brandCode":null,"recallNotes":null,"volume":null},{"code":"P447441-CM","name":null,"url":"/c//p/P447441-CM","description":"SCREW","purchasable":false,"stock":{"stockLevelStatus":{"code":"outOfStock","type":"StockLevelStatus"},"stockLevel":0,"stockThreshold":null},"futureStocks":null,"availableForPickup":null,"averageRating":null,"numberOfReviews":null,"summary":null,"manufacturer":null,"variantType":null,"price":null,"baseProduct":null,"images":[],"categories":null,"reviews":null,"classifications":null,"potentialPromotions":null,"variantOptions":null,"baseOptions":[],"volumePricesFlag":null,"volumePrices":null,"productReferences":null,"variantMatrix":null,"priceRange":null,"firstCategoryNameList":null,"multidimensional":null,"configurable":false,"configuratorType":null,"addToCartDisabled":null,"addToCartDisabledMessage":null,"tags":null,"sapUnit":null,"keywords":null,"genders":null,"itemtype":"Part","partSubstitute":null,"note":null,"recallNote":null,"note1":null,"note2":null,"note3":null,"note4":null,"note5":null,"pdfAllUser":null,"pdfAuthUser":null,"pdfCOSUser":null,"vaiantRelatedPartList":null,"partHotspotList":null,"itemNumber":11,"partRelatedVariantList":null,"bomCode":4,"totalValue":null,"searchImage":null,"length":null,"width":null,"height":null,"unitOfDimension":null,"weight":null,"unitOfWeight":null,"specialRouting":false,"onlineRepair":null,"previousPartID":null,"sbdDiscountPriceValue":null,"alrCode":null,"productRecallFlag":null,"selectedDocumentId":null,"productDescription":null,"pdpImage":null,"ticketId":null,"qtyRequiredPerVariant":"1","isElgibleForRepair":null,"isPowerEligible":null,"productRecallNotes":null,"productOtherInfo":null,"backorderETA":null,"modifiedDate":null,"userLevel":"COS","displayPrice":null,"baseProductName":null,"firstVariantCode":null,"firstVariantImage":null,"productMarketType":null,"productNumber":null,"typeStatusCode":null,"productCategory":null,"typeNumber":null,"marketCode":null,"regionCode":null,"otherInformation":null,"productTypeStatus":null,"repairInstruction":null,"repairInstructionStatusDescription":null,"typeStatusDate":null,"serviceLifeDate":null,"manufacturerId":null,"parts":null,"language":null,"glossaries":null,"brand":null,"product":null,"brandCode":null,"recallNotes":null,"volume":null},{"code":"PSTD541231-CM","name":null,"url":"/c//p/PSTD541231-CM","description":"NUT","purchasable":false,"stock":{"stockLevelStatus":{"code":"outOfStock","type":"StockLevelStatus"},"stockLevel":0,"stockThreshold":null},"futureStocks":null,"availableForPickup":null,"averageRating":null,"numberOfReviews":null,"summary":null,"manufacturer":null,"variantType":null,"price":null,"baseProduct":null,"images":[],"categories":null,"reviews":null,"classifications":null,"potentialPromotions":null,"variantOptions":null,"baseOptions":[],"volumePricesFlag":null,"volumePrices":null,"productReferences":null,"variantMatrix":null,"priceRange":null,"firstCategoryNameList":null,"multidimensional":null,"configurable":false,"configuratorType":null,"addToCartDisabled":null,"addToCartDisabledMessage":null,"tags":null,"sapUnit":null,"keywords":null,"genders":null,"itemtype":"Part","partSubstitute":null,"note":null,"recallNote":null,"note1":null,"note2":null,"note3":null,"note4":null,"note5":null,"pdfAllUser":null,"pdfAuthUser":null,"pdfCOSUser":null,"vaiantRelatedPartList":null,"partHotspotList":null,"itemNumber":11,"partRelatedVariantList":null,"bomCode":4,"totalValue":null,"searchImage":null,"length":null,"width":null,"height":null,"unitOfDimension":null,"weight":null,"unitOfWeight":null,"specialRouting":false,"onlineRepair":null,"previousPartID":null,"sbdDiscountPriceValue":null,"alrCode":null,"productRecallFlag":null,"selectedDocumentId":null,"productDescription":null,"pdpImage":null,"ticketId":null,"qtyRequiredPerVariant":"1","isElgibleForRepair":null,"isPowerEligible":null,"productRecallNotes":null,"productOtherInfo":null,"backorderETA":null,"modifiedDate":null,"userLevel":"COS","displayPrice":null,"baseProductName":null,"firstVariantCode":null,"firstVariantImage":null,"productMarketType":null,"productNumber":null,"typeStatusCode":null,"productCategory":null,"typeNumber":null,"marketCode":null,"regionCode":null,"otherInformation":null,"productTypeStatus":null,"repairInstruction":null,"repairInstructionStatusDescription":null,"typeStatusDate":null,"serviceLifeDate":null,"manufacturerId":null,"parts":null,"language":null,"glossaries":null,"brand":null,"product":null,"brandCode":null,"recallNotes":null,"volume":null},{"code":"PSTD571810-CM","name":null,"url":"/c//p/PSTD571810-CM","description":"PIN 5PK","purchasable":false,"stock":{"stockLevelStatus":{"code":"outOfStock","type":"StockLevelStatus"},"stockLevel":0,"stockThreshold":null},"futureStocks":null,"availableForPickup":null,"averageRating":null,"numberOfReviews":null,"summary":null,"manufacturer":null,"variantType":null,"price":null,"baseProduct":null,"images":[],"categories":null,"reviews":null,"classifications":null,"potentialPromotions":null,"variantOptions":null,"baseOptions":[],"volumePricesFlag":null,"volumePrices":null,"productReferences":null,"variantMatrix":null,"priceRange":null,"firstCategoryNameList":null,"multidimensional":null,"configurable":false,"configuratorType":null,"addToCartDisabled":null,"addToCartDisabledMessage":null,"tags":null,"sapUnit":null,"keywords":null,"genders":null,"itemtype":"Part","partSubstitute":"P17490508-CM","note":null,"recallNote":null,"note1":null,"note2":null,"note3":null,"note4":null,"note5":null,"pdfAllUser":null,"pdfAuthUser":null,"pdfCOSUser":null,"vaiantRelatedPartList":null,"partHotspotList":null,"itemNumber":11,"partRelatedVariantList":null,"bomCode":4,"totalValue":null,"searchImage":null,"length":null,"width":null,"height":null,"unitOfDimension":null,"weight":null,"unitOfWeight":null,"specialRouting":false,"onlineRepair":null,"previousPartID":null,"sbdDiscountPriceValue":null,"alrCode":null,"productRecallFlag":null,"selectedDocumentId":null,"productDescription":null,"pdpImage":null,"ticketId":null,"qtyRequiredPerVariant":"1","isElgibleForRepair":null,"isPowerEligible":null,"productRecallNotes":null,"productOtherInfo":null,"backorderETA":null,"modifiedDate":null,"userLevel":"COS","displayPrice":null,"baseProductName":null,"firstVariantCode":null,"firstVariantImage":null,"productMarketType":null,"productNumber":null,"typeStatusCode":null,"productCategory":null,"typeNumber":null,"marketCode":null,"regionCode":null,"otherInformation":null,"productTypeStatus":null,"repairInstruction":null,"repairInstructionStatusDescription":null,"typeStatusDate":null,"serviceLifeDate":null,"manufacturerId":null,"parts":null,"language":null,"glossaries":null,"brand":null,"product":null,"brandCode":null,"recallNotes":null,"volume":null},{"code":"PSTD571810-CM","name":null,"url":"/c//p/PSTD571810-CM","description":"PIN 5PK","purchasable":false,"stock":{"stockLevelStatus":{"code":"outOfStock","type":"StockLevelStatus"},"stockLevel":0,"stockThreshold":null},"futureStocks":null,"availableForPickup":null,"averageRating":null,"numberOfReviews":null,"summary":null,"manufacturer":null,"variantType":null,"price":null,"baseProduct":null,"images":[],"categories":null,"reviews":null,"classifications":null,"potentialPromotions":null,"variantOptions":null,"baseOptions":[],"volumePricesFlag":null,"volumePrices":null,"productReferences":null,"variantMatrix":null,"priceRange":null,"firstCategoryNameList":null,"multidimensional":null,"configurable":false,"configuratorType":null,"addToCartDisabled":null,"addToCartDisabledMessage":null,"tags":null,"sapUnit":null,"keywords":null,"genders":null,"itemtype":"Part","partSubstitute":"P17490508-CM","note":null,"recallNote":null,"note1":null,"note2":null,"note3":null,"note4":null,"note5":null,"pdfAllUser":null,"pdfAuthUser":null,"pdfCOSUser":null,"vaiantRelatedPartList":null,"partHotspotList":null,"itemNumber":11,"partRelatedVariantList":null,"bomCode":4,"totalValue":null,"searchImage":null,"length":null,"width":null,"height":null,"unitOfDimension":null,"weight":null,"unitOfWeight":null,"specialRouting":false,"onlineRepair":null,"previousPartID":null,"sbdDiscountPriceValue":null,"alrCode":null,"productRecallFlag":null,"selectedDocumentId":null,"productDescription":null,"pdpImage":null,"ticketId":null,"qtyRequiredPerVariant":"1","isElgibleForRepair":null,"isPowerEligible":null,"productRecallNotes":null,"productOtherInfo":null,"backorderETA":null,"modifiedDate":null,"userLevel":"COS","displayPrice":null,"baseProductName":null,"firstVariantCode":null,"firstVariantImage":null,"productMarketType":null,"productNumber":null,"typeStatusCode":null,"productCategory":null,"typeNumber":null,"marketCode":null,"regionCode":null,"otherInformation":null,"productTypeStatus":null,"repairInstruction":null,"repairInstructionStatusDescription":null,"typeStatusDate":null,"serviceLifeDate":null,"manufacturerId":null,"parts":null,"language":null,"glossaries":null,"brand":null,"product":null,"brandCode":null,"recallNotes":null,"volume":null},{"code":"P62225-CM","name":null,"url":"/c//p/P62225-CM","description":"CLAMP STUD","purchasable":false,"stock":{"stockLevelStatus":{"code":"outOfStock","type":"StockLevelStatus"},"stockLevel":0,"stockThreshold":null},"futureStocks":null,"availableForPickup":null,"averageRating":null,"numberOfReviews":null,"summary":null,"manufacturer":null,"variantType":null,"price":null,"baseProduct":null,"images":[],"categories":null,"reviews":null,"classifications":null,"potentialPromotions":null,"variantOptions":null,"baseOptions":[],"volumePricesFlag":null,"volumePrices":null,"productReferences":null,"variantMatrix":null,"priceRange":null,"firstCategoryNameList":null,"multidimensional":null,"configurable":false,"configuratorType":null,"addToCartDisabled":null,"addToCartDisabledMessage":null,"tags":null,"sapUnit":null,"keywords":null,"genders":null,"itemtype":"Part","partSubstitute":null,"note":null,"recallNote":null,"note1":null,"note2":null,"note3":null,"note4":null,"note5":null,"pdfAllUser":null,"pdfAuthUser":null,"pdfCOSUser":null,"vaiantRelatedPartList":null,"partHotspotList":null,"itemNumber":12,"partRelatedVariantList":null,"bomCode":4,"totalValue":null,"searchImage":null,"length":null,"width":null,"height":null,"unitOfDimension":null,"weight":null,"unitOfWeight":null,"specialRouting":false,"onlineRepair":null,"previousPartID":null,"sbdDiscountPriceValue":null,"alrCode":null,"productRecallFlag":null,"selectedDocumentId":null,"productDescription":null,"pdpImage":null,"ticketId":null,"qtyRequiredPerVariant":"1","isElgibleForRepair":null,"isPowerEligible":null,"productRecallNotes":null,"productOtherInfo":null,"backorderETA":null,"modifiedDate":null,"userLevel":"COS","displayPrice":null,"baseProductName":null,"firstVariantCode":null,"firstVariantImage":null,"productMarketType":null,"productNumber":null,"typeStatusCode":null,"productCategory":null,"typeNumber":null,"marketCode":null,"regionCode":null,"otherInformation":null,"productTypeStatus":null,"repairInstruction":null,"repairInstructionStatusDescription":null,"typeStatusDate":null,"serviceLifeDate":null,"manufacturerId":null,"parts":null,"language":null,"glossaries":null,"brand":null,"product":null,"brandCode":null,"recallNotes":null,"volume":null},{"code":"P62583-CM","name":null,"url":"/c//p/P62583-CM","description":"FENCE LOCK","purchasable":false,"stock":{"stockLevelStatus":{"code":"outOfStock","type":"StockLevelStatus"},"stockLevel":0,"stockThreshold":null},"futureStocks":null,"availableForPickup":null,"averageRating":null,"numberOfReviews":null,"summary":null,"manufacturer":null,"variantType":null,"price":null,"baseProduct":null,"images":[],"categories":null,"reviews":null,"classifications":null,"potentialPromotions":null,"variantOptions":null,"baseOptions":[],"volumePricesFlag":null,"volumePrices":null,"productReferences":null,"variantMatrix":null,"priceRange":null,"firstCategoryNameList":null,"multidimensional":null,"configurable":false,"configuratorType":null,"addToCartDisabled":null,"addToCartDisabledMessage":null,"tags":null,"sapUnit":null,"keywords":null,"genders":null,"itemtype":"Part","partSubstitute":null,"note":null,"recallNote":null,"note1":null,"note2":null,"note3":null,"note4":null,"note5":null,"pdfAllUser":null,"pdfAuthUser":null,"pdfCOSUser":null,"vaiantRelatedPartList":null,"partHotspotList":null,"itemNumber":13,"partRelatedVariantList":null,"bomCode":4,"totalValue":null,"searchImage":null,"length":null,"width":null,"height":null,"unitOfDimension":null,"weight":null,"unitOfWeight":null,"specialRouting":false,"onlineRepair":null,"previousPartID":null,"sbdDiscountPriceValue":null,"alrCode":null,"productRecallFlag":null,"selectedDocumentId":null,"productDescription":null,"pdpImage":null,"ticketId":null,"qtyRequiredPerVariant":"1","isElgibleForRepair":null,"isPowerEligible":null,"productRecallNotes":null,"productOtherInfo":null,"backorderETA":null,"modifiedDate":null,"userLevel":"COS","displayPrice":null,"baseProductName":null,"firstVariantCode":null,"firstVariantImage":null,"productMarketType":null,"productNumber":null,"typeStatusCode":null,"productCategory":null,"typeNumber":null,"marketCode":null,"regionCode":null,"otherInformation":null,"productTypeStatus":null,"repairInstruction":null,"repairInstructionStatusDescription":null,"typeStatusDate":null,"serviceLifeDate":null,"manufacturerId":null,"parts":null,"language":null,"glossaries":null,"brand":null,"product":null,"brandCode":null,"recallNotes":null,"volume":null},{"code":"P979875-001-CM","name":null,"url":"/c//p/P979875-001-CM","description":"INSERT","purchasable":false,"stock":{"stockLevelStatus":{"code":"outOfStock","type":"StockLevelStatus"},"stockLevel":0,"stockThreshold":null},"futureStocks":null,"availableForPickup":null,"averageRating":null,"numberOfReviews":null,"summary":null,"manufacturer":null,"variantType":null,"price":null,"baseProduct":null,"images":[],"categories":null,"reviews":null,"classifications":null,"potentialPromotions":null,"variantOptions":null,"baseOptions":[],"volumePricesFlag":null,"volumePrices":null,"productReferences":null,"variantMatrix":null,"priceRange":null,"firstCategoryNameList":null,"multidimensional":null,"configurable":false,"configuratorType":null,"addToCartDisabled":null,"addToCartDisabledMessage":null,"tags":null,"sapUnit":null,"keywords":null,"genders":null,"itemtype":"Part","partSubstitute":null,"note":null,"recallNote":null,"note1":null,"note2":null,"note3":null,"note4":null,"note5":null,"pdfAllUser":null,"pdfAuthUser":null,"pdfCOSUser":null,"vaiantRelatedPartList":null,"partHotspotList":null,"itemNumber":13,"partRelatedVariantList":null,"bomCode":4,"totalValue":null,"searchImage":null,"length":null,"width":null,"height":null,"unitOfDimension":null,"weight":null,"unitOfWeight":null,"specialRouting":false,"onlineRepair":null,"previousPartID":null,"sbdDiscountPriceValue":null,"alrCode":null,"productRecallFlag":null,"selectedDocumentId":null,"productDescription":null,"pdpImage":null,"ticketId":null,"qtyRequiredPerVariant":"1","isElgibleForRepair":null,"isPowerEligible":null,"productRecallNotes":null,"productOtherInfo":null,"backorderETA":null,"modifiedDate":null,"userLevel":"COS","displayPrice":null,"baseProductName":null,"firstVariantCode":null,"firstVariantImage":null,"productMarketType":null,"productNumber":null,"typeStatusCode":null,"productCategory":null,"typeNumber":null,"marketCode":null,"regionCode":null,"otherInformation":null,"productTypeStatus":null,"repairInstruction":null,"repairInstructionStatusDescription":null,"typeStatusDate":null,"serviceLifeDate":null,"manufacturerId":null,"parts":null,"language":null,"glossaries":null,"brand":null,"product":null,"brandCode":null,"recallNotes":null,"volume":null},{"code":"PSTD523106-CM","name":null,"url":"/c//p/PSTD523106-CM","description":"SCREW 5PK","purchasable":false,"stock":{"stockLevelStatus":{"code":"outOfStock","type":"StockLevelStatus"},"stockLevel":0,"stockThreshold":null},"futureStocks":null,"availableForPickup":null,"averageRating":null,"numberOfReviews":null,"summary":null,"manufacturer":null,"variantType":null,"price":null,"baseProduct":null,"images":[],"categories":null,"reviews":null,"classifications":null,"potentialPromotions":null,"variantOptions":null,"baseOptions":[],"volumePricesFlag":null,"volumePrices":null,"productReferences":null,"variantMatrix":null,"priceRange":null,"firstCategoryNameList":null,"multidimensional":null,"configurable":false,"configuratorType":null,"addToCartDisabled":null,"addToCartDisabledMessage":null,"tags":null,"sapUnit":null,"keywords":null,"genders":null,"itemtype":"Part","partSubstitute":null,"note":null,"recallNote":null,"note1":null,"note2":null,"note3":null,"note4":null,"note5":null,"pdfAllUser":null,"pdfAuthUser":null,"pdfCOSUser":null,"vaiantRelatedPartList":null,"partHotspotList":null,"itemNumber":14,"partRelatedVariantList":null,"bomCode":4,"totalValue":null,"searchImage":null,"length":null,"width":null,"height":null,"unitOfDimension":null,"weight":null,"unitOfWeight":null,"specialRouting":false,"onlineRepair":null,"previousPartID":null,"sbdDiscountPriceValue":null,"alrCode":null,"productRecallFlag":null,"selectedDocumentId":null,"productDescription":null,"pdpImage":null,"ticketId":null,"qtyRequiredPerVariant":"1","isElgibleForRepair":null,"isPowerEligible":null,"productRecallNotes":null,"productOtherInfo":null,"backorderETA":null,"modifiedDate":null,"userLevel":"COS","displayPrice":null,"baseProductName":null,"firstVariantCode":null,"firstVariantImage":null,"productMarketType":null,"productNumber":null,"typeStatusCode":null,"productCategory":null,"typeNumber":null,"marketCode":null,"regionCode":null,"otherInformation":null,"productTypeStatus":null,"repairInstruction":null,"repairInstructionStatusDescription":null,"typeStatusDate":null,"serviceLifeDate":null,"manufacturerId":null,"parts":null,"language":null,"glossaries":null,"brand":null,"product":null,"brandCode":null,"recallNotes":null,"volume":null},{"code":"PSTD551231-CM","name":null,"url":"/c//p/PSTD551231-CM","description":"WASHER 5/16T LOCK","purchasable":false,"stock":{"stockLevelStatus":{"code":"outOfStock","type":"StockLevelStatus"},"stockLevel":0,"stockThreshold":null},"futureStocks":null,"availableForPickup":null,"averageRating":null,"numberOfReviews":null,"summary":null,"manufacturer":null,"variantType":null,"price":null,"baseProduct":null,"images":[],"categories":null,"reviews":null,"classifications":null,"potentialPromotions":null,"variantOptions":null,"baseOptions":[],"volumePricesFlag":null,"volumePrices":null,"productReferences":null,"variantMatrix":null,"priceRange":null,"firstCategoryNameList":null,"multidimensional":null,"configurable":false,"configuratorType":null,"addToCartDisabled":null,"addToCartDisabledMessage":null,"tags":null,"sapUnit":null,"keywords":null,"genders":null,"itemtype":"Part","partSubstitute":null,"note":null,"recallNote":null,"note1":null,"note2":null,"note3":null,"note4":null,"note5":null,"pdfAllUser":null,"pdfAuthUser":null,"pdfCOSUser":null,"vaiantRelatedPartList":null,"partHotspotList":null,"itemNumber":16,"partRelatedVariantList":null,"bomCode":4,"totalValue":null,"searchImage":null,"length":null,"width":null,"height":null,"unitOfDimension":null,"weight":null,"unitOfWeight":null,"specialRouting":false,"onlineRepair":null,"previousPartID":null,"sbdDiscountPriceValue":null,"alrCode":null,"productRecallFlag":null,"selectedDocumentId":null,"productDescription":null,"pdpImage":null,"ticketId":null,"qtyRequiredPerVariant":"1","isElgibleForRepair":null,"isPowerEligible":null,"productRecallNotes":null,"productOtherInfo":null,"backorderETA":null,"modifiedDate":null,"userLevel":"COS","displayPrice":null,"baseProductName":null,"firstVariantCode":null,"firstVariantImage":null,"productMarketType":null,"productNumber":null,"typeStatusCode":null,"productCategory":null,"typeNumber":null,"marketCode":null,"regionCode":null,"otherInformation":null,"productTypeStatus":null,"repairInstruction":null,"repairInstructionStatusDescription":null,"typeStatusDate":null,"serviceLifeDate":null,"manufacturerId":null,"parts":null,"language":null,"glossaries":null,"brand":null,"product":null,"brandCode":null,"recallNotes":null,"volume":null},{"code":"PSTD551231-CM","name":null,"url":"/c//p/PSTD551231-CM","description":"WASHER 5/16T LOCK","purchasable":false,"stock":{"stockLevelStatus":{"code":"outOfStock","type":"StockLevelStatus"},"stockLevel":0,"stockThreshold":null},"futureStocks":null,"availableForPickup":null,"averageRating":null,"numberOfReviews":null,"summary":null,"manufacturer":null,"variantType":null,"price":null,"baseProduct":null,"images":[],"categories":null,"reviews":null,"classifications":null,"potentialPromotions":null,"variantOptions":null,"baseOptions":[],"volumePricesFlag":null,"volumePrices":null,"productReferences":null,"variantMatrix":null,"priceRange":null,"firstCategoryNameList":null,"multidimensional":null,"configurable":false,"configuratorType":null,"addToCartDisabled":null,"addToCartDisabledMessage":null,"tags":null,"sapUnit":null,"keywords":null,"genders":null,"itemtype":"Part","partSubstitute":null,"note":null,"recallNote":null,"note1":null,"note2":null,"note3":null,"note4":null,"note5":null,"pdfAllUser":null,"pdfAuthUser":null,"pdfCOSUser":null,"vaiantRelatedPartList":null,"partHotspotList":null,"itemNumber":16,"partRelatedVariantList":null,"bomCode":4,"totalValue":null,"searchImage":null,"length":null,"width":null,"height":null,"unitOfDimension":null,"weight":null,"unitOfWeight":null,"specialRouting":false,"onlineRepair":null,"previousPartID":null,"sbdDiscountPriceValue":null,"alrCode":null,"productRecallFlag":null,"selectedDocumentId":null,"productDescription":null,"pdpImage":null,"ticketId":null,"qtyRequiredPerVariant":"1","isElgibleForRepair":null,"isPowerEligible":null,"productRecallNotes":null,"productOtherInfo":null,"backorderETA":null,"modifiedDate":null,"userLevel":"COS","displayPrice":null,"baseProductName":null,"firstVariantCode":null,"firstVariantImage":null,"productMarketType":null,"productNumber":null,"typeStatusCode":null,"productCategory":null,"typeNumber":null,"marketCode":null,"regionCode":null,"otherInformation":null,"productTypeStatus":null,"repairInstruction":null,"repairInstructionStatusDescription":null,"typeStatusDate":null,"serviceLifeDate":null,"manufacturerId":null,"parts":null,"language":null,"glossaries":null,"brand":null,"product":null,"brandCode":null,"recallNotes":null,"volume":null},{"code":"PSTD611005-CM","name":null,"url":"/c//p/PSTD611005-CM","description":"SCREW 8PK","purchasable":false,"stock":{"stockLevelStatus":{"code":"outOfStock","type":"StockLevelStatus"},"stockLevel":0,"stockThreshold":null},"futureStocks":null,"availableForPickup":null,"averageRating":null,"numberOfReviews":null,"summary":null,"manufacturer":null,"variantType":null,"price":null,"baseProduct":null,"images":[],"categories":null,"reviews":null,"classifications":null,"potentialPromotions":null,"variantOptions":null,"baseOptions":[],"volumePricesFlag":null,"volumePrices":null,"productReferences":null,"variantMatrix":null,"priceRange":null,"firstCategoryNameList":null,"multidimensional":null,"configurable":false,"configuratorType":null,"addToCartDisabled":null,"addToCartDisabledMessage":null,"tags":null,"sapUnit":null,"keywords":null,"genders":null,"itemtype":"Part","partSubstitute":"P532009266-CM","note":null,"recallNote":null,"note1":null,"note2":null,"note3":null,"note4":null,"note5":null,"pdfAllUser":null,"pdfAuthUser":null,"pdfCOSUser":null,"vaiantRelatedPartList":null,"partHotspotList":null,"itemNumber":16,"partRelatedVariantList":null,"bomCode":4,"totalValue":null,"searchImage":null,"length":null,"width":null,"height":null,"unitOfDimension":null,"weight":null,"unitOfWeight":null,"specialRouting":false,"onlineRepair":null,"previousPartID":null,"sbdDiscountPriceValue":null,"alrCode":null,"productRecallFlag":null,"selectedDocumentId":null,"productDescription":null,"pdpImage":null,"ticketId":null,"qtyRequiredPerVariant":"1","isElgibleForRepair":null,"isPowerEligible":null,"productRecallNotes":null,"productOtherInfo":null,"backorderETA":null,"modifiedDate":null,"userLevel":"COS","displayPrice":null,"baseProductName":null,"firstVariantCode":null,"firstVariantImage":null,"productMarketType":null,"productNumber":null,"typeStatusCode":null,"productCategory":null,"typeNumber":null,"marketCode":null,"regionCode":null,"otherInformation":null,"productTypeStatus":null,"repairInstruction":null,"repairInstructionStatusDescription":null,"typeStatusDate":null,"serviceLifeDate":null,"manufacturerId":null,"parts":null,"language":null,"glossaries":null,"brand":null,"product":null,"brandCode":null,"recallNotes":null,"volume":null},{"code":"PSTD611005-CM","name":null,"url":"/c//p/PSTD611005-CM","description":"SCREW 8PK","purchasable":false,"stock":{"stockLevelStatus":{"code":"outOfStock","type":"StockLevelStatus"},"stockLevel":0,"stockThreshold":null},"futureStocks":null,"availableForPickup":null,"averageRating":null,"numberOfReviews":null,"summary":null,"manufacturer":null,"variantType":null,"price":null,"baseProduct":null,"images":[],"categories":null,"reviews":null,"classifications":null,"potentialPromotions":null,"variantOptions":null,"baseOptions":[],"volumePricesFlag":null,"volumePrices":null,"productReferences":null,"variantMatrix":null,"priceRange":null,"firstCategoryNameList":null,"multidimensional":null,"configurable":false,"configuratorType":null,"addToCartDisabled":null,"addToCartDisabledMessage":null,"tags":null,"sapUnit":null,"keywords":null,"genders":null,"itemtype":"Part","partSubstitute":"P532009266-CM","note":null,"recallNote":null,"note1":null,"note2":null,"note3":null,"note4":null,"note5":null,"pdfAllUser":null,"pdfAuthUser":null,"pdfCOSUser":null,"vaiantRelatedPartList":null,"partHotspotList":null,"itemNumber":16,"partRelatedVariantList":null,"bomCode":4,"totalValue":null,"searchImage":null,"length":null,"width":null,"height":null,"unitOfDimension":null,"weight":null,"unitOfWeight":null,"specialRouting":false,"onlineRepair":null,"previousPartID":null,"sbdDiscountPriceValue":null,"alrCode":null,"productRecallFlag":null,"selectedDocumentId":null,"productDescription":null,"pdpImage":null,"ticketId":null,"qtyRequiredPerVariant":"1","isElgibleForRepair":null,"isPowerEligible":null,"productRecallNotes":null,"productOtherInfo":null,"backorderETA":null,"modifiedDate":null,"userLevel":"COS","displayPrice":null,"baseProductName":null,"firstVariantCode":null,"firstVariantImage":null,"productMarketType":null,"productNumber":null,"typeStatusCode":null,"productCategory":null,"typeNumber":null,"marketCode":null,"regionCode":null,"otherInformation":null,"productTypeStatus":null,"repairInstruction":null,"repairInstructionStatusDescription":null,"typeStatusDate":null,"serviceLifeDate":null,"manufacturerId":null,"parts":null,"language":null,"glossaries":null,"brand":null,"product":null,"brandCode":null,"recallNotes":null,"volume":null},{"code":"P62539-CM","name":null,"url":"/c//p/P62539-CM","description":"SPACER","purchasable":false,"stock":{"stockLevelStatus":{"code":"outOfStock","type":"StockLevelStatus"},"stockLevel":0,"stockThreshold":null},"futureStocks":null,"availableForPickup":null,"averageRating":null,"numberOfReviews":null,"summary":null,"manufacturer":null,"variantType":null,"price":null,"baseProduct":null,"images":[],"categories":null,"reviews":null,"classifications":null,"potentialPromotions":null,"variantOptions":null,"baseOptions":[],"volumePricesFlag":null,"volumePrices":null,"productReferences":null,"variantMatrix":null,"priceRange":null,"firstCategoryNameList":null,"multidimensional":null,"configurable":false,"configuratorType":null,"addToCartDisabled":null,"addToCartDisabledMessage":null,"tags":null,"sapUnit":null,"keywords":null,"genders":null,"itemtype":"Part","partSubstitute":null,"note":null,"recallNote":null,"note1":null,"note2":null,"note3":null,"note4":null,"note5":null,"pdfAllUser":null,"pdfAuthUser":null,"pdfCOSUser":null,"vaiantRelatedPartList":null,"partHotspotList":null,"itemNumber":17,"partRelatedVariantList":null,"bomCode":4,"totalValue":null,"searchImage":null,"length":null,"width":null,"height":null,"unitOfDimension":null,"weight":null,"unitOfWeight":null,"specialRouting":false,"onlineRepair":null,"previousPartID":null,"sbdDiscountPriceValue":null,"alrCode":null,"productRecallFlag":null,"selectedDocumentId":null,"productDescription":null,"pdpImage":null,"ticketId":null,"qtyRequiredPerVariant":"1","isElgibleForRepair":null,"isPowerEligible":null,"productRecallNotes":null,"productOtherInfo":null,"backorderETA":null,"modifiedDate":null,"userLevel":"COS","displayPrice":null,"baseProductName":null,"firstVariantCode":null,"firstVariantImage":null,"productMarketType":null,"productNumber":null,"typeStatusCode":null,"productCategory":null,"typeNumber":null,"marketCode":null,"regionCode":null,"otherInformation":null,"productTypeStatus":null,"repairInstruction":null,"repairInstructionStatusDescription":null,"typeStatusDate":null,"serviceLifeDate":null,"manufacturerId":null,"parts":null,"language":null,"glossaries":null,"brand":null,"product":null,"brandCode":null,"recallNotes":null,"volume":null},{"code":"PSTD503103-CM","name":null,"url":"/c//p/PSTD503103-CM","description":"SCREW 2PK","purchasable":false,"stock":{"stockLevelStatus":{"code":"outOfStock","type":"StockLevelStatus"},"stockLevel":0,"stockThreshold":null},"futureStocks":null,"availableForPickup":null,"averageRating":null,"numberOfReviews":null,"summary":null,"manufacturer":null,"variantType":null,"price":null,"baseProduct":null,"images":[],"categories":null,"reviews":null,"classifications":null,"potentialPromotions":null,"variantOptions":null,"baseOptions":[],"volumePricesFlag":null,"volumePrices":null,"productReferences":null,"variantMatrix":null,"priceRange":null,"firstCategoryNameList":null,"multidimensional":null,"configurable":false,"configuratorType":null,"addToCartDisabled":null,"addToCartDisabledMessage":null,"tags":null,"sapUnit":null,"keywords":null,"genders":null,"itemtype":"Part","partSubstitute":"P532137118-CM","note":null,"recallNote":null,"note1":null,"note2":null,"note3":null,"note4":null,"note5":null,"pdfAllUser":null,"pdfAuthUser":null,"pdfCOSUser":null,"vaiantRelatedPartList":null,"partHotspotList":null,"itemNumber":18,"partRelatedVariantList":null,"bomCode":4,"totalValue":null,"searchImage":null,"length":null,"width":null,"height":null,"unitOfDimension":null,"weight":null,"unitOfWeight":null,"specialRouting":false,"onlineRepair":null,"previousPartID":null,"sbdDiscountPriceValue":null,"alrCode":null,"productRecallFlag":null,"selectedDocumentId":null,"productDescription":null,"pdpImage":null,"ticketId":null,"qtyRequiredPerVariant":"1","isElgibleForRepair":null,"isPowerEligible":null,"productRecallNotes":null,"productOtherInfo":null,"backorderETA":null,"modifiedDate":null,"userLevel":"COS","displayPrice":null,"baseProductName":null,"firstVariantCode":null,"firstVariantImage":null,"productMarketType":null,"productNumber":null,"typeStatusCode":null,"productCategory":null,"typeNumber":null,"marketCode":null,"regionCode":null,"otherInformation":null,"productTypeStatus":null,"repairInstruction":null,"repairInstructionStatusDescription":null,"typeStatusDate":null,"serviceLifeDate":null,"manufacturerId":null,"parts":null,"language":null,"glossaries":null,"brand":null,"product":null,"brandCode":null,"recallNotes":null,"volume":null},{"code":"PSTD523115-CM","name":null,"url":"/c//p/PSTD523115-CM","description":"SCREW 5PK","purchasable":false,"stock":{"stockLevelStatus":{"code":"outOfStock","type":"StockLevelStatus"},"stockLevel":0,"stockThreshold":null},"futureStocks":null,"availableForPickup":null,"averageRating":null,"numberOfReviews":null,"summary":null,"manufacturer":null,"variantType":null,"price":null,"baseProduct":null,"images":[],"categories":null,"reviews":null,"classifications":null,"potentialPromotions":null,"variantOptions":null,"baseOptions":[],"volumePricesFlag":null,"volumePrices":null,"productReferences":null,"variantMatrix":null,"priceRange":null,"firstCategoryNameList":null,"multidimensional":null,"configurable":false,"configuratorType":null,"addToCartDisabled":null,"addToCartDisabledMessage":null,"tags":null,"sapUnit":null,"keywords":null,"genders":null,"itemtype":"Part","partSubstitute":"P49983-CM","note":null,"recallNote":null,"note1":null,"note2":null,"note3":null,"note4":null,"note5":null,"pdfAllUser":null,"pdfAuthUser":null,"pdfCOSUser":null,"vaiantRelatedPartList":null,"partHotspotList":null,"itemNumber":20,"partRelatedVariantList":null,"bomCode":4,"totalValue":null,"searchImage":null,"length":null,"width":null,"height":null,"unitOfDimension":null,"weight":null,"unitOfWeight":null,"specialRouting":false,"onlineRepair":null,"previousPartID":null,"sbdDiscountPriceValue":null,"alrCode":null,"productRecallFlag":null,"selectedDocumentId":null,"productDescription":null,"pdpImage":null,"ticketId":null,"qtyRequiredPerVariant":"1","isElgibleForRepair":null,"isPowerEligible":null,"productRecallNotes":null,"productOtherInfo":null,"backorderETA":null,"modifiedDate":null,"userLevel":"COS","displayPrice":null,"baseProductName":null,"firstVariantCode":null,"firstVariantImage":null,"productMarketType":null,"productNumber":null,"typeStatusCode":null,"productCategory":null,"typeNumber":null,"marketCode":null,"regionCode":null,"otherInformation":null,"productTypeStatus":null,"repairInstruction":null,"repairInstructionStatusDescription":null,"typeStatusDate":null,"serviceLifeDate":null,"manufacturerId":null,"parts":null,"language":null,"glossaries":null,"brand":null,"product":null,"brandCode":null,"recallNotes":null,"volume":null},{"code":"PSTD551012-CM","name":null,"url":"/c//p/PSTD551012-CM","description":"WASHER","purchasable":false,"stock":{"stockLevelStatus":{"code":"outOfStock","type":"StockLevelStatus"},"stockLevel":0,"stockThreshold":null},"futureStocks":null,"availableForPickup":null,"averageRating":null,"numberOfReviews":null,"summary":null,"manufacturer":null,"variantType":null,"price":null,"baseProduct":null,"images":[],"categories":null,"reviews":null,"classifications":null,"potentialPromotions":null,"variantOptions":null,"baseOptions":[],"volumePricesFlag":null,"volumePrices":null,"productReferences":null,"variantMatrix":null,"priceRange":null,"firstCategoryNameList":null,"multidimensional":null,"configurable":false,"configuratorType":null,"addToCartDisabled":null,"addToCartDisabledMessage":null,"tags":null,"sapUnit":null,"keywords":null,"genders":null,"itemtype":"Part","partSubstitute":null,"note":null,"recallNote":null,"note1":null,"note2":null,"note3":null,"note4":null,"note5":null,"pdfAllUser":null,"pdfAuthUser":null,"pdfCOSUser":null,"vaiantRelatedPartList":null,"partHotspotList":null,"itemNumber":21,"partRelatedVariantList":null,"bomCode":4,"totalValue":null,"searchImage":null,"length":null,"width":null,"height":null,"unitOfDimension":null,"weight":null,"unitOfWeight":null,"specialRouting":false,"onlineRepair":null,"previousPartID":null,"sbdDiscountPriceValue":null,"alrCode":null,"productRecallFlag":null,"selectedDocumentId":null,"productDescription":null,"pdpImage":null,"ticketId":null,"qtyRequiredPerVariant":"1","isElgibleForRepair":null,"isPowerEligible":null,"productRecallNotes":null,"productOtherInfo":null,"backorderETA":null,"modifiedDate":null,"userLevel":"COS","displayPrice":null,"baseProductName":null,"firstVariantCode":null,"firstVariantImage":null,"productMarketType":null,"productNumber":null,"typeStatusCode":null,"productCategory":null,"typeNumber":null,"marketCode":null,"regionCode":null,"otherInformation":null,"productTypeStatus":null,"repairInstruction":null,"repairInstructionStatusDescription":null,"typeStatusDate":null,"serviceLifeDate":null,"manufacturerId":null,"parts":null,"language":null,"glossaries":null,"brand":null,"product":null,"brandCode":null,"recallNotes":null,"volume":null},{"code":"PSTD601103-CM","name":null,"url":"/c//p/PSTD601103-CM","description":"SCREW","purchasable":false,"stock":{"stockLevelStatus":{"code":"outOfStock","type":"StockLevelStatus"},"stockLevel":0,"stockThreshold":null},"futureStocks":null,"availableForPickup":null,"averageRating":null,"numberOfReviews":null,"summary":null,"manufacturer":null,"variantType":null,"price":null,"baseProduct":null,"images":[],"categories":null,"reviews":null,"classifications":null,"potentialPromotions":null,"variantOptions":null,"baseOptions":[],"volumePricesFlag":null,"volumePrices":null,"productReferences":null,"variantMatrix":null,"priceRange":null,"firstCategoryNameList":null,"multidimensional":null,"configurable":false,"configuratorType":null,"addToCartDisabled":null,"addToCartDisabledMessage":null,"tags":null,"sapUnit":null,"keywords":null,"genders":null,"itemtype":"Part","partSubstitute":"PSTDPART","note":null,"recallNote":null,"note1":null,"note2":null,"note3":null,"note4":null,"note5":null,"pdfAllUser":null,"pdfAuthUser":null,"pdfCOSUser":null,"vaiantRelatedPartList":null,"partHotspotList":null,"itemNumber":22,"partRelatedVariantList":null,"bomCode":4,"totalValue":null,"searchImage":null,"length":null,"width":null,"height":null,"unitOfDimension":null,"weight":null,"unitOfWeight":null,"specialRouting":false,"onlineRepair":null,"previousPartID":null,"sbdDiscountPriceValue":null,"alrCode":null,"productRecallFlag":null,"selectedDocumentId":null,"productDescription":null,"pdpImage":null,"ticketId":null,"qtyRequiredPerVariant":"1","isElgibleForRepair":null,"isPowerEligible":null,"productRecallNotes":null,"productOtherInfo":null,"backorderETA":null,"modifiedDate":null,"userLevel":"COS","displayPrice":null,"baseProductName":null,"firstVariantCode":null,"firstVariantImage":null,"productMarketType":null,"productNumber":null,"typeStatusCode":null,"productCategory":null,"typeNumber":null,"marketCode":null,"regionCode":null,"otherInformation":null,"productTypeStatus":null,"repairInstruction":null,"repairInstructionStatusDescription":null,"typeStatusDate":null,"serviceLifeDate":null,"manufacturerId":null,"parts":null,"language":null,"glossaries":null,"brand":null,"product":null,"brandCode":null,"recallNotes":null,"volume":null},{"code":"PSTD601103-CM","name":null,"url":"/c//p/PSTD601103-CM","description":"SCREW","purchasable":false,"stock":{"stockLevelStatus":{"code":"outOfStock","type":"StockLevelStatus"},"stockLevel":0,"stockThreshold":null},"futureStocks":null,"availableForPickup":null,"averageRating":null,"numberOfReviews":null,"summary":null,"manufacturer":null,"variantType":null,"price":null,"baseProduct":null,"images":[],"categories":null,"reviews":null,"classifications":null,"potentialPromotions":null,"variantOptions":null,"baseOptions":[],"volumePricesFlag":null,"volumePrices":null,"productReferences":null,"variantMatrix":null,"priceRange":null,"firstCategoryNameList":null,"multidimensional":null,"configurable":false,"configuratorType":null,"addToCartDisabled":null,"addToCartDisabledMessage":null,"tags":null,"sapUnit":null,"keywords":null,"genders":null,"itemtype":"Part","partSubstitute":"PSTDPART","note":null,"recallNote":null,"note1":null,"note2":null,"note3":null,"note4":null,"note5":null,"pdfAllUser":null,"pdfAuthUser":null,"pdfCOSUser":null,"vaiantRelatedPartList":null,"partHotspotList":null,"itemNumber":22,"partRelatedVariantList":null,"bomCode":4,"totalValue":null,"searchImage":null,"length":null,"width":null,"height":null,"unitOfDimension":null,"weight":null,"unitOfWeight":null,"specialRouting":false,"onlineRepair":null,"previousPartID":null,"sbdDiscountPriceValue":null,"alrCode":null,"productRecallFlag":null,"selectedDocumentId":null,"productDescription":null,"pdpImage":null,"ticketId":null,"qtyRequiredPerVariant":"1","isElgibleForRepair":null,"isPowerEligible":null,"productRecallNotes":null,"productOtherInfo":null,"backorderETA":null,"modifiedDate":null,"userLevel":"COS","displayPrice":null,"baseProductName":null,"firstVariantCode":null,"firstVariantImage":null,"productMarketType":null,"productNumber":null,"typeStatusCode":null,"productCategory":null,"typeNumber":null,"marketCode":null,"regionCode":null,"otherInformation":null,"productTypeStatus":null,"repairInstruction":null,"repairInstructionStatusDescription":null,"typeStatusDate":null,"serviceLifeDate":null,"manufacturerId":null,"parts":null,"language":null,"glossaries":null,"brand":null,"product":null,"brandCode":null,"recallNotes":null,"volume":null},{"code":"PSTD551237-CM","name":null,"url":"/c//p/PSTD551237-CM","description":"WASHER 8PK","purchasable":false,"stock":{"stockLevelStatus":{"code":"outOfStock","type":"StockLevelStatus"},"stockLevel":0,"stockThreshold":null},"futureStocks":null,"availableForPickup":null,"averageRating":null,"numberOfReviews":null,"summary":null,"manufacturer":null,"variantType":null,"price":null,"baseProduct":null,"images":[],"categories":null,"reviews":null,"classifications":null,"potentialPromotions":null,"variantOptions":null,"baseOptions":[],"volumePricesFlag":null,"volumePrices":null,"productReferences":null,"variantMatrix":null,"priceRange":null,"firstCategoryNameList":null,"multidimensional":null,"configurable":false,"configuratorType":null,"addToCartDisabled":null,"addToCartDisabledMessage":null,"tags":null,"sapUnit":null,"keywords":null,"genders":null,"itemtype":"Part","partSubstitute":"P176138-CM","note":null,"recallNote":null,"note1":null,"note2":null,"note3":null,"note4":null,"note5":null,"pdfAllUser":null,"pdfAuthUser":null,"pdfCOSUser":null,"vaiantRelatedPartList":null,"partHotspotList":null,"itemNumber":23,"partRelatedVariantList":null,"bomCode":4,"totalValue":null,"searchImage":null,"length":null,"width":null,"height":null,"unitOfDimension":null,"weight":null,"unitOfWeight":null,"specialRouting":false,"onlineRepair":null,"previousPartID":null,"sbdDiscountPriceValue":null,"alrCode":null,"productRecallFlag":null,"selectedDocumentId":null,"productDescription":null,"pdpImage":null,"ticketId":null,"qtyRequiredPerVariant":"1","isElgibleForRepair":null,"isPowerEligible":null,"productRecallNotes":null,"productOtherInfo":null,"backorderETA":null,"modifiedDate":null,"userLevel":"COS","displayPrice":null,"baseProductName":null,"firstVariantCode":null,"firstVariantImage":null,"productMarketType":null,"productNumber":null,"typeStatusCode":null,"productCategory":null,"typeNumber":null,"marketCode":null,"regionCode":null,"otherInformation":null,"productTypeStatus":null,"repairInstruction":null,"repairInstructionStatusDescription":null,"typeStatusDate":null,"serviceLifeDate":null,"manufacturerId":null,"parts":null,"language":null,"glossaries":null,"brand":null,"product":null,"brandCode":null,"recallNotes":null,"volume":null},{"code":"PSTD523112-CM","name":null,"url":"/c//p/PSTD523112-CM","description":"SCREW 5PK","purchasable":false,"stock":{"stockLevelStatus":{"code":"outOfStock","type":"StockLevelStatus"},"stockLevel":0,"stockThreshold":null},"futureStocks":null,"availableForPickup":null,"averageRating":null,"numberOfReviews":null,"summary":null,"manufacturer":null,"variantType":null,"price":null,"baseProduct":null,"images":[],"categories":null,"reviews":null,"classifications":null,"potentialPromotions":null,"variantOptions":null,"baseOptions":[],"volumePricesFlag":null,"volumePrices":null,"productReferences":null,"variantMatrix":null,"priceRange":null,"firstCategoryNameList":null,"multidimensional":null,"configurable":false,"configuratorType":null,"addToCartDisabled":null,"addToCartDisabledMessage":null,"tags":null,"sapUnit":null,"keywords":null,"genders":null,"itemtype":"Part","partSubstitute":"PSTDPART","note":null,"recallNote":null,"note1":null,"note2":null,"note3":null,"note4":null,"note5":null,"pdfAllUser":null,"pdfAuthUser":null,"pdfCOSUser":null,"vaiantRelatedPartList":null,"partHotspotList":null,"itemNumber":29,"partRelatedVariantList":null,"bomCode":4,"totalValue":null,"searchImage":null,"length":null,"width":null,"height":null,"unitOfDimension":null,"weight":null,"unitOfWeight":null,"specialRouting":false,"onlineRepair":null,"previousPartID":null,"sbdDiscountPriceValue":null,"alrCode":null,"productRecallFlag":null,"selectedDocumentId":null,"productDescription":null,"pdpImage":null,"ticketId":null,"qtyRequiredPerVariant":"1","isElgibleForRepair":null,"isPowerEligible":null,"productRecallNotes":null,"productOtherInfo":null,"backorderETA":null,"modifiedDate":null,"userLevel":"COS","displayPrice":null,"baseProductName":null,"firstVariantCode":null,"firstVariantImage":null,"productMarketType":null,"productNumber":null,"typeStatusCode":null,"productCategory":null,"typeNumber":null,"marketCode":null,"regionCode":null,"otherInformation":null,"productTypeStatus":null,"repairInstruction":null,"repairInstructionStatusDescription":null,"typeStatusDate":null,"serviceLifeDate":null,"manufacturerId":null,"parts":null,"language":null,"glossaries":null,"brand":null,"product":null,"brandCode":null,"recallNotes":null,"volume":null},{"code":"P62590-CM","name":null,"url":"/c//p/P62590-CM","description":"EXTENSION","purchasable":false,"stock":{"stockLevelStatus":{"code":"outOfStock","type":"StockLevelStatus"},"stockLevel":0,"stockThreshold":null},"futureStocks":null,"availableForPickup":null,"averageRating":null,"numberOfReviews":null,"summary":null,"manufacturer":null,"variantType":null,"price":null,"baseProduct":null,"images":[],"categories":null,"reviews":null,"classifications":null,"potentialPromotions":null,"variantOptions":null,"baseOptions":[],"volumePricesFlag":null,"volumePrices":null,"productReferences":null,"variantMatrix":null,"priceRange":null,"firstCategoryNameList":null,"multidimensional":null,"configurable":false,"configuratorType":null,"addToCartDisabled":null,"addToCartDisabledMessage":null,"tags":null,"sapUnit":null,"keywords":null,"genders":null,"itemtype":"Part","partSubstitute":null,"note":null,"recallNote":null,"note1":null,"note2":null,"note3":null,"note4":null,"note5":null,"pdfAllUser":null,"pdfAuthUser":null,"pdfCOSUser":null,"vaiantRelatedPartList":null,"partHotspotList":null,"itemNumber":30,"partRelatedVariantList":null,"bomCode":4,"totalValue":null,"searchImage":null,"length":null,"width":null,"height":null,"unitOfDimension":null,"weight":null,"unitOfWeight":null,"specialRouting":false,"onlineRepair":null,"previousPartID":null,"sbdDiscountPriceValue":null,"alrCode":null,"productRecallFlag":null,"selectedDocumentId":null,"productDescription":null,"pdpImage":null,"ticketId":null,"qtyRequiredPerVariant":"1","isElgibleForRepair":null,"isPowerEligible":null,"productRecallNotes":null,"productOtherInfo":null,"backorderETA":null,"modifiedDate":null,"userLevel":"COS","displayPrice":null,"baseProductName":null,"firstVariantCode":null,"firstVariantImage":null,"productMarketType":null,"productNumber":null,"typeStatusCode":null,"productCategory":null,"typeNumber":null,"marketCode":null,"regionCode":null,"otherInformation":null,"productTypeStatus":null,"repairInstruction":null,"repairInstructionStatusDescription":null,"typeStatusDate":null,"serviceLifeDate":null,"manufacturerId":null,"parts":null,"language":null,"glossaries":null,"brand":null,"product":null,"brandCode":null,"recallNotes":null,"volume":null},{"code":"P62590-CM","name":null,"url":"/c//p/P62590-CM","description":"EXTENSION","purchasable":false,"stock":{"stockLevelStatus":{"code":"outOfStock","type":"StockLevelStatus"},"stockLevel":0,"stockThreshold":null},"futureStocks":null,"availableForPickup":null,"averageRating":null,"numberOfReviews":null,"summary":null,"manufacturer":null,"variantType":null,"price":null,"baseProduct":null,"images":[],"categories":null,"reviews":null,"classifications":null,"potentialPromotions":null,"variantOptions":null,"baseOptions":[],"volumePricesFlag":null,"volumePrices":null,"productReferences":null,"variantMatrix":null,"priceRange":null,"firstCategoryNameList":null,"multidimensional":null,"configurable":false,"configuratorType":null,"addToCartDisabled":null,"addToCartDisabledMessage":null,"tags":null,"sapUnit":null,"keywords":null,"genders":null,"itemtype":"Part","partSubstitute":null,"note":null,"recallNote":null,"note1":null,"note2":null,"note3":null,"note4":null,"note5":null,"pdfAllUser":null,"pdfAuthUser":null,"pdfCOSUser":null,"vaiantRelatedPartList":null,"partHotspotList":null,"itemNumber":30,"partRelatedVariantList":null,"bomCode":4,"totalValue":null,"searchImage":null,"length":null,"width":null,"height":null,"unitOfDimension":null,"weight":null,"unitOfWeight":null,"specialRouting":false,"onlineRepair":null,"previousPartID":null,"sbdDiscountPriceValue":null,"alrCode":null,"productRecallFlag":null,"selectedDocumentId":null,"productDescription":null,"pdpImage":null,"ticketId":null,"qtyRequiredPerVariant":"1","isElgibleForRepair":null,"isPowerEligible":null,"productRecallNotes":null,"productOtherInfo":null,"backorderETA":null,"modifiedDate":null,"userLevel":"COS","displayPrice":null,"baseProductName":null,"firstVariantCode":null,"firstVariantImage":null,"productMarketType":null,"productNumber":null,"typeStatusCode":null,"productCategory":null,"typeNumber":null,"marketCode":null,"regionCode":null,"otherInformation":null,"productTypeStatus":null,"repairInstruction":null,"repairInstructionStatusDescription":null,"typeStatusDate":null,"serviceLifeDate":null,"manufacturerId":null,"parts":null,"language":null,"glossaries":null,"brand":null,"product":null,"brandCode":null,"recallNotes":null,"volume":null},{"code":"PSTDPART","name":null,"url":"/c//p/PSTDPART","description":"COMMONLY AVAIL. PART","purchasable":false,"stock":{"stockLevelStatus":{"code":"outOfStock","type":"StockLevelStatus"},"stockLevel":0,"stockThreshold":null},"futureStocks":null,"availableForPickup":null,"averageRating":null,"numberOfReviews":null,"summary":null,"manufacturer":null,"variantType":null,"price":null,"baseProduct":null,"images":[],"categories":null,"reviews":null,"classifications":null,"potentialPromotions":null,"variantOptions":null,"baseOptions":[],"volumePricesFlag":null,"volumePrices":null,"productReferences":null,"variantMatrix":null,"priceRange":null,"firstCategoryNameList":null,"multidimensional":null,"configurable":false,"configuratorType":null,"addToCartDisabled":null,"addToCartDisabledMessage":null,"tags":null,"sapUnit":null,"keywords":null,"genders":null,"itemtype":"Part","partSubstitute":null,"note":null,"recallNote":null,"note1":null,"note2":null,"note3":null,"note4":null,"note5":null,"pdfAllUser":null,"pdfAuthUser":null,"pdfCOSUser":null,"vaiantRelatedPartList":null,"partHotspotList":null,"itemNumber":30,"partRelatedVariantList":null,"bomCode":2,"totalValue":null,"searchImage":null,"length":null,"width":null,"height":null,"unitOfDimension":null,"weight":null,"unitOfWeight":null,"specialRouting":false,"onlineRepair":null,"previousPartID":null,"sbdDiscountPriceValue":null,"alrCode":null,"productRecallFlag":null,"selectedDocumentId":null,"productDescription":null,"pdpImage":null,"ticketId":null,"qtyRequiredPerVariant":"1","isElgibleForRepair":null,"isPowerEligible":null,"productRecallNotes":null,"productOtherInfo":null,"backorderETA":null,"modifiedDate":null,"userLevel":"COS","displayPrice":null,"baseProductName":null,"firstVariantCode":null,"firstVariantImage":null,"productMarketType":null,"productNumber":null,"typeStatusCode":null,"productCategory":null,"typeNumber":null,"marketCode":null,"regionCode":null,"otherInformation":null,"productTypeStatus":null,"repairInstruction":null,"repairInstructionStatusDescription":null,"typeStatusDate":null,"serviceLifeDate":null,"manufacturerId":null,"parts":null,"language":null,"glossaries":null,"brand":null,"product":null,"brandCode":null,"recallNotes":null,"volume":null},{"code":"PSTDPART","name":null,"url":"/c//p/PSTDPART","description":"COMMONLY AVAIL. PART","purchasable":false,"stock":{"stockLevelStatus":{"code":"outOfStock","type":"StockLevelStatus"},"stockLevel":0,"stockThreshold":null},"futureStocks":null,"availableForPickup":null,"averageRating":null,"numberOfReviews":null,"summary":null,"manufacturer":null,"variantType":null,"price":null,"baseProduct":null,"images":[],"categories":null,"reviews":null,"classifications":null,"potentialPromotions":null,"variantOptions":null,"baseOptions":[],"volumePricesFlag":null,"volumePrices":null,"productReferences":null,"variantMatrix":null,"priceRange":null,"firstCategoryNameList":null,"multidimensional":null,"configurable":false,"configuratorType":null,"addToCartDisabled":null,"addToCartDisabledMessage":null,"tags":null,"sapUnit":null,"keywords":null,"genders":null,"itemtype":"Part","partSubstitute":null,"note":null,"recallNote":null,"note1":null,"note2":null,"note3":null,"note4":null,"note5":null,"pdfAllUser":null,"pdfAuthUser":null,"pdfCOSUser":null,"vaiantRelatedPartList":null,"partHotspotList":null,"itemNumber":30,"partRelatedVariantList":null,"bomCode":2,"totalValue":null,"searchImage":null,"length":null,"width":null,"height":null,"unitOfDimension":null,"weight":null,"unitOfWeight":null,"specialRouting":false,"onlineRepair":null,"previousPartID":null,"sbdDiscountPriceValue":null,"alrCode":null,"productRecallFlag":null,"selectedDocumentId":null,"productDescription":null,"pdpImage":null,"ticketId":null,"qtyRequiredPerVariant":"1","isElgibleForRepair":null,"isPowerEligible":null,"productRecallNotes":null,"productOtherInfo":null,"backorderETA":null,"modifiedDate":null,"userLevel":"COS","displayPrice":null,"baseProductName":null,"firstVariantCode":null,"firstVariantImage":null,"productMarketType":null,"productNumber":null,"typeStatusCode":null,"productCategory":null,"typeNumber":null,"marketCode":null,"regionCode":null,"otherInformation":null,"productTypeStatus":null,"repairInstruction":null,"repairInstructionStatusDescription":null,"typeStatusDate":null,"serviceLifeDate":null,"manufacturerId":null,"parts":null,"language":null,"glossaries":null,"brand":null,"product":null,"brandCode":null,"recallNotes":null,"volume":null},{"code":"PSTDPART","name":null,"url":"/c//p/PSTDPART","description":"COMMONLY AVAIL. PART","purchasable":false,"stock":{"stockLevelStatus":{"code":"outOfStock","type":"StockLevelStatus"},"stockLevel":0,"stockThreshold":null},"futureStocks":null,"availableForPickup":null,"averageRating":null,"numberOfReviews":null,"summary":null,"manufacturer":null,"variantType":null,"price":null,"baseProduct":null,"images":[],"categories":null,"reviews":null,"classifications":null,"potentialPromotions":null,"variantOptions":null,"baseOptions":[],"volumePricesFlag":null,"volumePrices":null,"productReferences":null,"variantMatrix":null,"priceRange":null,"firstCategoryNameList":null,"multidimensional":null,"configurable":false,"configuratorType":null,"addToCartDisabled":null,"addToCartDisabledMessage":null,"tags":null,"sapUnit":null,"keywords":null,"genders":null,"itemtype":"Part","partSubstitute":null,"note":null,"recallNote":null,"note1":null,"note2":null,"note3":null,"note4":null,"note5":null,"pdfAllUser":null,"pdfAuthUser":null,"pdfCOSUser":null,"vaiantRelatedPartList":null,"partHotspotList":null,"itemNumber":30,"partRelatedVariantList":null,"bomCode":2,"totalValue":null,"searchImage":null,"length":null,"width":null,"height":null,"unitOfDimension":null,"weight":null,"unitOfWeight":null,"specialRouting":false,"onlineRepair":null,"previousPartID":null,"sbdDiscountPriceValue":null,"alrCode":null,"productRecallFlag":null,"selectedDocumentId":null,"productDescription":null,"pdpImage":null,"ticketId":null,"qtyRequiredPerVariant":"1","isElgibleForRepair":null,"isPowerEligible":null,"productRecallNotes":null,"productOtherInfo":null,"backorderETA":null,"modifiedDate":null,"userLevel":"COS","displayPrice":null,"baseProductName":null,"firstVariantCode":null,"firstVariantImage":null,"productMarketType":null,"productNumber":null,"typeStatusCode":null,"productCategory":null,"typeNumber":null,"marketCode":null,"regionCode":null,"otherInformation":null,"productTypeStatus":null,"repairInstruction":null,"repairInstructionStatusDescription":null,"typeStatusDate":null,"serviceLifeDate":null,"manufacturerId":null,"parts":null,"language":null,"glossaries":null,"brand":null,"product":null,"brandCode":null,"recallNotes":null,"volume":null},{"code":"PSTDPART","name":null,"url":"/c//p/PSTDPART","description":"COMMONLY AVAIL. PART","purchasable":false,"stock":{"stockLevelStatus":{"code":"outOfStock","type":"StockLevelStatus"},"stockLevel":0,"stockThreshold":null},"futureStocks":null,"availableForPickup":null,"averageRating":null,"numberOfReviews":null,"summary":null,"manufacturer":null,"variantType":null,"price":null,"baseProduct":null,"images":[],"categories":null,"reviews":null,"classifications":null,"potentialPromotions":null,"variantOptions":null,"baseOptions":[],"volumePricesFlag":null,"volumePrices":null,"productReferences":null,"variantMatrix":null,"priceRange":null,"firstCategoryNameList":null,"multidimensional":null,"configurable":false,"configuratorType":null,"addToCartDisabled":null,"addToCartDisabledMessage":null,"tags":null,"sapUnit":null,"keywords":null,"genders":null,"itemtype":"Part","partSubstitute":null,"note":null,"recallNote":null,"note1":null,"note2":null,"note3":null,"note4":null,"note5":null,"pdfAllUser":null,"pdfAuthUser":null,"pdfCOSUser":null,"vaiantRelatedPartList":null,"partHotspotList":null,"itemNumber":30,"partRelatedVariantList":null,"bomCode":2,"totalValue":null,"searchImage":null,"length":null,"width":null,"height":null,"unitOfDimension":null,"weight":null,"unitOfWeight":null,"specialRouting":false,"onlineRepair":null,"previousPartID":null,"sbdDiscountPriceValue":null,"alrCode":null,"productRecallFlag":null,"selectedDocumentId":null,"productDescription":null,"pdpImage":null,"ticketId":null,"qtyRequiredPerVariant":"1","isElgibleForRepair":null,"isPowerEligible":null,"productRecallNotes":null,"productOtherInfo":null,"backorderETA":null,"modifiedDate":null,"userLevel":"COS","displayPrice":null,"baseProductName":null,"firstVariantCode":null,"firstVariantImage":null,"productMarketType":null,"productNumber":null,"typeStatusCode":null,"productCategory":null,"typeNumber":null,"marketCode":null,"regionCode":null,"otherInformation":null,"productTypeStatus":null,"repairInstruction":null,"repairInstructionStatusDescription":null,"typeStatusDate":null,"serviceLifeDate":null,"manufacturerId":null,"parts":null,"language":null,"glossaries":null,"brand":null,"product":null,"brandCode":null,"recallNotes":null,"volume":null},{"code":"PSTDPART","name":null,"url":"/c//p/PSTDPART","description":"COMMONLY AVAIL. PART","purchasable":false,"stock":{"stockLevelStatus":{"code":"outOfStock","type":"StockLevelStatus"},"stockLevel":0,"stockThreshold":null},"futureStocks":null,"availableForPickup":null,"averageRating":null,"numberOfReviews":null,"summary":null,"manufacturer":null,"variantType":null,"price":null,"baseProduct":null,"images":[],"categories":null,"reviews":null,"classifications":null,"potentialPromotions":null,"variantOptions":null,"baseOptions":[],"volumePricesFlag":null,"volumePrices":null,"productReferences":null,"variantMatrix":null,"priceRange":null,"firstCategoryNameList":null,"multidimensional":null,"configurable":false,"configuratorType":null,"addToCartDisabled":null,"addToCartDisabledMessage":null,"tags":null,"sapUnit":null,"keywords":null,"genders":null,"itemtype":"Part","partSubstitute":null,"note":null,"recallNote":null,"note1":null,"note2":null,"note3":null,"note4":null,"note5":null,"pdfAllUser":null,"pdfAuthUser":null,"pdfCOSUser":null,"vaiantRelatedPartList":null,"partHotspotList":null,"itemNumber":30,"partRelatedVariantList":null,"bomCode":2,"totalValue":null,"searchImage":null,"length":null,"width":null,"height":null,"unitOfDimension":null,"weight":null,"unitOfWeight":null,"specialRouting":false,"onlineRepair":null,"previousPartID":null,"sbdDiscountPriceValue":null,"alrCode":null,"productRecallFlag":null,"selectedDocumentId":null,"productDescription":null,"pdpImage":null,"ticketId":null,"qtyRequiredPerVariant":"1","isElgibleForRepair":null,"isPowerEligible":null,"productRecallNotes":null,"productOtherInfo":null,"backorderETA":null,"modifiedDate":null,"userLevel":"COS","displayPrice":null,"baseProductName":null,"firstVariantCode":null,"firstVariantImage":null,"productMarketType":null,"productNumber":null,"typeStatusCode":null,"productCategory":null,"typeNumber":null,"marketCode":null,"regionCode":null,"otherInformation":null,"productTypeStatus":null,"repairInstruction":null,"repairInstructionStatusDescription":null,"typeStatusDate":null,"serviceLifeDate":null,"manufacturerId":null,"parts":null,"language":null,"glossaries":null,"brand":null,"product":null,"brandCode":null,"recallNotes":null,"volume":null},{"code":"PSTDPART","name":null,"url":"/c//p/PSTDPART","description":"COMMONLY AVAIL. PART","purchasable":false,"stock":{"stockLevelStatus":{"code":"outOfStock","type":"StockLevelStatus"},"stockLevel":0,"stockThreshold":null},"futureStocks":null,"availableForPickup":null,"averageRating":null,"numberOfReviews":null,"summary":null,"manufacturer":null,"variantType":null,"price":null,"baseProduct":null,"images":[],"categories":null,"reviews":null,"classifications":null,"potentialPromotions":null,"variantOptions":null,"baseOptions":[],"volumePricesFlag":null,"volumePrices":null,"productReferences":null,"variantMatrix":null,"priceRange":null,"firstCategoryNameList":null,"multidimensional":null,"configurable":false,"configuratorType":null,"addToCartDisabled":null,"addToCartDisabledMessage":null,"tags":null,"sapUnit":null,"keywords":null,"genders":null,"itemtype":"Part","partSubstitute":null,"note":null,"recallNote":null,"note1":null,"note2":null,"note3":null,"note4":null,"note5":null,"pdfAllUser":null,"pdfAuthUser":null,"pdfCOSUser":null,"vaiantRelatedPartList":null,"partHotspotList":null,"itemNumber":30,"partRelatedVariantList":null,"bomCode":2,"totalValue":null,"searchImage":null,"length":null,"width":null,"height":null,"unitOfDimension":null,"weight":null,"unitOfWeight":null,"specialRouting":false,"onlineRepair":null,"previousPartID":null,"sbdDiscountPriceValue":null,"alrCode":null,"productRecallFlag":null,"selectedDocumentId":null,"productDescription":null,"pdpImage":null,"ticketId":null,"qtyRequiredPerVariant":"1","isElgibleForRepair":null,"isPowerEligible":null,"productRecallNotes":null,"productOtherInfo":null,"backorderETA":null,"modifiedDate":null,"userLevel":"COS","displayPrice":null,"baseProductName":null,"firstVariantCode":null,"firstVariantImage":null,"productMarketType":null,"productNumber":null,"typeStatusCode":null,"productCategory":null,"typeNumber":null,"marketCode":null,"regionCode":null,"otherInformation":null,"productTypeStatus":null,"repairInstruction":null,"repairInstructionStatusDescription":null,"typeStatusDate":null,"serviceLifeDate":null,"manufacturerId":null,"parts":null,"language":null,"glossaries":null,"brand":null,"product":null,"brandCode":null,"recallNotes":null,"volume":null},{"code":"PSTDPART","name":null,"url":"/c//p/PSTDPART","description":"COMMONLY AVAIL. PART","purchasable":false,"stock":{"stockLevelStatus":{"code":"outOfStock","type":"StockLevelStatus"},"stockLevel":0,"stockThreshold":null},"futureStocks":null,"availableForPickup":null,"averageRating":null,"numberOfReviews":null,"summary":null,"manufacturer":null,"variantType":null,"price":null,"baseProduct":null,"images":[],"categories":null,"reviews":null,"classifications":null,"potentialPromotions":null,"variantOptions":null,"baseOptions":[],"volumePricesFlag":null,"volumePrices":null,"productReferences":null,"variantMatrix":null,"priceRange":null,"firstCategoryNameList":null,"multidimensional":null,"configurable":false,"configuratorType":null,"addToCartDisabled":null,"addToCartDisabledMessage":null,"tags":null,"sapUnit":null,"keywords":null,"genders":null,"itemtype":"Part","partSubstitute":null,"note":null,"recallNote":null,"note1":null,"note2":null,"note3":null,"note4":null,"note5":null,"pdfAllUser":null,"pdfAuthUser":null,"pdfCOSUser":null,"vaiantRelatedPartList":null,"partHotspotList":null,"itemNumber":30,"partRelatedVariantList":null,"bomCode":2,"totalValue":null,"searchImage":null,"length":null,"width":null,"height":null,"unitOfDimension":null,"weight":null,"unitOfWeight":null,"specialRouting":false,"onlineRepair":null,"previousPartID":null,"sbdDiscountPriceValue":null,"alrCode":null,"productRecallFlag":null,"selectedDocumentId":null,"productDescription":null,"pdpImage":null,"ticketId":null,"qtyRequiredPerVariant":"1","isElgibleForRepair":null,"isPowerEligible":null,"productRecallNotes":null,"productOtherInfo":null,"backorderETA":null,"modifiedDate":null,"userLevel":"COS","displayPrice":null,"baseProductName":null,"firstVariantCode":null,"firstVariantImage":null,"productMarketType":null,"productNumber":null,"typeStatusCode":null,"productCategory":null,"typeNumber":null,"marketCode":null,"regionCode":null,"otherInformation":null,"productTypeStatus":null,"repairInstruction":null,"repairInstructionStatusDescription":null,"typeStatusDate":null,"serviceLifeDate":null,"manufacturerId":null,"parts":null,"language":null,"glossaries":null,"brand":null,"product":null,"brandCode":null,"recallNotes":null,"volume":null},{"code":"PSTDPART","name":null,"url":"/c//p/PSTDPART","description":"COMMONLY AVAIL. PART","purchasable":false,"stock":{"stockLevelStatus":{"code":"outOfStock","type":"StockLevelStatus"},"stockLevel":0,"stockThreshold":null},"futureStocks":null,"availableForPickup":null,"averageRating":null,"numberOfReviews":null,"summary":null,"manufacturer":null,"variantType":null,"price":null,"baseProduct":null,"images":[],"categories":null,"reviews":null,"classifications":null,"potentialPromotions":null,"variantOptions":null,"baseOptions":[],"volumePricesFlag":null,"volumePrices":null,"productReferences":null,"variantMatrix":null,"priceRange":null,"firstCategoryNameList":null,"multidimensional":null,"configurable":false,"configuratorType":null,"addToCartDisabled":null,"addToCartDisabledMessage":null,"tags":null,"sapUnit":null,"keywords":null,"genders":null,"itemtype":"Part","partSubstitute":null,"note":null,"recallNote":null,"note1":null,"note2":null,"note3":null,"note4":null,"note5":null,"pdfAllUser":null,"pdfAuthUser":null,"pdfCOSUser":null,"vaiantRelatedPartList":null,"partHotspotList":null,"itemNumber":30,"partRelatedVariantList":null,"bomCode":2,"totalValue":null,"searchImage":null,"length":null,"width":null,"height":null,"unitOfDimension":null,"weight":null,"unitOfWeight":null,"specialRouting":false,"onlineRepair":null,"previousPartID":null,"sbdDiscountPriceValue":null,"alrCode":null,"productRecallFlag":null,"selectedDocumentId":null,"productDescription":null,"pdpImage":null,"ticketId":null,"qtyRequiredPerVariant":"1","isElgibleForRepair":null,"isPowerEligible":null,"productRecallNotes":null,"productOtherInfo":null,"backorderETA":null,"modifiedDate":null,"userLevel":"COS","displayPrice":null,"baseProductName":null,"firstVariantCode":null,"firstVariantImage":null,"productMarketType":null,"productNumber":null,"typeStatusCode":null,"productCategory":null,"typeNumber":null,"marketCode":null,"regionCode":null,"otherInformation":null,"productTypeStatus":null,"repairInstruction":null,"repairInstructionStatusDescription":null,"typeStatusDate":null,"serviceLifeDate":null,"manufacturerId":null,"parts":null,"language":null,"glossaries":null,"brand":null,"product":null,"brandCode":null,"recallNotes":null,"volume":null},{"code":"PSTDPART","name":null,"url":"/c//p/PSTDPART","description":"COMMONLY AVAIL. PART","purchasable":false,"stock":{"stockLevelStatus":{"code":"outOfStock","type":"StockLevelStatus"},"stockLevel":0,"stockThreshold":null},"futureStocks":null,"availableForPickup":null,"averageRating":null,"numberOfReviews":null,"summary":null,"manufacturer":null,"variantType":null,"price":null,"baseProduct":null,"images":[],"categories":null,"reviews":null,"classifications":null,"potentialPromotions":null,"variantOptions":null,"baseOptions":[],"volumePricesFlag":null,"volumePrices":null,"productReferences":null,"variantMatrix":null,"priceRange":null,"firstCategoryNameList":null,"multidimensional":null,"configurable":false,"configuratorType":null,"addToCartDisabled":null,"addToCartDisabledMessage":null,"tags":null,"sapUnit":null,"keywords":null,"genders":null,"itemtype":"Part","partSubstitute":null,"note":null,"recallNote":null,"note1":null,"note2":null,"note3":null,"note4":null,"note5":null,"pdfAllUser":null,"pdfAuthUser":null,"pdfCOSUser":null,"vaiantRelatedPartList":null,"partHotspotList":null,"itemNumber":30,"partRelatedVariantList":null,"bomCode":2,"totalValue":null,"searchImage":null,"length":null,"width":null,"height":null,"unitOfDimension":null,"weight":null,"unitOfWeight":null,"specialRouting":false,"onlineRepair":null,"previousPartID":null,"sbdDiscountPriceValue":null,"alrCode":null,"productRecallFlag":null,"selectedDocumentId":null,"productDescription":null,"pdpImage":null,"ticketId":null,"qtyRequiredPerVariant":"1","isElgibleForRepair":null,"isPowerEligible":null,"productRecallNotes":null,"productOtherInfo":null,"backorderETA":null,"modifiedDate":null,"userLevel":"COS","displayPrice":null,"baseProductName":null,"firstVariantCode":null,"firstVariantImage":null,"productMarketType":null,"productNumber":null,"typeStatusCode":null,"productCategory":null,"typeNumber":null,"marketCode":null,"regionCode":null,"otherInformation":null,"productTypeStatus":null,"repairInstruction":null,"repairInstructionStatusDescription":null,"typeStatusDate":null,"serviceLifeDate":null,"manufacturerId":null,"parts":null,"language":null,"glossaries":null,"brand":null,"product":null,"brandCode":null,"recallNotes":null,"volume":null},{"code":"PSTDPART","name":null,"url":"/c//p/PSTDPART","description":"COMMONLY AVAIL. PART","purchasable":false,"stock":{"stockLevelStatus":{"code":"outOfStock","type":"StockLevelStatus"},"stockLevel":0,"stockThreshold":null},"futureStocks":null,"availableForPickup":null,"averageRating":null,"numberOfReviews":null,"summary":null,"manufacturer":null,"variantType":null,"price":null,"baseProduct":null,"images":[],"categories":null,"reviews":null,"classifications":null,"potentialPromotions":null,"variantOptions":null,"baseOptions":[],"volumePricesFlag":null,"volumePrices":null,"productReferences":null,"variantMatrix":null,"priceRange":null,"firstCategoryNameList":null,"multidimensional":null,"configurable":false,"configuratorType":null,"addToCartDisabled":null,"addToCartDisabledMessage":null,"tags":null,"sapUnit":null,"keywords":null,"genders":null,"itemtype":"Part","partSubstitute":null,"note":null,"recallNote":null,"note1":null,"note2":null,"note3":null,"note4":null,"note5":null,"pdfAllUser":null,"pdfAuthUser":null,"pdfCOSUser":null,"vaiantRelatedPartList":null,"partHotspotList":null,"itemNumber":30,"partRelatedVariantList":null,"bomCode":2,"totalValue":null,"searchImage":null,"length":null,"width":null,"height":null,"unitOfDimension":null,"weight":null,"unitOfWeight":null,"specialRouting":false,"onlineRepair":null,"previousPartID":null,"sbdDiscountPriceValue":null,"alrCode":null,"productRecallFlag":null,"selectedDocumentId":null,"productDescription":null,"pdpImage":null,"ticketId":null,"qtyRequiredPerVariant":"1","isElgibleForRepair":null,"isPowerEligible":null,"productRecallNotes":null,"productOtherInfo":null,"backorderETA":null,"modifiedDate":null,"userLevel":"COS","displayPrice":null,"baseProductName":null,"firstVariantCode":null,"firstVariantImage":null,"productMarketType":null,"productNumber":null,"typeStatusCode":null,"productCategory":null,"typeNumber":null,"marketCode":null,"regionCode":null,"otherInformation":null,"productTypeStatus":null,"repairInstruction":null,"repairInstructionStatusDescription":null,"typeStatusDate":null,"serviceLifeDate":null,"manufacturerId":null,"parts":null,"language":null,"glossaries":null,"brand":null,"product":null,"brandCode":null,"recallNotes":null,"volume":null},{"code":"PSTDPART","name":null,"url":"/c//p/PSTDPART","description":"COMMONLY AVAIL. PART","purchasable":false,"stock":{"stockLevelStatus":{"code":"outOfStock","type":"StockLevelStatus"},"stockLevel":0,"stockThreshold":null},"futureStocks":null,"availableForPickup":null,"averageRating":null,"numberOfReviews":null,"summary":null,"manufacturer":null,"variantType":null,"price":null,"baseProduct":null,"images":[],"categories":null,"reviews":null,"classifications":null,"potentialPromotions":null,"variantOptions":null,"baseOptions":[],"volumePricesFlag":null,"volumePrices":null,"productReferences":null,"variantMatrix":null,"priceRange":null,"firstCategoryNameList":null,"multidimensional":null,"configurable":false,"configuratorType":null,"addToCartDisabled":null,"addToCartDisabledMessage":null,"tags":null,"sapUnit":null,"keywords":null,"genders":null,"itemtype":"Part","partSubstitute":null,"note":null,"recallNote":null,"note1":null,"note2":null,"note3":null,"note4":null,"note5":null,"pdfAllUser":null,"pdfAuthUser":null,"pdfCOSUser":null,"vaiantRelatedPartList":null,"partHotspotList":null,"itemNumber":30,"partRelatedVariantList":null,"bomCode":2,"totalValue":null,"searchImage":null,"length":null,"width":null,"height":null,"unitOfDimension":null,"weight":null,"unitOfWeight":null,"specialRouting":false,"onlineRepair":null,"previousPartID":null,"sbdDiscountPriceValue":null,"alrCode":null,"productRecallFlag":null,"selectedDocumentId":null,"productDescription":null,"pdpImage":null,"ticketId":null,"qtyRequiredPerVariant":"1","isElgibleForRepair":null,"isPowerEligible":null,"productRecallNotes":null,"productOtherInfo":null,"backorderETA":null,"modifiedDate":null,"userLevel":"COS","displayPrice":null,"baseProductName":null,"firstVariantCode":null,"firstVariantImage":null,"productMarketType":null,"productNumber":null,"typeStatusCode":null,"productCategory":null,"typeNumber":null,"marketCode":null,"regionCode":null,"otherInformation":null,"productTypeStatus":null,"repairInstruction":null,"repairInstructionStatusDescription":null,"typeStatusDate":null,"serviceLifeDate":null,"manufacturerId":null,"parts":null,"language":null,"glossaries":null,"brand":null,"product":null,"brandCode":null,"recallNotes":null,"volume":null},{"code":"P000000-00","name":null,"url":"/c//p/P000000-00","description":"NO LONGER AVAILABLE","purchasable":true,"stock":{"stockLevelStatus":{"code":"inStock","type":"StockLevelStatus"},"stockLevel":0,"stockThreshold":null},"futureStocks":null,"availableForPickup":null,"averageRating":null,"numberOfReviews":null,"summary":null,"manufacturer":null,"variantType":null,"price":{"currencyIso":"USD","value":0.0,"priceType":"BUY","formattedValue":"$0.00","minQuantity":null,"maxQuantity":null,"sapUnit":{"code":"pieces","name":"Piece"}},"baseProduct":null,"images":[],"categories":null,"reviews":null,"classifications":null,"potentialPromotions":null,"variantOptions":null,"baseOptions":[],"volumePricesFlag":null,"volumePrices":null,"productReferences":null,"variantMatrix":null,"priceRange":null,"firstCategoryNameList":null,"multidimensional":null,"configurable":false,"configuratorType":null,"addToCartDisabled":null,"addToCartDisabledMessage":null,"tags":null,"sapUnit":null,"keywords":null,"genders":null,"itemtype":"Part","partSubstitute":null,"note":null,"recallNote":null,"note1":null,"note2":null,"note3":null,"note4":null,"note5":null,"pdfAllUser":null,"pdfAuthUser":null,"pdfCOSUser":null,"vaiantRelatedPartList":null,"partHotspotList":null,"itemNumber":31,"partRelatedVariantList":null,"bomCode":2,"totalValue":null,"searchImage":null,"length":null,"width":null,"height":null,"unitOfDimension":null,"weight":null,"unitOfWeight":null,"specialRouting":false,"onlineRepair":null,"previousPartID":null,"sbdDiscountPriceValue":{"currencyIso":"USD","value":0.0,"priceType":"BUY","formattedValue":"$0.00","minQuantity":null,"maxQuantity":null,"sapUnit":{"code":"pieces","name":"Piece"}},"alrCode":null,"productRecallFlag":null,"selectedDocumentId":null,"productDescription":null,"pdpImage":null,"ticketId":null,"qtyRequiredPerVariant":"1","isElgibleForRepair":null,"isPowerEligible":null,"productRecallNotes":null,"productOtherInfo":null,"backorderETA":null,"modifiedDate":null,"userLevel":"ALL","displayPrice":null,"baseProductName":null,"firstVariantCode":null,"firstVariantImage":null,"productMarketType":null,"productNumber":null,"typeStatusCode":null,"productCategory":null,"typeNumber":null,"marketCode":null,"regionCode":null,"otherInformation":null,"productTypeStatus":null,"repairInstruction":null,"repairInstructionStatusDescription":null,"typeStatusDate":null,"serviceLifeDate":null,"manufacturerId":null,"parts":null,"language":null,"glossaries":null,"brand":null,"product":null,"brandCode":null,"recallNotes":null,"volume":null},{"code":"P000000-00","name":null,"url":"/c//p/P000000-00","description":"NO LONGER AVAILABLE","purchasable":true,"stock":{"stockLevelStatus":{"code":"inStock","type":"StockLevelStatus"},"stockLevel":0,"stockThreshold":null},"futureStocks":null,"availableForPickup":null,"averageRating":null,"numberOfReviews":null,"summary":null,"manufacturer":null,"variantType":null,"price":{"currencyIso":"USD","value":0.0,"priceType":"BUY","formattedValue":"$0.00","minQuantity":null,"maxQuantity":null,"sapUnit":{"code":"pieces","name":"Piece"}},"baseProduct":null,"images":[],"categories":null,"reviews":null,"classifications":null,"potentialPromotions":null,"variantOptions":null,"baseOptions":[],"volumePricesFlag":null,"volumePrices":null,"productReferences":null,"variantMatrix":null,"priceRange":null,"firstCategoryNameList":null,"multidimensional":null,"configurable":false,"configuratorType":null,"addToCartDisabled":null,"addToCartDisabledMessage":null,"tags":null,"sapUnit":null,"keywords":null,"genders":null,"itemtype":"Part","partSubstitute":null,"note":null,"recallNote":null,"note1":null,"note2":null,"note3":null,"note4":null,"note5":null,"pdfAllUser":null,"pdfAuthUser":null,"pdfCOSUser":null,"vaiantRelatedPartList":null,"partHotspotList":null,"itemNumber":31,"partRelatedVariantList":null,"bomCode":2,"totalValue":null,"searchImage":null,"length":null,"width":null,"height":null,"unitOfDimension":null,"weight":null,"unitOfWeight":null,"specialRouting":false,"onlineRepair":null,"previousPartID":null,"sbdDiscountPriceValue":{"currencyIso":"USD","value":0.0,"priceType":"BUY","formattedValue":"$0.00","minQuantity":null,"maxQuantity":null,"sapUnit":{"code":"pieces","name":"Piece"}},"alrCode":null,"productRecallFlag":null,"selectedDocumentId":null,"productDescription":null,"pdpImage":null,"ticketId":null,"qtyRequiredPerVariant":"1","isElgibleForRepair":null,"isPowerEligible":null,"productRecallNotes":null,"productOtherInfo":null,"backorderETA":null,"modifiedDate":null,"userLevel":"ALL","displayPrice":null,"baseProductName":null,"firstVariantCode":null,"firstVariantImage":null,"productMarketType":null,"productNumber":null,"typeStatusCode":null,"productCategory":null,"typeNumber":null,"marketCode":null,"regionCode":null,"otherInformation":null,"productTypeStatus":null,"repairInstruction":null,"repairInstructionStatusDescription":null,"typeStatusDate":null,"serviceLifeDate":null,"manufacturerId":null,"parts":null,"language":null,"glossaries":null,"brand":null,"product":null,"brandCode":null,"recallNotes":null,"volume":null},{"code":"P000000-00","name":null,"url":"/c//p/P000000-00","description":"NO LONGER AVAILABLE","purchasable":true,"stock":{"stockLevelStatus":{"code":"inStock","type":"StockLevelStatus"},"stockLevel":0,"stockThreshold":null},"futureStocks":null,"availableForPickup":null,"averageRating":null,"numberOfReviews":null,"summary":null,"manufacturer":null,"variantType":null,"price":{"currencyIso":"USD","value":0.0,"priceType":"BUY","formattedValue":"$0.00","minQuantity":null,"maxQuantity":null,"sapUnit":{"code":"pieces","name":"Piece"}},"baseProduct":null,"images":[],"categories":null,"reviews":null,"classifications":null,"potentialPromotions":null,"variantOptions":null,"baseOptions":[],"volumePricesFlag":null,"volumePrices":null,"productReferences":null,"variantMatrix":null,"priceRange":null,"firstCategoryNameList":null,"multidimensional":null,"configurable":false,"configuratorType":null,"addToCartDisabled":null,"addToCartDisabledMessage":null,"tags":null,"sapUnit":null,"keywords":null,"genders":null,"itemtype":"Part","partSubstitute":null,"note":null,"recallNote":null,"note1":null,"note2":null,"note3":null,"note4":null,"note5":null,"pdfAllUser":null,"pdfAuthUser":null,"pdfCOSUser":null,"vaiantRelatedPartList":null,"partHotspotList":null,"itemNumber":31,"partRelatedVariantList":null,"bomCode":2,"totalValue":null,"searchImage":null,"length":null,"width":null,"height":null,"unitOfDimension":null,"weight":null,"unitOfWeight":null,"specialRouting":false,"onlineRepair":null,"previousPartID":null,"sbdDiscountPriceValue":{"currencyIso":"USD","value":0.0,"priceType":"BUY","formattedValue":"$0.00","minQuantity":null,"maxQuantity":null,"sapUnit":{"code":"pieces","name":"Piece"}},"alrCode":null,"productRecallFlag":null,"selectedDocumentId":null,"productDescription":null,"pdpImage":null,"ticketId":null,"qtyRequiredPerVariant":"1","isElgibleForRepair":null,"isPowerEligible":null,"productRecallNotes":null,"productOtherInfo":null,"backorderETA":null,"modifiedDate":null,"userLevel":"ALL","displayPrice":null,"baseProductName":null,"firstVariantCode":null,"firstVariantImage":null,"productMarketType":null,"productNumber":null,"typeStatusCode":null,"productCategory":null,"typeNumber":null,"marketCode":null,"regionCode":null,"otherInformation":null,"productTypeStatus":null,"repairInstruction":null,"repairInstructionStatusDescription":null,"typeStatusDate":null,"serviceLifeDate":null,"manufacturerId":null,"parts":null,"language":null,"glossaries":null,"brand":null,"product":null,"brandCode":null,"recallNotes":null,"volume":null},{"code":"P000000-00","name":null,"url":"/c//p/P000000-00","description":"NO LONGER AVAILABLE","purchasable":true,"stock":{"stockLevelStatus":{"code":"inStock","type":"StockLevelStatus"},"stockLevel":0,"stockThreshold":null},"futureStocks":null,"availableForPickup":null,"averageRating":null,"numberOfReviews":null,"summary":null,"manufacturer":null,"variantType":null,"price":{"currencyIso":"USD","value":0.0,"priceType":"BUY","formattedValue":"$0.00","minQuantity":null,"maxQuantity":null,"sapUnit":{"code":"pieces","name":"Piece"}},"baseProduct":null,"images":[],"categories":null,"reviews":null,"classifications":null,"potentialPromotions":null,"variantOptions":null,"baseOptions":[],"volumePricesFlag":null,"volumePrices":null,"productReferences":null,"variantMatrix":null,"priceRange":null,"firstCategoryNameList":null,"multidimensional":null,"configurable":false,"configuratorType":null,"addToCartDisabled":null,"addToCartDisabledMessage":null,"tags":null,"sapUnit":null,"keywords":null,"genders":null,"itemtype":"Part","partSubstitute":null,"note":null,"recallNote":null,"note1":null,"note2":null,"note3":null,"note4":null,"note5":null,"pdfAllUser":null,"pdfAuthUser":null,"pdfCOSUser":null,"vaiantRelatedPartList":null,"partHotspotList":null,"itemNumber":31,"partRelatedVariantList":null,"bomCode":2,"totalValue":null,"searchImage":null,"length":null,"width":null,"height":null,"unitOfDimension":null,"weight":null,"unitOfWeight":null,"specialRouting":false,"onlineRepair":null,"previousPartID":null,"sbdDiscountPriceValue":{"currencyIso":"USD","value":0.0,"priceType":"BUY","formattedValue":"$0.00","minQuantity":null,"maxQuantity":null,"sapUnit":{"code":"pieces","name":"Piece"}},"alrCode":null,"productRecallFlag":null,"selectedDocumentId":null,"productDescription":null,"pdpImage":null,"ticketId":null,"qtyRequiredPerVariant":"1","isElgibleForRepair":null,"isPowerEligible":null,"productRecallNotes":null,"productOtherInfo":null,"backorderETA":null,"modifiedDate":null,"userLevel":"ALL","displayPrice":null,"baseProductName":null,"firstVariantCode":null,"firstVariantImage":null,"productMarketType":null,"productNumber":null,"typeStatusCode":null,"productCategory":null,"typeNumber":null,"marketCode":null,"regionCode":null,"otherInformation":null,"productTypeStatus":null,"repairInstruction":null,"repairInstructionStatusDescription":null,"typeStatusDate":null,"serviceLifeDate":null,"manufacturerId":null,"parts":null,"language":null,"glossaries":null,"brand":null,"product":null,"brandCode":null,"recallNotes":null,"volume":null},{"code":"P000000-00","name":null,"url":"/c//p/P000000-00","description":"NO LONGER AVAILABLE","purchasable":true,"stock":{"stockLevelStatus":{"code":"inStock","type":"StockLevelStatus"},"stockLevel":0,"stockThreshold":null},"futureStocks":null,"availableForPickup":null,"averageRating":null,"numberOfReviews":null,"summary":null,"manufacturer":null,"variantType":null,"price":{"currencyIso":"USD","value":0.0,"priceType":"BUY","formattedValue":"$0.00","minQuantity":null,"maxQuantity":null,"sapUnit":{"code":"pieces","name":"Piece"}},"baseProduct":null,"images":[],"categories":null,"reviews":null,"classifications":null,"potentialPromotions":null,"variantOptions":null,"baseOptions":[],"volumePricesFlag":null,"volumePrices":null,"productReferences":null,"variantMatrix":null,"priceRange":null,"firstCategoryNameList":null,"multidimensional":null,"configurable":false,"configuratorType":null,"addToCartDisabled":null,"addToCartDisabledMessage":null,"tags":null,"sapUnit":null,"keywords":null,"genders":null,"itemtype":"Part","partSubstitute":null,"note":null,"recallNote":null,"note1":null,"note2":null,"note3":null,"note4":null,"note5":null,"pdfAllUser":null,"pdfAuthUser":null,"pdfCOSUser":null,"vaiantRelatedPartList":null,"partHotspotList":null,"itemNumber":31,"partRelatedVariantList":null,"bomCode":2,"totalValue":null,"searchImage":null,"length":null,"width":null,"height":null,"unitOfDimension":null,"weight":null,"unitOfWeight":null,"specialRouting":false,"onlineRepair":null,"previousPartID":null,"sbdDiscountPriceValue":{"currencyIso":"USD","value":0.0,"priceType":"BUY","formattedValue":"$0.00","minQuantity":null,"maxQuantity":null,"sapUnit":{"code":"pieces","name":"Piece"}},"alrCode":null,"productRecallFlag":null,"selectedDocumentId":null,"productDescription":null,"pdpImage":null,"ticketId":null,"qtyRequiredPerVariant":"1","isElgibleForRepair":null,"isPowerEligible":null,"productRecallNotes":null,"productOtherInfo":null,"backorderETA":null,"modifiedDate":null,"userLevel":"ALL","displayPrice":null,"baseProductName":null,"firstVariantCode":null,"firstVariantImage":null,"productMarketType":null,"productNumber":null,"typeStatusCode":null,"productCategory":null,"typeNumber":null,"marketCode":null,"regionCode":null,"otherInformation":null,"productTypeStatus":null,"repairInstruction":null,"repairInstructionStatusDescription":null,"typeStatusDate":null,"serviceLifeDate":null,"manufacturerId":null,"parts":null,"language":null,"glossaries":null,"brand":null,"product":null,"brandCode":null,"recallNotes":null,"volume":null},{"code":"P000000-00","name":null,"url":"/c//p/P000000-00","description":"NO LONGER AVAILABLE","purchasable":true,"stock":{"stockLevelStatus":{"code":"inStock","type":"StockLevelStatus"},"stockLevel":0,"stockThreshold":null},"futureStocks":null,"availableForPickup":null,"averageRating":null,"numberOfReviews":null,"summary":null,"manufacturer":null,"variantType":null,"price":{"currencyIso":"USD","value":0.0,"priceType":"BUY","formattedValue":"$0.00","minQuantity":null,"maxQuantity":null,"sapUnit":{"code":"pieces","name":"Piece"}},"baseProduct":null,"images":[],"categories":null,"reviews":null,"classifications":null,"potentialPromotions":null,"variantOptions":null,"baseOptions":[],"volumePricesFlag":null,"volumePrices":null,"productReferences":null,"variantMatrix":null,"priceRange":null,"firstCategoryNameList":null,"multidimensional":null,"configurable":false,"configuratorType":null,"addToCartDisabled":null,"addToCartDisabledMessage":null,"tags":null,"sapUnit":null,"keywords":null,"genders":null,"itemtype":"Part","partSubstitute":null,"note":null,"recallNote":null,"note1":null,"note2":null,"note3":null,"note4":null,"note5":null,"pdfAllUser":null,"pdfAuthUser":null,"pdfCOSUser":null,"vaiantRelatedPartList":null,"partHotspotList":null,"itemNumber":31,"partRelatedVariantList":null,"bomCode":2,"totalValue":null,"searchImage":null,"length":null,"width":null,"height":null,"unitOfDimension":null,"weight":null,"unitOfWeight":null,"specialRouting":false,"onlineRepair":null,"previousPartID":null,"sbdDiscountPriceValue":{"currencyIso":"USD","value":0.0,"priceType":"BUY","formattedValue":"$0.00","minQuantity":null,"maxQuantity":null,"sapUnit":{"code":"pieces","name":"Piece"}},"alrCode":null,"productRecallFlag":null,"selectedDocumentId":null,"productDescription":null,"pdpImage":null,"ticketId":null,"qtyRequiredPerVariant":"1","isElgibleForRepair":null,"isPowerEligible":null,"productRecallNotes":null,"productOtherInfo":null,"backorderETA":null,"modifiedDate":null,"userLevel":"ALL","displayPrice":null,"baseProductName":null,"firstVariantCode":null,"firstVariantImage":null,"productMarketType":null,"productNumber":null,"typeStatusCode":null,"productCategory":null,"typeNumber":null,"marketCode":null,"regionCode":null,"otherInformation":null,"productTypeStatus":null,"repairInstruction":null,"repairInstructionStatusDescription":null,"typeStatusDate":null,"serviceLifeDate":null,"manufacturerId":null,"parts":null,"language":null,"glossaries":null,"brand":null,"product":null,"brandCode":null,"recallNotes":null,"volume":null},{"code":"P000000-00","name":null,"url":"/c//p/P000000-00","description":"NO LONGER AVAILABLE","purchasable":true,"stock":{"stockLevelStatus":{"code":"inStock","type":"StockLevelStatus"},"stockLevel":0,"stockThreshold":null},"futureStocks":null,"availableForPickup":null,"averageRating":null,"numberOfReviews":null,"summary":null,"manufacturer":null,"variantType":null,"price":{"currencyIso":"USD","value":0.0,"priceType":"BUY","formattedValue":"$0.00","minQuantity":null,"maxQuantity":null,"sapUnit":{"code":"pieces","name":"Piece"}},"baseProduct":null,"images":[],"categories":null,"reviews":null,"classifications":null,"potentialPromotions":null,"variantOptions":null,"baseOptions":[],"volumePricesFlag":null,"volumePrices":null,"productReferences":null,"variantMatrix":null,"priceRange":null,"firstCategoryNameList":null,"multidimensional":null,"configurable":false,"configuratorType":null,"addToCartDisabled":null,"addToCartDisabledMessage":null,"tags":null,"sapUnit":null,"keywords":null,"genders":null,"itemtype":"Part","partSubstitute":null,"note":null,"recallNote":null,"note1":null,"note2":null,"note3":null,"note4":null,"note5":null,"pdfAllUser":null,"pdfAuthUser":null,"pdfCOSUser":null,"vaiantRelatedPartList":null,"partHotspotList":null,"itemNumber":31,"partRelatedVariantList":null,"bomCode":2,"totalValue":null,"searchImage":null,"length":null,"width":null,"height":null,"unitOfDimension":null,"weight":null,"unitOfWeight":null,"specialRouting":false,"onlineRepair":null,"previousPartID":null,"sbdDiscountPriceValue":{"currencyIso":"USD","value":0.0,"priceType":"BUY","formattedValue":"$0.00","minQuantity":null,"maxQuantity":null,"sapUnit":{"code":"pieces","name":"Piece"}},"alrCode":null,"productRecallFlag":null,"selectedDocumentId":null,"productDescription":null,"pdpImage":null,"ticketId":null,"qtyRequiredPerVariant":"1","isElgibleForRepair":null,"isPowerEligible":null,"productRecallNotes":null,"productOtherInfo":null,"backorderETA":null,"modifiedDate":null,"userLevel":"ALL","displayPrice":null,"baseProductName":null,"firstVariantCode":null,"firstVariantImage":null,"productMarketType":null,"productNumber":null,"typeStatusCode":null,"productCategory":null,"typeNumber":null,"marketCode":null,"regionCode":null,"otherInformation":null,"productTypeStatus":null,"repairInstruction":null,"repairInstructionStatusDescription":null,"typeStatusDate":null,"serviceLifeDate":null,"manufacturerId":null,"parts":null,"language":null,"glossaries":null,"brand":null,"product":null,"brandCode":null,"recallNotes":null,"volume":null},{"code":"P000000-00","name":null,"url":"/c//p/P000000-00","description":"NO LONGER AVAILABLE","purchasable":true,"stock":{"stockLevelStatus":{"code":"inStock","type":"StockLevelStatus"},"stockLevel":0,"stockThreshold":null},"futureStocks":null,"availableForPickup":null,"averageRating":null,"numberOfReviews":null,"summary":null,"manufacturer":null,"variantType":null,"price":{"currencyIso":"USD","value":0.0,"priceType":"BUY","formattedValue":"$0.00","minQuantity":null,"maxQuantity":null,"sapUnit":{"code":"pieces","name":"Piece"}},"baseProduct":null,"images":[],"categories":null,"reviews":null,"classifications":null,"potentialPromotions":null,"variantOptions":null,"baseOptions":[],"volumePricesFlag":null,"volumePrices":null,"productReferences":null,"variantMatrix":null,"priceRange":null,"firstCategoryNameList":null,"multidimensional":null,"configurable":false,"configuratorType":null,"addToCartDisabled":null,"addToCartDisabledMessage":null,"tags":null,"sapUnit":null,"keywords":null,"genders":null,"itemtype":"Part","partSubstitute":null,"note":null,"recallNote":null,"note1":null,"note2":null,"note3":null,"note4":null,"note5":null,"pdfAllUser":null,"pdfAuthUser":null,"pdfCOSUser":null,"vaiantRelatedPartList":null,"partHotspotList":null,"itemNumber":31,"partRelatedVariantList":null,"bomCode":2,"totalValue":null,"searchImage":null,"length":null,"width":null,"height":null,"unitOfDimension":null,"weight":null,"unitOfWeight":null,"specialRouting":false,"onlineRepair":null,"previousPartID":null,"sbdDiscountPriceValue":{"currencyIso":"USD","value":0.0,"priceType":"BUY","formattedValue":"$0.00","minQuantity":null,"maxQuantity":null,"sapUnit":{"code":"pieces","name":"Piece"}},"alrCode":null,"productRecallFlag":null,"selectedDocumentId":null,"productDescription":null,"pdpImage":null,"ticketId":null,"qtyRequiredPerVariant":"1","isElgibleForRepair":null,"isPowerEligible":null,"productRecallNotes":null,"productOtherInfo":null,"backorderETA":null,"modifiedDate":null,"userLevel":"ALL","displayPrice":null,"baseProductName":null,"firstVariantCode":null,"firstVariantImage":null,"productMarketType":null,"productNumber":null,"typeStatusCode":null,"productCategory":null,"typeNumber":null,"marketCode":null,"regionCode":null,"otherInformation":null,"productTypeStatus":null,"repairInstruction":null,"repairInstructionStatusDescription":null,"typeStatusDate":null,"serviceLifeDate":null,"manufacturerId":null,"parts":null,"language":null,"glossaries":null,"brand":null,"product":null,"brandCode":null,"recallNotes":null,"volume":null},{"code":"P000000-00","name":null,"url":"/c//p/P000000-00","description":"NO LONGER AVAILABLE","purchasable":true,"stock":{"stockLevelStatus":{"code":"inStock","type":"StockLevelStatus"},"stockLevel":0,"stockThreshold":null},"futureStocks":null,"availableForPickup":null,"averageRating":null,"numberOfReviews":null,"summary":null,"manufacturer":null,"variantType":null,"price":{"currencyIso":"USD","value":0.0,"priceType":"BUY","formattedValue":"$0.00","minQuantity":null,"maxQuantity":null,"sapUnit":{"code":"pieces","name":"Piece"}},"baseProduct":null,"images":[],"categories":null,"reviews":null,"classifications":null,"potentialPromotions":null,"variantOptions":null,"baseOptions":[],"volumePricesFlag":null,"volumePrices":null,"productReferences":null,"variantMatrix":null,"priceRange":null,"firstCategoryNameList":null,"multidimensional":null,"configurable":false,"configuratorType":null,"addToCartDisabled":null,"addToCartDisabledMessage":null,"tags":null,"sapUnit":null,"keywords":null,"genders":null,"itemtype":"Part","partSubstitute":null,"note":null,"recallNote":null,"note1":null,"note2":null,"note3":null,"note4":null,"note5":null,"pdfAllUser":null,"pdfAuthUser":null,"pdfCOSUser":null,"vaiantRelatedPartList":null,"partHotspotList":null,"itemNumber":31,"partRelatedVariantList":null,"bomCode":2,"totalValue":null,"searchImage":null,"length":null,"width":null,"height":null,"unitOfDimension":null,"weight":null,"unitOfWeight":null,"specialRouting":false,"onlineRepair":null,"previousPartID":null,"sbdDiscountPriceValue":{"currencyIso":"USD","value":0.0,"priceType":"BUY","formattedValue":"$0.00","minQuantity":null,"maxQuantity":null,"sapUnit":{"code":"pieces","name":"Piece"}},"alrCode":null,"productRecallFlag":null,"selectedDocumentId":null,"productDescription":null,"pdpImage":null,"ticketId":null,"qtyRequiredPerVariant":"1","isElgibleForRepair":null,"isPowerEligible":null,"productRecallNotes":null,"productOtherInfo":null,"backorderETA":null,"modifiedDate":null,"userLevel":"ALL","displayPrice":null,"baseProductName":null,"firstVariantCode":null,"firstVariantImage":null,"productMarketType":null,"productNumber":null,"typeStatusCode":null,"productCategory":null,"typeNumber":null,"marketCode":null,"regionCode":null,"otherInformation":null,"productTypeStatus":null,"repairInstruction":null,"repairInstructionStatusDescription":null,"typeStatusDate":null,"serviceLifeDate":null,"manufacturerId":null,"parts":null,"language":null,"glossaries":null,"brand":null,"product":null,"brandCode":null,"recallNotes":null,"volume":null},{"code":"P000000-00","name":null,"url":"/c//p/P000000-00","description":"NO LONGER AVAILABLE","purchasable":true,"stock":{"stockLevelStatus":{"code":"inStock","type":"StockLevelStatus"},"stockLevel":0,"stockThreshold":null},"futureStocks":null,"availableForPickup":null,"averageRating":null,"numberOfReviews":null,"summary":null,"manufacturer":null,"variantType":null,"price":{"currencyIso":"USD","value":0.0,"priceType":"BUY","formattedValue":"$0.00","minQuantity":null,"maxQuantity":null,"sapUnit":{"code":"pieces","name":"Piece"}},"baseProduct":null,"images":[],"categories":null,"reviews":null,"classifications":null,"potentialPromotions":null,"variantOptions":null,"baseOptions":[],"volumePricesFlag":null,"volumePrices":null,"productReferences":null,"variantMatrix":null,"priceRange":null,"firstCategoryNameList":null,"multidimensional":null,"configurable":false,"configuratorType":null,"addToCartDisabled":null,"addToCartDisabledMessage":null,"tags":null,"sapUnit":null,"keywords":null,"genders":null,"itemtype":"Part","partSubstitute":null,"note":null,"recallNote":null,"note1":null,"note2":null,"note3":null,"note4":null,"note5":null,"pdfAllUser":null,"pdfAuthUser":null,"pdfCOSUser":null,"vaiantRelatedPartList":null,"partHotspotList":null,"itemNumber":31,"partRelatedVariantList":null,"bomCode":2,"totalValue":null,"searchImage":null,"length":null,"width":null,"height":null,"unitOfDimension":null,"weight":null,"unitOfWeight":null,"specialRouting":false,"onlineRepair":null,"previousPartID":null,"sbdDiscountPriceValue":{"currencyIso":"USD","value":0.0,"priceType":"BUY","formattedValue":"$0.00","minQuantity":null,"maxQuantity":null,"sapUnit":{"code":"pieces","name":"Piece"}},"alrCode":null,"productRecallFlag":null,"selectedDocumentId":null,"productDescription":null,"pdpImage":null,"ticketId":null,"qtyRequiredPerVariant":"1","isElgibleForRepair":null,"isPowerEligible":null,"productRecallNotes":null,"productOtherInfo":null,"backorderETA":null,"modifiedDate":null,"userLevel":"ALL","displayPrice":null,"baseProductName":null,"firstVariantCode":null,"firstVariantImage":null,"productMarketType":null,"productNumber":null,"typeStatusCode":null,"productCategory":null,"typeNumber":null,"marketCode":null,"regionCode":null,"otherInformation":null,"productTypeStatus":null,"repairInstruction":null,"repairInstructionStatusDescription":null,"typeStatusDate":null,"serviceLifeDate":null,"manufacturerId":null,"parts":null,"language":null,"glossaries":null,"brand":null,"product":null,"brandCode":null,"recallNotes":null,"volume":null},{"code":"P000000-00","name":null,"url":"/c//p/P000000-00","description":"NO LONGER AVAILABLE","purchasable":true,"stock":{"stockLevelStatus":{"code":"inStock","type":"StockLevelStatus"},"stockLevel":0,"stockThreshold":null},"futureStocks":null,"availableForPickup":null,"averageRating":null,"numberOfReviews":null,"summary":null,"manufacturer":null,"variantType":null,"price":{"currencyIso":"USD","value":0.0,"priceType":"BUY","formattedValue":"$0.00","minQuantity":null,"maxQuantity":null,"sapUnit":{"code":"pieces","name":"Piece"}},"baseProduct":null,"images":[],"categories":null,"reviews":null,"classifications":null,"potentialPromotions":null,"variantOptions":null,"baseOptions":[],"volumePricesFlag":null,"volumePrices":null,"productReferences":null,"variantMatrix":null,"priceRange":null,"firstCategoryNameList":null,"multidimensional":null,"configurable":false,"configuratorType":null,"addToCartDisabled":null,"addToCartDisabledMessage":null,"tags":null,"sapUnit":null,"keywords":null,"genders":null,"itemtype":"Part","partSubstitute":null,"note":null,"recallNote":null,"note1":null,"note2":null,"note3":null,"note4":null,"note5":null,"pdfAllUser":null,"pdfAuthUser":null,"pdfCOSUser":null,"vaiantRelatedPartList":null,"partHotspotList":null,"itemNumber":31,"partRelatedVariantList":null,"bomCode":2,"totalValue":null,"searchImage":null,"length":null,"width":null,"height":null,"unitOfDimension":null,"weight":null,"unitOfWeight":null,"specialRouting":false,"onlineRepair":null,"previousPartID":null,"sbdDiscountPriceValue":{"currencyIso":"USD","value":0.0,"priceType":"BUY","formattedValue":"$0.00","minQuantity":null,"maxQuantity":null,"sapUnit":{"code":"pieces","name":"Piece"}},"alrCode":null,"productRecallFlag":null,"selectedDocumentId":null,"productDescription":null,"pdpImage":null,"ticketId":null,"qtyRequiredPerVariant":"1","isElgibleForRepair":null,"isPowerEligible":null,"productRecallNotes":null,"productOtherInfo":null,"backorderETA":null,"modifiedDate":null,"userLevel":"ALL","displayPrice":null,"baseProductName":null,"firstVariantCode":null,"firstVariantImage":null,"productMarketType":null,"productNumber":null,"typeStatusCode":null,"productCategory":null,"typeNumber":null,"marketCode":null,"regionCode":null,"otherInformation":null,"productTypeStatus":null,"repairInstruction":null,"repairInstructionStatusDescription":null,"typeStatusDate":null,"serviceLifeDate":null,"manufacturerId":null,"parts":null,"language":null,"glossaries":null,"brand":null,"product":null,"brandCode":null,"recallNotes":null,"volume":null},{"code":"P29930-CM","name":null,"url":"/c//p/P29930-CM","description":"WIRE GAUGE","purchasable":false,"stock":{"stockLevelStatus":{"code":"outOfStock","type":"StockLevelStatus"},"stockLevel":0,"stockThreshold":null},"futureStocks":null,"availableForPickup":null,"averageRating":null,"numberOfReviews":null,"summary":null,"manufacturer":null,"variantType":null,"price":null,"baseProduct":null,"images":[],"categories":null,"reviews":null,"classifications":null,"potentialPromotions":null,"variantOptions":null,"baseOptions":[],"volumePricesFlag":null,"volumePrices":null,"productReferences":null,"variantMatrix":null,"priceRange":null,"firstCategoryNameList":null,"multidimensional":null,"configurable":false,"configuratorType":null,"addToCartDisabled":null,"addToCartDisabledMessage":null,"tags":null,"sapUnit":null,"keywords":null,"genders":null,"itemtype":"Part","partSubstitute":null,"note":null,"recallNote":null,"note1":null,"note2":null,"note3":null,"note4":null,"note5":null,"pdfAllUser":null,"pdfAuthUser":null,"pdfCOSUser":null,"vaiantRelatedPartList":null,"partHotspotList":null,"itemNumber":31,"partRelatedVariantList":null,"bomCode":4,"totalValue":null,"searchImage":null,"length":null,"width":null,"height":null,"unitOfDimension":null,"weight":null,"unitOfWeight":null,"specialRouting":false,"onlineRepair":null,"previousPartID":null,"sbdDiscountPriceValue":null,"alrCode":null,"productRecallFlag":null,"selectedDocumentId":null,"productDescription":null,"pdpImage":null,"ticketId":null,"qtyRequiredPerVariant":"1","isElgibleForRepair":null,"isPowerEligible":null,"productRecallNotes":null,"productOtherInfo":null,"backorderETA":null,"modifiedDate":null,"userLevel":"COS","displayPrice":null,"baseProductName":null,"firstVariantCode":null,"firstVariantImage":null,"productMarketType":null,"productNumber":null,"typeStatusCode":null,"productCategory":null,"typeNumber":null,"marketCode":null,"regionCode":null,"otherInformation":null,"productTypeStatus":null,"repairInstruction":null,"repairInstructionStatusDescription":null,"typeStatusDate":null,"serviceLifeDate":null,"manufacturerId":null,"parts":null,"language":null,"glossaries":null,"brand":null,"product":null,"brandCode":null,"recallNotes":null,"volume":null},{"code":"P29930-CM","name":null,"url":"/c//p/P29930-CM","description":"WIRE GAUGE","purchasable":false,"stock":{"stockLevelStatus":{"code":"outOfStock","type":"StockLevelStatus"},"stockLevel":0,"stockThreshold":null},"futureStocks":null,"availableForPickup":null,"averageRating":null,"numberOfReviews":null,"summary":null,"manufacturer":null,"variantType":null,"price":null,"baseProduct":null,"images":[],"categories":null,"reviews":null,"classifications":null,"potentialPromotions":null,"variantOptions":null,"baseOptions":[],"volumePricesFlag":null,"volumePrices":null,"productReferences":null,"variantMatrix":null,"priceRange":null,"firstCategoryNameList":null,"multidimensional":null,"configurable":false,"configuratorType":null,"addToCartDisabled":null,"addToCartDisabledMessage":null,"tags":null,"sapUnit":null,"keywords":null,"genders":null,"itemtype":"Part","partSubstitute":null,"note":null,"recallNote":null,"note1":null,"note2":null,"note3":null,"note4":null,"note5":null,"pdfAllUser":null,"pdfAuthUser":null,"pdfCOSUser":null,"vaiantRelatedPartList":null,"partHotspotList":null,"itemNumber":31,"partRelatedVariantList":null,"bomCode":4,"totalValue":null,"searchImage":null,"length":null,"width":null,"height":null,"unitOfDimension":null,"weight":null,"unitOfWeight":null,"specialRouting":false,"onlineRepair":null,"previousPartID":null,"sbdDiscountPriceValue":null,"alrCode":null,"productRecallFlag":null,"selectedDocumentId":null,"productDescription":null,"pdpImage":null,"ticketId":null,"qtyRequiredPerVariant":"1","isElgibleForRepair":null,"isPowerEligible":null,"productRecallNotes":null,"productOtherInfo":null,"backorderETA":null,"modifiedDate":null,"userLevel":"COS","displayPrice":null,"baseProductName":null,"firstVariantCode":null,"firstVariantImage":null,"productMarketType":null,"productNumber":null,"typeStatusCode":null,"productCategory":null,"typeNumber":null,"marketCode":null,"regionCode":null,"otherInformation":null,"productTypeStatus":null,"repairInstruction":null,"repairInstructionStatusDescription":null,"typeStatusDate":null,"serviceLifeDate":null,"manufacturerId":null,"parts":null,"language":null,"glossaries":null,"brand":null,"product":null,"brandCode":null,"recallNotes":null,"volume":null},{"code":"P28136-CM","name":null,"url":"/c//p/P28136-CM","description":"HEX KEY 5/32","purchasable":false,"stock":{"stockLevelStatus":{"code":"outOfStock","type":"StockLevelStatus"},"stockLevel":0,"stockThreshold":null},"futureStocks":null,"availableForPickup":null,"averageRating":null,"numberOfReviews":null,"summary":null,"manufacturer":null,"variantType":null,"price":null,"baseProduct":null,"images":[],"categories":null,"reviews":null,"classifications":null,"potentialPromotions":null,"variantOptions":null,"baseOptions":[],"volumePricesFlag":null,"volumePrices":null,"productReferences":null,"variantMatrix":null,"priceRange":null,"firstCategoryNameList":null,"multidimensional":null,"configurable":false,"configuratorType":null,"addToCartDisabled":null,"addToCartDisabledMessage":null,"tags":null,"sapUnit":null,"keywords":null,"genders":null,"itemtype":"Part","partSubstitute":null,"note":null,"recallNote":null,"note1":null,"note2":null,"note3":null,"note4":null,"note5":null,"pdfAllUser":null,"pdfAuthUser":null,"pdfCOSUser":null,"vaiantRelatedPartList":null,"partHotspotList":null,"itemNumber":null,"partRelatedVariantList":null,"bomCode":4,"totalValue":null,"searchImage":null,"length":null,"width":null,"height":null,"unitOfDimension":null,"weight":null,"unitOfWeight":null,"specialRouting":false,"onlineRepair":null,"previousPartID":null,"sbdDiscountPriceValue":null,"alrCode":null,"productRecallFlag":null,"selectedDocumentId":null,"productDescription":null,"pdpImage":null,"ticketId":null,"qtyRequiredPerVariant":"1","isElgibleForRepair":null,"isPowerEligible":null,"productRecallNotes":null,"productOtherInfo":null,"backorderETA":null,"modifiedDate":null,"userLevel":"COS","displayPrice":null,"baseProductName":null,"firstVariantCode":null,"firstVariantImage":null,"productMarketType":null,"productNumber":null,"typeStatusCode":null,"productCategory":null,"typeNumber":null,"marketCode":null,"regionCode":null,"otherInformation":null,"productTypeStatus":null,"repairInstruction":null,"repairInstructionStatusDescription":null,"typeStatusDate":null,"serviceLifeDate":null,"manufacturerId":null,"parts":null,"language":null,"glossaries":null,"brand":null,"product":null,"brandCode":null,"recallNotes":null,"volume":null},{"code":"P28171-CM","name":null,"url":"/c//p/P28171-CM","description":"HEX KEY 3/32","purchasable":false,"stock":{"stockLevelStatus":{"code":"outOfStock","type":"StockLevelStatus"},"stockLevel":0,"stockThreshold":null},"futureStocks":null,"availableForPickup":null,"averageRating":null,"numberOfReviews":null,"summary":null,"manufacturer":null,"variantType":null,"price":null,"baseProduct":null,"images":[],"categories":null,"reviews":null,"classifications":null,"potentialPromotions":null,"variantOptions":null,"baseOptions":[],"volumePricesFlag":null,"volumePrices":null,"productReferences":null,"variantMatrix":null,"priceRange":null,"firstCategoryNameList":null,"multidimensional":null,"configurable":false,"configuratorType":null,"addToCartDisabled":null,"addToCartDisabledMessage":null,"tags":null,"sapUnit":null,"keywords":null,"genders":null,"itemtype":"Part","partSubstitute":"PCONTACT SEARS","note":null,"recallNote":null,"note1":null,"note2":null,"note3":null,"note4":null,"note5":null,"pdfAllUser":null,"pdfAuthUser":null,"pdfCOSUser":null,"vaiantRelatedPartList":null,"partHotspotList":null,"itemNumber":null,"partRelatedVariantList":null,"bomCode":4,"totalValue":null,"searchImage":null,"length":null,"width":null,"height":null,"unitOfDimension":null,"weight":null,"unitOfWeight":null,"specialRouting":false,"onlineRepair":null,"previousPartID":null,"sbdDiscountPriceValue":null,"alrCode":null,"productRecallFlag":null,"selectedDocumentId":null,"productDescription":null,"pdpImage":null,"ticketId":null,"qtyRequiredPerVariant":"1","isElgibleForRepair":null,"isPowerEligible":null,"productRecallNotes":null,"productOtherInfo":null,"backorderETA":null,"modifiedDate":null,"userLevel":"COS","displayPrice":null,"baseProductName":null,"firstVariantCode":null,"firstVariantImage":null,"productMarketType":null,"productNumber":null,"typeStatusCode":null,"productCategory":null,"typeNumber":null,"marketCode":null,"regionCode":null,"otherInformation":null,"productTypeStatus":null,"repairInstruction":null,"repairInstructionStatusDescription":null,"typeStatusDate":null,"serviceLifeDate":null,"manufacturerId":null,"parts":null,"language":null,"glossaries":null,"brand":null,"product":null,"brandCode":null,"recallNotes":null,"volume":null},{"code":"P28174-CM","name":null,"url":"/c//p/P28174-CM","description":"HEX KEY 3/16","purchasable":false,"stock":{"stockLevelStatus":{"code":"outOfStock","type":"StockLevelStatus"},"stockLevel":0,"stockThreshold":null},"futureStocks":null,"availableForPickup":null,"averageRating":null,"numberOfReviews":null,"summary":null,"manufacturer":null,"variantType":null,"price":null,"baseProduct":null,"images":[],"categories":null,"reviews":null,"classifications":null,"potentialPromotions":null,"variantOptions":null,"baseOptions":[],"volumePricesFlag":null,"volumePrices":null,"productReferences":null,"variantMatrix":null,"priceRange":null,"firstCategoryNameList":null,"multidimensional":null,"configurable":false,"configuratorType":null,"addToCartDisabled":null,"addToCartDisabledMessage":null,"tags":null,"sapUnit":null,"keywords":null,"genders":null,"itemtype":"Part","partSubstitute":"P0181010320-CM","note":null,"recallNote":null,"note1":null,"note2":null,"note3":null,"note4":null,"note5":null,"pdfAllUser":null,"pdfAuthUser":null,"pdfCOSUser":null,"vaiantRelatedPartList":null,"partHotspotList":null,"itemNumber":null,"partRelatedVariantList":null,"bomCode":4,"totalValue":null,"searchImage":null,"length":null,"width":null,"height":null,"unitOfDimension":null,"weight":null,"unitOfWeight":null,"specialRouting":false,"onlineRepair":null,"previousPartID":null,"sbdDiscountPriceValue":null,"alrCode":null,"productRecallFlag":null,"selectedDocumentId":null,"productDescription":null,"pdpImage":null,"ticketId":null,"qtyRequiredPerVariant":"1","isElgibleForRepair":null,"isPowerEligible":null,"productRecallNotes":null,"productOtherInfo":null,"backorderETA":null,"modifiedDate":null,"userLevel":"COS","displayPrice":null,"baseProductName":null,"firstVariantCode":null,"firstVariantImage":null,"productMarketType":null,"productNumber":null,"typeStatusCode":null,"productCategory":null,"typeNumber":null,"marketCode":null,"regionCode":null,"otherInformation":null,"productTypeStatus":null,"repairInstruction":null,"repairInstructionStatusDescription":null,"typeStatusDate":null,"serviceLifeDate":null,"manufacturerId":null,"parts":null,"language":null,"glossaries":null,"brand":null,"product":null,"brandCode":null,"recallNotes":null,"volume":null},{"code":"P3540-CM","name":null,"url":"/c//p/P3540-CM","description":"WRENCH ARBOR","purchasable":false,"stock":{"stockLevelStatus":{"code":"inStock","type":"StockLevelStatus"},"stockLevel":0,"stockThreshold":null},"futureStocks":null,"availableForPickup":null,"averageRating":null,"numberOfReviews":null,"summary":null,"manufacturer":null,"variantType":null,"price":null,"baseProduct":null,"images":[],"categories":null,"reviews":null,"classifications":null,"potentialPromotions":null,"variantOptions":null,"baseOptions":[],"volumePricesFlag":null,"volumePrices":null,"productReferences":null,"variantMatrix":null,"priceRange":null,"firstCategoryNameList":null,"multidimensional":null,"configurable":false,"configuratorType":null,"addToCartDisabled":null,"addToCartDisabledMessage":null,"tags":null,"sapUnit":null,"keywords":null,"genders":null,"itemtype":"Part","partSubstitute":null,"note":null,"recallNote":null,"note1":null,"note2":null,"note3":null,"note4":null,"note5":null,"pdfAllUser":null,"pdfAuthUser":null,"pdfCOSUser":null,"vaiantRelatedPartList":null,"partHotspotList":null,"itemNumber":null,"partRelatedVariantList":null,"bomCode":4,"totalValue":null,"searchImage":null,"length":null,"width":null,"height":null,"unitOfDimension":null,"weight":null,"unitOfWeight":null,"specialRouting":false,"onlineRepair":null,"previousPartID":null,"sbdDiscountPriceValue":null,"alrCode":null,"productRecallFlag":null,"selectedDocumentId":null,"productDescription":null,"pdpImage":null,"ticketId":null,"qtyRequiredPerVariant":"1","isElgibleForRepair":null,"isPowerEligible":null,"productRecallNotes":null,"productOtherInfo":null,"backorderETA":"00/00/0000","modifiedDate":"No ETA","userLevel":"COS","displayPrice":null,"baseProductName":null,"firstVariantCode":null,"firstVariantImage":null,"productMarketType":null,"productNumber":null,"typeStatusCode":null,"productCategory":null,"typeNumber":null,"marketCode":null,"regionCode":null,"otherInformation":null,"productTypeStatus":null,"repairInstruction":null,"repairInstructionStatusDescription":null,"typeStatusDate":null,"serviceLifeDate":null,"manufacturerId":null,"parts":null,"language":null,"glossaries":null,"brand":null,"product":null,"brandCode":null,"recallNotes":null,"volume":null},{"code":"P60159-CM","name":null,"url":"/c//p/P60159-CM","description":"WASHER SPCG","purchasable":false,"stock":{"stockLevelStatus":{"code":"outOfStock","type":"StockLevelStatus"},"stockLevel":0,"stockThreshold":null},"futureStocks":null,"availableForPickup":null,"averageRating":null,"numberOfReviews":null,"summary":null,"manufacturer":null,"variantType":null,"price":null,"baseProduct":null,"images":[],"categories":null,"reviews":null,"classifications":null,"potentialPromotions":null,"variantOptions":null,"baseOptions":[],"volumePricesFlag":null,"volumePrices":null,"productReferences":null,"variantMatrix":null,"priceRange":null,"firstCategoryNameList":null,"multidimensional":null,"configurable":false,"configuratorType":null,"addToCartDisabled":null,"addToCartDisabledMessage":null,"tags":null,"sapUnit":null,"keywords":null,"genders":null,"itemtype":"Part","partSubstitute":null,"note":null,"recallNote":null,"note1":null,"note2":null,"note3":null,"note4":null,"note5":null,"pdfAllUser":null,"pdfAuthUser":null,"pdfCOSUser":null,"vaiantRelatedPartList":null,"partHotspotList":null,"itemNumber":null,"partRelatedVariantList":null,"bomCode":4,"totalValue":null,"searchImage":null,"length":null,"width":null,"height":null,"unitOfDimension":null,"weight":null,"unitOfWeight":null,"specialRouting":false,"onlineRepair":null,"previousPartID":null,"sbdDiscountPriceValue":null,"alrCode":null,"productRecallFlag":null,"selectedDocumentId":null,"productDescription":null,"pdpImage":null,"ticketId":null,"qtyRequiredPerVariant":"1","isElgibleForRepair":null,"isPowerEligible":null,"productRecallNotes":null,"productOtherInfo":null,"backorderETA":null,"modifiedDate":null,"userLevel":"COS","displayPrice":null,"baseProductName":null,"firstVariantCode":null,"firstVariantImage":null,"productMarketType":null,"productNumber":null,"typeStatusCode":null,"productCategory":null,"typeNumber":null,"marketCode":null,"regionCode":null,"otherInformation":null,"productTypeStatus":null,"repairInstruction":null,"repairInstructionStatusDescription":null,"typeStatusDate":null,"serviceLifeDate":null,"manufacturerId":null,"parts":null,"language":null,"glossaries":null,"brand":null,"product":null,"brandCode":null,"recallNotes":null,"volume":null},{"code":"P60354-CM","name":null,"url":"/c//p/P60354-CM","description":"NUT SPEED","purchasable":false,"stock":{"stockLevelStatus":{"code":"outOfStock","type":"StockLevelStatus"},"stockLevel":0,"stockThreshold":null},"futureStocks":null,"availableForPickup":null,"averageRating":null,"numberOfReviews":null,"summary":null,"manufacturer":null,"variantType":null,"price":null,"baseProduct":null,"images":[],"categories":null,"reviews":null,"classifications":null,"potentialPromotions":null,"variantOptions":null,"baseOptions":[],"volumePricesFlag":null,"volumePrices":null,"productReferences":null,"variantMatrix":null,"priceRange":null,"firstCategoryNameList":null,"multidimensional":null,"configurable":false,"configuratorType":null,"addToCartDisabled":null,"addToCartDisabledMessage":null,"tags":null,"sapUnit":null,"keywords":null,"genders":null,"itemtype":"Part","partSubstitute":null,"note":null,"recallNote":null,"note1":null,"note2":null,"note3":null,"note4":null,"note5":null,"pdfAllUser":null,"pdfAuthUser":null,"pdfCOSUser":null,"vaiantRelatedPartList":null,"partHotspotList":null,"itemNumber":null,"partRelatedVariantList":null,"bomCode":4,"totalValue":null,"searchImage":null,"length":null,"width":null,"height":null,"unitOfDimension":null,"weight":null,"unitOfWeight":null,"specialRouting":false,"onlineRepair":null,"previousPartID":null,"sbdDiscountPriceValue":null,"alrCode":null,"productRecallFlag":null,"selectedDocumentId":null,"productDescription":null,"pdpImage":null,"ticketId":null,"qtyRequiredPerVariant":"1","isElgibleForRepair":null,"isPowerEligible":null,"productRecallNotes":null,"productOtherInfo":null,"backorderETA":null,"modifiedDate":null,"userLevel":"COS","displayPrice":null,"baseProductName":null,"firstVariantCode":null,"firstVariantImage":null,"productMarketType":null,"productNumber":null,"typeStatusCode":null,"productCategory":null,"typeNumber":null,"marketCode":null,"regionCode":null,"otherInformation":null,"productTypeStatus":null,"repairInstruction":null,"repairInstructionStatusDescription":null,"typeStatusDate":null,"serviceLifeDate":null,"manufacturerId":null,"parts":null,"language":null,"glossaries":null,"brand":null,"product":null,"brandCode":null,"recallNotes":null,"volume":null},{"code":"P62331-CM","name":null,"url":"/c//p/P62331-CM","description":"KNOB ASSY","purchasable":false,"stock":{"stockLevelStatus":{"code":"outOfStock","type":"StockLevelStatus"},"stockLevel":0,"stockThreshold":null},"futureStocks":null,"availableForPickup":null,"averageRating":null,"numberOfReviews":null,"summary":null,"manufacturer":null,"variantType":null,"price":null,"baseProduct":null,"images":[],"categories":null,"reviews":null,"classifications":null,"potentialPromotions":null,"variantOptions":null,"baseOptions":[],"volumePricesFlag":null,"volumePrices":null,"productReferences":null,"variantMatrix":null,"priceRange":null,"firstCategoryNameList":null,"multidimensional":null,"configurable":false,"configuratorType":null,"addToCartDisabled":null,"addToCartDisabledMessage":null,"tags":null,"sapUnit":null,"keywords":null,"genders":null,"itemtype":"Part","partSubstitute":null,"note":null,"recallNote":null,"note1":null,"note2":null,"note3":null,"note4":null,"note5":null,"pdfAllUser":null,"pdfAuthUser":null,"pdfCOSUser":null,"vaiantRelatedPartList":null,"partHotspotList":null,"itemNumber":null,"partRelatedVariantList":null,"bomCode":4,"totalValue":null,"searchImage":null,"length":null,"width":null,"height":null,"unitOfDimension":null,"weight":null,"unitOfWeight":null,"specialRouting":false,"onlineRepair":null,"previousPartID":null,"sbdDiscountPriceValue":null,"alrCode":null,"productRecallFlag":null,"selectedDocumentId":null,"productDescription":null,"pdpImage":null,"ticketId":null,"qtyRequiredPerVariant":"1","isElgibleForRepair":null,"isPowerEligible":null,"productRecallNotes":null,"productOtherInfo":null,"backorderETA":null,"modifiedDate":null,"userLevel":"COS","displayPrice":null,"baseProductName":null,"firstVariantCode":null,"firstVariantImage":null,"productMarketType":null,"productNumber":null,"typeStatusCode":null,"productCategory":null,"typeNumber":null,"marketCode":null,"regionCode":null,"otherInformation":null,"productTypeStatus":null,"repairInstruction":null,"repairInstructionStatusDescription":null,"typeStatusDate":null,"serviceLifeDate":null,"manufacturerId":null,"parts":null,"language":null,"glossaries":null,"brand":null,"product":null,"brandCode":null,"recallNotes":null,"volume":null},{"code":"P62332-CM","name":null,"url":"/c//p/P62332-CM","description":"SWIVEL LATCHPIN HNDE","purchasable":false,"stock":{"stockLevelStatus":{"code":"outOfStock","type":"StockLevelStatus"},"stockLevel":0,"stockThreshold":null},"futureStocks":null,"availableForPickup":null,"averageRating":null,"numberOfReviews":null,"summary":null,"manufacturer":null,"variantType":null,"price":null,"baseProduct":null,"images":[],"categories":null,"reviews":null,"classifications":null,"potentialPromotions":null,"variantOptions":null,"baseOptions":[],"volumePricesFlag":null,"volumePrices":null,"productReferences":null,"variantMatrix":null,"priceRange":null,"firstCategoryNameList":null,"multidimensional":null,"configurable":false,"configuratorType":null,"addToCartDisabled":null,"addToCartDisabledMessage":null,"tags":null,"sapUnit":null,"keywords":null,"genders":null,"itemtype":"Part","partSubstitute":null,"note":null,"recallNote":null,"note1":null,"note2":null,"note3":null,"note4":null,"note5":null,"pdfAllUser":null,"pdfAuthUser":null,"pdfCOSUser":null,"vaiantRelatedPartList":null,"partHotspotList":null,"itemNumber":null,"partRelatedVariantList":null,"bomCode":4,"totalValue":null,"searchImage":null,"length":null,"width":null,"height":null,"unitOfDimension":null,"weight":null,"unitOfWeight":null,"specialRouting":false,"onlineRepair":null,"previousPartID":null,"sbdDiscountPriceValue":null,"alrCode":null,"productRecallFlag":null,"selectedDocumentId":null,"productDescription":null,"pdpImage":null,"ticketId":null,"qtyRequiredPerVariant":"1","isElgibleForRepair":null,"isPowerEligible":null,"productRecallNotes":null,"productOtherInfo":null,"backorderETA":null,"modifiedDate":null,"userLevel":"COS","displayPrice":null,"baseProductName":null,"firstVariantCode":null,"firstVariantImage":null,"productMarketType":null,"productNumber":null,"typeStatusCode":null,"productCategory":null,"typeNumber":null,"marketCode":null,"regionCode":null,"otherInformation":null,"productTypeStatus":null,"repairInstruction":null,"repairInstructionStatusDescription":null,"typeStatusDate":null,"serviceLifeDate":null,"manufacturerId":null,"parts":null,"language":null,"glossaries":null,"brand":null,"product":null,"brandCode":null,"recallNotes":null,"volume":null},{"code":"P62390-CM","name":null,"url":"/c//p/P62390-CM","description":"PIN GUARD","purchasable":false,"stock":{"stockLevelStatus":{"code":"outOfStock","type":"StockLevelStatus"},"stockLevel":0,"stockThreshold":null},"futureStocks":null,"availableForPickup":null,"averageRating":null,"numberOfReviews":null,"summary":null,"manufacturer":null,"variantType":null,"price":null,"baseProduct":null,"images":[],"categories":null,"reviews":null,"classifications":null,"potentialPromotions":null,"variantOptions":null,"baseOptions":[],"volumePricesFlag":null,"volumePrices":null,"productReferences":null,"variantMatrix":null,"priceRange":null,"firstCategoryNameList":null,"multidimensional":null,"configurable":false,"configuratorType":null,"addToCartDisabled":null,"addToCartDisabledMessage":null,"tags":null,"sapUnit":null,"keywords":null,"genders":null,"itemtype":"Part","partSubstitute":null,"note":null,"recallNote":null,"note1":null,"note2":null,"note3":null,"note4":null,"note5":null,"pdfAllUser":null,"pdfAuthUser":null,"pdfCOSUser":null,"vaiantRelatedPartList":null,"partHotspotList":null,"itemNumber":null,"partRelatedVariantList":null,"bomCode":4,"totalValue":null,"searchImage":null,"length":null,"width":null,"height":null,"unitOfDimension":null,"weight":null,"unitOfWeight":null,"specialRouting":false,"onlineRepair":null,"previousPartID":null,"sbdDiscountPriceValue":null,"alrCode":null,"productRecallFlag":null,"selectedDocumentId":null,"productDescription":null,"pdpImage":null,"ticketId":null,"qtyRequiredPerVariant":"1","isElgibleForRepair":null,"isPowerEligible":null,"productRecallNotes":null,"productOtherInfo":null,"backorderETA":null,"modifiedDate":null,"userLevel":"COS","displayPrice":null,"baseProductName":null,"firstVariantCode":null,"firstVariantImage":null,"productMarketType":null,"productNumber":null,"typeStatusCode":null,"productCategory":null,"typeNumber":null,"marketCode":null,"regionCode":null,"otherInformation":null,"productTypeStatus":null,"repairInstruction":null,"repairInstructionStatusDescription":null,"typeStatusDate":null,"serviceLifeDate":null,"manufacturerId":null,"parts":null,"language":null,"glossaries":null,"brand":null,"product":null,"brandCode":null,"recallNotes":null,"volume":null},{"code":"P818526-CM","name":null,"url":"/c//p/P818526-CM","description":"ELEVATION CRANK ASY","purchasable":false,"stock":{"stockLevelStatus":{"code":"inStock","type":"StockLevelStatus"},"stockLevel":0,"stockThreshold":null},"futureStocks":null,"availableForPickup":null,"averageRating":null,"numberOfReviews":null,"summary":null,"manufacturer":null,"variantType":null,"price":null,"baseProduct":null,"images":[],"categories":null,"reviews":null,"classifications":null,"potentialPromotions":null,"variantOptions":null,"baseOptions":[],"volumePricesFlag":null,"volumePrices":null,"productReferences":null,"variantMatrix":null,"priceRange":null,"firstCategoryNameList":null,"multidimensional":null,"configurable":false,"configuratorType":null,"addToCartDisabled":null,"addToCartDisabledMessage":null,"tags":null,"sapUnit":null,"keywords":null,"genders":null,"itemtype":"Part","partSubstitute":null,"note":null,"recallNote":null,"note1":null,"note2":null,"note3":null,"note4":null,"note5":null,"pdfAllUser":null,"pdfAuthUser":null,"pdfCOSUser":null,"vaiantRelatedPartList":null,"partHotspotList":null,"itemNumber":null,"partRelatedVariantList":null,"bomCode":4,"totalValue":null,"searchImage":null,"length":null,"width":null,"height":null,"unitOfDimension":null,"weight":null,"unitOfWeight":null,"specialRouting":false,"onlineRepair":null,"previousPartID":null,"sbdDiscountPriceValue":null,"alrCode":null,"productRecallFlag":null,"selectedDocumentId":null,"productDescription":null,"pdpImage":null,"ticketId":null,"qtyRequiredPerVariant":"1","isElgibleForRepair":null,"isPowerEligible":null,"productRecallNotes":null,"productOtherInfo":null,"backorderETA":"00/00/0000","modifiedDate":"No ETA","userLevel":"COS","displayPrice":null,"baseProductName":null,"firstVariantCode":null,"firstVariantImage":null,"productMarketType":null,"productNumber":null,"typeStatusCode":null,"productCategory":null,"typeNumber":null,"marketCode":null,"regionCode":null,"otherInformation":null,"productTypeStatus":null,"repairInstruction":null,"repairInstructionStatusDescription":null,"typeStatusDate":null,"serviceLifeDate":null,"manufacturerId":null,"parts":null,"language":null,"glossaries":null,"brand":null,"product":null,"brandCode":null,"recallNotes":null,"volume":null},{"code":"P90295A170-CM","name":null,"url":"/c//p/P90295A170-CM","description":"WASHER","purchasable":false,"stock":{"stockLevelStatus":{"code":"outOfStock","type":"StockLevelStatus"},"stockLevel":0,"stockThreshold":null},"futureStocks":null,"availableForPickup":null,"averageRating":null,"numberOfReviews":null,"summary":null,"manufacturer":null,"variantType":null,"price":null,"baseProduct":null,"images":[],"categories":null,"reviews":null,"classifications":null,"potentialPromotions":null,"variantOptions":null,"baseOptions":[],"volumePricesFlag":null,"volumePrices":null,"productReferences":null,"variantMatrix":null,"priceRange":null,"firstCategoryNameList":null,"multidimensional":null,"configurable":false,"configuratorType":null,"addToCartDisabled":null,"addToCartDisabledMessage":null,"tags":null,"sapUnit":null,"keywords":null,"genders":null,"itemtype":"Part","partSubstitute":null,"note":null,"recallNote":null,"note1":null,"note2":null,"note3":null,"note4":null,"note5":null,"pdfAllUser":null,"pdfAuthUser":null,"pdfCOSUser":null,"vaiantRelatedPartList":null,"partHotspotList":null,"itemNumber":null,"partRelatedVariantList":null,"bomCode":4,"totalValue":null,"searchImage":null,"length":null,"width":null,"height":null,"unitOfDimension":null,"weight":null,"unitOfWeight":null,"specialRouting":false,"onlineRepair":null,"previousPartID":null,"sbdDiscountPriceValue":null,"alrCode":null,"productRecallFlag":null,"selectedDocumentId":null,"productDescription":null,"pdpImage":null,"ticketId":null,"qtyRequiredPerVariant":"1","isElgibleForRepair":null,"isPowerEligible":null,"productRecallNotes":null,"productOtherInfo":null,"backorderETA":null,"modifiedDate":null,"userLevel":"COS","displayPrice":null,"baseProductName":null,"firstVariantCode":null,"firstVariantImage":null,"productMarketType":null,"productNumber":null,"typeStatusCode":null,"productCategory":null,"typeNumber":null,"marketCode":null,"regionCode":null,"otherInformation":null,"productTypeStatus":null,"repairInstruction":null,"repairInstructionStatusDescription":null,"typeStatusDate":null,"serviceLifeDate":null,"manufacturerId":null,"parts":null,"language":null,"glossaries":null,"brand":null,"product":null,"brandCode":null,"recallNotes":null,"volume":null},{"code":"PSTD502503-CM","name":null,"url":"/c//p/PSTD502503-CM","description":"SET SCREW 1/4-20X3/8","purchasable":false,"stock":{"stockLevelStatus":{"code":"outOfStock","type":"StockLevelStatus"},"stockLevel":0,"stockThreshold":null},"futureStocks":null,"availableForPickup":null,"averageRating":null,"numberOfReviews":null,"summary":null,"manufacturer":null,"variantType":null,"price":null,"baseProduct":null,"images":[],"categories":null,"reviews":null,"classifications":null,"potentialPromotions":null,"variantOptions":null,"baseOptions":[],"volumePricesFlag":null,"volumePrices":null,"productReferences":null,"variantMatrix":null,"priceRange":null,"firstCategoryNameList":null,"multidimensional":null,"configurable":false,"configuratorType":null,"addToCartDisabled":null,"addToCartDisabledMessage":null,"tags":null,"sapUnit":null,"keywords":null,"genders":null,"itemtype":"Part","partSubstitute":"PSTDPART","note":null,"recallNote":null,"note1":null,"note2":null,"note3":null,"note4":null,"note5":null,"pdfAllUser":null,"pdfAuthUser":null,"pdfCOSUser":null,"vaiantRelatedPartList":null,"partHotspotList":null,"itemNumber":null,"partRelatedVariantList":null,"bomCode":4,"totalValue":null,"searchImage":null,"length":null,"width":null,"height":null,"unitOfDimension":null,"weight":null,"unitOfWeight":null,"specialRouting":false,"onlineRepair":null,"previousPartID":null,"sbdDiscountPriceValue":null,"alrCode":null,"productRecallFlag":null,"selectedDocumentId":null,"productDescription":null,"pdpImage":null,"ticketId":null,"qtyRequiredPerVariant":"1","isElgibleForRepair":null,"isPowerEligible":null,"productRecallNotes":null,"productOtherInfo":null,"backorderETA":null,"modifiedDate":null,"userLevel":"COS","displayPrice":null,"baseProductName":null,"firstVariantCode":null,"firstVariantImage":null,"productMarketType":null,"productNumber":null,"typeStatusCode":null,"productCategory":null,"typeNumber":null,"marketCode":null,"regionCode":null,"otherInformation":null,"productTypeStatus":null,"repairInstruction":null,"repairInstructionStatusDescription":null,"typeStatusDate":null,"serviceLifeDate":null,"manufacturerId":null,"parts":null,"language":null,"glossaries":null,"brand":null,"product":null,"brandCode":null,"recallNotes":null,"volume":null},{"code":"PSTD510803-CM","name":null,"url":"/c//p/PSTD510803-CM","description":"SCREW","purchasable":false,"stock":{"stockLevelStatus":{"code":"outOfStock","type":"StockLevelStatus"},"stockLevel":0,"stockThreshold":null},"futureStocks":null,"availableForPickup":null,"averageRating":null,"numberOfReviews":null,"summary":null,"manufacturer":null,"variantType":null,"price":null,"baseProduct":null,"images":[],"categories":null,"reviews":null,"classifications":null,"potentialPromotions":null,"variantOptions":null,"baseOptions":[],"volumePricesFlag":null,"volumePrices":null,"productReferences":null,"variantMatrix":null,"priceRange":null,"firstCategoryNameList":null,"multidimensional":null,"configurable":false,"configuratorType":null,"addToCartDisabled":null,"addToCartDisabledMessage":null,"tags":null,"sapUnit":null,"keywords":null,"genders":null,"itemtype":"Part","partSubstitute":null,"note":null,"recallNote":null,"note1":null,"note2":null,"note3":null,"note4":null,"note5":null,"pdfAllUser":null,"pdfAuthUser":null,"pdfCOSUser":null,"vaiantRelatedPartList":null,"partHotspotList":null,"itemNumber":null,"partRelatedVariantList":null,"bomCode":4,"totalValue":null,"searchImage":null,"length":null,"width":null,"height":null,"unitOfDimension":null,"weight":null,"unitOfWeight":null,"specialRouting":false,"onlineRepair":null,"previousPartID":null,"sbdDiscountPriceValue":null,"alrCode":null,"productRecallFlag":null,"selectedDocumentId":null,"productDescription":null,"pdpImage":null,"ticketId":null,"qtyRequiredPerVariant":"1","isElgibleForRepair":null,"isPowerEligible":null,"productRecallNotes":null,"productOtherInfo":null,"backorderETA":null,"modifiedDate":null,"userLevel":"COS","displayPrice":null,"baseProductName":null,"firstVariantCode":null,"firstVariantImage":null,"productMarketType":null,"productNumber":null,"typeStatusCode":null,"productCategory":null,"typeNumber":null,"marketCode":null,"regionCode":null,"otherInformation":null,"productTypeStatus":null,"repairInstruction":null,"repairInstructionStatusDescription":null,"typeStatusDate":null,"serviceLifeDate":null,"manufacturerId":null,"parts":null,"language":null,"glossaries":null,"brand":null,"product":null,"brandCode":null,"recallNotes":null,"volume":null},{"code":"PSTD511002-CM","name":null,"url":"/c//p/PSTD511002-CM","description":"SCREW 8PK","purchasable":false,"stock":{"stockLevelStatus":{"code":"outOfStock","type":"StockLevelStatus"},"stockLevel":0,"stockThreshold":null},"futureStocks":null,"availableForPickup":null,"averageRating":null,"numberOfReviews":null,"summary":null,"manufacturer":null,"variantType":null,"price":null,"baseProduct":null,"images":[],"categories":null,"reviews":null,"classifications":null,"potentialPromotions":null,"variantOptions":null,"baseOptions":[],"volumePricesFlag":null,"volumePrices":null,"productReferences":null,"variantMatrix":null,"priceRange":null,"firstCategoryNameList":null,"multidimensional":null,"configurable":false,"configuratorType":null,"addToCartDisabled":null,"addToCartDisabledMessage":null,"tags":null,"sapUnit":null,"keywords":null,"genders":null,"itemtype":"Part","partSubstitute":"PSTDPART","note":null,"recallNote":null,"note1":null,"note2":null,"note3":null,"note4":null,"note5":null,"pdfAllUser":null,"pdfAuthUser":null,"pdfCOSUser":null,"vaiantRelatedPartList":null,"partHotspotList":null,"itemNumber":null,"partRelatedVariantList":null,"bomCode":4,"totalValue":null,"searchImage":null,"length":null,"width":null,"height":null,"unitOfDimension":null,"weight":null,"unitOfWeight":null,"specialRouting":false,"onlineRepair":null,"previousPartID":null,"sbdDiscountPriceValue":null,"alrCode":null,"productRecallFlag":null,"selectedDocumentId":null,"productDescription":null,"pdpImage":null,"ticketId":null,"qtyRequiredPerVariant":"1","isElgibleForRepair":null,"isPowerEligible":null,"productRecallNotes":null,"productOtherInfo":null,"backorderETA":null,"modifiedDate":null,"userLevel":"COS","displayPrice":null,"baseProductName":null,"firstVariantCode":null,"firstVariantImage":null,"productMarketType":null,"productNumber":null,"typeStatusCode":null,"productCategory":null,"typeNumber":null,"marketCode":null,"regionCode":null,"otherInformation":null,"productTypeStatus":null,"repairInstruction":null,"repairInstructionStatusDescription":null,"typeStatusDate":null,"serviceLifeDate":null,"manufacturerId":null,"parts":null,"language":null,"glossaries":null,"brand":null,"product":null,"brandCode":null,"recallNotes":null,"volume":null},{"code":"PSTD511107-CM","name":null,"url":"/c//p/PSTD511107-CM","description":"SCREW FIL HD","purchasable":false,"stock":{"stockLevelStatus":{"code":"outOfStock","type":"StockLevelStatus"},"stockLevel":0,"stockThreshold":null},"futureStocks":null,"availableForPickup":null,"averageRating":null,"numberOfReviews":null,"summary":null,"manufacturer":null,"variantType":null,"price":null,"baseProduct":null,"images":[],"categories":null,"reviews":null,"classifications":null,"potentialPromotions":null,"variantOptions":null,"baseOptions":[],"volumePricesFlag":null,"volumePrices":null,"productReferences":null,"variantMatrix":null,"priceRange":null,"firstCategoryNameList":null,"multidimensional":null,"configurable":false,"configuratorType":null,"addToCartDisabled":null,"addToCartDisabledMessage":null,"tags":null,"sapUnit":null,"keywords":null,"genders":null,"itemtype":"Part","partSubstitute":"PSTDPART","note":null,"recallNote":null,"note1":null,"note2":null,"note3":null,"note4":null,"note5":null,"pdfAllUser":null,"pdfAuthUser":null,"pdfCOSUser":null,"vaiantRelatedPartList":null,"partHotspotList":null,"itemNumber":null,"partRelatedVariantList":null,"bomCode":4,"totalValue":null,"searchImage":null,"length":null,"width":null,"height":null,"unitOfDimension":null,"weight":null,"unitOfWeight":null,"specialRouting":false,"onlineRepair":null,"previousPartID":null,"sbdDiscountPriceValue":null,"alrCode":null,"productRecallFlag":null,"selectedDocumentId":null,"productDescription":null,"pdpImage":null,"ticketId":null,"qtyRequiredPerVariant":"1","isElgibleForRepair":null,"isPowerEligible":null,"productRecallNotes":null,"productOtherInfo":null,"backorderETA":null,"modifiedDate":null,"userLevel":"COS","displayPrice":null,"baseProductName":null,"firstVariantCode":null,"firstVariantImage":null,"productMarketType":null,"productNumber":null,"typeStatusCode":null,"productCategory":null,"typeNumber":null,"marketCode":null,"regionCode":null,"otherInformation":null,"productTypeStatus":null,"repairInstruction":null,"repairInstructionStatusDescription":null,"typeStatusDate":null,"serviceLifeDate":null,"manufacturerId":null,"parts":null,"language":null,"glossaries":null,"brand":null,"product":null,"brandCode":null,"recallNotes":null,"volume":null},{"code":"PSTD522503-CM","name":null,"url":"/c//p/PSTD522503-CM","description":"HEX HD MACH SCREW","purchasable":false,"stock":{"stockLevelStatus":{"code":"outOfStock","type":"StockLevelStatus"},"stockLevel":0,"stockThreshold":null},"futureStocks":null,"availableForPickup":null,"averageRating":null,"numberOfReviews":null,"summary":null,"manufacturer":null,"variantType":null,"price":null,"baseProduct":null,"images":[],"categories":null,"reviews":null,"classifications":null,"potentialPromotions":null,"variantOptions":null,"baseOptions":[],"volumePricesFlag":null,"volumePrices":null,"productReferences":null,"variantMatrix":null,"priceRange":null,"firstCategoryNameList":null,"multidimensional":null,"configurable":false,"configuratorType":null,"addToCartDisabled":null,"addToCartDisabledMessage":null,"tags":null,"sapUnit":null,"keywords":null,"genders":null,"itemtype":"Part","partSubstitute":"PSTDPART","note":null,"recallNote":null,"note1":null,"note2":null,"note3":null,"note4":null,"note5":null,"pdfAllUser":null,"pdfAuthUser":null,"pdfCOSUser":null,"vaiantRelatedPartList":null,"partHotspotList":null,"itemNumber":null,"partRelatedVariantList":null,"bomCode":4,"totalValue":null,"searchImage":null,"length":null,"width":null,"height":null,"unitOfDimension":null,"weight":null,"unitOfWeight":null,"specialRouting":false,"onlineRepair":null,"previousPartID":null,"sbdDiscountPriceValue":null,"alrCode":null,"productRecallFlag":null,"selectedDocumentId":null,"productDescription":null,"pdpImage":null,"ticketId":null,"qtyRequiredPerVariant":"1","isElgibleForRepair":null,"isPowerEligible":null,"productRecallNotes":null,"productOtherInfo":null,"backorderETA":null,"modifiedDate":null,"userLevel":"COS","displayPrice":null,"baseProductName":null,"firstVariantCode":null,"firstVariantImage":null,"productMarketType":null,"productNumber":null,"typeStatusCode":null,"productCategory":null,"typeNumber":null,"marketCode":null,"regionCode":null,"otherInformation":null,"productTypeStatus":null,"repairInstruction":null,"repairInstructionStatusDescription":null,"typeStatusDate":null,"serviceLifeDate":null,"manufacturerId":null,"parts":null,"language":null,"glossaries":null,"brand":null,"product":null,"brandCode":null,"recallNotes":null,"volume":null},{"code":"PSTD522505-CM","name":null,"url":"/c//p/PSTD522505-CM","description":"SCREW ADJUSTING ROD","purchasable":false,"stock":{"stockLevelStatus":{"code":"outOfStock","type":"StockLevelStatus"},"stockLevel":0,"stockThreshold":null},"futureStocks":null,"availableForPickup":null,"averageRating":null,"numberOfReviews":null,"summary":null,"manufacturer":null,"variantType":null,"price":null,"baseProduct":null,"images":[],"categories":null,"reviews":null,"classifications":null,"potentialPromotions":null,"variantOptions":null,"baseOptions":[],"volumePricesFlag":null,"volumePrices":null,"productReferences":null,"variantMatrix":null,"priceRange":null,"firstCategoryNameList":null,"multidimensional":null,"configurable":false,"configuratorType":null,"addToCartDisabled":null,"addToCartDisabledMessage":null,"tags":null,"sapUnit":null,"keywords":null,"genders":null,"itemtype":"Part","partSubstitute":null,"note":null,"recallNote":null,"note1":null,"note2":null,"note3":null,"note4":null,"note5":null,"pdfAllUser":null,"pdfAuthUser":null,"pdfCOSUser":null,"vaiantRelatedPartList":null,"partHotspotList":null,"itemNumber":null,"partRelatedVariantList":null,"bomCode":4,"totalValue":null,"searchImage":null,"length":null,"width":null,"height":null,"unitOfDimension":null,"weight":null,"unitOfWeight":null,"specialRouting":false,"onlineRepair":null,"previousPartID":null,"sbdDiscountPriceValue":null,"alrCode":null,"productRecallFlag":null,"selectedDocumentId":null,"productDescription":null,"pdpImage":null,"ticketId":null,"qtyRequiredPerVariant":"1","isElgibleForRepair":null,"isPowerEligible":null,"productRecallNotes":null,"productOtherInfo":null,"backorderETA":null,"modifiedDate":null,"userLevel":"COS","displayPrice":null,"baseProductName":null,"firstVariantCode":null,"firstVariantImage":null,"productMarketType":null,"productNumber":null,"typeStatusCode":null,"productCategory":null,"typeNumber":null,"marketCode":null,"regionCode":null,"otherInformation":null,"productTypeStatus":null,"repairInstruction":null,"repairInstructionStatusDescription":null,"typeStatusDate":null,"serviceLifeDate":null,"manufacturerId":null,"parts":null,"language":null,"glossaries":null,"brand":null,"product":null,"brandCode":null,"recallNotes":null,"volume":null},{"code":"PSTD523110-CM","name":null,"url":"/c//p/PSTD523110-CM","description":"SCREW 5PK","purchasable":false,"stock":{"stockLevelStatus":{"code":"outOfStock","type":"StockLevelStatus"},"stockLevel":0,"stockThreshold":null},"futureStocks":null,"availableForPickup":null,"averageRating":null,"numberOfReviews":null,"summary":null,"manufacturer":null,"variantType":null,"price":null,"baseProduct":null,"images":[],"categories":null,"reviews":null,"classifications":null,"potentialPromotions":null,"variantOptions":null,"baseOptions":[],"volumePricesFlag":null,"volumePrices":null,"productReferences":null,"variantMatrix":null,"priceRange":null,"firstCategoryNameList":null,"multidimensional":null,"configurable":false,"configuratorType":null,"addToCartDisabled":null,"addToCartDisabledMessage":null,"tags":null,"sapUnit":null,"keywords":null,"genders":null,"itemtype":"Part","partSubstitute":"PSTDPART","note":null,"recallNote":null,"note1":null,"note2":null,"note3":null,"note4":null,"note5":null,"pdfAllUser":null,"pdfAuthUser":null,"pdfCOSUser":null,"vaiantRelatedPartList":null,"partHotspotList":null,"itemNumber":null,"partRelatedVariantList":null,"bomCode":4,"totalValue":null,"searchImage":null,"length":null,"width":null,"height":null,"unitOfDimension":null,"weight":null,"unitOfWeight":null,"specialRouting":false,"onlineRepair":null,"previousPartID":null,"sbdDiscountPriceValue":null,"alrCode":null,"productRecallFlag":null,"selectedDocumentId":null,"productDescription":null,"pdpImage":null,"ticketId":null,"qtyRequiredPerVariant":"1","isElgibleForRepair":null,"isPowerEligible":null,"productRecallNotes":null,"productOtherInfo":null,"backorderETA":null,"modifiedDate":null,"userLevel":"COS","displayPrice":null,"baseProductName":null,"firstVariantCode":null,"firstVariantImage":null,"productMarketType":null,"productNumber":null,"typeStatusCode":null,"productCategory":null,"typeNumber":null,"marketCode":null,"regionCode":null,"otherInformation":null,"productTypeStatus":null,"repairInstruction":null,"repairInstructionStatusDescription":null,"typeStatusDate":null,"serviceLifeDate":null,"manufacturerId":null,"parts":null,"language":null,"glossaries":null,"brand":null,"product":null,"brandCode":null,"recallNotes":null,"volume":null},{"code":"PSTD541031-CM","name":null,"url":"/c//p/PSTD541031-CM","description":"NUT","purchasable":false,"stock":{"stockLevelStatus":{"code":"outOfStock","type":"StockLevelStatus"},"stockLevel":0,"stockThreshold":null},"futureStocks":null,"availableForPickup":null,"averageRating":null,"numberOfReviews":null,"summary":null,"manufacturer":null,"variantType":null,"price":null,"baseProduct":null,"images":[],"categories":null,"reviews":null,"classifications":null,"potentialPromotions":null,"variantOptions":null,"baseOptions":[],"volumePricesFlag":null,"volumePrices":null,"productReferences":null,"variantMatrix":null,"priceRange":null,"firstCategoryNameList":null,"multidimensional":null,"configurable":false,"configuratorType":null,"addToCartDisabled":null,"addToCartDisabledMessage":null,"tags":null,"sapUnit":null,"keywords":null,"genders":null,"itemtype":"Part","partSubstitute":"P583614001-CM","note":null,"recallNote":null,"note1":null,"note2":null,"note3":null,"note4":null,"note5":null,"pdfAllUser":null,"pdfAuthUser":null,"pdfCOSUser":null,"vaiantRelatedPartList":null,"partHotspotList":null,"itemNumber":null,"partRelatedVariantList":null,"bomCode":4,"totalValue":null,"searchImage":null,"length":null,"width":null,"height":null,"unitOfDimension":null,"weight":null,"unitOfWeight":null,"specialRouting":false,"onlineRepair":null,"previousPartID":null,"sbdDiscountPriceValue":null,"alrCode":null,"productRecallFlag":null,"selectedDocumentId":null,"productDescription":null,"pdpImage":null,"ticketId":null,"qtyRequiredPerVariant":"1","isElgibleForRepair":null,"isPowerEligible":null,"productRecallNotes":null,"productOtherInfo":null,"backorderETA":null,"modifiedDate":null,"userLevel":"COS","displayPrice":null,"baseProductName":null,"firstVariantCode":null,"firstVariantImage":null,"productMarketType":null,"productNumber":null,"typeStatusCode":null,"productCategory":null,"typeNumber":null,"marketCode":null,"regionCode":null,"otherInformation":null,"productTypeStatus":null,"repairInstruction":null,"repairInstructionStatusDescription":null,"typeStatusDate":null,"serviceLifeDate":null,"manufacturerId":null,"parts":null,"language":null,"glossaries":null,"brand":null,"product":null,"brandCode":null,"recallNotes":null,"volume":null},{"code":"PSTD541250-CM","name":null,"url":"/c//p/PSTD541250-CM","description":"NUT","purchasable":false,"stock":{"stockLevelStatus":{"code":"outOfStock","type":"StockLevelStatus"},"stockLevel":0,"stockThreshold":null},"futureStocks":null,"availableForPickup":null,"averageRating":null,"numberOfReviews":null,"summary":null,"manufacturer":null,"variantType":null,"price":null,"baseProduct":null,"images":[],"categories":null,"reviews":null,"classifications":null,"potentialPromotions":null,"variantOptions":null,"baseOptions":[],"volumePricesFlag":null,"volumePrices":null,"productReferences":null,"variantMatrix":null,"priceRange":null,"firstCategoryNameList":null,"multidimensional":null,"configurable":false,"configuratorType":null,"addToCartDisabled":null,"addToCartDisabledMessage":null,"tags":null,"sapUnit":null,"keywords":null,"genders":null,"itemtype":"Part","partSubstitute":"P583502601-CM","note":null,"recallNote":null,"note1":null,"note2":null,"note3":null,"note4":null,"note5":null,"pdfAllUser":null,"pdfAuthUser":null,"pdfCOSUser":null,"vaiantRelatedPartList":null,"partHotspotList":null,"itemNumber":null,"partRelatedVariantList":null,"bomCode":4,"totalValue":null,"searchImage":null,"length":null,"width":null,"height":null,"unitOfDimension":null,"weight":null,"unitOfWeight":null,"specialRouting":false,"onlineRepair":null,"previousPartID":null,"sbdDiscountPriceValue":null,"alrCode":null,"productRecallFlag":null,"selectedDocumentId":null,"productDescription":null,"pdpImage":null,"ticketId":null,"qtyRequiredPerVariant":"1","isElgibleForRepair":null,"isPowerEligible":null,"productRecallNotes":null,"productOtherInfo":null,"backorderETA":null,"modifiedDate":null,"userLevel":"COS","displayPrice":null,"baseProductName":null,"firstVariantCode":null,"firstVariantImage":null,"productMarketType":null,"productNumber":null,"typeStatusCode":null,"productCategory":null,"typeNumber":null,"marketCode":null,"regionCode":null,"otherInformation":null,"productTypeStatus":null,"repairInstruction":null,"repairInstructionStatusDescription":null,"typeStatusDate":null,"serviceLifeDate":null,"manufacturerId":null,"parts":null,"language":null,"glossaries":null,"brand":null,"product":null,"brandCode":null,"recallNotes":null,"volume":null},{"code":"PSTD551050-CM","name":null,"url":"/c//p/PSTD551050-CM","description":"WASHER 8PK","purchasable":false,"stock":{"stockLevelStatus":{"code":"outOfStock","type":"StockLevelStatus"},"stockLevel":0,"stockThreshold":null},"futureStocks":null,"availableForPickup":null,"averageRating":null,"numberOfReviews":null,"summary":null,"manufacturer":null,"variantType":null,"price":null,"baseProduct":null,"images":[],"categories":null,"reviews":null,"classifications":null,"potentialPromotions":null,"variantOptions":null,"baseOptions":[],"volumePricesFlag":null,"volumePrices":null,"productReferences":null,"variantMatrix":null,"priceRange":null,"firstCategoryNameList":null,"multidimensional":null,"configurable":false,"configuratorType":null,"addToCartDisabled":null,"addToCartDisabledMessage":null,"tags":null,"sapUnit":null,"keywords":null,"genders":null,"itemtype":"Part","partSubstitute":"PSTDPART","note":null,"recallNote":null,"note1":null,"note2":null,"note3":null,"note4":null,"note5":null,"pdfAllUser":null,"pdfAuthUser":null,"pdfCOSUser":null,"vaiantRelatedPartList":null,"partHotspotList":null,"itemNumber":null,"partRelatedVariantList":null,"bomCode":4,"totalValue":null,"searchImage":null,"length":null,"width":null,"height":null,"unitOfDimension":null,"weight":null,"unitOfWeight":null,"specialRouting":false,"onlineRepair":null,"previousPartID":null,"sbdDiscountPriceValue":null,"alrCode":null,"productRecallFlag":null,"selectedDocumentId":null,"productDescription":null,"pdpImage":null,"ticketId":null,"qtyRequiredPerVariant":"1","isElgibleForRepair":null,"isPowerEligible":null,"productRecallNotes":null,"productOtherInfo":null,"backorderETA":null,"modifiedDate":null,"userLevel":"COS","displayPrice":null,"baseProductName":null,"firstVariantCode":null,"firstVariantImage":null,"productMarketType":null,"productNumber":null,"typeStatusCode":null,"productCategory":null,"typeNumber":null,"marketCode":null,"regionCode":null,"otherInformation":null,"productTypeStatus":null,"repairInstruction":null,"repairInstructionStatusDescription":null,"typeStatusDate":null,"serviceLifeDate":null,"manufacturerId":null,"parts":null,"language":null,"glossaries":null,"brand":null,"product":null,"brandCode":null,"recallNotes":null,"volume":null},{"code":"PSTD571812-CM","name":null,"url":"/c//p/PSTD571812-CM","description":"PIN ROLL 3/16X1-1/4","purchasable":false,"stock":{"stockLevelStatus":{"code":"outOfStock","type":"StockLevelStatus"},"stockLevel":0,"stockThreshold":null},"futureStocks":null,"availableForPickup":null,"averageRating":null,"numberOfReviews":null,"summary":null,"manufacturer":null,"variantType":null,"price":null,"baseProduct":null,"images":[],"categories":null,"reviews":null,"classifications":null,"potentialPromotions":null,"variantOptions":null,"baseOptions":[],"volumePricesFlag":null,"volumePrices":null,"productReferences":null,"variantMatrix":null,"priceRange":null,"firstCategoryNameList":null,"multidimensional":null,"configurable":false,"configuratorType":null,"addToCartDisabled":null,"addToCartDisabledMessage":null,"tags":null,"sapUnit":null,"keywords":null,"genders":null,"itemtype":"Part","partSubstitute":"PSTDPART","note":null,"recallNote":null,"note1":null,"note2":null,"note3":null,"note4":null,"note5":null,"pdfAllUser":null,"pdfAuthUser":null,"pdfCOSUser":null,"vaiantRelatedPartList":null,"partHotspotList":null,"itemNumber":null,"partRelatedVariantList":null,"bomCode":4,"totalValue":null,"searchImage":null,"length":null,"width":null,"height":null,"unitOfDimension":null,"weight":null,"unitOfWeight":null,"specialRouting":false,"onlineRepair":null,"previousPartID":null,"sbdDiscountPriceValue":null,"alrCode":null,"productRecallFlag":null,"selectedDocumentId":null,"productDescription":null,"pdpImage":null,"ticketId":null,"qtyRequiredPerVariant":"1","isElgibleForRepair":null,"isPowerEligible":null,"productRecallNotes":null,"productOtherInfo":null,"backorderETA":null,"modifiedDate":null,"userLevel":"COS","displayPrice":null,"baseProductName":null,"firstVariantCode":null,"firstVariantImage":null,"productMarketType":null,"productNumber":null,"typeStatusCode":null,"productCategory":null,"typeNumber":null,"marketCode":null,"regionCode":null,"otherInformation":null,"productTypeStatus":null,"repairInstruction":null,"repairInstructionStatusDescription":null,"typeStatusDate":null,"serviceLifeDate":null,"manufacturerId":null,"parts":null,"language":null,"glossaries":null,"brand":null,"product":null,"brandCode":null,"recallNotes":null,"volume":null},{"code":"PSTD581031-CM","name":null,"url":"/c//p/PSTD581031-CM","description":"E RING","purchasable":false,"stock":{"stockLevelStatus":{"code":"outOfStock","type":"StockLevelStatus"},"stockLevel":0,"stockThreshold":null},"futureStocks":null,"availableForPickup":null,"averageRating":null,"numberOfReviews":null,"summary":null,"manufacturer":null,"variantType":null,"price":null,"baseProduct":null,"images":[],"categories":null,"reviews":null,"classifications":null,"potentialPromotions":null,"variantOptions":null,"baseOptions":[],"volumePricesFlag":null,"volumePrices":null,"productReferences":null,"variantMatrix":null,"priceRange":null,"firstCategoryNameList":null,"multidimensional":null,"configurable":false,"configuratorType":null,"addToCartDisabled":null,"addToCartDisabledMessage":null,"tags":null,"sapUnit":null,"keywords":null,"genders":null,"itemtype":"Part","partSubstitute":null,"note":null,"recallNote":null,"note1":null,"note2":null,"note3":null,"note4":null,"note5":null,"pdfAllUser":null,"pdfAuthUser":null,"pdfCOSUser":null,"vaiantRelatedPartList":null,"partHotspotList":null,"itemNumber":null,"partRelatedVariantList":null,"bomCode":4,"totalValue":null,"searchImage":null,"length":null,"width":null,"height":null,"unitOfDimension":null,"weight":null,"unitOfWeight":null,"specialRouting":false,"onlineRepair":null,"previousPartID":null,"sbdDiscountPriceValue":null,"alrCode":null,"productRecallFlag":null,"selectedDocumentId":null,"productDescription":null,"pdpImage":null,"ticketId":null,"qtyRequiredPerVariant":"1","isElgibleForRepair":null,"isPowerEligible":null,"productRecallNotes":null,"productOtherInfo":null,"backorderETA":null,"modifiedDate":null,"userLevel":"COS","displayPrice":null,"baseProductName":null,"firstVariantCode":null,"firstVariantImage":null,"productMarketType":null,"productNumber":null,"typeStatusCode":null,"productCategory":null,"typeNumber":null,"marketCode":null,"regionCode":null,"otherInformation":null,"productTypeStatus":null,"repairInstruction":null,"repairInstructionStatusDescription":null,"typeStatusDate":null,"serviceLifeDate":null,"manufacturerId":null,"parts":null,"language":null,"glossaries":null,"brand":null,"product":null,"brandCode":null,"recallNotes":null,"volume":null},{"code":"PSTD582087-CM","name":null,"url":"/c//p/PSTD582087-CM","description":"RING 2PK","purchasable":false,"stock":{"stockLevelStatus":{"code":"outOfStock","type":"StockLevelStatus"},"stockLevel":0,"stockThreshold":null},"futureStocks":null,"availableForPickup":null,"averageRating":null,"numberOfReviews":null,"summary":null,"manufacturer":null,"variantType":null,"price":null,"baseProduct":null,"images":[],"categories":null,"reviews":null,"classifications":null,"potentialPromotions":null,"variantOptions":null,"baseOptions":[],"volumePricesFlag":null,"volumePrices":null,"productReferences":null,"variantMatrix":null,"priceRange":null,"firstCategoryNameList":null,"multidimensional":null,"configurable":false,"configuratorType":null,"addToCartDisabled":null,"addToCartDisabledMessage":null,"tags":null,"sapUnit":null,"keywords":null,"genders":null,"itemtype":"Part","partSubstitute":null,"note":null,"recallNote":null,"note1":null,"note2":null,"note3":null,"note4":null,"note5":null,"pdfAllUser":null,"pdfAuthUser":null,"pdfCOSUser":null,"vaiantRelatedPartList":null,"partHotspotList":null,"itemNumber":null,"partRelatedVariantList":null,"bomCode":4,"totalValue":null,"searchImage":null,"length":null,"width":null,"height":null,"unitOfDimension":null,"weight":null,"unitOfWeight":null,"specialRouting":false,"onlineRepair":null,"previousPartID":null,"sbdDiscountPriceValue":null,"alrCode":null,"productRecallFlag":null,"selectedDocumentId":null,"productDescription":null,"pdpImage":null,"ticketId":null,"qtyRequiredPerVariant":"1","isElgibleForRepair":null,"isPowerEligible":null,"productRecallNotes":null,"productOtherInfo":null,"backorderETA":null,"modifiedDate":null,"userLevel":"COS","displayPrice":null,"baseProductName":null,"firstVariantCode":null,"firstVariantImage":null,"productMarketType":null,"productNumber":null,"typeStatusCode":null,"productCategory":null,"typeNumber":null,"marketCode":null,"regionCode":null,"otherInformation":null,"productTypeStatus":null,"repairInstruction":null,"repairInstructionStatusDescription":null,"typeStatusDate":null,"serviceLifeDate":null,"manufacturerId":null,"parts":null,"language":null,"glossaries":null,"brand":null,"product":null,"brandCode":null,"recallNotes":null,"volume":null},{"code":"PSTD610805-CM","name":null,"url":"/c//p/PSTD610805-CM","description":"SCREW","purchasable":false,"stock":{"stockLevelStatus":{"code":"outOfStock","type":"StockLevelStatus"},"stockLevel":0,"stockThreshold":null},"futureStocks":null,"availableForPickup":null,"averageRating":null,"numberOfReviews":null,"summary":null,"manufacturer":null,"variantType":null,"price":null,"baseProduct":null,"images":[],"categories":null,"reviews":null,"classifications":null,"potentialPromotions":null,"variantOptions":null,"baseOptions":[],"volumePricesFlag":null,"volumePrices":null,"productReferences":null,"variantMatrix":null,"priceRange":null,"firstCategoryNameList":null,"multidimensional":null,"configurable":false,"configuratorType":null,"addToCartDisabled":null,"addToCartDisabledMessage":null,"tags":null,"sapUnit":null,"keywords":null,"genders":null,"itemtype":"Part","partSubstitute":"PSTDPART","note":null,"recallNote":null,"note1":null,"note2":null,"note3":null,"note4":null,"note5":null,"pdfAllUser":null,"pdfAuthUser":null,"pdfCOSUser":null,"vaiantRelatedPartList":null,"partHotspotList":null,"itemNumber":null,"partRelatedVariantList":null,"bomCode":4,"totalValue":null,"searchImage":null,"length":null,"width":null,"height":null,"unitOfDimension":null,"weight":null,"unitOfWeight":null,"specialRouting":false,"onlineRepair":null,"previousPartID":null,"sbdDiscountPriceValue":null,"alrCode":null,"productRecallFlag":null,"selectedDocumentId":null,"productDescription":null,"pdpImage":null,"ticketId":null,"qtyRequiredPerVariant":"1","isElgibleForRepair":null,"isPowerEligible":null,"productRecallNotes":null,"productOtherInfo":null,"backorderETA":null,"modifiedDate":null,"userLevel":"COS","displayPrice":null,"baseProductName":null,"firstVariantCode":null,"firstVariantImage":null,"productMarketType":null,"productNumber":null,"typeStatusCode":null,"productCategory":null,"typeNumber":null,"marketCode":null,"regionCode":null,"otherInformation":null,"productTypeStatus":null,"repairInstruction":null,"repairInstructionStatusDescription":null,"typeStatusDate":null,"serviceLifeDate":null,"manufacturerId":null,"parts":null,"language":null,"glossaries":null,"brand":null,"product":null,"brandCode":null,"recallNotes":null,"volume":null}],"partHotspotList":[{"id":null,"itemNumber":"1","partcode":"P62693-CM","hotspotLeft":-0.34209999999999996,"hotspotTop":11.0725,"hotspotBottom":0.0,"hotspotRight":0.0},{"id":null,"itemNumber":"1","partcode":"P29930-CM","hotspotLeft":-0.34209999999999996,"hotspotTop":11.0725,"hotspotBottom":0.0,"hotspotRight":0.0},{"id":null,"itemNumber":"1","partcode":"P60208-D-CM","hotspotLeft":-0.34209999999999996,"hotspotTop":11.0725,"hotspotBottom":0.0,"hotspotRight":0.0},{"id":null,"itemNumber":"1","partcode":"P62590-CM","hotspotLeft":-0.34209999999999996,"hotspotTop":11.0725,"hotspotBottom":0.0,"hotspotRight":0.0},{"id":null,"itemNumber":"1","partcode":"P532050675-CM","hotspotLeft":-0.34209999999999996,"hotspotTop":11.0725,"hotspotBottom":0.0,"hotspotRight":0.0},{"id":null,"itemNumber":"1","partcode":"PSTDPART","hotspotLeft":-0.34209999999999996,"hotspotTop":11.0725,"hotspotBottom":0.0,"hotspotRight":0.0},{"id":null,"itemNumber":"1","partcode":"PSTD541025-CM","hotspotLeft":-0.34209999999999996,"hotspotTop":11.0725,"hotspotBottom":0.0,"hotspotRight":0.0},{"id":null,"itemNumber":"1","partcode":"PSTD522510-CM","hotspotLeft":-0.34209999999999996,"hotspotTop":11.0725,"hotspotBottom":0.0,"hotspotRight":0.0},{"id":null,"itemNumber":"1","partcode":"P50675-CM","hotspotLeft":-0.34209999999999996,"hotspotTop":11.0725,"hotspotBottom":0.0,"hotspotRight":0.0},{"id":null,"itemNumber":"2","partcode":"P30494-CM","hotspotLeft":-0.01319999999999999,"hotspotTop":8.285,"hotspotBottom":0.0,"hotspotRight":0.0},{"id":null,"itemNumber":"2","partcode":"P62692-CM","hotspotLeft":-0.01319999999999999,"hotspotTop":8.285,"hotspotBottom":0.0,"hotspotRight":0.0},{"id":null,"itemNumber":"2","partcode":"P62391-CM","hotspotLeft":-0.01319999999999999,"hotspotTop":8.285,"hotspotBottom":0.0,"hotspotRight":0.0},{"id":null,"itemNumber":"2","partcode":"PSTDPART","hotspotLeft":-0.01319999999999999,"hotspotTop":8.285,"hotspotBottom":0.0,"hotspotRight":0.0},{"id":null,"itemNumber":"3","partcode":"P530001717-CM","hotspotLeft":-0.01319999999999999,"hotspotTop":3.9296,"hotspotBottom":0.0,"hotspotRight":0.0},{"id":null,"itemNumber":"3","partcode":"PSTDPART","hotspotLeft":-0.01319999999999999,"hotspotTop":3.9296,"hotspotBottom":0.0,"hotspotRight":0.0},{"id":null,"itemNumber":"3","partcode":"PSTD522506-CM","hotspotLeft":-0.01319999999999999,"hotspotTop":3.9296,"hotspotBottom":0.0,"hotspotRight":0.0},{"id":null,"itemNumber":"3","partcode":"PSTD551031-CM","hotspotLeft":-0.01319999999999999,"hotspotTop":3.9296,"hotspotBottom":0.0,"hotspotRight":0.0},{"id":null,"itemNumber":"3","partcode":"PSTD600803-CM","hotspotLeft":-0.01319999999999999,"hotspotTop":3.9296,"hotspotBottom":0.0,"hotspotRight":0.0},{"id":null,"itemNumber":"3","partcode":"PSTD551210-CM","hotspotLeft":-0.01319999999999999,"hotspotTop":3.9296,"hotspotBottom":0.0,"hotspotRight":0.0},{"id":null,"itemNumber":"3","partcode":"P530092322-CM","hotspotLeft":-0.01319999999999999,"hotspotTop":3.9296,"hotspotBottom":0.0,"hotspotRight":0.0},{"id":null,"itemNumber":"3","partcode":"P530001717-CM","hotspotLeft":22.6842,"hotspotTop":5.149100000000001,"hotspotBottom":0.0,"hotspotRight":0.0},{"id":null,"itemNumber":"3","partcode":"PSTDPART","hotspotLeft":22.6842,"hotspotTop":5.149100000000001,"hotspotBottom":0.0,"hotspotRight":0.0},{"id":null,"itemNumber":"3","partcode":"PSTD522506-CM","hotspotLeft":22.6842,"hotspotTop":5.149100000000001,"hotspotBottom":0.0,"hotspotRight":0.0},{"id":null,"itemNumber":"3","partcode":"PSTD551031-CM","hotspotLeft":22.6842,"hotspotTop":5.149100000000001,"hotspotBottom":0.0,"hotspotRight":0.0},{"id":null,"itemNumber":"3","partcode":"PSTD600803-CM","hotspotLeft":22.6842,"hotspotTop":5.149100000000001,"hotspotBottom":0.0,"hotspotRight":0.0},{"id":null,"itemNumber":"3","partcode":"PSTD551210-CM","hotspotLeft":22.6842,"hotspotTop":5.149100000000001,"hotspotBottom":0.0,"hotspotRight":0.0},{"id":null,"itemNumber":"3","partcode":"P530092322-CM","hotspotLeft":22.6842,"hotspotTop":5.149100000000001,"hotspotBottom":0.0,"hotspotRight":0.0},{"id":null,"itemNumber":"4","partcode":"PSTD541110-CM","hotspotLeft":15.776299999999999,"hotspotTop":3.0585,"hotspotBottom":0.0,"hotspotRight":0.0},{"id":null,"itemNumber":"4","partcode":"P6362-CM","hotspotLeft":15.776299999999999,"hotspotTop":3.0585,"hotspotBottom":0.0,"hotspotRight":0.0},{"id":null,"itemNumber":"4","partcode":"PSTDPART","hotspotLeft":15.776299999999999,"hotspotTop":3.0585,"hotspotBottom":0.0,"hotspotRight":0.0},{"id":null,"itemNumber":"6","partcode":"PSTD551025-CM","hotspotLeft":27.6184,"hotspotTop":5.149100000000001,"hotspotBottom":0.0,"hotspotRight":0.0},{"id":null,"itemNumber":"6","partcode":"PSTD551225-CM","hotspotLeft":27.6184,"hotspotTop":5.149100000000001,"hotspotBottom":0.0,"hotspotRight":0.0},{"id":null,"itemNumber":"6","partcode":"P53217342-CM","hotspotLeft":27.6184,"hotspotTop":5.149100000000001,"hotspotBottom":0.0,"hotspotRight":0.0},{"id":null,"itemNumber":"6","partcode":"P37838-CM","hotspotLeft":27.6184,"hotspotTop":5.149100000000001,"hotspotBottom":0.0,"hotspotRight":0.0},{"id":null,"itemNumber":"6","partcode":"PSTDPART","hotspotLeft":27.6184,"hotspotTop":5.149100000000001,"hotspotBottom":0.0,"hotspotRight":0.0},{"id":null,"itemNumber":"7","partcode":"PSTDPART","hotspotLeft":33.2105,"hotspotTop":4.974900000000001,"hotspotBottom":0.0,"hotspotRight":0.0},{"id":null,"itemNumber":"7","partcode":"PSTD600803-CM","hotspotLeft":33.2105,"hotspotTop":4.974900000000001,"hotspotBottom":0.0,"hotspotRight":0.0},{"id":null,"itemNumber":"7","partcode":"P60287-CM","hotspotLeft":33.2105,"hotspotTop":4.974900000000001,"hotspotBottom":0.0,"hotspotRight":0.0},{"id":null,"itemNumber":"8","partcode":"P22255-CM","hotspotLeft":36.9934,"hotspotTop":2.7100999999999997,"hotspotBottom":0.0,"hotspotRight":0.0},{"id":null,"itemNumber":"8","partcode":"PSTDPART","hotspotLeft":36.9934,"hotspotTop":2.7100999999999997,"hotspotBottom":0.0,"hotspotRight":0.0},{"id":null,"itemNumber":"8","partcode":"PCONTACT SEARS","hotspotLeft":36.9934,"hotspotTop":2.7100999999999997,"hotspotBottom":0.0,"hotspotRight":0.0},{"id":null,"itemNumber":"9","partcode":"PSTDPART","hotspotLeft":39.625,"hotspotTop":2.0132,"hotspotBottom":0.0,"hotspotRight":0.0},{"id":null,"itemNumber":"9","partcode":"PSTD582075-CM","hotspotLeft":39.625,"hotspotTop":2.0132,"hotspotBottom":0.0,"hotspotRight":0.0},{"id":null,"itemNumber":"9","partcode":"PSTD600805-CM","hotspotLeft":39.625,"hotspotTop":2.0132,"hotspotBottom":0.0,"hotspotRight":0.0},{"id":null,"itemNumber":"9","partcode":"PSTD611005-CM","hotspotLeft":39.625,"hotspotTop":2.0132,"hotspotBottom":0.0,"hotspotRight":0.0},{"id":null,"itemNumber":"9","partcode":"PSTD510805-CM","hotspotLeft":39.625,"hotspotTop":2.0132,"hotspotBottom":0.0,"hotspotRight":0.0},{"id":null,"itemNumber":"10","partcode":"P169123-10-CM","hotspotLeft":42.0921,"hotspotTop":2.0132,"hotspotBottom":0.0,"hotspotRight":0.0},{"id":null,"itemNumber":"10","partcode":"P62410-CM","hotspotLeft":42.0921,"hotspotTop":2.0132,"hotspotBottom":0.0,"hotspotRight":0.0},{"id":null,"itemNumber":"10","partcode":"PCONTACT SEARS","hotspotLeft":42.0921,"hotspotTop":2.0132,"hotspotBottom":0.0,"hotspotRight":0.0},{"id":null,"itemNumber":"10","partcode":"P169123-10-CM","hotspotLeft":89.4605,"hotspotTop":12.6404,"hotspotBottom":0.0,"hotspotRight":0.0},{"id":null,"itemNumber":"10","partcode":"P62410-CM","hotspotLeft":89.4605,"hotspotTop":12.6404,"hotspotBottom":0.0,"hotspotRight":0.0},{"id":null,"itemNumber":"10","partcode":"PCONTACT SEARS","hotspotLeft":89.4605,"hotspotTop":12.6404,"hotspotBottom":0.0,"hotspotRight":0.0},{"id":null,"itemNumber":"11","partcode":"P447441-CM","hotspotLeft":50.3158,"hotspotTop":2.5359,"hotspotBottom":0.0,"hotspotRight":0.0},{"id":null,"itemNumber":"11","partcode":"PSTDPART","hotspotLeft":50.3158,"hotspotTop":2.5359,"hotspotBottom":0.0,"hotspotRight":0.0},{"id":null,"itemNumber":"11","partcode":"PSTD541231-CM","hotspotLeft":50.3158,"hotspotTop":2.5359,"hotspotBottom":0.0,"hotspotRight":0.0},{"id":null,"itemNumber":"11","partcode":"PSTD571810-CM","hotspotLeft":50.3158,"hotspotTop":2.5359,"hotspotBottom":0.0,"hotspotRight":0.0},{"id":null,"itemNumber":"12","partcode":"P000000-00","hotspotLeft":58.375,"hotspotTop":3.2328,"hotspotBottom":0.0,"hotspotRight":0.0},{"id":null,"itemNumber":"12","partcode":"P62225-CM","hotspotLeft":58.375,"hotspotTop":3.2328,"hotspotBottom":0.0,"hotspotRight":0.0},{"id":null,"itemNumber":"13","partcode":"P979875-001-CM","hotspotLeft":48.3421,"hotspotTop":6.8913,"hotspotBottom":0.0,"hotspotRight":0.0},{"id":null,"itemNumber":"13","partcode":"P62583-CM","hotspotLeft":48.3421,"hotspotTop":6.8913,"hotspotBottom":0.0,"hotspotRight":0.0},{"id":null,"itemNumber":"13","partcode":"PSTDPART","hotspotLeft":48.3421,"hotspotTop":6.8913,"hotspotBottom":0.0,"hotspotRight":0.0},{"id":null,"itemNumber":"13","partcode":"PSTD551231-CM","hotspotLeft":48.3421,"hotspotTop":6.8913,"hotspotBottom":0.0,"hotspotRight":0.0},{"id":null,"itemNumber":"14","partcode":"PSTD523106-CM","hotspotLeft":51.3026,"hotspotTop":7.2397,"hotspotBottom":0.0,"hotspotRight":0.0},{"id":null,"itemNumber":"14","partcode":"PSTDPART","hotspotLeft":51.3026,"hotspotTop":7.2397,"hotspotBottom":0.0,"hotspotRight":0.0},{"id":null,"itemNumber":"15","partcode":"PSTDPART","hotspotLeft":57.8816,"hotspotTop":9.678700000000001,"hotspotBottom":0.0,"hotspotRight":0.0},{"id":null,"itemNumber":"15","partcode":"PSTDPART","hotspotLeft":54.2632,"hotspotTop":24.1387,"hotspotBottom":0.0,"hotspotRight":0.0},{"id":null,"itemNumber":"15","partcode":"PSTDPART","hotspotLeft":20.2171,"hotspotTop":16.8216,"hotspotBottom":0.0,"hotspotRight":0.0},{"id":null,"itemNumber":"16","partcode":"PSTD551231-CM","hotspotLeft":60.6776,"hotspotTop":9.5045,"hotspotBottom":0.0,"hotspotRight":0.0},{"id":null,"itemNumber":"16","partcode":"PSTD611005-CM","hotspotLeft":60.6776,"hotspotTop":9.5045,"hotspotBottom":0.0,"hotspotRight":0.0},{"id":null,"itemNumber":"16","partcode":"PSTDPART","hotspotLeft":60.6776,"hotspotTop":9.5045,"hotspotBottom":0.0,"hotspotRight":0.0},{"id":null,"itemNumber":"16","partcode":"PSTD551231-CM","hotspotLeft":49.1645,"hotspotTop":28.145599999999998,"hotspotBottom":0.0,"hotspotRight":0.0},{"id":null,"itemNumber":"16","partcode":"PSTD611005-CM","hotspotLeft":49.1645,"hotspotTop":28.145599999999998,"hotspotBottom":0.0,"hotspotRight":0.0},{"id":null,"itemNumber":"16","partcode":"PSTDPART","hotspotLeft":49.1645,"hotspotTop":28.145599999999998,"hotspotBottom":0.0,"hotspotRight":0.0},{"id":null,"itemNumber":"16","partcode":"PSTD551231-CM","hotspotLeft":20.3816,"hotspotTop":14.0341,"hotspotBottom":0.0,"hotspotRight":0.0},{"id":null,"itemNumber":"16","partcode":"PSTD611005-CM","hotspotLeft":20.3816,"hotspotTop":14.0341,"hotspotBottom":0.0,"hotspotRight":0.0},{"id":null,"itemNumber":"16","partcode":"PSTDPART","hotspotLeft":20.3816,"hotspotTop":14.0341,"hotspotBottom":0.0,"hotspotRight":0.0},{"id":null,"itemNumber":"17","partcode":"P62539-CM","hotspotLeft":64.7895,"hotspotTop":11.9436,"hotspotBottom":0.0,"hotspotRight":0.0},{"id":null,"itemNumber":"17","partcode":"P000000-00","hotspotLeft":64.7895,"hotspotTop":11.9436,"hotspotBottom":0.0,"hotspotRight":0.0},{"id":null,"itemNumber":"18","partcode":"PSTDPART","hotspotLeft":69.0658,"hotspotTop":12.4662,"hotspotBottom":0.0,"hotspotRight":0.0},{"id":null,"itemNumber":"18","partcode":"PSTD503103-CM","hotspotLeft":69.0658,"hotspotTop":12.4662,"hotspotBottom":0.0,"hotspotRight":0.0},{"id":null,"itemNumber":"19","partcode":"P000000-00","hotspotLeft":81.2368,"hotspotTop":18.738,"hotspotBottom":0.0,"hotspotRight":0.0},{"id":null,"itemNumber":"20","partcode":"PSTDPART","hotspotLeft":80.9079,"hotspotTop":21.3512,"hotspotBottom":0.0,"hotspotRight":0.0},{"id":null,"itemNumber":"20","partcode":"PSTD523115-CM","hotspotLeft":80.9079,"hotspotTop":21.3512,"hotspotBottom":0.0,"hotspotRight":0.0},{"id":null,"itemNumber":"21","partcode":"PSTD551012-CM","hotspotLeft":80.5789,"hotspotTop":24.8355,"hotspotBottom":0.0,"hotspotRight":0.0},{"id":null,"itemNumber":"21","partcode":"PSTDPART","hotspotLeft":80.5789,"hotspotTop":24.8355,"hotspotBottom":0.0,"hotspotRight":0.0},{"id":null,"itemNumber":"22","partcode":"PSTDPART","hotspotLeft":57.5526,"hotspotTop":22.3965,"hotspotBottom":0.0,"hotspotRight":0.0},{"id":null,"itemNumber":"22","partcode":"PSTD601103-CM","hotspotLeft":57.5526,"hotspotTop":22.3965,"hotspotBottom":0.0,"hotspotRight":0.0},{"id":null,"itemNumber":"23","partcode":"PSTD551237-CM","hotspotLeft":53.2763,"hotspotTop":27.7972,"hotspotBottom":0.0,"hotspotRight":0.0},{"id":null,"itemNumber":"23","partcode":"PSTDPART","hotspotLeft":53.2763,"hotspotTop":27.7972,"hotspotBottom":0.0,"hotspotRight":0.0},{"id":null,"itemNumber":"24","partcode":"P000000-00","hotspotLeft":54.2632,"hotspotTop":31.629999999999995,"hotspotBottom":0.0,"hotspotRight":0.0},{"id":null,"itemNumber":"25","partcode":"PSTDPART","hotspotLeft":56.4013,"hotspotTop":29.539399999999997,"hotspotBottom":0.0,"hotspotRight":0.0},{"id":null,"itemNumber":"26","partcode":"PSTDPART","hotspotLeft":58.8684,"hotspotTop":29.539399999999997,"hotspotBottom":0.0,"hotspotRight":0.0},{"id":null,"itemNumber":"26","partcode":"P000000-00","hotspotLeft":58.8684,"hotspotTop":29.539399999999997,"hotspotBottom":0.0,"hotspotRight":0.0},{"id":null,"itemNumber":"27","partcode":"P000000-00","hotspotLeft":61.5,"hotspotTop":40.8634,"hotspotBottom":0.0,"hotspotRight":0.0},{"id":null,"itemNumber":"28","partcode":"PSTDPART","hotspotLeft":61.6645,"hotspotTop":43.8251,"hotspotBottom":0.0,"hotspotRight":0.0},{"id":null,"itemNumber":"29","partcode":"PSTD523112-CM","hotspotLeft":34.0329,"hotspotTop":29.7136,"hotspotBottom":0.0,"hotspotRight":0.0},{"id":null,"itemNumber":"29","partcode":"PSTDPART","hotspotLeft":34.0329,"hotspotTop":29.7136,"hotspotBottom":0.0,"hotspotRight":0.0},{"id":null,"itemNumber":"30","partcode":"P62590-CM","hotspotLeft":26.3026,"hotspotTop":29.539399999999997,"hotspotBottom":0.0,"hotspotRight":0.0},{"id":null,"itemNumber":"30","partcode":"PSTDPART","hotspotLeft":26.3026,"hotspotTop":29.539399999999997,"hotspotBottom":0.0,"hotspotRight":0.0},{"id":null,"itemNumber":"31","partcode":"P29930-CM","hotspotLeft":12.1579,"hotspotTop":28.319899999999997,"hotspotBottom":0.0,"hotspotRight":0.0},{"id":null,"itemNumber":"31","partcode":"P000000-00","hotspotLeft":12.1579,"hotspotTop":28.319899999999997,"hotspotBottom":0.0,"hotspotRight":0.0}],"itemNumber":null,"partRelatedVariantList":null,"bomCode":null,"totalValue":null,"searchImage":null,"length":null,"width":null,"height":null,"unitOfDimension":null,"weight":null,"unitOfWeight":null,"specialRouting":false,"onlineRepair":null,"previousPartID":null,"sbdDiscountPriceValue":null,"alrCode":null,"productRecallFlag":null,"selectedDocumentId":null,"productDescription":"12 MOTORIZ","pdpImage":null,"ticketId":null,"qtyRequiredPerVariant":null,"isElgibleForRepair":null,"isPowerEligible":null,"productRecallNotes":null,"productOtherInfo":null,"backorderETA":null,"modifiedDate":null,"userLevel":null,"displayPrice":null,"baseProductName":null,"firstVariantCode":null,"firstVariantImage":null,"productMarketType":null,"productNumber":null,"typeStatusCode":null,"productCategory":null,"typeNumber":null,"marketCode":null,"regionCode":null,"otherInformation":null,"productTypeStatus":null,"repairInstruction":null,"repairInstructionStatusDescription":null,"typeStatusDate":null,"serviceLifeDate":null,"manufacturerId":null,"parts":null,"language":null,"glossaries":null,"brand":null,"product":null,"brandCode":null,"recallNotes":null,"volume":null}
Type
0
Why you should buy parts/service with us?
High Quality
Buy high reliable products for your critical projects.
Expert Technicians
We have certified experts, who can resolve any issues of the product.
Quick Support
Our Support lines are open to support all your queries.
Convenient Delivery
Delivered to you at your convenient place.
100% Secured Checkout
We follow highest security standards to make your transaction safe.











